Технические характеристики ДВС А-01
С 1965 г. алтайские моторостроители начинают производство двигателей собственной конструкции
— всем известные А-01 иА-41, ставшие впоследствии базовыми моделями для других модификаций.
Данными моделями и их модификациями комплектовалось большинство всей с.-х. техники в Советском Союзе. В 1987 г. в производстве Алтайского Моторного Завода появляются двигатели второго поколения — семейства Д-440 с турбонаддувом. Именно на их базе через несколько лет были созданы два семейства современных дизелей — Д-442 и Д-461 номинальной мощностью соответственно 135—180 л/с. и 160—-235 л/с. для широкого круга с.-х., лесопромышленной, дорожно-строительной и другой техники.
Сегодня современные модели дизелей производства АМЗ отвечают всем требованиям самых взыскательных потребителей.
Благодаря такой компоновке двигатель легко обслуживать и ремонтировать. Технические характеристики ДВС А-01М и А-01МИ
| Модель, модификация | А-01М/А-01МИ |
| Номинальная мощность, кВт / л.с. | 99 / 135 |
| Номинальная частота вращения, мин-1 | |
| Максимальный крутящий момент, Нм | 630 |
Удельный расход топлива г/кВт-ч г/л. с.-ч |
221 / 163 |
| Габаритные размеры, L*B*H, мм | 1777х825х1423 |
| Основные отличия от базовой модели | Базовая модель |
| Применяемость | Трактор Т-4АС4, автогрейдеры, ДЗ-122А/143/180 |
|
Наименование |
Значение |
|
Тактность |
Четырёхтактный |
|
Способ смесеобразования |
Непосредственный впрыск |
|
Число цилиндров |
6 |
|
Порядок работы цилиндров |
1-5-3-6-2-4 |
|
Диаметр цилиндров, мм |
130 |
|
Степень сжатия |
16+0,5 |
|
Направление вращения коленчатого вала (со стороны вентилятора) |
Правое (по часовой стрелке) |
|
Номинальная мощность, кВт (л. |
99 (135) |
|
Эксплуатационная мощность, кВт (л.с.) |
95,5 (130) |
|
Номинальная частота вращения коленчатого вала, об/мин |
1700 |
|
Максимальная частота вращения коленчатого вала на холостом ходу, не более, об/мин |
1850 |
|
Максимальная устойчивая частота вращения коленчатого вала на холостом ходу, не более, об/мин |
700 |
|
Максимальный крутящий момент при 1100-1300 об/мин, не менее, Н.м (кгс.м) |
683 (69,6) |
|
Установочный угол опережения впрыскивания топлива, град. |
30-2 |
|
Предельные углы наклона дизеля, град. продольный поперечный |
30 20 |
|
Удельный расход топлива при номинальной мощности, не более, г/кВт.ч (г/л.с.ч) |
221,45 (162,74) |
|
Удельный расход топлива при эксплуатационной мощности, не более, г/кВт.ч (г/л.с.ч) |
235 (173) |
|
Давление в главной масляной магистрали, МПа (кгс/см2) при минимальной частоте вращения холостого хода, не менее при номинальной частоте вращения |
0,1 (1) 0,3-0,5 (3-5) |
|
Номинальный коэффициент запаса крутящего момента, %, не менее |
20 |
|
Относительный расход масла на угар после 60-часовой наработки к расходу топлива, % |
не более 0,3 |
|
Фазы газораспределения, град. впуск: начало до ВМТ конец после НМТ выпуск: начало до НМТ конец после ВМТ |
20 50 50 20 |
|
Масса, кг |
1200 |
|
Габариты, мм |
1630х739х1443 |
Технические характеристики двигателя а-41 — Тракторист
Моторный завод, расположенный в Алтае, известен качеством продукции, главную роль в прославлении предприятия сыграл двигатель А 41. Дизельная силовая установка считается базовым устройством, благодаря которому зародилась серия агрегатов. Предназначение мотора, привод тяжёлой техники строительного, сельского и лесопромышленного назначения.
Алтайский завод, предприятие с большим опытом, берущее начало с 1951 года. Этот факт наложил отпечаток на дизельный механизм, продукт показал, что надёжен, прост и безотказен.
Такое сочетание качеств, совместно с пониженным уровнем загрязнения, отразилось на популярности, сделав двигатель востребованным и узнаваемым в мире. Изготовитель не стоит на месте, постоянно усовершенствуя агрегат.
Так, последние доработки позволили весомо снизить утрату смазки и увеличить ресурс мотора.
Трактор ДТ-75:
Описание двигателя А 41
Силовая установка развивает мощность в 90 лошадей на оборотах 1750 мин-1, такая характеристика двигателя А41 доступна благодаря объёму, который составляет 7,43 литра.
Дизельный агрегат с четырьмя камерами, выстроенными в ряд и выполняющими четыре такта за один цикл. Мотор с непосредственным вводом топлива, в обновлённых изделиях за управление механизмом отвечает электроника.
Камера, в которой сжимается и сгорает горючее, выполнена в форме тора, ёмкость размещена в днище вытеснителя, подход смягчает работу мотора.
Сверху на остове расположена головка, в которой содержатся: распылители, клапана, механизм привода.
К боковым площадкам головки крепятся коллекторы впуска и выпуска. Сзади мотора установлен кронштейн, на котором фиксируется воздушный очиститель.
Спереди блок двигателя А41 содержит: картер с распределяющими шестерёнками, опору, помпу, вентилятор. Сзади мотора предусмотрен кожух маховика, в котором собрано сцепление с двумя дисками.
Что бы избежать вибрации в процессе работы, мотор уравновешивается специальным устройством, которое крепится в нижней части остова.
Важно то, что устройство двигателя А41 использует механизм распределения газов с двумя клапанами, это сказывается на параметрах мотора, увеличивая полезный коэффициент.
На ресурс силовой установки влияет использование гильз из чугуна, поверхность которых обрабатывается методом вершинного хонингования. Параллельно с применяемым охлаждением, меры отводят излишки тепла, поддерживая показатель температуры на требуемом уровне. Кроме того, внешний тепловой обмен поддерживает одинаковую температуру, как на повышенных нагрузках, так и на холостых оборотах.
Двигатель 2jz: Обзор двигателя и технические характеристики
Для равномерного износа стержня клапана, предусмотрен пружинный механизм, проворачивающий изделие в процессе работы. Из-за повышенных нагрузок, вал распределения при выпуске закаляется токами повышенной частоты. Изделие содержит шейки (7 штук), кулачки (12 штук) и активируется посредством передачи из шестерёнок.
Двигатель А-41:
Двигатель А 41 технические характеристики
Серия моторов «А 41», это дизельные агрегаты с четырьмя камерами без наддува. Моторы выпускаются модификациями, призвание которых удовлетворить потребности потребителя. Базовые характеристики у двигателей одинаковы.
Эксплуатационные характеристики мотора:
| Показатель: | Значение: | |
| А-41СИ-1 | А-41СИ-02 (03) | |
| Производство налажено | ОАО «АМЗ» | |
| Сырьё остова | чугун | |
| Питание | Дизель, без наддува, впрыск | |
| Система охлаждения дизельного двигателя А 41 | Жидкость, замкнутый контур с вентиляцией | |
| Число и расположение камер | Четыре, в ряд | |
| Порядок работы камер | «1342» | |
Перепускных вентилей на камеру, (шт. ) | 2 | |
| Сечение камеры, (мм.) | 130 | |
| Перемещение вытеснителя мотора, (мм.) | 140 | |
| Компрессия мотора | 16,5 | |
| Объём двигателя, (л) | 7,43 | |
| Мощь мотора, (лошадей/мин-1) | 90 | 94 |
| Вращение, (мин-1) | 2000 | |
| Импульс мотора, (Нм.) | 433 | 482 |
| Экологическое соответствие | Евро-0 | |
| Вес двигателя А 41, (кг.) | 890 | 900(810) |
| Удельный расход, (г/кВт*ч) | 227-245 | |
| Смазка мотора | Напор + брызги + пар | |
| Масло мотора, марка | Лето: ДС-11; Зима: ДС-8 | |
| Утрата смазки мотором, (% к дизелю) | 0,4 | 0,3 |
| Объем масла в двигателе, (л.) | 22 | |
| Смена смазки, (период) | Раз в год | |
| Габариты мотора (ДхШхВ), (мм) | 1428х786х1567 | 1454х731х1174 |
| Работа при температуре, (°С) | 91 | |
| Максимальный угол наклона (вдоль/поперёк), (°) | 30/20 | |
| Ресурс, (мотто час) | 9000 | 12000 |
| Моторы используются | Трактора: ДТ-75, Т-4А, Д-162, Т-4 и др.![]() |
Головка:
Модификации двигателя А 41
За время, пока выпускался мотор, конструкторские особенности неоднократно менялись. Пытаясь подстроиться под потребности клиентов, завод создавал модификации устройства, и это только пошло на пользу. Так, тяговая установка стала надёжней, сократила потребление горючего, повысила показатели мощности и момента.
Начиная с 2001 года, весомым вкладом в показатели мотора стало применение персональных головок для каждой группы камер в отдельности.
Изменения положительно сказались на изделии, увеличив надёжность уплотнения стыков, уменьшив угар масла. Для партий, выпущенных в 2003 году, характерно применение запуска электрическим стартером, повлиявшего на ресурс изделия.
Год 2012 внёс в конструкцию блок картер немецкого выпуска, доставшегося мотору благодаря покупке лицензии.
- Как итог, известно 11 модификаций, которые оснащены единой базой и отличаются между собой применяемым «обвесом».

- Поршневая:
- Главные модификации мотора:
| Модификация | Описание |
| А-41-В | Двигатель используется для привода станции насосной передвижной «СНП 50-80». |
| А-41-Г | Мотор приводит в действие грейдеры, буровые машины, укладчики асфальта. |
| А-41-Д | Мотор приводит в действие погрузчики и автомобильные катки. |
| А-41СИ-1 | Мотор используется на тракторе «ДТ-75Д». |
| А-41СИ-02 | Мотор используется на тракторе «АГРОМАШ 90ТГ». |
| А-41СИ-03 | Дизельный мотор используется на тракторе «Т-6.01». |
Трактор «АГРОМАШ 90ТГ»:
Техническое обслуживание двигателя
Положительный момент мотора, живучесть и неприхотливость. Пользователь при необходимости, в состоянии самостоятельно провести работы по замене и регулировке, главное, делать это в соответствии с установленными инструкцией временными нормами.
Так, мотор не любит перегревов, поэтому следят за этим показателем внимательно. Нельзя допускать увеличенного показателя давления и температуры смазки, падение или увеличения уровня жидкости, засорение магистралей и фильтров. Материал в системе смазки меняют после каждых 240 часов работы, параллельно чистят или меняют фильтрующий элемент.
Перед каждой эксплуатацией мотора, а так же после каждых 10 часов работы мотор осматривают. Контролируют, нет ли утечки жидкостей, чистят агрегат, проверяют фиксацию механизмов и узлов, контролируют шум и др.
Замена прокладки клапанной крышки:
После каждых 1000 часов работы, делается регулировка клапанов двигателя А41. Манипуляции проводятся для поддержания работоспособности и целостности агрегата, значения зазоров поддерживаются на уровне 0,25-0,3мм для каждого из клапанов.
Приора -126 двигатель: Характеристики и тюнинг
Регулярному контролю и уходу подвергается охлаждающий контур мотора. Для поддержания работоспособности механизма, внутреннюю часть чистят, удаляют накипь, отложения.
Проверяют, нет ли повышенного расхода жидкости в результате повреждения контура.
Неполадки двигателя А 41
За то время, пока эксплуатируется мотор, владельцы изучили слабые места «вдоль и поперёк». Особенность в том, что критических замечаний по агрегату нет, но периодически возникают неполадки, которые повторяются при стечении обстоятельств.
- Эксплуатация мотора приводит к перегреву и остановке агрегата.
Причина кроется в образовании налёта внутри жидкостных патрубков, что приводит к сужению последних. Явление сказывается на проходимости охладителя и усложняет отдачу излишков тепла в окружающую среду. Для ликвидации последствий, осматривают и чистят контур с жидкостью, меняют регулятор температуры, помпу, чинят радиатор.
- Эксплуатация мотора сопровождается повышенным расходом смазки.
Причина поломки, потеря уплотнения крышки клапанов. Для устранения неполадок меняют уплотнение. В новых моторах предусмотрено применение улучшенного остова картера.
Ремонт коленчатого вала:
- Работа мотора сопровождается вибрацией и потерей мощи.
Для определения причины, цилиндры мотора вскрывают, осматривают вытеснители, кольца, коленчатый вал. Часто причина кроется в износе колец, либо выходе из строя подшипников, которые меняются.
- Мотор не запускается, работа сопровождается сбоями.
Существенный вес при таких поломках имеет фильтрующий элемент или засорившиеся распылители топлива. Для устранения проблемы, осматривают механизмы, участвующие в образовании и подачи рабочей смеси, устраняют неполадки.
Источник: https://toptexnik.ru/dvigarely/dvigatel-a41-harakteristiki-i-neispravnosti
Двигатель А-41: характеристики, неисправности и тюнинг
Дизельный четырехцилиндровый двигатель А 41 изготавливается Алтайским моторным заводом и предназначается для установки на тяжёлую строительную технику и сельскохозяйственные транспортные средства.
Этот силовой агрегат зарекомендовал себя как чрезвычайно надежный, долговечный и простой в обслуживании, что неизменно сказалось на его популярности.![]()
Технические характеристики
| Вес двигателя, кг | 930 |
| Размеры (длина/ширина), мм | 1425/827 |
| Материал блока цилиндров | чугун |
| Система питания | Прямой впрыск |
| Порядок работы двигателя (отсчет со стороны вентилятора) | 1 — 3 — 4 — 2 |
| Рабочий объем цилиндров, л | 7.43 |
| Мощность, л. с. | 90 |
| Номинальное число оборотов, об/мин. | 1750 |
| Количество цилиндров | 4 |
| Расположение цилиндров | вертикальное |
| Ход поршня, мм | 140 |
| Диаметр цилиндра, мм | 130 |
| Степень сжатия | 16 |
| Максимальный крутящий момент при 1200 — 1300 об/мин, Нм | 412 |
| Топливо | дизель |
| Минимальный удельный расход топлива, кВтч | 1. 62 |
| Система охлаждения | Жидкостная, с принудительной циркуляцией охлаждающей жидкости |
| Масло | Летом дизельное масло ДС-11 (М12В) или М10В; зимой – ДС-8 (М8В). |
| Генератор | Постоянного тока 214А1 или Г304. |
| Гидронасосы | 2 насоса шестеренчатого типа НШ10ДЛ и НШ46УЛ; привод шестеренчатой передачей от коленчатого вала. |
Двигатель устанавливается на тракторы ДТ-75М, Т-4А, Т-4, экскаваторы, катки, автогрейдеры, насосные установки, электростанции.
Описание
Рабочий объем этого четырехцилиндрового дизельного двигателя А 41 составляет 7,43 литра, что позволяет обеспечить мощность в 90 лошадиных сил при 1750 оборотах в минуту. Мотор А 41 имеет непосредственную систему впрыска, которая на последних модификациях полностью управляется электроникой.
Особенностью конструкции этого силового агрегата является двухклапанный механизм газораспределения, что позволяет обеспечить максимальную эффективность и отдачу.
Для повышения надежности конструкции в дизеле А 41 использовали специальные гильзы, выполненные из чугуна с обработкой поверхности по технологии вершинного хонингования.
Используемая система охлаждения позволяет значительно уменьшить рабочую температуру, что положительно сказывается на надёжности этого силового агрегата. Для охлаждения масла используется внешний жидкостно-масляный теплообменник, обеспечивающий возможность работы силового агрегата при максимальных нагрузках и в тяжелых условиях эксплуатации.
Модификации
За годы нахождения этого мотора на конвейере он претерпел небольшие изменения, которые позволили существенно упростить обслуживание техники, улучшились его показатели надежности, сократился расход топлива и повысились показатели мощности.
Так, например модификация А-41СИ-03 имеет рядное расположение цилиндров, что позволило увеличить показатели номинальной мощности с 90 до 100 лошадиных сил. У этого силового агрегата коэффициент запаса крутящего момента составляет 20%, тогда как у модификации А-41СИ-1 и А-41СИ-02 этот показатель равняется 15%.
Начиная с 2001 года при изготовлении этих силовых агрегатов используют индивидуальные головки блока для каждой из группы цилиндров, что в свою очередь повысило надежность уплотнения газового стыка и уменьшило расход масла при угаре.
Двигатель, за время нахождения на конвейере, совершенствовался, получая различные электронные блоки управления. В 2003 году этот силовой агрегат начал оснащаться электростартерным запуском, что повысило его моторесурс. В 2012 году по лицензии на дизельный мотор А 41 стали устанавливать немецкие блоки картера, что повысило надежность мотора.
В общей сложности было выпущено 11 различных модификаций, большинство из которых представляют собой базовый мотор с установленным на него дополнительным навесным оборудованием.
Так, например возможна установка двух гидронасосов, ременного пневмокомпрессора, дополнительного генератора, увеличенного жидкостно-масляного теплообменника, предназначенного для охлаждения масла, модернизированной муфты сцепления и ряд других элементов.
Техническое обслуживание
Сервисное обслуживание этого силового агрегата не представляет особой сложности, что позволяет выполнять такие работы самостоятельно.
- Фактически при эксплуатации техники с данным типом двигателя необходимо лишь постоянно следить за давлением и температурой масла, в обязательном порядке проверять текущий уровень смазки, проводить промывку масляного фильтра и своевременно менять масло через каждые 240 мото-часов.
- Ежесменное обслуживание проводят ежедневно, в начале или конце смены, через каждые 8-10 мото-часов работы. При этом мотор очищают от пыли и грязи, проверяют крепежные детали и герметичность соединения, нет ли посторонних шумов, долив топлива (нет ли его протекания), масла и воды.
На регулярной основе проводится обслуживание системы охлаждения двигателя модификации А 41. В обязательном порядке проводится промывка системы с удалением накипи, а при наличии течи выполняется дополнительная герметизация радиатора.
Неисправности
| Двигатель перегревается, что приводит к невозможности эксплуатации техники. | В системе охлаждения этого силового агрегата используют преимущественно воду, что может привести к выпадению осадка или же появление кальциевого налета на сотах радиатора. Именно поэтому необходимо при увеличении рабочей температуры провести осмотр состояния радиаторов, промыть их, удалив соответствующую накипь. В отдельных случаях приходится заменить термостат или же проводить замену сломавшейся помпы. |
| Отмечается повышенный угар масла. | Причиной подобного может быть потерявшая герметичность клапанная крышка, которая устанавливается отдельно на каждую группу цилиндров. Подобная проблема была решена в последних модификациях этого мотора, где применялись немецкие блоки картера. |
| Двигатель А 41 потерял большую часть своей мощности и работает с заметной вибрацией. | Необходимо вскрыть силовые агрегаты, проверить состояние поршней и коленвала. Достаточно часто выходят из строя балансирующие подшипники, которые требуют соответствующей замены. |
| Появляются перебои в работе двигателя и отмечаются проблемы с пуском. | Причиной такой поломки может стать засорившийся топливный фильтр или же проблемы с системой впрыска. Необходимо для начала осмотреть состояние топливной системы, после чего проводить вскрытие мотора. |
Тюнинг
- Тюнинг этого силового агрегата заключается в установке турбины от двигателей 440 серии. Такой мотор при условии замена шатунов и системы смазки способен выдавать около 145 лошадиных сил без какого-либо снижения моторесурса.
- Возможно увеличение мощности силового агрегата путем перепрограммирования блока управления и замены системы впрыска. Проведя подобную модернизацию двигателя А 41 можно получить дополнительно порядка 5-10 лошадиных сил.
Двигатель А-41: характеристики, неисправности и тюнинг Ссылка на основную публикацию
Источник: https://dvigatels.
ru/russia/dvigatel-a-41.html
Двигатель АМЗ А-41: Технические характеристики и тюнинг
Отечественная строительная и сельхозтехника, спецмашины комплектуются различными силовыми агрегатами. Один из их представителей – дизельный двигатель А 41, производства Алтайского моторного завода, расположенного в Барнауле.
Технические характеристики
А 41 – серия четырехцилиндровых безнаддувных дизельных двигателей. Их основное предназначение – эксплуатация в стройтехнике и сельскохозяйственных машинах. А 41 – качественный, неприхотливый, долговечный агрегат, простой в эксплуатации и обладающий хорошей ремонтопригодностью, и такая характеристика двигателей А 41 позволила ему обрести признание потребителей.
- А41, снятый с трактора ДТ-75:
- Технические характеристики двигателя А 41 в стоковом варианте:
- Вес двигателя А 41: 930 кг.
- Размеры мотора: длина 1425 мм, ширина 827 мм.
- Исполнение блока цилиндров: чугунный БЦ.

- Подача топлива: методом прямого впрыска ДТ.
- Алгоритм работы цилиндров: 1 – 3 – 4 – 2, отсчет ведется от вентилятора мотора.
- Объем: 7.43 литра.
- Развиваемая мощность: до 90 лошадиных сил.
- Число оборотов по паспорту: 1750 об. в минуту.
- Цилиндров: 4.
- Расположение цилиндров: установлены вертикально.
- Длина хода поршня: 140 мм.
- Диаметр отдельного цилиндра: 130 мм.
- Штатная степень сжатия А41: 16.
- Развиваемый крутящий момент: 412 Нм на 1300 оборотах.
- Расход топлива: мин. 1.62 кВтч.
- Система охлаждения дизельного двигателя А 41: жидкостная.
- Используемое масло: ДС-11 в летний период, ДС-8 зимой.
- Генератор мотора: агрегат постоянного тока 7=Г304, 214А1.
- Количество клапанов механизма газораспределения: 2
- Гидронасосы: 2 шестеренчатых насоса, привод от коленвала передачей шестеренчатого типа.
- Заявленный моторесурс: 12 тысяч моточасов на последних моделях двигателя.

Куда устанавливаеться двигатель АМЗ А-41
Данным мотором оснащаются экскаваторы, грейдеры, электростанции и насосные установки, прочая техника по согласованию с заводом-производителем. Из тракторов его используют на тракторах Т-4, ДТ-75М, Т-4А.
Обзор и особенности – Двигатель А-41
90-сильный двигатель обладает солидным объемом цилиндров в 7.43 литра, что позволяет базовой модели А 41 выдать такую мощность на относительно малых оборотах, около 1750. Следуя за тенденциями моторостроения, разработчики внесли в устройство двигателя А 41 блок электронной системы непосредственного впрыска: топливоподача полностью контролируется электроникой.
Читайте также… Двигатель 1 ZZ (FE) — Ресурс и технические особенности
Важная особенность мотора А 41 – двухклапанный газораспределительный механизм. Инженеры использовали его, чтобы придать двигателю максимально возможный КПД, отдачу и эффективность.
Чтобы сделать агрегат надежнее, в А 41 использованы высокопрочные чугунные гильзы, поверхность которых обработана методом вершинного хонингования.
Это увеличивает ресурс мотора, вкупе с продуманной системой охлаждения (правда, растет и вес).
В качестве таковой используется внешний масляно-жидкостный теплообменник, одинаково хорошо охлаждающий двигатель и в холостом режиме, и при максимальных нагрузках.
Благодаря поддержанию стабильно-комфортной рабочей температуры надежность двигателя была дополнительно улучшена.
Интересная особенность двигателя: клапаны при работе двигателя способны проворачиваться от воздействия собственных пружин и сопутствующих рабочим циклам двигателя вибраций. Это можно отнести к плюсам конструкции, поскольку клапанный стержень изнашивается равномернее (хотя фаска тарелки клапана изнашивается тоже).
Распредвал двигателя должен выдерживать весомые нагрузки, поэтому его закаляют высокочастотными токами. На распредвалу имеются 7 шеек и 12 кулачков, обеспечивающих работу механизма. Узел приводится в движение от коленвала посредством шестеренчатой передачи.
Разработчики позаботились и об экологичности силового агрегата: вышедший из цехов АМЗ двигатель соответствует отечественному стандарту Р 41.
96-2005 по отсутствию нарушений в выбросе загрязняющих и вредных веществ.
Модификации мотора
Двигатель выпускается в различных вариациях, предназначенных для работы с определенной спецтехникой.
Основные модели:
| Модификация | Предназначение |
| А- 41 В | Насосные станции СНП |
| А-41 Г | Асфальтоукладчики, грейдеры, буровые установки |
| А-41 Д | Автопогрузчики, катки |
| А-41И, СИ, С | Трактор ДТ-75 |
Базовая модель двигателя и модификации ставятся на трактора и прочую технику, по согласованию с производителем. Всего существует более 11 вариаций мотора, отличающиеся, в основном, дополнительным оборудованием. Можно поставить:
- два гидронасоса;
- модернизированную муфту блока сцепления;
- глушитель;
- пневмокомпрессор;
- предпусковой электрофакельный подогреватель;
- увеличенный теплообменник системы охлаждения моторного масла, и т.
д.
Модификации двигателя А-41СИ1, 02 и 03 отличаются друг от друга расположением цилиндров: последний получил рядную компоновку, благодаря чему номинальная развиваемая двигателем мощность выросла до 100 сил, а запас момента – до 20%, по сравнению с собратьями. На популярные трактора серии ДТ-75, согласно каталогу завода, ставятся моторы А 41И, СИ, С.
Читайте также… Двигатель Дэу Матиз- Обслуживание и замена масла
Начиная с 2001 года двигатели при сборке компонуются собственной головкой для отдельных цилиндровых групп, благодаря чему улучшилась надежность газового стыка и упал расход моторного масла «на угар».
В 2003 была создана модификация с запуском от электростартера, благодаря чему вырос моторесурс.
А в 2012 картерный блок двигателя А 41 заменили на лицензированные немецкие картеры, что сделало двигатель еще надежнее.
Блок-картер:
У А-41 существует родственный двигатель А-01, также предназначенный для работы на спецтехнике.
В отличие от А-41, у второго двигателя 6 цилиндров.
Техобслуживание
Как уже упоминалось, А 41 и его модификации неприхотливы к условиям работы и сервису. Квалифицированный техник вполне справится с задачами текущего обслуживания самостоятельно.
По сути, для долгой и бесперебойной работы мотора необходимо, в основном, следить за температурой масла и давлением в масляной магистрали, не позволяя уровню смазки падать ниже критического уровня, и промывать масляный фильтр. Замена масла проводится регулярно, каждые 240 моточасов наработки двигателя.
Важная регулярная операция – регулировка сцепления, поскольку при постепенном износе накладок дисков увеличиваются зазоры отвода среднего диска и свободный ход муфты. Схематическое устройство сцепления на примере такового в тракторе ДТ-75:
Это двухдисковая муфта сухого исполнения, постоянно-замкнутого типа. Регулировка сцепления ДТ 75 с двигателем А 41 должна производиться, при необходимости по результату проверки, примерно каждые 240 моточасов.
Со временем может также потребоваться регулировка клапанов двигателя А 41. Допускается зазор в 0.25… 0.3 мм, для обоих клапанов этого двигателя.
Обслуживать мотор следует также ежесменно, при окончании смены или перед ее началом. Интервал текущего сервиса – около 10 моточасов. В набор манипуляций входит:
- очистка двигателя от грязи, скопившейся пыли;
- проверка креплений и состояния герметичности стыков;
- контроль отсутствия посторонних шумов;
- проверка на протечки топлива, воды и моторного масла.
- Охлаждающую систему двигателя также следует своевременно обслуживать. В набор сервисных операций входят:
- удаление накипи из блока охлаждения, промывка системы;
- проверка на течи и герметизация слабых мест радиатора, при необходимости.
Читайте также… Двигатель ЗИД- Устройство и обслуживание
Типичные неисправности
Мотору свойственные некоторые характерные проблемы.
В качестве хладагента системы охлаждения двигателя используется в основном вода, которая оставляет отложения кальция на сотах радиатора и осадок в трубках и полостях системы.
Поэтому следует регулярно проверять, в каком состоянии находится радиатор, и промывать его, особенно если предполагается эксплуатация двигателя на высоких нагрузках.
Иногда, в запущенных случаях, необходимо менять вышедшую из строя помпу или переставший работать термостат двигателя А 41.
- Аномально высокий расход моторного масла на угар.
Причина этого – негерметичная клапанная крышка, своя для отдельной цилиндровой группы. Именно для исправления данного недостатка в новых моделях использованы блоки картера германского производства.
- Потеря мощности двигателя, сильные вибрации при работе мотора.
Вероятная причина – дефект в узле коленвала или поршнях. Следует также проверить подшипники балансировки, им свойственно ломаться с последующей обязательной заменой таковых.
- Плохой пуск двигателя, перебои при работе.
Причинами этого могут стать неполадки системы впрыска или забившийся грязью топливный фильтр.
Следует диагностировать топливную систему, прочистить или заменить фильтр, а если эта операция не возымеет эффекта, вскрыть двигатель и проверять внутренние компоненты.
Тюнинг
В некоторых ситуациях мощности двигателя А41 может не хватать. Как и в «гражданских» двигателях, здесь существуют некоторые технические приемы, позволяющие снимать с силовой установки повышенную мощность.
- Установка турбины от моторов серии 440.
Это операция комплексная, требующая также монтажа соответствующих новым характеристикам двигателя шатунов и смазочной системы. При соблюдении этих требований мотор становится способным выдавать до 145 сил, при сохранении штатного моторесурса.
Некоторого прироста можно добиться чисто программными манипуляциями, перепрограммировав электронное устройство управления двигателем.
Важно: при этом крайне желательно установить и более производительные форсунки, поскольку штатные могут не справиться с нагрузкой.
Таким путем к характеристикам двигателя А 41 добавляют на 5-10 лошадиных сил больше, чем в стоковом исполнении.
Источник: https://motoran.ru/dvigatel/dvigatel-amz-a-41
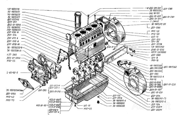
Двигатель А-01, А-41, Д-447, Д-467
Поставляем со склада и под заказ запасные части двигателей А-01, А-41, Д-447, Д-467 Алтайского моторного завода.
Дизели Алтайского моторного завода отличаются простотой конструкции и надежностью.
У двигателей А-01, А-41, Д-447, Д-467 есть существенный ряд преимуществ:
- Экономичность
- Надежность
- Простота в техническом обслуживании и ремонте
Двигатели типа А-01, А-41 — безнаддувный, с 2-х клапанным механизмом газораспределения. Используются гильзы из спецчугуна, поршни трехколечные.
- Двигатель А-01 имеет модификации: А-01МСИ-1, А-01МРСИ-1, А-01МКСИ-1
- Модификации двигателя А-41: А-41СИ-1, А-41СИ-02, А-41СИ-03
- Технические характеристики А-01, А-41:
| А-01 | А-41 | |
| Тип дизеля | четырехтактный | четырехтактный |
| Число цилиндров | 6 | 4 |
| Расположение цилиндров | Вертикальное, рядное | |
| Порядок работы цилиндров | 1-5-3-6-2-4 | 1-3-4-2 |
| Диаметр цилиндров, мм | 130 | 130 |
| Ход поршня, мм | 140 | 140 |
| Рабочий объем цилиндра, л | 11,15 | 7,43 |
| Степень сжатия | 16,5 | 16,5 |
| Способ смесеобразования | непосредственный впрыск топлива | |
| Наличие наддува | нет | нет |
Номинальная мощность,кВт (л. с) | 99 (135) | 69 (94) |
| Номинальная частота вращения коленчатого вала, мин-1 | 1700 | 1750 |
| Удельный эффективный расход топлива при номинальной мощности г/кВт ч | 221 | 227 |
| Относительный расход масла на угар, % к расходу топлива, не более | 0,3 | 0,3 |
Технические характеристики Д-447:
| Д-447Р | Д-447Р1 | |
| Мощность, кВт (л.с) | 84 (114) | 91 (124) |
| Частота вращения коленчатого вала, об/мин | 1500 | |
| Мин устойчивая частота вращения коленчатого вала на холостом ходу, об/мин | 700 | |
| Макс частота вращения коленчатого вала, об/мин | 1620 | |
| Число цилиндров | 4 | |
| Расположение цилиндров | вертикальное рядное | |
| Порядок работы цилиндров | 1-3-4-2 | |
| Тип | четырехтактный | |
| Способ смесеобразования | непосредственный впрыск топлива | |
| Наличие наддува | турбонаддув | |
| Диаметр поршня, мм | 130 | |
| Ход поршня, мм | 140 | |
| Рабочий объем цилиндра, л | 7,43 | |
| Пуск дизеля | электростартерный | |
| Охлаждение | двухконтурное, водо-водяное с насосом забортной воды, охладителями воды и масла | |
| Количество клапанов на цилиндр | 2 | |
| Масса двигателя, кг | 830 |
Технические характеристики двигателя Д-467:
| Д-467Р | Д467Р1 | Д467Р2 | Д467Р3 | |
Мощность, кВт (л. с.) | 115 (156) | 130 (177) | 147 (200) | 147 (200) |
| Частота вращения коленчатого вала об/мин | 1500 | 2000 | ||
| Мин устойчивая частота вращения коленчатого вала на холостом ходу, об/мин | 700 | |||
| Макс частота вращения коленчатого вала, об/мин | 1620 | 2160 | ||
| Число цилиндров | 6 | |||
| Расположение цилиндров | вертикальное, рядное | |||
| Порядок работы цилиндров | 1-5-3-6-2-4 | |||
| Тип | четырехтактный | |||
| Способ смесеобразования | непосредственный впрыск топлива | |||
| Наличие наддува | турбонаддув | |||
| Диаметр поршня | 130 | |||
| Ход поршня | 140 | |||
| Рабочий объем цилиндра, л | 11,15 | |||
| Пуск дизеля | электростартерный | |||
| Охлаждение | двухконтурное, водо-водяное с насосом забортной воды, охладителями воды и масла | |||
| Удельный эффективный расход топлива, г/кВт х ч | 0,7 | |||
| Масса двигателя, кг | 1160 | |||
| Агрегатируется с реверс-редуктором модели | 120С | 135С | 300 | 135А |
| Наименование дизель-редуктора | ДРА-125/1500 | ДРА-140/1500 | ДРА-160/1500 | ДРА-160/2000 |
| Блок-картер, картер маховика | ||
| 1 | 01М-00 КП | Блок-картер |
| 2 | 41И-00 КП | Блок-картер |
| 3 | 41И-01-00 КП | Блок-картер |
| 4 | 440И-00 КП | Блок-картер |
| 5 | 442-00 КП | Блок-картер |
| 6 | 442-25-00 КП | Блок-картер |
| 7 | 442-25БИ-00 КП | Блок-картер |
| 8 | 442-51-00 КП | Блок-картер |
| 9 | 442-55Р-00 КП | Блок-картер |
| 10 | 447-00 КП | Блок-картер |
| 11 | 467-10-00 КП | Блок-картер |
| 12 | 467-21-00 КП | Блок-картер |
| 13 | 01М-0110-02 | Болт крепления крышки |
| 14 | 01-0109 | Втулка распредвала |
| 15 | 41-0109А | Втулка передняя распределительного вала |
| 16 | 01-0150 | Втулка резьбовая |
| 17 | 03-01С3-1А | Картер маховика |
| 178 | 41-01С3-1 | Картер маховика |
| 19 | 41-01С3-11 | Картер маховика |
| 20 | 4605-01С12 | Кожух привода топливного насоса |
| 21 | 442-0178 | Кольцо |
| 22 | 01-0107-2 | Кронштейн топливного насоса |
| 23 | 41-01С9 | Крышка верхнего люка |
| 24 | 01М-01С9 | Крышка верхнего люка |
| 25 | 01-0168 | Крышка люка |
| 26 | 01-0169 | Крышка люка |
| 27 | 01-0167 | Крышка люка |
| 28 | 01М-0199 | Крышка люка |
| 29 | 01-0148-2 | Маслоотражатель |
| 30 | 6Т2-01С4 | Палец в сборе |
| 31 | 41-01С6-01 | Патрубок маслоналивной |
| 32 | 01М-0195-01 | Пробка коническая 3/4 |
| 33 | 01М-01С6-01 | Пробка маслозаливной горловины |
| 34 | 448-01С10 | Сапун |
| 35 | 01М-0135 | Трубка маслоизмерителя |
| 36 | 442-01С5 | Форсунка охладения поршня |
| 37 | 11ТА-01С5-3 | Форсунка охладения поршня |
| 38 | 6Т2-0119 | Шайба крепления головки |
| 39 | 41-0165-1 | Штуцер переходной |
| 40 | 4601-0150-01 | Штуцер |
| Картер шестерен | ||
| 41 | 03А-0210 | Болт |
| 42 | 03А-0235 | Болт |
| 43 | 03А-0206В | Вал привода топливного насоса |
| 44 | 41-02С2-31 | Картер шестерен |
| 45 | 03А-0219В | Крестовина |
| 46 | 4405-02с8 | Крышка картера шестерен |
| 47 | 03А-0252 | Пластина центрирующая |
| 48 | 03А-02С10 | Пластины |
| 49 | 03А-02С4В | Привод топливного насоса |
| 50 | 442-47-0232 | Прокладка |
| 51 | 03А-02С11 | Фланец |
| 52 | 03А-0207-02 | Фланец |
| Шатун | ||
| 54 | 461-0303-01 | Болт шатунный |
| 55 | 461-0308-17 | Втулка шатуна |
| 56 | 01М-0307(236-1004022Б | Кольцо стопорное |
| 57 | 461-03С2-02 | Шатун |
| Вал коленчатый | ||
| 58 | 6Т3-0410 | Болт |
| 59 | 444-0410 | Болт |
| 60 | 6Т3-0414 | Болт крепления |
| 61 | 03А-0414 | Болт крепления маховика |
| 62 | 01-04с5-30 | Вал коленчатый без вкладышей |
| 63 | 445-04С5-21 | Вал коленчатый без вкладышей |
| 64 | 444-04С5-50 | Вал коленчатый без вкладышей |
| 65 | 01МС-0403-20 | Венец маховика |
| 66 | 41С-0403-10 | Венец маховика |
| 67 | 444-0409-01 | Гайка |
| 68 | 6Т2-0411А | Заглушка |
| 69 | 01М-0425-01 | Корпус сальника |
| 70 | 6Т3-0425-01 | Корпус сальника |
| 71 | 6Т3-0405 | Маслоотражатель коленвала передний |
| 72 | 01-0421 | Маслоотражатель коленвала задний |
| 73 | 444-0405 | Маслоотражатель коленвала передний |
| 74 | 6Т3-04С6-10 | Маховик с венцом |
| 75 | 41С-04С6-20 | Маховик с венцом |
| 76 | 01МС-04С6-20 | Маховик с венцом |
| 77 | 01М-0440 | Пробка |
| 78 | 444-0406 | Ступица |
| 79 | 01-0430-10 | Трубка сепарирующая |
| 80 | 6Т3-0411 | Шайба поджимная |
| 81 | 41-0406-11 | Шкив коленвала |
| 82 | 442-59-0406 | Шкив коленчатого вала |
| Механизм газораспределения | ||
| 83 | 01М-05с7 | Вал распределительный |
| 84 | 41-05с7 | Вал распределительный |
| 85 | 01-0527-1 | Втулка |
| 86 | СМД55-0505 | Втулка |
| 87 | 01М-0522 | Гайка |
| 88 | 01-0510А | Опора оси толкателей маслоподводящая |
| 89 | 01-0512А | Опора оси толкателя |
| 90 | 41-05С3 | Ось толкателей |
| 91 | 01-05С14 | Ось толкателей |
| 92 | 41-05С14 | Ось толкателей |
| 93 | 6Т2-05С3-1 | Ось толкателей задняя |
| 94 | 6Т2-05С2-1 | Ось толкателей передняя |
| 95 | 41-0533-1 | Скоба |
| 96 | 6Т2-0520-1 | Стержень |
| 97 | 01-05С10 | Толкатель в сборе |
| 98 | 41-0507 | Фланец шлицевой |
| 99 | 01М-0521 | Шайба стопорная |
| 100 | 448-0505 | Шайба |
| 101 | 41-0534-3 | Шайба |
| 102 | 6Т2-05С8А | Штанга толкателя |
| Головка цилиндров | ||
| 103 | М4601-0618 | Болот крепления головки |
| 104 | М4601-0618-01 | Болот крепления головки |
| 105 | 01-0689 | Винт коромысла регулировочный |
| 106 | 448-0603 | Втулка клапана направляющая |
| 107 | 448-06С2 | Головка цилиндра с клапанами |
| 108 | М4601-06С2-11 | Головка цилиндра с клапанами |
| 109 | 01-0661 | Коллектор впускной задний алюминиевый |
| 110 | 01М-06С12 | Коллектор впускной задний алюминиевый |
| 111 |
Источник: http://neva-diesel.
com/dvigateli-a-01-a-41-d-447-d-467-i-zapchasti-k-nim
Дизельный двигатель Алтай-дизель А-41СИ
Двигатели Алтай-дизель разрабатываются и выпускаются на Алтайском моторном заводе — одном из ведущих российских производителей дизельных двигателей.
Многоцелевые 4-х цилиндровые и 6-ти цилиндровые рядные дизельные двигатели Алтай-дизель размерностью Д*Н=130*140 мм обладают особой конфигурацией камер сгорания, точно дозированным введением топлива, удачной конструкцией газотурбинного наддува (при его наличии) и практически идеальным перемещением газов внутри цилиндров. Благодаря этим качествам двигатели Алтайского моторного завода отличает рекордно низкий удельный расход топлива.
Двигатель Алтай-дизель А-41СИ представляет собой 4-х цилиндровый 4-х тактный двигатель жидкостного охлаждения с непосредственным впрыском топлива и вертикальным рядным расположением цилиндров.
Газотурбинный наддув у дизельного двигателя Алтай-дизель А-41СИ отстутствует.
Вы можете приобрести в Компании СУЭТ необходимые вам дизельные двигатели Алтай-дизель. Составить заявку в произвольной форме на двигатели Алтай-дизель Вы сможете на специализированной странице | Заказов, не покидая данный ресурс.
- Вы также можете заказать и купить дизельный двигатель Алтай-дизель А-41СИ удобным для Вас способом — по телефону или посетив наши представительства.
- Области применения дизельного двигателя Алтай-дизель А-41СИ — тракторы ДТ-75М, ДТ-75МЛ и ДТ-75Д, буровая установка УРБ-3А3, и монтажные краны МКП-25А, ПУМ-500М.
- Основные технические характеристики дизельного двигателя Алтай-дизель А-41СИ
| Наименование параметра | А-41СИ |
Номинальная мощность, кВт (л. с.) | 69 (94) |
| Номинальная частота вращения коленчатого вала, об./мин. | 1750 |
| Максимальный крутящий момент, Н·м | 433 |
| Номинальный коэффициент запаса крутящего момента,% | 15 |
| Удельный расход топлива, г/кВт.ч.(г/л.с.ч.) при номинальной мощности | 226 ,6 (166,6) |
| Рабочий объем цилиндров, л | 7,43 |
| Конструкционная масса дизеля, кг | 960 |
| Габаритные размеры, мм | 1428х797х1072 |
Цена дизельного двигателя Алтай-дизель А-41СИ, при заказе оптовых партий, может быть существенно снижена.
Купить двигатели Алтай-дизель можно в любом городе РФ, отгрузки дизельных двигателей со складов компании СУЭТ осуществляются ежедневно, без выходных.
Чтобы узнать цены и условия поставки дизельного двигателя Алтай-дизель А-41СИ, пожалуйста, свяжитесь с нашими специалистами или составьте заявку на двигатели на странице Заказ.
Все представители модельной линейки дизельных двигателей Алтай-дизель работают без необходимости капитального ремонта более 10 000 моточасов. Соответствие двигателей Алтай-дизель отечественным стандартам экологии позволяет использовать их на всех типах внедорожной техники.
Источник: http://www.suet-motor.ru/catalogue/diesel_engines/altai-disel-a-41si.htm
Двигатель А-41 и его модификации | Автомобильный блог
Дизельный двигатель А-41 – это универсальный мотор, который устанавливается на различного рода специальную технику и обеспечивает ее надежную и долговечную работу.
Устанавливать такие моторы можно на трактора, передвижные электростанции, экскаваторы, автогрейдеры и т.д.
Именно благодаря своей универсальности и практичности, такая техника получила всемирное признание и стала очень популярной.
Двигатель А-41
Производятся такие моторы на Алтайском моторном заводе. Данный завод – это огромное предприятие, которое работает на рынке спецзапчастей и моторов еще с далекого 1951 года.
Такой большой опыт на рынке и не упадок производства, а наоборот рост продаж объясняется только тем фактом, что на данном предприятии выпускают действительно качественные и надежные двигатели.
Применение: дорожно-строительная техника, сельское хозяйство, деревообработочная промышленность и т.д. Везде, где нужна большая мощность и производительность, можно использовать такие агрегаты.
Основные характеристики
- Четырехтактный четырехцилиндровый мотор с вертикальным расположением цилиндров;
- Порядок работы: вместе работают первый и третий, а также второй и четвертый цилиндры;
- Диаметр каждого цилиндра: 13 см.;
- Ход поршня 14 см.;
- Рабочий объем – до 7,5 литров жидкости;
- Номинальная мощность 69 кВт;
- Коэффициент запаса – 15%.
- Частота вращения – 1750 об/мин.
Согласно техническим характеристикам можно сделать вывод, что А-41 двигатель – это мощность, экономичность и универсальность.
Модификации
Каждая модификация предназначена для установки на различную спецтехнику.
Поэтому рассмотрим все разновидности таких моторов и технику, на которую они устанавливаются.
А-41 В. Данная модель предназначена для установки на насосные станции типу СНП. Среди них СНП 50-80 и 120-30.
А-41 Г. Применение: автогрейдеры, асфальтоукладчики и бурильные машины. Конечно не все, а определенные марки (сразу уточняйте у продавца техники совместимость двигателя).
А-41 Д. Применение: погрузчики и автокатки.
На уровне с двигателем А-41, Алтайский завод выпускает аналогичным ему двигатель – А-01. Он имеет такие же характеристики, как и первый мотор и имеет свои модификации:
А-01 М. Устанавливается такой мотор на тяжелую технику, например, экскаватор, автогрейдер, трактор, очистительные машины и т.д.
А-01 МБ. Такая модель предназначена для установки на насосные станции.
Конечно, это далеко не все модификации данной техники, но мы рассмотрели основные из них.
Источник – сайт компании “УкрИнтроСервис”.
Источник: https://myautoblog.
net/avtostat/dvigatel-a-41-i-ego-modifikacii/
Технические характеристики. Неисправности и тюнинг
Отечественная строительная и сельхозтехника, спецмашины комплектуются различными силовыми агрегатами. Один из их представителей – дизельный двигатель А 41, производства Алтайского моторного завода, расположенного в Барнауле.
Технические характеристики
А 41 – серия четырехцилиндровых безнаддувных дизельных двигателей. Их основное предназначение – эксплуатация в стройтехнике и сельскохозяйственных машинах. А 41 – качественный, неприхотливый, долговечный агрегат, простой в эксплуатации и обладающий хорошей ремонтопригодностью, и такая характеристика двигателей А 41 позволила ему обрести признание потребителей.
А41, снятый с трактора ДТ-75:
Технические характеристики двигателя А 41 в стоковом варианте:
- Вес двигателя А 41: 930 кг.
- Размеры мотора: длина 1425 мм, ширина 827 мм.
- Исполнение блока цилиндров: чугунный БЦ.

- Подача топлива: методом прямого впрыска ДТ.
- Алгоритм работы цилиндров: 1 – 3 – 4 – 2, отсчет ведется от вентилятора мотора.
- Объем: 7.43 литра.
- Развиваемая мощность: до 90 лошадиных сил.
- Число оборотов по паспорту: 1750 об. в минуту.
- Цилиндров: 4.
- Расположение цилиндров: установлены вертикально.
- Длина хода поршня: 140 мм.
- Диаметр отдельного цилиндра: 130 мм.
- Штатная степень сжатия А41: 16.
- Развиваемый крутящий момент: 412 Нм на 1300 оборотах.
- Расход топлива: мин. 1.62 кВтч.
- Система охлаждения дизельного двигателя А 41: жидкостная.
- Используемое масло: ДС-11 в летний период, ДС-8 зимой.
- Генератор мотора: агрегат постоянного тока 7=Г304, 214А1.
- Количество клапанов механизма газораспределения: 2
- Гидронасосы: 2 шестеренчатых насоса, привод от коленвала передачей шестеренчатого типа.
- Заявленный моторесурс: 12 тысяч моточасов на последних моделях двигателя.

Куда устанавливаеться двигатель АМЗ А-41
Данным мотором оснащаются экскаваторы, грейдеры, электростанции и насосные установки, прочая техника по согласованию с заводом-производителем. Из тракторов его используют на тракторах Т-4, ДТ-75М, Т-4А.
Обзор и особенности — Двигатель А-41
90-сильный двигатель обладает солидным объемом цилиндров в 7.43 литра, что позволяет базовой модели А 41 выдать такую мощность на относительно малых оборотах, около 1750. Следуя за тенденциями моторостроения, разработчики внесли в устройство двигателя А 41 блок электронной системы непосредственного впрыска: топливоподача полностью контролируется электроникой.
Важная особенность мотора А 41 – двухклапанный газораспределительный механизм. Инженеры использовали его, чтобы придать двигателю максимально возможный КПД, отдачу и эффективность.
Чтобы сделать агрегат надежнее, в А 41 использованы высокопрочные чугунные гильзы, поверхность которых обработана методом вершинного хонингования.
Это увеличивает ресурс мотора, вкупе с продуманной системой охлаждения (правда, растет и вес). В качестве таковой используется внешний масляно-жидкостный теплообменник, одинаково хорошо охлаждающий двигатель и в холостом режиме, и при максимальных нагрузках. Благодаря поддержанию стабильно-комфортной рабочей температуры надежность двигателя была дополнительно улучшена.
Интересная особенность двигателя: клапаны при работе двигателя способны проворачиваться от воздействия собственных пружин и сопутствующих рабочим циклам двигателя вибраций. Это можно отнести к плюсам конструкции, поскольку клапанный стержень изнашивается равномернее (хотя фаска тарелки клапана изнашивается тоже).
Распредвал двигателя должен выдерживать весомые нагрузки, поэтому его закаляют высокочастотными токами. На распредвалу имеются 7 шеек и 12 кулачков, обеспечивающих работу механизма. Узел приводится в движение от коленвала посредством шестеренчатой передачи.
Разработчики позаботились и об экологичности силового агрегата: вышедший из цехов АМЗ двигатель соответствует отечественному стандарту Р 41.
96-2005 по отсутствию нарушений в выбросе загрязняющих и вредных веществ.
Модификации мотора
Двигатель выпускается в различных вариациях, предназначенных для работы с определенной спецтехникой.
Основные модели:
| Модификация | Предназначение |
| А- 41 В | Насосные станции СНП |
| А-41 Г | Асфальтоукладчики, грейдеры, буровые установки |
| А-41 Д | Автопогрузчики, катки |
| А-41И, СИ, С | Трактор ДТ-75 |
Базовая модель двигателя и модификации ставятся на трактора и прочую технику, по согласованию с производителем. Всего существует более 11 вариаций мотора, отличающиеся, в основном, дополнительным оборудованием. Можно поставить:
- два гидронасоса;
- модернизированную муфту блока сцепления;
- глушитель;
- пневмокомпрессор;
- предпусковой электрофакельный подогреватель;
- увеличенный теплообменник системы охлаждения моторного масла, и т.
д.
Модификации двигателя А-41СИ1, 02 и 03 отличаются друг от друга расположением цилиндров: последний получил рядную компоновку, благодаря чему номинальная развиваемая двигателем мощность выросла до 100 сил, а запас момента – до 20%, по сравнению с собратьями. На популярные трактора серии ДТ-75, согласно каталогу завода, ставятся моторы А 41И, СИ, С.
Начиная с 2001 года двигатели при сборке компонуются собственной головкой для отдельных цилиндровых групп, благодаря чему улучшилась надежность газового стыка и упал расход моторного масла «на угар». В 2003 была создана модификация с запуском от электростартера, благодаря чему вырос моторесурс. А в 2012 картерный блок двигателя А 41 заменили на лицензированные немецкие картеры, что сделало двигатель еще надежнее.
Блок-картер:
У А-41 существует родственный двигатель А-01, также предназначенный для работы на спецтехнике. В отличие от А-41, у второго двигателя 6 цилиндров.
Техобслуживание
Как уже упоминалось, А 41 и его модификации неприхотливы к условиям работы и сервису.
Квалифицированный техник вполне справится с задачами текущего обслуживания самостоятельно.
По сути, для долгой и бесперебойной работы мотора необходимо, в основном, следить за температурой масла и давлением в масляной магистрали, не позволяя уровню смазки падать ниже критического уровня, и промывать масляный фильтр. Замена масла проводится регулярно, каждые 240 моточасов наработки двигателя.
Важная регулярная операция – регулировка сцепления, поскольку при постепенном износе накладок дисков увеличиваются зазоры отвода среднего диска и свободный ход муфты. Схематическое устройство сцепления на примере такового в тракторе ДТ-75:
Это двухдисковая муфта сухого исполнения, постоянно-замкнутого типа. Регулировка сцепления ДТ 75 с двигателем А 41 должна производиться, при необходимости по результату проверки, примерно каждые 240 моточасов.
Со временем может также потребоваться регулировка клапанов двигателя А 41. Допускается зазор в 0.25… 0.3 мм, для обоих клапанов этого двигателя.
Обслуживать мотор следует также ежесменно, при окончании смены или перед ее началом. Интервал текущего сервиса – около 10 моточасов. В набор манипуляций входит:
- очистка двигателя от грязи, скопившейся пыли;
- проверка креплений и состояния герметичности стыков;
- контроль отсутствия посторонних шумов;
- проверка на протечки топлива, воды и моторного масла.
- Охлаждающую систему двигателя также следует своевременно обслуживать. В набор сервисных операций входят:
- удаление накипи из блока охлаждения, промывка системы;
- проверка на течи и герметизация слабых мест радиатора, при необходимости.
Типичные неисправности
Мотору свойственные некоторые характерные проблемы.
В качестве хладагента системы охлаждения двигателя используется в основном вода, которая оставляет отложения кальция на сотах радиатора и осадок в трубках и полостях системы. Поэтому следует регулярно проверять, в каком состоянии находится радиатор, и промывать его, особенно если предполагается эксплуатация двигателя на высоких нагрузках.
Иногда, в запущенных случаях, необходимо менять вышедшую из строя помпу или переставший работать термостат двигателя А 41.
- Аномально высокий расход моторного масла на угар.
Причина этого – негерметичная клапанная крышка, своя для отдельной цилиндровой группы. Именно для исправления данного недостатка в новых моделях использованы блоки картера германского производства.
- Потеря мощности двигателя, сильные вибрации при работе мотора.
Вероятная причина – дефект в узле коленвала или поршнях. Следует также проверить подшипники балансировки, им свойственно ломаться с последующей обязательной заменой таковых.
- Плохой пуск двигателя, перебои при работе.
Причинами этого могут стать неполадки системы впрыска или забившийся грязью топливный фильтр. Следует диагностировать топливную систему, прочистить или заменить фильтр, а если эта операция не возымеет эффекта, вскрыть двигатель и проверять внутренние компоненты.
Тюнинг
В некоторых ситуациях мощности двигателя А41 может не хватать.
Как и в «гражданских» двигателях, здесь существуют некоторые технические приемы, позволяющие снимать с силовой установки повышенную мощность.
- Установка турбины от моторов серии 440.
Это операция комплексная, требующая также монтажа соответствующих новым характеристикам двигателя шатунов и смазочной системы. При соблюдении этих требований мотор становится способным выдавать до 145 сил, при сохранении штатного моторесурса.
- Перепрошивка.
Некоторого прироста можно добиться чисто программными манипуляциями, перепрограммировав электронное устройство управления двигателем.
Важно: при этом крайне желательно установить и более производительные форсунки, поскольку штатные могут не справиться с нагрузкой.
Таким путем к характеристикам двигателя А 41 добавляют на 5-10 лошадиных сил больше, чем в стоковом исполнении.
Официальный дилер ОАО «Алтайский моторный завод». Двигатели А-01 и А-41 в наличии в г.Екатеринбург ООО Компания «Уралпромсервис» МКСМ-800Н МКСМ-1000Н МКСМ-800К МКСМ-800А-1 в наличии Курганмашзавод Промтрактор САРЭКС в наличии
ООО Компания «Уралпромсервис» является официальным дилером ОАО «Алтайский моторный завод» — одного из ведущих российских производителей в отрасли моторостроения.
Мы всегда готовы предложить Вам двигатели А-41 и А-01 в наличии на складе в г.Екатеринбург по самым низким ценам. Предусмотрены скидки и спецпредложения.
История ОАО «Алтайский Моторный Завод»
Строительство завода в г. Барнаул началось в мае 1955 года. Основной продукцией стали жатки и копнители для прицепных комбайнов. В 1958 года заводу дали имя Алтайский моторный и начался выпуск 4-х цилиндровых дизельных двигателей для нужд комбайнового завода в г.Красноярск. Успехи в комплектовании различной техники надежными двигателями были отмечены и в 1976 году завод награжден орденом Трудового Красного Знамени.
ОАО «Алтайский Моторный Завод» производит дизельные двигатели, а также электроагрегаты общепромышленного назначения, дизель-генераторы судовых и дизель редукторные агрегаты (главный судовой дизель).
Продукция ОАО «АМЗ»
- 4-цилиндровые дизельные двигатели: А-41СИ-1-01; А-41-31И-1; А-41-33И-1; А-41СИ-02; Д-447-10И-1; Д-447-20И-1; Д-440-33И-1; Д-442-13-10И-1; Д-442-25И-2; Д-442-25БИ-1; Д-442-51И-1; Д-442-55РИ-1; Д-442ВСИ-1; Д-442-57И-2; Д-442-59И-1; Д-3045; Д-3041-2.

- 6-цилиндровые дизельные двигатели: А-01МРСИ −1.30; А-01МКСИ-1; А-01МЭ; Д-467-10И-1; Д-467-20И-1; Д-467-21И-1; Д-467-21Р-1; Д-461-33И-1; Д-461-17И-1; Д-461-11И-1; Д-3061; Д-3063.
- Судовые дизель-генераторы, мощность 30-150 кВт.
- Электроагрегаты общепромышленного назначения, мощность 50-150 кВт.
- Судовые главные дизель-редукторные агрегаты (для привода гребного винта), мощность 140—180 кВт.
В наши дни ОАО «АМЗ» по-прежнему традиционный производитель рядных 4-х и 6-ти цилиндровых дизелей с рабочим объемом 7,43 и 11,15л соответственно, и мощностью от 80 до 420 л.с. Двигатели предназначены для установки на сельскохозяйственные трактора и комбайны, лесопромышленную и дорожную технику, дизель-генераторные установки, речные суда и другие агрегаты по требованию клиентов
Двигатели АМЗ отвечают современным требованиям:
- высокая надежность и экономичность при работе в суровых российских климатических условиях;
- низкая стоимость обслуживания и ремонтопригодность.

Предприятие постоянно улучшает конструкцию моторов и совершенствует технологии их производства, умножая при этом модельный ряд и применяемость своей продукции.
С 2007 года труженики предприятия, разработали и внедрили в производство новое поколение двигателей, соответствующих всем современным требованиям стандартам по экологии и надежности. Ни на минуту не приостанавливаются работы по разработке и производству модификаций моторов, соответствующих нормам, ожидающихся в перспективах.
- Модельный ряд дизелей для электроагрегатов в мощностном диапазоне 75-242 л.с. Модельный ряд универсальных электроагрегатов общепромышленного назначения 1-ой и 2-ой степени автоматизации в мощностном диапазоне 50-150 кВт. Электроагрегаты изготавливаются по способу защищенности от атмосферного воздействия безкапотные, капотные и контейнерные, а также по степени подвижности стационарные, передвижные, на шасси.
- Модельный ряд главных судовых дизелей и дизелей для дизель-генераторов вспомогательных по Правилам Российского Речного Регистра в мощностном диапазоне 50 -280 л.
с., которые обеспечивают их широкое использование для встраивания в суда класса река. - Модельный ряд дизель-генераторов вспомогательных судовых по Правилам Российского Речного Регистра в мощностном диапазоне 30-150 кВт, которые обеспечивают их широкое использование для встраивания в суда класса река.
- Тракторы гусеничные класса 3 тн.
- Тракторы колесные класса 0,6, 0,9, 1,4 тн.
Система менеджмента качества предприятия на выпускаемую продукцию сертифицирована по ГОСТ Р ИСО 9001-2008 (ИСО 9001:2008).
Вся выпускаемая предприятием продукция имеет все необходимые сертификаты.
Техническая информация
Руководства по эксплуатации
Характеристики Т-4. Обзор трактора Т-4
Разместите заявку на покупку техники или запчастей для спецтехники!
отправить заявкуВаша заявка отправлена.
Источник фото: avtoinetolko.ruФото трактора Т-4
Технические характеристики Т-4, масса
Тяговый класс | 4Т |
Конструктивная масса | 7 600 кг |
Удельное давление на грунт | 0,44 кг/см2 |
Диапазон скоростей передним ходом | 3,34-9,17 км/ч |
Диапазон скоростей задним ходом | 4,52-6,78 км/ч |
Количество передач вперед/назад | 8/4 |
Объем топливного бака | 300 л |
Главное предназначение трактора Т-4 — выполнение сельхозработ на тяжелых почвах (целинные и залежные земли).
Нередко его использовали на мелиоративных, дорожных и строительных работах. Основные узлы машины и двигатель надежны и неприхотливы, но серьезные недоработки были в полужесткой подвеске, которая вызывала сильную тряску при передвижении по мерзлому грунту. За это трактор и прозвали в народе «утюгом». Плюс ко всему он был ограничен в скорости — максимум 9 км/ч.
Модель Т-4 оснащалась механической 12-ступенчатой КПП с реверсивным редуктором с цилиндрическими прямозубыми шестернями. Для включения заднего хода предусмотрен отдельный рычаг. Задний мост представлен главной конической передачей и планетарным механизмом поворота. Ленточные сухие тормоза могут работают в обоих направлениях движения. Из недостатков ходовой части стоит отметить заднее расположение приводной шестеренки.
Источник фото: vilingstore.netФото трактора Т-4
Спереди машины установлен независимый вал отбора мощности. Крепеж навесного оборудования осуществляется с помощью раздельно-агрегатной гидравлической системы (два навесных цилиндра и двух- трехточечное устройство).
Одним из главных достоинств трактора является низкое удельное давление на грунт — всего 0,44 кг на один квадратный сантиметр.
Двигатель
Модель двигателя | АМ-01 |
Количество цилиндров | 6 |
Номинальная мощность при 1 600 об/мин | 110 л.с. |
Удельный расход топлива при номинальной мощности | 185 г/л с*ч |
Диаметр цилиндра, ход поршня | 130, 140 мм |
Рабочий объем цилиндров | 11,15 л |
Степень сжатия | 16,5 |
Вес двигателя | 1 000 кг |
Гусеничный трактор оснащен 4-тактным дизельным двигателем производства Алтайского тракторного завода АМ-01 с неразделенной камерой. Силовой агрегат, в свою очередь, оборудован пусковым ДВС марки ПД-10М (10 л.
с.) с электростартером. Пусковое топливо представляет собой смесь автомобильного бензина А-66 с дизельным маслом (соотношение 15:1). Модель силовой установки АМ-01 отличалась небольшим расходом топлива, но очень громкой работой.
Габариты Т-4
Длина | 4 475 мм |
Ширина | 1 952 мм |
Высота | 2 615 мм |
Колея | 1 384 мм |
Дорожный просвет при погруженных зацепах | 360 мм |
Шаг звена, ширина гусеницы | 171, 420 мм |
Модификации
У трактора Т-4 есть две модификации — Т-4А и Т-4АП. Обе машины агрегатировались более мощным 130-сильным 6-цилиндровым двигателем А-01М с системой холодного запуска и жидкостным охлаждением. Отличие промышленного трактора Т-4АП заключалось еще и в наличии специального крепления для фронтального отвала (гидроцилиндры и шарнирные крепления — вместо лонжеронов) и блокировочного механизма рессоры подвески.
Отдельного внимания заслуживает тот факт, что модель Т-4А выпускалась на протяжении 28 лет — с 1970 по 1998 год.
Источник фото: fb.ruТрактор Т-4А является модификацией модели Т-4
Техническое обслуживание
Сельскохозяйственный трактор Т-4 не отличался простотой в обслуживании. Например, чтобы поменять фрикционные ленты поворотного механизма (а их приходилось менять очень часто), нужно демонтировать 300-литровый топливный бак. Ненадежными были и гусеницы трактора, клиенты сообщали о частых разрывах.
Кабина водителя
Модель Т-4 оснащалась металлической закрытой двухместной кабиной с вентиляцией и обогревом. Несмотря на то что сиденье оператора устанавливалось на пружины, а сама кабина имела амортизаторы, при передвижении машины по мерзлому грунту механизатор испытывал сильную тряску. Плюс ко всему кабина не имела какой-либо шумоизоляции, поэтому работать на тракторе было некомфортно.
Аналоги
Сравнимыми по техническим характеристикам моделями конкурентов являются: ХТЗ Т-150, АГРОМАШ 90ТГ, ВЗТ ДТ-75.
Видео
Видео с канала — «Будни Анатолия Пряхина»
Двигатели. Серия А4
Высоковольтные асинхронные трехфазные электродвигатели переменного тока с короткозамкнутым ротором. Предназначены для привода механизмов, не требующих регулирования частоты вращения (насосов, вентиляторов, дымососов и др. с аналогичными пусковыми характеристиками).
Опционально производится в низковольтном исполнении.
Серия А4F – усовершенствованная модификация серии А4.
Надежная и долговечная изоляция обмотки статораБолее низкие температуры активных частей в рабочем режиме повышают надежность и долговечность изоляции обмотки статора и двигателя в целом.
Обновленная система вентиляции и охлажденияУстановлен вентилятор наружного обдува меньшего диаметра, но большей длины, изменена конфигурация его лопаток.
Для увеличения объема пропускаемого хладагента применен новый кожух. Такая конфигурация системы вентиляции и охлаждения обеспечивает оптимальный нагрев активных частей двигателя, исключая местные перегревы. Также уменьшился шум, увеличился КПД и срок службы.
Прочная и ремонтопригодная обмотка ротораАлюминиевая сварная обмотка ротора имеет гораздо большую прочность и надежность по сравнению с литой обмоткой аналогов, которая склонна к образованию трещин. Ремонтопригодность сварной обмотки снижает эксплуатационные расходы. Стержни алюминиевой сварной обмотки имеют большее сечение, в сравнении с литой, что уменьшает их нагрев.
Удобная коробка выводовРазработана новая конструкция коробки выводов, увеличен ее объем. Упрощено подключение питающих кабелей электродвигателя различного сечения и степени гибкости. Выводные концы выполнены из провода класса «Н» и надежно закреплены в корпусе двигателя и изолированы термоусадочными трубками. Это исключает износ изоляции и выход двигателя из строя.
Новая коробка выводов соответствует всем современным нормам и правилам безопасности.
Уровень вибрации снижен в 2 разаУсилена жесткость станины, применены более толстые лапы, оптимизирована конструкция ребер жесткости. В результате уровень вибрации двигателя снизился в 2 раза, что повышает надежность двигателя при перегрузках и увеличивает срок его службы.
Эффективная система сброса/удаления смазкиПрименена новая система пополнения и сброса смазки, она дает возможность удалять смазку без демонтажа и разборки электродвигателя.
Технические публикации — Pratt & Whitney
Наш клиентский портал продолжает развиваться. Если вы еще не подписались на MyP & WC Power, мы приглашаем вас сделать это. А пока ниже приводится обзор функций и обновлений наших технических публикаций.
Вы просили, мы слушали. Теперь на портале вы можете:
Поиск сервисных бюллетеней в главной строке поиска
См. Модель двигателя и код соответствия в электронных уведомлениях о сервисном бюллетене
Скачать списки бюллетеней по результатам поиска
Получать уведомления об обновлении руководств онлайн и по электронной почте
Продлевайте подписки без прерывания обслуживания с сохранением назначенных лицензий
Знаете ли вы, что вы тоже можете?
Доступ к публикациям после того, как администратор вашей компании предоставит вам лицензию
Доступ к интерактивным руководствам по обслуживанию и иллюстрированным каталогам запчастей
Загрузите копию руководства на свое устройство
Сохраните корзину и передайте ее другому пользователю
Получите быстрый доступ к предпочитаемым публикациям, щелкнув * и активировав виджет публикаций на панели управления
Наши интерактивные электронные технические публикации включают:
- Графика высокого разрешения
- Контент, увеличенный до размера вашей страницы
- Возможность выбора содержимого для печати в определенном разделе
- Доступ к текущей и предыдущей редакции
- Временные изменения
- Ссылки из каталога запчастей для проверки наличия запчастей
- Ссылка из руководств по обслуживанию на онлайн-инструмент Spotlight для поиска и устранения неисправностей
- Возможность создания закладок
- Возможность поиска внутри руководства
- Настраиваемый размер шрифта
- Предварительно заполненные билеты поддержки
- Автоматические подписки на предметы, добавляемые в ваши коллекции
- Обновленный отчет о состоянии публикаций с расширенными возможностями фильтрации
- Возможность просмотра ваших писем DAA
- Видеоконтент, представленный в технических публикациях
- Расширенный контроль над ролями пользователей
Для новых эксплуатантов воздушных судов получите бесплатную двухлетнюю подписку на нашу онлайн-коллекцию технического обслуживания, включая:
- Руководство по техническому обслуживанию двигателя
- Иллюстрированный каталог запчастей двигателя
- Сервисные бюллетени двигателя, бюллетени по запасным частям и письма с сервисной информацией
- Средство диагностики двигателя Spotlight (доступно в Интернете для моделей PT6E, PW100, PW200, PW210, PW300 и PW800)
- Наземное программное обеспечение для диагностики, прогнозирования и контроля состояния двигателя (доступно для некоторых моделей)
- Услуги по редактированию технических публикаций в Интернете (с даты поставки нового самолета)
Для доступа к техническим публикациям (для всех операторов):
1.
Заполните свидетельство о регистрации публикации и отправьте его по электронной почте на адрес [email protected]
2. Заполните Соглашение о технических данных и отправьте его по электронной почте на адрес [email protected]
.3. Зарегистрируйтесь сейчас на портале для клиентов MyP & WC Power
4. После входа в систему убедитесь, что у вас есть доступ к своим публикациям, нажав «Библиотека» и «Просмотр по публикациям».
5. Начните с наших руководств
6. Если у Вас возникнут вопросы, свяжитесь с нами у заказчика[email protected] или по бесплатному телефону (США и Канада): 1-800-268-8000, международный: 1-450-647-8000, международный: (+ IAC *): + 8000-268-8000 ( Вариант №3)
Семейство двигателейGTF — Двигатели MTU Aero
Семейство двигателей Pratt & Whitney GTF TM , совместно разработанных и построенных компаниями Pratt & Whitney и MTU, используется в коммерческих самолетах нового поколения. Новые двигатели предлагают двузначные цифры снижения расхода топлива, выбросов загрязняющих веществ и шума, а также эксплуатационных расходов.
Они оснащены зубчатой передачей привода вентилятора, которая отсоединяет вентилятор от компрессора низкого давления, а также турбиной низкого давления, которая приводит в движение вентилятор.Это позволяет вентилятору вращаться с меньшей скоростью, а компрессору низкого давления и турбине — намного быстрее. В результате коэффициенты давления вентилятора ниже, а коэффициент байпаса намного выше, и все компоненты могут достичь своих соответствующих оптимальных скоростей, что значительно повышает общую эффективность. Двигатель сжигает заметно меньше топлива, он чище и менее шумный. По сравнению с предыдущими двигателями, турбовентилятор с редуктором снижает расход топлива и выбросы углекислого газа примерно на 16 процентов каждый, а шумовой след самолетов с двигателем GTF снижается на 75 процентов.Еще одно преимущество: силовая установка меньше весит, поскольку в ней меньше ступеней компрессора и турбины.
На сегодняшний день четыре основных производителя самолетов выбрали семейство двигателей GTF TM для оснащения своих последних самолетов.
Airbus предлагает семейство двигателей GTF TM для A320neo и A220. Mitsubishi выбрала силовую установку в качестве единственного двигателя для своего регионального самолета SpaceJet. Иркут оснастит свой МС-21 двигателем. И последнее, но не менее важное: Embraer выбрала семейство двигателей GTF TM в качестве эксклюзивной силовой установки для своих E-Jet второго поколения.
В зависимости от приложения доля MTU в семействе двигателей GTF TM варьируется от 15 до 18 процентов. Компания отвечает за высокоскоростную турбину низкого давления и первые четыре ступени компрессора высокого давления. Кроме того, MTU производит щеточные уплотнения и никелевые блиски для компонентов компрессора высокого давления, за разработку которых компания не несет ответственности. Компания также выполнит окончательную сборку одной трети серийных самолетов PW1100G-JM, которые будут изготовлены для A320neo.
Брошюра по семейству двигателей GTF (pdf)
CAT C7 Технические характеристики и история двигателя
На рубеже веков было много шума вокруг нового дизельного двигателя, производимого компанией Caterpillar, который мог бы соответствовать растущим требованиям к выбросам, установленным EPA.
Двигатель Caterpillar C7 должен был стать «золотым ребенком» в линейке дизельных двигателей Caterpillar; тот, который сочетал в себе чистую мощность с компьютерным управлением чистыми выбросами.Однако иногда все идет не по плану. Двигатель производился с 2003 по 2009 год и устанавливался в основном на надземные грузовики средней грузоподъемности класса 8. Все крупные игроки в отрасли грузоперевозок запрыгнули на борт, надеясь, что CAT C7 оправдает шумиху. Паккар, Freightliner, Ford и GMC покупали двигатель массово. Техническая классификация средней грузоподъемности — это одинарная ведущая ось с полной массой транспортного средства 18 000-33 000 фунтов; в основном ящики, эвакуаторы, дневные грузовики и прямые грузовики.
Caterpillar C7 был разработан в основном из соображений необходимости, а не из соображений практичности. Caterpillar необходимо было произвести новый двигатель, который должен был соответствовать или превосходить рейтинги Tier Ratings, утвержденные EPA в 1994 году для сокращения выбросов дизельных двигателей.
Более строгие требования к выбросам Tier 4 вступили в силу 1 января 2004 года. Caterpillar C7 был выпущен в 2003 году, всего за несколько месяцев до изменения рейтингов Tier 4, и заменил популярную модель 3126. Старые двигатели CAT, такие как 3116 или 3126, были по существу унаследованы от требований более старого уровня и не нуждались в модернизации.
CAT C7 имеет много общих конфигураций с CAT 3126. Конфигурация двигателя была такой же, как у 3126, но топливная система была изменена с использованием нового инженерного стиля, известного как инжектор HEUI. Инжектор HEUI позволяет производить несколько инъекций с разной дозированной скоростью. Использование ступенчатого коэффициента распределения топлива помогает улучшить сгорание двигателя, что в конечном итоге снижает выбросы выхлопных газов. Электронная конфигурация также была более надежной, чтобы обеспечить лучшее управление подачей топлива и электронные датчики в двигателе.
CAT C7 был действительно первым дизельным двигателем для тяжелых условий эксплуатации, который предлагал значительно расширенный модуль ECM или электронный компьютер. Контроллер ЭСУД — это то же оборудование, что и предыдущие поколения электронных двигателей, только модернизированный для работы с большим количеством систем. Используя продвинутое 120-контактное соединение, компьютер смог обработать астрономический объем информации. Другие сходства между CAT 3126 и CAT C7 включают в себя одинаковый диаметр цилиндра и ход поршня 4,330 и 5,000 соответственно. Головки цилиндров немного отличаются по конструкции с общей топливной рампой, по-прежнему по 3 клапана на цилиндр, но в головке блока цилиндров CAT C7 нет масляной рейки.
Наиболее заметное различие между CAT 3126 и CAT C7 заключается в клапанном механизме. Передняя зубчатая передача в основном такая же, за исключением шестерен, у которых меньше зубьев и более прочная конструкция. Некоторые предполагают, что причиной более широких зубьев шестерни является то, что конструкцию шестерни нельзя заменить более старыми версиями CAT 3126 и CAT 3116.
Масляный насос и водяной насос также стали больше, чтобы удовлетворить потребность в смазке / охлаждении большего количества движущихся частей.
При осмотре коленчатого вала и шатунов общие различия между CAT 3126 и CAT C7 включают меньшие противовесы коленчатого вала, включая более легкую конструкцию поршня.Шатуны и коленчатый вал имеют одинаковые размеры шейки, но немного отличаются по размеру и форме литья. Шатуны в Caterpillar C7 ACERT не кованые, как у CAT 3126, а состоят из металлического порошка со сломанной конструкцией крышки. Существуют также различные размеры и конфигурации шатунов в зависимости от поршня, используемого в двигателе.
Мощность является определяющим фактором при выборе конфигурации поршня CAT C7. Два варианта включают более высокий алюминиевый поршень с 1.Наручный штифт 811 для версий мощностью 230 л.с. и выше и более короткий цельный стальной поршень диаметром 1,52 для двигателей мощностью менее 210 л.с.
CAT C7 Технология ACERT CAT C7 включает технологию ACERT, которая представляет собой систему управления воздухом / топливом для контроля выбросов NOx.
ACERT означает «Передовая технология снижения выбросов при сгорании». Основными достоинствами технологии ACERT являются закрытый сапун картера и сажевый фильтр с использованием разработанной CAT технологии регенерации.В модернизированном ECM технология позволяет более точно контролировать цикл сгорания, контролируя поступающий воздух и топливо, а также выхлопные газы после обработки.
В конструкции ACERT в меньших моделях CAT C7 использовалась система впуска воздуха с несколькими традиционными турбокомпрессорами с перепускными клапанами для увеличения потока и давления на впуске воздуха. В более средних моделях л.с. использовался только один турбонагнетатель, в то время как в более мощных моделях использовались двойные турбокомпрессоры, работающие вместе для оптимального воздушного потока.В конструкции C7 турбины используют срабатывание клапана с изменяемой геометрией, управляемое блоком управления двигателем, для регулировки идеального количества воздуха, поступающего в камеру сгорания.
Это регулируемое срабатывание клапана также позволяет CAT C7 предлагать встроенный джейк-тормоз на двух моделях с дизельным двигателем для тяжелых условий эксплуатации.
Система подачи топлива на CAT C7 представляет собой насос-форсунки с гидравлическим электронным управлением для моделей средней мощности и с механическим и электронным управлением на моделях с более высокой мощностью.Обе системы дозируются и рассчитаны по времени для впрыска нескольких импульсов топлива для создания более эффективного цикла сгорания.
Наконец, технология ACERT предлагает доочистку выхлопных газов. Технология последующей обработки снижает твердые частицы NOx в глушителе за счет распыления катализатора окисления. Функция последующей обработки довольно проста и не требует дополнительной очистки или обслуживания. Более поздняя технология ACERT на CAT C13 и CAT C15 включала более совершенную технологию избирательного каталитического восстановления (SCR), рециркуляцию выхлопных газов (EGR), жидкость для выхлопных газов дизельных двигателей и более надежные дизельные фильтры твердых частиц.
В технологии дизельных двигателей есть две системы оценки для определения среднего срока службы двигателя: B10 и B50. B10 — это средний ожидаемый срок службы двигателя, измеряемый в милях, где 10% произведенных двигателей вышли из строя и требовали капитального ремонта. Следовательно, B50 — это средний пробег, на котором вышло из строя 50% двигателей. С CAT C7 рейтинг B50 составляет 450 000-500 000 миль. Это означает, что половина двигателей CAT C7 имела серьезный отказ двигателя на расстоянии 500 000 миль и нуждалась в капитальном ремонте.Согласно рейтинговой системе B, «капитальный ремонт» или «капитальный ремонт двигателя» рассматривается как снятие головок цилиндров и / или опускание масляного поддона при ремонте внутренней части. Неисправности или замена деталей без снятия головок цилиндров или падения масляного поддона не учитываются в статистике срока службы двигателя B10 и B50. Этот показатель отказов для C7 не страшен по сравнению с другими дизельными двигателями.
Например, рейтинг B50 для популярного двигателя Cummins 5.9 составляет всего 350 000 миль. Тем не менее, Detroit Diesel 60 Series может легко проехать 1000000 миль до капитального ремонта.
Технология ACERT вызвала много проблем для Caterpillar, сначала с CAT C7, а затем с двигателями CAT 13 и CAT 15. Эта технология действительно была технологией первого поколения по выбросам для дизельных двигателей большой мощности. Технология ACERT была подвержена многочисленным проблемам с регенерацией. Водители сообщили о низкой мощности и низкой топливной экономичности. Двигатели CAT C7 ACERT часто перегревались при движении по склону. Охлаждающий вентилятор не включается до 235 градусов по Фаренгейту, в то время как многие водители сообщали о перегреве до 200 градусов по Фаренгейту.Двигатели нагреваются, чтобы сжечь больше твердых частиц дизельного топлива. Водители должны переключаться на пониженную передачу до 1100 об / мин при подъеме по склону, чтобы избежать перегрева. Другие проблемы, связанные с технологией CAT C7 ACERT, — это засорение сажевых фильтров, а также засорение впускного отверстия турбонагнетателя.
Технология ACERT не получила должного признания из-за ее многочисленных проблем с техническим обслуживанием, экономией топлива и пониженной мощностью. Компания прекратила производство внедорожных двигателей в конце 2009 года и решила не соответствовать более строгим требованиям EPA по выбросам 2010 года.
Оригинальный Caterpillar C7 в 2007 году снова изменит конфигурации, чтобы приспособиться к меняющимся требованиям рынка. В 2007 году дизельное топливо было заменено на дизельное топливо со сверхнизким содержанием серы или ULSD. Замена топлива потребовала замены топливной системы CAT C7 ACERT на систему впрыска Common Rail. Новые форсунки Common Rail повысили давление впрыска до 25 000–27 500 фунтов на квадратный дюйм. Топливоперекачивающий насос подает топливо в топливную рампу под давлением 280 фунтов на квадратный дюйм. В целом, система Common Rail работала хорошо, но добавила еще одну систему или точку отказа в двигателе CAT C7.
Дизельное топливо со сверхнизким содержанием серы тоньше, что означает, что жидкость опасна.
Поскольку смазывающая способность ниже, это означает лучшую циркуляцию топлива при высоком давлении для снижения уровня тепла. В более поздних моделях 2007 года турбокомпрессор также был модернизирован с использованием технологии регулируемого сопла, которая может обеспечить соответствующее повышение мощности при всех оборотах двигателя.
Двигатель Caterpillar C7 представляет собой рядный 6-цилиндровый дизельный двигатель рабочим объемом 7.2 литра. Максимальный сухой вес для тяжелых условий эксплуатации составляет 1425 фунтов при маслобаке 4,75 галлона или 6,75 галлона с более глубоким масляным насосом и масляным поддоном. Система охлаждения и водяной насос позволяют использовать до 3,99 галлона. CAT C7 был доступен в 8 различных номинальных мощностях от 210 до 360 л.с. с номинальным крутящим моментом от 520 до 925 фунт-фут. Модели мощностью 330 и 360 л.с. были доступны только в транспортных средствах для отдыха и пожарном оборудовании.
Первые модели Caterpillar C7 (210, 230 и 250 л.с.) были доступны как с низким, так и с высоким крутящим моментом.Варианты крутящего момента учитывали различные применения трансмиссии, предпочитаемые различными производителями больших грузовиков. Крутящий момент у каждого производителя был разным, и его нужно было согласовывать с выбранной CAT C7.
В целом двигатель CAT C7 ACERT представляет собой начало конца длинной уздечки Caterpillar в области внедорожных дизельных двигателей. В конечном итоге компания не почувствовала, что затраты на непрерывное повышение уровня выбросов стоит потраченного времени и усилий, и вышла из дорожной отрасли в 2010 году, открыв путь для Cummins и Paccar.Компания Caterpillar по-прежнему производит отличные двигатели и продолжает выпускать строительную технику для бездорожья, на которую меньше влияют строгие нормы выбросов.
CAT C7 Характеристики и технические данные двигателя| Технические характеристики двигателя | Технические характеристики двигателя |
|---|---|
| Минимальная мощность | 225 л. с., крутящий момент 520 фунт-фут |
| Максимальная мощность | 300 л.с., крутящий момент 925 фунт-фут |
| об / мин | 1800-2200 об / мин |
| Рейтинги выбросов | U.Эквивалент S. EPA Tier 3, эквивалент Stage II Китая, эквивалент Stage IIIA ЕС |
| Конфигурация двигателя | Рядный 6-, 4-тактный дизельный двигатель |
| Диаметр цилиндра | 4,33 дюйма |
| Ход | 5,0 дюйм |
| Рабочий объем | 7,2 л |
| Аспирация | Дополнительное охлаждение с турбонаддувом |
| Степень сжатия | 16.2: 1 |
| Система сгорания | Прямой впрыск |
| Вращение | Против часовой стрелки |
| Топливная система | HEUI Injection, технология ACERT |
| Компьютерная система | Электронный блок управления ADEM A4 |
| Сухая масса | 1296 фунтов.![]() |
| Высота | 40.6 в |
| Длина | 41,5 дюйм |
| Ширина | 29,8 дюйма |
Учитывая, что CAT C7 требует технического обслуживания и ремонта, это двигатель, который мы довольно часто перестраиваем здесь, в Capital Reman. Когда дело доходит до модернизированных двигателей CAT C7 ACERT и Non ACERT, мы предлагаем два варианта:
Обмен: Мы можем реконструировать новый двигатель CAT C7 на основе обмена, что означает, что мы строим новый двигатель из ядра.Когда мы доставим ваш новый двигатель, вы просто отправите нам обратно свое старое ядро. У нас очень честная политика возврата сердечника. Если распределительный вал, коленчатый вал, головка блока цилиндров и блок являются многоразовыми, мы вернем вам 100% вашего основного заряда. Если некоторые из внутренних компонентов изнашиваются и не подлежат ремонту, мы рассчитываем ваш возврат пропорционально.
Наши двигатели Longblock CAT C7 включают блок цилиндров, головку блока цилиндров в сборе, коленчатый вал, поршни, гильзы, кольца, шатуны, распределительный вал, толкатели / толкатели, промежуточную крышку, синхронизирующую группу передней шестерни и полные комплекты прокладок.Турбины, форсунки, масляные и водяные насосы также можно заказать вместе с двигателем.
Ремонт и возврат:Ремонт и возврат двигателей будут следовать той же процедуре, что и восстановленные обменные двигатели, однако Capital Reman Exchange восстановит компоненты, предоставленные клиентом. Время от времени появляются компоненты, которые невозможно восстановить вместе с двигателем заказчика. В случаях, когда детали невозможно восстановить, стоимость запасных частей или компонентов будет нести ответственность покупателя, если он решит их заменить.За ремонт и возврат двигателей не взимается основная плата.
— Сэкономьте 47% в среднем по сравнению с дилерами — Возвращайтесь к работе быстро — мы не верим в трату вашего времени — Контрольный список контроля качества двигателя из 88 пунктов — Создан в соответствии с точными спецификациями производителя — построен со всеми новыми запчастями, сертифицированными по ISO 9001 — Ведущая в отрасли 1 год безлимитной гарантии — Более 80 лет совместного опыта в двигателестроении — Сертифицированный AERA механический цех и завод по ремонту двигателей — Справедливая политика возврата основных средств — Доставка по всему миру — Доставка запчастей в тот же день — Машинный цех с полным обслуживанием и ремонтный комплекс двигателя — Собственное производство в Денвере, Колорадо
Позвоните в Capital Reman Exchange сегодня по телефону 1-844-239-8101 для немедленной продажи или обслуживания двигателя Caterpillar C7 и Pats или прочтите нашу страницу часто задаваемых вопросов, чтобы узнать больше.
Ch495 | Command PRO | KOHLER
Тип двигателя4-тактный, бензиновый, верхнеклапанный, гильза цилиндра чугунная, алюминиевый блок
Модель Command PRO Ch495
Л.с. (кВт) [1] 9,5 (7,1)
Рабочий объем (куб. См) 16,9 (277)
Диаметр отверстия (мм) 3.1 (78)
Ход в (мм) 2,3 (58)
Полный крутящий момент фут-фунт (Нм) [1] 13,9 (18,8)
Степень сжатия 8,5: 1
Сухой вес, фунты (кг) 61,5 (27,8)
Объем масла в квартах США (л) 1,4 (1,3)
Смазка Всплеск
Размеры ДхШхВ (дюймы) * 15.9 х 16,8 х 16,7
Предел противодавления [2] 30
Сертифицированная мощность, л.с. (кВт) [3] 9,1 (6,8)
Сертифицированный RPM 4000
Соответствие выбросам- CARB Фаза III
- EPA, фаза III
- EU Stage V
- Китай, этап II
Тип двигателя Коммерческий
* Длина от ВОМ до противооткатного кожуха.
Ширина от топливного бака до глушителя. Высота от монтажной поверхности до верха глушителя.
1 Характеристики мощности (л.с.) и крутящего момента (фунт-футы) для двигателей общего назначения Kohler рассчитаны в соответствии с Обществом автомобильных инженеров (SAE) J1940 на основе испытаний полной мощности, проведенных в соответствии с SAE J1995 без воздухоочистителя и глушителя. Фактическая мощность и крутящий момент двигателя ниже и зависят от дополнительного оборудования (воздухоочиститель, выхлоп, зарядка, охлаждение, топливный насос и т. Д.), Применения, скорости двигателя, окружающих условий эксплуатации (температура, влажность и высота) и других факторов.Этот рейтинг J1940 / J1995 обеспечивает последовательные измерения для клиентов, которые могут захотеть контролировать характеристики впуска и выпуска двигателя. Для получения дополнительной информации свяжитесь с отделом проектирования двигателей Kohler Co. Kohler Co. оставляет за собой право изменять технические характеристики, конструкцию и стандартное оборудование продукции без уведомления и без каких-либо обязательств.
2 дюймов h30 при 3600 об / мин WOT
3 Мощность и крутящий момент J1995 сертифицированы сторонней организацией
оппозитного двигателя BMW R18 с впечатляющей мощностью 90 л.с.
Несмотря на то, что на выставке EICMA в этом году мы предоставили несколько подробностей, мы были благодарны за то, что с нетерпением ждем следующего года, когда BMW Motorrad рекламирует свою грядущую линейку мотоциклов с воздушным охлаждением в стиле круизеров, известных как семейство BMW R18.
Верно, веселье еще не закончено, и, несомненно, немецкий мотоциклетный бренд порадует нас еще по крайней мере еще одним концептуальным автомобилем, который демонстрирует свой оппозитный двигатель с воздушным охлаждением объемом 1800 куб. См и всю свою огромную славу.
А пока BMW Motorrad решил продемонстрировать впечатляющие технические характеристики двигателя, чтобы успокоить бесчисленное количество поклонников, которые с нетерпением ждут этого мотоцикла.
Для начала, двигатель с хитроумным названием «Big Boxer» выдает мощную пиковую мощность в 90 л.с. (67 кВт) при 4750 об / мин, а двухцилиндровый двигатель набирает обороты до впечатляющей «красной черты» — 5750 об / мин.Для справки, эта мощность более чем на 50% выше, чем у Volkswagen Beetle 1970-х годов, еще одного культового оппозитного двигателя с воздушным охлаждением из Германии.
Вытесняющий в общей сложности 1802 кубических сантиметра из горизонтально расположенных цилиндров, реальная история двигателя R18 заключается в его впечатляющем максимальном крутящем моменте — 117 фунтов на фут (158 Нм), который он развивает всего при 3000 об / мин. Как точно заявляет BMW в своем пресс-релизе, «таковы преимущества такого уровня производительности и крутящего момента во время езды.”
Поскольку большая часть кривой крутящего момента доступна в диапазоне от 2000 до 4000 об / мин, двигатель BMW R18 должен обеспечивать почти тракторное ускорение для мотоциклов в его модельном ряду.
При весе в 244 фунта (110,5 кг) двигатель (с коробкой передач и впуском) легче, чем практически любой автомобильный мотор в линейке BMW, и обещает дать мотоциклистам «аутентичный» двухколесный вид, как никогда раньше. достигается с помощью баварского мотоцикла.
BMW рекламирует современную архитектуру камеры сгорания R18 — четырехклапанную головку блока цилиндров, двойное зажигание, впрыск во впускной коллектор и т. Д. — но быстро успокаивает опасения тех, кто сопротивляется изменениям, и вместо этого указывает на классические накладные расходы двигателя. конструкция клапана.
Это дань уважения мотоциклу BMW R 51/2, первому двухцилиндровому байку OHV, созданному BMW после поражения Германии во Второй мировой войне, чей поистине поразительный дизайн в то время позволял использовать более короткие толкатели, чем считалось ранее 70 много лет назад.
В то время эта эволюция конструкции была значительным шагом вперед в уменьшении количества движущейся массы двигателя, что, конечно, является критическим элементом при создании двигателя с поршнями диаметром 107,1 мм.
Однако не думайте, что на этом технологии заканчиваются. BMW планирует добавить опциональную электрическую передачу заднего хода к шестиступенчатой механической коробке передач, чтобы облегчить маневры на низкой скорости на парковке.
Кроме того, BMW придумала способ использования однодискового сцепления, чтобы включить функцию предотвращения скачков, которая, по словам немецкого бренда, устраняет нежелательные «штамповки» заднего колеса во время жесткого переключения на пониженную передачу, которые могут возникнуть во время праздничной езды. .
В целом, этот двигатель является большим достижением для немецкого бренда, поскольку он продолжает находить новые способы привнести свой культовый внешний вид оппозитного двигателя в новые захватывающие сегменты рынка мотоциклов.
Будет трудно сдержать наше волнение по поводу новых мотоциклов R18, поскольку следующий год мы проведем с нетерпением в ожидании запланированного дебюта BMW Motorrad, но, по крайней мере, до тех пор мы можем вдаваться в подробности и мечтать о том, какое захватывающее время это — быть живым.
в эту современную эпоху дизайна мотоциклов.
Источник: BMW Motorrad
% PDF-1.4
%
1091 0 объект
>
эндобдж
xref
1091 193
0000000016 00000 н.
0000004235 00000 н.
0000004447 00000 н.
0000004602 00000 п.
0000004660 00000 н.
0000006689 00000 н.
0000006955 00000 н.
0000007042 00000 н.
0000007130 00000 н.
0000007240 00000 н.
0000007417 00000 н.
0000007474 00000 н.
0000007622 00000 н.
0000007769 00000 н.
0000007948 00000 н.
0000008005 00000 н.
0000008111 00000 п.
0000008212 00000 н.
0000008381 00000 п.
0000008438 00000 н.
0000008584 00000 н.
0000008679 00000 н.
0000008844 00000 н.
0000008901 00000 п.
0000009013 00000 н.
0000009140 00000 н.
0000009293 00000 н.
0000009350 00000 н.
0000009459 00000 н.
0000009562 00000 н.
0000009721 00000 н.
0000009778 00000 п.
0000009872 00000 н.
0000010034 00000 п.
0000010091 00000 п.
0000010203 00000 п.
0000010338 00000 п.
0000010495 00000 п.
0000010552 00000 п.
0000010647 00000 п.
0000010754 00000 п.
0000010810 00000 п.
0000010965 00000 п.
0000011021 00000 п.
0000011114 00000 п.
0000011170 00000 п.
0000011226 00000 п.
0000011282 00000 п.
0000011339 00000 п.
0000011422 00000 п.
0000011573 00000 п.
0000011630 00000 п.
0000011726 00000 п.
0000011828 00000 п.
0000011885 00000 п.
0000011998 00000 н.
0000012055 00000 п.
0000012165 00000 п.
0000012222 00000 п.
0000012279 00000 н.
0000012336 00000 п.
0000012393 00000 п.
0000012450 00000 п.
0000012507 00000 п.
0000012625 00000 п.
0000012682 00000 п.
0000012800 00000 п.
0000012857 00000 п.
0000012914 00000 п.
0000012971 00000 п.
0000013091 00000 п.
0000013148 00000 п.
0000013266 00000 п.
0000013323 00000 п.
0000013441 00000 п.
0000013498 00000 п.
0000013618 00000 п.
0000013675 00000 п.
0000013800 00000 п.
0000013857 00000 п.
0000013973 00000 п.
0000014030 00000 п.
0000014151 00000 п.
0000014208 00000 п.
0000014327 00000 п.
0000014384 00000 п.
0000014503 00000 п.
0000014560 00000 п.
0000014677 00000 п.
0000014734 00000 п.
0000014791 00000 п.
0000014848 00000 п.
0000014905 00000 п.
0000015008 00000 п.
0000015112 00000 п.
0000015169 00000 п.
0000015288 00000 п.
0000015345 00000 п.
0000015402 00000 п.
0000015459 00000 п.
0000015516 00000 п.
0000015573 00000 п.
0000015675 00000 п.
0000015786 00000 п.
0000015843 00000 п.
0000015900 00000 п.
0000015957 00000 п.
0000016062 00000 п.
0000016159 00000 п.
0000016216 00000 п.
0000016329 00000 п.
0000016386 00000 п.
0000016495 00000 п.
0000016552 00000 п.
0000016686 00000 п.
0000016743 00000 п.
0000016869 00000 п.
0000016926 00000 п.
0000017077 00000 п.
0000017134 00000 п.
0000017255 00000 п.
0000017312 00000 п.
0000017369 00000 п.
0000017427 00000 п.
0000017460 00000 п.
0000017771 00000 п.
0000018083 00000 п.
0000018445 00000 п.
0000018728 00000 п.
0000018750 00000 п.
0000046583 00000 п.
0000046608 00000 п.
0000046891 00000 п.
0000046913 00000 п.
0000084113 00000 п.
0000084138 00000 п.
0000084438 00000 п.
0000084504 00000 п.
0000084528 00000 п.
0000085786 00000 п.
0000085810 00000 п.
0000086956 00000 п.
0000086980 00000 п.
0000088150 00000 п.
0000088296 00000 п.
0000089088 00000 н.
0000089452 00000 п.
0000089987 00000 н.
00000 00000 н.
0000090605 00000 п.
0000091140 00000 п.
0000091183 00000 п.
0000091207 00000 п.
0000092359 00000 п.
0000092470 00000 п.
0000092494 00000 п.
0000095403 00000 п.
0000095427 00000 п.
0000098968 00000 п.
0000099118 00000 п.
0000099491 00000 п.
0000099762 00000 н.
0000099911 00000 н.
0000099935 00000 н.
0000103393 00000 п.
0000103417 00000 н.
0000106766 00000 н.
0000108360 00000 н.
0000110201 00000 н.
0000112933 00000 н.
0000113160 00000 н.
0000114847 00000 н.
0000114952 00000 н.
0000115183 00000 н.
0000115518 00000 н.
0000115567 00000 н.
0000116480 00000 н.
0000116818 00000 н.
0000119498 00000 п.
0000119732 00000 н.
0000120063 00000 н.
0000120502 00000 н.
0000121118 00000 н.
0000121220 00000 н.
0000121422 00000 н.
0000121755 00000 н.
0000122651 00000 н.
0000122883 00000 н.
0000122988 00000 н.
0000124121 00000 н.
0000124201 00000 н.
0000004839 00000 н.
0000006665 00000 н.
трейлер
]
>>
startxref
0
%% EOF
1092 0 объект
>
эндобдж
1093 0 объект
ƏOXu / г.JV’wkAf \\)
/ U (~ \ n7 @ X> Ket # Ǐo9} g`)
/ П-28
/ V 1
/ Длина 40
>>
эндобдж
1094 0 объект
>
эндобдж
1095 0 объект
> / Кодировка> >>
/ DA (h2h + H;)
>>
эндобдж
1282 0 объект
>
поток
([(9aXI8) yt ~ ϣ7g}
W ߅] P [$ Kl? D,: ķ1 * I (-Dqis \ `ه z
$) uԅDʪbZMZ,! Yjvjj = .xKq: ȷ «# buR4f> W = 1Û | Q5’ϨO, JzMu + 8 ا gL;`) 1’1A && * mPrUr ~ x
, LF {>!] ӋGҌ ڄ} 5 Ux ԝ9Р {wV * rXJlWQ
Eӟ) JgJL | 6_ + I5ŕ1 = ºʣ * ~ Ћ7
Первый взгляд на Unreal Engine 5
Временная шкала Unreal Engine 4 и 5
Unreal Engine 4.25 уже поддерживает консольные платформы следующего поколения от Sony и Microsoft, и Epic тесно сотрудничает с производителями консолей и десятками разработчиков и издателей игр, использующих Unreal Engine 4 для создания игр следующего поколения.
Предварительная версияUnreal Engine 5 будет доступна в начале 2021 года и будет поддерживать консоли следующего поколения, консоли текущего поколения, ПК, Mac, iOS и Android.
Мы работаем с учетом прямой совместимости, поэтому вы можете начать разработку следующего поколения уже сейчас в UE4 и перенести свои проекты на UE5, когда будете готовы.
Мы выпустим Fortnite, построенный с использованием UE4, на консолях следующего поколения при запуске и, в соответствии с нашим обязательством доказать наличие передовых функций в отрасли посредством внутреннего производства, перенесем игру на UE5 в середине 2021 года.
Отменены роялти Unreal Engine с первого миллиона долларов дохода от игры
Начиная с сегодняшнего дня вы можете загружать и использовать Unreal Engine для создания игр бесплатно, как и всегда, за исключением того, что теперь роялти не взимаются с вашего первого валового дохода в размере 1 миллиона долларов. Новые условия лицензии Unreal Engine, которые имеют обратную силу с 1 января 2020 года, дают разработчикам игр беспрецедентное преимущество перед другими моделями лицензий на движок.

с.-ч
, не менее:
К боковым площадкам головки крепятся коллекторы впуска и выпуска. Сзади мотора установлен кронштейн, на котором фиксируется воздушный очиститель.
)

62
Достаточно часто выходят из строя балансирующие подшипники, которые требуют соответствующей замены.

д.
с)
с.)
с.)

д.

с., которые обеспечивают их широкое использование для встраивания в суда класса река.
с., крутящий момент 520 фунт-фут