ΠΠΎΠΆΠ΅Ρ Π»ΠΈ ΡΠΈΠ³Π½Π°Π»ΠΈΠ·Π°ΡΠΈΡ Π±Π»ΠΎΠΊΠΈΡΠΎΠ²Π°ΡΡ Π·Π°ΠΏΡΡΠΊ Π΄Π²ΠΈΠ³Π°ΡΠ΅Π»Ρ, Π²ΡΡ ΠΏΡΠΎ ΠΈΠΌΠΌΠΎΠ±ΠΈΠ»Π°ΠΉΠ·Π΅ΡΡ!
ΠΡΠΎΡΠΈΠ²ΠΎΡΠ³ΠΎΠ½Π½ΡΠ΅ ΡΠΈΡΡΠ΅ΠΌΡ ΡΡΠ°Π»ΠΈ Π½Π΅ΠΎΡΡΠ΅ΠΌΠ»Π΅ΠΌΠΎΠΉ ΡΠΎΡΡΠ°Π²Π»ΡΡΡΠ΅ΠΉ ΠΊΠ°ΠΆΠ΄ΠΎΠ³ΠΎ ΡΠΎΠ²ΡΠ΅ΠΌΠ΅Π½Π½ΠΎΠ³ΠΎ Π°Π²ΡΠΎΠΌΠΎΠ±ΠΈΠ»Ρ. ΠΠ½ΠΈ ΡΠ²ΠΎΠ΄ΡΡ ΠΏΡΠ°ΠΊΡΠΈΡΠ΅ΡΠΊΠΈ ΠΊ Π½ΡΠ»Ρ Π²ΠΎΠ·ΠΌΠΎΠΆΠ½ΠΎΡΡΡ ΡΠ³ΠΎΠ½Π° Π²Π°ΡΠ΅ΠΉ ΠΌΠ°ΡΠΈΠ½Ρ. ΠΠΎ Π½Π΅ΡΠ΅Π΄ΠΊΠΈΠ΅ ΡΠ»ΡΡΠ°ΠΈ, ΠΊΠΎΠ³Π΄Π° ΡΠ°ΠΌ Π²ΠΎΠ΄ΠΈΡΠ΅Π»Ρ Π½Π΅ ΠΌΠΎΠΆΠ΅Ρ ΠΏΠΎΠ»ΡΡΠΈΡΡ Π΄ΠΎΡΡΡΠΏ ΠΊ ΡΡΠ°Π½ΡΠΏΠΎΡΡΡ Π½Π΅ΠΏΠΎΡΡΠ΅Π΄ΡΡΠ²Π΅Π½Π½ΠΎ ΠΈΠ·-Π·Π° ΠΏΠΎΠ΄ΠΎΠ±Π½ΡΡ ΡΠΈΡΡΠ΅ΠΌ.
Π ΡΡΠΎΠΉ ΡΡΠ°ΡΡΠ΅ ΠΌΡ ΡΠ°ΡΡΠΊΠ°ΠΆΠ΅ΠΌ, ΠΌΠΎΠΆΠ΅Ρ Π»ΠΈ ΡΠΈΠ³Π½Π°Π»ΠΈΠ·Π°ΡΠΈΡ Π±Π»ΠΎΠΊΠΈΡΠΎΠ²Π°ΡΡ Π·Π°ΠΏΡΡΠΊ Π΄Π²ΠΈΠ³Π°ΡΠ΅Π»Ρ, ΡΡΠΎ ΡΠΎΠ±ΠΎΠΉ ΠΏΡΠ΅Π΄ΡΡΠ°Π²Π»ΡΠ΅Ρ ΠΈΠΌΠΌΠΎΠ±ΠΈΠ»Π°ΠΉΠ·Π΅Ρ ΠΈ ΠΊΠ°ΠΊΠΎΠ²Ρ Π΅Π³ΠΎ ΠΎΡΠΎΠ±Π΅Π½Π½ΠΎΡΡΠΈ, Π° ΡΠ°ΠΊΠΆΠ΅ Π΄Π°Π΄ΠΈΠΌ ΡΠ΅ΠΊΠΎΠΌΠ΅Π½Π΄Π°ΡΠΈΠΈ ΠΈ ΡΠΎΠ²Π΅ΡΡ ΠΏΠΎ ΡΠ°Π·Π±Π»ΠΎΠΊΠΈΡΠΎΠ²ΠΊΠ΅ Π²Π°ΡΠ΅Π³ΠΎ ΡΡΠ°Π½ΡΠΏΠΎΡΡΠ½ΠΎΠ³ΠΎ ΡΡΠ΅Π΄ΡΡΠ²Π°.
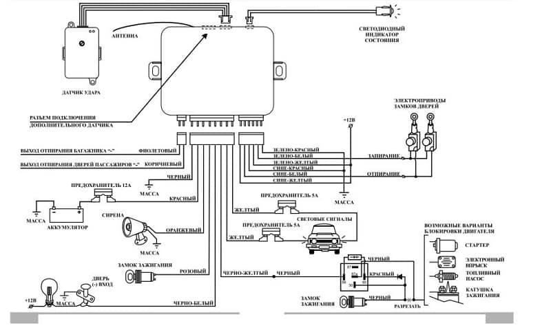
ΠΠΌΠΌΠΎΠ±ΠΈΠ»Π°ΠΉΠ·Π΅Ρ ΠΈ Π΅Π³ΠΎ ΠΊΠΎΠ½ΡΡΡΡΠΊΡΠΈΡ
Π Π±ΠΎΠ»ΡΡΠΈΠ½ΡΡΠ²Π΅ Π°Π²ΡΠΎΠΌΠΎΠ±ΠΈΠ»Π΅ΠΉ ΡΡΡΠ°Π½Π°Π²Π»ΠΈΠ²Π°Π΅ΡΡΡ ΡΠ°ΠΊΠΎΠ΅ ΡΡΡΡΠΎΠΉΡΡΠ²ΠΎ, ΠΊΠ°ΠΊ ΠΈΠΌΠΌΠΎΠ±ΠΈΠ»Π°ΠΉΠ·Π΅Ρ. ΠΠ½ΠΎ ΠΏΡΠ΅Π΄ΠΎΡΠ²ΡΠ°ΡΠ°Π΅Ρ Π²ΠΊΠ»ΡΡΠ΅Π½ΠΈΠ΅ ΠΌΠΎΡΠΎΡΠ° ΠΈ Π΄ΡΡΠ³ΠΈΡ ΡΠ·Π»ΠΎΠ² ΡΡΠ°Π½ΡΠΏΠΎΡΡΠ½ΠΎΠ³ΠΎ ΡΡΠ΅Π΄ΡΡΠ²Π° Π±Π΅Π· Π²Π΅Π΄ΠΎΠΌΠ° Π°Π²ΡΠΎΠ²Π»Π°Π΄Π΅Π»ΡΡΡ. ΠΠΏΡΠ΅Π΄Π΅Π»ΠΈΡΡ Π²ΠΈΠ·ΡΠ°Π»ΡΠ½ΠΎ Π°Π²ΡΠΎΠ³ΠΎΠ½ΡΠΈΠΊΡ Π½Π°Π»ΠΈΡΠΈΠ΅ ΡΡΠΎΠ³ΠΎ ΠΊΠΎΠΌΠΏΠΎΠ½Π΅Π½ΡΠ° Π½Π΅Π²ΠΎΠ·ΠΌΠΎΠΆΠ½ΠΎ, Π½Π° ΠΈΠ½ΠΎΠΌΠ°ΡΠΊΠ°Ρ ΠΎΠ½ Π½Π΅ ΠΏΠΎΠ΄Π°Π΅Ρ ΠΊΠ°ΠΊΠΈΡ -Π»ΠΈΠ±ΠΎ Π·Π²ΡΠΊΠΎΠ²ΡΡ ΠΈΠ»ΠΈ Π²ΠΈΠ·ΡΠ°Π»ΡΠ½ΡΡ ΡΠΈΠ³Π½Π°Π»ΠΎΠ². ΠΠ°ΠΆΠ΄ΡΠΉ ΠΈΠΌΠΌΠΎΠ±ΠΈΠ»Π°ΠΉΠ·Π΅Ρ ΡΠΎΡΡΠΎΠΈΡ ΠΈΠ· Π½Π΅ΡΠΊΠΎΠ»ΡΠΊΠΈΡ ΠΊΠΎΠΌΠΏΠΎΠ½Π΅Π½ΡΠΎΠ²:
- ΠΠ»Π΅ΠΊΡΡΠΎΠ½Π½ΡΠΉ Π±Π»ΠΎΠΊ ΡΠΏΡΠ°Π²Π»Π΅Π½ΠΈΡ.
ΠΠΎΠ»ΡΡΠ°Π΅Ρ ΠΎΡ Π΄ΡΡΠ³ΠΈΡ
ΠΊΠΎΠΌΠΏΠΎΠ½Π΅Π½ΡΠΎΠ² ΡΠΈΠ³Π½Π°Π»Ρ, ΡΠ°ΡΡΠΈΡΡΠΎΠ²ΡΠ²Π°Π΅Ρ ΠΈ ΠΎΠ±ΡΠ°Π±Π°ΡΡΠ²Π°Π΅Ρ ΠΈΡ
, ΠΏΠΎΡΠ»Π΅ ΡΠ΅Π³ΠΎ, Π΅ΡΡΠ΅ΡΡΠ²Π΅Π½Π½ΠΎ, ΠΎΡΠ΄Π°Π΅Ρ ΡΠΏΡΠ°Π²Π»ΡΡΡΠΈΠ΅ ΠΊΠΎΠΌΠ°Π½Π΄Ρ. - ΠΠ»Π΅ΠΊΡΡΠΎΠ½Π½ΠΎΠ΅ ΡΠ΅Π»Π΅. Π‘Π»ΡΠΆΠΈΡ Π΄Π»Ρ ΡΠ°Π·ΡΡΠ²Π° ΡΠ»Π΅ΠΊΡΡΠΈΡΠ΅ΡΠΊΠΎΠΉ ΡΠ΅ΠΏΠΈ, ΠΏΡΠ΅Π΄ΠΎΡΠ²ΡΠ°ΡΠ°Ρ Π·Π°ΠΏΡΡΠΊ Π΄Π²ΠΈΠ³Π°ΡΠ΅Π»Ρ ΠΈΠ»ΠΈ Π΄ΡΡΠ³ΠΈΡ ΡΠ·Π»ΠΎΠ² Π°Π²ΡΠΎ.
- Π’ΠΎΠΏΠ»ΠΈΠ²Π½ΡΠΉ ΠΊΠ»Π°ΠΏΠ°Π½. ΠΠΌΠ΅Π΅ΡΡΡ Π² ΡΠΎΠ²ΡΠ΅ΠΌΠ΅Π½Π½ΡΡ ΡΠΈΡΡΠ΅ΠΌΠ°Ρ . ΠΠ½ Π±Π»ΠΎΠΊΠΈΡΡΠ΅Ρ ΠΏΠΎΠ΄Π°ΡΡ ΡΠΎΠΏΠ»ΠΈΠ²Π°.
- ΠΠΎΠ΄ΠΈΡΠ΅Π»ΡΡΠΊΠΈΠΉ ΠΊΠ»ΡΡ ΠΎΡ Π·Π°ΠΆΠΈΠ³Π°Π½ΠΈΡ.
Π ΡΠ°ΠΌΠΎΠΌ ΠΊΠ»ΡΡΠ΅ ΡΡΠΎΠΈΡ ΡΡΠ°Π½ΡΠΏΠΎΠ½Π΄Π΅Ρ, ΠΏΠΎ ΠΊΠΎΡΠΎΡΠΎΠΌΡ ΡΠΈΡΡΠ΅ΠΌΠ° ΠΎΠΏΡΠ΅Π΄Π΅Π»ΡΠ΅Ρ ΠΏΡΠΈΡΡΡΡΡΠ²ΠΈΠ΅ Π²Π»Π°Π΄Π΅Π»ΡΡΠ°. Π‘ΡΠΎΠΈΡ ΠΎΡΠΌΠ΅ΡΠΈΡΡ, ΡΡΠΎ ΠΏΡΠΈ ΠΏΠΎΠΏΡΡΠΊΠ΅ Π·Π°Π²Π΅ΡΡΠΈ Π°Π²ΡΠΎ Β«Ρ ΠΏΡΠΎΠ²ΠΎΠ΄ΠΎΠ²Β» ΠΈΠ»ΠΈ ΠΏΡΠΈ ΠΏΠΎΠ²ΡΠ΅ΠΆΠ΄Π΅Π½ΠΈΡΡ ΠΈΠΌΠΌΠΎΠ±ΠΈΠ»Π°ΠΉΠ·Π΅ΡΠ° Π°Π²ΡΠΎΠΌΠΎΠ±ΠΈΠ»Ρ Π²ΡΠ΅ ΡΠ°Π²Π½ΠΎ Π±Π»ΠΎΠΊΠΈΡΡΠ΅ΡΡΡ. ΠΡΠΎ Π΄Π΅Π»Π°Π΅Ρ ΡΡΡ ΡΠΈΡΡΠ΅ΠΌΡ ΠΊΡΠ°ΠΉΠ½Π΅ ΡΡΡΠ΅ΠΊΡΠΈΠ²Π½ΠΎΠΉ, Π½ΠΎ Π½Π΅ΡΠ΅Π΄ΠΊΠΎ Π΄ΠΎΡΡΠ°Π²Π»ΡΠ΅Ρ ΠΏΡΠΎΠ±Π»Π΅ΠΌ ΠΈ Π°Π²ΡΠΎΠ²Π»Π°Π΄Π΅Π»ΡΡΠ°ΠΌ.
ΠΡΠΈΠ½ΡΠΈΠΏ ΡΠ°Π±ΠΎΡΡ ΡΡΡΡΠΎΠΉΡΡΠ²Π°
ΠΠ°ΠΊ ΡΠΆΠ΅ Π±ΡΠ»ΠΎ ΡΠΊΠ°Π·Π°Π½ΠΎ ΡΠ°Π½Π΅Π΅, Π² ΠΊΠ»ΡΡΠ΅ Π·Π°ΠΆΠΈΠ³Π°Π½ΠΈΡ Π²ΡΡΡΠ°ΠΈΠ²Π°Π΅ΡΡΡ ΡΠΏΠ΅ΡΠΈΠ°Π»ΡΠ½ΡΠΉ ΡΠΈΠΏ ΡΡΠ°Π½ΡΠΏΠΎΠ½Π΄Π΅Ρ (ΠΌΠ΅ΡΠΊΠ°). Π‘ΡΠ°ΡΡΠ΅ ΠΌΠΎΠ΄Π΅Π»ΠΈ ΠΊΠ»ΡΡΠ΅ΠΉ Π³Π΅Π½Π΅ΡΠΈΡΠΎΠ²Π°Π»ΠΈ Π½Π° Π²ΡΡΠΎΠΊΠΎΠΉ ΡΠ°ΡΡΠΎΡΠ΅ ΠΏΠΎΡΡΠΎΡΠ½Π½ΡΠΉ ΠΊΠΎΠ΄, ΠΊΠΎΡΠΎΡΡΠΉ ΠΏΠ΅ΡΠ΅Π΄Π°Π²Π°Π»ΡΡ Π² ΡΡΠΈΡΡΠ²Π°ΡΡΠ΅Π΅ ΡΡΡΡΠΎΠΉΡΡΠ²ΠΎ ΠΈΠΌΠΌΠΎΠ±ΠΈΠ»Π°ΠΉΠ·Π΅ΡΠ°. ΠΡΠ»ΠΈ ΠΊΠΎΠ΄Ρ ΡΠΎΠ²ΠΏΠ°Π΄Π°Π»ΠΈ, ΡΠΈΡΡΠ΅ΠΌΠ° ΡΠ°Π·Π±Π»ΠΎΠΊΠΈΡΠΎΠ²Π°Π»Π° Π°Π²ΡΠΎΠΌΠΎΠ±ΠΈΠ»Ρ.
ΠΠΎΡΡΠΎΡΠ½Π½ΡΠΉ ΠΊΠ»ΡΡ Π±ΡΠ»ΠΎ Π΄ΠΎΠ²ΠΎΠ»ΡΠ½ΠΎ ΠΏΡΠΎΡΡΠΎ Π²Π·Π»ΠΎΠΌΠ°ΡΡ, ΠΏΠΎΡΡΠΎΠΌΡ ΠΏΠΎΡΠ²ΠΈΠ»ΠΎΡΡ ΡΠ»Π΅Π΄ΡΡΡΠ΅Π΅ ΠΏΠΎΠΊΠΎΠ»Π΅Π½ΠΈΠ΅ ΡΠΈΡΡΠ΅ΠΌ.
Π Π½ΠΈΡ
ΡΠΆΠ΅ Π²ΡΠΏΠΎΠ»Π½ΡΠ»Π°ΡΡ ΡΠ»ΡΡΠ°ΠΉΠ½Π°Ρ Π³Π΅Π½Π΅ΡΠ°ΡΠΈΡ ΠΊΠ»ΡΡΠ° Ρ ΠΎΠΏΡΠ΅Π΄Π΅Π»Π΅Π½Π½ΠΎΠΉ ΡΠ°ΡΡΠΎΡΠΎΠΉ. Π‘ ΠΏΠΎΠΌΠΎΡΡΡ Π½Π΅Π»ΠΈΠ½Π΅ΠΉΠ½ΡΡ
Π°Π»Π³ΠΎΡΠΈΡΠΌΠΎΠ² ΠΏΡΠΎΠ²ΠΎΠ΄ΠΈΠ»ΡΡ ΡΠΏΠ΅ΡΠΈΠ°Π»ΡΠ½ΡΠΉ ΠΏΠΎΠ΄ΡΡΠ΅Ρ. ΠΡΠ»ΠΈ ΠΊΠΎΠ΄Ρ ΡΠΎΠ²ΠΏΠ°Π΄Π°Π»ΠΈ, ΡΠΎ ΡΠΈΡΡΠ΅ΠΌΠ° ΡΠ½ΠΈΠΌΠ°Π»Π° Π±Π»ΠΎΠΊΠΈΡΠΎΠ²ΠΊΡ. Π’Π°ΠΊΠΎΠΉ ΠΏΠΎΠ΄Ρ
ΠΎΠ΄ Π΄Π΅Π»Π°Π΅Ρ ΠΏΡΠΎΡΠ΅Π΄ΡΡΡ Π²Π·Π»ΠΎΠΌΠ° ΠΏΡΠ°ΠΊΡΠΈΡΠ΅ΡΠΊΠΈ Π½Π΅Π²ΠΎΠ·ΠΌΠΎΠΆΠ½ΠΎΠΉ, Π΅ΡΠ»ΠΈ ΠΈΡΠΏΠΎΠ»ΡΠ·ΡΠ΅ΡΡΡ ΠΊΠ°ΡΠ΅ΡΡΠ²Π΅Π½Π½ΠΎΠ΅ ΡΠΈΡΡΠΎΠ²Π°Π½ΠΈΠ΅ ΡΠΈΠ³Π½Π°Π»Π°. ΠΠ±ΡΠ·Π°ΡΠ΅Π»ΡΠ½ΠΎΠ΅ ΡΡΠ»ΠΎΠ²ΠΈΠ΅ Π΄Π»Ρ ΡΠ°Π·Π±Π»ΠΎΠΊΠΈΡΠΎΠ²ΠΊΠΈ β ΠΊΠ»ΡΡ Ρ ΠΌΠ΅ΡΠΊΠΎΠΉ Π΄ΠΎΠ»ΠΆΠ΅Π½ Π½Π°Ρ
ΠΎΠ΄ΠΈΡΡΡΡ Π² ΠΏΡΠ΅Π΄Π΅Π»Π°Ρ
Π΄Π΅ΠΉΡΡΠ²ΠΈΡ ΠΏΡΠΈΠ΅ΠΌΠ½ΠΈΠΊΠ° ΠΈΠΌΠΌΠΎΠ±ΠΈΠ»Π°ΠΉΠ·Π΅ΡΠ°.
Π Π΅ΠΆΠΈΠΌΡ ΡΠ°Π±ΠΎΡΡ ΠΈΠΌΠΌΠΎΠ±ΠΈΠ»Π°ΠΉΠ·Π΅ΡΠ°
ΠΠΌΠΌΠΎΠ±ΠΈΠ»Π°ΠΉΠ·Π΅Ρ ΠΌΠΎΠΆΠ΅Ρ Π²ΡΠΏΠΎΠ»Π½ΡΡ Π½Π΅ΡΠΊΠΎΠ»ΡΠΊΠΎ Π΄Π΅ΠΉΡΡΠ²ΠΈΠΉ (Π² Π·Π°Π²ΠΈΡΠΈΠΌΠΎΡΡΠΈ ΠΎΡ ΠΌΠΎΠ΄Π΅Π»ΠΈ ΠΈ ΡΡΠ½ΠΊΡΠΈΠΎΠ½Π°Π»Π°, ΠΎ ΠΊΠΎΡΠΎΡΡΡ ΠΌΡ ΡΠ°ΡΡΠΊΠ°ΠΆΠ΅ΠΌ ΠΏΠΎΠ΄ΡΠΎΠ±Π½Π΅Π΅):
- Π‘Π°ΠΌΡΠ΅ ΠΏΡΠΎΡΡΡΠ΅ ΠΈ Π±ΡΠ΄ΠΆΠ΅ΡΠ½ΡΠ΅ ΠΌΠΎΠ΄Π΅Π»ΠΈ Ρ ΠΏΠΎΠΌΠΎΡΡΡ ΡΠ΅Π»Π΅ ΡΠΎΠ»ΡΠΊΠΎ ΡΠ°Π·ΠΌΡΠΊΠ°ΡΡ ΡΠ»Π΅ΠΊΡΡΠΈΡΠ΅ΡΠΊΡΡ ΡΠ΅ΠΏΡ. ΠΡΠΎ ΠΏΡΠΈΠ²ΠΎΠ΄ΠΈΡ ΠΊ Π½Π΅Π²ΠΎΠ·ΠΌΠΎΠΆΠ½ΠΎΡΡΠΈ Π·Π°ΠΏΡΡΡΠΈΡΡ Π΄Π²ΠΈΠ³Π°ΡΠ΅Π»Ρ ΠΈΠ»ΠΈ Π΄ΡΡΠ³ΠΈΠ΅ ΠΊΠ»ΡΡΠ΅Π²ΡΠ΅ ΡΠ·Π»Ρ.
- Π‘ΠΈΡΡΠ΅ΠΌΡ Ρ ΡΠ°ΡΡΠΈΡΠ΅Π½Π½ΡΠΌ ΡΡΠ½ΠΊΡΠΈΠΎΠ½Π°Π»ΠΎΠΌ. ΠΠ°ΠΊ ΠΏΡΠ°Π²ΠΈΠ»ΠΎ, ΠΎΠ½ΠΈ ΠΈΠΌΠ΅ΡΡ Π΄ΠΎΠΏΠΎΠ»Π½ΠΈΡΠ΅Π»ΡΠ½ΡΠ΅ Π΄Π°ΡΡΠΈΠΊΠΈ ΠΏΠΎΠ»ΠΎΠΆΠ΅Π½ΠΈΡ, Π΄Π²ΠΈΠΆΠ΅Π½ΠΈΡ ΠΈ ΡΠ°ΠΊ Π΄Π°Π»Π΅Π΅. Π’Π°ΠΊΠΎΠΉ ΠΈΠΌΠΌΠΎΠ±ΠΈΠ»Π°ΠΉΠ·Π΅Ρ ΠΌΠΎΠΆΠ΅Ρ Π°ΠΊΡΠΈΠ²ΠΈΡΠΎΠ²Π°ΡΡΡΡ Π½Π΅ ΡΡΠ°Π·Ρ, Π½Π°ΠΏΡΠΈΠΌΠ΅Ρ, ΡΠΎΠ»ΡΠΊΠΎ ΠΏΠΎΡΠ»Π΅ ΡΠΎΠ³ΠΎ, ΠΊΠ°ΠΊ ΡΠ³ΠΎΠ½ΡΠΈΠΊ Π·Π°Π²Π΅Π΄Π΅Ρ ΠΌΠΎΡΠΎΡ.
ΠΠΎΠ³ΡΡ Π²ΡΠ΄Π°Π²Π°ΡΡ ΡΠΎΠΎΠ±ΡΠ΅Π½ΠΈΡ ΠΎ Π»ΠΎΠΆΠ½ΡΡ
ΠΎΡΠΈΠ±ΠΊΠ°Ρ
. - Π‘Π°ΠΌΡΠ΅ ΠΏΡΠΎΠ΄Π²ΠΈΠ½ΡΡΡΠ΅ ΠΌΠΎΠ΄Π΅Π»ΠΈ Π±Π»ΠΎΠΊΠΈΡΡΡΡ ΡΠ°Π±ΠΎΡΡ Π°Π²ΡΠΎΠΌΠΎΠ±ΠΈΠ»Ρ ΠΏΠΎΡΠ»Π΅ Π½Π΅ΡΠΊΠΎΠ»ΡΠΊΠΈΡ ΠΌΠΈΠ½ΡΡ Π΅Π·Π΄Ρ. ΠΡΠΎ Π·Π°ΡΡΠ°Π²ΠΈΡ Π·Π»ΠΎΡΠΌΡΡΠ»Π΅Π½Π½ΠΈΠΊΠ° ΠΎΠΊΠ°Π·Π°ΡΡΡΡ Π² Π½Π΅ΡΠ΄ΠΎΠ±Π½ΠΎΠΌ ΠΏΠΎΠ»ΠΎΠΆΠ΅Π½ΠΈΠΈ, Π½Π°ΠΏΡΠΈΠΌΠ΅Ρ, Π½Π° ΠΏΠ΅ΡΠ΅ΠΊΡΠ΅ΡΡΠΊΠ΅. Π Π΅ΡΠ°ΡΡ ΠΏΡΠΎΠ±Π»Π΅ΠΌΡ Ρ ΡΠ³Π½Π°Π½Π½ΡΠΌ Π°Π²ΡΠΎΠΌΠΎΠ±ΠΈΠ»Π΅ΠΌ Π² ΡΠ°ΠΊΠΎΠΉ ΡΠΈΡΡΠ°ΡΠΈΠΈ ΠΎΠ½ΠΈ Π½Π΅ Π±ΡΠ΄ΡΡ, ΡΠΎΠΎΡΠ²Π΅ΡΡΡΠ²Π΅Π½Π½ΠΎ, ΠΏΡΠΎΡΡΠΎ Π΅Π³ΠΎ Π±ΡΠΎΡΡΡ.
Π ΡΠ΅Ρ Π½ΠΈΡΠ΅ΡΠΊΠΎΠΌ ΡΡΠΊΠΎΠ²ΠΎΠ΄ΡΡΠ²Π΅ ΠΊ ΡΠ²ΠΎΠ΅ΠΌΡ Π°Π²ΡΠΎΠΌΠΎΠ±ΠΈΠ»Ρ Π²Ρ Π²ΡΠ΅Π³Π΄Π° ΠΌΠΎΠΆΠ΅ΡΠ΅ ΠΏΠΎΡΠΈΡΠ°ΡΡ ΠΎ ΠΏΠΎΠ»Π½ΠΎΠΌ ΡΠΏΠΈΡΠΊΠ΅ ΡΡΠ½ΠΊΡΠΈΠΉ ΡΠ²ΠΎΠ΅Π³ΠΎ ΠΈΠΌΠΌΠΎΠ±ΠΈΠ»Π°ΠΉΠ·Π΅ΡΠ°.
ΠΠ½ΠΎΠ³ΠΈΠ΅ Π²ΠΎΠ΄ΠΈΡΠ΅Π»ΠΈ Π΄ΡΠΌΠ°ΡΡ, ΡΡΠΎ ΠΈΠΌΠΌΠΎΠ±ΠΈΠ»Π°ΠΉΠ·Π΅Ρ ΠΈ ΡΠΈΠ³Π½Π°Π»ΠΈΠ·Π°ΡΠΈΡ β ΡΡΠΎ ΠΎΠ΄ΠΈΠ½Π°ΠΊΠΎΠ²ΡΠ΅ Π½Π°Π·Π²Π°Π½ΠΈΡ ΠΎΠ΄Π½ΠΎΠΉ ΡΠΈΡΡΠ΅ΠΌΡ. ΠΡΠΎ Π² ΠΊΠΎΡΠ½Π΅ Π½Π΅ΠΏΡΠ°Π²ΠΈΠ»ΡΠ½ΠΎΠ΅ ΠΌΠ½Π΅Π½ΠΈΠ΅. ΠΠΌΠΌΠΎΠ±ΠΈΠ»Π°ΠΉΠ·Π΅Ρ β Π±Π»ΠΎΠΊΠΈΡΡΠ΅Ρ ΡΠΈΡΡΠ΅ΠΌΡ ΠΌΠ°ΡΠΈΠ½Ρ, Π½ΠΎ Π½Π΅ ΡΠΏΠΎΡΠΎΠ±Π΅Π½ ΠΎΠΏΠΎΠ²Π΅ΡΡΠΈΡΡ Π°Π²ΡΠΎΠ²Π»Π°Π΄Π΅Π»ΡΡΠ° ΠΎΠ± ΡΠ³ΠΎΠ½Π΅. Π‘ΠΈΠ³Π½Π°Π»ΠΈΠ·Π°ΡΠΈΡ Π½Π΅ Π±Π»ΠΎΠΊΠΈΡΡΠ΅Ρ Π·Π°ΠΏΡΡΠΊ Π΄Π²ΠΈΠ³Π°ΡΠ΅Π»Ρ, Π½ΠΎ ΠΎΠ½Π° Π½Π΅ΠΎΠ±Ρ ΠΎΠ΄ΠΈΠΌΠ° Π΄Π»Ρ ΠΎΠΏΠΎΠ²Π΅ΡΠ΅Π½ΠΈΡ Π²ΠΎΠ΄ΠΈΡΠ΅Π»Ρ ΠΈ ΠΎΠΊΡΡΠΆΠ°ΡΡΠΈΡ ΠΎ ΠΏΠΎΠΏΡΡΠΊΠ΅ ΡΠ³ΠΎΠ½Π°. Π‘ΠΈΡΡΠ΅ΠΌΡ Π½Π΅ Π²Π·Π°ΠΈΠΌΠΎΠ·Π°ΠΌΠ΅Π½ΡΠ΅ΠΌΡ, Π½ΠΎ ΠΏΡΠ΅ΠΊΡΠ°ΡΠ½ΠΎ Π΄ΠΎΠΏΠΎΠ»Π½ΡΡΡ Π΄ΡΡΠ³ Π΄ΡΡΠ³Π°. Π‘Π»Π΅Π΄ΠΎΠ²Π°ΡΠ΅Π»ΡΠ½ΠΎ, ΠΈ ΠΏΡΠΎΠ²ΠΎΠ΄ΠΈΡΡ ΡΡΠ°Π²Π½Π΅Π½ΠΈΡ ΠΏΠΎΠ΄ΠΎΠ±Π½ΡΡ ΡΠΈΡΡΠ΅ΠΌ Π½Π΅ΠΊΠΎΡΡΠ΅ΠΊΡΠ½ΠΎ, ΡΠ°ΠΊ ΠΊΠ°ΠΊ ΠΎΠ½ΠΈ ΠΎΡΠ²Π΅ΡΠ°ΡΡ Π·Π° Π°Π±ΡΠΎΠ»ΡΡΠ½ΠΎ ΡΠ°Π·Π½ΡΠ΅ Π·Π°Π΄Π°ΡΠΈ.
Π‘Π½ΠΈΠΌΠ°Π΅ΠΌ Π±Π»ΠΎΠΊΠΈΡΠΎΠ²ΠΊΡ
ΠΠ½ΠΎΠ³ΠΈΠ΅ Π°Π²ΡΠΎΠ²Π»Π°Π΄Π΅Π»ΡΡΡ ΠΈΠ½ΡΠ΅ΡΠ΅ΡΡΡΡΡΡ, ΡΡΠΎ Π΄Π΅Π»Π°ΡΡ, Π΅ΡΠ»ΠΈ ΠΈΠΌΠΌΠΎΠ±ΠΈΠ»Π°ΠΉΠ·Π΅Ρ Π·Π°Π±Π»ΠΎΠΊΠΈΡΠΎΠ²Π°Π» Π·Π°ΠΏΡΡΠΊ Π΄Π²ΠΈΠ³Π°ΡΠ΅Π»Ρ ΠΈ ΠΌΠΎΠΆΠ½ΠΎ Π»ΠΈ Π΅Π³ΠΎ ΡΠ°Π·Π±Π»ΠΎΠΊΠΈΡΠΎΠ²Π°ΡΡ? Π’Π°ΠΊΠ°Ρ Π½Π΅ΠΎΠ±Ρ ΠΎΠ΄ΠΈΠΌΠΎΡΡΡ ΠΌΠΎΠΆΠ΅Ρ Π²ΠΎΠ·Π½ΠΈΠΊΠ½ΡΡΡ ΠΏΠΎ Π½Π΅ΡΠΊΠΎΠ»ΡΠΊΠΈΠΌ ΠΏΡΠΈΡΠΈΠ½Π°ΠΌ:
- ΠΠΎΠ΄ΠΈΡΠ΅Π»Ρ ΡΠΎΠ±ΠΈΡΠ°Π΅ΡΡΡ ΡΡΡΠ°Π½ΠΎΠ²ΠΈΡΡ ΡΠΈΠ³Π½Π°Π»ΠΈΠ·Π°ΡΠΈΡ.
Π§Π°ΡΡΠΎ ΠΈΠΌΠΌΠΎΠ±ΠΈΠ»Π°ΠΉΠ·Π΅Ρ Π²ΡΡΡΠΏΠ°Π΅Ρ Π² ΠΊΠΎΠ½ΡΠ»ΠΈΠΊΡ Ρ Π½ΠΎΠ²ΠΎΠΉ Π°Π²ΡΠΎΡΠΈΠ³Π½Π°Π»ΠΈΠ·Π°ΡΠΈΠ΅ΠΉ, Π° Π΄Π΅ΠΌΠΎΠ½ΡΠΈΡΠΎΠ²Π°ΡΡ Π΅Π³ΠΎ Π½Π΅ ΠΏΡΠ΅Π΄ΡΡΠ°Π²Π»ΡΠ΅ΡΡΡ Π²ΠΎΠ·ΠΌΠΎΠΆΠ½ΡΠΌ. - Π‘Π»ΡΡΠ°ΠΉΠ½Π°Ρ Π±Π»ΠΎΠΊΠΈΡΠΎΠ²ΠΊΠ° ΠΈ ΠΏΠΎΡΠ΅ΡΡ ΠΊΠ»ΡΡΠ°.
- ΠΠ΅ΠΈΡΠΏΡΠ°Π²Π½ΠΎΡΡΠΈ Π² ΠΈΠΌΠΌΠΎΠ±ΠΈΠ»Π°ΠΉΠ·Π΅ΡΠ΅ ΠΈΠ»ΠΈ Π±Π»ΠΎΠΊΠ΅ ΡΠΏΡΠ°Π²Π»Π΅Π½ΠΈΡ, ΠΊΠΎΡΠΎΡΡΠ΅ Π½Π΅ ΠΏΠΎΠ·Π²ΠΎΠ»ΡΡΡ ΠΏΠΎΠ»ΡΡΠΈΡΡ Π΄ΠΎΡΡΡΠΏ ΠΊ Π°Π²ΡΠΎΠΌΠΎΠ±ΠΈΠ»Ρ.
Π Π°Π·Π±Π»ΠΎΠΊΠΈΡΠΎΠ²Π°ΡΡ Π°Π²ΡΠΎΠΌΠΎΠ±ΠΈΠ»Ρ Π²Ρ ΠΌΠΎΠΆΠ΅ΡΠ΅ Π½Π΅ΡΠΊΠΎΠ»ΡΠΊΠΈΠΌΠΈ ΡΠΏΠΎΡΠΎΠ±Π°ΠΌΠΈ, ΠΎ ΠΊΠΎΡΠΎΡΡΡ ΠΌΡ ΠΏΠΎΠ³ΠΎΠ²ΠΎΡΠΈΠΌ Π΄Π°Π»Π΅Π΅.
Π‘Π½ΡΡΠΈΠ΅ Π±Π»ΠΎΠΊΠΈΡΠΎΠ²ΠΊΠΈ Ρ ΠΈΠΌΠΌΠΎΠ±ΠΈΠ»Π°ΠΉΠ·Π΅ΡΠ° Ρ ΠΈΠ½ΡΡΠ°ΠΊΡΠ°ΡΠ½ΡΠΌ Π΄Π°ΡΡΠΈΠΊΠΎΠΌ
ΠΠ°Π½Π½ΡΠΉ ΠΌΠ΅ΡΠΎΠ΄ ΠΏΠΎΠ΄Ρ ΠΎΠ΄ΠΈΡ Π΄Π»Ρ ΡΠ΅Ρ ΡΠΈΡΡΠ΅ΠΌ, Π² ΠΊΠΎΡΠΎΡΡΡ ΠΈΠΌΠ΅Π΅ΡΡΡ ΠΠ ΠΏΠ΅ΡΠ΅Π΄Π°ΡΡΠΈΠΊ, ΡΠΏΡΠ°Π²Π»ΡΡΡΠΈΠΉ ΡΠΈΡΡΠ΅ΠΌΠΎΠΉ ΠΈ ΡΠ΅Π½ΡΡΠ°Π»ΡΠ½ΡΠΌ Π·Π°ΠΌΠΊΠΎΠΌ. ΠΠ»Ρ ΡΠ°Π·Π±Π»ΠΎΠΊΠΈΡΠΎΠ²Π°Π½ΠΈΡ Π²Π°ΠΌ ΠΏΠΎΠ½Π°Π΄ΠΎΠ±ΠΈΡΡΡ ΡΠ΅ΡΡΡΠ΅Ρ Π·Π½Π°ΡΠ½ΡΠΉ ΠΠΠ-ΠΊΠΎΠ΄, ΠΊΠΎΡΠΎΡΡΠΉ ΠΌΠΎΠΆΠ½ΠΎ Π·Π°ΠΏΡΠΎΡΠΈΡΡ Ρ ΠΏΡΠΎΠΈΠ·Π²ΠΎΠ΄ΠΈΡΠ΅Π»Ρ ΠΈΠ»ΠΈ Π½Π°ΠΉΡΠΈ Π² Π΄ΠΎΠΊΡΠΌΠ΅Π½ΡΠ°ΡΠΈΠΈ.
ΠΠ°Π»Π΅Π΅ ΡΠ»Π΅Π΄ΡΠ΅Ρ Π²ΡΠΏΠΎΠ»Π½ΠΈΡΡ ΠΏΡΠ½ΠΊΡΡ ΠΈΠ½ΡΡΡΡΠΊΡΠΈΠΈ:
- ΠΠΊΠ»ΡΡΠΈΡΠ΅ Π·Π°ΠΆΠΈΠ³Π°Π½ΠΈΠ΅. Π‘Π²Π΅ΡΠΎΠ²ΠΎΠΉ ΠΈΠ½Π΄ΠΈΠΊΠ°ΡΠΎΡ Π½Π° ΠΏΠ°Π½Π΅Π»ΠΈ Π±ΠΎΡΡΠΎΠ²ΠΎΠ³ΠΎ ΠΊΠΎΠΌΠΏΡΡΡΠ΅ΡΠ° Π΄ΠΎΠ»ΠΆΠ΅Π½ ΠΌΠΈΠ³Π°ΡΡ, ΡΡΠΎ Π³ΠΎΠ²ΠΎΡΠΈΡ ΠΎ Π±Π»ΠΎΠΊΠΈΡΠΎΠ²ΠΊΠ΅ ΠΌΠΎΡΠΎΡΠ°.
- ΠΠ°ΠΆΠΌΠΈΡΠ΅ ΠΈ Π΄Π΅ΡΠΆΠΈΡΠ΅ ΠΏΠ΅Π΄Π°Π»Ρ Π°ΠΊΡΠ΅Π»Π΅ΡΠ°ΡΠΎΡΠ°. ΠΠ°ΠΌΠΏΠΎΡΠΊΠ° Π΄ΠΎΠ»ΠΆΠ½Π° ΠΏΠ΅ΡΠ΅ΡΡΠ°ΡΡ ΠΌΠΈΠ³Π°ΡΡ.
- ΠΠ²Π΅Π΄ΠΈΡΠ΅ ΠΏΠ΅ΡΠ²ΡΡ ΡΠΈΡΡΡ ΠΊΠΎΠ΄Π°.
ΠΠ°ΠΆΠΌΠΈΡΠ΅ ΠΊΠ½ΠΎΠΏΠΊΡ Π±ΠΎΡΡΠΎΠ²ΠΎΠ³ΠΎ ΠΊΠΎΠΌΠΏΡΡΡΠ΅ΡΠ° ΡΠΎ ΠΊΠΎΠ»ΠΈΡΠ΅ΡΡΠ²ΠΎ ΡΠ°Π·, ΠΊΠΎΡΠΎΡΠΎΠ΅ ΡΠΎΠΎΡΠ²Π΅ΡΡΡΠ²ΡΠ΅Ρ ΡΠΈΡΡΠ΅. - ΠΡΠΎΠΆΠΌΠΈΡΠ΅ ΠΏΠ΅Π΄Π°Π»Ρ, Π° Π·Π°ΡΠ΅ΠΌ ΠΏΠΎΠ²ΡΠΎΡΠΈΡΠ΅ ΠΏΡΠ΅Π΄ΡΠ΄ΡΡΠΈΠΉ ΠΏΡΠ½ΠΊΡ Π΄Π»Ρ Π²ΡΠ΅Ρ ΠΎΡΡΠ°Π»ΡΠ½ΡΡ ΡΠΈΡΡ ΠΊΠΎΠ΄Π°.
ΠΡΠ»ΠΈ Π²Ρ ΡΠ΄Π΅Π»Π°Π»ΠΈ Π²ΡΠ΅ Π²Π΅ΡΠ½ΠΎ, ΡΠ²Π΅ΡΠΎΠ²ΠΎΠΉ ΠΈΠ½Π΄ΠΈΠΊΠ°ΡΠΎΡ Π½Π° Π±ΠΎΡΡΠΎΠ²ΠΎΠΌ ΠΊΠΎΠΌΠΏΡΡΡΠ΅ΡΠ΅ Π±ΡΠ΄Π΅Ρ ΠΏΠΎΡΡΠΎΡΠ½Π½ΠΎ ΡΠ²Π΅ΡΠΈΡΡΡΡ. Π’Π΅ΠΏΠ΅ΡΡ Π²Ρ ΡΠΌΠΎΠΆΠ΅ΡΠ΅ Π·Π°Π²Π΅ΡΡΠΈ Π΄Π²ΠΈΠ³Π°ΡΠ΅Π»Ρ.
Π‘Π½ΡΡΠΈΠ΅ Π±Π»ΠΎΠΊΠΈΡΠΎΠ²ΠΊΠΈ ΠΊΠ½ΠΎΠΏΠΊΠΎΠΉ ΡΠΏΡΠ°Π²Π»Π΅Π½ΠΈΡ ΡΠ΅Π½ΡΡΠ°Π»ΡΠ½ΡΠΌ Π·Π°ΠΌΠΊΠΎΠΌ
ΠΠ΅Π°ΠΊΡΠΈΠ²Π°ΡΠΈΡ ΠΈΠΌΠΌΠΎΠ±ΠΈΠ»Π°ΠΉΠ·Π΅ΡΠ° ΠΏΡΠΎΠΈΡΡ ΠΎΠ΄ΠΈΡ ΡΠ»Π΅Π΄ΡΡΡΠΈΠΌ ΠΎΠ±ΡΠ°Π·ΠΎΠΌ:
- ΠΡΠΊΠ»ΡΡΠΈΡΠ΅ Π·Π°ΠΆΠΈΠ³Π°Π½ΠΈΠ΅. ΠΠ°ΠΌΠΏΠΎΡΠΊΠ° Π½Π°ΡΠ½Π΅Ρ ΠΌΠ΅Π΄Π»Π΅Π½Π½ΠΎ ΠΌΠΈΠ³Π°ΡΡ.
- ΠΠΊΠ»ΡΡΠΈΡΠ΅ Π·Π°ΠΆΠΈΠ³Π°Π½ΠΈΠ΅. ΠΠ½Π΄ΠΈΠΊΠ°ΡΠΎΡ ΠΈΠΌΠΌΠΎΠ±ΠΈΠ»Π°ΠΉΠ·Π΅ΡΠ° Π½Π°ΡΠ½Π΅Ρ Π°ΠΊΡΠΈΠ²Π½ΠΎ ΠΌΠΈΠ³Π°ΡΡ.
- ΠΠ°ΠΆΠΌΠΈΡΠ΅ ΠΈ ΡΠ΄Π΅ΡΠΆΠΈΠ²Π°ΠΉΡΠ΅ ΠΊΠ½ΠΎΠΏΠΊΡ ΡΠΏΡΠ°Π²Π»Π΅Π½ΠΈΡ ΡΠ΅Π½ΡΡΠ°Π»ΡΠ½ΡΠΌ Π·Π°ΠΌΠΊΠΎΠΌ. Π‘ΠΈΠ³Π½Π°Π»ΡΠ½Π°Ρ ΠΊΡΠ°ΡΠ½Π°Ρ Π»Π°ΠΌΠΏΠΎΡΠΊΠ° ΠΏΠΎΡΡΡ Π½Π΅Ρ.
- ΠΡΠΈ ΡΠ΄Π΅ΡΠΆΠ°Π½ΠΈΠΈ ΠΊΠ½ΠΎΠΏΠΊΠΈ ΠΌΠΈΠ³Π°ΡΡΠ°Ρ Π»Π°ΠΌΠΏΠ° ΠΈΠΌΠΌΠΎΠ±ΠΈΠ»Π°ΠΉΠ·Π΅ΡΠ° ΠΏΠΎΠ½ΠΈΠ·ΠΈΡ ΡΠ°ΡΡΠΎΡΡ ΠΌΠΈΠ³Π°Π½ΠΈΡ. ΠΠ΅Π΄ΠΈΡΠ΅ ΡΡΠ΅Ρ ΠΌΠΈΠ³Π°Π½ΠΈΠΉ. ΠΡΠ»ΠΈ Π΅ΡΡΡ ΡΠΎΠ²ΠΏΠ°Π΄Π΅Π½ΠΈΠ΅ Ρ ΠΏΠ΅ΡΠ²ΠΎΠΉ ΡΠΈΡΡΠΎΠΉ ΠΊΠΎΠ΄Π°, ΠΎΡΠΏΡΡΡΠΈΡΠ΅ ΠΊΠ½ΠΎΠΏΠΊΡ ΡΠ΅Π½ΡΡΠ°Π»ΡΠ½ΠΎΠ³ΠΎ Π·Π°ΠΌΠΊΠ°.
- ΠΠ°ΠΆΠΌΠΈΡΠ΅ ΠΈ Π΄Π΅ΡΠΆΠΈΡΠ΅ ΡΠ½ΠΎΠ²Π° ΠΊΠ½ΠΎΠΏΠΊΡ Π·Π°ΠΌΠΊΠ°. Π‘ΡΠΈΡΠ°ΠΉΡΠ΅ ΠΊΠΎΠ»ΠΈΡΠ΅ΡΡΠ²ΠΎ ΠΌΠΈΠ³Π°Π½ΠΈΠΉ ΡΠ²Π΅ΡΠΎΠ²ΠΎΠ³ΠΎ ΠΈΠ½Π΄ΠΈΠΊΠ°ΡΠΎΡΠ°.
ΠΡΠΈ ΡΠΎΠ²ΠΏΠ°Π΄Π΅Π½ΠΈΠΈ ΡΠΎ ΡΠ»Π΅Π΄ΡΡΡΠ΅ΠΉ ΡΠΈΡΡΠΎΠΉ ΠΎΡΠΏΡΡΡΠΈΡΠ΅ ΠΊΠ»Π°Π²ΠΈΡΡ. - ΠΡΠΏΠΎΠ»Π½ΠΈΡΠ΅ Π²Π²ΠΎΠ΄ Π²ΡΠ΅ΠΉ ΠΊΠΎΠΌΠ±ΠΈΠ½Π°ΡΠΈΠΈ ΠΏΠΎΠ΄ΠΎΠ±Π½ΡΠΌ ΠΎΠ±ΡΠ°Π·ΠΎΠΌ.
ΠΠΌΠΌΠΎΠ±ΠΈΠ»Π°ΠΉΠ·Π΅Ρ ΠΎΡΠΊΠ»ΡΡΠΈΡΡΡ. Π‘Π»Π΅Π΄ΡΡΡΠ°Ρ Π±Π»ΠΎΠΊΠΈΡΠΎΠ²ΠΊΠ° ΠΏΡΠΎΠΈΠ·ΠΎΠΉΠ΄Π΅Ρ ΠΏΡΠΈ ΠΎΡΡΠΎΠ΅Π΄ΠΈΠ½Π΅Π½ΠΈΠΈ ΠΠΠ ΠΈΠ»ΠΈ ΠΎΡΠΊΠ»ΡΡΠ΅Π½ΠΈΠΈ Π·Π°ΠΆΠΈΠ³Π°Π½ΠΈΡ ΠΌΠΈΠ½ΠΈΠΌΡΠΌ Π½Π° 10 ΡΠ΅ΠΊΡΠ½Π΄.
ΠΡΠΏΠΎΠ»ΡΠ·ΡΠ΅ΠΌ ΠΎΠ±Ρ ΠΎΠ΄ΡΠΈΠΊ
Π‘ΡΡΠ΅ΡΡΠ²ΡΠ΅Ρ ΡΠΏΠ΅ΡΠΈΠ°Π»ΡΠ½ΡΠΉ ΠΌΠΎΠ΄ΡΠ»Ρ, ΠΊΠΎΡΠΎΡΡΠΉ ΠΏΠΎΠ·Π²ΠΎΠ»ΡΠ΅Ρ ΠΈΠΌΠΈΡΠΈΡΠΎΠ²Π°ΡΡ ΡΡΠ°Π½ΡΠΏΠΎΠ½Π΄Π΅Ρ ΠΊΠ»ΡΡΠ°, Π° ΡΠ°ΠΊΠΆΠ΅ ΠΏΡΠ΅Π΄ΠΎΡΠ²ΡΠ°ΡΠΈΡΡ Π±Π»ΠΎΠΊΠΈΡΠΎΠ²ΠΊΡ Π°Π²ΡΠΎΠΌΠΎΠ±ΠΈΠ»Ρ. ΠΠ³ΠΎ Π½Π°Π·ΡΠ²Π°ΡΡ ΠΎΠ±Ρ ΠΎΠ΄ΡΠΈΠΊΠΎΠΌ. ΠΠΎΠ΄ΡΠ»Ρ ΠΌΠΎΠΆΠ½ΠΎ ΠΊΡΠΏΠΈΡΡ ΠΈΠ»ΠΈ ΠΈΠ·Π³ΠΎΡΠΎΠ²ΠΈΡΡ ΡΠ°ΠΌΠΎΡΡΠΎΡΡΠ΅Π»ΡΠ½ΠΎ ΠΏΡΠΈ Π΄ΠΎΡΡΠ°ΡΠΎΡΠ½ΡΡ Π½Π°Π²ΡΠΊΠ°Ρ ΡΠ°Π±ΠΎΡΡ Ρ ΡΠ»Π΅ΠΊΡΡΠΎΠ½ΠΈΠΊΠΎΠΉ. ΠΠ½ ΠΏΡΠΎΡΡ Π² ΠΈΡΠΏΠΎΠ»ΡΠ·ΠΎΠ²Π°Π½ΠΈΠΈ, ΠΎΠ΄Π½Π°ΠΊΠΎ Π²Π°ΠΌ ΠΏΠΎΠ½Π°Π΄ΠΎΠ±ΠΈΡΡΡ Π΄ΡΠ±Π»ΠΈΠΊΠ°Ρ ΠΊΠ»ΡΡΠ°.
ΠΠΎΠΏΠΎΠ»Π½ΠΈΡΠ΅Π»ΡΠ½ΡΠ΅ ΠΌΠ΅ΡΠΎΠ΄Ρ
Π Π½Π΅ΠΊΠΎΡΠΎΡΡΡ
ΡΠ»ΡΡΠ°ΡΡ
ΠΎΠΏΡΡΠ½ΡΠ΅ Π°Π²ΡΠΎΠΌΠΎΠ±ΠΈΠ»ΠΈΡΡΡ ΠΌΠΎΠ³ΡΡ ΠΏΠΎΠΏΡΠΎΠ±ΠΎΠ²Π°ΡΡ ΠΏΠ΅ΡΠ΅ΠΏΡΠΎΡΠΈΡΡ ΠΠΠ£ ΠΈΠ»ΠΈ Π±Π»ΠΎΠΊ ΠΈΠΌΠΌΠΎΠ±ΠΈΠ»Π°ΠΉΠ·Π΅ΡΠ°. Π§Π΅ΡΠ΅Π· Π΄ΠΈΠ°Π³Π½ΠΎΡΡΠΈΡΠ΅ΡΠΊΠΈΠΉ ΡΠ°Π·ΡΠ΅ΠΌ ΠΌΠΎΠΆΠ½ΠΎ ΠΏΡΠΎΠΏΠΈΡΠ°ΡΡ Π½ΠΎΠ²ΡΠΉ ΠΊΠ»ΡΡ, ΠΏΠ΅ΡΠ΅Π²Π΅ΡΡΠΈ ΠΠΠ£ Π² Π°Π²Π°ΡΠΈΠΉΠ½ΡΠΉ ΡΠ΅ΠΆΠΈΠΌ (Π² ΡΡΠΎΠΌ ΡΠ»ΡΡΠ°Π΅ ΠΈΠΌΠΌΠΎΠ±ΠΈΠ»Π°ΠΉΠ·Π΅Ρ Π½Π΅ ΠΎΠΏΡΠ°ΡΠΈΠ²Π°Π΅ΡΡΡ) ΠΈ ΠΌΠ½ΠΎΠ³ΠΎΠ΅ Π΄ΡΡΠ³ΠΎΠ΅. ΠΡΠΎ Π΄ΠΎΡΡΠ°ΡΠΎΡΠ½ΠΎ ΡΠ»ΠΎΠΆΠ½Π°Ρ ΠΏΡΠΎΡΠ΅Π΄ΡΡΠ°, ΡΡΠ΅Π±ΡΡΡΠ°Ρ ΡΠΎΠΎΡΠ²Π΅ΡΡΡΠ²ΡΡΡΠ΅ΠΉ ΠΊΠ²Π°Π»ΠΈΡΠΈΠΊΠ°ΡΠΈΠΈ. Π Π±Π΅Π·Π²ΡΡ
ΠΎΠ΄Π½ΡΡ
ΡΠΈΡΡΠ°ΡΠΈΡΡ
ΠΌΠΎΠΆΠ½ΠΎ ΠΏΠΎΠ»Π½ΠΎΡΡΡΡ ΠΏΠΎΠΌΠ΅Π½ΡΡΡ ECU ΠΈ Π±Π»ΠΎΠΊ ΠΈΠΌΠΌΠΎΠ±ΠΈΠ»Π°ΠΉΠ·Π΅ΡΠ°, Π½ΠΎ ΡΡΠΎ Π΄ΠΎΠ²ΠΎΠ»ΡΠ½ΠΎ Π΄ΠΎΡΠΎΠ³ΠΎΡΡΠΎΡΡΠΈΠΉ Π²Π°ΡΠΈΠ°Π½Ρ.
ΠΡΠ»ΠΈ Π²Ρ Π½Π΅ Π½ΡΠΆΠ΄Π°Π΅ΡΠ΅ΡΡ Π² ΡΡΠΎΠΉ ΡΠΈΡΡΠ΅ΠΌΠ΅, ΠΌΠΎΠΆΠ½ΠΎ Π΅Π΅ ΠΎΡΠΊΠ»ΡΡΠΈΡΡ, Π½ΠΎ Π²Π·Π°ΠΌΠ΅Π½ Π½Π΅ΠΎΠ±Ρ
ΠΎΠ΄ΠΈΠΌΠΎ ΠΏΠΎΡΡΠ°Π²ΠΈΡΡ Π·Π°Π³Π»ΡΡΠΊΡ. ΠΡΠΎ Π½Π΅Π±ΠΎΠ»ΡΡΠ°Ρ ΠΌΠΈΠΊΡΠΎΡΡ
Π΅ΠΌΠ°, ΠΊΠΎΡΠΎΡΠ°Ρ ΡΠΎΠ»ΡΠΊΠΎ ΠΈΠΌΠΈΡΠΈΡΡΠ΅Ρ Π½Π°Π»ΠΈΡΠΈΠ΅ ΠΈΠΌΠΌΠΎΠ±ΠΈΠ»Π°ΠΉΠ·Π΅ΡΠ°. ΠΠ° Π°Π²ΡΠΎΠΌΠΎΠ±ΠΈΠ»ΡΡ
ΠΠΠ Ρ ΠΈΠΌΠΌΠΎΠ±ΠΈΠ»Π°ΠΉΠ·Π΅ΡΠΎΠΌ ΠΠΠ‘-6 Π²Π°ΠΌ ΠΏΡΠΈΠ΄Π΅ΡΡΡ Π΄Π»Ρ ΡΠ°Π·Π±Π»ΠΎΠΊΠΈΡΠΎΠ²ΠΊΠΈ Π² ΠΏΡΠΎΠ²ΠΎΠ΄Π°Ρ
ΠΏΠΎΠ΄ΠΊΠ»ΡΡΠ΅Π½ΠΈΡ Π·Π°ΠΌΠΊΠ½ΡΡΡ Π½Π΅ΠΊΠΎΡΠΎΡΡΠ΅ ΠΊΠΎΠ½ΡΠ°ΠΊΡΡ (9 ΠΈ 18 ΡΡΠΈΡΠ°Ρ Ρ Π»Π΅Π²ΠΎΠΉ ΡΡΠΎΡΠΎΠ½Ρ), ΡΡΠΎΠ±Ρ Π²ΠΎΡΡΡΠ°Π½ΠΎΠ²ΠΈΡΡ ΡΠ°Π±ΠΎΡΠΎΡΠΏΠΎΡΠΎΠ±Π½ΠΎΡΡΡ Π°Π²ΡΠΎ.
ΠΡΠΈ ΠΎΠ±ΡΠ°ΡΠ΅Π½ΠΈΠΈ Π² ΡΡΠΎΡΠΎΠ½Π½ΠΈΠ΅ ΡΠ΅ΡΠ²ΠΈΡΠ½ΡΠ΅ ΡΠ΅Π½ΡΡΡ, ΠΊΠΎΠ½Π΅ΡΠ½ΠΎ ΠΆΠ΅, Π±ΡΠ΄ΡΡΠ΅ ΠΎΡΡΠΎΡΠΎΠΆΠ½Ρ, ΡΠ°ΠΊ ΠΊΠ°ΠΊ ΠΌΠ΅Ρ Π°Π½ΠΈΠΊΠΈ ΠΌΠΎΠ³ΡΡ Π΄ΠΎΠ±Π°Π²ΠΈΡΡ Π² ΠΏΠ°ΠΌΡΡΡ ΠΈΠΌΠΌΠΎΠ±ΠΈΠ»Π°ΠΉΠ·Π΅ΡΠ° Π΄ΠΎΠΏΠΎΠ»Π½ΠΈΡΠ΅Π»ΡΠ½ΠΎΠΉ ΠΊΠ»ΡΡ. ΠΠΎΡΠ»Π΅ ΡΡΠΎΠ³ΠΎ ΡΠ³Π½Π°ΡΡ Π²Π°Ρ Π°Π²ΡΠΎΠΌΠΎΠ±ΠΈΠ»Ρ Π½Π΅ ΡΠΎΡΡΠ°Π²ΠΈΡ ΡΡΡΠ΄Π°. Π ΡΠ΅ΡΠΈ ΠΠ½ΡΠ΅ΡΠ½Π΅Ρ Π²Ρ ΠΌΠΎΠΆΠ΅ΡΠ΅ Π½Π°ΠΉΡΠΈ ΠΌΠ΅ΡΠΎΠ΄ΠΈΠΊΠΈ, ΠΊΠ°ΠΊ ΠΏΠΎΡΠΌΠΎΡΡΠ΅ΡΡ ΡΠΏΠΈΡΠΎΠΊ Π°ΠΊΡΠΈΠ²Π½ΡΡ ΠΊΠ»ΡΡΠ΅ΠΉ Π΄Π»Ρ ΠΊΠΎΠ½ΠΊΡΠ΅ΡΠ½ΡΡ ΠΌΠΎΠ΄Π΅Π»Π΅ΠΉ ΠΈΠΌΠΌΠΎΠ±ΠΈΠ»Π°ΠΉΠ·Π΅ΡΠ°.
Π’Π΅ΠΏΠ΅ΡΡ Π²Ρ Π·Π½Π°Π΅ΡΠ΅, ΡΡΠΎ ΡΠ°ΠΊΠΎΠ΅ ΠΈΠΌΠΌΠΎΠ±ΠΈΠ»Π°ΠΉΠ·Π΅Ρ, ΠΊΠ°ΠΊΠΈΠ΅ ΡΡΠ½ΠΊΡΠΈΠΈ ΠΎΠ½ Π²ΡΠΏΠΎΠ»Π½ΡΠ΅Ρ ΠΈ ΠΊΠ°ΠΊ Π΅Π³ΠΎ ΠΎΡΠΊΠ»ΡΡΠΈΡΡ.
Π Π΅ΠΊΠΎΠΌΠ΅Π½Π΄ΡΠ΅ΠΌ ΡΠ΄Π΅Π»Π°ΡΡ ΠΎΠ΄ΠΈΠ½ ΠΈΠ»ΠΈ Π½Π΅ΡΠΊΠΎΠ»ΡΠΊΠΎ Π΄ΡΠ±Π»ΠΈΠΊΠ°ΡΠΎΠ², Π° ΡΠ°ΠΊΠΆΠ΅ ΠΏΠΎΡΡΠ°Π²ΠΈΡΡ ΠΊΠ°ΡΠ΅ΡΡΠ²Π΅Π½Π½ΡΡ ΡΠΈΠ³Π½Π°Π»ΠΈΠ·Π°ΡΠΈΡ Π² Π΄ΠΎΠΏΠΎΠ»Π½Π΅Π½ΠΈΠ΅ ΠΊ ΠΈΠΌΠΌΠΎΠ±ΠΈΠ»Π°ΠΉΠ·Π΅ΡΡ. ΠΡΠΎ Π·Π½Π°ΡΠΈΡΠ΅Π»ΡΠ½ΠΎ ΠΏΠΎΠ²ΡΡΠΈΡ ΡΡΠΎΠ²Π΅Π½Ρ Π±Π΅Π·ΠΎΠΏΠ°ΡΠ½ΠΎΡΡΠΈ Π°Π²ΡΠΎΠΌΠΎΠ±ΠΈΠ»Ρ, ΡΠΎΠΎΡΠ²Π΅ΡΡΡΠ²Π΅Π½Π½ΠΎ, ΠΏΡΠ΅Π΄ΠΎΡΠ²ΡΠ°ΡΠΈΡ ΡΠ³ΠΎΠ½. Β
ΠΡΠ»ΠΈ ΠΌΠ°ΡΠ΅ΡΠΈΠ°Π» Π±ΡΠ» Π΄Π»Ρ Π²Π°Ρ ΠΈΠ½ΡΠ΅ΡΠ΅ΡΠ΅Π½ ΠΈΠ»ΠΈ ΠΏΠΎΠ»Π΅Π·Π΅Π½, ΠΎΠΏΡΠ±Π»ΠΈΠΊΡΠΉΡΠ΅ Π΅Π³ΠΎ Π½Π° ΡΠ²ΠΎΠ΅ΠΉ ΡΡΡΠ°Π½ΠΈΡΠ΅ Π² ΡΠΎΡΠΈΠ°Π»ΡΠ½ΠΎΠΉ ΡΠ΅ΡΠΈ:
ΠΠΎΠ±Π°Π²ΠΈΡΡ ΠΊΠΎΠΌΠΌΠ΅Π½ΡΠ°ΡΠΈΠΉ
Π Π½Π°ΡΠ°Π»ΠΎ ΡΡΡΠ°Π½ΠΈΡΡ
ΠΠΌΠΌΠΎΠ±ΠΈΠ»Π°ΠΉΠ·Π΅Ρ Π·Π°Π±Π»ΠΎΠΊΠΈΡΠΎΠ²Π°Π» Π·Π°ΠΏΡΡΠΊ Π΄Π²ΠΈΠ³Π°ΡΠ΅Π»Ρ — ΡΡΠΎ Π΄Π΅Π»Π°ΡΡ? ΠΠ°ΠΊ ΠΎΠ±ΠΎΠΉΡΠΈ ΠΈΠΌΠΌΠΎΠ±ΠΈΠ»Π°ΠΉΠ·Π΅Ρ :: SYL.ru
Π€ΡΠ½ΠΊΡΠΈΡ Π°Π²ΡΠΎΠ·Π°ΠΏΡΡΠΊΠ° Π² ΠΏΠΎΡΠ»Π΅Π΄Π½ΠΈΠ΅ Π³ΠΎΠ΄Ρ ΡΡΠ°Π»Π° Π΄ΠΎΡΡΡΠΏΠ½Π° Π΄Π°ΠΆΠ΅ Π² ΡΠΈΠ³Π½Π°Π»ΠΈΠ·Π°ΡΠΈΡΡ
Π½Π°ΡΠ°Π»ΡΠ½ΠΎΠ³ΠΎ ΡΡΠΎΠ²Π½Ρ. Π’Π΅Π»Π΅ΠΌΠ°ΡΠΈΡΠ΅ΡΠΊΠΈΠ΅ ΠΎΡ
ΡΠ°Π½Π½ΡΠ΅ ΡΠΈΡΡΠ΅ΠΌΡ ΠΏΡΠ΅Π΄Π»Π°Π³Π°ΡΡ ΠΏΠΎΠ΄ΠΎΠ±Π½ΡΠΉ ΠΎΠΏΡΠΈΠΎΠ½Π°Π» Ρ ΡΠΈΡΠΎΠΊΠΈΠΌΠΈ Π²ΠΎΠ·ΠΌΠΎΠΆΠ½ΠΎΡΡΡΠΌΠΈ ΠΊΠ°ΠΊ Ρ ΠΏΡΡΠΌΡΠΌ, ΡΠ°ΠΊ ΠΈ Ρ Π΄ΠΈΡΡΠ°Π½ΡΠΈΠΎΠ½Π½ΡΠΌ ΡΠΏΡΠ°Π²Π»Π΅Π½ΠΈΠ΅ΠΌ. ΠΠΎ, Π½Π΅Π·Π°Π²ΠΈΡΠΈΠΌΠΎ ΠΎΡ ΡΠΈΠΏΠ° ΡΠΈΠ³Π½Π°Π»ΠΈΠ·Π°ΡΠΈΠΈ, Π°Π²ΡΠΎΠΌΠ°ΡΠΈΡΠ΅ΡΠΊΠΈΠΉ Π·Π°ΠΏΡΡΠΊ Π΄Π²ΠΈΠ³Π°ΡΠ΅Π»Ρ ΠΌΠΎΠΆΠ΅Ρ ΠΊΠΎΠ½ΡΠ»ΠΈΠΊΡΠΎΠ²Π°ΡΡ Ρ ΡΡΠ½ΠΊΡΠΈΠ΅ΠΉ ΠΈΠΌΠΌΠΎΠ±ΠΈΠ»Π°ΠΉΠ·Π΅ΡΠ°. Π’Π°ΠΊΠΈΠ΅ ΡΠΈΡΡΠ°ΡΠΈΠΈ Π½Π΅ΠΎΠ±ΡΠ·Π°ΡΠ΅Π»ΡΠ½ΠΎ ΡΠ²ΠΈΠ΄Π΅ΡΠ΅Π»ΡΡΡΠ²ΡΡΡ ΠΎ Π½Π΅ΠΏΠΎΠ»Π°Π΄ΠΊΠ°Ρ
ΡΠΎΠ³ΠΎ ΠΈΠ»ΠΈ ΠΈΠ½ΠΎΠ³ΠΎ ΡΡΡΡΠΎΠΉΡΡΠ²Π°. ΠΡΠΎ ΡΠ°ΡΠΏΡΠΎΡΡΡΠ°Π½Π΅Π½Π½ΠΎΠ΅ ΠΏΡΠΎΡΠΈΠ²ΠΎΡΠ΅ΡΠΈΠ΅ ΠΌΠ΅ΠΆΠ΄Ρ Π΄Π²ΡΠΌΡ Π·Π°ΡΠΈΡΠ½ΡΠΌΠΈ ΡΠΈΡΡΠ΅ΠΌΠ°ΠΌΠΈ, ΠΏΠ°ΡΠ°ΠΌΠ΅ΡΡΡ ΠΊΠΎΡΠΎΡΡΡ
Π² ΠΊΠΎΠ½ΠΊΡΠ΅ΡΠ½ΡΠΉ ΠΌΠΎΠΌΠ΅Π½Ρ Π½Π°ΡΡΡΠΎΠ΅Π½Ρ Π½Π° ΡΠ°Π·Π½ΡΠ΅ Π·Π°Π΄Π°ΡΠΈ.
Π Π΄Π°Π½Π½ΠΎΠΌ ΡΠ»ΡΡΠ°Π΅ ΠΎΠ΄Π½Π° ΡΠΈΡΡΠ΅ΠΌΠ° ΠΏΡΠ΅Π΄ΠΎΡΠ²ΡΠ°ΡΠ°Π΅Ρ Π΄ΠΎΡΡΡΠΏ ΠΊ ΡΠΈΠ»ΠΎΠ²ΠΎΠΌΡ Π°Π³ΡΠ΅Π³Π°ΡΡ, Π° Π²ΡΠΎΡΠ°Ρ β Π½Π°ΠΏΡΠΎΡΠΈΠ², ΡΠ°Π±ΠΎΡΠ°Π΅Ρ Π½Π° ΠΎΠ±Π»Π΅Π³ΡΠ΅Π½ΠΈΠ΅ ΡΠΏΡΠ°Π²Π»Π΅Π½ΠΈΡ ΠΌΠ΅Ρ
Π°Π½ΠΈΠ·ΠΌΠΎΠΌ. ΠΠ½ΡΠΌΠΈ ΡΠ»ΠΎΠ²Π°ΠΌΠΈ, ΠΈΠΌΠΌΠΎΠ±ΠΈΠ»Π°ΠΉΠ·Π΅Ρ Π·Π°Π±Π»ΠΎΠΊΠΈΡΠΎΠ²Π°Π» Π·Π°ΠΏΡΡΠΊ Π΄Π²ΠΈΠ³Π°ΡΠ΅Π»Ρ. Π§ΡΠΎ Π΄Π΅Π»Π°ΡΡ Ρ ΠΌΠΎΠ΄ΡΠ»Π΅ΠΌ Π² ΡΠ°ΠΊΠΈΡ
ΡΠΈΡΡΠ°ΡΠΈΡΡ
? Π‘ΡΡΠ΅ΡΡΠ²ΡΡΡ ΠΊΠΎΠ½ΠΊΡΠ΅ΡΠ½ΡΠ΅ ΡΡΠ΅Π΄ΡΡΠ²Π° ΠΈ ΡΠ΅ΡΠ΅Π½ΠΈΡ, Π½ΠΎ Π²ΡΠ±ΠΎΡ ΠΎΠ΄Π½ΠΎΠ³ΠΎ ΠΈΠ· Π½ΠΈΡ
Π±ΡΠ΄Π΅Ρ Π·Π°Π²ΠΈΡΠ΅ΡΡ ΠΎΡ ΠΊΠΎΠ½ΡΠΈΠ³ΡΡΠ°ΡΠΈΠΈ Π²Π·Π°ΠΈΠΌΠΎΠ΄Π΅ΠΉΡΡΠ²ΠΈΡ Π±Π»ΠΎΠΊΠΈΡΠΎΠ²ΡΠΈΠΊΠ° ΠΈ ΡΠΈΠ³Π½Π°Π»ΠΈΠ·Π°ΡΠΈΠΈ. ΠΡΠΎΠΌΠ΅ ΡΠΎΠ³ΠΎ, Π²ΡΠ΅ ΠΆΠ΅ Π½Π΅ ΡΡΠΎΠΈΡ ΠΎΡΠΌΠ΅ΡΠ°ΡΡ ΠΈ Π²Π΅ΡΠΎΡΡΠ½ΠΎΡΡΡ ΠΏΠΎΠ»ΠΎΠΌΠΊΠΈ ΠΎΠ΄Π½ΠΎΠΉ ΠΈΠ· ΡΠΈΡΡΠ΅ΠΌ, ΡΡΠ°ΡΡΠ²ΡΡΡΠΈΡ
Π² ΡΠΏΡΠ°Π²Π»Π΅Π½ΠΈΠΈ Π΄ΠΎΡΡΡΠΏΠ° ΠΊ Π΄Π²ΠΈΠ³Π°ΡΠ΅Π»Ρ.
ΠΠ±ΡΠΈΠ΅ ΡΠ²Π΅Π΄Π΅Π½ΠΈΡ ΠΎΠ± ΡΡΡΡΠΎΠΉΡΡΠ²Π΅
ΠΠ»Ρ Π½Π°ΡΠ°Π»Π° Π½Π°Π΄ΠΎ ΠΎΡΠΌΠ΅ΡΠΈΡΡ, ΡΡΠΎ ΠΈΠΌΠΌΠΎΠ±ΠΈΠ»Π°ΠΉΠ·Π΅Ρ ΠΌΠΎΠΆΠ΅Ρ Π±ΡΡΡ ΠΈ Π°Π²ΡΠΎΠ½ΠΎΠΌΠ½ΡΠΌ ΡΠ°ΠΌΠΎΡΡΠΎΡΡΠ΅Π»ΡΠ½ΡΠΌ ΠΏΡΠΈΠ±ΠΎΡΠΎΠΌ, ΡΠΎ Π΅ΡΡΡ ΡΡΠ½ΠΊΡΠΈΠΎΠ½ΠΈΡΠΎΠ²Π°ΡΡ ΠΎΡΠ΄Π΅Π»ΡΠ½ΠΎ ΠΎΡ ΡΠΈΠ³Π½Π°Π»ΠΈΠ·Π°ΡΠΈΠΈ, ΠΈ ΠΊΠΎΠΌΠΏΠΎΠ½Π΅Π½ΡΠΎΠΌ ΠΎΡ
ΡΠ°Π½Π½ΠΎΠ³ΠΎ ΠΊΠΎΠΌΠΏΠ»Π΅ΠΊΡΠ°. ΠΠΌΠ΅Π½Π½ΠΎ Π² ΡΠ»ΡΡΠ°ΡΡ
ΠΎΡΠ½Π°ΡΠ΅Π½ΠΈΡ ΡΠΈΠ³Π½Π°Π»ΠΈΠ·Π°ΡΠΈΡΠΌΠΈ ΠΌΠ°ΡΠΈΠ½, Π² ΠΊΠΎΡΠΎΡΡΡ
ΡΠΆΠ΅ ΡΠ°Π±ΠΎΡΠ°Π΅Ρ ΠΈΠΌΠΌΠΎΠ±ΠΈΠ»Π°ΠΉΠ·Π΅Ρ, ΡΠ°ΡΠ΅ Π²ΡΠ΅Π³ΠΎ ΡΠ»ΡΡΠ°ΡΡΡΡ ΠΊΠΎΠ½ΡΠ»ΠΈΠΊΡΡ ΠΈΠ·-Π·Π° ΡΡΠ½ΠΊΡΠΈΠΈ ΠΎΠ±Π΅ΡΠΏΠ΅ΡΠ΅Π½ΠΈΡ Π΄ΠΎΡΡΡΠΏΠ° ΠΊ Π΄Π²ΠΈΠ³Π°ΡΠ΅Π»Ρ. Π‘Π°ΠΌΠΎ ΡΡΡΡΠΎΠΉΡΡΠ²ΠΎ ΠΏΡΠ΅Π΄ΡΡΠ°Π²Π»ΡΠ΅Ρ ΡΠΎΠ±ΠΎΠΉ Π±Π»ΠΎΠΊΠΈΡΡΡΡΠΈΠΉ ΠΌΠΎΠ΄ΡΠ»Ρ Ρ ΡΠ»Π΅ΠΊΡΡΠΎΡΠ΅Ρ
Π½ΠΈΡΠ΅ΡΠΊΠΎΠΉ ΠΈΠ»ΠΈ ΠΌΠ°Π³Π½ΠΈΡΠ½ΠΎΠΉ Π½Π°ΡΠΈΠ½ΠΊΠΎΠΉ, Π΄ΠΎΠΏΠΎΠ»Π½Π΅Π½Π½ΡΠΉ ΠΈΠ½Π΄ΠΈΠΊΠ°ΡΠΈΠΎΠ½Π½ΡΠΌ ΡΡΠΈΡΡΠ²Π°ΡΡΠΈΠΌ ΡΡΡΡΠΎΠΉΡΡΠ²ΠΎΠΌ.
Π’ΡΠ°Π΄ΠΈΡΠΈΠΎΠ½Π½ΠΎΠ΅ ΡΠ°ΡΠΏΠΎΠ»ΠΎΠΆΠ΅Π½ΠΈΠ΅ Π±Π»ΠΎΠΊΠ° ΠΈΠΌΠΌΠΎΠ±ΠΈΠ»Π°ΠΉΠ·Π΅ΡΠ° β Π² ΠΏΠΎΠ΄ΠΊΠ°ΠΏΠΎΡΠ½ΠΎΠΉ ΡΠΊΡΡΡΠΎΠΉ Π½ΠΈΡΠ΅. ΠΠΎ Π΅ΡΡΡ ΠΈ Π²Π°ΡΠΈΠ°Π½ΡΡ ΡΠ°Π·ΠΌΠ΅ΡΠ΅Π½ΠΈΡ Π² ΡΠ°Π»ΠΎΠ½Π΅ ΡΡΠ΄ΠΎΠΌ Ρ ΡΠ΅Π½ΡΡΠ°Π»ΡΠ½ΡΠΌ Π±Π»ΠΎΠΊΠΎΠΌ ΡΠΈΠ³Π½Π°Π»ΠΈΠ·Π°ΡΠΈΠΈ. Π’Π΅ΠΏΠ΅ΡΡ ΡΡΠΎΠΈΡ ΠΏΠΎΠ΄ΡΠ΅ΡΠΊΠ½ΡΡΡ, ΡΡΠΎ Π±Π»ΠΎΠΊΠΈΡΠΎΠ²ΠΊΠ° ΡΠΈΡΡΠ΅ΠΌΡ Π·Π°ΠΆΠΈΠ³Π°Π½ΠΈΡ ΠΈ Π΄Π²ΠΈΠ³Π°ΡΠ΅Π»Ρ ΡΠ²Π»ΡΠ΅ΡΡΡ Π½Π΅ΠΏΠΎΡΡΠ΅Π΄ΡΡΠ²Π΅Π½Π½ΠΎΠΉ Π·Π°Π΄Π°ΡΠ΅ΠΉ ΠΈΠΌΠΌΠΎΠ±ΠΈΠ»Π°ΠΉΠ·Π΅ΡΠ°. ΠΠ½ Π΄Π»Ρ ΡΡΠΎΠ³ΠΎ ΠΈ ΡΡΠ΅Π±ΡΠ΅ΡΡΡ Π² ΡΠ»ΡΡΠ°Π΅, Π΅ΡΠ»ΠΈ Π·Π»ΠΎΡΠΌΡΡΠ»Π΅Π½Π½ΠΈΠΊ ΠΏΡΠΎΠ½ΠΈΠΊΠ½Π΅Ρ Π² ΡΠ°Π»ΠΎΠ½. Π‘ Π΄ΡΡΠ³ΠΎΠΉ ΡΡΠΎΡΠΎΠ½Ρ, ΡΠ΅Π»Π΅ΠΌΠ°ΡΠΈΡΠ΅ΡΠΊΠΈΠ΅ ΡΠΈΡΡΠ΅ΠΌΡ ΡΠΈΠ³Π½Π°Π»ΠΈΠ·Π°ΡΠΈΠΉ Ρ Π°Π²ΡΠΎΠ·Π°ΠΏΡΡΠΊΠΎΠΌ Π΄Π°ΡΡ Π²ΠΎΠ·ΠΌΠΎΠΆΠ½ΠΎΡΡΡ ΠΏΠΎΠ»ΡΠ·ΠΎΠ²Π°ΡΠ΅Π»Ρ Π½Π΅ ΠΏΡΠΎΡΡΠΎ Π² Π°Π²ΡΠΎΠΌΠ°ΡΠΈΡΠ΅ΡΠΊΠΎΠΌ ΡΠ΅ΠΆΠΈΠΌΠ΅ ΡΠΏΡΠ°Π²Π»ΡΡΡ Π΄Π²ΠΈΠ³Π°ΡΠ΅Π»Π΅ΠΌ, Π½ΠΎ ΠΈ Π΄Π΅Π»Π°ΡΡ ΡΡΠΎ Π΄ΠΈΡΡΠ°Π½ΡΠΈΠΎΠ½Π½ΠΎ. Π‘ΠΎΠΎΡΠ²Π΅ΡΡΡΠ²Π΅Π½Π½ΠΎ, Π² ΡΠΈΠ»Ρ Π½Π΅ΡΠΎΠ³Π»Π°ΡΠΎΠ²Π°Π½Π½ΠΎΡΡΠΈ ΡΡΡΡΠΎΠΉΡΡΠ² ΠΌΠΎΠΆΠ΅Ρ ΠΏΡΠΎΠΈΠ·ΠΎΠΉΡΠΈ ΠΎΡΠΊΠ°Π· Π² Π΄ΠΎΡΡΡΠΏΠ΅ ΠΊ ΡΠΈΠ»ΠΎΠ²ΠΎΠΉ ΡΡΡΠ°Π½ΠΎΠ²ΠΊΠ΅.
ΠΡΠΎΠ±Π΅Π½Π½ΠΎΡΡΠΈ ΠΊΠΎΠ½ΡΠ°ΠΊΡΠ½ΡΡ ΠΈΠΌΠΌΠΎΠ±ΠΈΠ»Π°ΠΉΠ·Π΅ΡΠΎΠ²
ΠΡΠΎ ΡΠ°Π·Π½ΠΎΠ²ΠΈΠ΄Π½ΠΎΡΡΡ ΠΈΠΌΠΌΠΎΠ±ΠΈΠ»Π°ΠΉΠ·Π΅ΡΠ°, ΠΊΠΎΡΠΎΡΠ°Ρ ΠΏΡΠ΅Π΄ΡΡΠΌΠ°ΡΡΠΈΠ²Π°Π΅Ρ Π΄ΠΎΠΏΠΎΠ»Π½ΠΈΡΠ΅Π»ΡΠ½ΡΡ Π·Π°ΡΠΈΡΡ ΠΎΡ ΡΠ³ΠΎΠ½Π°. Π§ΠΈΠΏ, ΠΊΠΎΡΠΎΡΡΠΉ ΠΎΡΡΡΠ΅ΡΡΠ²Π»ΡΠ΅Ρ ΡΠ°Π·Π±Π»ΠΎΠΊΠΈΡΠΎΠ²ΠΊΡ ΠΌΠΎΠ΄ΡΠ»Ρ, Π½Π°Ρ
ΠΎΠ΄ΠΈΡΡΡ Π² ΠΊΠ»ΡΡΠ΅ Π΄Π»Ρ Π°Π²ΡΠΎΠΌΠΎΠ±ΠΈΠ»Ρ, Π° ΡΡΠΈΡΡΠ²Π°ΡΡΠ°Ρ ΠΏΠ»Π°ΡΠ° β Π² Π·Π°ΠΆΠΈΠ³Π°Π½ΠΈΠΈ. ΠΠΎΡΠΊΠΎΠ»ΡΠΊΡ ΠΊΠ»ΡΡ ΠΌΠΎΠ³ΡΡ ΡΠΊΡΠ°ΡΡΡ, ΡΠΎ Π² ΡΠ΅Π»ΡΡ
Π΄ΠΎΠΏΠΎΠ»Π½ΠΈΡΠ΅Π»ΡΠ½ΠΎΠΉ Π·Π°ΡΠΈΡΡ Π²ΠΎΠ·Π»Π΅ Π³Π½Π΅Π·Π΄Π° Π·Π°ΠΆΠΈΠ³Π°Π½ΠΈΡ ΠΏΡΠ΅Π΄ΡΡΠΌΠ°ΡΡΠΈΠ²Π°Π΅ΡΡΡ ΡΡΠΈΡΡΠ²Π°ΡΡΠΈΠΉ ΠΈΠ½ΡΠ΅ΡΡΠ΅ΠΉΡ Π΄Π»Ρ Π²Π²ΠΎΠ΄Π° ΠΊΠΎΠ΄Π°.
ΠΠ»Ρ ΡΠ°ΠΊΠΈΡ
ΡΠΈΡΡΠ΅ΠΌ ΠΊΠΎΠ½ΡΠ»ΠΈΠΊΡ Ρ Π΄ΠΈΡΡΠ°Π½ΡΠΈΠΎΠ½Π½ΡΠΌΠΈ ΡΡΠ΅Π΄ΡΡΠ²Π°ΠΌΠΈ ΡΠΏΡΠ°Π²Π»Π΅Π½ΠΈΡ Π½Π΅Π²ΠΎΠ·ΠΌΠΎΠΆΠ΅Π½, Π½ΠΎ Π²ΡΠ΅ ΡΠ°Π²Π½ΠΎ Π΅ΡΡΡ ΠΎΡΠ·ΡΠ²Ρ ΠΎ ΡΠΎΠΌ, ΠΊΠ°ΠΊ ΠΈΠΌΠΌΠΎΠ±ΠΈΠ»Π°ΠΉΠ·Π΅Ρ Π·Π°Π±Π»ΠΎΠΊΠΈΡΠΎΠ²Π°Π» Π·Π°ΠΏΡΡΠΊ Π΄Π²ΠΈΠ³Π°ΡΠ΅Π»Ρ. Π§ΡΠΎ Π΄Π΅Π»Π°ΡΡ, Π΅ΡΠ»ΠΈ Π΄Π°ΠΆΠ΅ Π² ΡΠ΅ΠΆΠΈΠΌΠ΅ ΠΏΡΡΠΌΠΎΠ³ΠΎ ΠΊΠΎΠ½ΡΠ°ΠΊΡΠ° Ρ ΠΏΠΎΠ»ΡΠ·ΠΎΠ²Π°ΡΠ΅Π»Π΅ΠΌ ΠΌΠΎΠ΄ΡΠ»Ρ Π½Π΅ ΠΏΡΠ΅ΠΊΡΠ°ΡΠ°Π΅Ρ ΡΡΠ½ΠΊΡΠΈΡ Π±Π»ΠΎΠΊΠΈΡΠΎΠ²ΡΠΈΠΊΠ°? ΠΠ°ΡΠΈΠ°Π½ΡΠΎΠ² ΠΌΠΎΠΆΠ΅Ρ Π±ΡΡΡ Π΄Π²Π°. ΠΠ»ΠΈ Π²ΠΎΡΠΏΠΎΠ»ΡΠ·ΠΎΠ²Π°ΡΡΡΡ Π°Π»ΡΡΠ΅ΡΠ½Π°ΡΠΈΠ²Π½ΡΠΌΠΈ ΡΠΏΠΎΡΠΎΠ±Π°ΠΌΠΈ ΠΎΠ±Π΅ΡΠΏΠ΅ΡΠ΅Π½ΠΈΡ Π΄ΠΎΡΡΡΠΏΠ° ΠΊ Π΄Π²ΠΈΠ³Π°ΡΠ΅Π»Ρ β Π½Π°ΠΏΡΠΈΠΌΠ΅Ρ, ΡΠ΅ΡΠ΅Π· ΡΠ΅Π½ΡΠΎΡ ΡΡΠΈΡΡΠ²Π°Π½ΠΈΡ ΠΎΡΠΏΠ΅ΡΠ°ΡΠΊΠΎΠ² ΠΏΠ°Π»ΡΡΠ΅Π² ΠΈΠ»ΠΈ Π±ΡΠ΅Π»ΠΎΠΊ ΡΠΈΠ³Π½Π°Π»ΠΈΠ·Π°ΡΠΈΠΈ. ΠΡΠΎΡΠΎΠ΅ ΡΠ΅ΡΠ΅Π½ΠΈΠ΅ ΠΏΡΠ΅Π΄ΠΏΠΎΠ»Π°Π³Π°Π΅Ρ, ΡΡΠΎ Π΅ΡΡΡ Π½Π΅ΠΈΡΠΏΡΠ°Π²Π½ΠΎΡΡΡ ΡΠ΅Ρ
Π½ΠΈΡΠ΅ΡΠΊΠΎΠ³ΠΎ ΡΠ²ΠΎΠΉΡΡΠ²Π° ΠΈ Π΅Π΅ ΡΠ»Π΅Π΄ΡΠ΅Ρ ΡΠ΅ΡΠ°ΡΡ ΠΏΠΎΡΠ»Π΅ ΡΠΎΠ³ΠΎ, ΠΊΠ°ΠΊ Π±ΡΠ΄Π΅Ρ ΠΏΡΠΎΠ²Π΅ΡΠ΅Π½Π° ΠΊΠΎΡΡΠ΅ΠΊΡΠ½ΠΎΡΡΡ Π²Π·Π°ΠΈΠΌΠΎΠ΄Π΅ΠΉΡΡΠ²ΠΈΡ ΠΌΠ΅ΡΠΊΠΈ ΠΊΠ»ΡΡΠ° Ρ ΠΈΠΌΠΌΠΎΠ±ΠΈΠ»Π°ΠΉΠ·Π΅ΡΠΎΠΌ.
ΠΡΠΎΠ±Π΅Π½Π½ΠΎΡΡΠΈ Π±Π΅ΡΠΊΠΎΠ½ΡΠ°ΠΊΡΠ½ΡΡ ΠΈΠΌΠΌΠΎΠ±ΠΈΠ»Π°ΠΉΠ·Π΅ΡΠΎΠ²
ΠΠ΅ΡΠΊΠΎΠ½ΡΠ°ΠΊΡΠ½ΡΠ΅ ΠΌΠΎΠ΄Π΅Π»ΠΈ ΠΈΠΌΠΌΠΎΠ±ΠΈΠ»Π°ΠΉΠ·Π΅ΡΠΎΠ² ΡΠ²Π»ΡΡΡΡΡ Π½Π°ΠΈΠ±ΠΎΠ»Π΅Π΅ ΡΠ»ΠΎΠΆΠ½ΡΠΌΠΈ ΠΈ ΠΏΠΎ ΡΡΠΎΠΉ ΠΆΠ΅ ΠΏΡΠΈΡΠΈΠ½Π΅ β ΡΠ°ΠΌΡΠΌΠΈ ΠΏΡΠΎΠ±Π»Π΅ΠΌΠ½ΡΠΌΠΈ Π² ΠΏΠ»Π°Π½Π΅ ΡΠΎΠ³Π»Π°ΡΠΎΠ²Π°Π½ΠΈΡ Ρ Π΄ΡΡΠ³ΠΈΠΌΠΈ ΡΡΡΡΠΎΠΉΡΡΠ²Π°ΠΌΠΈ. Π ΠΎΡΠ»ΠΈΡΠΈΠ΅ ΠΎΡ ΠΊΠΎΠ½ΡΠ°ΠΊΡΠ½ΡΡ
ΠΌΠΎΠ΄ΡΠ»Π΅ΠΉ, Π±Π΅ΡΠΊΠΎΠ½ΡΠ°ΠΊΡΠ½ΡΠ΅ Π΄ΠΎΠΏΡΡΠΊΠ°ΡΡ Π²ΠΎΠ·ΠΌΠΎΠΆΠ½ΠΎΡΡΡ ΡΠ°Π±ΠΎΡΡ Ρ ΡΠΈΠΏΠ°ΠΌΠΈ Π² ΡΠ΄Π°Π»Π΅Π½Π½ΠΎΠΌ ΡΠ΅ΠΆΠΈΠΌΠ΅. Π‘Π°ΠΌ ΡΠΈΠΏ ΠΌΠΎΠΆΠ΅Ρ Π±ΡΡΡ Π²ΠΌΠΎΠ½ΡΠΈΡΠΎΠ²Π°Π½ Π² Π±ΡΠ΅Π»ΠΎΠΊ, ΡΠΌΠ°ΡΡΡΠΎΠ½ ΠΈ Π΄Π°ΠΆΠ΅ Π²ΠΈΠ·ΠΈΡΠ½ΡΡ ΠΊΠ°ΡΡΠΎΡΠΊΡ.
Π Π»ΡΠ±ΠΎΠΌ ΡΠ»ΡΡΠ°Π΅ Ρ ΠΏΠΎΠ»ΡΠ·ΠΎΠ²Π°ΡΠ΅Π»Ρ Π΄ΠΎΠ»ΠΆΠ΅Π½ Π±ΡΡΡ Π½Π° ΡΡΠΊΠ°Ρ
ΠΈΠ½ΡΠ΅ΡΡΠ΅ΠΉΡ Π΄Π»Ρ ΡΠΏΡΠ°Π²Π»Π΅Π½ΠΈΡ ΡΡΠΎΠΉ ΠΌΠ΅ΡΠΊΠΎΠΉ ΠΈ ΠΎΡΠ³Π°Π½ΠΈΠ·Π°ΡΠΈΠΈ Π΄ΠΈΠ°Π»ΠΎΠ³Π° Ρ ΠΌΠΎΠ΄ΡΠ»Π΅ΠΌ Π·Π°ΡΠΈΡΡ ΡΠΈΠ»ΠΎΠ²ΠΎΠ³ΠΎ Π°Π³ΡΠ΅Π³Π°ΡΠ°. Π’Π°ΠΊΠΆΠ΅ ΡΡΡΠ΅ΡΡΠ²ΡΠ΅Ρ ΠΈ ΡΠ°Π·Π½ΠΎΠ²ΠΈΠ΄Π½ΠΎΡΡΡ ΠΌΠΎΠ΄ΡΠ»Π΅ΠΉ, ΠΊΠΎΡΠΎΡΡΠ΅ ΠΌΠΎΠ³ΡΡ ΡΡΠ°Π±Π°ΡΡΠ²Π°ΡΡ Π΄Π°ΠΆΠ΅ Π² ΠΌΠΎΠΌΠ΅Π½Ρ, ΠΊΠΎΠ³Π΄Π° Π°Π²ΡΠΎΠΌΠΎΠ±ΠΈΠ»Ρ Π½Π°Ρ
ΠΎΠ΄ΠΈΡΡΡ Π² Π΄Π²ΠΈΠΆΠ΅Π½ΠΈΠΈ. ΠΡΠΎ Π·Π°ΡΠΈΡΠ°Π΅ΠΌΡΠ΅ Π² Π΄Π²ΠΈΠΆΠ΅Π½ΠΈΠΈ ΠΈΠΌΠΌΠΎΠ±ΠΈΠ»Π°ΠΉΠ·Π΅ΡΡ. Π§ΡΠΎ ΡΡΠΎ ΡΠ°ΠΊΠΎΠ΅? Π ΠΌΠ°ΡΠΈΠ½Π΅, ΠΊΠΎΡΠΎΡΠ°Ρ ΡΡΠΎΠΈΡ Π² ΠΎΡ
ΡΠ°Π½Π½ΠΎΠΌ ΡΠ΅ΠΆΠΈΠΌΠ΅, ΠΈΠΌΠΌΠΎΠ±ΠΈΠ»Π°ΠΉΠ·Π΅Ρ Π½ΡΠΆΠ΅Π½ Π΄Π»Ρ Π±Π»ΠΎΠΊΠΈΡΠΎΠ²ΠΊΠΈ Π΄Π²ΠΈΠΆΠΊΠ° ΠΎΡ ΡΠ³ΠΎΠ½Π°. ΠΠΎ ΠΏΡΠΈΡΡΡΡΡΠ²ΠΈΠ΅ ΡΡΠ½ΠΊΡΠΈΠΈ Π±Π»ΠΎΠΊΠΈΡΠΎΠ²ΡΠΈΠΊΠ° Π½Π° ΡΠ»ΡΡΠ°ΠΉ ΡΠΆΠ΅ ΡΠΎΠ²Π΅ΡΡΠ΅Π½Π½ΠΎΠ³ΠΎ ΡΠ³ΠΎΠ½Π° ΡΠ°ΠΊΠΆΠ΅ ΠΏΠΎΠ·Π²ΠΎΠ»ΡΠ΅Ρ ΠΎΡΡΠ°Π½ΠΎΠ²ΠΈΡΡ ΠΌΠ°ΡΠΈΠ½Ρ Π½Π΅Π·Π°Π²ΠΈΡΠΈΠΌΠΎ ΠΎΡ Π΄Π΅ΠΉΡΡΠ²ΠΈΠΉ Π·Π»ΠΎΡΠΌΡΡΠ»Π΅Π½Π½ΠΈΠΊΠΎΠ² Π² ΡΠ°Π»ΠΎΠ½Π΅.
ΠΠ±Ρ ΠΎΠ΄ΡΠΈΠΊΠΈ Π΄Π»Ρ ΡΠΈΡΡΠ΅ΠΌ RFID
ΠΠ±Ρ
ΠΎΠ΄ΡΠΈΠΊ β Π½Π°ΠΈΠ±ΠΎΠ»Π΅Π΅ ΠΏΠΎΠΏΡΠ»ΡΡΠ½ΠΎΠ΅ ΡΡΠ΅Π΄ΡΡΠ²ΠΎ ΡΠ΅ΡΠ΅Π½ΠΈΡ ΠΏΡΠΎΠ±Π»Π΅ΠΌΡ Ρ ΠΈΠΌΠΌΠΎΠ±ΠΈΠ»Π°ΠΉΠ·Π΅ΡΠ°ΠΌΠΈ, Π½Π΅ ΠΏΠΎΠ·Π²ΠΎΠ»ΡΡΡΠΈΠΌΠΈ Π΄ΠΈΡΡΠ°Π½ΡΠΈΠΎΠ½Π½ΠΎ Π°ΠΊΡΠΈΠ²ΠΈΡΠΎΠ²Π°ΡΡ ΡΡΠ½ΠΊΡΠΈΡ Π°Π²ΡΠΎΠ·Π°ΠΏΡΡΠΊΠ°. Π Π΄Π°Π½Π½ΠΎΠΌ ΡΠ»ΡΡΠ°Π΅ ΡΠ°ΡΡΠΌΠ°ΡΡΠΈΠ²Π°Π΅ΡΡΡ ΠΏΡΠΈΠ½ΡΠΈΠΏ Π΄Π΅ΠΉΡΡΠ²ΠΈΡ ΠΎΠ±Ρ
ΠΎΠ΄ΡΠΈΠΊΠ°, ΠΏΡΠ΅Π΄Π½Π°Π·Π½Π°ΡΠ΅Π½Π½ΠΎΠ³ΠΎ Π΄Π»Ρ ΠΌΠΎΠ΄ΡΠ»Π΅ΠΉ RFID. Π’Π°ΠΊΠΎΠΉ Π±Π»ΠΎΠΊΠΈΡΠΎΠ²ΡΠΈΠΊ ΠΎΡΠΊΡΡΠ²Π°Π΅Ρ Π΄ΠΎΡΡΡΠΏ ΠΏΠΎΡΠ»Π΅ ΡΡΠΈΡΡΠ²Π°Π½ΠΈΡ ΡΠΈΠ³Π½Π°Π»Π° Ρ ΠΌΠ΅ΡΠΊΠΈ, ΡΠ»Π°Π²Π»ΠΈΠ²Π°Ρ RF-ΡΠΈΠ³Π½Π°Π»Ρ Π½Π΅Π±ΠΎΠ»ΡΡΠΎΠΉ ΠΌΠΎΡΠ½ΠΎΡΡΠΈ. Π‘Π°ΠΌ ΠΎΠ±Ρ
ΠΎΠ΄ΡΠΈΠΊ ΠΏΡΠ΅Π΄ΡΡΠ°Π²Π»ΡΠ΅Ρ ΡΠΎΠ±ΠΎΠΉ ΠΈΠΌΠΈΡΠΈΡΡΡΡΠ΅Π΅ ΠΊΠ»ΡΡ ΡΡΡΡΠΎΠΉΡΡΠ²ΠΎ, ΠΊΠΎΡΠΎΡΠΎΠ΅ ΠΏΠΎΠΌΠΎΠΆΠ΅Ρ Π² ΡΠ»ΡΡΠ°Π΅, Π΅ΡΠ»ΠΈ ΠΈΠΌΠΌΠΎΠ±ΠΈΠ»Π°ΠΉΠ·Π΅Ρ Π·Π°Π±Π»ΠΎΠΊΠΈΡΠΎΠ²Π°Π» Π·Π°ΠΏΡΡΠΊ Π΄Π²ΠΈΠ³Π°ΡΠ΅Π»Ρ.
Π§ΡΠΎ Π΄Π΅Π»Π°ΡΡ Π΄Π»Ρ ΡΠ΅Π°Π»ΠΈΠ·Π°ΡΠΈΠΈ ΡΡΠΎΠ³ΠΎ ΠΌΠ΅ΡΠΎΠ΄Π°? ΠΠΎΡΡΠ°ΡΠΎΡΠ½ΠΎ ΡΡΡΠ°Π½ΠΎΠ²ΠΈΡΡ Π² ΡΠ°Π»ΠΎΠ½Π΅ ΡΡΠ°Π½ΡΠΏΠΎΠ½Π΄Π΅Ρ Ρ ΠΈΠΌΠΈΡΠ°ΡΠΈΠ΅ΠΉ ΠΊΠ»ΡΡΠ°. ΠΡΠΎ ΠΈ Π΅ΡΡΡ ΠΎΠ±Ρ
ΠΎΠ΄ΡΠΈΠΊ, ΠΊΠΎΡΠΎΡΡΠΉ ΡΠ°ΠΊΠΆΠ΅ Π²ΠΊΠ»ΡΡΠ°Π΅Ρ Π² ΡΠ΅Π±Ρ Π°Π½ΡΠ΅Π½Π½Ρ ΠΈ ΡΠ΅Π»Π΅ ΡΠΏΡΠ°Π²Π»Π΅Π½ΠΈΡ. ΠΠ½ΠΎΠ³Π΄Π° ΡΡΠ΅Π±ΡΠ΅ΡΡΡ ΠΈ ΡΡΡΠ°Π½ΠΎΠ²ΠΊΠ° Π΄ΠΎΠΏΠΎΠ»Π½ΠΈΡΠ΅Π»ΡΠ½ΠΎΠΉ Π²Π½Π΅ΡΠ½Π΅ΠΉ Π°Π½ΡΠ΅Π½Π½Ρ, ΠΏΠΎΠ²ΡΡΠ°ΡΡΠ΅ΠΉ ΡΡΡΠ΅ΠΊΡΠΈΠ²Π½ΠΎΡΡΡ ΠΏΡΠΈΠ΅ΠΌΠ° ΡΠΈΠ³Π½Π°Π»Π° ΡΡΠ°Π½ΡΠΏΠΎΠ½Π΄Π΅ΡΠΎΠΌ. ΠΡΠΈ ΡΡΠΎΠΌ ΡΠ°ΠΌ ΠΎΠ±Ρ
ΠΎΠ΄ΡΠΈΠΊ ΡΠ΅ΠΊΠΎΠΌΠ΅Π½Π΄ΡΠ΅ΡΡΡ ΡΠ°ΡΠΏΠΎΠ»Π°Π³Π°ΡΡ ΠΊΠ°ΠΊ ΠΌΠΎΠΆΠ½ΠΎ Π±Π»ΠΈΠΆΠ΅ ΠΊ ΠΌΠΎΠ΄ΡΠ»Ρ ΠΈΠΌΠΌΠΎΠ±ΠΈΠ»Π°ΠΉΠ·Π΅ΡΠ°.
ΠΠ±Ρ ΠΎΠ΄ΡΠΈΠΊΠΈ Π΄Π»Ρ ΡΠΈΡΡΠ΅ΠΌ VATS
Π’Π°ΠΊΠΈΠ΅ ΡΡΡΡΠΎΠΉΡΡΠ²Π° ΡΠ°Π±ΠΎΡΠ°ΡΡ Π½Π° ΡΠ»Π΅ΠΊΡΡΠΎΡΠ΅Ρ
Π½ΠΈΡΠ΅ΡΠΊΠΎΠΉ ΡΡ
Π΅ΠΌΠ΅, Π² ΠΊΠΎΡΠΎΡΠΎΠΉ ΡΠΈΠ³Π½Π°Π» ΠΎΠΏΡΠ΅Π΄Π΅Π»ΡΠ΅ΡΡΡ ΠΏΠΎ ΡΡΠΎΠ²Π½Ρ ΡΠΎΠΏΡΠΎΡΠΈΠ²Π»Π΅Π½ΠΈΡ Π² ΡΠ΅ΠΏΠΈ. ΠΠ»Ρ ΡΡΠΎΠ³ΠΎ ΠΊΠ»ΡΡ Π·Π°ΠΆΠΈΠ³Π°Π½ΠΈΡ ΡΠ½Π°Π±ΠΆΠ°Π΅ΡΡΡ ΡΠ΅Π·ΠΈΡΡΠΎΡΠΎΠΌ, ΠΏΠΎΠ΄ΠΊΠ»ΡΡΠ°Π΅ΠΌΡΠΌ ΠΊ Π΄Π΅ΠΊΠΎΠ΄Π΅ΡΡ. ΠΠ°ΠΊ ΠΎΠ±ΠΎΠΉΡΠΈ ΠΈΠΌΠΌΠΎΠ±ΠΈΠ»Π°ΠΉΠ·Π΅Ρ ΡΠ°ΠΊΠΎΠ³ΠΎ ΡΠΈΠΏΠ°? Π ΡΠ°Π±ΠΎΡΠ΅ Ρ ΡΠΈΡΡΠ΅ΠΌΠΎΠΉ VATS ΠΏΠΎΡΡΠ΅Π±ΡΠ΅ΡΡΡ Π»ΠΈΡΡ Π²Π²Π΅ΡΡΠΈ Π² Π±Π»ΠΎΠΊΠΈΡΡΡΡΡΡ ΡΠ΅ΠΏΡ ΡΠ΅Π·ΠΈΡΡΠΎΡ, ΠΊΠΎΡΠΎΡΡΠΉ ΠΎΡΠΊΡΡΠ²Π°Π΅Ρ Π΄ΠΎΡΡΡΠΏ ΠΊ Π΄Π²ΠΈΠ³Π°ΡΠ΅Π»Ρ. ΠΠ°ΠΆΠ½ΠΎ ΠΈΠΌΠ΅ΡΡ Π² Π²ΠΈΠ΄Ρ, ΡΡΠΎ Π² ΡΡΠΎΠΉ ΡΠΈΡΡΠ΅ΠΌΠ΅ Π±Π»ΠΎΠΊΠΈΡΡΠ΅ΡΡΡ Π½Π΅ Π΄Π²ΠΈΠΆΠΎΠΊ, Π° ΠΊΠΎΠ½ΠΊΡΠ΅ΡΠ½ΠΎ ΡΠΎΠΏΠ»ΠΈΠ²Π½Π°Ρ ΡΠΈΡΡΠ΅ΠΌΠ° ΠΈ ΡΠ»Π΅ΠΊΡΡΠΈΡΠ΅ΡΠΊΠ°Ρ ΡΠ΅ΠΏΡ. Π Π΅Π·ΠΈΡΡΠΎΡ Π΄ΠΎΠ»ΠΆΠ΅Π½ ΡΠΎΠΎΡΠ²Π΅ΡΡΡΠ²ΠΎΠ²Π°ΡΡ ΠΏΠ°ΡΠ°ΠΌΠ΅ΡΡΠ°ΠΌ Π°Π½Π°Π»ΠΎΠ³Π°, Π·Π°ΠΊΠ»ΡΡΠ΅Π½Π½ΠΎΠ³ΠΎ Π² ΠΊΠ»ΡΡΠ΅ Π·Π°ΠΆΠΈΠ³Π°Π½ΠΈΡ. ΠΠ»Π°Π²Π½ΠΎΠ΅, ΡΡΠΎΠ±Ρ ΡΠΎΠΏΡΠΎΡΠΈΠ²Π»Π΅Π½ΠΈΠ΅ ΠΈΠΌΠ΅Π»ΠΎ ΡΠ°ΠΊΠΎΠ΅ ΠΆΠ΅ Π·Π½Π°ΡΠ΅Π½ΠΈΠ΅ Ρ ΠΏΠΎΠ³ΡΠ΅ΡΠ½ΠΎΡΡΡΡ Π½Π΅ Π²ΡΡΠ΅ 5%.
ΠΠ°ΠΊ ΡΠ΄Π΅Π»Π°ΡΡ ΠΎΠ±Ρ ΠΎΠ΄ΡΠΈΠΊ ΡΠ°ΠΌΠΎΠΌΡ?
ΠΡΠΈΠ½ΡΠΈΠΏ ΡΠ°Π±ΠΎΡΡ Π»ΡΠ±ΠΎΠ³ΠΎ ΠΎΠ±Ρ ΠΎΠ΄ΡΠΈΠΊΠ° ΠΈΠΌΠΌΠΎΠ±ΠΈΠ»Π°ΠΉΠ·Π΅ΡΠ° ΠΎΡΠ½ΠΎΠ²ΡΠ²Π°Π΅ΡΡΡ Π½Π° ΠΈΠΌΠΈΡΠ°ΡΠΈΠΈ ΡΠΈΠ³Π½Π°Π»Π°, ΠΊΠΎΡΠΎΡΡΠΉ ΡΡΠ΅Π±ΡΠ΅ΡΡΡ Π΄Π»Ρ ΡΠ°Π·Π±Π»ΠΎΠΊΠΈΡΠΎΠ²ΠΊΠΈ. Π‘ΠΈΡΡΠ΅ΠΌΠ° Π΄ΠΎΠ»ΠΆΠ½Π° ΡΡΠ°Π±Π°ΡΡΠ²Π°ΡΡ Π°Π²ΡΠΎΠΌΠ°ΡΠΈΡΠ΅ΡΠΊΠΈ ΠΈΠ»ΠΈ ΠΏΠΎ ΡΠΌΠΎΠ»ΡΠ°Π½ΠΈΡ ΠΎΡΠΊΠ»ΡΡΠ°ΡΡΡΡ ΡΠΎΠ»ΡΠΊΠΎ Π² ΠΌΠΎΠΌΠ΅Π½ΡΡ, ΠΊΠΎΠ³Π΄Π° Π±Π»ΠΎΠΊ ΠΌΠΎΠ΄ΡΠ»Ρ Π΄ΠΎΠ»ΠΆΠ΅Π½ Π±ΡΡΡ Π°ΠΊΡΠΈΠ²Π΅Π½. ΠΠ°ΠΊ ΠΆΠ΅ ΡΠ°Π·Π±Π»ΠΎΠΊΠΈΡΠΎΠ²Π°ΡΡ ΠΈΠΌΠΌΠΎΠ±ΠΈΠ»Π°ΠΉΠ·Π΅Ρ ΡΠ°ΠΌΠΎΡΡΠΎΡΡΠ΅Π»ΡΠ½ΠΎ Π±Π΅Π· ΡΠΏΠ΅ΡΠΈΠ°Π»ΡΠ½ΡΡ ΡΡΡΡΠΎΠΉΡΡΠ²? Π‘Π²ΠΎΠΈΠΌΠΈ ΡΡΠΊΠ°ΠΌΠΈ ΠΌΠΎΠΆΠ½ΠΎ ΡΠ΄Π΅Π»Π°ΡΡ ΠΎΠ±Ρ ΠΎΠ΄ΡΠΈΠΊ ΠΈΠ· ΠΊΠΎΠΌΠΏΠ»Π΅ΠΊΡΠ½ΠΎΠΉ ΠΌΠ΅ΡΠΊΠΈ, Π²ΡΠΎΡΠΎΠ³ΠΎ ΠΊΠ»ΡΡΠ°, ΠΏΡΠΎΠ²ΠΎΠ»ΠΎΠΊΠΈ ΠΈ ΡΠ΅Π»Π΅ ΡΠΏΡΠ°Π²Π»Π΅Π½ΠΈΡ. Π‘ ΠΏΠΎΠΌΠΎΡΡΡ ΠΏΡΠΎΠ²ΠΎΠ»ΠΎΠΊΠΈ ΡΠΎΠ·Π΄Π°Π΅ΡΡΡ ΡΠ»Π΅ΠΊΡΡΠΎΠΌΠ°Π³Π½ΠΈΡΠ½Π°Ρ ΠΊΠ°ΡΡΡΠΊΠ°, ΠΎΡΠΊΡΡΠ²Π°ΡΡΠ°Ρ Π΄ΠΎΡΡΡΠΏ ΠΊ Π±ΠΎΡΡΠΎΠ²ΠΎΠΉ ΡΠ΅ΡΠΈ. Π ΡΠ²ΠΎΡ ΠΎΡΠ΅ΡΠ΅Π΄Ρ, ΠΌΠ΅ΡΠΊΠ° Ρ ΠΊΠ»ΡΡΠΎΠΌ ΠΈΡΠΏΠΎΠ»Π½ΡΡ ΡΠΎΠ»Ρ ΡΠ΅Ρ ΡΠ°ΠΌΡΡ ΠΈΠΌΠΈΡΠ°ΡΠΎΡΠΎΠ² ΡΠΈΠ³Π½Π°Π»ΠΎΠ², ΠΊΠΎΡΠΎΡΡΠ΅ ΡΡΠ΅Π±ΡΡΡΡΡ Π΄Π»Ρ ΡΠ°Π·Π±Π»ΠΎΠΊΠΈΡΠΎΠ²ΠΊΠΈ. Π§ΡΠΎ ΠΊΠ°ΡΠ°Π΅ΡΡΡ ΡΠ΅Π»Π΅ ΡΠΏΡΠ°Π²Π»Π΅Π½ΠΈΡ, ΡΠΎ ΠΎΠ½ΠΎ ΠΎΠΏΡΠ΅Π΄Π΅Π»ΠΈΡ Π²ΡΠ΅ΠΌΠ΅Π½Π½ΡΠ΅ ΠΈΠ½ΡΠ΅ΡΠ²Π°Π»Ρ Π΄Π»Ρ Π°Π²ΡΠΎΠΌΠ°ΡΠΈΡΠ΅ΡΠΊΠΎΠΉ ΡΠ°Π·Π±Π»ΠΎΠΊΠΈΡΠΎΠ²ΠΊΠΈ Π² Π½ΡΠΆΠ½ΡΠ΅ ΠΌΠΎΠΌΠ΅Π½ΡΡ.
Π§ΡΠΎ Π΄Π΅Π»Π°ΡΡ, Π΅ΡΠ»ΠΈ ΠΈΠΌΠΌΠΎΠ±ΠΈΠ»Π°ΠΉΠ·Π΅Ρ Π½Π΅ Π²ΠΈΠ΄ΠΈΡ ΠΊΠ»ΡΡ?
Π’ΠΎΠΆΠ΅ ΡΠ°ΡΠΏΡΠΎΡΡΡΠ°Π½Π΅Π½Π½Π°Ρ ΠΏΡΠΎΠ±Π»Π΅ΠΌΠ°, ΠΊΠΎΡΠΎΡΠ°Ρ ΠΌΠΎΠΆΠ΅Ρ Π±ΡΡΡ Π²ΠΎΠ²ΡΠ΅ Π½Π΅ ΡΠ²ΡΠ·Π°Π½Π° Ρ ΡΡΠ½ΠΊΡΠΈΠ΅ΠΉ ΠΈΠΌΠΌΠΎΠ±ΠΈΠ»Π°ΠΉΠ·Π΅ΡΠ°. Π’ΠΎ Π΅ΡΡΡ ΡΡΠΎ Π½Π΅ ΠΏΡΠΎΠ³ΡΠ°ΠΌΠΌΠ½Π°Ρ ΠΎΡΠΈΠ±ΠΊΠ°, Π° ΡΠ΅Ρ
Π½ΠΈΡΠ΅ΡΠΊΠ°Ρ ΠΈΠ»ΠΈ ΠΊΠΎΠ½ΡΡΡΡΠΊΡΠΈΠΎΠ½Π½Π°Ρ.
Π£ΡΡΡΠΎΠΉΡΡΠ²ΠΎ ΠΏΡΠΎΡΡΠΎ Π½Π΅ ΠΎΠ±Π½Π°ΡΡΠΆΠΈΠ²Π°Π΅Ρ Π½ΡΠΆΠ½ΡΠΉ ΡΠΈΠ³Π½Π°Π» Π² ΠΏΡΠΎΡΠ΅ΡΡΠ΅ ΡΡΠΈΡΡΠ²Π°Π½ΠΈΡ ΠΈΠ½ΡΠΎΡΠΌΠ°ΡΠΈΠΈ Ρ ΡΠΈΠΏΠ° ΠΊΠ»ΡΡΠ°, ΠΏΠΎΡΡΠΎΠΌΡ ΠΈΠΌΠΌΠΎΠ±ΠΈΠ»Π°ΠΉΠ·Π΅Ρ ΠΈ Π·Π°Π±Π»ΠΎΠΊΠΈΡΠΎΠ²Π°Π» Π·Π°ΠΏΡΡΠΊ Π΄Π²ΠΈΠ³Π°ΡΠ΅Π»Ρ. Π§ΡΠΎ Π΄Π΅Π»Π°ΡΡ Π² ΡΡΠΎΠΉ ΡΠΈΡΡΠ°ΡΠΈΠΈ? Π‘Π½Π°ΡΠ°Π»Π° ΠΏΡΠΎΠ²Π΅ΡΡΠ΅ΡΡΡ ΡΠ°Π±ΠΎΡΠ° ΡΡΡΡΠΎΠΉΡΡΠ²Π° ΠΏΡΠΈ ΠΏΠΎΠΏΡΡΠΊΠ΅ Π°ΠΊΡΠΈΠ²Π°ΡΠΈΠΈ Π²ΡΠΎΡΡΠΌ ΠΊΠ»ΡΡΠΎΠΌ. ΠΡΠ»ΠΈ ΡΡΠΎΡ ΡΠΏΠΎΡΠΎΠ± Π½Π΅ ΡΡΠ°Π±Π°ΡΡΠ²Π°Π΅Ρ, ΡΠ»Π΅Π΄ΡΠ΅Ρ ΠΏΡΠΎΠ²Π΅ΡΠΈΡΡ ΠΊΠ°ΡΠ΅ΡΡΠ²ΠΎ ΡΠ°Π±ΠΎΡΡ Π²Π½Π΅ΡΠ½Π΅ΠΉ Π°Π½ΡΠ΅Π½Π½Ρ. ΠΠΎΠ·ΠΌΠΎΠΆΠ½ΠΎ, Π½Π΅ Ρ
Π²Π°ΡΠ°Π΅Ρ ΠΌΠΎΡΠ½ΠΎΡΡΠΈ ΠΏΡΠΈ ΠΏΠ΅ΡΠ΅Π΄Π°ΡΠ΅ ΡΠΈΠ³Π½Π°Π»Π°. ΠΡΠ°ΠΉΠ½ΠΈΠΉ ΠΆΠ΅ Π²ΡΡ
ΠΎΠ΄ ΠΈΠ· ΠΏΠΎΠ»ΠΎΠΆΠ΅Π½ΠΈΡ ΠΏΡΠ΅Π΄ΡΡΠΌΠ°ΡΡΠΈΠ²Π°Π΅Ρ ΠΏΠ΅ΡΠ΅ΠΏΡΠΎΡΠΈΠ²ΠΊΡ ΠΌΠΎΠ΄ΡΠ»Ρ ΠΈΠΌΠΌΠΎΠ±ΠΈΠ»Π°ΠΉΠ·Π΅ΡΠ°, ΠΊΠΎΡΠΎΡΡΡ Π΄Π΅Π»Π°ΡΡ ΡΠΏΠ΅ΡΠΈΠ°Π»ΠΈΡΡΡ ΠΏΠΎΡΠ»Π΅ ΡΡΠ°ΡΠ΅Π»ΡΠ½ΠΎΠΉ Π΄ΠΈΠ°Π³Π½ΠΎΡΡΠΈΠΊΠΈ.
ΠΠΎΠΌΠΎΠΆΠ΅Ρ Π»ΠΈ Π°Π²Π°ΡΠΈΠΉΠ½Π°Ρ ΠΊΠ½ΠΎΠΏΠΊΠ°?
ΠΠ²Π°ΡΠΈΠΉΠ½Π°Ρ ΠΈΠ»ΠΈ ΡΠ΅ΡΠ²ΠΈΡΠ½Π°Ρ ΠΊΠ½ΠΎΠΏΠΊΠ° Π½Π°ΠΏΡΡΠΌΡΡ Π΄ΠΎΠ»ΠΆΠ½Π° ΠΎΡΠΊΡΡΠ²Π°ΡΡ Π΄ΠΎΡΡΡΠΏ ΠΊ ΡΠΈΠ»ΠΎΠ²ΠΎΠΌΡ Π°Π³ΡΠ΅Π³Π°ΡΡ. ΠΠ½Π° ΠΆΠ΅ ΠΏΠΎΠ·Π²ΠΎΠ»ΡΠ΅Ρ ΡΠΏΡΠ°Π²Π»ΡΡΡ ΡΠ΅Π½ΡΡΠ°Π»ΡΠ½ΡΠΌ Π·Π°ΠΌΠΊΠΎΠΌ. ΠΠ»Ρ Π΄ΠΎΡΡΡΠΏΠ° ΠΏΠΎΡΡΠ΅Π±ΡΠ΅ΡΡΡ Π²Π²Π΅ΡΡΠΈ ΡΠΏΠ΅ΡΠΈΠ°Π»ΡΠ½ΡΠΉ Π°Π²Π°ΡΠΈΠΉΠ½ΡΠΉ ΠΊΠΎΠ΄, Π΄Π°Π»Π΅Π΅ Π²ΠΊΠ»ΡΡΠΈΡΡ Π·Π°ΠΆΠΈΠ³Π°Π½ΠΈΠ΅ ΠΈ Π½Π°ΠΆΠ°ΡΡ ΠΊΠ½ΠΎΠΏΠΊΡ ΡΠΏΡΠ°Π²Π»Π΅Π½ΠΈΡ Π·Π°ΠΌΠΊΠΎΠΌ. ΠΠΎ ΡΡΠΎΠ³ΠΎ ΠΌΠΎΠΆΠ΅Ρ Π±ΡΡΡ ΠΌΠ°Π»ΠΎ Π΄Π»Ρ ΠΎΠ±Π΅ΡΠΏΠ΅ΡΠ΅Π½ΠΈΡ Π΄ΠΎΡΡΡΠΏΠ° ΠΊ ΡΠΈΠ»ΠΎΠ²ΠΎΠΌΡ Π°Π³ΡΠ΅Π³Π°ΡΡ. ΠΠ°ΠΊ ΠΎΠ±ΠΎΠΉΡΠΈ ΠΈΠΌΠΌΠΎΠ±ΠΈΠ»Π°ΠΉΠ·Π΅Ρ Π² ΠΊΠΎΠ½ΠΊΡΠ΅ΡΠ½ΠΎΠΉ ΡΠΈΡΡΠ΅ΠΌΠ΅? ΠΡΠΎ Π±ΡΠ΄Π΅Ρ Π·Π°Π²ΠΈΡΠ΅ΡΡ ΠΎΡ ΠΊΠΎΠ½ΡΠΈΠ³ΡΡΠ°ΡΠΈΠΈ Π²Π·Π°ΠΈΠΌΠΎΠ΄Π΅ΠΉΡΡΠ²ΠΈΡ ΡΡΡΡΠΎΠΉΡΡΠ²Π° Ρ ΠΏΠΎΠ»ΡΠ·ΠΎΠ²Π°ΡΠ΅Π»Π΅ΠΌ.
ΠΡ Π½Π΅Π³ΠΎ ΠΏΠΎΡΡΠ΅Π±ΡΠ΅ΡΡΡ Π²ΠΎΠ²ΡΠ΅ΠΌΡ Π½Π°ΠΆΠ°ΡΡ Π½Π° ΠΊΠ½ΠΎΠΏΠΊΡ ΠΈ ΡΠ΄Π΅ΡΠΆΠΈΠ²Π°ΡΡ Π΅Π΅ Π² ΠΎΠΏΡΠ΅Π΄Π΅Π»Π΅Π½Π½ΡΠ΅ Π²ΡΠ΅ΠΌΠ΅Π½Π½ΡΠ΅ ΠΈΠ½ΡΠ΅ΡΠ²Π°Π»Ρ. ΠΠ΄Π΅ΡΡ Π²Π°ΠΆΠ½ΠΎ ΡΡΠΈΡΡΠ²Π°ΡΡ ΠΈ ΠΊΠΎΠ»ΠΈΡΠ΅ΡΡΠ²ΠΎ ΠΌΠΈΠ³Π°Π½ΠΈΠΉ ΠΈΠ½Π΄ΠΈΠΊΠ°ΡΠΎΡΠ° ΠΊΠ½ΠΎΠΏΠΊΠΈ. ΠΠ½ΠΎ Π΄ΠΎΠ»ΠΆΠ½ΠΎ ΡΠΎΠΎΡΠ²Π΅ΡΡΡΠ²ΠΎΠ²Π°ΡΡ ΡΠΈΡΠ»Ρ ΠΊΠΎΠ΄Π°, ΠΊ ΠΏΡΠΈΠΌΠ΅ΡΡ, ΠΏΠΎ Π΄ΠΎΡΡΠΈΠΆΠ΅Π½ΠΈΠΈ ΠΊΠΎΡΠΎΡΠΎΠ³ΠΎ ΡΠ»Π΅Π΄ΡΠ΅Ρ ΠΈΠ»ΠΈ Π½Π°ΠΆΠΈΠΌΠ°ΡΡ, ΠΈΠ»ΠΈ Π²Π½ΠΎΠ²Ρ ΠΎΡΠΏΡΡΠΊΠ°ΡΡ ΠΊΠ½ΠΎΠΏΠΊΡ. ΠΠΎΡΠ»Π΅ Π·Π°Π²Π΅ΡΡΠ΅Π½ΠΈΡ ΡΠ΅Π°Π½ΡΠ° Π²Ρ
ΠΎΠ΄Π° Π±Π»ΠΎΠΊΠΈΡΠΎΠ²ΠΊΠ° Π±ΡΠ΄Π΅Ρ ΡΠ½ΡΡΠ°.
ΠΠΎΠ·ΠΌΠΎΠΆΠ½ΡΠ΅ Π½Π΅ΠΈΡΠΏΡΠ°Π²Π½ΠΎΡΡΠΈ ΡΡΡΡΠΎΠΉΡΡΠ²Π°
ΠΡΠ»ΠΈ Π² ΡΡΡΡΠΎΠΉΡΡΠ²Π΅ Π½Π΅ Π½Π°Π±Π»ΡΠ΄Π°Π΅ΡΡΡ ΠΏΡΠΎΠ³ΡΠ°ΠΌΠΌΠ½ΡΡ ΠΎΡΠΊΠ»ΠΎΠ½Π΅Π½ΠΈΠΉ ΠΎΡ Π½ΠΎΡΠΌΠ°Π»ΡΠ½ΠΎΠ³ΠΎ ΡΠ΅ΠΆΠΈΠΌΠ° ΡΠ°Π±ΠΎΡΡ ΡΠΎΠ²ΠΌΠ΅ΡΡΠ½ΠΎ Ρ ΡΠΈΠ³Π½Π°Π»ΠΈΠ·Π°ΡΠΈΠΎΠ½Π½ΡΠΌ Π°Π²ΡΠΎΠ·Π°ΠΏΡΡΠΊΠΎΠΌ, ΡΠΎ Π±Π΅ΡΠΊΠΎΠ½ΡΡΠΎΠ»ΡΠ½Π°Ρ Π±Π»ΠΎΠΊΠΈΡΠΎΠ²ΠΊΠ° ΠΌΠΎΠΆΠ΅Ρ ΡΠ²ΠΈΠ΄Π΅ΡΠ΅Π»ΡΡΡΠ²ΠΎΠ²Π°ΡΡ ΠΎ Π½Π°Π»ΠΈΡΠΈΠΈ Π½Π΅ΠΈΡΠΏΡΠ°Π²Π½ΠΎΡΡΠΈ ΠΈΠΌΠΌΠΎΠ±ΠΈΠ»Π°ΠΉΠ·Π΅ΡΠ° ΠΈΠ»ΠΈ ΡΠΌΠ΅ΠΆΠ½ΡΡ Ρ Π½ΠΈΠΌ ΠΏΡΠΈΠ±ΠΎΡΠΎΠ². Π ΠΏΠ΅ΡΠ²ΡΡ ΠΎΡΠ΅ΡΠ΅Π΄Ρ ΠΏΡΠΎΠ²Π΅ΡΡΠ΅ΡΡΡ Π½Π°ΡΠΈΠ½ΠΊΠ° ΠΌΠΎΠ΄ΡΠ»Ρ, Π΅Π³ΠΎ ΡΠ»Π΅ΠΊΡΡΠΎΡΠ΅Ρ Π½ΠΈΡΠ΅ΡΠΊΠΈΠ΅ ΠΊΠΎΠ½ΡΠ°ΠΊΡΡ, ΠΊΠ°ΡΠ΅ΡΡΠ²ΠΎ ΡΠ°Π±ΠΎΡΡ ΡΡΠΈΡΡΠ²Π°ΡΡΠ΅Π³ΠΎ ΡΡΡΡΠΎΠΉΡΡΠ²Π° ΠΈ ΠΏΠΎΠ»ΠΎΠΆΠ΅Π½ΠΈΠ΅ ΠΌΠ΅ΡΠΊΠΈ.
Π§Π°ΡΡΠΎΠΉ ΠΏΡΠΈΡΠΈΠ½ΠΎΠΉ Π½Π΅ΠΏΠΎΠ»Π°Π΄ΠΎΠΊ ΡΡΠ°Π½ΠΎΠ²ΠΈΡΡΡ ΠΈ ΡΠ³ΠΎΡΠ°Π½ΠΈΠ΅ ΠΏΡΠ΅Π΄ΠΎΡ
ΡΠ°Π½ΠΈΡΠ΅Π»Ρ. ΠΠ³ΠΎ Π½ΡΠΆΠ½ΠΎ Π±ΡΠ΄Π΅Ρ Π·Π°ΠΌΠ΅Π½ΠΈΡΡ ΠΈ ΠΏΠΎ Π²ΠΎΠ·ΠΌΠΎΠΆΠ½ΠΎΡΡΠΈ Π½Π°ΠΉΡΠΈ ΠΏΡΠΈΡΠΈΠ½Ρ ΠΏΠΎΠ»ΠΎΠΌΠΊΠΈ. ΠΠΎΠ³ΡΡ Π²ΠΎΠ·Π½ΠΈΠΊΠ°ΡΡ ΠΈ ΠΏΡΠΎΠ³ΡΠ°ΠΌΠΌΠ½ΡΠ΅ ΠΎΡΠΈΠ±ΠΊΠΈ ΠΈΠΌΠΌΠΎΠ±ΠΈΠ»Π°ΠΉΠ·Π΅ΡΠ°, ΠΏΡΠΈΠ²ΠΎΠ΄ΡΡΠΈΠ΅ ΠΊ Π΅Π³ΠΎ Π½Π΅ΠΊΠΎΡΡΠ΅ΠΊΡΠ½ΠΎΠΉ ΡΠ°Π±ΠΎΡΠ΅. ΠΠΈΠ·ΠΊΠΎΠ΅ Π½Π°ΠΏΡΡΠΆΠ΅Π½ΠΈΠ΅ Π² Π°ΠΊΠΊΡΠΌΡΠ»ΡΡΠΎΡΠ½ΠΎΠΌ Π±Π»ΠΎΠΊΠ΅ ΠΈΠ»ΠΈ Π½Π΅ΠΏΡΠ°Π²ΠΈΠ»ΡΠ½ΠΎ Π·Π°ΠΊΡΠ΅ΠΏΠ»Π΅Π½Π½ΡΠ΅ ΠΊΠ»Π΅ΠΌΠΌΡ ΡΠ°ΡΡΠΎ ΠΏΡΠΈΠ²ΠΎΠ΄ΡΡ ΠΊ Π½Π΅ΡΠ²ΠΎΠ΅Π²ΡΠ΅ΠΌΠ΅Π½Π½ΡΠΌ ΠΈΠ»ΠΈ Π½Π΅ ΡΠΎΠΎΡΠ²Π΅ΡΡΡΠ²ΡΡΡΠΈΠΌ Π½Π°ΠΏΡΠ°Π²Π»Π΅Π½Π½ΠΎΠΌΡ ΡΠΈΠ³Π½Π°Π»Ρ ΠΊΠΎΠΌΠ°Π½Π΄Π°ΠΌ.
ΠΠ±Ρ ΠΎΠ΄ ΠΈΠΌΠΌΠΎΠ±ΠΈΠ»Π°ΠΉΠ·Π΅ΡΠ° Π³Π»Π°Π·Π°ΠΌΠΈ ΡΠ³ΠΎΠ½ΡΠΈΠΊΠΎΠ²
ΠΡΠΈΠ΅Π½ΡΠΈΡΡΡ ΡΠΈΡΡΠ΅ΠΌΡ Π½Π° Π²Π·Π°ΠΈΠΌΠΎΠ΄Π΅ΠΉΡΡΠ²ΠΈΠ΅ Ρ ΠΎΠ±Ρ ΠΎΠ΄ΡΠΈΠΊΠ°ΠΌΠΈ, Π²Π°ΠΆΠ½ΠΎ ΠΏΠΎΠ½ΠΈΠΌΠ°ΡΡ, ΡΡΠΎ Π°Π½Π°Π»ΠΎΠ³ΠΈΡΠ½ΡΠΌΠΈ ΠΏΡΡΡΠΌΠΈ ΠΏΠΎΠ»ΡΠ·ΡΡΡΡΡ ΠΈ Π·Π»ΠΎΡΠΌΡΡΠ»Π΅Π½Π½ΠΈΠΊΠΈ. Π Π°Π·ΡΠΌΠ΅Π΅ΡΡΡ, ΠΎΠ½ΠΈ ΠΏΠΎΠ΄Ρ ΠΎΠ΄ΡΡ ΠΊ ΡΡΠΎΠΉ Π·Π°Π΄Π°ΡΠ΅ Ρ Π΄ΡΡΠ³ΠΈΡ ΡΡΠΎΡΠΎΠ½, Π½ΠΎ ΠΏΡΠΈΠ½ΡΠΈΠΏΡ ΠΎΡΡΠ°ΡΡΡΡ ΡΠ΅ ΠΆΠ΅. ΠΠ°ΠΈΠ±ΠΎΠ»Π΅Π΅ ΠΎΠΏΠ°ΡΠ½ΡΠΌ ΠΈ ΡΠ°ΡΠΏΡΠΎΡΡΡΠ°Π½Π΅Π½Π½ΡΠΌ ΡΡΠ΅Π΄ΡΡΠ²ΠΎΠΌ ΡΠ°ΠΊΠΎΠ³ΠΎ ΠΎΠ±Ρ ΠΎΠ΄Π° ΡΠ²Π»ΡΠ΅ΡΡΡ ΠΊΠΎΠ΄Π³ΡΠ°Π±Π±Π΅Ρ Π΄Π»Ρ ΡΠ°Π΄ΠΈΠΎΡΠΈΠ³Π½Π°Π»Π° ΠΌΠ΅ΡΠΊΠΈ ΠΈΠΌΠΌΠΎΠ±ΠΈΠ»Π°ΠΉΠ·Π΅Ρ. Π§ΡΠΎ ΡΡΠΎ ΡΠ°ΠΊΠΎΠ΅? Π ΠΌΠ°ΡΠΈΠ½Π΅ Π°Π²ΡΠΎΠ·Π°ΠΏΡΡΠΊ ΠΌΠΎΠΆΠ΅Ρ Π±ΡΡΡ Π°ΠΊΡΠΈΠ²ΠΈΡΠΎΠ²Π°Π½ Π½Π°ΠΏΡΡΠΌΡΡ, Π½ΠΎ Π΄Π»Ρ Π΄ΠΈΡΡΠ°Π½ΡΠΈΠΎΠ½Π½ΠΎΠ³ΠΎ Π²ΠΊΠ»ΡΡΠ΅Π½ΠΈΡ Π΄Π²ΠΈΠ³Π°ΡΠ΅Π»Ρ Π°Π²ΡΠΎΠ²Π»Π°Π΄Π΅Π»ΡΡΡ Π½Π΅ΡΠ΅Π΄ΠΊΠΎ ΠΈΡΠΏΠΎΠ»ΡΠ·ΡΡΡ ΡΠ°Π΄ΠΈΠΎΠΌΠ΅ΡΠΊΠΈ Π² ΠΎΠ΄Π½ΠΎΠΉ ΡΠ²ΡΠ·ΠΊΠ΅ Ρ ΠΊΠ»ΡΡΠ°ΠΌΠΈ ΠΈ Π±ΡΠ΅Π»ΠΎΠΊΠΎΠΌ. Π ΡΡΠΎΡ ΠΌΠΎΠΌΠ΅Π½Ρ Π·Π»ΠΎΡΠΌΡΡΠ»Π΅Π½Π½ΠΈΠΊ ΠΏΠΎΡΡΠ΅Π΄ΡΡΠ²ΠΎΠΌ ΡΠΏΠ΅ΡΠΈΠ°Π»ΡΠ½ΡΡ ΡΠ΅Π½ΡΠΎΡΠΎΠ² ΠΌΠΎΠΆΠ΅Ρ Β«ΡΠΊΠ°Π½ΠΈΡΠΎΠ²Π°ΡΡΒ» ΡΠΈΠΏ ΠΈ Π·Π°ΡΠΈΠΊΡΠΈΡΠΎΠ²Π°ΡΡ ΠΊΠΎΠ΄ΠΎΠ²ΡΠΉ ΡΠΈΠ³Π½Π°Π». Π Π΄Π°Π»ΡΠ½Π΅ΠΉΡΠ΅ΠΌ ΠΎΠ½ ΠΏΠ΅ΡΠ΅Π½ΠΎΡΠΈΡ Π΅Π³ΠΎ Π½Π° ΡΠ°ΠΊ Π½Π°Π·ΡΠ²Π°Π΅ΠΌΡΠ΅ Π±ΠΎΠ»Π²Π°Π½ΠΊΠΈ Π½Π°ΠΏΠΎΠ΄ΠΎΠ±ΠΈΠ΅ ΡΡΠ°Π½ΡΠΏΠΎΠ½Π΄Π΅ΡΠΎΠ², ΠΊΠΎΡΠΎΡΡΠ΅ ΠΏΠΎΠ·Π²ΠΎΠ»ΡΡΡ ΠΎΡΡΡΠ΅ΡΡΠ²Π»ΡΡΡ Π½Π΅ ΡΠΎΠ»ΡΠΊΠΎ Π΄ΠΎΡΡΡΠΏ Π² ΡΠ°Π»ΠΎΠ½, Π½ΠΎ ΠΈ Π·Π°ΠΏΡΡΠΊ Π΄Π²ΠΈΠ³Π°ΡΠ΅Π»Ρ.
ΠΠ°ΠΊΠ»ΡΡΠ΅Π½ΠΈΠ΅
ΠΠ°Π»ΠΎΠ±Ρ Π½Π° ΠΊΠ°ΡΠ΅ΡΡΠ²ΠΎ ΡΠ°Π±ΠΎΡΡ ΠΈΠΌΠΌΠΎΠ±ΠΈΠ»Π°ΠΉΠ·Π΅ΡΠΎΠ² ΠΌΠΎΠΆΠ½ΠΎ ΠΏΠΎΡΡΠ°Π²ΠΈΡΡ Π½Π° ΠΏΠ΅ΡΠ²ΠΎΠ΅ ΠΌΠ΅ΡΡΠΎ Π² ΡΠ΅ΠΉΡΠΈΠ½Π³Π΅ ΡΠ°ΠΌΡΡ
ΠΎΡΡΡΡΡ
ΡΠΊΡΠΏΠ»ΡΠ°ΡΠ°ΡΠΈΠΎΠ½Π½ΡΡ
ΠΏΡΠΎΠ±Π»Π΅ΠΌ ΡΠΎΠ²ΡΠ΅ΠΌΠ΅Π½Π½ΡΡ
ΡΠΈΠ³Π½Π°Π»ΠΈΠ·Π°ΡΠΈΠΉ.
ΠΠ°Π·Π°Π»ΠΎΡΡ Π±Ρ, ΠΌΠΎΠΆΠ΅Ρ, ΡΡΠΎΠΈΡ ΠΎΡΠΊΠ°Π·Π°ΡΡΡΡ ΠΎΡ ΡΡΠΎΠ³ΠΎ ΡΡΡΡΠΎΠΉΡΡΠ²Π°? ΠΠΎ ΠΈΠΌΠ΅Π½Π½ΠΎ ΠΊΡΠΈΡΠΈΠΊΠ° ΠΌΠΎΠ΄ΡΠ»Ρ ΡΠ²ΠΈΠ΄Π΅ΡΠ΅Π»ΡΡΡΠ²ΡΠ΅Ρ ΠΎ ΡΠΎΠΌ, ΡΡΠΎ ΠΎΠ½ Π΄Π΅ΠΉΡΡΠ²ΠΈΡΠ΅Π»ΡΠ½ΠΎ ΠΏΠΎΠ»Π΅Π·Π΅Π½. ΠΠ»Ρ ΠΏΠΎΠ½ΠΈΠΌΠ°Π½ΠΈΡ Π΅Π³ΠΎ ΠΏΠ»ΡΡΠΎΠ² ΡΡΠΎΠΈΡ Π²Π½ΠΎΠ²Ρ ΡΠ°ΡΡΠΌΠΎΡΡΠ΅ΡΡ, ΠΊΠ°ΠΊ ΡΠ°Π±ΠΎΡΠ°Π΅Ρ ΠΈΠΌΠΌΠΎΠ±ΠΈΠ»Π°ΠΉΠ·Π΅Ρ Π² ΠΊΠΎΠ½ΡΠ΅ΠΊΡΡΠ΅ ΠΎΡ
ΡΠ°Π½Π½ΠΎΠΉ ΡΠΈΡΡΠ΅ΠΌΡ. ΠΠ³ΠΎ ΠΌΠΎΠΆΠ½ΠΎ ΡΡΠ°Π²Π½ΠΈΡΡ Ρ ΠΌΠ΅Ρ
Π°Π½ΠΈΠ·ΠΌΠΎΠΌ ΠΎΠ±ΡΡΠ½ΠΎΠ³ΠΎ Π·Π°ΠΌΠΊΠ°, ΠΊΠΎΡΠΎΡΡΠΉ ΠΎΡΠΊΡΡΠ²Π°Π΅ΡΡΡ ΡΠΎΠ»ΡΠΊΠΎ ΠΏΡΠΈ ΠΈΡΠΏΠΎΠ»ΡΠ·ΠΎΠ²Π°Π½ΠΈΠΈ ΠΏΠΎΠ΄Ρ
ΠΎΠ΄ΡΡΠ΅Π³ΠΎ ΠΊΠ»ΡΡΠ°. ΠΡΠΈΠ½ΡΠΈΠΏΠΈΠ°Π»ΡΠ½ΠΎΠ΅ ΠΎΡΠ»ΠΈΡΠΈΠ΅ Π·Π°ΠΊΠ»ΡΡΠ°Π΅ΡΡΡ Π»ΠΈΡΡ Π² ΡΠΎΠΌ, ΡΡΠΎ ΠΊΡΠΎΠΌΠ΅ ΠΎΠ±ΡΡΠ½ΠΎΠ³ΠΎ ΡΡΠ°ΡΠ½ΠΎΠ³ΠΎ ΠΊΠ»ΡΡΠ° Π΄Π»Ρ ΡΠ΄ΠΎΠ±ΡΡΠ²Π° ΠΏΠΎΠ»ΡΠ·ΠΎΠ²Π°ΡΠ΅Π»Π΅ΠΉ ΠΏΡΠ΅Π΄ΡΡΠΌΠ°ΡΡΠΈΠ²Π°ΡΡΡΡ ΠΈ Π°Π»ΡΡΠ΅ΡΠ½Π°ΡΠΈΠ²Π½ΡΠ΅ Π²Π°ΡΠΈΠ°Π½ΡΡ Π΄ΠΎΡΡΡΠΏΠ°. Π ΠΊΠ°ΠΊ ΡΠ°Π· Π² Β«ΠΎΠ±ΡΡΠ΅Π½ΠΈΠΈΒ» ΡΠΈΡΡΠ΅ΠΌΡ ΡΠ»Π°ΠΆΠ΅Π½Π½ΠΎΠΉ ΡΠ°Π±ΠΎΡΠ΅ Ρ Π΄ΡΡΠ³ΠΈΠΌΠΈ ΠΊΠ»ΡΡΠ°ΠΌΠΈ Π² Π²ΠΈΠ΄Π΅ ΡΠΈΠΏΠΎΠ² ΠΈ ΠΌΠ΅ΡΠΎΠΊ ΡΡΠ°Π½ΡΠΏΠΎΠ½Π΄Π΅ΡΠΎΠ² ΠΈ Π·Π°ΠΊΠ»ΡΡΠ°Π΅ΡΡΡ Π·Π°Π΄Π°ΡΠ° Π°Π²ΡΠΎΠ²Π»Π°Π΄Π΅Π»ΡΡΠ°. ΠΡΠΎ Π½Π΅ Π²ΡΠ΅Π³Π΄Π° ΠΏΡΠΎΡΡΠ°Ρ Π·Π°Π΄Π°ΡΠ°, Π½ΠΎ ΠΎΠ½Π° Π½Π΅ΠΏΡΠ΅ΠΌΠ΅Π½Π½ΠΎ ΠΏΠΎΠ²ΡΡΠΈΡ Π½Π°Π΄Π΅ΠΆΠ½ΠΎΡΡΡ ΡΠ°Π±ΠΎΡΡ ΡΠΈΠ³Π½Π°Π»ΠΈΠ·Π°ΡΠΈΠΈ. ΠΠ΅Π΄Ρ, Ρ ΠΎΠ΄Π½ΠΎΠΉ ΡΡΠΎΡΠΎΠ½Ρ, Π°Π»ΡΡΠ΅ΡΠ½Π°ΡΠΈΠ²Π½ΡΠ΅ ΡΠΏΠΎΡΠΎΠ±Ρ Π΄ΠΎΡΡΡΠΏΠ° ΠΎΠ±Π»Π΅Π³ΡΠ°ΡΡ Π²Π·Π°ΠΈΠΌΠΎΠ΄Π΅ΠΉΡΡΠ²ΠΈΠ΅ ΠΏΠΎΠ»ΡΠ·ΠΎΠ²Π°ΡΠ΅Π»Ρ Ρ ΡΠΈΡΡΠ΅ΠΌΠΎΠΉ, Π° Ρ Π΄ΡΡΠ³ΠΎΠΉ β ΡΠΎΡ
ΡΠ°Π½ΡΠ΅ΡΡΡ ΡΠΎΡ ΠΆΠ΅ ΡΡΠΎΠ²Π΅Π½Ρ Π·Π°ΡΠΈΡΠ΅Π½Π½ΠΎΡΡΠΈ.
ΠΠ»ΡΡ ΠΈ Π·Π°ΠΆΠΈΠ³Π°Π½ΠΈΠ΅ Π·Π°Π±Π»ΠΎΠΊΠΈΡΠΎΠ²Π°Π½Ρ. Π‘ΡΠ°Π±ΠΎΡΠ°Π»Π° ΠΏΡΠΎΡΠΈΠ²ΠΎΡΠ³ΠΎΠ½Π½Π°Ρ ΡΠΈΠ³Π½Π°Π»ΠΈ…
ΠΠ»ΡΡ ΠΈ Π·Π°ΠΆΠΈΠ³Π°Π½ΠΈΠ΅ Π·Π°Π±Π»ΠΎΠΊΠΈΡΠΎΠ²Π°Π½Ρ.
Π‘ΡΠ°Π±ΠΎΡΠ°Π»Π° ΠΏΡΠΎΡΠΈΠ²ΠΎΡΠ³ΠΎΠ½Π½Π°Ρ ΡΠΈΠ³Π½Π°Π»ΠΈ…ΠΠ°Π΄Π°ΠΉΡΠ΅ Π²ΠΎΠΏΡΠΎΡ, ΠΏΠΎΠ»ΡΡΠΈΡΠ΅ ΠΎΡΠ²Π΅Ρ ΠΊΠ°ΠΊ ΠΌΠΎΠΆΠ½ΠΎ ΡΠΊΠΎΡΠ΅Π΅!
β°
Γ
ΠΠΠΠ ΠΠ‘ΠΠ’Π¬ Π¦ΠΠΠ£
ΡΠΏΡΠΎΡΠΈΠ»
ΠΠ°ΠΉΠ»
Π½Π° 04 Π΄Π΅ΠΊΠ°Π±ΡΡ 2016 Π³.
Π’Π΅ΠΏΠ΅ΡΡ, ΠΊΠΎΠ³Π΄Π° Ρ ΡΠ°ΠΆΡΡΡ Π² ΠΌΠ°ΡΠΈΠ½Ρ ΠΈ Π²ΡΡ
ΠΎΠΆΡ, ΠΊΠ»ΡΡ Π² ΡΠ°ΡΠ΅ ΠΎΡΡΠ°Π΅ΡΡΡ Π²ΠΊΠ»ΡΡΠ΅Π½Π½ΡΠΌ ΠΈ Π½Π΅ ΠΌΠΈΠ³Π°Π΅Ρ ΠΡΠΎΠ±Π΅Π³ ΠΌΠΎΠ΅ΠΉ ΠΌΠ°ΡΠΈΠ½Ρ 238000 ΠΌΠΈΠ»Ρ.
Π ΠΌΠΎΠ΅ΠΉ ΠΌΠ°ΡΠΈΠ½Π΅ ΡΡΡΠ°Π½ΠΎΠ²Π»Π΅Π½Π° ββΠ°Π²ΡΠΎΠΌΠ°ΡΠΈΡΠ΅ΡΠΊΠ°Ρ ΠΊΠΎΡΠΎΠ±ΠΊΠ° ΠΏΠ΅ΡΠ΅Π΄Π°Ρ.
| ΠΠ»Π΅ΠΊΡΡΠΈΡΠ΅ΡΠΊΠΈΠ΅ ΠΊΠΎΠΌΠΏΠΎΠ½Π΅Π½ΡΡ Π½Π΅ ΡΠ°Π±ΠΎΡΠ°ΡΡ ΠΡΠΌΠΎΡΡ | $94,99 — $114,99 | ΠΠΎΠ»ΡΡΠΈΡΡ ΠΏΡΠ΅Π΄Π»ΠΎΠΆΠ΅Π½ΠΈΠ΅ |
| ΠΠ»ΠΈ Π΄Π»Ρ Π»ΡΠ±ΠΎΠ³ΠΎ Π΄ΡΡΠ³ΠΎΠ³ΠΎ Π°Π²ΡΠΎΡΠ΅ΠΌΠΎΠ½ΡΠ° | ΠΠΎΠ»ΡΡΠΈΡΡ ΠΏΡΠ΅Π΄Π»ΠΎΠΆΠ΅Π½ΠΈΠ΅ |
ΠΠ΄ΡΠ°ΡΠ΄ΠΎ Π ΡΡΠ»Π°Ρ
ΠΠ²ΡΠΎΠΌΠ΅Ρ Π°Π½ΠΈΠΊ
12 Π»Π΅Ρ ΠΎΠΏΡΡΠ°
ΠΠ΄ΡΠ°Π²ΡΡΠ²ΡΠΉΡΠ΅. ΠΠ· ΡΠΎΠ³ΠΎ, ΡΡΠΎ Π²Ρ ΠΎΠΏΠΈΡΡΠ²Π°Π΅ΡΠ΅, ΠΌΠΎΠΆΠ΅Ρ ΠΏΠΎΠΊΠ°Π·Π°ΡΡΡΡ, ΡΡΠΎ Ρ ΠΏΡΠΎΡΠΈΠ²ΠΎΡΠ³ΠΎΠ½Π½ΠΎΠΉ ΡΠΈΡΡΠ΅ΠΌΡ Π²Π°ΡΠ΅Π³ΠΎ Π°Π²ΡΠΎΠΌΠΎΠ±ΠΈΠ»Ρ ΠΌΠΎΠ³ΡΡ Π±ΡΡΡ ΠΏΡΠΎΠ±Π»Π΅ΠΌΡ. ΠΡΠ»ΠΈ ΠΈΠ½Π΄ΠΈΠΊΠ°ΡΠΎΡ ΠΏΡΠΎΠ΄ΠΎΠ»ΠΆΠ°Π΅Ρ Π³ΠΎΡΠ΅ΡΡ, ΡΡΠΎ ΠΎΠ·Π½Π°ΡΠ°Π΅Ρ, ΡΡΠΎ ΡΠΈΡΡΠ΅ΠΌΠ° Π°ΠΊΡΠΈΠ²Π½Π° ΠΈ Π±Π»ΠΎΠΊΠΈΡΡΠ΅Ρ ΡΡΠ°Π½ΡΠΏΠΎΡΡΠ½ΠΎΠ΅ ΡΡΠ΅Π΄ΡΡΠ²ΠΎ. ΠΡΠ»ΠΈ Π²Π°ΠΌ Π½ΡΠΆΠ½ΠΎ ΡΠΎΠ»ΡΠΊΠΎ Π΄Π΅Π°ΠΊΡΠΈΠ²ΠΈΡΠΎΠ²Π°ΡΡ ΡΠΈΡΡΠ΅ΠΌΡ, Π² Π±ΠΎΠ»ΡΡΠΈΠ½ΡΡΠ²Π΅ ΡΠ»ΡΡΠ°Π΅Π² Π²Ρ ΡΠΌΠΎΠΆΠ΅ΡΠ΅ ΡΠ΄Π΅Π»Π°ΡΡ ΡΡΠΎ, Π²ΡΡΠ°Π²ΠΈΠ² ΠΊΠ»ΡΡ Π² Π΄Π²Π΅ΡΡ ΡΠΎ ΡΡΠΎΡΠΎΠ½Ρ Π²ΠΎΠ΄ΠΈΡΠ΅Π»Ρ ΠΈ ΠΏΠΎΠ²Π΅ΡΠ½ΡΠ² ΠΊΠ»ΡΡ, ΡΡΠΎΠ±Ρ ΠΎΡΠΏΠ΅ΡΠ΅ΡΡ Π΅Π΅.
ΠΡΠ»ΠΈ ΡΡΠΎ Π½Π΅ Π΄Π΅Π°ΠΊΡΠΈΠ²ΠΈΡΡΠ΅Ρ ΡΠΈΡΡΠ΅ΠΌΡ, Π²ΠΎΠ·ΠΌΠΎΠΆΠ½ΠΎ, ΠΏΡΠΎΠ±Π»Π΅ΠΌΠ° Ρ ΠΏΡΠΎΡΠΈΠ²ΠΎΡΠ³ΠΎΠ½Π½ΠΎΠΉ ΡΠΈΡΡΠ΅ΠΌΠΎΠΉ, Π²ΠΎΠ·ΠΌΠΎΠΆΠ½ΠΎ, Ρ ΠΌΠΎΠ΄ΡΠ»Π΅ΠΌ ΠΈΠ»ΠΈ Π΄ΡΡΠ³ΠΈΠΌ ΠΊΠΎΠΌΠΏΠΎΠ½Π΅Π½ΡΠΎΠΌ. ΠΡΠ»ΠΈ Π²Ρ Π½Π΅ ΡΠ²Π΅ΡΠ΅Π½Ρ, Ρ Π±Ρ ΠΏΠΎΡΠ΅ΠΊΠΎΠΌΠ΅Π½Π΄ΠΎΠ²Π°Π», ΡΡΠΎΠ±Ρ ΠΊ Π²Π°ΠΌ ΠΏΡΠΈΠ΅Ρ
Π°Π» ΠΏΡΠΎΡΠ΅ΡΡΠΈΠΎΠ½Π°Π»ΡΠ½ΡΠΉ ΡΠ΅Ρ
Π½ΠΈΠΊ, Π½Π°ΠΏΡΠΈΠΌΠ΅Ρ, ΠΈΠ· YourMechanic, ΡΡΠΎΠ±Ρ ΠΎΠΏΡΠ΅Π΄Π΅Π»ΠΈΡΡ, ΡΡΠΎ ΠΌΠΎΠΆΠ΅Ρ Π±ΡΡΡ ΠΏΡΠΈΡΠΈΠ½ΠΎΠΉ Π²Π°ΡΠΈΡ
Π½Π΅ΠΈΡΠΏΡΠ°Π²Π½ΠΎΡΡΠ΅ΠΉ.
ΠΠ°ΡΠ²Π»Π΅Π½ΠΈΡ, ΠΏΡΠΈΠ²Π΅Π΄Π΅Π½Π½ΡΠ΅ Π²ΡΡΠ΅, ΠΏΡΠ΅Π΄Π½Π°Π·Π½Π°ΡΠ΅Π½Ρ ΡΠΎΠ»ΡΠΊΠΎ Π΄Π»Ρ ΠΈΠ½ΡΠΎΡΠΌΠ°ΡΠΈΠΎΠ½Π½ΡΡ ΡΠ΅Π»Π΅ΠΉ ΠΈ Π΄ΠΎΠ»ΠΆΠ½Ρ Π±ΡΡΡ ΠΏΡΠΎΠ²Π΅ΡΠ΅Π½Ρ Π½Π΅Π·Π°Π²ΠΈΡΠΈΠΌΠΎ. ΠΠΎΠΆΠ°Π»ΡΠΉΡΡΠ°, ΡΠΌΠΎΡΡΠΈΡΠ΅ Π½Π°Ρ Π£ΡΠ»ΠΎΠ²ΠΈΡ ΠΈΡΠΏΠΎΠ»ΡΠ·ΠΎΠ²Π°Π½ΠΈΡ ΠΏΠΎΠ΄ΡΠΎΠ±Π½Π΅Π΅
ΠΠΎΠ»ΡΡΠΈΡΠ΅ ΠΌΠ³Π½ΠΎΠ²Π΅Π½Π½ΡΡ ΡΠΌΠ΅ΡΡ Π΄Π»Ρ Π²Π°ΡΠ΅Π³ΠΎ Π°Π²ΡΠΎΠΌΠΎΠ±ΠΈΠ»Ρ
Π Π²Π°ΠΌ ΠΏΡΠΈΠ΅Π΄ΡΡ Π½Π°ΡΠΈ ΡΠ΅ΡΡΠΈΡΠΈΡΠΈΡΠΎΠ²Π°Π½Π½ΡΠ΅ ΠΌΠ΅Ρ Π°Π½ΠΈΠΊΠΈ γ»ΠΠ°ΡΠ°Π½ΡΠΈΡ Π½Π° 12 ΠΌΠ΅ΡΡΡΠ΅Π² ΠΈ ΠΏΡΠΎΠ±Π΅Π³ 12 000 ΠΌΠΈΠ»Ργ»Π‘ΠΏΡΠ°Π²Π΅Π΄Π»ΠΈΠ²ΡΠ΅ ΠΈ ΠΏΡΠΎΠ·ΡΠ°ΡΠ½ΡΠ΅ ΡΠ΅Π½Ρ
Π£Π·Π½Π°ΡΡ ΡΠ΅Π½Ρ
ΠΠ΅Ρ Π°Π½ΠΈΠΊ ΡΠΎ ΡΡΠ°ΠΆΠ΅ΠΌ?
ΠΠ°ΡΠ°Π±Π°ΡΡΠ²Π°ΠΉΡΠ΅ Π΄ΠΎ $70/ΡΠ°Ρ
ΠΠΎΠ΄Π°ΡΡ Π·Π°ΡΠ²ΠΊΡ
Π§ΡΠΎ ΡΠΏΡΠ°ΡΠΈΠ²Π°ΡΡ Π΄ΡΡΠ³ΠΈΠ΅
ΠΠΊΡΠ°Π½ Π½Π° ΠΏΡΠΈΠ±ΠΎΡΠ½ΠΎΠΉ ΠΏΠ°Π½Π΅Π»ΠΈ ΡΠ»ΡΡΠ°ΠΉΠ½ΡΠΌ ΠΎΠ±ΡΠ°Π·ΠΎΠΌ ΡΡΠ°Π½ΠΎΠ²ΠΈΡΡΡ ΡΠ΅ΡΠ½ΡΠΌ
Π― Π½Π΅Π½Π°Π²ΠΈΠΆΡ Π±ΡΡΡ ΡΡΠ΅ΡΠ΅ΠΎΡΠΈΠΏΠ½ΡΠΌ Π΄ΠΈΠ»Π΅ΡΡΠΊΠΈΠΌ ΠΌΠ΅Ρ
Π°Π½ΠΈΠΊΠΎΠΌ, Π½ΠΎ ΠΏΡΠΎΠ±Π»Π΅ΠΌΠ° ΠΌΠΎΠΆΠ΅Ρ Π±ΡΡΡ Β«Π½ΠΎΡΠΌΠ°Π»ΡΠ½ΠΎΠΉΒ».
Π‘ΠΎΠ³Π»Π°ΡΠ½ΠΎ Π±ΡΠ»Π»Π΅ΡΠ΅Π½Ρ GMC PIC6106, ΡΠΊΡΠ°Π½ Π΄ΠΈΡΠΏΠ»Π΅Ρ ΠΌΠΎΠΆΠ΅Ρ ΡΠ±ΡΠ°ΡΡΠ²Π°ΡΡΡΡ Π²ΠΎ Π²ΡΠ΅ΠΌΡ ΡΠΈΡΡΠ°ΡΠΈΠΉ Ρ Π²ΡΡΠΎΠΊΠΎΠΉ Π½Π°Π³ΡΡΠ·ΠΊΠΎΠΉ. ΠΡΠΎ ΡΡΠΈΡΠ°Π΅ΡΡΡ Π½ΠΎΡΠΌΠ°Π»ΡΠ½ΡΠΌ ΡΠ²Π»Π΅Π½ΠΈΠ΅ΠΌ ΠΈ ΡΠ°ΡΠ΅ Π²ΡΠ΅Π³ΠΎ ΠΏΡΠΎΠΈΡΡ
ΠΎΠ΄ΠΈΡ Π²ΠΎ Π²ΡΠ΅ΠΌΡ…
ΠΠ°ΠΊ ΠΏΠΎΠ»ΡΠ·ΠΎΠ²Π°ΡΡΡΡ ΠΏΠΎΠ΄ΠΎΠ³ΡΠ΅Π²ΠΎΠΌ Π·Π°Π΄Π½Π΅Π³ΠΎ ΡΠΈΠ΄Π΅Π½ΡΡ?
ΠΠ±ΠΎΠ³ΡΠ΅Π²Π°ΡΠ΅Π»ΠΈ Π·Π°Π΄Π½ΠΈΡ ΡΠΈΠ΄Π΅Π½ΠΈΠΉ ΡΠΏΡΠ°Π²Π»ΡΡΡΡΡ ΠΏΠ΅ΡΠ΅ΠΊΠ»ΡΡΠ°ΡΠ΅Π»ΡΠΌΠΈ ΠΎΠ±ΠΎΠ³ΡΠ΅Π²Π°ΡΠ΅Π»Π΅ΠΉ Π·Π°Π΄Π½ΠΈΡ ΡΠΈΠ΄Π΅Π½ΠΈΠΉ, ΠΊΠΎΡΠΎΡΡΠ΅ Π½Π°Ρ ΠΎΠ΄ΡΡΡΡ Π½Π° Π²Π½ΡΡΡΠ΅Π½Π½Π΅ΠΉ ΡΡΠΎΡΠΎΠ½Π΅ ΠΎΠ±Π΅ΠΈΡ Π·Π°Π΄Π½ΠΈΡ Π΄Π²Π΅ΡΠ΅ΠΉ. Π§ΡΠΎΠ±Ρ Π²ΠΊΠ»ΡΡΠΈΡΡ ΠΎΠ±ΠΎΠ³ΡΠ΅Π²Π°ΡΠ΅Π»Ρ Π·Π°Π΄Π½Π΅Π³ΠΎ ΡΠΈΠ΄Π΅Π½ΡΡ, Π½Π°ΠΆΠΌΠΈΡΠ΅ ΡΠΎΠΎΡΠ²Π΅ΡΡΡΠ²ΡΡΡΠΈΠΉ ΠΏΠ΅ΡΠ΅ΠΊΠ»ΡΡΠ°ΡΠ΅Π»Ρ. ΠΠ°ΠΆΠΌΠΈΡΠ΅ ΠΏΠ΅ΡΠ΅ΠΊΠ»ΡΡΠ°ΡΠ΅Π»Ρ Π΅ΡΠ΅ ΡΠ°Π·, ΡΡΠΎΠ±Ρ Π²ΡΠΊΠ»ΡΡΠΈΡΡ ΠΎΠ±ΠΎΠ³ΡΠ΅Π²Π°ΡΠ΅Π»ΠΈ….
ΠΠΎΡ ΠΌΠ°ΡΠΈΠ½Π° Π·Π°Π³Π»ΠΎΡ Π»Π° ΠΈ Π½Π΅ Ρ ΠΎΡΠ΅Ρ Π΅Ρ Π°ΡΡ Π±Π΅Π· ΡΠΌΠ΅ΡΡΠΈ
ΠΡΠΈΠ²Π΅Ρ. ΠΡΠΎΠ±Π»Π΅ΠΌΠ° Π² ΡΠΎΠΌ, ΡΡΠΎ Π΄Π²ΠΈΠ³Π°ΡΠ΅Π»Ρ Π½Π΅ Ρ Π²Π°ΡΠ°Π΅Ρ ΡΠΎΠΏΠ»ΠΈΠ²Π°. Π’ΠΎΠΏΠ»ΠΈΠ²Π½ΡΠΉ Π½Π°ΡΠΎΡ ΠΌΠΎΠΆΠ΅Ρ Π²ΠΊΠ»ΡΡΠ°ΡΡΡΡ, Π½ΠΎ Π½Π΅ ΡΠΎΠ·Π΄Π°Π²Π°ΡΡ Π΄ΠΎΡΡΠ°ΡΠΎΡΠ½ΠΎΠ³ΠΎ Π΄Π°Π²Π»Π΅Π½ΠΈΡ. Π― Π±Ρ ΠΏΠΎΡΠ΅ΠΊΠΎΠΌΠ΅Π½Π΄ΠΎΠ²Π°Π» ΠΏΡΠΎΠ²Π΅ΡΠΈΡΡ Π΄Π²ΠΈΠ³Π°ΡΠ΅Π»Ρ Π½Π° ΠΏΠΎΡΠ΅ΡΡ Π΄Π°Π²Π»Π΅Π½ΠΈΡ ΡΠΎΠΏΠ»ΠΈΠ²Π° ΠΈ ΠΏΠΎΡΠΌΠΎΡΡΠ΅ΡΡ, Π½Π΅ ΠΏΡΠΎΠΌΠΎΠΊΠ°Π΅Ρ Π»ΠΈ…
ΠΏΠΎΠ» Π·Π°Π΄Π½Π΅Π³ΠΎ ΠΏΠ°ΡΡΠ°ΠΆΠΈΡΠ° Π±ΠΎΠ»ΡΡΠ΅ Π½ΠΈΡΠ΅Π³ΠΎ, Π² ΡΠ΅ΠΌ ΠΏΡΠΈΡΠΈΠ½Π° ΠΈ ΡΡΠΎ Π΄Π΅Π»Π°ΡΡ?
ΠΠ΄ΡΠ°Π²ΡΡΠ²ΡΠΉΡΠ΅.
Π‘ΠΏΠ°ΡΠΈΠ±ΠΎ, ΡΡΠΎ Π½Π°ΠΏΠΈΡΠ°Π»ΠΈ. Π ΠΎΠΊΠ½Π°Ρ
Π΅ΡΡΡ Π΄ΡΠ΅Π½Π°ΠΆΠ½ΡΠ΅ ΡΡΡΠ±Ρ ΠΈ ΠΎΡΠ²Π΅ΡΡΡΠΈΡ, ΠΊΠΎΡΠΎΡΡΠ΅ ΠΎΡΠ²ΠΎΠ΄ΡΡ Π·Π°ΡΡΡΡΠ²ΡΡΡ Π²ΠΎΠ΄Ρ ΠΈΠ· ΠΎΠΊΠΎΠ½ ΠΈ Π΄Π²Π΅ΡΠ΅ΠΉ ΠΈ Π½Π°ΠΏΡΠ°Π²Π»ΡΡΡ Π΅Π΅ ΡΡΠ΄Π°, Π³Π΄Π΅ ΠΎΠ½Π° ΠΌΠΎΠΆΠ΅Ρ ΡΡΠ΅ΠΊΠ°ΡΡ. ΠΡΠΈ ΡΡΠΎΠΊΠΈ ΠΌΠΎΠ³ΡΡ ΡΠΎ Π²ΡΠ΅ΠΌΠ΅Π½Π΅ΠΌ Π·Π°Π±ΠΈΠ²Π°ΡΡΡΡ Π³ΡΡΠ·ΡΡ ΠΈ ΠΌΡΡΠΎΡΠΎΠΌ….
ΠΠ΅Π΄Π°Π²Π½ΠΎ Π·Π°ΠΌΠ΅Π½ΠΈΠ» TPS, Π½ΠΎ ΠΏΠΎ-ΠΏΡΠ΅ΠΆΠ½Π΅ΠΌΡ ΠΏΠΎΡΠ²Π»ΡΠ΅ΡΡΡ ΠΊΠΎΠ΄ P0122, ΡΡΠΎ Π²ΡΠ·ΡΠ²Π°Π΅Ρ ΡΡΠΎ Π½ΠΈΠ·ΠΊΠΎΠ΅ Π½Π°ΠΏΡΡΠΆΠ΅Π½ΠΈΠ΅?
ΠΠΎΠ΄ P0122 (https://www.yourmechanic.com/article/p0122-obd-ii-trouble-code-throttle-pedal-position-sensor-switch-tps-a-circuit-low-input-by-jay -safford) ΡΠ°ΠΊΠΆΠ΅ ΠΌΠΎΠΆΠ΅Ρ ΡΠΊΠ°Π·ΡΠ²Π°ΡΡ Π½Π° ΡΠΎ, ΡΡΠΎ Ρ Π²Π°Ρ ΠΌΠΎΠΆΠ΅Ρ Π±ΡΡΡ ΠΏΠ»ΠΎΡ ΠΎΠ΅ ΠΈΠ»ΠΈ ΠΏΠ»ΠΎΡ ΠΎΠ΅ ΡΠΎΠ΅Π΄ΠΈΠ½Π΅Π½ΠΈΠ΅ Ρ ΡΠ°ΠΌΠΈΠΌ Π΄Π°ΡΡΠΈΠΊΠΎΠΌ ΠΏΠΎΠ»ΠΎΠΆΠ΅Π½ΠΈΡ Π΄ΡΠΎΡΡΠ΅Π»ΡΠ½ΠΎΠΉ Π·Π°ΡΠ»ΠΎΠ½ΠΊΠΈ ΠΈΠ»ΠΈ ΠΏΠΎΡΠ΅Π½ΡΠΈΠ°Π»ΡΠ½ΠΎ Π½Π΅Π΄ΠΎΡΡΠ°ΡΠΎΡΠ½ΠΎΠ΅ Π½Π°ΠΏΡΡΠΆΠ΅Π½ΠΈΠ΅, ΠΏΠΎΠ΄Π°Π²Π°Π΅ΠΌΠΎΠ΅ ΠΎΡ ECM. Π― Π±Ρ ΠΏΠΎΡΠ΅ΠΊΠΎΠΌΠ΅Π½Π΄ΠΎΠ²Π°Π» Π²ΡΠ·Π²Π°ΡΡ ΡΠΏΠ΅ΡΠΈΠ°Π»ΠΈΡΡΠ° ΠΈΠ· YourMechanic…
ΠΠΎΡΠ²ΠΈΠ»ΠΎΡΡ ΡΠΎΠΎΠ±ΡΠ΅Π½ΠΈΠ΅ Π£ΠΌΠ΅Π½ΡΡΠΈΡΡ ΠΌΠΎΡΠ½ΠΎΡΡΡ Π΄Π²ΠΈΠ³Π°ΡΠ΅Π»Ρ
ΠΠ½Π΄ΠΈΠΊΠ°ΡΠΎΡ ΠΏΠΎΠ½ΠΈΠΆΠ΅Π½Π½ΠΎΠΉ ΠΌΠΎΡΠ½ΠΎΡΡΠΈ ΠΎΠ±ΡΡΠ½ΠΎ ΡΠΊΠ°Π·ΡΠ²Π°Π΅Ρ Π½Π° Π΄ΠΎΠ²ΠΎΠ»ΡΠ½ΠΎ ΡΠ΅ΡΡΠ΅Π·Π½ΡΡ ΠΏΡΠΎΠ±Π»Π΅ΠΌΡ Ρ ΡΠΈΡΡΠ΅ΠΌΠΎΠΉ Π΄ΡΠΎΡΡΠ΅Π»ΡΠ½ΠΎΠΉ Π·Π°ΡΠ»ΠΎΠ½ΠΊΠΈ. ΠΠΎΠ³Π΄Π° ΡΡΠΎΡ ΠΈΠ½Π΄ΠΈΠΊΠ°ΡΠΎΡ Π·Π°Π³ΠΎΡΠ°Π΅ΡΡΡ, Π°Π²ΡΠΎΠΌΠΎΠ±ΠΈΠ»Ρ ΡΠ°ΡΡΠΎ ΠΏΠ΅ΡΠ΅Ρ
ΠΎΠ΄ΠΈΡ Π² Β«Π±Π΅Π·ΠΎΠΏΠ°ΡΠ½ΡΠΉ ΡΠ΅ΠΆΠΈΠΌΒ», ΠΊΠΎΡΠΎΡΡΠΉ ΡΠΈΠ»ΡΠ½ΠΎ ΠΎΠ³ΡΠ°Π½ΠΈΡΠΈΠ²Π°Π΅Ρ ΡΠΊΠΎΡΠΎΡΡΡ Π°Π²ΡΠΎΠΌΠΎΠ±ΠΈΠ»Ρ, Π° Π² Π½Π΅ΠΊΠΎΡΠΎΡΡΡ
ΡΠ»ΡΡΠ°ΡΡ
.
..
p241a ΡΡΠΈΡΡΠ²Π°Π΅ΡΡΡ ΡΠΎ ΡΠΊΠ°Π½Π΅ΡΠ°.
ΠΡΠΈΠ²Π΅Ρ. ΠΡΠΎΠ²Π΅ΡΡΡΠ΅ Π·Π°Π³Π»ΡΡΠΊΠΈ Π½Π° Π΄Π°ΡΡΠΈΠΊΠ°Ρ O2 ΠΈ ΠΏΠΎΡΠΌΠΎΡΡΠΈΡΠ΅, Π½Π΅ ΠΏΠ΅ΡΠ΅ΠΏΡΡΠ°Π½Ρ Π»ΠΈ ΠΎΠ½ΠΈ ΠΌΠ΅ΡΡΠ°ΠΌΠΈ. ΠΡΠΎ ΠΏΡΠΈΠ²Π΅Π΄Π΅Ρ ΠΊ ΡΠΎΠΌΡ, ΡΡΠΎ Π·Π°Π³ΠΎΡΠΈΡΡΡ ΠΊΠΎΠ΄ Π½Π΅ΠΈΡΠΏΡΠ°Π²Π½ΠΎΡΡΠΈ. ΠΡΠ»ΠΈ ΠΏΡΠΎΠ²ΠΎΠ΄ΠΊΠ° Π² ΠΏΠΎΡΡΠ΄ΠΊΠ΅, ΡΠΎ ΠΌΠΎΠΆΠ΅Ρ Π±ΡΡΡ ΠΎΠ±ΡΡΠ² ΠΏΡΠΎΠ²ΠΎΠ΄ΠΊΠΈ Π½Π°…
ΠΡΠΎΠ±Π»Π΅ΠΌΠ° Ρ ΠΊΠΎΡΠΎΠ±ΠΊΠΎΠΉ ΠΏΠ΅ΡΠ΅Π΄Π°Ρ, Π³ΠΎΡΠΈΡ ΠΈΠ½Π΄ΠΈΠΊΠ°ΡΠΎΡ Overdrive Π½Π° 2005 F150 4.6l.
ΠΠ΄ΡΠ°Π²ΡΡΠ²ΡΠΉΡΠ΅. ΠΡ Π±ΡΠ΄Π΅ΠΌ ΡΠ°Π΄Ρ ΠΏΠΎΠΌΠΎΡΡ Π²Π°ΠΌ. ΠΠΈΠ³Π°ΡΡΠΈΠΉ ΠΈΠ½Π΄ΠΈΠΊΠ°ΡΠΎΡ ΠΎΠ²Π΅ΡΠ΄ΡΠ°ΠΉΠ²Π° ΠΎΠ·Π½Π°ΡΠ°Π΅Ρ, ΡΡΠΎ ΡΡΠ°Π½ΡΠΌΠΈΡΡΠΈΡ ΠΏΠ΅ΡΠ΅Ρ ΠΎΠ΄ΠΈΡ Π² Π°Π²Π°ΡΠΈΠΉΠ½ΡΠΉ ΡΠ΅ΠΆΠΈΠΌ. ΠΠ²Π°ΡΠΈΠΉΠ½ΡΠΉ ΡΠ΅ΠΆΠΈΠΌ β ΡΡΠΎ Π±Π΅Π·ΠΎΠΏΠ°ΡΠ½ΡΠΉ ΡΠ΅ΠΆΠΈΠΌ, Π² ΠΊΠΎΡΠΎΡΠΎΠΌ ΡΡΠ°Π½ΡΠΌΠΈΡΡΠΈΡ ΠΏΡΡΠ°Π΅ΡΡΡ Π·Π°ΡΠΈΡΠΈΡΡ ΡΠ΅Π±Ρ, ΠΎΠ³ΡΠ°Π½ΠΈΡΠΈΠ²Π°Ρ ΡΠΈΡΠ»ΠΎ ΠΎΠ±ΠΎΡΠΎΡΠΎΠ² Π² ΠΌΠΈΠ½ΡΡΡ ΠΈ ββΡΡΠΊΠΎΡΠ΅Π½ΠΈΠ΅.
ΠΠΎΡΠ΅ΠΌΡ ΠΌΠΎΠΉ Π³ΠΈΠ±ΡΠΈΠ΄ Π½Π΅ Π·Π°Π²ΠΎΠ΄ΠΈΡΡΡ
ΠΡΠΎ ΠΌΠΎΠΆΠ΅Ρ Π±ΡΡΡ ΡΡΠΎ ΡΠ³ΠΎΠ΄Π½ΠΎ: ΠΎΡ Π½Π΅ΠΈΡΠΏΡΠ°Π²Π½ΠΎΠ³ΠΎ ΡΠ΅Π»Π΅ ΡΡΠ°ΡΡΠ΅ΡΠ° (https://www.yourmechanic.com/services/starter-relay-replacement) Π΄ΠΎ ΠΏΠΎΡΠ΅Π½ΡΠΈΠ°Π»ΡΠ½ΠΎΠΉ ΠΏΡΠΎΠ±Π»Π΅ΠΌΡ Ρ ΡΠΈΡΡΠ΅ΠΌΠ° Π·Π°ΡΡΠ΄ΠΊΠΈ, Π½Π°ΠΏΡΠΈΠΌΠ΅Ρ Π½Π΅ΠΈΡΠΏΡΠ°Π²Π½ΡΠΉ Π³Π΅Π½Π΅ΡΠ°ΡΠΎΡ (https://www.yourmechanic.com/services/alternator-replacement).
ΠΡΠ»ΠΈ Π·Π°ΠΏΡΡΠΊ ΠΏΡΠ΅ΡΡΠ²ΠΈΡΡΡΠΉ ΠΈ Π½Π΅ ΡΡΠ΅Π±ΡΠ΅Ρ, ΡΡΠΎΠ±Ρ Π°Π²ΡΠΎΠΌΠΎΠ±ΠΈΠ»Ρ…
Π‘ΡΠ°ΡΡΠΈ ΠΏΠΎ Π’Π΅ΠΌΠ΅
Π ΡΠΊΠΎΠ²ΠΎΠ΄ΡΡΠ²ΠΎ ΠΏΠΎΠΊΡΠΏΠ°ΡΠ΅Π»Ρ ΠΏΠΎ Honda Civic Hybrid 2012 Π³ΠΎΠ΄Π°
Π‘ ΠΠΎΡΠΊΠΎΠ»ΡΠΊΡ Π²ΡΠ΅ Π±ΠΎΠ»ΡΡΠ΅ ΠΈ Π±ΠΎΠ»ΡΡΠ΅ ΠΏΠΎΡΡΠ΅Π±ΠΈΡΠ΅Π»Π΅ΠΉ ΠΈΡΡΡ Π»ΡΡΡΡΡ ΡΠΎΠΏΠ»ΠΈΠ²Π½ΡΡ ΡΠΊΠΎΠ½ΠΎΠΌΠΈΡΠ½ΠΎΡΡΡ, Π³ΠΈΠ±ΡΠΈΠ΄Π½ΡΠ΅ Π°Π²ΡΠΎΠΌΠΎΠ±ΠΈΠ»ΠΈ Π½Π°Π±ΠΈΡΠ°ΡΡ ΠΎΠ±ΠΎΡΠΎΡΡ ΡΠ°ΠΊ, ΠΊΠ°ΠΊ Π±ΠΎΠ»ΡΡΠΈΠ½ΡΡΠ²ΠΎ ΠΈΠ· Π½Π°Ρ Π½ΠΈΠΊΠΎΠ³Π΄Π° Π½Π΅ ΡΡΠΈΡΠ°Π»ΠΎ Π²ΠΎΠ·ΠΌΠΎΠΆΠ½ΡΠΌ. Π‘Π΅Π³ΠΎΠ΄Π½Ρ ΡΠ°ΠΌΡΠΉ ΠΏΡΠΎΠ΄Π°Π²Π°Π΅ΠΌΡΠΉ ΠΊΠΎΠΌΠΏΠ°ΠΊΡΠ½ΡΠΉ Π°Π²ΡΠΎΠΌΠΎΠ±ΠΈΠ»Ρ ΠΠΌΠ΅ΡΠΈΠΊΠΈ, Honda Civic, ΠΏΡΠ΅Π΄Π»Π°Π³Π°Π΅ΡΡΡ Π² Π³ΠΈΠ±ΡΠΈΠ΄Π½ΠΎΠΉ ΠΌΠΎΠ΄Π΅Π»ΠΈ Ρ…
Jeep Patriot 2012 Π³ΠΎΠ΄Π° ΠΏΡΠΎΡΠΈΠ² Honda CR-V 2012 Π³ΠΎΠ΄Π°: ΠΊΠ°ΠΊΠΎΠΉ ΠΈΠ· Π½ΠΈΡ ΠΌΠ½Π΅ ΠΊΡΠΏΠΈΡΡ?
ΠΠ½Π΅Π΄ΠΎΡΠΎΠΆΠ½ΠΈΠΊ ΡΡΠ΅Π΄Π½Π΅Π³ΠΎ ΡΠ°Π·ΠΌΠ΅ΡΠ° β ΠΎΡΠ»ΠΈΡΠ½ΠΎΠ΅ ΡΡΠ°Π½ΡΠΏΠΎΡΡΠ½ΠΎΠ΅ ΡΡΠ΅Π΄ΡΡΠ²ΠΎ Π΄Π»Ρ ΠΏΠ΅ΡΠ΅Π²ΠΎΠ·ΠΊΠΈ Π±ΠΎΠ»ΡΡΠΎΠ³ΠΎ ΠΊΠΎΠ»ΠΈΡΠ΅ΡΡΠ²Π° Π»ΡΠ΄Π΅ΠΉ ΠΈΠ· ΠΎΠ΄Π½ΠΎΠ³ΠΎ ΠΌΠ΅ΡΡΠ° Π² Π΄ΡΡΠ³ΠΎΠ΅, Ρ ΠΏΡΠΈΠ΅ΠΌΠ»Π΅ΠΌΠΎΠΉ ΡΠ΅Π½ΠΎΠΉ ΠΈ Π΄ΠΎΠ²ΠΎΠ»ΡΠ½ΠΎ Ρ ΠΎΡΠΎΡΠ΅ΠΉ ΡΠΊΠΎΠ½ΠΎΠΌΠΈΠ΅ΠΉ ΡΠΎΠΏΠ»ΠΈΠ²Π°. Π ΡΠΎ Π²ΡΠ΅ΠΌΡ ΠΊΠ°ΠΊ ΠΎΠ½ΠΈ Π½ΠΈΠΊΠΎΠ³Π΄Π° Π½Π΅ Π΄ΠΎΠ±ΡΡΡΡΡ ΡΠ΄ΠΈΠ²ΠΈΡΠ΅Π»ΡΠ½ΠΎΠ³ΠΎ ΡΠ°ΡΡ ΠΎΠ΄Π° Π±Π΅Π½Π·ΠΈΠ½Π°…
ΠΡΡΡΠΈΠ΅ ΠΏΠΎΠ΄Π΅ΡΠΆΠ°Π½Π½ΡΠ΅ Π°Π²ΡΠΎΠΌΠΎΠ±ΠΈΠ»ΠΈ Π΄Π»Ρ ΠΏΠΎΠΊΡΠΏΠΊΠΈ, Π΅ΡΠ»ΠΈ Π²Ρ ΠΆΠΈΠ²Π΅ΡΠ΅ Π½Π΅Π΄Π°Π»Π΅ΠΊΠΎ ΠΎΡ ΠΎΠΊΠ΅Π°Π½Π°
ΠΡΠ»ΠΈ Π²Ρ ΠΆΠΈΠ²Π΅ΡΠ΅ Π½Π΅Π΄Π°Π»Π΅ΠΊΠΎ ΠΎΡ ΠΎΠΊΠ΅Π°Π½Π°, Π²Π°Ρ Π°Π²ΡΠΎΠΌΠΎΠ±ΠΈΠ»Ρ Π±ΡΠ΄Π΅Ρ Π³ΠΎΡΠ°Π·Π΄ΠΎ Π±ΠΎΠ»Π΅Π΅ ΡΡΠ·Π²ΠΈΠΌ Π΄Π»Ρ ΡΠΆΠ°Π²ΡΠΈΠ½Ρ, ΡΠ΅ΠΌ Π΅ΡΠ»ΠΈ Π±Ρ Π²Ρ ΠΆΠΈΠ»ΠΈ Π΄Π°Π»ΡΡΠ΅ ΠΎΡ ΠΌΠΎΡΡ.
Π Π΄Π΅Π»ΠΎ Π² ΡΠΎΠΌ, ΡΡΠΎ ΠΊΠΎΠ³Π΄Π° Π΄Π΅Π»ΠΎ Π΄ΠΎΡ
ΠΎΠ΄ΠΈΡ Π΄ΠΎ ΡΠΎΠΏΡΠΎΡΠΈΠ²Π»Π΅Π½ΠΈΡ ΡΠΆΠ°Π²ΡΠΈΠ½Π΅, Π½Π΅ Π²ΡΠ΅ Π°Π²ΡΠΎΠΌΠΎΠ±ΠΈΠ»ΠΈ ΡΠΎΠ·Π΄Π°Π½Ρ…
ΠΡΠΎΡΠΌΠΎΡΡΠΈΡΠ΅ Π΄ΡΡΠ³ΠΎΠΉ ΠΊΠΎΠ½ΡΠ΅Π½Ρ
Π‘ΠΌΠ΅ΡΠ°
ΠΠΎΡΠΎΠ΄Π°
Π£ΡΠ»ΡΠ³ΠΈ
ΠΠ°ΠΊ ΡΠ±ΡΠΎΡΠΈΡΡ Π½Π°ΡΡΡΠΎΠΉΠΊΠΈ ΠΏΡΠΎΡΠΈΠ²ΠΎΡΠ³ΠΎΠ½Π½ΠΎΠΉ ΡΠΈΡΡΠ΅ΠΌΡ Π½Π° Ford F-150
ΠΠ·ΠΎΠ±ΡΠ°ΠΆΠ΅Π½ΠΈΠ΅ ΡΠ΅ΡΠ΅Π· Ford Media CenterΠΠ°Ρ Ford F-150 ΠΈΠΌΠ΅Π΅Ρ ΠΌΠ½ΠΎΠΆΠ΅ΡΡΠ²ΠΎ ΡΠ»ΠΎΠΆΠ½ΡΡ ΡΠ»Π΅ΠΊΡΡΠΎΠ½Π½ΡΡ ΡΠΈΡΡΠ΅ΠΌ, ΡΠ°ΠΊΠΈΡ ΠΊΠ°ΠΊ ΠΊΠΎΠ½ΡΡΠΎΠ»ΡΠ½ΠΎ-ΠΈΠ·ΠΌΠ΅ΡΠΈΡΠ΅Π»ΡΠ½ΡΠ΅ ΠΏΡΠΈΠ±ΠΎΡΡ, ΡΠΈΡΡΠ΅ΠΌΠ° ΠΊΠΎΠ½ΡΡΠΎΠ»Ρ ΡΡΡΠΎΠΉΡΠΈΠ²ΠΎΡΡΠΈ Π°Π²ΡΠΎΠΌΠΎΠ±ΠΈΠ»Ρ, ΡΠΈΡΡΠ΅ΠΌΠ° ΡΠΏΡΠ°Π²Π»Π΅Π½ΠΈΡ Π΄Π²ΠΈΠ³Π°ΡΠ΅Π»Π΅ΠΌ ΠΈ ΠΏΡΠΎΡΠΈΠ²ΠΎΡΠ³ΠΎΠ½Π½Π°Ρ ΡΠΈΡΡΠ΅ΠΌΠ°. ΠΠ±ΡΡΠ½ΠΎ ΠΌΡ Π½Π΅ Π΄ΡΠΌΠ°Π΅ΠΌ ΠΎΠ± ΡΡΠΈΡ Π²Π°ΠΆΠ½ΡΡ ΠΊΠΎΠΌΠΏΠΎΠ½Π΅Π½ΡΠ°Ρ , Π΅ΡΠ»ΠΈ ΡΡΠΎ-ΡΠΎ Π½Π΅ ΠΈΠ΄Π΅Ρ Π½Π΅ ΡΠ°ΠΊ. ΠΠ΄Π½ΠΎΠΉ ΠΈΠ· Π½Π°ΠΈΠ±ΠΎΠ»Π΅Π΅ ΡΠ°ΠΌΠΎ ΡΠΎΠ±ΠΎΠΉ ΡΠ°Π·ΡΠΌΠ΅ΡΡΠΈΡ ΡΡ ΡΠΈΡΡΠ΅ΠΌ ΡΠ²Π»ΡΠ΅ΡΡΡ ΠΏΡΠΎΡΠΈΠ²ΠΎΡΠ³ΠΎΠ½Π½Π°Ρ ΡΠΈΡΡΠ΅ΠΌΠ°. ΠΠ΄Π΅ΡΡ ΠΌΡ ΡΠ°ΡΡΠΌΠΎΡΡΠΈΠΌ, ΡΡΠΎ Π΄Π΅Π»Π°Π΅Ρ ΠΏΡΠΎΡΠΈΠ²ΠΎΡΠ³ΠΎΠ½Π½Π°Ρ ΡΠΈΡΡΠ΅ΠΌΠ° ΠΈ ΠΊΠ°ΠΊ Π΅Π΅ ΡΠ±ΡΠΎΡΠΈΡΡ, Π΅ΡΠ»ΠΈ ΡΡΠΎ-ΡΠΎ ΠΏΠΎΠΉΠ΄Π΅Ρ Π½Π΅ ΡΠ°ΠΊ.
ΠΠ°ΠΊ ΡΠ°Π±ΠΎΡΠ°Π΅Ρ Π²Π°ΡΠ° ΠΏΡΠΎΡΠΈΠ²ΠΎΡΠ³ΠΎΠ½Π½Π°Ρ ΡΠΈΡΡΠ΅ΠΌΠ° Ford F-150 ΠΎΡΠ½Π°ΡΠ΅Π½ ΠΏΠ°ΡΡΠΈΠ²Π½ΠΎΠΉ ΠΏΡΠΎΡΠΈΠ²ΠΎΡΠ³ΠΎΠ½Π½ΠΎΠΉ ΡΠΈΡΡΠ΅ΠΌΠΎΠΉ (PATS), ΠΊΠΎΡΠΎΡΠ°Ρ ΠΏΡΠ΅Π΄ΡΡΠ°Π²Π»ΡΠ΅Ρ ΡΠΎΠ±ΠΎΠΉ ΡΠΈΡΡΠ΅ΠΌΡ ΡΠΈΠ³Π½Π°Π»ΠΈΠ·Π°ΡΠΈΠΈ ΠΈ Π±Π»ΠΎΠΊΠΈΡΠΎΠ²ΠΊΠΈ Π΄Π²ΠΈΠ³Π°ΡΠ΅Π»Ρ. ΠΠ½ ΡΠ°Π·ΡΠ°Π±ΠΎΡΠ°Π½, ΡΡΠΎΠ±Ρ ΠΏΠΎΠΌΠΎΡΡ ΠΏΡΠ΅Π΄ΠΎΡΠ²ΡΠ°ΡΠΈΡΡ ΠΊΡΠ°ΠΆΡ Π²Π°ΡΠ΅Π³ΠΎ Π³ΡΡΠ·ΠΎΠ²ΠΈΠΊΠ°, ΠΏΡΠ΅Π΄ΠΎΡΠ²ΡΠ°ΡΠ°Ρ Π·Π°ΠΏΡΡΠΊ Π΄Π²ΠΈΠ³Π°ΡΠ΅Π»Ρ, Π΅ΡΠ»ΠΈ Π½Π΅ ΠΈΡΠΏΠΎΠ»ΡΠ·ΡΠ΅ΡΡΡ ΠΏΡΠ°Π²ΠΈΠ»ΡΠ½ΠΎ Π·Π°ΠΊΠΎΠ΄ΠΈΡΠΎΠ²Π°Π½Π½ΡΠΉ Π²ΡΡΡΠΎΠ΅Π½Π½ΡΠΉ ΠΏΠ΅ΡΠ΅Π΄Π°ΡΡΠΈΠΊ ΠΊΠ»ΡΡΠ°.
ΠΠ»ΡΡΠΈ ΡΠ°ΠΊΠΆΠ΅ ΠΈΠ·Π²Π΅ΡΡΠ½Ρ ΠΊΠ°ΠΊ ΡΡΠ°Π½ΡΠΏΠΎΠ½Π΄Π΅ΡΠ½ΡΠ΅ ΠΈΠ»ΠΈ ΡΠΈΠΏ-ΠΊΠ»ΡΡΠΈ.
ΠΠ°Ρ Π³ΡΡΠ·ΠΎΠ²ΠΈΠΊ ΠΏΠΎΡΡΠ°Π²Π»ΡΠ΅ΡΡΡ Ρ Π΄Π²ΡΠΌΡ ΡΡΠ°Π½ΡΠΏΠΎΠ½Π΄Π΅ΡΠ½ΡΠΌΠΈ ΠΊΠ»ΡΡΠ°ΠΌΠΈ, ΠΊΠΎΡΠΎΡΡΠ΅ Π·Π°ΠΏΡΠΎΠ³ΡΠ°ΠΌΠΌΠΈΡΠΎΠ²Π°Π½Ρ ΡΠ»Π΅ΠΊΡΡΠΎΠ½Π½ΡΠΌ ΡΠΏΠΎΡΠΎΠ±ΠΎΠΌ Π΄Π»Ρ Π²Π°ΡΠ΅ΠΉ ΡΠΈΡΡΠ΅ΠΌΡ ΡΠΏΡΠ°Π²Π»Π΅Π½ΠΈΡ Π΄Π²ΠΈΠ³Π°ΡΠ΅Π»Π΅ΠΌ. ΠΡΠ»ΠΈ Π²Ρ ΠΏΠΎΠΏΡΡΠ°Π΅ΡΠ΅ΡΡ Π·Π°Π²Π΅ΡΡΠΈ Π°Π²ΡΠΎΠΌΠΎΠ±ΠΈΠ»Ρ Π»ΡΠ±ΡΠΌ Π΄ΡΡΠ³ΠΈΠΌ ΠΊΠ»ΡΡΠΎΠΌ, ΡΠΈΡΡΠ΅ΠΌΠ° Π½Π΅ ΡΠ°ΡΠΏΠΎΠ·Π½Π°Π΅Ρ Π΅Π³ΠΎ, ΠΈ Π΄Π²ΠΈΠ³Π°ΡΠ΅Π»Ρ Π½Π΅ Π·Π°ΠΏΡΡΡΠΈΡΡΡ. ΠΠ΄Π½Π°ΠΊΠΎ Π²Ρ ΠΌΠΎΠΆΠ΅ΡΠ΅ ΠΊΡΠΏΠΈΡΡ Π΄ΠΎΠΏΠΎΠ»Π½ΠΈΡΠ΅Π»ΡΠ½ΡΠ΅ ΠΊΠ»ΡΡΠΈ ΠΈ Π»Π΅Π³ΠΊΠΎ Π·Π°ΠΏΡΠΎΠ³ΡΠ°ΠΌΠΌΠΈΡΠΎΠ²Π°ΡΡ ΠΈΡ ΡΠ°ΠΌΠΎΡΡΠΎΡΡΠ΅Π»ΡΠ½ΠΎ.
ΠΠΎΠ³Π΄Π° ΡΠΈΡΡΠ΅ΠΌΠ° PATS Π°ΠΊΡΠΈΠ²ΠΈΡΠΎΠ²Π°Π½Π°, ΠΈΠ½Π΄ΠΈΠΊΠ°ΡΠΎΡ Π·Π°ΡΠΈΡΡ ΠΎΡ ΠΊΡΠ°ΠΆΠΈ Π±ΡΠ΄Π΅Ρ ΠΌΠΈΠ³Π°ΡΡ ΠΊΠ°ΠΆΠ΄ΡΠ΅ 2 ΡΠ΅ΠΊΡΠ½Π΄Ρ, ΠΏΠΎΠΊΠ°Π·ΡΠ²Π°Ρ, ΡΡΠΎ ΡΠΈΡΡΠ΅ΠΌΠ° ΡΠ°Π±ΠΎΡΠ°Π΅Ρ, ΠΈ Π΄Π΅ΠΉΡΡΠ²ΡΡ ΠΊΠ°ΠΊ ΡΡΠ΅Π΄ΡΡΠ²ΠΎ Π·Π°ΡΠΈΡΡ ΠΎΡ ΠΊΡΠ°ΠΆΠΈ. ΠΠΎΠ³Π΄Π° Π²Ρ Π²ΠΊΠ»ΡΡΠ°Π΅ΡΠ΅ Π·Π°ΠΆΠΈΠ³Π°Π½ΠΈΠ΅, ΠΈΠ½Π΄ΠΈΠΊΠ°ΡΠΎΡ Π³ΠΎΡΠΈΡ ΡΡΠΈ ΡΠ΅ΠΊΡΠ½Π΄Ρ, Π° Π·Π°ΡΠ΅ΠΌ Π³Π°ΡΠ½Π΅Ρ. ΠΡΠ»ΠΈ ΠΈΠ½Π΄ΠΈΠΊΠ°ΡΠΎΡ ΠΏΡΠΎΠ΄ΠΎΠ»ΠΆΠ°Π΅Ρ Π³ΠΎΡΠ΅ΡΡ ΠΈΠ»ΠΈ Π±ΡΡΡΡΠΎ ΠΌΠΈΠ³Π°Π΅Ρ, ΡΡΠΎ ΡΠΊΠ°Π·ΡΠ²Π°Π΅Ρ Π½Π° ΠΏΡΠΎΠ±Π»Π΅ΠΌΡ.
ΠΡΠΎΠ±Π»Π΅ΠΌΡ Ρ ΠΏΡΠΎΡΠΈΠ²ΠΎΡΠ³ΠΎΠ½Π½ΠΎΠΉ ΡΠΈΡΡΠ΅ΠΌΠΎΠΉ ΠΠ½ΠΎΠ³Π΄Π° Ρ Π²Π°Ρ ΠΌΠΎΠ³ΡΡ Π²ΠΎΠ·Π½ΠΈΠΊΠ°ΡΡ ΠΏΡΠΎΠ±Π»Π΅ΠΌΡ Ρ PATS, ΠΈΠ·-Π·Π° ΠΊΠΎΡΠΎΡΡΡ
ΡΡΠ°Π±Π°ΡΡΠ²Π°Π΅Ρ ΡΠΈΠ³Π½Π°Π»ΠΈΠ·Π°ΡΠΈΡ, ΠΈ Π²Ρ Π½Π΅ ΠΌΠΎΠΆΠ΅ΡΠ΅ Π·Π°Π²Π΅ΡΡΠΈ ΡΠ²ΠΎΠΉ Π³ΡΡΠ·ΠΎΠ²ΠΈΠΊ. ΠΠ½ΠΎΠ³Π΄Π° Π³ΡΠΎΠΌΠΊΠΈΠΉ Ρ
Π»ΠΎΠΏΠΎΠΊ, ΡΠ°ΠΊΠΎΠΉ ΠΊΠ°ΠΊ ΡΠ΅ΠΉΠ΅ΡΠ²Π΅ΡΠΊ ΠΈΠ»ΠΈ ΡΠ°ΡΠΊΠ°Ρ Π³ΡΠΎΠΌΠ°, ΠΌΠΎΠΆΠ΅Ρ ΠΏΡΠΈΠ²Π΅ΡΡΠΈ ΠΊ ΡΡΠ°Π±Π°ΡΡΠ²Π°Π½ΠΈΡ Π±ΡΠ΄ΠΈΠ»ΡΠ½ΠΈΠΊΠ°.
ΠΠ°ΠΆΠ΅ Π΅ΡΠ»ΠΈ ΠΊΡΠΎ-ΡΠΎ ΡΠ»ΡΡΠ°ΠΉΠ½ΠΎ Π²ΡΠ΅ΠΆΠ΅ΡΡΡ Π² Π²Π°Ρ Π³ΡΡΠ·ΠΎΠ²ΠΈΠΊ, ΡΠΈΡΡΠ΅ΠΌΠ° ΠΌΠΎΠΆΠ΅Ρ ΡΡΠ°Π±ΠΎΡΠ°ΡΡ.
ΠΡΠ»ΠΈ Π±Π°ΡΠ°ΡΠ΅Ρ Π² ΡΡΠ°Π½ΡΠΏΠΎΠ½Π΄Π΅ΡΠ½ΠΎΠΌ ΠΊΠ»ΡΡΠ΅ ΡΠ°Π·ΡΡΠΆΠ°Π΅ΡΡΡ, ΡΠΈΠ³Π½Π°Π»ΠΈΠ·Π°ΡΠΈΡ ΠΌΠΎΠΆΠ΅Ρ Π½Π°ΡΠ°ΡΡ ΡΡΠ°Π±Π°ΡΡΠ²Π°ΡΡ ΡΠ»ΡΡΠ°ΠΉΠ½ΡΠΌ ΠΎΠ±ΡΠ°Π·ΠΎΠΌ. Π ΡΡΠΎΠΌ ΡΠ»ΡΡΠ°Π΅ ΠΏΠΎΠΏΡΠΎΠ±ΡΠΉΡΠ΅ ΠΈΡΠΏΠΎΠ»ΡΠ·ΠΎΠ²Π°ΡΡ Π·Π°ΠΏΠ°ΡΠ½ΠΎΠΉ ΠΊΠΎΠ΄ΠΎΠ²ΡΠΉ ΠΊΠ»ΡΡ. ΠΡΠ»ΠΈ ΠΏΡΠΎΠ±Π»Π΅ΠΌΠ° ΠΈΡΡΠ΅Π·Π½Π΅Ρ, ββΠ²Ρ Π·Π½Π°Π΅ΡΠ΅, ΡΡΠΎ Π²Π°ΠΌ Π½ΡΠΆΠ½ΠΎ Π·Π°ΠΌΠ΅Π½ΠΈΡΡ Π±Π°ΡΠ°ΡΠ΅Ρ Π² Π²Π°ΡΠ΅ΠΌ ΠΎΡΠ½ΠΎΠ²Π½ΠΎΠΌ Π±ΡΠ΅Π»ΠΎΠΊΠ΅.
ΠΠ΅ Π½ΠΎΡΠΈΡΠ΅ Π±ΠΎΠ»ΡΡΠΈΠ΅ ΠΌΠ΅ΡΠ°Π»Π»ΠΈΡΠ΅ΡΠΊΠΈΠ΅ ΠΏΡΠ΅Π΄ΠΌΠ΅ΡΡ, ΡΠ»Π΅ΠΊΡΡΠΎΠ½Π½ΡΠ΅ ΡΡΡΡΠΎΠΉΡΡΠ²Π° ΠΈΠ»ΠΈ Π²ΡΠΎΡΠΎΠΉ Π·Π°ΠΊΠΎΠ΄ΠΈΡΠΎΠ²Π°Π½Π½ΡΠΉ ΠΊΠ»ΡΡ Π½Π° ΡΠΎΠΉ ΠΆΠ΅ ΡΠ²ΡΠ·ΠΊΠ΅ ΠΊΠ»ΡΡΠ΅ΠΉ, ΡΡΠΎ ΠΈ ΠΎΡΠ½ΠΎΠ²Π½ΠΎΠΉ ΠΊΠ»ΡΡ, ΠΏΠΎΡΠΊΠΎΠ»ΡΠΊΡ ΠΎΠ½ΠΈ ΠΌΠΎΠ³ΡΡ Π²ΡΠ·Π²Π°ΡΡ ΠΏΡΠΎΠ±Π»Π΅ΠΌΡ ΠΏΡΠΈ Π·Π°ΠΏΡΡΠΊΠ΅ Π³ΡΡΠ·ΠΎΠ²ΠΈΠΊΠ°. Π‘Π»Π΅Π΄ΠΈΡΠ΅ Π·Π° ΡΠ΅ΠΌ, ΡΡΠΎΠ±Ρ ΡΠ°ΠΊΠΈΠ΅ ΠΏΡΠ΅Π΄ΠΌΠ΅ΡΡ Π½Π΅ ΠΊΠ°ΡΠ°Π»ΠΈΡΡ Π·Π°ΠΏΡΠΎΠ³ΡΠ°ΠΌΠΌΠΈΡΠΎΠ²Π°Π½Π½ΠΎΠ³ΠΎ ΠΊΠ»ΡΡΠ° Π²ΠΎ Π²ΡΠ΅ΠΌΡ Π·Π°ΠΏΡΡΠΊΠ° Π΄Π²ΠΈΠ³Π°ΡΠ΅Π»Ρ. Π₯ΠΎΡΡ ΠΎΠ½ΠΈ Π½Π΅ ΠΏΠΎΠ²ΡΠ΅Π΄ΡΡ Π·Π°ΠΊΠΎΠ΄ΠΈΡΠΎΠ²Π°Π½Π½ΡΠΉ ΡΡΠ°Π½ΡΠΏΠΎΠ½Π΄Π΅Ρ, ΠΎΠ½ΠΈ ΠΌΠΎΠ³ΡΡ Π²ΡΠ·Π²Π°ΡΡ Π²ΡΠ΅ΠΌΠ΅Π½Π½ΡΡ ΠΏΡΠΎΠ±Π»Π΅ΠΌΡ. ΠΡΠ»ΠΈ Ρ Π²Π°Ρ Π²ΠΎΠ·Π½ΠΈΠΊΠ»Π° ΠΏΡΠΎΠ±Π»Π΅ΠΌΠ°, Π²ΡΠΊΠ»ΡΡΠΈΡΠ΅ Π·Π°ΠΆΠΈΠ³Π°Π½ΠΈΠ΅, ΡΠ±Π΅ΡΠΈΡΠ΅ Π²ΡΠ΅ ΠΏΡΠ΅Π΄ΠΌΠ΅ΡΡ Ρ Π±ΡΠ΅Π»ΠΎΠΊΠ° ΠΏΠΎΠ΄Π°Π»ΡΡΠ΅ ΠΎΡ Π·Π°ΠΏΡΠΎΠ³ΡΠ°ΠΌΠΌΠΈΡΠΎΠ²Π°Π½Π½ΠΎΠ³ΠΎ ΠΊΠ»ΡΡΠ° ΠΈ ΠΏΠΎΠΏΡΠΎΠ±ΡΠΉΡΠ΅ ΡΠ½ΠΎΠ²Π° Π·Π°ΠΏΡΡΡΠΈΡΡ Π΄Π²ΠΈΠ³Π°ΡΠ΅Π»Ρ.
ΠΡΡΡΡΡΠ΅ ΡΠ΅ΡΠ΅Π½ΠΈΡ Π² ΡΠ»ΡΡΠ°Π΅ Π»ΠΎΠΆΠ½ΠΎΠΉ ΡΡΠ΅Π²ΠΎΠ³ΠΈ Π ΡΡΠ°ΡΡΡΡ, Π΅ΡΠ»ΠΈ Π²Ρ ΡΡΠΎΠ»ΠΊΠ½ΡΠ»ΠΈΡΡ Ρ Π»ΠΎΠΆΠ½ΠΎΠΉ ΡΡΠ΅Π²ΠΎΠ³ΠΎΠΉ ΠΈΠ»ΠΈ Π½Π΅ ΠΌΠΎΠΆΠ΅ΡΠ΅ Π·Π°Π²Π΅ΡΡΠΈ Π³ΡΡΠ·ΠΎΠ²ΠΈΠΊ, Ρ Π²Π°Ρ Π΅ΡΡΡ Π½Π΅ΡΠΊΠΎΠ»ΡΠΊΠΎ Π²Π°ΡΠΈΠ°Π½ΡΠΎΠ² ΡΠ±ΡΠΎΡΠ° ΡΠΈΡΡΠ΅ΠΌΡ.
ΠΠ΅ΡΠ²ΠΎΠ΅ ΠΈ ΡΠ°ΠΌΠΎΠ΅ ΠΏΡΠΎΡΡΠΎΠ΅, ΡΡΠΎ ΠΌΠΎΠΆΠ½ΠΎ ΠΏΠΎΠΏΡΠΎΠ±ΠΎΠ²Π°ΡΡ, β ΡΡΠΎ Π½Π°ΠΆΠ°ΡΡ ΠΊΠ½ΠΎΠΏΠΊΡ Π±ΡΠ΄ΠΈΠ»ΡΠ½ΠΈΠΊΠ° Π½Π° Π±ΡΠ΅Π»ΠΎΠΊΠ΅, ΡΡΠΎ Π΄ΠΎΠ»ΠΆΠ½ΠΎ ΠΎΡΠΊΠ»ΡΡΠΈΡΡ ΡΠΈΠ³Π½Π°Π»ΠΈΠ·Π°ΡΠΈΡ ΠΈ ΠΏΠ΅ΡΠ΅Π·Π°Π³ΡΡΠ·ΠΈΡΡ ΡΠΈΡΡΠ΅ΠΌΡ. ΠΡΠ»ΠΈ ΡΡΠΎ Π½Π΅ ΡΡΠ°Π±ΠΎΡΠ°Π΅Ρ, Π²ΠΎΠ·ΠΌΠΎΠΆΠ½ΠΎ, ΠΏΡΠΎΡΠΈΠ²ΠΎΡΠ³ΠΎΠ½Π½Π°Ρ ΡΠΈΡΡΠ΅ΠΌΠ° ΡΡΠ°Π±ΠΎΡΠ°Π»Π° ΠΏΠΎ Π΄ΡΡΠ³ΠΎΠΉ ΠΏΡΠΈΡΠΈΠ½Π΅.
Π‘Π»Π΅Π΄ΡΡΡΠ΅Π΅, ΡΡΠΎ Π²Ρ Π΄ΠΎΠ»ΠΆΠ½Ρ ΠΏΡΠΎΠ²Π΅ΡΠΈΡΡ, ΡΡΠΎ ΡΠΈΠ»ΠΈΠ½Π΄Ρ Π΄Π²Π΅ΡΠ½ΠΎΠ³ΠΎ Π·Π°ΠΌΠΊΠ°, ΡΡΠΎΠ±Ρ ΡΠ±Π΅Π΄ΠΈΡΡΡΡ, ΡΡΠΎ ΠΎΠ½ Π½Π΅ ΠΏΠΎΠ²ΡΠ΅ΠΆΠ΄Π΅Π½. Π¦ΠΈΠ»ΠΈΠ½Π΄Ρ Π½Π°Ρ ΠΎΠ΄ΠΈΡΡΡ Π½Π° Π²Π½ΡΡΡΠ΅Π½Π½Π΅ΠΉ ΡΡΠΎΡΠΎΠ½Π΅ Π΄Π²Π΅ΡΠΈ, Π³Π΄Π΅ ΠΎΠ½ Π·Π°ΡΠ΅Π»ΠΊΠΈΠ²Π°Π΅ΡΡΡ Π½Π° ΠΊΡΠ·ΠΎΠ²Π΅ Π°Π²ΡΠΎΠΌΠΎΠ±ΠΈΠ»Ρ. ΠΡΠ»ΠΈ ΠΎΠ½Π° Π²ΡΠ³Π»ΡΠ΄ΠΈΡ ΠΏΠΎΠ²ΡΠ΅ΠΆΠ΄Π΅Π½Π½ΠΎΠΉ ΠΈΠ»ΠΈ Π½Π΅ Π·Π°ΠΏΠΈΡΠ°Π΅ΡΡΡ Π΄ΠΎΠ»ΠΆΠ½ΡΠΌ ΠΎΠ±ΡΠ°Π·ΠΎΠΌ, ΡΡΠΎ ΠΌΠΎΠΆΠ΅Ρ Π±ΡΡΡ ΠΏΡΠΈΡΠΈΠ½ΠΎΠΉ ΡΡΠ°Π±Π°ΡΡΠ²Π°Π½ΠΈΡ ΡΠΈΠ³Π½Π°Π»ΠΈΠ·Π°ΡΠΈΠΈ, ΠΏΠΎΡΠΊΠΎΠ»ΡΠΊΡ ΠΏΡΠΎΡΠΈΠ²ΠΎΡΠ³ΠΎΠ½Π½Π°Ρ ΡΠΈΡΡΠ΅ΠΌΠ° ΠΌΠΎΠΆΠ΅Ρ ΠΏΠΎΠ΄ΡΠΌΠ°ΡΡ, ΡΡΠΎ ΠΊΡΠΎ-ΡΠΎ ΠΏΡΡΠ°Π΅ΡΡΡ Π²Π·Π»ΠΎΠΌΠ°ΡΡ Π΄Π²Π΅ΡΡ.
ΠΡΠΎΠΌΠ΅ ΡΠΎΠ³ΠΎ, ΠΏΡΠΎΠ²Π΅ΡΡΡΠ΅ ΠΌΠ΅ΡΡΠΎ ΠΏΠΎΠ΄ Π΄Π²Π΅ΡΠ½ΠΎΠΉ ΡΡΡΠΊΠΎΠΉ, Π³Π΄Π΅ ΠΊΡΠΎ-ΡΠΎ ΠΌΠΎΠΆΠ΅Ρ ΠΏΠΎΠΏΡΡΠ°ΡΡΡΡ ΠΎΡΠΊΡΡΡΡ Π·Π°ΠΏΠ΅ΡΡΡΡ Π΄Π²Π΅ΡΡ ΠΎΡΠ²Π΅ΡΡΠΊΠΎΠΉ. ΠΡΠ»ΠΈ ΡΡΠ° ΠΎΠ±Π»Π°ΡΡΡ ΠΏΠΎΠ²ΡΠ΅ΠΆΠ΄Π΅Π½Π°, ΡΡΠΎ ΠΌΠΎΠΆΠ΅Ρ ΠΏΡΠΈΠ²Π΅ΡΡΠΈ ΠΊ ΡΡΠ°Π±Π°ΡΡΠ²Π°Π½ΠΈΡ ΡΠΈΠ³Π½Π°Π»ΠΈΠ·Π°ΡΠΈΠΈ. ΠΡΠ»ΠΈ ΡΠΈΠ»ΠΈΠ½Π΄Ρ Π΄Π²Π΅ΡΠ½ΠΎΠ³ΠΎ Π·Π°ΠΌΠΊΠ° ΠΈΠ»ΠΈ Π΄Π²Π΅ΡΠ½Π°Ρ ΡΡΡΠΊΠ° Π²ΡΠ³Π»ΡΠ΄ΡΡ ΠΏΠΎΠ²ΡΠ΅ΠΆΠ΄Π΅Π½Π½ΡΠΌΠΈ, ΠΎΠ±ΡΠ°ΡΠΈΡΠ΅ΡΡ ΠΊ Π΄ΠΈΠ»Π΅ΡΡ Ford Π΄Π»Ρ ΠΈΡ Π·Π°ΠΌΠ΅Π½Ρ.
Π£Π±Π΅Π΄ΠΈΡΠ΅ΡΡ, ΡΡΠΎ Π²Ρ ΠΈΡΠΏΠΎΠ»ΡΠ·ΡΠ΅ΡΠ΅ ΠΏΡΠ°Π²ΠΈΠ»ΡΠ½ΡΠΉ ΠΊΠ»ΡΡ. ΠΡΠΎ ΠΌΠΎΠΆΠ΅Ρ ΠΏΠΎΠΊΠ°Π·Π°ΡΡΡΡ ΠΎΡΠ΅Π²ΠΈΠ΄Π½ΡΠΌ, Π½ΠΎ ΠΊΠΎΠ³Π΄Π° Π²Ρ ΡΠΏΠ΅ΡΠΈΡΠ΅, ΠΏΠΎΠ΄ΠΎΠ±ΡΠ°ΡΡ Π½Π΅ΠΏΡΠ°Π²ΠΈΠ»ΡΠ½ΡΠΉ ΠΊΠ»ΡΡ ΠΏΡΠΎΡΠ΅, ΡΠ΅ΠΌ Π²Ρ Π΄ΡΠΌΠ°Π΅ΡΠ΅, ΠΈ ΡΡΠΎ ΠΏΡΠΈΠ²Π΅Π΄Π΅Ρ ΠΊ ΡΡΠ°Π±Π°ΡΡΠ²Π°Π½ΠΈΡ ΠΏΡΠΎΡΠΈΠ²ΠΎΡΠ³ΠΎΠ½Π½ΠΎΠΉ ΡΠΈΡΡΠ΅ΠΌΡ Π²Π°ΡΠ΅Π³ΠΎ Π³ΡΡΠ·ΠΎΠ²ΠΈΠΊΠ°.
ΠΡΠΎ ΡΠ²ΡΠ·Π°Π½ΠΎ Ρ ΡΠ΅ΠΌ, ΡΡΠΎ Π°Π²ΡΠΎΠΌΠΎΠ±ΠΈΠ»Ρ Π±ΡΠ΄Π΅Ρ Π΄ΡΠΌΠ°ΡΡ, ΡΡΠΎ Π²Ρ ΠΏΡΡΠ°Π΅ΡΠ΅ΡΡ ΠΈΡΠΏΠΎΠ»ΡΠ·ΠΎΠ²Π°ΡΡ ΠΏΠΎΠ΄Π΄Π΅Π»ΡΠ½ΡΠΉ ΠΊΠ»ΡΡ.
ΠΡΠ»ΠΈ Π²Π°ΠΌ Π½ΡΠΆΠ½ΠΎ Π±ΠΎΠ»ΡΡΠ΅ ΡΡΠ°Π½ΡΠΏΠΎΠ½Π΄Π΅ΡΠ½ΡΡ ΠΊΠ»ΡΡΠ΅ΠΉ, Π²Ρ ΠΌΠΎΠΆΠ΅ΡΠ΅ ΡΠ°ΠΌΠΎΡΡΠΎΡΡΠ΅Π»ΡΠ½ΠΎ Π·Π°ΠΏΡΠΎΠ³ΡΠ°ΠΌΠΌΠΈΡΠΎΠ²Π°ΡΡ ΠΈΡ Π΄Π»Ρ ΡΠ²ΠΎΠ΅Π³ΠΎ Π°Π²ΡΠΎΠΌΠΎΠ±ΠΈΠ»Ρ. ΠΡΠΎΡ ΠΌΠ΅ΡΠΎΠ΄ ΡΠΎΠ³Π»Π°ΡΡΠ΅Ρ ΠΊΠΎΠ΄ΠΈΡΠΎΠ²Π°Π½ΠΈΠ΅ ΠΊΠ°ΠΊ ΠΈΠΌΠΌΠΎΠ±ΠΈΠ»Π°ΠΉΠ·Π΅ΡΠ° Π΄Π²ΠΈΠ³Π°ΡΠ΅Π»Ρ, ΡΠ°ΠΊ ΠΈ ΡΠΈΡΡΠ΅ΠΌΡ Π΄ΠΈΡΡΠ°Π½ΡΠΈΠΎΠ½Π½ΠΎΠ³ΠΎ Π΄ΠΎΡΡΡΠΏΠ° Ρ Π²Π°ΡΠΈΠΌ ΠΊΠ»ΡΡΠΎΠΌ ΠΈ Π²Π°ΡΠΈΠΌ Π°Π²ΡΠΎΠΌΠΎΠ±ΠΈΠ»Π΅ΠΌ.
ΠΠ»Ρ ΠΏΡΠΎΠ³ΡΠ°ΠΌΠΌΠΈΡΠΎΠ²Π°Π½ΠΈΡ Π½ΠΎΠ²ΠΎΠ³ΠΎ ΡΡΠ°Π½ΡΠΏΠΎΠ½Π΄Π΅ΡΠ½ΠΎΠ³ΠΎ ΠΊΠ»ΡΡΠ° Π²Π°ΠΌ ΠΏΠΎΡΡΠ΅Π±ΡΡΡΡΡ ΠΊΠ°ΠΊ ΠΈΠ·Π½Π°ΡΠ°Π»ΡΠ½ΠΎ Π·Π°ΠΏΡΠΎΠ³ΡΠ°ΠΌΠΌΠΈΡΠΎΠ²Π°Π½Π½ΡΠ΅ ΠΊΠ»ΡΡΠΈ, ΡΠ°ΠΊ ΠΈ Π½ΠΎΠ²ΡΠΉ Π½Π΅Π·Π°ΠΊΠΎΠ΄ΠΈΡΠΎΠ²Π°Π½Π½ΡΠΉ ΠΊΠ»ΡΡ. ΠΡΠ»ΠΈ Ρ Π²Π°Ρ Π½Π΅Ρ Π΄Π²ΡΡ ΠΎΡΠΈΠ³ΠΈΠ½Π°Π»ΡΠ½ΡΡ Π·Π°ΠΊΠΎΠ΄ΠΈΡΠΎΠ²Π°Π½Π½ΡΡ ΠΊΠ»ΡΡΠ΅ΠΉ, Π²Π°ΠΌ Π½ΡΠΆΠ½ΠΎ Π±ΡΠ΄Π΅Ρ Π΄ΠΎΡΡΠ°Π²ΠΈΡΡ ΡΠ²ΠΎΠΉ Π°Π²ΡΠΎΠΌΠΎΠ±ΠΈΠ»Ρ Π² ΠΌΠ΅ΡΡΠ½ΡΠΉ ΡΠ΅ΡΠ²ΠΈΡΠ½ΡΠΉ ΡΠ΅Π½ΡΡ Ford, ΡΡΠΎΠ±Ρ Π·Π°ΠΊΠΎΠ΄ΠΈΡΠΎΠ²Π°ΡΡ Π½ΠΎΠ²ΡΠΉ ΠΊΠ»ΡΡ. Π§ΡΠΎΠ±Ρ Π·Π°ΠΏΡΠΎΠ³ΡΠ°ΠΌΠΌΠΈΡΠΎΠ²Π°ΡΡ ΠΊΠ»ΡΡ, Π²ΡΠΏΠΎΠ»Π½ΠΈΡΠ΅ ΡΠ»Π΅Π΄ΡΡΡΠΈΠ΅ Π΄Π΅ΠΉΡΡΠ²ΠΈΡ:
- ΠΠ»Ρ Π½Π°ΡΠ°Π»Π° Π²ΡΡΠ°Π²ΡΡΠ΅ ΠΏΠ΅ΡΠ²ΡΠΉ ΡΠ°Π½Π΅Π΅ Π·Π°ΠΊΠΎΠ΄ΠΈΡΠΎΠ²Π°Π½Π½ΡΠΉ ΠΊΠ»ΡΡ Π² Π·Π°ΠΌΠΎΠΊ Π·Π°ΠΆΠΈΠ³Π°Π½ΠΈΡ. ΠΠΊΠ»ΡΡΠΈΡΠ΅ Π·Π°ΠΆΠΈΠ³Π°Π½ΠΈΠ΅ ΠΈ Π΄Π΅ΡΠΆΠΈΡΠ΅ Π΅Π³ΠΎ Π² ΡΡΠΎΠΌ ΠΏΠΎΠ»ΠΎΠΆΠ΅Π½ΠΈΠΈ Π½Π΅ ΠΌΠ΅Π½Π΅Π΅ ΡΡΠ΅Ρ ΠΈ Π½Π΅ Π±ΠΎΠ»Π΅Π΅ 10 ΡΠ΅ΠΊΡΠ½Π΄.
- ΠΡΠΊΠ»ΡΡΠΈΡΠ΅ Π·Π°ΠΆΠΈΠ³Π°Π½ΠΈΠ΅ ΠΈ Π²ΡΠ½ΡΡΠ΅ ΠΊΠ»ΡΡ.
Π§Π΅ΡΠ΅Π· ΡΡΠΈ ΡΠ΅ΠΊΡΠ½Π΄Ρ ΠΈ Π΄ΠΎ 10 ΡΠ΅ΠΊΡΠ½Π΄ Π²ΡΡΠ°Π²ΡΡΠ΅ Π² Π·Π°ΠΌΠΎΠΊ Π·Π°ΠΆΠΈΠ³Π°Π½ΠΈΡ Π²ΡΠΎΡΠΎΠΉ ΡΠ°Π½Π΅Π΅ Π·Π°ΠΊΠΎΠ΄ΠΈΡΠΎΠ²Π°Π½Π½ΡΠΉ ΠΊΠ»ΡΡ ΠΈ ΠΏΠΎΠ²ΡΠΎΡΠΈΡΠ΅ ΠΏΠ΅ΡΠ²ΡΡ ΠΏΡΠΎΡΠ΅Π΄ΡΡΡ. - ΠΡΠΊΠ»ΡΡΠΈΡΠ΅ Π·Π°ΠΆΠΈΠ³Π°Π½ΠΈΠ΅ ΠΈ ΠΈΠ·Π²Π»Π΅ΠΊΠΈΡΠ΅ ΠΈΠ· Π·Π°ΠΌΠΊΠ° Π·Π°ΠΆΠΈΠ³Π°Π½ΠΈΡ Π²ΡΠΎΡΠΎΠΉ Π·Π°ΠΊΠΎΠ΄ΠΈΡΠΎΠ²Π°Π½Π½ΡΠΉ ΠΊΠ»ΡΡ. Π§Π΅ΡΠ΅Π· ΡΡΠΈ ΡΠ΅ΠΊΡΠ½Π΄Ρ ΠΈ Π΄ΠΎ 20 ΡΠ΅ΠΊΡΠ½Π΄ Π²ΡΡΠ°Π²ΡΡΠ΅ Π½ΠΎΠ²ΡΠΉ Π½Π΅Π·Π°ΠΊΠΎΠ΄ΠΈΡΠΎΠ²Π°Π½Π½ΡΠΉ ΠΊΠ»ΡΡ Π² Π·Π°ΠΌΠΎΠΊ Π·Π°ΠΆΠΈΠ³Π°Π½ΠΈΡ.
- ΠΠΊΠ»ΡΡΠΈΡΠ΅ Π·Π°ΠΆΠΈΠ³Π°Π½ΠΈΠ΅ ΠΈ Π΄Π΅ΡΠΆΠΈΡΠ΅ Π΅Π³ΠΎ Π²ΠΊΠ»ΡΡΠ΅Π½Π½ΡΠΌ Π½Π΅ ΠΌΠ΅Π½Π΅Π΅ 6 ΡΠ΅ΠΊΡΠ½Π΄. ΠΡΠ½ΡΡΠ΅ Π½ΠΎΠ²ΡΠΉ Π·Π°ΠΊΠΎΠ΄ΠΈΡΠΎΠ²Π°Π½Π½ΡΠΉ ΠΊΠ»ΡΡ ΠΈΠ· Π·Π°ΠΌΠΊΠ° Π·Π°ΠΆΠΈΠ³Π°Π½ΠΈΡ.
ΠΡΠ»ΠΈ ΠΊΠ»ΡΡ ΠΏΡΠ°Π²ΠΈΠ»ΡΠ½ΠΎ Π·Π°ΠΏΡΠΎΠ³ΡΠ°ΠΌΠΌΠΈΡΠΎΠ²Π°Π½, ΠΎΠ½ Π·Π°ΠΏΡΡΠΊΠ°Π΅Ρ Π΄Π²ΠΈΠ³Π°ΡΠ΅Π»Ρ Π²Π°ΡΠ΅Π³ΠΎ Π³ΡΡΠ·ΠΎΠ²ΠΈΠΊΠ° ΠΈ ΡΠΏΡΠ°Π²Π»ΡΠ΅Ρ ΡΠΈΡΡΠ΅ΠΌΠΎΠΉ Π΄ΠΈΡΡΠ°Π½ΡΠΈΠΎΠ½Π½ΠΎΠ³ΠΎ Π΄ΠΎΡΡΡΠΏΠ°. ΠΠ½Π΄ΠΈΠΊΠ°ΡΠΎΡ Π·Π°ΡΠΈΡΡ ΠΎΡ ΠΊΡΠ°ΠΆΠΈ Π·Π°Π³ΠΎΡΠΈΡΡΡ Π½Π° ΡΡΠΈ ΡΠ΅ΠΊΡΠ½Π΄Ρ, Π° Π·Π°ΡΠ΅ΠΌ ΠΏΠΎΠ³Π°ΡΠ½Π΅Ρ, ΡΠΈΠ³Π½Π°Π»ΠΈΠ·ΠΈΡΡΡ ΠΎΠ± ΡΡΠΏΠ΅ΡΠ½ΠΎΠΌ ΠΏΡΠΎΠ³ΡΠ°ΠΌΠΌΠΈΡΠΎΠ²Π°Π½ΠΈΠΈ.
ΠΡΠ»ΠΈ ΠΏΡΠΎΠ³ΡΠ°ΠΌΠΌΠΈΡΠΎΠ²Π°Π½ΠΈΠ΅ Π½Π΅ Π±ΡΠ»ΠΎ ΡΡΠΏΠ΅ΡΠ½ΡΠΌ, ΠΈΠ½Π΄ΠΈΠΊΠ°ΡΠΎΡ Π·Π°ΡΠΈΡΡ ΠΎΡ ΠΊΡΠ°ΠΆΠΈ ΠΌΠΎΠΆΠ΅Ρ Π±ΡΡΡΡΠΎ ΠΌΠΈΠ³Π°ΡΡ, ΠΈ ΠΊΠ»ΡΡ Π½Π΅ Π·Π°ΠΏΡΡΡΠΈΡ Π²Π°Ρ Π³ΡΡΠ·ΠΎΠ²ΠΈΠΊ ΠΈΠ»ΠΈ Π½Π΅ ΠΏΡΠΈΠ²Π΅Π΄Π΅Ρ Π² Π΄Π΅ΠΉΡΡΠ²ΠΈΠ΅ ΡΠΈΡΡΠ΅ΠΌΡ Π΄ΠΈΡΡΠ°Π½ΡΠΈΠΎΠ½Π½ΠΎΠ³ΠΎ Π΄ΠΎΡΡΡΠΏΠ°. Π§Π΅ΡΠ΅Π· 20 ΡΠ΅ΠΊΡΠ½Π΄ Π²Ρ ΠΌΠΎΠΆΠ΅ΡΠ΅ ΠΏΠΎΠ²ΡΠΎΡΠΈΡΡ ΠΏΡΠΎΡΠ΅Π΄ΡΡΡ, Π½ΠΎ Π΅ΡΠ»ΠΈ ΠΎΠ½Π° Π½Π΅ ΡΡΠ°Π±ΠΎΡΠ°Π΅Ρ, Π΄ΠΎΡΡΠ°Π²ΡΡΠ΅ ΡΠ²ΠΎΠΉ Π°Π²ΡΠΎΠΌΠΎΠ±ΠΈΠ»Ρ ΠΊ Π΄ΠΈΠ»Π΅ΡΡ Ford Π΄Π»Ρ ΠΏΡΠΎΠ³ΡΠ°ΠΌΠΌΠΈΡΠΎΠ²Π°Π½ΠΈΡ Π½ΠΎΠ²ΠΎΠ³ΠΎ ΠΊΠ»ΡΡΠ°.

ΠΠΎΠ»ΡΡΠ°Π΅Ρ ΠΎΡ Π΄ΡΡΠ³ΠΈΡ
ΠΊΠΎΠΌΠΏΠΎΠ½Π΅Π½ΡΠΎΠ² ΡΠΈΠ³Π½Π°Π»Ρ, ΡΠ°ΡΡΠΈΡΡΠΎΠ²ΡΠ²Π°Π΅Ρ ΠΈ ΠΎΠ±ΡΠ°Π±Π°ΡΡΠ²Π°Π΅Ρ ΠΈΡ
, ΠΏΠΎΡΠ»Π΅ ΡΠ΅Π³ΠΎ, Π΅ΡΡΠ΅ΡΡΠ²Π΅Π½Π½ΠΎ, ΠΎΡΠ΄Π°Π΅Ρ ΡΠΏΡΠ°Π²Π»ΡΡΡΠΈΠ΅ ΠΊΠΎΠΌΠ°Π½Π΄Ρ.
ΠΠΎΠ³ΡΡ Π²ΡΠ΄Π°Π²Π°ΡΡ ΡΠΎΠΎΠ±ΡΠ΅Π½ΠΈΡ ΠΎ Π»ΠΎΠΆΠ½ΡΡ
ΠΎΡΠΈΠ±ΠΊΠ°Ρ
.
Π§Π°ΡΡΠΎ ΠΈΠΌΠΌΠΎΠ±ΠΈΠ»Π°ΠΉΠ·Π΅Ρ Π²ΡΡΡΠΏΠ°Π΅Ρ Π² ΠΊΠΎΠ½ΡΠ»ΠΈΠΊΡ Ρ Π½ΠΎΠ²ΠΎΠΉ Π°Π²ΡΠΎΡΠΈΠ³Π½Π°Π»ΠΈΠ·Π°ΡΠΈΠ΅ΠΉ, Π° Π΄Π΅ΠΌΠΎΠ½ΡΠΈΡΠΎΠ²Π°ΡΡ Π΅Π³ΠΎ Π½Π΅ ΠΏΡΠ΅Π΄ΡΡΠ°Π²Π»ΡΠ΅ΡΡΡ Π²ΠΎΠ·ΠΌΠΎΠΆΠ½ΡΠΌ.
ΠΠ°ΠΆΠΌΠΈΡΠ΅ ΠΊΠ½ΠΎΠΏΠΊΡ Π±ΠΎΡΡΠΎΠ²ΠΎΠ³ΠΎ ΠΊΠΎΠΌΠΏΡΡΡΠ΅ΡΠ° ΡΠΎ ΠΊΠΎΠ»ΠΈΡΠ΅ΡΡΠ²ΠΎ ΡΠ°Π·, ΠΊΠΎΡΠΎΡΠΎΠ΅ ΡΠΎΠΎΡΠ²Π΅ΡΡΡΠ²ΡΠ΅Ρ ΡΠΈΡΡΠ΅.
ΠΡΠΈ ΡΠΎΠ²ΠΏΠ°Π΄Π΅Π½ΠΈΠΈ ΡΠΎ ΡΠ»Π΅Π΄ΡΡΡΠ΅ΠΉ ΡΠΈΡΡΠΎΠΉ ΠΎΡΠΏΡΡΡΠΈΡΠ΅ ΠΊΠ»Π°Π²ΠΈΡΡ.
Π§Π΅ΡΠ΅Π· ΡΡΠΈ ΡΠ΅ΠΊΡΠ½Π΄Ρ ΠΈ Π΄ΠΎ 10 ΡΠ΅ΠΊΡΠ½Π΄ Π²ΡΡΠ°Π²ΡΡΠ΅ Π² Π·Π°ΠΌΠΎΠΊ Π·Π°ΠΆΠΈΠ³Π°Π½ΠΈΡ Π²ΡΠΎΡΠΎΠΉ ΡΠ°Π½Π΅Π΅ Π·Π°ΠΊΠΎΠ΄ΠΈΡΠΎΠ²Π°Π½Π½ΡΠΉ ΠΊΠ»ΡΡ ΠΈ ΠΏΠΎΠ²ΡΠΎΡΠΈΡΠ΅ ΠΏΠ΅ΡΠ²ΡΡ ΠΏΡΠΎΡΠ΅Π΄ΡΡΡ.