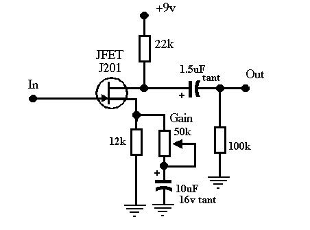
| Бустер для баc гитары своими рукамиНередко начинающие музыканты используют довольно дешевые инструменты, которые выдают посредственный звук и обладают довольно высоким фоном. Как результат, молодой басист получает на репетиции вместо хорошего звука глухой шум. Несколько исправить ситуацию может применение бустера, который я и предлагаю создать. Схема бустера проста и доступна для повторения даже новичками. От Вас не потребуется каких-то специальных навыков или дорогостоящего оборудования. Описанное ниже устройство действительно работает и превосходит по качеству бустеры, встроенные в бас гитарные процессоры, до которых я смог дотянуться. До момента создания этого устройства я никогда не занимался радиоэлектроникой, оборудование, навыки и знания у меня самые поверхностные — заранее предупреждаю, что мою статью не стоит считать истиной на все 100% и приношу свои извинения за возможные ошибки и неточности. Вообще на мысль спаять что-либо для бас гитары меня навел друг, тоже бас-гитарист, во время бесед об улучшении и изменении звука бас гитары. Как раз в это время я и нашел схему бустера, сборку по которой я и проводил. Для изготовления бустера нам обязательно понадобятся некоторые компоненты, а также приспособления, которыми мы будем соединять нужные радиодетали в единую схему. Радиодетали без проблем можно купить в любом магазине радиотехники. Необходимые радиодеталиПройдемся поподробнее по необходимым нам радиодеталям:
А вот фото всего, что нам понадобилось. Необходимые инструменты и расходные материалыИнструменты и расходные материалы, которые я применял в процессе изготовления:
Изготовление печатной платы, пайка радиоэлементовЕсли все закуплено и подготовлено, можем закатать рукава и начать из кучи всяких разных вещей создавать бустер. Сперва мне предстояло решить, как я буду изготавливать саму плату. Я остановился на «лазерно-утюжном методе» (ЛУТ), который широко и подробно описан в множестве разных источников в сети. Итак, первым делом надо было получить на текстолите рисунок дорожек. Для начала я нарисовал как будут располагаться радиодетали, при виде на них сверху. Далее, вот так будет выглядеть печатная плата со стороны дорожек. Для ЛУТ в какой-либо простой программе создаем зеркальное отображение дорожек. Я использую sprint-layout 4.0 — эта программа довольно проста — за полчаса самый нуб сможет нарисовать дорожки. Далее следуем пунктам ЛУТа , распечатанный чертеж прикладываем к текстолиту, от души приглаживаем утюгом, далее опускаем в простую теплую воду и срываем размокшую бумагу. В момент, когда я создавал свою схему под рукой, к сожалению, не было лазерного принтера и негде было распечатать, поэтому я кое-как, используя изоленту и водонепроницаемый маркер, нанес рисунок на текстолит. Затем я развел раствор хлорного железа. Как видим — в плате есть ошибки, места, где защита была недостаточна и хлорное железо немного просочилось сквозь нее. Это мы исправим лужением. Лужение заключается в том, что взяв на кончик паяльника совсем немного припоя мы просто водим по плате. ВНИМАНИЕ!!! Припоя надо брать совсем мало, чтобы он не застывал каплями на плате — это будет выглядеть непрезентабельно и может затруднить последующий монтаж радиодеталей. Припой будет ложиться только на дорожки, места между ними, где хлорное железо вытравило медь останутся нетронутыми, надо быть аккуратным в местах, где расстояние между дорожками маленькое. Более хороший результат можно получить, предварительно покрыв плату флюсом (я использовал в качестве флюса ортофосфорную кислоту). Следующий этап-монтаж радиоэлементов. Я начинал с резисторов, затем последовали конденсаторы, транзистор и контакты. Внимательнее следите за точными местами деталей на плате. Я для себя подписывал места назначения элементов, полярность для С1 и С6, а также места эмиттера, коллектора и базы транзистора. Итого получаем: Теперь займемся нашими выходами. Для начала я зачистил надфилем контакты 1-который подключается к схеме и 2-который пойдет на заземление схемы (в гитаре этот контакт идет на корпус. Покрыв контакты флюсом-кислотой лудим их. Затем я облудил концы монтажных проводов и припаял их к контактам. Припаиваем посредством проводов вход и выход к нашей плате и получаем готовое устройство. Все сделано. Автор: legenda_blin
| Дайджест бас-гитарных новостей BassWeek 3: Magellan Pre, Lignum Sub Octave Bass, Догнать мейнстрим, Tonex Pedal, новый альбом Static-XДайджест бас-гитарных новостей BassWeek 2: Strymon Reverb, экстримальные струны BeastMode и переиздание Mot?rhead Современные виниловые пластинки: в чем отличие от старого винила?Идеи для подарка начинающему гитаристу Bass Day In St. Peterburg 2019BassLife Podcast №99 — Складные гитары Ciari Ascender, нейросети, Blackstar и BOSS SY-1 / RC-10R |
Промывка (чистка) теплообменника газового котла своими руками + ВИДЕО
Современная вода содержит большое количество вредных химически активных веществ, что способствует быстрому отложению накипи на различных нагревательных элементах.
Накипь – это первый враг таких важных агрегатов, как, например, газовый котёл. В первую очередь пострадает находящий внутри котла теплообменник. Следствие: дорогостоящий ремонт или необходимость покупки нового элемента.
Предотвратить подобные последствия возможно. Достаточно своевременно проводить чистку теплообменника, а выполнять данную процедуру вполне возможно и самостоятельно.
Что такое теплообменник?
Теплообменник является важной составляющей газового котла. Его основная функция – передача тепла от нагретого элемента к второстепенному.
Существует несколько видов теплообменников:
Вторичный пластинчатый теплообменник ГВС для котла Baxi- Совмещённые или битермические теплообменники. Во многих современных двухконтурных котлах отопления устанавливаются битермические теплообменники, которое объединяют в одной конструкции два теплообменника: для отопления и для горячего водоснабжения (ГВС).
Предназначен для нагрева воды в контуре отопления и для ГВСБитермический теплообменник ещё называют сдвоенным. В разрезе видно, что конструктивно он представляет «трубу в трубе».
По внутренней трубе протекает вода системы горячего водоснабжения, по наружной —теплоноситель системы отопления
Одноконтурный или двухконтурный котёл – есть ли разница?
Разновидности котлов никак не влияют на временные сроки, через которые необходимо промывать теплообменник. Гораздо важнее, какая жидкость (теплоноситель) циркулирует в системе отопления и какая поступает для ГВС.
При использовании технической воды, прошедшей стандартную очистку, промывку котла можно выполнять не чаще чем один раз в четыре года. При этом удаляется слой накипи (которая всё равно образуется) и отложения, имеющие более сложную структуру. Если не фильтровать воду перед заливкой в систему, а использовать обыкновенную из централизованного водопровода, то промывка должна происходить чаще, не менее чем один раз в два года.
Это обусловлено высоким содержанием хлора в жидкости, который при контакте с нагревательным элементом оседает в виде накипи.
Некоторые пользователи предпочитают использовать в качестве теплоносителя антифриз. Эта жидкость более качественна: не замерзает даже при низких температурах, более медленно отдаёт тепло, но быстро нагревается. К сожалению, антифриз ядовит, и распадаясь на составляющие, приводит к порче металлических конструкций. Теплообменник, по которому циркулирует антифриз, следует прочищать не менее чем один раз в 1,5-2 года.
Поэтому как одноконтурный, так и двухконтурный котёл требует своевременной чистки теплообменника, перерывы между которой одинаковы во всех системах.
Чтобы реже очищать битермический теплообменник, необходимо позаботиться не только о качестве теплоносителя в отопительном контуре, но и о качестве воды в системе ГВС. Следует предварительно очищать и фильтровать воду.
Также следует учитывать тот факт, что процесс отложения накипи начинается при температуре 70°C, его скорость возрастает в 2 раза при увеличении температуры на каждые 10°C. При этом происходит прогрессирование процесса, так как нарастающий слой кальция ухудшает теплопередачу и температура стенки теплообмена увеличивается.
Основные способы чистки
Чистка теплообменника может выполняться несколькими способами:
- Механический. Теплообменник является системой труб небольшого диаметра, прочистить которые вполне возможно с помощью небольшой щётки и тросика.
- Используя химически активные вещества. Подбирать подобные реактивы следует очень тщательно, слишком сильные препараты могут привести к порче внутренних поверхностей и течи.
- Подавая воду под большим давлением. Перед данной процедурой жидкость лучше всего нагреть до 70-80°C.
Если чистить теплообменник самостоятельно, то третий вариант может потребовать серьёзных затрат, так как потребуется установка, способная обеспечить высокий напор воды.
При чистке своими руками следует воспользоваться механическим или химическим способом.
Последовательность разборки котла и извлечения теплообменника
Следует запомнить, что выполнять данную процедуру в разгар отопительного сезона не следует. Потому что появляются определённые временные рамки, за которые необходимо извлечь теплообменник, промыть его и установить на место. За это время в отопительной системе не будет постоянного поддержания температуры, а при сильных морозах это чревато серьёзными последствиями или резким остыванием дома, что приведёт к дополнительным тратам на его нагрев.
Последовательность чистки газового котла:
- Демонтировать горелочное устройство. Сразу необходимо не только снимать деталь, но и прочищать её. Для качественной чистки горелки удобнее всего использовать зубную щётку. Этот предмет личной гигиены позволит добраться в труднодоступные места.
- Далее происходит отстыковка питающих проводов от газового клапана и извлечение термопары из камеры сгорания.
Чтобы извлечь термопару, сначала необходимо снять капиллярную трубку, соединяющую её с газовым клапаном. - Отсоединить патрубки, через которые происходит подача газа в устройство. Теперь остаётся только открутить 4 болта (в некоторых моделях используют гайки). После отстыковки весь узел можно извлечь наружу и приступать к чистке.
Основной элемент – теплообменник. Чтобы добраться до него, необходимо убрать защитную крышку устройства и отстыковать 2 датчика: тяги и дымохода. Следом за датчиками надо убрать утеплитель. При длительной эксплуатации котла утеплитель лучше всего заменить на новый. Его некачественное состояние бывает причиной потерь энергии при работе.
После вышеперечисленных операций демонтируют кожух, и теплообменник остаётся открытым. Для его снятия мешают только турбулизаторы. Это устройство, которые замедляют движение отработанных газов. Температура газов бывает слишком высокой и при соответствующей скорости такой выхлоп может повредить внутренние поверхности теплообменника.
Разборка и промывка настенного котла BAXI Mainfour 24.
Чистка теплообменника механическим способом
Сняв теплообменник можно приступать к его чистке механическим способом. Конечно, можно выбрать и второй вариант (с использованием химически активных веществ), но он будет описан далее.
Пройдя поэтапно процесс снятия, и достав теплообменник наружу, пользователям открывается малопривлекательная картина: большое количество отложений и сажи как внутри труб, так и между пластинами охлаждения. Механический способ чистки подразумевает использование металлического тросика со щёткой на конце, а также различных скребков и лопаток. С помощью этого инструмента снимаются вредные отложения как с внутренних, так и с наружных поверхностей.
Наружную поверхность теплообменника можно очистить при помощи зубной щетки с жестким ворсомЧтобы процесс удаления грязи происходил быстрее, можно «замочить» устройство в воде, с добавлением моющих веществ.
Тогда налёт или накипь будет сниматься намного проще и без приложения усилий. При использовании троса его необходимо медленно проталкивать внутрь устройства, при этом проворачивая по часовой стрелке.
После того, как внутренняя часть будет прочищена, надо промыть теплообменник с помощью шланга, который можно подключить к централизованному водопроводу. Здесь не потребуется большое давление, даже обыкновенного потока воды достаточно, чтобы вымыть грязь, налёт и другие отложения.
Удалять загрязнение с внешней поверхности, особенно между лопастями, следует аккуратно, так как это может привести к повреждению теплообменника и нарушению его работы.
Что такое бустер и как смонтировать его своими руками
При чистке с помощью химически активных веществ, не требуется прилагать массу усилий, но следует приобрести или самостоятельно изготовить раствор, который удалит вредные отложения.
При использовании химических веществ бустер.
Бустер – это устройство, которое создаёт определённое давление в теплообменнике и позволяет прокачать сквозь него очищающую жидкость. Такой прибор можно приобрести в специализированно магазине за солидную сумму или сделать его самостоятельно.
Последовательность монтажа бустера:
- Приобрести 2 пластины из металла, толщиной не более 2,5 мм. Приложить их к теплообменнику и просверлить отверстия напротив выводов устройства.
- Приобрести 4 водопроводных крана по типу «американка». Для лучшей герметичности следует также купить шайбы на них.
- Краны необходимо установить в отверстия на пластинах, которые расположены внизу и, с помощью 4 болтов, соединить пластины между собой.
- Теперь необходимо найти подходящую ёмкость. Это может быть канистра из прочного пластика или такая же бутыль. Основное условие – идеально чистая поверхность внутри.
- В нижней части канистры монтируется переходник, к которому в дальнейшем будет подключаться шланг.
Переходник должен иметь достаточную герметичность.
При желании и наличии лишнего краника, его можно установить на переходник, но произвести промывку теплообменника можно и без него.
Вариант самодельного бустера с циркуляционным насосом представлен в видео.
Еще один вариант с использованием циркуляционного насоса.
Как почистить теплообменник с помощью бустера
Данная процедура требует сноровки и соблюдения некоторых правил техники безопасности:
- Все соединения системы должны быть максимально герметичны, чтобы избежать попадания химически активных веществ на кожу или в глаза.
- Раствор для промывки необходимо подготавливать только в средствах защиты (перчатки и, если потребуются, очки).

Теперь можно приступать к чистке теплообменника с помощью бустера. Для этого понадобится насос малой мощности, например, от стиральной машины или системы отопления, и устройство, последовательность изготовления которого была указана выше. Насос следует подключить к ёмкости, в которую потом залить не менее 6 литров воды. Воду перед этим подогревают до температуры не менее 50 градусов.
После подготовительного этапа, шланги от резервуара подключают на вход и выход теплообменника и запускают насос. Достаточно прогнать жидкость по системе один раз, и отключить насос. Теперь надо произвести тщательный осмотр, чтобы убедиться в высокой герметичности системы. Если нигде не замечено подтеканий или капель воды, значит очистку можно производит в полной мере.
В систему добавляют специальный раствор и запускают насос не менее чем на 40 минут. Следует помнить, что тщательной промывки требует, как основной, так и вторичный теплообменник. Тогда общее время должно составить не менее чем 1 час 20 минут (по 40 минут на каждый круг).
После того как средство для чистки прогонялось по системе в течение заданного времени, бустер можно отключать и подключать к выводам теплообменника шланг от крана централизованного водопровода. Достаточно 3-5 минут, и устройство можно обратно устанавливать на газовый котёл.
В видео показано, как промыть первичный и вторичный теплообменник котла Ariston при помощи бустера.
Промывка с использованием бустера и соляной кислоты.
Средства для чистки теплообменника
Применять для данной процедуры лучше всего средства, которые продают в бытовых или других специализированных магазинах. Но, для экономии средств, такой состав можно изготовить и самостоятельно.
Первое что используют чаще всего – раствор 10% серной кислоты.
Подобное средство можно применить, но делать это следует крайне аккуратно, так как серная кислота очень активна и может быстро прожечь тонкие стенки теплообменника. Результат: необходимость обращения к мастеру, который сможет запаять отверстие или покупка нового устройства. И первый, и второй вариант обойдутся пользователю в солидную сумму.
Можно прибегнуть к более щадящему и народному способу: на 20 г лимонной кислоты растворить на 1 л воды. Если результат не будет заметен сразу, то концентрацию следует немного повысить. Лимонная кислота качественно удаляет накипь и грязь, но при этом негативно воздействует на повреждённые ржавчиной участки.
В видео ниже показано, как разобрать котел Baxi Ecofour 24F и почистить теплообменник он накипи лимонной кислотой.
Поэтому лучше всего потратить немного больше средств, но почистить теплообменник специально созданными для этого средствами.
Например, препарат для очистки газовых котлов Detex. Ещё ни разу данный состав не повредил внутреннюю поверхность теплообменника и заслужил большое количество положительных отзывов от пользователей.
Преимущества использования жидкости DETEX:
- Удаление слоя накипи, биологических отложений, оксидов, солей.
- Состав жидкости не разрушает поверхности теплообменника.
- Содержит поверхностно активные вещества, антивспенивающие и коррозийно-ингибиторные присадки.
Подводя итоги
Чистка теплообменника является важной и обязательной процедурой, проводить которую необходимо через определённые временные промежутки. Только тогда срок эксплуатации газового котла будет продолжительным, а его работа надёжной. Перед проведением чистки необходимо тщательно изучить представленную выше информацию и точно следовать советам и рекомендациям.
8 усилителей сигнала сотовых телефонов Genius DIY
Устали сидеть в одном углу вашей гостиной или комплекса только для того, чтобы воспользоваться телефоном, потому что сотовая связь в вашем районе практически отсутствует? Любите походы, но не можете позволить себе оставаться на связи, любуясь водопадами и закатами? Если вы ответили утвердительно на любой из вопросов, то самодельный усилитель сигнала сотовой связи — это то, что вам нужно.
Самодельный усилитель сигнала сотового телефона усиливает ближайший сигнал, улучшая прием вашего телефона. Но большинство из них стоят 400 долларов и более, что делает создание собственного устройства хорошим способом сократить расходы. Мы перечислили восемь гениальных идей усилителя сигнала сотового телефона своими руками для вдохновения.
Усилитель сигнала сотового телефона — это устройство, используемое для усиления сигнала в определенном месте. Они часто используются в местах со слабым сигналом сотового телефона или в зданиях, где сигнал блокируется стенами или другими препятствиями.
Самодельный усилитель сигнала сотового телефона усиливает входящий сигнал, а затем передает его на телефон, что обеспечивает лучший прием и улучшает качество связи. Бустеры также работают в обратном порядке, то есть они будут извлекать исходящие сигналы с ваших сотовых устройств и ретранслировать их на ближайшую вышку сотовой связи.
Некоторые усилители сигнала сотовой связи предназначены для использования в определенном месте, например дома или в офисе, в то время как другие являются портативными и могут использоваться в дороге.
Чтобы сделать эту самодельную антенну для сотового телефона, не нужен большой бюджет или сложные детали. Просто возьмите любой медный провод, который у вас есть, магнитную GSM-антенну, а затем следуйте пошаговому руководству, показанному в видео выше, чтобы создать усилитель сигнала.
Результат? Высокоэффективный усилитель для сигналов сотовых телефонов 2G, 3G, 4G и LTE, поэтому вам никогда не придется сталкиваться с пропущенными вызовами, где бы вы ни находились.
Нужен только усилитель сигнала сотового телефона 4G DIY? Ну, сделать один не ракетостроение. Вы будете использовать легкодоступные предметы для проекта, такие как железная проволока, магнит, чтобы убедиться, что проволока сделана из железа, отвертка, весы для проведения измерений и провод телевизионного кабеля.
Начните с выпрямления провода, согните его под углом 45 градусов и следуйте пошаговому руководству YouTube выше.
Знаете ли вы, что из железной вешалки можно сделать самодельный усилитель сигнала сотовой связи? И процесс довольно простой.
Просто выпрямите вешалку, снимите изоляцию с помощью лезвия бритвы, согните ее, придав ей форму ромба, а затем завершите процесс, как показано в руководстве на YouTube.
И если это не убило достаточно вашего времени, ознакомьтесь с другими простыми самодельными гаджетами, над которыми вы можете поработать, чтобы избавиться от скуки на выходных.
Если вам надоел плохой прием сотового телефона и вы умеете заниматься техническими проектами, этот самодельный усилитель сигнала сотовой связи на печатной плате идеально вам подойдет. Это займет немного больше времени, чем другие проекты здесь, но как только вы закончите, у вас будет усилитель сигнала, способный усиливать сетевые сигналы 2G в 4G.
Это, несомненно, стоит затраченных усилий, плюс туториал довольно простой и даже содержит ссылки на более подробные туториалы. Узнайте, как паять провода и электронику, чтобы упростить этот проект.
У вас есть несколько сотовых телефонов, которым требуется усиление сигнала? Сделайте эту многофункциональную самодельную антенну для сотового телефона и избавьтесь от затрат на покупку дорогого многофункционального ретранслятора.
Для этого проекта вам понадобятся медные катушки, транзистор, переменный конденсатор на 30 пФ, пары резисторов на 200 кОм, 2,2 кОм и 100 Ом, конденсатор на 27 пФ, кварцевый генератор на 20 МГц, светодиод для индикации работы и печатная плата. доска, чтобы собрать все вместе.
Принадлежности не должны стоить вам дорого, к тому же они намного дешевле, чем коммерческие варианты. Лучшая часть? После того, как вы создадите медные катушки (намотав их на отвертку), все, что вам нужно сделать, это смонтировать все, и ваш многофункциональный усилитель сигнала будет готов к использованию.
Железные вешалки для одежды легко сделать, но что еще проще, так это усилитель из алюминиевой фольги. Все, что вам нужно сделать, это обернуть кусок медной проволоки фольгой. Затем отрежьте один конец кабеля RCA 3,5 мм и зачистите изоляцию, прикрепите этот конец к проводу в фольге, а другой конец подключите к разъему телефона, чтобы усилить сигнал.
Он прост в изготовлении и очень портативен, а значит, вы можете брать его с собой в походы.
Самое главное, это очень эффективно, потому что алюминиевая фольга концентрирует сигналы на вашем телефоне, увеличивая диапазон сигнала и производительность.
7. Самодельная телефонная антенна с медным кабелем
Для этого проекта вам потребуется очистить полметра медного кабеля, чтобы удалить изоляцию, а затем использовать его для создания цепи, как показано на видео выше. После завершения приклейте схему к достаточно большому куску скотча, убедитесь, что вы заклеили другой конец скотчем, прикрепите его к задней панели телефона и вуаля!
Теперь у вас есть незаметный самодельный усилитель сотовой связи, который вы можете взять с собой куда угодно, и вам больше никогда не придется жаловаться на плохую сеть и сигнал Wi-Fi.
Если вы все еще обдумываете варианты, этот самодельный усилитель сигнала сотовой связи может пощекотать ваше воображение. И это также одно из самых простых в изготовлении. Просто снимите дно с последней банки из-под газировки, вырежьте корпус, как показано на видео (избегая острых краев), выровняйте его куском алюминиевой фольги, а затем поместите внутрь свой телефон, чтобы усилить сигнал.
Опять же, это работает, потому что фольга направляет сигналы к вашему телефону, что повышает мощность сигналов Wi-Fi и сотовой сети.
Помимо отсутствия мертвых зон, вот еще несколько преимуществ самодельного усилителя сигнала сотового телефона.
Сокращает расходы
Коммерческие усилители сигналаотлично справляются с устранением мертвых зон, но большинство из них продаются по довольно низкой цене: от 400 до 800 долларов. Усилитель сигнала сотового телефона, сделанный своими руками, значительно снижает стоимость. В некоторых случаях, например, в случае с банкой из-под газировки и опцией из алюминиевой фольги, описанной выше, вы не потратите ни копейки, но при этом получите улучшенный сигнал.
Более длительное время работы от батареи
Ничто так не разряжает аккумулятор телефона, как плохой прием в сети. Когда сигнал плохой, ваш телефон пытается компенсировать это, усиливая принимаемый сигнал. Это только ускорит разрядку аккумулятора и повлияет на способность вашего телефона дольше удерживать заряд, так как вам придется часто перезаряжаться.
Изучение того, как сделать усилитель сигнала сотового телефона, поможет вам устранить проблему.
Лучшее место для установки усилителя сигнала сотовой связи зависит от типа самодельного усилителя, который вы выберете, и планировки вашего дома или офиса. Как правило, лучше всего устанавливать усилитель как можно ближе к месту, где вам необходимо улучшить покрытие. Он должен быть размещен в открытом, центральном месте, вдали от любых металлических предметов или электронных устройств, которые могут создавать помехи для сигнала.
Если бустер переносной, вы можете перемещать его в разные места, чтобы найти лучшее место для покрытия. Как правило, лучше всего держать самодельный усилитель сигнала сотового телефона рядом с телефоном, так как это поможет максимизировать мощность сигнала.
Самодельный усилитель сигнала сотовой связи предназначен для улучшения приема в районах со слабым сигналом сотовой связи. Однако у него нет возможности создавать сигнал из воздуха.
Вместо этого он опирается на существующий сигнал, чтобы усилить его и улучшить прием.
Однако важно отметить, что отсутствие полос на индикаторе уровня обслуживания вашего телефона не обязательно означает отсутствие сигнала. Попробуйте использовать усилитель сигнала сотового телефона, чтобы увидеть, сможет ли он обнаружить и усилить слабый сигнал, к которому ваш телефон иначе не сможет получить доступ.
Как видно из большинства приведенных здесь примеров, усилитель сигнала сотовой связи — это один из самых простых проектов, которые вы когда-либо делали своими руками. Вы можете выбрать простую и портативную антенну, такую как четырехминутная антенна для усиления телефонного сигнала, или, если вы любите сложные задачи, сделать ее с помощью печатной платы. Какой бы усилитель сигнала сотовой связи вы ни выбрали, вы обнаружите, что он улучшает ваш прием.
Инструкции по применению усилителей сыворотки своими руками
Инструкции по использованию ингредиентов для самостоятельного изготовления
Пожалуйста, прочтите страницу до конца, прежде чем использовать ее! Мы не несем ответственности за какие-либо результаты использования или неправильного использования антивозрастных ингредиентов, усилителей сыворотки и других активных веществ.
Усилители сыворотки и другие косметические ингредиенты возврату не подлежат.
Если у вас чувствительная кожа, рекомендуется провести тест на участке кожи перед добавлением компонента в любую формулу или другой продукт.
- Когда вы получите изделие, сделанное своими руками, поместите его в холодильник до тех пор, пока вы не будете готовы его использовать.
- Не наносить непосредственно на кожу!
- Каждый продукт, сделанный своими руками, необходимо включить в существующую сыворотку, крем, лосьон или создать формулу с нуля. Обратите внимание, что каждый продукт DIY имеет конкретную рекомендацию по использованию (процент продукта, который будет использоваться) от производителя. Ниже приведено руководство, которое поможет вам добавить правильное количество продукта.
*Обратите внимание, что все расчеты являются приблизительными. Вы также можете посмотреть нашу серию видеороликов о том, как создавать средства по уходу за кожей на заказ.
Инструкции по смешиванию сывороточных бустеров
Чтобы добавить к существующему продукту:
Добавьте ингредиент, сделанный своими руками, в ваш текущий продукт, хорошо перемешайте или встряхните. Поместите оставшийся DIY Serum Booster в холодильник. Вам НЕ нужно охлаждать продукт, в который вы добавили сывороточные усилители.
При изготовлении любых косметических средств или средств по уходу за кожей полезно иметь под рукой следующие предметы:
- Ручной блендер
- Чаша из пирекса или стекла с носиком
- Воронка
- Шпатель
- Дезинфицирующее средство
- Перчатки
Базы
Выберите свою базу. Мы предлагаем несколько объемных основ: гиалуроновую кислоту, омолаживающую антивозрастную сыворотку или регенерирующую кремовую основу для лица. Вы также можете использовать свою любимую сыворотку или лосьон. Если вы смешиваете впервые, лучше делать небольшие партии.
После того, как вы освоитесь и узнаете, что работает хорошо, попробуйте увеличить количество. Определите, какие пептиды вы хотели бы добавить и какую концентрацию усилителя сыворотки вам нужно будет добавить.
См. таблицу, вложенную в пакет с пузырчатой пленкой вместе с Serum Booster. Добавьте усилитель сыворотки. Смешайте, пока хорошо не смешано. Поместите воронку в пустую безвоздушную бутылку, затем налейте состав в контейнер.
Как узнать, сколько сывороточного бустера нужно добавить?
Информация о рекомендуемом использовании от производителя находится на флаконе. Вы также можете найти его на странице каждого продукта на нашем сайте.
Суммы для добавления см. в таблицах ниже. Например, если у вас есть банка увлажняющего крема на 2 унции, и вы хотите добавить 10%-ную концентрацию Matrixyl, добавьте 1 чайную ложку и перемешайте стерильным миксером до однородности.
Какой усилитель сыворотки следует использовать?
Мы предлагаем более 30 усилителей сыворотки.
Чтобы определить, какие пептиды использовать, мы предлагаем удобную таблицу.
Для получения дополнительной информации о пептидах и о том, какие из них будут работать лучше всего, вы можете просмотреть нашу таблицу антивозрастных пептидов.
Пептид аргирелина
Пептид аргирелина Амплифицированный
Антарктицин
Пептид меди
Дермафилл (Адипофил-ин)
Эдельвейс
Эпидермальный фактор роста
Пептид для ресниц
Полезок — ацетилтетрапептид -5
Галоксил -пептидный комплекс
Мгновенный ластик с морщин
раствор inyline ™. Regu-Age
Укрепляющий пептид Relistase
Renovage
Snap 8 Пептид против морщин
Syn-Ake
Syn-Coll
Syn-Tacks
Гиалуросома замедленного высвобождения
Uplevity
Медный пептид GHK
Существуют ли какие-либо косметические ингредиенты, которые нельзя использовать вместе?
Основными ингредиентами, от которых следует держаться подальше, являются медный пептид и витамин С, которые не следует использовать вместе.
Только для составителей рецептов: Для использования в вашем рецепте смешайте фазы A и B, дайте остыть, а затем добавьте ингредиенты, которые вы делаете самостоятельно. Перемешайте, пока хорошо не смешано. Поместите в герметичный контейнер и поставьте оставшийся продукт в холодильник.
Добавление противомикробного препарата или консерванта в формулу
Чтобы добавить Leucidal® Liquid в ваш продукт:
Добавьте 4%-ную концентрацию Leucidal® Liquid в свой рецепт в конце рецептуры или во время фазы охлаждения. Жидкость Leucidal® следует добавлять при температуре ниже 70 градусов Цельсия или 158 градусов по Фаренгейту.
Чтобы добавить Leucidal® Complete:
Следуйте тем же инструкциям, что и для Leucidal® Liquid. Leucidal® Complete может быть мутным. Лучше всего добавлять, когда в таре продукта будет 35-40 градусов Цельсия. Включайте в составы до тех пор, пока они не станут прозрачными или полностью не растворятся.
Как и все рецепты, представленные на рынке, мы рекомендуем, чтобы каждый рецепт подвергался испытаниям.
Посетите наш блог или формуляр на www.naturalorganicskincare.com для получения дополнительной информации и бесплатных рецептов DIY.
Вопросы: 1-208-995-4130.
Указания по таблице:
Определите концентрацию, которую вы будете использовать. Рекомендации производителя указаны на каждой этикетке Serum Booster. Определите размер вашей базы. База — это продукт, к которому вы будете добавлять бустер. Вы можете использовать любой продукт, такой как сыворотка, крем или увлажняющий крем.
Вы также можете использовать одну из наших готовых основ, например Ultra Hyaluronic Acid. Затем используйте диаграмму, чтобы получить правильное необходимое количество.
Для 10-процентной концентрации крема для глаз на 0,5 унции необходимо добавить 45 капель желаемого Serum Booster.
Смешайте до однородности или встряхните.
Как пользоваться таблицей
Найдите процент используемого усилителя сыворотки в левой колонке. Затем найдите количество используемой основы в ярко-зеленом ряду. Определите, сколько капель вам нужно от места пересечения столбца и строки. Добавьте это количество к своей формуле.
Полезные преобразования:
5 унций. = 15 мл = 1 столовая ложка = 3 чайные ложки
1 чайная ложка = 100 капель
1/2 чайной ложки = 50 капель
1/4 чайной ложки = 25 капель
1/8 чайной ложки = 12,5 капель
Для преобразования порошка:
3 в желаемом количестве желаемого порошка. Мы рекомендуем использовать цифровые весы. Однако вы можете быстро преобразовать граммы в чайные ложки. В одной чайной ложке 5 грамм.
5 унций. = 15 грамм
1%= 0,15 г
2%= 0,30 г
3%= 0,45 г
5%= 0,75 г
10%= 1,5 г
1 унция.
= 30 г
1%= 0,30 г
2%= 0,6 г
3%= 0,9 г
5%= 1,5 г
10%= 3 г
2 унции. = 60 г
1%= 0,6 г
2%= 1,20 г
3%= 1,80 г
5%= 3 г
10%= 6 г
Советы по успешному использованию продукта
1. Дезинфицируйте рабочее место и вся посуда. Это включает в себя любую поверхность и любой предмет, которые могут соприкасаться с вашей формулой или усилителем сыворотки.
Посмотрите наше видео Beauty Blending 101, чтобы узнать, как дезинфицировать рабочее место.
2. Точно измерьте. Капли рекомендуется использовать для добавления усилителя сыворотки к существующему продукту. Если вы создаете собственную формулу, используйте шкалу для точного измерения.
3. Используйте правильное количество активного ингредиента, особенно консерванта! Использование меньшего количества консерванта, чем рекомендовано, может вызвать проблемы с сохранением и не будет столь эффективным, как следовало бы. Используйте рекомендации производителей для создания успешного продукта.
4. Посмотрите наши видеоролики, чтобы получить наглядное представление о том, как создать собственный продукт.
Instant Wrinkle Eraser Инструкции:
Выберите концентрацию каждого ингредиента, который вы хотели бы использовать. Мы рекомендуем вам поиграть с порошком силиката натрия и магния-алюминия. Силикат натрия может иметь очень естественное ощущение при использовании в небольшом количестве. С другой стороны, используйте высокую концентрацию, и ваше лицо будет чувствовать, что оно не может двигаться.
Поместите одну каплю силиката натрия в чашу из пирекса, наполненную половиной унции воды, и перемешайте. Нанесите этот раствор на чистую кожу. Добавляйте больше силиката натрия, пока не достигнете желаемого эффекта. Затем добавьте порошок магния, следуя тем же инструкциям. Для смешивания до получения однородной массы может понадобиться ручной блендер. Вы можете найти преобразование порошка выше. Мы рекомендуем добавить 1/8 чайной ложки для концентрации 1% на 0,5 унции воды.
Если вы используете Аргирелин, мы рекомендуем добавить концентрацию 8%. Если нет, пропустите этот шаг.
Теперь у вас есть концентрации, которые вы будете использовать. Вы можете использовать вышеуказанную смесь в качестве конечного продукта. Храните его в холодильнике в течение нескольких дней или дольше, и вам нужно будет добавить консервант. Вы также можете добавить ингредиенты в любой готовый крем для глаз, сыворотку или увлажняющий крем, который у вас уже есть под рукой.
Силикат натрия
Рекомендуемая норма использования : 0,1–3%
Внешний вид: прозрачная жидкость
Запах: нет
Магний-алюминий-силикатный порошок
Рекомендованная скорость использования: 0,1 — 1,5%
Внешний вид: кремовый порошок
аромат: нет
Argireline
Рекомендуемое. Рецепт мгновенного средства для удаления морщин
0,5 унции. Гиалуроновая кислота или дистиллированная вода
{в формулах на водной основе следует рассмотреть возможность использования 4% концентрации (22,5 капли) Leucidal Complete}
9 капель силиката натрия
1/8 ч.


2/R, где U-это напряжение на резисторе (в простых схемах можно просто брать максимальное напряжение, т.е. напряжение на входе, у нас это 9 вольт), R-сопротивление данного резистора, выраженное в ОМ(!!!!), т.е. для резисторов R1, R2, R3, R6 это будет 10000 Ом, для R4 и R5 это будет 33000 Ом. Я сам когда собирал опытный образец при покупке R4 и R5 на вопрос продавца о мощности в уме разделил 81 на 33, получил 3 с лишним Вт и взял ближайшие-5-ваттные резисторы. В принципе это не критично, главное, чтобы мощность резистора была больше расчетной. Просто резисторы большой мощности больше по габаритам и значительно дороже менее мощных аналогов.


Единственная сложность — размеры, я лично для простоты добавил в программе себе новую сетку со стороной 1 мм. Итак, рисуем зеркальное отображение дорожек, делая в них разрывы, по габаритам равные размеру радиодетали, которую надо установить в конкретном месте. Распечатать все художества надо обязательно на лазерном принтере. Далее вырезаем заготовку из текстолита, по габаритам чуть большую, чем предполагается наша плата. У меня получилась плата 42Х45мм. Обрабатываем заготовку нулевкой, далее моем с мылом и тряпочкой, потом протираем обезжиривателем. В итоге получаем примерно такое:
Много нам не понадобится — на глаз, чтобы вода приобрела коричневый цвет. Лично я разводил в воде температурой примерно 50 градусов. Перемешиваем и опускаем туда плату. Через несколько часов плата готова, очищаем ее от маркера и всего осального обычным растворителем или спиртом.

Чтобы извлечь термопару, сначала необходимо снять капиллярную трубку, соединяющую её с газовым клапаном.
Переходник должен иметь достаточную герметичность.