Самодельный контроллер заряда аккумулятора
Здравствуйте друзья. Прошлый мой обзор, касающийся солнечной электростанции в квартире вызвал большой интерес, что можно увидеть по огромному количеству просмотров и комментариев. Одной из тем для обсуждения была тема, касающаяся контроллера заряда аккумуляторной батареи, а точнее как можно обойтись без специализированного контроллера заряда, максимально сэкономив на этом. Я обещал рассказать как, и вот выполняю своё обещание.
Немного теории:
Самая стандартная схема солнечной электростанции состоит из солнечной панели, контроллера заряда и аккумулятора:
Вот про контроллер заряда я и хочу сегодня поговорить, а именно про то, какие функции он выполняет и как можно его сделать самостоятельно.
Основные функции контроллера заряда это контроль напряжения на аккумуляторной батарее с целью недопустить как перезаряда, так и переразряда аккумуляторной батареи.
При перезаряде аккумулятора происходит кипение электролита с выплескиванием его наружу. Электролит состоит из серной кислоты, которая может повредить как сам аккумулятор, так и находящиеся поблизости предметы.
Глубокий разряд не менее опасен, следствия следующие:
— Осыпание материала с активных пластин внутри АКБ. Это неизбежно сокращает ёмкость аккумулятора. А значит, он меньше по времени держит заряд и пусковые токи уменьшаются. Это происходит и при повседневной эксплуатации, но гораздо медленнее.
— Короткое замыкание между пластинами. Причина этого — прогрессирующее осыпание шлама и элементов пластин АКБ. Эти материалы являются хорошими проводниками и собравшись на дне АКБ, они просто замыкают между собой активные пластины. Такая АКБ повреждена необратимо.
— Сульфатация. Этот эффект возникает при полной и глубокой разрядке АКБ. Чем сильнее разряжен аккумулятор и чем дольше он стоит недозаряженым, тем быстрее активные пластины АКБ покрываются материалами, которые препятствуют дальнейшему химическому процессу.
Проще говоря — вы никогда не сможете эту батарею зарядить.От теории к практике:
Из сказанного выше следует, что контроллер заряда достаточно важная вещь солнечной электростанции, однако его можно сделать самостоятельно из 2 недорогих модулей XH-M601. Первый модуль будет контролировать процесс зарядки, а второй процесс разрядки аккумулятора. Однако необходимо отметить, что эти модули бывают 2 видов.
Распространенный вид с 2 клеммниками от реле (слева), который нам не подходит. И с 3 (справа), который как раз и нужен.
Отличаются они тем, что 2-х контактный модуль имеет только нормальноразомкнутые контакты реле, а трехконтактный и нормальнозамкнутые и нормальноразомкнутые. Самое неприятное состоит в в том, что модуль с 2-х контактным клеммникорм невозможно использовать даже с помощью «колхозинга», т.к. нормальнозамкнутый контакт реле откушен перед запайкой реле в плату и с помощью дополнительных перемычек невозможно использовать такой модуль, т.
Принцип работы модуля XH-M601
Модуль собран с использованием знаменитой «таймерной» микросхемы 555:
Срабатывание происходит при достижении пороговых значений напряжения на клеммах аккумулятора. Пороговые напряжения устанавливаются подстроечными резисторами. Напряжение нижнего порога устанавливается резистором R2 (на плате это RP1), а верхнего – R4 (на плате это RP2). Вращение по часовой стрелке увеличивает напряжение, против часовой – уменьшает. Момент включения/выключения модуля можно определить по индикаторному светодиоду и характерному щелчку реле.
Резистор R2 (RP1 на плате) отвечает за низкий уровень (включение), он приоритетный. Если с помощью резистора RP1 неправильно установлен порог срабатывания, то реле будет всегда включено, независимо от положения R4 (RP2 на плате). Поэтому, при настройке модуля следует придерживаться следующей последовательности:
1. Выкручиваем против часовой стрелки потенциометры R2 и R4 (RP1 и RP2 на плате), но не до упора, иначе подадим на вход NE555 напряжение питания и сожжём микросхему при использовании мощного блока питания и при отсутствии ограничения по току. После того, как будет достигнуто крайнее положение (слышен характерный щелчок при вращении), нужно сделать несколько оборотов в обратную сторону (по часовой стрелке).
Теперь, вращаем по часовой стрелке резистор R2 (RP1 на плате) пока не сработает реле (включение светодиода на модуле). Порог включения установлен!3. Увеличиваем на БП напряжение до порога отключения (максимальное напряжение, при котором модуль должен отключить реле). Отключаем схему и выкручиваем R4 (RP2 на плате) вправо (почасовой стрелке). Подключаем модуль к БП. Реле должно быть включено (светодиод на модуле должен гореть). Вращаем R4 (RP2 на плате) влево, против часовой, пока реле не выключится (светодиод не горит). Таким образом настраивается верхний порог (выключение).
4. Настройка завершена. Плавно изменяя напряжение на БП можно проверить пороги вкл/выкл и скорректировать их, если необходимо.
Использование модулей в качестве контроллера заряда:
Схема подключения двух модулей к аккумуляторной батарее следующая:
Оба модуля подключаем к аккумулятору через клеммы Р2 (Bat ± или VCC± на плате), но первый модуль подключаем к солнечной панели, а второй к нагрузке.
У первого модуля устанавливаем напряжение включения равное 13.5В, напряжение отключения 13.8В. Такие настройки будут поддерживать напряжение аккумулятора при заряде не выше 13.8 вольта, что для свинцово-кислотного аккумулятора является оптимальным напряжением, при котором аккумулятор может находиться сколь угодно долгое время и быть заряженным на 100%. Использовать необходимо нормальноразомкнутые контакты.
Важные замечания:
Первое важное замечание я уже сделал выше, оно о выборе типа модуля: нужен с 3 клеммниками от реле.
Второе важное замечание: у модулей отсутствует диод гасящий ЭДС самоиндукции, который обычно включается палаллельно обмотке реле в обратном смещении. На схеме это диод D1. Ставить его обязательно!!! Оптимальное место — припаять прям на ножки реле с обратной стороны платы. Диод можно использовать самый распространенный 1N4007.
Видеоверсия:
Выводы:
С помощью недорогих модулей XH-M601 можно сэкономить на стоимости контроллера заряда при создании солнечной электростанции. Более того, дешевые контроллеры заряда не позволяют выбрать тип аккумуляторных батарей (пороговые напряжения включения/отключения), а значит контроллер заряда на данных модулях более универсальное решение, которое позволяет использовать не только свинцово-кислотные АКБ, но также и Li-Ion батареи, например.
Ну что же, желаю всем добра! Да прибудет с нами Сила Солнечной Энергии!
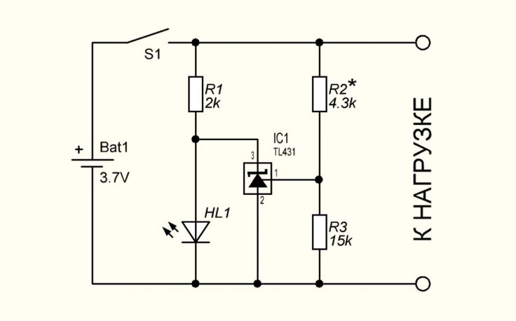
Индикатор заряда аккумулятора своими руками
Содержание
- Индикатор заряда аккумулятора своими руками
- Работа измерительного светодиода
- При токе зеленого светодиода 1 мА
- При токе зеленого светодиода 1 мА
Индикатор заряда аккумулятора своими руками на двух светодиодах — правильно обслуживаемые аккумуляторы будут работать у вас хорошо и долю. Обслуживание подразумевает, в частности, регулярный контроль напряжения аккумулятора. Изображенная на Рисунке 1 схема подходит для большинства типов аккумуляторов. Она содержит опорный светодиод LEDREF, работающий при постоянном токе 1 мА и обеспечивающий эталонный световой поток постоянной интенсивности, не зависящей от напряжения аккумулятора.
Это постоянство обеспечивается резистором R1 включенным последовательно со светодиодом. Поэтому, даже если напряжение полностью заряженного аккумулятора упадет до полного разряда, ток через него изменится всего на 10%. Таким образом, можно считать, что интенсивность излучения остается постоянной в диапазоне напряжений аккумулятора, соответствующем переходу от состояния полного заряда до полного разряда.
Световой поток измерительного светодиода LEDVAR меняется в соответствии с изменениями напряжения аккумулятора. Расположив светодиоды поблизости друг от друга, вы получите возможность легко сравнивать яркость их свечения, и, таким образом, определять статус аккумулятора. Используйте светодиоды с диффузно-рассеивающей линзой, поскольку приборы с прозрачной линзой раздражают ваши глаза. Обеспечьте достаточную оптическую изоляцию светодиодов, чтобы свет одного светодиода не попадал на линзу другого.
Работа измерительного светодиода
Измерительный светодиод работает при токе, меняющемся от 10 мА при полностью заряженном аккумуляторе до значений менее 1 мА при полном разряде.
Стабилитрон Dz с последовательным резистором R2 необходимы для того, чтобы ток имел резкую зависимость от напряжения батареи. Сумма напряжения стабилитрона и падения напряжения на светодиоде должна быть чуть меньше, чем самое низкое напряжение аккумулятора. Это напряжение падает на резисторе R2. Изменения напряжения батареи вызывают большие изменения тока резистора R2. Если напряжение равно примерно 1 В, через светодиод LEDVAR течет ток 10 мА, и он светится намного ярче, чем LEDREF. Если напряжение ниже 0.1 В, интенсивность свечения LEDVARvar будет меньше, чем у LEDREF. показывая, что аккумулятор разряжен.
Индикатор заряда аккумулятора своими руками — непосредственно после окончания зарядки аккумулятора напряжение на нем превышает 13 В. Для схемы это безопасно, поскольку ток ограничен значением 10 мА.
Если светодиоды горят ярко, быстро отпустите кнопку S11( чтобы не допустить их повреждения (Рисунок 2). Хотя в примере на Рисунке 2 индикатор заряда подключен к 12-вольтовой свинцово-кислотной аккумуляторной батарее, вы без труда можете адаптировать эту схему к другим типам аккумуляторов. Кроме того, вы можете использовать ее для контроля напряжения.
Два зеленых светодиода индуцируют состояние, когда заряд батареи превышает 60%. Набор красных светодиодов показывает, что заряд аккумулятора упал ниже 20%. Светодиоды LEDREFG и LEDREFR подключены через резисторы R1 и R2 сопротивлением 10 кОм. Последовательное измерительными светодиодами, яркость свечения которых изменяется, включены стабилитроны и резисторы R3 и R4 сопротивлением 100 Ом. Диоды D1, D2 и D3 задают требуемое напряжение ограничения.
Зависимость яркости свечения светодиодов от состояния аккумулятора показана в Табпице1.
Для расчета интенсивности свечения зеленого измерительного светодиода можно использовать следующее выражение:
VBATT= 10G x 100 +VD1 +VD2 +VLEDG +VDZ1
При токе зеленого светодиода 1 мА
VBATT =103 x 100+0.6+0.6+1.85+9.1=1225B.
Падение напряжения на используемых светодиодах при прямом токе 1 мА равно 1.85 В. Если характеристики светодиодов отличаются, сопротивления резисторов необходимо пересчитать. При этом напряжении светодиоды светятся одинаково, что соответствует заряду аккумулятора на 60%. Описание свинцово-кислотных аккумуляторов можно найти в[1]. Для расчета интенсивности свечения красного измерительного светодиода можно использовать следующее выражение:
VBATT= IR x IOO+VD3+VLEDR+VZD2
При токе зеленого светодиода 1 мА
VBATT =10-3 x 100 +0.
6 + 1.85 + 9.1 =11.65 В.
Поскольку при таком напряжении оба красных светодиода светятся одинаково, это означает, что аккумулятор заряжен на 20%. Светодиод LEDVARGvarg не горит. Рисунок 3 показывает, что оба измерительных светодиода светятся ярче опорных, сообщая о том, что аккумулятор заряжен на 100%
Контроллеры заряда аккумуляторов
Контроллеры заряда и устройства управления зарядом для цепей зарядки аккумуляторов.
Войдите в свою учетную запись onsemi, чтобы увидеть ваши любимые сохраненных фильтров . 100003
Lifetime
Li-Ion/Polymer
WLCSP-20
Подробнее
Установленная
Зарядное устройство
WLCSP-20
Подробнее
WLCSP-
WLCSP-
WL
Последние поставки
устаревшие
Зарядное устройство
WLCSP-20
Подробнее
Устаревшая
Зарядное устройство
WLCSP-20
Подробнее
Установлен
0003
Charger
WLCSP-25
More Details
Obsolete
Charger
WLCSP-20
More Details
Obsolete
Charger
WLCSP-20
More Details
Obsolete
Charger
WLCSP-25
Подробнее
Устаревшее
Зарядное устройство
WLCSP-25
Подробнее
Последние поставки
Устаревшее
Зарядное устройство0003
WLCSP-20
Подробнее
Последние поставки
Зарядное устройство
WLCSP-25
Более подробная информация
Последние поставки
Lii-ion/Polymer
WLCSP-2009
.
Li-Ion/Polymer
WLCSP-15
Подробнее
Active
Li-Ion/Polymer
WLCSP6 1,36×0,76×0.581,
DFN-6
Подробнее
Установка0002 Зарядное устройство
WLCSP-20
Подробнее
Active, Not Rec
Li-ION/Polymer
WLCSP-42
Подробнее
Последние поставки
Charger
WLCSP-20000 3
Matter Mith Ptainty
WLCSP -20
.
Active, Not Rec
Li-ION/Polymer
WLCSP-63
Подробнее
Active
Lii-ion/Polymer
Гибкий
WLCSP-29
больше.0003
NICD/NIMH
Гибкий
PDIP-8,
SOIC-8
0,
260,
235
Более подробная информация
astlete
. 8
235,
0,
260
More Details
Obsolete
NiCd/NiMH
Flexible
SOIC-8,
PDIP-8
235,
0,
260
Подробнее
устаревшая
Консультации по продажам
Li-Ion/Polymer
DFN-10
260,
235
Подробнее
Загрузка .
..
Версия
CSV Формат
Close Search
Группы продуктов:
31
┗
Заказы.
Я ваш дружелюбный помощник по веб-сайту, и я был создан, чтобы помочь вам ориентироваться на нашем веб-сайте и показать вам наши полезные функции. Я постараюсь найти то, что вам нужно!
Приятного посещения.
Фильтры
Если вы хотите удалить какой-либо фильтр, нажмите X рядом с ним. Фильтр будет удален после сохранения изменений. Вы сделали ошибку? Нажмите серую кнопку с удаленным фильтром еще раз, и он вернется.
Проверка состояния инвентаря
Инвентарь не найден
Связаться с отделом продаж
Powered by
Основы управления зарядным устройством | Блог
Вопросы и советы Зарядные устройства
Вернуться к блогу
Зарядные устройства для аккумуляторов электрических погрузчиков варьируются от довольно простых до довольно сложных, но их цель одна и та же: заряжать аккумулятор определенного размера за 8-часовую смену.
8-часовой цикл зарядки является универсальным стандартом, но многие зарядные устройства могут работать с большей емкостью в ампер-часах, чем их номинальная мощность, если им разрешено работать дольше. Важно понимать, что свинцово-кислотная батарея представляет собой электрохимическую систему, а не электрический топливный бак, который может быть заполнен энергией с любой скоростью в течение произвольного периода времени. Минимум 8-часовой цикл зарядки необходим для надлежащего восстановления промышленного свинцово-кислотного элемента глубокого цикла до исходного химического баланса. Цикл зарядки аккумуляторной батареи начинается с высокого начального тока (скорость пуска) примерно 18 ампер на каждые 100 ампер-часов номинальной емкости аккумуляторной батареи. Эта скорость начинает уменьшаться, когда батарея достигает напряжения газовыделения 2,37 вольта на элемент. Для последней трети цикла зарядки ток зарядного устройства устанавливается на конечной скорости приблизительно 4 ампера на 100 ампер-часов емкости.
К счастью, теперь можно быстро преобразовать старое зарядное устройство с таймером/реле в компьютеризированное автоматическое управление. Модернизация зарядного устройства с помощью нового комплекта управления не только дает значительные преимущества для клиентов с точки зрения продаж, но и, безусловно, является самым простым способом избавиться от головной боли, связанной с ремонтом таймеров и регулировкой неподатливых электромеханических реле калиброванного напряжения. Существуют десятки различных моделей зарядных устройств, которые можно напрямую преобразовать в автоматическое управление. Самыми простыми являются те зарядные устройства, которые имеют контактор сети переменного тока (электромагнитный выключатель). Если потребляемый зарядным устройством переменный ток очень низкий, сетевой контактор может не понадобиться. Но в большинстве случаев зарядное устройство потребует установки сетевого контактора, если его нет в цепи переменного тока. Комплект для переоборудования с автоматическим управлением состоит из заключенной в корпус схемы управления зарядным устройством с микропроцессором, которую легко установить, подключив четыре провода: два для измерения напряжения батареи и два для управления контактором сети переменного тока.
Микропроцессорное управление зарядным устройством отслеживает напряжение батареи с течением времени и сопоставляет скорость изменения с известной идеальной кривой заряда. Недопустимое отклонение от этой кривой вызовет аварийное отключение, и блок управления отобразит код неисправности. Поскольку компьютер отслеживает работу зарядного устройства, а вмешательство человека в настройку зарядного устройства сведено к минимуму, перезаряд батареи практически исключен. Недорогие элементы управления автозапуском просто заменяют механический таймер на электронный. Это не обеспечивает универсальности и преимуществ настоящего компьютеризированного управления. Перед покупкой убедитесь, что вы получаете микропроцессорное управление зарядным устройством, которое отключается в течение нескольких минут, а не часов, если оно подключено к уже полностью заряженной батарее. Опции программирования, такие как регулируемая задержка запуска и автоматический цикл выравнивания, являются важными особенностями такого устройства.
Микропроцессорное управление зарядным устройством Преимущества:
Старому зарядному устройству дается новая жизнь благодаря замене изношенного таймера, механических реле и устаревших схем единым точным компьютеризированным управлением
- 2 90 Автоматический запуск зарядного устройства после подключения аккумулятора
Зарядное устройство запускается автоматически после подключения аккумулятора
Аккумулятор получает столько заряда, сколько ему необходимо
Блок управления автоматически обрабатывает периодические уравнительные заряды. свяжитесь с Arcon Equipment Inc. (440) 232-1422.
Предыдущий пост:
Выбор подходящего аккумулятора для вилочного погрузчикаСледующий пост:
Слабые места стареющих батарейСтатьи по теме
Правильный выбор бывшего в употреблении зарядного устройства
Зарядные устройства являются ключевым компонентом силового агрегата электрического вилочного погрузчика. Продавец оборудования, пренебрегающий деталями зарядного устройства, рискует не только потерять продажу, но и испортить аккумулятор. Учтите: во многих случаях зарядное устройство, входящее в «полный комплект», может не подходить для аккумулятора, и конечный пользователь быстро это заметит.
Узнать больше
Подбор зарядного устройства для аккумулятора
Зарядное устройство для аккумулятора часто является компонентом системы электрического погрузчика, которым чаще всего пренебрегают. Как операторы, так и продавцы оборудования, как правило, игнорируют тот факт, что зарядное устройство может быть источником краткосрочных и долгосрочных проблем, если оно не имеет надлежащих размеров, не отрегулировано и не эксплуатируется.
Узнать больше
Стратегия комнаты для зарядки аккумуляторов
