ΠΡΠΈΡΠΈΠ½Ρ ΠΏΠΎΡΠ΅ΠΌΡ ΡΡΠ΅ΠΏΠ»Π΅Π½ΠΈΠ΅ ΠΏΡΠΎΠΏΠ°Π΄Π°Π΅Ρ | TopDetal.ru
25.02.2020
Π‘ΡΠ΅ΠΏΠ»Π΅Π½ΠΈΠ΅ Π²Β Π°Π²ΡΠΎΠΌΠΎΠ±ΠΈΠ»Π΅ Π²ΡΠΏΠΎΠ»Π½ΡΠ΅Ρ ΡΡΠ½ΠΊΡΠΈΡ ΠΏΠ΅ΡΠ΅Π΄Π°ΡΠΈ ΠΊΡΡΡΡΡΠ΅Π³ΠΎ ΠΌΠΎΠΌΠ΅Π½ΡΠ° ΠΎΡΒ ΠΌΠΎΡΠΎΡΠ° Π½Π°Β ΠΊΠΎΡΠΎΠ±ΠΊΡ ΠΏΠ΅ΡΠ΅Π΄Π°Ρ. ΠΡΠΈΡΠ΅ΠΌ Π½Π΅Β ΠΏΡΠΎΡΡΠΎ ΠΏΠ΅ΡΠ΅Π΄Π°ΡΠΈ, Π°Β ΡΒ Π²ΠΎΠ·ΠΌΠΎΠΆΠ½ΠΎΡΡΡΡ ΠΏΠ»Π°Π²Π½ΠΎ, ΡΒ ΠΌΠΈΠ½ΠΈΠΌΠ°Π»ΡΠ½ΡΠΌΠΈ ΡΡΠ²ΠΊΠ°ΠΌΠΈ Β«ΡΠ°Π·ΡΠ΅Π΄ΠΈΠ½ΡΡΡΒ» Π΄Π²ΠΈΠ³Π°ΡΠ΅Π»Ρ ΠΈΒ ΡΡΠ°Π½ΡΠΌΠΈΡΡΠΈΡ. ΠΠ²ΠΈΠ΄Ρ Π·Π°Π³ΡΡΠΆΠ΅Π½Π½ΠΎΡΡΠΈ ΠΈΒ ΠΎΡΠ½ΠΎΡΠΈΡΠ΅Π»ΡΠ½ΠΎ ΡΠ»ΠΎΠΆΠ½ΠΎΠΉ ΠΊΠΎΠ½ΡΡΡΡΠΊΡΠΈΠΈ, ΡΡΠ΅ΠΏΠ»Π΅Π½ΠΈΠ΅ Π½Π΅ΡΠ΅Π΄ΠΊΠΎ Π½Π°ΡΠΈΠ½Π°Π΅Ρ ΡΠ°Π±ΠΎΡΠ°ΡΡ Π½Π΅ΠΏΡΠ°Π²ΠΈΠ»ΡΠ½ΠΎ ΠΈΠ»ΠΈ Π²ΠΎΠ²ΡΠ΅ ΠΎΡΠΊΠ°Π·ΡΠ²Π°Π΅Ρ.
Π Π°Π·Π±Π΅ΡΠ΅ΠΌΡΡ Π²Β ΠΏΡΠΈΡΠΈΠ½Π°Ρ , ΠΏΠΎΡΠ΅ΠΌΡ ΠΏΡΠΎΠΏΠ°Π΄Π°Π΅Ρ ΡΡΠ΅ΠΏΠ»Π΅Π½ΠΈΠ΅, Π°Β ΡΠ°ΠΊΠΆΠ΅ ΡΠ°ΡΡΠΌΠΎΡΡΠΈΠΌ Π½Π΅ΠΊΠΎΡΠΎΡΡΠ΅ ΠΏΡΠΎΡΡΡΠ΅ Π²Π°ΡΠΈΠ°Π½ΡΡ ΡΠ°ΠΌΠΎΡΡΠΎΡΡΠ΅Π»ΡΠ½ΠΎΠΉ Π΄ΠΈΠ°Π³Π½ΠΎΡΡΠΈΠΊΠΈ ΡΡΠΎΠΉ ΠΏΡΠΎΠ±Π»Π΅ΠΌΡ.
Π§ΡΠΎ ΠΏΠΎΠ΄ΡΠ°Π·ΡΠΌΠ΅Π²Π°Π΅ΡΡΡ ΠΏΠΎΠ΄ ΠΏΠΎΠ½ΡΡΠΈΠ΅ΠΌ Β«ΠΏΡΠΎΠΏΠ°Π»ΠΎ ΡΡΠ΅ΠΏΠ»Π΅Π½ΠΈΠ΅Β»
Π‘Π°ΠΌΠΎ ΠΎΠΏΡΠ΅Π΄Π΅Π»Π΅Π½ΠΈΠ΅ Β«ΠΏΡΠΎΠΏΠ°Π»ΠΎ ΡΡΠ΅ΠΏΠ»Π΅Π½ΠΈΠ΅Β» ΡΡΠ°ΠΊΡΡΠ΅ΡΡΡ Π΄Π²ΠΎΡΠΊΠΎ.
ΠΒ ΡΡΠ΅Π΄Π΅ ΡΡΠ΄ΠΎΠ²ΡΡ
Π°Π²ΡΠΎΠΌΠΎΠ±ΠΈΠ»ΠΈΡΡΠΎΠ² ΠΎΠ±ΡΡΠ½ΠΎ ΡΡΠΎ ΠΏΠΎΠ½ΡΡΠΈΠ΅ ΠΎΠ·Π½Π°ΡΠ°Π΅Ρ, ΡΡΠΎ ΠΏΡΠΈ Π½Π°ΠΆΠ°ΡΠΈΠΈ Π½Π°Β ΠΏΠ΅Π΄Π°Π»Ρ ΡΡΠ΅ΠΏΠ»Π΅Π½ΠΈΡ ΡΡΠ°Π½ΡΠΌΠΈΡΡΠΈΡ ΡΒ Π΄Π²ΠΈΠ³Π°ΡΠ΅Π»Π΅ΠΌ Π½Π΅Β ΡΠ°ΡΡΠΎΠ΅Π΄ΠΈΠ½ΡΡΡΡΡ. Π’ΠΎΒ Π΅ΡΡΡ ΠΏΠΎΡΠ»Π΅ Π²ΡΠΆΠΈΠΌΠ° ΠΏΠ΅Π΄Π°Π»ΠΈ Π½Π΅Π²ΠΎΠ·ΠΌΠΎΠΆΠ½ΠΎ ΠΈΠ»ΠΈ ΡΠ»ΠΎΠΆΠ½ΠΎ Π²ΠΊΠ»ΡΡΠΈΡΡ ΠΏΠ΅ΡΠ΅Π΄Π°ΡΡ. Π¨Π΅ΡΡΠ΅ΡΠ½ΠΈ ΠΊΠΎΡΠΎΠ±ΠΊΠΈ ΠΏΡΠΈ Π²ΡΠΆΠ°ΡΠΎΠΉ ΠΏΠ΅Π΄Π°Π»ΠΈ ΠΈΒ ΠΏΠΎΠΏΡΡΠΊΠ΅ Π²ΠΊΠ»ΡΡΠΈΡΡ ΠΏΠ΅ΡΠ΅Π΄Π°ΡΡ ΠΈΠ·Π΄Π°ΡΡ Ρ
Π°ΡΠ°ΠΊΡΠ΅ΡΠ½ΡΠΉ ΡΠΊΡΠ΅ΠΆΠ΅Ρ, Π½ΠΎΒ ΠΏΠ΅ΡΠ΅Π΄Π°ΡΠ° Π½Π΅Β Π²ΠΊΠ»ΡΡΠ°Π΅ΡΡΡ.
ΠΡΡΠ³Π°Ρ ΡΡΠ°ΠΊΡΠΎΠ²ΠΊΠ° ΠΏΠΎΠ½ΡΡΠΈΡ Β«ΠΏΡΠΎΠΏΠ°Π»ΠΎ ΡΡΠ΅ΠΏΠ»Π΅Π½ΠΈΠ΅Β» ΠΏΠΎΠ΄ΡΠ°Π·ΡΠΌΠ΅Π²Π°Π΅Ρ ΡΠ²Π»Π΅Π½ΠΈΠ΅, ΠΏΡΠΈ ΠΊΠΎΡΠΎΡΠΎΠΌ ΠΏΡΠΈ Π²ΠΊΠ»ΡΡΠ΅Π½Π½ΠΎΠΉ ΠΏΠ΅ΡΠ΅Π΄Π°ΡΠ΅ Π°Π²ΡΠΎ ΠΎΡΡΠ°Π΅ΡΡΡ Π½Π΅ΠΏΠΎΠ΄Π²ΠΈΠΆΠ½ΡΠΌ ΠΈΠ»ΠΈ Π΄Π²ΠΈΠ³Π°Π΅ΡΡΡ Π½Π΅Π΅ΡΡΠ΅ΡΡΠ²Π΅Π½Π½ΠΎ ΠΌΠ΅Π΄Π»Π΅Π½Π½ΠΎ ΡΒ ΠΏΠ»Π°Π²Π°ΡΡΠΈΠΌΠΈ ΠΎΠΊΠΎΠ»ΠΎ ΠΊΡΠ°ΡΠ½ΠΎΠΉ Π·ΠΎΠ½Ρ ΡΠ°Ρ ΠΎΠΌΠ΅ΡΡΠ° ΠΎΠ±ΠΎΡΠΎΡΠ°ΠΌΠΈ ΠΌΠΎΡΠΎΡΠ°. ΠΡΠ»ΠΈ ΡΠΊΠ°Π·Π°ΡΡ Π±ΠΎΠ»Π΅Π΅ ΡΠΎΡΠ½ΠΎ, ΡΠΎΒ ΠΏΠΎΠ»ΡΡΠΈΡΡΡ ΡΡΠΎ-ΡΠΎ Π²ΡΠΎΠ΄Π΅ Β«ΠΏΡΠΎΠΏΠ°Π»ΠΎ ΡΡΠ΅ΠΏΠ»Π΅Π½ΠΈΠ΅ ΠΌΠ΅ΠΆΠ΄Ρ Π΄Π²ΠΈΠ³Π°ΡΠ΅Π»Π΅ΠΌ ΠΈΒ ΠΊΠΎΡΠΎΠ±ΠΊΠΎΠΉ ΠΏΠ΅ΡΠ΅Π΄Π°ΡΒ». ΠΠΌΠ΅ΡΠ΅ Π½Π°Β Π³Π°Π·, ΠΌΠΎΡΠΎΡ ΡΠ΅Π²Π΅Ρ, Π½ΠΎΒ ΠΌΠ°ΡΠΈΠ½Π° ΠΈΠ»ΠΈ Π½Π΅Β Π΅Π΄Π΅Ρ, ΠΈΠ»ΠΈ Π΅Π΄Π΅Ρ ΠΌΠ΅Π΄Π»Π΅Π½Π½ΠΎ. Π’ΠΎΒ Π΅ΡΡΡ, ΠΊΡΡΡΡΡΠΈΠΉ ΠΌΠΎΠΌΠ΅Π½Ρ ΡΠ°ΡΡΠΈΡΠ½ΠΎ ΠΈΠ»ΠΈ ΠΏΠΎΠ»Π½ΠΎΡΡΡΡ ΠΏΠ΅ΡΠ΅ΡΡΠ°Π» ΠΏΠ΅ΡΠ΅Π΄Π°Π²Π°ΡΡΡΡ Π½Π°Β ΡΡΠ°Π½ΡΠΌΠΈΡΡΠΈΡ. ΠΠ½ΠΎΠ³Π΄Π° ΡΡΠΎ ΡΠ²Π»Π΅Π½ΠΈΠ΅ Π½Π°Π·ΡΠ²Π°ΡΡ Β«Π±ΡΠΊΡΡΡΡΠΈΠΌ ΡΡΠ΅ΠΏΠ»Π΅Π½ΠΈΠ΅ΠΌΒ».
ΠΠΎΡΠ΅ΠΌΡ ΠΏΡΠΎΠΏΠ°Π΄Π°Π΅Ρ ΡΡΠ΅ΠΏΠ»Π΅Π½ΠΈΠ΅
Π Π°ΡΡΠΌΠΎΡΡΠΈΠΌ ΠΎΡΠ½ΠΎΠ²Π½ΡΠ΅ ΠΏΡΠΈΡΠΈΠ½Ρ, ΠΏΠΎΡΠ΅ΠΌΡ ΠΏΡΠΎΠΏΠ°Π΄Π°Π΅Ρ ΡΡΠ΅ΠΏΠ»Π΅Π½ΠΈΠ΅. ΠΠ°ΡΠ½Π΅ΠΌ ΡΒ Π²Π°ΡΠΈΠ°Π½ΡΠ°, ΠΊΠΎΠ³Π΄Π° ΡΡΠ°Π½ΡΠΌΠΈΡΡΠΈΡ Π½Π΅Β ΡΠ°Π·ΡΠ΅Π΄ΠΈΠ½ΡΠ΅ΡΡΡ ΡΒ Π΄Π²ΠΈΠ³Π°ΡΠ΅Π»Π΅ΠΌ ΠΏΡΠΈ ΠΏΠΎΠΏΡΡΠΊΠ΅ Π½Π°ΠΆΠ°ΡΠΈΡ Π½Π°Β ΠΏΠ΅Π΄Π°Π»Ρ.
- ΠΠ°ΡΡΡΠ΅Π½Π° Π³Π΅ΡΠΌΠ΅ΡΠΈΡΠ½ΠΎΡΡΡ Π³ΠΈΠ΄ΡΠ°Π²Π»ΠΈΠΊΠΈ. ΠΠ΅ΡΠ²ΡΠΌ Π΄Π΅Π»ΠΎΠΌ ΠΏΡΠΎΠ²Π΅ΡΡΠ΅ΠΌ ΡΡΠΎΠ²Π΅Π½Ρ ΠΆΠΈΠ΄ΠΊΠΎΡΡΠΈ Π²Β ΡΠ°ΡΡΠΈΡΠΈΡΠ΅Π»ΡΠ½ΠΎΠΌ Π±Π°ΡΠΊΠ΅.
ΠΡΠ»ΠΈ ΡΡΠΎΠ²Π΅Π½Ρ ΠΊΡΠΈΡΠΈΡΠ½ΠΎ Π½ΠΈΠ·ΠΊΠΈΠΉ ΠΈΠ»ΠΈ ΠΆΠΈΠ΄ΠΊΠΎΡΡΡ ΠΎΡΡΡΡΡΡΠ²ΡΠ΅ΡΒ β ΠΎΡΠΌΠ°ΡΡΠΈΠ²Π°Π΅ΠΌ ΡΠΈΡΡΠ΅ΠΌΡ Π½Π°Β Π½Π°Π»ΠΈΡΠΈΠ΅ ΡΡΠ΅ΡΠ΅ΠΊ. - ΠΠΎΡΠ²Π°Π»ΡΡ ΡΡΠΎΡ Π½Π°Β ΠΌΠ΅Ρ Π°Π½ΠΈΡΠ΅ΡΠΊΠΎΠΌ ΠΏΡΠΈΠ²ΠΎΠ΄Π΅ ΡΡΠ΅ΠΏΠ»Π΅Π½ΠΈΡ. ΠΡΠ»ΠΈ ΡΠ΅Π·ΠΊΠΎ ΠΏΡΠΎΠΏΠ°Π»ΠΎ ΡΡΠ΅ΠΏΠ»Π΅Π½ΠΈΠ΅, ΠΈΒ Π²Β Π²Π°ΡΠ΅ΠΌ Π°Π²ΡΠΎΠΌΠΎΠ±ΠΈΠ»Π΅ ΠΌΠ΅Ρ Π°Π½ΠΈΡΠ΅ΡΠΊΠΈΠΉ ΠΏΡΠΈΠ²ΠΎΠ΄Β β Π²Π΅Π»ΠΈΠΊΠ° Π²Π΅ΡΠΎΡΡΠ½ΠΎΡΡΡ, ΡΡΠΎ ΠΎΠ±ΠΎΡΠ²Π°Π»ΡΡ ΡΡΠΎΡ. ΠΒ ΡΡΠΎΠΌ ΡΠ»ΡΡΠ°Π΅ Π½ΡΠΆΠ½ΠΎ Π²ΠΈΠ·ΡΠ°Π»ΡΠ½ΠΎ ΠΏΡΠΎΠ²Π΅ΡΠΈΡΡ ΡΠ΅Π»ΠΎΡΡΠ½ΠΎΡΡΡ ΠΏΡΠΈΠ²ΠΎΠ΄Π½ΠΎΠ³ΠΎ ΡΡΠΎΡΠ°.
- ΠΠΎΠ²ΡΠ΅ΠΆΠ΄Π΅Π½Ρ ΠΌΠ°Π½ΠΆΠ΅ΡΡ Π³Π»Π°Π²Π½ΠΎΠ³ΠΎ ΠΈΠ»ΠΈ ΡΠ°Π±ΠΎΡΠ΅Π³ΠΎ ΡΠΈΠ»ΠΈΠ½Π΄ΡΠ° ΡΡΠ΅ΠΏΠ»Π΅Π½ΠΈΡ. ΠΡΠΈ Π½Π°ΠΆΠ°ΡΠΈΠΈ Π½Π°Β ΠΏΠ΅Π΄Π°Π»Ρ ΠΆΠΈΠ΄ΠΊΠΎΡΡΡ Π±ΡΠ΄Π΅Ρ ΠΏΡΠΎΡΡΠΎ ΠΏΠ΅ΡΠ΅ΡΠ΅ΠΊΠ°ΡΡ Π²Π½ΡΡΡΠΈ ΠΎΠ΄Π½ΠΎΠ³ΠΎ ΠΈΠ·Β ΡΠΈΠ»ΠΈΠ½Π΄ΡΠΎΠ² Π±Π΅Π· ΡΠΎΠ·Π΄Π°Π½ΠΈΡ ΡΡΠΈΠ»ΠΈΡ. ΠΠΎΒ Π²Β ΡΠ°ΡΡΠΈΡΠΈΡΠ΅Π»ΡΠ½ΠΎΠΌ Π±Π°ΡΠΊΠ΅ ΡΡΠΎΠ²Π΅Π½Ρ ΠΆΠΈΠ΄ΠΊΠΎΡΡΠΈ ΠΌΠΎΠΆΠ΅Ρ Π±ΡΡΡ Π²Β Π½ΠΎΡΠΌΠ΅. ΠΠΈΠ°Π³Π½ΠΎΡΡΠΈΠΊΠ° ΡΡΠΎΠΉ Π½Π΅ΠΈΡΠΏΡΠ°Π²Π½ΠΎΡΡΠΈ ΡΡΠ΅Π±ΡΠ΅Ρ Π΄Π΅ΠΌΠΎΠ½ΡΠ°ΠΆΠ° ΡΠΈΠ»ΠΈΠ½Π΄ΡΠ° ΠΈΒ Π΅Π³ΠΎ ΡΠ°Π·Π±ΠΎΡΠΊΠΈ.
- ΠΠ°ΡΡΡΠΈΠ»Π°ΡΡ ΡΠ΅Π³ΡΠ»ΠΈΡΠΎΠ²ΠΊΠ° ΠΏΡΠΈΠ²ΠΎΠ΄Π°. ΠΡΠΎ ΠΊΠ°ΡΠ°Π΅ΡΡΡ ΡΡΠ΅ΠΏΠ»Π΅Π½ΠΈΡ ΡΒ ΠΌΠ΅Ρ Π°Π½ΠΈΡΠ΅ΡΠΊΠΈΠΌ ΠΏΡΠΈΠ²ΠΎΠ΄ΠΎΠΌ ΠΈΒ / ΠΈΠ»ΠΈ ΡΒ Π²ΠΈΠ»ΠΊΠΎΠΉ. ΠΠ½ΠΎΠ³Π΄Π° Π²ΡΠ΄Π²ΠΈΠΆΠ΅Π½ΠΈΡ ΡΡΠΎΠΊΠ° ΡΠ°Π±ΠΎΡΠ΅Π³ΠΎ ΡΠΈΠ»ΠΈΠ½Π΄ΡΠ° ΠΈΠ»ΠΈ Π½Π°ΡΡΠΆΠ΅Π½ΠΈΡ ΡΡΠΎΡΠ° Π½Π΅Β Ρ Π²Π°ΡΠ°Π΅Ρ Π΄Π»Ρ ΠΏΠΎΠ»Π½ΠΎΡΠ΅Π½Π½ΠΎΠ³ΠΎ Π²ΡΠΆΠΈΠΌΠ°. ΠΒ ΡΡΠΎΠΌ ΡΠ»ΡΡΠ°Π΅ ΠΏΠΎΡΡΠ΅Π±ΡΠ΅ΡΡΡ ΡΠ΅Π³ΡΠ»ΠΈΡΠΎΠ²ΠΊΠ° ΠΏΡΠΈΠ²ΠΎΠ΄Π° ΡΡΠ΅ΠΏΠ»Π΅Π½ΠΈΡ.
- ΠΠΎΠ³Π½ΡΠ»Π°ΡΡ ΠΈΠ»ΠΈ ΡΠ»ΠΎΠΌΠ°Π»Π°ΡΡ Π²ΠΈΠ»ΠΊΠ° ΡΡΠ΅ΠΏΠ»Π΅Π½ΠΈΡ. ΠΡΠ»ΠΈ ΡΠ΅Π·ΠΊΠΎ Π½Π°Β Ρ
ΠΎΠ΄Ρ ΠΏΡΠΎΠΏΠ°Π»ΠΎ ΡΡΠ΅ΠΏΠ»Π΅Π½ΠΈΠ΅ ΠΏΠΎΡΠ»Π΅ Π½Π°ΠΆΠ°ΡΠΈΡ Π½Π°Β ΠΏΠ΅Π΄Π°Π»ΡΒ β ΠΏΡΠΈΡΠΈΠ½ΠΎΠΉ ΠΌΠΎΠΆΠ΅Ρ Π±ΡΡΡ ΠΏΠΎΠ²ΡΠ΅ΠΆΠ΄Π΅Π½ΠΈΠ΅ Π²ΠΈΠ»ΠΊΠΈ.
ΠΠΊΡΡΠ°Π»ΡΠ½ΠΎ Π΄Π»Ρ Π°Π²ΡΠΎΠΌΠΎΠ±ΠΈΠ»Π΅ΠΉ, ΡΒ ΠΊΠΎΡΠΎΡΡΡ
Π²ΡΠΆΠΈΠΌΠ½ΠΎΠΉ ΠΏΠΎΠ΄ΡΠΈΠΏΠ½ΠΈΠΊ Π½Π΅Β ΡΠΏΠ°ΡΠ΅Π½ ΡΒ ΡΠΈΠ»ΠΈΠ½Π΄ΡΠΎΠΌ. - ΠΠ±Π»ΠΎΠΌΠ°Π»ΠΈΡΡ ΠΈΠ»ΠΈ ΠΊΡΠΈΡΠΈΡΠ΅ΡΠΊΠΈ ΠΏΡΠΎΡΠ΅Π»ΠΈ Π»Π΅ΠΏΠ΅ΡΡΠΊΠΈ Π½Π°Β Π½Π°ΠΆΠΈΠΌΠ½ΠΎΠΌ Π΄ΠΈΡΠΊΠ΅. Π’Π°ΠΊΠ°Ρ ΠΏΠΎΠ»ΠΎΠΌΠΊΠ° Π΄ΠΈΠ°Π³Π½ΠΎΡΡΠΈΡΡΠ΅ΡΡΡ ΡΠΎΠ»ΡΠΊΠΎ ΠΏΠΎΡΠ»Π΅ Π΄Π΅ΠΌΠΎΠ½ΡΠ°ΠΆΠ° ΠΠΠ ΠΈΒ ΠΎΡΠΌΠΎΡΡΠ° ΠΊΠΎΡΠ·ΠΈΠ½Ρ ΡΡΠ΅ΠΏΠ»Π΅Π½ΠΈΡ.
Π Π°Π·Π±Π΅ΡΠ΅ΠΌ ΡΠ»ΡΡΠ°ΠΈ, ΠΊΠΎΠ³Π΄Π° ΠΏΠΎΠ΄ ΠΏΠΎΠ½ΡΡΠΈΠ΅ΠΌ Β«ΠΏΡΠΎΠΏΠ°Π»ΠΎ ΡΡΠ΅ΠΏΠ»Π΅Π½ΠΈΠ΅Β» ΠΏΠΎΠ΄ΡΠ°Π·ΡΠΌΠ΅Π²Π°ΡΡΡΡ ΡΠ±ΠΎΠΈ Π²Β ΠΏΠ΅ΡΠ΅Π΄Π°ΡΠ΅ ΠΊΡΡΡΡΡΠ΅Π³ΠΎ ΠΌΠΎΠΌΠ΅Π½ΡΠ° ΠΎΡΒ Π΄Π²ΠΈΠ³Π°ΡΠ΅Π»Ρ Π½Π°Β ΠΊΠΎΡΠΎΠ±ΠΊΡ ΠΏΠ΅ΡΠ΅Π΄Π°Ρ.
- ΠΠ΅Ρ Π°Π½ΠΈΡΠ΅ΡΠΊΠΈΠΉ ΠΈΠ·Π½ΠΎΡ ΡΡΠΈΠΊΡΠΈΠΎΠ½Π½ΡΡ Π½Π°ΠΊΠ»Π°Π΄ΠΎΠΊ Π²Π΅Π΄ΠΎΠΌΠΎΠ³ΠΎ Π΄ΠΈΡΠΊΠ°. Π‘Π½ΠΈΠΆΠ°Π΅ΡΡΡ ΠΊΠΎΡΡΡΠΈΡΠΈΠ΅Π½Ρ ΡΡΠ΅ΠΏΠ»Π΅Π½ΠΈΡ ΠΌΠ΅ΠΆΠ΄Ρ Π΄ΠΈΡΠΊΠ°ΠΌΠΈ ΡΡΠ΅ΠΏΠ»Π΅Π½ΠΈΡ, ΡΡΠΎ Π²Π΅Π΄Π΅Ρ ΠΊΒ ΠΈΡ Β ΠΏΡΠΎΠ±ΡΠΊΡΠΎΠ²ΠΊΠ΅.
- ΠΠΎΡΠ΅ΡΡ ΠΆΠ΅ΡΡΠΊΠΎΡΡΠΈ ΡΒ Π΄ΠΈΠ°ΡΡΠ°Π³ΠΌΠ΅Π½Π½ΠΎΠΉ ΠΏΡΡΠΆΠΈΠ½Ρ Π½Π°ΠΆΠΈΠΌΠ½ΠΎΠ³ΠΎ Π΄ΠΈΡΠΊΠ°. Π€ΡΠΈΠΊΡΠΈΠΎΠ½Π½ΡΠΉ (Π²Π΅Π΄ΠΎΠΌΡΠΉ) Π΄ΠΈΡΠΊ ΠΏΠ»ΠΎΡ ΠΎ ΠΏΡΠΈΠΆΠΈΠΌΠ°Π΅ΡΡΡ ΠΊΒ ΠΌΠ°Ρ ΠΎΠ²ΠΈΠΊΡ, ΡΡΠΎ ΠΏΡΠΈΠ²ΠΎΠ΄ΠΈΡ ΠΊΒ Π±ΡΠΊΡΠΎΠ²Π°Π½ΠΈΡ ΡΡΠ΅ΠΏΠ»Π΅Π½ΠΈΡ.
ΠΒ ΠΏΠ΅ΡΠ²ΡΡ
Π΄Π²ΡΡ
ΡΠ»ΡΡΠ°ΡΡ
Π½Π΅ΡΠ΅Π΄ΠΊΠΎ Π½Π΅ΠΈΡΠΏΡΠ°Π²Π½ΠΎΡΡΡ ΡΠΎΠΏΡΠΎΠ²ΠΎΠΆΠ΄Π°Π΅ΡΡΡ Π·Π°ΠΏΠ°Ρ
ΠΎΠΌ Π³Π°ΡΠΈ ΡΡΠΈΠΊΡΠΈΠΎΠ½Π½ΠΎΠ³ΠΎ ΠΌΠ°ΡΠ΅ΡΠΈΠ°Π»Π° Π²Π΅Π΄ΠΎΠΌΠΎΠ³ΠΎ Π΄ΠΈΡΠΊΠ°, ΠΊΠΎΡΠΎΡΡΠΉ ΠΏΠΎΡΠ²Π»ΡΠ΅ΡΡΡ ΠΎΡΒ ΡΡΠ΅Π½ΠΈΡ Π½Π°Β Π²ΡΡΠΎΠΊΠΎΠΉ ΡΠΊΠΎΡΠΎΡΡΠΈ. ΠΠ±ΡΡΠ½ΠΎ ΡΡΠ΅ΠΏΠ»Π΅Π½ΠΈΠ΅ ΠΏΡΠΎΠΏΠ°Π΄Π°Π΅Ρ Π½Π°Β ΡΠΊΠΎΡΠΎΡΡΠΈ, ΠΏΡΠΈ ΠΏΠΎΠ΄ΡΠ΅ΠΌΠ΅ Π²Β Π³ΠΎΡΡ ΠΈΠ»ΠΈ ΠΏΡΠΈ ΠΏΠ΅ΡΠ΅Π³Π°Π·ΠΎΠ²ΠΊΠ°Ρ
.
ΠΠ²ΠΈΠ³Π°ΡΠ΅Π»Ρ ΡΠ°Π±ΠΎΡΠ°Π΅Ρ Π½Π°Β Π·Π°ΠΌΠ΅ΡΠ½ΠΎ Π±ΠΎΠ»Π΅Π΅ Π²ΡΡΠΎΠΊΠΈΡ
Π΄Π»Ρ Π²ΡΠ±ΡΠ°Π½Π½ΠΎΠΉ ΠΏΠ΅ΡΠ΅Π΄Π°ΡΠΈ ΠΎΠ±ΠΎΡΠΎΡΠ°Ρ
. ΠΡΠΈΡΠ΅ΠΌ ΠΎΠ±ΠΎΡΠΎΡΡ ΡΠ°ΡΡΠΎ ΠΏΠ»Π°Π²Π°ΡΡ, Π°Β ΠΌΠ°ΡΠΈΠ½Π° Π΄Π΅ΡΠ³Π°Π΅ΡΡΡ.
- ΠΡΠΎΠ±Π»Π΅ΠΌΡ ΡΒ ΠΏΡΠΈΠ²ΠΎΠ΄ΠΎΠΌ. ΠΡΠΈ Π½Π΅ΠΏΡΠ°Π²ΠΈΠ»ΡΠ½ΠΎΠΉ ΡΠ°Π±ΠΎΡΠ΅ ΠΏΡΠΈΠ²ΠΎΠ΄Π° ΡΡΠ΅ΠΏΠ»Π΅Π½ΠΈΡ (ΠΈΠ»ΠΈ Π½Π΅ΠΊΠΎΡΡΠ΅ΠΊΡΠ½ΠΎΠΉ ΡΠ΅Π³ΡΠ»ΠΈΡΠΎΠ²ΠΊΠ΅) Π²ΡΠΆΠΈΠΌΠ½ΠΎΠΉ ΠΏΠΎΠ΄ΡΠΈΠΏΠ½ΠΈΠΊ ΠΌΠΎΠΆΠ΅Ρ ΠΏΠΎΠ΄ΠΏΠΈΡΠ°ΡΡ Π»Π΅ΠΏΠ΅ΡΡΠΊΠΈ Π½Π°ΠΆΠΈΠΌΠ½ΠΎΠ³ΠΎ Π΄ΠΈΡΠΊΠ°. ΠΒ ΡΡΠΎΠΌ ΡΠ»ΡΡΠ°Π΅ ΠΏΡΠΈΠΆΠΈΠΌΠ½ΠΎΠ΅ ΡΡΠΈΠ»ΠΈΠ΅ ΡΡΠ°Π½Π΅Ρ Π½ΠΈΠΆΠ΅ Π½ΠΎΡΠΌΡ ΠΈΒ ΡΡΠ΅ΠΏΠ»Π΅Π½ΠΈΠ΅ Π½Π°ΡΠ½Π΅Ρ Π±ΡΠΊΡΠΎΠ²Π°ΡΡ. ΠΒ Π³ΠΈΠ΄ΡΠ°Π²Π»ΠΈΡΠ΅ΡΠΊΠΎΠΉ Π²Π΅ΡΡΠΈΠΈ ΠΏΡΠΈΠ²ΠΎΠ΄Π° Π½Π°Π±Π»ΡΠ΄Π°Π΅ΡΡΡ ΡΠ°ΠΊΠ°Ρ ΡΠ΅Π½Π΄Π΅Π½ΡΠΈΡ, ΡΡΠΎ ΡΠ°ΡΠ΅ ΡΡΠ΅ΠΏΠ»Π΅Π½ΠΈΠ΅ ΠΏΡΠΎΠΏΠ°Π΄Π°Π΅Ρ Π½Π°Β Ρ ΠΎΠ»ΠΎΠ΄Π½ΡΡ (ΠΈΠ»ΠΈ Ρ ΡΠΆΠ΅ ΡΠ°Π±ΠΎΡΠ°Π΅Ρ Π²Β Ρ ΠΎΠ»ΠΎΠ΄Π½ΠΎΠ΅ Π²ΡΠ΅ΠΌΡ Π³ΠΎΠ΄Π°). Π Π°Π±ΠΎΡΠ°Ρ ΠΆΠΈΠ΄ΠΊΠΎΡΡΡ Π½Π°Β ΠΌΠΎΡΠΎΠ·Π΅ Π±ΠΎΠ»Π΅Π΅ Π²ΡΠ·ΠΊΠ°Ρ, Π°Β Π΄Π΅ΡΠ΅ΠΊΡΠ½Π°Ρ ΡΠΈΡΡΠ΅ΠΌΠ° ΡΠΏΡΡΠΊΠ° Π΄Π°Π²Π»Π΅Π½ΠΈΡ ΠΏΡΠΈ ΠΎΡΠΏΡΡΠΊΠ°Π½ΠΈΠΈ ΠΏΠ΅Π΄Π°Π»ΠΈ ΡΠ°Π±ΠΎΡΠ°Π΅Ρ Π²Β ΡΡΠΎΠΌ ΡΠ»ΡΡΠ°Π΅ ΠΎΡΠΎΠ±Π΅Π½Π½ΠΎ ΠΏΠ»ΠΎΡ ΠΎ. Π’ΠΎΒ Π΅ΡΡΡ, ΡΡΠ΅ΠΏΠ»Π΅Π½ΠΈΠ΅ ΠΎΡΡΠ°Π΅ΡΡΡ ΡΠ°ΡΡΠΈΡΠ½ΠΎ Β«Π²ΡΠΆΠ°ΡΡΠΌΒ» Π΄Π°ΠΆΠ΅ ΠΏΡΠΈ ΠΎΡΠΏΡΡΠ΅Π½Π½ΠΎΠΉ ΠΏΠ΅Π΄Π°Π»ΠΈ. ΠΡΠ»ΠΈ Π²ΡΠΆΠΈΠΌΠ½ΠΎΠΉ ΠΏΠΎΠ΄ΡΠΈΠΏΠ½ΠΈΠΊ ΠΏΠΎΠ΄ΠΏΠΈΡΠ°Π΅ΡΡΡ Π²Β ΠΌΠ΅Ρ Π°Π½ΠΈΡΠ΅ΡΠΊΠΎΠΉ Π²Π΅ΡΡΠΈΠΈ ΠΏΡΠΈΠ²ΠΎΠ΄Π°, Π²Π·Π°ΠΈΠΌΠ½ΠΎΠ΅ Π±ΡΠΊΡΠΎΠ²Π°Π½ΠΈΠ΅ Π΄ΠΈΡΠΊΠΎΠ² Π½Π°Π±Π»ΡΠ΄Π°Π΅ΡΡΡ Π½Π΅Π·Π°Π²ΠΈΡΠΈΠΌΠΎ ΠΎΡΒ ΡΠ΅ΠΌΠΏΠ΅ΡΠ°ΡΡΡΡ ΠΎΠΊΡΡΠΆΠ°ΡΡΠ΅ΠΉ ΡΡΠ΅Π΄Ρ.
ΠΒ Π»ΡΠ±ΠΎΠΌ ΡΠ»ΡΡΠ°Π΅, ΠΏΡΠΎΠ±Π»Π΅ΠΌΡ ΡΠΎΒ ΡΡΠ΅ΠΏΠ»Π΅Π½ΠΈΠ΅ΠΌ ΡΠ»Π΅Π΄ΡΠ΅Ρ ΡΠ΅ΡΠ°ΡΡ ΠΊΠ°ΠΊ ΠΌΠΎΠΆΠ½ΠΎ Π±ΡΡΡΡΠ΅Π΅, Π°Β Π»ΡΡΡΠ΅Β β ΡΡΠ°Π·Ρ ΠΏΠΎΡΠ»Π΅ ΠΈΡ
Β ΠΏΡΠΎΡΠ²Π»Π΅Π½ΠΈΡ.
ΠΠ΅Π΄Ρ ΡΡΠ° ΡΠΈΡΡΠ΅ΠΌΠ° ΠΊΡΠΈΡΠΈΡΠ΅ΡΠΊΠΈ Π²Π°ΠΆΠ½Π°, ΠΈΒ Π΅Π΅Β ΠΎΡΠΊΠ°Π· ΠΎΠ±Π΅Π·Π΄Π²ΠΈΠΆΠΈΡ Π°Π²ΡΠΎΠΌΠΎΠ±ΠΈΠ»Ρ.
ΠΠ°ΠΏΠ°ΡΠ½ΡΠ΅ ΡΠ°ΡΡΠΈ Π΄Π»Ρ ΡΡΠ΅ΠΏΠ»Π΅Π½ΠΈΡ ΡΠΎΡΡΠΈΠΉΡΠΊΠΈΡ ΠΈΒ ΠΈΠΌΠΏΠΎΡΡΠ½ΡΡ Π°Π²ΡΠΎ ΠΏΠΎΒ Π½Π΅Π²ΡΡΠΎΠΊΠΎΠΉ ΡΠ΅Π½Π΅ Π²Β ΡΠΈΡΠΎΠΊΠΎΠΌ Π°ΡΡΠΎΡΡΠΈΠΌΠ΅Π½ΡΠ΅ ΠΏΡΠ΅Π΄ΡΡΠ°Π²Π»Π΅Π½Ρ Π²Β ΠΈΠ½ΡΠ΅ΡΠ½Π΅Ρ-ΠΌΠ°Π³Π°Π·ΠΈΠ½Π΅ TopDetal.ru.
ΠΠΎΠ·Π²ΡΠ°Ρ ΠΊ ΡΠΏΠΈΡΠΊΡ
ΠΠ°ΠΊ ΠΎΠΏΡΠ΅Π΄Π΅Π»ΠΈΡΡ ΡΠ°Π±ΠΎΡΠΎΡΠΏΠΎΡΠΎΠ±Π½ΠΎΡΡΡ Π³Π»Π°Π²Π½ΠΎΠ³ΠΎ ΡΠΈΠ»ΠΈΠ½Π΄ΡΠ° ΡΡΠ΅ΠΏΠ»Π΅Π½ΠΈΡ audi 80. Π’Π΅Π½Π΄Π΅Π½ΡΠΈΠΈ, ΡΠ°ΠΊΡΡ, ΡΠΎΡΠΎ
Π Π°Π·ΠΌΠ΅ΡΡΠΈΠ»: ΠΠΈΠΊΡΠΎΡ 31.03.2016 Π² 15:59
Π‘ΠΎΠ΄Π΅ΡΠΆΠ°Π½ΠΈΠ΅ ΡΡΠ°ΡΡΠΈ:Π€ΠΎΡΠΎ ΠΡΠΈΠ±ΠΊΠ° — ΠΠ°ΠΏΡΠ°ΡΠΈΠ²Π°Π΅ΠΌΠ°Ρ Π²Π°ΠΌΠΈ ΡΡΡΠ°Π½ΠΈΡΠ° ΠΈΠ»ΠΈ ΡΠ°ΠΉΠ» Π½Π΅ Π½Π°ΠΉΠ΄Π΅Π½Ρ Π½Π° ΡΠ°ΠΉΡΠ΅ ΠΠΈΠΆΠ½ΠΈΠΉ ΠΠΎΠ²Π³ΠΎΡΠΎΠ΄ On-line ΠΠΈΠ΄Π΅ΠΎ ΠΠΎΡ ΠΎΠΆΠΈΠ΅ ΡΡΠ°ΡΡΠΈ
ΠΠ°ΠΊ ΠΎΠΏΡΠ΅Π΄Π΅Π»ΠΈΡΡ Π½Π΅ΠΈΡΠΏΡΠ°Π²Π½ΠΎΡΡΡ. 80 SF. ΠΠΠ·ΠΌΠΎΠΆΠ½ΠΎ ΠΏΡΠΎΡΡΠΎ ΠΎΠ±Π»ΠΎΠΌΠΈΠ»ΡΡ ΡΡΠΎΠΊ ΠΠ»Π°Π²Π½ΠΎΠ³ΠΎ ΡΠΈΠ»ΠΈΠ½Π΄ΡΠ° ΡΡΠ΅ΠΏΠ»Π΅Π½ΠΈΡ.ΠΠ°Π΄ΠΎ Π·Π°Π³Π»ΡΠ½ΡΡΡ Π² ΠΏΠ΅Π΄Π°Π»ΡΠ½ΡΠΉ ΡΠ·Π΅Π» ΠΈ ΠΏΠΎΡΠΌΠΎΡΡΠ΅ΡΡ Π½Π° ΡΡΠ³Ρ ΠΎΡ ΠΏΠ΅Π΄Π°Π»ΠΈ ΠΊ ΡΠΈΠ»ΠΈΠ½Π΄ΡΡ.
VAG ΡΠΎΡΡΠΌ: ΡΠΎΡΡΠΌ Π²Π»Π°Π΄Π΅Π»ΡΡΠ΅Π² AUDI, VOLKSWAGEN, SKODA ΠΈ SEAT.
ΠΡΡ
ΠΈΠ²Π½Π°Ρ Π’Π΅ΠΌΠ°.Β Π’.ΠΊ. ΡΠ΅ΠΌΠ° ΡΠ²Π»ΡΠ΅ΡΡΡ Π°ΡΡ
ΠΈΠ²Π½ΠΎΠΉ. ΠΠΎΠ΄ΡΠΊΠ°ΠΆΠΈΡΠ΅ ΠΏΠΎΠΆΠ°Π»ΡΠΉΡΡΠ° ΠΊΠ°ΠΊ ΠΏΡΠΎΠ²Π΅ΡΠΈΡΡ ΡΠ°Π±ΠΎΡΠΎΡΠΏΠΎΡΠΎΠ±Π½ΠΎΡΡΡ ΠΠ»Π°Π²Π½ΠΎΠ³ΠΎ ΡΠΈΠ»ΠΈΠ½Π΄ΡΠ° ΡΡΠ΅ΠΏΠ»Π΅Π½ΠΈΡ Π½Π° VW B5.
Audi ΠΏΡΠΈΠ·Π½Π°Π½Π° Π½Π°ΠΈΠ±ΠΎΠ»Π΅Π΅ ΠΏΠΎΠΏΡΠ»ΡΡΠ½ΠΎΠΉ ΠΌΠ°ΡΠΊΠΎΠΉ ΡΡΠ΅Π΄ΠΈ ΠΏΠΎΠ΄Π΅ΡΠΆΠ°Π½Π½ΡΡ Π°Π²ΡΠΎΠΌΠΎΠ±ΠΈΠ»Π΅ΠΉ. ΠΠ±ΡΠ΅ΠΌ Π΅ΠΆΠ΅Π³ΠΎΠ΄Π½ΠΎΠ³ΠΎ ΠΏΡΠΎΠΈΠ·Π²ΠΎΠ΄ΡΡΠ²Π° ΡΠΎΡΡΠ°Π²Π»ΡΠ΅Ρ ΠΏΠΎΡΡΠ΄ΠΊΠ° 2 ΠΌΠ»Π½. Π΅Π΄ΠΈΠ½ΠΈΡ Π°Π²ΡΠΎΠΌΠΎΠ±ΠΈΠ»Π΅ΠΉ.
Audi 80 βΊ ΠΠΎΡΡΠΆΡΡΠ½Π°Π» βΊ Π Π΅ΠΌΠΎΠ½Ρ Π³Π»Π°Π²Π½ΠΎΠ³ΠΎ ΡΠΈΠ»ΠΈΠ½Π΄ΡΠ° ΡΡΠ΅ΠΏΠ»Π΅Π½ΠΈΡ.Β Π₯ΠΎΡΡ ΠΏΠΎΠ΄Π΅Π»ΠΈΡΡΡΡ ΠΎΠΏΡΡΠΎΠΌ Π·Π°ΠΌΠ΅Π½Ρ ΡΠΈΠ»ΠΈΠ½Π΄ΡΠ°. ΠΠΎΠ΄ Π½Π°Π·Π°Π΄ Ρ ΠΌΠ΅Π½Ρ ΠΏΡΠΎΠΏΠ°Π»ΠΎ ΡΡΠ΅ΠΏΠ»Π΅Π½ΠΈΠ΅ (ΠΏΠ΅Π΄Π°Π»ΡΠΊΠ° ΠΏΡΠΎΡΡΠΎ ΡΠΏΠ°Π»Π° Π² ΠΏΠΎΠ»).
ΠΡΠ΅ΡΠ° Ρ ΠΎΡΠ΅Π» Π·Π°Π²Π΅ΡΡΠΈ ΡΠ²ΠΎΡ Π»Π°ΡΡΠΎΡΠΊΡ ΠΏΠΎΡΠ»Π΅ ΠΌΠΎΡΠΎΠ·ΠΎΠ². G G ΠΠΎΠ΄ ΡΠ΅Π³ΡΠ»ΠΈΡΡΠ΅ΠΌΡΠΌ ΡΠΌΠ΅ΡΠ΅ΠΎΠ±ΡΠ°Π·ΠΎΠ²Π°ΡΠ΅Π»Π΅ΠΌ ΠΏΠΎΠ½ΠΈΠΌΠ°Π΅ΡΡΡ ΠΊΠ°ΡΠ±ΡΡΠ°ΡΠΎΡ ΠΈΠ»ΠΈ ΡΡΡΡΠΎΠΉΡΡΠ²ΠΎ Π²ΠΏΡΡΡΠΊΠ°, Π² ΠΊΠΎΡΠΎΡΡΡ ΡΠΎΠΎΡΠ½ΠΎΡΠ΅Π½ΠΈΠ΅ ΡΠΎΠΏΠ»ΠΈΠ²Π° ΠΈ Π²ΠΎΠ·Π΄ΡΡ Π° ΠΌΠΎΠΆΠ΅Ρ ΠΈΠ·ΠΌΠ΅Π½ΡΡΡΡ Π² Π·Π°Π²ΠΈΡΠΈΠΌΠΎΡΡΠΈ ΠΎΡ ΡΠΎΡΡΠΎΡΠ½ΠΈΡ Π°Π²ΡΠΎΠΌΠΎΠ±ΠΈΠ»Ρ ΠΈ ΠΊΠΎΠ½ΡΠ΅Π½ΡΡΠ°ΡΠΈΠΈ ΠΊΠΈΡΠ»ΠΎΡΠΎΠ΄Π° Π² ΠΎΡΡΠ°Π±ΠΎΡΠ°Π²ΡΠΈΡ Π³Π°Π·Π°Ρ . ΠΡΠ»ΠΈ Π±ΠΎΠ»ΡΡ ΠΏΡΠΈ ΡΠ°Π·Π±ΠΎΡΠΊΠ΅ Π½Π΅ ΠΎΡΠ²ΠΎΡΠ°ΡΠΈΠ²Π°ΡΡΡΡ, Π½Π°Π³ΡΠ΅ΡΡ ΡΠΈΡΡΠ΅ΠΌΡ Π² ΠΌΠ΅ΡΡΠ°Ρ ΡΡΡΠΊΠΎΠ²ΠΊΠΈ Π³Π°Π·ΠΎΠ²ΠΎΠΉ Π³ΠΎΡΠ΅Π»ΠΊΠΎΠΉ. ΠΡΠΈ ΠΎΡΠΊΠ»ΡΡΠ΅Π½ΠΈΠΈ Π·Π°ΠΆΠΈΠ³Π°Π½ΠΈΡ ΠΊΠ°ΠΊΠΎΠ³ΠΎ-Π»ΠΈΠ±ΠΎ ΠΈΠ· ΡΠΈΠ»ΠΈΠ½Π΄ΡΠΎΠ² Π½Π΅ΡΠ³ΠΎΡΠ΅Π²ΡΠ΅Π΅ ΡΠΎΠΏΠ»ΠΈΠ²ΠΎ ΠΏΠΎΠΏΠ°Π΄Π°Π΅Ρ Π² ΠΊΠ°ΡΠ°Π»ΠΈΠ·Π°ΡΠΎΡ.
ΠΠ»Π°Π²Π½ΡΠΉ ΡΠΈΠ»ΠΈΠ½Π΄Ρ ΡΡΠ΅ΠΏΠ»Π΅Π½ΠΈΡ ΠΏΠ΅ΡΠ΅ΠΏΡΡΠΊΠ°Π΅Ρ, ΠΊΠ°ΠΊΠΎΠΉ Π±ΡΠ°ΡΡ? — Π€ΠΎΡΡΠΌ Audi 80
ΠΠ°ΡΠΈΠ½Π° Audi 80 ΠΊΠ²Π°ΡΡΠΎ Π³.
ΠΠΎΠΆΠ΅Ρ Ρ ΠΊΠΎΠ³ΠΎ Π±ΡΠ» ΠΎΠΏΡΡ. Π― ΡΠ°ΠΌ ΠΏΠΎΠ²Π΅ΡΡΠ΅Π» Π² ΡΡΠΊΠ°Ρ
ΠΎΠ±Π° Π΄Π΅Π²Π°ΠΉΡΠ° Π²Π½Π΅ΡΠ½Π΅ ΠΎΠ΄ΠΈΠ½Π°ΠΊΠΎΠ²Ρ, Π½ΠΎ Π² ΠΌΠ°Π³Π°Π·ΠΈΠ½Π΅ Π³ΠΎΠ²ΠΎΡΡΡ ΡΡΠΎ ΠΎΠ½ΠΈ Π½Π΅ Π²Π·Π°ΠΈΠΌΠΎΠ·Π°ΠΌΠ΅Π½ΡΠ΅ΠΌΡ ΠΡΠ»ΠΈ ΠΠ¦Π‘ ΠΏΠΎΠ΄Ρ
ΠΎΠ΄ΠΈΡ ΠΏΠΎ ΠΊΡΠ΅ΠΏΠ»Π΅Π½ΠΈΡ,ΡΠ΅Π·ΡΠ±Π° Π΄Π»Ρ ΡΡΡΠ±ΠΊΠΈ ΡΠΎΠ²ΠΏΠ°Π΄Π°Π΅Ρ,ΡΠΎ ΡΡΠ°Π²Ρ Π½Π΅ Π»ΠΎΠΌΠ°ΠΉ Π³ΠΎΠ»ΠΎΠ²Ρ-Π±ΡΠ΄Π΅Ρ ΡΠ°Π±ΠΎΡΠ°ΡΡ. Π Π²ΠΌΠ°Π³Π°Π·ΠΈΠ½Π°Ρ
ΡΠΏΠ΅ΡΠΈΠ°Π»ΠΈΡΡΡ Π΅ΡΠ΅ ΡΠ΅. ΠΡΠΎΠ΄Π°Π²Π΅Ρ ΠΏΡΠΈΠ²ΡΠ» Π»ΠΎΠ³ΠΈΡΠ½ΡΠΉ Π°ΡΠ³ΡΠΌΠ΅Π½Ρ — ΡΠ°Π· ΡΡΡΡΠ΅Ρ Π·Π°Π±ΠΎΡΠ° ΡΠΎΡΠΌΠΎΠ·ΡΡ
ΠΈ ΠΏΠΎΠ΄ ΡΠ³Π»ΠΎΠΌ ΡΠΎ Π² ΡΠΈΠ»ΠΈΠ½Π΄ΡΠ΅ Π±ΡΠ΄Π΅Ρ ΠΎΠ±ΡΠ°Π·ΠΎΠ²ΡΠ²Π°ΡΡΡΡ Π²ΠΎΠ·Π΄ΡΡΠ½ΡΠΉ ΠΏΡΠ·ΡΡΡ, Π½ΠΎ ΠΏΠΎ ΠΌΠΎΠ΅ΠΌΡ ΡΡΠΎ Π±ΡΠ΅Π΄, ΠΏΡΠΈ ΠΏΡΠΎΠΊΠ°ΡΠΊΠ΅ Π²Π΅ΡΡ Π²ΠΎΠ·Π΄ΡΡ
Π΄ΠΎΠ»ΠΆΠ΅Π½ ΡΠΉΡΠΈ, Π° ΡΠ³ΠΎΠ» ΠΏΠΎΠ΄ ΠΊΠΎΡΠΎΡΡΠΌ Π²Ρ
ΠΎΠ΄ΠΈΡ ΠΆΠΈΠ΄ΠΊΠΎΡΡΡ ΡΠΎΠ»ΠΈ Π½Π΅ ΠΈΠ³ΡΠ°Π΅Ρ.
ΠΠΎ Π½Π° Π²ΡΡΠΊΠΈΠΉ ΡΠ»ΡΡΠ°ΠΉ ΠΈΠ½ΡΠ΅ΡΠ΅ΡΡΡΡΡ. Konst ΠΏΠΈΡΠ°Π» Π° :ΡΡΠ°Π» ΠΏΠ΅ΡΠ΅ΠΏΡΡΠΊΠ°ΡΡ Π³Π»Π°Π²Π½ΡΠΉ ΡΠΈΠ»ΠΈΠ½Π΄Ρ ΡΡΠ΅ΠΏΠ»Π΅Π½ΠΈΡ. Π Π² ΡΠ΅ΠΌ ΠΏΡΠΎΠ±Π»Π΅ΠΌΠ°? Π Π΅ΠΌΠΊΠΎΠΌΠΏΠ»Π΅ΠΊΡ-ΡΡΠΎ Π²ΡΠ΅ΠΌΠ΅Π½Π½Π°Ρ ΠΌΠ΅ΡΠ°,Π½Π΅ ΡΠΎ ΠΊΠ°ΡΠ΅ΡΡΠ²ΠΎ Π·. ΠΡΠΎ Π²ΠΎΠ·Π΄ΡΡΠ½ΡΠΉ ΠΏΡΠ·ΡΡΡ Π²ΠΎΠΎΠ±ΡΠ΅ Π±ΡΠ΅Π΄.
Π Π°Π±ΠΎΡΠΈΠΉ ΡΠΈΠ»ΠΈΠ½Π΄Ρ ΠΏΠ΅ΡΠ΅ΠΏΡΡΠΊΠ°ΡΡ Π½Π΅ ΠΌΠΎΠΆΠ΅Ρ,ΠΎΠ½ ΠΈΠ»ΠΈ ΡΠ°Π±ΠΎΡΠ°Π΅Ρ ΠΈΠ»ΠΈ ΠΈΠ· Π½Π΅Π³ΠΎ ΡΠ΅ΡΠ΅Ρ ΠΆΠΈΠ΄ΠΊΠΎΡΡΡ. Π Π² ΡΠ΅ΠΌ Π²ΠΎΠΎΠ±ΡΠ΅ Ρ Π²Π°Ρ ΠΏΡΠΎΠ±Π»Π΅ΠΌΠ°? Neopoznaniy ΠΏΠΈΡΠ°Π» Π° :Π Π² ΡΠ΅ΠΌ Π²ΠΎΠΎΠ±ΡΠ΅ Ρ Π²Π°Ρ ΠΏΡΠΎΠ±Π»Π΅ΠΌΠ°? Neopoznaniy, ΡΠΈΡΠ°Π΅ΠΌ ΡΠ΅ΠΌΡ Ρ ΠΏΠ΅ΡΠ²ΠΎΠ³ΠΎ ΠΏΠΎΡΡΠ°. ΠΠ°Π»ΡΡ ΠΏΠΈΡΠ°Π» Π° : Neopoznaniy ΠΏΠΈΡΠ°Π» Π° :Π Π² ΡΠ΅ΠΌ Π²ΠΎΠΎΠ±ΡΠ΅ Ρ Π²Π°Ρ ΠΏΡΠΎΠ±Π»Π΅ΠΌΠ°?
Π£Π²Π°ΠΆΠ°Π΅ΠΌΡΠΉ,ΡΠ΅ΠΌΡ ΡΠΈΡΠ°Ρ Ρ ΡΠ°ΠΌΠΎΠ³ΠΎ Π½Π°ΡΠ°Π»Π°,ΠΏΡΠΎΡΡΠΎ Π·Π½Π°Ρ ΠΌΠ½ΠΎΠ³ΠΎ Π»ΡΠ΄Π΅ΠΉ, ΠΊΠΎΡΠΎΡΡΠ΅ Π»Π΅ΡΠ°Ρ ΡΠΎ, ΡΡΠΎ ΠΈΠ·Π½Π°ΡΠ°Π»ΡΠ½ΠΎ Π±ΡΠ»ΠΎ Π·Π΄ΠΎΡΠΎΠ²ΡΠΌ.
ΠΠ΅Π½Ρ ΠΈΠ½ΡΠ΅ΡΠ΅ΡΡΡΡ ΡΠΈΠΌΠΏΡΠΎΠΌΡ Π½Π΅ΠΈΡΠΏΡΠ°Π²Π½ΠΎΡΡΠΈ ΠΏΠ»ΠΎΡ
ΠΎ Π²ΠΊΠ»ΡΡΠ°ΡΡΡΡ ΠΏΠ΅ΡΠ΅Π΄Π°ΡΠΈ,Π±ΠΎΠ»ΡΡΠΎΠΉ ΡΠ²ΠΎΠ±ΠΎΠ΄Π½ΡΠΉ Ρ
ΠΎΠ΄ ΠΏΠ΅Π΄Π°Π»ΠΈ ΠΈΠ»ΠΈ Π΅ΡΠ΅ ΡΡΠΎ. ΠΠ°ΠΊ ΠΎΠΏΡΠ΅Π΄Π΅Π»ΠΈΠ»ΠΈ, ΡΡΠΎ ΡΠΈΡΡΠ΅ΠΌΠ° ΠΏΠ΅ΡΠ΅ΠΏΡΡΠΊΠ°Π΅Ρ? ΠΠ°ΠΊ ΠΌΠΎΠ³ΡΡ ΠΎΡΡΠ°ΡΡΡΡ ΠΎΠ΄Π½ΠΈ ΠΈ ΡΠ΅ ΠΆΠ΅ ΡΠΈΠΌΠΏΡΠΎΠΌΡ ΠΏΡΠΈ ΡΠ°Π·Π½ΡΡ
ΡΠΈΠ»ΠΈΠ½Π΄ΡΠ°Ρ
?
ΠΠΎΠ·ΠΌΠΎΠΆΠ½ΠΎ Π½Π°Π΄ΠΎ ΡΠ½ΠΈΠΌΠ°ΡΡ ΠΊΠΎΡΠΎΠ±ΠΊΡ. Neopoznaniy ΠΏΠΈΡΠ°Π» Π° :Π£Π²Π°ΠΆΠ°Π΅ΠΌΡΠΉ,ΡΠ΅ΠΌΡ ΡΠΈΡΠ°Ρ Ρ ΡΠ°ΠΌΠΎΠ³ΠΎ Π½Π°ΡΠ°Π»Π° Neopoznaniy, ΡΠΎΠ³Π΄Π°, ΡΠ²Π°ΠΆΠ°Π΅ΠΌΡΠΉ, Π½ΡΠΆΠ½ΠΎ ΠΏΡΠ°Π²ΠΈΠ»ΡΠ½ΠΎ ΡΠΎΡΠΌΡΠ»ΠΈΡΠΎΠ²Π°ΡΡ Π²ΠΎΠΏΡΠΎΡ.
Π ΡΡΠΌ ΠΏΡΠΎΠ±Π»Π΅ΠΌΠ°, Π½Π°ΠΏΠΈΡΠ°Π½ΠΎ ΠΏΡΡΠΌΠΎ Π² Π·Π°Π³ΠΎΠ»ΠΎΠ²ΠΊΠ΅ ΡΠ΅ΠΌΡ. Neopoznaniy ΠΏΠΈΡΠ°Π» Π° :ΠΠ°ΠΊ ΠΎΠΏΡΠ΅Π΄Π΅Π»ΠΈΠ»ΠΈ, ΡΡΠΎ ΡΠΈΡΡΠ΅ΠΌΠ° ΠΏΠ΅ΡΠ΅ΠΏΡΡΠΊΠ°Π΅Ρ? ΠΠ°ΡΠΊΠΎΠ»ΡΠΊΠΎ Ρ ΠΏΠΎΠ½ΠΈΠΌΠ°Ρ, ΡΡΠ΅ΠΏΠ»Π΅Π½ΠΈΠ΅ ΠΏΠ΅ΡΠ΅ΠΏΡΡΠΊΠ°Π΅Ρ — ΡΡΠΎ Π·Π½Π°ΡΠΈΡ, ΡΡΠΎ ΠΏΡΠΈ Π²ΡΠΆΠ°ΡΠΎΠΉ ΠΏΠ΅Π΄Π°Π»ΠΈ ΠΎΠ½Π° ΡΠ½Π°ΡΠ°Π»Π° ΡΠΏΡΡΠ³Π°Ρ, Π° Π·Π°ΡΠ΅ΠΌ ΠΏΠΎΡΠΈΡ Ρ ΡΡ ΠΎΠ΄ΠΈΡ Π΄ΠΎ ΠΏΠΎΠ»Π°, ΡΡΠΎΠΊ ΡΠ°Π±ΠΎΡΠ΅Π³ΠΎ ΡΠΈΠ»ΠΈΠ½Π΄ΡΠ° ΠΏΠΎΡΡΠ΅ΠΏΠ΅Π½Π½ΠΎ Π²ΠΎΠ·Π²ΡΠ°ΡΠ°Π΅ΡΡΡ Π² ΠΈΡΡ ΠΎΠ΄Π½ΠΎΠ΅ ΠΏΠΎΠ»ΠΎΠΆΠ΅Π½ΠΈΠ΅ ΠΈ ΡΡΠ΅ΠΏΠ»Π΅Π½ΠΈΠ΅ Π½Π°ΡΠΈΠ½Π°Π΅Ρ «Π²Π΅ΡΡΠΈ».
Π Neopoznaniy ΠΏΠΈΡΠ°Π» Π° :ΠΏΠ»ΠΎΡ
ΠΎ Π²ΠΊΠ»ΡΡΠ°ΡΡΡΡ ΠΏΠ΅ΡΠ΅Π΄Π°ΡΠΈ,Π±ΠΎΠ»ΡΡΠΎΠΉ ΡΠ²ΠΎΠ±ΠΎΠ΄Π½ΡΠΉ Ρ
ΠΎΠ΄ ΠΏΠ΅Π΄Π°Π»ΠΈ ΡΡΠΎ Π½Π΅ΠΌΠ½ΠΎΠ³ΠΎ ΠΈΠ· Π΄ΡΡΠ³ΠΎΠΉ ΠΎΠΏΠ΅ΡΡ. Π‘Π°ΠΌ ΡΠ°ΠΊΡΡ Π½Π΅ΠΈΡΠΏΡΠ°Π²Π½ΠΎΡΡΡ Π»Π΅ΡΠΈΠ» Π·Π°ΠΌΠ΅Π½ΠΎΠΉ ΠΌΠ°Π½ΠΆΠ΅Ρ Π³Π»Π°Π²Π½ΠΎΠ³ΠΎ ΡΠΈΠ»ΠΈΠ½Π΄ΡΠ°. ΠΠΎΡΡΠ½ΠΈΡΠ΅ ΠΌΠ½Π΅ ΡΠ²Π°ΠΆΠ°Π΅ΠΌΡΠΉ ΠΠ°Π»ΡΡ, ΠΏΠΎΡΠ΅ΠΌΡ Π½ΠΈΡΠ΅Π³ΠΎ Π½Π΅ ΠΈΠ·ΠΌΠ΅Π½ΠΈΠ»ΠΎΡΡ ΠΏΠΎΡΠ»Π΅ Π·Π°ΠΌΠ΅Π½Ρ ΠΠ¦Π‘. Π Π²ΠΎΠΎΠ±ΡΠ΅ ΡΡΠΎ ΡΡΠΎ Π²Ρ ΡΠ°ΠΊ ΡΡΡΠ½ΠΎ Π²Π·ΡΠ»ΠΈΡΡ ΠΌΠ΅Π½Ρ ΠΊΠΎΠΌΠΌΠ΅Π½ΡΠΈΡΠΎΠ²Π°ΡΡ? ΠΡΠΎΠ΄Π΅ Π±Π΅ΡΠ΅Π΄Π° Π½Π΅ Ρ Π²Π°ΠΌΠΈ.
Neopoznaniy ΠΏΠΈΡΠ°Π» Π° :Π±Π΅ΡΠ΅Π΄Π° Π½Π΅ Ρ Π²Π°ΠΌΠΈ. Π Ρ ΡΠ΅Π³ΠΎ ΠΡ Π²Π·ΡΠ»ΠΈ, ΡΡΠΎ ΡΠΎΡΡΠΌ — ΡΡΠΎ Π±Π΅ΡΠ΅Π΄Π° Ρ Π°Π²ΡΠΎΡΠΎΠΌ ΡΠΎΠΏΠΈΠΊΠ°??
Neopoznaniy ΠΏΠΈΡΠ°Π» Π° :ΠΏΠΎΡΠ΅ΠΌΡ Π½ΠΈΡΠ΅Π³ΠΎ Π½Π΅ ΠΈΠ·ΠΌΠ΅Π½ΠΈΠ»ΠΎΡΡ ΠΏΠΎΡΠ»Π΅ Π·Π°ΠΌΠ΅Π½Ρ ΠΠ¦Π‘. ΠΠΎΠ΄ΠΎΠΆΠ΄ΡΠΌ ΡΠΎΠΏΠΈΠΊΡΡΠ°ΡΡΠ΅ΡΠ° ΠΈ ΡΠ·Π½Π°Π΅ΠΌ, ΡΡΠΎ ΠΈΠ·ΠΌΠ΅Π½ΠΈΠ»ΠΎΡΡ Π·Π° ΠΏΡΠΎΡΠ΅Π΄ΡΠ΅Π΅ Π²ΡΠ΅ΠΌΡ. ΠΠΎΠ΄ ΠΏΠΎΠ½ΡΡΠΈΠ΅ΠΌ ΠΏΠ΅ΡΠ΅ΠΏΡΡΠΊΠ°Π΅Ρ Ρ ΠΏΠΎΠ΄ΡΠ°Π·ΡΠΌΠ΅Π²Π°Ρ ΡΠ»Π΅Π΄ΡΡΡΠ΅Π΅ ΠΏΠΎΠ²Π΅Π΄Π΅Π½ΠΈΠ΅ ΠΏΠ΅Π΄Π°Π»ΠΈ ΡΡΠ΅ΠΏΠ»Π΅Π½ΠΈΡ: ΠΡΠΈ ΡΠΈΠ»ΡΠ½ΠΎΠΌ ΡΠ΅Π·ΠΊΠΎΠΌ Π½Π°ΠΆΠ°ΡΠΈΠΈ Π½Π° ΠΏΠ΅Π΄Π°Π»Ρ Π²ΡΡ ΠΎΠΊΠ΅ΠΉ, ΡΡΠ²ΡΡΠ²ΡΠ΅ΡΡΡ ΡΠΎΠΏΡΠΎΡΠΈΠ²Π»Π΅Π½ΠΈΠ΅ ΠΈ ΠΎΠ±Π΅ΡΠΏΠ΅ΡΠ΅Π½ Π½ΠΎΠΌΠ°Π»ΡΠ½ΡΠΉ Π²ΠΎΠ·Π²ΡΠ°Ρ ΠΏΠ΅Π΄Π°Π»ΠΈ, ΠΏΡΠΈ ΠΌΠ΅Π΄Π»Π΅Π½Π½ΠΎΠΌ ΡΠ°Π²Π½ΠΎΠΌΠ΅ΡΠ½ΠΎΠΌ Π΄Π°Π²Π»Π΅Π½ΠΈΠΈ — ΠΏΠ΅Π΄Π°Π»Ρ ΡΡ ΠΎΠ΄ΠΈΡ Π² ΠΏΠΎΠ» ΠΈ ΡΠ°ΠΌΠ° Π½Π΅ Π²ΠΎΠ·Π²ΡΠ°ΡΠ°Π΅ΡΡΡ — Π½Π°ΡΠΈΠ½Π°Π΅ΡΡΡ ΠΏΡΠΎΡΠ΅ΡΡ ΠΏΡΠΎΠΊΠ°ΡΠΊΠΈ, ΠΏΡΠΈ ΠΊΠΎΡΠΎΡΠΎΠΌ ΡΡ ΠΎΠ΄ΠΈΡ ΡΠΎΡΠΌ.
ΠΠ° ΠΏΡΠ°Π·Π΄Π½ΠΈΠΊΠ°Ρ
Π½Π΅ ΠΏΠΎΠ»ΠΈΠ½ΠΈΠ»ΡΡ ΠΎΡΡΠΎΠ΅Π΄ΠΈΠ½ΠΈΠ» ΡΠ»Π°Π½Π³ ΠΎΡ ΠΎΠ±ΡΠ΅Π³ΠΎ Π±ΠΎΡΠΊΠ° Ρ Π’Π ΠΈ Π²ΡΠ²Π΅Π» Π΅Π³ΠΎ Π½Π° ΠΆΠΈΠ³ΡΠ»ΡΠ²ΡΠΊΠΈΠΉ Ρ ΡΠ΅Π»ΡΡ ΠΎΠΏΡΠ΅Π΄Π΅Π»Π΅Π½ΠΈΡ ΡΠΊΠΎΡΠΎΡΡΠΈ ΡΠ±ΡΠ²Π°Π½ΠΈΡ Π’Π ΠΡΠΏΡΡΠ°Π» Π½Π°ΡΡΡΠ°Π»ΡΠ½ΡΠΉ ΡΠΎΠΊ — Π’Π ΡΡΠ΅ΠΊΠ°Π΅Ρ Π΄Π°ΠΆΠ΅ Π²ΠΎ Π²ΡΠ΅ΠΌΡ ΠΏΡΠΎΡΡΠΎΡ Π² Π³Π°ΡΠ°ΠΆΠ΅, Π·Π° Π½ΠΎΡΡ ΡΡ
ΠΎΠ΄ΠΈΡ ΠΌΠ» ΠΏΡΠΈ Π²ΠΎΠΆΠ΄Π΅Π½ΠΈΠΈ Π°Π²ΡΠΎ Π±ΠΎΠ»ΡΡΠ΅. ΠΠΎ ΠΏΠΎΡΠ²ΠΈΠ»ΠΈΡΡ ΠΈ ΠΏΠ»ΡΡΡ ΠΏΠΎΡΠ»Π΅ ΠΏΠΎΠ»Π½ΠΎΠ³ΠΎ ΠΏΡΠΎΠ²Π°Π»Π° ΠΏΠ΅Π΄Π°Π»ΠΈ Π·Π° 5 ΠΌΠΈΠ½ΡΡ ΠΏΡΠΎΠΊΠ°ΡΠΊΠΈ ΠΏΠ΅Π΄Π°Π»ΡΡ ΠΈ Π΄ΠΎΠ»ΠΈΠ²Π°Π½ΠΈΡ Π’Π Π²ΠΎΡΡΡΠ°Π½Π°Π²Π»ΠΈΠ²Π°Π΅ΡΡΡ Π΄Π°Π²Π»Π΅Π½ΠΈΠ΅ ΠΠ°ΠΊΠ°Π·Π°Π» ΡΠ°Π±ΠΎΡΠΈΠΉ Π³ΠΎ ΡΠΈΡΠ»Π° ΠΏΡΠΈΠ²Π΅Π·ΡΡ Π±ΡΠ΄Ρ ΡΡΠ°Π²ΠΈΡΡ ΠΈ ΡΠΌΠΎΡΡΠ΅ΡΡ Π΄Π°Π»ΡΡΠ΅.
Π Π΅ΠΌΠΎΠ½Ρ ΠΠ¦Π‘.Π£ΡΡΡΠΎΠΉΡΡΠ²ΠΎ.ΠΠ° ΠΏΡΠΈΠΌΠ΅ΡΠ΅ ΡΠΈΠ»ΠΈΠ½Π΄ΡΠ° ΠΡΠ΄ΠΈ.
ΠΏΠ΅ΡΠ΅ΠΊΠ»ΡΡΠ°ΡΠ΅Π»Ρ ΡΡΠ΅ΠΏΠ»Π΅Π½ΠΈΡ Π±Π°ΠΉΠΏΠ°Ρ | Π€ΠΎΠ»ΡΠΊΡΠ²Π°Π³Π΅Π½ ΠΠΎΡΡΠ΅ΠΊΡ
JavaScript ΠΎΡΠΊΠ»ΡΡΠ΅Π½. ΠΠ»Ρ Π»ΡΡΡΠ΅Π³ΠΎ ΠΎΠΏΡΡΠ°, ΠΏΠΎΠΆΠ°Π»ΡΠΉΡΡΠ°, Π²ΠΊΠ»ΡΡΠΈΡΠ΅ JavaScript Π² Π²Π°ΡΠ΅ΠΌ Π±ΡΠ°ΡΠ·Π΅ΡΠ΅, ΠΏΡΠ΅ΠΆΠ΄Π΅ ΡΠ΅ΠΌ ΠΏΡΠΎΠ΄ΠΎΠ»ΠΆΠΈΡΡ.
ΠΡΠΈΠ²Π΅Ρ Π²ΡΠ΅ΠΌ,
ΠΠ΅Π΄Π°Π²Π½ΠΎ Ρ Π·Π°ΠΊΠ°Π·Π°Π» ΠΆΠ³ΡΡ ΠΏΡΠΎΠ²ΠΎΠ΄ΠΎΠ² ΠΎΠ±Ρ ΠΎΠ΄Π° Π²ΡΠΊΠ»ΡΡΠ°ΡΠ΅Π»Ρ ΡΡΠ΅ΠΏΠ»Π΅Π½ΠΈΡ Π² ΠΊΠΎΠΌΠΏΠ°Π½ΠΈΠΈ AKS Tuning ΠΈ Π±ΡΠ» ΠΏΠΎΠ»Π½ΠΎΡΡΡΡ ΡΠ±ΠΈΡ ΠΈΠ·-Π·Π° ΡΠ°ΡΡ ΠΎΠ΄ΠΎΠ² Π½Π° ΠΌΠ΅ΠΆΠ΄ΡΠ½Π°ΡΠΎΠ΄Π½ΡΡ Π΄ΠΎΡΡΠ°Π²ΠΊΡ. Π’Π΅ΠΌ Π½Π΅ ΠΌΠ΅Π½Π΅Π΅, ΠΌΠ½Π΅ Π²ΡΠ΅ ΡΠ°Π²Π½ΠΎ, ΠΏΠΎΡΠΎΠΌΡ ΡΡΠΎ ΠΏΠΎΡΠ»Π΅ Π½Π΅ΡΠΊΠΎΠ»ΡΠΊΠΈΡ ΡΡΡΡΡ ΠΌΠΈΠ»Ρ Π΅ΠΆΠ΅Π΄Π½Π΅Π²Π½ΠΎΠ³ΠΎ ΠΈΡΠΏΠΎΠ»ΡΠ·ΠΎΠ²Π°Π½ΠΈΡ APR Stage 2+ Ρ Southbend Stage 2 Ρ ΠΏΠΎΠ½ΡΠ», ΡΡΠΎ ΡΡΠΎ ΠΌΠΎΠΆΠ΅Ρ ΠΏΠΎΠΌΠΎΡΡ ΡΠΎΠ»ΡΠΊΠΎ Π² ΠΎΡΠ½ΠΎΡΠ΅Π½ΠΈΠΈ ΠΏΡΠΎΠ΄Π»Π΅Π½ΠΈΡ ΡΡΠΎΠΊΠ° ΡΠ»ΡΠΆΠ±Ρ ΡΠΏΠΎΡΠ½ΠΎΠ³ΠΎ ΠΏΠΎΠ΄ΡΠΈΠΏΠ½ΠΈΠΊΠ°.
Π’ΠΎΠ³Π΄Π° Ρ Π½Π°ΡΠ°Π» Π·Π°Π΄Π°Π²Π°ΡΡΡΡ Π²ΠΎΠΏΡΠΎΡΠΎΠΌ — ΡΡΠΎ ΠΈΠΌΠ΅Π½Π½ΠΎ Π΄Π΅Π»Π°Π΅Ρ ΠΆΠ³ΡΡ Π±Π°ΠΉΠΏΠ°ΡΠ°? Π Π°ΡΡΠΌΠ°ΡΡΠΈΠ²Π°Ρ ΡΠ»Π΅ΠΊΡΡΠΈΡΠ΅ΡΠΊΡΡ ΡΡ
Π΅ΠΌΡ Erwin Π΄Π»Ρ Golf R 2013 Π³ΠΎΠ΄Π° ΠΈ ΠΏΠΎΠ½ΠΈΠΌΠ°Ρ ΠΎΡΠ½ΠΎΠ²Π½ΡΠ΅ ΠΏΡΠΈΠ½ΡΠΈΠΏΡ ΡΠ°Π±ΠΎΡΡ Π΄Π°ΡΡΠΈΠΊΠ° Π₯ΠΎΠ»Π»Π°, Ρ Π΄ΡΠΌΠ°Ρ, ΡΡΠΎ Ρ ΠΌΠ΅Π½Ρ Π΅ΡΡΡ Π΄ΠΎΠ²ΠΎΠ»ΡΠ½ΠΎ Ρ
ΠΎΡΠΎΡΠ°Ρ ΠΈΠ΄Π΅Ρ.
Π’Π΅ΠΏΠ΅ΡΡ Ρ Π½Π΅ ΡΠΌΠΎΠ³Ρ ΠΏΠΎΠ΄ΡΠ²Π΅ΡΠ΄ΠΈΡΡ ΡΡΠΎ, ΠΏΠΎΠΊΠ° Π½Π΅ ΠΏΠΎΠ»ΡΡΡ ΠΏΡΠΎΠ΄ΡΠΊΡ ΠΈ Π½Π΅ ΠΏΠΎΠΊΠΎΠΏΠ°ΡΡΡ Π² Π½Π΅ΠΌ Π½Π΅ΠΌΠ½ΠΎΠ³ΠΎ Π±ΠΎΠ»ΡΡΠ΅, Π½ΠΎ Ρ ΠΌΠ΅Π½Ρ Π΅ΡΡΡ ΠΎΠ΄Π½Π° ΠΏΠΎΡΠ΅Π½ΡΠΈΠ°Π»ΡΠ½Π°Ρ ΠΏΡΠΎΠ±Π»Π΅ΠΌΠ°, Π²ΠΎΠ·ΠΌΠΎΠΆΠ½ΠΎ, Π²Ρ ΡΠΌΠΎΠΆΠ΅ΡΠ΅ ΠΎΡΠ²Π΅ΡΠΈΡΡ, Π΅ΡΠ»ΠΈ Π²Ρ ΡΡΡΠ°Π½Π°Π²Π»ΠΈΠ²Π°Π»ΠΈ ΠΎΠ΄ΠΈΠ½ ΠΈΠ· Π½ΠΈΡ
ΡΠ°Π½ΡΡΠ΅.
ΠΠ°ΡΡΠΈΠΊ ΠΏΠΎΠ»ΠΎΠΆΠ΅Π½ΠΈΡ ΡΡΠ΅ΠΏΠ»Π΅Π½ΠΈΡ (G476) ΠΏΡΠ΅Π΄ΡΡΠ°Π²Π»ΡΠ΅Ρ ΡΠΎΠ±ΠΎΠΉ Π΄Π°ΡΡΠΈΠΊ Π₯ΠΎΠ»Π»Π°, ΠΊΠΎΡΠΎΡΡΠΉ ΠΏΠΎΡΡΠ»Π°Π΅Ρ ΡΠΈΠ³Π½Π°Π» Π² Π±Π»ΠΎΠΊ ΡΠΏΡΠ°Π²Π»Π΅Π½ΠΈΡ Π΄Π²ΠΈΠ³Π°ΡΠ΅Π»Π΅ΠΌ, ΠΊΠΎΠ³Π΄Π° ΠΎΠ½ ΠΎΠΏΡΠ΅Π΄Π΅Π»ΡΠ΅Ρ, ΡΡΠΎ ΠΏΠ΅Π΄Π°Π»Ρ ΡΡΠ΅ΠΏΠ»Π΅Π½ΠΈΡ Π½Π°ΠΆΠ°ΡΠ°, Ρ ΠΏΠΎΠΌΠΎΡΡΡ ΠΌΠ°Π³Π½ΠΈΡΠ°, ΠΏΡΠΈΠΊΡΠ΅ΠΏΠ»Π΅Π½Π½ΠΎΠ³ΠΎ ΠΊ ΠΏΠΎΡΡΠ½Ρ Π³Π»Π°Π²Π½ΠΎΠ³ΠΎ ΡΠΈΠ»ΠΈΠ½Π΄ΡΠ° ΡΡΠ΅ΠΏΠ»Π΅Π½ΠΈΡ, ΠΊΠΎΡΠΎΡΡΠΉ ΠΏΡΠΈΠ±Π»ΠΈΠΆΠ°Π΅ΡΡΡ ΠΊ ΡΠ°ΠΌΠΎΠΌΡ Π΄Π°ΡΡΠΈΠΊΡ. Π Π΄Π°ΡΡΠΈΠΊΡ G476 ΠΏΠΎΠ΄Ρ
ΠΎΠ΄ΡΡ 4 ΠΏΡΠΎΠ²ΠΎΠ΄Π°: ΠΏΡΠΎΠ²ΠΎΠ΄ Β«ΠΏΠΈΡΠ°Π½ΠΈΠ΅Β», Β«ΠΌΠ°ΡΡΠ°Β» ΠΈ Π΄Π²Π° ΡΠΈΠ³Π½Π°Π»ΡΠ½ΡΡ
ΠΏΡΠΎΠ²ΠΎΠ΄Π° ΠΠΠ£. ΠΠ°ΠΏΡΡΠΆΠ΅Π½ΠΈΠ΅ ΠΏΠΎΠ΄Π°Π΅ΡΡΡ Π½Π° Π΄Π°ΡΡΠΈΠΊ ΡΠ΅ΡΠ΅Π· ΠΏΡΠΎΠ²ΠΎΠ΄ ΠΏΠΈΡΠ°Π½ΠΈΡ ΠΈ ΠΏΡΠΎΠ²ΠΎΠ΄ Π·Π°Π·Π΅ΠΌΠ»Π΅Π½ΠΈΡ. ΠΠΎΠ³Π΄Π° ΠΌΠ°Π³Π½ΠΈΡ, ΠΏΡΠΈΠΊΡΠ΅ΠΏΠ»Π΅Π½Π½ΡΠΉ ΠΊ ΠΏΠΎΡΡΠ½Ρ Π³Π»Π°Π²Π½ΠΎΠ³ΠΎ ΡΠΈΠ»ΠΈΠ½Π΄ΡΠ°, ΠΏΡΠΈΠ±Π»ΠΈΠΆΠ°Π΅ΡΡΡ ΠΊ G476, Π½Π° Π΄Π°ΡΡΠΈΠΊΠ΅ Π₯ΠΎΠ»Π»Π° ΡΠΎΠ·Π΄Π°Π΅ΡΡΡ ΠΏΠ°Π΄Π΅Π½ΠΈΠ΅ Π½Π°ΠΏΡΡΠΆΠ΅Π½ΠΈΡ, Π½Π°Π·ΡΠ²Π°Π΅ΠΌΠΎΠ΅ Β«Π½Π°ΠΏΡΡΠΆΠ΅Π½ΠΈΠ΅ΠΌ Π₯ΠΎΠ»Π»Π°Β», ΠΊΠΎΡΠΎΡΠΎΠ΅ Π²ΠΎΡΠΏΡΠΈΠ½ΠΈΠΌΠ°Π΅ΡΡΡ Π΄Π²ΡΠΌΡ ΡΠΈΠ³Π½Π°Π»ΡΠ½ΡΠΌΠΈ ΠΏΡΠΎΠ²ΠΎΠ΄Π°ΠΌΠΈ ΠΠΠ£. ΠΡΠΎ ΡΠΎΠΎΠ±ΡΠ°Π΅Ρ ΠΠΠ£, Π²ΡΠΆΠ°ΡΠΎ ΡΡΠ΅ΠΏΠ»Π΅Π½ΠΈΠ΅ ΠΈΠ»ΠΈ Π½Π΅Ρ. ΠΠ·ΠΌΠ΅ΡΠΈΡΠ΅Π»ΡΠ½ΡΠΉ Π±Π»ΠΎΠΊ 066, ΠΠΎΠ»Π΅ 2, ΠΠ°ΠΉΡ 3, Π±ΡΠ΄Π΅Ρ ΠΎΡΠΎΠ±ΡΠ°ΠΆΠ°ΡΡ 1, Π΅ΡΠ»ΠΈ ΡΡΠ΅ΠΏΠ»Π΅Π½ΠΈΠ΅ Π½Π°ΠΆΠ°ΡΠΎ, ΠΈΠ»ΠΈ 0, Π΅ΡΠ»ΠΈ Π½Π΅Ρ.
ΠΠ½Π΄ΡΡΠΈΡΠΎΠ²Π°Π½Π½ΠΎΠ΅ Π½Π°ΠΏΡΡΠΆΠ΅Π½ΠΈΠ΅ Π₯ΠΎΠ»Π»Π°, Π·Π°Π²ΠΈΡΡΡΠ΅Π΅ ΠΎΡ Π½Π°ΠΏΡΡΠΆΠ΅Π½ΠΈΡ ΠΏΠΈΡΠ°Π½ΠΈΡ ΠΈ ΡΠΈΠ»Ρ ΠΌΠ°Π³Π½ΠΈΡΠ°, ΠΎΠ±ΡΡΠ½ΠΎ Π½Π°ΠΌΠ½ΠΎΠ³ΠΎ ΠΌΠ΅Π½ΡΡΠ΅ ΡΠ°ΠΊΡΠΈΡΠ΅ΡΠΊΠΎΠ³ΠΎ Π½Π°ΠΏΡΡΠΆΠ΅Π½ΠΈΡ, ΠΏΠΎΠ΄Π°Π²Π°Π΅ΠΌΠΎΠ³ΠΎ Π½Π° Π΄Π°ΡΡΠΈΠΊ. ΠΠ°ΡΠΊΠΎΠ»ΡΠΊΠΎ ΠΌΠ΅Π½ΡΡΠ΅ Π² ΡΡΠΎΠΌ ΡΠ»ΡΡΠ°Π΅, Ρ Π½Π΅ ΡΠ²Π΅ΡΠ΅Π½, ΡΠ°ΠΊ ΠΊΠ°ΠΊ Ρ Π½Π΅ ΡΠΌΠΎΠ³ ΠΏΠΎ-Π½Π°ΡΡΠΎΡΡΠ΅ΠΌΡ ΠΏΡΠΎΠ²Π΅ΡΠΈΡΡ ΡΡΠΎ. ΠΠΎ, ΠΊΠ°ΠΊ Π³ΠΎΠ²ΠΎΡΠΈΡΡΡ, ΡΡΠΎ ΡΡΠ½Π΄Π°ΠΌΠ΅Π½ΡΠ°Π»ΡΠ½ΡΠΉ ΠΏΡΠΈΠ½ΡΠΈΠΏ Π΄Π°ΡΡΠΈΠΊΠ° Π₯ΠΎΠ»Π»Π°.
Π’Π΅ΠΏΠ΅ΡΡ, ΠΈΠ· ΡΠΎΠ³ΠΎ, ΡΡΠΎ Ρ ΡΠ»ΡΡΠ°Π» ΠΈ ΡΠΈΡΠ°Π» Π½Π° ΡΠΎΡΡΠΌΠ°Ρ /youtube/ΠΈ Ρ.Π΄. ΠΆΠ³ΡΡ ΠΏΡΠΎΠ²ΠΎΠ΄ΠΎΠ² Π±Π°ΠΉΠΏΠ°ΡΠ° ΡΠ°Π±ΠΎΡΠ°Π΅Ρ, ΠΏΡΠΎΡΡΠΎ ΡΠΎΠ΅Π΄ΠΈΠ½ΡΡ ΠΎΠ΄ΠΈΠ½ ΠΈΠ· ΡΠΈΠ³Π½Π°Π»ΡΠ½ΡΡ ΠΏΡΠΎΠ²ΠΎΠ΄ΠΎΠ² ΠΠΠ£ Ρ ΠΏΡΠΎΠ²ΠΎΠ΄ΠΎΠΌ ΠΏΠΈΡΠ°Π½ΠΈΡ ΡΠ°ΠΊΠΈΠΌ ΠΎΠ±ΡΠ°Π·ΠΎΠΌ, ΡΡΠΎΠ±Ρ ΠΠΠ£ Π²ΡΠ΅Π³Π΄Π° ΠΎΠΏΡΠ΅Π΄Π΅Π»ΡΠ΅Ρ ΠΏΠ°Π΄Π΅Π½ΠΈΠ΅ Π½Π°ΠΏΡΡΠΆΠ΅Π½ΠΈΡ Π½Π° ΡΡΠΈΡ ΡΠΈΠ³Π½Π°Π»ΡΠ½ΡΡ ΠΏΡΠΎΠ²ΠΎΠ΄Π°Ρ ΡΠ°ΠΊ, ΡΡΠΎ ΡΡΠΈΡΠ°Π΅Ρ, ΡΡΠΎ ΡΡΠ΅ΠΏΠ»Π΅Π½ΠΈΠ΅ Π²ΡΠ΅Π³Π΄Π° Π½Π°ΠΆΠ°ΡΠΎ. ΠΠΌΠ΅Π΅Ρ Π΄ΠΎΡΡΠ°ΡΠΎΡΠ½ΠΎ ΡΠΌΡΡΠ»Π°.
ΠΠ΄Π½Π°ΠΊΠΎ ΠΌΠ΅Π½Ρ Π±Π΅ΡΠΏΠΎΠΊΠΎΠΈΡ Π½Π°ΠΏΡΡΠΆΠ΅Π½ΠΈΠ΅, ΠΏΠΎΠ΄Π°Π²Π°Π΅ΠΌΠΎΠ΅ Π½Π° ΠΠΠ£ ΡΠ΅ΡΠ΅Π· ΡΠΈΠ³Π½Π°Π»ΡΠ½ΡΠ΅ ΠΏΡΠΎΠ²ΠΎΠ΄Π°. ΠΠ±ΡΡΠ½ΠΎ Π½Π°ΠΏΡΡΠΆΠ΅Π½ΠΈΠ΅ Π½Π° ΡΡΠΈΡ
ΡΠΈΠ³Π½Π°Π»ΡΠ½ΡΡ
ΠΏΡΠΎΠ²ΠΎΠ΄Π°Ρ
ΠΏΡΠΈ Π½Π°ΠΆΠ°ΡΠΎΠΉ ΠΌΡΡΡΠ΅ ΠΏΡΠ΅Π΄ΡΡΠ°Π²Π»ΡΠ΅Ρ ΡΠΎΠ±ΠΎΠΉ ΠΈΠ½Π΄ΡΡΠΈΡΠΎΠ²Π°Π½Π½ΠΎΠ΅ Β«Π½Π°ΠΏΡΡΠΆΠ΅Π½ΠΈΠ΅ Π₯ΠΎΠ»Π»Π°Β», ΠΊΠΎΡΠΎΡΠΎΠ΅, ΠΊΠ°ΠΊ ΠΌΡ ΡΠΆΠ΅ Π³ΠΎΠ²ΠΎΡΠΈΠ»ΠΈ ΡΠ°Π½Π΅Π΅, ΠΎΠ±ΡΡΠ½ΠΎ Π½Π°ΠΌΠ½ΠΎΠ³ΠΎ ΠΌΠ΅Π½ΡΡΠ΅, ΡΠ΅ΠΌ ΡΠ°ΠΊΡΠΈΡΠ΅ΡΠΊΠΎΠ΅ Π½Π°ΠΏΡΡΠΆΠ΅Π½ΠΈΠ΅, ΠΏΠΎΠ΄Π°Π²Π°Π΅ΠΌΠΎΠ΅ Π½Π° Π΄Π°ΡΡΠΈΠΊ. Π ΠΊΠΎΠ½ΡΠΈΠ³ΡΡΠ°ΡΠΈΠΈ Π±Π°ΠΉΠΏΠ°ΡΠ° Π½Π°ΠΏΡΡΠΆΠ΅Π½ΠΈΠ΅, ΠΏΠΎΠ΄Π°Π²Π°Π΅ΠΌΠΎΠ΅ Π½Π° ΠΠΠ£ Π½Π° ΡΠΈΠ³Π½Π°Π»ΡΠ½ΡΡ
ΠΏΡΠΎΠ²ΠΎΠ΄Π°Ρ
, ΡΠ΅ΠΏΠ΅ΡΡ ΡΠΎΡΡΠ°Π²Π»ΡΠ΅Ρ ΠΏΠΎΡΡΠΎΡΠ½Π½ΠΎΠ΅ Π·Π½Π°ΡΠ΅Π½ΠΈΠ΅ ΠΎΡ +12 Π΄ΠΎ +14 Π ΠΏΠΎΡΡΠΎΡΠ½Π½ΠΎΠ³ΠΎ ΡΠΎΠΊΠ°, ΠΏΡΠΈ ΡΡΠ»ΠΎΠ²ΠΈΠΈ, ΡΡΠΎ ΠΎΠ΄ΠΈΠ½ ΡΠΈΠ³Π½Π°Π»ΡΠ½ΡΠΉ ΠΏΡΠΎΠ²ΠΎΠ΄ Π±ΡΠ» ΠΏΠΎΠ΄ΠΊΠ»ΡΡΠ΅Π½ Π½Π΅ΠΏΠΎΡΡΠ΅Π΄ΡΡΠ²Π΅Π½Π½ΠΎ ΠΊ ΠΏΡΠΎΠ²ΠΎΠ΄Ρ ΠΏΠΈΡΠ°Π½ΠΈΡ Π±Π΅Π· ΠΏΠΎΡΠ»Π΅Π΄ΠΎΠ²Π°ΡΠ΅Π»ΡΠ½ΠΎΠ³ΠΎ ΡΠ΅Π·ΠΈΡΡΠΎΡΠ° ΠΈ Ρ.
ΠΡΡΠ³ΠΈΠΌΠΈ ΡΠ»ΠΎΠ²Π°ΠΌΠΈ, ΠΎΠ±ΡΡΠ½ΠΎ ΠΠΠ£ Π±ΡΠ΄Π΅Ρ ΠΎΠΏΡΠ΅Π΄Π΅Π»ΡΡΡ Π½Π°ΠΏΡΡΠΆΠ΅Π½ΠΈΠ΅ Π₯ΠΎΠ»Π»Π° ΠΏΠ΅ΡΠΈΠΎΠ΄ΠΈΡΠ΅ΡΠΊΠΈ (Ρ. Π΅. ΠΊΠ°ΠΆΠ΄ΡΠΉ ΡΠ°Π·, ΠΊΠΎΠ³Π΄Π° Π²ΡΠΆΠΈΠΌΠ°Π΅ΡΡΡ ΡΡΠ΅ΠΏΠ»Π΅Π½ΠΈΠ΅) ΠΏΡΠΈ ΡΡΠΎΠ²Π½Π΅ Π½Π°ΠΏΡΡΠΆΠ΅Π½ΠΈΡ ΡΠ΅Π³ΠΎ-ΡΠΎ Β«ΠΌΠ°Π»Π΅Π½ΡΠΊΠΎΠ³ΠΎΒ» (Ρ. Π΅. ΠΌΠ΅Π½Π΅Π΅ +12 Π ΠΏΠΎΡΡΠΎΡΠ½Π½ΠΎΠ³ΠΎ ΡΠΎΠΊΠ°).
Π ΠΊΠΎΠ½ΡΠΈΠ³ΡΡΠ°ΡΠΈΠΈ Ρ ΡΡΠ½ΡΠΈΡΠΎΠ²Π°Π½ΠΈΠ΅ΠΌ ΠΠΠ£ Π²ΡΠ΅ Π²ΡΠ΅ΠΌΡ Π±ΡΠ΄Π΅Ρ Π²ΠΎΡΠΏΡΠΈΠ½ΠΈΠΌΠ°ΡΡ ΠΏΠΎΡΡΠΎΡΠ½Π½ΠΎΠ΅ Π½Π°ΠΏΡΡΠΆΠ΅Π½ΠΈΠ΅ ΠΎΡ +12 Π΄ΠΎ +14 Π ΠΏΠΎΡΡΠΎΡΠ½Π½ΠΎΠ³ΠΎ ΡΠΎΠΊΠ°, ΡΠ°ΠΊΠΈΠΌ ΠΎΠ±ΡΠ°Π·ΠΎΠΌ ΠΏΡΠ°Π²ΠΈΠ»ΡΠ½ΠΎ ΠΎΠ±ΠΌΠ°Π½ΡΠ²Π°Ρ ΠΠΠ£, ΠΏΠΎΠ»Π°Π³Π°Ρ, ΡΡΠΎ ΡΡΠ΅ΠΏΠ»Π΅Π½ΠΈΠ΅ Π²ΡΠ΅Π³Π΄Π° Π²ΡΠΆΠ°ΡΠΎ.
ΠΡΠ»ΠΈ ΠΊΠ»Π΅ΠΌΠΌΡ ECU, ΠΊ ΠΊΠΎΡΠΎΡΡΠΌ ΠΏΠΎΠ΄ΠΊΠ»ΡΡΠ°ΡΡΡΡ ΡΠΈΠ³Π½Π°Π»ΡΠ½ΡΠ΅ ΠΏΡΠΎΠ²ΠΎΠ΄Π° G476, ΠΏΠΎ ΠΊΠ°ΠΊΠΎΠΉ-Π»ΠΈΠ±ΠΎ ΠΏΡΠΈΡΠΈΠ½Π΅ ΡΠ°ΡΡΡΠΈΡΠ°Π½Ρ ΡΠΎΠ»ΡΠΊΠΎ, ΡΠΊΠ°ΠΆΠ΅ΠΌ, Π½Π° +6 Π ΠΏΠΎΡΡΠΎΡΠ½Π½ΠΎΠ³ΠΎ ΡΠΎΠΊΠ°, Ρ Π½Π΅ ΡΠ²Π΅ΡΠ΅Π½, ΠΏΡΠ°Π²ΠΈΠ»ΡΠ½ΠΎ ΡΡΠΎ ΠΈΠ»ΠΈ Π½Π΅Ρ, Π½ΠΎ Ρ Π·Π½Π°Ρ, ΡΡΠΎ Π½Π°ΠΏΡΡΠΆΠ΅Π½ΠΈΡ ΡΠΈΠ³Π½Π°Π»ΠΎΠ² ECU Π½Π΅ ΠΎΠ±ΡΠ·Π°ΡΠ΅Π»ΡΠ½ΠΎ ΡΠ²Π»ΡΡΡΡΡ Π½Π°ΠΏΡΡΠΆΠ΅Π½ΠΈΡΠΌΠΈ Π°ΠΊΠΊΡΠΌΡΠ»ΡΡΠΎΡΠ½ΠΎΠΉ Π±Π°ΡΠ°ΡΠ΅ΠΈ, ΡΠ»Π΅Π΄ΠΎΠ²Π°ΡΠ΅Π»ΡΠ½ΠΎ, Π½Π΅ΠΊΠΎΡΠΎΡΡΠ΅ ΠΊΠ»Π΅ΠΌΠΌΡ / ΡΠ΅ΠΏΠΈ ECU ΠΏΡΠ΅Π΄Π½Π°Π·Π½Π°ΡΠ΅Π½Ρ Π΄Π»Ρ ΡΠ°Π±ΠΎΡΡ ΠΏΡΠΈ Π½Π°ΠΏΡΡΠΆΠ΅Π½ΠΈΠΈ ΠΌΠ΅Π½Π΅Π΅ +12 Π ΠΏΠΎΡΡΠΎΡΠ½Π½ΠΎΠ³ΠΎ ΡΠΎΠΊΠ°, ΡΠΎΠ³Π΄Π° ΠΌΠΎΠΆΠ΅Ρ Π»ΠΈ ΠΏΠΎΠ΄Π°ΡΠ° ΠΏΠΎΡΡΠΎΡΠ½Π½ΠΎΠ³ΠΎ Π½Π°ΠΏΡΡΠΆΠ΅Π½ΠΈΡ +12 Π ΠΏΠΎΡΡΠΎΡΠ½Π½ΠΎΠ³ΠΎ ΡΠΎΠΊΠ° Π½Π° ΡΡΡ ΠΊΠΎΠ½ΠΊΡΠ΅ΡΠ½ΡΡ ΠΊΠ»Π΅ΠΌΠΌΡ ECU ΠΏΡΠΈΠ²Π΅ΡΡΠΈ ΠΊ ΠΏΠΎΠ²ΡΠ΅ΠΆΠ΄Π΅Π½ΠΈΡ Π² Π΄ΠΎΠ»Π³ΠΎΡΡΠΎΡΠ½ΠΎΠΉ ΠΏΠ΅ΡΡΠΏΠ΅ΠΊΡΠΈΠ²Π΅?
ΠΡΠ»ΠΈ Π΄Π°, ΡΠΎ Ρ Π½Π°Π΄Π΅ΡΡΡ, ΡΡΠΎ ΠΆΠ³ΡΡ ΠΏΡΠΎΠ²ΠΎΠ΄ΠΎΠ² Π±Π°ΠΉΠΏΠ°ΡΠ° ΡΠΎΠ΄Π΅ΡΠΆΠΈΡ ΡΠ΅Π·ΠΈΡΡΠΎΡ, Π²ΡΡΡΠΎΠ΅Π½Π½ΡΠΉ Π² ΠΏΠ΅ΡΠ΅ΠΌΡΡΠΊΡ, ΡΡΠΎΠ±Ρ Π³Π°ΡΠ°Π½ΡΠΈΡΠΎΠ²Π°ΡΡ, ΡΡΠΎ ECU Π½Π΅ ΠΏΡΠ΅Π²ΡΡΠΈΡ ΡΠΊΠ°Π·Π°Π½Π½ΡΠ΅ Π½Π°ΠΏΡΡΠΆΠ΅Π½ΠΈΡ Π΄Π»Ρ ΡΡΠΎΠΉ ΠΊΠΎΠ½ΠΊΡΠ΅ΡΠ½ΠΎΠΉ ΡΠ΅ΠΏΠΈ.
ΠΡΠΎ-Π½ΠΈΠ±ΡΠ΄Ρ ΠΊΠΎΠ³Π΄Π°-Π½ΠΈΠ±ΡΠ΄Ρ ΡΠ°Π·Π±ΠΈΡΠ°Π» (Ρ.Π΅. Π½Π΅ Π·Π°ΠΊΠ»Π΅ΠΈΠ²Π°Π») ΠΎΠ΄ΠΈΠ½ ΠΈΠ· ΡΡΠΈΡ ΠΆΠ³ΡΡΠΎΠ² Π±Π°ΠΉΠΏΠ°ΡΠ°, ΡΡΠΎΠ±Ρ ΠΏΠΎΡΠΌΠΎΡΡΠ΅ΡΡ, ΠΊΠ°ΠΊ ΠΈΠΌΠ΅Π½Π½ΠΎ ΠΎΠ½ ΠΏΠΎΠ΄ΠΊΠ»ΡΡΠ΅Π½?
ΠΡΠΎΠΌΠ΅ ΡΠΎΠ³ΠΎ, Π΅ΡΠ»ΠΈ ΠΌΠΎΡ ΡΠ΅ΠΎΡΠΈΡ Π²Π΅ΡΠ½Π°, Ρ Π²ΠΈΠΆΡ, ΠΊΠ°ΠΊ ΡΠ°ΠΊΠΎΠΉ ΠΎΠ±Ρ ΠΎΠ΄Π½ΠΎΠΉ ΠΆΠ³ΡΡ ΠΌΠΎΠΆΠ΅Ρ ΠΏΠΎΠ²Π»ΠΈΡΡΡ Π½Π° ΠΊΡΡΠΈΠ·-ΠΊΠΎΠ½ΡΡΠΎΠ»Ρ, Π΅ΡΠ»ΠΈ ΠΏΡΠ΅Π΄ΠΏΠΎΠ»ΠΎΠΆΠΈΡΡ, ΡΡΠΎ Π² ΡΠ΅ΠΏΠΈ ΠΊΡΡΠΈΠ·-ΠΊΠΎΠ½ΡΡΠΎΠ»Ρ ΡΠ°ΠΊΠΆΠ΅ ΠΈΡΠΏΠΎΠ»ΡΠ·ΡΠ΅ΡΡΡ ΡΡΠΎΡ Π΄Π°ΡΡΠΈΠΊ G476.
Π― ΡΠ°ΡΡΠΌΠ°ΡΡΠΈΠ²Π°Π» Π²ΠΎΠ·ΠΌΠΎΠΆΠ½ΠΎΡΡΡ ΡΠΎΠ·Π΄Π°Π½ΠΈΡ ΡΠΎΠ±ΡΡΠ²Π΅Π½Π½ΠΎΠ³ΠΎ Π±Π°ΠΉΠΏΠ°ΡΠ½ΠΎΠ³ΠΎ ΠΆΠ³ΡΡΠ°, ΠΊΠΎΡΠΎΡΡΠΉ Π΄ΠΎΠ±Π°Π²Π»ΡΠ΅Ρ ΠΏΠ°ΡΠ°Π»Π»Π΅Π»ΡΠ½ΡΡ ΠΊΠ½ΠΎΠΏΠΊΡ ΠΈΠ»ΠΈ ΠΏΠ΅ΡΠ΅ΠΊΠ»ΡΡΠ°ΡΠ΅Π»Ρ Π΄ΡΡΠ³ΠΎΠ³ΠΎ ΡΠΈΠΏΠ° ΠΊ ΡΠΈΠ³Π½Π°Π»ΡΠ½ΡΠΌ ΠΏΡΠΎΠ²ΠΎΠ΄Π°ΠΌ G476, ΠΊΠΎΡΠΎΡΡΠ΅ ΠΌΠΎΠ³ΡΡ ΠΏΠΎΡΡΠ»Π°ΡΡ ΡΠΌΠΎΠ΄Π΅Π»ΠΈΡΠΎΠ²Π°Π½Π½ΡΠΉ ΡΠΈΠ³Π½Π°Π» Π½Π° ECU, ΠΊΠΎΡΠΎΡΡΠΉ Π±ΡΠ΄Π΅Ρ ΠΈΡΠΏΠΎΠ»ΡΠ·ΠΎΠ²Π°ΡΡΡΡ Π²ΠΎ Π²ΡΠ΅ΠΌΡ Π·Π°ΠΏΡΡΠΊΠ°. Π’ΠΎΠ³Π΄Π° ΡΠ΅ΠΏΡ Π½ΠΎΡΠΌΠ°Π»ΡΠ½ΠΎΠ³ΠΎ ΠΏΠΎΠ»ΠΎΠΆΠ΅Π½ΠΈΡ ΡΡΠ΅ΠΏΠ»Π΅Π½ΠΈΡ ΠΌΠΎΠ³Π»Π° Π±Ρ ΠΎΡΡΠ°Π²Π°ΡΡΡΡ Π½Π΅ΠΈΠ·ΠΌΠ΅Π½Π½ΠΎΠΉ ΠΈ ΠΏΠΎΠ΄Π°Π²Π°ΡΡ ΡΠΎΠΎΡΠ²Π΅ΡΡΡΠ²ΡΡΡΠΈΠ΅ ΡΠΈΠ³Π½Π°Π»Ρ Π½Π° ΠΠΠ£ Π΄Π»Ρ ΠΊΡΡΠΈΠ·-ΠΊΠΎΠ½ΡΡΠΎΠ»Ρ ΠΈ ΠΎΠ±ΡΡΠ½ΠΎΠ³ΠΎ Π²ΠΎΠΆΠ΄Π΅Π½ΠΈΡ.
ΠΡΡΠ»ΠΈ/ΠΊΠΎΠΌΠΌΠ΅Π½ΡΠ°ΡΠΈΠΈ ΠΏΡΠΈΠ²Π΅ΡΡΡΠ²ΡΡΡΡΡ.
Π£Π²ΠΈΠ΄Π΅ΡΡ ΠΌΠ΅Π½ΡΡΠ΅ Π£Π·Π½Π°ΡΡ Π±ΠΎΠ»ΡΡΠ΅
ΠΡΠ²Π΅ΡΠΈΡΡ
Π‘ΠΎΡ ΡΠ°Π½ΠΈΡΡ
ΠΡΠ°Π²ΠΈΡΡΡ
Π Π΅Π°ΠΊΡΠΈΠΈ: 1
1 — 20 ΠΈΠ· 40 ΡΠΎΠΎΠ±ΡΠ΅Π½ΠΈΠΉ
ΠΠ½Π΅ Π½ΡΠ°Π²ΠΈΡΡΡ ΠΈΠ΄Π΅Ρ ΠΏΠ΅ΡΠ΅ΠΊΠ»ΡΡΠ΅Π½ΠΈΡ, ΠΈ ΠΏΠΎ ΡΡΠΎΠΉ ΠΏΡΠΈΡΠΈΠ½Π΅ Ρ Π½ΠΈΠΊΠΎΠ³Π΄Π° Π½Π΅ ΡΡΡΠ°Π½Π°Π²Π»ΠΈΠ²Π°Π» ΠΎΠ±Ρ
ΠΎΠ΄.
Π£ ΠΌΠ΅Π½Ρ Π΅ΡΠ΅ Π½Π΅Ρ ΡΡ
Π΅ΠΌΡ ΠΏΠΎΠ΄ΠΊΠ»ΡΡΠ΅Π½ΠΈΡ, Π½ΠΎ ΠΊΠΎΠ³Π΄Π° Ρ Π΅Π΅ ΡΠ΄Π΅Π»Π°Ρ, Ρ ΠΏΠΎΡΠΌΠΎΡΡΡ, Π½Π° ΠΊΠ°ΠΊΠΈΠ΅ Π΄ΡΡΠ³ΠΈΠ΅ ΡΠΈΡΡΠ΅ΠΌΡ ΡΡΠΎ ΠΌΠΎΠΆΠ΅Ρ ΠΏΠΎΠ²Π»ΠΈΡΡΡ
ΠΡΠΏΡΠ°Π²Π»Π΅Π½ΠΎ Ρ ΠΌΠΎΠ΅Π³ΠΎ iPhone Ρ ΠΏΠΎΠΌΠΎΡΡΡ Tapatalk
ΠΡΠ²Π΅ΡΠΈΡΡ
Π‘ΠΎΡ ΡΠ°Π½ΠΈΡΡ
ΠΡΠ°Π²ΠΈΡΡΡ
Π Π΅Π°ΠΊΡΠΈΠΈ: 1
Π£ ΠΌΠ΅Π½Ρ Π΅ΡΡΡ ΠΎΠ΄ΠΈΠ½ ΠΈΠ· ΠΎΠ±Ρ ΠΎΠ΄Π½ΡΡ ΠΏΠ΅ΡΠ΅ΠΊΠ»ΡΡΠ°ΡΠ΅Π»Π΅ΠΉ ΠΠΆΠΎΡΠ΄ΠΆΠ° Π‘ΠΈΠΌΠΎΠ½Π°. ΠΠ»Ρ ΡΡΠΎΡΠ½Π΅Π½ΠΈΡ Π²Ρ ΠΌΠΎΠΆΠ΅ΡΠ΅ Π½Π°ΠΏΠΈΡΠ°ΡΡ Π΅ΠΌΡ ΡΠ΅ΡΠ΅Π· ΠΌΠ΅ΡΡΠ΅Π½Π΄ΠΆΠ΅Ρ fb.
ΠΡΠΏΡΠ°Π²Π»Π΅Π½ΠΎ Ρ ΠΌΠΎΠ΅Π³ΠΎ iPhone Ρ ΠΏΠΎΠΌΠΎΡΡΡ Tapatalk
ΠΡΠ²Π΅ΡΠΈΡΡ
Π‘ΠΎΡ ΡΠ°Π½ΠΈΡΡ
ΠΡΠ°Π²ΠΈΡΡΡ
Π Π΅Π°ΠΊΡΠΈΠΈ: 1
Π― ΠΊΡΠΏΠΈΠ» ΠΎΠ΄ΠΈΠ½ ΠΈΠ· Π±Π°ΠΉΠΏΠ°ΡΠΎΠ², ΠΊΠΎΠ³Π΄Π° ΠΏΠΎΠ»ΡΡΠΈΠ» ΠΌΠ°ΡΠΈΠ½Ρ, ΡΠ°ΠΊ ΠΈ Π½Π΅ Π½Π°Π΄Π΅Π» Π΅Π³ΠΎ, ΠΈ ΠΏΠΎΡΠ»Π΅ ΡΠΎΠ³ΠΎ, ΠΊΠ°ΠΊ ΠΌΠ½ΠΎΠ³ΠΎΡΠΈΡΠ»Π΅Π½Π½ΡΠ΅ ΠΏΡΠΎΠ±Ρ ΠΌΠ°ΡΠ»Π° Π½Π΅ ΠΏΠΎΠΊΠ°Π·Π°Π»ΠΈ Π°Π±ΡΠΎΠ»ΡΡΠ½ΠΎ Π½ΠΈΠΊΠ°ΠΊΠΎΠ³ΠΎ Π°Π½ΠΎΠΌΠ°Π»ΡΠ½ΠΎΠ³ΠΎ ΠΈΠ·Π½ΠΎΡΠ°, Ρ ΠΏΡΠΎΡΡΠΎ ΠΏΠΎΠ»ΠΎΠΆΠΈΠ» Π΅Π³ΠΎ Π½Π° ΠΏΠΎΠ»ΠΊΡ Π² Π³Π°ΡΠ°ΠΆΠ΅.
ΠΡΠ΅Π½Ρ ΠΈΠ½ΡΠ΅ΡΠ΅ΡΠ½ΡΠΉ ΠΌΡΡΠ»ΠΈΡΠ΅Π»ΡΠ½ΡΠΉ ΠΏΡΠΎΡΠ΅ΡΡ, ΠΈΠ½ΡΠ΅ΡΠ΅ΡΠ½ΠΎ ΠΏΠΎΡΠΌΠΎΡΡΠ΅ΡΡ Π½Π° ΡΠ΅Π·ΡΠ»ΡΡΠ°ΡΡ.
Π₯ΠΎΡΡ ΠΊΠ°ΠΆΠ΅ΡΡΡ, ΡΡΠΎ ΠΌΠ½ΠΎΠ³ΠΈΠ΅ Π»ΡΠ΄ΠΈ ΡΡΡΠ°Π½ΠΎΠ²ΠΈΠ»ΠΈ ΡΡΠΈ Π±Π°ΠΉΠΏΠ°ΡΡ ΠΈ Π΄ΡΠΌΠ°ΡΡ, ΡΡΠΎ ΡΡΠΎ Π½Π΅ Π·Π°ΠΉΠΌΠ΅Ρ ΠΌΠ½ΠΎΠ³ΠΎ Π²ΡΠ΅ΠΌΠ΅Π½ΠΈ, ΡΡΠΎΠ±Ρ ΡΠΆΠ΅ΡΡ ECU ΠΎΡ Π½Π°ΠΏΡΡΠΆΠ΅Π½ΠΈΡ, ΠΈ ΠΌΡ Π±Ρ ΡΡΠ»ΡΡΠ°Π»ΠΈ ΠΎΠ± ΡΡΠΎΠΌ.
Π’Π΅ΠΌ Π½Π΅ ΠΌΠ΅Π½Π΅Π΅, Ρ ΠΏΡΠΈΠ²Π΅ΡΡΡΠ²ΡΡ Π²ΡΠ΅Ρ , ΠΊΡΠΎ ΠΈΠ½ΡΠ΅ΡΠ΅ΡΡΠ΅ΡΡΡ ΡΠ΅ΠΌ, ΠΠΠ ΡΡΠΎ-ΡΠΎ ΡΠ°Π±ΠΎΡΠ°Π΅Ρ ΠΈ ΠΏΠΎΡΠ΅ΠΌΡ, ΠΈ ΠΏΡΡΠ°Π΅ΡΡΡ Π²ΡΡΡΠ½ΠΈΡΡ ΡΡΠΎ.
Π£Π²ΠΈΠ΄Π΅ΡΡ ΠΌΠ΅Π½ΡΡΠ΅ Π£Π·Π½Π°ΡΡ Π±ΠΎΠ»ΡΡΠ΅
ΠΡΠ²Π΅ΡΠΈΡΡ
Π‘ΠΎΡ ΡΠ°Π½ΠΈΡΡ
ΠΡΠ°Π²ΠΈΡΡΡ
Π Π΅Π°ΠΊΡΠΈΠΈ: 2
Stizzle ΡΠΊΠ°Π·Π°Π»:
Π£ ΠΌΠ΅Π½Ρ Π΅ΡΡΡ ΠΎΠ΄ΠΈΠ½ ΠΈΠ· ΠΏΠ΅ΡΠ΅ΠΊΠ»ΡΡΠ°ΡΠ΅Π»Π΅ΠΉ ΠΎΠ±Ρ ΠΎΠ΄Π° ΠΠΆΠΎΡΠ΄ΠΆΠ° Π‘ΠΈΠΌΠΎΠ½Π°. ΠΠ»Ρ ΡΡΠΎΡΠ½Π΅Π½ΠΈΡ Π²Ρ ΠΌΠΎΠΆΠ΅ΡΠ΅ Π½Π°ΠΏΠΈΡΠ°ΡΡ Π΅ΠΌΡ ΡΠ΅ΡΠ΅Π· ΠΌΠ΅ΡΡΠ΅Π½Π΄ΠΆΠ΅Ρ fb.
ΠΡΠΏΡΠ°Π²Π»Π΅Π½ΠΎ Ρ ΠΌΠΎΠ΅Π³ΠΎ iPhone Ρ ΠΏΠΎΠΌΠΎΡΡΡ Tapatalk
ΠΠ°ΠΆΠΌΠΈΡΠ΅, ΡΡΠΎΠ±Ρ ΡΠ°Π·Π²Π΅ΡΠ½ΡΡΡ…
Π― ΠΏΠΎΠΌΠ½Ρ, ΠΊΠ°ΠΊ ΡΠΈΡΠ°Π» Π½Π΅ΠΊΠΎΡΠΎΡΡΠ΅ ΡΠ΅ΠΌΡ, Π² ΠΊΠΎΡΠΎΡΡΡ
ΡΠΏΠΎΠΌΠΈΠ½Π°Π»ΠΈΡΡ ΠΆΠ³ΡΡΡ Π±Π°ΠΉΠΏΠ°ΡΠ° ΡΡΠΎΠ³ΠΎ ΠΏΠ°ΡΠ½Ρ, ΠΈ ΠΏΠΎΡΠ»Π΅ Π½Π΅ΠΊΠΎΡΠΎΡΡΡ
ΠΈΡΡΠ»Π΅Π΄ΠΎΠ²Π°Π½ΠΈΠΉ Π² ΠΠ½ΡΠ΅ΡΠ½Π΅ΡΠ΅ Π²ΡΡΡΠ½ΠΈΠ»ΠΎΡΡ, ΡΡΠΎ Π΅Π³ΠΎ ΠΏΡΠΎΠ΄ΡΠΊΡ ΠΌΠΎΠΆΠ΅Ρ Π±ΡΡΡ Π² Π½Π΅ΠΊΠΎΡΠΎΡΠΎΠΉ ΡΡΠ΅ΠΏΠ΅Π½ΠΈ ΡΠ²ΡΠ·Π°Π½ Ρ AKS Tuning ??? ΠΠΎΠ»Π½Π°Ρ Π΄ΠΎΠ³Π°Π΄ΠΊΠ°, ΠΈ ΡΡΠΎ ΠΌΠΎΠΆΠ΅Ρ Π±ΡΡΡ ΡΠΎΠ²Π΅ΡΡΠ΅Π½Π½ΠΎ Π½Π΅ΠΏΡΠ°Π²ΠΈΠ»ΡΠ½ΠΎ, Π½ΠΎ ΠΌΠΎΠΆΠ΅Ρ Π½Π΅ ΠΏΠΎΠΌΠ΅ΡΠ°ΡΡ ΡΠ²ΡΠ·Π°ΡΡΡΡ Ρ Π½ΠΈΠΌ Π½Π°ΠΏΡΡΠΌΡΡ.
Π₯ΠΎΡΠΎΡΠ°Ρ ΡΠΎΡΠΊΠ° Π·ΡΠ΅Π½ΠΈΡ.
Π― ΡΠ²ΡΠ·Π°Π»ΡΡ Ρ AKS Tuning ΠΏΠΎΡΠ»Π΅ ΠΏΠΎΠΊΡΠΏΠΊΠΈ ΠΏΡΠΎΠ΄ΡΠΊΡΠ°, ΡΡΠΎΠ±Ρ ΡΠ·Π½Π°ΡΡ, ΡΠΌΠΎΠ³ΡΡ Π»ΠΈ ΠΎΠ½ΠΈ ΠΎΡΠ²Π΅ΡΠΈΡΡ Π½Π° ΠΌΠΎΠΈ Π²ΠΎΠΏΡΠΎΡΡ. ΠΠΎ, Π΄ΡΠΌΠ°Ρ, ΡΡΠΎ ΠΏΠΎΠ½ΡΡΠ½ΠΎ, ΠΎΠ½ΠΈ Π½Π΅ Ρ ΠΎΡΠ΅Π»ΠΈ ΡΠ°ΡΠΊΡΡΠ²Π°ΡΡ ΠΌΠ½Π΅ ΡΡΠΈ ΠΏΠΎΠ΄ΡΠΎΠ±Π½ΠΎΡΡΠΈ ΠΏΠΎ ΡΠ»Π΅ΠΊΡΡΠΎΠ½Π½ΠΎΠΉ ΠΏΠΎΡΡΠ΅. ΠΠ½ΠΈ ΠΏΠΎΡΠ΅ΠΊΠΎΠΌΠ΅Π½Π΄ΠΎΠ²Π°Π»ΠΈ ΠΌΠ½Π΅ ΠΏΡΠΎΡΡΠΎ ΠΎΡΡΠΎΡΠΎΠΆΠ½ΠΎ ΡΠ½ΡΡΡ Π΅Π³ΠΎ, ΡΡΠΎΠ±Ρ Π²ΡΡΡΠ½ΠΈΡΡ Π΄Π»Ρ ΡΠ΅Π±Ρ
Π ΠΈΠ΄Π΅Π°Π»Π΅, Ρ Π΄ΠΎΠ»ΠΆΠ΅Π½ ΠΎΠΏΡΠ΅Π΄Π΅Π»ΠΈΡΡ Π²ΡΡ
ΠΎΠ΄Π½ΠΎΠ΅ Π½Π°ΠΏΡΡΠΆΠ΅Π½ΠΈΠ΅ ΡΠΈΠ³Π½Π°Π»ΡΠ½ΠΎΠ³ΠΎ ΠΏΡΠΎΠ²ΠΎΠ΄Π° ECU Π½Π° G476 (ΡΠΎ Π²ΡΠ΅ΠΌ, ΡΡΠΎ ΠΏΠΎΠ΄ΠΊΠ»ΡΡΠ΅Π½ΠΎ ΠΊΠ°ΠΊ ΠΎΠ±ΡΡΠ½ΠΎ) ΠΏΡΠΈ Π½Π°ΠΆΠ°ΡΠΈΠΈ Π½Π° ΡΡΠ΅ΠΏΠ»Π΅Π½ΠΈΠ΅. ΠΠ°ΡΠ΅ΠΌ, Π·Π½Π°Ρ ΡΡΠΎ Π½Π°ΠΏΡΡΠΆΠ΅Π½ΠΈΠ΅ ΡΠΈΠ³Π½Π°Π»Π°, Ρ ΠΌΠΎΠ³Ρ Π±ΡΡΡ Π΄ΠΎΠ²ΠΎΠ»ΡΠ½ΠΎ Π±Π»ΠΈΠ·ΠΎΠΊ ΠΊ ΡΠΎΠΌΡ, ΠΊΠ°ΠΊΠΎΠΉ ΡΠ°Π·ΠΌΠ΅Ρ ΡΠ΅Π·ΠΈΡΡΠΎΡΠ° ΠΌΠ½Π΅ Π½ΡΠΆΠ½ΠΎ ΠΏΠΎΠ΄ΠΊΠ»ΡΡΠΈΡΡ ΠΊ ΠΏΠ΅ΡΠ΅ΠΊΠ»ΡΡΠ°ΡΠ΅Π»Ρ, ΡΡΠΎΠ±Ρ ΠΏΠΎΠΏΡΡΠ°ΡΡΡΡ ΠΌΠ°ΠΊΡΠΈΠΌΠ°Π»ΡΠ½ΠΎ ΡΠΎΡΠ½ΠΎ ΠΈΠΌΠΈΡΠΈΡΠΎΠ²Π°ΡΡ ΡΠ°Π±ΠΎΡΡ OEM ΡΡΠΎΠΉ ΡΡ
Π΅ΠΌΡ. ΠΠΎΠΏΡΠΎΡ Π² ΡΠΎΠΌ, ΠΊΠ°ΠΊ Π»ΡΡΡΠ΅ Π²ΡΠ΅Π³ΠΎ ΠΈΠ·ΠΌΠ΅ΡΠΈΡΡ Π½Π°ΠΏΡΡΠΆΠ΅Π½ΠΈΠ΅ Π½Π° ΡΡΠΎΠΌ Π΄Π°ΡΡΠΈΠΊΠ΅, Π½Π° Π²ΡΡ
ΠΎΠ΄Π½ΡΡ
ΠΊΠΎΠ½ΡΠ°ΠΊΡΠ°Ρ
ΡΠΈΠ³Π½Π°Π»Π° G476, ΡΡΠΈΡΡΠ²Π°Ρ Π΅Π³ΠΎ ΡΠ°ΡΠΏΠΎΠ»ΠΎΠΆΠ΅Π½ΠΈΠ΅ Π½Π° Π³Π»Π°Π²Π½ΠΎΠΌ ΡΠΈΠ»ΠΈΠ½Π΄ΡΠ΅ ΡΡΠ΅ΠΏΠ»Π΅Π½ΠΈΡ, Π° ΡΠ°ΠΊΠΆΠ΅ ΠΏΠΎΠ΄Π°Π²Π°ΡΡ Π½Π° G476 ΠΏΠΈΡΠ°Π½ΠΈΠ΅ +12 Π ΠΏΠΎΡΡΠΎΡΠ½Π½ΠΎΠ³ΠΎ ΡΠΎΠΊΠ° ΠΈ Π·Π΅ΠΌΠ»Ρ… Π, ΡΡΠΎ Π·Π°ΡΡΠ°Π²Π»ΡΠ΅Ρ ΠΌΠ΅Π½Ρ Π΄ΡΠΌΠ°Ρ, Ρ ΠΌΠ΅Π½Ρ Π΅ΡΡΡ Π·Π°ΠΏΠ°ΡΠ½ΠΎΠΉ 5-ΠΊΠΎΠ½ΡΠ°ΠΊΡΠ½ΡΠΉ ΡΠ°Π·ΡΠ΅ΠΌ D (ΡΠ°Π½ΡΡΠ΅ ΠΎΠ½ Π±ΡΠ» Π΄Π»Ρ MAF, Π½ΠΎ Ρ ΡΠ»ΠΎΠΌΠ°Π» Π½Π° Π½Π΅ΠΌ Π·Π°ΠΆΠΈΠΌ ΠΈ Π·Π°ΠΌΠ΅Π½ΠΈΠ» Π΅Π³ΠΎ Π½ΠΎΠ²ΡΠΌ ΡΠ°Π·ΡΠ΅ΠΌΠΎΠΌ), ΡΡΠΎ ΡΠΎΡ ΠΆΠ΅ ΡΠ°Π·ΡΠ΅ΠΌ, ΡΡΠΎ ΠΈ Π΄Π»Ρ G476, ΠΊΠΎΡΠΎΡΡΠΉ Ρ ΠΌΠΎΠ³ ΠΏΠΎΠ΄ΠΊΠ»ΡΡΠΈΡΡ, ΡΡΠΎΠ±Ρ Ρ ΠΌΠΎΠΆΠ½ΠΎ ΡΠ½ΡΡΡ Π±Π°ΡΠ°ΡΠ΅Ρ ΠΈ Π»ΠΎΡΠΎΠΊ Π±Π°ΡΠ°ΡΠ΅ΠΈ, ΠΏΠ΅ΡΠ΅ΠΌΡΡΠΊΡ + ΠΊΠ»Π΅ΠΌΠΌΡ Π±Π°ΡΠ°ΡΠ΅ΠΈ ΡΡΡΠ°Π½ΠΎΠ²ΠΈΡΡ Π² ΠΏΡΠ°Π²ΠΈΠ»ΡΠ½ΠΎΠ΅ ΠΏΠΎΠ»ΠΎΠΆΠ΅Π½ΠΈΠ΅ ΡΡΡΡΡΠΊΠ° Π² ΡΠ°Π·ΡΠ΅ΠΌΠ΅, ΡΠΎ ΠΆΠ΅ ΡΠ°ΠΌΠΎΠ΅ Ρ Π·Π΅ΠΌΠ»Π΅ΠΉ, ΠΈ ΠΈΠΌΠ΅ΡΡ Π΄Π²Π° ΠΏΡΠΎΠ²ΠΎΠ΄Π°, Π²ΡΡ
ΠΎΠ΄ΡΡΠΈΠ΅ ΠΈΠ· Π΄Π²ΡΡ
ΠΊΠΎΠ½ΡΠ°ΠΊΡΠΎΠ² ΡΠ°Π·ΡΠ΅ΠΌΠ°, ΠΊΠΎΡΠΎΡΡΠ΅ ΠΎΠ±ΡΡΠ½ΠΎ ΠΈΠ΄ΡΡ ΠΊ ΠΠΠ£, Π½ΠΎ Π²ΠΌΠ΅ΡΡΠΎ ΡΡΠΎΠ³ΠΎ ΠΏΡΠΎΡΡΠΎ ΠΏΡΠΈΠΊΡΠ΅ΠΏΠΈΡΠ΅ ΠΈΡ
Π½Π΅ΠΏΠΎΡΡΠ΅Π΄ΡΡΠ²Π΅Π½Π½ΠΎ ΠΊ ΠΌΠΎΠΉ ΡΠΈΡΡΠΎΠ²ΠΎΠΉ ΠΌΡΠ»ΡΡΠΈΠΌΠ΅ΡΡ ΠΈ ΡΠ΅ΡΡ.
.. Π₯ΠΌΠΌΠΌ. ΡΡΠΎ ΠΌΠΎΠ³Π»ΠΎ Π±Ρ ΡΡΠ°Π±ΠΎΡΠ°ΡΡ ΠΈ Π΄Π°ΡΡ ΠΌΠ½Π΅ ΡΠ²Π΅ΡΠ΅Π½Π½ΠΎΡΡΡ Π² ΡΠΎΠΌ, ΠΊΠ°ΠΊΠΎΠ΅ Π½Π°ΠΏΡΡΠΆΠ΅Π½ΠΈΠ΅ Π±ΡΠ΄Π΅Ρ ΠΎΠΏΡΠ΅Π΄Π΅Π»ΡΡΡ ΠΠΠ£ ΠΏΡΠΈ Π²ΠΊΠ»ΡΡΠ΅Π½Π½ΠΎΠΌ ΡΡΠ΅ΠΏΠ»Π΅Π½ΠΈΠΈ. Π― ΠΌΠΎΠ³Ρ ΠΏΠΎΠΏΡΠΎΠ±ΠΎΠ²Π°ΡΡ ΡΡΠΎ, Π΅ΡΠ»ΠΈ Ρ ΡΡΠ²ΡΡΠ²ΡΡ ΡΠ΅Π±Ρ Π°ΠΌΠ±ΠΈΡΠΈΠΎΠ·Π½ΡΠΌ, Π»ΠΎΠ».
Π‘ΠΏΠ°ΡΠΈΠ±ΠΎ Π·Π° Π²ΡΠ΅ ΠΎΡΠ·ΡΠ²Ρ, ΡΠ΅Π±ΡΡΠ°.
Π£Π²ΠΈΠ΄Π΅ΡΡ ΠΌΠ΅Π½ΡΡΠ΅ Π£Π·Π½Π°ΡΡ Π±ΠΎΠ»ΡΡΠ΅
ΠΡΠ²Π΅ΡΠΈΡΡ
Π‘ΠΎΡ ΡΠ°Π½ΠΈΡΡ
ΠΡΠ°Π²ΠΈΡΡΡ
Π‘ΠΏΠ°ΡΠΈΠ±ΠΎ Π·Π° ΠΎΠ±ΡΡΡΠ½Π΅Π½ΠΈΠ΅, Π½ΠΎ ΡΡΠΎ ΡΠΎΠ»ΡΠΊΠΎ Π΄Π»Ρ ΡΠΎΠ³ΠΎ, ΡΡΠΎΠ±Ρ Π½Π΅ Π½Π°Π΄ΠΎ Π±ΡΠ»ΠΎ Π²ΡΠΆΠΈΠΌΠ°ΡΡ ΠΏΠ΅Π΄Π°Π»Ρ ΡΡΠ΅ΠΏΠ»Π΅Π½ΠΈΡ ΠΏΡΠΈ Π·Π°ΠΏΡΡΠΊΠ΅ ΠΌΠ°ΡΠΈΠ½Ρ ΠΈΠ»ΠΈ Ρ ΡΡΠΎ-ΡΠΎ ΡΠΏΡΡΠΊΠ°Ρ.
ΠΡΠ²Π΅ΡΠΈΡΡ
Π‘ΠΎΡ ΡΠ°Π½ΠΈΡΡ
ΠΡΠ°Π²ΠΈΡΡΡ
B5Speedo ΡΠΊΠ°Π·Π°Π»:
Π‘ΠΏΠ°ΡΠΈΠ±ΠΎ Π·Π° ΠΎΠ±ΡΡΡΠ½Π΅Π½ΠΈΠ΅, Π½ΠΎ ΡΡΠΎ ΡΠΎΠ»ΡΠΊΠΎ Π΄Π»Ρ ΡΠΎΠ³ΠΎ, ΡΡΠΎΠ±Ρ Π½Π΅ Π½Π°Π΄ΠΎ Π±ΡΠ»ΠΎ Π²ΡΠΆΠΈΠΌΠ°ΡΡ ΠΏΠ΅Π΄Π°Π»Ρ ΡΡΠ΅ΠΏΠ»Π΅Π½ΠΈΡ ΠΏΡΠΈ Π·Π°ΠΏΡΡΠΊΠ΅ ΠΌΠ°ΡΠΈΠ½Ρ ΠΈΠ»ΠΈ Ρ ΡΡΠΎ-ΡΠΎ ΡΠΏΡΡΠΊΠ°Ρ.
ΠΠ°ΠΆΠΌΠΈΡΠ΅, ΡΡΠΎΠ±Ρ ΡΠ°Π·Π²Π΅ΡΠ½ΡΡΡ…
ΠΠ΅ΡΠ½ΠΎ. ΠΡΠ΅ Π΄Π»Ρ ΡΠΎΠ³ΠΎ, ΡΡΠΎΠ±Ρ Π²Π°ΠΌ Π½Π΅ ΠΏΡΠΈΡ
ΠΎΠ΄ΠΈΠ»ΠΎΡΡ Π²ΡΠΆΠΈΠΌΠ°ΡΡ ΡΡΠ΅ΠΏΠ»Π΅Π½ΠΈΠ΅ Π²ΠΎ Π²ΡΠ΅ΠΌΡ ΠΏΡΠΎΠ²ΠΎΡΠ°ΡΠΈΠ²Π°Π½ΠΈΡ ΠΊΠΎΠ»Π΅Π½ΡΠ°ΡΠΎΠ³ΠΎ Π²Π°Π»Π°. ΠΠΎΡ
ΠΎΠΆΠ΅, Π΄ΠΎΠ²ΠΎΠ»ΡΠ½ΠΎ Π·Π°ΠΏΡΡΠ°Π½Π½Π°Ρ Π΄ΠΈΡΠΊΡΡΡΠΈΡ Π΄ΠΎ ΡΠΈΡ
ΠΏΠΎΡ, Ρ ΡΠΎΠ³Π»Π°ΡΠ΅Π½. ΠΠΎ Π² ΠΊΠΎΠ½ΡΠ΅ ΠΊΠΎΠ½ΡΠΎΠ², Π΅ΡΠ»ΠΈ Ρ ΡΠΎΠ±ΠΈΡΠ°ΡΡΡ Π½Π°ΡΠ°ΡΡ ΠΌΠ°Π½ΠΈΠΏΡΠ»ΠΈΡΠΎΠ²Π°ΡΡ ΡΠ΅ΠΏΡΠΌΠΈ ΠΠΠ£, Ρ Ρ
ΠΎΡΡ ΡΠ΄Π΅Π»Π°ΡΡ ΡΡΠΎ ΠΏΡΠ°Π²ΠΈΠ»ΡΠ½ΠΎ.
Π£Π²ΠΈΠ΄Π΅ΡΡ ΠΌΠ΅Π½ΡΡΠ΅ Π£Π·Π½Π°ΡΡ Π±ΠΎΠ»ΡΡΠ΅
ΠΡΠ²Π΅ΡΠΈΡΡ
Π‘ΠΎΡ ΡΠ°Π½ΠΈΡΡ
ΠΠ°ΠΊ ΠΈ
@B5Speedo, Π½Π΅ Π½Π°ΠΆΠΈΠΌΠ°ΠΉΡΠ΅ ΡΡΠ΅ΠΏΠ»Π΅Π½ΠΈΠ΅ ΠΏΡΠΈ Π·Π°ΠΏΡΡΠΊΠ΅, ΡΡΠΎΠ±Ρ ΠΏΡΠ΅Π΄ΠΎΡΠ²ΡΠ°ΡΠΈΡΡ Π½Π΅ΠΆΠ΅Π»Π°ΡΠ΅Π»ΡΠ½ΡΠΉ ΠΈΠ·Π½ΠΎΡ ΡΠΏΠΎΡΠ½ΠΎΠ³ΠΎ ΠΏΠΎΠ΄ΡΠΈΠΏΠ½ΠΈΠΊΠ° ΠΈΠ·-Π·Π° Π³ΠΎΡΠ°Π·Π΄ΠΎ Π±ΠΎΠ»Π΅Π΅ ΠΏΡΠΎΡΠ½ΠΎΠ³ΠΎ, ΡΠ΅ΠΌ ΡΡΠ°Π½Π΄Π°ΡΡΠ½ΠΎΠ΅ ΡΡΠ΅ΠΏΠ»Π΅Π½ΠΈΠ΅ ΠΏΠΎΡΠ»Π΅ ΠΏΡΠΎΠ΄Π°ΠΆΠΈ.
ΠΡΠΏΡΠ°Π²Π»Π΅Π½ΠΎ Ρ ΠΌΠΎΠ΅Π³ΠΎ iPhone Ρ ΠΏΠΎΠΌΠΎΡΡΡ Tapatalk
ΠΡΠ²Π΅ΡΠΈΡΡ
Π‘ΠΎΡ ΡΠ°Π½ΠΈΡΡ
ΠΡΠ°Π²ΠΈΡΡΡ
Π Π΅Π°ΠΊΡΠΈΠΈ: 1
ΠΡΠΌΠ°Ρ, ΡΡΠΎ ΠΈΠΌΠ΅Π΅Ρ ΡΠΌΡΡΠ», Π½ΠΎ Ρ Π·Π°Π²ΠΎΠΆΡ ΠΌΠ°ΡΠΈΠ½Ρ ΡΠ°Π· ΠΈΠ»ΠΈ Π΄Π²Π° Π² Π΄Π΅Π½Ρ. ΠΠΎ Π²ΡΠ΅ΠΌΡ Π²ΠΎΠΆΠ΄Π΅Π½ΠΈΡ Ρ ΠΌΠΎΠ³Ρ ΠΏΠ΅ΡΠ΅ΠΊΠ»ΡΡΠ°ΡΡΡΡ 10 ΠΈΠ»ΠΈ 20 ΡΠ°Π·. ΠΠ°ΠΆΠ΅ΡΡΡ, ΡΡΠΎ ΠΌΠ½ΠΎΠ³ΠΎ ΡΠ°Π±ΠΎΡΡ Π΄Π»Ρ Π½Π΅Π±ΠΎΠ»ΡΡΠΎΠΉ ΡΠΊΠΎΠ½ΠΎΠΌΠΈΠΈ. ΠΠΎ, ΡΠ΅ΡΡ Π²ΠΎΠ·ΡΠΌΠΈ, ΠΊΠΎΠ³Π΄Π° Π»ΡΠ±ΠΎΠΉ ΠΈΠ· Π½Π°ΡΠΈΡ ΠΌΠΎΠ΄ΠΎΠ² ΠΈΠΌΠ΅Π΅Ρ ΡΠΌΡΡΠ»? Π― Π²ΡΠ΅Π³Π΄Π° Π΄Π΅ΡΠΆΡ ΠΌΠ°ΡΠΈΠ½Ρ Π² Π½Π΅ΠΉΡΡΠ°Π»ΡΠ½ΠΎΠΌ ΠΏΠΎΠ»ΠΎΠΆΠ΅Π½ΠΈΠΈ Π½Π° ΡΠ²Π΅ΡΠΎΡΠΎΡΠ΅, ΡΡΠΎΠ±Ρ Π½Π΅ ΠΏΠΎΠ²ΡΠ΅Π΄ΠΈΡΡ ΠΎΠΏΠΎΡΠ½ΡΠΉ ΠΏΠΎΠ΄ΡΠΈΠΏΠ½ΠΈΠΊ. Π― ΡΠ°ΠΊΠΆΠ΅ ΠΏΠΎΡΡΠΎΡΠ½Π½ΠΎ ΠΏΡΠΎΠΏΡΡΠΊΠ°Ρ ΠΏΠ΅ΡΠ΅Π΄Π°ΡΠΈ ΠΏΡΠΈ ΠΏΠ΅ΡΠ΅ΠΊΠ»ΡΡΠ΅Π½ΠΈΠΈ, ΡΡΠΎ ΡΠ°ΠΊΠΆΠ΅ ΡΠ½ΠΈΠΆΠ°Π΅Ρ ΠΈΠ·Π½ΠΎΡ ΠΏΠΎΠ΄ΡΠΈΠΏΠ½ΠΈΠΊΠ°.
Π£Π²ΠΈΠ΄Π΅ΡΡ ΠΌΠ΅Π½ΡΡΠ΅ Π£Π·Π½Π°ΡΡ Π±ΠΎΠ»ΡΡΠ΅
ΠΡΠ²Π΅ΡΠΈΡΡ
Π‘ΠΎΡ ΡΠ°Π½ΠΈΡΡ
ΠΡΠ°Π²ΠΈΡΡΡ
Π Π΅Π°ΠΊΡΠΈΠΈ: 1
ΠΡ ΡΠ²Π΅ΡΠ΅Π½Ρ, ΡΡΠΎ ΠΎΠ±Π° ΡΠΈΠ³Π½Π°Π»Π° ΠΏΠΎΡΡΡΠΏΠ°ΡΡ Π² ΠΠΠ£? Π― ΠΎΠΆΠΈΠ΄Π°Ρ (Π²ΠΎΠΎΠ±ΡΠ΅ Π½Π΅ ΠΈΡΡΠ»Π΅Π΄ΠΎΠ²Π°Π² ΡΡ
Π΅ΠΌΡ, Π½ΠΎ Ρ ΠΌΠ΅Π½Ρ ΡΡΡΠ°Π½ΠΎΠ²Π»Π΅Π½Π° ββΠΎΠ΄Π½Π° ΠΈΠ· ΡΡΠΈΡ
ΠΆΠ³ΡΡΠΎΠ²) Π΄Π²Π΅ ΠΎΡΠ΄Π΅Π»ΡΠ½ΡΠ΅ ΡΠ΅ΠΏΠΈ, ΠΊΠΎΡΠΎΡΡΠ΅ Π±ΡΠ΄ΡΡ ΠΈΠ΄ΡΠΈ ΠΊ ΡΠ°Π·Π½ΡΠΌ ΠΏΡΠ½ΠΊΡΠ°ΠΌ Π½Π°Π·Π½Π°ΡΠ΅Π½ΠΈΡ.
ΠΠΎΠ³Ρ ΠΏΠΎΠ΄ΡΠ²Π΅ΡΠ΄ΠΈΡΡ, ΡΡΠΎ ΡΡΠΎΡ ΠΆΠ³ΡΡ ΠΏΠΎΠ·Π²ΠΎΠ»ΡΠ΅Ρ Π·Π°Π²Π΅ΡΡΠΈ ΠΌΠ°ΡΠΈΠ½Ρ Π±Π΅Π· Π²ΡΠΆΠΈΠΌΠ° ΡΡΠ΅ΠΏΠ»Π΅Π½ΠΈΡ ΠΈ Π½Π΅ ΠΈΠΌΠ΅Π΅Ρ Π΄ΡΡΠ³ΠΈΡ
Π·Π°ΠΌΠ΅ΡΠ½ΡΡ
Π²ΠΎΠ·Π΄Π΅ΠΉΡΡΠ²ΠΈΠΉ. LC/NLS ΠΈΠ· ΠΌΠΎΠ΅ΠΉ ΡΡΠ°ΡΠΎΠΉ ΠΌΠ΅Π»ΠΎΠ΄ΠΈΠΈ ΡΠ°Π±ΠΎΡΠ°Π»ΠΎ Π½ΠΎΡΠΌΠ°Π»ΡΠ½ΠΎ, ΠΈ ΡΠ΅ΠΏΠ΅ΡΡ Ρ ΡΡΡΠ°Π½ΠΎΠ²Π»Π΅Π½Π½ΡΠΌ WOTbox Π²ΡΠ΅ Π΅ΡΠ΅ ΡΠ°Π±ΠΎΡΠ°Π΅Ρ. ΠΡΡΠΈΠ·-ΠΊΠΎΠ½ΡΡΠΎΠ»Ρ ΡΠ°Π±ΠΎΡΠ°Π΅Ρ ΠΈ ΠΎΡΠΊΠ»ΡΡΠ°Π΅ΡΡΡ, ΠΊΠΎΠ³Π΄Π° Π²Ρ Π²ΠΊΠ»ΡΡΠ°Π΅ΡΠ΅ ΡΡΠ΅ΠΏΠ»Π΅Π½ΠΈΠ΅. Π― Π΄ΡΠΌΠ°Ρ, ΡΡΠΎ ΠΎΠ½ΠΈ Π²ΡΠ΅ Π΅ΡΠ΅ ΠΌΠΎΠ³ΡΡ ΠΎΠΊΠ°Π·Π°ΡΡΡΡ Π² ECU, Π½ΠΎ Ρ Π±ΡΠ» Π±Ρ ΡΠ΄ΠΈΠ²Π»Π΅Π½. ΠΠΏΡΡΡ ΠΆΠ΅, ΠΏΠ΅Π΄Π°Π»Ρ Π³Π°Π·Π° ΠΈΠΌΠ΅Π΅Ρ 2 ΡΠΎΠ²Π΅ΡΡΠ΅Π½Π½ΠΎ ΠΎΡΠ΄Π΅Π»ΡΠ½ΡΡ
ΠΊΠΎΠ½ΡΡΡΠ°, ΠΈΠ΄ΡΡΠΈΡ
ΠΊ ΠΠΠ£, ΠΈ Π΄Π°ΠΆΠ΅ ΠΈΠ·ΠΌΠ΅ΡΡΠ΅Ρ Β«ΠΎΠ±ΡΠ°ΡΠ½ΡΡ ΡΡΠΎΡΠΎΠ½ΡΒ» ΠΏΠΎΡΠ΅Π½ΡΠΈΠΎΠΌΠ΅ΡΡΠ° ΠΏΠΎ Π΄ΡΡΠ³ΠΎΠΌΡ ΠΊΠ°Π½Π°Π»Ρβ¦ ΡΠ°ΠΊ ΡΡΠΎβ¦
Π’Π°ΠΊΠΆΠ΅ ΡΡΡΠΈΡΠ΅, ΡΡΠΎ ΠΌΠ½ΠΎΠ³ΠΈΠ΅ Π΄Π°ΡΡΠΈΠΊΠΈ ΠΏΠΎΠ»ΡΡΠ°ΡΡ ΠΏΠΈΡΠ°Π½ΠΈΠ΅ ΠΎΡ ΡΠ΅ΠΏΠΈ 5 Π Π²Π½ΡΡΡΠΈ Π±Π»ΠΎΠΊΠ° ΡΠΏΡΠ°Π²Π»Π΅Π½ΠΈΡ Π΄Π²ΠΈΠ³Π°ΡΠ΅Π»Π΅ΠΌ, Π° Π½Π΅ Π½Π°ΠΏΡΡΠΌΡΡ ΠΎΡ Π°ΠΊΠΊΡΠΌΡΠ»ΡΡΠΎΡΠ° ΠΈΠ»ΠΈ Π΄ΡΡΠ³ΠΈΡ ΠΈΡΡΠΎΡΠ½ΠΈΠΊΠΎΠ² 12 Π.
B5Speedo ΡΠΊΠ°Π·Π°Π»:
ΠΡΠΌΠ°Ρ, Π² ΡΡΠΎΠΌ Π΅ΡΡΡ ΡΠΌΡΡΠ», Π½ΠΎ Ρ Π·Π°Π²ΠΎΠΆΡ ΠΌΠ°ΡΠΈΠ½Ρ ΡΠ°Π· ΠΈΠ»ΠΈ Π΄Π²Π° Π² Π΄Π΅Π½Ρ. ΠΠΎ Π²ΡΠ΅ΠΌΡ Π²ΠΎΠΆΠ΄Π΅Π½ΠΈΡ Ρ ΠΌΠΎΠ³Ρ ΠΏΠ΅ΡΠ΅ΠΊΠ»ΡΡΠ°ΡΡΡΡ 10 ΠΈΠ»ΠΈ 20 ΡΠ°Π·. ΠΠ°ΠΆΠ΅ΡΡΡ, ΡΡΠΎ ΠΌΠ½ΠΎΠ³ΠΎ ΡΠ°Π±ΠΎΡΡ Π΄Π»Ρ Π½Π΅Π±ΠΎΠ»ΡΡΠΎΠΉ ΡΠΊΠΎΠ½ΠΎΠΌΠΈΠΈ. ΠΠΎ, ΡΠ΅ΡΡ Π²ΠΎΠ·ΡΠΌΠΈ, ΠΊΠΎΠ³Π΄Π° Π»ΡΠ±ΠΎΠΉ ΠΈΠ· Π½Π°ΡΠΈΡ ΠΌΠΎΠ΄ΠΎΠ² ΠΈΠΌΠ΅Π΅Ρ ΡΠΌΡΡΠ»? Π― Π²ΡΠ΅Π³Π΄Π° Π΄Π΅ΡΠΆΡ ΠΌΠ°ΡΠΈΠ½Ρ Π² Π½Π΅ΠΉΡΡΠ°Π»ΡΠ½ΠΎΠΌ ΠΏΠΎΠ»ΠΎΠΆΠ΅Π½ΠΈΠΈ Π½Π° ΡΠ²Π΅ΡΠΎΡΠΎΡΠ΅, ΡΡΠΎΠ±Ρ Π½Π΅ ΠΏΠΎΠ²ΡΠ΅Π΄ΠΈΡΡ ΠΎΠΏΠΎΡΠ½ΡΠΉ ΠΏΠΎΠ΄ΡΠΈΠΏΠ½ΠΈΠΊ.
Π― ΡΠ°ΠΊΠΆΠ΅ ΠΏΠΎΡΡΠΎΡΠ½Π½ΠΎ ΠΏΡΠΎΠΏΡΡΠΊΠ°Ρ ΠΏΠ΅ΡΠ΅Π΄Π°ΡΠΈ ΠΏΡΠΈ ΠΏΠ΅ΡΠ΅ΠΊΠ»ΡΡΠ΅Π½ΠΈΠΈ, ΡΡΠΎ ΡΠ°ΠΊΠΆΠ΅ ΡΠ½ΠΈΠΆΠ°Π΅Ρ ΠΈΠ·Π½ΠΎΡ ΠΏΠΎΠ΄ΡΠΈΠΏΠ½ΠΈΠΊΠ°.
ΠΠ°ΠΆΠΌΠΈΡΠ΅, ΡΡΠΎΠ±Ρ ΡΠ°Π·Π²Π΅ΡΠ½ΡΡΡ…
Π ΡΠΎ Π²ΡΠ΅ΠΌΡ ΠΊΠ°ΠΊ ΡΡΠ΅ΠΏΠ»Π΅Π½ΠΈΠ΅ Ρ ΠΏΠ΅ΡΠ΅ΠΊΠ»ΡΡΠ΅Π½ΠΈΠ΅ΠΌ ΠΏΠ΅ΡΠ΅Π΄Π°Ρ ΠΏΡΠΎΠΈΡΡ ΠΎΠ΄ΠΈΡ Π³ΠΎΡΠ°Π·Π΄ΠΎ ΡΠ°ΡΠ΅ (Π²Ρ ΠΏΠ΅ΡΠ΅ΠΊΠ»ΡΡΠ°Π΅ΡΠ΅ΡΡ Π΄ΠΎ 20 ΡΠ°Π· Π²ΠΎ Π²ΡΠ΅ΠΌΡ Π΄Π²ΠΈΠΆΠ΅Π½ΠΈΡ? Π― Π΄ΡΠΌΠ°Ρ, ΡΡΠΎ Ρ ΠΏΠ΅ΡΠ΅ΠΊΠ»ΡΡΠ°ΡΡΡ 20 ΡΠ°Π·, ΠΏΡΠ΅ΠΆΠ΄Π΅ ΡΠ΅ΠΌ ΠΏΠΎΠΏΠ°ΡΡΡ Π² ΠΏΡΠΎΠ±ΠΊΡ Π½Π° ΡΠΎΡΡΠ΅ Π½Π° ΡΠ΅ΡΠ²Π΅ΡΡΠΈ ΠΏΡΡΠΈ ΠΎΡ ΠΌΠΎΠ΅ΠΉ ΠΏΠΎΠ΅Π·Π΄ΠΊΠΈ Π½Π° ΡΠ°Π±ΠΎΡΡ! Π»ΠΎΠ» ), ΠΊΠΎΠ³Π΄Π° Π²Ρ Π΅Π΄Π΅ΡΠ΅, Π΄Π²ΠΈΠ³Π°ΡΠ΅Π»Ρ ΡΠ°Π±ΠΎΡΠ°Π΅Ρ ΠΈ ΠΏΠΎΠ΄Π°Π΅Ρ ΠΌΠ°ΡΠ»ΠΎ. ΠΠΎΠ³Π΄Π° Π²Ρ ΠΏΡΠΎΠΊΡΡΡΠΈΠ²Π°Π΅ΡΠ΅ ΠΊΠΎΠ»Π΅Π½ΡΠ°ΡΡΠΉ Π²Π°Π» Π½Π° ΠΌΠΎΡΠΎΠ·Π΅, Ρ Π²Π°Ρ Π½Π΅Ρ ΠΈΠ»ΠΈ, Π² Π»ΡΡΡΠ΅ΠΌ ΡΠ»ΡΡΠ°Π΅, Π³ΡΡΡΠΎΠ΅ ΠΌΠ°ΡΠ»ΠΎ Π±Π΅Π· Π΄Π°Π²Π»Π΅Π½ΠΈΡ, Π° ΡΡΠΈΠ»ΠΈΠ΅, ΠΏΡΠ΅Π²ΡΡΠ°ΡΡΠ΅Π΅ ΡΡΠ°Π½Π΄Π°ΡΡΠ½ΠΎΠ΅ (Ρ ΠΏΡΠΈΠΆΠΈΠΌΠ½ΠΎΠΉ ΠΏΠ»Π°ΡΡΠΈΠ½ΠΎΠΉ ΠΏΠΎΡΠ»Π΅ΠΏΡΠΎΠ΄Π°ΠΆΠ½ΠΎΠ³ΠΎ ΠΎΠ±ΡΠ»ΡΠΆΠΈΠ²Π°Π½ΠΈΡ), Π½Π° ΡΠΏΠΎΡΠ½ΡΠ΅ ΡΠ°ΠΉΠ±Ρ, ΠΊΠΎΡΠΎΡΡΠ΅ Π½Π΅ ΡΠΌΠ°Π·ΡΠ²Π°ΡΡΡΡ, ΠΊΠΎΠ³Π΄Π° Π²Ρ Π·Π°Π²ΠΎΠ΄ΠΈΡΡ.
Π£Π²ΠΈΠ΄Π΅ΡΡ ΠΌΠ΅Π½ΡΡΠ΅ Π£Π·Π½Π°ΡΡ Π±ΠΎΠ»ΡΡΠ΅
ΠΡΠ²Π΅ΡΠΈΡΡ
Π‘ΠΎΡ ΡΠ°Π½ΠΈΡΡ
ΠΡΠ°Π²ΠΈΡΡΡ
Π Π΅Π°ΠΊΡΠΈΠΈ: 1
ΠΠΉ, GTIVRon,
Π’Π°ΠΊ ΡΡΠΎ Π΄Π°, ΠΌΠΎΠ΅ ΠΎΠ±ΡΡΡΠ½Π΅Π½ΠΈΠ΅ ΠΎΡΠ½ΠΎΠ²Π°Π½ΠΎ ΠΈΡΠΊΠ»ΡΡΠΈΡΠ΅Π»ΡΠ½ΠΎ Π½Π° ΠΌΠΎΠ΅ΠΌ ΠΏΠΎΠ½ΠΈΠΌΠ°Π½ΠΈΠΈ ΡΠΎΠ³ΠΎ, ΠΊΠ°ΠΊ ΠΈΠΌΠ΅Π½Π½ΠΎ ΡΠ°Π±ΠΎΡΠ°Π΅Ρ Π΄Π°ΡΡΠΈΠΊ (ΠΊΠΎΡΠΎΡΡΠΉ, Π±Π΅Π·ΡΡΠ»ΠΎΠ²Π½ΠΎ, ΠΌΠΎΠΆΠ΅Ρ Π±ΡΡΡ ΠΎΡΠΈΠ±ΠΎΡΠ½ΡΠΌ!).
ΠΠΎ Π²ΠΎΡ ΠΏΠΎΡΠ΅ΠΌΡ Ρ Π²Π΅ΡΡ Π² ΡΠΎ, Π²ΠΎ ΡΡΠΎ Π²Π΅ΡΡ:
Π‘Ρ Π΅ΠΌΠ° ΡΠΎΠ΅Π΄ΠΈΠ½Π΅Π½ΠΈΠΉ Erwin Π΄Π»Ρ Π΄Π²ΠΈΠ³Π°ΡΠ΅Π»Ρ CRZA ΠΏΠΎΠΊΠ°Π·ΡΠ²Π°Π΅Ρ, ΡΡΠΎ G476 ΠΈΠΌΠ΅Π΅Ρ 4 Π²Ρ ΠΎΠ΄Π°. ΠΡΠ°ΡΠ½ΠΎ-Π±Π΅Π»ΡΠΉ ΠΏΡΠΎΠ²ΠΎΠ΄ Π½Π° ΠΊΠΎΠ½ΡΠ°ΠΊΡΠ΅ 5 ΡΠ°Π·ΡΠ΅ΠΌΠ° ΠΈΠ΄Π΅Ρ ΠΎΡ ΠΏΡΠ΅Π΄ΠΎΡ ΡΠ°Π½ΠΈΡΠ΅Π»Ρ SB39., ΠΊΠΎΡΠΎΡΡΠΉ ΠΎΠ±Π΅ΡΠΏΠ΅ΡΠΈΠ²Π°Π΅Ρ +12 Π ΠΏΠΎΡΡΠΎΡΠ½Π½ΠΎΠ³ΠΎ ΡΠΎΠΊΠ° ΠΏΡΠΈ Π²ΠΊΠ»ΡΡΠ΅Π½Π½ΠΎΠΌ Π·Π°ΠΆΠΈΠ³Π°Π½ΠΈΠΈ ΠΈ +14 Π ΠΏΠΎΡΡΠΎΡΠ½Π½ΠΎΠ³ΠΎ ΡΠΎΠΊΠ° ΠΏΡΠΈ ΡΠ°Π±ΠΎΡΠ°ΡΡΠ΅ΠΌ Π΄Π²ΠΈΠ³Π°ΡΠ΅Π»Π΅ (Ρ ΠΏΡΠΎΠ²Π΅ΡΠΈΠ» ΡΡΠΎΡ ΠΏΡΠ΅Π΄ΠΎΡ ΡΠ°Π½ΠΈΡΠ΅Π»Ρ Π½Π° ΡΠ²ΠΎΠ΅ΠΌ ΡΠΈΡΡΠΎΠ²ΠΎΠΌ ΠΌΡΠ»ΡΡΠΈΠΌΠ΅ΡΡΠ΅). ΠΠΎΡΠΈΡΠ½Π΅Π²ΡΠΉ ΠΏΡΠΎΠ²ΠΎΠ΄ Π½Π° ΠΊΠΎΠ½ΡΠ°ΠΊΡΠ΅ 1 ΡΠ°Π·ΡΠ΅ΠΌΠ° ΠΈΠ΄Π΅Ρ Π½Π° ΠΌΠ°ΡΡΡ. Π, Π½Π°ΠΊΠΎΠ½Π΅Ρ, Π΅ΡΠ΅ ΠΎΠ΄ΠΈΠ½ ΠΊΡΠ°ΡΠ½ΡΠΉ/Π±Π΅Π»ΡΠΉ ΠΏΡΠΎΠ²ΠΎΠ΄ Π½Π° ΠΊΠΎΠ½ΡΠ°ΠΊΡΠ΅ 2 ΡΠ°Π·ΡΠ΅ΠΌΠ° ΠΈΠ΄Π΅Ρ ΠΊ/ΠΎΡ ECU, Π° ΡΠ°ΠΊΠΆΠ΅ ΡΠΈΠΎΠ»Π΅ΡΠΎΠ²ΡΠΉ/Π±Π΅Π»ΡΠΉ ΠΏΡΠΎΠ²ΠΎΠ΄ Π½Π° ΠΊΠΎΠ½ΡΠ°ΠΊΡΠ΅ 4 ΡΠ°Π·ΡΠ΅ΠΌΠ°, ΠΊΠΎΡΠΎΡΡΠΉ ΡΠ°ΠΊΠΆΠ΅ ΠΈΠ΄Π΅Ρ ΠΊ/ΠΎΡ ECU.
ΠΠ°Π·ΠΎΠ²ΡΠΉ Π΄Π°ΡΡΠΈΠΊ Π₯ΠΎΠ»Π»Π°, ΠΊΠΎΡΠΎΡΡΠΉ G476 ΠΈΡΠΏΠΎΠ»ΡΠ·ΡΠ΅Ρ Π΄Π»Ρ ΠΎΠΏΡΠ΅Π΄Π΅Π»Π΅Π½ΠΈΡ ΠΏΠΎΠ»ΠΎΠΆΠ΅Π½ΠΈΡ, ΡΠ°Π±ΠΎΡΠ°Π΅Ρ ΠΏΠΎ ΡΠ»Π΅Π΄ΡΡΡΠ΅ΠΌΡ ΠΏΡΠΈΠ½ΡΠΈΠΏΡ: ΠΏΡΠ΅Π΄ΡΡΠ°Π²ΡΡΠ΅ ΡΠ΅Π±Π΅ ΠΏΡΡΠΌΠΎΡΠ³ΠΎΠ»ΡΠ½ΡΡ ΠΏΡΠΎΠ²ΠΎΠ΄ΡΡΡΡ ΠΏΠ»Π°ΡΡΠΈΠ½Ρ. ΠΡΠΎΠ²ΠΎΠ΄ ΠΏΠΈΡΠ°Π½ΠΈΡ ΠΏΠΎΠ΄ΠΊΠ»ΡΡΠ°Π΅ΡΡΡ ΠΊ Π²ΠΎΡΡΠΎΡΠ½ΠΎΠΌΡ ΠΊΠΎΠ½ΡΡ ΠΏΠ»Π°ΡΡΠΈΠ½Ρ, Π° ΠΏΡΠΎΠ²ΠΎΠ΄ Π·Π°Π·Π΅ΠΌΠ»Π΅Π½ΠΈΡ ΠΏΠΎΠ΄ΠΊΠ»ΡΡΠ°Π΅ΡΡΡ ΠΊ Π·Π°ΠΏΠ°Π΄Π½ΠΎΠΌΡ ΠΊΠΎΠ½ΡΡ ΠΏΠ»Π°ΡΡΠΈΠ½Ρ. Π ΡΡΠΎΠΌ ΡΠ»ΡΡΠ°Π΅ ΠΎΠ±ΡΡΠ½ΡΠΉ ΡΠΎΠΊ ΡΠ΅ΡΠ΅Ρ ΠΏΠΎ ΠΏΡΡΠΌΠΎΠΉ Π»ΠΈΠ½ΠΈΠΈ Ρ Π²ΠΎΡΡΠΎΠΊΠ° Π½Π° Π·Π°ΠΏΠ°Π΄. ΠΠ·-Π·Π° ΡΡΡΠ΅ΠΊΡΠ° Π₯ΠΎΠ»Π»Π°, ΠΊΠΎΠ³Π΄Π° ΠΌΠ°Π³Π½ΠΈΡ ΠΏΡΠΈΠ±Π»ΠΈΠΆΠ°Π΅ΡΡΡ ΠΊ ΠΏΡΡΠΌΠΎΡΠ³ΠΎΠ»ΡΠ½ΠΎΠΉ ΠΏΠ»Π°ΡΡΠΈΠ½Π΅, ΡΠ»Π΅ΠΊΡΡΠΎΠ½Ρ, ΠΏΡΠΎΡΠ΅ΠΊΠ°ΡΡΠΈΠ΅ ΡΠ΅ΡΠ΅Π· ΠΏΠ»Π°ΡΡΠΈΠ½Ρ, ΠΎΡΠΊΠ»ΠΎΠ½ΡΡΡΡΡ, ΡΠΊΠ°ΠΆΠ΅ΠΌ, Π½Π° ΡΠ΅Π²Π΅Ρ ΠΈΠ»ΠΈ Π½Π° ΡΠ³, Π² Π·Π°Π²ΠΈΡΠΈΠΌΠΎΡΡΠΈ ΠΎΡ ΠΏΠΎΠ»ΡΡΠ½ΠΎΡΡΠΈ ΠΌΠ°Π³Π½ΠΈΡΠ°.
ΠΡΠΊΠ»ΠΎΠ½Π΅Π½ΠΈΠ΅ ΡΠ΅ΠΏΠ΅ΡΡ Π²ΡΠ·ΡΠ²Π°Π΅Ρ ΠΏΠΎΡΠ΅Π½ΡΠΈΠ°Π» Π½Π°ΠΏΡΡΠΆΠ΅Π½ΠΈΡ Π½Π° ΡΠ΅Π²Π΅ΡΠ½ΠΎΠΉ ΠΈ ΡΠΆΠ½ΠΎΠΉ ΡΡΠΎΡΠΎΠ½Π°Ρ
ΠΏΠ»Π°ΡΡΠΈΠ½Ρ. ΠΠΎΠ΄ΠΊΠ»ΡΡΠ΅Π½ΠΈΠ΅ DVM ΠΊ ΡΠ΅Π²Π΅ΡΠ½ΠΎΠΉ ΠΈ ΡΠΆΠ½ΠΎΠΉ ΡΡΠΎΡΠΎΠ½Π°ΠΌ ΠΏΠ»Π°ΡΡΠΈΠ½Ρ ΠΏΠΎΠΊΠ°ΠΆΠ΅Ρ Π½Π°ΠΏΡΡΠΆΠ΅Π½ΠΈΠ΅, ΠΈΠ»ΠΈ, Π² Π΄Π°Π½Π½ΠΎΠΌ ΡΠ»ΡΡΠ°Π΅, ΡΠΎ, ΡΡΠΎ Π½Π°Π·ΡΠ²Π°Π΅ΡΡΡ Β«Π½Π°ΠΏΡΡΠΆΠ΅Π½ΠΈΠ΅ΠΌ Π₯ΠΎΠ»Π»Π°Β». ΠΡΠΎ Π½Π°ΠΏΡΡΠΆΠ΅Π½ΠΈΠ΅ Π₯ΠΎΠ»Π»Π°, ΠΎΡΠ΅Π²ΠΈΠ΄Π½ΠΎ, ΡΡΠ΅Π±ΡΠ΅Ρ Π΄Π²ΡΡ
ΠΏΡΠΎΠ²ΠΎΠ΄ΠΎΠ² Π΄Π»Ρ ΠΎΠΏΡΠ΅Π΄Π΅Π»Π΅Π½ΠΈΡ, ΡΠ»Π΅Π΄ΠΎΠ²Π°ΡΠ΅Π»ΡΠ½ΠΎ, Π΄Π²Π° ΠΏΡΠΎΠ²ΠΎΠ΄Π° DVM ΠΈΠ»ΠΈ, Π² Π½Π°ΡΠ΅ΠΌ ΡΠ»ΡΡΠ°Π΅, ΠΊΡΠ°ΡΠ½ΡΠΉ/Π±Π΅Π»ΡΠΉ ΠΏΡΠΎΠ²ΠΎΠ΄ Π½Π° ΠΊΠΎΠ½ΡΠ°ΠΊΡΠ΅ 2 ΠΈ ΡΠΈΠΎΠ»Π΅ΡΠΎΠ²ΡΠΉ/Π±Π΅Π»ΡΠΉ ΠΏΡΠΎΠ²ΠΎΠ΄ Π½Π° ΠΊΠΎΠ½ΡΠ°ΠΊΡΠ΅ 4, ΠΊΠΎΡΠΎΡΡΠ΅ ΠΎΠ±Π° Π²ΠΎΠ·Π²ΡΠ°ΡΠ°ΡΡΡΡ ΠΊ ECU. Π’Π°ΠΊΠΈΠΌ ΠΎΠ±ΡΠ°Π·ΠΎΠΌ, ECU Π΄Π΅ΠΉΡΡΠ²ΡΠ΅Ρ ΠΊΠ°ΠΊ DVM ΠΈ ΠΌΠΎΠΆΠ΅Ρ ΠΈΠ·ΠΌΠ΅ΡΡΡΡ Β«Π½Π°ΠΏΡΡΠΆΠ΅Π½ΠΈΠ΅ Π₯ΠΎΠ»Π»Π°Β» ΡΠ΅ΡΠ΅Π· ΡΡΠΈ Π΄Π²Π° ΠΏΡΠΎΠ²ΠΎΠ΄Π° Π½Π° ΠΊΠΎΠ½ΡΠ°ΠΊΡΠ°Ρ
2 ΠΈ 4, ΠΊΠΎΠ³Π΄Π° ΠΌΠ°Π³Π½ΠΈΡ Π½Π° Π³Π»Π°Π²Π½ΠΎΠΌ ΡΠΈΠ»ΠΈΠ½Π΄ΡΠ΅ ΡΡΠ΅ΠΏΠ»Π΅Π½ΠΈΡ ΠΏΡΠΈΠ±Π»ΠΈΠΆΠ°Π΅ΡΡΡ ΠΊ ΡΠ°ΠΌΠΎΠΌΡ Π΄Π°ΡΡΠΈΠΊΡ.
Π’Π°ΠΊΠΈΠΌ ΠΎΠ±ΡΠ°Π·ΠΎΠΌ, Π΅ΡΠ»ΠΈ ΡΡΠΎ ΠΏΡΠ°Π²ΠΈΠ»ΡΠ½ΠΎΠ΅ ΠΏΠΎΠ½ΠΈΠΌΠ°Π½ΠΈΠ΅, ΠΈ ΠΆΠ³ΡΡ ΠΏΡΠΎΠ²ΠΎΠ΄ΠΎΠ² Π±Π°ΠΉΠΏΠ°ΡΠ° ΠΏΠΎΠ΄ΠΊΠ»ΡΡΠ°Π΅Ρ ΠΎΠ΄ΠΈΠ½ ΠΈΠ· ΡΠΈΠ³Π½Π°Π»ΡΠ½ΡΡ ΠΏΡΠΎΠ²ΠΎΠ΄ΠΎΠ² ΠΠΠ£ ΠΊ ΠΈΡΡΠΎΡΠ½ΠΈΠΊΡ ΠΏΠΈΡΠ°Π½ΠΈΡ +12 Π ΠΏΠΎΡΡΠΎΡΠ½Π½ΠΎΠ³ΠΎ ΡΠΎΠΊΠ°, ΠΠΠ£ Π²ΡΠ΅Π³Π΄Π° Π±ΡΠ΄Π΅Ρ Π²ΠΈΠ΄Π΅ΡΡ ΠΏΠΎΡΠ΅Π½ΡΠΈΠ°Π» Π½Π°ΠΏΡΡΠΆΠ΅Π½ΠΈΡ Π² ΡΡΠΎΠΉ ΡΠ΅ΠΏΠΈ ΠΈ ΠΏΠΎΠ»Π°Π³Π°ΡΡ, ΡΡΠΎ ΠΌΠ°Π³Π½ΠΈΡ Π½Π°Ρ ΠΎΠ΄ΠΈΡΡΡ Π² Π·Π°ΠΌΠΊΠ½ΡΡΠΎΠΌ ΡΠΎΡΡΠΎΡΠ½ΠΈΠΈ. Π±Π»ΠΈΠ·ΠΎΡΡΡ Π΄Π°ΡΡΠΈΠΊΠ° (ΠΈΠ»ΠΈ Π²ΠΊΠ»ΡΡΠ΅Π½ΠΎ ΡΡΠ΅ΠΏΠ»Π΅Π½ΠΈΠ΅).
Π― Π΄ΠΎ ΡΠΈΡ
ΠΏΠΎΡ Π½Π΅ ΠΏΠΎΠ½ΡΠ», ΠΈΡΠΏΠΎΠ»ΡΠ·ΡΠ΅Ρ Π»ΠΈ/ΠΊΠ°ΠΊ/ΠΏΠΎΡΠ΅ΠΌΡ ΡΡ
Π΅ΠΌΠ° ΠΊΡΡΠΈΠ·-ΠΊΠΎΠ½ΡΡΠΎΠ»Ρ ΡΠΈΠ³Π½Π°Π»Ρ G476.
ΠΠΎ Π΅ΡΠ»ΠΈ Ρ Π½Π°Ρ Π΅ΡΡΡ Π²ΠΈΠ΄ΠΈΠΌΡΠ΅ Π΄ΠΎΠΊΠ°Π·Π°ΡΠ΅Π»ΡΡΡΠ²Π° ΡΠΎΠ³ΠΎ, ΡΡΠΎ ΡΡΠΎΡ ΠΆΠ³ΡΡ ΡΠ²Π»ΡΠ΅ΡΡΡ ΡΠ΅ΠΌ, ΡΠ΅ΠΌ ΠΎΠ½ ΡΠ²Π»ΡΠ΅ΡΡΡ (Π½Π°Π΄Π΅ΡΡΡ ΡΠ·Π½Π°ΡΡ Π±ΠΎΠ»ΡΡΠ΅ ΠΎΠ± ΡΡΠΎΠΌ, ΠΊΠΎΠ³Π΄Π° Ρ ΠΏΠΎΠ»ΡΡΡ ΡΠ²ΠΎΠΉ), ΠΈ Π½Π΅ Π²Π»ΠΈΡΠ΅Ρ Π½ΠΈ Π½Π° ΡΡΠΎ, ΠΊΡΠΎΠΌΠ΅ ΠΏΠΎΠ»ΠΎΠΆΠ΅Π½ΠΈΡ ΡΡΠ΅ΠΏΠ»Π΅Π½ΠΈΡ Π²ΠΎ Π²ΡΠ΅ΠΌΡ Π·Π°ΠΏΡΡΠΊΠ°, ΡΠΎ, Π²ΠΎΠ·ΠΌΠΎΠΆΠ½ΠΎ, ΠΌΠΎΠ΅ ΠΏΠΎΠ½ΠΈΠΌΠ°Π½ΠΈΠ΅ ΡΠ΅Π³ΠΎ-ΡΠΎ ΠΎΡΠΈΠ±ΠΎΡΠ½ΠΎ. ΠΠ°ΠΊ ΡΠΎΠ»ΡΠΊΠΎ ΡΠΈΠ³Π½Π°Π» G476 ΠΏΠΎΠΏΠ°Π΄Π°Π΅Ρ Π² ΠΠΠ£, ΡΡΡΠ΄Π½ΠΎ ΡΠΊΠ°Π·Π°ΡΡ, ΡΡΠΎ Ρ Π½ΠΈΠΌ ΠΏΡΠΎΠΈΡΡ
ΠΎΠ΄ΠΈΡ ΠΏΠΎΡΠΎΠΌ/ΠΊΡΠ΄Π° ΠΎΠ½ ΡΡ
ΠΎΠ΄ΠΈΡ/ΠΊΠ°ΠΊΠΈΠ΅ Π΄ΡΡΠ³ΠΈΠ΅ ΠΊΠΎΠ½ΡΡΠΎΠ»Π»Π΅ΡΡ Π·Π°ΠΏΡΠ°ΡΠΈΠ²Π°ΡΡ ΡΡΡ ΠΈΠ½ΡΠΎΡΠΌΠ°ΡΠΈΡ ΠΏΠΎ ΡΠΈΠ½Π΅ CAN/ΠΈ Ρ.Π΄. Π― ΠΈΠΌΠ΅Ρ Π² Π²ΠΈΠ΄Ρ, ΠΌΠΎΠΆΠ΅Ρ Π±ΡΡΡ, Π½Π° ΠΏΠ΅Π΄Π°Π»ΠΈ ΡΡΠ΅ΠΏΠ»Π΅Π½ΠΈΡ Π΅ΡΡΡ Π΅ΡΠ΅ ΠΎΠ΄ΠΈΠ½ Π΄Π°ΡΡΠΈΠΊ, ΠΊΠΎΡΠΎΡΡΠΉ ΠΏΠΎΠ΄ΠΊΠ»ΡΡΠ°Π΅ΡΡΡ ΠΊ ΡΠ΅ΠΏΠΈ ΠΊΡΡΠΈΠ·-ΠΊΠΎΠ½ΡΡΠΎΠ»Ρ? Π― Π΄ΡΠΌΠ°Ρ, ΡΡΠΎ Ρ ΡΡΠ°ΡΡΡ
MkIV Π±ΡΠ»ΠΎ Π΄Π²Π° Π΄Π°ΡΡΠΈΠΊΠ° Π½Π° ΠΏΠ΅Π΄Π°Π»ΠΈ ΡΡΠ΅ΠΏΠ»Π΅Π½ΠΈΡ. ΠΠ»ΠΈ, Π²ΠΎΠ·ΠΌΠΎΠΆΠ½ΠΎ, Π΄Π²Π° ΡΠΈΠ³Π½Π°Π»ΡΠ½ΡΡ
ΠΏΡΠΎΠ²ΠΎΠ΄Π° ECU, ΠΎ ΠΊΠΎΡΠΎΡΡΡ
Ρ ΡΠΏΠΎΠΌΠΈΠ½Π°Π» Π²ΡΡΠ΅, ΠΌΠΎΠΆΠ΅Ρ Π±ΡΡΡ, ΠΎΠ΄ΠΈΠ½ ΠΏΠΈΡΠ°Π΅Ρ ΡΠ΅ΠΏΡ Π·Π°ΠΏΡΡΠΊΠ°, Π΄ΡΡΠ³ΠΎΠΉ ΠΏΠΈΡΠ°Π΅Ρ ΡΠ΅ΠΏΡ CC ??
Π£Π²ΠΈΠ΄Π΅ΡΡ ΠΌΠ΅Π½ΡΡΠ΅ Π£Π·Π½Π°ΡΡ Π±ΠΎΠ»ΡΡΠ΅
ΠΡΠ²Π΅ΡΠΈΡΡ
Π‘ΠΎΡ ΡΠ°Π½ΠΈΡΡ
ΠΠ°ΠΊ ΠΈ
, Ρ ΠΊΡΠΏΠΈΠ» 2 ΡΠ°ΠΊΠΈΡ
ΠΆΠ³ΡΡΠ° ΠΏΡΠΎΠ²ΠΎΠ΄ΠΎΠ², ΠΊΠΎΠ³Π΄Π° Π½Π΅ΠΊΠΎΡΠΎΡΠΎΠ΅ Π²ΡΠ΅ΠΌΡ Π½Π°Π·Π°Π΄ Π±ΡΠ»Π° Π³ΡΡΠΏΠΏΠ°. Π― ΡΡΡΠ°Π½ΠΎΠ²ΠΈΠ» ΡΠΎΠ»ΡΠΊΠΎ ΠΎΠ΄ΠΈΠ½, Π΄ΡΡΠ³ΠΎΠΉ Π»Π΅ΠΆΠΈΡ Ρ ΠΌΠ΅Π½Ρ Π½Π° ΡΡΠΎΠ»Π΅ Π² ΠΊΠΎΠ½Π²Π΅ΡΡΠ΅.
Π― ΡΡΡΠ°Π½ΠΎΠ²ΠΈΠ» Π΅Π³ΠΎ Π½Π° ΡΠ²ΠΎΠΉ R Ρ kessy, ΠΈ Π΅Π΄ΠΈΠ½ΡΡΠ²Π΅Π½Π½ΡΠΉ Π½Π΅Π΄ΠΎΡΡΠ°ΡΠΎΠΊ, ΠΊΠΎΡΠΎΡΡΠΉ Ρ Π·Π°ΠΌΠ΅ΡΠΈΠ» Π΄ΠΎ ΡΠΈΡ
ΠΏΠΎΡ, Π·Π°ΠΊΠ»ΡΡΠ°Π΅ΡΡΡ Π² ΡΠΎΠΌ, ΡΡΠΎ Π΅ΡΠ»ΠΈ ΠΏΠΎ ΠΊΠ°ΠΊΠΎΠΉ-ΡΠΎ ΠΏΡΠΈΡΠΈΠ½Π΅ Ρ Π½Π°ΠΆΠΌΡ ΠΊΠ½ΠΎΠΏΠΊΡ Π·Π°ΠΏΡΡΠΊΠ°, ΡΡΠΎΠ±Ρ ΠΏΡΠΎΡΡΠΎ Π²ΠΊΠ»ΡΡΠΈΡΡ Π·Π°ΠΆΠΈΠ³Π°Π½ΠΈΠ΅, Ρ Π½Π΅ ΡΠΌΠΎΠ³Ρ Π²ΡΠΊΠ»ΡΡΠΈΡΡ Π·Π°ΠΆΠΈΠ³Π°Π½ΠΈΠ΅, ΠΏΠΎΠΊΠ° Π½Π΅ Π·Π°Π²Π΅Π΄Ρ ΠΌΠ°ΡΠΈΠ½Ρ. ΠΠ΅ ΡΠ°ΠΊΠ°Ρ ΡΠΆ Π±ΠΎΠ»ΡΡΠ°Ρ ΠΏΡΠΎΠ±Π»Π΅ΠΌΠ°, Π½ΠΎ ΠΈΠ½ΠΎΠ³Π΄Π° ΡΠ°Π·Π΄ΡΠ°ΠΆΠ°Π΅Ρ Π½Π΅ΠΎΠ±Ρ
ΠΎΠ΄ΠΈΠΌΠΎΡΡΡ Π·Π°Π²ΠΎΠ΄ΠΈΡΡ ΠΌΠ°ΡΠΈΠ½Ρ, ΡΡΠΎΠ±Ρ ΠΏΡΠΎΡΡΠΎ Π·Π°Π³Π»ΡΡΠΈΡΡ Π΅Π΅. ΠΡΠΎ ΠΊΠ°ΠΊ Π±Ρ ΠΏΡΠΎΡΠΈΠ²ΠΎΡΠ΅ΡΠΈΡ ΡΠ΅Π»ΠΈ Π΅Π³ΠΎ ΡΡΡΠ°Π½ΠΎΠ²ΠΊΠΈ. ΠΠΎΠΉ Π΄ΡΡΠ³ΠΎΠΉ R — ΡΡΠΎ Π±Π°Π·ΠΎΠ²ΡΠΉ Π°Π²ΡΠΎΠΌΠΎΠ±ΠΈΠ»Ρ Π±Π΅Π· ΠΊΠ΅ΡΡΠΈ, ΠΈ Ρ Π½Π΅ ΠΏΠ»Π°Π½ΠΈΡΡΡ ΠΌΠΎΠ΄ΠΈΡΠΈΡΠΈΡΠΎΠ²Π°ΡΡ ΡΡΠΎΡ Π°Π²ΡΠΎΠΌΠΎΠ±ΠΈΠ»Ρ ΠΏΠΎΡΠ»Π΅ ΡΡΠ°ΠΏΠ° 1, ΠΏΠΎΡΠΎΠΌΡ ΡΡΠΎ ΡΡΠΎ ΠΌΠΎΠΉ Π΅ΠΆΠ΅Π΄Π½Π΅Π²Π½ΡΠΉ Π²ΠΎΠ΄ΠΈΡΠ΅Π»Ρ, ΠΈ Ρ Π½Π΅ ΠΏΠ»Π°Π½ΠΈΡΡΡ ΠΈΡΠΏΠΎΠ»ΡΠ·ΠΎΠ²Π°ΡΡ ΡΡΠΈΠ»Π΅Π½Π½ΠΎΠ΅ ΡΡΠ΅ΠΏΠ»Π΅Π½ΠΈΠ΅. Π― Π΄ΡΠΌΠ°Ρ, ΡΡΠΎ Ρ Π΄Π°ΠΆΠ΅ ΡΠ΄Π°Π»ΠΈΡΡ Π΅Π³ΠΎ ΠΈΠ· ΠΌΠΎΠ΅ΠΉ kessy Π°Π²ΡΠΎΠΌΠΎΠ±ΠΈΠ»Ρ, Π° ΡΠ°ΠΊΠΆΠ΅. Π’Π°ΠΊ ΡΡΠΎ, Π΅ΡΠ»ΠΈ ΠΊΡΠΎ-ΡΠΎ Π·Π°Ρ
ΠΎΡΠ΅Ρ, Ρ ΠΏΡΠΎΠ΄Π°ΠΌ ΠΈΡ
ΠΎΠ±ΠΎΠΈΡ
Π·Π° 60 Π΄ΠΎΠ»Π»Π°ΡΠΎΠ² ΠΏΠ»ΡΡ Π΄ΠΎΡΡΠ°Π²ΠΊΠ° ΠΈ ΠΎΠΏΠ»Π°ΡΠ° ΡΡΠ»ΡΠ³ ΠΏΡΠΈΡΡΠ΅Π»Ρ ΠΈΠ»ΠΈ ΠΏΠΎ 30 Π΄ΠΎΠ»Π»Π°ΡΠΎΠ² Π·Π° ΡΡΡΠΊΡ ΠΏΠ»ΡΡ Π΄ΠΎΡΡΠ°Π²ΠΊΠ° ΠΈ ΠΎΠΏΠ»Π°ΡΠ° ΡΡΠ»ΡΠ³ ΠΏΡΠΈΡΡΠ΅Π»Ρ Π² Π‘Π¨Π.0004
Π£Π²ΠΈΠ΄Π΅ΡΡ ΠΌΠ΅Π½ΡΡΠ΅ Π£Π·Π½Π°ΡΡ Π±ΠΎΠ»ΡΡΠ΅
ΠΡΠ²Π΅ΡΠΈΡΡ
Π‘ΠΎΡ ΡΠ°Π½ΠΈΡΡ
ΠΡΠ°Π²ΠΈΡΡΡ
Π Π΅Π°ΠΊΡΠΈΠΈ: 1
GTIZRX ΡΠΊΠ°Π·Π°Π»:
Π― ΠΊΡΠΏΠΈΠ» 2 ΡΠ°ΠΊΠΈΡ ΠΆΠ³ΡΡΠ° ΠΏΡΠΎΠ²ΠΎΠ΄ΠΎΠ², ΠΊΠΎΠ³Π΄Π° Π½Π΅ΠΊΠΎΡΠΎΡΠΎΠ΅ Π²ΡΠ΅ΠΌΡ Π½Π°Π·Π°Π΄ Π±ΡΠ»Π° Π³ΡΡΠΏΠΏΠ°.
Π― ΡΡΡΠ°Π½ΠΎΠ²ΠΈΠ» ΡΠΎΠ»ΡΠΊΠΎ ΠΎΠ΄ΠΈΠ½, Π΄ΡΡΠ³ΠΎΠΉ Π»Π΅ΠΆΠΈΡ Ρ ΠΌΠ΅Π½Ρ Π½Π° ΡΡΠΎΠ»Π΅ Π² ΠΊΠΎΠ½Π²Π΅ΡΡΠ΅. Π― ΡΡΡΠ°Π½ΠΎΠ²ΠΈΠ» Π΅Π³ΠΎ Π½Π° ΡΠ²ΠΎΠΉ R Ρ kessy, ΠΈ Π΅Π΄ΠΈΠ½ΡΡΠ²Π΅Π½Π½ΡΠΉ Π½Π΅Π΄ΠΎΡΡΠ°ΡΠΎΠΊ, ΠΊΠΎΡΠΎΡΡΠΉ Ρ Π·Π°ΠΌΠ΅ΡΠΈΠ» Π΄ΠΎ ΡΠΈΡ ΠΏΠΎΡ, Π·Π°ΠΊΠ»ΡΡΠ°Π΅ΡΡΡ Π² ΡΠΎΠΌ, ΡΡΠΎ Π΅ΡΠ»ΠΈ ΠΏΠΎ ΠΊΠ°ΠΊΠΎΠΉ-ΡΠΎ ΠΏΡΠΈΡΠΈΠ½Π΅ Ρ Π½Π°ΠΆΠΌΡ ΠΊΠ½ΠΎΠΏΠΊΡ Π·Π°ΠΏΡΡΠΊΠ°, ΡΡΠΎΠ±Ρ ΠΏΡΠΎΡΡΠΎ Π²ΠΊΠ»ΡΡΠΈΡΡ Π·Π°ΠΆΠΈΠ³Π°Π½ΠΈΠ΅, Ρ Π½Π΅ ΡΠΌΠΎΠ³Ρ Π²ΡΠΊΠ»ΡΡΠΈΡΡ Π·Π°ΠΆΠΈΠ³Π°Π½ΠΈΠ΅, ΠΏΠΎΠΊΠ° Π½Π΅ Π·Π°Π²Π΅Π΄Ρ ΠΌΠ°ΡΠΈΠ½Ρ. ΠΠΈΡΠ΅Π³ΠΎ ΡΡΡΠ°ΡΠ½ΠΎΠ³ΠΎ, Π½ΠΎ ΠΈΠ½ΠΎΠ³Π΄Π° ΡΠ°Π·Π΄ΡΠ°ΠΆΠ°Π΅Ρ Π½Π΅ΠΎΠ±Ρ ΠΎΠ΄ΠΈΠΌΠΎΡΡΡ Π·Π°Π²ΠΎΠ΄ΠΈΡΡ ΠΌΠ°ΡΠΈΠ½Ρ, ΡΡΠΎΠ±Ρ ΠΏΡΠΎΡΡΠΎ Π·Π°Π³Π»ΡΡΠΈΡΡ Π΅Π΅. ΠΡΠΎ ΠΊΠ°ΠΊ Π±Ρ ΠΏΡΠΎΡΠΈΠ²ΠΎΡΠ΅ΡΠΈΡ ΡΠ΅Π»ΠΈ Π΅Π³ΠΎ ΡΡΡΠ°Π½ΠΎΠ²ΠΊΠΈ. ΠΠΎΠΉ Π΄ΡΡΠ³ΠΎΠΉ R — ΡΡΠΎ Π±Π°Π·ΠΎΠ²ΡΠΉ Π°Π²ΡΠΎΠΌΠΎΠ±ΠΈΠ»Ρ Π±Π΅Π· ΠΊΠ΅ΡΡΠΈ, ΠΈ Ρ Π½Π΅ ΠΏΠ»Π°Π½ΠΈΡΡΡ ΠΌΠΎΠ΄ΠΈΡΠΈΡΠΈΡΠΎΠ²Π°ΡΡ ΡΡΠΎΡ Π°Π²ΡΠΎΠΌΠΎΠ±ΠΈΠ»Ρ ΠΏΠΎΡΠ»Π΅ ΡΡΠ°ΠΏΠ° 1, ΠΏΠΎΡΠΎΠΌΡ ΡΡΠΎ ΡΡΠΎ ΠΌΠΎΠΉ Π΅ΠΆΠ΅Π΄Π½Π΅Π²Π½ΡΠΉ Π²ΠΎΠ΄ΠΈΡΠ΅Π»Ρ, ΠΈ Ρ Π½Π΅ ΠΏΠ»Π°Π½ΠΈΡΡΡ ΠΈΡΠΏΠΎΠ»ΡΠ·ΠΎΠ²Π°ΡΡ ΡΡΠΈΠ»Π΅Π½Π½ΠΎΠ΅ ΡΡΠ΅ΠΏΠ»Π΅Π½ΠΈΠ΅. Π― Π΄ΡΠΌΠ°Ρ, ΡΡΠΎ Ρ Π΄Π°ΠΆΠ΅ ΡΠ΄Π°Π»ΠΈΡΡ Π΅Π³ΠΎ ΠΈΠ· ΠΌΠΎΠ΅ΠΉ kessy Π°Π²ΡΠΎΠΌΠΎΠ±ΠΈΠ»Ρ, Π° ΡΠ°ΠΊΠΆΠ΅. Π’Π°ΠΊ ΡΡΠΎ, Π΅ΡΠ»ΠΈ ΠΊΡΠΎ-ΡΠΎ Π·Π°Ρ ΠΎΡΠ΅Ρ, Ρ ΠΏΡΠΎΠ΄Π°ΠΌ ΠΈΡ ΠΎΠ±ΠΎΠΈΡ Π·Π° 60 Π΄ΠΎΠ»Π»Π°ΡΠΎΠ² ΠΏΠ»ΡΡ Π΄ΠΎΡΡΠ°Π²ΠΊΠ° ΠΈ ΠΎΠΏΠ»Π°ΡΠ° ΡΡΠ»ΡΠ³ ΠΏΡΠΈΡΡΠ΅Π»Ρ ΠΈΠ»ΠΈ ΠΏΠΎ 30 Π΄ΠΎΠ»Π»Π°ΡΠΎΠ² Π·Π° ΡΡΡΠΊΡ ΠΏΠ»ΡΡ Π΄ΠΎΡΡΠ°Π²ΠΊΠ° ΠΈ ΠΎΠΏΠ»Π°ΡΠ° ΡΡΠ»ΡΠ³ ΠΏΡΠΈΡΡΠ΅Π»Ρ Π² Π‘Π¨Π.0004
ΠΠ°ΠΆΠΌΠΈΡΠ΅, ΡΡΠΎΠ±Ρ ΡΠ°Π·Π²Π΅ΡΠ½ΡΡΡ…
Π― Π±ΡΠΊΠ²Π°Π»ΡΠ½ΠΎ ΡΠΎΠ»ΡΠΊΠΎ ΡΡΠΎ ΠΏΠΎΡΡΠ°ΡΠΈΠ» 75 Π΄ΠΎΠ»Π»Π°ΡΠΎΠ² Π½Π° ΠΎΠ΄ΠΈΠ½ ΠΈΠ· AKS Tuning, Π»ΠΎΠ».
ΠΡΠΈ ΡΡΠΎΠΌ ΡΡΠΎ Π±ΡΠ»Π° ΡΠ°ΡΡΡ Π² ΡΠ°Π·ΠΌΠ΅ΡΠ΅ 20 ΡΡΠ½ΡΠΎΠ² ΡΡΠ΅ΡΠ»ΠΈΠ½Π³ΠΎΠ², ΠΏΡΠΈ ΡΡΠΎΠΌ ΡΡΠΎΠΈΠΌΠΎΡΡΡ Π΄ΠΎΡΡΠ°Π²ΠΊΠΈ Π² ΡΠ°Π·ΠΌΠ΅ΡΠ΅ 30-35 ΡΡΠ½ΡΠΎΠ² ΡΡΠ΅ΡΠ»ΠΈΠ½Π³ΠΎΠ² + ΠΎΠ±ΠΌΠ΅Π½Π½ΡΠΉ ΠΊΡΡΡ ΡΠΎΡΡΠ°Π²ΠΈΠ»Π° 75 Π΄ΠΎΠ»Π»Π°ΡΠΎΠ² Π‘Π¨Π. Π― ΠΌΠΎΠ³ Π±Ρ ΠΏΠΎΠ»ΡΡΠΈΡΡ Π΄Π²Π° Π·Π° 60 Π΄ΠΎΠ»Π»Π°ΡΠΎΠ²
ΠΠΎΡΠΊΠΎΠ»ΡΠΊΡ ΠΌΠΎΠΉ Π² Π½Π°ΡΡΠΎΡΡΠ΅Π΅ Π²ΡΠ΅ΠΌΡ Π½Π°Ρ ΠΎΠ΄ΠΈΡΡΡ Π² ΡΡΠ°Π΄ΠΈΠΈ ΠΎΠΆΠΈΠ΄Π°Π½ΠΈΡ, Ρ Π½Π΅ ΡΠΌΠΎΠ³Ρ ΠΎΡΠΊΡΡΡΡ Π΅Π³ΠΎ Π² Π±Π»ΠΈΠΆΠ°ΠΉΡΠ΅Π΅ Π²ΡΠ΅ΠΌΡ. ΠΠ΅ ΠΌΠΎΠ³Π»ΠΈ Π±Ρ Π²Ρ ΡΠ°Π·ΠΎΠ±ΡΠ°ΡΡ ΠΎΠ΄ΠΈΠ½ ΠΈΠ· Π²Π°ΡΠΈΡ ΠΈ ΠΎΡΠΏΡΠ°Π²ΠΈΡΡ ΡΠΎΡΠΎΠ³ΡΠ°ΡΠΈΠΈ/ΠΎΡΡΠ΅Ρ ΠΎ ΡΠΎΠΌ, ΡΡΠΎ ΠΏΡΠΎΠΈΡΡ ΠΎΠ΄ΠΈΡ Π²Π½ΡΡΡΠΈ? ΠΠΎΠ»
Π£Π²ΠΈΠ΄Π΅ΡΡ ΠΌΠ΅Π½ΡΡΠ΅ Π£Π·Π½Π°ΡΡ Π±ΠΎΠ»ΡΡΠ΅
ΠΡΠ²Π΅ΡΠΈΡΡ
Π‘ΠΎΡ ΡΠ°Π½ΠΈΡΡ
ΠΠ°ΠΏΡΠΈΠΌΠ΅Ρ,
. Π― Π΄Π΅ΠΉΡΡΠ²ΠΈΡΠ΅Π»ΡΠ½ΠΎ Π½Π΅ Ρ ΠΎΡΡ ΡΠ°Π·Π±ΠΈΡΠ°ΡΡ ΠΈΡ , Π΅ΡΠ»ΠΈ ΡΠΎΠ±ΠΈΡΠ°ΡΡΡ ΠΈΡ ΠΏΡΠΎΠ΄Π°Π²Π°ΡΡ.
ΠΡΠ²Π΅ΡΠΈΡΡ
Π‘ΠΎΡ ΡΠ°Π½ΠΈΡΡ
ΠΡΠ°Π²ΠΈΡΡΡ
Π Π΅Π°ΠΊΡΠΈΠΈ: 1
GTIZRX ΡΠΊΠ°Π·Π°Π»:
Π― ΠΊΡΠΏΠΈΠ» 2 ΡΠ°ΠΊΠΈΡ ΠΆΠ³ΡΡΠ° ΠΏΡΠΎΠ²ΠΎΠ΄ΠΎΠ², ΠΊΠΎΠ³Π΄Π° Π½Π΅ΠΊΠΎΡΠΎΡΠΎΠ΅ Π²ΡΠ΅ΠΌΡ Π½Π°Π·Π°Π΄ Π±ΡΠ»Π° Π³ΡΡΠΏΠΏΠ°. Π― ΡΡΡΠ°Π½ΠΎΠ²ΠΈΠ» ΡΠΎΠ»ΡΠΊΠΎ ΠΎΠ΄ΠΈΠ½, Π΄ΡΡΠ³ΠΎΠΉ Π»Π΅ΠΆΠΈΡ Ρ ΠΌΠ΅Π½Ρ Π½Π° ΡΡΠΎΠ»Π΅ Π² ΠΊΠΎΠ½Π²Π΅ΡΡΠ΅. Π― ΡΡΡΠ°Π½ΠΎΠ²ΠΈΠ» Π΅Π³ΠΎ Π½Π° ΡΠ²ΠΎΠΉ R Ρ kessy, ΠΈ Π΅Π΄ΠΈΠ½ΡΡΠ²Π΅Π½Π½ΡΠΉ Π½Π΅Π΄ΠΎΡΡΠ°ΡΠΎΠΊ, ΠΊΠΎΡΠΎΡΡΠΉ Ρ Π·Π°ΠΌΠ΅ΡΠΈΠ» Π΄ΠΎ ΡΠΈΡ ΠΏΠΎΡ, Π·Π°ΠΊΠ»ΡΡΠ°Π΅ΡΡΡ Π² ΡΠΎΠΌ, ΡΡΠΎ Π΅ΡΠ»ΠΈ ΠΏΠΎ ΠΊΠ°ΠΊΠΎΠΉ-ΡΠΎ ΠΏΡΠΈΡΠΈΠ½Π΅ Ρ Π½Π°ΠΆΠΌΡ ΠΊΠ½ΠΎΠΏΠΊΡ Π·Π°ΠΏΡΡΠΊΠ°, ΡΡΠΎΠ±Ρ ΠΏΡΠΎΡΡΠΎ Π²ΠΊΠ»ΡΡΠΈΡΡ Π·Π°ΠΆΠΈΠ³Π°Π½ΠΈΠ΅, Ρ Π½Π΅ ΡΠΌΠΎΠ³Ρ Π²ΡΠΊΠ»ΡΡΠΈΡΡ Π·Π°ΠΆΠΈΠ³Π°Π½ΠΈΠ΅, ΠΏΠΎΠΊΠ° Π½Π΅ Π·Π°Π²Π΅Π΄Ρ ΠΌΠ°ΡΠΈΠ½Ρ.
ΠΠΈΡΠ΅Π³ΠΎ ΡΡΡΠ°ΡΠ½ΠΎΠ³ΠΎ, Π½ΠΎ ΠΈΠ½ΠΎΠ³Π΄Π° ΡΠ°Π·Π΄ΡΠ°ΠΆΠ°Π΅Ρ Π½Π΅ΠΎΠ±Ρ ΠΎΠ΄ΠΈΠΌΠΎΡΡΡ Π·Π°Π²ΠΎΠ΄ΠΈΡΡ ΠΌΠ°ΡΠΈΠ½Ρ, ΡΡΠΎΠ±Ρ ΠΏΡΠΎΡΡΠΎ Π·Π°Π³Π»ΡΡΠΈΡΡ Π΅Π΅. ΠΡΠΎ ΠΊΠ°ΠΊ Π±Ρ ΠΏΡΠΎΡΠΈΠ²ΠΎΡΠ΅ΡΠΈΡ ΡΠ΅Π»ΠΈ Π΅Π³ΠΎ ΡΡΡΠ°Π½ΠΎΠ²ΠΊΠΈ. ΠΠΎΠΉ Π΄ΡΡΠ³ΠΎΠΉ R — ΡΡΠΎ Π±Π°Π·ΠΎΠ²ΡΠΉ Π°Π²ΡΠΎΠΌΠΎΠ±ΠΈΠ»Ρ Π±Π΅Π· ΠΊΠ΅ΡΡΠΈ, ΠΈ Ρ Π½Π΅ ΠΏΠ»Π°Π½ΠΈΡΡΡ ΠΌΠΎΠ΄ΠΈΡΠΈΡΠΈΡΠΎΠ²Π°ΡΡ ΡΡΠΎΡ Π°Π²ΡΠΎΠΌΠΎΠ±ΠΈΠ»Ρ ΠΏΠΎΡΠ»Π΅ ΡΡΠ°ΠΏΠ° 1, ΠΏΠΎΡΠΎΠΌΡ ΡΡΠΎ ΡΡΠΎ ΠΌΠΎΠΉ Π΅ΠΆΠ΅Π΄Π½Π΅Π²Π½ΡΠΉ Π²ΠΎΠ΄ΠΈΡΠ΅Π»Ρ, ΠΈ Ρ Π½Π΅ ΠΏΠ»Π°Π½ΠΈΡΡΡ ΠΈΡΠΏΠΎΠ»ΡΠ·ΠΎΠ²Π°ΡΡ ΡΡΠΈΠ»Π΅Π½Π½ΠΎΠ΅ ΡΡΠ΅ΠΏΠ»Π΅Π½ΠΈΠ΅. Π― Π΄ΡΠΌΠ°Ρ, ΡΡΠΎ Ρ Π΄Π°ΠΆΠ΅ ΡΠ΄Π°Π»ΠΈΡΡ Π΅Π³ΠΎ ΠΈΠ· ΠΌΠΎΠ΅ΠΉ kessy Π°Π²ΡΠΎΠΌΠΎΠ±ΠΈΠ»Ρ, Π° ΡΠ°ΠΊΠΆΠ΅. Π’Π°ΠΊ ΡΡΠΎ, Π΅ΡΠ»ΠΈ ΠΊΡΠΎ-ΡΠΎ Π·Π°Ρ ΠΎΡΠ΅Ρ, Ρ ΠΏΡΠΎΠ΄Π°ΠΌ ΠΈΡ ΠΎΠ±ΠΎΠΈΡ Π·Π° 60 Π΄ΠΎΠ»Π»Π°ΡΠΎΠ² ΠΏΠ»ΡΡ Π΄ΠΎΡΡΠ°Π²ΠΊΠ° ΠΈ ΠΎΠΏΠ»Π°ΡΠ° ΡΡΠ»ΡΠ³ ΠΏΡΠΈΡΡΠ΅Π»Ρ ΠΈΠ»ΠΈ ΠΏΠΎ 30 Π΄ΠΎΠ»Π»Π°ΡΠΎΠ² Π·Π° ΡΡΡΠΊΡ ΠΏΠ»ΡΡ Π΄ΠΎΡΡΠ°Π²ΠΊΠ° ΠΈ ΠΎΠΏΠ»Π°ΡΠ° ΡΡΠ»ΡΠ³ ΠΏΡΠΈΡΡΠ΅Π»Ρ Π² Π‘Π¨Π.0004
ΠΠ°ΠΆΠΌΠΈΡΠ΅, ΡΡΠΎΠ±Ρ ΡΠ°Π·Π²Π΅ΡΠ½ΡΡΡ…
Π― ΠΏΠΎΠΌΠ½Ρ, ΡΡΠΎ ΡΠΈΡΠ°Π» ΠΎΠ± ΡΡΠΎΠΌ ΠΏΠΎΠ²Π΅Π΄Π΅Π½ΠΈΠΈ ΠΈ Π² Π΄ΡΡΠ³ΠΈΡ
ΡΠ΅ΠΌΠ°Ρ
. ΠΡΠΎ Π΄Π΅Π»Π°Π΅Ρ ΠΌΠ΅Π½Ρ Π»ΡΠ±ΠΎΠΏΡΡΠ½ΡΠΌ — Π΅ΡΠ»ΠΈ Π±Ρ Ρ, Π² ΡΡΠ°ΡΠ½ΠΎΠΌ Π²ΡΠΊΠ»ΡΡΠ°ΡΠ΅Π»Π΅ ΡΡΠ΅ΠΏΠ»Π΅Π½ΠΈΡ kessy R, ΡΠΎ Π΅ΡΡΡ Π±Π΅Π· ΡΡΡΠ°Π½ΠΎΠ²Π»Π΅Π½Π½ΠΎΠ³ΠΎ ΠΆΠ³ΡΡΠ° ΠΏΡΠΎΠ²ΠΎΠ΄ΠΎΠ², Π½Π°ΠΆΠ°Π» ΠΏΠ΅Π΄Π°Π»Ρ ΡΡΠ΅ΠΏΠ»Π΅Π½ΠΈΡ, Π²ΠΊΠ»ΡΡΠΈΠ» Π·Π°ΠΆΠΈΠ³Π°Π½ΠΈΠ΅, ΠΏΡΠΎΠ΄ΠΎΠ»ΠΆΠ°Π» ΡΠ΄Π΅ΡΠΆΠΈΠ²Π°ΡΡ ΠΏΠ΅Π΄Π°Π»Ρ ΡΡΠ΅ΠΏΠ»Π΅Π½ΠΈΡ, ΡΠ΅ΠΌ ΡΠ°ΠΌΡΠΌ Π·Π°ΡΡΠ°Π²Π»ΡΡ ECU Π΄ΡΠΌΠ°ΡΡ, ΡΡΠΎ ΡΡΠ΅ΠΏΠ»Π΅Π½ΠΈΠ΅ Π²ΡΠ΅Π³Π΄Π° Π±ΡΠ»ΠΎ Π²ΠΊΠ»ΡΡΠ΅Π½ΠΎ Ρ ΠΌΠΎΠΌΠ΅Π½ΡΠ° Π·Π°ΠΆΠΈΠ³Π°Π½ΠΈΠ΅ Π±ΡΠ»ΠΎ Π²ΠΊΠ»ΡΡΠ΅Π½ΠΎ, Π° Π·Π°ΡΠ΅ΠΌ ΠΏΠΎΠΏΡΡΠ°Π»ΡΡ Π²ΡΠΊΠ»ΡΡΠΈΡΡ Π·Π°ΠΆΠΈΠ³Π°Π½ΠΈΠ΅, ΡΠ½ΠΎΠ²Π° Ρ Π½Π°ΠΆΠ°ΡΠΎΠΉ ΠΏΠ΅Π΄Π°Π»ΡΡ ΡΡΠ΅ΠΏΠ»Π΅Π½ΠΈΡ, Π²ΡΠΊΠ»ΡΡΠΈΡΡΡ Π»ΠΈ ΠΌΠ°ΡΠΈΠ½Π°, ΠΈΠ»ΠΈ ΠΌΠ½Π΅ ΠΏΡΠΈΠ΄Π΅ΡΡΡ Π·Π°ΠΏΡΡΡΠΈΡΡ Π΄Π²ΠΈΠ³Π°ΡΠ΅Π»Ρ Ρ Π²ΡΠ΅ Π΅ΡΠ΅ Π½Π°ΠΆΠ°ΡΡΠΌ ΡΡΠ΅ΠΏΠ»Π΅Π½ΠΈΠ΅ΠΌ, ΡΡΠΎΠ±Ρ ΡΠ½ΠΎΠ²Π° Π²ΡΠΊΠ»ΡΡΠΈΡΡ Π΅Π³ΠΎ.
ΠΡΠΎ ΠΌΠΎΠΆΠ΅Ρ Π΄Π°ΡΡ Π½Π°ΠΌ Π½Π΅ΠΊΠΎΡΠΎΡΠΎΠ΅ ΠΏΡΠ΅Π΄ΡΡΠ°Π²Π»Π΅Π½ΠΈΠ΅ ΠΎ ΡΠΎΠΌ, ΠΊΠ°ΠΊ ΡΡΠΎΡ ΠΏΠ΅ΡΠ΅ΠΊΠ»ΡΡΠ°ΡΠ΅Π»Ρ ΠΏΠΎΠ»ΠΎΠΆΠ΅Π½ΠΈΡ ΡΡΠ΅ΠΏΠ»Π΅Π½ΠΈΡ ΠΈΡΠΏΠΎΠ»ΡΠ·ΡΠ΅ΡΡΡ Π² ΡΡ Π΅ΠΌΠ°Ρ KESSY
Π£Π²ΠΈΠ΄Π΅ΡΡ ΠΌΠ΅Π½ΡΡΠ΅ Π£Π·Π½Π°ΡΡ Π±ΠΎΠ»ΡΡΠ΅
ΠΡΠ²Π΅ΡΠΈΡΡ
Π‘ΠΎΡ ΡΠ°Π½ΠΈΡΡ
ΠΡΠ°Π²ΠΈΡΡΡ
r53matt ΡΠΊΠ°Π·Π°Π»:
ΠΠΎΡΠΊΠΎΠ»ΡΠΊΡ ΠΌΠΎΠΉ Π² Π½Π°ΡΡΠΎΡΡΠ΅Π΅ Π²ΡΠ΅ΠΌΡ Π½Π°Ρ ΠΎΠ΄ΠΈΡΡΡ Π² ΡΡΠ°Π΄ΠΈΠΈ ΠΎΠΆΠΈΠ΄Π°Π½ΠΈΡ, Ρ Π½Π΅ ΡΠΌΠΎΠ³Ρ ΠΎΡΠΊΡΡΡΡ Π΅Π³ΠΎ Π² Π±Π»ΠΈΠΆΠ°ΠΉΡΠ΅Π΅ Π²ΡΠ΅ΠΌΡ. ΠΠ΅ ΠΌΠΎΠ³Π»ΠΈ Π±Ρ Π²Ρ ΡΠ°Π·ΠΎΠ±ΡΠ°ΡΡ ΠΎΠ΄ΠΈΠ½ ΠΈΠ· Π²Π°ΡΠΈΡ ΠΈ ΠΎΡΠΏΡΠ°Π²ΠΈΡΡ ΡΠΎΡΠΎΠ³ΡΠ°ΡΠΈΠΈ/ΠΎΡΡΠ΅Ρ ΠΎ ΡΠΎΠΌ, ΡΡΠΎ ΠΏΡΠΎΠΈΡΡ ΠΎΠ΄ΠΈΡ Π²Π½ΡΡΡΠΈ? ΠΠΎΠ»
ΠΠ°ΠΆΠΌΠΈΡΠ΅, ΡΡΠΎΠ±Ρ ΡΠ°Π·Π²Π΅ΡΠ½ΡΡΡ…
ΠΠ½Π΅ ΠΏΡΠΎΡΡΠΎ Π½ΡΠΆΠ½ΠΎ Π½Π°ΠΉΡΠΈ, Π² ΠΊΠ°ΠΊΠΎΠΉ ΠΊΠΎΡΠΎΠ±ΠΊΠ΅ ΠΌΠΎΡ, ΠΈ Ρ Π±ΡΠ» Π±Ρ ΡΠ°Π΄. Π Π»ΡΠ±ΠΎΠΌ ΡΠ»ΡΡΠ°Π΅, Ρ ΠΏΠ»Π°Π½ΠΈΡΠΎΠ²Π°Π» Π½Π°Π²Π΅ΡΡΠΈ ΠΏΠΎΡΡΠ΄ΠΎΠΊ Π² Π³Π°ΡΠ°ΠΆΠ΅ Π½Π° ΡΡΠΈΡ Π²ΡΡ ΠΎΠ΄Π½ΡΡ .
Π£Π²ΠΈΠ΄Π΅ΡΡ ΠΌΠ΅Π½ΡΡΠ΅ Π£Π·Π½Π°ΡΡ Π±ΠΎΠ»ΡΡΠ΅
ΠΡΠ²Π΅ΡΠΈΡΡ
Π‘ΠΎΡ ΡΠ°Π½ΠΈΡΡ
ΠΡΠ°Π²ΠΈΡΡΡ
Π Π΅Π°ΠΊΡΠΈΠΈ: 1
Thumper3 ΡΠΊΠ°Π·Π°Π»:
ΠΠ½Π΅ ΠΏΡΠΎΡΡΠΎ Π½ΡΠΆΠ½ΠΎ Π½Π°ΠΉΡΠΈ, Π² ΠΊΠ°ΠΊΠΎΠΉ ΠΊΠΎΡΠΎΠ±ΠΊΠ΅ ΠΌΠΎΡ, ΠΈ Ρ Π±ΡΠ» Π±Ρ ΡΠ°Π΄.
Π Π»ΡΠ±ΠΎΠΌ ΡΠ»ΡΡΠ°Π΅, Ρ ΠΏΠ»Π°Π½ΠΈΡΠΎΠ²Π°Π» Π½Π°Π²Π΅ΡΡΠΈ ΠΏΠΎΡΡΠ΄ΠΎΠΊ Π² Π³Π°ΡΠ°ΠΆΠ΅ Π½Π° ΡΡΠΈΡ Π²ΡΡ ΠΎΠ΄Π½ΡΡ .
ΠΠ°ΠΆΠΌΠΈΡΠ΅, ΡΡΠΎΠ±Ρ ΡΠ°Π·Π²Π΅ΡΠ½ΡΡΡ…
ΠΠ΅Π»ΠΈΠΊΠΎΠ»Π΅ΠΏΠ½ΠΎ! ΠΡΠ΅Π½Ρ ΡΠ΅Π½Ρ!
ΠΡΠ²Π΅ΡΠΈΡΡ
Π‘ΠΎΡ ΡΠ°Π½ΠΈΡΡ
ΠΠ°ΠΏΡΠΈΠΌΠ΅Ρ,
Π² ΠΎΡΠ½ΠΎΡΠ΅Π½ΠΈΠΈ ΠΏΡΠΎΠ± ΠΌΠ°ΡΠ»Π°… LOL… Π― Π±ΡΠ°Π» ΠΏΡΠΎΠ±Ρ ΠΌΠ°ΡΠ»Π° ΠΊΠ°ΠΆΠ΄ΡΠ΅ 5 000 ΠΌΠΈΠ»Ρ Π΄ΠΎ 50 000 ΠΌΠΈΠ»Ρ Ρ Ρ
ΠΎΡΠΎΡΠΈΠΌΠΈ ΡΠ΅Π·ΡΠ»ΡΡΠ°ΡΠ°ΠΌΠΈ Π½Π° Π²ΡΠ΅Ρ
. Π Π²ΡΠ΅ ΠΆΠ΅ Π½Π° 75 000 ΠΌΠΈΠ»Ρ Π²ΡΡΠ΅Π» ΠΈΠ· ΡΡΡΠΎΡ ΠΎΠΏΠΎΡΠ½ΡΠΉ ΠΏΠΎΠ΄ΡΠΈΠΏΠ½ΠΈΠΊ… ΠΎΡΠ΅Π½Ρ Π΄ΠΎΡΠΎΠ³ΠΎ.
ΠΏΠΎΡΠ»Π΅ ΠΌΠΎΠ΅Π³ΠΎ Π½ΠΎΠ²ΠΎΠ³ΠΎ Π΄Π²ΠΈΠ³Π°ΡΠ΅Π»Ρ Ρ ΠΊΡΠΏΠΈΠ» ΠΎΠ΄ΠΈΠ½ ΠΈΠ· Π½ΠΈΡ
Ρ ΠΊΠΎΠ³ΠΎ-ΡΠΎ Π·Π΄Π΅ΡΡ ΠΈ ΡΡΡΠ°Π½ΠΎΠ²ΠΈΠ» Π΅Π³ΠΎ ΡΠΆΠ΅ ΠΏΠΎΡΡΠΈ Π΄Π²Π° Π³ΠΎΠ΄Π°. ΠΡΠΎ ΡΠ°Π±ΠΎΡΠ°Π΅Ρ? ΠΠ°, Π½Π΅ ΠΏΠΎΠ²ΡΠ΅Π΄ΠΈΠ»ΠΎ Π»ΠΈ ΡΡΠΎ ΠΌΠΎΠ΅ΠΌΡ ΠΠΠ£? ΠΠ΅Ρ.
Π£Π²ΠΈΠ΄Π΅ΡΡ ΠΌΠ΅Π½ΡΡΠ΅ Π£Π·Π½Π°ΡΡ Π±ΠΎΠ»ΡΡΠ΅
ΠΡΠ²Π΅ΡΠΈΡΡ
Π‘ΠΎΡ ΡΠ°Π½ΠΈΡΡ
ΠΡΠ°Π²ΠΈΡΡΡ
Π Π΅Π°ΠΊΡΠΈΠΈ: 2
ΠΏΠ΅ΠΏΠ»ΡΡΠΊ ΡΠΊΠ°Π·Π°Π»:
Π² ΠΎΡΠ½ΠΎΡΠ΅Π½ΠΈΠΈ ΠΏΡΠΎΠ± ΠΌΠ°ΡΠ»Π°… LOL… Π― Π±ΡΠ°Π» ΠΏΡΠΎΠ±Ρ ΠΌΠ°ΡΠ»Π° ΠΊΠ°ΠΆΠ΄ΡΠ΅ 5 000 ΠΌΠΈΠ»Ρ Π΄ΠΎ 50 000 ΠΌΠΈΠ»Ρ Ρ Ρ ΠΎΡΠΎΡΠ΅ΠΉ ΠΎΡΠ΄Π°ΡΠ΅ΠΉ Π²ΠΎ Π²ΡΠ΅Ρ ΡΠ»ΡΡΠ°ΡΡ .
Π Π²ΡΠ΅ ΠΆΠ΅ Π½Π° 75 000 ΠΌΠΈΠ»Ρ Π²ΡΡΠ΅Π» ΠΈΠ· ΡΡΡΠΎΡ ΠΎΠΏΠΎΡΠ½ΡΠΉ ΠΏΠΎΠ΄ΡΠΈΠΏΠ½ΠΈΠΊ… ΠΎΡΠ΅Π½Ρ Π΄ΠΎΡΠΎΠ³ΠΎ.
ΠΏΠΎΡΠ»Π΅ ΠΌΠΎΠ΅Π³ΠΎ Π½ΠΎΠ²ΠΎΠ³ΠΎ Π΄Π²ΠΈΠ³Π°ΡΠ΅Π»Ρ Ρ ΠΊΡΠΏΠΈΠ» ΠΎΠ΄ΠΈΠ½ ΠΈΠ· Π½ΠΈΡ Ρ ΠΊΠΎΠ³ΠΎ-ΡΠΎ Π·Π΄Π΅ΡΡ ΠΈ ΡΡΡΠ°Π½ΠΎΠ²ΠΈΠ» Π΅Π³ΠΎ ΡΠΆΠ΅ ΠΏΠΎΡΡΠΈ Π΄Π²Π° Π³ΠΎΠ΄Π°. ΠΡΠΎ ΡΠ°Π±ΠΎΡΠ°Π΅Ρ? ΠΠ°, Π½Π΅ ΠΏΠΎΠ²ΡΠ΅Π΄ΠΈΠ»ΠΎ Π»ΠΈ ΡΡΠΎ ΠΌΠΎΠ΅ΠΌΡ ΠΠΠ£? ΠΠ΅Ρ.ΠΠ°ΠΆΠΌΠΈΡΠ΅, ΡΡΠΎΠ±Ρ ΡΠ°Π·Π²Π΅ΡΠ½ΡΡΡ…
Π£Π§. ΠΠΎ ΠΎΡΠ΅Π½Ρ ΡΠ΅Π½Ρ Π²Π°Ρ ΠΎΡΠ·ΡΠ². Π’Ρ Π±ΡΠ» Π½Π° ΡΡΠΎΠΊΠΎΠ²ΠΎΠΌ ΡΡΠ΅ΠΏΠ»Π΅Π½ΠΈΠΈ? ΠΈΠ»ΠΈ Π±ΠΎΠ»Π΅Π΅ ΡΠΈΠ»ΡΠ½ΡΠΉ ΠΏΠΎΡΠ»Π΅ΠΏΡΠΎΠ΄Π°ΠΆΠ½ΡΠΉ?
r53matt ΡΠΊΠ°Π·Π°Π»:
Π― ΠΏΠΎΠΌΠ½Ρ, ΠΊΠ°ΠΊ ΡΠΈΡΠ°Π» ΠΎΠ± ΡΡΠΎΠΌ ΠΏΠΎΠ²Π΅Π΄Π΅Π½ΠΈΠΈ ΠΈ Π² Π΄ΡΡΠ³ΠΈΡ ΡΠ΅ΠΌΠ°Ρ . ΠΡΠΎ Π΄Π΅Π»Π°Π΅Ρ ΠΌΠ΅Π½Ρ Π»ΡΠ±ΠΎΠΏΡΡΠ½ΡΠΌ — Π΅ΡΠ»ΠΈ Π±Ρ Ρ, Π² ΡΡΠ°ΡΠ½ΠΎΠΌ Π²ΡΠΊΠ»ΡΡΠ°ΡΠ΅Π»Π΅ ΡΡΠ΅ΠΏΠ»Π΅Π½ΠΈΡ kessy R, ΡΠΎ Π΅ΡΡΡ Π±Π΅Π· ΡΡΡΠ°Π½ΠΎΠ²Π»Π΅Π½Π½ΠΎΠ³ΠΎ ΠΆΠ³ΡΡΠ° ΠΏΡΠΎΠ²ΠΎΠ΄ΠΎΠ², Π½Π°ΠΆΠ°Π» ΠΏΠ΅Π΄Π°Π»Ρ ΡΡΠ΅ΠΏΠ»Π΅Π½ΠΈΡ, Π²ΠΊΠ»ΡΡΠΈΠ» Π·Π°ΠΆΠΈΠ³Π°Π½ΠΈΠ΅, ΠΏΡΠΎΠ΄ΠΎΠ»ΠΆΠ°Π» ΡΠ΄Π΅ΡΠΆΠΈΠ²Π°ΡΡ ΠΏΠ΅Π΄Π°Π»Ρ ΡΡΠ΅ΠΏΠ»Π΅Π½ΠΈΡ, ΡΠ΅ΠΌ ΡΠ°ΠΌΡΠΌ Π·Π°ΡΡΠ°Π²Π»ΡΡ ECU Π΄ΡΠΌΠ°ΡΡ, ΡΡΠΎ ΡΡΠ΅ΠΏΠ»Π΅Π½ΠΈΠ΅ Π²ΡΠ΅Π³Π΄Π° Π±ΡΠ»ΠΎ Π²ΠΊΠ»ΡΡΠ΅Π½ΠΎ Ρ ΠΌΠΎΠΌΠ΅Π½ΡΠ° Π·Π°ΠΆΠΈΠ³Π°Π½ΠΈΠ΅ Π±ΡΠ»ΠΎ Π²ΠΊΠ»ΡΡΠ΅Π½ΠΎ, Π° Π·Π°ΡΠ΅ΠΌ ΠΏΠΎΠΏΡΡΠ°Π»ΡΡ Π²ΡΠΊΠ»ΡΡΠΈΡΡ Π·Π°ΠΆΠΈΠ³Π°Π½ΠΈΠ΅, ΡΠ½ΠΎΠ²Π° Ρ Π½Π°ΠΆΠ°ΡΠΎΠΉ ΠΏΠ΅Π΄Π°Π»ΡΡ ΡΡΠ΅ΠΏΠ»Π΅Π½ΠΈΡ, Π²ΡΠΊΠ»ΡΡΠΈΡΡΡ Π»ΠΈ ΠΌΠ°ΡΠΈΠ½Π°, ΠΈΠ»ΠΈ ΠΌΠ½Π΅ ΠΏΡΠΈΠ΄Π΅ΡΡΡ Π·Π°ΠΏΡΡΡΠΈΡΡ Π΄Π²ΠΈΠ³Π°ΡΠ΅Π»Ρ Ρ Π²ΡΠ΅ Π΅ΡΠ΅ Π½Π°ΠΆΠ°ΡΡΠΌ ΡΡΠ΅ΠΏΠ»Π΅Π½ΠΈΠ΅ΠΌ, ΡΡΠΎΠ±Ρ ΡΠ½ΠΎΠ²Π° Π²ΡΠΊΠ»ΡΡΠΈΡΡ Π΅Π³ΠΎ.
ΠΡΠΎ ΠΌΠΎΠΆΠ΅Ρ Π΄Π°ΡΡ Π½Π°ΠΌ Π½Π΅ΠΊΠΎΡΠΎΡΠΎΠ΅ ΠΏΡΠ΅Π΄ΡΡΠ°Π²Π»Π΅Π½ΠΈΠ΅ ΠΎ ΡΠΎΠΌ, ΠΊΠ°ΠΊ ΡΡΠΎΡ ΠΏΠ΅ΡΠ΅ΠΊΠ»ΡΡΠ°ΡΠ΅Π»Ρ ΠΏΠΎΠ»ΠΎΠΆΠ΅Π½ΠΈΡ ΡΡΠ΅ΠΏΠ»Π΅Π½ΠΈΡ ΠΈΡΠΏΠΎΠ»ΡΠ·ΡΠ΅ΡΡΡ Π² ΡΡ Π΅ΠΌΠ°Ρ KESSY
ΠΠ°ΠΆΠΌΠΈΡΠ΅, ΡΡΠΎΠ±Ρ ΡΠ°Π·Π²Π΅ΡΠ½ΡΡΡ…
ΠΡΠ°ΠΊ, Ρ ΠΏΡΠΎΠ²Π΅ΡΠΈΠ» ΡΡΠΎ, ΠΏΠΎΠ»ΡΡΠΈΠ» Π½Π°Π±Π»ΡΠ΄Π°Π΅ΠΌΡΠΉ ΠΎΡΠ²Π΅Ρ, ΠΊΠΎΡΠΎΡΡΠΉ Π²Ρ ΠΏΠΎΠ»ΡΡΠ°Π΅ΡΠ΅ Ρ ΡΡΡΠ°Π½ΠΎΠ²Π»Π΅Π½Π½ΡΠΌ Π±Π°ΠΉΠΏΠ°ΡΠΎΠΌ — ΠΡΠ°ΠΊ, Π±Π΅Π· ΡΡΡΠ°Π½ΠΎΠ²Π»Π΅Π½Π½ΠΎΠ³ΠΎ Π±Π°ΠΉΠΏΠ°ΡΠ°, ΡΡΠ΅ΠΏΠ»Π΅Π½ΠΈΠ΅ Π²ΠΊΠ»ΡΡΠ΅Π½ΠΎ, Π·Π°ΠΆΠΈΠ³Π°Π½ΠΈΠ΅ Π²ΠΊΠ»ΡΡΠ΅Π½ΠΎ, ΡΡΠ΅ΠΏΠ»Π΅Π½ΠΈΠ΅ ΠΎΡΡΠ°Π΅ΡΡΡ Π²ΠΊΠ»ΡΡΠ΅Π½Π½ΡΠΌ, ΡΠ½ΠΎΠ²Π° Π½Π°ΠΆΠΌΠΈΡΠ΅ ΠΊΠ½ΠΎΠΏΠΊΡ Π·Π°ΠΆΠΈΠ³Π°Π½ΠΈΡ, ΠΏΡΡΠ°ΡΡΡ Π²ΡΠΊΠ»ΡΡΠΈΡΡ, ΠΈ Π²ΠΌΠ΅ΡΡΠΎ ΡΡΠΎΠ³ΠΎ Π½Π΅ΠΌΠ΅Π΄Π»Π΅Π½Π½ΠΎ Ρ ΠΎΡΠ΅Ρ ΠΊΡΡΡΠΈΡΡ. Π― Π»ΠΈΠ±ΠΎ Π΄ΠΎΠ»ΠΆΠ΅Π½ ΠΏΡΠΎΠ²Π΅ΡΠ½ΡΡΡ Π΅Π³ΠΎ, Π° Π·Π°ΡΠ΅ΠΌ Π²ΡΠΊΠ»ΡΡΠΈΡΡ, Π»ΠΈΠ±ΠΎ, ΠΏΠΎΡΠΊΠΎΠ»ΡΠΊΡ Ρ ΠΌΠ΅Π½Ρ Π½Π΅Ρ Π±Π°ΠΉΠΏΠ°ΡΠ°, Ρ, ΠΎΡΠ΅Π²ΠΈΠ΄Π½ΠΎ, ΠΌΠΎΠ³Ρ ΠΏΡΠΎΡΡΠΎ Π²ΡΠΆΠ°ΡΡ ΡΡΠ΅ΠΏΠ»Π΅Π½ΠΈΠ΅ ΠΈ Π²ΡΠΊΠ»ΡΡΠΈΡΡ, ΡΠ½ΠΎΠ²Π° Π½Π°ΠΆΠ°Π² Π·Π°ΠΆΠΈΠ³Π°Π½ΠΈΠ΅.
Π’Π°ΠΊΠΈΠΌ ΠΎΠ±ΡΠ°Π·ΠΎΠΌ, Π΄ΡΡΠ³ΠΈΠΌΠΈ ΡΠ»ΠΎΠ²Π°ΠΌΠΈ, Π΅ΡΠ»ΠΈ ECU ΠΎΠΏΡΠ΅Π΄Π΅Π»ΡΠ΅Ρ, ΡΡΠΎ ΠΏΠ΅Π΄Π°Π»Ρ ΡΡΠ΅ΠΏΠ»Π΅Π½ΠΈΡ Π½Π°ΠΆΠ°ΡΠ° (Π½Π΅Π·Π°Π²ΠΈΡΠΈΠΌΠΎ ΠΎΡ ΡΠΎΠ³ΠΎ, Π½Π°ΠΆΠ°ΡΠ° Π»ΠΈ ΠΎΠ½Π° Π½Π° ΡΠ°ΠΌΠΎΠΌ Π΄Π΅Π»Π΅ ΠΈΠ»ΠΈ ECU ΠΎΠ±ΠΌΠ°Π½ΡΠ²Π°ΡΡ, Π·Π°ΡΡΠ°Π²Π»ΡΡ Π΄ΡΠΌΠ°ΡΡ, ΡΡΠΎ ΠΎΠ½Π° Π½Π°ΠΆΠ°ΡΠ° Ρ ΡΡΡΠ°Π½ΠΎΠ²Π»Π΅Π½Π½ΡΠΌ Π±Π°ΠΉΠΏΠ°ΡΠΎΠΌ) ΠΏΡΠΈ Π²ΠΊΠ»ΡΡΠ΅Π½Π½ΠΎΠΌ Π·Π°ΠΆΠΈΠ³Π°Π½ΠΈΠΈ, ΡΠ»Π΅Π΄ΡΡΡΠ΅Π΅ Π½Π°ΠΆΠ°ΡΠΈΠ΅ ΠΊΠ½ΠΎΠΏΠΊΠΈ KESSY ΠΏΡΠΈΠ²Π΅Π΄Π΅Ρ ΠΊ Π² ΠΏΠΎΠΏΡΡΠΊΠ΅ ΠΏΡΠΎΠ²Π΅ΡΠ½ΡΡΡ, ΠΊΠ°ΠΊ ΡΡΠΎ Π±ΡΠ»ΠΎ Π·Π°Π΄ΡΠΌΠ°Π½ΠΎ.
Π ΡΠ΅Π»ΠΎΠΌ — ΡΠ°ΠΊΠΎΠ΅ ΠΏΠΎΠ²Π΅Π΄Π΅Π½ΠΈΠ΅, ΠΊΠΎΠ³Π΄Π° ΠΏΡΠΈΡ ΠΎΠ΄ΠΈΡΡΡ Π·Π°Π²ΠΎΠ΄ΠΈΡΡ ΠΌΠ°ΡΠΈΠ½Ρ, ΡΡΠΎΠ±Ρ Π·Π°Π³Π»ΡΡΠΈΡΡ Π΅Π΅ Ρ ΡΡΡΠ°Π½ΠΎΠ²Π»Π΅Π½Π½ΡΠΌ Π±Π°ΠΉΠΏΠ°ΡΠΎΠΌ, ΠΏΡΠΈ ΡΡΠΎΠΌ Π·Π²ΡΡΠΈΡ ΠΊΠ°ΠΊ ΠΠΠ’Π, Π΄ΡΠΌΠ°Ρ, Π² ΠΊΠΎΠ½ΡΠ΅ ΠΊΠΎΠ½ΡΠΎΠ² ΠΎΠ½ΠΎ ΡΠΎΠ³ΠΎ ΡΡΠΎΠΈΡ, ΡΡΠΈΡΡΠ²Π°Ρ, ΡΡΠΎ ΠΌΠ°ΡΠΈΠ½Ρ ΠΌΠΎΠΆΠ½ΠΎ Π·Π°Π²Π΅ΡΡΠΈ Π±Π΅Π· Π·Π°Π³ΡΡΠ·ΠΊΠΈ ΡΠΏΠΎΡΠ½ΡΠΉ ΠΏΠΎΠ΄ΡΠΈΠΏΠ½ΠΈΠΊ. Π£Π²Π΅ΡΠ΅Π½, ΠΏΠ΅ΠΏΠ»ΡΡΠΊ ΡΠΎΠ³Π»Π°ΡΠΈΠ»ΡΡ Π±Ρ.
Π£Π²ΠΈΠ΄Π΅ΡΡ ΠΌΠ΅Π½ΡΡΠ΅ Π£Π·Π½Π°ΡΡ Π±ΠΎΠ»ΡΡΠ΅
ΠΡΠ²Π΅ΡΠΈΡΡ
Π‘ΠΎΡ ΡΠ°Π½ΠΈΡΡ
ΠΠ°ΠΊ ΠΈ
Π£ MK4 Π±ΡΠ»ΠΎ 2 ΠΌΠ΅Ρ Π°Π½ΠΈΡΠ΅ΡΠΊΠΈΡ ΠΏΠ΅ΡΠ΅ΠΊΠ»ΡΡΠ°ΡΠ΅Π»Ρ, ΡΡΠΎ Π±ΡΠ»ΠΈ ΠΏΡΠΎΡΡΡΠ΅ ΠΊΠΎΠ½ΡΠ°ΠΊΡΠ½ΡΠ΅ ΠΏΠ΅ΡΠ΅ΠΊΠ»ΡΡΠ°ΡΠ΅Π»ΠΈ Π½Π° ΡΠ΅ΠΏΠΈ 5Π ecu. ΠΠ΄ΠΈΠ½ Π² Π²Π΅ΡΡ Π½Π΅ΠΉ ΡΠ°ΡΡΠΈ Ρ ΠΎΠ΄Π° ΠΏΠ΅Π΄Π°Π»ΠΈ Π΄Π»Ρ ΠΊΡΡΠΈΠ·-ΠΊΠΎΠ½ΡΡΠΎΠ»Ρ (ΠΈ ΠΈΡΠΏΠΎΠ»ΡΠ·ΡΠ΅ΡΡΡ ΠΏΡΠΈ ΠΏΠ΅ΡΠ΅ΠΊΠ»ΡΡΠ΅Π½ΠΈΠΈ ΠΏΠ΅ΡΠ΅Π΄Π°Ρ), Π° Π΄ΡΡΠ³ΠΎΠΉ Π²Π½ΠΈΠ·Ρ Π΄Π»Ρ Π±Π»ΠΎΠΊΠΈΡΠΎΠ²ΠΊΠΈ ΡΡΠ°ΡΡΠ΅ΡΠ°. ΠΠΎΠ²ΡΠΉ ΡΠΏΠΎΡΠΎΠ± — Π²ΡΠ΅Π³ΠΎ 1 Β«ΡΡΡΡΠΎΠΉΡΡΠ²ΠΎΒ», ΠΎΠΏΡΠ΅Π΄Π΅Π»ΡΡΡΠ΅Π΅ ΠΎΠ±Π° ΠΏΠΎΠ»ΠΎΠΆΠ΅Π½ΠΈΡ. ΠΠ²Π° ΠΊΠΎΠ½ΡΡΡΠ°. ΠΠ»ΠΎΠΊΠΈΡΠΎΠ²ΠΊΠ° ΡΡΠ°ΡΡΠ΅ΡΠ° β Π΅Π΄ΠΈΠ½ΡΡΠ²Π΅Π½Π½ΠΎΠ΅ ΠΏΡΠΈΠΌΠ΅Π½Π΅Π½ΠΈΠ΅ ΡΠ΅ΠΏΠΈ Π½ΠΈΠΆΠ½Π΅Π³ΠΎ ΠΏΠΎΠ»ΠΎΠΆΠ΅Π½ΠΈΡ. Π― Π½Π°Π΄Π΅ΡΠ»ΡΡ, ΡΡΠΎ, ΠΌΠΎΠΆΠ΅Ρ Π±ΡΡΡ, ΠΎΠ½ΠΈ ΡΠ°ΡΡΠΈΡΠ½ΠΎ ΠΈΡΠΏΠΎΠ»ΡΠ·ΠΎΠ²Π°Π»ΠΈ Π΅Π³ΠΎ Π΄Π»Ρ ΠΈΠ½Π΄ΠΈΠΊΠ°ΡΠΎΡΠ° ΠΏΠ΅ΡΠ΅Π΄Π°ΡΠΈ, Π½ΠΎ, ΠΊ ΡΠΎΠΆΠ°Π»Π΅Π½ΠΈΡ, Π±Π°ΠΉΠΏΠ°Ρ ΠΎΡ Π½Π΅Π³ΠΎ Π½Π΅ ΠΈΠ·Π±Π°Π²ΠΈΠ»ΡΡ.
Π£Π²ΠΈΠ΄Π΅ΡΡ ΠΌΠ΅Π½ΡΡΠ΅ Π£Π·Π½Π°ΡΡ Π±ΠΎΠ»ΡΡΠ΅
ΠΡΠ²Π΅ΡΠΈΡΡ
Π‘ΠΎΡ ΡΠ°Π½ΠΈΡΡ
ΠΡΠ°Π²ΠΈΡΡΡ
Π Π΅Π°ΠΊΡΠΈΠΈ: 1
1β20 ΠΈΠ· 40 ΡΠΎΠΎΠ±ΡΠ΅Π½ΠΈΠΉ
- ΠΡΠΎ ΡΡΠ°ΡΠ°Ρ ΡΠ΅ΠΌΠ°, Π²Ρ ΠΌΠΎΠΆΠ΅ΡΠ΅ Π½Π΅ ΠΏΠΎΠ»ΡΡΠΈΡΡ ΠΎΡΠ²Π΅Ρ ΠΈ
Π²ΠΎΠ·ΡΠΎΠ΄ΠΈΡΡ ΡΡΠ°ΡΡΡ Π²Π΅ΡΠΊΡ.
ΠΠΎΠΆΠ°Π»ΡΠΉΡΡΠ°, ΡΠ°ΡΡΠΌΠΎΡΡΠΈΡΠ΅ Π²ΠΎΠ·ΠΌΠΎΠΆΠ½ΠΎΡΡΡ ΡΠΎΠ·Π΄Π°Π½ΠΈΡ Π½ΠΎΠ²ΠΎΠΉ ΡΠ΅ΠΌΡ.
ΠΠ΅ΡΡ
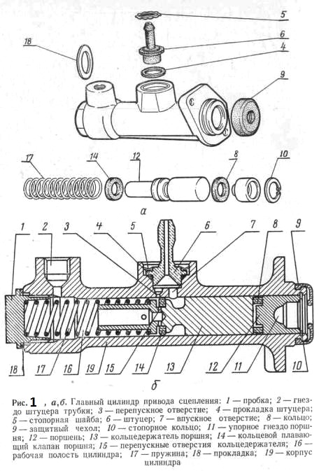
Π‘ΠΎΠ²Π΅ΡΡ ΠΏΡΠΎΠ΄Π°Π²ΡΠ°ΠΌ: ΠΌΡΡΡΡ ΡΡΠ΅ΠΏΠ»Π΅Π½ΠΈΡ ΠΈ Π³Π»Π°Π²Π½ΡΠΉ/ΠΏΠΎΠ΄ΡΠΈΠ½Π΅Π½Π½ΡΠΉ ΡΠΈΠ»ΠΈΠ½Π΄ΡΡ
Π₯ΠΎΡΡ ΠΌΠ½ΠΎΠ³ΠΈΠ΅ Π°Π²ΡΠΎΠΌΠ°ΡΠΈΡΠ΅ΡΠΊΠΈΠ΅ ΠΊΠΎΡΠΎΠ±ΠΊΠΈ ΠΏΠ΅ΡΠ΅Π΄Π°Ρ ΠΏΠΎΡΠ»Π΅Π΄Π½ΠΈΡ ΠΌΠΎΠ΄Π΅Π»Π΅ΠΉ ΡΠ΅ΠΏΠ΅ΡΡ ΠΈΠΌΠ΅ΡΡ ΡΠ΅ΠΆΠΈΠΌ ΡΡΡΠ½ΠΎΠ³ΠΎ ΠΏΠ΅ΡΠ΅ΠΊΠ»ΡΡΠ΅Π½ΠΈΡ ΠΏΠ΅ΡΠ΅Π΄Π°Ρ, ΠΌΠ΅Ρ Π°Π½ΠΈΡΠ΅ΡΠΊΠΈΠ΅ ΠΊΠΎΡΠΎΠ±ΠΊΠΈ ΠΏΠ΅ΡΠ΅Π΄Π°Ρ ΠΏΠΎ-ΠΏΡΠ΅ΠΆΠ½Π΅ΠΌΡ ΡΠ²Π»ΡΡΡΡΡ ΠΏΡΠ΅Π΄ΠΏΠΎΡΡΠΈΡΠ΅Π»ΡΠ½ΡΠΌΠΈ ΡΡΠ°Π½ΡΠΌΠΈΡΡΠΈΡΠΌΠΈ Π΄Π»Ρ ΠΌΠ½ΠΎΠ³ΠΈΡ Π°Π²ΡΠΎΠΌΠΎΠ±ΠΈΠ»ΡΠ½ΡΡ ΡΠ½ΡΡΠ·ΠΈΠ°ΡΡΠΎΠ². ΠΠ΅ΡΠΌΠΎΡΡΡ Π½Π° ΡΡΠΎ, ΡΠΈΡΡΠ΅ΠΌΠ° Π½Π΅ Π±Π΅Π·ΠΎΡΠΊΠ°Π·Π½Π°.
ΠΠΎΠ½Π΅ΡΠ½ΠΎ, ΡΠΎΡΠ½Π°Ρ Π΄ΠΈΠ°Π³Π½ΠΎΡΡΠΈΠΊΠ° ΡΠ²Π»ΡΠ΅ΡΡΡ ΠΊΠ»ΡΡΠΎΠΌ ΠΊ Π·Π°ΠΌΠ΅Π½Π΅ ΠΏΡΠ°Π²ΠΈΠ»ΡΠ½ΠΎΠΉ Π΄Π΅ΡΠ°Π»ΠΈ. ΠΡΠΈ ΠΎΠ±Π½Π°ΡΡΠΆΠ΅Π½ΠΈΠΈ ΡΡΠ΅ΡΠ΅ΠΊ ΠΊΠΎΠΌΠΏΠΎΠ½Π΅Π½Ρ ΠΏΠΎΠ΄Π»Π΅ΠΆΠΈΡ Π·Π°ΠΌΠ΅Π½Π΅. ΠΠΈΠ·ΠΊΠΈΠΉ ΡΡΠΎΠ²Π΅Π½Ρ ΠΆΠΈΠ΄ΠΊΠΎΡΡΠΈ Π² Π³Π»Π°Π²Π½ΠΎΠΌ ΡΠΈΠ»ΠΈΠ½Π΄ΡΠ΅ ΡΡΠ΅ΠΏΠ»Π΅Π½ΠΈΡ ΠΎΠ±ΡΡΠ½ΠΎ ΡΠ²Π»ΡΠ΅ΡΡΡ ΠΏΡΠΈΠ·Π½Π°ΠΊΠΎΠΌ ΡΠΎΠ³ΠΎ, ΡΡΠΎ ΡΡΠΎ-ΡΠΎ ΠΏΡΠΎΡΠ΅ΠΊΠ°Π΅Ρ. ΠΠ»Π°Π²Π½ΡΠΉ ΡΠΈΠ»ΠΈΠ½Π΄Ρ, ΡΡΡΠ±ΠΎΠΏΡΠΎΠ²ΠΎΠ΄ ΠΈ ΡΠ°Π±ΠΎΡΠΈΠΉ ΡΠΈΠ»ΠΈΠ½Π΄Ρ ΡΠ»Π΅Π΄ΡΠ΅Ρ Π²ΠΈΠ·ΡΠ°Π»ΡΠ½ΠΎ ΠΎΡΠΌΠΎΡΡΠ΅ΡΡ Π½Π° Π½Π°Π»ΠΈΡΠΈΠ΅ ΡΡΠ΅ΡΠ΅ΠΊ. ΠΡΠ»ΠΈ Π°Π²ΡΠΎΠΌΠΎΠ±ΠΈΠ»Ρ ΠΈΠΌΠ΅Π΅Ρ Π²Π½ΡΡΡΠ΅Π½Π½ΠΈΠΉ Π³ΠΈΠ΄ΡΠ°Π²Π»ΠΈΡΠ΅ΡΠΊΠΈΠΉ Π²ΡΠΆΠΈΠΌΠ½ΠΎΠΉ ΠΏΠΎΠ΄ΡΠΈΠΏΠ½ΠΈΠΊ, Π΅Π³ΠΎ ΠΎΡΠΌΠΎΡΡ Π±Π΅Π· ΡΠ½ΡΡΠΈΡ ΠΊΠΎΡΠΎΠ±ΠΊΠΈ ΠΏΠ΅ΡΠ΅Π΄Π°Ρ ΠΌΠΎΠΆΠ΅Ρ Π±ΡΡΡ Π½Π΅Π²ΠΎΠ·ΠΌΠΎΠΆΠ΅Π½. Π‘Π»Π΅Π΄ΡΡΡΠ΅Π΅, ΡΡΠΎ Π»ΡΡΡΠ΅ Π²ΡΠ΅Π³ΠΎ, ΡΡΠΎ ΠΈΡΠΊΠ°ΡΡ ΡΡΠ΅ΡΠΊΠΈ ΠΆΠΈΠ΄ΠΊΠΎΡΡΠΈ Π²Π΄ΠΎΠ»Ρ Π½ΠΈΠΆΠ½Π΅ΠΉ ΡΠ°ΡΡΠΈ ΠΊΠΎΠ»ΠΎΠΊΠΎΠ»Π°.
ΠΡΠ»ΠΈ ΡΡΠ΅ΡΠ΅ΠΊ Π½Π΅ ΠΎΠ±Π½Π°ΡΡΠΆΠ΅Π½ΠΎ ΠΈ Π±Π°ΡΠΎΠΊ Π³Π»Π°Π²Π½ΠΎΠ³ΠΎ ΡΠΈΠ»ΠΈΠ½Π΄ΡΠ° ΠΏΠΎΠ»ΠΎΠ½, ΠΎΡΠΊΠ°Π· ΡΡΠ΅ΠΏΠ»Π΅Π½ΠΈΡ ΠΌΠΎΠΆΠ΅Ρ Π±ΡΡΡ Π²ΡΠ·Π²Π°Π½ ΠΏΠ΅ΡΠ΅ΠΏΡΡΠΊΠ½ΡΠΌ ΡΠΏΠ»ΠΎΡΠ½Π΅Π½ΠΈΠ΅ΠΌ ΠΏΠΎΡΡΠ½Ρ Π² Π³Π»Π°Π²Π½ΠΎΠΌ ΠΈΠ»ΠΈ ΠΏΠΎΠ΄ΡΠΈΠ½Π΅Π½Π½ΠΎΠΌ ΡΠΈΠ»ΠΈΠ½Π΄ΡΠ΅ ΠΈΠ»ΠΈ, Π² Π½Π΅ΠΊΠΎΡΠΎΡΡΡ ΡΠ»ΡΡΠ°ΡΡ , ΠΌΠ΅Ρ Π°Π½ΠΈΡΠ΅ΡΠΊΠΎΠΉ Π½Π΅ΠΈΡΠΏΡΠ°Π²Π½ΠΎΡΡΡΡ ΡΠ°ΠΌΠΎ ΡΡΠ΅ΠΏΠ»Π΅Π½ΠΈΠ΅.
ΠΡΠ»ΠΈ Π½Π° Π°Π²ΡΠΎΠΌΠΎΠ±ΠΈΠ»Π΅ ΡΡΡΠ°Π½ΠΎΠ²Π»Π΅Π½ ΡΠ°Π±ΠΎΡΠΈΠΉ ΡΠΈΠ»ΠΈΠ½Π΄Ρ Π½Π° ΠΊΠΎΠ»ΠΎΠΊΠΎΠ»Π΅ ΠΈ Π²ΠΈΠ»ΠΊΠ° Π²ΡΠΊΠ»ΡΡΠ΅Π½ΠΈΡ Π΄Π²ΠΈΠ³Π°Π΅ΡΡΡ ΠΏΡΠΈ Π²ΡΠΆΠ°ΡΠΎΠΉ ΠΏΠ΅Π΄Π°Π»ΠΈ ΡΡΠ΅ΠΏΠ»Π΅Π½ΠΈΡ, ΠΏΡΠΎΠ±Π»Π΅ΠΌΠ° Π² ΡΠ°ΠΌΠΎΠΌ ΡΡΠ΅ΠΏΠ»Π΅Π½ΠΈΠΈ. ΠΠ»Ρ ΠΎΡΠΌΠΎΡΡΠ° ΡΡΠ΅ΠΏΠ»Π΅Π½ΠΈΡ ΠΏΡΠΈΠ΄Π΅ΡΡΡ ΡΠ½ΠΈΠΌΠ°ΡΡ ΠΊΠΎΡΠΎΠ±ΠΊΡ ΠΏΠ΅ΡΠ΅Π΄Π°Ρ. ΠΡΡΡΡΡΡΠ²ΠΈΠ΅ Π΄Π²ΠΈΠΆΠ΅Π½ΠΈΡ ΡΠ°Π±ΠΎΡΠ΅Π³ΠΎ ΡΠΈΠ»ΠΈΠ½Π΄ΡΠ° ΠΈΠ»ΠΈ Π²ΠΈΠ»ΠΊΠΈ Π²ΡΠΊΠ»ΡΡΠ΅Π½ΠΈΡ ΠΏΡΠΈ Π²ΡΠΆΠ°ΡΠΎΠΉ ΠΏΠ΅Π΄Π°Π»ΠΈ ΡΡΠ΅ΠΏΠ»Π΅Π½ΠΈΡ ΡΠΊΠ°Π·ΡΠ²Π°Π΅Ρ Π½Π° Π½Π΅ΡΠΏΠΎΡΠΎΠ±Π½ΠΎΡΡΡ ΡΠ΄Π΅ΡΠΆΠΈΠ²Π°ΡΡ Π΄Π°Π²Π»Π΅Π½ΠΈΠ΅ Π² Π³ΠΈΠ΄ΡΠ°Π²Π»ΠΈΡΠ΅ΡΠΊΠΎΠΉ ΡΠΈΡΡΠ΅ΠΌΠ΅.
ΠΠ°Π½ΠΎΠΌΠ΅ΡΡ ΡΠΎΡΠΌΠΎΠ·Π½ΠΎΠ³ΠΎ Π΄Π°Π²Π»Π΅Π½ΠΈΡ ΡΠ°ΠΊΠΆΠ΅ ΠΌΠΎΠΆΠ½ΠΎ ΠΈΡΠΏΠΎΠ»ΡΠ·ΠΎΠ²Π°ΡΡ Π΄Π»Ρ ΡΡΡΡΠ°Π½Π΅Π½ΠΈΡ Π½Π΅ΠΏΠΎΠ»Π°Π΄ΠΎΠΊ Π² ΡΠΈΡΡΠ΅ΠΌΠ΅. Π§ΡΠΎΠ±Ρ ΠΈΡΠΏΠΎΠ»ΡΠ·ΠΎΠ²Π°ΡΡ ΡΡΠΎΡ ΠΈΠ½ΡΡΡΡΠΌΠ΅Π½Ρ, Π»ΠΈΠ½ΠΈΡ ΠΎΡ Π³Π»Π°Π²Π½ΠΎΠ³ΠΎ ΡΠΈΠ»ΠΈΠ½Π΄ΡΠ° ΠΊ ΠΏΠΎΠ΄ΡΠΈΠ½Π΅Π½Π½ΠΎΠΌΡ ΡΠΈΠ»ΠΈΠ½Π΄ΡΡ ΠΈΠ»ΠΈ Π³ΠΈΠ΄ΡΠ°Π²Π»ΠΈΡΠ΅ΡΠΊΠΎΠΌΡ Π²ΡΠΆΠΈΠΌΠ½ΠΎΠΌΡ ΠΏΠΎΠ΄ΡΠΈΠΏΠ½ΠΈΠΊΡ Π΄ΠΎΠ»ΠΆΠ½Π° Π±ΡΡΡ ΠΏΠΎΠ΄ΠΊΠ»ΡΡΠ΅Π½Π° ΠΊ ΠΌΠ°Π½ΠΎΠΌΠ΅ΡΡΡ. ΠΡΠ»ΠΈ ΠΏΠΎΠΊΠ°Π·Π°Π½ΠΈΡ ΠΌΠ°Π½ΠΎΠΌΠ΅ΡΡΠ° Π² Π½ΠΎΡΠΌΠ΅ ΠΈ ΠΎΡΡΠ°ΡΡΡΡ ΠΏΠΎΡΡΠΎΡΠ½Π½ΡΠΌΠΈ ΠΏΡΠΈ Π½Π°ΠΆΠ°ΡΠΈΠΈ Π½Π° ΠΏΠ΅Π΄Π°Π»Ρ ΡΡΠ΅ΠΏΠ»Π΅Π½ΠΈΡ, ΠΏΡΠΎΠ±Π»Π΅ΠΌΠ° Π½Π΅ Π² Π³Π»Π°Π²Π½ΠΎΠΌ ΡΠΈΠ»ΠΈΠ½Π΄ΡΠ΅, Π° Π² ΡΠ°Π±ΠΎΡΠ΅ΠΌ ΡΠΈΠ»ΠΈΠ½Π΄ΡΠ΅ ΠΈΠ»ΠΈ Π²ΡΠΆΠΈΠΌΠ½ΠΎΠΌ ΠΏΠΎΠ΄ΡΠΈΠΏΠ½ΠΈΠΊΠ΅ Π³ΠΈΠ΄ΡΠΎΡΠΈΡΡΠ΅ΠΌΡ.
ΠΡΠ»ΠΈ ΠΌΠ°Π½ΠΎΠΌΠ΅ΡΡ ΠΏΠΎΠΊΠ°Π·ΡΠ²Π°Π΅Ρ Π΄Π°Π²Π»Π΅Π½ΠΈΠ΅ Π½ΠΈΠΆΠ΅ Π½ΠΎΡΠΌΠ°Π»ΡΠ½ΠΎΠ³ΠΎ ΠΈΠ»ΠΈ ΠΏΠΎΠΊΠ°Π·Π°Π½ΠΈΡ ΠΏΠ°Π΄Π°ΡΡ ΠΏΡΠΈ ΡΠΎΡ
ΡΠ°Π½Π΅Π½ΠΈΠΈ Π΄Π°Π²Π»Π΅Π½ΠΈΡ Π½Π° ΠΏΠ΅Π΄Π°Π»Ρ, ΡΠΏΠ»ΠΎΡΠ½Π΅Π½ΠΈΠ΅ ΠΏΠΎΡΡΠ½Ρ Π³Π»Π°Π²Π½ΠΎΠ³ΠΎ ΡΠΈΠ»ΠΈΠ½Π΄ΡΠ° ΠΏΡΠΎΡΠ΅ΠΊΠ°Π΅Ρ, ΠΈ Π³Π»Π°Π²Π½ΡΠΉ ΡΠΈΠ»ΠΈΠ½Π΄Ρ Π½Π΅ΠΎΠ±Ρ
ΠΎΠ΄ΠΈΠΌΠΎ Π·Π°ΠΌΠ΅Π½ΠΈΡΡ.
Π₯ΠΎΡΡ Π½Π΅ΠΊΠΎΡΠΎΡΡΠ΅ Π³Π»Π°Π²Π½ΡΠ΅ ΠΈΠ»ΠΈ ΡΠ°Π±ΠΎΡΠΈΠ΅ ΡΠΈΠ»ΠΈΠ½Π΄ΡΡ ΠΌΠΎΠΆΠ½ΠΎ Π²ΠΎΡΡΡΠ°Π½ΠΎΠ²ΠΈΡΡ Ρ ΠΏΠΎΠΌΠΎΡΡΡ ΠΊΠΎΠΌΠΏΠ»Π΅ΠΊΡΠ°, ΡΠΈΠ»ΠΈΠ½Π΄ΡΡ Ρ ΠΏΠ»Π°ΡΡΠΈΠΊΠΎΠ²ΡΠΌΠΈ ΠΈΠ»ΠΈ Π°Π»ΡΠΌΠΈΠ½ΠΈΠ΅Π²ΡΠΌΠΈ ΡΠΈΠ»ΠΈΠ½Π΄ΡΠ°ΠΌΠΈ Π½Π΅ΠΎΠ±Ρ
ΠΎΠ΄ΠΈΠΌΠΎ Π·Π°ΠΌΠ΅Π½ΠΈΡΡ. ΠΠ° Π½Π΅ΠΊΠΎΡΠΎΡΡΡ
Π°Π²ΡΠΎΠΌΠΎΠ±ΠΈΠ»ΡΡ
Π³Π»Π°Π²Π½ΡΠΉ ΡΠΈΠ»ΠΈΠ½Π΄Ρ, ΡΠ°Π±ΠΎΡΠΈΠΉ ΡΠΈΠ»ΠΈΠ½Π΄Ρ ΠΈ ΡΡΡΠ±ΠΎΠΏΡΠΎΠ²ΠΎΠ΄ ΡΠΎΠ΅Π΄ΠΈΠ½Π΅Π½Ρ Π΄ΡΡΠ³ Ρ Π΄ΡΡΠ³ΠΎΠΌ ΠΈ Π΄ΠΎΠ»ΠΆΠ½Ρ Π·Π°ΠΌΠ΅Π½ΡΡΡΡΡ Π² ΡΠ±ΠΎΡΠ΅, Π° Π½Π΅ ΠΏΠΎ ΠΎΡΠ΄Π΅Π»ΡΠ½ΠΎΡΡΠΈ.
ΠΡΠ»ΠΈ ΠΆΠΈΠ΄ΠΊΠΎΡΡΡ Π² ΡΠΈΡΡΠ΅ΠΌΠ΅ ΡΠΈΠ»ΡΠ½ΠΎ ΠΈΠ·ΠΌΠ΅Π½ΠΈΠ»Π° ΡΠ²Π΅Ρ ΠΈ ΡΠΎΠ΄Π΅ΡΠΆΠΈΡ ΠΌΠ½ΠΎΠ³ΠΎ ΡΠΆΠ°Π²ΡΠΈΠ½Ρ ΠΈΠ»ΠΈ ΠΎΡΠ°Π΄ΠΊΠ°, ΡΠ»Π΅Π΄ΡΠ΅Ρ Π·Π°ΠΌΠ΅Π½ΠΈΡΡ Π²ΡΡ ΡΠΈΡΡΠ΅ΠΌΡ. ΠΡΠΎΠΌΠ΅ ΡΠΎΠ³ΠΎ, Π΅ΡΠ»ΠΈ ΠΆΠΈΠ΄ΠΊΠΎΡΡΡ Π±ΡΠ»Π° ΡΠ»ΡΡΠ°ΠΉΠ½ΠΎ Π·Π°Π³ΡΡΠ·Π½Π΅Π½Π° ΠΊΠ°ΠΊΠΎΠΉ-Π»ΠΈΠ±ΠΎ Π΄ΡΡΠ³ΠΎΠΉ ΠΆΠΈΠ΄ΠΊΠΎΡΡΡΡ, ΠΊΡΠΎΠΌΠ΅ ΡΠ΅ΠΊΠΎΠΌΠ΅Π½Π΄ΠΎΠ²Π°Π½Π½ΠΎΠΉ Π³ΠΈΠ΄ΡΠ°Π²Π»ΠΈΡΠ΅ΡΠΊΠΎΠΉ ΠΆΠΈΠ΄ΠΊΠΎΡΡΠΈ, Π²ΠΎΠ·ΠΌΠΎΠΆΠ½ΠΎ, ΠΏΠΎΡΡΠ΅Π±ΡΠ΅ΡΡΡ Π·Π°ΠΌΠ΅Π½ΠΈΡΡ Π³Π»Π°Π²Π½ΡΠΉ ΠΈ ΡΠ°Π±ΠΎΡΠΈΠΉ ΡΠΈΠ»ΠΈΠ½Π΄ΡΡ, ΠΏΠΎΡΠΊΠΎΠ»ΡΠΊΡ ΠΌΠ°ΡΠ»ΠΎ ΠΌΠΎΠΆΠ΅Ρ Π²ΡΠ·Π²Π°ΡΡ ΡΡΠ΅Π·ΠΌΠ΅ΡΠ½ΠΎΠ΅ Π½Π°Π±ΡΡ Π°Π½ΠΈΠ΅ ΡΠΏΠ»ΠΎΡΠ½Π΅Π½ΠΈΠΉ.
Π‘ΠΠΠΠ’Π« ΠΠ ΠΠ ΠΠΠΠΠ
ΠΡΠ»ΠΈ ΠΏΠΎΠΊΡΠΏΠ°ΡΠ΅Π»Ρ Π½ΡΠΆΠ΅Π½ Π³Π»Π°Π²Π½ΡΠΉ ΡΠΈΠ»ΠΈΠ½Π΄Ρ, ΡΠ°Π±ΠΎΡΠΈΠΉ ΡΠΈΠ»ΠΈΠ½Π΄Ρ ΠΈΠ»ΠΈ Π³ΠΈΠ΄ΡΠ°Π²Π»ΠΈΡΠ΅ΡΠΊΠΈΠΉ Π²ΡΠΆΠΈΠΌΠ½ΠΎΠΉ ΠΏΠΎΠ΄ΡΠΈΠΏΠ½ΠΈΠΊ, ΡΠ΅ΠΊΠΎΠΌΠ΅Π½Π΄ΡΠ΅ΡΡΡ Π·Π°ΠΌΠ΅Π½ΡΡΡ Π²ΡΠ΅ ΠΊΠΎΠΌΠΏΠΎΠ½Π΅Π½ΡΡ ΠΎΠ΄Π½ΠΎΠ²ΡΠ΅ΠΌΠ΅Π½Π½ΠΎ.
ΠΠ°ΠΌΠ΅Π½Π° Π²ΡΠ΅ΠΉ ΡΠΈΡΡΠ΅ΠΌΡ Π²ΠΎΡΡΡΠ°Π½ΠΎΠ²ΠΈΡ ΡΠΈΡΡΠ΅ΠΌΡ Π΄ΠΎ ΡΠΎΡΡΠΎΡΠ½ΠΈΡ, Π±Π»ΠΈΠ·ΠΊΠΎΠ³ΠΎ ΠΊ Π½ΠΎΠ²ΠΎΠΌΡ, ΠΈ ΠΈΠ·Π±Π°Π²ΠΈΡ Π²Π»Π°Π΄Π΅Π»ΡΡΠ° ΡΡΠ°Π½ΡΠΏΠΎΡΡΠ½ΠΎΠ³ΠΎ ΡΡΠ΅Π΄ΡΡΠ²Π° ΠΎΡ Π½Π΅ΡΠ΄ΠΎΠ±ΡΡΠ² ΠΈ Π·Π°ΡΡΠ°Ρ, ΡΠ²ΡΠ·Π°Π½Π½ΡΡ
Ρ ΠΏΠΎΠ²ΡΠΎΡΠ½ΡΠΌ ΡΠ΅ΠΌΠΎΠ½ΡΠΎΠΌ ΡΡΡΠ°ΠΆΠ½ΠΎΠ³ΠΎ ΠΌΠ΅Ρ
Π°Π½ΠΈΠ·ΠΌΠ° ΡΡΠ΅ΠΏΠ»Π΅Π½ΠΈΡ Π² Π±Π»ΠΈΠΆΠ°ΠΉΡΠ΅ΠΌ Π±ΡΠ΄ΡΡΠ΅ΠΌ.
ΠΠΎΠΊΡΠΏΠ°ΡΠ΅Π»ΡΠΌ, Π·Π°ΠΌΠ΅Π½ΡΡΡΠΈΠΌ ΡΡΠ΅ΠΏΠ»Π΅Π½ΠΈΠ΅, ΡΠ»Π΅Π΄ΡΠ΅Ρ ΡΠ°ΠΊΠΆΠ΅ ΡΠ΅ΠΊΠΎΠΌΠ΅Π½Π΄ΠΎΠ²Π°ΡΡ ΡΡΠ°ΡΠ΅Π»ΡΠ½ΠΎ ΠΎΡΠΌΠΎΡΡΠ΅ΡΡ Π³ΠΈΠ΄ΡΠ°Π²Π»ΠΈΡΠ΅ΡΠΊΠΎΠ΅ ΡΠΎΠ΅Π΄ΠΈΠ½Π΅Π½ΠΈΠ΅ ΡΡΠ΅ΠΏΠ»Π΅Π½ΠΈΡ Π½Π° Π½Π°Π»ΠΈΡΠΈΠ΅ ΡΡΠ΅ΡΠ΅ΠΊ ΠΈ ΠΏΡΠΎΠ²Π΅ΡΠΈΡΡ ΠΆΠΈΠ΄ΠΊΠΎΡΡΡ Π½Π° ΠΏΡΠΈΠ·Π½Π°ΠΊΠΈ ΠΊΠΎΡΡΠΎΠ·ΠΈΠΈ ΠΈΠ»ΠΈ Π·Π°Π³ΡΡΠ·Π½Π΅Π½ΠΈΡ. ΠΡΠΈ ΠΎΠ±Π½Π°ΡΡΠΆΠ΅Π½ΠΈΠΈ ΠΊΠ°ΠΊΠΈΡ -Π»ΠΈΠ±ΠΎ ΠΏΡΠΎΠ±Π»Π΅ΠΌ ΡΠΈΡΡΠ΅ΠΌΠ° ΠΏΠΎΠ΄Π»Π΅ΠΆΠΈΡ Π·Π°ΠΌΠ΅Π½Π΅.
ΠΡΠΈ Π·Π°ΠΌΠ΅Π½Π΅ ΡΡΠ΅ΠΏΠ»Π΅Π½ΠΈΡ Π² Π»ΡΠ±ΠΎΠΌ ΡΠ»ΡΡΠ°Π΅ ΡΠ΅ΠΊΠΎΠΌΠ΅Π½Π΄ΡΠ΅ΡΡΡ Π·Π°ΠΌΠ΅Π½ΠΈΡΡ ΡΠ°Π±ΠΎΡΠΈΠΉ ΡΠΈΠ»ΠΈΠ½Π΄Ρ. Π Π²ΠΎΡ ΠΏΠΎΡΠ΅ΠΌΡ: ΠΏΡΠΈ Π·Π°ΠΌΠ΅Π½Π΅ ΡΡΠ΅ΠΏΠ»Π΅Π½ΠΈΡ ΠΈΠ·ΠΌΠ΅Π½ΡΠ΅ΡΡΡ ΡΠ°Π±ΠΎΡΠ°Ρ Π²ΡΡΠΎΡΠ° ΠΏΠ°Π»ΡΡΠ΅Π² ΠΈΠ»ΠΈ Π΄ΠΈΠ°ΡΡΠ°Π³ΠΌΡ Π²ΡΠΊΠ»ΡΡΠ΅Π½ΠΈΡ ΡΡΠ΅ΠΏΠ»Π΅Π½ΠΈΡ. ΠΡΠΎ, Π² ΡΠ²ΠΎΡ ΠΎΡΠ΅ΡΠ΅Π΄Ρ, ΠΈΠ·ΠΌΠ΅Π½ΡΠ΅Ρ ΠΈΡΡ
ΠΎΠ΄Π½ΠΎΠ΅ ΠΏΠΎΠ»ΠΎΠΆΠ΅Π½ΠΈΠ΅ ΠΈ Ρ
ΠΎΠ΄ ΠΏΠΎΡΡΠ½Ρ Π²Π½ΡΡΡΠΈ ΡΠ°Π±ΠΎΡΠ΅Π³ΠΎ ΡΠΈΠ»ΠΈΠ½Π΄ΡΠ°. ΠΡΠΎ ΠΌΠΎΠΆΠ΅Ρ ΠΏΡΠΈΠ²Π΅ΡΡΠΈ ΠΊ ΡΠΎΠΌΡ, ΡΡΠΎ ΡΠΏΠ»ΠΎΡΠ½Π΅Π½ΠΈΠ΅ Π±ΡΠ΄Π΅Ρ ΡΠ΅ΡΠ΅ΡΡΡΡ ΠΎ ΠΊΠΎΡΡΠΎΠ΄ΠΈΡΠΎΠ²Π°Π½Π½ΡΡ ΠΎΠ±Π»Π°ΡΡΡ ΠΎΡΠ²Π΅ΡΡΡΠΈΡ ΠΈΠ»ΠΈ ΠΌΠ΅ΡΠ°ΡΡ ΡΠΆΠ°Π²ΡΠΈΠ½Π΅ ΠΈΠ»ΠΈ Π³ΡΡΠ·ΠΈ, ΡΠΊΠΎΠΏΠΈΠ²ΡΠ΅ΠΉΡΡ Π·Π° ΡΠΏΠ»ΠΎΡΠ½Π΅Π½ΠΈΠ΅ΠΌ. Π Π»ΡΠ±ΠΎΠΌ ΡΠ»ΡΡΠ°Π΅, ΡΠΏΠ»ΠΎΡΠ½Π΅Π½ΠΈΠ΅ ΠΈΠ·Π½Π°ΡΠΈΠ²Π°Π΅ΡΡΡ ΠΈ Π² ΠΊΠΎΠ½Π΅ΡΠ½ΠΎΠΌ ΠΈΡΠΎΠ³Π΅ ΠΏΡΠΎΡΠ΅ΠΊΠ°Π΅Ρ. ΠΡΠΎ Π²ΡΠ΅ ΡΠ°Π²Π½ΠΎ, ΡΡΠΎ ΡΠΊΠ°Π·Π°ΡΡ ΠΊΠ»ΠΈΠ΅Π½ΡΡ, ΡΡΠΎ ΠΎΠ½ Π΄ΠΎΠ»ΠΆΠ΅Π½ Π·Π°ΠΌΠ΅Π½ΠΈΡΡ ΡΠ²ΠΎΠΈ ΡΡΠΏΠΏΠΎΡΡΡ ΠΏΡΠΈ ΡΠ°Π±ΠΎΡΠ΅ Ρ ΡΠΎΡΠΌΠΎΠ·Π°ΠΌΠΈ.
ΠΠΎΠ·ΠΌΠΎΠΆΠ½ΠΎ, Π² Π΄Π°Π½Π½ΡΠΉ ΠΌΠΎΠΌΠ΅Π½Ρ ΡΡΠΎ Π½Π΅ ΡΠ²Π»ΡΠ΅ΡΡΡ Π°Π±ΡΠΎΠ»ΡΡΠ½ΠΎ Π½Π΅ΠΎΠ±Ρ
ΠΎΠ΄ΠΈΠΌΡΠΌ, Π½ΠΎ ΠΌΠΎΠΆΠ΅Ρ ΠΏΡΠ΅Π΄ΠΎΡΠ²ΡΠ°ΡΠΈΡΡ ΠΏΡΠΎΠ±Π»Π΅ΠΌΡ Π² Π±ΡΠ΄ΡΡΠ΅ΠΌ.
ΠΡΠΎΠΌΠ΅ ΡΠΎΠ³ΠΎ, Π΅ΡΠ»ΠΈ ΠΊΠ»ΠΈΠ΅Π½Ρ Π·Π°ΠΌΠ΅Π½ΡΠ΅Ρ ΠΎΠ±ΡΡΠ½ΡΠΉ Π²ΡΠΆΠΈΠΌΠ½ΠΎΠΉ ΠΏΠΎΠ΄ΡΠΈΠΏΠ½ΠΈΠΊ, Π½Π΅ΠΎΠ±Ρ ΠΎΠ΄ΠΈΠΌΠΎ ΠΏΡΠΎΠ²Π΅ΡΠΈΡΡ Π³ΠΈΠ΄ΡΠ°Π²Π»ΠΈΡΠ΅ΡΠΊΡΡ ΡΠ²ΡΠ·Ρ, ΡΡΠΎΠ±Ρ ΡΠ±Π΅Π΄ΠΈΡΡΡΡ Π² ΠΎΡΡΡΡΡΡΠ²ΠΈΠΈ ΡΡΠ΅ΡΠ΅ΠΊ ΠΈΠ· ΡΠ°Π±ΠΎΡΠ΅Π³ΠΎ ΡΠΈΠ»ΠΈΠ½Π΄ΡΠ°.
ΠΠ ΠΠΠΠΠΠ« Π‘ ΠΠΠΠ ΠΠΠΠΠ§ΠΠ‘ΠΠΠ Π‘ΠΠΠΠΠΠΠΠΠΠ
ΠΠ°ΠΈΠ±ΠΎΠ»Π΅Π΅ ΡΠ°ΡΠΏΡΠΎΡΡΡΠ°Π½Π΅Π½Π½Π°Ρ ΠΏΡΠΎΠ±Π»Π΅ΠΌΠ° Ρ Π³ΠΈΠ΄ΡΠ°Π²Π»ΠΈΡΠ΅ΡΠΊΠΈΠΌ ΡΡΠ΅ΠΏΠ»Π΅Π½ΠΈΠ΅ΠΌ Π·Π°ΠΊΠ»ΡΡΠ°Π΅ΡΡΡ Π² ΡΠΎΠΌ, ΡΡΠΎ ΡΡΠ΅ΠΏΠ»Π΅Π½ΠΈΠ΅ Π½Π΅ ΠΎΡΠΊΠ»ΡΡΠ°Π΅ΡΡΡ. ΠΡΠ½ΠΎΠ²Π½ΠΎΠΉ ΠΏΡΠΈΡΠΈΠ½ΠΎΠΉ ΠΌΠΎΠΆΠ΅Ρ Π±ΡΡΡ ΠΈΠ·Π½ΠΎΡΠ΅Π½Π½ΠΎΠ΅ ΠΈΠ»ΠΈ Π½Π΅Π³Π΅ΡΠΌΠ΅ΡΠΈΡΠ½ΠΎΠ΅ ΡΠΏΠ»ΠΎΡΠ½Π΅Π½ΠΈΠ΅ ΠΏΠΎΡΡΠ½Ρ Π² Π³Π»Π°Π²Π½ΠΎΠΌ ΠΈΠ»ΠΈ ΠΏΠΎΠ΄ΡΠΈΠ½Π΅Π½Π½ΠΎΠΌ ΡΠΈΠ»ΠΈΠ½Π΄ΡΠ΅, ΡΡΠ΅ΡΠΊΠ° Π³ΠΈΠ΄ΡΠ°Π²Π»ΠΈΡΠ΅ΡΠΊΠΎΠΉ ΠΆΠΈΠ΄ΠΊΠΎΡΡΠΈ ΠΈΠ· ΡΠΈΡΡΠ΅ΠΌΡ (ΡΡΠ΅ΡΠΊΠΈ) ΠΈΠ»ΠΈ Π½Π°Π»ΠΈΡΠΈΠ΅ Π²ΠΎΠ·Π΄ΡΡ
Π° Π² ΡΠΈΡΡΠ΅ΠΌΠ΅.
ΠΠ°ΠΊ ΠΈ ΡΠΎΡΠΌΠΎΠ·Π½Π°Ρ ΠΆΠΈΠ΄ΠΊΠΎΡΡΡ, Π³ΠΈΠ΄ΡΠ°Π²Π»ΠΈΡΠ΅ΡΠΊΠ°Ρ ΠΆΠΈΠ΄ΠΊΠΎΡΡΡ Π½Π΅ΡΠΆΠΈΠΌΠ°Π΅ΠΌΠ°. Π’Π°ΠΊΠΈΠΌ ΠΎΠ±ΡΠ°Π·ΠΎΠΌ, Π΄Π»Ρ ΠΏΡΠ°Π²ΠΈΠ»ΡΠ½ΠΎΠΉ ΡΠ°Π±ΠΎΡΡ ΡΡΠ΅ΠΏΠ»Π΅Π½ΠΈΡ Π½Π΅ Π΄ΠΎΠ»ΠΆΠ½ΠΎ Π±ΡΡΡ Π²ΠΎΠ·Π΄ΡΡ
Π° Π½ΠΈ Π² Π³Π»Π°Π²Π½ΠΎΠΌ, Π½ΠΈ Π² ΡΠ°Π±ΠΎΡΠ΅ΠΌ ΡΠΈΠ»ΠΈΠ½Π΄ΡΠ°Ρ
, Π½ΠΈ Π² Π»ΠΈΠ½ΠΈΠΈ, ΡΠΎΠ΅Π΄ΠΈΠ½ΡΡΡΠ΅ΠΉ ΡΡΠΈ Π΄Π²Π° ΠΊΠΎΠΌΠΏΠΎΠ½Π΅Π½ΡΠ°. ΠΠΎΠ·Π΄ΡΡ
Π² ΡΠΈΡΡΠ΅ΠΌΠ΅ ΡΠ΄Π΅Π»Π°Π΅Ρ ΠΏΠ΅Π΄Π°Π»Ρ ΠΌΡΠ³ΠΊΠΎΠΉ ΠΈ Π³ΡΠ±ΡΠ°ΡΠΎΠΉ, Π° Π½Π΅ ΡΠ²Π΅ΡΠ΄ΠΎΠΉ. ΠΡΠΎΠΊΠ°ΡΠΊΠ° ΡΠΈΡΡΠ΅ΠΌΡ ΠΈΠ·Π±Π°Π²ΠΈΡ ΠΎΡ Π²ΠΎΠ·Π΄ΡΡ
Π°, Π½ΠΎ Π΅ΡΠ»ΠΈ ΡΠΏΠ»ΠΎΡΠ½Π΅Π½ΠΈΡ ΠΏΠΎΡΡΠ½Ρ ΠΈΠ·Π½ΠΎΡΠ΅Π½Ρ ΠΈΠ»ΠΈ Π³Π΄Π΅-ΡΠΎ Π΅ΡΡΡ ΡΡΠ΅ΡΠΊΠ°, ΡΠΈΡΡΠ΅ΠΌΠ° Π½Π΅ Π±ΡΠ΄Π΅Ρ Π΄Π΅ΡΠΆΠ°ΡΡ Π΄Π°Π²Π»Π΅Π½ΠΈΠ΅ ΠΈ Π²ΠΎΠ·Π΄ΡΡ
ΠΏΠΎΠΏΠ°Π΄Π΅Ρ ΠΎΠ±ΡΠ°ΡΠ½ΠΎ Π²Π½ΡΡΡΡ.
ΠΠ ΠΠ¦ΠΠΠ£Π Π« ΠΠ ΠΠΠΠ§ΠΠ
ΠΠ° Π±ΠΎΠ»ΡΡΠΈΠ½ΡΡΠ²Π΅ Π°Π²ΡΠΎΠΌΠΎΠ±ΠΈΠ»Π΅ΠΉ ΡΠ°Π±ΠΎΡΠΈΠΉ ΡΠΈΠ»ΠΈΠ½Π΄Ρ ΠΈΠΌΠ΅Π΅Ρ ΡΡΡΡΠ΅Ρ Π΄Π»Ρ ΠΏΡΠΎΠΊΠ°ΡΠΊΠΈ, ΠΏΠΎΠ·Π²ΠΎΠ»ΡΡΡΠΈΠΉ ΠΏΡΠΎΠΊΠ°ΡΠ°ΡΡ ΡΠΈΡΡΠ΅ΠΌΡ Π΄Π»Ρ ΡΠ΄Π°Π»Π΅Π½ΠΈΡ Π²ΠΎΠ·Π΄ΡΡ
Π°. ΠΡΠΎΡΠ΅Π΄ΡΡΠ° ΠΏΡΠΎΠΊΠ°ΡΠΊΠΈ Π²ΡΠΏΠΎΠ»Π½ΡΠ΅ΡΡΡ Π²Π΄Π²ΠΎΠ΅ΠΌ, Π·Π° ΠΈΡΠΊΠ»ΡΡΠ΅Π½ΠΈΠ΅ΠΌ ΡΠ»ΡΡΠ°Π΅Π², ΠΊΠΎΠ³Π΄Π° ΠΈΡΠΏΠΎΠ»ΡΠ·ΡΠ΅ΡΡΡ ΡΡΡΡΠΎΠΉΡΡΠ²ΠΎ Π΄Π»Ρ ΡΠ±ΡΠΎΡΠ° Π΄Π°Π²Π»Π΅Π½ΠΈΡ ΠΈΠ»ΠΈ ΠΊ Π²ΠΈΠ½ΡΡ Π΄Π»Ρ Π²ΡΠΏΡΡΠΊΠ° Π²ΠΎΠ·Π΄ΡΡ
Π° ΠΏΡΠΈΡΠΎΠ΅Π΄ΠΈΠ½Π΅Π½ ΠΎΠ΄Π½ΠΎΡΡΠΎΡΠΎΠ½Π½ΠΈΠΉ ΠΏΠ΅ΡΠ΅Ρ
ΠΎΠ΄Π½ΠΈΠΊ Π΄Π»Ρ Π²ΡΠΏΡΡΠΊΠ° Π²ΠΎΠ·Π΄ΡΡ
Π°. ΠΠ»Ρ ΠΏΡΠΎΠΊΠ°ΡΠΊΠΈ ΡΠΈΡΡΠ΅ΠΌΡ Π²ΡΡΡΠ½ΡΡ ΠΎΡΠΊΡΡΡΠΈΠ²Π°Π΅ΡΡΡ ΠΏΡΠΎΠΊΠ°ΡΠ½ΠΎΠΉ Π²ΠΈΠ½Ρ Π½Π° ΡΠ°Π±ΠΎΡΠ΅ΠΌ ΡΠΈΠ»ΠΈΠ½Π΄ΡΠ΅. ΠΠ°ΡΠ΅ΠΌ ΠΏΠ΅Π΄Π°Π»Ρ ΡΡΠ΅ΠΏΠ»Π΅Π½ΠΈΡ ΠΌΠ΅Π΄Π»Π΅Π½Π½ΠΎ Π½Π°ΠΆΠΈΠΌΠ°Π΅ΡΡΡ, ΡΡΠΎΠ±Ρ ΠΏΡΠΎΡΠΎΠ»ΠΊΠ½ΡΡΡ ΠΆΠΈΠ΄ΠΊΠΎΡΡΡ ΠΈΠ· Π³Π»Π°Π²Π½ΠΎΠ³ΠΎ ΡΠΈΠ»ΠΈΠ½Π΄ΡΠ° Π² ΡΠ°Π±ΠΎΡΠΈΠΉ ΡΠΈΠ»ΠΈΠ½Π΄Ρ. Π ΡΡΠΎΠΌ ΡΠ»ΡΡΠ°Π΅ Π²ΡΠΏΡΡΠΊΠ½ΠΎΠΉ ΠΊΠ»Π°ΠΏΠ°Π½ Π΄ΠΎΠ»ΠΆΠ΅Π½ Π±ΡΡΡ Π·Π°ΠΊΡΡΡ ΠΏΡΠΈ ΠΎΡΠΏΡΡΠ΅Π½Π½ΠΎΠΉ ΠΏΠ΅Π΄Π°Π»ΠΈ ΡΡΠ΅ΠΏΠ»Π΅Π½ΠΈΡ, ΠΈΠ½Π°ΡΠ΅ Π²ΠΎΠ·Π΄ΡΡ
ΠΌΠΎΠΆΠ΅Ρ ΠΏΠΎΠΏΠ°ΡΡΡ ΠΎΠ±ΡΠ°ΡΠ½ΠΎ Π² ΡΠΈΡΡΠ΅ΠΌΡ. ΠΡΠΎΡ ΠΏΡΠΎΡΠ΅ΡΡ ΠΏΠΎΠ²ΡΠΎΡΡΠ΅ΡΡΡ ΡΡΠΎΠ»ΡΠΊΠΎ ΡΠ°Π·, ΡΠΊΠΎΠ»ΡΠΊΠΎ Π½Π΅ΠΎΠ±Ρ
ΠΎΠ΄ΠΈΠΌΠΎ, ΠΏΠΎΠΊΠ° Π² ΠΆΠΈΠ΄ΠΊΠΎΡΡΠΈ, Π²ΡΡ
ΠΎΠ΄ΡΡΠ΅ΠΉ ΠΈΠ· ΡΠ°Π±ΠΎΡΠ΅Π³ΠΎ ΡΠΈΠ»ΠΈΠ½Π΄ΡΠ°, Π½Π΅ ΠΎΡΡΠ°Π½Π΅ΡΡΡ ΠΏΡΠ·ΡΡΡΠΊΠΎΠ² Π²ΠΎΠ·Π΄ΡΡ
Π°.
ΠΡΠΈ Π½Π°Π»ΠΈΡΠΈΠΈ ΠΏΡΠΎΠΊΠ°ΡΠΊΠΈ ΠΏΠΎΠΌΠΎΡΠ½ΠΈΠΊ Π½Π΅ Π½ΡΠΆΠ΅Π½ Π΄Π»Ρ ΠΏΡΠΎΠΊΠ°ΡΠΊΠΈ ΠΏΠ΅Π΄Π°Π»ΠΈ ΡΡΠ΅ΠΏΠ»Π΅Π½ΠΈΡ. ΠΡΠΎΠΊΠ°ΡΠ½ΠΎΠΉ ΡΡΡΡΠ΅Ρ ΠΊΡΠ΅ΠΏΠΈΡΡΡ ΠΊ Π³Π»Π°Π²Π½ΠΎΠΌΡ ΡΠΈΠ»ΠΈΠ½Π΄ΡΡ. ΠΠΎΠ³Π΄Π° Π²ΠΈΠ½Ρ Π΄Π»Ρ Π²ΡΠΏΡΡΠΊΠ° Π²ΠΎΠ·Π΄ΡΡ
Π° ΠΎΡΠΊΡΡΡ, ΠΆΠΈΠ΄ΠΊΠΎΡΡΡ ΠΏΡΠΎΡ
ΠΎΠ΄ΠΈΡ ΡΠ΅ΡΠ΅Π· ΡΠΈΡΡΠ΅ΠΌΡ Π΄ΠΎ ΡΠ΅Ρ
ΠΏΠΎΡ, ΠΏΠΎΠΊΠ° ΠΎΠ½Π° Π½Π΅ ΡΡΠ°Π½Π΅Ρ ΠΏΡΠΎΠ·ΡΠ°ΡΠ½ΠΎΠΉ.
ΠΠ°ΡΠ΅ΠΌ ΡΠΏΡΡΠΊΠ½ΠΎΠΉ Π²ΠΈΠ½Ρ Π·Π°ΠΊΡΡΠ²Π°Π΅ΡΡΡ, ΠΈ ΡΠ°Π±ΠΎΡΠ° Π·Π°ΠΊΠΎΠ½ΡΠ΅Π½Π°.
ΠΠ΅ΠΊΠΎΡΠΎΡΡΠ΅ ΡΠ°Π±ΠΎΡΠΈΠ΅ ΡΠΈΠ»ΠΈΠ½Π΄ΡΡ ΠΈ Π³ΠΈΠ΄ΡΠ°Π²Π»ΠΈΡΠ΅ΡΠΊΠΈΠ΅ Π²ΡΠΆΠΈΠΌΠ½ΡΠ΅ ΠΏΠΎΠ΄ΡΠΈΠΏΠ½ΠΈΠΊΠΈ Π½Π΅ ΠΈΠΌΠ΅ΡΡ ΡΡΡΡΠ΅ΡΠ° Π΄Π»Ρ ΡΠ΄Π°Π»Π΅Π½ΠΈΡ Π²ΠΎΠ·Π΄ΡΡ
Π°. Π£ΡΡΡΠΎΠΉΡΡΠ²ΠΎ ΠΌΠΎΠΆΠ΅Ρ ΠΈΠΌΠ΅ΡΡ Π·ΠΎΠ»ΠΎΡΠΎΠΉ Π²ΠΈΠ½Ρ Ρ ΡΠ΅ΡΡΠΈΠ³ΡΠ°Π½Π½ΠΎΠΉ Π³ΠΎΠ»ΠΎΠ²ΠΊΠΎΠΉ, Π½ΠΎ ΠΎΠ½ Π½Π΅ ΠΏΡΠ΅Π΄Π½Π°Π·Π½Π°ΡΠ΅Π½ Π΄Π»Ρ ΠΏΡΠΎΠΊΠ°ΡΠΊΠΈ, ΠΈ Π΅Π³ΠΎ Π½Π΅Π»ΡΠ·Ρ ΠΎΡΠ»Π°Π±Π»ΡΡΡ ΠΈΠ»ΠΈ ΡΠ΄Π°Π»ΡΡΡ. Π§ΡΠΎΠ±Ρ ΠΏΡΠΎΠΊΠ°ΡΠ°ΡΡ ΡΡΠΎΡ ΡΠΈΠΏ ΠΎΡΡΡΠ΄Π°:
1. ΠΡΠΎΠ»ΠΊΠ½ΠΈΡΠ΅ ΡΠΎΠ»ΠΊΠ°ΡΠ΅Π»Ρ ΡΠ°Π±ΠΎΡΠ΅Π³ΠΎ ΡΠΈΠ»ΠΈΠ½Π΄ΡΠ° Π²Π½ΡΡΡΡ ΠΈ ΡΠ΄Π²ΠΈΠ½ΡΡΠ΅ ΠΏΠ»Π°ΡΡΠΈΠΊΠΎΠ²ΡΠΉ(Π΅) ΡΠ΄Π΅ΡΠΆΠΈΠ²Π°ΡΡΠΈΠΉ ΡΠ΅ΠΌΠ΅Π½Ρ(ΠΈ) Π² ΡΡΠΎΡΠΎΠ½Ρ, ΡΡΠΎΠ±Ρ ΡΠΎΠ»ΠΊΠ°ΡΠ΅Π»Ρ ΠΌΠΎΠ³ ΠΏΠΎΠ»Π½ΠΎΡΡΡΡ Π²ΡΠ΄Π²ΠΈΠ½ΡΡΡΡΡ.
2. ΠΠ°ΠΊΠ»ΠΎΠ½ΠΈΡΠ΅ ΡΠΈΠ»ΠΈΠ½Π΄Ρ ΡΠ°ΠΊ, ΡΡΠΎΠ±Ρ ΡΠΎΠ΅Π΄ΠΈΠ½Π΅Π½ΠΈΠ΅ ΠΏΠΎΡΡΠ° Π±ΡΠ»ΠΎ ΠΎΠ±ΡΠ°ΡΠ΅Π½ΠΎ Π²Π²Π΅ΡΡ
ΠΈ Π½Π°Ρ
ΠΎΠ΄ΠΈΠ»ΠΎΡΡ Π² ΡΠ°ΠΌΠΎΠΉ Π²ΡΡΠΎΠΊΠΎΠΉ ΡΠΎΡΠΊΠ΅ ΡΡΡΡΠΎΠΉΡΡΠ²Π°. ΠΠ°ΡΠ΅ΠΌ Π·Π°ΠΏΠΎΠ»Π½ΠΈΡΠ΅ Π°Π³ΡΠ΅Π³Π°Ρ ΡΠΎΡΠΌΠΎΠ·Π½ΠΎΠΉ ΠΆΠΈΠ΄ΠΊΠΎΡΡΡΡ.
3. ΠΠΎΠ΄ΡΠΎΠ΅Π΄ΠΈΠ½ΠΈΡΠ΅ ΠΌΠ°Π³ΠΈΡΡΡΠ°Π»Ρ ΠΎΡ Π³Π»Π°Π²Π½ΠΎΠ³ΠΎ ΡΠΈΠ»ΠΈΠ½Π΄ΡΠ° ΠΊ ΡΠ°Π±ΠΎΡΠ΅ΠΌΡ ΡΠΈΠ»ΠΈΠ½Π΄ΡΡ (ΡΠΌΠ°ΠΆΡΡΠ΅ ΡΠΏΠ»ΠΎΡΠ½ΠΈΡΠ΅Π»ΡΠ½ΠΎΠ΅ ΠΊΠΎΠ»ΡΡΠΎ ΡΠΎΡΠΌΠΎΠ·Π½ΠΎΠΉ ΠΆΠΈΠ΄ΠΊΠΎΡΡΡΡ ΠΈ Π²ΡΡΠ°Π²ΡΡΠ΅ ΡΡΠΎΠΏΠΎΡΠ½ΡΠΉ ΡΡΠΈΡΡ).
4. ΠΠ΅ΡΠΆΠΈΡΠ΅ ΡΠ°Π±ΠΎΡΠΈΠΉ ΡΠΈΠ»ΠΈΠ½Π΄Ρ Π²Π΅ΡΡΠΈΠΊΠ°Π»ΡΠ½ΠΎ (ΡΠΎΠ»ΠΊΠ°ΡΠ΅Π»Ρ Π½Π°ΠΏΡΠ°Π²Π»Π΅Π½ Π²Π½ΠΈΠ·), ΡΡΠΎΠ±Ρ ΡΠ°Π±ΠΎΡΠΈΠΉ ΡΠΈΠ»ΠΈΠ½Π΄Ρ Π±ΡΠ» Π½ΠΈΠΆΠ΅ Π³Π»Π°Π²Π½ΠΎΠ³ΠΎ ΡΠΈΠ»ΠΈΠ½Π΄ΡΠ°. Π‘Π½ΠΈΠΌΠΈΡΠ΅ ΠΊΡΡΡΠΊΡ Π½Π° Π³Π»Π°Π²Π½ΠΎΠΌ ΡΠΈΠ»ΠΈΠ½Π΄ΡΠ΅. ΠΠ°ΡΠ΅ΠΌ ΠΌΠ΅Π΄Π»Π΅Π½Π½ΠΎ Π²Π΄Π°Π²ΠΈΡΠ΅ ΡΠΎΠ»ΠΊΠ°ΡΠ΅Π»Ρ ΡΠ°Π±ΠΎΡΠ΅Π³ΠΎ ΡΠΈΠ»ΠΈΠ½Π΄ΡΠ° ΠΏΡΠΈΠΌΠ΅ΡΠ½ΠΎ Π½Π° ΠΎΠ΄ΠΈΠ½ Π΄ΡΠΉΠΌ.
Π‘Π»Π΅Π΄ΠΈΡΠ΅ Π·Π° ΠΏΡΠ·ΡΡΡΠΊΠ°ΠΌΠΈ Π²ΠΎΠ·Π΄ΡΡ
Π° Π² ΠΆΠΈΠ΄ΠΊΠΎΡΡΠΈ Π² Π±Π°ΡΠΊΠ΅ Π³Π»Π°Π²Π½ΠΎΠ³ΠΎ ΡΠΈΠ»ΠΈΠ½Π΄ΡΠ°.
5. ΠΠΎΠ²ΡΠΎΡΠΈΡΠ΅ Π΄Π²ΠΈΠΆΠ΅Π½ΠΈΠ΅ ΡΡΠΎΠΊΠ° ΡΠΎΠ»ΠΊΠ°ΡΠ΅Π»Ρ ΡΠ°Π±ΠΎΡΠ΅Π³ΠΎ ΡΠΈΠ»ΠΈΠ½Π΄ΡΠ° 10β15 ΡΠ°Π· ΠΈΠ»ΠΈ Π΄ΠΎ ΡΠ΅Ρ
ΠΏΠΎΡ, ΠΏΠΎΠΊΠ° Π½Π΅ ΠΈΡΡΠ΅Π·Π½ΡΡ ΠΏΡΠ·ΡΡΡΠΊΠΈ Π²ΠΎΠ·Π΄ΡΡ
Π°.
6. ΠΠΎΠ³Π΄Π° Π²Π΅ΡΡ Π²ΠΎΠ·Π΄ΡΡ
Π²ΡΠΉΠ΄Π΅Ρ ΠΈΠ· ΡΠΈΡΡΠ΅ΠΌΡ, Π·Π°Π΄Π²ΠΈΠ½ΡΡΠ΅ ΡΡΠΎΠΊ ΡΠΎΠ»ΠΊΠ°ΡΠ΅Π»Ρ ΡΠ°Π±ΠΎΡΠ΅Π³ΠΎ ΡΠΈΠ»ΠΈΠ½Π΄ΡΠ° ΠΎΠ±ΡΠ°ΡΠ½ΠΎ, ΡΠ½ΠΎΠ²Π° ΠΏΡΠΈΠΊΡΠ΅ΠΏΠΈΡΠ΅ ΠΏΠ»Π°ΡΡΠΈΠΊΠΎΠ²ΡΠ΅ Ρ
ΠΎΠΌΡΡΡ, ΡΠ΄Π΅ΡΠΆΠΈΠ²Π°ΡΡΠΈΠ΅ Π΅Π³ΠΎ Π½Π° ΠΌΠ΅ΡΡΠ΅, ΠΈ ΡΡΡΠ°Π½ΠΎΠ²ΠΈΡΠ΅ Π±Π»ΠΎΠΊ Π½Π° ΠΊΠΎΠ»ΠΎΠΊΠΎΠ» ΠΈΠ»ΠΈ ΠΏΠ΅ΡΠ²ΠΈΡΠ½ΡΠΉ Π²Π°Π» ΠΊΠΎΡΠΎΠ±ΠΊΠΈ ΠΏΠ΅ΡΠ΅Π΄Π°Ρ. ΠΠ΅ ΡΠ½ΠΈΠΌΠ°ΠΉΡΠ΅ ΠΏΠ»Π°ΡΡΠΈΠΊΠΎΠ²ΡΠ΅ Ρ
ΠΎΠΌΡΡΡ.
ΠΡΠΈ Π·Π°ΠΌΠ΅Π½Π΅ Π³Π»Π°Π²Π½ΠΎΠ³ΠΎ ΡΠΈΠ»ΠΈΠ½Π΄ΡΠ° ΡΡΠ΅ΠΏΠ»Π΅Π½ΠΈΡ ΠΏΠ΅ΡΠ΅Π΄ Π΅Π³ΠΎ ΡΡΡΠ°Π½ΠΎΠ²ΠΊΠΎΠΉ Π½Π° Π°Π²ΡΠΎΠΌΠΎΠ±ΠΈΠ»Ρ Π½Π΅ΠΎΠ±Ρ
ΠΎΠ΄ΠΈΠΌΠΎ ΠΏΡΠΎΠΊΠ°ΡΠ°ΡΡ Π±Π»ΠΎΠΊ Π½Π° ΡΡΠ΅Π½Π΄Π΅, ΡΡΠΎΠ±Ρ ΡΠ΄Π°Π»ΠΈΡΡ ΠΊΠ°ΠΊ ΠΌΠΎΠΆΠ½ΠΎ Π±ΠΎΠ»ΡΡΠ΅ Π²ΠΎΠ·Π΄ΡΡ
Π°. ΠΡΠΎ ΠΌΠΎΠΆΠ½ΠΎ ΡΠ΄Π΅Π»Π°ΡΡ, Π°ΠΊΠΊΡΡΠ°ΡΠ½ΠΎ Π·Π°ΠΊΡΠ΅ΠΏΠΈΠ² ΡΡΡΡΠΎΠΉΡΡΠ²ΠΎ Π² Π²Π΅ΡΡΡΠ°ΡΠ½ΡΡ
ΡΠΈΡΠΊΠ°Ρ
ΠΏΠΎΠ΄ ΡΠ³Π»ΠΎΠΌ 45 Π³ΡΠ°Π΄ΡΡΠΎΠ² (Π½Π΅ ΡΠΆΠΈΠΌΠ°ΠΉΡΠ΅ ΡΡΡΡΠΎΠΉΡΡΠ²ΠΎ ΡΠ»ΠΈΡΠΊΠΎΠΌ ΡΠΈΠ»ΡΠ½ΠΎ, ΠΈΠ½Π°ΡΠ΅ ΡΡΠΎ ΠΌΠΎΠΆΠ΅Ρ ΠΏΡΠΈΠ²Π΅ΡΡΠΈ ΠΊ ΠΏΠΎΠ²ΡΠ΅ΠΆΠ΄Π΅Π½ΠΈΡ ΡΠΈΠ»ΠΈΠ½Π΄ΡΠ°). ΠΠ°ΠΏΠΎΠ»Π½ΠΈΡΠ΅ Π±Π°ΡΠΎΠΊ ΡΠΎΡΠΌΠΎΠ·Π½ΠΎΠΉ ΠΆΠΈΠ΄ΠΊΠΎΡΡΡΡ, Π·Π°ΡΠ΅ΠΌ Ρ ΠΏΠΎΠΌΠΎΡΡΡ ΡΡΠΏΠΎΠ³ΠΎ ΠΈΠ½ΡΡΡΡΠΌΠ΅Π½ΡΠ° Π½Π°ΠΆΠΌΠΈΡΠ΅ Π½Π° Π²Π½ΡΡΡΠ΅Π½Π½ΠΈΠΉ ΠΎΠ±ΡΠ°ΡΠ½ΡΠΉ ΠΊΠ»Π°ΠΏΠ°Π½ Π² Π²ΡΠΏΡΡΠΊΠ½ΠΎΠΌ ΠΎΡΠ²Π΅ΡΡΡΠΈΠΈ ΠΏΡΠΈΠΌΠ΅ΡΠ½ΠΎ Π½Π° 1/4 Π΄ΡΠΉΠΌΠ°. ΠΠ΅ΡΠΆΠΈΡΠ΅ ΠΊΠ»Π°ΠΏΠ°Π½ ΠΎΡΠΊΡΡΡΡΠΌ, ΠΏΠΎΠΊΠ° ΠΆΠΈΠ΄ΠΊΠΎΡΡΡ Π½Π΅ ΠΏΠΎΡΠ΅ΡΠ΅Ρ. ΠΠ°ΡΠ΅ΠΌ ΠΎΡΠΏΡΡΡΠΈΡΠ΅ ΠΊΠ»Π°ΠΏΠ°Π½ ΠΈ Π½Π°ΠΆΠΌΠΈΡΠ΅ Π½Π° ΡΠΎΠ»ΠΊΠ°ΡΠ΅Π»Ρ Π³Π»Π°Π²Π½ΠΎΠ³ΠΎ ΡΠΈΠ»ΠΈΠ½Π΄ΡΠ° 10β20 ΡΠ°Π·, ΠΏΠΎΠΊΠ° ΡΠΎΠ»ΠΊΠ°ΡΠ΅Π»Ρ Π½Π΅ ΡΡΠ°Π½Π΅Ρ ΡΠ²Π΅ΡΠ΄ΡΠΌ (Π² ΡΠΈΠ»ΠΈΠ½Π΄ΡΠ΅ Π±ΠΎΠ»ΡΡΠ΅ Π½Π΅Ρ Π²ΠΎΠ·Π΄ΡΡ
Π°).

ΠΡΠ»ΠΈ ΡΡΠΎΠ²Π΅Π½Ρ ΠΊΡΠΈΡΠΈΡΠ½ΠΎ Π½ΠΈΠ·ΠΊΠΈΠΉ ΠΈΠ»ΠΈ ΠΆΠΈΠ΄ΠΊΠΎΡΡΡ ΠΎΡΡΡΡΡΡΠ²ΡΠ΅ΡΒ β ΠΎΡΠΌΠ°ΡΡΠΈΠ²Π°Π΅ΠΌ ΡΠΈΡΡΠ΅ΠΌΡ Π½Π°Β Π½Π°Π»ΠΈΡΠΈΠ΅ ΡΡΠ΅ΡΠ΅ΠΊ.
ΠΠΊΡΡΠ°Π»ΡΠ½ΠΎ Π΄Π»Ρ Π°Π²ΡΠΎΠΌΠΎΠ±ΠΈΠ»Π΅ΠΉ, ΡΒ ΠΊΠΎΡΠΎΡΡΡ
Π²ΡΠΆΠΈΠΌΠ½ΠΎΠΉ ΠΏΠΎΠ΄ΡΠΈΠΏΠ½ΠΈΠΊ Π½Π΅Β ΡΠΏΠ°ΡΠ΅Π½ ΡΒ ΡΠΈΠ»ΠΈΠ½Π΄ΡΠΎΠΌ.
Π― ΡΠ°ΠΊΠΆΠ΅ ΠΏΠΎΡΡΠΎΡΠ½Π½ΠΎ ΠΏΡΠΎΠΏΡΡΠΊΠ°Ρ ΠΏΠ΅ΡΠ΅Π΄Π°ΡΠΈ ΠΏΡΠΈ ΠΏΠ΅ΡΠ΅ΠΊΠ»ΡΡΠ΅Π½ΠΈΠΈ, ΡΡΠΎ ΡΠ°ΠΊΠΆΠ΅ ΡΠ½ΠΈΠΆΠ°Π΅Ρ ΠΈΠ·Π½ΠΎΡ ΠΏΠΎΠ΄ΡΠΈΠΏΠ½ΠΈΠΊΠ°.
Π― ΡΡΡΠ°Π½ΠΎΠ²ΠΈΠ» ΡΠΎΠ»ΡΠΊΠΎ ΠΎΠ΄ΠΈΠ½, Π΄ΡΡΠ³ΠΎΠΉ Π»Π΅ΠΆΠΈΡ Ρ ΠΌΠ΅Π½Ρ Π½Π° ΡΡΠΎΠ»Π΅ Π² ΠΊΠΎΠ½Π²Π΅ΡΡΠ΅. Π― ΡΡΡΠ°Π½ΠΎΠ²ΠΈΠ» Π΅Π³ΠΎ Π½Π° ΡΠ²ΠΎΠΉ R Ρ kessy, ΠΈ Π΅Π΄ΠΈΠ½ΡΡΠ²Π΅Π½Π½ΡΠΉ Π½Π΅Π΄ΠΎΡΡΠ°ΡΠΎΠΊ, ΠΊΠΎΡΠΎΡΡΠΉ Ρ Π·Π°ΠΌΠ΅ΡΠΈΠ» Π΄ΠΎ ΡΠΈΡ
ΠΏΠΎΡ, Π·Π°ΠΊΠ»ΡΡΠ°Π΅ΡΡΡ Π² ΡΠΎΠΌ, ΡΡΠΎ Π΅ΡΠ»ΠΈ ΠΏΠΎ ΠΊΠ°ΠΊΠΎΠΉ-ΡΠΎ ΠΏΡΠΈΡΠΈΠ½Π΅ Ρ Π½Π°ΠΆΠΌΡ ΠΊΠ½ΠΎΠΏΠΊΡ Π·Π°ΠΏΡΡΠΊΠ°, ΡΡΠΎΠ±Ρ ΠΏΡΠΎΡΡΠΎ Π²ΠΊΠ»ΡΡΠΈΡΡ Π·Π°ΠΆΠΈΠ³Π°Π½ΠΈΠ΅, Ρ Π½Π΅ ΡΠΌΠΎΠ³Ρ Π²ΡΠΊΠ»ΡΡΠΈΡΡ Π·Π°ΠΆΠΈΠ³Π°Π½ΠΈΠ΅, ΠΏΠΎΠΊΠ° Π½Π΅ Π·Π°Π²Π΅Π΄Ρ ΠΌΠ°ΡΠΈΠ½Ρ. ΠΠΈΡΠ΅Π³ΠΎ ΡΡΡΠ°ΡΠ½ΠΎΠ³ΠΎ, Π½ΠΎ ΠΈΠ½ΠΎΠ³Π΄Π° ΡΠ°Π·Π΄ΡΠ°ΠΆΠ°Π΅Ρ Π½Π΅ΠΎΠ±Ρ
ΠΎΠ΄ΠΈΠΌΠΎΡΡΡ Π·Π°Π²ΠΎΠ΄ΠΈΡΡ ΠΌΠ°ΡΠΈΠ½Ρ, ΡΡΠΎΠ±Ρ ΠΏΡΠΎΡΡΠΎ Π·Π°Π³Π»ΡΡΠΈΡΡ Π΅Π΅. ΠΡΠΎ ΠΊΠ°ΠΊ Π±Ρ ΠΏΡΠΎΡΠΈΠ²ΠΎΡΠ΅ΡΠΈΡ ΡΠ΅Π»ΠΈ Π΅Π³ΠΎ ΡΡΡΠ°Π½ΠΎΠ²ΠΊΠΈ. ΠΠΎΠΉ Π΄ΡΡΠ³ΠΎΠΉ R — ΡΡΠΎ Π±Π°Π·ΠΎΠ²ΡΠΉ Π°Π²ΡΠΎΠΌΠΎΠ±ΠΈΠ»Ρ Π±Π΅Π· ΠΊΠ΅ΡΡΠΈ, ΠΈ Ρ Π½Π΅ ΠΏΠ»Π°Π½ΠΈΡΡΡ ΠΌΠΎΠ΄ΠΈΡΠΈΡΠΈΡΠΎΠ²Π°ΡΡ ΡΡΠΎΡ Π°Π²ΡΠΎΠΌΠΎΠ±ΠΈΠ»Ρ ΠΏΠΎΡΠ»Π΅ ΡΡΠ°ΠΏΠ° 1, ΠΏΠΎΡΠΎΠΌΡ ΡΡΠΎ ΡΡΠΎ ΠΌΠΎΠΉ Π΅ΠΆΠ΅Π΄Π½Π΅Π²Π½ΡΠΉ Π²ΠΎΠ΄ΠΈΡΠ΅Π»Ρ, ΠΈ Ρ Π½Π΅ ΠΏΠ»Π°Π½ΠΈΡΡΡ ΠΈΡΠΏΠΎΠ»ΡΠ·ΠΎΠ²Π°ΡΡ ΡΡΠΈΠ»Π΅Π½Π½ΠΎΠ΅ ΡΡΠ΅ΠΏΠ»Π΅Π½ΠΈΠ΅. Π― Π΄ΡΠΌΠ°Ρ, ΡΡΠΎ Ρ Π΄Π°ΠΆΠ΅ ΡΠ΄Π°Π»ΠΈΡΡ Π΅Π³ΠΎ ΠΈΠ· ΠΌΠΎΠ΅ΠΉ kessy Π°Π²ΡΠΎΠΌΠΎΠ±ΠΈΠ»Ρ, Π° ΡΠ°ΠΊΠΆΠ΅. Π’Π°ΠΊ ΡΡΠΎ, Π΅ΡΠ»ΠΈ ΠΊΡΠΎ-ΡΠΎ Π·Π°Ρ
ΠΎΡΠ΅Ρ, Ρ ΠΏΡΠΎΠ΄Π°ΠΌ ΠΈΡ
ΠΎΠ±ΠΎΠΈΡ
Π·Π° 60 Π΄ΠΎΠ»Π»Π°ΡΠΎΠ² ΠΏΠ»ΡΡ Π΄ΠΎΡΡΠ°Π²ΠΊΠ° ΠΈ ΠΎΠΏΠ»Π°ΡΠ° ΡΡΠ»ΡΠ³ ΠΏΡΠΈΡΡΠ΅Π»Ρ ΠΈΠ»ΠΈ ΠΏΠΎ 30 Π΄ΠΎΠ»Π»Π°ΡΠΎΠ² Π·Π° ΡΡΡΠΊΡ ΠΏΠ»ΡΡ Π΄ΠΎΡΡΠ°Π²ΠΊΠ° ΠΈ ΠΎΠΏΠ»Π°ΡΠ° ΡΡΠ»ΡΠ³ ΠΏΡΠΈΡΡΠ΅Π»Ρ Π² Π‘Π¨Π.0004
ΠΠΈΡΠ΅Π³ΠΎ ΡΡΡΠ°ΡΠ½ΠΎΠ³ΠΎ, Π½ΠΎ ΠΈΠ½ΠΎΠ³Π΄Π° ΡΠ°Π·Π΄ΡΠ°ΠΆΠ°Π΅Ρ Π½Π΅ΠΎΠ±Ρ
ΠΎΠ΄ΠΈΠΌΠΎΡΡΡ Π·Π°Π²ΠΎΠ΄ΠΈΡΡ ΠΌΠ°ΡΠΈΠ½Ρ, ΡΡΠΎΠ±Ρ ΠΏΡΠΎΡΡΠΎ Π·Π°Π³Π»ΡΡΠΈΡΡ Π΅Π΅. ΠΡΠΎ ΠΊΠ°ΠΊ Π±Ρ ΠΏΡΠΎΡΠΈΠ²ΠΎΡΠ΅ΡΠΈΡ ΡΠ΅Π»ΠΈ Π΅Π³ΠΎ ΡΡΡΠ°Π½ΠΎΠ²ΠΊΠΈ. ΠΠΎΠΉ Π΄ΡΡΠ³ΠΎΠΉ R — ΡΡΠΎ Π±Π°Π·ΠΎΠ²ΡΠΉ Π°Π²ΡΠΎΠΌΠΎΠ±ΠΈΠ»Ρ Π±Π΅Π· ΠΊΠ΅ΡΡΠΈ, ΠΈ Ρ Π½Π΅ ΠΏΠ»Π°Π½ΠΈΡΡΡ ΠΌΠΎΠ΄ΠΈΡΠΈΡΠΈΡΠΎΠ²Π°ΡΡ ΡΡΠΎΡ Π°Π²ΡΠΎΠΌΠΎΠ±ΠΈΠ»Ρ ΠΏΠΎΡΠ»Π΅ ΡΡΠ°ΠΏΠ° 1, ΠΏΠΎΡΠΎΠΌΡ ΡΡΠΎ ΡΡΠΎ ΠΌΠΎΠΉ Π΅ΠΆΠ΅Π΄Π½Π΅Π²Π½ΡΠΉ Π²ΠΎΠ΄ΠΈΡΠ΅Π»Ρ, ΠΈ Ρ Π½Π΅ ΠΏΠ»Π°Π½ΠΈΡΡΡ ΠΈΡΠΏΠΎΠ»ΡΠ·ΠΎΠ²Π°ΡΡ ΡΡΠΈΠ»Π΅Π½Π½ΠΎΠ΅ ΡΡΠ΅ΠΏΠ»Π΅Π½ΠΈΠ΅. Π― Π΄ΡΠΌΠ°Ρ, ΡΡΠΎ Ρ Π΄Π°ΠΆΠ΅ ΡΠ΄Π°Π»ΠΈΡΡ Π΅Π³ΠΎ ΠΈΠ· ΠΌΠΎΠ΅ΠΉ kessy Π°Π²ΡΠΎΠΌΠΎΠ±ΠΈΠ»Ρ, Π° ΡΠ°ΠΊΠΆΠ΅. Π’Π°ΠΊ ΡΡΠΎ, Π΅ΡΠ»ΠΈ ΠΊΡΠΎ-ΡΠΎ Π·Π°Ρ
ΠΎΡΠ΅Ρ, Ρ ΠΏΡΠΎΠ΄Π°ΠΌ ΠΈΡ
ΠΎΠ±ΠΎΠΈΡ
Π·Π° 60 Π΄ΠΎΠ»Π»Π°ΡΠΎΠ² ΠΏΠ»ΡΡ Π΄ΠΎΡΡΠ°Π²ΠΊΠ° ΠΈ ΠΎΠΏΠ»Π°ΡΠ° ΡΡΠ»ΡΠ³ ΠΏΡΠΈΡΡΠ΅Π»Ρ ΠΈΠ»ΠΈ ΠΏΠΎ 30 Π΄ΠΎΠ»Π»Π°ΡΠΎΠ² Π·Π° ΡΡΡΠΊΡ ΠΏΠ»ΡΡ Π΄ΠΎΡΡΠ°Π²ΠΊΠ° ΠΈ ΠΎΠΏΠ»Π°ΡΠ° ΡΡΠ»ΡΠ³ ΠΏΡΠΈΡΡΠ΅Π»Ρ Π² Π‘Π¨Π.0004
Π Π»ΡΠ±ΠΎΠΌ ΡΠ»ΡΡΠ°Π΅, Ρ ΠΏΠ»Π°Π½ΠΈΡΠΎΠ²Π°Π» Π½Π°Π²Π΅ΡΡΠΈ ΠΏΠΎΡΡΠ΄ΠΎΠΊ Π² Π³Π°ΡΠ°ΠΆΠ΅ Π½Π° ΡΡΠΈΡ
Π²ΡΡ
ΠΎΠ΄Π½ΡΡ
.
Π Π²ΡΠ΅ ΠΆΠ΅ Π½Π° 75 000 ΠΌΠΈΠ»Ρ Π²ΡΡΠ΅Π» ΠΈΠ· ΡΡΡΠΎΡ ΠΎΠΏΠΎΡΠ½ΡΠΉ ΠΏΠΎΠ΄ΡΠΈΠΏΠ½ΠΈΠΊ… ΠΎΡΠ΅Π½Ρ Π΄ΠΎΡΠΎΠ³ΠΎ. 
ΠΠΎΠΆΠ°Π»ΡΠΉΡΡΠ°, ΡΠ°ΡΡΠΌΠΎΡΡΠΈΡΠ΅ Π²ΠΎΠ·ΠΌΠΎΠΆΠ½ΠΎΡΡΡ ΡΠΎΠ·Π΄Π°Π½ΠΈΡ Π½ΠΎΠ²ΠΎΠΉ ΡΠ΅ΠΌΡ.