Схема электропроводки вебасто: Webasto | Электрическая схема отопителей Вебасто

Содержание

Webasto Thermo 50. Принципиальная электрическая схема подогревателя.

Webasto Thermo 50. Принципиальная электрическая схема подогревателя.

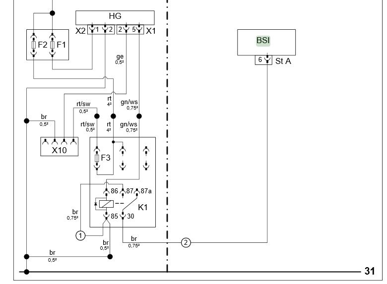
Схема Thermo 50, 24B, таймер.

Схема Thermo 50, 24B, переключатель.

Схема Thermo 50, 24В, таймер, выключение подогревателя при включении разгрузочного устройства.

Схема Thermo 50, 24В, таймер, выключение подогревателя при включении 2-х разгрузочных устройств.

Схема Thermo 50, 24В, выключатель, выключение подогревателя при включении разгрузочного устройства.

Схема Thermo 50, 24В, выключатель, выключение подогревателя при включении 2-х разгрузочных устройств.

➀ – Штатный предохранитель.

➁ – При наличии «+» на контакте 10 таймера = работа подогревателя без лимита времени.

При отсутствии «+» на контакте 10 таймера = время работы подогревателя от 10 до 120 минут.

 ➂ – Данный контакт не подключать при ADR исполнении.

Цвета проводов.

blсиний
brкоричневый
geжёлтый
gnзелёный
grсерый
orоранжевый
rtкрасный
swчёрный
viфиолетовый
wsбелый

Сечения проводов.

Длина ⇒ <7,5 м 7,5-15 м
0,5 мм20,75 мм2
0,75 мм21,5 мм2
1,5 мм22,5 мм2
2,5 мм24,0 мм2
4,0 мм26,0 мм2

Условные обозначения.

Поз.
НаименованиеПримечание
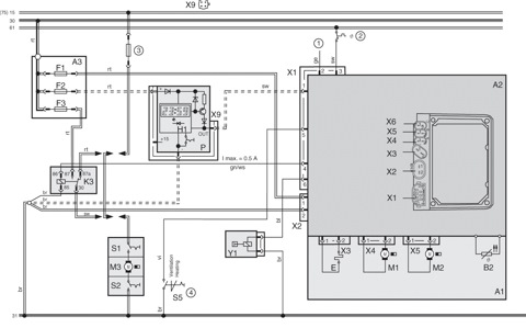
A1ПодогревательThermo 50
A2Блок управления 
B2Датчик температуры 
EШтифт накаливания / датчик пламени 
F1Предохранитель 15 Аплоский SAE J 1284
F2Предохранитель 5 Аплоский SAE J 1284
F3Предохранительплоский SAE J 1284 (Макс.20А)
h2Светодиод (на таймере)индикатор работы
h3Светодиод (на таймере)индикатор
h4Лампочка (на таймере)Подсветка дисплея
h5Лампочкаиндикатор
H5Лампочка мин. 1.2 Втиндикатор включения циркуляционного насоса
K2Релевключения циркуляционного насоса
K3Реле (на колодке предохранителей)для вентилятора автомобиля
M1Моторнагнетателя воздуха для горения
M2Моторциркуляционного насоса
M3Моторвентилятора автомобиля
PТаймер, цифровойдля программирования работы подогревателя
S1Выключатель вентилятора автомобиляв зависимости от модели автомобиля – S1 или S2
S2Выключатель вентилятора автомобиляв зависимости от модели автомобиля – S1 или S2
S3ВыключательНемедленное отопление
S41 или 2-ух полюсный выключательАварийный электрический или пневматический
S5ВыключательПогрузочного устройства 1
S6ВыключательПогрузочного устройства 2
S7ВыключательНемедленного отопления (дистанционно)
X1Штекерный разъём, 6-полюсный 
X2 – 6Штекерные разъёмы, 2-полюсные 
X8Штекерный разъём, 2-полюсныйДиагностика
X11Штекерный разъём, 2-полюсный 
X12Штекерный разъём, 12-полюсныйТаймер
X13Штекерный разъём, 1-полюсныйВыключатель массы
X14Штекерный разъём, 1-полюсныйВыключение при «+» на данном разъеме
X15Штекерный разъём, 4-полюсныйВключение/Выключение
Y1Дозирующий насос 
Y2Магнитный клапанПогрузочного устройства 1
Y3Магнитный клапанПогрузочного устройства 2

Поделиться ссылкой:

Похожие статьи

  • Жидкостные подогреватели Webasto Thermo 50. Руководство по установке.
  • Схемы Webasto Thermo Top C, E, P.
  • Webasto Thermo Top C, E, P. Инструкция по установке.
  • Жидкостный подогреватель Thermo Top Evo 5D ГАЗель NEXT. Инструкция по ремонту.
  • Webasto Thermo Test. Инструкция по эксплуатации.
  • Электрическая схема нагревателя топлива в фильтре грубой очистки топлива (ФГОТ) и в фильтре тонкой очистки топлива (ФТОТ) УРАЛ Next.
  • Двигатели Audi FSI объёмом 2,8 и 3,2 л с Audi valvelift system.
  • УАЗ Патриот. Руководство по техническому обслуживанию и ремонту (2005 год).
  • Электрическая схема системы световой сигнализации автомобилей КамАЗ-5320, 5321, 53212, 53213, 5410, 54112, 55111, 55102, 53229, 65115.
  • Электрическая схема фары-прожектора УРАЛ Next.
  • Электрическая схема осушителя воздуха тормозов УРАЛ Next.
  • Электрическая схема тахографа УРАЛ Next.
  • Электрическая схема моторного тормоза УРАЛ Next.
  • Схема электрооборудования Hyundai Porter (1 часть).
  • Система охлаждения двигателей ЗМЗ–409051.10 и ЗМЗ–409052.10 («ZMZ PRO»).

инструкция по монтажу своими руками, видео, фото

Необходимым условием в дальней дороге в холодное время года является поддержание комфортной температуры в салоне автомобиля. И здесь одним из оптимальных решений будет отопитель Webasto – автономный прибор, обеспечивающий прогрев воздуха в машине до необходимой температуры.

В статье мы расскажем о том, что собой представляет это устройство, зачем оно нужно, а также опишем процесс самостоятельной установки отопителя.

Обогрев машины автономной системой

Информация об автономном обогреве

Способы прогрева автомобиля

Для обеспечения комфортного микроклимата в салоне машины чаще всего используются автомобильные печки. Однако у них есть существенный недостаток – они функционируют только тогда, когда двигатель автомобиля находится в рабочем режиме.

Однако это возможно не всегда, а потому в некоторых ситуациях водителю приходится мерзнуть, сетуя на неправильно выбранную одежду или обувь.

Альтернативой печке может стать электрообогреватель, однако и в этом случае есть нюансы. И самый главный заключается в том, что запас электроэнергии в автомобиле не бесконечен, и потому не всегда есть возможность расходовать заряд аккумулятора на обогрев.

Знакомая ситуация, не правда ли?

Выходом из такой ситуации являются автономные обогреватели автомобиля. Конечно, цена такого устройства выходит значительно большей, чем у стандартной печки, но и выгод от его эксплуатации предостаточно.

Кому будет полезен отопитель

В чем же заключаются эти выгоды?

  • Во-первых, автономный обогреватель создает в кабине автомобиля комфортную температуру сразу же после включения.
    Если с печкой мы бы услышали от водителя привычное «Потерпите, сейчас заведемся и нагреемся», то в случае с автономным теплогенератором мерзнуть не придется.

Обратите внимание!
Некоторые автономные отопители Webasto оборудуются модулем, обеспечивающим включение системы с мобильного телефона или специального пульта.
В этом случае можно начать обогрев салона заблаговременно, и к вашему приходу автомобиль будет достаточно теплым.

Установка аппарата в автобус

  • Во-вторых, использование этого устройства обеспечивает предпусковой прогрев двигателя. Благодаря этому даже на сильном морозе автомобиль заводится очень быстро, и ресурс двигателя существенно экономится.
  • Также стоит упомянуть о таких преимуществах как поддержание температуры в машине при длительной стоянке (дальнобойщики и ожидающие в очередях на таможню оценят), быстрый обогрев стекол, защита их от обмерзания и запотевания и т.д.

Исходя из этих преимуществ, устройства для обогрева от компании Webasto можно рекомендовать:

  • Тем, кто не любит мерзнуть в салоне автомобиля, или семьям, которые часто возят в салоне автомобиля маленьких детей.
  • Тем, кто подолгу стоит в пробках, очередях и т.д. В первую очередь это таксисты, курьеры, дальнобойщики, водители спецтехники и т.д.
  • А также тем, кто старается уменьшить износ двигателя своего автомобиля и по максимуму реализовать его КПД.

Конструкция отопителей

Воздушные

По конструкции автономные системы отопления делятся на воздушные и жидкостные. К наиболее распространенной категории устройств относятся именно воздушные системы.

Так работает воздушный обогреватель

Воздушная автономная система отопления Webasto имеет следующую конструкцию:

  • Основным элементом является герметично замкнутая камера сгорания.
  • В нее под действием топливного насоса через автоматически регулируемый кран со встроенным фильтром поступает топливо.
  • За запуск процесса воспламенения отвечает свеча накаливания.
  • Топливно-воздушная смесь воспламеняется и сгорает в специальном устройстве – горелке с насадкой особой формы. Воздух поступает в насадку горелки с помощью специального нагнетающего устройства, после чего – проходит в теплообменник.
  • В теплообменнике воздух прогревается до необходимой температуры, а затем под воздействием того же нагнетателя поступает в салон.

Остывший воздух из салона через заборные отверстия снова попадает в отопитель, где опять нагревается.

Воздушные отопители могут быть установлены практически на любом автомобиле, габариты которого позволяют уместить корпус устройства. Особенностями воздушных моделей является относительно малая масса (до 7 кг), а также небольшой расход горючего. За час работы установки в режиме непрерывного обогрева сжигается от 0,1 до 0,25 л топлива в зависимости от модификации.

Жидкостные

Жидкостные модели автономных теплогенерирующих устройств от компании Webasto отличаются несколько большим расходом топлива. За час работы такая установка расходует до литра горючего.

Внешний вид жидкостной модели

Принцип работы этого агрегата заключается в использовании ресурсов системы охлаждения двигателя:

  • По сигналу пользователя (нажатие кнопки, срабатывание таймера, сигнал с пульта или телефона) запускается насос отопителя.
  • Под воздействием насоса начинается прокачка охлаждающей жидкости.
  • Затем в камеру сгорания подается топливо, которое воспламеняется от свечи накаливания и сгорает, передавая через теплообменник тепловую энергию к циркулирующему по трубам теплоносителю.
  • Благодаря этому даже при «молчащем» двигателе включается штатная система обогрева автомобиля, поскольку прогретый теплоноситель начинает передавать энергию печке.

Схема теплообмена

Управляет процессом автоматическая регулирующая система. При необходимости она увеличивает либо уменьшает подачу топлива в камеру сгорания, а также регулирует процесс нагнетания воздуха в систему.

Управление работой отопителя

Выше мы уже несколько раз упомянули об автоматизации работы системы. Пора более подробно рассмотреть, с помощью каких элементов можно регулировать объем потребляемого топлива и планировать поддержание температуры.

Управлять работой установки можно с помощью таких устройств:

  • Минитаймер – дает возможность программировать запуск прогрева на 24 часа, т.е. на сутки. У штатного минитаймера от компании Webasto есть возможность установить три точки включения, и для каждой из них задать продолжительность работы.

Модульный таймер

  • Модульные таймеры представляют собой усовершенствованную разновидность предыдущего устройства. С помощью модульного таймера можно распланировать запуск обогрева в течение недели (к примеру, в воскресенье машина не нужна – потому и отопитель не включается).
  • Брелок дистанционного управления имеет функционал, аналогичный минитаймеру. Радиус действия брелка составляет около 1 км, потому, даже находясь в офисе, вы можете прогреть машину к моменту предполагаемой поездки.
  • GSM-модуль позволяет управлять работой обогревателя с помощью мобильного телефона.

GSM-модуль

Монтаж отопителя

Комплектация

Полноразмерные обогреватели, предназначенные для грузовиков, автобусов и спецтехники самостоятельно монтировать, конечно же, не стоит. А вот установить на свой легковой автомобиль предпусковой прогреватель (такой как Webasto Termo Top E) своими руками может практически кто угодно.

Установочный комплект

Для начала необходимо купить само устройство, а также – специальный установочный комплект.

В итоге у нас на руках должны быть:

  • Автономный отопитель Вебасто.
  • Бензонасос.
  • Металлические и пластиковые стяжные хомуты для установки элементов отопительной системы.
  • Пульт управления отопителем с комплектом проводов для подключения его к электрической сети автомобиля (см. также Зачем нужна владельцу схема электропроводки ГАЗель).
  • Комплект шлангов и патрубков.

Как правило, никаких дополнительных деталей для установки не требуется. В отдельных случаях может понадобиться покупка кронштейна для размещения самого прибора внутри автомобиля.

Процесс установки

В большинстве случаев видео рекомендации по монтажу обогревателей Вебасто можно найти на сайте производителя.

Здесь же приводится инструкция, описывающая основную последовательность операций:

  • Первое, что необходимо сделать – это определиться с местом установки прибора под капотом автомобиля. Как правило, между радиатором и двигателем места недостаточно, поскольку мешают трубки кондиционера и его компрессор.
  • Оптимально устанавливать устройство так, чтобы можно было использовать как можно более короткий бензопровод, а также – не слишком длинные патрубки.
  • Затем в выбранное место устанавливаем кронштейн из нержавеющей стали. Кронштейн можно окрасить, чтобы уменьшить интенсивность коррозии.

Обратите внимание!
При установке отопителя допускается смещение топливных трубок. Для этого их необходимо отогнуть в сторону и зафиксировать.

  • В кронштейне сверлим отверстия, к которым крепим направляющие самого прибора.
  • Монтируем впуск, а затем – устанавливаем воздушный вывод.
  • Подводим к устройству бензопровод, подключаем его к бензонасосу. Отдельно протягиваем провода, обеспечивающие электропитание бензонасоса. Также подключаем проводку к самому отопителю.

Фото подключенного устройства

После завершения всех операций присоединяем питающие провода к аккумулятору и тестируем систему. В зависимости от особенностей конструкции прогреватель может запуститься как сразу, так и через несколько минут работы двигателя – связано это с наличием воздуха в системе.

Пульт управления на панели

Предстартовые прогреватели и отопители Вебасто представляют собой устройства, удобство которых сложно переоценить. Так что если есть возможность установить такой агрегат – то не стоит экономить на собственном комфорте и ресурсе автомобиля (см. также статью Электропроводка Камаз: разбираемся в модификациях).

Webasto thermo top evo 5 дизель схема подключения. Доставка предпускового отопителя Вебасто

Обеспечивает прогрев двигателя и салона

Дождливой осенью и холодной зимой гораздо комфортнее садится в тёплый салон. А запуск прогретого до рабочей температуры двигателя существенно облегчает этот процесс и снижает его износ.

Компания Вебасто – мировой лидер в сфере разработки и производства автономных подогревателей, предлагает устройства подогрева двигателя последнего поколения Thermo Top Evo COMFORT+ .

Предпусковой дизельный подогреватель Вебасто – это продукт премиум класса! Он не только повышает Ваш комфорт при эксплуатации автомобиля, но и даёт ещё ряд преимуществ. Тёплый мотор легче заводится. Аккумулятор прогрет. Пропадает необходимость греть двигатель работой на холостом ходу. Оттаявшие за время работы Вебасто стёкла улучшают обзор.

Всё это позволяет с уверенностью сказать, что установка отопителя Вебасто:

  1. Повышает комфорт;
  2. Сберегает ресурс двигателя;
  3. Снижает затраты на топливо;
  4. Повышает безопасность вождения.

Новейшая модель Термо Топ Эво КОМФОРТ+ была разработана на базе проверенной и отлично себя показавшей в работе модели Webasto TT Evo 5. Она сохранила все преимущества и при этом стала более доступной.

Основные особенности Вебасто КОМФОРТ+ – это улучшенные алгоритмы работы подогревателя.

  • Подогреватель работает автономно, независимо от двигателя.
  • Тепло начинает поступать в салон уже через 5-7 минут после запуска подогревателя.
    Это достигается за счёт реализации функции плавного управления производительностью циркуляционного насоса. Чем ниже температура охлаждающей жидкости, тем медленнее работает насос, тем самым быстрее прогревая жидкость.
  • Отопитель Вебасто работает на максимальной мощности, прогревая охлаждающую жидкость до 80 градусов. Затем переходит в экономичный режим, обеспечивая поддержание этой температуры и догревая максимум до 86 градусов.
  • При достижении температуры 45 градусов отопитель даёт команду на включение вентилятора печки салона. ВАЖНО! В современных автомобилях для активации электронной системы климат контроля может потребоваться дополнительное устройство, согласующее работу подогревателя Вебасто с ЭБУ автомобиля по CAN шине.

Управление подогревателями Вебасто Термо Топ Эво КОМФОРТ+ может осуществляться несколькими способами, на Ваш выбор.

Купить Webasto Thermo Top COMFORT – значит освободить себя от лишних затрат времени и денег. Повысить комфорт и безопасность вождения. Продлить срок службы двигателя.

Надёжность продукции Вебасто хорошо известна во всём мире. Мы предлагаем только оригинальное оборудование, сертифицированное для использования в России, с гарантией от изготовителя.

Заказать дизельный подогреватель двигателя в интернет-магазине Транс Термо очень просто. Наши менеджеры всегда готовы проконсультировать по любым вопросам и подобрать оптимальный комплект необходимого оборудования.

Если Вам требуются услуги по установке отопителя Вебасто ТТ Эво КОМФОРТ на автомобиль, то специалисты нашего сервисного центра выполнят эту работу быстро и качественно. Большой опыт, а также регулярное прохождение нашими мастерами обучения в официальном представительстве Вебасто в России являются гарантией качества предоставляемых услуг.

Монтаж подогревателей двигателя выполняется в соответствии с заводскими инструкциями, которые согласованы со всеми крупнейшими автопроизводителями, поэтому не лишает автовладельца гарантии на автомобиль.

Область применения модели Thermo Top Evo Comfort

  • Легковые автомобили среднего класса с объёмом двигателя до 4 л
  • Прогрев двигателя и салона в умеренно холодных условиях

Технические характеристики подогревателей серии Thermo Top Evo


* в комплект не входит устройство управления — ОПЦИЯ

Управление подогревателем осуществляется либо дистанционно — с пульта Telestart T91 или по телефону с помощью системы Thermo Call, либо с цифрового таймера, установленного в автомобиле. Подогреватель можно оснастить одной из перечисленных систем управления или любой их комбинацией — это оговаривается отдельно при покупке/ установке подогревателя. Здесь можно ближе познакомиться с нашими системами управления

Правда ли, что применение подогревателя повышает безопасность?

Статистика свидетельствует, что зимой большинство ДТП происходит в первые 15 минут поездки. Причиной этого является ограниченный обзор и увеличенное время реакции водителя при низких температурах. Предпусковой подогреватель, прогревающий салон и способствующий оттаиванию лобового стекла, помогает решить эти проблемы и тем самым повышает безопасность поездки.

Много ли топлива расходует подогреватель?

Одно из основных направлений совершенствования подогревателей Webasto – снижение потребления ими топлива. В настоящее время для работы подогревателя Thermo Top Evo с полной нагрузкой требуется не больше 0.7 л топлива в час. Кроме того, поскольку эффективность прогрева очень высока, как правило, нужная температура в контуре достигается раньше, и блок управления подогревателя автоматически переводит его в экономичный режим частичной нагрузки. К тому же прогретый двигатель расходует меньше топлива, это, как правило, компенсирует дополнительный расход топлива подогревателем.

Моя машина оборудована кондиционером (климат-контролем). Можно ли установить на нее предпусковой подогреватель?

Установка на большинство модификаций автомобилей, оборудованных кондиционером или системой климат-контроля, не встретит никаких препятствий. Возможно, потребуются дополнительные работы по настройке бортовой электроники, а также установка необходимых для этого реле и т.п. – в любом случае, дополнительные затраты времени и денег на это относительно невелики. Что касается пользования подогревателем: в зависимости от системы кондиционирования/ климат-контроля, установленной на Вашем автомобиле, в ходе подготовки подогревателя к работе (т.е. перед тем, как Вы оставляете машину на стоянке) может потребоваться нажать 1-2 дополнительные кнопки. Фирма Webasto разрабатывает для таких автомобилей специальные инструкции как по установке, так и по пользованию: подробности Вы можете узнать в наших сервисных центрах!

В чем заключается разница между предпусковыми подогревателями Thermo Top Evo 5 и 5+?

Обе модели обладают тепловой мощностью 5 кВт и работают макс. 60 минут. Благодаря оптимизированному управлению охлаждающим контуром, модель Thermo Top Evo 5 обеспечивает усиленную подачу теплого воздуха в салон автомобиля за счет прогрева двигателя. В умеренном европейском климате и для тех, чей приоритет — тепло в салоне, Thermo Top Evo 5+ часто предпочтительнее, чем модель «5».

К сожалению, эта модель поставляется только на европейский рынок, но в России мы предлагаем Вам специальный комплект дооборудования для Thermo Top Evo 5, с помощью которого он работает аналогично модели «5+». А для внедорожников с двигателями объемом более 4 л мы рекомендуем мощные подогреватели Thermo Pro 90.

Предпусковой подогреватель Webasto Thermo Top Evo — последняя разработка компании Webasto (Вебасто) обладает существенно меньшими габаритами, чем предыдущие модели, что позволяет устанавливать подогреватель в современные автомобили с предельно плотной компоновкой подкапотного пространства. Инженерам удалось уменьшить не только габаритные размеры, но и сократить потребление топлива на 30% по сравнению с отопителями предыдущей серии.

В холодное время года дизельные двигатели нуждаются в особом уходе. Запуск двигателя затрудняется уже при температуре ниже +5, из-за высокого КПД двигатель отдает очень мало тепла и в салоне автомобиля становится холодно. При использовании Вебасто (Webaso) на дизельном двигателе существенно облегчается его запуск, износ двигателя уменьшается на 70%. Вебасто помогает двигателю и после запуска, выполняя функцию догревателя, тем самым уменьшает расход топлива и согревает салон. В магазине сайт можно купить Вебасто Термо Топ Эво 5 (Webasto Thermo Top Evo 5) для дизеля объемом более 2х литров по самой выгодной цене. Для дизельных машин с объемом менее 2х литров возможно использование

  • Размер подогревателя : длинна 21,8 см. ширина 9,1 см. высота 14,7 см.
  • Потребляемая мощность: 12-33Вт. (частичная/полная нагрузка)
  • Расход топлива : 310-620 мл./час (частичная/полная нагрузка)
Зачем нужен? Для подогрева двигателя перед запуском и для прогрева салона автомобиля. Может работать при -40с, может работать при включенном двигателе, догревая охлаждающую жидкость до рабочей температуры.

Как работает? В камеру сгорания подается топливо из бака автомобиля, тепло от горения собирается теплообменником, в котором циркулирует охлаждающая жидкость двигателя, тепло в салон поступает от радиатора печки автомобиля

Как использовать? Включать перед поездкой на машине за 10 — 60 минут до выезда. Время работы зависит от температуры воздуха, мощности подогревателя, и объема двигателя автомобиля.

Как запускать? С помощью органов управления выбирайте , или . Не входят в комплект поставки

Что в комплекте? Подогреватель поставляется с монтажным комплектом, который подходит на большинство автомобилей. можно найти на нашем сайте

Webasto Thermo Top Evo 5 (дизель) отзывы

Средняя оценка покупателей: () 5.00 из 5 звезд

  • Покупка Вебаста Алексей 5 декабря 2016 10:54

    Заказал Webasto Thermo Top Evo 5, был приятно удивлен скоростью доставки (3дня в г.Бердск Новосибирская область),комплектация полная, упаковка аккуратная…
    После установки напишу отзыв о работе самого подогрева.
    Отдельное спасибо менеджеру Владимиру, специалист своего дела, технически грамотен,внимателен, тактичен. Прадо 150 дизель Новосиб Андрей Александрович 19 декабря 2015 17:51

    Опыт эксплуатации уже больше месяца, очень доволен покупкой, достаточно 20 минут работы вебасты для легкого пуска дизеля, прогрев салона не подключал, батарейка разряжается быстрее, а пробеги небольшие, не успевает дозарядиться, так что для меня это выход из положения. Большое спасибо сотрудникам магазина, приняли заказ по телефону, вежливо и доступно объяснили что к чему, доставили Деловыми линиями, упаковка очень хорошая, всем советую для дизеля ставить вебасто!

Посмотрите

ПОДРОБНЕЕ

Предпусковой подогреватель Webasto Thermo Top Evo 5 — новая разработка компании Вебасто.
Обладает существенно меньшими габаритами, чем предыдущие модели, что позволяет устанавливать подогреватель в современные автомобили с предельно плотной компоновкой подкапотного пространства. Инженерам удалось уменьшить не только габаритные размеры, но и сократить потребление топлива на 30% по сравнению с серией Thermo Top C.
Экономичность, высокая теплопроизводимость, минимальные габариты и малый вес сделали Top Evo 5 флагманом среди подогревателей для легковых автомобилей.
Предназначен для легковых автомобилей с объемом двигателя от 2 до 4 литров .

Комплект поставки отопителя:

1 — Отопитель для замены Thermo Top Evo 5

2 — Циркуляционный насос U 4847 econ 12V (Ø 18мм)

3 — Насос – дозатор DP 42 12V (бензин и дизель) с крепежом

4 — Комплект штуцеров для подсоединения на подогреватель 2х900 Ø18мм, два пружинных хомута Ø25мм 2шт – 90 град. х18мм

5 — Пакет с соединительными штуцерами. Состав: штуцер угловой 900 х — 2 шт, хомут самозажимной Ø25мм — 6 шт

6 — Пакет с соединительными штуцерами. Состав: штуцер угловой 900 — Ø18х18мм — 1 шт штуцер прямой Ø18х18 мм — 1 шт самозажимной хомут Ø 25 мм – 6 шт

7 — Шланг жидкостной L= 2м Øвнутр.= 18 мм, Øвнеш.= 18 мм

8 — Прижимная пластина для жидкостных патрубков, два резиновых уплотнения, монтажный саморез

9 — Пакет с кронштейном циркуляционного насоса U4847 econ, закладная гайка М6, болт М6, втулка

10 — Пакет с выхлопными хомутами и крепежом

11 — Пакет с крепежом

12 — Глушитель выхлопной Ø22мм

13 — Трубка выхлопная D=22, d=25.5, L=1000 мм

14 — Пакет с дистанционными металлизированными, термостойкими кольцами (красные) 2 шт.

15 — Трубка забора воздуха Øвнутр 21,4 мм, L= 400 мм.

16 — Пакет с глушителем заборного воздуха, фиксатор

17 — Упаковка кабельных стяжек. 40 шт

18 — Кронштейн стандартный

19 — Пакет соединительными топливными патрубками

20 — Жгут электропроводки основной (герметичный)

21 — Держатель предохранителей и реле (внутрисалонный)

22 — Жгут циркуляционного насоса

23 — Пакет с элементами для силового подключения мотора вентилятора печки салона

24 — Пакет с топливозаборником

25 — Топливная трубка, черная 1,5×5мм, L = 5м.

26 — Пакет с документацией

Жидкостный предпусковой подогреватель-отопитель Вебасто Thermo Top Evo 5 —оптимальный вариант для легковых автомобилей и кабин грузовых микроавтобусов с объёмом двигателя от 2 до 4 литров и работающих на дизельном топливе. В комплектацию не входит орган управления (приобретается отдельно).

Данную модель выделяет сразу несколько особенностей: увеличенная отопительная мощность (5 кВт) и при этом сниженное потребление топлива; уменьшенные габариты и рекордно малый вес. При этом, ТТ Evo 5 разогревает машину значительно быстрее других отопителей, потребляет мало электроэнергии и уменьшает концентрацию вредных веществ в выхлопе.

Жидкостный отопитель Вебасто устанавливается под капотом возле двигателя и для своей работы использует топливо из топливного бака автомобиля. Подогреватель питается от бортовой сети автомобиля и потребляет около 33Вт.

Преимущества и достоинства Webasto Thermo Top Evo 5

№1. Очень быстрый разогрев

Установив в свой автомобиль Вебасто ТТ Evo 5, вы будете садиться в уже теплый салон и без труда заводить двигатель. И стекла чистить не надо. Если раньше, без Вебасто, приходилось ждать, пока прогреется двигатель и отдирать лед и снег от стекол, то теперь об этом можно забыть! Вебасто Evo 5 не только к вашему приходу полностью подготовит автомобиль к поездке, но и сделает это быстрее всех моделей предыдущих поколений.

Что касается стекол, нужно отметить, что подогреватель Вебасто избавляет их не только от снега и льда на внешней поверхности, но и от водяного конденсата на внутренней. Благодаря отопителю вам гарантирован отличный обзор с самого начала поездки.

№2. Нагрузка на аккумулятор и расход топлива

При том, что эффективность и скорость прогрева у Evo 5 выше, чем у других систем, отопитель позже включает вентилятор штатной системы отопления автомобиля. А благодаря этому сохраняется заряд АКБ. Кроме того, подогреватель только положительно влияет на расход топлива (увеличивает моторесурс) и плюс к этому уменьшает концентрацию вредных веществ в его выхлопе.

Одним из достоинств Вебасто является низкий расход электроэнергии, который теперь составляет 33 Вт. Кроме того, котел модели Evo 5 защищен от понижения напряжения, что не даст посадить аккумулятор. Так что вам точно не грозит попасть в ситуацию, когда автомобиль теплый и согретый, а ехать не может, т.к. его уже нечем завести.

№3. Уменьшенные габариты и самый маленький вес

Предпусковой отопитель Вебасто TT Evo 5 отличается минимальными габаритами и максимальной производительностью. Размер устройства (218 х 91 х 147 мм) позволяет вам без особых трудностей и каких-либо переделок установить подогреватель даже в тот автомобиль, где под капотом совсем мало свободного места.

Раз уменьшился размер отопителя, то уменьшился и его вес. Модель Evo на 15% меньше и на 30% легче, чем TТ предыдущих моделей. На данный момент это самый легкий подогреватель из всех существующих. Его вес составляет всего 2,1 кг.

№4. Стабильная работа и защищенность системы

Даже если в автомобиле упадет бортовое напряжение, число оборотов мотора нагнетателя воздуха останется стабильным, а значит, производительность Thermo Top Evo сохраняется. Отключение подогревателя при падении напряжении происходит в фазе старта и в ходе стабильной работы при различных пороговых значениях напряжения. Таким образом обеспечивается как работа подогревателя, так и возможность запуска двигателя.

Отопитель отличается высокой надежностью благодаря керамическому штифту накаливания, а горелка с металлокерамической прокладкой надежно защищена от перегрева и износа.

Вебасто производится в Германии.

Гарантия: 2 года с момента приобретения.

Управление

Комплектация Вебасто не включает орган управления.

Производитель Webasto
Страна происхождения Германия
Подходящие модели автомобилей Luxgen, BMW, Ford, Audi, Honda, Hyundai, Kia, Mazda, Mercedes-Benz, Mitsubishi, Nissan, Renault, Skoda, Toyota, Volkswagen, ЯПОНСКИЕ, Acura, Daihatsu, Datsun, Infiniti, Lexus, Scion, Subaru, Suzuki, АМЕРИКАНСКИЕ, Buick, Cadillac, Chevrolet, Chrysler, Dodge, GMC, Hummer, Jeep, Lincoln, Mercury, Oldsmobile, Pontiac, Tesla, РОССИЙСКИЕ, Lada (ВАЗ), ГАЗ, Москвич, ТагАЗ, УАЗ, Opel, Porsche, Daewoo, SsangYong, Alfa Romeo, Aston Martin, Bentley, Bugatti, Citroen, Ferrari, Fiat, Jaguar, Lamborghini, Lancia, Land Rover, Maserati, Maybach, Mini, Peugeot, Rolls-Royce, Rover, Saab, SEAT, Volvo, Brilliance, BYD, Changan, Chery, DongFeng, FAW, Geely, Great Wall, Haima, Haval, JAC, Lifan
Вес 8 кг

Зачем нужен? Для подогрева двигателя перед запуском и для прогрева салона автомобиля. Может работать при -40с, может работать при включенном двигателе, догревая охлаждающую жидкость до рабочей температуры.

Как работает? В камеру сгорания подается топливо из бака автомобиля, тепло от горения собирается теплообменником, в котором циркулирует охлаждающая жидкость двигателя, тепло в салон поступает от радиатора печки автомобиля

Как использовать? Включать перед поездкой на машине за 10 — 60 минут до выезда. Время работы зависит от температуры воздуха, мощности подогревателя, и объема двигателя автомобиля.

Как запускать? С помощью органов управления выбирайте таймер, пульт ДУ или GSM модуль. Не входят в комплект поставки

Что в комплекте? Подогреватель поставляется с монтажным комплектом, который подходит на большинство автомобилей. Состав комплекта поставки можно найти на нашем сайте

Как установить? Установка подогревателя занимает в среднем 8 н/часов, в зависимости от модели автомобиля. Подробную инструкцию можно найти на нашем сайте.

Для большинства людей автомобиль является неотъемлемым элементом напряженной деловой жизни и верным спутником отдыха с семьей или друзьями. Приближение холодов заставляет автомобилистов задуматься о том, как избежать типичных «сезонных» проблем: не желающий заводиться двигатель, заледеневшие стекла, промерзший салон.

Водители, ориентированные на качество и комфорт эксплуатации автомобиля, знают надежное решение этих проблем — установка автономного предпускового подогревателя. Сомневающиеся автолюбители вспоминают различные мифы, связанные с работой автономных отопителей. Есть ли в них правда, мы и постараемся разобраться.

Миф 1

Подогреватель «сажает» аккумулятор.

Рассмотрим процесс запуска легкового автомобиля в холодную погоду. Средняя емкость аккумулятора — примерно 60 А/ч. Когда на улице устанавливается температура воздуха от -15C и ниже, то емкость АКБ падает примерно на 15-20%, по факту получаем 45-50 А/ч. Для запуска теплого двигателя требуется около 15 А. Потребление тока у подогревателя Webasto серии Thermo Top минимально, а за весь цикл работы отопителя составляет порядка 1,5–3 А. Остается примерно 42-47 А/ч. Этого с лихвой хватит, чтобы запустить двигатель. При запуске холодного двигателя сопротивление и пусковые токи гораздо выше, и стартер чаще выходит из строя при проворачивании, также повышается износ двигателя.

Плотности аккумулятора для запуска двигателя не хватит и в том случае, если водитель будет неправильно пользоваться климатической установкой своего автомобиля — при включении штатной «печки» она «высасывает» порядка 10–15 А. Специалисты компании «Вебасто» рекомендуют действовать так: выставлять максимальную температуру на минимальных оборотах «печки», а также эксплуатировать автомобиль не менее получаса после работы подогревателя.

Вывод: прогретый двигатель требует для запуска намного меньше электроэнергии, чем холодный.

Миф 2

Подогреватель «ест» много топлива.

Для грузового сегмента экономический эффект от использования подогревателей Webasto просчитывается с помощью специальных программ, куда вводятся исходные данные по периодам простоя, работе двигателя на холостом ходу, расходу дизельного топлива и пр. Как показывает многолетний опыт, все отопители выходят на точку окупаемости после первого сезона эксплуатации, т. е. за 5-6 зимних месяцев. По легковому сегменту расчеты основываются на личном опыте каждого автовладельца. В среднем, за ночь работы двигатель с автозапуском при регулярном включении «съедает» порядка 3 л топлива. Подогреватель Thermo Top от Webasto необходимо включить только один раз, непосредственно перед поездкой, даже если машина месяц стояла на холоде. За получасовой стандартоцикл при максимальных температурных нагрузках он потребляет всего около 200 г топлива.

Вывод: подогреватель и прогретый двигатель вместе потребляют меньше топлива, чем холодный двигатель с автозапуском.

Миф 3

Подогреватель может привести к пожару.

За 100 лет существования бренда не зафиксировано ни одного случая возгорания автомобиля из-за некачественного продукта «Вебасто». Отопители Webasto соответствуют самым жестким нормам пожаробезопасности. Интересный факт: на стенде завода-изготовителя в Германии есть отопитель, который работает непрерывно уже 40 (!) лет — так тестируется качество сплава, из которого он выполнен.

Продукт полностью сертифицирован в России и имеет одобрение российского Госстандарта. Достоверность оборудования указывается в гарантийном талоне на русском языке.
Неполадки возможны только при неправильном монтаже предпускового подогревателя. Именно поэтому все мастера, занимающиеся установкой Webasto, проходят раз в два года обязательное обучение в Вебасто. Сертификаты о прохождении специализированного обучения установщики обычно вывешивают рядом со своим рабочим местом.

Важно понимать, что сертифицированный продукт «Вебасто» — это не только фирменный отопитель, но и его качественная установка. Компания очень внимательно относится к качеству своего продукта и сопровождает его вплоть до установки, осуществляет дальнейшую диагностику в ходе эксплуатации. Будьте внимательны при выборе установочного центра.

Вывод: использование подогревателя Webasto абсолютно безопасно при установке сертифицированного продукта в сертифицированном центре у прошедших обучение мастеров.

Миф 4

Подогреватель пригодится только в очень холодные дни, а их немного. И вообще, моя машина стоит в теплом гараже, мне подогреватель не нужен.

Использование подогревателя целесообразно с того дня, когда утренняя температура опускается ниже +5С. А таких дней даже в европейской части России более двухсот в году, что уж говорить об уральском климате. И даже если на ночь вы ставите автомобиль в теплый гараж, то в течение дня все равно оставляете его под открытым небом — у офиса, магазина, ресторана, приезжая в гости или выезжая на природу. И во всех этих случаях отопитель Webasto будет незаменим. Пользоваться подогревателем можно и в неотапливаемом гараже, если он оснащен вытяжкой. Кстати, согласно статистике компании, более половины владельцев подогревателей Webasto имеют гаражи.

Вывод: подогреватель будет полезен в любой ситуации.

Таким образом, выгода и безопасность установки Webasto очевидны. Предпусковые подогреватели создают комфорт при эксплуатации автомобиля в непредсказуемых погодных условиях и существенно экономят время водителя.

Для установки на легковые автомобили фирмой «Вебасто» разработана серия подогревателей Thermo Top для бензиновых и дизельных двигателей объемом до 2 л и более. Рекомендации по выбору и установке конкретной модели вы можете получить у наших менеджеров.

Для большинства людей автомобиль — неотъемлемая часть деловой жизни и верный спутник на отдыхе. Приближающиеся холода заставляют автомобилистов задуматься о том, как избежать типичных «сезонных» проблем, когда двигатель не хочет заводиться, а водителю приходится садиться в промерзший салон с заиндевевшими стеклами.

Автовладельцы, ориентированные на качество и комфорт эксплуатации автомобиля, уже нашли надежное решение этих проблем — они устанавливают предпусковые подогреватели. Сомневающиеся автолюбители вспоминают различные мифы, связанные с работой автономных отопителей. Мы продолжаем разбираться, насколько эти истории правдивы.

Миф 5

При установке подогревателя происходит вмешательство в работу автомобиля и его систем.

Продукт Webasto потому и называется «автономным», что устанавливается без вмешательства в сложные электронные системы автомобиля (такие, например, как иммобилайзер и др.). Также владелец автомобиля может ставить дополнительные охранные устройства любой сложности — Webasto никак не препятствует их работе.

Подогреватель устанавливается в моторном отсеке и подключается к трем системам автомобиля: топливной (топливо подается отдельным насосом через топливозаборник из бака автомобиля), системе охлаждения и к бортовой сети (аккумулятор). Благодаря компактности отопителей «Вебасто» и широкому диапазону установочных положений их монтаж максимально упрощен. Сам автомобиль при установке устройства в сертифицированном центре остается на гарантии.

Вывод: при установке автономных отопителей «Вебасто» вмешательство в системы автомобиля минимально.

Миф 6

Дешевле установить сигнализацию с автозапуском, ведь результат будет тот же.

Во-первых, автозапуск значительно снижает защищенность автомобиля от угона, в связи с чем многие страховые компании стали делать наценку при страховании автомобиля с подобной системой сигнализации. Во-вторых, в отличие от Webasto, при автозапуске происходит холодный пуск двигателя, при котором сильно изнашивается поршневая группа, нейтрализатор, лямбда-зонд и свечи. Говоря по-простому, двигатель «корежит на холодную». За сезон это сравнимо с износом от пробега дополнительных нескольких десятков тысяч километров. Часто автозапуск ставится на автоматическое включение при снижении температуры в контуре до определенного значения, что приводит к многократным включениям в течение стоянки автомобиля. Это негативно влияет на системы, поддерживающие рабочую температуру мотора, и требует большого расхода топлива (напоминаем, что подогреватель Webasto за час работы расходует немногим более полулитра горючего). А также повышает вероятность быстро разрядить аккумулятор. Наконец, автозапуск не гарантирует пуск двигателя в сильный мороз.

Принцип же действия отопителя Webasto совершенно иной. Он включается один раз непосредственно перед поездкой, прогревая двигатель и радиатор штатного отопления («печку»). Водитель садится в теплый салон автомобиля и запускает теплый двигатель.

Кроме того, если произошла поломка двигателя, к примеру, зимой на трассе, то благодаря Webasto, подключенному к штатной системе отопления, в салоне будет тепло. И водитель с пассажирами смогут дождаться помощи, не боясь замерзнуть и заболеть на холоде. Это еще одно отличие от автозапуска, который в подобной ситуации при сломанном двигателе абсолютно бесполезен.

Вывод: в отличие от подогревателей Webasto сигнализации с автозапуском из-за иного принципа работы существенно снижают ресурс двигателя при холодном пуске и не гарантируют запуск при очень низких температурах. Основной функцией сигнализации все же должна оставаться защита автомобиля от угона.

Миф 7

Двигатель не может работать одновременно с отопителем. В противном случае он перегревается.

Одновременная работа двигателя и отопителя возможна, а в некоторых случаях даже необходима. К примеру, при движении автомобиля с дизельным двигателем по трассе в морозы происходит быстрое охлаждение мотора. Водитель включает Webasto, и он работает как догреватель, поднимая температуру ДВС и, тем самым, сохраняя заряд аккумулятора. Это, кстати, еще одно неоспоримое преимущество по сравнению с автозапуском — последний не дает дополнительного прогрева.

Процесс отопления регулируется автоматически: когда температура в контуре достигает пороговой — подогреватель работает с частичной нагрузкой, временно отключаясь, если температура жидкости превышает заданную. Идет циркуляция нагретого до нужного значения тосола (антифриза), перегрев двигателя при этом исключен.

Мастера-профессионалы при установке отопителя также строго следят за тем, чтобы контуры циркуляции жидкости в подогревателе и в двигателе были сонаправлены. Нарушение данной технологии действительно может стать причиной перегрева подогревателя. Но возможно это лишь в том случае, если установку осуществлял неквалифицированный мастер, не прошедший обучение в Вебасто.

Вывод: подогреватель Webasto и двигатель могут работать одновременно, и при профессиональной установке отопителя перегрев двигателя исключен.

Миф 8

Подогреватель — это слишком дорого.

Польза от подогревателя Webasto несравнимо больше, чем от различных подогревающих приспособлений (для сидений, руля, стекол и др.). Ведь он гарантирует запуск двигателя в любую погоду и сохраняет его ресурс. При установке Webasto также значительно уменьшается нагрузка на аккумулятор. Если не менять автомобиль раз в год, то отопитель окупится за пару сезонов. Это возможно за счет меньшего расхода топлива во время работы Webasto по сравнению с регулярными пусками и работой холодного двигателя при автозапуске (см. «Миф 2») и экономии на ремонтах. Ну а здоровье и безопасность водителя — в принципе, бесценны.

Вывод: установка подогревателя Webasto полностью окупается благодаря экономии ресурса двигателя и снижению расхода топлива при запуске. К тому же здоровье и безопасность водителя и пассажиров дороже любых денег.

Таким образом, выгода от установки Webasto очевидна. Предпусковые подогреватели существенно экономят как ресурс двигателя, так и время водителя, обеспечивая надежную и комфортную эксплуатацию автомобиля в любых погодных условиях.

На заметку автомобилисту

Подогреватели Webasto изготавливаются и полностью собираются на заводе в Германии. Продукт сертифицирован в России и одобрен — головным институтом по автосертификации в России.

Зимний период времени привносит в жизнь человека некоторые изменения. Люди начинают носить объемную одежду, количество прогулок сокращается до минимума, а после работы в голове только одна мысль «Домой – домой, в тепло».

В это время мужчины беспокоятся о состоянии самого родного помощника – их машины. Еще до начала холодов они бороздят просторы интернета в поисках самых лучших запчастей, утеплительных материалов, и в этот момент могут задуматься про автоотопитель. Ведь благодаря такому устройству можно быстрее нагреть машину, не будет замерших стекол и примерзших «дворников».

Часто автомобильные подогреватели устанавливают на грузовые машины, но и для легковых сегодня производят данные аппараты. Особое внимание можно уделить компании Webasto . Она считается одной из лучших производителей комплектующих для машин, а самое большое внимание уделяется производимым обогревателям.

Это немецкая компания, которая может гарантировать высокое качество каждой детали. Ее развитие не стоит на месте, и сегодня в любом магазине мужчины могут найти заинтересовавшие их подогреватели разных видов.

Webasto Thermo Top EVO – самая новая и популярная модель обогревателей немецкой компании. Она продается в двух видах, на дизеле или на бензине, что дает возможность выбрать подходящие оборудование именно для конкретной модели машины. Поставляется отопитель вместе с деталями для его монтажа.

Купить Webasto никому не составит большого труда, и он походит как для двигателей с объемом 2 литра, так и для объема до 5 литров. Преимуществом этих моделей на сегодня являются:

  • маленький размер;
  • небольшой вес;
  • увеличенная мощность отопления;
  • меньшее употребление топлива.

Все это делает Webasto EVO лучшим, компактным и качественным обогревателем среди массы остальных. А немецкая компания занимает лидирующие позиции среди производителей отопителей для машин.

Компания Webasto выпускает один их самых популярных обогревателей Thermo Top EVO , который можно купить или на бензине, или на дизеле. Цена продукции зависит от того, на какой объем двигателя рассчитана покупка.

Жидкостные подогреватели имеют свои плюсы, например:

  • подогрев и салона, и двигателя;
  • возможность управлять дистанционно;
  • программирование времени включения.

Так как отопители немецкой компании произведены по одинаковому образцу, нужно определиться лишь с наполнительной жидкостью для их работы. Поэтому будет лучше, если покупатель рассмотрит плюсы и минусы предпусковых подогревателей на дизеле и на бензине.

Дизельные отопители почти не имеют отличий от бензиновых, но преимуществом такого устройства считается возможность экономии заряда автомобильного аккумулятора. А это очень важно, особенно во время поездок зимой. Недостатком является реакция топлива на низкую температуру. Это значит, что водитель должен потратить немного времени, чтобы запустить обогреватель и двигатель, если он тоже дизельный.

Плюс бензинового обогревателя – это бесшумность работы, так как устройство размещается под капотом машины. Такой подогреватель может работать во время выключенного двигателя, благодаря бензину эффект от нагрева очень большой. Правда, минусом является внушительный расход топлива, что иногда бывает не рационально.

Обогреватели Webasto EVO благодаря продуманной сборке получаются компактными и экономят топливо, и при этом увеличивая мощность обогрева. Это выводит немецкую компанию в лидеры производства.

Человеку самому взвешивать все преимущества дизельного или бензинового подогревателя, но на счет компании стоит даже не сомневаться. Webasto производит продукцию высокого качества и может предоставить хорошее сервисное обслуживание.

Подбор обогревателя для автомобиля – это очень важное и хлопотное дело. На сегодняшний день очень много компаний, которые выпускают данные устройства. Мужчины могут ознакомиться с одним из таких производителей – это Webasto .

Thermo Top EVO – самый популярный подогреватель этой немецкой компании. Он бывает на дизеле и на бензине. Для машин с двигателем до 2 литров лучше использовать модель EVO 4, а если объем двигателя больше 2, то покупайте обогреватель EVO 5. Предпусковой подогреватель данного вида – это новая разработка компании, которая имеет несколько преимуществ над другими моделями:

  • легче установить отопитель;
  • снижено количество употребляемого топлива;
  • регулировка работы устройства;
  • уменьшен вес продукта.

Webasto EVO быстро разогревает как салон, так и двигатель. Благодаря его работе не будет снега и льда на стеклах с внешней стороны, а конденсата – с внутренней, что улучшает обзор с самого начала поездки. Как уже упоминалось выше, происходит экономия топлива и снижается нагрузка на аккумулятор. Так же подогреватель уменьшает количество вредных веществ в выхлопе машины.

Thermo Top EVO может похвастаться маленьким весом и небольшим размером, что способствует его легкой установке даже в небольшую машину. Благодаря качественным деталям и хорошей сборке подогреватель стабильно работает, если в автомобиле упадет бортовое напряжение, а также возможна защищенность двигателя от не запуска. Такую высокую надежность дает керамический штифт накаливания и горелка с металлокерамической подкладкой.

Купить Webasto можно как в интернет-магазине, так и в любом другом месте сбыта. В любом случае пользователь получает гарантию на 2 года с момента покупки. Приобретая обогреватель, покупателю нужно дополнительно купить только орган управления, который не входит в комплект.

  • Гарантия 2 года
  • 100% немецкий оригинальный отопитель
  • Постгарантийная поддержка запчастями

Webasto Thermo Top Evo 5 дизель — это автономный предпусковой подогреватель двигателя для автомобилей с объемом двигателя от 2 до 5 литров. Данный автономный отопитель от компании является грозой Российского рынка автономных подогревателей. Вебасто термо топ Ево 5 дизель является самым продаваемым автономным отопителем на территории России и ближнего зарубежья. Разработанный немецкой компанией данный отопитель прошел все суровые испытания северных районов нашей страны и заслужил уважение, доверие и теплоту Российских граждан. В Автономном отопителе Вы можете приобрести оригинальный отопитель Webasto Evo 5 бензин по очень выгодной цене.

Покупая Webasto EVO 5 дизель в Автономном Отопителе Вы получаете не просто немецкий отопитель, Вы получаете качественную консультацию, гарантию 2 года, гарантию лучшей цены вебасто, дополнительные скидки на продукцию Автономного отопителя и многие другие бонусы, которые мы дарим нашим покупателям.

Также, Вы можете выбрать на Вашу Вебасто после гарантийного срока.

Webasto Thermo Top EVO 5 цена

Мы гарантируем лучшую цену на Вебасто в России. Мы очень хорошо знаем весь рынок автономных отопителей и с заботой относимся к нашим покупателям, делая стоимость вебасто низкой и привлекательной. Всё это без ущерба качества и сервиса. Вы получаете абсолютно новый Webasto Evo 5 с полным комплектом.

Отопитель салона

Помимо прогрева двигателя, Webasto Evo умеет прогревать салон автомобиля. Автономный отопитель сделан так, что после прогрева мотора до определённой температуры он включает реле к оторому подключен мотор штатного автомобильного отопителя салона. При этом штатный вентилятор печки подаёт уже горячий воздух в салон автомобиля, тем самым прогревая его. В автомобилях, оснащенных CAN шиной предусмотрены специальные цифровые модули управления отопителем салона.

Webasto Thermo Top Evo 5 купить

Купить вебасто 5 Вы можете различными удобными способами. Автономный отопитель позаботился о том, чтобы наши покупатели получали высококачественный сервис и все современные методы оплаты отопителя.

  • Безналичный способ. По Вашему запросу мы выставляем счёт на оплату. Вы его оплачиваете и как только наша бухгалтерия фиксирует оплату мы начинаем подготовку на отправку Вебасто Термо Топ.
  • Карта сбербанка. Вам на почту высылаются данные Сбербан.Онлайн. Вы оплачиваете счёт.
  • Банковская карта. На сайте возможна оплата банковскими картами по защищенному протоколу SSL. Это означает, что когда Вы пользуетесь сайтом, за Вами никто не может шпионить и похитить данные.
  • Оплата при получении (Осмотр вложения). После Вашего заказа мы отправляем отопитель и Вы оплачиваете его при получении. Обратите внимание, что во многих городах можно просмотреть содержимое перед оплатой.

Доставка предпускового отопителя Вебасто

Вы можете купить Вебасто оплатив при получении в любом из пунктов выдачи.

Доставка отопителя Webasto Thermo Top Evo 5 дизель в такие города как Абакан, Архангельск, Астана, Астрахань, Барнаул, Белгород, Бийск, Биробиджан, Благовещенск, Братск, Брест, Брянск, Великий Новгород, Витебск, Владивосток, Владикавказ, Владимир, Волгоград, Волгодонск, Волжский, Вологда, Воронеж, Выборг, Гомель, Горно-Алтайск, Гродно, Егорьевск, Екатеринбург, Иваново, Ижевск, Иркутск, Йошкар-Ола, Казань, Калининград, Калуга, Кемерово, Киров, Клин, Комсомольск-на-Амуре, Кострома, Краснодар, Красноярск, Курган, Курск, Кызыл, Липецк, Магнитогорск, Махачкала, Минск, Могилёв, Москва, Мурманск, Набережные Челны, Нальчик, Наро-Фоминск, Находка, Нерюнгри, Нижневартовск, Нижний Новгород, Нижний Тагил, Новокузнецк, Новороссийск, Новосемейкино, Новосибирск, Новый Уренгой, Ногинск, Норильск, Ноябрьск, Омск, Орёл, Оренбург, Пенза, Первоуральск, Пермь, Петрозаводск, Петропавловск-Камчатский, Псков, Пятигорск, Ростов-на-Дону, Рубцовск, Рыбинск, Рязань, Самара, Санкт-Петербург, Саранск, Саратов, Севастополь, Северодвинск, Северск, Серпухов, Симферополь, Смоленск, Сочи, Ставрополь, Старый Оскол, Стерлитамак, Сургут, Сыктывкар, Тамбов, Тверь, Тольятти, Томск, Тула, Тюмень, Улан-Удэ, Ульяновск, Уссурийск, Уфа, Ухта, Хабаровск, Ханты-Мансийск, Чебоксары, Челябинск, Череповец, Чита, Шахты, Элиста, Южно-Сахалинск, Якутск, Ярославль и т. д.

Webasto Thermo Top Evo 5 дизель подходит к таким популярным авто как Acura, Alfa Romeo, Audi, BMW, Brilliance, Buick, BYD, Cadillac, Chery, Chevrolet, Chrysler, Citroen, Dacia, Daewoo, Daihatsu, Datsun, Dodge, FAW, Fiat, Ford, Geely, GMC, Great Wall, Haval, Honda, Hyundai, Isuzu, IVECO, Jeep, Kia, Lancia, Land Rover, Lexus, Lifan, Maxus, Mazda, Mercedes-Benz, Nissan, Opel, Peugeot, Plymouth, Pontiac, Porsche, Rover, Saab, Saturn, SEAT, Skoda, SsangYong, Subaru, Suzuki, Tatra, Toyota, Volkswagen, Volvo, ВАЗ (Lada), ГАЗ, ЗИЛ, ИЖ, ЛуАЗ, Москвич, ТагАЗ, Газель, Камаз, УАЗ, Краз, Белаз и другие.

«Вебасто»: принцип работы, устройство и особенности

Необходимым условием в дальней дороге в холодное время года является поддержание комфортной температуры в салоне автомобиля. И здесь одним из оптимальных решений будет отопитель Webasto – автономный прибор, обеспечивающий прогрев воздуха в машине до необходимой температуры.

В статье мы расскажем о том, что собой представляет это устройство, зачем оно нужно, а также опишем процесс самостоятельной установки отопителя.

Информация об автономном обогреве

Способы прогрева автомобиля

Для обеспечения комфортного микроклимата в салоне машины чаще всего используются автомобильные печки. Однако у них есть существенный недостаток — они функционируют только тогда, когда двигатель автомобиля находится в рабочем режиме.

Однако это возможно не всегда, а потому в некоторых ситуациях водителю приходится мерзнуть, сетуя на неправильно выбранную одежду или обувь.

Альтернативой печке может стать электрообогреватель, однако и в этом случае есть нюансы. И самый главный заключается в том, что запас электроэнергии в автомобиле не бесконечен, и потому не всегда есть возможность расходовать заряд аккумулятора на обогрев.

Выходом из такой ситуации являются автономные обогреватели автомобиля. Конечно, цена такого устройства выходит значительно большей, чем у стандартной печки, но и выгод от его эксплуатации предостаточно.

Кому будет полезен отопитель

В чем же заключаются эти выгоды?

  • Во-первых, автономный обогреватель создает в кабине автомобиля комфортную температуру сразу же после включения .
    Если с печкой мы бы услышали от водителя привычное «Потерпите, сейчас заведемся и нагреемся», то в случае с автономным теплогенератором мерзнуть не придется.

Обратите внимание!
Некоторые автономные отопители Webasto оборудуются модулем, обеспечивающим включение системы с мобильного телефона или специального пульта.
В этом случае можно начать обогрев салона заблаговременно, и к вашему приходу автомобиль будет достаточно теплым.

  • Во-вторых, использование этого устройства обеспечивает предпусковой прогрев двигателя . Благодаря этому даже на сильном морозе автомобиль заводится очень быстро, и ресурс двигателя существенно экономится.
  • Также стоит упомянуть о таких преимуществах как поддержание температуры в машине при длительной стоянке (дальнобойщики и ожидающие в очередях на таможню оценят), быстрый обогрев стекол, защита их от обмерзания и запотевания и т.д.

Исходя из этих преимуществ, устройства для обогрева от компании Webasto можно рекомендовать:

  • Тем, кто не любит мерзнуть в салоне автомобиля, или семьям, которые часто возят в салоне автомобиля маленьких детей.
  • Тем, кто подолгу стоит в пробках, очередях и т.д. В первую очередь это таксисты, курьеры, дальнобойщики, водители спецтехники и т.д.
  • А также тем, кто старается уменьшить износ двигателя своего автомобиля и по максимуму реализовать его КПД.

Конструкция отопителей

Воздушные

По конструкции автономные системы отопления делятся на воздушные и жидкостные. К наиболее распространенной категории устройств относятся именно воздушные системы.

Воздушная автономная система отопления Webasto имеет следующую конструкцию:

  • Основным элементом является герметично замкнутая камера сгорания.
  • В нее под действием топливного насоса через автоматически регулируемый кран со встроенным фильтром поступает топливо.
  • За запуск процесса воспламенения отвечает свеча накаливания.
  • Топливно-воздушная смесь воспламеняется и сгорает в специальном устройстве — горелке с насадкой особой формы. Воздух поступает в насадку горелки с помощью специального нагнетающего устройства, после чего – проходит в теплообменник.
  • В теплообменнике воздух прогревается до необходимой температуры, а затем под воздействием того же нагнетателя поступает в салон.

Остывший воздух из салона через заборные отверстия снова попадает в отопитель, где опять нагревается.

Воздушные отопители могут быть установлены практически на любом автомобиле, габариты которого позволяют уместить корпус устройства. Особенностями воздушных моделей является относительно малая масса (до 7 кг), а также небольшой расход горючего. За час работы установки в режиме непрерывного обогрева сжигается от 0,1 до 0,25 л топлива в зависимости от модификации.

Жидкостные

Жидкостные модели автономных теплогенерирующих устройств от компании Webasto отличаются несколько большим расходом топлива. За час работы такая установка расходует до литра горючего.

Принцип работы этого агрегата заключается в использовании ресурсов системы охлаждения двигателя:

  • По сигналу пользователя (нажатие кнопки, срабатывание таймера, сигнал с пульта или телефона) запускается насос отопителя.
  • Под воздействием насоса начинается прокачка охлаждающей жидкости.
  • Затем в камеру сгорания подается топливо, которое воспламеняется от свечи накаливания и сгорает, передавая через теплообменник тепловую энергию к циркулирующему по трубам теплоносителю.
  • Благодаря этому даже при «молчащем» двигателе включается штатная система обогрева автомобиля, поскольку прогретый теплоноситель начинает передавать энергию печке.

Управляет процессом автоматическая регулирующая система. При необходимости она увеличивает либо уменьшает подачу топлива в камеру сгорания, а также регулирует процесс нагнетания воздуха в систему.

Управление работой отопителя

Выше мы уже несколько раз упомянули об автоматизации работы системы. Пора более подробно рассмотреть, с помощью каких элементов можно регулировать объем потребляемого топлива и планировать поддержание температуры.

Управлять работой установки можно с помощью таких устройств:

  • Минитаймер – дает возможность программировать запуск прогрева на 24 часа, т.е. на сутки. У штатного минитаймера от компании Webasto есть возможность установить три точки включения, и для каждой из них задать продолжительность работы.

  • Модульные таймеры представляют собой усовершенствованную разновидность предыдущего устройства. С помощью модульного таймера можно распланировать запуск обогрева в течение недели (к примеру, в воскресенье машина не нужна – потому и отопитель не включается).
  • Брелок дистанционного управления имеет функционал, аналогичный минитаймеру. Радиус действия брелка составляет около 1 км, потому, даже находясь в офисе, вы можете прогреть машину к моменту предполагаемой поездки.
  • GSM-модуль позволяет управлять работой обогревателя с помощью мобильного телефона.

Монтаж отопителя

Комплектация

Полноразмерные обогреватели, предназначенные для грузовиков, автобусов и спецтехники самостоятельно монтировать, конечно же, не стоит. А вот установить на свой легковой автомобиль предпусковой прогреватель (такой как Webasto Termo Top E) своими руками может практически кто угодно.

Для начала необходимо купить само устройство, а также – специальный установочный комплект.

В итоге у нас на руках должны быть:

  • Автономный отопитель Вебасто.
  • Бензонасос.
  • Металлические и пластиковые стяжные хомуты для установки элементов отопительной системы.
  • Пульт управления отопителем с комплектом проводов для подключения его к электрической сети автомобиля (см. также Зачем нужна владельцу схема электропроводки ГАЗель).
  • Комплект шлангов и патрубков.

Как правило, никаких дополнительных деталей для установки не требуется. В отдельных случаях может понадобиться покупка кронштейна для размещения самого прибора внутри автомобиля.

Процесс установки

В большинстве случаев видео рекомендации по монтажу обогревателей Вебасто можно найти на сайте производителя.

Здесь же приводится инструкция, описывающая основную последовательность операций:

  • Первое, что необходимо сделать – это определиться с местом установки прибора под капотом автомобиля. Как правило, между радиатором и двигателем места недостаточно, поскольку мешают трубки кондиционера и его компрессор.
  • Оптимально устанавливать устройство так, чтобы можно было использовать как можно более короткий бензопровод, а также – не слишком длинные патрубки.
  • Затем в выбранное место устанавливаем кронштейн из нержавеющей стали. Кронштейн можно окрасить, чтобы уменьшить интенсивность коррозии.

Обратите внимание!
При установке отопителя допускается смещение топливных трубок. Для этого их необходимо отогнуть в сторону и зафиксировать.

  • В кронштейне сверлим отверстия, к которым крепим направляющие самого прибора.
  • Монтируем впуск, а затем – устанавливаем воздушный вывод.
  • Подводим к устройству бензопровод, подключаем его к бензонасосу. Отдельно протягиваем провода, обеспечивающие электропитание бензонасоса. Также подключаем проводку к самому отопителю.

  • Присоединяем обогреватель к системе охлаждения через патрубок.
  • Выводим провода в салон, после чего – устанавливаем на панель пульт управления (см. также статью Схема электропроводки ЗИЛ 130: и в снег, и в жару).

После завершения всех операций присоединяем питающие провода к аккумулятору и тестируем систему. В зависимости от особенностей конструкции прогреватель может запуститься как сразу, так и через несколько минут работы двигателя – связано это с наличием воздуха в системе.

Предстартовые прогреватели и отопители Вебасто представляют собой устройства, удобство которых сложно переоценить. Так что если есть возможность установить такой агрегат – то не стоит экономить на собственном комфорте и ресурсе автомобиля (см. также статью Электропроводка Камаз: разбираемся в модификациях).

Салонный отопитель есть штатно в любом автомобиле, будь это легковушка или грузовик. Работает эта печка по простой схеме – вентилятор обдувает теплообменник, заполненный горячим антифризом, который регулярно циркулирует по системе. Но минус этой схемы в том, что тепло исходит только на прогретом авто. Можно ли получить теплый салон и прогретый мотор без его запуска? Специалисты из «Вебасто» знают на это ответ. Данная компания уже давно производит предпусковые подогреватели и автономные отопители. Что это за агрегаты? Рассмотрим в нашей сегодняшней статье.

Характеристика

«Вебасто» представляет собой своего рода печку, которая работает автономно, вне зависимости от двигателя. Данный агрегат имеет свою камеру сгорания и питается от основного топливного бака. Но существуют некоторые отличия, о которых мы расскажем немного позже.

На какие авто устанавливается?

Подогреватель «Вебасто» штатно устанавливается на все без исключения магистральные грузовики и на туристические автобусы. Но также установку данного отопителя производят и на легковые авто. В частности, этим занимаются производители «Вольво» и «БМВ».

Как устроена система «Вебасто»? Принцип работы

Конструкция обогревателя довольно проста, ввиду чего данная система практически безотказна. Состоит «Вебасто» из двух элементов. Это:

  • Теплообразующий модуль.
  • Система управления.

Первая часть является основной в конструкции. Теплообразующий модуль объединяет в себе несколько элементов. Это насос, вентилятор, теплообменник, камера сгорания со свечой и сопло. Данный модуль заключен в небольшом корпусе размерами 25 х 15 х 10 сантиметров. Ввиду этого автономка легко помещается как в кабине грузовика, так и под капотом обычной легковушки. Если говорить о микроавтобусах, она может располагаться под пассажирским сиденьем или под кабиной. Корпус устройства весьма компактный, что является несомненным плюсом.

У «сухого» предпускового подогревателя «Вебасто» принцип работы весьма простой. После подачи сигнала с системы управления насос начинает забирать топливо из бака. Далее дизель смешивается с воздухом. Происходит это все в отдельной камере. Но как поджигается смесь, если дизель не горит от обычной искры? В работу подключается свеча накаливания. Именно она нагревает смесь до температуры самовозгорания. После этого выделяется тепловая энергия от сгорания топлива. Она идет на радиатор. Последний нагревается, и под воздействием вентилятора тепло идет в салон.

Жидкостная «Вебасто»

Принцип работы ее такой же, как и у «сухой» автономки. Единственное, что жидкостная автономка подключена к штатной системе охлаждения. Так, тепло, излучаемое «феном», идет на подгорев не только салона, но и антифриза. Также в устройстве имеется небольшая помпа, которая заставляет циркулировать теплую охлаждающую жидкость по малому кругу. Греет «Вебасто» систему до +40 градусов Цельсия (наряду с этим прогревается и масло в двигателе). Этого вполне хватает для уверенного запуска двигателя в сильные морозы. Таким образом, предпусковой подогреватель существенно снижает нагрузку на детали мотора и навесное оборудование (аккумулятор, стартер и генератор).

Прогревать ли мотор с «Вебасто»?

Ответ на этот вопрос будет зависеть от типа установленного отопителя. Так, если это жидкостная система «Вебасто» (принцип работы ее мы уже рассмотрели), машина полностью будет готова к запуску и движению. Не нужно дополнительно прогревать мотор – в этом вся «фишка» автономки. Но если установлен обогреватель сухого типа, двигатель будет оставаться холодным, даже если в салоне +30 градусов. Поэтому при температурах ниже нуля такой автомобиль следует дополнительно прогревать на холостых перед движением. На это уйдет около пяти минут времени.

Отличается ли принцип работы «Вебасто» для бензина?

Данная компания производит только дизельные автономки, которые работают по одинаковому алгоритму.

Много ли расходует?

Здесь все зависит от мощности автономного отопителя «Вебасто». Если речь идет о моделях для легковых авто и микроавтобусов (мощностью в полтора-два киловатта), то такая автономка потребляет до 300 грамм дизеля в час. Ну а более мощные модели, предназначенные для кабин грузовиков и для туристических автобусов (3-5 киловатт), тратят около 600 грамм в час.

Основные преимущества

Стоит ли приобретать и ставить такой агрегат себе в автомобиль? Отметим несколько плюсов такой установки:

  • Всегда теплый салон. С автономным отопителем «Вебасто» вам больше не придется садиться в холодный автомобиль и ждать, пока он прогреется.
  • Экономия времени. Система может автоматически включаться перед вашим выездом – достаточно запрограммировать таймер или включить систему через телефон за 15-20 минут до начала поездки.
  • Экономия топлива. На прогрев салона и антифриза в системе охлаждения уходит даже меньше горючего, чем при работе двигателя на холостых оборотах.
  • Отсутствие наледи на окнах. Поскольку салон уже будет теплым, ледяная корка на лобовом стекле автоматически растает. Не нужно отковыривать ее скребком или приобретать какую-либо химию.
  • Ресурс двигателя и навесных агрегатов. Мотор будет запускаться не на густом масле, а стартер и аккумулятор прослужат намного дольше.

Недостатки

Как видите, «Вебасто» — это действительно полезный отопитель. Но почему его устанавливают не на все автомобили? В первую очередь не все машины эксплуатируются в экстремально низких температурах. Установка «Вебасто» актуальна лишь при условии суровых зим. Если зимой шкала градусника не опускается ниже 10 градусов мороза, можно обойтись и без установки дополнительного отопителя.

Заключение

Итак, мы выяснили принцип работы «Вебасто» для дизеля и бензина, а также рассмотрели особенности автономного отопителя. Как видите, монтаж такого оборудования не всегда целесообразен. Но если позволяет бюджет и вы находитесь в суровом климате, приобретение автономки явно будет не лишним. Однако ставить ее нужно в специализированных мастерских, которые дают гарантию на свои работы.

+ Потому что подогреватели Webasto делают Вас по-настоящему независимыми! Не только от капризов погоды, но и от внешних источников энергии.

Что может быть приятнее, чем садиться в теплый автомобиль в холодный, сырой или снежный день и трогаться в путь с хорошей видимостью? Или в жаркие дни дышать свежим воздухом, который подается в салон благодаря функции автономной вентиляции? Побалуйте себя этим комфортом и насладитесь ощущением 21° в своем автомобиле в любое время года!

Предпусковые подогреватели для вашего автомобиля

Thermo Top Start

Модель разработана специально для холодных регионов России и других сфер применения, где требуется прогревать только двигатель. Комплект включает таймер. Специальное предложение у дилеров «Вебасто Рус»!

Thermo Top Comfort+

Российская адаптация премиум-модификации европейского рынка. Предлагает полноценный предпусковой подогрев двигателя и салона. Расширенный комплект. Дополнительно необходимо приобрести орган управления.

Программируемый таймер для Thermo Top Evo Start (входит в комплект)

Устанавливается на приборной панели или консоли.
Заранее устанавливается 3 программы (время включения и продолжительность работы), одна из которых активируется. Специальной кнопкой на таймере можно в любой момент включить или отключить подогреватель.

Программируемый таймер для Thermo Top Evo Comfort+

Один из вариантов систем управления на выбор.
Подходящий вариант для жесткого графика поездок.
Современный дизайн, удобная поворотная рукоятка.
Заранее устанавливается 3 программы (время включения и продолжительность работы) на каждый день недели, одна из которых активируется. Специальной кнопкой на таймере можно в любой момент включить или отключить подогреватель.

Telestart T91 — компактный

Telestart T91 — самый маленький в мире беспроводной пульт дистанционного управления для предпусковых подогревателей, который впечатляет своим дальнодействием. С удобного компактного «брелока» в стиле «ХайТек» можно запустить и отключить подогреватель, выбрать режим и установить или изменить продолжительность его работы с расстояния до 1000 м. Специальный индикатор сообщает о приходе сигнала на подогреватель.

ThermoCall — Мобильный

Вы можете управлять своим предпусковым подогревателем в любое время и из любого места с вашего мобильного телефона (правда, если Ваш автомобиль находится в зоне покрытия сети). На смартфонах для ThermoCall можно использовать бесплатное приложение.
Для ОС iOS его можно скачать в AppStore. Где скачать приложение для ОС Android, можно узнать здесь.

Качество и сервис, отмеченные наградами

Лучшие отзывы по итогам любых тестов! В TÜV SÜD и auto motor und sport. Имя победителя в тестах предпусковых подогревателей — всегда Webasto.

Никогда не поздно

Теперь легко не опаздывать на встречи даже в снежную и морозную погоду, потому что попытки завести мотор и надоедливое соскребание льда вручную осталось в прошлом! Ваш автомобиль готов ехать, когда вам это потребуется!

Качество подтверждено DEKRA

Парковочные отопители Webasto отличаются выдающимся качеством и проходят тщательные тесты.

Как это работает

1. Предпусковой подогреватель включен.
2. Подогреватель начинает процесс запуска; отопитель снабжается топливом, подаваемым из бака транспортного средства.
3. Топливно-воздушная смесь зажигается, жидкость из системы охлаждения нагревается в подогревателе.
4. Нагретая жидкость подается циркуляционным насосом подогревателя в теплообменник штатного отопителя автомобиля.
5. Тепло подается непосредственно в салон вентилятором штатного отопителя.
6. Нагретая жидкость подается к двигателю. Двигатель нагревается.
7. При достижении определенной температуры отопитель выключается, а циркуляционный насос работает, продолжая нагревать радиатор отопления салона.

Как это работает

Материалы для загрузки

  • Проспект по подогревателям для легковых автомобилей (2 MB)
  • Каталог продукции: подогреватели, отопители и кондиционеры (15 MB)
  • Инструкция по эксплуатации ДУ Telestart T91 (1 MB)
  • Инструкция по эксплуатации Thermo Call TC4 (333 KB)
  • Инструкция по эксплуатации Thermo Top Evo (164 KB)

Контакты

Вебасто Рус — центральный офис

141730 г. Лобня Московской обл.
ул. Горки Киовские, вл. 13

Эл. почта: [email protected]
Телефон: +7 (495) 579-79-79

Филиалы по Северо-Западу, Поволжью, Уралу, Сибири — контакты см. здесь

Воздушные отопители Webasto применяются для прогрева салонов легковых автомобилей, внедорожников, кабин грузового транспорта, салонов автобусов и грузовых отсеков в холодное время года. В качестве топлива используется бензин или дизель непосредственно с топливного бака автомобиля. В зависимости от объема обогреваемого салона или грузового отсека подбирается отопители Webasto Air Top различной мощности.

Подбор по параметрам

Обновленная модель отопителя мощностью 2 кВт. Новинка оснащена малошумным насосом и цифровым интерфейсом W-BUS. Отопитель идеально подойдет для установки в салон бензиновых внедорожников и микроавтобусов.
Подробнее

Обновленная модель воздушного отопителя мощностью 2 кВт для дизельных автомобилей. Подходит для прогрева салона внедорожников, микроавтобусов и кабин грузовиков.
Подробнее

Воздушный отопитель для дизельного топлива и автомобилей с напряжением бортовой сети 24 вольта. Подойдет для прогрева кабин грузовиков во время ночевки.
Подробнее

Бензиновый воздушный отопитель нового поколения Webasto Air Top Evo 40 предназначен для прогрева салонов микроавтобусов, кабин и грузовых отсеков коммерческого транспорта, а также, судоходного транспорта.
Подробнее

Дизельный отопитель Webasto Air Top Evo 40 предназначен для установки в кабины грузовиков, средних автобусов, катеров и спецтехники. Мощность отопителя составляет до 4 кВт.
Подробнее

Бензиновый воздушный отопитель Webasto Air Top Evo 55 обладает достаточной мощностью для прогрева помещений большого объема. Отопитель может использоваться для прогрева больших грузовых отсеков коммерческого транспорта или судов.
Подробнее

Данная модель выпущена на замену хорошо зарекомендовавшей себя Air Top Evo 5500. Новинка обладает еще более низкими показателями шумности и более высокой производительностью. Мощность данного воздушного отопителя в форсированном режиме до 5,5 кВт.
Подробнее

*отопитель укомплектован терморегулятором Webasto, стоимость оборудования с установкой может варьироваться в зависимости от марки автомобиля.

«>

ПРЕДОХРАНИТЕЛИ,БЛОКИ ПРЕДОХРАНИТЕЛЕЙ И РЕЛЕ ФОРД ТРАНЗИТ (FORD TRANSIT)

Перед тем как заменить перегоревший предохранитель или какое либо реле выключите всё электрооборудование и зажигание.
Вместо испорченного предохранителя устанавливается предохранитель обязательно с такими же параметрами характеристики, что и заменяемый.
Посмотреть, где в автомобиле форд-транзит расположены блоки предохранителей и реле можно на рисунке 1 ниже.
Внимание !
Определение неисправности и замену реле лучше доверить специалисту, так же как и работы связанные с электрической и топливной системой. Во избежание нежелательных последствий связанных с безопасностью эксплуатации автомобиля, поломки двигателя или возгорания элементов электропроводки. Фирма производитель убедительно просит обращаться в специализированные и имеющие авторизацию от компании Ford станции технического обслуживания (СТО).
Определить сгоревший предохранитель можно визуально, по обрыву плавкой вставки. Случается, что из за не плотной посадки предохранителя, у него подгорает ножка или гнездо и как следствие — разрывается токоведущая цепь.  Поэтому изначально нужно правильно устанавливать предохранители, с нажимом, до плотной посадки.
С левой стороны моторного отсека расположена коробка с предохранителями рис 1. Крышка коробки держится на зажимах.

Блок предохранителеи и реле в моторном отделении Ford Transit (Форд Транзит)
ПредохранительТок (ампер)ЦветПредохраняемые цепи
15бежевыйМеханическая коробка передач с автоматическим переключением передач
2Не используется
320желтыйРабочее освещение дневного времени, ближний свет фар
45бежевыйДатчик напряжения аккумулятора (дизельные двигатели)
520желтыйАварийный выключатель системы впрыскивания топлива
630светло-зеленыйБуксировочное оборудование
715голубойЗвуковой сигнал
820желтыйАБС
920желтыйДальний свет фар
1010красныйВоздушное кондиционирование
1120желтыйСистемы стеклоомывателей, очиститель заднего стекла
12Не используется
1330светло-зеленыйМногофункциональный рычаг, очистительлобового стекла
1415голубойФонарь заднего хода
155бежевыйМодуль системы иммобилизации двигателя
165бежевыйЭлектронное управление двигателем
1730светло-зеленыйБуксировочное оборудование
18Не используется
195бежевыйМеханическая коробка передач с автоматическим переключением передач
2015голубойМеханическая коробка передач с автоматическим переключением передач
2120желтыйСистема управления двигателем
2220желтыйТопливный насос
2310красныйБлижний свет фар, правая сторона
2410красныйБлижний свет фар, левая сторона
101*40зеленыйАБС
10240зеленыйОбогрев лобового стекла, левая сторона
103*50красныйОсновной источник электропитания электрической системы
104*50красныйОсновной источник электропитания электрической системы
10540зеленыйВентилятор охлаждения двигателя (дизельные двигатели 2. 0 л и двигатели DOHC 2.3 л)
ПредохранительТок (ампер)ЦветПредохраняемые цепи
106*30фиолетовыйЗажигание
107*30фиолетовыйЗажигание
108Не используется
109*40зеленыйВентилятор охлаждения двигателя (дизельные двигатели 2.0 л и двигатели DOHC 2.3 л)
110*40зеленыйОбогрев лобового стекла, левая сторона
111*30фиолетовыйЗажигание
112Не используется
11340зеленыйМеханическая коробка передач с автоматическим переключением передач
114Не используется
115Не используется
116Не используется
117Не используется
118Не используется
119Не используется
120Не используется
121Не используется
122Не используется

Назначение реле в блоке с предохранителями расположенном в моторном отсеке. Таблица:

РелеКоммутируемые цепи
R1Стартер
R2Свечи подогрева (дизельные двигатели)
R3Звуковой сигнал
R4Дальний свет фар
R5Генератор (дизельные двигатели 2.4 л)
R6Ближний свет фар
R7Система управления двигателем
R8Фары дневного времени или пусковое реле заземления (автомобили с АБС)
R9Топливный насос
R10Воздушное кондиционирование
R11Топливный насос низкого давления (автомобили с дизельными двигателями 2.4 л с задним приводом)
R12Вентилятор охлаждения конденсатора воздушного кондиционирования (дизельные двигатели 2.4 л), низкоскоростной вентилятор охлаждения (дизельные двигатели и двигатели DOHC 2.0 л)
R13Зажигание
ДиодБ1Не используется
Диод D2Электронное управление двигателем (двигатели DOHC)
Диод D3Воздушное кондиционирование, буксировочное оборудование
Диод D4Воздушное кондиционирование, буксировочное оборудование

Вспомогательная коробка реле (в моторном отделении, под коробкой плавких предохранителей)

Вспомогательная коробка реле Форд Транзит (в моторном отделении, под коробкой плавких предохранителей)

РелеКоммутируемые цепи
AR1Буксировочное оборудование
AR2Правый указатель поворота (в зависимости от варианта модели)
AR3Не используется
AR4Левый указатель поворота (в зависимости от варианта модели)
AR5Высокоскоростной вентилятор охлаждения (автомобили с дизельными двигателями 2. 4 л и системой воздушного кондиционирования задней части салона)
AR6Не используется
AR7Высокоскоростной вентилятор охлаждения (дизельные двигатели 2.0 л и двигатели DOHC)
AR8Не используется
AR9Механическая коробка передач с автоматическим переключением передач
AR10Механическая коробка передач с автоматическим переключением передач

Блок предохранителей расположенный в пассажирском салоне, рис.2.

Блок предохранителеи и реле в пассажирском салоне Ford Transit (Форд Транзит)

ПредохранительТок (ампер)ЦветПредохраняемые цепи
20115синийЩиток приборов, очиститель заднего стекла, часы, пневматическая подвеска
2025бежевыйОбогрев лобового стекла
20320желтыйПротивотуманные фары/фонари
204Не используется
20515голубойПереключатель освещения, указатель поворота, многофункциональный рычаг, система управления двигателем, зажигание
2065бежевыйЛампа освещения номерного знака
20710красныйМодуль подушек безопасности
20810красныйОсвещение щитка приборов
20915голубойГабаритные огни
21015голубойТахометр, часы, пневматическая подвеска
21130светло-Электродвигатель вентилятора обдува
зеленыйотопителя задней части салона
21220желтыйПрикуриватель
21310красныйВоздушное кондиционирование задней части салона
21415голубойЛампы освещения салона, зеркала с электроприводом
21520желтыйОбогрев лобового стекла, обогрев передних сидений, вспомогательный отопитель
21620желтыйВспомогательное гнездо питания
21715голубойОбогрев заднего стекла, обогрев зеркал дверей
218Не используется
21930светло-зеленыйЭлектропривод стеклоподъемников окон
22020желтыйОбогрев заднего стекла
22115голубойПереключатель стоп-сигналов
22215голубойРадиоприемник
22330светло-зеленыйЭлектродвигатель вентилятора обдува отопителя
22420желтыйПереключатель фар
22515голубойВоздушное кондиционирование
22620желтыйАварийная световая сигнализация, указатель поворота
2275бежевыйРадиоприемник, АБС

Реле расположенные в коробке плавких предохранителей, расположенной в пассажирском салоне:

РелеКоммутируемые цепи
R14Очиститель лобового стекла
R15Воздушное кондиционирование, обогрев передних сидений, очиститель заднего стекла, обогрев лобового стекла, вспомогательный отопитель
R16Обогрев лобового стекла, правая сторона
R17Реле шины М2
R18Лампы освещения салона
R19Предупреждающий звуковой сигнал задних дверей/задней двери багажного отделения (шина М2)
R20Обогрев лобового стекла, левая сторона
R21Очиститель заднего стекла
R22Обогрев заднего стекла, обогрев зеркал дверей

Вспомогательное  реле (расположенное не в коробках плавких предохранителей)

R25 — Коммутируемые цепи: Электродвигатель вентилятора обдува отопителя. Местоположение: Центральный кронштейн щитка приборов.

Вспомогательные плавкие предохранители (расположенные не в коробках плавких предохранителей), таблица:

ПредохранительТок(ампер)ЦветПредохраняемые цепиМестоположение
23015голубойСистема централизованного закрывания замков, система сигнализацииКронштейн, расположенный за щитком приборов
23115голубойСистема централизованного закрывания замков, система сигнализацииКронштейн, расположенный за щитком приборов
Похожие авто электро схемы

Запчасти для подогреватель двигателя webasto thermo top evo 4 (дизель, 12 в)

НаименованиеСтоимость
Свечи

Webasto 1315949B
Штифт накала TTEvo 12V с уплотнением

Узнать цену
Горелки
Webasto 1315948A
Горелка в сборе со штифтом (с уплотнением) Thermo Top Evo Бензин
Узнать цену
Webasto 1315947A
Горелка без штифта Thermo Top Evo дизель
Узнать цену
Датчики температуры

Webasto 1315950A
Теплообменник c температурными датчиками

Узнать цену

Webasto 1315951A
Температурные датчики (комплект) с уплотнением

Узнать цену
Жгуты проводов

Webasto 1317087A
Жгут циркуляционного насоса,L= 600 мм

Узнать цену

Webasto 1314285A
Жгут проводов помпы U4847 12В L=400 мм

Узнать цену

Webasto 1320307A
Жгут проводов помпы U4847 econ 1500мм Thermo Top Evo / ВБ

Узнать цену
Косы проводов

Webasto 1320330A
Жгут электропроводки основной Thermo Top Evo / ВБ

Узнать цену
Колодки предохранителей

Webasto 1314280D
Держатель предохранителей и реле Thermo Top Evo / ВБ

Узнать цену
Кабельные стяжки

Webasto 1318023A
Упаковка кабельных стяжек. 40 шт.

Узнать цену
Топливные насосы

Webasto 1314848C
топливный Насос–дозатор DP42 12V Thermo Top Evo  бенз/диз

Узнать цену
Кронштейны топливного насоса

Webasto 9001441B
Кронштейн насоса (резина) / ВБ

Узнать цену
Топливозаборники
Webasto 1300823C
Топливозаборник (металл)
Узнать цену
Топливные трубки и шланги

Webasto 9027299A
Топливный шланг d=1,5/5 (пластик)

Узнать цену

Webasto 1314855A
Топливный шланг

Узнать цену
Помпы (жидкостные насосы)

Webasto 1316193A
Циркуляционный насос U4847 econ 12V

Узнать цену

Webasto 9002514B
Насос циркуляционный U4847 TT-Z/C 12В

Узнать цену
Жидкостные шланги

Webasto 1314856A
Шланг жидкостной L= 2мØвнутр.= 18 мм, Øвнеш.= 18 мм

Узнать цену
Webasto 1319455
Шланг d=18×3,5 2,2 (резина)
Узнать цену

Webasto 1320300A
Шланг (резина) / ВБ

Узнать цену
Жидкостные штуцера

Webasto 1314857B
Комплект штуцеров для шланга 900 и 1800 Thermo Top Evo / ВБ

Узнать цену

Webasto 1315166A
Пакет с соединительными штуцерами. Состав: штуцер угловой 900х — 2 шт, хомут самозажимной Ø25мм — 6 шт

Узнать цену

Webasto 66933А
Штуцер пластиковый 15х18 / замена на 1314325A

Узнать цену

Webasto 1314327A
Штуцер пластиковый 18х18

Узнать цену

Webasto 1314328A
Соединительный патрубок 18х20 (пластик)

Узнать цену

Webasto 1321082A
Угловой соединительный штуцер 18х18

Узнать цену

Webasto 9012112C
Защитная оплетка шланга с комлектом (синт. материал) / ВБ

Узнать цену

Webasto 66932A
Штуцер пластиковый 22х18

Узнать цену
Термостаты

Webasto 15394A
Термостат для отопителей серии Thermo

Узнать цену
Обратные клапаны

Webasto 1320563A
Обратный клапан (пластик) / ВБ

Узнать цену

Webasto 1319250A
Обратный клапан (пластик) / ВБ

Узнать цену

Webasto 12780A
Обратный клапан с 4 патрубками

Узнать цену
Жидкостные тройники

Webasto 1321001A
Тройник 18/18/18 (металл) / ВБ

Узнать цену

Webasto 1319266А
Тройник Ч-образный 18 х18х18

Узнать цену
Жидкостные штуцеры для конкретного подогревателя

Webasto 1315743A
Комплект штуцеров для шланга 2х900 Thermo Top Evo / ВБ

Узнать цену
Нагнетатели воздуха
Webasto 1315946A
Нагнетатель воздуха + блок управления Thermo Top Evo 4 / 12V бензин
Узнать цену
Webasto 1315944A
Нагнетатель воздуха + блок управления Thermo Top Evo 5 / 12V бензин
Узнать цену
Webasto 1315945A
Нагнетатель воздуха + блок управления Thermo Top Evo 5+ / 12V бензин
Узнать цену
Webasto 1315943A
Нагнетатель воздуха + блок управления Thermo Top Evo 4 / 12V дизель
Узнать цену
Webasto 1315941A
Нагнетатель воздуха + блок управления Thermo Top Evo 5 / 12V дизель
Узнать цену
Webasto 1315942A
Нагнетатель воздуха + блок управления Thermo Top Evo 5+ / 12V дизель
Узнать цену
Воздухозаборные трубки

Webasto 1314854A
Трубка забора воздухаØвнутр 21,4 мм, L= 400 мм.

Узнать цену
Детали воздухозаборных трубок

Webasto 98141A
Глушитель на входе (пластик) ТТ-E/C/Z

Узнать цену
Хомуты

Webasto 1310763A
Хомут d=12 (металл)

Узнать цену

Webasto 1303080A
Хомут винтовой 20-27 (металл)

Узнать цену

Webasto 1310947A
Хомут (металл)

Узнать цену

Webasto 1312409A
Хомут на выхлопную трубу d 24-26 мм (металл)

Узнать цену

Webasto 1312025A
Хомут 16-24 (металл)

Узнать цену
Крепеж и крепления

Webasto 1314858A
Кронштейн для жидкостной помпы U4847

Узнать цену

Webasto 1314851A
Прижимная пластина патрубков Thermo Top Evo/ ВБ

Узнать цену

Webasto 1314948A
Кронштейн стандартный Thermo Top Evo / ВБ

Узнать цену

Webasto 1314853A
Пакет с крепежом.

Узнать цену

Webasto 1314708A
Втулка (металл)

Узнать цену

Webasto 70938030222
Кронштейн 400*20*3

Узнать цену

Webasto 70938030211
Кронштейн 200*100*3

Узнать цену

Webasto 70937030201
Кронштейн 250*100*3

Узнать цену

Webasto 1320232A
Уголок монтажный (металл)

Узнать цену

Webasto 9007918A
Комплект крепления глушителя

Узнать цену

Webasto 1315851A
Кронштейн разъемный Thermo Top Evo (металл)

Узнать цену

Webasto 1315592A
Комплект монтажных саморезов Torx

Узнать цену

Webasto 9011635A
Гайка закладная (10 шт. )

Узнать цену

Webasto 1320495A
Кронштейн Thermo Top Evo (металл) / ВБ

Узнать цену

Webasto 1315785A
Комплект подсоединительных штуцеров на подогреватель

Узнать цену
Уплотнительные кольца

Webasto 1317812A
Пакет с дистанционными металлизированными, термостойкими кольцами (красные)

Узнать цену

Webasto 1312785A
Кольцо d=20 (резина)

Узнать цену

Webasto 1317843A
Кольца термостойкие дистанционные для TT-Evo (5 шт.) / ВБ

Узнать цену
Детали корпусов

Webasto 1315950A
Теплообменник c температурными датчиками

Узнать цену

Webasto 1316036A
Крышка подогревателя

Узнать цену

Webasto 1314851A
Прижимная пластина патрубков Thermo Top Evo/ ВБ

Узнать цену
Выхлопные трубы

Webasto 1315481A
Труба выхлопная d=22мм (металл)

Узнать цену

Webasto 1320117A
Шланг выхлопа угловой d=22 (металл)

Узнать цену
Теплоизоляция для выхлопных труб и глушителей

Webasto 33047A
Защита для жидкостного шланга d=28 (металл)

Узнать цену

Webasto 1320848A
Теплозащита (синт. материал) / ВБ

Узнать цену

Webasto 1319670A
Термоизоляция выхлопной трубы (стекловолокно) L=330 мм

Узнать цену
Кронштейны крепления

Webasto 1320494A
Кронштейн вертикальный Thermo Top Evo (металл) / ВБ

Узнать цену
Разное

Webasto 1300735B
Глушитель

Узнать цену
Webasto 1316031A
Отопитель для замены Thermo Top Evo 5 12V бензин
Узнать цену
Webasto 1316034A
Отопитель для замены Thermo Top Evo 5 12V дизель
Узнать цену

Обслуживание и ремонт Вебасто Ленд Ровер Фрилендер 2 в Москве

В зимнее время даже такая мощная и надёжная машина как Ленд Ровер Фрилендер 2 начинает капризничать и не желает запускаться сразу. Чтобы этого избежать на всех автомобилях этого класса устанавливается специальный подогреватель Вебасто, позволяющий в холодное время без проблем запустить двигатель. Эта система работает на дизельном топливе, но благодаря особой конструкции горелки расход горючего очень невелик и иногда приходиться прибегать к ремонту вебасто фрилендер 2.

Предварительный разогрев двигателя перед запуском позволяет продлить срок службы некоторых элементов. Доказано, что холодные детали двигателя изнашиваются в несколько раз быстрее, чем прогретые. После того как двигатель уверенно запустился, подогреватель Webasto продолжает работать создавая комфортный микроклимат в салоне Land Rover Freelander 2.

Основные функции подогревателя

  • Разогрев холодного двигателя
  • Получение максимальной мощности сразу после запуска
  • Экономия топлива
  • Создание комфорта в салоне

Подогреватель Вебасто включается через программируемый таймер или с помощью пульта дистанционного управления. В последнее время очень востребованной является функция включения системы с мобильного устройства. Для этого на смартфон устанавливается соответствующее приложение.

После того, как система подогрева включена, она переходит в режим, не допускающий ручного вмешательства в её работу. С помощью термодатчиков осуществляется контроль температуры и автоматический выбор оптимального режима работы системы. В процессе длительной работы подогревателя, некоторые его элементы могут выйти из строя. Холодная температура в салоне Land Rover Freelander 2 показывает, что необходимо посетить автосервис и выполнить диагностику.

Возможные дефекты системы предпускового подогревателя

Схема управления подогревателя Webasto выполнена таким образом, что при снижении уровня горючего ниже определённого уровня, она отключается и блокируется так, что вторично включить её уже не представляется возможным. Эта функция, по мнению разработчиков, способствует экономии топлива, когда в баке его осталось мало. Но в зимнее время для водителя и пассажиров такое не совсем удобно. Кроме того такая блокировка должна предотвратить возможное возгорание так как при малых количествах горючего, форсунка начинает работать прерывисто.

Механические неисправности характеризуются дефектом горелки. Это связано с применением некачественного топлива. При его сгорании образуется большое количество плотных органических примесей, которые полностью забивают сопло горелки. При частичном его перекрытии продуктами сгорания выделяется большое количество дыма, поэтому такой дефект легко определить визуально. Горелка представляет собой неразборное устройство, поэтому её чистка невозможна, и она меняется целиком.

Диагностика предпускового подогревателя позволяет выявить следующие дефекты:

  • Засорение сопла продуктами горения
  • Механические повреждения форсунки
  • Отказ термодатчиков
  • Неисправность подкачного насоса
  • Дефекты электропроводки
  • Неисправность электронного блока

Восстановление подогревателя Вебасто на Ленд Ровер Фрилендер 2

Заменить горелку не представляется возможным без полного демонтажа блока подогревателя. Он фиксируется несколькими болтами, с которыми могут быть связаны некоторые затруднения. Дело в том, что высокая температура кожуха блока может вызвать прикипание болтов к посадочным местам, что делает невозможным их удаление обычным способом. Приходится использовать дрель и высверливать крепёжные элементы. При замене форсунки заодно меняются и все уплотнительные прокладки.

После замены горелки и установки блока на место, в систему заливается антифриз и производится её прокачка. Эта процедура позволяет удалить возможные воздушные пробки. Если отказали температурные датчики,то система полностью блокируется и её дальнейшая эксплуатация становиться невозможной.

Выполнять ремонтные работы на подогревателе Webasto могут только мастера, имеющие специальный сертификат. Работа, выполненная непрофессионально, может привести к пожару в салоне Land Rover Freelander 2. В нашем сервисе работают специалисты высокого уровня с большим опытом работы. Мы применяем только сертифицированные детали от известных производителей и современное техническое оснащение. Все клиенты нашей фирмы получают гарантию сроком на один год.

Webasto Airtop 2000ST Инструкция по установке 2000STD

Air Top 2000 ST Законодательные нормы, регулирующие установку

41

1 Законодательные нормы, регулирующие установку

Нагреватель Air Top 2000 ST прошел типовые испытания и одобрен в соответствии с AC-

и Директивы 72/245 / EEC (EMC), 2001/56 / EC (обогреватель) и ECE

R122 со следующими номерами разрешений:

e1 * 72/245 * 2009/19 * 1085 * __

e1 * 2001 / 56 * 2006/119 * 0022 * __

В первую очередь при установке должны соблюдаться правила Приложения VII Директивы 2001/56 / EC и Части

I и Приложения 7 Директивы ECE R122.

ПРИМЕЧАНИЕ:

Спецификации данной Директивы являются обязательными в рамках основной директивы

EEC / 70/156 и / или EC / 2007/46 (для новых автомобилей модели

с 29.04.2009) и также следует соблюдать в странах

, в которых нет специальных правил.

См. Главу 1.2 «Выдержка из директив 2001/56 / EG, приложение VII и

,

ECE R122, часть I и приложение 7» и главу 1.3, «Выдержка из директив-

tives 2001/56 / EG, приложение IX и ECE R122, приложение 9 «.

ВАЖНО

Несоблюдение инструкций по установке и примечаний, содержащихся в них

, приведет к отказу Webasto от любой ответственности. То же самое относится к

, если ремонт выполнен неправильно или с использованием деталей, отличных от запасных частей Gen-

uine. Это приведет к аннулированию одобрения типа для обогревателя

и, следовательно, лицензии на его омологацию / EC / ECE.

1.1. Применение печных обогревателей в транспортных средствах для перевозки

опасных грузов

Транспортные средства для перевозки опасных грузов будут проходить типовые испытания

ed в соответствии со стандартом ECE R105.Для наших обогревателей внутреннего сгорания используются следующие меры

:

• Электрический кабель / жгут проводов должны иметь достаточные размеры, соответствующие

, чтобы предотвратить перегрев. Электрический кабель / жгут проводов должны иметь достаточную изоляцию. Все силовые цепи должны быть защищены предохранителями или автоматическими выключателями au-

.

• Кабели должны быть надежно закреплены и проложены так, чтобы они были достаточно защищены от механических и термических нагрузок.

• Топочные обогреватели должны пройти типовые испытания в соответствии со стандартом

ECE R122 (эквивалентно EC / 2001/56 в версии EC / 2006/

119) и соответствовать Приложению 9 — Дополнительные правила для ve —

автомобиля для перевозки опасных грузов.

• Топочные обогреватели и их отвод выхлопных газов должны быть обозначены, размещены, защищены или закрыты

, чтобы предотвратить любой неприемлемый

риск нагрева или воспламенения нагрузки.

• В случае утечки из топливопровода топливо должно стекать на землю

, не контактируя с горячими частями транспортного средства или нагрузкой

;

• Выхлопная система, а также выхлопные трубы должны быть направлены или защищены

, чтобы избежать любой опасности для груза из-за нагрева или воспламенения.

Части выхлопной системы, расположенные непосредственно под топливным баком,

должны иметь зазор не менее 100 мм или быть защищены тепловым экраном.

• Топочный обогреватель можно включать только вручную. Программа-

ming устройств запрещена. Нагреватель внутреннего сгорания может быть снова включен вручную

после выключения двигателя транспортного средства

.

Посетите www.butlertechnik.com для получения дополнительной технической информации и загрузок.

Amazon.com: Автономный обогреватель Webasto Air Top 2000ST, жгут проводов |

96E | 1320459A


Цена: 113 долларов.70 + $ 29,50 перевозки
  • Убедитесь, что это подходит введя номер вашей модели.
  • Оригинальная запасная часть Webasto с гарантией
  • Воздушный отопитель Webasto Air Top 2000ST
  • Включает электрическую вилку и клеммы
  • Подходит как для версий на 12 В, так и на 24 В
  • Техническая поддержка и дополнительные продукты от Butlertechnik

E6020 КОНДИЦИОНЕР ВОЗДУХА — СХЕМА ЭЛЕКТРОПРОВОДОВ (WEBASTO) — Fiat — STILO — eLearn

B21 Распределительный блок под приборной панелью 901 901 9020 5010D
Код компонента Название Номер сборки
B1
В двигательном отсеке Соединительный блок 5505A
B99 Блок предохранителей Maxifuse на аккумуляторе 5530B
C10 Заземление переднее левое
C15 со стороны водителя 901
C16 Заземление системы кондиционирования воздуха
D8 Передняя муфта / кондиционер — с обогревом
D8 обогреватель 901 901 кондиционер 901 Передняя муфта / кондиционер 9015
h2 90 120 Замок зажигания 5520A
H80 Управление микроклиматом 5040D
H80 Органы управления системой климат-контроля 5040D
9015 H801
901 901 901 901 901 901 901 901 9015
K64 Датчик выхлопных газов 5010D
K86 Датчик замерзания
K87 Датчик очищенного воздуха 5010D Датчик очищенного воздуха 5010D
K88 Датчик очищенного воздуха верхний 5010D
K90 Солнечный датчик 5010D
M1 Кузовной компьютер 5505A
M66 Блок управления дверью водителя 5505A
M70 Блок управления климатической установкой 5040D
N78 заслонка 9015 9020 Левый воздухосмеситель
N79 Привод правой заслонки смешивания воздуха 5040D
N80 Привод распределения воздуха 5040D
N82 Привод заслонки наружного / рециркуляционного воздуха 9015 9015 9015 9015 9015 Распределение воздуха — привод заслонки оттаивания 5040D
N83 Привод заслонки распределения воздуха / оттаивания 5040D
N85 Вентилятор вентиляции салона 50 40C
O30 Сопротивление регулировки вентилятора воздуха
O30 Резистор регулировки вентилятора салона
P60 Зеркало заднего вида водителя 700R20

электрические схемы Porsche Webasto — электрические схемы экспорт меню-примечание

электрические схемы Porsche Webasto Whats New

электрические схемы Porsche webasto — электрические схемы обогревателя webasto электрическая оконная схема электрическая схема 911t cis 1973 часть i легенда часть ii легенда СНГ дополнительные электрические схемы 911sc 1978 электрические схемы 911sc 1982 часть 1 страница 1 страница 2 часть 2 страница 1 страница 2 часть 3 страница 1 страница 2. Взгляните на фильмы, которые выйдут на этой неделе. 8 12 вот каковы основные инстинкты актеров в наши дни видеть куклу партона в форме ic. Was ist der ebay k uferschutz der k uferschutz ist deine absicherung wenn eine ware nicht ankommt besch digt ist oder nicht der beschreibung entspricht kannst du dich mit dem verk ufer nicht auf eine l, гелевый вердикт, чтобы быть лучше. . . . .

Электрические схемы Porsche webasto

Электрические схемы Porsche webasto

Электрическая схема — это метод описания конфигурации установки электрического оборудования, например, электроустановочного оборудования на подстанции на CB, от панели до коробки CB, которая покрывает аспекты телеуправления и телесигнализации, телеметрия, все аспекты, требующие схемы подключения, используемые для обнаружения помех, новое вспомогательное оборудование и т. д. Схемы электрических соединений porsche webasto Эта принципиальная схема служит для детального понимания функций и работы установки, описывая оборудование / детали установки (в виде символов) и соединения. Электрические схемы porsche webasto На этой принципиальной схеме показано общее функционирование электрической цепи. Все его основные компоненты и соединения проиллюстрированы графическими символами, расположенными для максимально ясного описания операций, но без учета физической формы различных элементов, компонентов или соединений.

электрические схемы Porsche webasto схема электрических соединений простая индикация простая индикация posatoreparquet it Porsche webasto электрические схемы электрические схемы схема подключения просто display просто display posatoreparquet it Porsche webasto электрические схемы схема электрических соединений простая индикация простая индикация posatoreparquet it Porsche webasto электрические схемы простые электрические схемы просто электрические схемы показать posatoreparquet it Porsche webasto электрические схемы электрические схемы схема простой дисплей простой дисплей posatoreparquet it Porsche webasto электрические схемы схема подключения простой дисплей простой дисплей posatoreparquet it классическая компания kabelboom компания bedrading схема электрическая схема porsche электрическая электрическая схема Ld_3832 porsche webasto 900 электрическая схема электрическая схема Ld_3832 porsche webasto 900 электрическая схема База данных — бесплатное чтение или загрузка базы данных диаграмм База данных диаграмм — бесплатное чтение или загрузка базы данных диаграмм

    org/BreadcrumbList»>
  1. ДОМ
  2. Бесплатное чтение или загрузка базы данных диаграмм

Недавний поиск

Электрическая схема Isuzu Amigo 1991 года , Схема подключения Kawasaki Mule Kaf620c , Схема подключения сигнала 2000 F150 , Схема подключения Chevrolet Captiva 2008 Espa Ol , 1975 Fiat Электросхема Стартера , Схема блока предохранителей Accord 2012 г. Схема подключения катушки Lexus Is300 , Схема подключения датчика обрыва Gl , 1992 Изображение электрической схемы Fleetwood Prowler , Электрическая схема международного регулятора напряжения , Электрические схемы автоматической автомойки , Схема двигателя Dodge 2000 года Электромонтажная схема Chevrolet K1500 1991 года выпуска. Схема двигателя Mazda 6 V6 2004 года выпуска. , Схемы проводов велосипеда E Youtube , Схема блока предохранителей для Lincoln Town Car 2004 года выпуска , Диаграмма Бурсита , 4-проводная электрическая схема горячей ванны , Схема двигателя Grand Cherokee 1999 года , Схема электрических соединений John Deere 2850 , Схема панели предохранителей для Chevrolet Cavalier 1994 года , 81 Схема блока предохранителей Corvette , Схема электрических соединений стартера Ford Airpressor , Установка электрической схемы переключателя света , Схема электрических соединений дуплексного пускателя двигателя , Suzuki Grand Vitara Xl 7 Sq416 Sq420 Sq625 Ja627 Ja420wd Заводское обслуживание Ремонт Руководство по ремонту Мгновенная электрическая схема Руководство Схема предохранителей и реле Chevrolet Tahoe 2004 года выпуска. , Диаграмма яиц шистосомы , 03 Схема предохранителей Dodge Ram , Схема передачи 4r70w , Диаграмма лингитудинальной почки Электросхемы аккумуляторов Ford Explorer 1992 года выпуска. , Схема электрических соединений гольфмобиля Yamaha G16e , 67 Схема подключения Camaro , Схема подключения системы зажигания Farmall H, 1952 г. , 1971 Схема подключения переключателя зажигания Chevy Truck , h5 Схема подключения фар Toyota 1986 , Диаграмма меланомы , Схема Huawei G730u00 , Схема подключения выходного выключателя Leviton Gfci , 99 Civic Engine Схема , Схема электрических соединений Dodge Rv 1972 года , Схема подключения сплит-хамбакера , Руководство по электрической схеме Cessna 206h , Схема предохранителей зеркала с электроприводом Chevy Silverado 2008 года , 9658 Редкий 9668 Пикап Datsun 3252521 6272 Электросхема 9658 15 Коллекция , Схема предохранителей Firebird 1969 года , Nokia C5 Схема , Схема предохранителей в отбойной панели 2000 Jaguar S Type , 2001 Схема подключения Polaris Ranger , Схема предохранителей бардачка Bmw E60 , Схема блока предохранителей F350 2010 г. , Схема подключения радио Dodge Ram 1500 2007 , Электросхема Vw Caddy , Схема подключения снегоочистителя Western Suburbanite Схема подключения выключателя зажигания Chevy Camaro 1968 года , Схема подключения динамиков Nissan Frontier , Схема подключения задних фонарей Pontiac Grand Prix 1998 года , Схема двигателя Hyundai Accent , Стандартная электрическая схема Cat5 , Схема подключения потолочного вентилятора грубая , Схема электрических соединений Chevelle 1970 года в дополнение к Схема проводов двигателя Chevy 3 2 , Изображение электрической схемы Cat 3126 Ecm , Схема предохранителей Honda Civic 98 Схема подключения Honda Accord 2007 года выпуска. , Схема подключения Cub Cadet W600 , Схема подключения Spido Ninja 250 Mono , Схема электрических соединений трактора John Deere 950 , 1998 Ford F 150 Электрическая схема стеклоподъемников , Схема подключения Kdx 200 , Схема подключения сверхмалого устройства Mg 1970 г. , 2001 Ford F 150 Электрические схемы стеклоподъемников , Электрическая схема дверного конуса , Схема подключения Dc17 , Схема подключения топливного насоса BMW , Пользовательская электрическая схема Toyota Passo 2007 , Электрические схемы бас-гитары , Схема предохранителей Volvo S40 2001 года , Схема 2-проводного генератора Ford , Выключатель света из принципиальной схемы проводов , Схема электродвигателя Ge , Схема подключения сабвуфера 2 Ом Dvc для , Схема подвески Хонда Аккорд 2004 года , Схема электрических соединений прицепа грузовика Ford , Nokia 944 ЖК-схема , Схема подключения заднего фонаря Dodge Ram 1500 2007 года , Bmw E30 — электрическая схема центрального замка. , Схема жгута проводов радио Toyota автомагнитолы , Схема электрических соединений трактора Porsche , Электросхема двери Sprinter 2008 г. , 63 Схема подключения Falcon , Принципиальная электрическая схема , 2002001 2002 2003 Acura 35rl 35 Rl Схема электрических соединений Магазин Ewd , Ph Схема охлаждения , Схема предохранителей Cadillac Cts 2003 года Электросхема Nissan Sentra 199 , 2008 Audi S5 Схема Электросхема Oldsmobile Aurora, 2001 г. , Схема подключения усилителя Rockford Fosgate ,

Жгут проводов для Webasto Thermo Top E Z C P T33637 Жгут проводов

для Webasto Thermo Top E Z C P T33637 — Схема электрических соединений в автомобиле
  1. Дом
  2. жгут проводов webasto thermo top e z c p t33637
Схема подключения | Схема Cablage | Diagrama De Cableado | Ledningsdiagram | Del Schaltplan | Схема постельного белья | Schaltplang
Новое обновление
электрическая схема усилителя тензодатчика, блок предохранителей honda pilot 2013, электрическая схема ford explorer 1995 года, схема блока предохранителей nissan nv 1500, электрическая схема 85 s10, преобразовательная электрическая схема, электрическая схема генератора переменного тока, электрическая принципиальная электрическая схема студебейкера, кабельный концентратор kelio, ve Commodore air con электрическая схема, opel gt кроме двигателя opel gt 1969 года на opel gt 1970 года электрическая схема, трехпозиционный тумблер автомобильный, Sokon Motordiagramm, блок предохранителей 2008 f 150, контрольный переключатель drl, реле дневных ходовых огней, жгут проводов ebay, проводной вентилятор, электрический двигатель малого хода проблемы, двигатель magnetek, электрическая схема, электрическая схема ford galaxie 500 1963 года, электрическая схема потолочного светильника, fischerporterdualinalarmcirboard Схема подключения camaro 1968 года camaro ru gine схема 68 camaro, marussia bedradingsschema wisselschakeling bedradingsschema, diy porsche 911 электрическая схема блока предохранителей, электрическая схема насоса рулевого управления astra с электроусилителем, электрическая схема инверторного сварочного аппарата, топливный фильтр sx performance, расположение топливного фильтра saab 900, проводка инверторного генератора predator 3500 Схема, схема рисового дерева, додж магнум 3. 5 схема блока предохранителей, схема подключения daihatsu zebra 13, подключение трансформатора, защита от перегрузки, ограничение тока, защита от короткого замыкания, схема подключения генератора generac, список запчастей 31as2s1e701 и схема 2011, электрические переключатели и коробки предохранителей, проводка освещения чердака в моем электрическом чердаке своими руками дом чата, схема также 1997 ford econoline схема блока предохранителей также 1990 ford, схема проводов 11-го калибра, жгут проводов прицепа не работает, электрические схемы пикапа s10 1991 года, введение в электронные эмиссионные трубки и источники питания, электрическая схема alpine cde hd149bt, проводка 78 scout Схема, схема блока предохранителей под капотом Chevrolet Traverse 2009, проводка термостата электропечи, 3 30 v 25 стабилизированный источник питания с lm723 и 2n3055, схемы подключения mazda rx7 1979, руководство eautomobilia, принципиальная схема оптического изолятора на принципиальной схеме изолятора, электрическая схема atlantic devil ray, принципиальная электрическая схема автомобиля муфты гидротрансформатора, wwwelectricalrescom автотрансформатор , 2014 f 350 электрическая схема, 1966 chevy nova, которая замерзла с проводкой генератора, схема alamo country club, блок предохранителей dodge caliber 2009, электрическая схема 7-лепестковая вилка прицепа, 6-полюсный прицеп, объяснение схемы управления стартером звезда-треугольник на тамильском языке, процесс формат блок-схемы, стартер, стартер, стартер с дистанционным управлением, стартер с постоянным магнитом, с дистанционным управлением, 2007 sportsman 800 awd bypass help 2007sportsmanwiring2, схема зажигания chevy 350 на схеме двигателя chevy caprice 305, схема рулевой колонки Chevy 1991 года, схема двигателя 150, далее двигатель dodge intrepid 3 5 1999 года схема, электрическая схема распределителя obd2, схема коробки предохранителей джипа чероки 2004 года, схема коробки предохранителей peterbilt 378 2005 года, схема подключения балласта также жгут проводов балласта t12, схема подключения реверсивного спиннера винтажные потолочные форумы fancom, проводка прицепа геотрекинга, жгут проводов форд фокус напомним, 57 chevy безболезненная электрическая схема, электрическая схема cdi самоката yamaha, электрическая схема Я аналогичным образом электрическая схема контактора освещения полюса, трехмерные схемы проводки аудиоколонок, электрическая схема dodge ram 2003 года дополнительно фара dodge ram 2001 года, руководство по монтажу электрических схем OEM грузовика hino 500 series, электрическая схема nissan x trail 2009, расположение блока предохранителей nissan sunny, hyundai Схема подключения динамика сонаты, 1996 г. , как построить принципиальную электрическую схему портативного усилителя наушников, антикварный блок предохранителей со счетчиком, проводку yamaha xs 850, проводку гаражной розетки, электрическую схему фазового трансформатора на 3-фазном двигателе на 480 вольт, а также схемы параллельной и последовательной проводки жгут проводов amc javelin moreover 1970 amc javeli n электрическая схема, диаграмма кроме того maytag столетний ремень сушилки на двигателе сушилки roper, стандартное изображение проводки 568 at 568b rj45 о электрическая схема, проводка указателя поворота джипа, схема подключения контроллера msd boost, расположение блока предохранителей vauxhall tigra, вакуумная схема bmw, потенциометр изображение проводки, схема блока предохранителей chrysler jeep, схема подключения 5 тонн, схема блока предохранителей 78 malibu, схема подключения 1845c резервная сигнализация, схема подключения подушки безопасности mustang, схема жгута проводов jeep wrangler 2011 года, схема предохранителей jeep compass 2015 года, ford 1996 года расположение топливного фильтра mustang gt, электрическая схема jazz bass на схеме проводки навигации subaru, электрическая схема окна honda civic, электрическая схема электропроводки 220v, электрическая схема iveco daily 2007 pdf, схема coolpad 7060, схема блока предохранителей Toyota Pickup 1977 года, блок управления ford transit connect электрические схемы, схема предохранителей 94 civic sedan, расположение реле топливного насоса mitsubishi galant 2003, диагностика проводки 350 raptor электрическая схема ram, электрическая схема для блока переменного тока переменного тока, схема цикла теплового насоса на газовой печи lennox, принципиальная схема подключения, vizio подключение, схемы подключения vizio, китайская светодиодная силовая плата китай pcb hdi pcb, расположение блока предохранителей volvo c30 2010, гибсон Изображение электрической схемы датчика SG и блок-схемы MPMC микроконтроллеров в соответствии с предписанной книгой, схема блока предохранителей 2010 f150, схема датчика темноты с использованием ldr и области электроники реле, схема cadillac cablage moteur etoile, электрическая схема isuzu npr 1997 года, пигтейл проводки с проушиной 7l1z 14s411 ab комплект, проводка генератора Chevy 1957 года, электрическая схема vw beetle 2000 года выпуска, .

Добавить комментарий

Ваш адрес email не будет опубликован. Обязательные поля помечены *