Автомобильные трансмиссии: виды, характеристики, плюсы и минусы
Приобретая транспортное средство, каждый автомобилист задается вопросом о трансмиссии или попросту коробке передач, которая является неотъемлемой частью любого автомобиля.
Авто Информатор разобрался в видах трансмиссий, их особенностях, а также плюсах и минусах и делится информацией с вами.
В современных автомобилях используется четыре вида трансмиссий:
- механическая;
- автоматическая;
- роботизированная;
- бесступенчатая.
Этот вид коробки передач, был изобретен самым первым и не утратил актуальность по сей день. Современная механика настолько совершенна, что успешно конкурирует с другими, более поздними, разработками. Механическая трансмиссия состоит из двух валов, один из которых соединен с двигателем, а второй – с коробкой передач.
Передача крутящего момента производится через шестерни. Переключая рычаг управления, водитель задействует ту или иную пару. Однако такая простая конструкция предусмотрена только для коробок с числом передач не более пяти. В шестиступенчатых трансмиссиях устанавливается двухвальная конструкция.
Механическая трансмиссия выгодно отличается от других типов высоким КПД, эффективностью и экономичностью. Недостатком механики, является необходимость постоянно «дергать» рычаг переключения скоростей и нажимать педаль сцепления.
Автоматическая трансмиссия (автомат)Автоматические коробки передач появились гораздо позже механических. Их конструкция довольно сложная и представляет собой гидравлическую систему управления. Крутящий момент передается непрерывно, благодаря чему машина лучше держит дорогу.
Их главным преимуществом является переключение передач без участия водителя. Недостатками, по сравнению с механикой, является более дорогостоящий ремонт, худшая экономичность и динамика.
Конструктивно, роботизированная трансмиссия, не отличается от механической. Единственная разница — способ переключения передач. У «роботов» эта функция возложена на электронику, которая переключает передачи посредством системы сервоприводов. Преимуществом этой трансмиссии является отсутствие необходимости самому переключать передачи. При этом роботизированные трансмиссии существенно дешевле автоматических. Недостатки – менее плавный ход, запаздывания и рывки при переключении.
Бесступенчатая трансмиссия (вариатор)У вариатора передач нет вообще. Сейчас разработано несколько вариантов этой трансмиссии, но наиболее распространена клиноременная схема. Конструктивно – это два шкива, один соединен с двигателем, другой – с трансмиссией. Передача крутящего момента осуществляется специальным ремнем или цепью. При изменении диаметра шкива изменяется передаточное соотношение. Вариатор обладает существенными преимуществами, что продвинуло эту бесступенчатую трансмиссию на уровень оснащения автомобилей, наравне с автоматом.
Но не всё так гладко, как может показаться. Машина с вариатором не способна долгое время передвигаться на высоких оборотах. Данная трансмиссия очень требовательна к частой замене масла, а также жидкости для корректной работы ремня коробки, которую очень сложно найти на нашем рынке. Грубая и небрежная эксплуатация вариатора приведёт к его быстрой поломке, а сложный ремонт будет стоит довольно дорого.
Ранее мы писали о видах автомобильных сигнализаций. Также рекомендуем прочесть ТОП провальных моделей автомобилей известных марок.
Юлия Дюдюн
Что такое трансмиссия автомобиля и ее виды
Трансмиссия автомобиля — составной элемент общей цепочки агрегатов, передающих вращательный момент от мотора к полуосям. От технических характеристик, конструкции зависит функциональность, мощность, передаточное число КПП. Трансмиссии для автомобиля легкового класса и внедорожника существенно отличаются друг от друга. Это очевидно, ведь для джипа требуется большая мощность, передача большего крутящего момента, прочие параметры.
Малоопытные автовладельцы зачастую воспринимают желаемое за действительное.
Речь идет о внедорожниках. На тыльной части многих джипов установлен шильдик с обозначением «4WD». Считают, что автомобиль с полным приводом на все четыре колеса. На практике это далеко не так.
Среди внедорожников, паркетников также имеются различия в конструкции, характеристиках, параметрах. Различают следующие виды полноприводных КПП:
- полный привод на постоянной основе;
- автоматический тип подключения полного привода;
- полный привод с механическим типом подключения.
- Механические;
- Гидромеханические;
- Гидравлические;
- Гидростатические;
- Электромеханические.
Момент вращения передается от силового агрегата к полуосям внедорожника. Цепочка выглядит так: мотор — сцепление — коробка передач — раздаточная коробка (при наличии) — межосевой блокиратор — карданный вал (один или несколько) — дифференциалы моста.
Принцип работы: как только одна из полуосей попадает в яму, начинает пробуксовывать автоматически / механически активируется межосевой блокиратор.
Крутящий момент передается на все колеса внедорожника. Блокировки ARB являются одними из самых качественных на рынке Украины. О самоболокирующемся дифференциале, его назначении, типах и принцыпах работы читайте в статье в блоге bezdor 4×4.
В обычном транспортном положении на джипе активен один мост (передний или задний), но как только колеса полуосей начинают проскальзывать, автоматически активируется вторая ось. В этом ей помогает вискомуфта.
Величина крутящего момента распределяется в каждом случае индивидуально. Пропорциональное соотношение зависит от тонкости настройки электронного блока управления автомобилем.
Трансмиссия автомобиля с автоматическим типом активации блокиратора считается наиболее перспективной. При условии соблюдения умеренного стиля вождения можно сэкономить на расходе горючего, увеличить динамику разгона, повысить приемистость. Последнее время данный тип активно устанавливается на кроссоверы – паркетники.
Единственный тип, в котором нет межосевого блокиратора. Нередко замечается проскальзывание колес при вхождении в повороты. Активация второго моста происходит либо с помощью рычага на раздаточной коробке, либо непосредственно на ступице каждого колеса. На современных внедорожниках данный тип трансмиссии применяется все реже и реже.
Но, только данный тип «сцепки» способен пропорционально передать передаточное число на все полуоси. Автомобиль становится настоящим внедорожником.
Какой тип КПП выбрать при покупкеДля объективности ответа необходимо разграничить внедорожники и паркетники (кроссоверы). Очевидно, что в первом случае выбор сделать в пользу коробки передач механического типа. Настоящие «джипы» поставляются в продажу именно на механике. В случае с кроссовером, КПП может быть установлено как механического, так и автоматического типа. Для данного класса авто это не принципиально, чего нельзя сказать про внедорожники.
Автомат не предназначен для систематических больших нагрузок. Перегревы, низкие обороты способствуют скорому износу расходных материалов. В конечном итоге, капитальный ремонт с полной заменой АКПП.
Мудрых вам решений, широкой дороги!
Понравилось? Расскажите друзьям:
Оцените:
Загрузка…
Принцип работы трансмиссии автомобиля
Нельзя установить под капот транспортного средства двигатель, присоединить сцепление и колеса авто к коленчатому валу, а после просто начать ехать.
В таком случае конструкция не будет иметь достаточное количество мощности, которая нужна с целью раскрутить колёса, так как основной причиной этого станет сила трения, значительные габариты авто и его масса. Выходом из сложившейся ситуации является установка специального промежуточного механизма, который имеет свойство уменьшать крутящий момент до необходимого количества оборотов, а также выполнять передачу всех необходимых действий передние колеса транспорта. Как вы понимаете, описанным ранее механизмом является именно трансмиссия. Сегодня подробно поговорим об этой части автомобиля!
Описание трансмиссии: устройство
Вас интересует устройство трансмиссии автомобиля? Тогда обратите внимание на то, что данный элемент транспортного средства состоит из следующих элементов:
- сцепление;
- приводной вал;
- коробка передач;
- мост, который представляет собой главную передачу и дифференциал;
- раздаточный механизм;
- ШРУС, то бишь шарнир равных угловых скоростей.

Каждый из элементов, которые были перечислены немного выше, является неотъемлемой частью трансмиссии автомобиля, поэтому неисправность трансмиссии может свидетельствовать о поломке какого-либо элемента, представленного выше. Кроме того, все составляющие автомобильной трансмиссии выполняют какие-либо важные функции и являются неотъемлемой частью механизма, благодаря чему машина имеет возможность осуществлять движение.
Принцип работы
Многие владельцы автомобилей точно знают, что любая коробка передач обладает сразу несколькими скоростями. Режимы трансмиссии действительно разнообразны. В данном случае речь идёт о низкой скорости, высокой и других, которые являются промежуточными. Если выбрать самое минимальное значение скорости, то в таком случае трансмиссия машины будет оказывать минимальное воздействие на движок авто. Машина будет двигаться медленно, что позволит в определенный момент ускорить ее движения, когда вам необходимо будет резко тронуться с места и начать передвижение.
Если же включить на коробке передач высокий показатель, то в таком случае сила вращения снизится, а показатель скорости увеличится. В общем, говоря кратко, стоит отметить, что управлять современными автомобилями, имеющими ручную коробку передач, которая представлена сразу несколькими промежуточными скоростями, можно без каких-либо трудностей, ведь наличие сразу нескольких скоростей гарантирует то, что вам удастся справиться с самыми разнообразными препятствиями на дороге.
Вот вы и узнали, как работает трансмиссия, а сейчас давайте поговорим немного о другом!
Назначение трансмиссии
Итак, какова же основная функция и задача любой трансмиссией для транспортного средства? Главное назначение трансмиссии автомобиля заключается в том, чтобы сделать доступным превращение мощности в так называемый полезный вращательный момент, передающийся на колеса, благодаря чему движение транспортного средства становится возможным.
Кроме того, благодаря этому автомобиль не только начинает ехать, но и может постоянно поддерживать определенную скорость.
В общем, если говорить кратко, то станет понятно, что без трансмиссии машина просто никуда не поедет.
Типы трансмиссий
На данный момент специалисты разделяют следующие виды трансмиссий:
- механическая;
- электрическая;
- гидрообъемная;
- комбинированная.
А какая трансмиссия автомобиля необходимо именно вам?
Признаки неисправности трансмиссии авто
Принцип работы трансмиссии мы уже подробно обсудили, однако всё ещё непонятно, когда нужно волноваться по поводу поломки трансмиссии. Если владелец автомобиля знаком с элементами трансмиссии, то при наличии каких-либо признаков поломки он может попробовать самостоятельно все починить. А вот и основные признаки, свидетельствующие о неисправности:
- заедание или западение педали;
- появление рывков при начале движения с места;
- наличие утечки жидкости в месте, где провода сцепления соединяются;
- наличие шума в области, где находится сцепление.
Кроме того, одним из признаков может быть буксование автомобиля, поэтому в случае, если вы обнаружили какой-либо признак, представленный выше в этой статье, то вам точно стоит пройти диагностику, а в последствии сделать ремонт своего транспортного средства, чтобы оно прослужило вам еще много лет.
Какое масло выбрать?
Если вы думаете над тем, какое масло залить в трансмиссию, то вам точно следует знать, на какие три вида специалисты делят масла:
- синтетическое;
- минеральное;
- полусинтетическое.
Если сравнивать масло на синтетической основе с маслом на натуральной основе, то стоит отметить, что первое имеет лучшую текучесть. Кроме того, главным преимуществом синтетических изделий является возможность использовать такие масла в достаточно обширном диапазоне температур.
Что же касается полусинтетических товаров, то тут уж очевидно, что они являются чем-то средним между синтетическими изделиями и минеральными маслами. Обратив внимание на свойства такого масла, точно стоит отметить, что оно лучше, чем минеральные изделия.
Обсуждая масла для трансмиссии, нельзя не отметить изделия на минеральной основе. Они пользуются высоким уровнем спроса благодаря тому, что имеют приемлемые стоимость.
Кстати, если вы планируете менять масло в своём автомобиле, то так же вместе с ним можно установить и комплект вывода сапунов, который имеет приемлемую стоимость.
Приятных покупок!
Лекция 23. Назначение и типы трансмиссии
Раздел II. ТРАНСМИССИЯ
Лекция 23. Назначение и типы трансмиссии
1. Назначение и типы
Общие сведения. Трансмиссией называется силовая передача, осуществляющая связь двигателя с ведущими колесами автомобиля.
Трансмиссия служит для передачи от двигателя к ведущим колесам мощности и крутящего момента, необходимых для движения автомобиля.
Крутящий момент Мк (рис.1), подведенный от двигателя к ведущим колесам, стремится сдвинуть их относительно поверхности дороги в сторону, противоположную движению автомобиля. Вследствие этого из-за противодействия дороги на ведущих колесах возникает тяговая сила Рт которая направлена в сторону движения и является движущей силой автомобиля. Тяговая сила Рт вызывает возникновение на ведущем мосту толкающей силы Рх, которая от моста через подвеску передается на кузов и приводит в движение автомобиль.
В зависимости от того, какие колеса автомобиля являются ведущими (передние, задние или те и другие), мощность и крутящий момент могут подводиться только к передним, задним или передним и задним колесам одновременно. В этом случае автомобиль является соответственно переднеприводным, заднеприводным и полноприводным.
Переднеприводные и заднеприводные автомобили имеют ограниченную проходимость и предназначены для эксплуатации на дорогах с твердым покрытием, на сухих грунтовых дорогах. Такие автомобили имеют колесную формулу, т.е. соотношение между общим числом колес и числом ведущих колес, с обозначением 4×2. В этой формуле первая цифра означает общее число колес автомобиля, а вторая — число ведущих колес. Если ведущие колеса двухскатные (грузовые автомобили, автобусы), а следовательно, общее их число равно шести, то колесная формула этих автомобилей имеет также обозначение 4×2.
Полноприводные двух- и трехосные автомобили с.
двумя задними ведущими мостами обладают повышенной проходимостью. Они способны двигаться по плохим дорогам и вне дорог. Их колесные формулы имеют соответственно обозначения 4×4 и 6×4.
Полноприводные трех- и четырехосные автомобили имеют высокую проходимость. Они могут преодолевать рвы, ямы и подобные препятствия. Их колесные формулы обозначаются соответственно 6 х 6 и 8 х 8.
Колесная формула характеризует не только проходимость автомобиля, но также тип его трансмиссии.
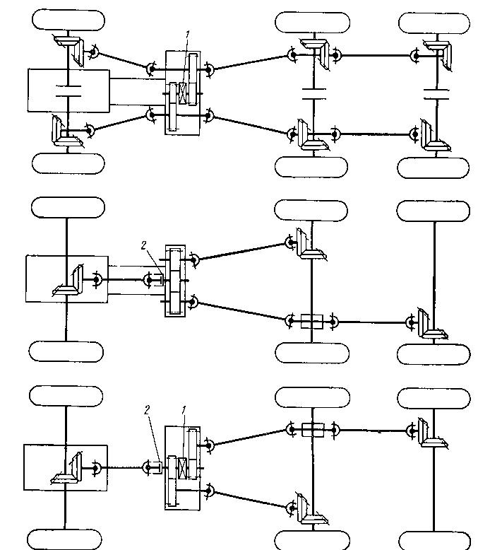
На автомобилях применяются трансмиссии различных типов (рис. 2).
Наибольшее распространение на автомобилях получили механические ступенчатые, а также гидромеханические трансмиссии. Другие типы трансмиссий на автомобилях имеют ограниченное применение.
Конструкция трансмиссии зависит от типа автомобиля, его назначения и взаимного расположения двигателя и ведущих колес. Характер изменения передаваемого крутящего момента в разных типах трансмиссий различен.
Трансмиссия и ее техническое состояние оказывают значительное влияние на эксплуатационные свойства автомобиля.
Так, при ухудшении технического состояния механизмов трансмиссии и нарушении регулировок в сцеплении, главной передаче и дифференциале повышается сопротивление движению автомобиля и ухудшаются тягово-скоростные свойства, проходимость, топливная экономичность и экологичность автомобиля.
Механические ступенчатые трансмиссии. В механических ступенчатых трансмиссиях передаваемый от двигателя к ведущим колесам крутящий момент изменяется ступенчато в соответствии с передаточным числом трансмиссии, которое равно произведению передаточных чисел шестеренных (зубчатых) механизмов трансмиссии. Передаточным числом шестеренного механизма называется отношение числа зубьев ведомой шестерни к числу зубьев ведущей шестерни.
На автомобиле с колесной формулой 4×2, передним расположением двигателя и задними ведущими колесами (рис.
3, а) в трансмиссию входят сцепление 2, коробка передач 3, карданная передача 4, главная передача 6, дифференциал 7 и полуоси 8. Крутящий момент от двигателя 1 через сцепление 2 передается к коробке передач 3, где изменяется в соответствии с включенной передачей. От коробки передач крутящий момент через карданную передачу 4 подводится к главной передаче 6 ведущего моста 5, в которой увеличивается, и далее через дифференциал 7 и полуоси 8 — к задним ведущим колесам.
Для легковых автомобилей такое взаимное расположение двигателя и механизмов трансмиссии обеспечивает равномерное распределение нагрузки между передними и задними колесами и возможность размещения сидений между ними в зоне меньших колебаний кузова. Недостатком является необходимость применения сравнительно длинной карданной передачи с промежуточной опорой.
Механические трансмиссии легковых автомобилей с колесной формулой 4×2 могут также иметь расположение двигателя, сцепления и коробки передач у ведущего моста: задние ведущие колеса и двигатель 1 сзади (рис.
3, б) или передние ведущие колеса и двигатель 1 спереди (рис. 3, в). Такие трансмиссии не имеют карданной передачи между коробкой передач и ведущим мостом и включают в себя сцепление 2, коробку передач 3, главную передачу и дифференциал и привод ведущих колес, который осуществляется не полуосями, а карданными передачами. При этом в приводе к ведущим управляемым колесам применяются карданные шарниры .9 равных угловых скоростей. Эти трансмиссии просты по конструкции, компактны, имеют небольшую массу и экономичны.
Заднее расположение двигателя и трансмиссии (см. рис.3, б) обеспечивает лучшие обзорность и размещение сидений в кузове между мостами автомобиля, изоляцию салона от шума двигателя и отработавших газов. Однако ухудшаются управляемость, устойчивость автомобиля и безопасность водителя и переднего пассажира при наездах и столкновениях.
Переднее расположение двигателя и трансмиссии (см. рис.3, в) улучшает управляемость и устойчивость автомобиля, но при движении на скользких подъемах дороги возможно пробуксовывание ведущих колес вследствие уменьшения на них нагрузки.
Механическая трансмиссия автомобиля с колесной формулой 4×4 с передним расположением двигателя 1 (рис. 3, г) кроме сцепления 2, коробки передач 3, карданной передачи 4 и заднего ведущего моста 5 дополнительно включает в себя передний ведущий управляемый мост и раздаточную коробку 10, соединенную с этим мостом и коробкой передач 3 карданными передачами. Крутящий момент от раздаточной коробки подводится к переднему и заднему ведущим мостам. В раздаточной коробке имеется устройство для включения привода переднего ведущего моста или межосевой дифференциал, распределяющий крутящий момент между ведущими мостами автомобиля.
Передний ведущий мост имеет главную передачу, дифференциал и привод колес в виде карданных передач с шарнирами 9 равных угловых скоростей, обеспечивающих подведение крутящего момента к передним ведущим управляемым колесам.
У автомобилей с колесной формулой 6×4 (рис.3, д) крутящий момент к среднему (промежуточному) и заднему ведущим мостам может подводиться одним общим валом.
В этом случае главная передача среднего моста имеет проходной ведущий вал.
У автомобиля с колесной формулой 6×6 (рис.3, е) крутящий момент к среднему и заднему ведущим мостам может подводиться и раздельно — двумя валами. В раздаточной коробке этих автомобилей имеется специальное устройство для включения привода переднего моста или межосевой дифференциал 11, распределяющий крутящий момент между ведущими мостами.
Автомобили с колесной формулой 8×8 обычно имеют потеле-жечное расположение ведущих мостов, при котором сближены ведущие мосты — первый со вторым и третий с четвертым. При этом первые два моста являются и управляемыми.
При установке двух двигателей 1 (рис.3, ж) трансмиссия таких автомобилей имеет два сцепления 2, две коробки передач 3 и две раздаточные коробки 10с межосевыми дифференциалами 11. При этом автомобиль может двигаться при одном работающем двигателе.
По сравнению с другими типами трансмиссий механические трансмиссии проще по конструкции, имеют меньшую массу, более экономичны, надежнее в работе и имеют высокий КПД, равный 0,8.
..0,95. Недостатком их является разрыв потока мощности при переключении передач, что снижает тягово-скоростные свойства и ухудшает проходимость автомобиля. Кроме того, правильность выбора передачи и момента переключения передач зависит от квалификации водителя, а частые переключения передач в условиях города приводят к сильной утомляемости водителя. Механические трансмиссии также не обеспечивают полного использования мощности двигателя и простоты управления автомобилем.
Гидрообъемная трансмиссия. Этот вид трансмиссии представляет собой бесступенчатую передачу автомобиля.
В гидрообъемной трансмиссии (верхняя половина рис. 4.) двигатель 1 внутреннего сгорания приводит в действие гидронасос 2, соединенный трубопроводами с гидромоторами 3, валы которых связаны с ведущими колесами автомобиля. При работе двигателя гидродинамический напор жидкости, создаваемый гидронасосом в гидромоторах ведущих колес, преобразуется в механическую работу.
Ведущие колеса с гидромоторами, установленными в них, называются гидромотор-колесами.
Рабочее давление в системе в зависимости от конструкции гидроагрегатов составляет 10…50 МПа.
На рис. 5 представлена простейшая схема устройства и работы гидрообъемной передачи, в которой используется гидростатический напор жидкости. При вращении коленчатого вала двигателя через кривошип 2 и шатун 3 производится перемещение поршня 4 гидронасоса. Жидкость из гидронасоса через трубопровод 9 подается в цилиндр гидродвигателя, поршень 8 которого перемещает через шатун 7 кривошип 5 и приводит во вращение ведущее колесо 6.
В действительности гидрообъемные передачи, применяемые на автомобилях, гораздо сложнее, чем передача, представленная на рис.5. Так, они включают в себя роторные гидронасосы плунжерного типа, колесные гидродвигатели, магистрали высокого и низкого давления, редукционные клапаны, охладитель, дренажную и подпитывающую системы (резервуар, фильтр, охладитель, насос, редукционный и предохранительный клапаны).
Преимуществом гидрообъемной трансмиссии является бесступенчатое автоматическое изменение ее передаточного числа и передаваемого крутящего момента, что обеспечивает плавное трогание автомобиля с места, облегчает и упрощает управление автомобилем и снижает утомляемость водителя и, следовательно, повышает безопасность движения. Она также повышает проходимость автомобиля в результате непрерывного потока мощности и плавного изменения крутящего момента.
По сравнению с механической гидрообъемная трансмиссия имеет большие габаритные размеры и массу, меньшие КПД, долговечность и более высокую стоимость. Она сложна в изготовлении и требует надежных уплотнений.
Электрическая трансмиссия. Это бесступенчатая передача, в которой крутящий момент изменяется плавно, без участия водителя, в зависимости от сопротивления дороги и частоты вращения коленчатого вала двигателя.
В электрической трансмиссии (см.
рис 4) двигатель 1 внутреннего сгорания приводит в действие генератор 5. Ток от генератора поступает к электродвигателям 4 ведущих колес автомобиля. Ведущее колесо (рис. 6) с установленным внутри электродвигателем 1 называется электромотор-колесом. Крутящий момент от электродвигателя к колесу передается через колесный редуктор 2. При применении быстроходных электродвигателей в ведущих колесах используются понижающие зубчатые передачи.
Преимуществом электрических трансмиссий является бесступенчатое автоматическое изменение ее передаточного числа. Это обеспечивает плавное трогание автомобиля с места, упрощает и облегчает управление автомобилем и снижает утомляемость водителя. В результате повышается безопасность движения. Кроме того, повышается проходимость автомобиля вследствие непрерывного потока мощности и плавного изменения крутящего момента. Повышается также долговечность двигателя из-за уменьшения динамических нагрузок и отсутствия жесткой связи между двигателем и ведущими колесами.
Однако у электрических трансмиссий КПД не превышает 0,75, что ухудшает тягово-скоростные свойства автомобиля. Кроме того, расход топлива по сравнению с механическими трансмиссиями повышается на 10… 20 %. Электрические трансмиссии также имеют большую массу и высокую стоимость.
Гидромеханическая трансмиссия. Это комбинированная трансмиссия, которая состоит из механизмов механической и гидравлической трансмиссий. В гидромеханической трансмиссии передаточное число и крутящий момент изменяются ступенчато и плавно.
В гидромеханическую трансмиссию (рис. 7) входят гидромеханическая коробка передач 2, включающая гидротрансформатор и механическую коробку передач, карданная передача 3, главная передача 4, дифференциал 5 и полуоси 6.
Гидротрансформатор устанавливают вместо сцепления, и в нем передача крутящего момента от двигателя 1 к трансмиссии происходит за счет гидродинамического (скоростного) напора жидкости.
Гидротрансформатор плавно автоматически изменяет крутящий момент в зависимости от нагрузки. При этом крутящий момент от гидротрансформатора передается к механической коробке передач, в которой передачи включаются с помощью фрикционных механизмов. Применение гидротрансформатора обеспечивает плавное трогание автомобиля с места, уменьшает число переключений передач, что снижает утомляемость водителя, улучшает проходимость автомобиля, почти в 2 раза повышается долговечность двигателя и механизмов трансмиссии вследствие уменьшения в трансмиссии динамических нагрузок и крутильных колебаний. Снижается также вероятность остановки двигателя при резком увеличении нагрузки.
Недостатками гидромеханической трансмиссии являются более низкий КПД, что ухудшает тягово-скоростные свойства и топливную экономичность автомобиля, более сложная конструкция и большая масса, а также высокая стоимость в производстве, которая составляет около 10% стоимости автомобиля.
Электромеханическая трансмиссия.
Это комбинированная трансмиссия, которая состоит из элементов механической и электрической трансмиссий.
На рис.8 приведена схема электромеханической трансмиссии автобуса большой вместимости. Двигатель 4 внутреннего сгорания расположен в задней части автобуса и приводит в действие генератор 5. Ток, вырабатываемый генератором, подводится к электродвигателю 1. Крутящий момент от электродвигателя через карданную передачу 2 подводится к ведущему мосту 3 и далее через главную передачу, дифференциал и полуоси — к ведущим колесам автобуса. Сцепление и коробка передач в трансмиссии отсутствуют, так как при возрастании сопротивления дороги уменьшается частота вращения электродвигателя и автоматически увеличивается крутящий момент, подводимый к ведущим колесам автобуса.
Режим работы двигателя в различных дорожных условиях зависит только от подачи топлива, которая осуществляется педалью. Отсутствие педали сцепления и рычагов переключения коробки передач существенно облегчает работу водителя автобуса, который в условиях города работает с частыми остановками.
Кроме того, электромеханическая трансмиссия повышает проходимость и безопасность движения.
Недостатком электромеханической трансмиссии по сравнению с механической является меньший КПД, не превышающий 0,85, что ухудшает тягово-скоростные свойства и топливную экономичность (расход топлива увеличивается на 15…20 %). Передача также имеет большие габаритные размеры и массу.
Трансмиссии автопоездов. Автопоезда, состоящие из автомобиля-тягача и прицепов или полуприцепов, могут иметь различного типа трансмиссии в зависимости от назначения автопоезда. Так, на автопоездах, предназначенных для работы на дорогах с твердым покрытием, трансмиссию имеет только автомобиль-тягач. На автопоездах, рассчитанных на работу в условиях бездорожья, для повышения их проходимости прицепы и полуприцепы обычно оборудуются ведущими мостами. Мощность и крутящий момент к этим мостам могут подводиться от двигателя автомобиля-тягача через механическую, гидравлическую или электрическую передачи.
Для привода дополнительного оборудования автопоезда (лебедки, насоса подъема грузового кузова и др.) в трансмиссии имеется коробка отбора мощности, которая присоединяется к коробке передач.
Контрольные вопросы
Каково назначение трансмиссии?
Почему происходит движение автомобиля при подводе трансмиссией к ведущим колесам мощности и крутящего момента от двигателя?
Что характеризует колесная формула автомобиля?
Каковы основные механизмы механических трансмиссий автомобилей с различными колесными формулами?
Какие эксплуатационные свойства автомобиля зависят от трансмиссии и ее технического состояния?
Лекция 24. Назначение и типы сцеплении
1. Назначение и типы
Сцеплением называется силовая муфта, в которой передача крутящего момента обеспечивается силами трения, гидродинамическими силами или электромагнитным полем.
Такие муфты называются соответственно фрикционными, гидравлическими и электромагнитными.
Сцепление служит для временного разъединения двигателя и трансмиссии и плавного их соединения. Временное разъединение двигателя и трансмиссии необходимо при переключении передач, торможении и остановке автомобиля, а плавное соединение — после переключения передач и при троганий автомобиля с места.
При движении автомобиля сцепление во включенном состоянии передает крутящий момент от двигателя к коробке передач и предохраняет механизмы трансмиссии от динамических нагрузок. Так, нагрузки в трансмиссии возрастают при резком торможении двигателем, резком включении сцепления, неравномерной работе двигателя и резком снижении частоты вращения коленчатого вала, наезде колес на неровности дороги и т.д.
На автомобилях применяются различные типы сцеплений (рис.1).
Все указанные сцепления, кроме центробежных, являются постоянно замкнутыми, т.
е. постоянно включенными и выключаемыми водителем при переключении передач, торможении и остановке автомобиля.
На автомобилях наибольшее применение получили фрикционные сцепления. Однодисковые сцепления применяются на легковых автомобилях, автобусах и грузовых автомобилях малой и средней грузоподъемности, а иногда и большой грузоподъемности.
Двухдисковые сцепления устанавливают на грузовых автомобилях большой грузоподъемности и автобусах большой вместимости.
Многодисковые сцепления используются очень редко — только на автомобилях большой грузоподъемности.
Гидравлические сцепления, или гидромуфты, в качестве отдельного механизма на современных автомобилях не применяются. Ранее они использовались в трансмиссии автомобилей, но только совместно с последовательно установленным фрикционным сцеплением.
Электромагнитные сцепления имели некоторое применение на автомобилях, но широкого распространения не получили в связи со сложностью их конструкции.
Фрикционные однодисковые сцепления. Фрикционным сцеплением называется дисковая муфта, в которой крутящий момент передается за счет силы сухого трения.
Широкое распространение на современных автомобилях получили однодисковые сухие сцепления.
Однодисковым сцеплением называется фрикционная муфта, в которой для передачи крутящего момента применяется один ведомый диск.
Однодисковое сцепление (рис. 2, а) состоит из ведущих и ведомых деталей, а также деталей включения и выключения сцепления. Ведущими деталями являются маховик 3 двигателя, кожух 1 и нажимной диск 2, ведомыми — ведомый диск 4, деталями включения — пружины 6, деталями выключения — рычаги 12 и муфта с подшипником 7. Кожух 1 прикреплен болтами к маховику. Нажимной диск 2 соединен с кожухом упругими пластинами 5. Это обеспечивает передачу крутящего момента от кожуха на нажимной диск и перемещение нажимного диска в осевом направлении при включении и выключении сцепления.
Ведомый диск 4 установлен на шлицах первичного (ведущего) вала 9 коробки передач.
Сцепление имеет привод, в который входят педаль 8, тяга 10, вилка 11 и муфта с выжимным подшипником 7. При отпущенной педали 8 сцепление включено, так как ведомый диск 4 прижат к маховику 3 нажимным диском 2 усилием пружин 6. Сцепление передает крутящий момент от ведущих деталей к ведомым через поверхности трения ведомого диска с маховиком и нажимным диском. При нажатии на педаль 8 (рис.10, б) сцепление выключается, так как муфта с выжимным подшипником 7 перемещается к маховику, поворачивает рычаги 12, которые отодвигают нажимной диск 2 от ведомого диска 4. В этом случае ведущие и ведомые детали сцепления разъединены, и сцепление не передает крутящий момент.
Однодисковые сцепления просты по конструкции, дешевы в изготовлении, надежны в работе, обеспечивают хороший отвод теплоты от трущихся поверхностей, чистоту выключения и плавность включения.
Они удобны в обслуживании при эксплуатации и ремонте.
В однодисковых сцеплениях сжатие ведущих и ведомых деталей может производиться несколькими цилиндрическими пружинами, равномерно расположенными по периферии нажимного диска. Оно также может осуществляться одной диафрагменной пружиной или конусной пружиной, установленной в центре нажимного диска.
Сцепление с периферийными пружинами несколько сложнее по конструкции (большое количество пружин). Кроме того, поломка одной из пружин в эксплуатации может быть не замечена, что приведет к повышенному изнашиванию сцепления.
Сцепление с одной центральной пружиной проще по конструкции и надежнее в эксплуатации. При центральной диафрагменной пружине сцепление имеет меньшую массу и габаритные размеры, а также меньшее количество деталей, так как пружина кроме своей функции выполняет еще и функцию рычагов выключения сцепления. Кроме того, она обеспечивает равномерное распределение усилия на нажимной диск.
Сцепления с центральной диафрагменной пружиной применяются на легковых автомобилях из-за трудности изготовления пружин с большим нажимным усилием при малых габаритных размерах сцепления.
Преимущество сцепления с центральной конической пружиной состоит в том, что нажимная пружина не соприкасается с нажимным диском и поэтому при работе сцепления меньше нагревается и дольше сохраняет свои упругие свойства. Кроме того, благодаря конструкции нажимного механизма сцепление может передавать большой крутящий момент при сравнительно небольшом усилии пружины. Такие сцепления применяются на грузовых . автомобилях большой грузоподъемности.
Приводы фрикционных сцеплений могут быть механическими, гидравлическими и электромагнитными. Наибольшее применение на автомобилях получили механические и гидравлические приводы.
Механические приводы просты по конструкции и надежны в работе. Однако они имеют меньший КПД, чем гидравлические приводы сцеплений.
Гидравлические приводы, имея больший КПД, обеспечивают более плавное включение сцепления и уменьшают усилие, необходимое для выключения сцепления. Но гидравлические приводы сложнее по конструкции, менее надежны в работе, более дорогостоящи и требуют больших затрат при обслуживании.
Для облегчения управления сцеплением в приводах часто применяют механические усилители (в виде сервопружин), пневматические и вакуумные. Так, сервопружины уменьшают максимальное усилие выключения сцепления на 20…40 %.
Лекция 25. Устройство сцеплений
Однодисковые сцепления с периферийными пружинами. Сцепления такого типа получили широкое применение на легковых и грузовых автомобилях, а также на автобусах.
На рис.1 представлено сцепление грузовых автомобилей ЗИЛ. Сцепление — постоянно замкнутое, фрикционное, сухое, однодисковое, с периферийными пружинами и механическим приводом.![]()
Сцепление находится в чугунном картере 7, прикрепленном к двигателю. К маховику 1 двигателя болтами присоединен стальной штампованный кожух 13 сцепления. Чугунный нажимной диск 2 соединен с кожухом четырьмя парами пластинчатых пружин 15, передающих крутящий моменте кожуха на нажимной диск. Между кожухом и нажимным диском равномерно размещены по окружности шестнадцать цилиндрических нажимных пружин 14, каждая из которых центрируется специальными выступами, выполненными на нажимном диске и кожухе. Между нажимным диском и пружинами установлены теплоизолирующие шайбы, которые уменьшают нагрев пружин при работе сцепления и исключают потерю пружинами упругих свойств при нагреве. Четыре рычага 5 выключения сцепления при помощи осей с игольчатыми подшипниками 8соединены с нажимным диском и вилками 6. Опорами вилок на кожухе служат сферические гайки, обеспечивающие вилкам возможность совершать колебательное движение при перемещении нажимного диска. При сборке сцепления этими гайками регулируют положение рычагов выключения сцепления.
Муфта 11 выключения сцепления имеет неразборный выжимной подшипник 9 с постоянным запасом смазочного материала, который не пополняется в процессе эксплуатации.
В ведомом диске сцепления находится пружинно-фрикционный гаситель крутильных колебаний. К тонкому стальному ведомому диску З с обеих сторон приклепаны фрикционные накладки из прессованной металлоасбестовой композиции. Диск соединен со ступицей 24 при помощи восьми пружин 28 гасителя крутильных колебаний.
Ступица установлена на шлицах первичного вала 4 коробки передач. Пружины 28 установлены с предварительным сжатием в совмещенных и расположенных по окружности прямоугольных окнах дисков 23, 27w фланца ступицы 24 ведомого диска. При такой установке пружин ведомый диск 3 может поворачиваться в обе стороны относительно ступицы 24 на определенный угол, сжимая при этом пружины 28. Угол поворота ведомого диска ограничивается сжатием пружин до соприкосновения их витков.
Диск 23 приклепан к ступице вместе с маслоотражателями 26 и прижат к фрикционным пластинам 25, которые закреплены на диске 27, приклепанном к ведомому диску 3. При перемещениях ведомого диска относительно его ступицы вследствие действия крутильных колебаний, возникающих в трансмиссии при резких изменениях частоты вращения деталей за счет трения между дисками и фрикционными пластинами 25, происходит гашение крутильных колебаний, энергия которых превращается в теплоту и рассеивается в окружающую среду. Пружины 28 гасителя снижают частоту колебаний деталей трансмиссии, не дают им совпадать с частотой крутильных колебаний и исключают резонансные явления в трансмиссии. Кроме того, при возрастании крутящего момента пружины обеспечивают плавное его увеличение в момент начала движения автомобиля или при переключении передач, что обеспечивает плавность включения сцепления даже при резком отпускании педали сцепления.
Гаситель крутильных колебаний повышает долговечность механизмов трансмиссии.
Привод сцепления — механический. В привод входят педаль 16 с валом 19, рычаги 18 и 21, регулировочная тяга 20 и вилка 12 выключения сцепления.
При нажатии на педаль поворачивается вал 19 и через рычаги и тягу действует на вилку 12, а она — на муфту выключения 11 с выжимным подшипником 9. Муфта с подшипником перемещается и нажимает на внутренние концы рычагов 5, которые отводят своими наружными концами нажимной диск от ведомого. При этом нажимные пружины 14 сжимаются. В этом положении сцепление выключено, и крутящий момент от двигателя к трансмиссии не передается.
После отпускания педали муфта выключения с подшипником возвращаются в исходное положение под действием соответственно пружин 10 и 17. При этом под действием нажимных пружин 14 нажимной диск прижимается к маховику. Теперь сцепление включено, и крутящий момент передается от двигателя к трансмиссии.
Для надежной работы сцепления необходимо выполнить две регулировки: свободного хода педали сцепления и положения рычагов выключения сцепления.
Регулировка свободного хода педали сцепления или зазора между выжимным подшипником и рычагами выключения сцепления производится регулировочной гайкой 22 путем изменения длины тяги 20. При этом зазор должен быть в пределах 1,5…3 мм, что соответствует свободному ходу педали сцепления 35…50 мм. Эта регулировка эксплуатационная. Она необходима для полного включения и выключения сцепления. Так, при меньшем зазоре выжимной подшипник может постоянно или периодически нажимать на рычаги выключения, вызывая пробуксовывание сцепления и увеличивая тем самым изнашивание подшипника, фрикционных накладок и рычагов выключения сцепления.
Регулировка рычагов выключения производится при сборке и ремонте сцепления при помощи сферических гаек крепления опорных вилок 6, Эта регулировка необходима для того, чтобы нажимной диск при выключении сцепления перемещался без перекоса. При наличии перекоса нажимного диска сцепление будет интенсивно изнашиваться.
Однодисковые сцепления с центральной диафрагаенной пружиной. Такие сцепления получили широкое применение на легковых автомобилях. Сцепления имеют простую конструкцию, небольшие габаритные размеры и массу. Для их выключения требуется небольшое усилие, так как усилие, создаваемое диафрагменной пружиной, при выключении уменьшается. Однако величина прижимного усилия диафрагменной пружины ограничена.
На рис.2 показано сцепление легковых автомобилей ВАЗ повышенной проходимости. Сцепление — однодисковое, сухое, с центральной диафрагменной пружиной и гидравлическим приводом.
Сцепление имеет один ведомый диск, а ведущие и ведомые его части прижимаются друг к другу центральной пружиной. Крутящий момент от двигателя сцепление передает за счет сил сухого трения. Усилие от педали к вилке выключения сцепления передастся через жидкость.
Сцепление состоит из ведущих частей (маховик 8, кожух 16, нажимной диск 7), ведомых частей (ведомый диск 2) и деталей включения и выключения (пружина 1, муфта 12, подшипник 14).
Стальной штампованный кожух 16, чугунный нажимной диск 7и нажимная пружина 1 представляют собой неразборный узел, который крепится к маховику 8 болтами 10. Между маховиком и нажимным диском на шлицах ведущего вала 11 коробки передач установлен ведомый диск 2, состоящий из ступицы 5, стального разрезного диска 4 и фрикционных накладок 3. Ведомый диск снабжен пружинно-фрикционным гасителем крутильных колебаний 6, который обеспечивает упругую связь между ступицей 5 и диском 4, а также гашение крутильных колебаний. Диафрагменная пружина 1, отштампованная из листовой пружинной стали, в свободном состоянии имеет вид усеченного конуса с радиальными прорезями, идущими от ее внутреннего края. Радиальные прорези образуют 18 лепестков, которые являются упругими выжимными рычажками. Упругость этих рычажков способствует обеспечению плавной работы сцепления. Пружина 1 с помощью заклепок и двух колец 19 закреплена на кожухе 16 сцепления. При этом наружный ее край, соприкасающийся с нажимным диском, передает усилие от пружины на нажимной диск.
Сцепление вместе с маховиком размещается в отлитом из алюминиевого сплава картере 9, закрытом спереди стальной штампованной крышкой 18 и закрепленном на заднем торце блока цилиндров двигателя.
Сцепление имеет гидравлический привод. Гидравлический привод сцепления (рис. 3) состоит из подвесной педали 4 с пружиной 2, главного цилиндра 6 и его бачка, рабочего цилиндра 18, соединительных трубопроводов со штуцерами 10, 21 и вилки 13 выключения сцепления с пружиной 16. Педаль и главный цилиндр прикреплены к кронштейну педалей сцепления и тормоза, соединенному с передним щитом кузова, а рабочий цилиндр установлен на картере сцепления. При выключении сцепления усилие от педали 4 через толкатель 5 главного цилиндра передается на поршни 7 и 8 с пружиной 9, которые вытесняют жидкость в трубопровод и рабочий цилиндр. Поршень 19 рабочего цилиндра с пружиной 20 через шток 14 поворачивает на шаровой опоре 12 вилку 13 выключения сцепления с пружиной 16, которая перемещает муфту с подшипником 11.
Подшипник через упорный фланец 15 (см. рис.2) перемещает внутренний край пружины 1 в сторону маховика 8. Пружина выгибается в обратную сторону, ее наружный край через фиксаторы 20 отводит нажимной диск 7от ведомого диска 2, и сцепление выключается, т.е. не передаст крутящий момент на трансмиссию.
При отпускании педали сцепления под действием пружины 1 нажимной диск прижимает ведомый диск к маховику, и сцепление включается — передает крутящий момент на трансмиссию. При этом все остальные детали сцепления и его привода возвращаются в исходное положение под действием пружин 17 вилки выключения 13, поршней главного и рабочего цилиндров и педали сцепления. Пружина 1 (см. рис. 4.13) соединена с педалью сцепления и уменьшает усилие на педали при выключении сцепления. Свободный ход педали, равный 20… 30 мм и соответствующий зазору 2 мм между торцом подшипника 11 выключения сцепления и упорным фланцем центральной нажимной пружины, регулируется гайкой 17, которая фиксируется контргайкой 15.
Свободный ход педали необходим для полного включения сцепления и предотвращения изнашивания и выхода из строя подшипника выключения сцепления. Полное включение сцепления обеспечивается зазором 0,1…0,5 мм между толкателем 5 и поршнем 7 при отпущенной педали сцепления, который устанавливается ограничителем 3.
Гидравлический привод сцепления заполняют тормозной жидкостью в количестве 0,2 л.
Фрикционные двухдисковые сцепления. Двухдисковым называется сцепление, в котором для передачи крутящего момента применяются два ведомых диска.
Двухдисковое сцепление при сравнительно небольших размерах позволяет передавать крутящий момент большой величины. Поэтому двухдисковые сцепления применяются на грузовых автомобилях большой грузоподъемности.
В двухдисковом сцеплении (рис.4) ведущими деталями являются маховик 13 двигателя, кожух 7, нажимной диск 8 и ведущий диск 11, ведомыми — ведомые диски 9 и 12, деталями включения — пружины 6, деталями выключения — рычаги 4 и муфта выключения 5 с выжимным подшипником.
Кожух 7 прикреплен к маховику 13 и связан с нажимным 8 и ведущим 11 дисками направляющими пальцами 10, которые входят в пазы дисков. Вследствие этого нажимной и ведущий диски могут свободно перемещаться в осевом направлении и передавать крутящий момент от маховика на ведомые диски, установленные на шлицах первичного вала коробки передач
При включенном сцеплении пружины 6 действуют на нажимной диск, зажимая между ним и маховиком двигателя ведущий и ведомые диски. При выключении сцепления муфта 5 давит на рычаги 4, которые через оттяжные пальцы 3 отводят нажимной диск от маховика двигателя. При этом между маховиком, ведомыми, ведущим и нажимными дисками создаются необходимые зазоры, чему способствуют отжимные пружины 1 и регулировочные болты 2.
В двухдисковых сцеплениях сжатие ведущих и ведомых деталей может производиться несколькими цилиндрическими пружинами, равномерно расположенными в один или два ряда по периферии нажимного диска.
Сжатие также может осуществляться одной центральной конической пружиной.
Двухдисковые сцепления могут иметь механические и гидравлические приводы. Для облегчения управлением двухдисковым сцеплением в приводе устанавливаются пневматические усилители, значительно снижающие максимальное усилие выключения сцепления.
Двухдисковые сцепления сложнее по конструкции и имеют большую массу.
Двухдисковые сцепления с периферийными пружинами. На рис.5, а представлено сцепление грузовых автомобилей КамАЗ. Сцепление — двухдисковое, фрикционное, сухое, с периферийными пружинами и гидравлическим приводом.
Ведущими в сцеплении являются маховик 1, средний ведущий диск 12, нажимной диск 11 и кожух 10, а ведомыми — диски 3 с гасителями 2 крутильных колебаний. Усилие, сжимающее ведущие и ведомые диски, создается пружинами 9. Крутящий момент от двигателя передастся нажимному и среднему ведущему дискам через выступы, выполненные на их наружных поверхностях, входящие в четыре продольных паза на маховике.
Пазы на маховике позволяют перемещаться выступам, а следовательно, и дискам 11 и 12 относительно маховика при включении и выключении сцепления.
На среднем ведущем диске 12 установлен рычажный механизм 4, пружина которого при выключении сцепления поворачивает равноплечий рычаг 13. При этом рычаг, упираясь своими концами в нажимной диск 11 и маховик 1, устанавливает средний ведущий диск 12 на одинаковом расстоянии от маховика и нажимного диска.
Рычаги 5 выключения сцепления соединены с упорным кольцом 8, в которое при выключении сцепления упирается выжимной подшипник 6 муфты 7 выключения, перемещающейся по направляющей втулке.
Привод сцепления — гидравлический с пневматическим усилителем. Привод (рис.5, б) включает в себя педаль 14, главный цилиндр 15, рабочий цилиндр 23, пневматический усилитель 19, следящее устройство 20, вилку и муфту выключения с подшипником, трубопроводы 18 и шланги для подачи рабочей жидкости от главного цилиндра к рабочему и воздухопровод 21 для подачи воздуха в пневмоусилитель.
При выключении сцепления усилие от педали 14через рычаг 16 и шток 17 передается поршню главного цилиндра 15, из,которого рабочая жидкость под давлением по трубопроводам 18 одновременно поступает в рабочий цилиндр 23 и корпус следящего устройства 20. Следящее устройство обеспечивает при этом поступление сжатого воздуха в пневмоусилитель 19 из воздухопровода 21. Оно автоматически изменяет давление воздуха в пневмоусилите-ле пропорционально усилию на педали сцепления. Суммарное усилие, создаваемое давлением воздуха в пневмоусилителе 19 и давлением жидкости в рабочем цилиндре 23, передается через шток 22 на вилку выключения сцепления и от нее — на муфту выключения с выжимным подшипником.
Установка пневматического усилителя в гидравлическом приводе позволяет значительно облегчить управление сцеплением — его выключение и удержание в выключенном состоянии. В случае выхода из строя пневмоусилитсля выключение сцепления осуществляется только давлением жидкости.
При этом усилие нажатия на педаль сцепления увеличивается до 600 Н.
Главный цилиндр привода сцепления (рис.6) включает в себя корпус 3, поршень 5 со штоком 6, уплотнитсльную манжету 4 и возвратную пружину 2. Внутри корпуса находятся полости Aw Б, которые заполнены рабочей жидкостью. Корпус цилиндра закрыт защитным чехлом 7и пробкой 1 с резьбовым отверстием для подсоединения трубопровода.
При включенном сцеплении (педаль сцепления отпущена) поршень находится в исходном положении под действием пружины 2. При этом полости А и Б1 в корпусе сообщаются между собой через открытое отверстие В, выполненное в поршне.
При выключении сцепления (при нажатии на педаль сцепления) шток 6 перемещается внутрь в сторону поршня 5, перекрывает отверстие В и разъединяет полости A. Б. Под давлением поршня жидкость из главного цилиндра через трубопровод поступает к пневматическому усилителю. При этом давление жидкости пропорционально усилию нажатия на педаль сцепления.
Пневматический усилитель (рис.7) гидропривода сцепления объединяет в себе рабочий цилиндр выключения сцепления с поршнем 2 и следящее устройство с поршнем 3, диафрагмой 4 и клапанами 5управления (впускным и выпускным). Работает пневматический усилитель следующим образом. При нажатии на педаль сцепления рабочая жидкость воздействует на поршни 2 и 3, которые перемещаются. Поршень 3 прогибает диафрагму с седлом клапанов 5управления. При этом выпускной клапан закрывается и открывается впускной клапан. Сжатый воздух через впускной клапан поступает в пневматический цилиндр усилителя и действует на поршень 6, который перемещается, оказывая дополнительное воздействие на шток 1 выключения сцепления. При отпускании педали сцепления давление жидкости на поршни 2 и 3 прекращается, они возвращаются в исходное положение под действием пружин. При этом закрывается впускной и открывается выпускной клапан, через который сжатый воздух из пневмоусилителя выходит в окружающую среду, а поршень 6 перемещается в исходное положение.
Контрольные вопросы
Что представляет собой сцепление и для чего оно предназначено?
Какие бывают сцепления по связи между ведущими и ведомыми деталями, по числу ведомых дисков, по созданию нажимного усилия и по приводу?
Из каких основных частей состоят одно- и двухдисковое сцепления и как в них передается крутящий момент от ведущих к ведомым деталям?
На каких автомобилях и почему имеют наибольшее применение одно- и двухдисковые сцепления с различными типами нажимных пружин и приводов управления?
Какие регулировки, с какой целью и каким образом производятся в сцеплении?
виды, из чего состоит, общее устройство, для чего нужна
Сделай репост и информация будет всегда под рукой ✅
Трансмиссия служит для передачи крутящего момента от коленчатого вала двигателя на ведущие колеса, а также для изменения величины крутящего момента и его направления.
Трансмиссия автомобиля это комплекс механизмов, назначение которых — передача крутящего момента от двигателя к ведущим колёсам. Это заставляет колёса вращаться, благодаря чему авто начинает своё движение.
Кроме этого, этот важный механизм может распределять крутящий момент между всеми колёсами, а также менять направление вращения и величину. В этом помогают различные детали и механизмы, без которых бы никак не получилось нормально эксплуатировать автомобиль. Например, это такие агрегаты трансмиссии, как главная передача, автоматическая и механическая коробка передач (КПП), сцепление, дифференциал.
Стрелецкий Игорь Павлович
Диагност , стаж работы 15 лет
Задать вопрос
Устройство трансмиссии эволюционировало постепенно. Поначалу упор делался на комфорт и управляемость транспортного средства, а потом стали увеличивать срок работы самой машины за счёт улучшения эффективности трансмиссии.
В статье простым языком расскажу, что такое трансмиссия, за что отвечает, какие основные составные части, как работает, классификация по типу привода и принципу действия, какие бывают поломки и как их выявить.
Обещаю, будет интересно!
Что это такое в машине?
Что такое трансмиссия автомобиля простыми словами? Скажу кратко — это определённые сборочные механизмы, которые соединены в единое целое для того, чтобы осуществить передачу «потока» энергии от его источника к колёсам автомобиля. Если бы не было этой конструкции, то было бы невозможна мгновенное срабатывание тормозной системы, езда задним ходом и управление в потоке машин.
Этот термин в переводе с латинского звучит так: «transmissio». Это слово дословно переводится как передача или пересылка. Проектированием деталей в трансмиссии занимаются только лучшие автоинженеры.
Где находится эта конструкция? Под днищем автомобиля, он берёт начало от коробки передач, а заканчивается в области задних колёс.
Фото трансмиссии
Каким требованиям должна соответствовать трансмиссия?
- Надёжность и безопасность.
- Лёгкость рулевого управления, особенно при прохождении поворотов.
- Максимально возможный показатель передачи мощности.

- Минимальный вес всех составных деталей.
- Низкий уровень шума во время работы.
- Высокий КПД.
Чем правильней и эффективней будут работать составные части трансмиссии, тем выше безопасность водителя, меньше расход топлива и износ трущихся деталей. Разумеется, это непосредственно влияет на те характеристики, которые указаны в техническом паспорте и гарантированы производителем.
Ещё существует такое понятие, как коэффициент полезного действия трансмиссии (КПД). Он рассчитывается как произведение КПД механизмов, включённых в её состав. Это эффективная характеристика, обозначающая отношение полезной энергии к затраченной. Проще говоря, если КПД будет низким, то это значит, что сил затрачено много, а результата нет. КПД трансмиссии современных автомобилей варьируется от 0,82 до 0,94.
Этот параметр трансмиссии непостоянен в течение всего срока работы машины. При эксплуатации нового автомобиля механизмы притираются друг к другу и КПД повышается.
Затем это значение держится на протяжении долгого периода времени, а когда движущиеся детали изнашиваются, то показатель падает. После капитального ремонта КПД возрастает, но уже никогда не достигает максимального значения.
Мелехов Алексей Викторович
Автоэлектрик , стаж работы 9 лет
Задать вопрос
Также многие задают следующий вопрос: «КПП и трансмиссия это одно и тоже, в чём разница?» Отвечаю. Коробка передач – это одна из многочисленных деталей трансмиссии.
Назначение
Все детали, которые влияют на передачу крутящего момента от маховика мотора к ведущим колёсам, входят в состав трансмиссии. Автомобиль без особых усилий трогается с места и движется с нужной скоростью.
Для чего необходима эта система механизмов?
Главной функцией трансмиссии является передача, распределение и изменение крутящего момента от двигателя к ведущим колёсам автомобиля. Для чего служит трансмиссия? Это посредник между двигателем и ведущими колёсами, без которого было бы невозможно начать движение автомобиля.
На что ещё влияет трансмиссия?
- Обеспечение нужного показателя тяги и скорости автомобиля при движении и поворотах.
- Простота управления автомобилем. Благодаря этому снижается усталость и напряжение шофёра при длительных поездках.
- Увеличение безопасности и надёжности транспортного средства.
- Продление «жизни» двигателя, снятие с него лишней нагрузки.
Без трансмиссии бы не получилось бы входить в повороты
Также некоторых интересует вопрос, какую функцию не выполняет трансмиссия? Вот верный ответ: она не обеспечивает движение транспортного средства в заданном направлении.
Устройство
Как правило, автопроизводители применяют в своих автомобилях автоматическую и механическую трансмиссию. Дополнительно машины могут быть передне- , задне- , а также полноприводными. Это зависит от того, на какие колёса подаётся крутящий момент. Поэтому тип привода непосредственно влияет на то, какие элементы входят в трансмиссию.
Что относится к трансмиссии? В стандартный набор трансмиссии входят следующие составные части:
- Сцепление.
- КПП – коробка передач.
- Дифференциал.
- Полуоси – валы привода колёс.
- Главная передача.
- Шарниры равных угловых скоростей.
Как выглядит трансмиссия
В зависимости от типа привода в сборку трансмиссии могут входить такие механизмы, как раздаточная коробка, карданная передача и муфты. Именно эти основные части автомобиля соединяет трансмиссия для обеспечения эффективности транспортного средства. Иные узлы и механизмы не относятся к трансмиссии автомобиля.
А что входит в трансмиссию гусеничных транспортных средств?
- Бортовой редуктор.
- Входной редуктор.
- Механизм поворота.
- Сцепление или главный фрикцион.
- КПП.
Также некоторые задаются вопросом: «Что входит в трансмиссию грузового автомобиля?» Кроме основных механизмов здесь дополнительно включают промежуточный средний ведущий мост, раздаточная коробка, коробка отбора мощности.
В больших автопоездах по езде на твёрдом дорожном полотне трансмиссия есть только в тягаче. А при езде по бездорожью трансмиссия ставится ещё в ведущих мостах прицепов.
Общая схема трансмиссии грузового автотранспорта
Попов Андрей Геннадьевич
Автослесарь, стаж работы 19 лет
Задать вопрос
Такой сложный механизм необходим для того, чтобы увеличить срок действия мотора. Вместо постоянной смены режима работы ДВС коробка передач изменяет передаточное число крутящего момента. А сцепление служит защитой мотора и КПП от рывковой нагрузки.
А что в трансмиссии вращается быстрее всего? При движении авто коленчатый вал ДВС вращается со скоростью до 7000 оборотов в минуту, а колёса при этом в 4 раза меньше, а при плохих условиях ещё медленнее.
Перейдём к подробному описанию всех деталей, включённых в трансмиссию.
Сцепление
Это комплекс деталей (диски, маховик, вилки выключения, первичный вал коробки), назначение которых – кратковременное разъединение мотора с коробкой передач.
Сцепление расположено между ДВС и коробкой передач. Это нужно для того, чтобы автомобиль пришёл движение, а также для плавного переключения скорости передач. Сцепление находится в авто с механической либо роботизированной коробкой передач. Поэтому им управлять может как водитель, так и электроника, автоматически переключающая скорости.
Дополнительное предназначение сцепления в том, что оно помогает защитить детали двигателя и трансмиссии от поломок при резкой нагрузке.
Когда левая педаль нажата – ведомый и ведущий диски разъединяются, можно переключать нужную передачу. А если педаль не нажата, то эти самые диски плотно соединены друг с другом. Важно понимать, что этот достаточно хрупкий механизм чувствителен к неверным действиям водителя. Если резко включать сцепление, то оно сломается по причине «сгорания» трущихся деталей.
Как правило, чаще применяется фрикционное сцепление, действие которого основано на силе сухого трения.
В автомобилях с механической КПП применяется сухой тип трения без смазывающей жидкости. В обычном состоянии диски прижаты друг к другу при помощи пружин. Это помогает передавать энергию от сгорания топлива в трансмиссию. Если водитель нажмёт на левую педаль, то диски разъединятся, и передача потока энергии останавливается без остановки работы двигателя. Когда снова потребуется начать движение, то надо плавно отпустить педаль, чтобы диски вновь соединились. Сухое сцепление часто применяют на автомобилях с полным приводом.
А в автомобилях с автоматической КПП сцепление выглядит в форме двух турбин, которые напрямую связаны с трансмиссией и мотором. Детали вращаются в моторной жидкости. Ведущий гидротрансформатор передают энергию в моторное масло, от движения которого начинает двигаться ведомая турбина. Мокрое сцепление более надёжное, но и цена его выше. Также существуют гидравлическое и электромагнитное сцепление, но они получили не такое большое распространение.
Коробка передач (КПП)
Это самый сложный механизм в трансмиссии.
Коробка передач помогает изменить передаточное число для эффективного режима мотора в любых дорожных условиях. Благодаря этому двигатель работает в стабильном режиме, без резких скачков оборотов, а машина двигается с той скоростью, которая необходима в данный момент времени. Дополнительно КПП переключает движение на задний ход.
Таким образом, коробка передач изменяет крутящий момент, подаваемый на колёса, направление движения транспортного средства, а также его скорость. Кроме этого, КПП может на долгое время разъединять мотор от трансмиссии.
КПП могут быть следующих типов:
- Автоматическая («автомат»). Здесь переключение скоростей происходит автоматически. Из минусов – медленный разгон и повышенное потребление топлива.
- Механическая («механика»). Здесь переключение позиций передач происходит в ручном режиме при помощи рычага. Этот тип КПП надёжен и прост в управлении.
- Вариатор. Здесь происходит плавное изменение крутящего момента.
Это так называемые бесступенчатая коробка передач. - Робот. Это механическая КПП, где сцепление и переключение передач происходят автоматически.
Отличная статья в тему: Что лучше: вариатор, обычный автомат или робот, отличие, отзывы владельцев, видео
Коробка передач помогает двигателю «приспосабливаться» к нужным условиям. Например, при езде по бездорожью на низкой передаче мотор работает сильнее, а колёса вращаются медленно, что помогает преодолеть даже сложные участки пути. А при езде на трассе при включении высокой передаче двигатель работает в экономичном режиме, а колёса вращаются быстрее.
Ведущий мост
Мосты в трансмиссии — это опоры, к которым крепится рама автомобиля. Ведущий мост получает крутящий момент от трансмиссии, что приводит колёса в движение. Ведомый мост – это просто опора. Мосты могут быть задними, передними, а также средними (их ставят в грузовые автомобили).
Дифференциал
Дифференциал – это комплекс шестерён, которые вращаются с 2-мя степенями свободы.
Для чего это нужно? Для того, чтобы делить крутящий момент на 2 потока, который заставляет крутиться колёса. Простыми словами, он распределяет скорость вращения по полуосям ведущего моста в зависимости от внешних условий. А работает он вместе с главной передачей.
Например, при повороте налево левые колёса движутся по меньшей траектории, чем правые. Таким образом, левые колёса движутся несколько медленнее. Наличие в автомобилях блокировки дифференциала позволяет двигаться двум колёсам на одной оси с равной скоростью. Устройство держит вращение колёс под своим контролем, меняя их скорость, чтобы не допустить их проскальзывание на неровном дорожном покрытии (особенно это важно при езде на скользкой дороге).
Самая важная характеристика дифференциала – это коэффициент блокировки, который обозначает соотношение крутящего момента одного колеса к такому же показателю другого. Грубо говоря, от коэффициента блокировки зависит проходимость. Чем выше этот показатель, тем лучше проходимость.
У стандартных дифференциалов он равен 1, а у более усложнённых механизмов он может быть со значением 5.
Расположение дифференциала напрямую зависит от типа привода:
- Полный – в раздаточной коробке;
- Передний – в коробке передач;
- Задний – в картере.
Раздаточная коробка
В простонародье эту деталь называют «раздатка». Эта деталь устанавливается только в полноприводных автомобилях для распределения вращения между всеми колёсами. В раздаточной коробке может содержаться демультипликатор, который во много раз увеличивает крутящий момент при прохождении тяжёлых участках пути.
Карданный вал (передача)
Карданный вал – это механизм, который обеспечивает передачу крутящего момента от КПП к задним колёсам. Как правило, эту деталь устанавливают в полноприводных или заднеприводных транспортных средствах, чтобы передавать вращение между разными мостами. Например, в переднеприводных автомобилях вращение двигателя передаётся к ведущей оси валами из кардана КПП.
Вал содержит 2 части, который соединены друг с другом под углом. В состав кардана входят муфты, валы, шарниры, шлицы, промежуточная опора. Выглядит карданная передача в виде трубы, а благодаря дополнительным деталям она может менять свою длину, а также изгибаться. А это очень важно при езде по ухабам, когда колёса движутся вверх и вниз, а расстояние от КПП до главной передаче постоянно изменяется.
Кардан считается важным механизмом, который помогает плавно передать крутящий момент от КПП к главной передаче при движении по неровной дороге, даже под определённым углом. Дополнительно кардан снижает колебания кузова при движении автомобиля.
Карданный вал помогает передать крутящий момент от вторичного вала КПП на вал главной передачи, который находятся под углом друг к другу.
Главная передача
Это узел, который передаёт крутящий момент напрямую к ведущему мосту. В состав устройства входит полуось, шестерни, сателлиты.
Одна из важных функций главной передачи – это повышение крутящего момента и уменьшение вращения ведущих колёс.
Существует одинарная передача, а также двойная, которая имеется у грузового автотранспорта с большим передаточным значением. А на заднеприводных авто используется так называемая гипоидная главная передача, которая располагается в картере моста. В переднеприводных автомобилях главная передача находится в КПП недалеко от дифференциала.
ШРУСШРУС – это шарнир равных угловых скоростей, который располагается на ведущих полуосях. Он является самым последним узлом трансмиссии, который непосредственно связан с крутящим моментом. Этот механизм необходим, чтобы точно «передать» вращение от дифференциала на колёса, причём неважно под каким углом они находятся. Внутренние и внешние ШРУСы обеспечивает постоянную связь дифференциала с колёсами при движении в любых дорожных условиях.
Принцип работы
Давайте подробнее рассмотрим, как устроена трансмиссия и какой у неё принцип действия. Каким образом энергия, появившаяся в двигателе, передаётся на колёса и благодаря этому автомобиль может двигаться?
Строение трансмиссии
Пошаговый принцип работы:
- В результате срабатывания системы зажигания создаётся высокое напряжения для формирования искры, которая воспламеняет топливовоздушную смесь. После сгорания топлива коленвал двигателя начинает своё вращение. Эта деталь соединена с маховиком, а он – со сцеплением. При обычном режиме работы сцепление всегда соединено с маховиком, и в результате этого коробка передач тоже всегда находится во «включённом» состоянии. Перед тем как переключить передачу, сцепление разъединяет постоянную связь между валом КПП и маховиком. А когда переключение выполнено – сцепление восстанавливает эту связь обратно.
- Коробка передач может выбирать оптимальное передаточное число при помощи разного набора шестерён. Каждая пара шестерён имеет разное передаточное число, что позволяет менять значение крутящего момента и скорости вала. Отмечу, что одновременно может происходить сцепка только одной пары шестерён при выборе определённой передачи. Другие шестерни будут просто работать вхолостую. Двигатель, сцепление и коробка передач находятся в одном корпусе и называется это трио — силовой агрегат.
- Затем крутящий момент передаётся на главную передачу (напрямую или через карданный вал). Главная передача уменьшает высокую скорость вращения (она слишком большая для колёс) и передаёт вращение на дифференциал.
- Дифференциал распределяет крутящий момент на полуоси ведущих колёс. Полуоси получают ту долгожданную энергию, которая будет передана ведущим колёсам. ШРУСы помогают сохранять нужную скорость при езде по неровной дороге. Автомобиль начинает своё движение.
- В заднеприводную трансмиссию добавлен карданный вал, который передаёт вращение от заднего моста к переднему. А в полноприводный автомобиль добавлена раздаточная коробка, которая обеспечивает «превращение» всех колёс в ведущие.
Видео: Трансмиссия автомобиля. Общее устройство, принцип работы и строение трансмиссии в 3D
Типы
Рассмотрим подробнее, как классифицируют трансмиссии по методам передачи энергии.
- Механическая. Передаёт механическую энергию от двигателя.
- Электрическая. Она преобразует механическое движение в электрическую энергию. Затем она «превращает» её обратно в механическую и передаёт на ведущие колёса. Чаще всего такую трансмиссию применяют на мощных грузовых машинах.
- Гидравлическая. Преобразует механическую энергию в давление потока жидкости, а затем обратно превращает в механическую и подаёт её на колёса. Нечасто применяется в машиностроении. Этот тип применяют на подвижных транспортных средствах (экскаваторах и т.п.).
- Комбинированные (гибридные) трансмиссии. Например, это гидромеханическая и электромеханическая. Это комбинации 2 разных типов трансмиссий.
Рассмотрим каждый вид в этой классификации трансмиссий более подробно.
Механическая
Это самый популярный вид трансмиссии, который применяется на большинстве легковых автомобилей. Устройство работает только при помощи механических деталей (фрикционы и шестерни).
Попов Андрей Геннадьевич
Автослесарь, стаж работы 19 лет
Задать вопрос
Механическая трансмиссия — надёжная и долговечная, которая легко поддаётся ремонту. Также этот тип механизмов имеет высокий КПД, обладает небольшим размером и весом.
Минусы – это не совсем плавное переключение передач, что в свою очередь приводит к нерациональному использованию мощности мотора. А также начинающим водителям будет сложновато привыкнуть к управлению автомобилей с механической коробкой передач при помощи рычага (это не касается спортивных авто, где переключение происходит автоматически).
Интересно! Механическая трансмиссия применялась во времена СССР при проектировании танков Т-55, Т-62, Т-64, Т-72, Т-80.
Какая трансмиссия называется бортовой и где она применяется? На тракторах, комбайнах, дорожной технике и некотором скоростном гусеничном автотранспорте устанавливается бортовая трансмиссия (с бортовой или колёсной передачей). Эти агрегаты ставятся перед ведущими колёсами или в них самих. Это сделано для того, чтобы передавать максимальный крутящий момент на ведущие колёса.
Гидромеханическая
Это набирающая популярность трансмиссию, которая применяется в автомобилях с автоматической коробкой передач. Здесь применяется как гидравлические, так и механические детали. Механическая энергия «превращается» в движение масла в гидротрансформаторе (аналог сцепления). Крутящий момент передаётся без рывков и искажений, ступенчато, без участия в этом процессе водителя.
Автомобиль движется плавно, увеличивается срок службы мотора и других элементов трансмиссии. Применение гидромеханической трансмиссии помогает эффективнее проходить тяжёлые участки пути (снег, песок) благодаря постоянной тяге и малой скорости вращения ведущих колёс.
Из минусов можно отметить – повышенный вес конструкции, сложный ремонт, высокая цена автомобиля. Также снижается коэффициент полезного действия двигателя.
Также такой вид трансмиссии применяется в ж/д технике, тракторах, танках (Леопард-2, М1 Абрамс).
Гидравлическая
Синонимы этого типа трансмиссии – гидростатическая, гидрообъёмная, а также маслогидравлическая силовая. В этом типе трансмиссии энергия двигателя передаётся при помощи аксиально-плунжерных механизмов – гидравлических машин. При передаче крутящего момента происходит сжатие жидкости. При этом есть возможность располагать детали трансмиссии на большом расстоянии друг от друга с высоким количеством степеней свободы и крутящим моментом. Здесь необходим строгий контроль за качеством используемой жидкости и установка гидромуфты для каждой передачи.
Как правило, «гибкая» трансмиссия применяется в теплоходах, строительных катках, станках, железнодорожной и авиационной технике.
Электромеханическая
Это самый современный тип трансмиссии, который стал популярен после массового производства электрокаров. Самый главный элемент здесь это тяговый электромотор (один или несколько), а также дополнительные детали — генератор электрического тока, электрическая система контроля, а также провода, которые соединяют части трансмиссии. Питает эту систему тяговый аккумулятор.
Преимущество электромеханической трансмиссии в мгновенной реакции на изменение параметра крутящего момента, расположение элементов на большом расстоянии друг от друга, что позволяет создавать удобные конструкции. Минусы – высокая цена, невысокий КПД двигателя, большой вес и размер.
Некоторые спрашивают, «Какие виды трансмиссий применяются в карьерном автотранспорте»? Чаще всего в карьерных самосвалах применяют именно электромеханическую трансмиссию.
Электромеханическую трансмиссию дополнительно применяют в тракторах, военной технике, тепловозах, автобусах и морских судах. Некоторые виды транспорта «включают» двигатель только после достижения определённой скорости, а до этого времени колёса движутся при помощи электрического тока.
Теперь перейдём к описанию типов приводов и особенностей используемых в них трансмиссий.
Зависимость трансмиссии от привода
Для разных типов трансмиссий конструктивные особенности различаются. Всего существуют следующие типы привода:
- Переднеприводный.
- Заднеприводный.
- Полноприводный.
Существует такое понятие, как колёсная формула автомобилей, которая включает 2 цифры. Расшифровка: первая – это общее количество колёс, а вторая – количество ведущих. Так передне- и заднеприводные обозначаются 4×2, а полноприводные – 4×4.
Рассмотрим их более подробно.
Переднеприводный
В них применяется классическая трансмиссия, принцип работы который был указан выше. Вращение от мотора передаётся только на передний мост через КПП, главную передачу и полуоси.
Дифференциал и главная передача размещаются в коробке передач в едином корпусе.
Заднеприводный
Здесь присутствуют все элементы переднеприводной трансмиссии. Здесь ведущая ось – задняя, а крутящий момент передаются при помощи дополнительного элемента — карданного вала. Он расположен между КПП и главной передачей и является посредником в передаче энергии.
Полноприводный
Крутящий момент передаётся одновременно на передний и задний мост. В трансмиссию дополнительно включают раздаточную коробку, которая передаёт вращение на все полуоси. А за распределение крутящего момента между колёсами отвечает межосевой дифференциал.
В трансмиссию грузового автомобиля входит дополнительная ось, чтобы уменьшить давление на асфальт и его износ.
Виды полных приводов:
- Постоянный полный привод. Все колёса являются ведущими постоянно. Благодаря этому улучшается разгон и управляемость, уменьшается пробуксовка колёс за счёт равномерного распределения тяги.
- Подключаемый. Ведомая ось становится ведущей, когда водитель принудительно включит полный привод.
- Автоматически подключаемый. Активируется при пробуксовке ведущих колёс.
Наиболее частые признаки поломки трансмиссии
Многие детали трансмиссии со временем изнашиваются или ломаются. Какие частые поломки могут произойти?
- Сцепление является так называемым расходным материалом. Здесь ведомый диск ломается чаще всего. При этом появляется скрежет, проскальзывание и нестабильная работа сцепления. В этом случае ведомый диск заменяют, а другие детали осматривают на предмет износа. Обратите внимание: пробуксовывание сцепления может спровоцировать износ фрикционов ведомого диска. Это ведёт к ограничению свободного хода педали, ухудшению разгона, снижение передачи крутящего момента, или авто может вообще не двинуться с места. Срок работы сцепления напрямую зависит от манеры вождения автомобиля.
- КПП – коробка передач является самым сложным механизмом в трансмиссии. Распространённая причина поломок – это редкая замена трансмиссионного масла. Ведь именно оно защищает все узлы коробки передач от износа. Если жидкость вовремя не заменить, то оно будет усиливать износ КПП. При поломке коробки передач появляются сторонние стуки, шум, шелест, даже при переводе рычага в нейтральное положение, происходит плохое срабатывание при переключении передач, а также подтекает масла из КПП, запах которого появляется в салоне. В этих случаях надо незамедлительно обратиться в автосервис. Рекомендуется строго следить за состоянием КПП (вовремя менять жидкость в системе охлаждения, проводить диагностику электронного блока управления и т.п.)
- В карданном вале может выйти из строя шарнир по причине естественного износа. Если появляются неисправности в работе карданной передачи, то во время движения слышен скрип и ощущается вибрация.
- Дифференциал и главная передача часто выходят из строя при экстремальных нагрузках и утечке масла через сальники. Если не хватает смазки, то шестерни быстро изнашиваются. При движении присутствует шум, вибрация или постукивания во время трогания автомобиля с места.
- ШРУСы ломаются редко, несмотря что на них приходится высокая нагрузка. Если вода попадёт через изношенные пыльники в шарниры угловых скоростей, во время движения будет слышен хруст. Поэтому надо вовремя менять расходники ходовой части и проверять состояние подвески.
Видео: Общее устройство трансмиссии
Трансмиссия – это ключевой механизм в современном автомобиле, который передаёт крутящий момент от двигателя к ведущим колёсам. Именно в этом её прямое назначение. Тип устройства зависит от вида привода в авто и способа передачи энергии.
Самая надёжная трансмиссия – механическая, работа которой зависит только от регулярного прохождения техобслуживания. Чаще всего выходит из строя диск сцепления, а самая дорогостоящая деталь – это коробка передач (КПП), особенно если идёт речь об автоматической (АКПП).
В автомобили всё больше внедряют новые разработки, где электронные компоненты, шестерни заменяются электрокабелями и электромоторами, которыми управляет бортовой компьютер. А вершиной технического прогресса является экологический чистый авто (например, на водородном топливе), где такой механизм как трансмиссия вообще отсутствует.
Сделай репост и информация будет всегда под рукой ✅
что это, значение, принцип работы
Трансмиссия автомобиля — это взаимосвязанные узлы и агрегаты, обеспечивающие передачу крутящего момента от коленвала мотора на ведущие колеса.
Назначение и типы автомобильной трансмиссии
Трансмиссия выполняет три функции:
передача момента;
изменение величины крутящего момента и его направления;
перераспределения тяги между ведущими осями и колесами.
Типы автомобильной трансмиссии классифицируются на основании преобразуемой энергии:
Механическая. Агрегаты передают механическую энергию вращения, меняя скорость и крутящий момент. Самый простой и дешевый механизм, используемый больше века.
Электрическая. Энергия ДВС преобразуется в электричество, которое питает электродвигатели, соединенные с колесами. Такие решения используются на тяжелых карьерных самосвалах и прототипах гибридных автомобилей с ДВС и аккумуляторной батареей.
Гидрообъемная. Энергия мотора машины преобразуется в поток жидкости, который вращает крыльчатку, приводящую в движение ведущие колеса.
Комбинированная. К ней относятся электромеханические и гидромеханические устройства. Самая распространенная разновидность — автоматическая трансмиссия с гидротрансформатором.
В зависимости и способа управления преобразованием крутящего момента (типа КПП) различают ручную (МКПП) и автоматическую (АКПП) трансмиссию.
Механическая КПП отличается экономичностью, дешевизной, надежностью и более высоким КПД. Она позволяет завести авто «с толкача», буксировать авто и двигаться по дороге «накатом». Также машины с МКПП легче заводятся на морозе.
Минусы «механики» — более сложное управление автомобилем и наличие сцепления, которое легко вывести из строя при неумелой эксплуатации.Роботизированная КПП представляет собой классическую «механику», оснащенную сервоприводами. Они самостоятельно переключают передачи и отключают сцепление, делая третью педаль ненужной. Машины с роботизированной коробкой передач можно буксировать. Как и МКПП, «робот» помогает экономить топливо при движении «накатом». Даже новичку легко управлять авто с роботизированной КПП. Однако она менее надежна и отличается высокой ценой ремонта. В отличие от других АКПП, «робот» переключает передачи рывками, а не плавно меняет крутящий момент.
АКПП с гидротрансформатором передает крутящий момент от двигателя через крыльчатки, находящиеся в жидкости (масле). Гидротрансформатор отличается высокой надежностью и предохраняет двигатель от чрезмерной загрузки. При соблюдении регламента обслуживания он проходит 300-400 тысяч километров. Такие АКПП отличаются мягким изменением крутящего момента и не позволяют машине скатиться назад, трогаясь на горку. Однако ремонт этих агрегатов слишком сложный и дорогой. Отсутствие жесткой связи с двигателем ухудшает динамику и КПД.
Вариаторные АКПП изменяют крутящий момент за счет изменения размеров ведущей и ведомой шестеренок или шкивов. В зависимости от детали, передающей крутящий момент, различают ременные, клиномерные и торовые вариаторы. В легковых авто применяется преимущественно ременные передачи. Их преимущество — высокий КПД, хорошая динамика и отсутствие толчков и рывков при переключении. Однако они, как и АКПП с гидротрансформатором, не позволяют буксировать авто и отличаются сложностью и дороговизной ремонта.
Ведущие колеса, на которые трансмиссия передает энергию, могут быть передними или задними (передне- и заднеприводные машины). Также применяются полноприводные конструкции, в которых все четыре колеса являются ведущими.
Устройство трансмиссии
Крутящий момент от мотора автомобиля к колесам передают следующие детали и узлы:
коробка переключения передач;
сцепление;
главная передача;
кардан и (или) ШРУСы;
дифференциал либо несколько (2-3) дифференциалов.
Конструкция отличается в зависимости от установленной КПП и типа привода:
на машинах с АКПП отсутствует сцепление;
на заднеприводных авто зачастую нет ШРУСов;
автомобили с передними ведущими колесами не оборудуются карданами;
на полноприводных машинах устанавливается не один, а три дифференциала: передний, задний и межосевой.
Давайте отдельно рассмотрим функции каждого из агрегатов.
Сцепление служит для кратковременного отключения механической связи между двигателем и КПП. Оно позволяет плавно разъединять и соединять их, обеспечивая беспрепятственное переключение передач и предохраняя двигатель и КПП от перегрузок во время старта с места или смены передачи.
Коробка передач меняет крутящий момент, приходящий на колеса, скорость вращения приводных валов и направление движения машины. Она обеспечивает долговременное отключение вала двигателя от трансмиссии при буксировке или движении «накатом» (актуально для роботизированных и ручных КПП).
Карданная передача (кардан) передает вращение с вала КПП на шестерню ведущего моста заднеприводного авто (вернее, на его главную передачу). Он обеспечивает подвижность соединения и не препятствует свободному ходу моста при движении по неровной дороге.
Главная передача, расположенная в КПП или ведущем мосту, увеличивает крутящий момент двигателя, который передается на полуоси колес. На заднеприводных авто используется гипоидная передача, объединенная с дифференциалом. В переднеприводных авто главная передача совмещена с КПП.
Дифференциал перераспределяет вращающий момент между ведущими колесами либо осями (последнее актуально на полноприводном авто). Он позволяет колесам крутиться с разными скоростями. Это предотвращает снос оси при повороте и уменьшает расход топлива и износ шин во время движения по неровной дороге. Узел устанавливается в заднем мосту или КПП (в задне- и переднеприводных машинах соответственно). Полноприводные авто оснащаются межосевыми дифференциалами и устройствами блокировки дифференциала, повышающими проходимость на снегу, грязи, песке или льду.
Шарниры равных угловых скоростей передают вращение от дифференциала на ведущие колеса переднеприводных и полноприводных автомобилей. Различают внешние и внутренние ШРУСы. Первые устанавливаются со стороны колес, вторые — со стороны КПП. Детали соединяются приводными валами.
Трансмиссии полноприводных авто имеют несколько типов конструкции, включающих элементы передне- и заднеприводной компоновки, дополненные раздаточной коробкой. Особую нишу занимают появившиеся на рынке электромобили. В них отсутствуют КПП и дифференциалы, а электромоторы имеют прямую механическую связь с ведущими колесами.
О различных типах трансмиссий и способах их применения
О шести основных типах трансмиссий, предназначенных для различных погодных условий
Давайте разберемся, какой вид трансмиссии подойдет тому или иному автолюбителю. В предыдущей статье мы уже выясняли, какой привод лучше, передний или задний, в этом взглянем на виды трансмиссий шире. Каждая конфигурация трансмиссии (система подключения двигателя к колесам) предназначена для определенных условий дорожного покрытия и манеры езды. Если коротко, то:
- для любителей крутых виражей и drag-рейсинга — задний привод
- для любителя спокойной и безопасной езды в плохих погодных условиях — передний привод
- для автомобилей, использующихся в высокогорных, либо зимних, дождливых погодных условиях — полный привод
Теперь подробно о видах трансмиссий. Всего их шесть.
1. Задний привод
Стандартный привод для большинства легковых автомобилей. Вращение двигателя по карданному валу передается на два задних колеса. По сути, задние колеса толкают машину по дороге. Из-за того, что двигатель расположен в передней части автомобиля, у заднего привода нет нагрузки двигателя на ведущие колеса, а это минус для передвижения по зимним дорогам, хотя, современные датчики контроля тяги или системы курсовой устойчивости, помогают преодолеть этот недостаток. Как правило, заднеприводные транспортные средства хорошо сбалансированы, хорошо управляются и тормозят без заносов автомобиля. Mercedes-Benz и BMW используют в своих автомобилях исключительно задний привод.
2. Передний привод
Передний привод передает крутящий момент двигателя на передние колеса, которые, по сути, тянут машину за собой по дороге. Управление автомобилем с такой трансмиссией считается сбалансированным, стабильным и предсказуемым. «Железные кони» с ведущими передними колесами хорошо ведут себя на зимней дороге, так как основной вес транспортного средства приходится на переднюю часть автомобиля и ведущие передние колеса имеют лучшее сцепление с дорогой.
3. Полный привод
Трансмиссия таких автомобилей самая сложная, двигатель передает мощность на четыре колеса одновременно. В таких авто все четыре колеса ведущие, тяга между ними распределяется равномерно. В современных полноприводных автомобилях, тяга, при необходимости, автоматически смещается с передних колес на задние, при этом водитель даже не чувствует изменений. Полноприводные машины не лучший вариант для передвижения по бездорожью, но нет привода лучше для езды по зимним, мокрым или скользким дорогам.
4. Временный полный привод (Part-Time 4WD)
По сути, автомобили с таким видом трансмиссии не полноприводные. У них передача крутящего момента происходит либо на передние, либо на задние колеса, а полный включается только при необходимости. Такие переходы не остаются незамеченными водителем, поскольку при подключении второй пары колес происходит временная потеря тяги. Автомобили с временным полным приводом не подходят к использованию по бездорожью.
5. Постоянный привод на 4 колеса (full-time)
Этот тип трансмиссии похож на полный привод, но более надежен и предназначен для езды по бездорожью. В этом типе трансмиссии силовая установка, как правило, располагается продольно в переднем свесе транспортного средства, коробка передач — внутри колёсной базы, а главная передача — между ними, тем самым упрощая конструкцию трансмиссии. Крутящий момент распределяется равномерно на все четыре колеса, когда машина едет по ровной и сухой дороге, но автоматически изменяется если дорожные условия ухудшаются и требуется сделать акцент на той или иной оси. По заснеженным дорогам лучше транспортного средства не найти. Единственный недостаток такого вида трансмиссии — большее потребление топлива из-за тяжести системы.
Разницу между временным полным приводом (Part-Time 4WD) и постоянным приводом на 4 колеса (full-time) видно на картинке ниже.
6. Неполный привод на 4 колеса
Эта конфигурация трансмиссии передает крутящий момент двигателя на задние колеса, но если тяга потеряна, то по электрической, механической или гидравлической системе крутящий момент передается на все четыре колеса. В этом виде трансмиссии, чтобы задействовать все 4 колеса автомобиля требуется вмешательство водителя. Происходит это либо из салона транспортного средства поворотом рычага, либо манипуляциями вне салона автомобиля. Этот вид трансмиссии считается неполным по той причине, что не может быть задействован постоянно на сухом асфальте из-за вероятности повреждения механики, но на скользкой дороге не найти привода лучше, чем этот.
Теперь вы знаете немного больше о каждом из шести видов автомобильных приводов. Какому из них отдать предпочтение – индивидуальное решение каждого, но делая выбор, подумайте о том, в каких условиях будете использовать автомобиль чаще.
CarWale Gyan: Типы трансмиссий
Введение
Если вы водили транспортные средства или читали о них, вы могли бы встретить термин «трансмиссия». Но что именно это означает? Проще говоря, трансмиссия или коробка передач — это механическая машина, которая контролирует мощность, вырабатываемую двигателем / трансмиссией транспортного средства, и передает ее на колеса по мере необходимости. Существуют различные виды автомобильных трансмиссий, и в этой статье мы кратко рассмотрим различные типы коробок передач.
Механическая коробка передач
Механическая коробка передач или рычаг переключения передач — это тип коробки передач, для переключения передач которой требуется вмешательство водителя. Водитель должен включить сцепление, нажав / отпустив ножную педаль, и выбрать подходящее передаточное число, используя рычаг переключения передач, чтобы отрегулировать крутящий момент, передаваемый от двигателя к колесам.
Традиционно современные автомобили поставляются с пяти- или шестиступенчатой механической коробкой передач, в зависимости от объема двигателя и сегмента.Однако более ранние автомобили поставлялись с трех- или четырехступенчатой механической коробкой передач, в то время как были случаи и с семиступенчатой механической коробкой передач. Скорости указывают передаточное число.
Обычно механическая коробка передач позволяет выбрать любое передаточное число в заданный момент времени, но последовательная механическая коробка передач позволяет переключаться только на более высокое или более низкое передаточное число. Рычаг переключения передач обычно устанавливается на полу, но некоторые автомобили также имеют селектор переключения передач на стойке или на консоли (на приборной панели).
Гидротрансформатор Автоматическая
Автоматическая трансмиссия, как следует из названия, является самопереключающейся трансмиссией, что означает, что водителю не нужно вручную переключать передачи.В этом случае преобразователь крутящего момента имеет возможность умножать крутящий момент даже при низкой выходной скорости вращения. Это достигается путем отклонения жидкости, поступающей из турбины, от статора, при этом она блокируется односторонней муфтой.
В отличие от обычной гидравлической муфты, которая не может увеличивать выходной крутящий момент, преобразователь крутящего момента имеет статор, который изменяет характеристики привода во время высокого проскальзывания, чтобы обеспечить увеличенный выходной крутящий момент. Коробка передач с гидротрансформатором находит свое применение в двигателях большой мощности, которые обеспечивают более высокий выходной крутящий момент.Эти трансмиссии лучше сконструированы и менее подвержены поломкам.
CVT Автоматическая
CVT или бесступенчатая трансмиссия (CVT), также известная как шкивная трансмиссия или бесступенчатая трансмиссия, представляет собой автоматическую коробку передач, которая плавно переключается в непрерывном диапазоне передаточных чисел. Виртуальный вариатор имеет бесконечное количество передаточных чисел, которые можно непрерывно изменять на лету, чтобы обеспечить плавное вождение.
В отличие от других автоматических трансмиссий, вариатор не зависит от крутящего момента и использует свои бесконечные передаточные числа для передачи мощности на колеса.Бесступенчатая трансмиссия использует в своей конструкции четыре шкива (конуса), которые соединены резиновыми ремнями и болтаются на двух параллельных осях. Эти конусы перемещаются вверх или вниз, а оси перемещаются ближе или расходятся, создавая бесконечное передаточное число.
Современные вариаторы поставляются с заранее определенными шагами (например, с шестью или семью шагами) для управления движением осей и шкивов, чтобы обеспечить лучший контроль для водителя и обеспечить плавную подачу мощности.
DCT Автоматическая
DCT или коробка передач с двойным сцеплением — это тип автоматической коробки передач, в которой используются два отдельных сцепления, каждое для набора нечетных и четных передаточных чисел.Большая внешняя муфта приводит в движение шестерни с четными номерами, а внутренняя муфта меньшего размера приводит в движение шестерни с нечетными номерами.
Поскольку любое из этих альтернативных передаточных чисел (нечетное и четное) можно предварительно выбрать при движении на любой передаче, не прерывая распределения крутящего момента на колеса, DCT являются трансмиссиями для дорожных автомобилей с самым быстрым переключением передач. DCT в основном бывают двух типов — мокрые многодисковые муфты или сухие однодисковые муфты.
DCT с мокрым сцеплением, в котором для охлаждения используется масло, разработан для двигателей, которые развивают высокий выходной крутящий момент 350 Нм и более.DCT с сухим сцеплением подходит для двигателей меньшего размера, которые обеспечивают низкий выходной крутящий момент до 250 Нм. Однако DCT с сухим сцеплением более экономичны, поскольку отсутствуют потери при перекачке жидкости.
AMT
Проще говоря, AMT — это автоматическая механическая коробка передач, известная также как коробка передач с автоматическим переключением передач. Это не что иное, как механическая коробка передач с гидравлическим или электронным приводом, который автоматически переключает передачи. Переключение передач зависит от мощности дроссельной заслонки и скорости автомобиля.
AMT намного доступнее обычных автоматических коробок передач. Эти трансмиссии разработаны для удобства вождения и не ориентированы на удовольствие от вождения. И именно поэтому AMT медленно реагируют на нажатие педали газа и вызывают явный кивок головой, когда автомобиль движется тяжелой ногой. Тем не менее, одним из преимуществ AMT является то, что они экономичны.
Руководство по автомобильным трансмиссиям
Когда дело доходит до автомобильных трансмиссий, большинство людей думает, что это простой вопрос о сравнении автоматической или механической коробки передач.Хотя это два основных типа, правда в том, что существует очень много других функций и типов этой детали автомобиля, и все они служат разным целям. Отслеживание различных типов автомобильных трансмиссий может быть немного запутанным, но, к счастью, Toyota из Клермонта составила простое руководство, которое поможет вам лучше сформировать ваш опыт вождения!
Больше, чем просто переключение передачМеханическая и автоматическая трансмиссии являются основными типами автомобильных трансмиссий Clermont, но знаете ли вы, что существует четыре подтипа автоматики? Давайте посмотрим на различия и их значение для вашего опыта вождения:
Ручной привод: Ручной привод с педалью сцепления и более практичным переключением передач является оригинальной трансмиссией автомобиля.Водители Клермонта, которые используют ручное управление, знают, что во время вождения ему нужно уделять больше внимания, потому что вы должны активно использовать педаль сцепления и переключатель для переключения передач в зависимости от дорожной ситуации. Этот тип трансмиссии обычно обеспечивает более высокую топливную экономичность, избегая «пробуксовок» при переключении, которые обычны для автоматических трансмиссий автомобилей.
Автомат: Один из наиболее распространенных типов автомобильных трансмиссий, автоматические приводы не требуют особого внимания со стороны водителей Клермонта, если только они не переключаются между приводом, нейтралью, парковкой и задним ходом.Переключение передач осуществляется электронным способом и не требует вмешательства водителя. Обычно этот процесс протекает гладко, но за счет некоторой потери эффективности из-за пробуксовки трансмиссии автомобиля. Существует четыре различных типа автоматических трансмиссий, которые создают разные ощущения от вождения:
- Бесступенчатая трансмиссия (CVT): Автомобильные трансмиссии Clermont CVT не похожи на типичную автоматическую коробку передач. Они не используют шестерни, а вместо этого переключаются с помощью регулируемых шкивов и трения.Он уникален по своей мощности, но в нем используется гидротрансформатор для максимальной топливной экономичности, и они работают на высоких оборотах, чтобы переключение передач было плавным. Однако этим типам автомобильных трансмиссий не хватает спортивного ускорения, и они имеют тенденцию быть шумными из-за своего рабочего порога.
- Обычная автоматическая коробка передач: Используя тот же преобразователь крутящего момента, что и вариатор, обычные автоматические трансмиссии автомобилей используют систему передач, аналогичную ручным приводам, но переключение осуществляется с помощью блоков сцепления с электронным управлением.Водители Клермона обычно могут определить, используют ли они этот тип трансмиссии, наблюдая за поведением своего автомобиля на склоне, ровной поверхности и на холостом ходу. Если автомобиль может стоять на склоне и двигаться вперед на холостом ходу, то это обычная автоматическая коробка передач.
- Автоматическая механическая коробка передач: Этот тип автомобильной трансмиссии по-прежнему является автоматической, но представляет собой комбинацию этого и ручного привода. Вместо использования педали сцепления или пакетов сцепления, таких как обычная автоматическая коробка передач, автоматизированные руководства Clermont используют сцепление с компьютерным управлением, но включают в себя инструменты переключения, такие как дополнительные варианты переключения передач на колонке переключения или подрулевые переключатели для переключения передач.Он сочетает в себе преимущества автоматической работы без участия оператора и топливную экономичность ручного управления.
- Автоматическая механическая коробка передач с двойным сцеплением: Этот тип коробки передач больше похож на механическую, но при этом ведет себя как автомат. Эта трансмиссия Clermont использует два разных зубчатых вала, один для четных (2, 4 и 6), а другой для нечетных (1, 3, 5 и 7), для переключения передач используется внутренний компьютер. Компьютер предварительно выбирает первую передачу для переключения при ускорении и одновременно выбирает следующую передачу для переключения на первую, а затем переключается при выключении.
Переключение между всеми этими передачами может немного запутать, и наша опытная команда автосервисов Toyota в Клермонте может вам помочь! Мы можем ответить на любые ваши вопросы о трансмиссии или помочь вам сесть в новый автомобиль Toyota, который соответствует вашим идеальным ощущениям от вождения. Позвоните нам по телефону (352) 404-7000 или остановитесь в нашем представительстве по адресу 16851 State Road 50.
Типы трансмиссий | Ремонт трансмиссии | Сан-Франциско, Калифорния
Механическая коробка передач
Существует два основных типа трансмиссий, которыми может оснащаться автомобиль.Первый — это механическая коробка передач. Механическая коробка передач позволяет водителю выбирать передачи вручную с помощью переключателя и сцепления, которое приводится в действие левой ногой водителя. Другое название этого типа трансмиссии — рычаг переключения передач или стандартная трансмиссия. Этот тип трансмиссии редко встречается в США, и по состоянию на 2018 год только 2% автомобилей, проданных в этом году, были с механической коробкой передач.
Автоматическая коробка передач
Второй тип трансмиссии, который может быть в автомобиле, — это автоматическая коробка передач.Этот тип трансмиссии встречается чаще, чем его аналог с механической коробкой передач. Автоматическая трансмиссия использует гидротрансформатор, набор передач и ленты для автоматического переключения передач автомобиля. Некоторые автоматические трансмиссии позволяют водителю ограниченное ручное управление передачей, например, D1, D2 и D3.
Автоматическая механическая коробка передач
Менее распространенной автоматической коробкой передач является автоматическая механическая коробка передач. Обычно он встречается в автомобилях более дорогих марок, таких как BMW или Porsche.Автоматическая механическая коробка передач также широко известна как «Коробка передач с прямым переключением передач» (DSG) или «Механическая коробка передач с последовательным переключением передач» (SMG). Эта трансмиссия обеспечивает полностью автоматическое переключение передач вперед и ручное переключение с помощью кнопок или подрулевых переключателей.
Авторемонтная мастерская, обслуживающая Сан-Франциско, Калифорния.
Если ваша трансмиссия работает ненормально или необычно, обращайтесь в Авторемонтную мастерскую на Фелл-Стрит по всем вопросам ремонта автомобилей и трансмиссии. Команда механиков Fell Street Auto Repair имеет многолетний опыт ремонта трансмиссий. Позвоните нам по телефону 415-529-4514 или посетите наш магазин по адресу: 340 Fell Street, San Francisco, CA 94102.
Позвоните нам сегодня, чтобы узнать больше о различных типах трансмиссий, которые мы ремонтируем!
Различные типы автоматических коробок передач | Статьи
(Фото: Unsplash)
При меньшем количестве доступных автомобилей с механической коробкой передач и при подавляющем большинстве продаж автомобилей с автоматической коробкой передач вы можете знать или не знать, что не все автоматические устройства одинаковы.
Говорят, простота — это высшая изощренность, и когда все, что вам нужно сделать, это сесть на водительское сиденье и повернуть рычаг переключения передач, чтобы начать движение, нетрудно понять, почему. Вам никогда не придется нервничать из-за остановки или утомления левой ноги, все это время то, что по сути является магией, происходит под вами.
Автоматическая коробка передач дает те же результаты, что и механическая коробка передач и ее сцепление, но несколькими разными способами. Назначение коробки передач — позволить двигателю обеспечивать широкий диапазон выходных скоростей, даже если сам двигатель имеет узкий диапазон скоростей.Без механической или автоматической коробки передач автомобили были бы ограничены одной передачей, которая позволяла бы им двигаться с желаемой максимальной скоростью. Таким образом, трансмиссия использует передачи, чтобы более эффективно использовать крутящий момент двигателя, чтобы двигатель работал с оптимальной скоростью.
Еще одно сравнение механической трансмиссии и обычной автоматической трансмиссии — механическая трансмиссия блокирует и разблокирует различные шестерни выходного вала для достижения различных передаточных чисел. В отличие от этого, обычная автоматическая коробка передач использует тот же набор шестерен для обработки всех других передаточных чисел.Деталь, которая позволяет этому процессу работать в автоматической коробке передач, называется планетарной передачей.
(Фото: Mechanicalmania)
Планетарный редуктор
Одним из важнейших компонентов автоматической трансмиссии является планетарный редуктор. При разрезании автоматической коробки передач вы увидите планетарный ряд в центре. Это та часть, которая позволяет передаточным числам автоматически увеличиваться и уменьшаться. Планетарный редуктор состоит из 3-х различных частей, работающих:
(Фото: artofmanliness)
Он находится в центре планетарной передачи.
Это от трех до четырех маленьких шестерен, которые окружают солнечную шестерню и работают с солнечной шестерней. Как и планеты, они вращаются, но также вращаются по орбите вокруг солнечной шестерни.
Самая внешняя шестерня — это коронная шестерня, которая окружает все остальные шестерни. Работает с шестернями Planet.
Эти три компонента образуют планетарный редуктор, обеспечивающий движение назад и пять различных уровней движения вперед. Это зависит от того, какая из шестерен установлена или удерживается в неподвижном состоянии.Чтобы узнать более подробные сведения о том, как работает планетарный редуктор, было бы немного сложнее и сложнее, и это заслуживает отдельной статьи.
Различные типы автоматики
(Фото: iStock)
Существует несколько основных типов автоматических коробок передач: автоматическая коробка передач гидротрансформатора, бесступенчатая трансмиссия (CVT), автоматизированная механическая коробка передач (AMT) и трансмиссия с двойным сцеплением (DCT). В этот момент вы можете подумать: «Я слышал это раньше, но вот какая разница?» Что ж, ты скоро узнаешь.
Гидротрансформатор
(Фото: AutoCar)
Гидротрансформатор с автоматической коробкой передач является наиболее распространенной формой автоматической коробки передач. Он находится между двигателем и трансмиссией и работает, заменяя функции сцепления, которое используется для включения и отключения крутящего момента двигателя от коробки передач. Гидротрансформатор работает с планетарной передачей и управляется гидравлически, что позволяет автомобилю двигаться.
Если вы хотите, чтобы мы написали полную статью о том, как это работает, дайте нам знать в комментариях (чтобы я сначала получил степень инженера, потому что, честно говоря, для меня это вуду).Десятилетия усовершенствований и массового производства значительно снизили затраты, и, поскольку он дешев и надежен, его используют в автомобилях по всему миру.
Бесступенчатая трансмиссия (CVT)
(Фото: NewAtlas)
Далее, у нас есть бесступенчатая трансмиссия или CVT для краткости. Звучит круто и работает именно так, как следует из названия, вариатор позволяет двигателю вращаться с максимальной эффективностью, поскольку он может непрерывно изменять передаточные числа привода.Вариатор — одна из самых надежных коробок передач, экономичных и плавных в управлении.
Однако, несмотря на то, что у коробки передач CVT много плюсов, многие водители находят ее раздражающей и скучной вождение, потому что двигатель не издает звук и не работает как традиционный двигатель. Несмотря на это, чистая эффективность вариаторов — большая приманка для производителей, поэтому многие автомобили по-прежнему выпускаются с вариаторами.
Автоматическая ручная трансмиссия (AMT)
(Фото: X-Engineer)
В-третьих, автоматическая механическая коробка передач или AMT также известна как механическая коробка передач без сцепления, потому что ее механика аналогична механической коробке передач.AMT позволяет управлять сцеплением и переключением передач с помощью электроники. Одним из плюсов AMT является то, что он дешев, потому что производителям не нужно разрабатывать или даже иметь отдельную сборочную линию для сборки AMT.
Электронные накладки для работы AMT просто добавляются к стандартной механической коробке передач. Благодаря датчикам и компьютеризированному срабатыванию AMT также может быть более экономичным, чем тот же автомобиль с механической коробкой передач. Однако некоторые AMT могут быть менее доработаны, что приводит к рывкам и медленной реакции на действия водителя.AMT обычно работают за счет электронного управления либо только сцеплением, либо всем процессом переключения, что означает, что некоторые AMT могут переключать передачи сами по себе, или некоторым все же может потребоваться вмешательство водителя, чтобы запросить другую передачу.
Некоторые автомобили, которые использовали AMT, включают трансмиссию Ferrari «F1» на ее дорожных автомобилях и серию трансмиссий «E-gear» от Lamborghini.
Коробка передач с двойным сцеплением (DCT)
(Фото: CNET)
И, наконец, у нас есть самый дорогой и сложный вариант среди всех коробок передач — коробки передач с двойным сцеплением или DCT.Это рассматривается как вариант премиум-класса, потому что он предлагается европейским автомобильным брендам и моделям, таким как Mercedes, Audi и Porsche, среди многих других, но они становятся все более популярным выбором коробки передач для новых автомобилей.
Коробка передач DCT сложна, поскольку она работает как автоматизированное руководство, но с двумя сцеплениями, а также со сложным программным обеспечением, отсюда и название. Это позволяет автомобилям с DCT осуществлять плавное переключение: одно сцепление работает с передачами с нечетными номерами, а другое сцепление — с передачами с четными номерами.Плюсы DCT — его эффективность и плавность переключения передач, а также хорошая топливная экономичность. С другой стороны, из-за сложности DCT исправление может оказаться очень дорогостоящим, если с ним что-то не так.
Несмотря на то, что автоматические трансмиссии имеют множество преимуществ, таких как обеспечение беспроблемной езды по городу, экономия топлива и даже более быстрое время прохождения круга на трассе, вы просто не можете избежать удовольствия от гребли на собственных передачах, и мы надеемся, что manual ‘коробка не умирает в ближайшее время.
Подробнее: Руководство для начинающих: улучшение управляемости
Загрузите новое приложение Motorist App прямо сейчас. Это универсальное приложение, разработанное водителями для водителей, позволяет получать последние обновления информации о дорожной обстановке, дает вам доступ к камерам трафика в реальном времени и помогает вам управлять LTA и транспортными средствами.
Знаете ли вы, что у нас есть Motorist Telegram Channel ? Созданный исключительно для водителей и владельцев автомобилей в Сингапуре, вы можете мгновенно получать информацию о наших последних акциях, статьях, советах и рекомендациях или просто пообщаться с командой автомобилистов и другими водителями.
Что такое автомобиль с автоматической коробкой передач?
Танит ВираванGetty Images
Автомобили с автоматической коробкой передач — одни из самых популярных автомобилей, доступных на рынке. Перед тем, как выбрать автомобиль, нужно определиться, какая трансмиссия подходит именно вам. Для этого необходимо ознакомиться с информацией об автоматических и механических коробках передач. Типы трансмиссии не такие разные, как раньше, но при выборе автомобиля полезно знать, в чем различия и как работает каждая трансмиссия.
Вот несколько важных моментов, которые следует учитывать.
Что такое автомобиль с автоматической коробкой передач?
Согласно данным «Совхоз», автомобиль с автоматической коробкой передач — это автомобиль с автоматической коробкой передач, не требующий от водителя переключения передач вручную. Коробки передач, также известные как коробки передач, помогают управлять силой вращения и скоростью автомобиля. Таким образом, автоматические трансмиссии переключают передаточные числа при движении автомобиля. В автоматической коробке передач используются датчики, которые позволяют переключать передачи в нужное время, используя внутреннее давление масла.Переключение передач происходит, когда трансмиссия временно отсоединяется от двигателя, что осуществляется гидротрансформатором.
Вы можете определить, является ли автомобиль автоматическим, по его педалям. Если у автомобиля две педали, значит, это автомат. Автомобили с ручным управлением включают третью педаль, называемую педалью сцепления, которая немного меньше педали тормоза.
Типы автоматической трансмиссии в автомобилях
Автомобиль из Японии объясняет, что в настоящее время в современных автомобилях доступны различные типы автоматических трансмиссий.Вот несколько типов автоматических коробок передач:
- Гидротрансформатор автоматический: Этот тип трансмиссии является наиболее популярным типом автоматической трансмиссии в автомобилях. Автоматическая трансмиссия с гидротрансформатором работает с использованием гидравлической гидравлической муфты или гидротрансформатора, подключенного к электронному блоку управления двигателя, что позволяет трансмиссии взять на себя управление автомобилем.
- Бесступенчатая трансмиссия (CVT): CVT допускает «бесконечное» количество передаточных чисел, которые плавно помогают автомобилю ускоряться без прерывания переключения передач.CVT использует шкивы переменной ширины и ремень вместо фиксированных шестерен.
- Полуавтоматическая трансмиссия (SAT): Полуавтоматическая коробка передач имеет сцепление, аналогичное механической трансмиссии, но сцепление приводится в действие с помощью электрогидравлических средств и использует датчики, пневматику, процессоры и исполнительные механизмы.
- Коробка передач с двойным сцеплением: Коробка передач с двойным сцеплением или коробка передач с прямым переключением очень похожа на механическую коробку передач. Разница в том, что двойное сцепление управляется компьютером автомобиля и содержит два сцепления вместо одного.Одно сцепление управляет нечетными передачами, а другое — четными.
- Коробка передач Tiptronic: Эти автоматические трансмиссии предоставляют водителям возможность выключить автоматический режим, чтобы лучше контролировать ходовые качества автомобиля, полагаясь на то, что водитель будет переключать передачи, работая как автоматический двигатель. Коробки передач Tiptronic были созданы компанией Porsche.
История автоматической трансмиссии
Согласно Auto Repair San Antonio, чуть более 100 лет назад механические трансмиссии были единственным вариантом для водителей, пока братья Стертевант из Бостона не попытались создать первую автоматическую трансмиссию в 1904 году.Гири и ленты приводили в действие их двухступенчатую коробку передач «безлошадную повозку». Созданная ими автоматическая трансмиссия часто была ненадежной, так как грузы часто разлетались, вызывая отказ трансмиссии.
Важной разработкой, которая помогла изобретателям создать автоматическую коробку передач, была планетарная трансмиссия, используемая в коробке передач транспортного средства. И первая использованная планетарная трансмиссия была у Вильсона-Пилчера. Трансмиссия, построенная между 1900 и 1907 годами, работала с использованием двух планетарных зубчатых передач, которые позволяли выбирать четыре передние передачи с помощью одного рычага переключения передач.
Альфред Хорнер Манро, канадский инженер-паровоз, спроектировал первую автоматическую трансмиссию в 1921 году и запатентовал трансмиссию в 1923 году. Он создал автоматическую трансмиссию с четырьмя передними передачами без задних или стояночных шестерен, и он использовал давление воздуха вместо гидравлической жидкости. . General Motors использовала трансмиссию в Oldsmobile, Buick и Cadillac в период с 1937 по 1938 год.
Первая гидравлическая трансмиссия была изобретена бразильскими инженерами Фернандо Лехли Лемос и Хосе Браз Арарипе в 1932 году.General Motors приобрела прототип и преобразовала трансмиссию в трансмиссию Hydra-Matic. Эта трансмиссия была произведена серийно в 1940 году, что изменило курс автомобильной промышленности. Во время Второй мировой войны General Motors производила танки и другую военную технику с новой автоматической гидравлической трансмиссией.
К 1948 году компания Buick представила первую гидравлическую трансмиссию с гидротрансформатором. Они назвали эту передачу Dynaflow.
Когда была разработана полуавтоматическая трансмиссия?
Автоиндустрия.com сообщает, что REO и General Motors начали производить полуавтоматические трансмиссии в 1934 году, которые работали с легкостью по сравнению с полностью механической коробкой передач. Их новаторские конструкции трансмиссии по-прежнему предлагали водителям сцепление, которое соединяло двигатель с трансмиссией.
Преимущества автомобиля с автоматической коробкой передач
Budget Direct объясняет, что обе трансмиссии имеют свои уникальные преимущества, и предпочтения могут варьироваться в зависимости от водителя. Вот несколько преимуществ, которые автомобиль с автоматической коробкой передач предлагает водителям:
- Легче использовать в условиях интенсивного движения. Автомобили с механической коробкой передач требуют больше усилий для запуска, остановки и ускорения; в плотном потоке запускать и останавливать автомобиль может быть утомительно. Вы можете легко запускать и останавливать автомобили с автоматической коробкой передач, нажимая одну педаль.
- Коробка передач переключается быстро и плавно. Водителям не нужно выполнять дополнительную работу, чтобы переключить коробку передач в автомобиле с автоматической коробкой передач, потому что она переключается за них. Водитель и пассажиры внутри автомобиля обычно не чувствуют переключения трансмиссии в автомобиле с автоматической коробкой передач.
- Научиться водить машину с автоматической коробкой передач проще. Вождение автомобиля с механической коробкой передач требует больше практики, чем вождение автомобиля с автоматической коробкой передач. В управлении автомобилем с ручным управлением задействовано больше конечностей. Кроме того, требуется меньше времени для освоения вождения автоматов.
- Сниженный риск остановки. Автомобили с механической коробкой передач могут быть случайно остановлены водителем на светофоре. Автомобили с автоматической коробкой передач глохнут реже, если у автомобиля нет механической неисправности.
- Лучше на холмах.
Недостатки автомобиля с автоматической коробкой передач
AA утверждает, что владение автомобилем с автоматической коробкой передач дает много преимуществ, но автомобили с автоматической коробкой передач также имеют несколько недостатков.Вот некоторые проблемы, которые могут возникнуть при владении автомобилем с автоматической коробкой передач:
- Их покупка может быть дороже. Автомобили с автоматической коробкой передач могут быть примерно на 4000 долларов дороже, чем их аналоги с механической коробкой передач. Однако это зависит от марки и модели автомобиля. Также некоторые автомобили доступны только с автоматической коробкой передач.
- Это может ухудшить концентрацию внимания водителя. Вождение автомобиля с механической коробкой передач требует большего внимания, поскольку водитель должен сам переключать передачи. Автомобиль с автоматической коробкой передач требует меньше внимания для вождения.Это означает, что водитель может принять решение отвлечься, что может привести к аварии.
- Это может снизить экономию топлива. Автомобили с механической коробкой передач обычно имеют лучшую топливную экономичность, чем автомобили с автоматической коробкой передач, но это также зависит от марки и модели автомобиля.
Автомобили с автоматической коробкой передач будут только и дальше набирать популярность. Быть хорошо информированным — ключ к выбору подходящего для вас.
Источники:
https://www.statefarm.com/simple-insights/auto-and-vehicles/manual-vs-automatic-transmissions
https: // carfromjapan.com / article / industry-knowledge / automatic-Transmission-type -olated /
https://www.autorepairsanantonio.com/40-automatic-transmission-history
https://www.budgetdirect.com.au/blog /manual-vs-automatic-car-transmission-pros-cons.html
Этот контент создается и поддерживается третьей стороной и импортируется на эту страницу, чтобы помочь пользователям указать свои адреса электронной почты. Вы можете найти больше информации об этом и подобном контенте на пианино.io
Простое руководство по различным типам автомобильных трансмиссий
Механическая коробка передач
Механическая коробка передач имеет муфту, которая позволяет отключать двигатель от трансмиссии, и рычаг переключения передач, позволяющий выбирать от 3 до 7 передач, в зависимости от трансмиссии.
Сцепление представляет собой простой диск, запрессованный пружинами в маховик. Представьте, что одна или ваши руки — это сторона коробки передач, а другая — сторона двигателя. Сожмите ладони вместе, и они обе будут двигаться, если вы поворачиваете запястье.расслабьтесь, и вы можете вращать одно без другого. Вместо ваших рук в сцеплении используется сэндвич из пластин, управляемых педалью сцепления. Прижимной диск и прикреплен болтами к маховику двигателя (большое металлическое колесо, вращаемое двигателем), между ними фрикционный диск сцепления. Центр фрикционного диска соединен с входным валом трансмиссии. Нажатие на педаль сцепления противодействует пружинам в прижимном диске, поэтому фрикционный диск может свободно вращаться.
Внутри самой трансмиссии находится ряд наборов передач, которые скользят вперед и назад при перемещении «вилками» переключения, управляемыми рычагом переключения.Каждая передняя передача требует набора из двух шестерен в трансмиссии на двух параллельных валах, одна из которых подключена к входу, а другая — к выходу. Когда все идет хорошо, одновременно может быть задействован только один комплект, но если вилка погнута или рычаг выходит из строя, они могут застрять между передачами или сразу на двух передачах.
Поскольку выходные боковые шестерни всегда вращаются со скоростью движения, для наиболее плавного переключения скорость двигателя должна упасть до правильного числа оборотов в минуту для переключения на повышенную передачу или быть повышена до более высокого значения для понижающей передачи.Это также приходилось делать вручную опытному водителю на несинхронизируемых коробках передач, но с 1960-х годов в трансмиссиях использовались синхронизаторы, которые быстро согласовывали скорости передач при переключении. Ускорьте переключение, и, если вы не «соответствуете оборотам», вы либо будете перемалывать передачи, либо вам будет трудно переключаться. Лучшие спортивные автомобили, оснащенные механической коробкой передач, на сегодняшний день соответствуют скорости вращения компьютера, поэтому вы можете переключаться быстрее.
Автоматическая механическая коробка передач (или полуавтоматическая коробка передач)
Эта трансмиссия имеет автоматическое сцепление, которое позволяет переключать передачи, не нажимая на педаль сцепления, или, в некоторых случаях, использует систему двигателей и компьютеров для управления обычной механической коробкой передач и обеспечения полностью автоматического переключения.Одним из самых ранних примеров является VW «Automatic Stickshift», в котором на самом рычаге переключения передач использовался электрический переключатель для автоматического отключения сцепления при перемещении рычага. В современной версии датчики, исполнительные механизмы и процессоры выполняют работу по управлению сцеплением в нужный момент, когда вы переключаете передачи, поэтому нет шлифования шестерен.
В коробке передач BMW SMG, Smart FourTwo и некоторых моделях Maserati и Ferrari традиционная механическая коробка передач управляется компьютером.Работу переключения выполняют электродвигатели и гидравлика, также есть автоматическое сцепление. Эти автомобили могут управляться точно так же, как обычная автоматическая коробка передач, когда они находятся в режиме «движение», хотя есть жалобы на проблемы на очень низких скоростях, например, при парковке.
• Доля рынка трансмиссий в мире 2025 г.
• Доля рынка трансмиссий в мире 2025 г. | StatistaДругая статистика по теме
Пожалуйста, создайте учетную запись сотрудника, чтобы иметь возможность отмечать статистику как избранную.Затем вы можете получить доступ к своей любимой статистике через звездочку в заголовке.
ЗарегистрироватьсяПожалуйста, авторизуйтесь, перейдя в «Моя учетная запись» → «Администрирование». После этого вы сможете отмечать статистику как избранную и использовать персональные статистические оповещения.
АутентифицироватьСохранить статистику в формате.Формат XLS
Вы можете загрузить эту статистику только как премиум-пользователь.
Сохранить статистику в формате .PNG
Вы можете загрузить эту статистику только как премиум-пользователь.
Сохранить статистику в формате .PDF
Вы можете загрузить эту статистику только как премиум-пользователь.
Показать ссылки на источники
Как премиум-пользователь вы получаете доступ к подробным ссылкам на источники и справочной информации об этой статистике.
Показать подробные сведения об этой статистике
Как премиум-пользователь вы получаете доступ к справочной информации и сведениям о выпуске этой статистики.
Статистика закладок
Как только эта статистика будет обновлена, вы сразу же получите уведомление по электронной почте.
Да, сохранить в избранное!
… и облегчить мне исследовательскую жизнь.
Изменить параметры статистики
Для использования этой функции вам потребуется как минимум Одиночная учетная запись .
Базовая учетная запись
Познакомьтесь с платформой
У вас есть доступ только к базовой статистике.
Эта статистика не учтена в вашем аккаунте.
Единая учетная запись
Идеальная учетная запись начального уровня для индивидуальных пользователей
- Мгновенный доступ к статистике 1 мес
- Скачать в форматах XLS, PDF и PNG
- Подробные ссылок
$ 59 39 $ / месяц *
в первые 12 месяцев
Корпоративный аккаунт
Полный доступ
Корпоративное решение, включающее все функции.
* Цены не включают налог с продаж.
Самая важная статистика
Самая важная статистика
Самая важная статистика
Самая важная статистика
Дополнительная статистика
Узнайте больше о том, как Statista может поддержать ваш бизнес .
Рикардо. (29 апреля 2017 г.).Доля мирового рынка автомобильной трансмиссии в период с 2015 по 2025 год [График]. В Statista. Получено 8 мая 2021 г. с сайта https://www.statista.com/statistics/204123/transmission-type-market-share-in-automobile-production-worldwide/
Ricardo. «Доля мирового рынка автомобильной трансмиссии в период с 2015 по 2025 год». Диаграмма. 29 апреля 2017 года. Statista. По состоянию на 8 мая 2021 г. https://www.statista.com/statistics/204123/transmission-type-market-share-in-automobile-production-worldwide/
Ricardo.(2017). Доля мирового рынка автомобильной трансмиссии в период с 2015 по 2025 год.



Это так называемые бесступенчатая коробка передач.