Выпуск отработавших газов: все не так просто, как может показаться
Параметры, определяющие качество
На эффективность подавления шума и безопасность использования всей выхлопной системы влияют в первую очередь такие факторы, как конструкция глушителя, диаметр внутренних труб, надежность и способ крепления элементов системы к шасси. Также чрезвычайно важным является качество швов и уплотнений, используемых в соединениях и деталях системы.
Глушители, поставляемые на вторичный рынок, часто отличаются от оригинальных конструкций, устанавливаемых автопроизводителем при выпуске автомобиля. Даже крупные компании, производящие глушители, упрощают оригинальную конструкцию, если она оказывается слишком, на их взгляд, нетехнологичной. Существуют и такие поставщики запчастей, которые умышленно предельно упрощают заводские конструкции выпускных систем. Снижая собственные затраты, они имеют возможность предложить покупателю очень дешевые, по сравнению с оригинальными конструкциями, продуктовые линейки.
Изменение конструкции глушителя, при сохранении его оригинальных параметров и, главное, характеристик, требует проведения ряда тестов и исследований. Производители, меняющие конструкции без каких-либо согласований и тестов своих изделий, часто реализуют их на рынке, а затем их продукция нарушает нормальную работу всей выхлопной системы автомобиля.
Еще одним важным фактором, определяющим выбор выхлопной системы, является использование соответствующих диаметров труб в глушителе. Ведь можно сконструировать глушитель, используя трубы заниженного, от оригинала, диаметра, и он будет существенно понижать шумовой фон. Но подобное «дросселирование» потока выхлопных газов обязательно отразится на снижении эффективности работы двигателя.
Нельзя не остановиться на проблеме материалов, используемых в глушителях. На выхлопную систему действуют такие вредные внешние факторы, как резкие изменения температуры, например при езде во время дождя. Неблагоприятно влияет на элементы системы выпуска отработавших газов и эксплуатация в зимний период, когда на детали действуют низкие температуры; контакт со снегом, солью вызывает образование очагов коррозии.
Глушители, устанавливаемые на автозаводе, как правило, изготовлены из листов и труб, материалом которых являются нержавеющие и жаропрочные стали. Из-за высокой цены этих материалов детали системы выпуска газов, предназначенные для реализации на вторичном рынке, делают из рядовой стали, но обрабатывают с обеих сторон антикоррозионным покрытием, главным образом на основе алюминия. Покрытие наносится слоем 80…120 г/м2, толщина определяет устойчивость поверхности к коррозии. Качество покрытия можно оценить визуально: если слой нанесен тонкий, то поверхности деталей не блестят, а имеют матовый алюминиевый оттенок.
Важна, безусловно, для продления срока службы системы выпуска газов толщина самого металла глушителя, поскольку чем он толще, тем дольше изделие прослужит.
Кроме стали в конструкции глушителя используются материалы, поглощающие или же отражающие звуки. С функциями шумоподавления хорошо справляется стекловолокно. Материал характеризуется отличными характеристиками глушения шума и, по сравнению с другими звукоизолирующими технологиями, не наносит вреда окружающей среде. Стекловолокно не поглощает конденсат, но способствует его испарению из глушителя. Этот материал не меняет своих свойств даже при температуре +900°С. Технология текстурирования стекловолокна позволяет тщательно заполнить «карманы» глушителя.
Важно помнить, что все элементы системы выпуска отработавших газов следует монтировать в строгом соответствии с предназначенными для них местами на днище кузова.
Выхлопная система должна быть закреплена без напряжений, ее расположение должно обеспечивать возможность свободного смещения под действием изменения окружающей и внутренней температуры. При замене отработавшей свой ресурс выхлопной системы на новую эластичные резиновые элементы также меняются.
Необходимо также добавить, что при установке нового глушителя надо обратить внимание на эстетичный вид и антикоррозионную защиту сварных швов, на кронштейны крепления, расположенные на трубах и резонаторах. Металл креплений должен быть определенной толщины, а сами крепления должны быть приварены сварными швами достаточной длины. Сварка частей системы является важнейшим фактором, влияющим на надежность всей выхлопной системы, которой приходится постоянно воспринимать динамические нагрузки различной силы.
Катализаторы на страже чистоты «выхлопа»
Как известно, назначением выхлопной системы является отвод из двигателя отработавших газов, а также снижение шумового эффекта, возникающего в результате пульсации давления выходящих газов. Однако в современных авто выхлопная система выполняет также важнейшую роль и по очистке отработавших газов. С этой целью в выхлопные системы вводятся такие компоненты, как каталитические нейтрализаторы, кислородные датчики, сажевые фильтры и некоторые другие устройства.
В связи с различием в технологиях очистки вредных выбросов каталитические реакторы, предназначенные для «дизелей», нельзя использовать в бензиновых двигателях, и наоборот. В дизельных двигателях задачей очистных устройств является снижение выбросов окиси углерода, которая образуется при работе на обедненной смеси. Снижение выбросов оксида азота в значительной степени обеспечивает действие используемой в двигателях системы рециркуляции отработавших газов (EGR), а также применение системы селективной каталитической нейтрализации (SCR). Хотя в России данная технология, в связи с целым рядом недостатков, а именно высокой ценой, низкой температурой замерзания одного из главных компонентов данной технологии, всего –11,5°С, повышенными требованиями к качеству дизтоплива, используется достаточно редко.
Задачей каталитического нейтрализатора, больше известного в народе под названием катализатор, является преобразование вредных соединений, образующихся в процессе сгорания топлива в двигателе, в несколько менее вредные для экологии вещества.
В двигателях с искровой системой зажигания катализаторы окисляют и снижают вредность трех соединений. NOx, или оксид азота, преобразуется в N2 или нейтральный азот, углеводород CH превращается в H
Химические реакции происходят при рабочей температуре катализатора 350…800°С. Для оптимального осуществления процесса сгорания топлива необходимо сохранение стехиометрического состава горючей смеси. Для такой смеси устанавливается специальный коэффициент избытка воздуха λ = 1. Это значит, что для сгорания 1 кг топлива без образования остаточного кислорода потребуется 14,7 кг воздуха. Кстати, при использовании в качестве топлива пропана соотношение воздух/топливо меняется и будет равно 15,6:1.
В качестве материалов, ускоряющих прохождение реакций в катализаторах,используют металлы – палладий, платину, родий, рутений.
Эти материалы напыляются на монолитный блок, находящийся внутри реактора и напоминающий своим внешним строением пчелиные соты.
Конечно, сгорание происходит и при λ < 1 или λ > 1, однако только при λ = 1 уровень выбросов вредных соединений минимальный. Надо сказать, что впрыск точно дозированной смеси могут обеспечить только инжекторные устройства, контролируемые и управляемые бортовым компьютером. Поэтому катализаторы работают в основном в автомобилях с инжекторной системой подачи топлива, а в машинах, где горючую смесь готовит карбюратор, используются очень редко.
Каталитические блоки бывают керамическими и металлическими. Керамическая конструкция характеризуется разделением на квадратные, в сечении, соты, с толщиной стенок между каналами 0,05…0,15 мм. В стальных блоках стенки значительно тоньше, всего 0,03…0,07 мм. Такое строение позволяет стальным блокам пропускать больший поток выхлопных газов. Металлические блоки значительно чаще керамических устанавливают на новые автомобили, они отличаются большим тепловым сопротивлением, поэтому, например, только стальные каталитические решетки используют в двигателях, работающих на газе.
К преимуществам керамических блоков можно отнести более благозвучный для человеческого уха звук, издаваемый ими при работе, чем образующийся при прохождении выхлопных газов через металлические «соты». Однако керамический блок отличается гораздо менее прочной структурой, чем металлический, стойкость его к механическим повреждениям низкая, и очень часто они выходят из строя по причине появления трещин, образовавшихся от ударов. Также керамические блоки хуже металлических переносят перепады температур, поэтому, как писалось выше, «керамику» не применяют в двигателях, работающих на газе.
Эксплуатация катализатора – в жестких рамках
Катализатор относится к устройствам автомобиля, состояние которых водителю достаточно сложно диагностировать самостоятельно. Повреждение каталитического нейтрализатора легко обнаружить в результате проведения анализа выхлопных газов, однако выполнить это можно только на диагностическом стенде. Наиболее важным показателем является процентное содержание окиси углерода СО в «выхлопе».
Однако симптомы «утраты трудоспособности» катализатора можно обнаружить в процессе эксплуатации автомобиля. Потеря мощности, проблемы с запуском, шумная работа двигателя – все это может быть признаком того, что катализатор поврежден. Также следует проверить, в каком состоянии находится окончание выхлопной трубы. Если оно сильно закопчено, покрыто сажей, это верный знак того, что выхлопная система, и особенно катализатор, может иметь серьезные дефекты.
Рабочий ресурс современных катализаторов постоянно увеличивается, однако большинство производителей рекомендуют менять катализатор после 120…150 тыс. км пробега. Бывают, конечно, случаи, когда катализаторы выхаживают и по 250 тыс. км, но это относится к разряду исключений.
Для продления «жизни» катализатора необходимо тщательно следить за тем, что попадает в заправочный бак машины.
Даже незначительное количество этилированного бензина может необратимо повредить катализатор. Поэтому особенно опасно заправлять автомобиль где-то на трассе, приобретая уже разлитое в канистры горючее.
Кроме того, использование топлива низкого качества, загрязненного, приводит к тому, что за счет высокой температуры выхлопных газов внутренняя часть катализатора может расплавиться. Нормальная работа катализатора происходит примерно при 600°С, а некачественное топливо может повысить температуру до 900°С.
Необходимо также систематически контролировать состояние свечей зажигания. Отсутствие искры в одном из цилиндров будет приводить к стеканию несгоревшего бензина в выхлопную систему, что негативно отразится на состоянии катализатора.
Каталитический нейтрализатор может быть разрушен одним ударом о бордюр или выступающий камень, при движении по пересеченной местности. Следует также опасаться резкого охлаждения катализатора, которое может произойти, например, при пересечении автомобилем глубокой лужи.
Кислородный датчик
Сокращение вредных выбросов в выхлопных газах в значительной степени зависит от кислородного датчика, или лямбда-зонда. Конструкция этих устройств претерпела с годами значительные изменения: если изначально это были обычные датчики, то сегодня это уже микропроцессорные системы.
Очистка выхлопных газов первоначально производилась только с использованием каталитических нейтрализаторов. В их функции входило ускорение химической реакции, в результате которой вредные соединения должны были преобразоваться в менее вредные. В 70-х гг. прошлого века был изобретен кислородный датчик. Соединение этого прибора с катализатором позволило значительно поднять уровень очистки отработанных газов. Лямбда-зонд нагревается быстрее катализатора, а значит, система управления двигателем быстрее начинает получать сигналы об изменениях содержания кислорода в выхлопных газах, которое, как известно, определяет оптимальный для сгорания состав топливно-воздушной смеси.
Важным параметром является температура кислородного датчика: при низкой температуре датчик не функционирует, а при слишком высокой либо при частых значительных температурных перепадах могут возникать поломки датчика, снижается его срок службы.
Чтобы стабилизировать температурный режим работы кислородных датчиков, сделать их независимыми от температуры отработанных газов, современные лямбда-зонды оснащают электрическими подогревателями. Постоянная рабочая температура позволяет получать сигналы от датчика в большем диапазоне режимов работы двигателя, что увеличивает в целом чистоту выхлопных газов автомобиля. Благодаря появлению независимых от окружающей температуры подогреваемых датчиков стали применять монтаж сразу двух кислородных датчиков – до и после катализатора. В этом случае контроль количества кислорода в смеси значительно более точен, а функционирование всей выхлопной системы более надежно. Кроме того, таким образом легко контролировать эффективность работы катализатора.
Один из наиболее известных производителей кислородных датчиков – японская компания Denso. Первые датчики компания выпустила в 1977 г., и за прошедшие годы Denso поставила сотни миллионов своих датчиков производителям автотехники по всему миру. Сегодня высокотехнологичные конструкции Denso доступны покупателям вторичного рынка, причем качество продукции не уступает качеству датчиков, идущих на конвейеры ведущих автостроителей.
Программа выпуска Denso охватывает 277 позиций и 1700 модификаций. Большая их часть – уникальные разработки инженеров компании. Среди таких разработок – датчики циркониево-оксидные, цилиндрического либо плоского исполнения, с подогревом и без такового, титановые датчики, лямбда-зонды для обедненных смесей, линейные A/F и другие.
Не менее известна продукция фирмы NGK. За последние 30 лет компания реализовала более 600 млн кислородных датчиков марки NTK. В течение последнего десятилетия предприятие стало одним из основных поставщиков подобных компонентов, как на вторичном рынке, так и при комплектации новых машин.
Технологии, связанные с производством кислородных датчиков, были освоены компанией NGK еще в 80-х гг. прошлого века, а объемы продаж датчиков NTK увеличивались год от года. До 1999 г. было реализовано 100 млн датчиков, в 2003 г. объем реализации составил 200 млн ед. За следующие четыре года объем возрос вдвое. Сегодня, когда датчики марки NTK уже отметили свое 30-летие, в компании утверждают, что в мире за этот период было продано более 700 млн датчиков.
Увеличению спроса на лямбда-датчики способствуют все более и более жесткие экологические нормы, вводимые в мире. Например, в начале нынешнего века, перед введением OBD II (On-Board-Diagnosis II), требованиями предусматривалась установка одного регулировочного кислородного датчика, но с введением OBD II каждый вновь зарегистрированный автомобиль должен иметь, кроме регулирующего датчика, еще и диагностический. Автомобили с двумя выхлопными трубами должны оборудоваться сегодня не менее чем двумя датчиками каждого вида.
Еще одним фактором, обуславливающим рост продаж датчиков, стало появление двигателей с пониженным расходом топлива, растет число регистрируемых мотоциклов, которые в Европе сегодня оснащаются трехкомпонентными катализаторными нейтрализаторами и кислородными датчиками.
Лямбда-зонды тоже ломаются
Одной из причин значительных объемов продаж кислородных датчиков является то, что поврежденный датчик ремонту не подлежит, а меняется на новый.
Однако лямбда-зонды, изготовленные известными производителями, как правило, не ломаются в течение всего срока эксплуатации транспортного средства, если, конечно, на них не воздействуют внешние причины, например механические удары, приводящие к появлению трещин в керамических элементах либо к обрыву соединения корпуса и кабеля. Загрязнение датчика оседающими на него твердыми частицами, вылетающими вместе с выхлопными газами, приводит к задержке его реагирования на изменения в составе выхлопных газов и, как следствие, вызывает неверные действия электронного модуля, управляющего работой двигателя. Также и влияние влаги, попадающей в места электросоединений, появление коррозии на металлических поверхностях контактов отражаются на качестве сигналов, передаваемых датчиком.
Итак, как мы видим, если учесть при выборе элементов системы выпуска отработавших газов все необходимые для долгой и надежной работы факторы, то можно действительно получить качественно и надежно работающую систему, а достаточно высокая цена ее будет вполне оправданна.
Система выпуска отработавших газов автомобиля
В соответствии с требованиями законодательства система выпуска отработавших газов снижает содержание загрязняющих веществ в отработавших газах двигателей внутреннего сгорания. Система выпуска отработавших газов также служит для снижения уровня шума и выпуска отработавших газов в удобном месте автомобиля. При этом потери мощности двигателя должны быть сведены к минимуму. Вот о том, из каких компонентов состоит система выпуска отработавших газов автомобиля, мы и поговорим в этой статье.
Содержание
Компоненты системы выпуска отработавших газов
Система выпуска отработавших газов состоит из выпускного коллектора, компонентов для очистки отработавших газов, шумопоглощающих компонентов и различных соединителей этих компонентов.
Конструкция и компоновка этих компонентов на легковых и коммерческих автомобилях значительно различаются.
В системах выпуска отработавших газов легковых автомобилей отдельные компоненты соединятся трубами, и вся система устанавливается под днищем автомобиля (см. рис. «Система выпуска отработавших газов» ). В зависимости от рабочего объема двигателя и типа используемого глушителя система выпуска отработавших газов легкового автомобиля имеет массу от 8 до 40 кг. Поскольку компоненты системы изнутри подвергаются коррозионному воздействию горячих газов и конденсата, а снаружи — влаги и соленой воды, они в основном изготавливаются из высоколегированных сталей.
Нормы Евро-4 требуют установки компонентов для очистки отработавших газов также и на коммерческих автомобилях. Обычно эти компоненты объединены в большую систему и крепятся к раме. Отдельные компоненты описаны ниже на примере системы выпуска отработавших газов легкового автомобиля. Особенности систем выпуска отработавших газов коммерческих автомобилей будут рассмотрены в конце этого раздела.
Очистка отработавших газов автомобиля
Компоненты, предназначенные для очистки отработавших газов, включают каталитический нейтрализатор, необходимый для разложения газообразных загрязняющих веществ, входящих в состав отработавших газов, и фильтр (или сажевый фильтр), предназначенный для фильтрации мелких твердых частиц (в особенности для дизельных двигателей).
Каталитические нейтрализаторы устанавливаются в системе выпуска отработавших газов как можно ближе к двигателю, чтобы они могли как можно быстрее достичь своей рабочей температуры и, следовательно, эффективно работать в условиях городского движения. Решающим фактором здесь является температура каталитического нейтрализатора, которая для трехкомпонентных нейтрализаторов составляет приблизительно 250 °С. Сажевые фильтры также устанавливаются в передней части систем выпуска отработавших газов, чтобы обеспечить более эффективное сжигание задержанных ими частиц сажи при более высоких температурах отработавших газов.
Покрытия некоторых каталитических нейтрализаторов, например, нейтрализаторов аккумуляторного типа, предназначенных для нейтрализации оксидов азота (NOx ) крайне чувствительны к температуре и поэтому устанавливаются в области днища автомобиля.
Для обеспечения максимально возможного преобразования выбросов в каталитическом нейтрализаторе или эффективной работы сажевого фильтра необходимо оптимизировать поток отработавших газов, поступающих к этим компонентам.
Это обычно достигается за счет специальной формы впускной воронки. Для дальнейшей оптимизации распределения требуются такие дополнительные компоненты, как завихряющие или смесительные элементы. Для систем SCR (селективное каталитическое восстановление), в которых в систему выпуска отработавших газов впрыскивается реагент-восстановитель (добавка Adblue), требуется смеситель для обеспечения равномерного распределения газообразного NH3 перед каталитическим нейтрализатором (см. рис. «Распыление и испарение реагента восстановителя в системе SCR» ).
Шумопоглощение в системе выпуска автомобиля
Основной причиной генерации шума являются пульсации газов в двигателе внутреннего сгорания, т.е. вибрации газов, генерируемых в процессе сгорания топлива, и отработавших газов, вытесняемых через выпускные клапаны во время такта выпуска каждого рабочего цикла двигателя. Уровень этого вибрационного шума в некоторой степени снижается каталитическим нейтрализатором и сажевым фильтром.
Однако этого оказывается недостаточно для того, чтобы Уровень шума не превышал значений, предписанных соответствующими нормами. По этой причине в средней или задней секции системы выпуска отработавших газов устанавливаются специальные глушители. В зависимости от количества цилиндров и мощности двигателя, в системе устанавливаются один, два или три глушителя. На автомобилях с V-образными двигателями левый и правый блоки цилиндров часто оборудуются отдельными каталитическими нейтрализаторами и глушителями.
Пределы уровня шума для автомобиля в Делом устанавливаются законодательством. Шум, производимый системой выпуска отработавших газов, составляет значительную часть общего уровня шума автомобиля. Это вызывает необходимость уделить особое внимание разработке эффективных глушителей. Хотя основной целью является снижение уровня шума до допустимых пределов, дополнительной целью может быть создание специфичного для данного автомобиля «брендового» звука.
Выпускной коллекторВажным компонентом системы выпуска отработавших газов является выпускной коллектор (см.
рис. «Выпускной коллектор с каталитическим нейтрализатором» ) Он служит для вывода отработавших газов по выпускным каналам цилиндров в систему выпуска отработавших газов. Геометрическая форма и размеры выпускного коллектора (т.е. длина и сечения отдельных труб) оказывает влияние на рабочие характеристики двигателя, акустические характеристики системы выпуска отработавших газов и температуру отработавших газов. В некоторых случаях выпускной коллектор даже имеет дополнительную теплоизоляцию для быстрого повышения температуры отработавших газов до рабочего уровня температуры каталитического нейтрализатора.Каталитический нейтрализатор отработавших газов в системе выпуска
Каталитический нейтрализатор состоит из впускной воронки, выпускной воронки и монолита (см. рис. «Каталитический нейтрализатор с керамическим монолитом» ). Монолит содержит большое количество очень тонких, параллельных каналов, покрытых активным катализатором.
Плотность каналов составляет от 60 до 190 ячеек на кв. см. Принцип действия активного каталитического слоя описан ниже (см. «Каталитическая очистка отработавших газов»).
Монолит может представлять собой металлический или керамический материал.
Металлический монолитный блок
Металлический монолитный блок изготавливается из гофрированной металлической фольги толщиной 0,05 мм, намотка и пайка которой твердым припоем осуществляется при высокой температуре. Благодаря очень тонким стенкам между каналами, металлический монолитный блок оказывает отработавшим газам чрезвычайно низкое сопротивление. Это свойство часто используется на автомобилях с двигателями большой мощности. Металлический монолитный блок может быть приварен непосредственно к воронкам.
Керамический монолитный блок
Керамический монолитный блок изготовлен на основе кордиерита.
В зависимости от плотности ячеек, толщина стенок между каналами составляет от 0,05 мм (при плотности 190 ячеек/кв. см) до 0,16 мм (при плотности 60 ячеек/кв. см).
Керамические монолитные блоки обладают чрезвычайно высокой стойкостью к высоким температурам и тепловым ударам. Однако они не могут устанавливаться непосредственно в металлическом корпусе и требуют специальных креплений. Эти крепления необходимы для компенсации различных коэффициентов температурного расширения стали и керамики, и защиты чувствительного монолитного блока от ударов. В процессе производства требуются чрезвычайная осторожность и внимание, в особенности в отношении тонкостенных монолитных блоков (<0,08 мм). Монолитный блок устанавливается на мате, находящемся между металлическим кожухом и монолитным блоком. Монтажный мат изготавливается из керамического волокна. Он обладает высокой эластичностью, что необходимо для сведения к минимуму механических нагрузок на монолитный блок. Монтажный мат также служит в качестве теплоизолятора.
Один каталитический нейтрализатор может содержать несколько монолитных блоков с различными покрытиями. Для обеспечения равномерного прохождения отработавших газов через монолитный блок особое внимание следует уделить форме впускной воронки Внешняя форма керамического монолитного
блока зависит от пространства под кузовом автомобиля и может быть треугольной, овальной или круглой.
Сажевый фильтр
Так же как монолиты каталитических нейтрализаторов, сажевые фильтры могут быть металлическими и керамическими.
Методы установки и крепления фильтра в металлическом корпусе аналогичны методам, применяемым в отношении монолита каталитического нейтрализатора.Так же как монолит каталитического нейтрализатора, керамический сажевый фильтр состоит из большого количества параллельных каналов. Однако, в этом случае эти каналы попеременно перекрыты (см. рис. «Керамический сажевый фильтр» ). Поэтому отработавшие газы вынуждены проходить через пористые стенки сотовой структуры.
Сажевые частицы при этом осаждаются в порах стенок. В зависимости от пористости керамического тела эффективность фильтрации этих фильтров может достигать 97%.
Отложения сажи в сажевом фильтре вызывают постепенное увеличение сопротивления потоку. По этой причине сажевый фильтр необходимо периодически регенерировать с использованием двух различных процессов. Детали этих процедур описаны ниже (см. «Очистка отработавших газов», системы управления дизельными двигателями).
Пассивный процесс в сажевом фильтре
В пассивном процессе сажа сжигается в ходе каталитической реакции. Для обеспечения этого процесса служит добавка к дизельному топливу, которая снижает температуру воспламенения частиц сажи до обычной температуры отработавших газов.
Другие варианты пассивной обработки включают сажевые фильтры с каталитическим покрытием или процесс CRT (непрерывная регенерация).
Активный процесс в сажевом фильтре
О ходе активного процесса осуществляется внешний нагрев фильтра до температур, необходимых для выжигания сажи.
Этот нагрев может осуществляться при помощи горелки, Установленной перед фильтром, или посредством дополнительного впрыска топлива, Инициируемого системой управления двигателем, и использования предварительного каталитического нейтрализатора.
Глушители системы выпуска отработавших газов
Глушители предназначены для сглаживания пульсаций в потоке отработавших газов и максимально возможного снижения шума на выпуске. В глушителях применяются в основном два физических эффекта — резонанс и звукопоглощение. Глушители различаются в зависимости от используемого эффекта. Однако, в основном в глушителях используется сочетание эффектов отражения и поглощения звука (см. рис. «Принцип действия глушителей» ).
Так как глушители вместе с выхлопными трубами образуют звуковой генератор с собственной резонансной частотой, их расположение влияет на уровни шумопоглощения. Желательно располагать выпускную систему под днищем кузова как можно дальше от кузова, чтобы частота собственных колебаний системы не приводила к резонансным колебаниям в кузове автомобиля.
Для максимального снижения звуковых колебаний в кузове и теплоизоляции днища кузова от выпускной системы глушители часто изготавливают с двойными стенками и теплоизолирующим покрытием.
Глушитель резонансного типа состоит из ряда камер различной длины, соединенных друг с другом трубами (см. рис. а, «Принцип действия глушителей» и «Глушитель с встроенным каталитическим нейтрализатором» ). Трубы и перегородки сделаны перфорированными, что позволяет отработавшим газам проходить через них. Разность сечений труб и камер, отклонение отработавших газов и резонаторы, образуемые соединительными трубами и камерами, вызывают наложение звуковых волн и их частичное ослабление.
Таким образом, может быть достигнуто эффективное снижение уровня шума, особенно в диапазоне средних и низких частот. Чем больше в глушителе камер, тем эффективнее процесс глушения шума.
Глушители поглотительного типа
Глушители поглотительного типа имеют одну камеру, через которую проходит перфорированная труба (см.
рис. Ь, «Принцип действия глушителей» ).
Звукопоглощающий материал обычно состоит из минеральной ваты с длинным волокном и с объемной плотностью от 100 до 150 г/л. Степень глушения шума зависит от плотности, звукопоглощающих свойств материала, а также длины и толщины стенки камеры. Глушение происходит в широком диапазоне звуковых частот.
Выдувание звукопоглощающего материала наружу отработавшими газами предотвращается за счет правильного выбора формы перфораций и благодаря тому, что труба проходит через минеральную вату. Иногда минеральная вата бывает защищена слоем стальной ваты из нержавеющей стали вокруг перфорированной трубы.
Поскольку отработавшие газы в глушителе поглотительного типа в основном проходят по прямой трубе, перепад давления на нем значительно ниже, чем на глушителе резонансного типа.
Конструкция глушителя
В зависимости от наличия свободного пространства под кузовом автомобиля, глушители имеют спирально намотанную оболочку или собираются из полуоболочек.
При изготовлении спирально намотанной оболочки одна или несколько заготовок из листового металла оборачиваются вокруг круглой оправки и соединяются продольными фальцами или посредством лазерной сварки. Затем в оболочку устанавливается полностью собранная и сваренная сердцевина. Она состоит из внутренних трубок, отражателей и промежуточных слоев. Затем наружные слои соединяются с оболочкой посредством фальцовки или лазерной сварки.
Часто глушитель со спирально намотанной оболочкой оказывается невозможно разместить в предусмотренном для него месте ввиду сложной формы доступного пространства в днище автомобиля. В таких случаях используются составные глушители, состоящие из двух полуоболочек, изготовленных методом глубокой вытяжки. Такие глушители могут принимать практически любую требуемую форму.
Общий объем глушителей системы выпуска отработавших газов легкового автомобиля равен приблизительно от восьми до двенадцати рабочих объемов двигателя.
Соединительные элементы системы выпуска
Для соединения каталитического нейтрализатора и глушителей используются трубы. На автомобилях с двигателями очень низкой мощности могут использоваться конструкции, в которых каталитический нейтрализатор и глушитель встроены в один общий корпус.
Трубы, каталитический нейтрализатор и глушители соединяются посредством втулок и фланцев. Многие системы являются полностью сварными, что позволяет ускорить их установку.Вся система выпуска отработавших газов крепится к днищу автомобиля при помощи эластичной подвески (см. рис. «Подвеска глушителя» ). Так как вибрации от выпускных труб, вызываемые выпуском отработавших газов, могут передаваться на кузов и повышать шумность в салоне, то места крепления системы выпуска должны тщательно выбираться.
Неправильно выбранные точки крепления могут создать проблемы с прочностью и, следовательно, долговечностью системы. В некоторых случаях эти проблемы могут быть решены при помощи амортизаторов вибраций. Колебания этих компонентов находятся в противофазе с колебаниями компонентов системы выпуска отработавших газов, эффективно поглощая их вибрацию.
Гильза служит для защиты чехла и ограничения линейного растяжения. Гофрированная труба выполняет функции разделения/изоляции за счет своей упругой структуры. Гофрированная труба защищена от внешних воздействий при помощи оболочки из проволочной сетки.Таким образом, система выпуска отработавших газов с одной стороны должна быть достаточно жесткой, чтобы выдерживать вибрацию, а с другой стороны обладать достаточной гибкостью, чтобы в максимальной степени исключить передачу усилий на кузов.
Устройства, задающие акустические параметры глушителей
Используются для снижения отдельных спектральных составляющих нежелательных частот в шуме выпуска. Эти компоненты могут быть использованы для эффективного ослабления звука в тех или иных диапазонах частот.
Резонатор Гельмгольца
Резонатор Гельмгольца состоит из трубы, расположенной вдоль направления движения отработавших газов и определенного присоединенного к ней объема (см.
рис. «Резонатор Гельмгольца» ). Объем газа действует в качестве пружины, в то время как газ, находящийся в трубной секции, действует в качестве массы. При резонансной частоте такая система массы и пружины обеспечивает очень высокую степень ослабления звука в узкой полосе частот. Резонансная частота/зависит от величины объема V, а также от длины L и площади поперечного сечения А трубы:f = c/2π √(A/L·V)
где:
с — скорость звука
Резонаторы λ/4
Резонатор λ/4 включает закрытую с одной стороны трубу, ответвляющуюся от системы выпуска отработавших газов. Резонансная частота f такого резонатора зависит от длины отвода L и определяется как:
f = c/4L
Эти резонаторы также обеспечивают высокую степень ослабления звука в узкой полосе частот вокруг их резонансной частоты.
Заслонки отработавших газов
Заслонки отработавших газов чаще всего устанавливаются в задних глушителях.
В зависимости от частоты вращения коленчатого вала или интенсивности потока отработавших газов заслонка открывает или перекрывает перепускную трубу глушителя или вторую выхлопную трубу (см. рис. «Заслонка отработавших газов, управляемая наружным разряжением» ). В результате уровень шума отработавших газов при низких частотах вращения коленчатого вала может быть значительно снижен без потерь мощности при высоких оборотах.Заслонки могут быть саморегулирующимися в зависимости от давления и скорости отработавших газов или иметь внешнее управление. В последнем случае необходимо обеспечить интерфейс с системой управления двигателем. Это делает систему более сложной, но в то же время расширяет область ее применения.
Системы выпуска отработавших газов коммерческих автомобилей
В системах выпуска отработавших газов коммерческих автомобилей большинство описанных выше компонентов встроено в корпус, который крепится к раме автомобиля.
Количество каталитических нейтрализаторов и сажевых фильтров зависит от того, в соответствии с какими нормами законодательства разработана система выпуска отработавших газов.
Система выпуска отработавших газов, отвечающая требованиям Евро-4 и Евро-5
Вообще говоря, сажевый фильтр для систем, отвечающих требованиям Евро-4 и Евро-5 не требуется. В таких системах используются только окислительные каталитические нейтрализаторы и нейтрализаторы типа SCR.
В качестве альтернативного решения дизельный двигатель может быть отрегулирован таким образом, чтобы содержание необработанных NOx в отработавших газах не превышало предельных значений, предусмотренных нормами Евро-4 и Евро-5. Однако в этом случае требуется наличие в системе выпуска отработавших газов сажевого фильтра. На рис. «Система выпуска отработавших газов, отвечающая требованиям Евро-4 и Евро-5» показана система выпуска отработавших газов, отвечающая требованиям норм Евро-4, с каталитическими нейтрализаторами типа SCR.
В отличие от систем выпуска отработавших газов легковых автомобилей, здесь часто используются несколько каталитических нейтрализаторов, установленных параллельно, с тем чтобы обеспечить требуемую площадь поверхности катализатора в доступном пространстве. Для маршрутизации отработавших газов и глушения шума служат перепускные трубы и отверстия. В зависимости от размера двигателя такие системы имеют объем от 150 до 200 л и массу порядка 150 кг.Система выпуска отработавших газов, отвечающая требованиям норм Евро-6 и ЕРА10
Для системы выпуска отработавших газов, отвечающей требованиям последних норм (Евро-6 в Европе и ЕРА 10 в США) требуется наличие всех компонентов, т.е. окислительных каталитических нейтрализаторов, сажевых фильтров и каталитических нейтрализаторов типа SCR (см. рис. «Система выпуска отработавших газов, отвечающая требованиям норм Евро-6 и ЕРА10» ). Поэтому такие системы имеют еще больший объем и вес.
В корпусах также необходимо разместить различные датчики.
В дополнение к датчикам давления для контроля нагрузки на фильтр, для контроля процесса преобразования NOx требуются датчики температуры и концентрации NOx. Для обеспечения надлежащего качества сигналов при любых условиях работы расположение датчиков в системе выпуска отработавших газов должно быть оптимизировано в зависимости от конструкции системы.
РЕКОМЕНДУЮ ЕЩЁ ПОЧИТАТЬ:
Выхлопная система. Устройство выхлопной системы автомобиля
Одной из основных систем автомобиля является выхлопная система, работа которой направлена на выпуск отработавших газов из камеры сгорания мотора. Примечательно, что в исправном состоянии система отвода выхлопных газов оказывает на работу двигателя минимальное воздействие. Система не просто должна выводить выхлопные газы за пределы автомобиля, но и предварительно снижать уровень их токсичности (экологические нормативы еще никто не отменял).
Современная выхлопная система автомобиля, помимо вышеозвученных функций, также является элементом тюнинга как для обычных, так и для спортивных автомобилей, влияя не только на их внешние параметры, но и на звуковые качества.
Устройство выхлопной системы авто выглядит следующим образом:
- коллектор, в котором происходит соединение всех отработанных газов в единый поток;
- катализатор, в обязанности которого входит снижение уровня токсичности отработанных газов;
- приемная труба, посредством которой соединяют такие детали, как коллектор и катализатор;
- за шумоподавление отвечает резонатор;
- глушитель, который, по сути, выполняет ту же функцию, что и резонатор, однако изготавливается из материала с более высокими показателями звукопоглощения;
- соединение резонатора и глушителя происходит с помощью средней трубы.
Принцип работы системы удаления выхлопных газов представлен следующими этапами:
- в цилиндры двигателя происходит впрыск топливной смеси;
- в результате ее работы происходит сгорание смеси;
- результатом сгорания являются токсичные газы;
- токсичные газы под высоким давлением поступают в коллектор;
- в коллекторе происходит соединение всех токсичных газов в единый поток.

Если автомобиль спортивный или тюнингованый, то роль коллектора выполняет так называемый «паук», обязанный своим названием наличию плавных изгибов (за счет этого сопротивление потоку газов будет наименьшим). Миновав коллектор или «паук» газы посредством движения через приемную трубу попадают в катализатор, откуда они выходят максимально безвредными.
В этой же части выхлопной системы происходит и процесс шумоподавления, о чем будет свидетельствовать знакомый автолюбителям сравнительно приятный звук. Пройдя следующие этапы обработки в выхлопной системе, газы посредством движения через глушитель покидают автомобиль.
Примечателен тот факт, что благодаря созданию сопротивления потоку отработанных газов, автомобильные выхлопные системы влияют на работу других узлов и агрегатов автомобиля. Изучив инструкции, прилагаемые к транспортному средству можно уточнить показатели уровня противодавления, которое является оптимальным. Помните, что только исправность работы системы отвода выхлопных газов позволяет эксплуатировать транспортное средство в безопасном режиме.
Случаев, когда газы перестают выводиться из авто, постепенно проникая в салон автомобиля, более чем предостаточно, поэтому только исправная выхлопная система авто может гарантировать безопасность эксплуатации ТС.
Несмотря на то, что производством выхлопной системы для разных марок авто занимаются различные специализированные компании, в большинстве случаев в качестве расходного материала используется нержавеющая сталь. Качественная выхлопная система из нержавейки при условии регулярного проведения ТО сможет использоваться максимально продолжительное время.
Когда следует незамедлительно решать вопрос с ремонтом выхлопной системы? Если:
- в процессе эксплуатации авто слышен громкий рев;
- уровень расхода топлива без видимых причин стал увеличиваться;
- работа двигателя перестала отличаться стабильностью;
- с завидной регулярностью отмечается потеря уровня мощности.
В большинстве случаев данные «симптомы» свидетельствуют о том, что выхлопная система вышла из строя.
Только профессиональный ремонт с использованием специализированного оборудования может служить гарантом последующей эксплуатации системы и всего автомобиля. Доверив ремонт профессиональным специалистам, Вы можете быть уверены в качестве конечного результата и высококвалифицированном обслуживании.
Система выпуска отработавших газов — АвтоТема
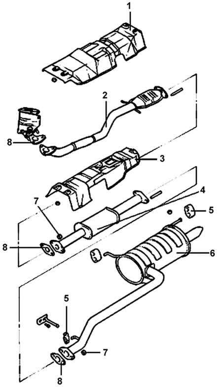
Элементы системы выпуска отработавших газов: 1 — приемная труба, 2 — лямбда-зонд, 3 — стопорная пластина, 4 — уплотнительная прокладка, 5 — хомут крепления приемной трубы к кронштейну коробки передач, 6 — каталитический нейтрализатор с дополнительным глуш
Каталитический нейтрализатор в разрезе: 1 — корпус, 2 — уплотнение, 3 — соты катализатора.
Типы глушителей: а) — ограничитель, б) — отражатель, в) — резонатор, г) — поглотитель
Первоначальная задача выхлопной системы – снижение уровня шума при выходе отработавших газов в атмосферу, обеспечение лучшего наполнения камер сгорания топливовоздушной смесью, отвод выхлопных газов за пределы кузова автомобиля и снижение температуры выхлопных газов, достигающих при выходе из цилиндров двигателя около 900 Сo.
Последнее время забившие тревогу экологи стали вводить ограничения на количество выбрасываемых вредных веществ в продуктах сгорания топлива, и к имеющимся задачам выхлопной системы добавилась еще одна – очистка выхлопных газов. Последние требования и превратили простой узел автомобиля в достаточно сложное устройство, за которым необходимо следить и брать во внимание во время эксплуатации автомобиля.
Основными составляющими выхлопной системы на сегодняшний день являются: коллектор, каталитический нейтрализатор (катализатор), лямбда-зонд (кислородный датчик), глушитель и соединительные трубы. Коллектор служит для вывода отработавших газов из цилиндров двигателя и объединения их в один поток. После открытия выпускного клапана, в коллекторе образуется зона пониженного давления, перемещающаяся по трубе до тех пор, пока она не ударится о препятствие, которым служит место соединения труб, и отражается в обратном направлении, в сторону следующего цилиндра. За счет длин труб достигается момент, когда зона пониженного давления оказывается у следующего выпускного клапана в момент его открытия.
Такое разряжение позволяет лучшим образом наполнять цилиндр новой топливовоздушной смесью.
Сразу за коллектором располагается каталитический нейтрализатор, в задачи которого входит снижение количества выбрасываемых в атмосферу вредных веществ, образующихся в процессе сгорания топлива, которыми являются окись углерода (CO), углеводороды (CH), образованные в результате неполного сгорания топлива, оксиды азота (NO) и несгоревшие частицы сажи (в дизельных двигателях).
Катализатор представляет собой металлическую конструкцию (нержавеющая сталь) с сотовыми керамическими пластинками внутри, поверхность которых покрыта сплавом, содержащим платину, родий и палладий. Собственно эти металлы и увеличивают стоимость выхлопной системы.
Отработавшие газы из выпускного коллектора поступают в катализатор, в котором, соприкасаясь с поверхностью сот, окись углерода превращается в углекислый газ, углеводороды в воду и углекислый газ, окись азота в воду и азот. Работает катализатор при температуре выхлопных газов от 200 Сo до 800 Сo.
Если температура будет ниже, то процессов окисления не будет, если выше, то оплавится катализаторная решетка, что приводит его в негодность. Также выводят из строя катализатор изношенные двигатели. В таких случаях масло, попадающее и несгорающее в цилиндрах, оседает на керамических поверхностях катализатора. Изношенные или несоответствующие данному двигателю свечи зажигания, которые не обеспечивают полное сгорание топлива, тоже сокращают его продолжительность службы. Кроме того, керамика – хрупкий материал и повреждение катализатора может привести к его разрушению, а повредить его не так уж и сложно, учитывая, что элементы выхлопной системы расположены под днищем автомобиля. Резкое изменение температуры в меньшую сторону (попадание в лужу) также может его погубить.
Именно за счет катализатора производителям двигателей удается соблюдать требуемые экологические нормы. Наличие этого элемента является сегодня обязательным почти во всех странах мира.
Для правильной работы катализатора необходимо чтобы в отработавших газах содержалось определенное количество кислорода, при котором поддерживается рабочая температура каталитического нейтрализатора.
Анализирует это лямбда-зонд. Датчик измеряет остаточное количество кислорода в отработавших газах и при помощи компьютера регулируется количество подаваемого топлива для получения оптимальной рабочей смеси. Катализатор в паре с лямбда-зондом позволяют не только уменьшить выброс вредных веществ в атмосферу, но и обеспечивают меньший расход топлива, улучшают эффективность работы двигателя.
При выходе из строя лямбда-зонда, возможны различные пропорции топлива и воздуха в топливовоздушной смеси: обогащенная либо обедненная. И та и другая уничтожают катализатор, первая – за счет большого содержания углеводородов, вторая приводит к его перегреву.
Катализатор и лямбда-зонд очень чувствительны к качеству топлива. Заливать в топливные баки автомобилей, в выхлопной системе которых находится катализатор необходимо исключительно неэтилированный бензин. Пагубно влияет на них свинец, содержащийся в бензине, накапливающийся на стенках керамического покрытия. Кроме того, для увеличения продолжительности срока службы этих элементов лучше не применять присадки к топливу и моторному маслу, если в них содержится все тот же свинец.
На дизельных двигателях очистка отработанных газов производится нерегулируемым окислительным катализатором. Уменьшение содержащихся вредных веществ в таких моторах достигается за счет системы повторного сжигания выхлопных газов. При помощи специального клапана, установленного в выхлопной системе на прогретом двигателе часть отработанных газов направляется в цилиндры двигателя, в результате чего уменьшается процент окисей азота в выбрасываемых в атмосферу газах. Каталитические нейтрализаторы кроме всего, способствуют снижению шума.
Сгорание топливовоздушной смести носит взрывной характер, что сопровождается характерным звуком. Для борьбы с этим в системе выпуска отработавших газов устанавливается глушитель. В зависимости от способов работы, глушители делятся на четыре типа: резонатор, отражатель, ограничитель и поглотитель.
Резонатор, как правило, располагается сразу за каталитическим нейтрализатором, и по своей сути является предварительным глушителем. Конструктивно он представляет собой перфорированную трубу и окружающую ее камеру.
Чаще всего резонаторы включают в себя несколько камер различного размера и служат для гашения низкочастотных шумов.
Ограничитель является трубой в корпусе глушителя, диаметр которой сначала значительно сужается, создавая акустическое сопротивление потоку, за которым следует полость большого объема, сглаживающая колебания. Звуковая энергия рассеивается в отверстии, нагревая газ. Чем больше сопротивление, то есть меньше отверстие, тем лучше эффективность сглаживания. Существенным минусом такого глушителя является большое сопротивление потоку.
Чаще всего замыкает выхлопную систему отражатель. В его корпусе находится большое количество стенок, играющих роль акустических зеркал. Каждое отражение звука от которых – это частичная потеря энергии, затрачиваемая на нагрев зеркал. В итоге внутри глушителя энергия звуковых волн переходит в тепловую и рассеивается в атмосферу.
Поглотитель гасит акустические волны за счет пористого материала, расположенного в нем. Принцип тот же, что и у отражателя.
Энергия звуковых колебаний преобразуется в тепловую за счет трения волокон стекловолокна, колеблющихся под действием звуковой энергии. Как правило, сегодня производители используют все перечисленные методы для создания системы выпуска отработавших газов.
Назначение, устройство и работа системы выпуска отработавших газов
Категория:
Устройство эксплуатация камаз 4310
Публикация:
Назначение, устройство и работа системы выпуска отработавших газов
Читать далее:
Назначение, устройство и работа системы выпуска отработавших газов
Система предназначена, для выброса в атмосферу отработавших газов, частичного отвода тепла от двигателя, а также для снижения шума при работе двигателя.
Она состоит из двух выпускных коллекторов, двух приемных труб, гибкого металлического рукава, глушителя.
Каждый выпускной коллектор обслуживает один ряд цилиндров и крепится к блоку цилиндров тремя болтами.
Коллекторы соединены с головками цилиндров патрубками. Разъемное выполнение соединения коллектор-патрубок-головка позволяет компенсировать тепловые деформации, возникающие при работе двигателя.
Рекламные предложения на основе ваших интересов:
Рис. 52. Индикатор засоренности воздухоочистителя:
1 — диск; 2 — красный бара бан
Рис. 53. Схема системы питания двигателя воздухом и выпуска отработавших газов:
1 — газоотводящая трубка сапуна; 2 — сапун; 3 — маслосливная трубка сапуна; 4 — впускной воздухопровод двигателя; 5 — выпускной коллектор; 6 — глушитель
Приемные трубы объединены тройником и соединены с глушителем гибким металлическим рукавом, который компенсирует погрешности сборки и температурные деформации деталей системы. В каждой приемной трубе установлена заслонка вспомогательного тормоза.
На автомобиле установлен комбинированный активно-реактивный глушитель. Активный глушитель работает по принципу преобразования звуковой энергии в тепловую, что осуществляется установкой на пути газов перфорированных перегородок, в отверстиях которых поток газов дробится и пульсация затухает.
В реактивном глушителе используется принцип акустической фильтрации звука. Этот глушитель представляет собой ряд акустических камер, соединенных последовательно.
Рис. 54. Система выпуска отработавших газов:
1 — двигатель; 2 — левая приемная труба; 3 — правая приемная труба; 4 — пневматические цилиндры вспомогательного тормоза; 5 — вспомогательные тормоза; 6 — тройник; 7— рукав приемных труб; 8 — глушитель; 9 — рама
Отсос газов из картера двигателя осуществляется через сапун и газоотводящую трубку. Сапун установлен на двигателе. Удаление газов, проникающих в картер двигателя, происходит за счет разности давлений в картере двигателя и атмосферного.
—
Система выпуска отработавших газов предназначена для отвода в атмосферу отработавших газов, снижения шума их выпуска, частичного отвода тепла от двигателя и отсоса пыли из воздушного фильтра. Для уменьшения противодавления на выпуске, из цилиндров двигателя отработавшие газы отводятся вначале раздельно из каждого цилиндра с последующим соединением их в один поток.
Система выпуска отработавших газов автомобилей КамАЗ-5320 и КамАЗ-4310 включает в себя два выпускных коллектора, две приемные трубы, гибкий металлический рукав и глушитель.
Выпускной коллектор обслуживает один ряд цилиндров. Он изготавливается из серого чугуна и состоит из четырех выпускных патрубков и коллектора. Выпускные патрубки соединяют коллектор с выпускными отверстиями головок цилиндров. Патрубки крепятся с наружных сторон головок блока тремя болтами к каждой головке, коллекторы — тремя болтами к блоку. Разъемное выполнение соединения коллектор — патрубок — головка позволяет компенсировать тепловые деформации, возникающие при работе двигателя» и повышает герметичность стыков. Уплотнение прилегающих фланцев выпускных патрубков к головкам блока обеспечивается устанавливаемыми между ними металлоасбестовыми прокладками.
Приемные трубы изготовлены из специальной стали, стойкой против коррозии, от воздействия высоких температур и химических агрессивных веществ, содержащихся в отработавших газах.
С одной стороны они через уплотнительные прокладки соединяются с фланцами коллекторов, с другой стороны объединены тройником и через гибкий металлический рукав соединены с глушителем. В каждой выпускной трубе установлены заслонки моторного тормоза.
Гибкий металлический рукав компенсирует температурные деформации деталей системы и погрешности сборки вследствие нарушения соосности деталей.
Глушитель активно-реактивный предназначен для уменьшения шума выпуска отработавших газов и отвода их в направлении, наименее мешающем водителю, транспортным средствам, и пешеходам. Он изготовлен из листовой стали и подвешен эластично снизу к раме автомобиля. Конструкция глушителя неразборная. Внутри корпуса глушителя размещены перегородки и перфорированная труба. Активная часть глушителя работает по принципу преобразования звуковой энергии в тепловую за счет установки на пути газов перфорированной трубы, в отверстиях которой происходит дробление: потока газов и затухание его пульсации.
В реактивной части глушителя используется принцип акустической фильтрации звука в ряде последовательно соединенных акустических камер, образованных. перепородками.
Газы, выходящие из глушителя через эжектор, создают разрежение в трубопроводе, соединенном с полостью первой ступени очистки воздушного фильтра- посредством патрубка отбора, пыли.
Система выпуска отработавших газов автомобиля Урал-4320 имеет конструктивные отличия, связанные с установкой узлов вспомогательной тормозной системы, газоотборника заслонки отключения эжектора и клапана для преодоления глубоких бродов.
Глушитель прикреплен хомутами к раме. Приемные трубопроводы глушителя: фланцами через, прокладки соединены с выпускными коллекторами и кронштейном прикреплены к коробка передач. Возможные смещения приемных труб воспринимаются компенсаторами. Эжектор трубой соединен с патрубком отсоса шли из воздушного фильтра. В трубе смонтирована заслонка отключения эжектора. На приемных трубах глушителя установлены заслонки вспомогательной тормозной системы с пневматическими цилиндрами управления ими.
Подробнее конструкция и работа вспомогательной тормозной системы рассмотрены в главе «Тормозные системы». В левую приемную трубу вварен газоотборник, используемый для дезактивации и дегазации автомобиля. При преодолении брода на конце выпускной трубы установлен клапан с заслонкой. Шарнир заслонки при установке клапана должен находиться сверху. В процессе движения усилиями выхлопных газов заслонка клапана открывается, обеспечивая их выход. В случае внезапной остановки двигателя заслонка закрывается и предохраняет систему выпуска газов от попадания воды.
Рис. 2.50. Система выпуска отработавших газов автомобиля Урал-4320:
1—клапан для преодоления брода; 2 — выпускная труба; 3 — эжектор; 4— труба эжектора; 5 — хомут; 6 — корпус эжектора; 7 — заслонка эжектора; 8 — рычаг заслонки эжектора; 9 — газоотборник; 10, 13 — тормозные механизмы (заслонки) вспомогательной тормозной системы; 11,15—пневматические цилиндры привода заслонок вспомогательной тормозной системы; 12—приемные трубы глушителя; 14 — кронштейн; 16 — компенсаторы; 17 — глушитель; 18 — хомут; 19 — корпус вспомогательной тормозной системы; 20 — заслонка вспомогательной тормозной системы
При работе двигателя и открытой заслонке эжектора в трубопроводе и полости воздушного фильтра создается разрежение, обеспечивающее отсос пыли в выпускную трубу глушителя.
В случаях преодоления брода или использования комплекта специальной обработки автомобиля для предохранения фильтрующего элемента воздушного фильтра заслонка эжектора закрывается, рычаг заслонки эжектора при этом устанавливается перпендикулярно к продольной оси трубопровода. При переводе рычага заслонки эжектора через среднее положение заслонка эжектора под действием пружины закрывает отверстие. После преодоления брода или отключения газоотборника заслонка эжектора должна быть открыта, при этом рычаг заслонки эжектора должен быть установлен вдоль трубопровода;.
Рекламные предложения:
Читать далее: Техническое обслуживание системы питания топливом
Категория: — Устройство эксплуатация камаз 4310
Главная → Справочник → Статьи → Форум
Ремонт системы выпуска отработанных газов в компании АВТО-Z
Система выпуска отработанных газов – это комплекс деталей и элементов, обеспечивающих правильный вывод выхлопа из автомобиля.
При правильном функционировании системы, выпуск отработанных газов происходит стабильно, бесшумно без возникновения ощутимых вибраций.
В систему выпуска отработанных газов входят следующие детали:
- Приемная труба – изогнутая трубка, подошва которой приварена к выпускному коллектору и выходу турбонагнетателя;
- Резонатор – это «коробка» из огнеупорных материалов, где происходит начальный этап разделения потока выхлопа, а также уменьшение скорости газов;
- Катализатор – деталь, выполняющая функцию очистки выхлопных газов – понижает токсичность;
- Датчик – элемент, обладающий функцией кислородной чувствительности;
- Глушитель – металлическая «банка» с перегородками внутри, выполняет функцию перенаправления потока выхлопных газов, в следствие чего происходит снижение уровня шума.
Возможные неисправности системы выпуска отработанных газов, причины, признаки
Чаще всего, неисправность выхлопной системы можно легко заметить: появление посторонних стуков, шумов, хлопков или даже грохота свидетельствуют о нестабильной работе деталей.
Также характерным признаком поломки является появление в салоне запаха выхлопа.
Причинами повреждения деталей системы выхлопных газов могут быть:
- Механические повреждения вследствие езды по неровным дорожным поверхностям, а также различных столкновений;
- Вышедший срок эксплуатации деталей;
- Воздействие химических реагентов на поверхность деталей — появление коррозии.
Ремонт системы выпуска отработавших газов автомобиля — стоимость в Москве
Техцентры АВТО-Z — это оборудованные автомобильные сервисы, где работают квалифицированные специалисты. Автомастера АВТО-Z с помощью современного технического обеспечения проводят предварительную диагностику системы выпуска отработавших газов и выявляют причины поломки. После этого специалисты оформляют рекомендации по ремонту, где указан список необходимых работ и стоимость.
Записаться в любой из техцентров АВТО-Z можно онлайн, заполнив специальную форму или позвонить по номеру, указанному на сайте.
Также в нашем каталоге Вы можете выбрать запасные части для Вашего автомобиля: оригинальные автолампы марок Osram, Hella, Lynx, Phillips, Valeo, Vag, щетки стеклоочистителя марок Vag, Denso, DODA, качественные аккумуляторы марок Vag, Exide, Bosh и другие запчасти.
Обслуживание системы выпуска отработанных газов
Очень важно периодически осматривать систему отработанных газов. Следует обращать внимание на крепления, обратить внимание на их прочность, осматривать на наличие коррозии и оценивать степень износа. В случае сильной деформации трубы стоит произвести её замену.
Система отработанных газов состоит из разборных элементов: приёмная труба, дополнительный и основной глушитель, в некоторых автомобилях предусмотрен катализатор и датчик контроля выхлопных газов. Через выпускной коллектор и приёмную трубу производится отвод газов из двигателя. На днище грузовика крепится приёмная труба и между ней и фланцами коллектора размещают уплотнительную прокладку.
Для автомобилей с полным приводом система выпуска отработанных газов расположена иначе.
В таких автомобилях система отработанных газов неразборная, т.е. глушитель и трубы составляют один цельный элемент. При поломке одной из деталей нужно будет произвести замену всей системы в сборе. Отдельными деталями являются гайки и уплотнительная прокладка глушителя.
В некоторых случаях двигатель работает на переобогащённом топливе, которое сгорает не полностью, остатки которого выбрасываются, как сажа. Часть сажи откладывается на внутренних стенках глушителя и со временем загрязняет их. В случае сильного загрязнения глушителя возможна потеря мощности двигателя и в дальнейшем силовой агрегат может заглохнуть совсем.
Что бы избежать возможных проблем глушитель необходимо периодически осматривать и простукивать. Чистый глушить при лёгком простукивании звучит как звонкий металлический звонок, загрязненный глушитель при проведении простукивания звучит глухо.
Для снятия системы отработанных газов все соединения необходимо обработать средствами для растворения ржавчины, для этих целей отлично подходит тормозная жидкость.
Порядок разбора системы отработанных газов следующий. Основной глушитель снимается в первую очередь, в случае если его снять не возможно, необходимо перепилить выпускную трубу в десяти сантиметрах за хомутом, оставшийся элемент трубы распилить вдоль и сбить зубилом.
Если в наличии имеется сварочный аппарат, место стыка прогревают. При этом важно не прожечь пластиковый бак и топливные проводы, днище грузовика следует защитить асбестом.
Если в комплектации имеется датчик контроля отработанных газов, его необходимо вывернуть с помощью гаечного ключа, при этом нужно вращать электрический провод, что бы избежать обрыва. Где есть необходимость нужно отвернуть болты крепления приёмной трубы к опоре.
Для выравнивания газоотводной системы, во время установки необходимо прогреть двигатель и саму систему до рабочей температуры. Далее необходимо завинтить все крепёжные болты и хомуты, запустить двигатель и оставить его на холостом ходу, далее на хомутах завинчиваются болты.
Выхлопные системы с полным набором характеристик | Cat-back, Sound, Street, Race
Заводские выхлопные системы — это компромисс, в котором мощность жертвуется бесшумной работой автомобиля, которая нравится «среднему» водителю. Но если вы читаете эту страницу, вы автолюбитель и далеко не средний. Вы жаждете мощности и производительности, и рычание, которое сопровождает это усиление, звучит как музыка для ваших ушей. Мы знаем, что когда речь идет о выхлопных системах с высокими характеристиками, мощность и звук являются единым целым. Чтобы убедиться, что вы получаете желаемую мощность с правильным звуком выхлопа, мы предлагаем множество высокопроизводительных выхлопных систем, которые вы видите на этой странице.
Для того, чтобы заглушить шум горения, автопроизводители используют глушители с перегородками и перфорированными трубками, которые настроены на снижение шума до минимума, что, к сожалению, создает чрезмерное противодавление и ограничение потока выхлопных газов, а также снижает мощность.
Выхлопные трубы также часто имеют меньший диаметр, что еще больше ограничивает поток выхлопных газов. Напротив, типичная производительная система имеет трубы большего диаметра и глушитель (глушители), настроенные для уменьшения противодавления и ограничения, что увеличивает поток выхлопных газов и мощность, а также обеспечивает глубокий звук выхлопа, который все еще находится в допустимых пределах.
Но улучшить поток выхлопных газов намного сложнее, чем прикручивать болтами трубы размером с канализационную трубу и пустые канистры для глушителей. Диаметр трубы увеличивается, но не до такой степени, что это отрицательно сказывается на скорости выхлопа. А сделать громкий выхлоп легко, но для создания глушителей, которые лучше пропускают воздух для большей мощности, и издавая мощный звук, который вам понравится, когда вы нажмете на газ, — не раздражая дрон при движении по трассе, требуется ноу-хау. Все наши производители разрабатывают эти системы с использованием сложного оборудования для измерения расхода воздуха и акустики, поэтому вы получаете комбинации труба / глушитель, обеспечивающие максимальную мощность при наилучшем качестве звука.
Каждая система также настраивается на динамометрическом стенде и тестируется в реальных условиях, чтобы убедиться, что она будет работать и звучать правильно на вашем автомобиле или грузовике.
зависит от производителя и области применения. Современные глушители представляют собой сложные компоненты, разработанные с использованием фирменного программного обеспечения. Как правило, глушители с камерами имеют внутренние камеры, которые отражают и нейтрализуют звуковые волны без уменьшения потока выхлопных газов; турбо-глушители имеют несколько перфорированных трубок для уменьшения шума при уменьшении противодавления; и прямоточные глушители имеют перфорированную трубку, окруженную звукопоглощающей набивкой.Все наши производители изгибают выхлопные трубы на оправке, чтобы обеспечить плавный изгиб, и поэтому трубы сохраняют свой размер и форму по всей длине. Трубы, которые не изогнуты на оправке, могут потерять часть своего диаметра из-за резких изгибов, что приведет к ограничению потока выхлопных газов.
Несмотря на то, что мы предлагаем некоторые универсальные системы, такие как хромированные озерные трубы и боковые трубы для нестандартной сборки, большинство эффективных выхлопных систем, которые вы найдете на наших цифровых полках, предназначены для конкретных автомобилей. Эти системы специально разработаны для каждого конкретного применения, поэтому наряду с большей мощностью и отличным звуком вы также можете рассчитывать на идеальную совместимость.В дополнение к полным системам для гонок и уличного использования, многие из наших самых популярных систем, такие как задняя ось, задняя ось и задняя крышка DPF, просты в установке, поскольку они заменяют только часть заводской системы. Системы Cat-Back и DPF-back устанавливаются за каталитическим нейтрализатором и сажевым фильтром соответственно, поэтому вы получаете отличную производительность, в то время как ваш автомобиль остается на 100% законным.
Многие системы также предлагают выбор места выхода выхлопа, сбоку или сзади автомобиля, а в некоторых системах с обратной связью есть две трубы, выходящие из глушителя, чтобы придать им вид сдвоенного выхлопа.
Некоторые из наших систем для двигателей V-типа имеют H-образную или X-образную трубу. С помощью этих труб поток выхлопных газов увеличивается, потому что теперь оба ряда цилиндров могут использовать обе стороны выхлопной системы, а увеличенный поток выхлопных газов означает большую мощность. Вы будете наслаждаться повышенной мощностью и великолепным звуком от вашей производительной выхлопной системы на долгие годы, потому что все наши системы изготовлены из прочных и устойчивых к коррозии материалов, таких как нержавеющая сталь или алюминированная сталь. И каждая система поставляется со всеми необходимыми зажимами и оборудованием, а также подробными инструкциями по установке.
Выхлопные насадки | Двойная, двойная стенка, закругленная кромка, угловая резка, прямоугольная
Выхлопные патрубки обычно являются единственной видимой частью выхлопной системы. Они могут стать завершающим штрихом в выхлопных системах с улучшенными характеристиками послепродажного обслуживания, обычно сделанными из полированной нержавеющей стали и имеющими название производителя выхлопных газов, но они также устанавливаются на заводе на многие легковые и грузовые автомобили.
Однако любой автолюбитель согласится с тем, что сверкающий наконечник выхлопной трубы может улучшить внешний вид любого автомобиля и выглядеть намного лучше, чем ржавая выхлопная труба.У нас есть широкий выбор форм, размеров и отделок, в том числе стиль, который идеально подходит для вашего автомобиля, грузовика или внедорожника.
Performance обычно поставляются с довольно красивыми насадками, но если у вас есть другие представления о стиле и отделке, вам не нужно соглашаться на то, что идет в комплекте. То же самое, если вы не в восторге от советов оригинального оборудования. У нас есть десятки стилей на выбор: изготовлены из нержавеющей стали, хромированной или алюминированной стали и алюминиевых заготовок, с полированной, матовой, черной и даже пламенной отделкой и логотипом.Методы крепления выхлопного патрубка включают зажимной, беззажимный, приварной и установочный винт. У нас есть насадки для выхлопа на любой вкус и размер выхлопной трубы.
На наших цифровых полках вы найдете множество традиционных стилей, включая круглую, круглую с закругленным краем, угловую резку (также известную как косая резка), поворот вниз, квадратная, прямоугольная и прямоугольная косая резка.
Некоторые из них называются «с промежуточным охлаждением» или с двойными стенками, и внешняя стенка этих наконечников не обесцвечивается от тепла. Если вы любите приключения, попробуйте полумесяц, конус или двойной наконечник с разными концами, включая двойной разрезной овал.Чтобы получить действительно другой вид, обратите внимание на квадратные наконечники алюминиевых заготовок с косой резкой, украшенные шаровой фрезеровкой, включая пламя и логотипы производителей автомобилей. Но если вам нравится внешний вид наконечников в заводском стиле, особенно если у вас классический автомобиль или маслкар, и вы цените оригинальность, мы также предлагаем наконечники для выхлопных систем в оригинальном стиле и репродукции, которые верны во всех деталях.
Большинство наших выхлопных патрубков изготовлено из высококачественной нержавеющей стали T304. Этот прочный металл с высоким содержанием хрома и никеля делает его очень устойчивым к ржавчине и коррозии, поэтому он будет хорошо выглядеть, пока у вас есть автомобиль или грузовик.
Многие думают, что он лучше всего выглядит, когда его отполировали, но также популярны матовые покрытия. Полированные наконечники с пламенем идеально подходят для хот-родов, или для очень отличительного внешнего вида установите наши термообработанные черные наконечники из нержавеющей стали. Для эксклюзивного внешнего вида, который является идеальным завершением чистокровных спортивных автомобилей, выберите наши титановые выхлопные патрубки с обожженной (вороненой) отделкой. Экономичной, но привлекательной и прочной альтернативой наконечнику выхлопной трубы является алюминизированная сталь.
Наряду с выбором стиля и материала вы также можете решить, как крепится выхлопной патрубок.Для получения чистого и гладкого вида многие предпочитают приварной наконечник, потому что на нем не видно зажима или крепления. Но если у вас нет оборудования для сварки или вы не хотите, чтобы сварное приспособление оставалось неизменным, подумайте о наконечнике, который зажимается или удерживается установочным винтом.
Некоторые зажимы являются неотъемлемой частью наконечника, а некоторые — «без зажимов». Наконечники без зажимов крепятся просто гайкой и болтом. Насадки, которые не требуют сварки, могут быть установлены прямо из коробки, так что вы можете сразу же насладиться новым видом вашего автомобиля или грузовика, плюс с этим типом насадки вы можете легко заменить насадки на выхлопные трубы в будущем, если найдете стиль или закончить как лучше.
Выхлопные трубы | Дымовые трубы для дизельных грузовиков — CARiD.com
Никакие транспортные средства не источают мощь и не имеют такого присутствия на проезжей части, как 18-колесные тягачи, и ничто так не символизирует эти большие машины, как их блестящие двойные выхлопные трубы. Если вы хотите создать такой же доминирующий и мощный образ для вашего дизельного пикапа, вы можете сделать это с помощью наших дымовых труб для дизельного пикапа. Мы предлагаем как специальные, так и универсальные полные системы и комплекты, комплекты Т-образных труб, отводящих выхлоп к станине, и обширный выбор отдельных штабелей в вашем стиле и отделке, а также большой ассортимент аксессуаров для штабелей, включая крышки.
и шапочки от дождя.
Но наши выхлопные трубы предназначены не только для галочки. Стэки не только сделают ваш грузовик самым красивым в городе, но и улучшат его работу. Наши выхлопные трубы значительно снижают ограничения выхлопа, позволяя вашему двигателю лучше дышать и увеличивать мощность. Помимо увеличения мощности, вы также должны увидеть увеличение расхода топлива и, что наиболее важно для дизельного двигателя, снижение EGT (температуры выхлопных газов). Любой поклонник дизельного топлива знает, что высокие EGT — это проклятие дизельных двигателей, и все, что вы можете сделать, чтобы их уменьшить, продлит срок службы вашего ценного двигателя.
Взгляните на наш огромный выбор, и вы увидите, что у нас есть как специальные, так и универсальные комплекты штабелей с широким диапазоном входных и выходных диаметров и высот штабелей, так что вы можете получить настройку, идеально подходящую для вашего грузовика. У нас есть полные комплекты, которые включают в себя штабели, а также комплекты труб с одинарным и двойным изгибом на оправке, которые обеспечивают все: от турбонагнетателя, каталитического нейтрализатора, сажевого фильтра или водосточной трубы до станины, где вы можете установить стопки по вашему выбору.
Выбирайте из стилей прямой, угловой или австралийской, бычьей, изогнутой, изогнутой или свиных ушей.Вы получите длительный красивый внешний вид и производительность, потому что наши стопки изготовлены из прочной полированной нержавеющей стали и стали с алюминированной, порошковой или хромированной отделкой.
Наряду с нашими штабелями и наборами мы также предлагаем широкий спектр деталей и связанных компонентов, в том числе сверхмощные зажимы для надежных соединений без утечек, комплекты для монтажа штабелей и стильные крышки для предотвращения попадания дождя и посторонних предметов внутрь складывается при выключенном двигателе. Некоторые кожухи изготовлены из жаропрочного материала, устойчивого к высоким температурам, что позволяет устанавливать их сразу после выключения двигателя.У нас также есть уникальные накладки с ромбовидным рисунком для отдельных областей применения, позволяющие скрыть Т-образную трубу в кузове грузовика. В дополнение к производственным стекам для дизельных пикапов мы также предлагаем сменные стеки в том же разнообразии стилей для полуприцепов, а также необходимые для больших штабелей буровые установки, такие как окрашенные или хромированные дождевые колпаки.![]()
Работая с самыми известными брендами, стремящимися создавать первоклассные продукты, мы можем превзойти ваши ожидания, когда речь идет о непревзойденном качестве, высочайшем уровне изысканности и безупречном дизайне.Для вашего максимального удобства при поиске и выборе мы собрали все выхлопные трубы и компоненты в удобный для пользователя инвентарь. Итак, в нашем интернет-магазине вы обязательно легко найдете нужный вам товар. Будь то замена выхлопной трубы или высокопроизводительная выхлопная труба, CARiD — ваш универсальный магазин. Мы можем помочь вам вернуть вашему автомобилю былую славу и повысить его характеристики до беспрецедентного уровня, одновременно подтянув лицо и подняв его на голову выше всех остальных.Не упустите шанс помочь своей драгоценной вещи стать первой и единственной, пролетев мимо и оставив позади дикий победоносный рев!
Выхлопные трубыPerformance | Большой диаметр, изогнутый на оправке, X-Pipes
Если стандартная выпускная система не подходит, и вы хотите создать свою собственную производительную выхлопную систему, вы сорвете джекпот, потому что на страницах перед вами вы найдете все типы трубу, которую вы можете придумать, вместе с фланцами, переходниками, переходниками и т.
д. для выполнения соединений.У нас есть все: от отдельных труб до полных систем без глушителя (глушителей). Если вам нужны нестандартные коллекторы и редукторы для гоночных коллекторов, комплект X-pipe для балансировки выхлопного потока на последней модели Mustang, полный набор труб для раннего маслкара или полная сварочная система для хот-рода, мы есть то, что вам нужно.
Наши трубы бывают большого диаметра, что позволяет увеличить поток выхлопных газов и увеличить мощность, и все трубы изогнуты на оправке. Изгиб оправки обеспечивает плавные изгибы и гарантирует, что труба сохраняет свой размер и форму по всей длине.Трубки, которые не изогнуты на оправке, могут потерять часть своего диаметра из-за резких изгибов, что создает ограничение потока выхлопных газов. Изгиб оправки обеспечивает равномерные изгибы, поэтому поток выхлопных газов однороден по всей длине трубы, и каждая труба течет как можно больше, а больший поток выхлопных газов означает лучшую производительность.
На наших цифровых полках есть как универсальные, так и автомобильные трубы.
Универсальные трубы позволяют получить трубы нужного диаметра для увеличения потока в формах и изгибах, необходимых для вашего конкретного проекта, без необходимости идти в магазин с трубогибом.Имейте в виду, что в большинстве мастерских по производству угловых глушителей нет станков для гибки оправок. Трубы для конкретных автомобилей позволяют создавать индивидуальную выхлопную систему, зная, что трубы были специально разработаны для вашей модели автомобиля. А если у вас случится авария, и вы раздавите или иным образом повредите трубу, вы легко сможете заменить ее. Кроме того, все наши трубы изготавливаются из алюминизированной и нержавеющей стали, материалов, используемых всеми основными производителями выхлопных систем, чтобы обеспечить долговечность и великолепный внешний вид.
Было доказано, что добавление переходной трубы, такой как H-образная или X-образная труба, к двойной выхлопной системе, позволяет увеличить мощность двигателя. С помощью этих труб поток выхлопных газов увеличивается, потому что теперь оба ряда цилиндров могут использовать обе стороны выхлопной системы, а увеличенный поток выхлопных газов означает большую мощность.
Многие из этих труб поставляются с фланцами заводского типа для облегчения соединения с такими компонентами, как каталитические нейтрализаторы, а некоторые предназначены для облегчения соединения выхлопной системы с длинными трубными коллекторами.Некоторые H-образные, X-образные и Y-образные трубы поставляются со встроенными каталитическими преобразователями, и мы также предлагаем X-образные трубы только для внедорожного использования, которые исключают каталитические преобразователи в системе. Мы также предлагаем Y-образные трубы, которые можно установить после глушителя для создания двойной выхлопной системы.
В дополнение к вышеупомянутым трубам и нашему огромному выбору спускных труб, восходящих труб, передних труб, средних труб, промежуточных труб и выхлопных труб, мы предлагаем множество труб для специальных применений, которые вы не найдете в других местах.К ним относятся трубы большого диаметра, которые подключаются прямо к корпусу турбокомпрессора; полные сварные комплекты выхлопных труб для уличных штанг и спринтерских автомобилей, включая фланцы, трубы и коллекторы; озерные трубы и озерные стрелки; каталитический нейтрализатор удалить трубы; резонаторные элиминаторные трубы; комплекты для крепления боковых труб; выхлопные патрубки и крышки; и даже полные комплекты для выключения выхлопной системы с электрическим приводом.
И хотя большинство наших трубок предназначены для уличного использования, мы также предлагаем трубы только для бездорожья и гонок, которые позволят вам получить максимальную мощность от вашего двигателя во время соревнований.
Купить выхлопные системы и другие детали в Интернете | Автозапчасти
Все, что вам нужно знать о выхлопных системах
Что касается деталей, то вкладывать деньги в выхлопную систему послепродажного обслуживания — непростая задача. Но, как один автолюбитель другому, доверяйте нам, когда мы говорим, что это вложение того стоит. Инвестиции в послепродажную выхлопную систему выгодны для общей производительности вашей езды и экономии топлива, добавляя при этом основные элементы стиля и звуковую привлекательность.Выхлопная система состоит из нескольких основных компонентов, поэтому ниже мы подготовили для вас исчерпывающую разбивку.
- Выхлопные коллекторы: Выхлопные газы расположены на блоке двигателя в выпускном коллекторе вашего автомобиля.
Стандартные коллекторы вызывают затор выхлопных газов в выхлопных трубах, что приводит к сильному противодавлению. Это противодавление не позволяет вашему двигателю забирать воздух, необходимый для безупречной работы. Именно здесь в игру вступают послепродажные выпускные коллекторы. Высокопроизводительные коллекторы дают каждому цилиндру отдельную трубу, устраняя узкое место в транспортном потоке и позволяя вашему автомобилю дышать должным образом. - Глушители и советы: более широкий глушитель на вторичном рынке обеспечивает повышение производительности и может придать вашему двигателю более глубокий и сильный рев. С другой стороны, наконечники — это трубы, выступающие из задней части глушителя. У вас есть выбор для хромированных или плоских черных труб, и их также можно настроить для звука.
- Cat-back vs. Axle-back Выхлопные системы: давайте изучим некоторую терминологию. Выхлопная система от каталитического нейтрализатора до задней части автомобиля называется «кошачьей спиной», также известной как «кошка».
С другой стороны, выхлопные трубы заднего моста размещены на задней оси и доходят до задней части вашего автомобиля. Редукторы предпочитают катапульты из-за их способности открывать выхлоп, а также из-за гладкой промежуточной выхлопной трубы малого диаметра. Задние мосты предпочитают те, кто ценит эстетическую привлекательность перед производительностью.
Итак, теперь вы знаете основы выхлопных систем. Надеюсь, вы сможете принять обоснованное решение, используя всю эту замечательную информацию. Но если вам нужно больше ясности или у вас есть вопросы, на которые еще нет ответа, позвоните нам.Наша команда экспертов более чем квалифицирована и ответит на любой ваш запрос.
Выхлопные системы и рабочие комплекты
По автомобилю
Автор: Вин
По размеру
Выхлопные системы AEM выпускаются в конфигурации Cat-Back или Axle-Back. Они разработаны и спроектированы для увеличения
производительность и мощность, при этом обеспечивая спортивный звук и соблюдая стандарты оригинального оборудования по подгонке и отделке.
Каждый AEM
Выхлопная система поставляется с заявлением о шумах выхлопных газов, которое служит резервной копией на случай, если заказчик остановится из-за
нарушение шума выхлопа.
Kia Soul Aftermarket Выхлопная системаНомер детали: 600-0100 Инженеры AEM протестировали несколько типов выхлопных систем для 2-литрового Kia Soul 2010 и 2011 гг. исследования и разработки. Когда они собрали данные и продолжили разработку, выхлоп с задней осью оказался предлагать лучшее сочетание производительности, звука и стиля.
Выхлопная система Honda CR-Z AftermarketНомер детали: 600-0200 Установленные на вторичном рынке выхлопные системы кота Honda CR-Z объемом 1,5 литра от AEM 2011 и 2012 годов предназначены для улучшения использование высокопроизводительных систем забора воздуха.Выхлопная система 600-0200 спроектирована для на весь срок службы вашего 1,5-литрового Honda CR-Z.
Выхлопная система Hyundai Genesis 2.0L AftermarketНомер детали: 600-0600 Выхлопные системы AEM для Hyundai Genesis — это выхлопная система с турбонаддувом, которая была разработана для Модели Hyundai Genesis Coupe 2010, 2011 и 2012 годов, оснащенные 2,0-литровым четырехцилиндровым двигателем с турбонаддувом. двигатель. Послепродажные выхлопные системы AEM для Hyundai Genesis предназначены для увеличения производительности и мощности. при этом обеспечивая спортивный звук и соблюдая стандарты оригинального оборудования по подгонке и отделке.
Гарантия на выхлопную систему AEMAEM гарантирует первоначальному покупателю, что выхлопная система AEM не имеет дефектов изготовления и материалы сроком на 1 год.Гарантия распространяется на всю выхлопную систему. Гарантия распространяется на автомобили, НЕ используемые в соревнованиях по гонкам, если выхлопная система была изменено в любом образом, неправильно установлен, использовался с оборудованием и прокладками, отличными от AEM, автомобиль попал в аварию или не является установлен на транспортном средстве, для которого он предназначен. AEM не гарантирует, что выхлопная система на него было нанесено какое-либо покрытие или термоупаковку. AEM также не гарантирует, что система имеет доказательства достигнуть дна на любом препятствии или препятствии. Для рассмотрения гарантии подлинный товарный чек должен быть представлен продавцу, откуда
Система была куплена у любого розничного продавца AEM, имеющего хорошую репутацию с AEM. Никакая другая гарантия, выраженная или подразумеваемая (включая товарность), не распространяется на выхлопные системы AEM, а также любое лицо или производитель, уполномоченные принимать на себя любые другие гарантии.Дальнейшее AEM не предполагает ответственность за любой косвенный ущерб, возникший в результате использования продукта покупателем. Эта гарантия дает вам определенные юридические права. Ваши права могут различаться в зависимости от штата, в котором вы проживаете. Увеличение мощности и крутящего момента основано на конкретных или аналогичных испытаниях на динамометрическом стенде транспортного средства. Результаты будут разными. Законно в большинстве штатов. Не разрешено использование на определенных транспортных средствах в ЦА или других штатах, принимающих CARB. нормативно-правовые акты. Воспользуйтесь нашим поиском автомобилей, чтобы определить статус CARB детали для вашего автомобиля. | ||||||||||||||
Выхлопные системы мотоциклов | JPCycles.com
Выхлопная система мотоцикла
Ничто не сравнится с чистым звуком выхлопной трубы мотоцикла. J&P Cycles — это ваш пункт назначения для лучших деталей выхлопной системы мотоциклов, представленных сегодня на рынке. Выберите из полной выхлопной системы для универсального решения или выберите свои любимые детали, включая выхлопную трубу, чтобы оживить своего монстра. У нас есть выхлопные системы из нержавеющей стали для мотоциклов от ведущих мировых производителей, включая Akrapovic, Bassani, Cobra, Drag Specialties, Freedom Performance, Paughco, Rinehart, Vance & Hines и многие другие.Если вы действительно хотите пошуметь (конечно, хотите), ознакомьтесь с нашей подборкой выхлопных труб с прямыми трубами, которые действительно заставят вашу поездку реветь. Добавление широкой открытой прямой трубы, несомненно, сделает ваш байк предметом зависти для других гонщиков.
Здесь, в J&P Cycles, вы найдете уникальные впечатления от покупок, включая отличное обслуживание клиентов и бесплатную техническую поддержку, которая соединит вас с профессиональными техниками. Завершите настройку выхлопной системы с помощью монтажных кронштейнов для выхлопной системы мотоциклов и обертки для выхлопной системы мотоциклов непосредственно от J&P Cycles.com.
Вот несколько советов по покупке выхлопной системы вашего нового мотоцикла: J&P Cycles рекомендует вам обратиться в Агентство по охране окружающей среды США вместе с соответствующими местными и государственными регулирующими органами, чтобы подтвердить соответствие выхлопу мотоцикла, который вы рассматриваете. Мы также предлагаем внести изменения в систему впрыска карбюратора и использовать дополнительный модуль управления впрыском топлива. В J&P Cycles мы знаем, что у вас есть возможность делать покупки где угодно. Вот почему мы так стремимся предоставить вам новейшие продукты на рынке и лучший сервис в отрасли.


Стандартные коллекторы вызывают затор выхлопных газов в выхлопных трубах, что приводит к сильному противодавлению. Это противодавление не позволяет вашему двигателю забирать воздух, необходимый для безупречной работы. Именно здесь в игру вступают послепродажные выпускные коллекторы. Высокопроизводительные коллекторы дают каждому цилиндру отдельную трубу, устраняя узкое место в транспортном потоке и позволяя вашему автомобилю дышать должным образом.
С другой стороны, выхлопные трубы заднего моста размещены на задней оси и доходят до задней части вашего автомобиля. Редукторы предпочитают катапульты из-за их способности открывать выхлоп, а также из-за гладкой промежуточной выхлопной трубы малого диаметра. Задние мосты предпочитают те, кто ценит эстетическую привлекательность перед производительностью.
0L
Выхлопная система послепродажного обслуживания 5L
0L Hyundai Genesis
Гарантия распространяется на детали, которые
считаются дефектными, и замене подлежат только эти детали. AEM не берет на себя расходы по удалению
и переустановка выхлопной системы.
Воспользуйтесь нашим поиском автомобилей, чтобы определить статус CARB детали для вашего автомобиля.