ΡΡΠΎ ΡΡΠΎ, ΠΏΡΠΈΠ½ΡΠΈΠΏ ΡΠ°Π±ΠΎΡΡ, ΠΎΡΠΎΠ±Π΅Π½Π½ΠΎΡΡΠΈ
ΠΠ½Π°Π»ΠΎΠ³ΠΈ ΠΌΠΈΡΠΎΠ²ΡΡ Π±ΡΠ΅Π½Π΄ΠΎΠ². ΠΠΎΠ΄ΡΠΎΠ±Π½Π΅Π΅>>
Π‘ΠΎΠ΄Π΅ΡΠΆΠ°Π½ΠΈΠ΅
- Π§ΡΠΎ ΡΠ°ΠΊΠΎΠ΅ ΠΌΠΎΠΌΠ΅Π½ΡΠ½ΡΠΉ Π΄Π²ΠΈΠ³Π°ΡΠ΅Π»Ρ
- ΠΡΠΎΠ±Π΅Π½Π½ΠΎΡΡΠΈ ΠΈ ΠΎΡΠ»ΠΈΡΠΈΡ
- ΠΠΈΠ΄Ρ
- ΠΡΠ΅ΠΈΠΌΡΡΠ΅ΡΡΠ²Π°
- ΠΠ±Π»Π°ΡΡΠΈ ΠΏΡΠΈΠΌΠ΅Π½Π΅Π½ΠΈΡ
Π§ΡΠΎ ΡΠ°ΠΊΠΎΠ΅ ΠΌΠΎΠΌΠ΅Π½ΡΠ½ΡΠΉ Π΄Π²ΠΈΠ³Π°ΡΠ΅Π»Ρ
ΠΠΎΠΌΠ΅Π½ΡΠ½ΡΠΉ Π΄Π²ΠΈΠ³Π°ΡΠ΅Π»Ρ ΠΏΡΠ΅Π΄ΡΡΠ°Π²Π»ΡΠ΅Ρ ΡΠΎΠ±ΠΎΠΉ ΡΠ»Π΅ΠΊΡΡΠΈΡΠ΅ΡΠΊΠΈΠΉ Π΄Π²ΠΈΠ³Π°ΡΠ΅Π»Ρ Ρ ΠΎΡΠ΅Π½Ρ Π±ΠΎΠ»ΡΡΠΈΠΌ ΠΊΠΎΠ»ΠΈΡΠ΅ΡΡΠ²ΠΎΠΌ ΠΏΠ°Ρ ΠΏΠΎΠ»ΡΡΠΎΠ². ΠΠ»Π°Π³ΠΎΠ΄Π°ΡΡ Π±ΠΎΠ»ΡΡΠΎΠΌΡ ΠΊΠΎΠ»ΠΈΡΠ΅ΡΡΠ²Ρ ΠΏΠΎΠ»ΡΡΠΎΠ² ΡΠ°ΠΊΠΎΠΉ Π΄Π²ΠΈΠ³Π°ΡΠ΅Π»Ρ ΠΌΠΎΠΆΠ΅Ρ ΡΠΎΠ·Π΄Π°Π²Π°ΡΡ ΠΎΡΠ΅Π½Ρ Π±ΠΎΠ»ΡΡΠΎΠΉ ΠΌΠΎΠΌΠ΅Π½Ρ ΠΈ ΠΏΡΠΈ ΡΡΠΎΠΌ ΡΠ°Π±ΠΎΡΠ°ΡΡ Π½Π° ΠΎΡΠ½ΠΎΡΠΈΡΠ΅Π»ΡΠ½ΠΎ Π½Π΅Π²ΡΡΠΎΠΊΠΈΡ ΡΠΊΠΎΡΠΎΡΡΡΡ . ΠΠ»Π°Π³ΠΎΠ΄Π°ΡΡ Π±ΠΎΠ»ΡΡΠΎΠΌΡ ΠΊΡΡΡΡΡΠ΅ΠΌΡ ΠΌΠΎΠΌΠ΅Π½ΡΡ ΠΈ Π½Π΅Π²ΡΡΠΎΠΊΠΎΠΉ ΡΠΊΠΎΡΠΎΡΡΠΈ ΡΠ°ΠΊΠΈΠ΅ Π΄Π²ΠΈΠ³Π°ΡΠ΅Π»ΠΈ Ρ ΠΎΡΠΎΡΠΎ ΡΠΎΠΎΡΠ²Π΅ΡΡΡΠ²ΡΡΡ ΡΡΠ΅Π±ΠΎΠ²Π°Π½ΠΈΡΠΌ ΡΠΎ ΡΡΠΎΡΠΎΠ½Ρ Π±ΠΎΠ»ΡΡΠΎΠ³ΠΎ ΡΠΈΡΠ»Π° ΠΏΡΠΈΠΊΠ»Π°Π΄Π½ΡΡ Π·Π°Π΄Π°Ρ, ΡΡΠ΅Π±ΡΡΡΠΈΡ ΠΎΡ ΡΠ»Π΅ΠΊΡΡΠΎΠΏΡΠΈΠ²ΠΎΠ΄Π° ΠΈΠΌΠ΅Π½Π½ΠΎ ΡΠ°ΠΊΠΎΠ³ΠΎ ΡΠΎΡΠ΅ΡΠ°Π½ΠΈΡ ΠΏΠ°ΡΠ°ΠΌΠ΅ΡΡΠΎΠ². ΠΠΎ ΡΡΠΎΠΉ ΠΏΡΠΈΡΠΈΠ½Π΅ ΠΌΠΎΠΌΠ΅Π½ΡΠ½ΡΠΉ ΡΠ»Π΅ΠΊΡΡΠΎΠ΄Π²ΠΈΠ³Π°ΡΠ΅Π»Ρ ΡΠ°ΡΡΠΎ ΠΈΡΠΏΠΎΠ»ΡΠ·ΡΠ΅ΡΡΡ Π² ΡΠΈΡΡΠ΅ΠΌΠ°Ρ ΠΏΡΡΠΌΠΎΠ³ΠΎ ΠΏΡΠΈΠ²ΠΎΠ΄Π°, Π±Π΅Π· ΡΠ΅Π΄ΡΠΊΡΠΎΡΠ°.
ΠΠΎΠ»ΡΡΠΈΠ½ΡΡΠ²ΠΎ Π²ΡΡΡΠ΅ΡΠ°ΡΡΠΈΡ
ΡΡ ΠΌΠΎΠΌΠ΅Π½ΡΠ½ΡΡ
Π΄Π²ΠΈΠ³Π°ΡΠ΅Π»Π΅ΠΉ ΠΈΠΌΠ΅ΡΡ ΠΊΠΎΠ½ΡΡΡΡΠΊΡΠΈΡ, ΡΡ
ΠΎΠΆΡΡ Ρ ΡΠΈΠ½Ρ
ΡΠΎΠ½Π½ΡΠΌΠΈ Π΄Π²ΠΈΠ³Π°ΡΠ΅Π»ΡΠΌΠΈ Ρ ΠΏΠΎΡΡΠΎΡΠ½Π½ΡΠΌΠΈ ΠΌΠ°Π³Π½ΠΈΡΠ°ΠΌΠΈ.
ΠΠΎΠ½ΡΡΡΡΠΊΡΠΈΠ²Π½ΠΎ ΡΠ°ΠΊΠΎΠΉ ΡΠ»Π΅ΠΊΡΡΠΎΠ΄Π²ΠΈΠ³Π°ΡΠ΅Π»Ρ ΠΏΡΠ΅Π΄ΡΡΠ°Π²Π»ΡΠ΅Ρ ΡΠΎΠ±ΠΎΠΉ ΡΡΠ°ΡΠΎΡ, Π²ΠΊΠ»ΡΡΠ°ΡΡΠΈΠΉ Π² ΡΠ΅Π±Ρ ΠΎΠ±ΠΌΠΎΡΠΊΡ, Π½Π°ΠΌΠΎΡΠ°Π½Π½ΡΡ Π½Π° ΡΠ΅ΡΠ΄Π΅ΡΠ½ΠΈΠΊ ΠΈΠ· ΠΏΠ°ΠΊΠ΅ΡΠ° Π»Π°ΠΌΠΈΠ½ΠΈΡΠΎΠ²Π°Π½Π½ΡΡ ΡΡΠ°Π»ΡΠ½ΡΡ ΠΏΠ»Π°ΡΡΠΈΠ½. Π ΠΎΡΠΎΡ Π΄Π²ΠΈΠ³Π°ΡΠ΅Π»Ρ ΠΏΡΠ΅Π΄ΡΡΠ°Π²Π»ΡΠ΅Ρ ΡΠΎΠ±ΠΎΠΉ ΠΌΠ½ΠΎΠ³ΠΎΠΏΠΎΠ»ΡΡΠ½ΠΎΠΉ ΠΌΠ°Π³Π½ΠΈΡ.
ΠΡΠΎΠ±Π΅Π½Π½ΠΎΡΡΠΈ ΠΈ ΠΎΡΠ»ΠΈΡΠΈΡ ΠΌΠΎΠΌΠ΅Π½ΡΠ½ΡΡ Π΄Π²ΠΈΠ³Π°ΡΠ΅Π»Π΅ΠΉ ΠΎΡ Π΄ΡΡΠ³ΠΈΡ ΡΠΈΠΏΠΎΠ² Π΄Π²ΠΈΠ³Π°ΡΠ΅Π»Π΅ΠΉ
ΠΡΡΡΡΡΠΈΠΉ ΠΌΠΎΠΌΠ΅Π½Ρ
ΠΠΎΠΌΠ΅Π½ΡΠ½ΡΠ΅ ΡΠ»Π΅ΠΊΡΡΠΎΠ΄Π²ΠΈΠ³Π°ΡΠ΅Π»ΠΈ ΠΌΠΎΠ³ΡΡ ΡΠΎΠ·Π΄Π°Π²Π°ΡΡ Π·Π½Π°ΡΠΈΡΠ΅Π»ΡΠ½ΡΠΉ ΠΊΡΡΡΡΡΠΈΠΉ ΠΌΠΎΠΌΠ΅Π½Ρ Π΄Π°ΠΆΠ΅ ΠΏΡΠΈ Π½Π΅Π±ΠΎΠ»ΡΡΠΈΡ ΡΠΊΠΎΡΠΎΡΡΡΡ ΠΈ Π΄Π°ΠΆΠ΅ ΠΏΡΠΈ ΠΎΡΡΠ°Π½ΠΎΠ²Π»Π΅Π½Π½ΠΎΠΌ ΡΠΎΡΠΎΡΠ΅.
ΠΡΡΠΎΠΊΠΈΠΉ ΠΊΡΡΡΡΡΠΈΠΉ ΠΌΠΎΠΌΠ΅Π½Ρ, ΠΊΠΎΡΠΎΡΡΠΉ Ρ Π°ΡΠ°ΠΊΡΠ΅ΡΠ΅Π½ Π΄Π»Ρ ΠΌΠΎΠΌΠ΅Π½ΡΠ½ΡΡ Π΄Π²ΠΈΠ³Π°ΡΠ΅Π»Π΅ΠΉ, Π΄Π°ΡΡ Π²ΠΎΠ·ΠΌΠΎΠΆΠ½ΠΎΡΡΡ Π΄ΠΎΡΡΠΈΠ³Π°ΡΡ Π²ΡΡΠΎΠΊΠΈΡ ΡΠ³Π»ΠΎΠ²ΡΡ ΡΡΠΊΠΎΡΠ΅Π½ΠΈΠΉ. ΠΡΠΎ ΠΎΡΠΎΠ±Π΅Π½Π½ΠΎ Π²Π°ΠΆΠ½ΠΎ Π΄Π»Ρ ΠΏΡΠΈΠΌΠ΅Π½Π΅Π½ΠΈΠΉ, ΡΠ²ΡΠ·Π°Π½Π½ΡΡ Ρ ΠΏΠΎΠ·ΠΈΡΠΈΠΎΠ½ΠΈΡΠΎΠ²Π°Π½ΠΈΠ΅ΠΌ, Π³Π΄Π΅ ΡΡΠ΅Π±ΡΠ΅ΡΡΡ Π²ΡΡΠΎΠΊΠΎΠ΅ Π±ΡΡΡΡΠΎΠ΄Π΅ΠΉΡΡΠ²ΠΈΠ΅ ΠΏΡΠΈ ΡΠ°Π·Π³ΠΎΠ½Π°Ρ ΠΈ ΡΠΎΡΠΌΠΎΠΆΠ΅Π½ΠΈΡΡ .
ΠΠ½Π΅ΡΠ½Π΅Π΅ ΠΈΡΠΏΠΎΠ»Π½Π΅Π½ΠΈΠ΅
Π§Π°ΡΡΠΎ ΠΌΠΎΠΌΠ΅Π½ΡΠ½ΡΠ΅ Π΄Π²ΠΈΠ³Π°ΡΠ΅Π»ΠΈ ΠΈΠ·Π³ΠΎΡΠ°Π²Π»ΠΈΠ²Π°ΡΡΡΡ Π² Π±Π΅ΡΠΊΠΎΡΠΏΡΡΠ½ΠΎΠΌ ΠΈΡΠΏΠΎΠ»Π½Π΅Π½ΠΈΠΈ (Π½Π°Π·ΡΠ²Π°ΡΡΡΡ Π±Π΅ΡΠΊΠΎΠ½ΡΠ°ΠΊΡΠ½ΡΠΌΠΈ). ΠΡΠΎ ΠΎΠ·Π½Π°ΡΠ°Π΅Ρ, ΡΡΠΎ Π΄Π²ΠΈΠ³Π°ΡΠ΅Π»Ρ Π½Π΅ ΠΈΠΌΠ΅Π΅Ρ ΠΊΠΎΡΠΏΡΡΠ°, ΠΏΠΎΠ΄ΡΠΈΠΏΠ½ΠΈΠΊΠΎΠ², Π²Π°Π»Π° ΠΈ Π΄Π°ΡΡΠΈΠΊΠΎΠ² ΠΎΠ±ΡΠ°ΡΠ½ΠΎΠΉ ΡΠ²ΡΠ·ΠΈ. ΠΡΠΈ ΠΊΠΎΠΌΠΏΠΎΠ½Π΅Π½ΡΡ ΡΠΎΠ·Π΄Π°ΡΡΡΡ ΡΠ°Π·ΡΠ°Π±ΠΎΡΡΠΈΠΊΠΎΠΌ ΠΊΠΎΠ½Π΅ΡΠ½ΠΎΠ³ΠΎ ΡΡΡΡΠΎΠΉΡΡΠ²Π° ΠΎΠΏΡΠΈΠΌΠ°Π»ΡΠ½ΡΠΌ ΠΎΠ±ΡΠ°Π·ΠΎΠΌ Π΄Π»Ρ ΠΊΠΎΠ½ΠΊΡΠ΅ΡΠ½ΠΎΠ³ΠΎ ΠΏΡΠΈΠΌΠ΅Π½Π΅Π½ΠΈΡ ΠΈ ΡΡΠ»ΠΎΠ²ΠΈΠΉ ΡΠ°Π±ΠΎΡΡ ΠΈΠ»ΠΈ ΠΏΠΎΠΊΡΠΏΠ°ΡΡΡΡ ΠΊΠ°ΠΊ Π³ΠΎΡΠΎΠ²ΡΠ΅ ΠΊΠΎΠΌΠΏΠ»Π΅ΠΊΡΡΡΡΠΈΠ΅ ΠΈΠ·Π΄Π΅Π»ΠΈΡ ΠΈ ΡΡΡΠ°Π½Π°Π²Π»ΠΈΠ²Π°ΡΡΡΡ Π² ΠΏΡΠΎΡΠ΅ΡΡΠ΅ ΡΠ±ΠΎΡΠΊΠΈ.
ΠΠΎΡΡΠ°ΡΠΎΡΠ½ΠΎ ΡΠ°ΡΡΠΎ ΠΌΠΎΠΌΠ΅Π½ΡΠ½ΡΠ΅ Π΄Π²ΠΈΠ³Π°ΡΠ΅Π»ΠΈ Π²ΡΠΏΡΡΠΊΠ°ΡΡΡΡ Π² Π²ΠΈΠ΄Π΅ Π±Π΅ΡΠΊΠΎΡΠΏΡΡΠ½ΠΎΠ³ΠΎ ΡΠ΅ΡΠ΅Π½ΠΈΡ Ρ ΠΏΠΎΠ»ΡΠΌ Π²Π°Π»ΠΎΠΌ. Π’Π°ΠΊΠ°Ρ ΠΊΠΎΠ½ΡΡΡΡΠΊΡΠΈΠ²Π½Π°Ρ ΠΎΡΠΎΠ±Π΅Π½Π½ΠΎΡΡΡ ΠΏΠΎΠ·Π²ΠΎΠ»ΡΠ΅Ρ Π³ΠΈΠ±ΠΊΠΎ ΠΏΠΎΠ΄Ρ ΠΎΠ΄ΠΈΡΡ ΠΊ ΠΊΠΎΠ½ΡΡΡΡΠΈΡΠΎΠ²Π°Π½ΠΈΡ ΡΠΈΡΡΠ΅ΠΌΡ, ΠΎΡΠΎΠ±Π΅Π½Π½ΠΎ Π² ΡΠ»ΡΡΠ°Π΅ ΠΌΠ½ΠΎΠ³ΠΎΠΎΡΠ΅Π²ΡΡ ΡΠΈΡΡΠ΅ΠΌ. Π§Π΅ΡΠ΅Π· ΠΏΠΎΠ»ΡΠΉ Π²Π°Π» ΠΌΠΎΠΆΠ½ΠΎ ΠΏΡΠΎΠΏΡΡΡΠΈΡΡ ΡΠ»Π΅ΠΊΡΡΠΈΡΠ΅ΡΠΊΠΈΠ΅ ΠΊΠ°Π±Π΅Π»ΠΈ (Π° ΡΠ°ΠΊΠΆΠ΅ Π³ΠΈΠ΄ΡΠ°Π²Π»ΠΈΡΠ΅ΡΠΊΠΈΠ΅ ΠΈΠ»ΠΈ ΠΎΠΏΡΠΈΡΠ΅ΡΠΊΠΈΠ΅ Π»ΠΈΠ½ΠΈΠΈ β Π΅ΡΠ»ΠΈ ΠΎΠ½ΠΈ Π΅ΡΡΡ), ΠΏΠΎΠ»ΡΡΠ°Ρ Π²ΠΎΠ·ΠΌΠΎΠΆΠ½ΠΎΡΡΡ ΡΠ°ΡΠΏΠΎΠ»Π°Π³Π°ΡΡ ΡΠ»Π΅ΠΌΠ΅Π½ΡΡ ΠΊΠΎΠ½ΡΡΡΡΠΊΡΠΈΠΈ Π² Π½Π°ΠΈΠ±ΠΎΠ»Π΅Π΅ ΡΠ΄ΠΎΠ±Π½ΠΎΠΌ ΠΌΠ΅ΡΡΠ΅, Π° ΡΠ°ΠΊΠΆΠ΅ ΡΠ±ΡΠ°ΡΡ Π²Π½ΡΡΡΡ Π²ΡΠ΅ ΠΊΠ°Π±Π΅Π»ΡΠ½ΡΠ΅ Π»ΠΈΠ½ΠΈΠΈ ΡΠ²ΡΠ·ΠΈ.
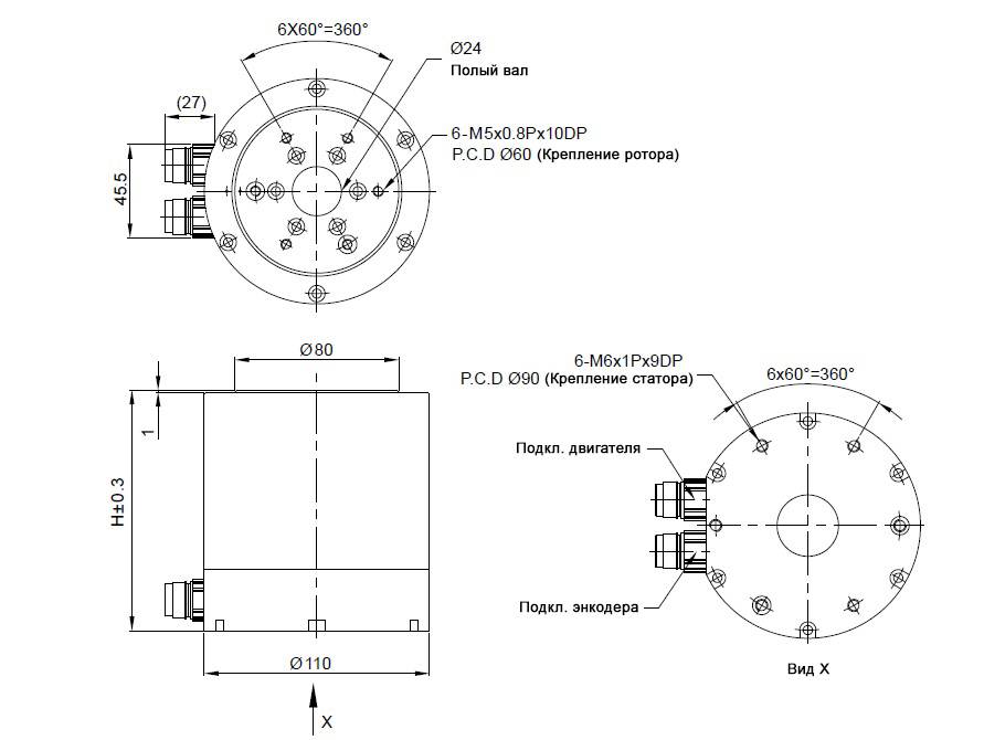
Π Π°Π·ΠΌΠ΅Ρ
Π Π°Π·ΠΌΠ΅ΡΡ ΠΌΠΎΠΌΠ΅Π½ΡΠ½ΠΎΠ³ΠΎ Π΄Π²ΠΈΠ³Π°ΡΠ΅Π»Ρ Π·Π°ΠΌΠ΅ΡΠ½ΠΎ ΠΎΡΠ»ΠΈΡΠ°ΡΡΡΡ ΠΎΡ ΡΠ°Π·ΠΌΠ΅ΡΠΎΠ² ΠΊΠ»Π°ΡΡΠΈΡΠ΅ΡΠΊΠΎΠ³ΠΎ ΡΠ΅Π΄ΡΠΊΡΠΎΡΠ½ΠΎΠ³ΠΎ ΡΠ΅ΡΠ²ΠΎΠ΄Π²ΠΈΠ³Π°ΡΠ΅Π»Ρ: Ρ ΠΎΡΡ ΠΏΠΎ Π΄ΠΈΠ°ΠΌΠ΅ΡΡΡ ΠΌΠΎΠΌΠ΅Π½ΡΠ½ΡΠΉ Π΄Π²ΠΈΠ³Π°ΡΠ΅Π»Ρ Π³ΠΎΡΠ°Π·Π΄ΠΎ Π±ΠΎΠ»ΡΡΠ΅ ΡΠ΅Π΄ΡΠΊΡΠΎΡΠ½ΠΎΠ³ΠΎ ΡΠ΅ΡΠ²ΠΎΠ΄Π²ΠΈΠ³Π°ΡΠ΅Π»Ρ, Π·Π°ΡΠΎ ΠΏΠΎ Π΄Π»ΠΈΠ½Π΅ ΠΎΠ½ ΡΠ°ΡΡΠΎ ΠΎΠΊΠ°Π·ΡΠ²Π°Π΅ΡΡΡ ΠΊΠΎΡΠΎΡΠ΅. ΠΡΠΎ Π½Π΅Π»ΡΠ·Ρ ΠΎΠ΄Π½ΠΎΠ·Π½Π°ΡΠ½ΠΎ Π½Π°Π·Π²Π°ΡΡ ΠΏΡΠ΅ΠΈΠΌΡΡΠ΅ΡΡΠ²ΠΎΠΌ ΠΈΠ»ΠΈ Π½Π΅Π΄ΠΎΡΡΠ°ΡΠΊΠΎΠΌ ΠΌΠΎΠΌΠ΅Π½ΡΠ½ΠΎΠ³ΠΎ Π΄Π²ΠΈΠ³Π°ΡΠ΅Π»Ρ β ΡΡΠΎ Π΅Π³ΠΎ ΠΎΡΠΎΠ±Π΅Π½Π½ΠΎΡΡΡ, ΠΊΠΎΡΠΎΡΠ°Ρ Π΄ΠΈΠΊΡΡΠ΅Ρ Π΄ΡΡΠ³ΡΡ ΠΊΠΎΠ½ΡΡΡΡΠΊΡΠΈΡ ΠΊΠΎΠ½Π΅ΡΠ½ΠΎΠ³ΠΎ ΠΈΠ·Π΄Π΅Π»ΠΈΡ ΠΈ ΠΌΠΎΠΆΠ΅Ρ ΡΡΠ°ΡΡ ΠΏΡΠ΅ΠΈΠΌΡΡΠ΅ΡΡΠ²ΠΎΠΌ ΠΈΠ»ΠΈ Π½Π΅Π΄ΠΎΡΡΠ°ΡΠΊΠΎΠΌ Π»ΠΈΡΡ Π² ΡΠ°ΠΌΠΊΠ°Ρ ΠΎΠΏΡΠ΅Π΄Π΅Π»ΡΠ½Π½ΠΎΠ³ΠΎ ΠΏΡΠΈΠΌΠ΅Π½Π΅Π½ΠΈΡ.
ΠΡΡΡΡΡΡΠ²ΠΈΠ΅ ΠΌΠ΅Ρ
Π°Π½ΠΈΡΠ΅ΡΠΊΠΎΠΉ ΠΏΠ΅ΡΠ΅Π΄Π°ΡΠΈ ΡΠΈΠ»ΡΠ½ΠΎ ΡΠ½ΠΈΠΆΠ°Π΅Ρ ΡΡΠΌ, ΠΏΡΠΎΠΈΠ·Π²ΠΎΠ΄ΠΈΠΌΡΠΉ ΡΠΈΡΡΠ΅ΠΌΠΎΠΉ, ΠΏΠΎΡΡΡΠΎΠ΅Π½Π½ΠΎΠΉ Ρ ΠΏΡΠΈΠΌΠ΅Π½Π΅Π½ΠΈΠ΅ΠΌ ΠΌΠΎΠΌΠ΅Π½ΡΠ½ΠΎΠ³ΠΎ Π΄Π²ΠΈΠ³Π°ΡΠ΅Π»Ρ, Π° ΡΠ°ΠΊΠΆΠ΅ ΠΏΠΎΠ²ΡΡΠ°Π΅Ρ Π½Π°Π΄ΡΠΆΠ½ΠΎΡΡΡ ΠΏΡΠΈΠ²ΠΎΠ΄Π½ΠΎΠ³ΠΎ ΡΠ΅ΡΠ΅Π½ΠΈΡ.
ΠΠΈΠ΄Ρ ΠΌΠΎΠΌΠ΅Π½ΡΠ½ΡΡ Π΄Π²ΠΈΠ³Π°ΡΠ΅Π»Π΅ΠΉ
ΠΠ΅ΡΠΌΠΎΡΡΡ Π½Π° ΡΠΎ, ΡΡΠΎ ΠΏΠΎΠ΄Π°Π²Π»ΡΡΡΠ΅Π΅ Π±ΠΎΠ»ΡΡΠΈΠ½ΡΡΠ²ΠΎ ΠΌΠΎΠΌΠ΅Π½ΡΠ½ΡΡ Π΄Π²ΠΈΠ³Π°ΡΠ΅Π»Π΅ΠΉ, ΠΏΡΠΈΡΡΡΡΡΠ²ΡΡΡΠΈΡ Π½Π° ΡΡΠ½ΠΊΠ΅ Π² Π½Π°ΡΡΠΎΡΡΠ΅Π΅ Π²ΡΠ΅ΠΌΡ, Π²ΡΠΏΠΎΠ»Π½Π΅Π½ΠΎ ΠΏΠΎ ΠΊΠΎΠ½ΡΡΡΡΠΊΡΠΈΠΈ ΡΠΈΠ½Ρ ΡΠΎΠ½Π½ΠΎΠ³ΠΎ Π΄Π²ΠΈΠ³Π°ΡΠ΅Π»Ρ β ΠΌΠ½ΠΎΠ³ΠΎΠΏΠΎΠ»ΡΡΠ½ΡΠΉ ΠΏΠΎΡΡΠΎΡΠ½Π½ΡΠΉ ΠΌΠ°Π³Π½ΠΈΡ Π½Π° ΡΠΎΡΠΎΡΠ΅ ΠΈ ΡΡΡΡ ΡΠ°Π·Π½Π°Ρ ΠΎΠ±ΠΌΠΎΡΠΊΠ° Π½Π° ΡΡΠ°ΡΠΎΡΠ΅ β ΡΡΡΠ΅ΡΡΠ²ΡΡΡ ΠΈ ΠΌΠΎΠΌΠ΅Π½ΡΠ½ΡΠ΅ Π΄Π²ΠΈΠ³Π°ΡΠ΅Π»ΠΈ, ΠΎΡΠ½ΠΎΡΡΡΠΈΠ΅ΡΡ ΠΈ ΠΊ Π΄ΡΡΠ³ΠΈΠΌ ΡΠΈΠΏΠ°ΠΌ.
ΠΠ΅Π½Π΅Π΅ ΡΠ°ΡΠΏΡΠΎΡΡΡΠ°Π½Π΅Π½Π° Π΄ΡΡΠ³Π°Ρ ΡΠ°Π·Π½ΠΎΠ²ΠΈΠ΄Π½ΠΎΡΡΡ ΠΌΠΎΠΌΠ΅Π½ΡΠ½ΡΡ Π΄Π²ΠΈΠ³Π°ΡΠ΅Π»Π΅ΠΉ β Π±Π΅ΡΠΊΠΎΠ»Π»Π΅ΠΊΡΠΎΡΠ½ΡΠ΅ Π΄Π²ΠΈΠ³Π°ΡΠ΅Π»ΠΈ ΠΏΠΎΡΡΠΎΡΠ½Π½ΠΎΠ³ΠΎ ΡΠΎΠΊΠ°. ΠΠΎ ΠΊΠΎΠ½ΡΡΡΡΠΊΡΠΈΠΈ ΠΎΠ½ΠΈ ΡΡ ΠΎΠΆΠΈ Ρ ΡΠΈΠ½Ρ ΡΠΎΠ½Π½ΡΠΌΠΈ Π΄Π²ΠΈΠ³Π°ΡΠ΅Π»ΡΠΌΠΈ, ΠΎΠ΄Π½Π°ΠΊΠΎ Π΅ΡΠ»ΠΈ ΡΠΈΠ½Ρ ΡΠΎΠ½Π½ΡΠ΅ ΠΌΠΎΡΠΎΡΡ ΠΏΡΠ΅Π΄ΠΏΠΎΠ»Π°Π³Π°ΡΡ ΠΏΠΈΡΠ°Π½ΠΈΠ΅ ΡΠΈΡΡΠ΅ΠΌΠΎΠΉ ΡΠΈΠ½ΡΡΠΎΠΈΠ΄Π°Π»ΡΠ½ΡΡ Π½Π°ΠΏΡΡΠΆΠ΅Π½ΠΈΠΉ, ΡΠΎ ΠΊΠΎΠ½ΡΡΡΡΠΊΡΠΈΡ Π±Π΅ΡΠΊΠΎΠ»Π»Π΅ΠΊΡΠΎΡΠ½ΡΡ Π΄Π²ΠΈΠ³Π°ΡΠ΅Π»Π΅ΠΉ Π΄ΠΎΠΏΡΡΠΊΠ°Π΅Ρ Π²ΠΎΠ·ΠΌΠΎΠΆΠ½ΠΎΡΡΡ ΠΏΠΈΡΠ°Π½ΠΈΡ ΠΈΡ Π½Π°ΠΏΡΡΠΆΠ΅Π½ΠΈΡΠΌΠΈ ΠΏΡΡΠΌΠΎΡΠ³ΠΎΠ»ΡΠ½ΠΎΠΉ ΡΠΎΡΠΌΡ.
Π Π±ΠΎΠ»ΡΡΠΈΠ½ΡΡΠ²Π΅ ΡΠ»ΡΡΠ°Π΅Π² Ρ ΠΌΠΎΠΌΠ΅Π½ΡΠ½ΡΡ
Π΄Π²ΠΈΠ³Π°ΡΠ΅Π»Π΅ΠΉ ΡΠΎΡΠΎΡ ΡΠ°ΡΠΏΠΎΠ»Π°Π³Π°Π΅ΡΡΡ Π²Π½ΡΡΡΠΈ ΡΡΠ°ΡΠΎΡΠ°, ΡΠΎΠΎΡΠ½ΠΎ Π΅ΠΌΡ. ΠΠ²ΠΈΠ³Π°ΡΠ΅Π»ΠΈ ΡΠ°ΠΊΠΎΠΉ ΠΊΠΎΠ½ΡΡΡΡΠΊΡΠΈΠΈ Π½Π°Π·ΡΠ²Π°ΡΡ Π΄Π²ΠΈΠ³Π°ΡΠ΅Π»ΡΠΌΠΈ Ρ Π²Π½ΡΡΡΠ΅Π½Π½ΠΈΠΌ ΡΠΎΡΠΎΡΠΎΠΌ. Π ΡΠ»ΡΡΠ°Π΅ Π΄ΡΡΠ³ΠΎΠ³ΠΎ Π²Π°ΡΠΈΠ°Π½ΡΠ° ΠΊΠΎΠ½ΡΡΡΡΠΊΡΠΈΠΈ ΠΌΠΎΠΌΠ΅Π½ΡΠ½ΠΎΠ³ΠΎ Π΄Π²ΠΈΠ³Π°ΡΠ΅Π»Ρ β ΠΊΠΎΠ½ΡΡΡΡΠΊΡΠΈΠΈ Ρ Π²Π½Π΅ΡΠ½ΠΈΠΌ ΡΠΎΡΠΎΡΠΎΠΌ β ΡΠΎΡΠΎΡ ΡΠ°ΡΠΏΠΎΠ»Π°Π³Π°Π΅ΡΡΡ ΡΠ½Π°ΡΡΠΆΠΈ ΡΡΠ°ΡΠΎΡΠ°.
ΠΡΠΈ Π΄Π²Π° Π²Π°ΡΠΈΠ°Π½ΡΠ° ΠΊΠΎΠ½ΡΡΡΡΠΊΡΠΈΠΈ Π½Π΅ΡΠΊΠΎΠ»ΡΠΊΠΎ ΠΎΡΠ»ΠΈΡΠ°ΡΡΡΡ ΠΏΠΎ ΠΏΠ°ΡΠ°ΠΌΠ΅ΡΡΠ°ΠΌ. ΠΠ²ΠΈΠ³Π°ΡΠ΅Π»ΠΈ Ρ Π²Π½Π΅ΡΠ½ΠΈΠΌ ΡΠΎΡΠΎΡΠΎΠΌ ΠΏΡΠΈ ΠΎΠ΄ΠΈΠ½Π°ΠΊΠΎΠ²ΡΡ Π³Π°Π±Π°ΡΠΈΡΠ½ΡΡ ΡΠ°Π·ΠΌΠ΅ΡΠ°Ρ Π±ΡΠ΄ΡΡ ΠΈΠΌΠ΅ΡΡ Π±ΠΎΠ»ΡΡΠΈΠΉ ΠΌΠΎΠΌΠ΅Π½Ρ, ΡΠ΅ΠΌ Π΄Π²ΠΈΠ³Π°ΡΠ΅Π»ΠΈ Ρ Π²Π½ΡΡΡΠ΅Π½Π½ΠΈΠΌ ΡΠΎΡΠΎΡΠΎΠΌ, ΠΈ Π±ΠΎΠ»ΡΡΠΈΠΉ ΠΌΠΎΠΌΠ΅Π½Ρ ΠΈΠ½Π΅ΡΡΠΈΠΈ ΡΠΎΡΠΎΡΠ°.
ΠΡΠ΅ΠΈΠΌΡΡΠ΅ΡΡΠ²Π°
Π£ΠΊΠ°Π·Π°Π½Π½ΡΠ΅ Π½ΠΈΠΆΠ΅ ΠΏΡΠ΅ΠΈΠΌΡΡΠ΅ΡΡΠ²Π° ΡΠ²Π»ΡΡΡΡΡ ΠΎΡΠ½ΠΎΠ²Π½ΡΠΌΠΈ Ρ Π°ΡΠ°ΠΊΡΠ΅ΡΠΈΡΡΠΈΠΊΠ°ΠΌΠΈ ΠΌΠΎΠΌΠ΅Π½ΡΠ½ΡΡ Π΄Π²ΠΈΠ³Π°ΡΠ΅Π»Π΅ΠΉ:
- ΠΡΡΠΎΠΊΠ°Ρ ΡΠΎΡΠ½ΠΎΡΡΡ
- ΠΡΠ»ΠΈΡΠ½Π°Ρ ΠΏΠ»Π°Π²Π½ΠΎΡΡΡ Ρ ΠΎΠ΄Π°
- ΠΡΡΠΎΠΊΠΈΠΉ ΠΌΠΎΠΌΠ΅Π½Ρ Π½Π° Π½ΠΈΠ·ΠΊΠΈΡ ΡΠΊΠΎΡΠΎΡΡΡΡ
- ΠΠΈΠ·ΠΊΠΈΠΉ ΡΡΠΌ
- ΠΠΎΠΌΠΏΠ°ΠΊΡΠ½ΡΠ΅ ΠΈ ΠΏΡΠΎΡΠ½ΡΠ΅
- ΠΡΡΠΎΠΊΠ°Ρ Π½Π°Π΄ΡΠΆΠ½ΠΎΡΡΡ ΠΈ Π½ΠΈΠ·ΠΊΠΈΠΉ ΠΈΠ·Π½ΠΎΡ ΡΠ»Π΅ΠΊΡΡΠΎΠ΄Π²ΠΈΠ³Π°ΡΠ΅Π»Ρ
- ΠΡΡΠΎΠΊΠΎΠ΅ Π·Π½Π°ΡΠ΅Π½ΠΈΠ΅ ΠΏΠΎΠΊΠ°Π·Π°ΡΠ΅Π»Ρ ΠΠΠ ΠΏΡΠΈΠ²ΠΎΠ΄Π½ΠΎΠΉ ΡΠΈΡΡΠ΅ΠΌΡ Π±Π»Π°Π³ΠΎΠ΄Π°ΡΡ ΠΎΡΡΡΡΡΡΠ²ΠΈΡ ΡΠ΅Π΄ΡΠΊΡΠΎΡΠ°
- ΠΠ°Π»ΠΈΡΠΈΠ΅ ΠΏΠΎΠ»ΠΎΠ³ΠΎ Π²Π°Π»Π° Π΄Π°ΡΡ Π²ΠΎΠ·ΠΌΠΎΠΆΠ½ΠΎΡΡΡ Π³ΠΈΠ±ΠΊΠΎ ΠΏΠΎΠ΄Ρ ΠΎΠ΄ΠΈΡΡ ΠΊ ΠΊΠΎΠΌΠΏΠΎΠ½ΠΎΠ²ΠΊΠ΅ ΡΠΈΡΡΠ΅ΠΌΡ
- ΠΡΡΠΎΠΊΠΎΠ΅ ΠΎΡΠ½ΠΎΡΠ΅Π½ΠΈΠ΅ ΠΊΡΡΡΡΡΠ΅Π³ΠΎ ΠΌΠΎΠΌΠ΅Π½ΡΠ° ΠΊ ΠΌΠΎΠΌΠ΅Π½ΡΡ ΠΈΠ½Π΅ΡΡΠΈΠΈ ΠΎΠ±Π΅ΡΠΏΠ΅ΡΠΈΠ²Π°Π΅Ρ Π²ΠΎΠ·ΠΌΠΎΠΆΠ½ΠΎΡΡΡ Π΄ΠΎΡΡΠΈΠΆΠ΅Π½ΠΈΡ Π±ΠΎΠ»ΡΡΠΈΡ ΡΠ³Π»ΠΎΠ²ΡΡ ΡΡΠΊΠΎΡΠ΅Π½ΠΈΠΉ
- ΠΡΡΠΎΠΊΠΎΠ΅ ΠΎΡΠ½ΠΎΡΠ΅Π½ΠΈΠ΅ ΠΌΠΎΠΌΠ΅Π½ΡΠ° ΠΊ ΠΏΠΎΡΡΠ΅Π±Π»ΡΠ΅ΠΌΠΎΠΉ ΠΌΠΎΡΠ½ΠΎΡΡΠΈ ΠΎΠ±Π΅ΡΠΏΠ΅ΡΠΈΠ²Π°Π΅Ρ Π²ΠΎΠ·ΠΌΠΎΠΆΠ½ΠΎΡΡΡ ΠΏΠΎΠ»ΡΡΠ΅Π½ΠΈΡ ΡΡΠ΅Π±ΡΠ΅ΠΌΠΎΠ³ΠΎ ΠΌΠΎΠΌΠ΅Π½ΡΠ° ΠΏΡΠΈ Π½Π΅Π±ΠΎΠ»ΡΡΠΈΡ Π·Π°ΡΡΠ°ΡΠ°Ρ ΡΠ½Π΅ΡΠ³ΠΈΠΈ
- Π‘Π½ΠΈΠΆΠ΅Π½ΠΈΠ΅ ΡΠ°ΡΡ ΠΎΠ΄ΠΎΠ² Π½Π° ΠΎΠ±ΡΠ»ΡΠΆΠΈΠ²Π°Π½ΠΈΠ΅ ΠΏΠΎ ΡΡΠ°Π²Π½Π΅Π½ΠΈΡ Ρ ΡΠ΅Π΄ΡΠΊΡΠΎΡΠ½ΡΠΌ ΠΏΡΠΈΠ²ΠΎΠ΄ΠΎΠΌ
ΠΠ±Π»Π°ΡΡΠΈ ΠΏΡΠΈΠΌΠ΅Π½Π΅Π½ΠΈΡ
- Π‘ΡΠ°Π½ΠΊΠΈ ΠΈ ΠΎΠ±ΡΠ°Π±Π°ΡΡΠ²Π°ΡΡΠΈΠ΅ ΡΠ΅Π½ΡΡΡ
- ΠΠΏΠΎΡΠ½ΠΎ-ΠΏΠΎΠ²ΠΎΡΠΎΡΠ½ΡΠ΅ ΡΡΡΡΠΎΠΉΡΡΠ²Π°
- Π Π°Π΄Π°ΡΡ ΠΈ ΡΠΈΡΡΠ΅ΠΌΡ ΡΠ²ΡΠ·ΠΈ
- ΠΡΠΎΠΌΡΡΠ»Π΅Π½Π½ΠΎΠ΅ ΠΎΠ±ΠΎΡΡΠ΄ΠΎΠ²Π°Π½ΠΈΠ΅
ΠΠΎΠ΄Π΅Π»ΠΈΡΡΡΡ:
ΠΠ΅Π»ΡΠ·Ρ Π΄ΠΎΠ±Π°Π²ΠΈΡΡ ΡΠΎΠ²Π°Ρ ΠΊ ΡΡΠ°Π²Π½Π΅Π½ΠΈΡ.
ΠΡ ΡΠΆΠ΅ Π΄ΠΎΠ±Π°Π²ΠΈΠ»ΠΈ ΠΊ ΡΡΠ°Π²Π½Π΅Π½ΠΈΡ ΡΠΎΠ²Π°Ρ ΠΈΠ· ΠΊΠ°ΡΠ΅Π³ΠΎΡΠΈΠΈ Β« XXXΒ». ΠΡΠΈΡΡΠΈΡΠ΅ ΡΠΏΠΈΡΠΎΠΊ ΡΡΠ°Π²Π½Π΅Π½ΠΈΡ ΠΈ ΠΏΠΎΠΏΡΠΎΠ±ΡΠΉΡΠ΅ Π΅ΡΡ ΡΠ°Π·.Π’ΠΎΠ²Π°Ρ ΡΡΠΏΠ΅ΡΠ½ΠΎ Π΄ΠΎΠ±Π°Π²Π»Π΅Π½ Π² ΠΊΠΎΡΠ·ΠΈΠ½Ρ
Π§ΡΠΎ ΡΠ°ΠΊΠΎΠ΅ ΠΌΠΎΠΌΠ΅Π½ΡΠ½ΡΠΉ Π΄Π²ΠΈΠ³Π°ΡΠ΅Π»Ρ? ΠΠΠΠΠ‘Π
ΠΠ°ΠΊ ΠΈΠ·ΠΌΠ΅Π½ΠΈΠ»ΠΈΡΡ ΡΠ»Π΅ΠΊΡΡΠΎΠ΄Π²ΠΈΠ³Π°ΡΠ΅Π»ΠΈ? ΠΠ°ΠΊΠΈΠ΅ ΠΈΠ½Π½ΠΎΠ²Π°ΡΠΈΠΈ Π±ΡΠ»ΠΈ ΡΠ΄Π΅Π»Π°Π½Ρ?Β
Π§ΡΠΎ ΡΠ°ΠΊΠΎΠ΅ ΠΌΠΎΠΌΠ΅Π½ΡΠ½ΡΠΉ Π΄Π²ΠΈΠ³Π°ΡΠ΅Π»Ρ?
ΠΠ»Π΅ΠΊΡΡΠΎΠ΄Π²ΠΈΠ³Π°ΡΠ΅Π»ΠΈ Π²ΡΠ°ΡΠ΅Π½ΠΈΡ ΡΡΡΠ΅ΡΡΠ²ΡΡΡ ΡΠΆΠ΅ ΠΌΠ½ΠΎΠ³ΠΎ Π»Π΅Ρ, Π½ΠΎ Ρ ΡΠ΅Ρ ΠΏΠΎΡ ΠΌΠ½ΠΎΠ³ΠΎΠ΅ ΠΈΠ·ΠΌΠ΅Π½ΠΈΠ»ΠΎΡΡ. ΠΠ°ΠΊ ΠΈΠ·ΠΌΠ΅Π½ΠΈΠ»ΠΈΡΡ ΡΠ»Π΅ΠΊΡΡΠΎΠ΄Π²ΠΈΠ³Π°ΡΠ΅Π»ΠΈ? ΠΠ°ΠΊΠΈΠ΅ ΠΈΠ½Π½ΠΎΠ²Π°ΡΠΈΠΈ Π±ΡΠ»ΠΈ ΡΠ΄Π΅Π»Π°Π½Ρ?
Π Π°Π·ΡΠ°Π±ΠΎΡΡΠΈΠΊΠΈΒ ΠΌΠΎΠΌΠ΅Π½ΡΠ½ΡΡ Π΄Π²ΠΈΠ³Π°ΡΠ΅Π»Π΅ΠΉΒ ΡΡΠ»ΠΈ Π²ΡΡΒ ΠΏΠΎΠ»ΡΠ·Ρ ΠΈ Π½Π°ΠΊΠΎΠΏΠ»Π΅Π½Π½ΡΠΉ ΠΎΠΏΡΡΒ ΠΈΡΠΏΠΎΠ»ΡΠ·ΠΎΠ²Π°Π½ΠΈΡΒ Π»ΠΈΠ½Π΅ΠΉΠ½ΡΡ Β Π΄Π²ΠΈΠ³Π°ΡΠ΅Π»Π΅ΠΉ.
Β ΠΡΠΏΠΎΠ»ΡΠ·ΡΡ Π±Π΅ΡΡΠ΅ΡΠΎΡΠ½ΡΡ ΡΡΠ΅Ρ ΡΠ°Π·Π½ΡΡ ΠΊΠΎΠ½ΡΡΡΡΠΊΡΠΈΡ, ΠΎΠ½ΠΈ ΠΌΠΎΠ³ΡΡ ΠΎΠ±Π΅ΡΠΏΠ΅ΡΠΈΡΡ Π΅ΡΠ΅ Π±ΠΎΠ»ΡΡΡΡ ΡΡΡΠ΅ΠΊΡΠΈΠ²Π½ΠΎΡΡΡ ΠΈ ΠΌΠΎΡΠ½ΠΎΡΡΡ, ΠΎΡΠΎΠ±Π΅Π½Π½ΠΎ ΠΏΡΠΈ Π½ΠΈΠ·ΠΊΠΈΡ ΠΎΠ±ΠΎΡΠΎΡΠ°Ρ . ΠΡΠΈ ΡΡΠΎΠΌ ΠΌΠΈΠ½ΠΈΠΌΠΈΠ·ΠΈΡΡΡΡΡΡ ΡΡΠ΅Π±ΠΎΠ²Π°Π½ΠΈΡ ΠΊ ΠΎΠ±ΡΠ»ΡΠΆΠΈΠ²Π°Π½ΠΈΡ.
Β ΠΠΎΠΌΠ΅Π½ΡΠ½ΡΠ΅ Π΄Π²ΠΈΠ³Π°ΡΠ΅Π»ΠΈ ΠΏΡΠ΅Π²ΠΎΡΡ ΠΎΠ΄Π½Ρ Π΄Π»Ρ Π±Π΅Π·ΡΠ΅Π΄ΡΠΊΡΠΎΡΠ½ΡΡ ΠΏΡΠΈΠΌΠ΅Π½Π΅Π½ΠΈΠΉ.Β
ΠΠ΅Ρ Π½Π΅ΠΎΠ±Ρ
ΠΎΠ΄ΠΈΠΌΠΎΡΡΠΈ Π² ΠΌΠ΅Ρ
Π°Π½ΠΈΡΠ΅ΡΠΊΠΈΡ
ΡΠ»Π΅ΠΌΠ΅Π½ΡΠ°Ρ
.
ΠΠ²ΠΈΠΆΡΡΠΈΠΉΡΡ ΡΠΎΡΠΎΡ ΠΌΠΎΠΌΠ΅Π½ΡΠ½ΠΎΠ³ΠΎ Π΄Π²ΠΈΠ³Π°ΡΠ΅Π»Ρ ΠΏΡΠΈΠΊΠ»Π΅Π΅Π½ ΠΈΠ»ΠΈ Π·Π°ΠΆΠ°Ρ Π½Π΅ΠΏΠΎΡΡΠ΅Π΄ΡΡΠ²Π΅Π½Π½ΠΎ Π½Π° Π²Π΅Π΄ΠΎΠΌΠΎΠΉ Π΄Π΅ΡΠ°Π»ΠΈ. ΠΠΎ Π²ΡΠ΅ΠΌ Π΄ΠΈΠ°ΠΏΠ°Π·ΠΎΠ½Π΅ ΠΎΠ±ΠΎΡΠΎΡΠΎΠ² — Π²ΡΡΠΎΠΊΠΈΠΉ Π½Π΅ΠΏΡΠ΅ΡΡΠ²Π½ΡΠΉ ΠΊΡΡΡΡΡΠΈΠΉ ΠΌΠΎΠΌΠ΅Π½Ρ.
ΠΠ΅ΠΎΠ±Ρ ΠΎΠ΄ΠΈΠΌΡΠΉ ΠΊΡΡΡΡΡΠΈΠΉ ΠΌΠΎΠΌΠ΅Π½Ρ ΠΈ Π΄ΠΎΡΡΡΠΏΠ½ΠΎΠ΅ ΠΏΡΠΎΡΡΡΠ°Π½ΡΡΠ²ΠΎ ΠΏΠΎΠΌΠΎΠ³Π°ΡΡ ΠΎΠΏΡΠ΅Π΄Π΅Π»ΠΈΡΡ Π΄ΠΈΠ°ΠΌΠ΅ΡΡ ΠΈ ΡΠΈΡΠΈΠ½Ρ Π΄Π²ΠΈΠ³Π°ΡΠ΅Π»Ρ. ΠΠ²ΠΈΠ³Π°ΡΠ΅Π»ΠΈ ΠΌΠΎΠ³ΡΡ Π±ΡΡΡ ΠΎΡΠ΅Π½Ρ ΡΠΎΠ½ΠΊΠΈΠΌΠΈ, Π½ΠΎ Π±ΠΎΠ»ΡΡΠΎΠ³ΠΎ Π΄ΠΈΠ°ΠΌΠ΅ΡΡΠ° (Π±ΠΎΠ»ΡΡΠΈΠ΅ ΠΎΡΠΈ ΠΈ ΠΏΠΎΠ²ΠΎΡΠΎΡΠ½ΡΠ΅ ΡΡΠΎΠ»Ρ) ΠΈΠ»ΠΈ ΠΈΠΌΠ΅ΡΡ Β«Π²ΡΡΠΎΡΡΒ», Π±Π»ΠΈΠ·ΠΊΡΡ ΠΊ ΠΈΡ Π΄ΠΈΠ°ΠΌΠ΅ΡΡΡ, Π² ΡΠ΅Π·ΡΠ»ΡΡΠ°ΡΠ΅ ΡΠ΅Π³ΠΎ ΠΏΠΎΠ»ΡΡΠ°Π΅ΡΡΡ ΠΊΠΎΠΌΠΏΠ°ΠΊΡΠ½ΡΠΉ Π΄Π²ΠΈΠ³Π°ΡΠ΅Π»Ρ, Π½ΠΎ Ρ Π²ΡΡΠΎΠΊΠΈΠΌ ΠΊΡΡΡΡΡΠΈΠΌ ΠΌΠΎΠΌΠ΅Π½ΡΠΎΠΌ.
ΠΠ²ΠΈΠ³Π°ΡΠ΅Π»ΠΈ QTR-A-78-60 ΠΈ QTR-A-160-17.
ΠΠ²Π° ΡΠ°Π·Π½ΡΡ
ΠΈΡΠΏΠΎΠ»Π½Π΅Π½ΠΈΡ Π΄Π²ΠΈΠ³Π°ΡΠ΅Π»Ρ Ρ ΠΊΡΡΡΡΡΠΈΠΌ ΠΌΠΎΠΌΠ΅Π½ΡΠΎΠΌ Π±ΠΎΠ»Π΅Π΅ 4 ΠΠΌ.
ΠΡΠΎΠ±Π΅Π½Π½ΠΎΡΡΠΈ:
ΠΡΠ΅ ΠΌΠΎΠΌΠ΅Π½ΡΠ½ΡΠ΅ Π΄Π²ΠΈΠ³Π°ΡΠ΅Π»ΠΈ, Π±ΠΎΠ»ΡΡΠΈΠ΅ ΠΈΠ»ΠΈ ΠΌΠ°Π»Π΅Π½ΡΠΊΠΈΠ΅, ΠΈΠΌΠ΅ΡΡ ΠΎΠ΄ΠΈΠ½Π°ΠΊΠΎΠ²ΡΡ ΠΊΠΎΠ½ΡΡΡΡΠΊΡΠΈΡ.Β
ΠΠ°ΠΆΠ½ΡΠΌΠΈ Ρ Π°ΡΠ°ΠΊΡΠ΅ΡΠΈΡΡΠΈΠΊΠ°ΠΌΠΈ ΠΌΠΎΠΌΠ΅Π½ΡΠ½ΠΎΠ³ΠΎ Π΄Π²ΠΈΠ³Π°ΡΠ΅Π»Ρ ΡΠ²Π»ΡΡΡΡΡ:
-
3-ΡΠ°Π·Π½ΡΠΉ ΡΠΈΠ½Ρ ΡΠΎΠ½Π½ΡΠΉ
-
Π±Π΅ΡΡΡΡΠΎΡΠ½ΠΎΠ΅ ΠΈΡΠΏΠΎΠ»Π½Π΅Π½ΠΈΠ΅
-
Π½Π΅ ΡΡΠ΅Π±ΡΠ΅ΡΡΡ ΠΎΠ±ΡΠ»ΡΠΆΠΈΠ²Π°Π½ΠΈΠ΅
-
ΡΠΎΡΠΎΡ Ρ ΠΏΠΎΡΡΠΎΡΠ½Π½ΡΠΌ ΠΌΠ°Π³Π½ΠΈΡΠΎΠΌ (4+ ΠΏΠΎΠ»ΡΡΠ°)
-
ΠΏΡΡΠΌΠΎΠΉ ΠΏΡΠΈΠ²ΠΎΠ΄
-
ΠΎΡΡΡΡΡΡΠ²ΠΈΠ΅ Π·ΡΠ±ΡΠΎΠ²ΠΎΠ³ΠΎ ΡΡΡΠ΅ΠΊΡΠ°
-
Π²ΡΡΠΎΠΊΠΈΠΉ ΡΡΠΎΠ²Π΅Π½Ρ ΠΊΠΎΠ½ΡΡΠΎΠ»Ρ
-
Π½ΠΈΠ·ΠΊΠ°Ρ ΠΌΠ°ΡΡΠ°
Β Β ΠΡΡΠΎΠΊΠΈΠΉΒ ΠΊΡΡΡΡΡΠΈΠΉΡΡΒ ΠΌΠΎΠΌΠ΅Π½ΡΒ ΠΈ ΠΎΡΡΡΡΡΡΠ²ΠΈΠ΅Β ΠΏΠΎΡΠ΅ΡΡ ΠΈΠ·-Π·Π° ΠΈΠ½Π΅ΡΡΠΈΠΈ Π΄Π΅Π»Π°ΡΡ ΠΌΠΎΠΌΠ΅Π½ΡΠ½ΡΠ΅ Π΄Π²ΠΈΠ³Π°ΡΠ΅Π»ΠΈ Π»ΡΡΡΠΈΠΌ ΡΠ΅ΡΠ΅Π½ΠΈΠ΅ΠΌ ΠΏΡΡΠΌΠΎΠ³ΠΎ ΠΏΡΠΈΠ²ΠΎΠ΄Π°, ΠΊΠΎΡΠΎΡΠΎΠ΅Β Π½Π΅ ΡΡΠ΅Π±ΡΠ΅ΡΒ ΡΡΡΠ°Π½ΠΎΠ²ΠΊΠΈ ΡΠ΅Π΄ΡΠΊΡΠΎΡΠΎΠ² ΠΈΠ»ΠΈ Π΄ΡΡΠ³ΠΈΡ
ΡΡΡΡΠΎΠΉΡΡΠ² ΠΏΠ΅ΡΠ΅Π΄Π°ΡΠΈ ΠΌΠΎΠΌΠ΅Π½ΡΠ°.
Π ΠΎΡΠΎΡ ΠΌΠΎΠΌΠ΅Π½ΡΠ½ΠΎΠ³ΠΎ Π΄Π²ΠΈΠ³Π°ΡΠ΅Π»Ρ ΠΌΠΎΠΆΠ΅Ρ Π±ΡΡΡ Π½Π΅ΠΏΠΎΡΡΠ΅Π΄ΡΡΠ²Π΅Π½Π½ΠΎ ΡΡΡΠ°Π½ΠΎΠ²Π»Π΅Π½ Π½Π° ΠΎΡΡ. Π‘ΠΊΠ²ΠΎΠ·Ρ ΠΏΠΎΠ»ΡΠΉ Π²Π°Π» ΠΌΠΎΠ³ΡΡ ΠΏΡΠΎΡ ΠΎΠ΄ΠΈΡΡ ΠΊΠ°Π±Π΅Π»ΡΠ½ΡΠ΅ ΠΈΠ·Π΄Π΅Π»ΠΈΡ ΠΈΠ»ΠΈ ΠΌΠΎΠΆΠ΅Ρ Π±ΡΡΡ ΡΡΡΠ°Π½ΠΎΠ²Π»Π΅Π½ΠΎ ΠΡΠ°ΡΠ°ΡΡΠ΅Π΅ΡΡ ΠΠΎΠ½ΡΠ°ΠΊΡΠ½ΠΎΠ΅ Π£ΡΡΡΠΎΠΉΡΡΠ²ΠΎ (ΠΠΠ£), ΡΡΠΎ ΠΏΠΎΠ·Π²ΠΎΠ»ΡΠ΅Ρ ΠΏΠΎΠ»Π½ΠΎΡΡΡΡ ΡΠ±ΡΠ°ΡΡΒ ΠΎΠ³ΡΠ°Π½ΠΈΡΠ΅Π½ΠΈΡ ΠΏΠΎ ΡΠ³Π»Ρ Π²ΡΠ°ΡΠ΅Π½ΠΈΡ.
Β Π Π½Π°ΡΠ΅ΠΌ ΠΊΠ°ΡΠ°Π»ΠΎΠ³Π΅ ΠΏΡΠ΅Π΄ΡΡΠ°Π²Π»Π΅Π½Ρ ΠΌΠΎΠΌΠ΅Π½ΡΠ½ΡΠ΅ Π΄Π²ΠΈΠ³Π°ΡΠ΅Π»ΠΈ ΡΠΎ ΡΠ»Π΅Π΄ΡΡΡΠΈΠΌΠΈ Π΄ΠΈΠ°ΠΏΠ°Π·ΠΎΠ½Π°ΠΌΠΈ ΠΏΠ°ΡΠ°ΠΌΠ΅ΡΡΠΎΠ²:
-
Π²Π½Π΅ΡΠ½ΠΈΠΉ Π΄ΠΈΠ°ΠΌΠ΅ΡΡ ΠΎΡ 13 ΠΌΠΌ Π΄ΠΎ 310 ΠΌΠΌ
-
ΠΊΡΡΡΡΡΠΈΠΉ ΠΌΠΎΠΌΠ΅Π½Ρ ΠΎΡ 0,01 ΠΠΌ Π΄ΠΎ 778 ΠΠΌ
-
ΡΠΊΠΎΡΠΎΡΡΡ Π²ΡΠ°ΡΠ΅Π½ΠΈΡ Π΄ΠΎ 87500 ΠΎΠ±/ΠΌΠΈΠ½
- ΠΈΡΠΏΠΎΠ»Π½Π΅Π½ΠΈΡ Ρ Π΅ΡΡΠ΅ΡΡΠ²Π΅Π½Π½ΡΠΌ ΠΈ ΠΆΠΈΠ΄ΠΊΠΎΡΡΠ½ΡΠΌ ΠΎΡ Π»Π°ΠΆΠ΄Π΅Π½ΠΈΠ΅ΠΌ
Β ΠΠΎΠΌΠ΅Π½ΡΠ½ΡΠ΅ Π΄Π²ΠΈΠ³Π°ΡΠ΅Π»ΠΈ ΠΈΡΠΏΠΎΠ»ΡΠ·ΡΡΡΡΡ Π² ΡΠΈΡΠΎΠΊΠΎΠΌ ΡΠΏΠ΅ΠΊΡΡΠ΅ ΠΏΡΠΎΠ΄ΡΠΊΡΠΎΠ². ΠΡ ΠΏΠΎΠ²ΠΎΡΠΎΡΠ½ΡΡ ΡΡΠΎΠ»ΠΎΠ² Π΄ΠΎ ΡΠΎΠ±ΠΎΡΠΈΠ·ΠΈΡΠΎΠ²Π°Π½Π½ΡΡ ΡΡΠΊ.Β
Π£ Π²Π°Ρ Π΅ΡΡΡ ΠΏΡΠΈΠ»ΠΎΠΆΠ΅Π½ΠΈΠ΅, ΠΊΠΎΡΠΎΡΠΎΠ΅ ΠΌΠΎΠΆΠ΅Ρ ΠΈΠ·Π²Π»Π΅ΡΡ Π²ΡΠ³ΠΎΠ΄Ρ ΠΈΠ· ΠΌΠΎΠΌΠ΅Π½ΡΠ½ΡΡ Π΄Π²ΠΈΠ³Π°ΡΠ΅Π»Π΅ΠΉ?
Π‘Π²ΡΠΆΠΈΡΠ΅ΡΡ Ρ Π½Π°ΡΠ΅ΠΉ ΠΊΠΎΠΌΠ°Π½Π΄ΠΎΠΉ Π΄Π»Ρ ΠΏΠΎΠ»ΡΡΠ΅Π½ΠΈΡ Π΄ΠΎΠΏΠΎΠ»Π½ΠΈΡΠ΅Π»ΡΠ½ΠΎΠΉ ΠΈΠ½ΡΠΎΡΠΌΠ°ΡΠΈΠΈ
ΠΏΠΎ ΡΠ΅Π»Π΅ΡΠΎΠ½Ρ +7 (812) 628-00-18, ΠΎΡΡΠ°Π²ΠΈΠ² ΡΠΎΠΎΠ±ΡΠ΅Π½ΠΈΠ΅ Π² ΡΠΎΡΠΌΠ΅ ΠΎΠ±ΡΠ°ΡΠ½ΠΎΠΉ ΡΠ²ΡΠ·ΠΈ,
ΠΈΠ»ΠΈ ΠΎΡΠΏΡΠ°Π²ΠΈΠ² Π²Π°ΡΠΈ Π²ΠΎΠΏΡΠΎΡΡ Π½Π° sales@inelso.
ru
ΠΠΎΠ΄ΡΠΎΠ±Π½Π΅Π΅ Π°ΡΡΠΎΡΡΠΈΠΌΠ΅Π½Ρ ΠΌΠΎΠΌΠ΅Π½ΡΠ½ΡΡ Π΄Π²ΠΈΠ³Π°ΡΠ΅Π»Π΅ΠΉ ΡΠΌΠΎΡΡΠΈΡΠ΅ Π² Π½Π°ΡΠ΅ΠΌ ΠΊΠ°ΡΠ°Π»ΠΎΠ³Π΅ ΡΠΎΠ²Π°ΡΠΎΠ².
ΠΠ²ΠΈΠ³Π°ΡΠ΅Π»Ρ Ρ Π²ΡΡΠΎΠΊΠΈΠΌ ΠΊΡΡΡΡΡΠΈΠΌ ΠΌΠΎΠΌΠ΅Π½ΡΠΎΠΌ, ΠΊΠ°ΠΊ ΠΎΠ½ ΡΠ°Π±ΠΎΡΠ°Π΅Ρ? β ΠΠ°Π³Π½ΠΈΡΠ½ΡΠ΅ ΠΈΠ½Π½ΠΎΠ²Π°ΡΠΈΠΈ
ΠΠΎΠΌΠ΅Π½ΡΠ½ΡΠ΅ Π΄Π²ΠΈΠ³Π°ΡΠ΅Π»ΠΈ ΠΎΠ±ΡΡΠ½ΠΎ ΠΏΡΠ΅Π΄ΡΡΠ°Π²Π»ΡΡΡ ΡΠΎΠ±ΠΎΠΉ Π΄Π²ΠΈΠ³Π°ΡΠ΅Π»ΠΈ Ρ ΠΏΠΎΡΡΠΎΡΠ½Π½ΡΠΌ ΠΌΠ°Π³Π½ΠΈΡΠΎΠΌ. ΠΠ²ΠΈΠ³Π°ΡΠ΅Π»Ρ Ρ Π²ΡΡΠΎΠΊΠΈΠΌ ΠΊΡΡΡΡΡΠΈΠΌ ΠΌΠΎΠΌΠ΅Π½ΡΠΎΠΌ ΠΈΠΌΠ΅Π΅Ρ ΡΠΎΡΠΎΠΈΠ΄Π°Π»ΡΠ½ΡΡ ΡΠΎΡΠΌΡ, ΠΏΠΎΡ ΠΎΠΆΡΡ Π½Π° Π±ΡΠ±Π»ΠΈΠΊ, ΠΏΠΎΡΡΠΎΠΌΡ ΠΈΠΌΠ΅Π΅Ρ Π±ΠΎΠ»ΡΡΠΎΠΉ Π΄ΠΈΠ°ΠΌΠ΅ΡΡ ΠΈ ΠΊΠΎΡΠΎΡΠΊΡΡ ΠΎΡΡ. ΠΡΠΈ Π΄Π²ΠΈΠ³Π°ΡΠ΅Π»ΠΈ ΠΌΠΎΠ³ΡΡ Π½Π°ΠΏΡΡΠΌΡΡ ΡΠΏΡΠ°Π²Π»ΡΡΡ ΠΏΡΠΈΠ»ΠΎΠΆΠ΅Π½ΠΈΠ΅ΠΌ Π±Π΅Π· Π΄ΠΎΠΏΠΎΠ»Π½ΠΈΡΠ΅Π»ΡΠ½ΡΡ ΠΌΠ΅Ρ Π°Π½ΠΈΠ·ΠΌΠΎΠ², ΡΠ°ΠΊΠΈΡ ΠΊΠ°ΠΊ ΡΠ΅ΡΠ²ΡΡΠ½ΡΠ΅ ΠΊΠΎΠ»Π΅ΡΠ°, ΡΠ΅ΠΌΠ½ΠΈ ΠΈΠ»ΠΈ ΡΠΊΠΈΠ²Ρ.
ΠΠ²ΠΈΠ³Π°ΡΠ΅Π»ΠΈ Ρ Π²ΡΡΠΎΠΊΠΈΠΌ ΠΊΡΡΡΡΡΠΈΠΌ ΠΌΠΎΠΌΠ΅Π½ΡΠΎΠΌ ΠΌΠΎΠ³ΡΡ Π±ΡΡΡ ΠΎΡΠ½Π°ΡΠ΅Π½Ρ ΠΌΠ΅Ρ
Π°Π½ΠΈΠ·ΠΌΠΎΠΌ ΡΠΏΡΠ°Π²Π»Π΅Π½ΠΈΡ Ρ ΠΎΠ±ΡΠ°ΡΠ½ΠΎΠΉ ΡΠ²ΡΠ·ΡΡ, ΠΊΠ°ΠΊ ΠΈ ΠΎΠ±ΡΡΠ½ΡΠ΅ ΡΠ΅ΡΠ²ΠΎΠ΄Π²ΠΈΠ³Π°ΡΠ΅Π»ΠΈ, Π½ΠΎ ΠΊΠΎΠ½ΡΠ΅ΠΏΡΠΈΡ ΠΈ ΡΠΎΡΠΌΠ° ΠΎΡΠ»ΠΈΡΠ°ΡΡΡΡ. ΠΠ·-Π·Π° ΡΠΎΡΠΌΡ ΠΌΠΎΠΌΠ΅Π½ΡΠ½ΡΠΉ Π΄Π²ΠΈΠ³Π°ΡΠ΅Π»Ρ ΡΠΎΠ·Π΄Π°Π΅Ρ Π±ΠΎΠ»ΡΡΠΎΠΉ ΠΊΡΡΡΡΡΠΈΠΉ ΠΌΠΎΠΌΠ΅Π½Ρ, Π½ΠΎ Π΅Π³ΠΎ ΡΠΈΡΠ»ΠΎ ΠΎΠ±ΠΎΡΠΎΡΠΎΠ² ΠΎΠ³ΡΠ°Π½ΠΈΡΠ΅Π½ΠΎ. Π‘ Π΄ΡΡΠ³ΠΎΠΉ ΡΡΠΎΡΠΎΠ½Ρ, ΠΎΠ±ΡΡΠ½ΡΠΉ ΡΠ΅ΡΠ²ΠΎΠ΄Π²ΠΈΠ³Π°ΡΠ΅Π»Ρ ΠΌΠΎΠΆΠ΅Ρ ΡΠ°Π·Π²ΠΈΠ²Π°ΡΡ Π³ΠΎΡΠ°Π·Π΄ΠΎ Π±ΠΎΠ»Π΅Π΅ Π²ΡΡΠΎΠΊΠΈΠ΅ ΠΎΠ±ΠΎΡΠΎΡΡ, Π½ΠΎ Π³Π΅Π½Π΅ΡΠΈΡΡΠ΅Ρ Π³ΠΎΡΠ°Π·Π΄ΠΎ ΠΌΠ΅Π½ΡΡΠΈΠΉ ΠΊΡΡΡΡΡΠΈΠΉ ΠΌΠΎΠΌΠ΅Π½Ρ. ΠΠΎΡΡΠΎΠΌΡ ΠΎΠ½ ΡΠ°ΡΡΠΎ ΠΎΡΠ½Π°ΡΠ°Π΅ΡΡΡ ΠΊΠΎΡΠΎΠ±ΠΊΠΎΠΉ ΠΏΠ΅ΡΠ΅Π΄Π°Ρ Π΄Π»Ρ Π΄ΠΎΡΡΠΈΠΆΠ΅Π½ΠΈΡ ΠΆΠ΅Π»Π°Π΅ΠΌΠΎΠ³ΠΎ ΠΎΡΠ½ΠΎΡΠ΅Π½ΠΈΡ ΡΠΊΠΎΡΠΎΡΡΠΈ ΠΊ ΠΊΡΡΡΡΡΠ΅ΠΌΡ ΠΌΠΎΠΌΠ΅Π½ΡΡ, Π½ΠΎ ΡΡΠ° ΠΏΠ΅ΡΠ΅Π΄Π°ΡΠ° ΡΠ½ΠΈΠΆΠ°Π΅Ρ ΡΡΡΠ΅ΠΊΡΠΈΠ²Π½ΠΎΡΡΡ ΠΈ ΡΠΎΡΠ½ΠΎΡΡΡ.
Π’Π΅Ρ Π½ΠΎΠ»ΠΎΠ³ΠΈΡ ΠΏΡΡΠΌΠΎΠ³ΠΎ ΠΏΡΠΈΠ²ΠΎΠ΄Π°
Π ΠΌΠΎΠΌΠ΅Π½ΡΠ½ΡΡ Π΄Π²ΠΈΠ³Π°ΡΠ΅Π»ΡΡ Ρ ΠΏΡΡΠΌΡΠΌ ΠΏΡΠΈΠ²ΠΎΠ΄ΠΎΠΌ Π΄Π²ΠΈΠ³Π°ΡΠ΅Π»Ρ Π½Π°ΠΏΡΡΠΌΡΡ ΠΏΡΠΈΠ²ΠΎΠ΄ΠΈΡ Π² Π΄Π²ΠΈΠΆΠ΅Π½ΠΈΠ΅ Π½Π°Π³ΡΡΠ·ΠΊΡ, ΡΡΠΎ ΠΈΡΠΊΠ»ΡΡΠ°Π΅Ρ ΠΈΡΠΏΠΎΠ»ΡΠ·ΠΎΠ²Π°Π½ΠΈΠ΅ ΡΡΠ°Π½ΡΠΌΠΈΡΡΠΈΠΈ ΠΈΠ»ΠΈ ΡΠ΅Π΄ΡΠΊΡΠΎΡΠ°. Π ΡΠ΅Π·ΡΠ»ΡΡΠ°ΡΠ΅ ΠΊΠΎΠ»ΠΈΡΠ΅ΡΡΠ²ΠΎ Π΄Π²ΠΈΠΆΡΡΠΈΡ ΡΡ ΡΠ°ΡΡΠ΅ΠΉ Π² ΡΠΈΡΡΠ΅ΠΌΠ΅ Π·Π½Π°ΡΠΈΡΠ΅Π»ΡΠ½ΠΎ ΡΠ½ΠΈΠΆΠ°Π΅ΡΡΡ, ΡΡΠΎ Π·Π½Π°ΡΠΈΡΠ΅Π»ΡΠ½ΠΎ ΠΏΠΎΠ²ΡΡΠ°Π΅Ρ ΡΡΡΠ΅ΠΊΡΠΈΠ²Π½ΠΎΡΡΡ ΠΈ ΠΎΠ±Π΅ΡΠΏΠ΅ΡΠΈΠ²Π°Π΅Ρ Π±Π΅ΡΡΡΠΌΠ½ΡΡ ΠΈ Π΄ΠΈΠ½Π°ΠΌΠΈΡΠ½ΡΡ ΡΠ°Π±ΠΎΡΡ. Π’Π°ΠΊΠΈΠΌ ΠΎΠ±ΡΠ°Π·ΠΎΠΌ, ΡΠ΅Ρ Π½ΠΎΠ»ΠΎΠ³ΠΈΡ ΠΏΡΡΠΌΠΎΠ³ΠΎ ΠΏΡΠΈΠ²ΠΎΠ΄Π° ΠΎΠ±Π΅ΡΠΏΠ΅ΡΠΈΠ²Π°Π΅Ρ ΠΎΡΠ΅Π½Ρ Π²ΡΡΠΎΠΊΠΈΠΉ ΡΡΠΎΠΊ ΡΠ»ΡΠΆΠ±Ρ. ΠΠ²ΠΈΠ³Π°ΡΠ΅Π»ΠΈ Ρ ΠΏΡΡΠΌΡΠΌ ΠΏΡΠΈΠ²ΠΎΠ΄ΠΎΠΌ ΠΈΠ΄Π΅Π°Π»ΡΠ½ΠΎ ΠΏΠΎΠ΄Ρ ΠΎΠ΄ΡΡ Π΄Π»Ρ ΠΏΡΠΈΠ»ΠΎΠΆΠ΅Π½ΠΈΠΉ, Π³Π΄Π΅ ΡΡΠ΅Π±ΡΠ΅ΡΡΡ Π²ΡΡΠΎΠΊΠ°Ρ ΡΠΎΡΠ½ΠΎΡΡΡ ΠΏΠΎΠ·ΠΈΡΠΈΠΎΠ½ΠΈΡΠΎΠ²Π°Π½ΠΈΡ, Π° ΡΠ°ΠΊΠΆΠ΅ Π½Π΅Π±ΠΎΠ»ΡΡΠΈΠ΅ ΡΠ°Π·ΠΌΠ΅ΡΡ, ΠΌΠ°Π»ΡΠΉ Π²Π΅Ρ, ΠΌΠΈΠ½ΠΈΠΌΠ°Π»ΡΠ½Π°Ρ ΠΌΠΎΡΠ½ΠΎΡΡΡ ΠΈ ΠΎΠΏΡΠΈΠΌΠ°Π»ΡΠ½ΠΎΠ΅ ΡΠΏΡΠ°Π²Π»Π΅Π½ΠΈΠ΅ ΡΠΊΠΎΡΠΎΡΡΡΡ.
ΠΡΠ΅Π΄ΡΠ΄ΡΡΠΈΠΉ
ΠΠ°Π»Π΅Π΅
ΠΠΎ ΡΡΠ°Π²Π½Π΅Π½ΠΈΡ Ρ ΡΠ΅ΡΠΎΡΠ½ΡΠΌΠΈ Π΄Π²ΠΈΠ³Π°ΡΠ΅Π»ΡΠΌΠΈ ΠΎΡΡΡΡΡΡΠ²ΠΈΠ΅ ΡΠ΅ΡΠΎΠΊ Π² Π΄Π²ΠΈΠ³Π°ΡΠ΅Π»ΡΡ
Ρ ΠΏΡΡΠΌΡΠΌ ΠΏΡΠΈΠ²ΠΎΠ΄ΠΎΠΌ ΠΈΡΠΊΠ»ΡΡΠ°Π΅Ρ ΠΌΠ΅Ρ
Π°Π½ΠΈΡΠ΅ΡΠΊΠΈΠΉ ΠΈΠ·Π½ΠΎΡ. ΠΠ°Π³ΡΡΠ·ΠΊΠ° ΠΏΡΠΈΠ²ΠΎΠ΄ΠΈΡΡΡ Π² Π΄Π²ΠΈΠΆΠ΅Π½ΠΈΠ΅ Π½Π΅ΠΏΠΎΡΡΠ΅Π΄ΡΡΠ²Π΅Π½Π½ΠΎ Π΄Π²ΠΈΠ³Π°ΡΠ΅Π»Π΅ΠΌ. ΠΠ΅Ρ Π½Π΅ΠΎΠ±Ρ
ΠΎΠ΄ΠΈΠΌΠΎΡΡΠΈ Π² ΡΠ΅Π΄ΡΠΊΡΠΎΡΠ°Ρ
, ΡΠ΅ΡΠ²ΡΡΠ½ΡΡ
ΠΏΠ΅ΡΠ΅Π΄Π°ΡΠ°Ρ
ΠΈΠ»ΠΈ Π΄ΡΡΠ³ΠΈΡ
ΡΡΠ°Π½ΡΠΌΠΈΡΡΠΈΡΡ
. ΠΡΠΎ ΡΠΌΠ΅Π½ΡΡΠ°Π΅Ρ ΠΊΠΎΠ»ΠΈΡΠ΅ΡΡΠ²ΠΎ Π΄Π²ΠΈΠΆΡΡΠΈΡ
ΡΡ ΡΠ°ΡΡΠ΅ΠΉ Π² ΡΠΈΡΡΠ΅ΠΌΠ΅, ΡΡΠΎ ΠΏΡΠΈΠ²ΠΎΠ΄ΠΈΡ ΠΊ ΡΠ²Π΅Π»ΠΈΡΠ΅Π½ΠΈΡ ΡΡΠΎΠΊΠ° ΡΠ»ΡΠΆΠ±Ρ ΠΈ Π½Π°Π΄Π΅ΠΆΠ½ΠΎΡΡΠΈ, Π° ΡΠ°ΠΊΠΆΠ΅ ΡΠ½ΠΈΠΆΠ΅Π½ΠΈΡ ΠΎΠ±ΡΠΈΡ
Π·Π°ΡΡΠ°Ρ Π½Π° ΡΠΈΡΡΠ΅ΠΌΡ.
Π’Π°ΠΊΠΈΠΌ ΠΎΠ±ΡΠ°Π·ΠΎΠΌ, ΠΌΠΎΠΌΠ΅Π½ΡΠ½ΡΠ΅ Π΄Π²ΠΈΠ³Π°ΡΠ΅Π»ΠΈ Ρ ΠΏΡΡΠΌΡΠΌ ΠΏΡΠΈΠ²ΠΎΠ΄ΠΎΠΌ ΠΎΠ±Π΅ΡΠΏΠ΅ΡΠΈΠ²Π°ΡΡ ΠΎΠΏΡΠΈΠΌΠΈΠ·ΠΈΡΠΎΠ²Π°Π½Π½ΡΠ΅ ΠΏΠΎ ΡΡΠΎΠΈΠΌΠΎΡΡΠΈ ΡΠ΅ΡΠ΅Π½ΠΈΡ Π΄Π»Ρ Π²Π°ΡΠΈΡ
ΠΏΡΠΈΠ»ΠΎΠΆΠ΅Π½ΠΈΠΉ.
ΠΡΠ΅Π²ΠΎΠΉ ΠΏΠΎΡΠΎΠΊ ΠΏΠΎ ΡΡΠ°Π²Π½Π΅Π½ΠΈΡ Ρ Π΄Π²ΠΈΠ³Π°ΡΠ΅Π»Π΅ΠΌ Ρ ΡΠ°Π΄ΠΈΠ°Π»ΡΠ½ΡΠΌ ΠΏΠΎΡΠΎΠΊΠΎΠΌ
ΠΠ°Π·Π²Π°Π½ΠΈΠ΅ Β«ΡΠ°Π΄ΠΈΠ°Π»ΡΠ½ΡΠΉΒ» ΠΈΠ»ΠΈ Β«ΠΎΡΠ΅Π²ΠΎΠΉΒ» ΠΏΡΠΎΠΈΡΡ ΠΎΠ΄ΠΈΡ ΠΎΡ Π½Π°ΠΏΡΠ°Π²Π»Π΅Π½ΠΈΡ, Π² ΠΊΠΎΡΠΎΡΠΎΠΌ ΠΏΠΎΡΡΠΎΡΠ½Π½ΡΠ΅ ΠΌΠ°Π³Π½ΠΈΡΡ ΡΠΎΠ·Π΄Π°ΡΡ ΠΌΠ°Π³Π½ΠΈΡΠ½ΠΎΠ΅ ΠΏΠΎΠ»Π΅. ΠΠΎΠ³Π΄Π° ΠΏΠΎΡΠΎΠΊ Π½Π°ΠΊΠ»Π°Π΄ΡΠ²Π°Π΅ΡΡΡ Π² ΡΠ°Π΄ΠΈΠ°Π»ΡΠ½ΠΎΠΌ Π½Π°ΠΏΡΠ°Π²Π»Π΅Π½ΠΈΠΈ, Π΄Π²ΠΈΠ³Π°ΡΠ΅Π»Ρ Π½Π°Π·ΡΠ²Π°Π΅ΡΡΡ Π΄Π²ΠΈΠ³Π°ΡΠ΅Π»Π΅ΠΌ Ρ ΡΠ°Π΄ΠΈΠ°Π»ΡΠ½ΡΠΌ ΠΏΠΎΡΠΎΠΊΠΎΠΌ. ΠΠΎΠ³Π΄Π° ΠΏΠΎΡΠΎΠΊ Π½Π°ΠΊΠ»Π°Π΄ΡΠ²Π°Π΅ΡΡΡ Π² ΠΎΡΠ΅Π²ΠΎΠΌ Π½Π°ΠΏΡΠ°Π²Π»Π΅Π½ΠΈΠΈ, ΡΡΠΎ Π½Π°Π·ΡΠ²Π°Π΅ΡΡΡ Π΄Π²ΠΈΠ³Π°ΡΠ΅Π»Π΅ΠΌ Ρ ΠΎΡΠ΅Π²ΡΠΌ ΠΏΠΎΡΠΎΠΊΠΎΠΌ. Π Magnetic Innovations ΠΌΡ ΡΠ²Π΅ΡΠ΄ΠΎ Π²Π΅ΡΠΈΠΌ Π² ΡΠΎΠΏΠΎΠ»ΠΎΠ³ΠΈΡ Π΄Π²ΠΈΠ³Π°ΡΠ΅Π»Ρ Ρ ΡΠ°Π΄ΠΈΠ°Π»ΡΠ½ΡΠΌ ΠΏΠΎΡΠΎΠΊΠΎΠΌ ΠΈ Π²ΡΡΠΎΠΊΠΈΠΌ ΠΊΡΡΡΡΡΠΈΠΌ ΠΌΠΎΠΌΠ΅Π½ΡΠΎΠΌ.
ΠΠ²ΠΈΠ³Π°ΡΠ΅Π»Ρ Ρ ΠΏΠΎΡΡΠΎΡΠ½Π½ΡΠΌΠΈ ΠΌΠ°Π³Π½ΠΈΡΠ°ΠΌΠΈ Ρ ΡΠ°Π΄ΠΈΠ°Π»ΡΠ½ΡΠΌ ΠΌΠ°Π³Π½ΠΈΡΠ½ΡΠΌ ΠΏΠΎΡΠΎΠΊΠΎΠΌ ΠΎΡΠ»ΠΈΡΠ°Π΅ΡΡΡ Π³ΠΎΡΠ°Π·Π΄ΠΎ Π±ΠΎΠ»Π΅Π΅ ΠΏΡΠΎΡΡΠΎΠΉ ΠΊΠΎΠ½ΡΡΡΡΠΊΡΠΈΠ΅ΠΉ. ΠΡΠΎ ΠΎΠ·Π½Π°ΡΠ°Π΅Ρ Π±ΠΎΠ»Π΅Π΅ Π»Π΅Π³ΠΊΡΡ ΡΡΡΠ°Π½ΠΎΠ²ΠΊΡ ΠΈ ΡΠΊΠΎΠ½ΠΎΠΌΠΈΡ ΡΡΠ΅Π΄ΡΡΠ², ΠΊΠΎΠ³Π΄Π° ΡΠ΅ΡΡ ΠΈΠ΄Π΅Ρ ΠΎ ΠΌΠ΅Ρ
Π°Π½ΠΈΡΠ΅ΡΠΊΠΎΠΉ ΠΊΠΎΠ½ΡΡΡΡΠΊΡΠΈΠΈ. ΠΠ²ΠΈΠ³Π°ΡΠ΅Π»ΠΈ Ρ ΡΠ°Π΄ΠΈΠ°Π»ΡΠ½ΡΠΌ ΠΌΠ°Π³Π½ΠΈΡΠ½ΡΠΌ ΠΏΠΎΡΠΎΠΊΠΎΠΌ ΠΊΠΎΠΌΠΏΠ°Π½ΠΈΠΈ Magnetic Innovations ΠΈΡΠΏΠΎΠ»ΡΠ·ΡΡΡ ΡΠΎΠΏΠΎΠ»ΠΎΠ³ΠΈΡ Π²Π½Π΅ΡΠ½Π΅Π³ΠΎ ΡΠΎΡΠΎΡΠ° ΠΈ Π²ΠΊΠ»ΡΡΠ°ΡΡ ΡΡΠ΄ ΠΎΠΏΡΠΈΠΌΠΈΠ·Π°ΡΠΈΠΉ, ΠΏΠΎΠ²ΡΡΠ°ΡΡΠΈΡ
ΠΎΠ±ΡΡΡ ΡΡΡΠ΅ΠΊΡΠΈΠ²Π½ΠΎΡΡΡ
ΠΡΡΡ ΠΌΠ°Π³Π½ΠΈΡΠ½ΠΎΠ³ΠΎ ΠΏΠΎΡΠΎΠΊΠ° ΠΡΠ΅Π²ΠΎΠΉ ΠΈ Π΄Π²ΠΈΠ³Π°ΡΠ΅Π»Ρ Ρ ΡΠ°Π΄ΠΈΠ°Π»ΡΠ½ΡΠΌ ΠΏΠΎΡΠΎΠΊΠΎΠΌ
ΠΠ΅ΡΠΊΠΎΡΠΏΡΡΠ½ΡΠΉ Π΄Π²ΠΈΠ³Π°ΡΠ΅Π»Ρ Ρ Π²ΡΡΠΎΠΊΠΈΠΌ ΠΊΡΡΡΡΡΠΈΠΌ ΠΌΠΎΠΌΠ΅Π½ΡΠΎΠΌ
ΠΠ΅ΡΠΊΠΎΡΠΏΡΡΠ½ΡΠΉ Π΄Π²ΠΈΠ³Π°ΡΠ΅Π»Ρ Π±Π΅Π· ΡΠ°ΠΌΡ, ΠΊΠΎΡΠΏΡΡΠ°, ΠΏΠΎΠ΄ΡΠΈΠΏΠ½ΠΈΠΊΠ° ΠΈΠ»ΠΈ ΡΠΈΡΡΠ΅ΠΌΡ ΠΎΠ±ΡΠ°ΡΠ½ΠΎΠΉ ΡΠ²ΡΠ·ΠΈ.
ΠΠ°ΡΠ° ΡΠ΅ΡΠΈΡ Π±Π΅ΡΠΊΠΎΡΠΏΡΡΠ½ΡΡ
Π΄Π²ΠΈΠ³Π°ΡΠ΅Π»Π΅ΠΉ Ρ Π²ΡΡΠΎΠΊΠΈΠΌ ΠΊΡΡΡΡΡΠΈΠΌ ΠΌΠΎΠΌΠ΅Π½ΡΠΎΠΌ ΠΏΡΠ΅Π΄Π½Π°Π·Π½Π°ΡΠ΅Π½Π° Π΄Π»Ρ Π²ΡΡΡΠ°ΠΈΠ²Π°Π½ΠΈΡ Π² Π½Π΅ΠΎΡΡΠ΅ΠΌΠ»Π΅ΠΌΡΡ ΡΠ°ΡΡΡ ΡΠΈΡΡΠ΅ΠΌΡ. ΠΠ»Π°Π³ΠΎΠ΄Π°ΡΡ Π²Π½Π΅ΡΠ½Π΅ΠΌΡ Π±Π΅Π³ΡΠ½ΠΊΡ ΠΈ Π±Π΅ΡΠΊΠ°ΡΠΊΠ°ΡΠ½ΠΎΠΉ ΠΊΠΎΠ½ΡΡΡΡΠΊΡΠΈΠΈ ΡΠ°Π·ΠΌΠ΅Ρ ΠΈ Π²Π΅Ρ ΡΠΌΠ΅Π½ΡΡΠ΅Π½Ρ, ΡΡΠΎ ΡΠΏΡΠΎΡΠ°Π΅Ρ ΠΈΠ½ΡΠ΅Π³ΡΠ°ΡΠΈΡ Π΄Π²ΠΈΠ³Π°ΡΠ΅Π»Π΅ΠΉ ΠΈ ΠΈΡ
ΠΈΡΠΏΠΎΠ»ΡΠ·ΠΎΠ²Π°Π½ΠΈΠ΅ Π² ΡΠ°Π·Π»ΠΈΡΠ½ΡΡ
ΠΏΡΠΈΠ»ΠΎΠΆΠ΅Π½ΠΈΡΡ
. ΠΡΠΎΠΌΠ΅ ΡΠΎΠ³ΠΎ, ΠΈΠ·-Π·Π° Π²ΡΡΠΎΠΊΠΎΠΉ ΡΠ΄Π΅Π»ΡΠ½ΠΎΠΉ ΠΏΠ»ΠΎΡΠ½ΠΎΡΡΠΈ ΠΊΡΡΡΡΡΠ΅Π³ΠΎ ΠΌΠΎΠΌΠ΅Π½ΡΠ° Π±Π΅ΡΠΊΠΎΡΠΏΡΡΠ½ΡΠ΅ ΠΌΠΎΠΌΠ΅Π½ΡΠ½ΡΠ΅ Π΄Π²ΠΈΠ³Π°ΡΠ΅Π»ΠΈ ΠΎΡΠ΅Π½Ρ ΠΏΠΎΠ΄Ρ
ΠΎΠ΄ΡΡ Π΄Π»Ρ Π½Π΅Π±ΠΎΠ»ΡΡΠΈΡ
ΠΎΠ±ΡΠ΅ΠΌΠΎΠ² ΡΡΡΠΎΠΈΡΠ΅Π»ΡΡΡΠ²Π°.
ΠΠΎΠΌΠ΅Π½ΡΠ½ΡΠ΅ Π΄Π²ΠΈΠ³Π°ΡΠ΅Π»ΠΈ Outrunner ΠΈ Inrunner
Π‘ΡΡΠ΅ΡΡΠ²ΡΠ΅Ρ Π΄Π²Π° ΡΠΈΠΏΠ° Π±Π΅ΡΠΊΠ°ΡΠΊΠ°ΡΠ½ΡΡ
ΠΌΠΎΠΌΠ΅Π½ΡΠ½ΡΡ
Π΄Π²ΠΈΠ³Π°ΡΠ΅Π»Π΅ΠΉ Ρ ΠΏΡΡΠΌΡΠΌ ΠΏΡΠΈΠ²ΠΎΠ΄ΠΎΠΌ: ΠΌΠΎΠΌΠ΅Π½ΡΠ½ΡΠ΅ Π΄Π²ΠΈΠ³Π°ΡΠ΅Π»ΠΈ Outrunner ΠΈ Inrunner. Π ΡΠΎΡΠΎΡΠ½ΠΎΠΌ Π΄Π²ΠΈΠ³Π°ΡΠ΅Π»Π΅ ΡΠΎΡΠΎΡ ΡΠ°ΡΠΏΠΎΠ»ΠΎΠΆΠ΅Π½ Π²Π½ΡΡΡΠΈ ΡΡΠ°ΡΠΎΡΠ°. Π ΡΠ»ΡΡΠ°Π΅ Π΄Π²ΠΈΠ³Π°ΡΠ΅Π»Ρ Ρ Π²Π½Π΅ΡΠ½ΠΈΠΌ ΡΠΎΡΠΎΡΠΎΠΌ ΡΠΎΡΠΎΡ ΡΠ°ΡΠΏΠΎΠ»ΠΎΠΆΠ΅Π½ ΡΠ½Π°ΡΡΠΆΠΈ ΡΡΠ°ΡΠΎΡΠ°. Π‘ΡΠ°ΡΠΎΡΒ Π²Π½Π΅ΡΠ½ΠΈΡ
Π΄Π²ΠΈΠ³Π°ΡΠ΅Π»Π΅ΠΉΒ β ΡΡΠΎ ΡΡΠ°ΡΠΈΡΠ΅ΡΠΊΠ°Ρ ΡΠ°ΡΡΡ ΠΌΠΎΠΌΠ΅Π½ΡΠ½ΠΎΠ³ΠΎ Π΄Π²ΠΈΠ³Π°ΡΠ΅Π»Ρ, ΠΊΠΎΡΠΎΡΠ°Ρ ΡΠΎΠ΄Π΅ΡΠΆΠΈΡ ΠΏΠ°ΠΊΠ΅Ρ ΠΏΠ»Π°ΡΡΠΈΠ½ ΠΈ ΠΌΠ΅Π΄Π½ΡΠΉ ΠΏΡΠΎΠ²ΠΎΠ΄. ΠΠ°ΠΊΠ΅Ρ ΠΏΠ»Π°ΡΡΠΈΠ½ ΡΠΎΠ΄Π΅ΡΠΆΠΈΡ Β«Π·ΡΠ±ΡΡ ΠΏΠ°ΠΊΠ΅ΡΠ° ΠΏΠ»Π°ΡΡΠΈΠ½Β» ΠΈΠ»ΠΈ Β«Π·ΡΠ±ΡΡ ΡΡΠ°ΡΠΎΡΠ°Β». ΠΠ° ΠΊΠ°ΠΆΠ΄ΡΠΉ ΠΈΠ· ΡΡΠΈΡ
Π·ΡΠ±ΡΠ΅Π² Π½Π°ΠΌΠΎΡΠ°Π½Ρ ΠΌΠ΅Π΄Π½ΡΠ΅ ΠΎΠ±ΠΌΠΎΡΠΊΠΈ. ΠΠΎΠ³Π΄Π° Π½Π° ΠΌΠ΅Π΄Π½ΡΠ΅ ΠΎΠ±ΠΌΠΎΡΠΊΠΈ ΠΏΠΎΠ΄Π°Π΅ΡΡΡ ΡΡΠ΅Ρ
ΡΠ°Π·Π½ΡΠΉ ΠΏΠ΅ΡΠ΅ΠΌΠ΅Π½Π½ΡΠΉ ΡΠΎΠΊ, ΡΡΠ°ΡΠΎΡ ΠΏΡΠ΅Π²ΡΠ°ΡΠ°Π΅ΡΡΡ Π² ΠΌΠ°ΡΡΠΈΠ² ΡΠ»Π΅ΠΊΡΡΠΎΠΌΠ°Π³Π½ΠΈΡΠΎΠ².
Π ΡΠ΅Π·ΡΠ»ΡΡΠ°ΡΠ΅ Π²ΠΎΠΊΡΡΠ³ ΡΡΠ°ΡΠΎΡΠ° ΡΠΎΠ·Π΄Π°Π΅ΡΡΡ ΠΏΠ΅ΡΠ΅ΠΌΠ΅Π½Π½ΠΎΠ΅ Π²ΡΠ°ΡΠ°ΡΡΠ΅Π΅ΡΡ ΠΌΠ°Π³Π½ΠΈΡΠ½ΠΎΠ΅ ΠΏΠΎΠ»Π΅.
ΠΠΎΠΌΠ΅Π½ΡΠ½ΡΠΉ Π΄Π²ΠΈΠ³Π°ΡΠ΅Π»Ρ Ρ Π²Π½Π΅ΡΠ½ΠΈΠΌ Π±Π΅Π³ΡΠ½ΠΊΠΎΠΌ
ΠΠ½ΡΡΡΠ΅Π½Π½ΠΈΠΉ Π΄Π²ΠΈΠ³Π°ΡΠ΅Π»Ρ
Magnetic Innovations ΡΠΏΠ΅ΡΠΈΠ°Π»ΠΈΠ·ΠΈΡΡΠ΅ΡΡΡ Π½Π° ΡΠΈΠΏΠΎΠ»ΠΎΠ³ΠΈΠΈ Outrunner. ΠΡΠ΅ΠΈΠΌΡΡΠ΅ΡΡΠ²ΠΎ Π΄Π²ΠΈΠ³Π°ΡΠ΅Π»Ρ Ρ Π½Π°ΡΡΠΆΠ½ΡΠΌ ΡΠΎΡΠΎΡΠΎΠΌ ΠΏΠΎ ΡΡΠ°Π²Π½Π΅Π½ΠΈΡ Ρ Π΄Π²ΠΈΠ³Π°ΡΠ΅Π»Π΅ΠΌ Ρ Π²Π½ΡΡΡΠ΅Π½Π½ΠΈΠΌ ΡΠΎΡΠΎΡΠΎΠΌ Π·Π°ΠΊΠ»ΡΡΠ°Π΅ΡΡΡ Π² ΡΠΎΠΌ, ΡΡΠΎ ΠΏΠΎΠ²Π΅ΡΡ Π½ΠΎΡΡΡ Π²ΠΎΠ·Π΄ΡΡΠ½ΠΎΠ³ΠΎ Π·Π°Π·ΠΎΡΠ° Π·Π½Π°ΡΠΈΡΠ΅Π»ΡΠ½ΠΎ Π±ΠΎΠ»ΡΡΠ΅. ΠΡΡΠ³ΠΈΠΌΠΈ ΡΠ»ΠΎΠ²Π°ΠΌΠΈ, ΠΏΠ»ΠΎΡΠ°Π΄Ρ ΠΏΠΎΠ²Π΅ΡΡ Π½ΠΎΡΡΠΈ, ΡΠ΅ΡΠ΅Π· ΠΊΠΎΡΠΎΡΡΡ ΠΏΡΠΎΡ ΠΎΠ΄ΡΡ ΡΠΈΠ»ΠΎΠ²ΡΠ΅ Π»ΠΈΠ½ΠΈΠΈ ΡΠ»Π΅ΠΊΡΡΠΎΠΌΠ°Π³Π½ΠΈΡΠ½ΠΎΠ³ΠΎ ΠΏΠΎΠ»Ρ ΠΎΡ ΡΠΎΡΠΎΡΠ° ΠΊ ΡΡΠ°ΡΠΎΡΡ, Π½Π°ΠΌΠ½ΠΎΠ³ΠΎ Π±ΠΎΠ»ΡΡΠ΅. Π’Π°ΠΊΠΈΠΌ ΠΎΠ±ΡΠ°Π·ΠΎΠΌ ΡΠΎΠ·Π΄Π°Π΅ΡΡΡ Π±ΠΎΠ»ΡΡΠ΅ ΡΠ»Π΅ΠΊΡΡΠΎΠΌΠ΅Ρ Π°Π½ΠΈΡΠ΅ΡΠΊΠΎΠΉ ΡΠΈΠ»Ρ.
ΠΠΈΠ΄Π΅ΠΎ Ρ Π΄Π²ΠΈΠ³Π°ΡΠ΅Π»Π΅ΠΌ Ρ Π²ΡΡΠΎΠΊΠΈΠΌ ΠΊΡΡΡΡΡΠΈΠΌ ΠΌΠΎΠΌΠ΅Π½ΡΠΎΠΌ
ΠΠ° Π²ΠΈΠ΄Π΅ΠΎ Π½ΠΈΠΆΠ΅ ΠΏΠΎΠΊΠ°Π·Π°Π½ΠΎ:
- Π‘ΡΠ°ΡΠΎΡ
- Π ΠΎΡΠΎΡ
- Π ΠΎΡΠΎΡ ΠΈ ΡΡΠ°ΡΠΎΡ
- ΠΡ ΠΎΠ΄: ΠΠ»Π΅ΠΊΡΡΠΎΡΠ½Π΅ΡΠ³ΠΈΡ = ΡΠΎΠΊ * Π½Π°ΠΏΡΡΠΆΠ΅Π½ΠΈΠ΅.
- ΠΡΡ ΠΎΠ΄: ΠΌΠ΅Ρ Π°Π½ΠΈΡΠ΅ΡΠΊΠ°Ρ ΠΌΠΎΡΠ½ΠΎΡΡΡ = ΠΊΡΡΡΡΡΠΈΠΉ ΠΌΠΎΠΌΠ΅Π½Ρ * ΡΠ³Π»ΠΎΠ²Π°Ρ ΡΠΊΠΎΡΠΎΡΡΡ.
- ΠΠΎΠΌΠ΅Π½ΡΠ½ΡΠ΅ Π΄Π²ΠΈΠ³Π°ΡΠ΅Π»ΠΈ ΠΏΡΠ΅Π΄ΡΡΠ°Π²Π»ΡΡΡ ΡΠΎΠ±ΠΎΠΉ ΡΠΈΠΏ Π±Π΅ΡΡΠ΅ΡΠΎΡΠ½ΡΡ ΡΠΈΠ½Ρ ΡΠΎΠ½Π½ΡΡ Π΄Π²ΠΈΠ³Π°ΡΠ΅Π»Π΅ΠΉ Ρ ΠΏΠΎΡΡΠΎΡΠ½Π½ΡΠΌΠΈ ΠΌΠ°Π³Π½ΠΈΡΠ°ΠΌΠΈ Ρ ΠΏΡΡΠΌΡΠΌ ΠΏΡΠΈΠ²ΠΎΠ΄ΠΎΠΌ, ΠΊΠΎΡΠΎΡΡΠ΅ Π²ΡΠ΅ ΡΠ°ΡΠ΅ ΠΈΡΠΏΠΎΠ»ΡΠ·ΡΡΡΡΡ Π² Π²ΡΡΠΎΠΊΠΎΡΠΎΡΠ½ΡΡ ΠΏΡΠΈΠ»ΠΎΠΆΠ΅Π½ΠΈΡΡ .
- Π ΠΏΡΠ΅ΠΈΠΌΡΡΠ΅ΡΡΠ²Π°ΠΌ ΠΌΠΎΠΌΠ΅Π½ΡΠ½ΡΡ Π΄Π²ΠΈΠ³Π°ΡΠ΅Π»Π΅ΠΉ ΠΎΡΠ½ΠΎΡΡΡΡΡ ΠΌΠΈΠ½ΠΈΠΌΠ°Π»ΡΠ½ΡΠΉ ΠΌΠ΅Ρ Π°Π½ΠΈΡΠ΅ΡΠΊΠΈΠΉ ΠΈΠ·Π½ΠΎΡ, ΡΠ½ΠΈΠΆΠ΅Π½ΠΈΠ΅ Π·Π°ΡΡΠ°Ρ Π½Π° ΡΠ΅Ρ Π½ΠΈΡΠ΅ΡΠΊΠΎΠ΅ ΠΎΠ±ΡΠ»ΡΠΆΠΈΠ²Π°Π½ΠΈΠ΅ ΠΈ ΡΠΈΡΡΠ΅ΠΌΡ, Π° ΡΠ°ΠΊΠΆΠ΅ ΡΠ»ΡΡΡΠ΅Π½Π½ΡΠ΅ Π΄ΠΈΠ½Π°ΠΌΠΈΡΠ΅ΡΠΊΠΈΠ΅ Ρ Π°ΡΠ°ΠΊΡΠ΅ΡΠΈΡΡΠΈΠΊΠΈ.
- ΠΡΠΈ Π²ΡΠ±ΠΎΡΠ΅ ΠΌΠΎΠΌΠ΅Π½ΡΠ½ΠΎΠ³ΠΎ Π΄Π²ΠΈΠ³Π°ΡΠ΅Π»Ρ Π½Π΅ΠΎΠ±Ρ ΠΎΠ΄ΠΈΠΌΠΎ ΡΡΠΈΡΡΠ²Π°ΡΡ ΡΠ°ΠΊΠΈΠ΅ ΡΠ°ΠΊΡΠΎΡΡ, ΠΊΠ°ΠΊ ΡΠ°Π·ΠΌΠ΅Ρ Π΄Π²ΠΈΠ³Π°ΡΠ΅Π»Ρ, ΡΡΡΠ΅ΠΊΡ ΡΠΈΠΊΡΠ°ΡΠΈΠΈ, ΠΏΠΎΡΡΠΎΡΠ½Π½ΡΠ΅ Π΄Π²ΠΈΠ³Π°ΡΠ΅Π»Ρ ΠΈ ΡΠ΅ΠΏΠ»ΠΎΠ²ΡΠ΅ Ρ Π°ΡΠ°ΠΊΡΠ΅ΡΠΈΡΡΠΈΠΊΠΈ.
- ΠΠ±Π»Π°ΡΡΡ ΠΏΡΠΈΠΌΠ΅Π½Π΅Π½ΠΈΡ Π²Π°ΡΡΠΈΡΡΠ΅ΡΡΡ ΠΎΡ ΡΡΠ°Π½ΠΊΠΎΡΡΡΠΎΠ΅Π½ΠΈΡ Π΄ΠΎ Π°ΡΡΠΎΠΊΠΎΡΠΌΠΈΡΠ΅ΡΠΊΠΎΠΉ ΠΏΡΠΎΠΌΡΡΠ»Π΅Π½Π½ΠΎΡΡΠΈ, Π° ΡΠ°ΠΊΠΆΠ΅ ΠΏΠΎΠ»ΡΠΏΡΠΎΠ²ΠΎΠ΄Π½ΠΈΠΊΠΎΠ², Π°Π²ΡΠΎΠΌΠ°ΡΠΈΠ·Π°ΡΠΈΠΈ ΠΏΡΠΎΠΈΠ·Π²ΠΎΠ΄ΡΡΠ²Π°, ΡΠΎΠ±ΠΎΡΠΎΡΠ΅Ρ Π½ΠΈΠΊΠΈ ΠΈ ΡΡΠ°Π½ΠΊΠΎΡΡΡΠΎΠ΅Π½ΠΈΡ.
Π΄Π²ΠΈΠ³Π°ΡΠ΅Π»Ρ Ρ Π²ΡΡΠΎΠΊΠΈΠΌ ΠΊΡΡΡΡΡΠΈΠΌ ΠΌΠΎΠΌΠ΅Π½ΡΠΎΠΌ.
Π‘ΡΠ°ΡΠΎΡ ΡΡΠ°ΡΠΈΡΠ΅ΡΠΊΠΈΠΉ ΡΠ°ΡΡΡ ΠΌΠΎΠΌΠ΅Π½ΡΠ½ΠΎΠ³ΠΎ Π΄Π²ΠΈΠ³Π°ΡΠ΅Π»Ρ, ΠΊΠΎΡΠΎΡΠ°Ρ ΡΠΎΠ΄Π΅ΡΠΆΠΈΡ ΠΏΠ°ΠΊΠ΅Ρ ΠΏΠ»Π°ΡΡΠΈΠ½ ΠΈ ΠΌΠ΅Π΄Π½ΡΠΉ ΠΏΡΠΎΠ²ΠΎΠ΄. ΠΡΠΎΠΌΠ΅ ΡΠΎΠ³ΠΎ, ΡΡΠΎΠΏΠΊΠ° ΠΏΠ»Π°ΡΡΠΈΠ½ ΡΠΎΠ΄Π΅ΡΠΆΠΈΡ Β«Π·ΡΠ±ΡΡ ΡΡΠΎΠΏΡ ΠΏΠ»Π°ΡΡΠΈΠ½Β» ΠΈΠ»ΠΈ Β«Π·ΡΠ±ΡΡ ΡΡΠ°ΡΠΎΡΠ°Β».
ΠΠ° ΠΊΠ°ΠΆΠ΄ΡΠΉ ΠΈΠ· ΡΡΠΈΡ
Π·ΡΠ±ΡΠ΅Π² Π½Π°ΠΌΠΎΡΠ°Π½Ρ ΠΌΠ΅Π΄Π½ΡΠ΅ ΠΎΠ±ΠΌΠΎΡΠΊΠΈ. ΠΠΎΠ³Π΄Π° Π½Π° ΠΌΠ΅Π΄Π½ΡΠ΅ ΠΎΠ±ΠΌΠΎΡΠΊΠΈ ΠΏΠΎΠ΄Π°Π΅ΡΡΡ ΡΡΠ΅Ρ
ΡΠ°Π·Π½ΡΠΉ ΠΏΠ΅ΡΠ΅ΠΌΠ΅Π½Π½ΡΠΉ ΡΠΎΠΊ, ΡΡΠ°ΡΠΎΡ ΠΏΡΠ΅Π²ΡΠ°ΡΠ°Π΅ΡΡΡ Π² ΠΌΠ°ΡΡΠΈΠ² ΡΠ»Π΅ΠΊΡΡΠΎΠΌΠ°Π³Π½ΠΈΡΠΎΠ². Π ΡΠ΅Π·ΡΠ»ΡΡΠ°ΡΠ΅ Π²ΠΎΠΊΡΡΠ³ ΡΡΠ°ΡΠΎΡΠ° ΡΠΎΠ·Π΄Π°Π΅ΡΡΡ ΠΏΠ΅ΡΠ΅ΠΌΠ΅Π½Π½ΠΎΠ΅ Π²ΡΠ°ΡΠ°ΡΡΠ΅Π΅ΡΡ ΠΌΠ°Π³Π½ΠΈΡΠ½ΠΎΠ΅ ΠΏΠΎΠ»Π΅, ΠΊΠ°ΠΊ ΠΏΠΎΠΊΠ°Π·Π°Π½ΠΎ Π½Π° Π²ΠΈΠ΄Π΅ΠΎ ΡΠΏΡΠ°Π²Π°. ΠΡΠ°Π½ΠΆΠ΅Π²ΡΠ΅ ΠΈ ΡΠΈΠ½ΠΈΠ΅ ΠΎΠ±Π»Π°ΡΡΠΈ ΠΎΠ±ΠΎΠ·Π½Π°ΡΠ°ΡΡ ΡΠΆΠ½ΡΡ ΠΈ ΡΠ΅Π²Π΅ΡΠ½ΡΡ ΡΠ°ΡΡΠΈ ΡΠΎΠΎΡΠ²Π΅ΡΡΡΠ²Π΅Π½Π½ΠΎ. ΠΡΠΎΠΌΠ΅ ΡΠΎΠ³ΠΎ, ΠΌΠ΅Π΄Π½ΡΠ΅ ΠΎΠ±ΠΌΠΎΡΠΊΠΈ Π½Π° ΡΡΠ°ΡΠΎΡΠ΅ ΠΌΠΎΠ³ΡΡ Π±ΡΡΡ ΡΠΊΠΎΠ½ΡΠΈΠ³ΡΡΠΈΡΠΎΠ²Π°Π½Ρ ΠΏΠΎ-ΡΠ°Π·Π½ΠΎΠΌΡ Π΄Π»Ρ ΡΠΎΠ·Π΄Π°Π½ΠΈΡ ΡΠ°Π·Π»ΠΈΡΠ½ΡΡ
ΡΠ°Π±ΠΎΡΠΈΡ
ΠΏΠ°ΡΠ°ΠΌΠ΅ΡΡΠΎΠ², ΠΊΠΎΡΠΎΡΡΠ΅ ΠΌΠΎΠ³ΡΡ Π±ΡΡΡ Π²Π°ΠΆΠ½Ρ Π΄Π»Ρ ΡΠ°Π·Π»ΠΈΡΠ½ΡΡ
ΠΏΡΠΈΠ»ΠΎΠΆΠ΅Π½ΠΈΠΉ.
Π ΠΎΡΠΎΡ Π΄Π²ΠΈΠ³Π°ΡΠ΅Π»Ρ Ρ Π²ΡΡΠΎΠΊΠΈΠΌ ΠΊΡΡΡΡΡΠΈΠΌ ΠΌΠΎΠΌΠ΅Π½ΡΠΎΠΌ
Π ΠΎΡΠΎΡ ΠΏΡΠ΅Π΄ΡΡΠ°Π²Π»ΡΠ΅Ρ ΡΠΎΠ±ΠΎΠΉ Π΄Π²ΠΈΠΆΡΡΡΡΡΡ ΠΈΠ»ΠΈ Π²ΡΠ°ΡΠ°ΡΡΡΡΡΡ ΡΠ°ΡΡΡ Π΄Π²ΠΈΠ³Π°ΡΠ΅Π»Ρ Ρ ΠΏΠΎΡΡΠΎΡΠ½Π½ΡΠΌΠΈ ΠΌΠ°Π³Π½ΠΈΡΠ°ΠΌΠΈ. ΠΠΎΡΡΠΎΡΠ½Π½ΡΠ΅ ΠΌΠ°Π³Π½ΠΈΡΡ ΡΠ°Π·ΠΌΠ΅ΡΠ΅Π½Ρ Π½Π° ΡΠΎΡΠΎΡΠ΅ ΠΏΠΎ ΡΡ
Π΅ΠΌΠ΅ ΡΠ΅Π²Π΅Ρ-ΡΠ³-ΡΠ΅Π²Π΅Ρ-ΡΠ³. Π‘ΠΈΠ½ΠΈΠ΅ ΠΈ ΠΎΡΠ°Π½ΠΆΠ΅Π²ΡΠ΅ ΠΎΠ±Π»Π°ΡΡΠΈ ΠΎΠ±ΠΎΠ·Π½Π°ΡΠ°ΡΡ ΡΠ΅Π²Π΅ΡΠ½ΡΡ ΠΈ ΡΠΆΠ½ΡΡ ΡΠ°ΡΡΠΈ ΡΠΎΠΎΡΠ²Π΅ΡΡΡΠ²Π΅Π½Π½ΠΎ. ΠΡΠΎ ΠΏΠΎΠΊΠ°Π·Π°Π½ΠΎ Π½Π° Π²ΠΈΠ΄Π΅ΠΎ ΡΠΏΡΠ°Π²Π°. Π‘Π»Π΅Π΄ΠΎΠ²Π°ΡΠ΅Π»ΡΠ½ΠΎ, ΠΏΠΎΡΡΠΎΡΠ½Π½ΠΎΠ΅ ΠΌΠ°Π³Π½ΠΈΡΠ½ΠΎΠ΅ ΠΏΠΎΠ»Π΅ ΡΠΎΡΠΎΡΠ° Π±ΡΠ΄Π΅Ρ Π²Π·Π°ΠΈΠΌΠΎΠ΄Π΅ΠΉΡΡΠ²ΠΎΠ²Π°ΡΡ Ρ ΠΏΠ΅ΡΠ΅ΠΌΠ΅Π½Π½ΡΠΌ ΠΌΠ°Π³Π½ΠΈΡΠ½ΡΠΌ ΠΏΠΎΠ»Π΅ΠΌ ΡΠΎΡΠΎΡΠ°. ΠΠ°Π»Π΅Π΅, ΠΌΠ΅ΠΆΠ΄Ρ ΡΡΠ°ΡΠΎΡΠΎΠΌ ΠΈ ΡΠΎΡΠΎΡΠΎΠΌ ΡΠ°ΡΠΏΠΎΠ»ΠΎΠΆΠ΅Π½ Π²ΠΎΠ·Π΄ΡΡΠ½ΡΠΉ ΠΌΠ°Π³Π½ΠΈΡΠ½ΡΠΉ Π·Π°Π·ΠΎΡ.
Π‘ΡΠ°ΡΠΎΡ ΠΈ ΡΠΎΡΠΎΡ ΠΌΠΎΠΌΠ΅Π½ΡΠ½ΠΎΠ³ΠΎ Π΄Π²ΠΈΠ³Π°ΡΠ΅Π»Ρ
Π ΡΠ»ΡΡΠ°Π΅ ΠΌΠΎΠΌΠ΅Π½ΡΠ½ΠΎΠ³ΠΎ Π΄Π²ΠΈΠ³Π°ΡΠ΅Π»Ρ Ρ Π²Π½Π΅ΡΠ½ΠΈΠΌ ΡΠΎΡΠΎΡΠΎΠΌ ΡΠΎΡΠΎΡ Π½Π°Π΄Π΅Π²Π°Π΅ΡΡΡ Π½Π° ΡΡΠ°ΡΠΎΡ. Π ΡΠ΅Π·ΡΠ»ΡΡΠ°ΡΠ΅ ΠΌΠ°Π³Π½ΠΈΡΠ½ΠΎΠ΅ ΠΏΠΎΠ»Π΅ ΡΡΠ°ΡΠΎΡΠ° Π½Π°ΡΠΈΠ½Π°Π΅Ρ Π²Π·Π°ΠΈΠΌΠΎΠ΄Π΅ΠΉΡΡΠ²ΠΎΠ²Π°ΡΡ Ρ ΠΏΠΎΠ»Π΅ΠΌ ΠΏΠΎΡΡΠΎΡΠ½Π½ΠΎΠ³ΠΎ ΠΌΠ°Π³Π½ΠΈΡΠ° ΡΠΎΡΠΎΡΠ°. Π‘Π»Π΅Π΄ΠΎΠ²Π°ΡΠ΅Π»ΡΠ½ΠΎ, ΠΏΠΎΡΡΠΎΡΠ½Π½ΠΎΠ΅ ΠΌΠ°Π³Π½ΠΈΡΠ½ΠΎΠ΅ ΠΏΠΎΠ»Π΅ ΡΠΎΡΠΎΡΠ° Π½Π°ΡΠ½Π΅Ρ Π²ΡΠ°ΡΠ°ΡΡΡΡ ΡΠΈΠ½Ρ ΡΠΎΠ½Π½ΠΎ Ρ ΠΌΠ°Π³Π½ΠΈΡΠ½ΡΠΌ ΠΏΠΎΠ»Π΅ΠΌ ΡΡΠ°ΡΠΎΡΠ° ΠΈ Π±ΡΠ΄Π΅Ρ ΡΠΎΠ·Π΄Π°Π½ ΠΊΡΡΡΡΡΠΈΠΉ ΠΌΠΎΠΌΠ΅Π½Ρ (Π). ΠΡΠΎ ΠΏΠΎΠΊΠ°Π·Π°Π½ΠΎ Π½Π° Π²ΠΈΠ΄Π΅ΠΎ ΡΠΏΡΠ°Π²Π°.
ΠΡΡΡΡΡΠΈΠΉ ΠΌΠΎΠΌΠ΅Π½Ρ ΠΌΠΎΠΌΠ΅Π½ΡΠ½ΠΎΠ³ΠΎ Π΄Π²ΠΈΠ³Π°ΡΠ΅Π»Ρ Ρ ΠΏΡΡΠΌΡΠΌ ΠΏΡΠΈΠ²ΠΎΠ΄ΠΎΠΌ ΠΏΡΠΎΠΏΠΎΡΡΠΈΠΎΠ½Π°Π»Π΅Π½ ΡΠΎΠΊΡ Π² ΡΡΠ°ΡΠΎΡΠ΅. ΠΡΠΎΠΌΠ΅ ΡΠΎΠ³ΠΎ, ΡΡΠ΅Π±ΡΠ΅ΠΌΠΎΠ΅ Π½Π°ΠΏΡΡΠΆΠ΅Π½ΠΈΠ΅ ΠΏΡΠΎΠΏΠΎΡΡΠΈΠΎΠ½Π°Π»ΡΠ½ΠΎ ΡΠΊΠΎΡΠΎΡΡΠΈ.
Π Π΅Π³ΡΠ»ΠΈΡΡΡ ΠΊΠΎΠ»ΠΈΡΠ΅ΡΡΠ²ΠΎ ΠΎΠ±ΠΌΠΎΡΠΎΠΊ ΠΈ/ΠΈΠ»ΠΈ ΠΊΠΎΠ½ΡΠΈΠ³ΡΡΠ°ΡΠΈΡ ΠΎΠ±ΠΌΠΎΡΠΎΠΊ, ΠΌΠΎΠΆΠ½ΠΎ ΡΠ΅Π³ΡΠ»ΠΈΡΠΎΠ²Π°ΡΡ ΡΠΎΠΎΡΠ½ΠΎΡΠ΅Π½ΠΈΠ΅ ΠΌΠ΅ΠΆΠ΄Ρ ΡΡΠ΅Π±ΡΠ΅ΠΌΡΠΌ Π½Π°ΠΏΡΡΠΆΠ΅Π½ΠΈΠ΅ΠΌ ΠΈ ΡΠΎΠΊΠΎΠΌ. ΠΡΠΎ ΠΏΠΎΠ·Π²ΠΎΠ»ΡΠ΅Ρ ΠΈΡΠΏΠΎΠ»ΡΠ·ΠΎΠ²Π°ΡΡ Π΄Π²ΠΈΠ³Π°ΡΠ΅Π»Ρ Π΄Π»Ρ ΡΠ°Π·Π»ΠΈΡΠ½ΡΡ ΠΎΠ±Π»Π°ΡΡΠ΅ΠΉ ΠΏΡΠΈΠΌΠ΅Π½Π΅Π½ΠΈΡ, ΡΠ°ΠΊΠΈΡ ΠΊΠ°ΠΊ ΠΏΠΎΠ»ΡΡΠ°Π±ΡΠΈΠΊΠ°ΡΡ, ΡΠΎΠ±ΠΎΡΠΎΡΠ΅Ρ Π½ΠΈΠΊΠ°, ΠΏΡΠΎΠ΄ΡΠΊΡΡ ΠΏΠΈΡΠ°Π½ΠΈΡ ΠΈ ΡΠΏΠ°ΠΊΠΎΠ²ΠΊΠ°.
ΠΠ²ΠΈΠ³Π°ΡΠ΅Π»ΠΈ Ρ Π²ΡΡΠΎΠΊΠΈΠΌ ΠΊΡΡΡΡΡΠΈΠΌ ΠΌΠΎΠΌΠ΅Π½ΡΠΎΠΌ ΠΊΠΎΠΌΠΏΠ°Π½ΠΈΠΈ Magnetic Innovations
Π‘Π²ΡΠΆΠΈΡΠ΅ΡΡ Ρ Π½Π°ΠΌΠΈ Π΄Π»Ρ ΠΏΠΎΠ»ΡΡΠ΅Π½ΠΈΡ Π΄ΠΎΠΏΠΎΠ»Π½ΠΈΡΠ΅Π»ΡΠ½ΠΎΠΉ ΠΈΠ½ΡΠΎΡΠΌΠ°ΡΠΈΠΈ ΠΈΠ»ΠΈ ΠΊΠΎΠΌΠΌΠ΅ΡΡΠ΅ΡΠΊΠΎΠ³ΠΎ ΠΏΡΠ΅Π΄Π»ΠΎΠΆΠ΅Π½ΠΈΡ
Π§ΡΠΎ ΡΠ°ΠΊΠΎΠ΅ ΠΌΠΎΠΌΠ΅Π½ΡΠ½ΡΠ΅ Π΄Π²ΠΈΠ³Π°ΡΠ΅Π»ΠΈ ΠΈ ΠΏΠΎΡΠ΅ΠΌΡ ΠΎΠ½ΠΈ ΡΠ°ΠΊ Ρ ΠΎΡΠΎΡΠΎ ΡΠ°Π±ΠΎΡΠ°ΡΡ?
ΠΠ΅ΡΠ΅ΠΉΡΠΈ ΠΊ ΡΠΎΠ΄Π΅ΡΠΆΠΈΠΌΠΎΠΌΡ 20 ΠΌΠ°Ρ 2020 Π³.
ΠΡΠΎ ΡΠΎΠΎΠ±ΡΠ΅Π½ΠΈΠ΅ Π±ΡΠ»ΠΎ ΠΏΡΠΎΠ²Π΅ΡΠ΅Π½ΠΎ ΠΡΠ°ΠΉΠ°Π½ΠΎΠΌ ΠΠ»ΠΎΡΠΎΡΠΆΠΈΡΠΊΠΈ, ΠΈΠ½ΠΆΠ΅Π½Π΅ΡΠΎΠΌ ΠΏΠΎ ΠΏΡΠΈΠ»ΠΎΠΆΠ΅Π½ΠΈΡΠΌ Π² Π‘Π΅Π²Π΅ΡΠ½ΠΎΠΉ ΠΠΌΠ΅ΡΠΈΠΊΠ΅ Π² ETEL Torque Motors. ΠΠ±Π½ΠΎΠ²Π»Π΅Π½ΠΎ 2 Π΄Π΅ΠΊΠ°Π±ΡΡ 2022 Π³.
Π‘Π΅Π³ΠΎΠ΄Π½Ρ ΡΠ΅Ρ
Π½ΠΎΠ»ΠΎΠ³ΠΈΡ ΠΏΡΡΠΌΠΎΠ³ΠΎ ΠΏΡΠΈΠ²ΠΎΠ΄Π° ΠΏΡΠΈΠ·Π½Π°Π½Π° Π²Π΅Π΄ΡΡΠΈΠΌ ΡΠ΅ΡΠ΅Π½ΠΈΠ΅ΠΌ Π΄Π»Ρ ΡΡΠ΅Π±ΠΎΠ²Π°Π½ΠΈΠΉ Π²ΡΡΠΎΠΊΠΎΠΉ ΠΏΡΠΎΠΈΠ·Π²ΠΎΠ΄ΠΈΡΠ΅Π»ΡΠ½ΠΎΡΡΠΈ, ΠΏΠΎΠ²ΡΡΠ΅Π½Π½ΠΎΠΉ ΡΠΎΡΠ½ΠΎΡΡΠΈ ΠΈ ΠΏΠΎΠ²ΡΡΠ΅Π½Π½ΠΎΠΉ Π΄ΠΈΠ½Π°ΠΌΠΈΠΊΠΈ ΡΠΎΠ²ΡΠ΅ΠΌΠ΅Π½Π½ΡΡ
ΠΌΠ°ΡΠΈΠ½.
ΠΠ½ΠΈ ΠΆΠ΅ΡΡΠΊΠΈΠ΅, Π±ΠΎΠ»Π΅Π΅ ΠΊΠΎΠΌΠΏΠ°ΠΊΡΠ½ΡΠ΅, ΠΎΠ±Π΅ΡΠΏΠ΅ΡΠΈΠ²Π°ΡΡ Π²ΡΡΠΎΠΊΠΈΠ΅ Π΄ΠΈΠ½Π°ΠΌΠΈΡΠ΅ΡΠΊΠΈΠ΅ Ρ
Π°ΡΠ°ΠΊΡΠ΅ΡΠΈΡΡΠΈΠΊΠΈ, ΡΠ½ΠΈΠΆΠ°ΡΡ ΡΡΠΎΠΈΠΌΠΎΡΡΡ Π²Π»Π°Π΄Π΅Π½ΠΈΡ, ΡΠΏΡΠΎΡΠ°ΡΡ ΠΊΠΎΠ½ΡΡΡΡΠΊΡΠΈΡ ΠΌΠ°ΡΠΈΠ½Ρ ΠΈ ΡΠΎΠΊΡΠ°ΡΠ°ΡΡ ΠΈΠ·Π½ΠΎΡ ΠΈ ΡΠ΅Ρ
Π½ΠΈΡΠ΅ΡΠΊΠΎΠ΅ ΠΎΠ±ΡΠ»ΡΠΆΠΈΠ²Π°Π½ΠΈΠ΅.
Π§ΡΠΎ ΡΠ°ΠΊΠΎΠ΅ ΠΌΠΎΠΌΠ΅Π½ΡΠ½ΡΠΉ Π΄Π²ΠΈΠ³Π°ΡΠ΅Π»Ρ?
ΠΠΎΠΌΠ΅Π½ΡΠ½ΡΠ΅ Π΄Π²ΠΈΠ³Π°ΡΠ΅Π»ΠΈ ΠΏΡΠ΅Π΄ΡΡΠ°Π²Π»ΡΡΡ ΡΠΎΠ±ΠΎΠΉ ΠΎΡΠΎΠ±ΡΠΉ ΠΊΠ»Π°ΡΡ Π±Π΅ΡΡΠ΅ΡΠΎΡΠ½ΡΡ ΡΠΈΠ½Ρ ΡΠΎΠ½Π½ΡΡ Π΄Π²ΠΈΠ³Π°ΡΠ΅Π»Π΅ΠΉ Ρ ΠΏΠΎΡΡΠΎΡΠ½Π½ΡΠΌΠΈ ΠΌΠ°Π³Π½ΠΈΡΠ°ΠΌΠΈ. ΠΠΎΡΠΊΠΎΠ»ΡΠΊΡ ΠΏΠΎΠ»Π΅Π·Π½Π°Ρ Π½Π°Π³ΡΡΠ·ΠΊΠ° Π½Π°ΠΏΡΡΠΌΡΡ ΡΠ²ΡΠ·Π°Π½Π° Ρ ΡΠΎΡΠΎΡΠΎΠΌ Π±Π΅Π· ΠΈΡΠΏΠΎΠ»ΡΠ·ΠΎΠ²Π°Π½ΠΈΡ ΠΏΠ΅ΡΠ΅Π΄Π°ΡΠΎΡΠ½ΡΡ ΡΠ»Π΅ΠΌΠ΅Π½ΡΠΎΠ², ΠΌΠΎΠΌΠ΅Π½ΡΠ½ΡΠ΅ Π΄Π²ΠΈΠ³Π°ΡΠ΅Π»ΠΈ ΠΎΡΠ½ΠΎΡΡΡΡΡ ΠΊ ΠΊΠ»Π°ΡΡΡ ΠΏΡΡΠΌΡΡ ΠΏΡΠΈΠ²ΠΎΠ΄ΠΎΠ².
Π Π·Π°Π²ΠΈΡΠΈΠΌΠΎΡΡΠΈ ΠΎΡ ΡΠΎΡΠΊΠΈ Π·ΡΠ΅Π½ΠΈΡ, ΠΌΠΎΠΌΠ΅Π½ΡΠ½ΡΠΉ Π΄Π²ΠΈΠ³Π°ΡΠ΅Π»Ρ ΠΏΡΠ΅Π΄ΡΡΠ°Π²Π»ΡΠ΅Ρ ΡΠΎΠ±ΠΎΠΉ Π»ΠΈΠ±ΠΎ ΡΠ²Π΅ΡΠ½ΡΡΡΠΉ Π»ΠΈΠ½Π΅ΠΉΠ½ΡΠΉ Π΄Π²ΠΈΠ³Π°ΡΠ΅Π»Ρ, Π»ΠΈΠ±ΠΎ ΠΊΠ»Π°ΡΡΠΈΡΠ΅ΡΠΊΠΈΠΉ ΡΠ΅ΡΠ²ΠΎΠΏΡΠΈΠ²ΠΎΠ΄ Ρ Π±ΠΎΠ»ΡΡΠΈΠΌ ΠΊΠΎΠ»ΠΈΡΠ΅ΡΡΠ²ΠΎΠΌ ΠΏΠΎΠ»ΡΡΠΎΠ². ΠΠΌΠ΅Π½Π½ΠΎ Π±ΠΎΠ»ΡΡΠΎΠ΅ ΠΊΠΎΠ»ΠΈΡΠ΅ΡΡΠ²ΠΎ ΠΏΠΎΠ»ΡΡΠΎΠ² ΠΏΠΎΠ·Π²ΠΎΠ»ΡΠ΅Ρ ΠΎΠ±ΡΡΠ½ΡΠΌ ΠΌΠΎΠΌΠ΅Π½ΡΠ½ΡΠΌ Π΄Π²ΠΈΠ³Π°ΡΠ΅Π»ΡΠΌ Π΄ΠΎΡΡΠΈΠ³Π°ΡΡ Π²ΡΡΠΎΠΊΠΎΠ³ΠΎ ΠΊΡΡΡΡΡΠ΅Π³ΠΎ ΠΌΠΎΠΌΠ΅Π½ΡΠ° ΠΏΡΠΈ ΡΠΌΠ΅ΡΠ΅Π½Π½ΡΡ ΡΠΊΠΎΡΠΎΡΡΡΡ . ΠΡΠ΅ ΠΎΠ΄Π½ΠΎΠΉ ΠΏΡΠΈΠ²Π»Π΅ΠΊΠ°ΡΠ΅Π»ΡΠ½ΠΎΠΉ ΠΎΡΠΎΠ±Π΅Π½Π½ΠΎΡΡΡΡ ΡΠ²Π»ΡΠ΅ΡΡΡ ΠΈΡ ΠΊΠΎΠΌΠΏΠ°ΠΊΡΠ½Π°Ρ ΠΊΠΎΠ½ΡΡΡΡΠΊΡΠΈΡ, ΠΊΠΎΡΠΎΡΠ°Ρ Π²ΠΊΠ»ΡΡΠ°Π΅Ρ Π² ΡΠ΅Π±Ρ ΡΠ·ΠΊΠΈΠΉ ΠΏΠ°ΠΊΠ΅Ρ Π»Π°ΠΌΠΈΠ½ΠΈΡΠΎΠ²Π°Π½ΠΈΡ ΠΈ Π±ΠΎΠ»ΡΡΠΎΠΉ ΠΏΠΎΠ»ΡΠΉ Π²Π°Π» ΠΈΠ»ΠΈ ΠΎΡΠ²Π΅ΡΡΡΠΈΠ΅.
ΠΠ°ΠΊ ΠΈ Π»ΠΈΠ½Π΅ΠΉΠ½ΡΠ΅ Π΄Π²ΠΈΠ³Π°ΡΠ΅Π»ΠΈ, ΠΌΠΎΠΌΠ΅Π½ΡΠ½ΡΠ΅ Π΄Π²ΠΈΠ³Π°ΡΠ΅Π»ΠΈ ΠΎΡΠ½ΠΎΡΡΡΡΡ ΠΊ ΡΠΈΠΏΡ Β«Π±Π΅ΡΠΊΠ°ΡΠΊΠ°ΡΠ½ΡΡ
Β» Π΄Π²ΠΈΠ³Π°ΡΠ΅Π»Π΅ΠΉ.
ΠΡΠΎ ΠΎΠ·Π½Π°ΡΠ°Π΅Ρ, ΡΡΠΎ Π΄Π²ΠΈΠ³Π°ΡΠ΅Π»Ρ Π½Π΅ Π²ΠΊΠ»ΡΡΠ°Π΅Ρ Π² ΡΠ΅Π±Ρ ΠΊΠΎΡΠΏΡΡ, ΠΏΠΎΠ΄ΡΠΈΠΏΠ½ΠΈΠΊΠΈ ΠΈΠ»ΠΈ ΡΡΡΡΠΎΠΉΡΡΠ²ΠΎ ΠΎΠ±ΡΠ°ΡΠ½ΠΎΠΉ ΡΠ²ΡΠ·ΠΈ. ΠΡΠΈ ΠΊΠΎΠΌΠΏΠΎΠ½Π΅Π½ΡΡ ΠΌΠΎΠ³ΡΡ Π±ΡΡΡ Π²ΡΠ±ΡΠ°Π½Ρ ΠΈΠ·Π³ΠΎΡΠΎΠ²ΠΈΡΠ΅Π»Π΅ΠΌ ΠΎΠ±ΠΎΡΡΠ΄ΠΎΠ²Π°Π½ΠΈΡ ΠΈ ΠΎΠΏΡΠΈΠΌΠΈΠ·ΠΈΡΠΎΠ²Π°Π½Ρ Π² ΡΠΎΠΎΡΠ²Π΅ΡΡΡΠ²ΠΈΠΈ Ρ ΡΡΠ΅Π±ΡΠ΅ΠΌΠΎΠΉ ΠΏΡΠΎΠΈΠ·Π²ΠΎΠ΄ΠΈΡΠ΅Π»ΡΠ½ΠΎΡΡΡΡ ΠΈΠ»ΠΈ ΠΏΡΠΈΠΎΠ±ΡΠ΅ΡΠ΅Π½Ρ ΠΊΠ°ΠΊ ΡΠ°ΡΡΡ ΡΠ±ΠΎΡΠΊΠΈ.
ΠΠΎΠΌΠ΅Π½ΡΠ½ΡΠ΅ Π΄Π²ΠΈΠ³Π°ΡΠ΅Π»ΠΈ ΡΠΎΠ·Π΄Π°ΡΡ Π²ΡΡΠΎΠΊΠΈΠΉ ΠΊΡΡΡΡΡΠΈΠΉ ΠΌΠΎΠΌΠ΅Π½Ρ Π½Π° ΡΠΌΠ΅ΡΠ΅Π½Π½ΡΡ ΡΠΊΠΎΡΠΎΡΡΡΡ ΠΈ Π΄Π°ΠΆΠ΅ Π² Π½Π΅ΠΏΠΎΠ΄Π²ΠΈΠΆΠ½ΠΎΠΌ ΡΠΎΡΡΠΎΡΠ½ΠΈΠΈ. Π ΠΎΡΠ»ΠΈΡΠΈΠ΅ ΠΎΡ ΡΡΠ°Π΄ΠΈΡΠΈΠΎΠ½Π½ΡΡ ΠΏΡΠΈΠ²ΠΎΠ΄ΠΎΠ², ΡΠ°Π·ΠΌΠ΅Ρ ΠΈ Π²ΡΠ±ΠΎΡ ΠΌΠΎΠΌΠ΅Π½ΡΠ½ΠΎΠ³ΠΎ Π΄Π²ΠΈΠ³Π°ΡΠ΅Π»Ρ ΠΎΡΠ½ΠΎΠ²Π°Π½ ΠΈΡΠΊΠ»ΡΡΠΈΡΠ΅Π»ΡΠ½ΠΎ Π½Π° ΠΊΡΡΡΡΡΠ΅ΠΌ ΠΌΠΎΠΌΠ΅Π½ΡΠ΅, Π° Π½Π΅ Π½Π° ΠΌΠΎΡΠ½ΠΎΡΡΠΈ. ΠΠΎ ΡΡΡΠΈ, ΠΏΠΈΠΊΠΎΠ²ΡΠΉ ΠΊΡΡΡΡΡΠΈΠΉ ΠΌΠΎΠΌΠ΅Π½Ρ ΠΎΠΏΡΠ΅Π΄Π΅Π»ΡΠ΅Ρ ΠΌΠ°ΠΊΡΠΈΠΌΠ°Π»ΡΠ½ΡΠΉ ΠΊΡΡΡΡΡΠΈΠΉ ΠΌΠΎΠΌΠ΅Π½Ρ, ΡΠΈΠ·ΠΈΡΠ΅ΡΠΊΠΈ ΡΠΎΠ·Π΄Π°Π²Π°Π΅ΠΌΡΠΉ Π΄Π²ΠΈΠ³Π°ΡΠ΅Π»Π΅ΠΌ, Π° Π½Π΅ΠΏΡΠ΅ΡΡΠ²Π½ΡΠΉ ΠΊΡΡΡΡΡΠΈΠΉ ΠΌΠΎΠΌΠ΅Π½Ρ ΠΎΠΏΡΠ΅Π΄Π΅Π»ΡΠ΅Ρ Π²Π΅Π»ΠΈΡΠΈΠ½Ρ ΠΊΡΡΡΡΡΠ΅Π³ΠΎ ΠΌΠΎΠΌΠ΅Π½ΡΠ°, ΠΊΠΎΡΠΎΡΡΠΉ Π΄Π²ΠΈΠ³Π°ΡΠ΅Π»Ρ ΠΌΠΎΠΆΠ΅Ρ ΠΏΠΎΡΡΠΎΡΠ½Π½ΠΎ ΠΎΠ±Π΅ΡΠΏΠ΅ΡΠΈΠ²Π°ΡΡ. Π Π°Π±ΠΎΡΠΈΠΉ ΡΠΈΠΊΠ» ΠΏΡΠΈΠ»ΠΎΠΆΠ΅Π½ΠΈΡ Π±ΡΠ΄Π΅Ρ ΠΎΠΏΡΠ΅Π΄Π΅Π»ΡΡΡ Π·Π°Π²ΠΈΡΠΈΠΌΠΎΡΡΡ ΠΎΡ ΠΊΠΎΠ½ΡΡΡΡΠΊΡΠΈΠΈ Ρ ΠΏΠΈΠΊΠΎΠ²ΡΠΌ ΠΈΠ»ΠΈ Π½Π΅ΠΏΡΠ΅ΡΡΠ²Π½ΡΠΌ ΠΊΡΡΡΡΡΠΈΠΌ ΠΌΠΎΠΌΠ΅Π½ΡΠΎΠΌ.
ΠΠ°ΡΠ΅ΠΌ ΠΈΡΠΏΠΎΠ»ΡΠ·ΠΎΠ²Π°ΡΡ ΠΌΠΎΠΌΠ΅Π½ΡΠ½ΡΠ΅ Π΄Π²ΠΈΠ³Π°ΡΠ΅Π»ΠΈ?
ΠΠΎΠΌΠ΅Π½ΡΠ½ΡΠ΅ Π΄Π²ΠΈΠ³Π°ΡΠ΅Π»ΠΈ ΠΌΠΎΠ³ΡΡ ΠΌΠ½ΠΎΠ³ΠΎΠ΅ ΠΏΡΠ΅Π΄Π»ΠΎΠΆΠΈΡΡ ΠΈΠ½ΠΆΠ΅Π½Π΅ΡΠ°ΠΌ. ΠΠ½ΠΎΠ³ΠΈΠ΅ ΠΏΡΠΈΠ»ΠΎΠΆΠ΅Π½ΠΈΡ ΡΡΠ΅Π±ΡΡΡ ΡΠΎΡΠ½ΠΎΡΡΠΈ ΠΈ Π°ΠΊΠΊΡΡΠ°ΡΠ½ΠΎΡΡΠΈ Π² ΡΠ°Π·Π»ΠΈΡΠ½ΡΡ
ΠΎΡΡΠ°ΡΠ»ΡΡ
ΠΏΡΠΎΠΌΡΡΠ»Π΅Π½Π½ΠΎΡΡΠΈ, ΠΎΡ ΡΡΠ°Π½ΠΊΠΎΡΡΡΠΎΠ΅Π½ΠΈΡ Π΄ΠΎ Π°ΡΡΠΎΠΊΠΎΡΠΌΠΈΡΠ΅ΡΠΊΠΎΠΉ ΠΏΡΠΎΠΌΡΡΠ»Π΅Π½Π½ΠΎΡΡΠΈ, β ΠΌΠΎΠΌΠ΅Π½ΡΠ½ΡΠ΅ Π΄Π²ΠΈΠ³Π°ΡΠ΅Π»ΠΈ ΠΎΠ±Π΅ΡΠΏΠ΅ΡΠΈΠ²Π°ΡΡ ΠΏΡΠ΅ΠΈΠΌΡΡΠ΅ΡΡΠ²Π°, ΠΊΠΎΡΠΎΡΡΠ΅ Π½Π΅ ΠΌΠΎΠ³ΡΡ Π±ΡΡΡ ΠΎΠ±Π΅ΡΠΏΠ΅ΡΠ΅Π½Ρ Π°Π»ΡΡΠ΅ΡΠ½Π°ΡΠΈΠ²Π½ΡΠΌΠΈ ΠΊΠΎΠ½ΡΡΡΡΠΊΡΠΈΡΠΌΠΈ.
1. Π‘Π½ΠΈΠΆΠ΅Π½ΠΈΠ΅ ΡΡΠΎΠΈΠΌΠΎΡΡΠΈ Π²Π»Π°Π΄Π΅Π½ΠΈΡ
ΠΡΡΠΌΠΎΠ΅ ΡΠΎΠ΅Π΄ΠΈΠ½Π΅Π½ΠΈΠ΅ ΠΏΠΎΠ»Π΅Π·Π½ΠΎΠΉ Π½Π°Π³ΡΡΠ·ΠΊΠΈ Ρ ΡΠΎΡΠΎΡΠΎΠΌ ΡΡΡΡΠ°Π½ΡΠ΅Ρ Π½Π΅ΠΎΠ±Ρ ΠΎΠ΄ΠΈΠΌΠΎΡΡΡ Π² ΡΠ»Π΅ΠΌΠ΅Π½ΡΠ°Ρ ΠΌΠ΅Ρ Π°Π½ΠΈΡΠ΅ΡΠΊΠΎΠΉ ΠΏΠ΅ΡΠ΅Π΄Π°ΡΠΈ, ΡΠ°ΠΊΠΈΡ ΠΊΠ°ΠΊ ΡΠ΅Π΄ΡΠΊΡΠΎΡΡ, Π·ΡΠ±ΡΠ°ΡΡΠ΅ ΡΠ΅ΠΌΠ½ΠΈ, ΡΠ΅Π΄ΡΠΊΡΠΎΡΡ ΡΠΊΠΎΡΠΎΡΡΠΈ ΠΈ ΡΠ΅ΡΠ²ΡΡΠ½ΡΠ΅ ΠΏΠ΅ΡΠ΅Π΄Π°ΡΠΈ. Π Π² ΠΎΡΠ»ΠΈΡΠΈΠ΅ ΠΎΡ ΡΠ΅ΡΠΎΡΠ½ΡΡ ΡΠΎΡΠΎΡΠ½ΡΡ Π΄Π²ΠΈΠ³Π°ΡΠ΅Π»Π΅ΠΉ, ΠΌΠ΅ΠΆΠ΄Ρ ΡΠΎΡΠΎΡΠΎΠΌ ΠΈ ΡΡΠ°ΡΠΎΡΠΎΠΌ Π½Π΅Ρ ΠΊΠΎΠ½ΡΠ°ΠΊΡΠ°; ΠΏΠΎΡΡΠΎΠΌΡ ΠΎΡΡΡΡΡΡΠ²ΡΠ΅Ρ ΠΌΠ΅Ρ Π°Π½ΠΈΡΠ΅ΡΠΊΠΈΠΉ ΠΈΠ·Π½ΠΎΡ, ΡΡΠΎ ΠΎΠ±Π΅ΡΠΏΠ΅ΡΠΈΠ²Π°Π΅Ρ ΠΏΡΠ΅Π²ΠΎΡΡ ΠΎΠ΄Π½ΡΡ Π½Π°Π΄Π΅ΠΆΠ½ΠΎΡΡΡ ΠΈ Π΄Π»ΠΈΡΠ΅Π»ΡΠ½ΡΠΉ ΡΡΠΎΠΊ ΡΠ»ΡΠΆΠ±Ρ. ΠΠ΅Π½ΡΡΠ΅Π΅ ΠΊΠΎΠ»ΠΈΡΠ΅ΡΡΠ²ΠΎ ΠΌΠ΅Ρ Π°Π½ΠΈΡΠ΅ΡΠΊΠΈΡ ΡΠ°ΡΡΠ΅ΠΉ ΡΠ°ΠΊΠΆΠ΅ ΡΠ²ΠΎΠ΄ΠΈΡ ΠΊ ΠΌΠΈΠ½ΠΈΠΌΡΠΌΡ ΡΠ΅Ρ Π½ΠΈΡΠ΅ΡΠΊΠΎΠ΅ ΠΎΠ±ΡΠ»ΡΠΆΠΈΠ²Π°Π½ΠΈΠ΅ ΠΈ ΡΠ½ΠΈΠΆΠ°Π΅Ρ ΡΡΠΎΠΈΠΌΠΎΡΡΡ ΡΠΈΡΡΠ΅ΠΌΡ. Π’Π΅Ρ Π½ΠΎΠ»ΠΎΠ³ΠΈΡ ΠΏΡΡΠΌΠΎΠ³ΠΎ ΠΏΡΠΈΠ²ΠΎΠ΄Π°, ΠΏΡΠΈΡΡΡΠ°Ρ ΡΠΈΡΡΠ΅ΠΌΠ΅ ΠΌΠΎΠΌΠ΅Π½ΡΠ½ΠΎΠ³ΠΎ Π΄Π²ΠΈΠ³Π°ΡΠ΅Π»Ρ, ΠΎΠ±Π΅ΡΠΏΠ΅ΡΠΈΠ²Π°Π΅Ρ ΡΡΡΠ΅ΠΊΡΠΈΠ²Π½ΡΡ ΠΈ Π΄Π΅ΠΉΡΡΠ²Π΅Π½Π½ΡΡ Π±Π΅Π·ΡΠ΅Π΄ΡΠΊΡΠΎΡΠ½ΡΡ ΡΠ±ΠΎΡΠΊΡ.
2. ΠΡΠΎΡΡΠ°Ρ ΠΈΠ½ΡΠ΅Π³ΡΠ°ΡΠΈΡ
ΠΡΠΏΠΎΠ»ΡΠ·ΠΎΠ²Π°Π½ΠΈΠ΅ ΠΌΠ°Π³Π½ΠΈΡΠΎΠ² ΠΈ ΠΎΠ³ΡΠ°Π½ΠΈΡΠ΅Π½Π½ΠΎΠ³ΠΎ Π²ΠΎΠ·Π΄ΡΡΠ½ΠΎΠ³ΠΎ Π·Π°Π·ΠΎΡΠ° ΠΏΡΠΈΠ²ΠΎΠ΄ΠΈΡ ΠΊ Π±ΠΎΠ»ΡΡΠΎΠΌΡ ΠΏΠΎΠ»ΠΎΠΌΡ Π²Π°Π»Ρ ΠΈΠ»ΠΈ ΠΎΡΠ²Π΅ΡΡΡΠΈΡ Π΄Π»Ρ Π»Π΅Π³ΠΊΠΎΠΉ ΠΈΠ½ΡΠ΅Π³ΡΠ°ΡΠΈΠΈ ΠΊΠ°Π±Π΅Π»Π΅ΠΉ, ΠΎΡ
Π»Π°ΠΆΠ΄Π°ΡΡΠΈΡ
ΡΡΡΠ±ΠΎΠΊ ΠΈΠ»ΠΈ Π΄ΡΡΠ³ΠΎΠ³ΠΎ ΠΎΠ±ΠΎΡΡΠ΄ΠΎΠ²Π°Π½ΠΈΡ, ΡΠ²ΡΠ·Π°Π½Π½ΠΎΠ³ΠΎ Ρ ΠΏΡΠΈΠΌΠ΅Π½Π΅Π½ΠΈΠ΅ΠΌ. ΠΠΎΠ»ΡΡΠ΅Π²Π°Ρ ΠΊΠΎΠ½ΡΠΈΠ³ΡΡΠ°ΡΠΈΡ ΠΌΠΎΠΌΠ΅Π½ΡΠ½ΠΎΠ³ΠΎ Π΄Π²ΠΈΠ³Π°ΡΠ΅Π»Ρ ΠΌΠΈΠ½ΠΈΠΌΠΈΠ·ΠΈΡΡΠ΅Ρ ΠΎΠ±ΡΠ΅ΠΌ, Π½Π΅ΠΎΠ±Ρ
ΠΎΠ΄ΠΈΠΌΡΠΉ Π΄Π»Ρ ΠΌΠΎΠ½ΡΠ°ΠΆΠ°.
ΠΡΠΎ Π΄Π°Π΅Ρ ΡΠ°Π·ΡΠ°Π±ΠΎΡΡΠΈΠΊΡ ΠΌΠ°ΡΠΈΠ½ Π±ΠΎΠ»ΡΡΡΡ Π³ΠΈΠ±ΠΊΠΎΡΡΡ ΠΏΡΠΈ Π²ΡΠ±ΠΎΡΠ΅ ΡΠ°ΡΠΏΠΎΠ»ΠΎΠΆΠ΅Π½ΠΈΡ Π΄Π²ΠΈΠ³Π°ΡΠ΅Π»Ρ Π΄Π»Ρ ΡΠ°Π±ΠΎΡΡ Ρ ΠΏΠΎΠ΄ΡΠΈΠΏΠ½ΠΈΠΊΠ°ΠΌΠΈ, ΡΡΡΡΠΎΠΉΡΡΠ²Π°ΠΌΠΈ ΠΎΠ±ΡΠ°ΡΠ½ΠΎΠΉ ΡΠ²ΡΠ·ΠΈ ΠΈ ΠΏΠΎΠ»Π΅Π·Π½ΠΎΠΉ Π½Π°Π³ΡΡΠ·ΠΊΠΎΠΉ. ΠΡΠΎΠΌΠ΅ ΡΠΎΠ³ΠΎ, ΡΡΠΎΠ±Ρ Π½Π΅ ΠΎΡΡΡΠ°Π²Π°ΡΡ ΠΎΡ Π½ΠΎΠ²Π΅ΠΉΡΠΈΡ
ΡΠ΅Ρ
Π½ΠΎΠ»ΠΎΠ³ΠΈΠΉ ΠΈ ΡΡΠ΅Π±ΠΎΠ²Π°Π½ΠΈΠΉ ΠΊ ΠΏΡΠΈΠ»ΠΎΠΆΠ΅Π½ΠΈΡΠΌ, ΠΌΠΎΠ΄Π΅ΡΠ½ΠΈΠ·Π°ΡΠΈΡ, ΡΠ°ΠΊΠ°Ρ ΠΊΠ°ΠΊ TMB+, ΠΏΠΎΠ·Π²ΠΎΠ»ΠΈΠ»Π° ΠΌΠΎΠΌΠ΅Π½ΡΠ½ΡΠΌ Π΄Π²ΠΈΠ³Π°ΡΠ΅Π»ΡΠΌ Π΄ΠΎΡΡΠΈΡΡ Π±ΠΎΠ»ΡΡΠ΅Π³ΠΎ ΠΊΡΡΡΡΡΠ΅Π³ΠΎ ΠΌΠΎΠΌΠ΅Π½ΡΠ°, ΡΠΊΠΎΡΠΎΡΡΠΈ, ΡΠ°Π·ΠΌΠ΅ΡΠΎΠ² ΠΈ Π²Π°ΡΠΈΠ°Π½ΡΠΎΠ² ΠΈ ΡΠ½ΠΈΠ·ΠΈΡΡ ΡΠ΅ΠΏΠ»ΠΎΠ²ΡΠ΄Π΅Π»Π΅Π½ΠΈΠ΅, ΠΎΡΡΠ°Π²Π°ΡΡΡ ΠΏΡΠΈ ΡΡΠΎΠΌ ΠΏΠΎΠ»Π½ΠΎΡΡΡΡ ΡΠΎΠ²ΠΌΠ΅ΡΡΠΈΠΌΡΠΌΠΈ Ρ ΠΏΡΠ΅Π΄ΡΠ΄ΡΡΠΈΠΌΠΈ ΠΌΠΎΠ΄Π΅Π»ΡΠΌΠΈ.
3. ΠΠΈΠ½Π°ΠΌΠΈΡΠ΅ΡΠΊΠΈΠ΅ Ρ Π°ΡΠ°ΠΊΡΠ΅ΡΠΈΡΡΠΈΠΊΠΈ
ΠΠΈΠ½Π°ΠΌΠΈΡΠ΅ΡΠΊΠΈΠ΅ Ρ
Π°ΡΠ°ΠΊΡΠ΅ΡΠΈΡΡΠΈΠΊΠΈ Π·Π½Π°ΡΠΈΡΠ΅Π»ΡΠ½ΠΎ ΡΠ»ΡΡΡΠ΅Π½Ρ Π±Π»Π°Π³ΠΎΠ΄Π°ΡΡ ΠΎΡΠ΅Π½Ρ Π²ΡΡΠΎΠΊΠΎΠΉ ΠΏΡΠΎΠΏΡΡΠΊΠ½ΠΎΠΉ ΡΠΏΠΎΡΠΎΠ±Π½ΠΎΡΡΠΈ ΠΊΠΎΠ½ΡΡΡΠ° ΡΠΏΡΠ°Π²Π»Π΅Π½ΠΈΡ. ΠΡΡΠΌΠ°Ρ ΡΠ²ΡΠ·Ρ Π½Π°Π³ΡΡΠ·ΠΊΠΈ ΠΈ ΠΎΠ±ΡΠ°ΡΠ½ΠΎΠΉ ΡΠ²ΡΠ·ΠΈ ΠΏΠΎ ΠΏΠΎΠ»ΠΎΠΆΠ΅Π½ΠΈΡ Ρ Π΄Π²ΠΈΠ³Π°ΡΠ΅Π»Π΅ΠΌ ΠΈΠΌΠ΅Π΅Ρ ΡΠΎ ΠΏΡΠ΅ΠΈΠΌΡΡΠ΅ΡΡΠ²ΠΎ, ΡΡΠΎ ΡΡΡΡΠ°Π½ΡΠ΅Ρ Π²ΡΠ΅ ΡΠ²Π»Π΅Π½ΠΈΡ, ΠΊΠΎΡΠΎΡΡΠ΅ ΠΎΠ³ΡΠ°Π½ΠΈΡΠΈΠ²Π°ΡΡ Π΄ΠΈΠ½Π°ΠΌΠΈΡΠ΅ΡΠΊΠΈΠ΅ Ρ
Π°ΡΠ°ΠΊΡΠ΅ΡΠΈΡΡΠΈΠΊΠΈ ΠΌΠ°ΡΠΈΠ½ Ρ Π½Π΅ΠΏΡΡΠΌΡΠΌ ΠΏΡΠΈΠ²ΠΎΠ΄ΠΎΠΌ. Π£ΡΡΡΠ°Π½Π΅Π½ΠΈΠ΅ Π΄ΠΎΠ»Π³ΠΎΠ²ΡΠ΅ΠΌΠ΅Π½Π½ΠΎΠ³ΠΎ Π΄ΡΠ΅ΠΉΡΠ°, ΡΠ»Π°ΡΡΠΈΡΠ½ΠΎΡΡΠΈ ΠΈ Π»ΡΡΡΠ° ΡΠ²Π»ΡΠ΅ΡΡΡ ΠΎΠ³ΡΠΎΠΌΠ½ΡΠΌ ΠΏΡΠ΅ΠΈΠΌΡΡΠ΅ΡΡΠ²ΠΎΠΌ Π΄Π»Ρ ΠΏΡΠΎΠΈΠ·Π²ΠΎΠ΄ΠΈΡΠ΅Π»ΡΠ½ΠΎΡΡΠΈ ΠΈ ΡΡΠΎΠΊΠ° ΡΠ»ΡΠΆΠ±Ρ ΠΌΠ°ΡΠΈΠ½Ρ. ΠΠΎΠΌΠ΅Π½ΡΠ½ΡΠ΅ Π΄Π²ΠΈΠ³Π°ΡΠ΅Π»ΠΈ ΠΈΠΌΠ΅ΡΡ ΡΠΈΡΠΎΠΊΠΈΠΉ ΡΠΏΠ΅ΠΊΡΡ ΡΡΠ΅Π±ΠΎΠ²Π°Π½ΠΈΠΉ ΠΊ Π΄ΠΈΠ½Π°ΠΌΠΈΡΠ΅ΡΠΊΠΈΠΌ Ρ
Π°ΡΠ°ΠΊΡΠ΅ΡΠΈΡΡΠΈΠΊΠ°ΠΌ.
Π Π·Π°Π²ΠΈΡΠΈΠΌΠΎΡΡΠΈ ΠΎΡ ΡΠΏΠ΅ΡΠΈΡΠΈΠΊΠΈ ΡΠ°Π±ΠΎΡΠ΅Π³ΠΎ ΡΠΈΠΊΠ»Π° ΡΠΈΡΡΠ΅ΠΌΡ ΠΏΠΈΠΊΠΎΠ²ΡΠΉ ΠΊΡΡΡΡΡΠΈΠΉ ΠΌΠΎΠΌΠ΅Π½Ρ, ΠΏΠΎΡΡΠΎΡΠ½Π½ΡΠΉ ΠΊΡΡΡΡΡΠΈΠΉ ΠΌΠΎΠΌΠ΅Π½Ρ ΠΈΠ»ΠΈ ΠΈ ΡΠΎ, ΠΈ Π΄ΡΡΠ³ΠΎΠ΅ Π±ΡΠ΄ΡΡ ΠΎΠΏΡΠ΅Π΄Π΅Π»ΡΡΡ Π²ΡΠ±ΠΎΡ Π΄Π²ΠΈΠ³Π°ΡΠ΅Π»Ρ.
4. ΠΠΎΠΌΠ΅Π½ΡΠ½ΡΠ΅ Π΄Π²ΠΈΠ³Π°ΡΠ΅Π»ΠΈ ΠΈΠΌΠ΅ΡΡ ΡΠΈΡΠΎΠΊΠΈΠΉ ΡΠ°Π±ΠΎΡΠΈΠΉ Π΄ΠΈΠ°ΠΏΠ°Π·ΠΎΠ½
ΠΠΎΠΊΠ° Π΄Π²ΠΈΠ³Π°ΡΠ΅Π»Ρ Π½Π΅ Π²ΡΡ ΠΎΠ΄ΠΈΡ Π·Π° ΠΏΡΠ΅Π΄Π΅Π» ΡΠ²ΠΎΠ΅Π³ΠΎ ΡΡΠΈΠ»ΠΈΡ ΠΈΠ»ΠΈ Π½Π΅ ΠΏΠ΅ΡΠ΅Π³ΡΠ΅Π²Π°Π΅ΡΡΡ, ΡΠ΅Π³ΡΠ»ΠΈΡΠΎΠ²ΠΊΠ° ΡΠ°Π±ΠΎΡΠ΅Π³ΠΎ ΡΠΈΠΊΠ»Π° ΠΌΠΎΠΌΠ΅Π½ΡΠ½ΠΎΠ³ΠΎ Π΄Π²ΠΈΠ³Π°ΡΠ΅Π»Ρ ΡΠ²ΠΎΠ΄ΠΈΡΡΡ ΠΊ ΠΏΡΠΎΡΡΠΎΠΌΡ ΠΈΠ·ΠΌΠ΅Π½Π΅Π½ΠΈΡ ΡΠ»Π΅ΠΌΠ΅Π½ΡΠΎΠ² ΡΠΏΡΠ°Π²Π»Π΅Π½ΠΈΡ. ΠΠΎΠΌΠ΅Π½ΡΠ½ΡΠ΅ Π΄Π²ΠΈΠ³Π°ΡΠ΅Π»ΠΈ ΠΌΠΎΠ³ΡΡ Π»Π΅Π³ΠΊΠΎ ΠΏΠ΅ΡΠ΅ΠΊΠ»ΡΡΠ°ΡΡΡΡ ΠΌΠ΅ΠΆΠ΄Ρ Π²ΡΡΠΎΠΊΠΈΠΌ ΠΊΡΡΡΡΡΠΈΠΌ ΠΌΠΎΠΌΠ΅Π½ΡΠΎΠΌ ΠΈ Π²ΡΡΠΎΠΊΠΎΡΠΊΠΎΡΠΎΡΡΠ½ΡΠΌΠΈ Π΄Π²ΠΈΠΆΠ΅Π½ΠΈΡΠΌΠΈ Π±Π΅Π· ΠΊΠ°ΠΊΠΈΡ -Π»ΠΈΠ±ΠΎ ΠΌΠ΅Ρ Π°Π½ΠΈΡΠ΅ΡΠΊΠΈΡ ΡΠ΅Π³ΡΠ»ΠΈΡΠΎΠ²ΠΎΠΊ. ΠΡΠ° ΡΠ½ΠΈΠ²Π΅ΡΡΠ°Π»ΡΠ½ΠΎΡΡΡ Π΄Π²ΠΈΠ³Π°ΡΠ΅Π»Ρ ΠΏΠΎΠ·Π²ΠΎΠ»ΡΠ΅Ρ Π΅ΠΌΡ Π²ΡΠΏΠΎΠ»Π½ΡΡΡ Π±ΠΎΠ»Π΅Π΅ ΡΠ»ΠΎΠΆΠ½ΡΠ΅ ΡΠ°Π±ΠΎΡΠΈΠ΅ ΡΠΈΠΊΠ»Ρ ΠΈ ΡΠ°ΡΡΠΈΡΡΠ΅Ρ Π΅Π³ΠΎ ΡΠ°Π±ΠΎΡΠΈΠΉ Π΄ΠΈΠ°ΠΏΠ°Π·ΠΎΠ½ ΠΏΠΎ ΡΡΠ°Π²Π½Π΅Π½ΠΈΡ Ρ Π΄ΡΡΠ³ΠΈΠΌΠΈ ΠΌΠ΅ΡΠΎΠ΄Π°ΠΌΠΈ, ΠΏΡΠΈ ΠΊΠΎΡΠΎΡΡΡ Π½Π΅ΠΎΠ±Ρ ΠΎΠ΄ΠΈΠΌΠΎ Π·Π°ΠΌΠ΅Π½ΡΡΡ Π΄Π΅ΡΠ°Π»ΠΈ.
Π ΡΠ»ΡΡΠ°Π΅ ΠΎΡΠΌΠ΅ΡΠ΅Π½Π½ΠΎΠ³ΠΎ Π½Π°Π³ΡΠ°Π΄Π°ΠΌΠΈ ΠΌΠΎΠΌΠ΅Π½ΡΠ½ΠΎΠ³ΠΎ Π΄Π²ΠΈΠ³Π°ΡΠ΅Π»Ρ TMK ΠΎΡ ETEL ΡΡΠΈ Π²ΠΎΠ·ΠΌΠΎΠΆΠ½ΠΎΡΡΠΈ ΡΠ°ΡΡΠΈΡΡΡΡΡΡ Π΅ΡΠ΅ Π±ΠΎΠ»ΡΡΠ΅ Π±Π»Π°Π³ΠΎΠ΄Π°ΡΡ Π΅Π³ΠΎ ΡΠ½ΠΈΠΊΠ°Π»ΡΠ½ΠΎΠΉ ΠΊΠΎΠ½ΡΡΡΡΠΊΡΠΈΠΈ Ρ ΠΈΡΠΏΠΎΠ»ΡΠ·ΠΎΠ²Π°Π½ΠΈΠ΅ΠΌ ΡΠΏΠ΅ΡΠΈΠ°Π»ΡΠ½ΠΎΠΉ ΠΊΠΎΠ½ΡΠΈΠ³ΡΡΠ°ΡΠΈΠΈ ΠΌΠ°Π³Π½ΠΈΡΠ°, ΠΊΠΎΡΠΎΡΠ°Ρ ΠΏΠΎΠ·Π²ΠΎΠ»ΡΠ΅Ρ Π΅ΠΌΡ ΡΠ°Π±ΠΎΡΠ°ΡΡ ΠΊΠ°ΠΊ ΠΏΡΠΈ Π½ΠΈΠ·ΠΊΠΎΠΌ ΠΊΡΡΡΡΡΠ΅ΠΌ ΠΌΠΎΠΌΠ΅Π½ΡΠ΅/Π²ΡΡΠΎΠΊΠΎΠΉ ΡΠΊΠΎΡΠΎΡΡΠΈ, ΡΠ°ΠΊ ΠΈ ΠΏΡΠΈ Π½ΠΈΠ·ΠΊΠΎΠΉ ΡΠΊΠΎΡΠΎΡΡΠΈ/Π²ΡΡΠΎΠΊΠΎΠΌ ΠΊΡΡΡΡΡΠ΅ΠΌ ΠΌΠΎΠΌΠ΅Π½ΡΠ΅.
ΠΎΠΏΠ΅ΡΠ°ΡΠΈΠΈ Π² Π³ΠΎΡΠ°Π·Π΄ΠΎ Π±ΠΎΠ»ΡΡΠ΅ΠΉ ΡΡΠ΅ΠΏΠ΅Π½ΠΈ, ΡΠ΅ΠΌ ΡΡΠ°Π΄ΠΈΡΠΈΠΎΠ½Π½ΡΠ΅ ΡΠΎΡΠΌΡ ΠΌΠ°Π³Π½ΠΈΡΠ°.
5. Π’ΠΈΡ ΠΈΠΉ ΡΠ΅Ρ
Π₯ΠΎΡΡ Π΄Π΅ΠΌΠΎΠ½ΡΠ°ΠΆ ΡΠ΅Π΄ΡΠΊΡΠΎΡΠ° ΠΌΠΎΠΆΠ΅Ρ ΠΏΠΎΠΊΠ°Π·Π°ΡΡΡΡ ΡΠ»ΠΎΠΆΠ½ΠΎΠΉ Π·Π°Π΄Π°ΡΠ΅ΠΉ, Π΄Π²ΠΈΠ³Π°ΡΠ΅Π»ΠΈ Ρ ΠΏΡΡΠΌΡΠΌ ΠΏΡΠΈΠ²ΠΎΠ΄ΠΎΠΌ ΠΈΠΌΠ΅ΡΡ ΠΌΠ΅Π½ΡΡΠ΅ Π΄Π²ΠΈΠΆΡΡΠΈΡ ΡΡ ΡΠ°ΡΡΠ΅ΠΉ, ΡΠ΅ΠΌ ΠΈΡ Π°Π½Π°Π»ΠΎΠ³ΠΈ Ρ ΡΠ΅Π΄ΡΠΊΡΠΎΡΠΎΠΌ. ΠΡΠΎ ΠΏΡΠΈΠ²ΠΎΠ΄ΠΈΡ ΠΊ ΡΠΌΠ΅Π½ΡΡΠ΅Π½ΠΈΡ Π²ΠΈΠ±ΡΠ°ΡΠΈΠΈ, ΡΡΠΌΠ° ΠΈ ΠΏΡΠ»ΡΡΠ°ΡΠΈΠΉ ΠΊΡΡΡΡΡΠ΅Π³ΠΎ ΠΌΠΎΠΌΠ΅Π½ΡΠ°. ΠΠΎΠΌΠΈΠΌΠΎ Π±ΠΎΠ»Π΅Π΅ ΡΠΈΡ ΠΎΠΉ ΡΠ°Π±ΠΎΡΡ, ΠΎΡΠΊΠ°Π· ΠΎΡ ΡΠ΅ΠΌΠ½Π΅ΠΉ ΠΈ ΡΠ΅ΠΏΠ΅ΠΉ ΡΡΡΡΠ°Π½ΡΠ΅Ρ ΡΠ΅Π»ΡΠΉ ΠΊΠ»Π°ΡΡ ΠΎΡΠΊΠ°Π·ΠΎΠ² Π΄Π²ΠΈΠ³Π°ΡΠ΅Π»Ρ.
ΠΡΠΈΠΌΠ΅Ρ ΠΏΡΠΎΠΌΡΡΠ»Π΅Π½Π½ΠΎΠ³ΠΎ ΠΏΡΠΈΠΌΠ΅Π½Π΅Π½ΠΈΡ: 5-ΠΎΡΠ΅Π²ΠΎΠ΅ ΡΡΠ΅Π·Π΅ΡΠΎΠ²Π°Π½ΠΈΠ΅ ΠΈ ΡΠΎΠΊΠ°ΡΠ½Π°Ρ ΠΎΠ±ΡΠ°Π±ΠΎΡΠΊΠ°
Hermle, ΠΏΠ°ΡΡΠ½Π΅Ρ ETEL, ΡΡΠ΅Π·Π΅ΡΠ½ΡΠ΅ ΠΈ ΡΠΎΠΊΠ°ΡΠ½ΡΠ΅ ΡΡΠ°Π½ΠΊΠΈ ΠΌΠΎΠ³ΡΡ ΠΏΠ΅ΡΠ΅ΠΊΠ»ΡΡΠ°ΡΡΡΡ ΠΌΠ΅ΠΆΠ΄Ρ ΡΡΠ΅Π·Π΅ΡΠ½ΡΠΌ ΡΠ΅ΠΆΠΈΠΌΠΎΠΌ, Π² ΠΊΠΎΡΠΎΡΠΎΠΌ ΠΈΡΠΏΠΎΠ»ΡΠ·ΡΡΡΡΡ ΠΌΠΎΠΌΠ΅Π½ΡΠ½ΡΠ΅ Π΄Π²ΠΈΠ³Π°ΡΠ΅Π»ΠΈ Π΄Π»Ρ ΠΏΡΠΈΠ»ΠΎΠΆΠ΅Π½ΠΈΠΉ Ρ Π½ΠΈΠ·ΠΊΠΎΠΉ ΡΠΊΠΎΡΠΎΡΡΡΡ/Π²ΡΡΠΎΠΊΠΈΠΌ ΠΊΡΡΡΡΡΠΈΠΌ ΠΌΠΎΠΌΠ΅Π½ΡΠΎΠΌ, ΠΈ ΡΠΎΠΊΠ°ΡΠ½ΡΠΌ ΡΠ΅ΠΆΠΈΠΌΠΎΠΌ, Π΄Π»Ρ ΠΊΠΎΡΠΎΡΠΎΠ³ΠΎ ΡΡΠ΅Π±ΡΠ΅ΡΡΡ Π΄Π²ΠΈΠ³Π°ΡΠ΅Π»Ρ Ρ Π²ΡΡΠΎΠΊΠΈΠΌ ΡΠΊΠΎΡΠΎΡΡΡ/Π½ΠΈΠ·ΠΊΠΈΠΉ ΠΊΡΡΡΡΡΠΈΠΉ ΠΌΠΎΠΌΠ΅Π½Ρ. ΠΡΠΎ Π²ΠΎΠ·ΠΌΠΎΠΆΠ½ΠΎ Π² ΡΠ°ΠΌΠΊΠ°Ρ ΠΎΠ΄Π½ΠΎΠΉ ΠΌΠ°ΡΠΈΠ½Ρ Π±Π»Π°Π³ΠΎΠ΄Π°ΡΡ ΡΠ΅Ρ Π½ΠΎΠ»ΠΎΠ³ΠΈΠΈ ΠΌΠΎΠΌΠ΅Π½ΡΠ½ΠΎΠ³ΠΎ Π΄Π²ΠΈΠ³Π°ΡΠ΅Π»Ρ TMK.
ΠΡΡΠ³ΠΈΠ΅ ΡΠΎΠΎΡΠ²Π΅ΡΡΡΠ²ΡΡΡΠΈΠ΅ ΠΎΡΡΠ°ΡΠ»ΠΈ, Π² ΠΊΠΎΡΠΎΡΡΡ
ΠΌΠΎΠΌΠ΅Π½ΡΠ½ΡΠ΅ Π΄Π²ΠΈΠ³Π°ΡΠ΅Π»ΠΈ ΠΈΠ³ΡΠ°ΡΡ ΠΊΠ»ΡΡΠ΅Π²ΡΡ ΡΠΎΠ»Ρ, Π²ΠΊΠ»ΡΡΠ°ΡΡ ΠΏΡΠΎΠΈΠ·Π²ΠΎΠ΄ΡΡΠ²ΠΎ ΠΏΠΎΠ»ΡΠΏΡΠΎΠ²ΠΎΠ΄Π½ΠΈΠΊΠΎΠ², Π°Π²ΡΠΎΠΌΠ°ΡΠΈΠ·Π°ΡΠΈΡ ΠΏΡΠΎΠΈΠ·Π²ΠΎΠ΄ΡΡΠ²Π°, ΡΠΎΠ±ΠΎΡΠΎΡΠ΅Ρ
Π½ΠΈΠΊΡ ΠΈ ΡΡΠ°Π½ΠΊΠΎΡΡΡΠΎΠ΅Π½ΠΈΠ΅.
