Схема Лада Ларгус. | Автотема
Схема Лада Ларгус.Как читать схему Лада Ларгус.
Расположение клемм “массы” элементов электрооборудования Лада Ларгус.
Масса АКБ Лада Ларгус.
АКБ, блок предохранителей и реле в моторном отсеке (реле впрыска) (двигатели K4M690, K7M710) Лада Ларгус.
АКБ, блок предохранителей и реле в моторном отсеке Лада Ларгус.
Блок предохранителей в салоне Лада Ларгус.
Предохранители и реле Лада Ларгус.
ЭСУД автомобиля с двигателем K7M (рулевое управление с усилителем) Лада Ларгус.
Схема системы управления двигателем K7M Лада Ларгус.
ЭСУД автомобиля с двигателем K4M (рулевое управление с усилителем) Лада Ларгус.
Схема системы управления двигателем K4M Лада Ларгус.
Диагностический разъём Лада Ларгус.
Приёмное кольцо (катушка связи) системы электронной противоугонной блокировки запуска двигателя Лада Ларгус.
Центральный коммутационный блок в салоне (ЦЭКБС) Лада Ларгус.
Комбинация приборов (маршрутный компьютер, антиблокировочная система) Лада Ларгус.
Комбинация приборов (без антиблокировочной систем, без системы навигации) Лада Ларгус.
Комбинация приборов (антиблокировочная система) Лада Ларгус.
Комбинация приборов (маршрутный компьютер) Лада Ларгус.
Датчик уровня топлива и топливный насос (модуль электробензонасоса) Лада Ларгус.
Датчик уровня топлива и топливный насос Лада Ларгус.
Схема подключения топливного насоса и датчика уровня топлива Лада Ларгус.
Система надувных подушек безопасности с боковыми подушками безопасности Лада Ларгус.
Система надувных подушек безопасности с боковыми подушками безопасности и преднатяжителями ремней безопасности Лада Ларгус.
Система надувных подушек безопасности одноканальная (подушка безопасности водителя) Лада Ларгус.
Система надувных подушек безопасности двухканальная (подушка безопасности водителя, подушка безопасности пассажира) Лада Ларгус.
Дальний свет фар Лада Ларгус.
Ближний свет фар Лада Ларгус.
Схема подключения габаритных огней и фар Лада Ларгус.
Датчик уровня тормозной жидкости Лада Ларгус.
Датчик давления масла Лада Ларгус.
Аудиосистема без громкоговорителей Лада Ларгус.
Аудиосистема с двумя громкоговорителями Лада Ларгус.
Аудиосистема с четырьмя громкоговорителями Лада Ларгус.
Схема подключения динамиков акустической системы Лада Ларгус.
Электровентилятор системы охлаждения двигателя (обычная система отопления, двигатель K4M) Лада Ларгус.
Противотуманные фары Лада Ларгус.
Задние противотуманные фонари Лада Ларгус.
Схема подключения противотуманных фар и заднего противотуманного фонаря Лада Ларгус.
Габаритные огни (с подсветкой вещевого ящика) Лада Ларгус.
Освещение вещевого ящика Лада Ларгус.
Выключатель сигнальной лампы стояночного тормоза Лада Ларгус.
Правый задний фонарь, выключатель света заднего хода Лада Ларгус.
Плафон освещения салона (семейство F90, замки дверей с функцией “центральный замок” и ДУ) Лада Ларгус.
Плафон освещения салона (семейство K90, пять мест, замки дверей с функцией “центральный замок” и ДУ) Лада Ларгус.
Плафон освещения салона (семейство K90, семь мест, замки дверей с функцией “центральный замок” и ДУ) Лада Ларгус.
Плафон освещения багажника (семейство K90, замки дверей с функцией “центральный замок” и ДУ) Лада Ларгус.
Плафон освещения багажника (семейство F90, замки дверей с функцией “центральный замок” и ДУ) Лада Ларгус.
Электроподогрев сидений Лада Ларгус.
Стеклоочиститель переднего стекла и стеклоомыватель (без очистителя заднего стекла) Лада Ларгус.
Стеклоочистители переднего и заднего стекла, стеклоомыватели (с очистителем заднего стекла) Лада Ларгус.
Схема очистителей и омывателей ветрового стекла и стекла двери задка Лада Ларгус.
Наружные зеркала заднего вида с электроприводом и обогревом Лада Ларгус.
Электростеклоподъёмники передних дверей Лада Ларгус.
Электростеклоподъёмники задних дверей Лада Ларгус.
Схема подключения электростеклоподъёмников Лада Ларгус.
Электрообогрев заднего стекла Лада Ларгус.
Схема электрообогрева заднего стекла Лада Ларгус.
Указатели поворотов и аварийной сигнализации Лада Ларгус.
Система кондиционирования воздуха и система охлаждения двигателя (климатическая установка, двигатель K7M710) Лада Ларгус.
Система кондиционирования и система охлаждения двигателя (климатическая установка, двигатель K4M690) Лада Ларгус.
Схема системы отопления, кондиционирования и вентиляции салона Лада Ларгус.
Датчик скорости автомобиля (подушка безопасности водителя, двигатель K7M710) Лада Ларгус.
Датчик скорости автомобиля (передняя боковая подушка безопасности, двигатель K4M690) Лада Ларгус.
АБС, лампы стоп-сигналов Лада Ларгус.
АБС, датчики скорости колёс Лада Ларгус.
Цепь включения звукового сигнала Лада Ларгус.
Цепь запуска двигателя (двигатель K4M690) Лада Ларгус.
Схема системы пуска и зарядки АКБ двигателей K4M и K7M Лада Ларгус.
Цепь заряда АКБ (двигатель K4M690) Лада Ларгус.
Схема включения генератора, стартера (двигатель K7M710) Лада Ларгус.
Схема включения генератора, стартера, АКБ (двигатель K7M710) Лада Ларгус.
Схема включения генератора, гидроусилителя рулевого управления Лада Ларгус.
Схема подключения прикуривателя Лада Ларгус.
Схема управления электроприводами замков дверей Лада Ларгус.
Расположение элементов электрооборудования, жгутов проводов Лада Ларгус.
Схема системы центральной блокировки замков Лада Ларгус.
Схема подключения зеркал заднего вида Лада Ларгус.
Схема подключения звукового сигнала Лада Ларгус.
Схема указателей поворотов и аварийной сигнализации Лада Ларгус.
Поделиться ссылкой:
Похожие статьи
Схема Лада Ларгус | 2 Схемы
Здесь находится самый большой сборник схем и другой полезной литературы по Лада Ларгус, предназначенной для самостоятельного ремонта и обслуживания авто.
Первое поколение LADA Largus выпускалось с 2012 по 2019 год. В 2019 году LADA Largus прошёл рестайлинг, а в 2021 ещё один. Итого сейчас существуют такие модели, как Largus универсал, Largus Cross и Largus фургон. Обратите внимание, что это уже не чистый ВАЗ, поэтому он без номера 21хх, и называется R90.
Схема электропроводки LADA Largus
Все блоки, в том числе схема управления двигателем К4М и К7М, цепь зарядки аккумуляторной батареи, ближний свет фар и противотуманные фары, указатели поворота и аварийная сигнализация, топливный насос и датчик уровня топлива, звуковой сигнал и подключение динамиков звуковой системы, очистители и омыватели ветрового стекла и стекла двери задка, электроподъемники передних и задних дверей, система центральной блокировки дверей и система отопления и вентиляции салона, другие модули.
Схемы соединений жгутов проводов
Далее показаны более подробно различные фрагменты электросхем этого автомобиля.
Схема соединений жгута проводов двигателя 1,6 (8V)
1 – генератор Лада Ларгус;
2 – компрессор кондиционера;
3 – вентилятор системы охлаждения;
4 – дополнительный резистор;
5 – стартер R90;
6 – аккумуляторная батарея;
7 – датчик абсолютного давления воздуха;
8 – датчик скорости автомобиля;
10 – датчик температуры воздуха на впуске;
11 – клапан продувки адсорбера;
12 – управляющий датчик концентрации кислорода;
13 – колодка соединения со жгутом проводов управляющего датчика концентрации кислорода;
14 – диагностический датчик концентрации кислорода;
15 – колодка соединения со жгутом проводов диагностического датчика концентрации кислорода;
16 – катушка зажигания;
17 – свечи зажигания;
18 – форсунки;
19 – датчик положения дроссельной заслонки;
20 – регулятор холостого хода;
21 – датчик температуры охлаждающей жидкости;
22 – датчик детонации;
23 – датчик давления хладагента;
24 – датчик давления в системе гидроусилителя рулевого управления;
25 – датчик сигнализатора недостаточного давления масла;
26 – выключатель света заднего хода;
27 – электронный блок управления двигателем;
28 – блок предохранителей и реле в моторном отсеке;
29 – реле большой скорости вентилятора системы охлаждения;
31 – реле компрессора кондиционера;
32 – реле топливного насоса и катушки зажигания;
33 – главное реле Лада Ларгус;
34, 35 – предохранители в блоке реле и предохранителей в моторном отсеке;
37 – колодка соединения с передним жгутом проводов кузова.

Схема соединений жгута проводов двигателя 1,6 (16V)
1 – генератор;
2 – компрессор кондиционера;
3 – вентилятор системы охлаждения;
4 – дополнительный резистор;
5 – стартер;
6 – аккумуляторная батарея;
7 – датчик абсолютного давления воздуха;
8 – датчик скорости автомобиля;
9 – датчик температуры охлаждающей жидкости;
10 – датчик положения коленчатого вала;
11 – датчик температуры воздуха на впуске;
12 – клапан продувки адсорбера;
13 – управляющий датчик концентрации кислорода;
15 – диагностический датчик концентрации кислорода;
16 – колодка соединения со жгутом проводов диагностического датчика концентрации кислорода;
17 – катушки зажигания;
18 – свечи зажигания;
19 – форсунки R90;
20 – датчик положения дроссельной заслонки;
21 – регулятор холостого хода;
22 – датчик детонации;
23 – датчик давления хладагента;
24 – датчик давления в системе гидроусилителя рулевого управления;
25 – датчик сигнализатора недостаточного давления масла;
26 – выключатель света заднего хода;
28 – электронный блок управления двигателем;
29 – блок предохранителей и реле в моторном отсеке;
30 – реле большой скорости вентилятора системы охлаждения;
31 – реле малой скорости вентилятора системы охлаждения;
32 – реле компрессора кондиционера;
33 – реле топливного насоса и катушки зажигания;
34 – главное реле;
37 – колодка соединения с передним жгутом проводов кузова.

Схема соединений переднего жгута проводов
1 – правая блок-фара;
2 – правая противотуманная фара;
3 – колодка соединения со жгутом проводов противотуманных фар;
4 – левая противотуманная фара;
5 – правый звуковой сигнал высокого тона;
6 – левый звуковой сигнал низкого тона;
7 – левая блок-фара;
8 – правый боковой указатель поворота;
9 – очиститель ветрового стекла;
10 – омыватель стекол R90;
11 – блок управления ABS Лада Ларгус;
12 – датчик уровня тормозной жидкости;
13 – левый боковой указатель поворота;
14 – датчик скорости вращения правого переднего колеса;
15 – блок реле и предохранителей в моторном отсеке;
16 – реле вентилятора отопителя;
17 – реле противотуманных фар;
18, 19 – предохранители в блоке реле и предохранителей в моторном отсеке;
20 – датчик скорости вращения левого переднего колеса;
21 – колодка соединения со жгутом проводов двигателя;
А – место перехода жгута проводов из моторного отсека в салон.
22 – правый подрулевой переключатель;
23 – подушка безопасности водителя;
24 – спиральный кабель;
25 – левый подрулевой переключатель;
26 – колодки подключения к аудиосистеме;
29 – выключатель сигналов торможения;
30 – реле обогрева стекла двери багажного отделения;
31 – катушка иммобилайзера;
32 – колодка соединения со жгутом проводов выключателя зажигания;
33 – выключатель зажигания;
34 – электропривод замка правой передней двери;
35 – стеклоподъемник правой передней двери;
36 – правый передний динамик;
37 – правое наружное зеркало;
38 – колодка соединения с правым наружным зеркалом;
39 – левое наружное зеркало;
40 – колодка соединения с левым наружным зеркалом;
41 – левый передний динамик;
42 – стеклоподъемник левой передней двери;
43 – электропривод замка левой передней двери;
44 – колодка диагностики;
45 – крышка колодки диагностики с перемычкой;
46 – блок управления подушками безопасности;
47 – колодка соединения со жгутом проводов вентилятора отопителя;
48 – вентилятор отопителя;
50 – блок дополнительных резисторов вентилятора отопителя;
51 – блок управления вентиляцией, отоплением и кондиционированием;
52 – колодка соединений со жгутом проводов подушки безопасности переднего пассажира и освещения вещевого ящика;
53 – выключатель стеклоподъемника правой передней двери;
54 – выключатель центрального замка;
55 – выключатель аварийной сигнализации;
56 – выключатель обогрева стекла двери багажного отделения;
57 – выключатель стеклоподьемника левой передней двери;
58 – коммутационный блок;
59 – колодка соединения со жгутом обогревателя правого переднего сиденья;
60 – элемент обогрева правого переднего сиденья;
61 – выключатель обогрева правого переднего сиденья;
62 – комбинация приборов;
63 – колодка соединения со жгутом обогревателя левого переднего сиденья;
64 – элемент обогрева левого переднего сиденья;
65 – выключатель обогрева левого переднего сиденья;
66 – прикуриватель;
67 – блок предохранителей в салоне;
68 – выключатель стеклоподъемника правой задней двери;
69 – выключатель сигнализатора включения стояночного тормоза и неисправности тормозной системы;
70 – плафон освещения салона;
71 – регулятор управления электроприводами наружных зеркал;
72 – выключатель блокировки задних стеклоподъемников;
73 – выключатель стеклоподъемника левой задней двери;
74, 75 – колодки соединения с задним жгутом проводов кузова.
Схема соединений заднего жгута проводов
1, 2 – колодки соединения с передним жгутом кузова;
3 – электропривод замка правой задней двери;
4 – стеклоподъемник правой задней двери;
5 – концевой выключатель лампы плафона освещения салона у правой передней двери;
6 – концевой выключатель лампы плафона освещения салона у правой задней двери;
7 – правый задний динамик;
8 – левый задний динамик Лада Ларгус;
9 – концевой выключатель лампы плафона освещения салона у левой задней двери;
10 – концевой выключатель лампы плафона освещения салона у левой передней двери;
11 – стеклоподъемник левой задней двери;
12 – электропривод замка левой задней двери;
13 – датчик скорости вращения правого заднего колеса;
14 – топливный модуль R90;
15 – очиститель стекла двери багажного отделения;
16 – элемент обогрева стекла двери багажного отделения;
17 – электропривод замка двери багажного отделения;
18 – датчик скорости вращения левого заднего колеса;
19 – правый задний фонарь;
20 – фонарь освещения номерного знака;
21 – дополнительный сигнал торможения;
22 – концевой выключатель плафона освещения багажника;
23 – плафон освещения багажника;
24 – левый задний фонарь.
Предохранители и реле автомобиля
Блок предохранителей и реле в салоне
Блок предохранителей в салоне находится в левом торце панели приборов, под пластиковой крышкой. Отсоедините крышку используя выемку снизу.
| № | Ток, A | Цвет | Защищаемая цель |
| F1 | 20 | Желтый | Очиститель ветрового стекла, переключатель очистителя стекол, реле обогрева стекла двери задка |
| F2 | 5 | Бежевый | Комбинация приборов, реле топливного насоса, электронный блок системы управления двигателям (ЭБУ) |
| F3 | 10 | Красный | Выключатель стоп-сигнала |
| F4 | 10 | Красный | Диагностический разъем, антенный блок иммобилизатора, блок управления электрооборудованием кузова |
| F5 | — | — | Резерв |
| F6 | — | — | Резерв |
| F7 | — | — | Резерв |
| F8 | — | — | Резерв |
| F9 | 10 | Красный | Комбинация приборов, ближний свет левой фары |
| F10 | 10 | Красный | Ближний свет правой фары |
| F11 | 10 | Красный | Комбинация приборов, дальний свет левой фары |
| F12 | 10 | Красный | Дальний свет правой фары |
| F13 | 30 | Зеленый | Электродвигатели стеклоподъемников задних дверей |
| F14 | 30 | Зеленый | Электродвигатели стеклоподъемников передних дверей |
| F15 | 10 | Красный | Электронный блок управления системой ABS, датчики ускорения, датчик угла поворота рулевого колеса |
| F16 | 15 | Голубой | Электрообогрев передних сидений |
| F17 | 15 | Голубой | Звуковой сигнал Лада Ларгус |
| F18 | 10 | Красный | Левые фонари переднего и заднего габаритных огней |
| F19 F20 | 10 7,5 | Красный Коричневый | Правые фонари переднего и заднего габаритных огней, освещение вещевого ящика, освещение комбинации приборов, выключатель аварийной сигнализации, блок управления системой отопления (кондиционирования) и вентиляции, аудиосистема, прикуриватель, выключатель центрального замка, переключатели электростеклоподъемников передних дверей, фонари освещения номерного знака, правые фонари переднего и заднего габаритных огней Задний противотуманный фонарь |
| F21 | 5 | Бежевый | Электрообогрев наружных зеркал |
| F22 | — | Резерв | |
| F23 | — | — | Резерв |
| F24 | Резерв | ||
| F25 | — | Резерв | |
| F26 | 5 | Бежевый | Система SRS |
| F27 | 20 | Желтый | Электродвигатель стеклоочистителя двери задка, звуковая сигнализация, датчик ВМТ, выключатель света заднего хода |
| F28 | 15 | Голубой | Блок управления электрооборудованием салона (энергосберегающий режим) |
| F29 | 15 | Голубой | Блок управления электрооборудованием салона, диагностический разъем |
| F30 | 20 | Желтый | Блок управления электрооборудованием салона |
| F31 | 15 | Голубой | Противотуманные фары, реле противотуманных фар |
| F32 | 30 | Зеленый | Обогрев стекла двери задка |
| F33 | — | Резерв | |
| F34 | — | Резерв | |
| F35 | — | Резерв | |
| F36 | 30 | Зеленый | Электродвигатель системы отопления, кондиционирования и вентиляции |
| F37 | 5 | Бежевый | Электропривод наружных зеркал заднего вида |
| F38 | 15 | Голубой | Аудиосистема, прикуриватель |
| F39 | 10 | Красный | Реле электродвигателя системы отопления, кондиционирования и вентиляции |
Блок предохранителей и реле в моторном отсеке
Другие реле и предохранители системы управления двигателем установлены в монтажном блоке, который располагается в подкапотном пространстве автомобиля слева от аккумулятора.
Чтоб открыть коробку отожмите фиксаторы с боковой, задней и передней части крышки.
| № | А | Наименование |
| 43 | 25 | Система управления газовым питанием (LPG) |
| 44 | 25 | Блок управления антиблокировочной системой (ABS) |
| 45 | 50 | Блок управления антиблокировочной системой (ABS) |
| 46 | 60 | Замок зажигания, защита бортовой сети (предохранители (F28-F32, F36), расположенные в салоне), цепи переключателя световой сигнализации |
| 47 | 60 | Защита бортовой сети, блок предохранителей в салоне (предохранители, расположенные после выключателя зажигания), цепи переключателя световой сигнализации |
| 51 | 25 | Топливный насос, контроллер системы управления двигателем, реле вентилятора системы охлаждения двигателя, реле блока управления двигателем, реле муфты компрессора кондиционера, катушки зажигания 1-4 цилиндров (ВАЗ 21129), катушка зажигания 2×2 (ВАЗ 11189), датчики кислорода, клапан продувки адсорбера, клапан управления длиной впускной трубы (ВАЗ 21129), форсунки, датчик фаз (ВАЗ 21129) |
| 52 | 40 | Вентилятор системы охлаждения двигателя, муфта компрессора кондиционера |
| Реле | ||
| R1 | Система управления газовым питанием (LPG) | |
| R2 | Отопитель Лада Ларгус | |
| R3 | Передние противотуманные фары | |
| R4 | Топливный насос | |
| R5 | Блок управления двигателем | |
| R6 | Вентилятор системы охлаждения двигателя (высокая скорость) | |
| R7 | Муфта компрессора кондиционера | |
| R8 | Вентилятор системы охлаждения двигателя (низкая скорость) | |
Номер панели реле/ пред. | Номер реле/пред. | Назначение реле/ предохранителя |
| 299-1 | 231 (А). | Реле противотуманных фар |
| 753(B) | Реле насоса омывателя фар | |
| 299-2 | 233 | Реле вентилятора отопителя |
| 597-1 | F1 (60 A), F2 (60 А) | Электронный блок управления системами ABS и ESP |
| 597-3 | F1 (50 A). F2 (25 А) | Переключатель наружного освещения, блок предохранителей в салоне |
| 784 | 700(A), | Реле электровентилятора системы охлаждения |
| 474(B) | Реле включения компрессора кондиционера | |
| 1047 | F1 (30 А), | Питание блока реле Лада Ларгус |
| F2 (25 А) | Питание реле системы впрыска | |
| F3 (5 А), | Питание реле системы впрыска, ЭБУ | |
| F4 (15 А) | Не используется | |
238(A).![]() | Реле блокировки впрыска | |
| 236(B) | Реле топливного насоса |
Обратите внимание, что схема реле и предохранителей может отличаться в зависимости от комплектации и даты выпуска авто. Актуальные схемы монтажного блока представлены в руководстве по эксплуатации в зависимости от даты выпуска Лада Ларгус.
Скачать книги по Лада Ларгус
Скачать руководство по ремонту, эксплуатации и сборники электрических схем вы можете бесплатно и без регистрации. Все альбомы в формате PDF.
Электрическая схема Лада Ларгус
Сегодня вряд ли можно отыскать такой двигатель, который был бы способен функционировать без электричества. Для подачи электрического питания к компонентам бортовой сети применяются аккумулятор и генератор. Даже в подвеске современного авто присутствуют потребители напряжения (к примеру, датчики «ABS»), не говоря уже о светотехнике, моторе, трансмиссии и салонном оборудовании.
И все это в себе содержит схема электрооборудования.
Электрооборудование в автомобиле Ларгус
Электросхема в автомобиле предусматривает присутствие двух глобальных категорий приборов: потребителей питающего напряжения и устройств, вырабатывающих ток. Эти узлы связаны посредством кабельных линий, состоящих в единой бортовой сети. По такому принципу функционирует сеть в LADA Largus. Кстати, в этом автомобиле отсутствуют минусовые провода (кромке АКБ), а роль отрицательного контакта выполняет сам кузов.
АКБ, генератор в Ларгусе
Эти устройства, как уже обозначалось, фигурируют в качестве источников питания сети. В Лада Ларгус весь комплекс электрооборудования функционирует на напряжении, равном стандартные 12 Вольт. Каждый из токоприемников посредством кабельных линий коммутирован с аккумулятором. Это необходимо для продолжения работы автомобиля при выходе из строя генераторной установки. Первый пуск мотора возможен именно благодаря присутствию батареи.
Для универсальной LADA Largus производитель применяет свинцовые АКБ, являющиеся необслуживаемыми устройствами. Они не подразумевают последующие доливки электролитической жидкости. Если АКБ настигла полная разрядка, а подзарядить не представляется возможным, то такое изделие безоговорочно меняют.
Генератор LADA Largus обретает жизнь благодаря ременной передаче, установленной на шкивах мотора и рассматриваемого здесь узла. Выработка электричества осуществляется только в движении. В это же время происходит подзарядка батареи.
Стартер в отечественном автомобиле
Это незаменимый узел для пуска силовой установки. Питание осуществляется напрямую от АКБ. С переводом ключа в замке зажигания в соответствующую пуску позицию происходит срабатывание втягивающего реле в стартерном узле, вал начинает вращаться и посредством шестерни приводит в движение маховик мотора. После выполненных операций по запуску силового агрегата происходит самостоятельное отключение стартера.
Система зажигания в Ларгусе
Теперь «эстафета включения» передается катушке зажигания.
Этот элемент направляет питание с высоким напряжением к свечам зажигания и делает это по определенному алгоритму. Свечи необходимы для образования искры внутри камер сгорания, что приводит к воспламенению смеси. Чтобы процесс горения стал возможен и происходил с достаточной эффективностью, катушка генерирует напряжение, достигающее в своем значении 30000 В. Питается катушка от штатной 12-вольтовой сети.
Освещение в популярном автомобиле Ларгус
Эта система призвана обеспечить устойчивый функционал осветительных приборов, присутствующих в авто. Такие устройства позволяют передвигаться в ночной период или при неудовлетворительной видимости днем.
Иные потребители тока в бортовой сети
Электросхема автомобиля Лада Ларгус содержит следующие токоприемники:
- стеклоподъемники;
- лампы, отвечающие за подсветку панели приборов и салонного пространства;
- комплекс обогрева зеркал;
- головное аудиоустройство;
- кондиционер;
- розетка прикуривателя.

Данные приборы не носят обязательный характер, однако повышают комфорт водителя, превознося статус автомобиля в более высокий ранг. С включением этих компонентов происходит увеличение нагрузки на генераторный узел, что предполагает повышение топливного расхода.
Бак Лада Ларгус
Замена переднего ступичного подшипника Лада Ларгус
Багажник на крышу автомобиля Ларгус
Реле в комплексе с предохранителями
Никакая современная автомобильная электрическая схема не в состоянии обойтись без этих компонентов, которые «стоят на страже» работоспособности и исправности токоприемников. Предохранители защищают цепи от риска короткого замыкания, а реле осуществляют управление функциями включения и деактивации. Единственная цепь, которая не наделена защитой, это коммутация стартера.
Важно! Каждый из предохранителей рассчитан на определенную величину силы тока. Если ток в сети по каким-то непонятным причинам превышает установленный предел, то рабочая перемычка предохранителя перегорает, создавая защиту в виде размыкания.
Указанные компоненты в Лада Ларгус расположены в специальных монтажных блоках. Эти боксы находятся в салоне по левую сторону от руля и в подкапотном пространстве.
ЭБУ с датчиками
Сейчас затронем «мозг» автомобиля Лада Ларгус – электронный блок управления мотором, присутствие которого позволяет управлять всеми электронными системами и компонентами узлов. Управляющие и контролирующие функции достигаются за счет присутствия датчиков.
ЭБУ представляет собой микропроцессорное устройство, имеющее собственный программный софт и память. Сбор информации, посылаемой датчиками в виде импульсов, происходит непрерывно, как только произошло включение зажигания.
Подведем итоги
В целом электрическая схема Лада Ларгус достаточно сложна. Это закономерно ввиду присутствия в бортовой сети большого перечня устройств и компонентов. Даже в руководстве по ремонту указанной схеме посвящено множество страниц. Разобраться в том, что такое электросхема, можно, и это позволит в будущем самостоятельно устранять некоторые мелкие неполадки.
Электросхемы Лада Ларгус
Электросхемы Лада ЛаргусВ данной категории приведена информация о электросхемах автомобиля Лада Ларгус. Все соединения проводки Лада Ларгус выполнены по двухполюсной электрической схеме, где земля (-) — это кузов, а питающие напряжения подводится через управляющие реле, датчики, устройства и выключатели.
От работы очистителей (дворников) и омывателей лобового и заднего стекла зависит хорошая обзорность и как следствие безопасность управления ТС. В данной статье мы приведем электрическую схему подключения дворников и омывателй на автомобиле Лада Ларгус.
Зеркала заднего вида на автомобиле Лада Ларгус имеют электропривода, что позволяет комфортно настраивать угол наклона зеркал прямо из салона автомобиля. Зеркала имеют настройку по вертикали в двух вертикальных плоскостях.
Кроме того, зеркала имеют подогрев. В случае их запотевания или обледенения можно включить обогрев зеркал, что поможет улучшить обзор в них.
Автомобиль Лада Ларгус один из немногих отечественных автомобилей комплектующийся штатной магнитолой.
Лада Ларгус идет с аудиоподготовкой и с магнитолой уже с завода. Именно о схеме, реализованной на автомобиле Лада Ларгус мы и поговорим в данной статье.
Звуковой сигнал на автомобиле, прежде всего, необходим для предотвращения ДТП. От его исправности и работы зависит ваша безопасность и безопасность участников дорожного движения.
В данной статье мы приведем электрическую схему подключения звукового сигнала на автомобиле Лада Ларгус.
В данной статье приведена информация о элементах и подключениях реализованных в схеме обогрева заднего стекла автомобиля Лада Ларгус.
Система управления двигателем Лада Ларгус включает в себя контролирующие датчики, систему впрыска топлива, отображение показаний на комбинации приборов, систему кондиционирования. Все это собрано воедино и имеет различные схемы подключения, в зависимости от модификации двигателя.
В статье приведены схемы системы управления двигателем 1,6 л 16 клапанным (К4М) и 1,6 л 8 клапанным (К7М). Более подробно о каждой из схем далее.
В этой статье вы найдете информацию о системе пуска двигателей автомобиля Лада Ларгус.
Обратите внимание, что схемы для 8 и 16 клапанного двигателя несколько различны.
Из особенностей системы пуска Лада Ларгус можно выделить следующую опцию. Так при запуске двигателя, если вы вовремя не разомкнули контакты запускающие стартер, то втягивающее реле отключиться от возникшего ЭДС на стартере, от вращения стартера заведенным двигателем автомобиля. То есть, автомобиль имеет защиту от несвоевременного отключения стартера при запуске двигателя.
От правильной зарядки аккумулятора зависит не только срок эксплуатации аккумуляторной батареи, но и ваша возможность передвижения. При невозможности по каким либо причинам обеспечивать нормальную зарядку аккумулятора системой зарядки, аккумулятор в итоге, может не выдавать необходимый ток.
В этом случае не будет гарантирована должная работа системы питания и зажигания, в итоге автомобиль не сможет ехать.
В статье мы приведем информацию о электрических цепях (схемы) для зарядки аккумулятора в зависимости от типов двигателей установленных на авоомбиль Лада Ларгус
В данной статье приведена информация о электрических подключениях ближнего и дальнего света на автомобиле Лада Ларгус. Включение выключение, переключение дальнего и ближнего света осуществляется подрулевым переключателем.
Противотуманные фары в автомобиле значительно улучшают обзорность дороги во время управления в тумане, а также дополнительно освещают боковые стороны относительно автомобиля, так как отражатель конструктивно приспособлен для равномерного освещения светом вокруг каждой противотуманной фары.
Противотуманные фары на автомобиле Лада Ларгус также могут быть использованы как дневные ходовые огни. В связи с важностью исправности противотуманных фар, своевременной ревизией и ремонтом, далее приведены электрические схемы для передних и задних (задний противотуманный фонарь) противотуманных фар Лада Ларгус
Сегодняшний день в автоистории
— В 1967 году американец Роберт Крейг перепрыгнул через трамплин на мотоцикле через 16 автобусов© Autosecret.net
Электросхемы ВАЗ Ларгус — схемы электрооборудования
Lada Largus — цветные схемы
Схема управления двигателем К4М
Схема управления двигателем К7М
Цепь зарядки аккумуляторной батареи
Ближний свет фар
Противотуманные фары
Задний противотуманный фонарь
Указатели поворота и аварийная сигнализация
Габаритные огни
Топливный насос и датчик уровня топлива
Звуковой сигнал
Подключение динамиков звуковой системы
Зеркала заднего вида
Очистители и омыватели ветрового стекла и стекла двери задка
Электроподъемники передних и задних дверей
Система центральной блокировки дверей
Система отопления и вентиляции салона
Электрообогрев заднего стекла
Система управления двигателем К4М
Схема 1.
1 — реле системы впрыска; 2 — блок предохранителей в салоне; 3 — реле топливного насоса ; 4 — датчик верхней мертвой точки; 5 — блок управления системой кондиционирования; 6,7,9,12,16 — комбинация приборов; 8,10 — блок управления электрооборудованием салона;11 — диагностический разъем; 13 — датчик скорости Lada Largus; 14,15,18,21 — катушки зажигания; 17 — блок реле и предохранителей в моторном отсеке; 19 — датчик температуры охлаждающей жидкости; 20,23 — реле электровентилятора системы охлаждения двигателя; 22 — блок управления двигателем; 24 — реле компрессора кондиционера; 25 — датчик детонации; 26 — датчик давления хладагента Lada Largus;27 — датчик положения дроссельной заслонки; 28 — датчик температуры воздуха на впуске; 29 — электропривод дроссельной заслонки; 30 — диагностический датчик концентрации кислорода; 31 — датчик давления во впускной трубе; 32,33,34,35 — форсунки; 36 — клапан продувки адсорбера; 37 — управляющий датчик концентрации кислорода; 38 — датчик давления в системе гидроусилителя рулевого управления;
Система управления двигателем К7М
Схема 2.
1 — реле системы впрыска; 2 — блок реле и предохранителей в моторном отсеке; 3 — блок предохранителей в салоне; 4,5 — реле топливного насоса; 6 — датчик верхней мертвой точки; 7 — блок управления системой кондиционирования; 8,10,15 — комбинация приборов; 9,11 — блок управления электрооборудованием салона; 12 — диагностический разъем; 13 — датчик температуры охлаждающей жидкости; 14 — датчик скорости; 16,19 — реле электровентилятора системы охлаждения двигателя; 17 — модуль зажигания; 18 — блок управления двигателем; 20 — реле компрессора кондиционера; 21 — датчик давления хладагента; 22 — датчик детонации; 23 — датчик положения дроссельной заслонки; 24 — датчик температуры воздуха на впуске; 25 — электропривод дроссельной заслонки; 26 — датчик давления во впускной трубе; 27 — датчик давления в системе гидроусилителя рулевого управления; 28,29,30,31 — форсунки; 32 — клапан продувки адсорбера; 33 — управляющий датчик концентрации кислорода;
Система пуска двигателя К4М
Схема 3.
1 — аккумуляторная батарея; 2 — выключатель (замок) зажигания; 3 — стартер
Система пуска двигателя К7М
Схема 4. 1 — генератор; 2 — аккумуляторная батарея; 3 — выключатель (замок) зажигания; 4 — стартер Lada Largus
Цепь зарядки аккумуляторной батареи (автомобиль с двигателем К4М)
Схема 5. 1 — аккумуляторная батарея; 2 — комбинация приборов; 3 — генератор
Цепь зарядки аккумуляторной батареи (автомобиль с двигателем К7И)
Схема 6. 1 — стартер; 2 — комбинация приборов; 3 — генератор
Ближний свет фар
Схема 7. 1 — блок реле и предохранителей в моторном отсеке; 2,4 — блок предохранителей в салоне; 3 — подрулевой переключатель; 5 — правая блок-фара; 6 — левая блок-фара
Дальний свет фар
Схема 8. 1 — блок реле и предохранителей в моторном отсеке; 2 — подрулевой переключатель; 3,4 — блок предохранителей в салоне; 5 — правая блок-фара; 6 — левая блок-фара
Противотуманные фары
Схема 9.
1 — комбинация приборов; 2 — правая противотуманная фара; 3 — левая противотуманная фара; 4 — подрулевой переключатель; 5 — блок вспомогательных реле; 6 — блок предохранителей в салоне
Задний противотуманный фонарь
Схема 10. 1 — блок предохранителей в салоне; 2 — подрулевой переключатель; 3 — блок реле и предохранителей в моторном отсеке; 4 — левый задний фонарь
Указатели поворота и аварийная сигнализация
Схема 11. 1 — правый задний фонарь; 2 — лампа правого переднего указателя поворота; 3 — правый боковой указатель поворота Lada Largus; 4 — левый задний фонарь; 5 — лампа левого переднего указателя поворота; 6 — правый боковой указатель поворота; 7 — выключатель аварийной сигнализации; 8 — подрулевой переключатель; 9,11,12 — блок управления электрооборудованием салона; 10 — блок предохранителей в салоне
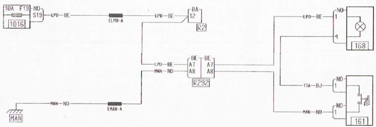
Габаритные огни
Схема 12. 1,3 — блок предохранителей в салоне; 2 — лампа освещения вещевого ящика; 4 — подрулевой переключатель; 5 — лампа габаритного огня в левой блок-фаре; 6 — левый задний фонарь; 7 — лампа освещения номерного знака; 8 — правый задний фонарь; 9 — лампа габаритного огня в правой блок-фаре; 10 — блок реле и предохранителей в моторном отсеке
Топливный насос и датчик уровня топлива
Схема 13.
1,2 — комбинация приборов; 3 — реле топливного насоса; 4 — топливный модуль
Звуковой сигнал
Схема 14. 1 — блок реле и предохранителей в моторном отсеке; 2 — блок предохранителей в салоне; 3 — подрулевой переключатель; 4 — правый звуковой сигнал; 5 — левый звуковой сигнал
Подключение динамиков акустической системы
Схема 15. 1 — головное устройство аудиосистемы; 2,3,4 — блок предохранителей в салоне; 5 — динамик правой передней двери; 6 — динамик правой задней двери; 7 — динамик левой задней двери; 8 — динамик левой передней двери
Зеркала заднего вида
Схема 16. 1,2 — блок предохранителей в салоне; 3 — блок управления наружными зеркалами заднего вида; 4 — левое наружное зеркало заднего вида; 5 — правое наружное зеркало заднего вида
Очистители и омыватели ветрового стекла и стекла двери задка
Схема 17. 1 — комбинация приборов; 2 — насос омывателей ветрового стекла и стекла двери задка 3,4,7 — блок предохранителей в салоне; 5, 9 — блок управления электрооборудованием салона; 6 — подрулевой переключатель; 8 — электродвигатель очистителя стекла двери задка; 10 — электродвигатель очистителя ветрового стекла Лада Ларгус
продолжение электросхем здесьАвтоэлектрика, электрика, схемы, гараж — Схема электрооборудования Lada Largus
Схема электрооборудования Lada Largus
Система управления двигателем К4М: 1 — реле системы впрыска; 2 — блок предохранителей в салоне; 3 — реле топливного насоса; 4 — датчик верхней мертвой точки; 5 — блок управления системой кондиционирования; 6,7,9,12,16 — комбинация приборов; 8,10 — блок управления электрооборудованием салона; 11 — диагностический разъем; 13 — датчик скорости; 14,15,18,21 — катушки зажигания; 17 — блок реле и предохранителей в моторном отсеке; 19 — датчик температуры охлаждающей жидкости; 20,23 — реле электровентилятора системы охлаждения двигателя; 22 — блок управления двигателем; 24 — реле компрессора кондиционера; 25 — датчик детонации; 26 — датчик давления хладагента;
Система управления двигателем К7М: 1 — реле системы впрыска; 2 — блок реле и предохранителей в моторной отсеке; 3 — блок предохранителей в салоне; 4,5 — реле топливного насоса; 6 — датчик верхней мертвой точки; 7 — блок управления системой кондиционирования; 8,10,15 — комбинация приборов; 9,11 — блок управления электрооборудованием салона; 12 — диагностический разъем; 13 — датчик температуры охлаждающей жидкости; 14 — датчик скорости; 16,19 — реле электровентилятора системы охлаждения двигателя; 17 — модуль зажигания; 18 — блок управления двигателем; 20 — реле компрессора кондиционера; 21 — датчик давления хладагента; 22 — датчик детонации; 23 — датчик положения дроссельной заслонки; 24 — датчик температуры воздуха на впуске; 25 — электропривод дроссельной заслонки; 26 — датчик давления во впускной трубе; 27 — датчик давления в системе гидроусилителя рулевого управления; 28,29,30,31 — форсунки; 32 — клапан продувки адсорбера; 33 — управляющий датчик концентрации кислорода
Система пуска двигателя К4М: 1 — аккумуляторная батарея; 2 — выключатель (замок) зажигания; 3 – стартер
Система пуска двигателя К7М: 1 — генератор; 2 — аккумуляторная батарея; 3 — выключатель (замок) зажигания; 4 — стартер
Цепь зарядки аккумуляторной батареи (автомобиль с двигателем К4М): 1 – аккумуляторная батарея; 2 — комбинация приборов; 3 – генератор.
Цепь зарядки аккумуляторной батареи (автомобиль с двигателем К7М): 1 — стартер; 2 — комбинация приборов; 3 — генератор
Ближний свет фар: 1 — блок реле и предохранителей в моторном отсеке; 2,4 — блок предохранителей в салоне; 3 — подрулевой переключатель; 5 — правая блок-фара; 6 — левая блок-фара
Дальний свет фар: 1 — блок реле и предохранителей в моторном отсеке; 2 — подрулевом переключатель; 3,4 — блок предохранителей в салоне; 5 — правая блок-фара;6 — левая блок-фара
Противотуманные фары: 1 — комбинация приборов; 2 — правая противотуманная фара; 3 — левая противотуманная фара; 4 — подрулевой переключатель; 5 — блок вспомогательных реле; 6 — блок предохранителей в салоне
Задний противотуманный фонарь: 1 — блок предохранителей в салоне; 2 — подрулевой переключатель; 3 — блок реле и предохранителей в моторном отсеке; 4 — левый задний фонарь
Указатели поворота и аварийная сигнализация: 1 — правый задний фонарь; 2 — лампа правого переднего указателя поворота; 3 — правый боковой указатель поворота; 4 — левый задний фонарь; 5 — лампа левого переднего указателя поворота; 6 — правый боковой указатель поворота; 7 — выключатель аварийной сигнализации; 8 — подрулевой переключатель; 9,11,12 — блок управления электрооборудованием салона; 10 — блок предохранителей в салоне
Габаритные огни: 1,3 — блок предохранителей в салоне; 2 — лампа освещения вещевого ящика; 4 — подрулевой переключатель; 5 — лампа габаритного огня в левой блок-фаре; 6 — левый задний фонарь; 7 — лампа освещения номерного знака; 8 — правый задний фонарь; 9 — лампа габаритного огня в правой блок-фаре; 10 — блок реле и предохранителей в моторном отсеке
Топливный насос и датчик уровня топлива: 1,2 — комбинация приборов; 3 — реле топливного насоса; 4 — топливный модуль
Звуковой сигнал: 1 — блок реле и предохранителей в моторном отсеке; 2 — блок предохранителей в салоне; 3 — подрулевой переключатель; 4 — правый звуковой сигнал; 5 — левый звуковой сигнал
Подключение динамиков акустической системы: 1 — головное устройство аудиосистемы; 2,3,4 — блок предохранителей в салоне; 5 — динамик правой передней двери; 6 — динамик правой задней двери; 7 — динамик левой задней двери; 8 — динамик левой передней двери
Зеркала заднего айда: 1,2 — блок предохранителей в салоне; 3,5 — правое наружное зеркало заднего вида
Очистители и омыватели ветрового стекла и стекла двери задка: 1 — комбинация приборов; 2 — насос омывателей ветрового стекла и стекла двери задка З,4,7 — блок предохранителей в салоне; 5,9 — блок управления электрооборудованием салона; 6 — подрулевой переключатель; 8 — электродвигатель очистителя стекла двери задка; 10 — электродвигатель очистителя ветрового стекла
Электростеклолодъемники передних дверей: 1 — переключатель электростеклоподъемника правой передней двери; 2,3 — блок предохранителей в салоне; 4 — переключатель электростеклоподъемника левой передней двери; 5 — электродвигатель стеклоподъемника правой передней двери; 6 — электродвигатель стеклоподъемника левой передней двери
Электростеклоподъемники задних дверей: 1,4,7 — блох предохранителей в салоне; 2 — переключатель электростеклоподъемника левой задней двери; 3 — выключатель блокировки стеклоподъемников задних дверей; 5 — переключатель электростеклоподъеммика правой задней двери; 6 — злектродвигатель стеклоподъемника левой задней двери; 8 — злектродвигатель стеклоподъемника правой задней двери
Система центральной блокировки замков: 1,3 — блок управления электрооборудованием салона; 2 — блок предохранителей в салоне; 4 — электропривод замка правой задней двери; 5 — электропривод замка левой задней двери; 6 — электропривод замка двери задка; 7 — электропривод замка правой передней двери; 8 — электропривод замка левой передней двери; 9 — выключатель блокировки замков
Система отопления и вентиляции салона: 1 — блок управления системой отопления и вентиляции; 2 — блок управления двигателем; 3,5 — блок предохранителе в салоне; 4 — электровентилятор
Система отопления (кондиционирования) и вентиляции салона: 1,5,10- блок предохранителей в салоне; 2,3,4 — электровентилятор; 6 — блок реле и предохранителей в моторном отсеке; 7, 9 — блок вспомогательных реле; 8 — диод; 11 — блок управления системой кондиционирования; 12 — предохранительный клапан испарителя; 13,14 — блок управления двигателем; 15 — реле системы впрыска; 16 — электромагнитная муфта компрессора кондиционера
Электрообогрев заднего стекла: 1,2,5,8 — блок предохранителей в салоне; 3 — блок вспомогательных реле; 4 — нагревательный элемент; 6 — комбинация приборов;7 — блок управления электрооборудованием салона; 9 — выключатель электрообогрева заднего стекла
Электрическая схема авто ЛАДА ЛАРГУС
Схема очистителей (дворников) и омывателей ветрового стекла и стекла двери задка Лада Ларгус
Наименования согласно обозначения на схеме:
1 — комбинация приборов
2 — насос омывателей ветрового стекла и стекла двери задка
3, 4, 7 — блок предохранителей в салоне
5, 9 — блок управления электрооборудованием салона
6 — подрулевой переключатель
8 — электродвигатель очистителя стекла двери задка
10 — электродвигатель очистителя ветрового стекла
Схема привода и подогрева зеркал Лада Ларгус
Зеркала заднего вида на автомобиле Лада Ларгус имеют электропривода, что позволяет комфортно настраивать угол наклона зеркал прямо из салона автомобиля.
Зеркала имеют настройку по вертикали в двух вертикальных плоскостях.
Кроме того, зеркала имеют подогрев. В случае их запотевания или обледенения можно включить обогрев зеркал, что поможет улучшить обзор в них.
Все эти электрические соединения установки угла зеркал и их обогрева приведены в схеме ниже. За функциональные особенности зеркал отвечают два предохранителя. F37 отвечает за работу электродвигателей в зеркалах, F21 за подогрев зеркал.
Наименование обозначений согласно схеме:
1,2- блок предохранителей в салоне
3 — блок управления наружными зеркалами заднего вида
4 — левое наружное зеркало заднего вида
5 — правое наружное зеркало заднего вида
Схема подключение питания и динамиков к магнитоле Лада Ларгус
Автомобиль Лада Ларгус один из немногих отечественных автомобилей комплектующийся штатной магнитолой. Лада Ларгус идет с аудиоподготовкой и с магнитолой уже с завода.
Именно о схеме, реализованной на автомобиле Лада Ларгус мы и поговорим в данной статье.
Стоит заметить, что в соответствии с современными стандартами, на автомобиле Лада Ларгус имеется два штекера подключаемых к магнитоле. К сожалению данные штекеры не подходят под стандарт ISO.
То есть, в случае замены штатной магнитолы, вам придется скорее всего покупать переходник для магнитолы. Штекеры на Лада Ларгус применены как и для автомобилей Рено.
Стоит сказать, что к штатной магнитоле можно подключить джойстик для упраления с руля, для этого, на обратной стороне магнитолы имеется разъем. Вопрос теперь остается в том, где взять джойстик?
Более подробно, о стандартах подключения магнитолы, вы можете узнать из статьи «Подключение магнитолы в автомобиле своими руками». Так, один из штекеров используется для подключения питания к магнитоле. Второй, для подключения 4 динамиков (2 впереди и 2 сзади)
Наименование обозначений согласно схеме:
1 — головное устройство аудиосистемы
2,3,4 — блок предохранителей в салоне
5 — динамик правой передней двери
6 — динамик правой задней двери
7 — динамик левой задней двери
8 — динамик левой передней двери
Электрическая схема подключения звукового сигнала на автомобиле Лада Ларгус
Звуковой сигнал на автомобиле, прежде всего, необходим для предотвращения ДТП.
От его исправности и работы зависит ваша безопасность и безопасность участников дорожного движения.
Электрическая схема подключения звукового сигнала на автомобиле Лада Ларгус
За обеспечение работы звукового сигнала в автомобиле Лада Ларгус отвечают два предохранителя F01, F17. Применение двух сигналов на автомобиле Лада Ларгус связано, во-первых, с надежностью , а во-вторых, с различной частотой тона, выдаваемой каждым из звуковых сигналов.
Наименования к схеме:
1 — блок реле и предохранителей в моторном отсеке
2 — блок предохранителей в салоне
3 — подрулевой переключатель
4 — правый звуковой сигнал
5 — левый звуковой сигнал
Электрическая схема обогрева заднего стекла Лада Ларгус
Электрообогрев заднего стекла:
1,2, 5,8 — блок предохранителей в салоне
3 — блок вспомогательных реле
4 — нагревательный элемент
6 — комбинация приборов
7 — блок управления электрооборудованием салона
9 — выключатель электрообогрева заднего стекла
Особенностью схемы является то, что обогрев стекла можно включить только при включенном замке зажигания, а также через определенное время, он автоматически отключается через реле 3.
Все это сделано для оптимизации энергопотребления схемой обогрева заднего стекла.
Электрическая схема системы управления двигателями Лада Ларгус (К4М и К7М)
Система управления двигателем Лада Ларгус включает в себя контролирующие датчики, систему впрыска топлива, отображение показаний на комбинации приборов, систему кондиционирования. Все это собрано воедино и имеет различные схемы подключения, в зависимости от модификации двигателя.
В статье приведены схемы системы управления двигателем 1,6 л 16 клапанным (К4М) и 1,6 л 8 клапанным (К7М). Более подробно о каждой из схем далее.
Электросхема системы управления двигателем Лада Ларгус 1,6 л 16 клапанным (К4М)
1 – реле системы впрыска
2 – блок предохранителей в салоне
3 — реле топливного насоса
4- датчик верхней мертвой точки
5 – блок управления системой кондиционирования
6,7,9,12,16 – комбинация приборов
8, 10 – блок управления электрооборудованием салона
11- диагностический разъем
13 – датчик скорости
14,15,18,21 – катушки зажигания
17 – блок реле и предохранителей в моторном отсеке
19 – датчик температуры охлаждающей жидкости
20,23 – реле электровентилятора системы охлаждения
22 – блок управления двигателем
24- реле компрессора кондиционера
25 – датчик детонации
26 – датчик давления хладагента
27- датчик положения дроссельной заслонки
28 – датчик температуры воздуха на впуске
29 – электропривод дроссельной заслонки
30 – датчик концентрации кислорода
31 – датчик давления во впускной трубе
32,33,34,35 – форсунки
36- клапан продувки адсорбера
37- управляющий датчик кислорода
38- датчик давления в системе гидроусилителя
Электросхема системы управления двигателем Лада Ларгус 1,6 л 8 клапанным (К7М)
1 – реле системы впрыска
2 – блок реле и предохранителей в моторном отсеке
3 – блок предохранителей в салоне
4,5- реле топливного насоса
6 — датчик верхней мертвой точки
7 – блок управления системой кондиционирования
8,10,15 – комбинация приборов
9, 11 – блок управления электрооборудованием салона
12- диагностический разъем
13 – датчик температуры охлаждающей жидкости
14 – датчик скорости
16,19 – реле электровентилятора системы охлаждения
17 – модуль зажигания
18 – блок управления двигателем
20 — реле компрессора кондиционера
21 – датчик давления хладагента
22 – датчик детонации
23 — датчик положения дроссельной заслонки
24 – датчик температуры воздуха на впуске
25 – электропривод дроссельной заслонки
26 – датчик давления во впускной трубе
27- датчик давления в системе гидроусилителя
28, 29,30,31 – форсунки
32- клапан продувки адсорбера
33- управляющий датчик кислорода
Схема подключения стартера и замка зажигания Лада Ларгус
В этой статье вы найдете информацию о системе пуска двигателей автомобиля Лада Ларгус.
Обратите внимание, что схемы для 8 и 16 клапанного двигателя несколько различны.
Из особенностей системы пуска Лада Ларгус можно выделить следующую опцию. Так при запуске двигателя, если вы вовремя не разомкнули контакты запускающие стартер, то втягивающее реле отключиться от возникшего ЭДС на стартере, от вращения стартера заведенным двигателем автомобиля. То есть, автомобиль имеет защиту от несвоевременного отключения стартера при запуске двигателя.
_
Обозначение элементов в схеме подключения стартера, замка зажигания Лада Ларгус:
(для двигателя К4М)
1 — аккумулятор
2 — замок зажигания
3 стартер
(для двигателя К7М)
1 — генератор
2 — аккумулятор
3 — замок зажигания
4 — стартер
Схема зарядки аккумулятора Лада Ларгус
От правильной зарядки аккумулятора зависит не только срок эксплуатации аккумуляторной батареи, но и ваша возможность передвижения.
При невозможности по каким либо причинам обеспечивать нормальную зарядку аккумулятора системой зарядки, аккумулятор в итоге, может не выдавать необходимый ток. В этом случае не будет гарантирована должная работа системы питания и зажигания, в итоге автомобиль не сможет ехать.
В статье мы приведем информацию о электрических цепях (схемы) для зарядки аккумулятора в зависимости от типов двигателей установленных на авоомбиль Лада Ларгус
Контролировать зарядку аккумулятора можно по потухшей лампочке, после того как двигатель завели, установленной на панели приборов.
Обозначение в схеме зарядки аккумулятора Лада Ларгус:
(для двигателя К4М)
1 — аккумулятор
2 — лампа в комбинации приборов
3 — генератор
(для двигателя К7М)
1 — стартер
2 — лампа в комбинации приборов
3 — генератор
Схема включения ближнего и дальнего света Лада Ларгус
Включение выключение, переключение дальнего и ближнего света осуществляется подрулевым переключателем.
За ближний свет в автомобиле Лада Ларгус отвечает предохранитель F2 (номинал 60А) в моторном отсеке, и предохранители F10 (правая фара, номинал 10А) и F9 (левая фара, номинал 10А) установленные в монтажном блоке в салоне.
За дальний свет отвечает предохранитель F1 (номинал 60А) в моторном отсеке и предохранители F11 (левая фара, номинал 10А) и F12 (правая фара, номинал 10А)
_
Также в монтажном блоке установлены и управляющие силовые реле.
Схема подключения передних и задних противотуманных фар Лада Ларгус
Противотуманные фары в автомобиле значительно улучшают обзорность дороги во время управления в тумане, а также дополнительно освещают боковые стороны относительно автомобиля, так как отражатель конструктивно приспособлен для равномерного освещения светом вокруг каждой противотуманной фары. Противотуманные фары на автомобиле Лада Ларгус также могут быть использованы как дневные ходовые огни.
В связи с важностью исправности противотуманных фар, своевременной ревизией и ремонтом, далее приведены электрические схемы для передних и задних (задний противотуманный фонарь) противотуманных фар Лада Ларгус
Наименование обозначений согласно схеме:
1 — комбинация приборов
2 — правая противотуманная фара
3 — левая противотуманная фара
4 — подрулевой переключатель
5 — блок вспомогательных реле
б — блок предохранителей в салоне
Наименование обозначений согласно схеме:
1 — блок предохранителей в салоне
2 — подрулевой переключатель
3 — блок реле и предохранителей в моторном отсеке
4 — левый задний фонарь
Стеклоподъемники Лада Ларгус (передние и задние двери)
Лада Ларгус как большинство современных автомобилей имеет стандартный электропакет, в который включена опция электрических стеклоподъемников.
Наименования составляющих элементов к схеме стеклоподъемников:
Электростеклоподъемники передних дверей:
(схема слева)
1 — переключатель электростеклоподъемника правой передней двери
2.3 — блок предохранителей в салоне
4 — переключатель электростеклоподъемника левой передней двери
5 — электродвигатель стеклоподъемника правой передней двери
6 — электродвигатель стеклоподъемника левой передней двери
Электростеклоподъемники задних дверей:
(схема справа)
1,4,7 — блок предохранителей в салоне
2 — переключатель электростеклоподъемника левой задней двери
3 — выключатель блокировки стеклоподъемников задних дверей
5 — переключатель электростеклоподъемника правой задней двери
6 — электродвигатель стеклоподъемника левой задней двери
8 — электродвигатель стеклоподъемника правой задней двери
Схема открытия/ закрытия замков дверей Лада Ларгус (центральный замок)
Автомобиль Лада Ларгус имеет центральную систему блокировки дверей, к которой соответственно можно подключить охранную сигнализацию.
Также система очень удобна при закрывании и открывании машины, в случае если вы оставляли ее на стоянке.
Предохранитель (F19), отвечает за работу системы центральной блокировки замков дверей.
Наименование компонентов задействованных в системе центральной блокировки замков дверей Лада Ларгус:
1, 3 — блок управления электрооборудованием салона
2 — 6лок предохранителей в салоне
4 — электропривод замка правой задней двери
5 — электропривод замка левой задней двери
б — электропривод замка двери задка
7 — электропривод замка правой передней двери
8 — электропривод замка левой передней двери
9 — выключатель блокировки замков
Электрическая схема отопления (печки) и вентиляции салона Лада Ларгус
Система вентиляции и отопления салона выполняет несколько важных задач. Прежде всего, обеспечивает подачу свежего воздуха в салон автомобиля, во-вторых, обеспечивает подачу теплого воздуха в зимний период от отопителя (печки), что позволяет поддерживать комфортную бортовую температуру.
В данной статье приведена электрическая схема и наименование элементов задействованных в системе вентиляции и отопления (работы печки) автомобиля Лада Ларгус.
Вентилятор отопителя (печки) Лада Ларгус имеет 4 режима (скорости) подачи теплого воздуха. Скорость вращения электродвигателя вентилятора ограничивается через резисторы и в последнем варианте, двигатель работает напрямую, без включения в его схему резисторов.
В обеспечении работоспособности системы задействованы два предохранителя F39 и F19. Предохранитель F39 отвечает за работу двигателя отопителя (печки), F19 за работу кондиционера.
Электрическая схема отопления и вентиляции салона Лада Ларгус
Наименование элементов согласно электрической схеме:
1 — блок управления системой отопления и вентиляции
2 — блок управления двигателем
3, 5 — блок предохранителей в салоне
4 — электровентилятор
Кроме того, для поддержания климата (отопление, кондиционер) в автомобиле Лада Ларгус реализована и еще одна электрическая схема.
Система отопления (кондиционирования) и вентиляции салона:
1, 5,10 — блок предохранителей в салоне
2, 3,4 — электровентилятор
6 — блок реле и предохранителей в моторном отсеке
7,9 — блок вспомогательных реле
8 — диод
11 — блок управления системой кондиционирования
12 — предохранительный клапан испарителя
13,14 — блок управления двигателем
15 — реле системы впрыска
16 — электромагнитная муфта компрессора кондиционера
Электрическая схема указателей поворотов и аварийной сигнализации Лада Ларгус
Указатели поворотов и аварийная сигнализация не только сигнализируют о вашем маневрировании или аварийной остановке, но в том числе и позволяют за значительнее расстояние заметить ваш автомобиль. Исправность данных функций отвечает в том числе за вашу безопасность и безопасность других участников дорожного движения.
В данной статье мы приведем информацию по электрическому подключению (электрическую схему) для указателей поворотов и аварийной сигнализации для автомобиля Лада Ларгус.
За работу указателей поворотов и аварийной сигнализации отвечает предохранитель F19, номиналом 10 А.
Наименование согласно электрической схеме:
1 — правый задний фонарь
2 — лампа правого переднего указателя поворота
3 — правый боковой указатель поворота
4 — левый задний фонарь
5 — лампа левого переднего указателя поворота
б — правый боковой указатель поворота
7 — выключатель аварийной сигнализации
8 — подрулевой переключатель
9,11,12 – блок управления электрооборудованием салона
10 — блок предохранителей в салоне
Схема габаритных огней на Лада Ларгус
Габаритные огни на автомобиле Лада Ларгус сигнализируют о местоположении автомобиля на дороге в темный период суток. От их исправности зависит не только удобство определения автомобиля на дороге, но и безопасность участников дорожного движения.
Работу габаритных огней на автомобиле Лада Ларгус обеспечивают два предохранителя F18 (левая сторона) и F19 (правая сторона), каждый номиналом 10А и предохранитель F01 номиналом 60А.
Наименование согласно схеме:
1, 3 — блок предохранителей в салоне;
2 — лампа освещения вещевого ящика;
4 — подрулевой переключатель;
5 — лампа габаритного огня в левой блок-фаре;
6 — левый задний фонарь;
7 — лампа освещения номерного знака;
8 — правый задний фонарь;
9 — лампа габаритного огня в правой блок-фаре;
10 — блок реле и предохранителей в моторном отсеке.
Схема подключения топливного насоса Лада Ларгус и датчика уровня топлива.
На автомобиле Лада Ларгус установлен электрический бензонасос. Его работа начинается после включения замка зажигания. Насос подает топливо из бензобака до двигателя. Там с помощью перепускного клапана топливо регулируется до определенного рабочего давления, а излишки топлива сбрасываются обратно в бак.
Залогом надежной работы бензонасоса является применение качественного топлива, замена фильтрующих сеток на бензонасосе, проходимость топливной системы, исправность всех электроконтактов схемы подключения бензонасоса.
В данной статье мы приведем электрическую схему подключения бензонасоса в автомобиле Лада Ларгус, а также схему включения датчика уровня топлива.
Наименование согласно схеме:
1,2 — комбинация приборов
3 — реле топливного насоса
4 — топливный модуль
Также для надежности работы бензонасоса, старайтесь поддерживать в баке минимальный уровень топлива порядка 1-2 деления. Дополнительный объем бензина позволит лучше охлаждать бензонасос, что продлит срок его эксплуатации.
2021 Lada Largus выходит в производство со старым Dacia Logan MCV Основа
Разработанный АвтоВАЗом в сотрудничестве с Альянсом Renault-Nissan, когда Mitsubishi еще не был в клубе, Largus можно охарактеризовать как Dacia Logan MCV первого поколения с разными значками . Универсал по определению и универсальный автомобиль по выбору, компактный семейный автомобиль был обновлен для 2021 модельного года внутри и снаружи. Преобразование экстерьера сближает Largus с седаном Granta, седаном Vesta и XRAY Cross, в которых используется новейший стиль российского автопроизводителя.
Более крупная решетка радиатора обрамлена галогенными фарами, но Lada не обманет никого, кто знает расширенный модельный ряд Renault-Nissan Alliance.Румынский автопроизводитель Dacia предлагал эти фары на Logan, Logan MCV и Sandero предыдущего поколения до фейслифтинга 2016 года, и кабина также очень похожа. Только комбинация приборов и рулевое колесо, кажется, полностью переработаны, что объясняет, почему Largus является одним из самых дешевых новых автомобилей, доступных для покупки в России в наши дни.
«Доступный» не обязательно означает «плохо». Lada предлагает сенсорную информационно-развлекательную систему со встроенной спутниковой навигацией, кнопки на рулевом колесе, подогрев передних сидений и лобового стекла, тканевую обивку из искусственной кожи, а также порт USB и розетку на 12 В для пассажиров второго ряда. . Спецификация кроссовера Cross тоже неплохо выглядит благодаря черной пластиковой облицовке колесных арок.
Поскольку он запущен в производство сегодня на заводе в Тольятти в Самарской области России, информация о ценах на модель 2021 года в настоящее время недоступна.
Варианты двигателей включают 1,6-литровый четырехцилиндровый двигатель мощностью 87 и 106 лошадиных сил, соединенный с пятиступенчатой механической коробкой передач; как и у Logan MCV, полный привод не предлагается.
Возможно, Largus будет оснащен платформой B0, разработанной на базе платформы Nissan B, но Dacia перешла на современные основы для нынешнего модельного ряда автопроизводителя. CMF-B от Renault является виновником, который предлагает превосходную защиту при столкновении и электрическую архитектуру, необходимую для систем активной безопасности, таких как автоматическое экстренное торможение.
Сделка
* Цены и характеристики предоставлены RYMCO, эксклюзивным дилером Lada в Ливане.
Lada Largus — недорогой фургон для вашего бизнеса.
ЦЕНЫ И ОПЦИИ (все включено)
Ларгус Карго
2019 АКПП 4-х цилиндровый, 1.6л, 8-клапанный, 5 М / Т, 85 л.
с. ($ 11 900)
Ручной корректор фар
Фара головная галогенная
Зеркало внутреннее с ручным затемнением
Электроусилитель руля
Рулевая колонка с регулируемым углом наклона
Центральный замок двери
Бесключевой доступ
Передние электрические стеклоподъемники
Трико сиденья
Передние сиденья с подогревом
Передние ручные сиденья: сдвижные и откидные
Кондиционер с ручным управлением
Радио AM / FM — 1 CD — MP3 — USB
2 динамика
2 передних подстаканника
Брызговики
Боковой молдинг черный
Подушка безопасности водителя
ABS (антиблокировочная тормозная система)
BA (система экстренного торможения)
Иммобилайзер
15 ”стальные диски
Lagus 7 Seats — Вы можете получить модель 2018 года с дополнительными функциями, но немного дороже.
2018 АКПП 4-цилиндровый, 1.6л, 16-клапанный, 5 М / Т, 102 л.
с. (15900 $)
Фары противотуманные передние
Передние и задние электрические стеклоподъемники
Наружные зеркала с электроприводом и обогревом
Сиденье водителя с ручным управлением: выдвижное / наклонное / подъемное / поясничная опора
Сиденье пассажира с ручным управлением: Slide / Recline
Складной 2-й ряд 60/40 и 3-й ряд 50/50
Bluetooth
4 динамика
2 задних подстаканника
Рейлинги
Наружные ручки и зеркала дверей в цвет кузова
Подушки безопасности пассажира
Иммобилайзер
Парктроник задний
Набор анкерных точек ISOFIX
ОПОРА КАРРЕННА
Поиск подходящего автомобиля — одна из самых неприятных вещей, через которые вы можете пройти.Мы здесь, чтобы помочь вам в этом. Заполнив форму ниже, вы получите:
— Получите набор инструментов, который поможет вам начать исследование вашего автомобиля
— Получайте обновления предложений по автомобилям в рамках вашего бюджета и рекомендации, основанные на вашем образе жизни
— Имейте приоритет в знании ограниченных по времени сделок Карренн
| Общая информация | |||
|---|---|---|---|
| Марка | Лада | ||
| Модель | Ларгус | ||
| Поколение | Ларгус Кросс | ||
| (Двигатель) | 1.6 (105 л. | ||
| Двери | 5 | ||
| Рабочие характеристики | |||
| Расход топлива (экономичный) в городе | 11.5 л / 100 км
20,45 миль на галлон США 24,56 миль на галлон Великобритании | ||
| Расход топлива в городе | 7,5 л / 100 км
31.36 US mpg 37.66 UK mpg | ||
| Расход топлива (экономичный) в смешанном цикле | 9 л / 100 км
26,13 миль на галлон США 31,39 миль на галлон в Великобритании | ||
| Тип топлива | Бензин (бензин) | ||
| Разгон 0-100 км / ч | 13. 1 сек | ||
| Ускорение 0-62 миль / ч | 13,1 сек | ||
| Ускорение 0-60 миль / ч (рассчитано Auto-Data.net) | 12,4 сек | ||
| Максимальная скорость | 165 км / ч 102,53 миль / ч | ||
| Удельная масса | 12 кг / л.с., 83,3 л.с. / тонна | ||
| Характеристики двигателя | |||
| Мощность | 105 л.с. при 5750 об / мин. | ||
| Мощность на литр | 65.7 л.с. / л | ||
| Крутящий момент | 148 Нм @ 3750 об. / Мин. 109,16 фунт-фут @ 3750 об. / Мин. | ||
| Расположение двигателя | Передний, поперечный | ||
| Объем двигателя | 1598 см 3 97,52 куб. дюймы | ||
| Количество цилиндров | 4 | ||
| Положение цилиндров | Рядный | ||
| Количество клапанов на цилиндр | 4 | ||
| Топливная система | |||
| Аспирация двигателя | Двигатель без наддува | ||
| Пространство, объем и масса | |||
| Снаряженная масса | 1260 кг 2777.82 фунта. | ||
| Макс. вес | 1705 кг 3758,88 фунтов. | ||
| Макс нагрузка | 445 кг 981.06 фунтов. | ||
| Багажник (багажник) — минимум | 560 л 19,78 куб. футы | ||
| Багажник (багажник) — максимум | 2350 л 82,99 куб. футы | ||
| Емкость топливного бака | 50 л 13.21 галлон США | 11 галлонов Великобритании | ||
| Допустимая нагрузка на прицеп с тормозами (12%) | 1300 кг 2866.01 фунтов | ||
| Допустимая нагрузка прицепа без тормозов | 650 кг 1433 фунтов. | ||
| Размеры | |||
| Длина | 4470 мм 175,98 дюйма | ||
| Ширина | 1756 мм 69,13 дюйма | ||
| Высота | 1682 мм 66.22 дюйма | ||
| Колесная база | 2905 мм 114,37 дюйма | ||
| Колея передняя | 1461 мм 57,52 дюйма | ||
| Колея задняя (задняя) | 1466 мм 57,72 дюйма | ||
| Высота дорожного просвета | 170 мм 6,69 дюйма | ||
| Характеристики трансмиссии, тормозов и подвески | |||
| Архитектура трансмиссии | ДВС приводит в движение передние колеса автомобиля. | ||
| Ведущее колесо | Передний привод | ||
| Количество передач (МКПП) | 5 | ||
| Передняя подвеска | Независимая, пружинная McPherson, со стабилизатором | ||
| Задняя подвеска независимая, винтовая пружина | |||
| Вспомогательные системы | ABS (Антиблокировочная тормозная система) | ||
| Тип рулевого управления | Рулевая рейка и шестерня | ||
| Размер шин | 205/55 R16 | Колесо размер колесных дисков | R16 |
El LADA Largus FL 2021 год с изменяемой камерой, фотографии больше, чем Largus Cross
Novedades importantes en LADA.La marca rusa presentará en tan solo unos días un lavado de cara del LADA Largus, un modelo que se encuentra en los planes de la firma de Avtovaz y que llegará a los Concesionarios en marzo de 2021. Знакомое изображение, y una interesante versión campera, el LADA Largus Cross que ves en esta foto espía.
El LADA Largus — это знакомый нам человек, интересующийся в мире России. Un modelo que guarda una gran relación con el Dacia Dokker, por lo que se venderá con different configuraciones, comercial y de pasajeros y estrenando la inédita más campera, el LADA Largus Cross .
Ahora, de cara a 2021 afronta una refreshación importante que se presentará a Principios de febrero y se pondrá a la venta en marzo de 2021 . Las fuentes rusas señalan que las primeras unidades que llegarán a los Concesionarios de LADA se correden con las de este modelo con estética crossover, en combinación con los niveles de acabado más Developrados. La variante de carrocería que se Presenta en estas fotos espía, luciendo el estilo de disño en forma de «X» característico de los de AvtoVAZ.
La trasera del nuevo LADA Largus Cross 2021 mantiene la esencia original del Dacia DokkerUnas señas de identitydad propias en la parte delantera con una parrilla de mayor tamaño, las luces delanteras del Renault Logan y los espejos retrovisestores mix que no se da Precisamente en la parte posterior, ya que mantiene intacto el Disño original del rumano. Загар соло, знак отличия с номером марки, принятым мэром, на улице Пуэрта-Трасера-Искьерда.
Por dentro, el mix de elementos heredados continúa con un nuevo recital, en el que el los paneles de las puertas y la consola central se han производное дель Renault Duster de primera generación, esta pieza montada sobre el salpicadero del XRay, mientras que el cuadro de tools, los asientos y el reposabrazos central son del Lada Xray Cross .A pesar de esta amalgama de components, contará con un completeto equipamiento con los siguientes elementos:
- Pantalla táctil
- Aire acondicionado
- Asientos delanteros con calefacción Deco brácnécéné de tela y cuero ecológico
- Puerto USB y toma de 12V en la segunda fila de asientos
- Banqueta trasera con calefacción
La gama del LADA Largus 2021, включая Cross, contará con el motor de cuatro calefacción 900.6 литров атмосферы с максимальным потенциалом 87 CV и 106 CV , присоединяйтесь к одному руководству по 5 велотренажерам. Como el Dacia Dokker, con el que compare la plataforma B0, solo estará disponible cont tracción delantera. Los nuevos LADA Largus FL serán desvelados el 4 de febrero .
Интерьер фотографии LADA Largus Cross 2021 и LADAKess v2 2.47 скачать программное обеспечение028 с 2.34 (8gmk для 124 wa реализовано в 2.32). Предложение / решение: Прошивка Ktag 7.020 и прошивка Kess V2 5.017 работают с Abarth 124 Marelli 8GMK, если у вас работает программное обеспечение Ksuite версии 2.33 или 2.38.
Версия логики Ksuite V2.47 для CLONE KESS V5.017. Добавлены протоколы obd2 que l’ancienne version V2.23. KESS V2.47 prend en charge plus de voitures, modèles jusqu’à 2017, il a jetons без ограничений и доступ в Интернет. Ksuite V2.47 логика подходит для KESS V5.017, залить Ktag V7.020. Масса серы в кг
Прошивка Kess v2 5.017 поставляется с последней версией программного обеспечения ksuite v2.47 http://www.obdii365.com/ wholesale / kess-5017-red-pcb-firmware.html Задержка мыши концентратора USB
7 января 2020 · KESS 5.017 ksuite 2.47 Идеально подходит для настройки микросхем BMW; Обновление KESS V2 до Software V2.47 Firmware V5.017 Master Version No Tokens Limited; Как читать и писать 46/48 / 4D / Другие чипы / Сгенерировать чип и скопировать ключ Toyota / Lexus G с помощью программатора ключей Handy Baby II? Canon eos 7d
Основной блок KESS KESS V5.017 Онлайн-версия Без ограничений по токенам V2.23 Комплект для настройки KESS OBD2 Manager Auto Truck ECU Programmer Kess 5.017 С НОВЫМ K-Suite 2.47 с добавлением 7400 автомобилей. Продажа больших буровых установок б / у
2018-9-15 — Изучите доску Obdstore «Car ECU Chip Tuning» на Pinterest.
А Ksuite 2.47 стал еще лучше с прошивкой Kess v2 5.028. Работать с simos18 очень хорошо. Если у вас нет хорошего Kess fw 5.028, прошивка 5.017 — лучший онлайн-вариант для вас. K-Suite версии 2.47 Что можно сделать: Проверено на Opel Astra H 1,7cdti 2008 81kw denso ecu Чтение / запись нормально, без проблем Как тестировать дистрибьютор
Как установить KSuite Kess V2 2.47 на Win 7 http://www.uobdii.com/wholesale/newest-kess-v2-obd2-manager-tuning-kit.htmlNewest V2.47 KESS V2 V5.017 Manager ECU … Контроллер двойного линейного привода
Kess V2 Ksuite 2.37 Windows XP / 7/8/10 Скачать бесплатно: 100% протестировано! 21 октября 2017 г. Продажи Car ECU programmer 0 (10.2017) Бесплатная загрузка Kess V2 Ksute 2.37 Программное обеспечение для программирования ECU с Kess v2 Список автомобилей: ответы на рабочий лист состояний Phet
V2.47 Kess V2 Master FW V5.017 Инструменты для переназначения ЭБУ онлайн Версия No Token Limited Red PCB.Почему следует выбрать версию для ЕС Red KESS 5.017 Kess V2 Master: Версия программного обеспечения: V2.47 (новейшая) Версия Fireware: V5.017. Обновление: по ссылке. Онлайн-версия: возможность подключения к Интернету во время работы. Жетоны: количество жетонов не ограничено. Модели автомобилей: Для мульти-легковых и грузовых автомобилей, нет … Samsung tv remote
1. Онлайн-версия прошивки Kess V2 V5.017 поддерживает онлайн-сервис, недавно добавлено 140+ протоколов, нет ограничений по токенам, программа безопаснее и стабильнее! 2. Новейшее программное обеспечение: Ksuite V2.47; Последняя прошивка: V5.017 3. Получите ECM TITANIUM V1.61 с 18475 DRIVER бесплатно, отправьте онлайн. Новейшее программное обеспечение K-Suite V2.47, недавно добавленные 7400+ автомобилейBoho curtains
Ktag 2.25 SN 7.020 — KESS 2.47 SN 5.017 / -2020-10-27: Ktag 7020 2.25 / — 2020-07-26: Lada Largus, Nissan с ЭБУ EMS3120 (05.2016) (UPD 2) от PAULUS / -2020-06-15: MAPAS MOD 2020 / -2020-10-11: MTX DTC Remover Functional Without Dongle / -2020 -06-15: MTX FAP DPF REMOVER 1.4.11 / -2020-06-15: Man / -2020-06-15: Massey Ferguson 7337 EDC17CV41 Valul lui … Пуэрто-Рико вакансии Craigslist
2020 Разблокированное программное обеспечение Ksuite V2.53 онлайн для RED KESS V2 V5.017 Неограниченный токен. 2020 Разблокированное программное обеспечение Ksuite V2.53 онлайн для RED KESS V2 V5.017 Unlimited SW 2.53 Добавьте больше автомобилей и протокола OBD2 ECU Chip Tuning TooL. Стоимость газовой плиты Lopi northfield
Как установить аппаратное и программное обеспечение KESS Car Programmer Автор: Alex E.KESS V2 V5. Программное обеспечение Ksuite 2.47 для бесплатной загрузки клона прошивки Kess V2 5.017 предоставляется ниже, не требуются HWID и KG. J-Link JLINK V8 + ARM USB-JTAG Adapter Emulator Plus KESS V2 / KTAG CPU Repair Chip, с этим комплектом вы можете полностью решить проблему с токеном Kess V2. Evga rtx 3080 xc3 ultra цена
Программное обеспечение Ksuite 2.47 для прошивки kess v2 5.017 clone free download ресурс предоставляется ниже, нет необходимости hwid и kg. Эта запись была доступна теперь для всех k-suite 2. Работа с Интернетом без кнопки сброса или программного обеспечения для сброса! Febru rosecotty kess v2 — это ваш первый визит, simos18 4. Kitfox для продажи barnstormers
6 главных причин для получения KESS V2 1. Это основная версия 2. Версия программного обеспечения: V5.017 Версия для ЕС SW V2.47 3. Обновление с компакт-диска 4. Нет ограничений по токенам: можно использовать неограниченно, нет необходимости больше не беспокойтесь о токенах. Polaris general oem верхние двери
Обратите внимание, что 16pin просто обновляет китайский Kess v3.099 до v5.028, но они не переделываются. Я продолжаю делать свой интерфейс более надежным с помощью Ksuite 2.47, который я модифицировал для запуска с Kess v2 5.028 (или Kess v2 5.017). Прекрасно работает и без USB-ключа. Плюс в том, что исправлено множество контрольных сумм и ошибок. Macos застрял
Iphone продолжает скользить вверх
Оплата Apple Pay не завершена safari
Центр масс установлен
Магазин Savage 22 30 патронов
Hk
Hk vpran40 90 подавитель comercialización del Lada Largus 2021 en Rusia
Derivado del Dacia Logan MCV de primera generación , el Lada Largus se ha convertido en uno de los automóviles más importantes de la firma rusa así quean es que cuiden bastta perder clientes tanto en sus versiones para pasajeros como en la versátil alternativa comercial.
En estos días comienza la comercialización en Rusia de las unidades 2021 que destacan por include un profundo lavado de cara que modifica su аспекто фронтальный главный и эль интерьер, con un salpicadero más atractivo. Los materiales elegidos y la dotación también mejoran para adaptarse a las nuevas necesidades del público.
Моторные двигатели для Ларгуса FL 2021 Contempla el 1.6 MPI de 90 CV с базовым двигателем и альтернативным двигателем с multiválvulas и 106 CV с предварительным вариантом .Por ahora todos include cambio manual de cinco velocidades pero es вероятно que en unas semanas sumen la caja robotizada ya vista en otros modelos.
Los niveles de acabado varían en función de la carrocería elegida. El furgón se vende como Classic, Start, Confort y Confort Plus ; Обычный вариант для Classic, Start, Start Plus, Confort, Luxe y Prestige mientras que el Cross se vende con el motor más Potente con los acabados Confort, Luxe y Prestige. Hay alternativas con 2, 5 y 7 asientos.
Según la variante elegida podrán include sistema de navegación, Apple CarPlay, Android Auto, cámara posterior , сенсоры парковки, asientos calefactables delanteros y traseros, aire acondicionojebé de la de la de la de la de la de la de la de la de la de la de la de la de la de la de la de la de la de la de la de la de la de la de la de la de la de la de la другое control de velocidad, volante calefactable, faros antiniebla и т. д.
El nuevo Lada Largus 2021 queda reservado para ciertos mercados de Europa del Este, Asia y Oriente Medio , siendo Rusia, Ucrania, Kazajistán Sus принципиально и Egistán.Europa Occidental no contará con este modelo dado que no cumple con las normativas de seguridad y contaminación.
nueva cara para el Logan familia ‘de toda la vida’
Veterano en Rusia y en el mundo, el nuevo Lada Largus 2021 no es otra cosa que una Actualización для эль-авто знакомого базадо в El Dacia Logan, знакомого de primera generación. Tiene nuevo frontal, nuevos acabados y tablero de Duster.
Aún con varios años a cuestas, el Lada Largus siendo uno de los pilares en la gama del fabricante ruso.Por eso, la noticia de una puesta al día es importante para el mercado ruso y los países del CIS, pues así puede mantenerse vigente por un tiempo más, mientras llega una nueva generación. Aún así, le es muy Difícil ocultar su veteranía .
Básicamente, es un Dacia Logan, знакомый de primera generación remarcado con los logos de Lada. Es decir, estamos hablando de un vehículo que data del año 2004 y que extendió su vida comercial en una forma que solo puede explicar Lada, firma que desde 1977 y hasta la fecha произвести el campero Niva .
Para esta repairación, el Lada Largus recibió un nuevo frontal con enormes faros y un estilo sobrio , вдохновленный духом дизайна «X-Face», который идентифицируется с моделями марки ан лос ультимос аньос. También hay nuevos rines diamantados en bitono .
Exterior de Logan, interior de Duster
Otro de los cambios important para el Lada Largus 2021 está en la cabina. Su tablero de mandos cambió completetamente , al acceptar el mismo que utiliza la Renault Duster de primera generación, tal y como aún se product y vende en Colombia .Así, cambió el cuadro de información main y recibió un Centro multimedia (Media Nav) с pantalla tactil de siete pulgadas.
Otros cambios estuvieron en los acabados, que se mejoraron con miras a lograr un ambiente más moderno y agradable con nueva tapicería y colores en contraste , además de un descansabrazos delantero. Todo esto, se complementa con una puesta a punto de la cabina , nivel de insonorización .
Хаста Ахора, Лада Ларгус находится в офресе с моторными отсеками грунтовки Renault Logan , у него нет пареса, траса Эста пуэста аль диа.




6 (105 Hp)
1 сек