Причины отсутствия искры на ВАЗ 2107 инжектор
Запуск бензинового двигателя — это сложный процесс, посредством которого происходит вращение коленчатого вала. Чтобы запустить двигатель на автомобиле, достаточно повернуть ключ в замке зажигания. Однако возникают ситуации, когда запуск двигателя безуспешен. Причин для этого достаточно много, но одна из главных — когда нет искры ВАЗ 2107 инжектор. Причины отсутствия искры на семерке разные, и их нужно знать, чтобы иметь возможность устранить.
Проверка наличия искры
Когда на инжекторном автомобиле ВАЗ 2107 отказывается заводиться мотор, то винить в этой неисправности свечи зажигания просто неправильно. Для начала нужно убедиться, что дело именно в них, и только после этого выяснять причины неисправности системы зажигания. О том, как проверить искру на инжекторном автомобиле, знают не все водители. Но это не трудная процедура, которая со 100% позволит выяснить где нужно искать причину невозможности запуска двигателя.
Проверка наличия искры на свечах зажигания выполняется следующими способами:
- Самый простой способ проверки — от массы. Реализовать его можно посредством выполнения таких действий — отключается зажигание, вывинчивается каждая свеча поочередно, и подключив ее к насвечнику, располагается на металлической части двигателя. При этом один человек пытается завести мотор, а второй наблюдает на наличие искры.
- Есть и другой способ, который предусматривает использование специального тестера свечей. Его принцип основывается на том, что свечу необходимо выкрутить из цилиндра, и подключить к контактам тестера. Искра должна возникнуть от самого прибора.
Слабая искра или ее отсутствие говорит о том, что причина не запуска двигателя заключается именно в устройстве создания искры. При наличии слабой искры двигатель может завестись, однако работать он будет нестабильно. Нестабильная работа негативно сказывается и на его эксплуатационном ресурсе.
Какие причины проблем с образованием искры
Выявить причины отсутствия искрообразования на карбюраторном двигателе проще, чем на инжекторе. Это связано с конструктивными особенностями и отличиями между этими системами. Есть перечень причин проблемного искрообразования на инжекторных автомобилях, в частности, на ВАЗ 2107. Некоторые из них схожи с карбюраторными системами. Этими причинами являются такие факторы:
- Заливание свечей топливом. Выявить такую неисправность можно визуально после вывинчивания устройства из цилиндра. При этом контактная часть будет влажной.

- Выход из строя свечи зажигания, что выявляется также с помощью визуального осмотра контактной части. Наличие черного или белого нагара говорит о некоторых неисправностях мотора. Если нагар на свече красный или розовый, это говорит о том, что используемое топливо содержит большое количество присадок.
- Пробой высоковольтных проводов. Определить их неисправность можно визуально, однако не всегда отсутствие механических дефектов говорит об их непригодности. С течением времени ухудшается качество изоляции, а также увеличивается сопротивление в проводах, поэтому высоковольтные провода рекомендуется менять через каждые 5 лет.
- Неисправность электроники, в частности ЭБУ. Причиной того что заливает свечи, может быть неисправный датчик лямбда-зонда.
- Засорение форсунок инжектора. По этой причине инжектор также будет работать неправильно, так как в камере сгорания будет много топливной смеси, и она будет препятствовать нормальной работе мотора.
- Неисправность таких элементов системы зажигания, как коммутатор, катушка зажигания, датчик коленвала.
При выходе из строя этих деталей искра на свечах будет отсутствовать вовсе.
Если отсутствует искра на всех свечах зажигания или она очень слабая, то следует проверить исправность остальных устройств. Если же искра отсутствует только на одной детали, то высока вероятность именно в ее неисправности. Убедиться в этом можно путем вкручивания вместо неисправной свечи заведомо исправной. Если такой опыт подтвердит, что неисправна именно свеча, то желательно заменить все 4 элемента.
Это интересно! Чтобы выявить точную причину, почему отсутствует искра на инжекторном двигателе ВАЗ 2107, рекомендуется провести компьютерную диагностику. Если на бортовой компьютер выводится код ошибки Р03ХХ, то это говорит о наличие сбоев в системе зажигания.
Возвращаем автомобиль к жизни
Зачастую восстановить работоспособность двигателя по причине отсутствия искры в свече зажигания на ВАЗ 2107 не представляет особых трудностей. Обычно для этого не нужно глубоко копать, и достаточно заменить устройства искрообразования или бронепровода, чтобы вернуть стабильную работу двигателя.
К помощи компьютерной диагностики прибегать можно только в том случае, если визуальный осмотр не дал положительного результата. В зависимости от того, что показала визуальная или компьютерная диагностика, требуется принимать соответствующие меры по возвращению автомобиля к жизни.
Многие попросту не уделяют должного внимания своевременной замене свечей зажигания и бронепроводов. Это в итоге приводит к неблагоприятным последствиям. Инжекторные автомобили ВАЗ 2107 более чувствительны к разнообразным сбоям, поэтому при наличии таковых возникают ошибки и неработоспособность двигателя. Чтобы установить, почему не заводится двигатель на семерке, рекомендуется проверить следующие узлы:
- Свечи и бронепровода.
- Модуль зажигания.
Для его проверки необходимо установить заведомо исправный блок. - Убедиться в исправности транзисторов блока управления. Случается так, что транзисторы сгорают, что приводит к исчезновению искры. Узнать неисправность транзисторов поможет компьютерная диагностика.
- Проверить поступление топливной смеси в цилиндры. Если при включении зажигания не качает бензонасос, то двигатель не запускается по причине отсутствия подачи топлива.
- Проверить напряжение питания на форсунках, для чего понадобится мультиметр.
- Проверить давление в топливной рампе, воспользовавшись манометром.
Семерки с инжекторными моторами пользуются большой популярностью, однако возникающие поломки с системой зажигания и подачи топлива более трудны, чем на карбюраторных моделях. Не стоит торопиться ехать в автосервис, так как поломку такого типа вполне реально устранить самостоятельно.
Почему пропадает искра на ваз 2107 инжектор
Нет искры с КЗ(безконтактное), на клеммах катушки ток есть, при выключении зажигания проскакивает искра
- В чём проблема с зажиганием ВАЗ 2107? – 5 ответов
- Какая причина выхода из строя свечей зажигания(новых) в ВАЗ 2107 – 4 ответа
- Троит при прогреве ВАЗ 2107 – 4 ответа
- Не заводиться ВАЗ 2107 – 4 ответа
- Для чего предназначен 7-й выход в электронном блоке зажигания ВАЗ 2107 – 4 ответа
Если искра проскакивает при выключении, то смотри коммутатор — либо питание не приходит с замка зажигания, либо плохой контакт колодки и контактов коммутатора (достаточно снять и одеть колодку и зажигание появляется).
Значит коммутатор исправен. Датчик Холла не работает. Может быть на внутренней стороне разъёма паяные провода отвалились, может сам датчик кончился. А может у трамблёра вал срезало.
А проверить исправность коммутатора просто. Достаточно снять разъём жгута зажигания с трамблёра и на среднюю клемму кратковременно и многократно подать минус. При каждом замыкании на минус должна проскочить искра с высоковольтного вывода катушки.
«Нет искры с КЗ(безконтактное). ». После этих слов, уже понятно что катушка неисправна.
А что на клеммах катушки ток есть, то это он туда приходит при включении зажигания от замка.
Подпишись
на наш канал в
Я ндекс.Дзене
Еще больше полезных советов в удобном формате
Надо сказать, причин, по которым не заводится ВАЗ: 2107, 2106, модель не так важна, не так уж и много. Рассмотрим в статье основные причины, почему не заводится двигатель.
Вообще, у данной проблемы есть два направления: отсутствие бензина и отсутствие искры.
То есть, в цилиндр должно поступать топливо, и оно должно зажигаться. Это простая истина, от которой надо отталкиваться. Кроме того, есть еще два направления – это инжекторный и карбюраторный двигатель. На них-то мы и сориентируемся.
Убедитесь, что искры нет
- Отключите топливную систему, сняв предохранитель или реле топливного насоса.
- Вставьте тестер свечей зажигания в штекер и заземлите его на двигатель.
- Попросите кого-нибудь провернуть двигатель и следите за искрой.
Если у вас система зажигания «катушка на штекере» без проводов
- Снимите одну из катушек со свечи зажигания.
- Используйте старую свечу зажигания.
- Тестер свечей зажигания.
- Или даже отвертку в штекере катушки.
- Заземлите на металлическую часть двигателя.
- Попросите кого-нибудь покрутить двигатель и наблюдайте за искрой.
Отсутствие искры указывает на проблему зажигания.
В крайних случаях возможна неисправность блока управления (ЭБУ).
В некоторых случаях проблема с ЭБУ может привести к тому, что автомобиль вообще не будет работать. Функции блока управления включают в себя позиционирование коленчатого вала, управление искрой и временем зажигания. Если есть проблемы с тем, как контроллер выполняет эти функции, автомобиль может не работать.
Советы и отзывы специалистов
Большинство владельцев снегоходов «Буран» не испытывают больших проблем кроме случаев, когда приходится искать причины, почему на свече нет искры вообще. Даже если искра слабая, угол опережения установлен плохо, двухтактный двигатель РМЗ может работать. Правда, его надёжность при этом снижается, а расход топлива повышается. Поэтому, если владелец всё-таки хочет получить надёжный снегоход, нужно проводить плановое ТО системы зажигания и других систем хотя бы раз в начале сезона. Не стоит ехать в лес, на холодные ледяные просторы, не убедившись в надёжности машины.
Вы можете задать свой вопрос нашему автору:
Причины отсутствия искры
Причиной может быть что-то из следующего.
Неисправный датчик положения коленчатого вала (ДПКВ)
Прежде всего, обратите внимание на наличие оборванных, ослабленных или окисленных проводов от датчика к ЭБУ. Датчик положения коленчатого вала контролирует положение и частоту вращения коленчатого вала. Если ДПКВ полностью вышел из строя и вообще не посылает сигнал в блок управления, то контроллер не будет отправлять топливо в форсунки. Это не позволит вам завести машину.
Модуль зажигания
Модули зажигания представляют собой полупроводниковые переключающие устройства, которые обычно используют такую деталь, как транзистор, для включения и выключения тока через первичную обмотку катушки зажигания. Таким образом, модуль зажигания очень похож на механические контакты. Однако модули зажигания не могут работать в одиночку. Модулю нужен внешний управляющий сигнал.
Если ваш автомобиль неожиданно глохнет во время работы и не запускается снова, это может быть связано со слабым контактом или коррозией электрических соединений в модуле зажигания.
В этом случае проверьте ключ зажигания, очистите окисленные клеммы и замените оборванные провода, если необходимо. Еще одна проблема — повреждение от перегрева. Если вы не можете завести автомобиль, вам необходимо проверить модуль управления зажиганием.
Неисправный прерыватель, разрыв ведущей шестерни распределителя, обрыв или коррозия проводов от датчика к модулю зажигания или ЭБУ
Электронные прерыватели зажигания являются компонентом традиционных систем зажигания с электронным распределителем. Они находятся внутри распределителя и функционируют как спусковой механизм для системы зажигания, чтобы произвести искру.
Катушка прерывателя контролирует вращение распределителя и запускает систему зажигания. Кроме того, искру нужно произвести в оптимальный момент времени для лучшей производительности двигателя.
Поскольку прерыватель зажигания, по существу, функционирует в качестве переключателя активации для всей системы зажигания, при выходе из строя он может значительно повлиять на работу автомобиля.
Одним из первых признаков плохого срабатывания прерывателя зажигания является двигатель, который глохнет и не перезапускается.
Следовательно, старый или неисправный прерыватель может периодически отключать сигнал, что может привести к остановке двигателя.
Двигатель может просто внезапно заглохнуть, как если бы ключ зажигания был выключен. В зависимости от характера проблемы, иногда автомобиль может быть перезапущен и продолжить движение. Следовательно, эта проблема будет только ухудшаться.
Неисправная катушка зажигания
Катушка зажигания — это устройство, которое берет низкое напряжение и превращает его в мощную искру. Одним из наиболее распространенных симптомов неисправной катушки зажигания является то, что автомобиль некоторое время работает, а затем двигатель автомобиля внезапно глохнет без видимой причины.
Это происходит после того, как катушка зажигания или модуль становятся слишком горячими. Кроме того, ситуация может исправиться после того, как модуль зажигания остынет.
В некоторых случаях неисправная катушка зажигания может привести к тому, что автомобиль вовсе не запустится.
Как проверить наличие искры?
Чтобы убедиться, что двигатель не запускается из-за отсутствия искры, вы можете выполнить одно из следующих действий.
Напряжение зажигания опасно! Не держитесь и не прикасайтесь к проводу свечи зажигания во время запуска двигателя.
Если на свечи зажигания приходят провода, отсоедините один из них от свечи и поместите конец провода рядом с металлической поверхностью на двигателе. Вставьте небольшую крестообразную отвертку, небольшой болт или гвоздь в конец провода (наконечник), чтобы обеспечить токопроводящий путь. Затем покрутите двигатель и проверьте искру между отверткой, болтом или гвоздём в наконечнике свечного провода и корпусом двигателя. Если искры нет, значит проблема с зажиганием.
Еще один вариант. Отключите свечной провод и вставьте в него старую свечу или тестер зажигания. Поместите свечу зажигания на металлическую поверхность двигателя или заземлите тестер свечи зажигания.
Затем покрутите двигатель. Отсутствие искры указывает на проблему с зажиганием.
Если у вас на каждую свечу приходит своя катушка зажигания, отсоедините одну из катушек от свечи и вставьте старую свечу зажигания, тестер свечей или отвертку в конец катушки. Заземлите свечу или тестер свечи на двигатель, затем проверните двигатель и проверьте искру. Отсутствие искры говорит о проблеме с зажиганием.
Видео о том, как проверять искру на инжекторном двигателе:
Распылите немного аэрозоли «Быстрый старт» в дроссельную заслонку (ВНИМАНИЕ: жидкость «Быстрого старта» чрезвычайно огнеопасна!). Затем проверните двигатель.
Если двигатель запускается — у вас нет проблем с зажиганием. Незапуск двигателя связан с топливом.
Почему не заводиться мотоблок?
Ремонт мотоблока будет успешным, если грамотно выполнить диагностику мототехники.
Причины поломки агрегата бывают самыми различными:
- Отверстие в бензобаке засорилось;
- Каналы подачи топлива забились мусором;
- Воздушным фильтром перекрывается попадание засорённого воздуха;
- Поломка карбюратора.

Бензиновый и дизельный мотоблок нужно тщательно подготавливать к сезонным работам. Важно убедиться, что все элементы конструкции на своих местах и надёжно закреплены.
Установленные двигатели Субару или моторы других брендов могут не заводиться после продолжительного простоя, в особенности в зимний период. Негативно влияет и некорректные условия хранения техники.
Могут возникнуть следующие неисправности:
- Окислились контакты в электропроводке;
- В масло или топливо попала вода;
- Нарушилась целостность изоляции проводов;
- В жиклерах карбюратора скопился мусор.
Прежде чем завести мотоблок, нужно просмотреть все соединения в узлах устройства, проверить целостность и соединения тросов газа, реверса и сцепления. Если обнаружены зажимы или перекрученные тросы, это необходимо исправить для запуска агрегата.
Необходимо проконтролировать количество масла в картере. Недостаток смазки может негативно сказаться на поршневой группе.
Дизель или бензиновый мотоблок может не заводиться, если масла недостаточно. На отдельных моделях установлена защита низкого уровня, если её нет, нужно постоянно контролировать объём смазывающей жидкости.
Важно учитывать и качество заливаемого бензина. Мотоблок нужно заправлять маркой, которую рекомендует производитель, тогда агрегат будет работать без перебоев. Двухтактные двигатели эксплуатируются на отдельно приготовленном топливе: бензине и масле. Важно выдерживать строгое соотношение веществ.
Что делать, если нет искры?
Если искры нет — проверьте наличие «плюса» клемме катушки, когда ключ зажигания включен. Это можно сделать с помощью мультиметра, переведя его на измерение постоянного напряжения (DC).
Если напряжение есть — проблема связана со схемой запуска катушки (датчик положения коленвала, модуль зажигания, провода и т. п.).
Если на катушке нет напряжения — проблема в схеме питания (ключ зажигания, провода, соединения).
Если на катушку подается напряжение, проблема может быть в плохом выходном проводе высокого напряжения от катушки к распределителю, микротрещинах на крышке катушки, трещинах или углеродных дорожках внутри крышки распределителя или на бегунке.
Использование сканера
Если у вас есть диагностический прибор, подключите его к диагностическому разъему автомобиля и смотрите сигнал оборотов при запуске двигателя. Нет сигнала? Проблема заключается в плохой работе сигнального датчика распределителя зажигания (на двигателях с трамблёром), неисправности приводного механизма распределителя (обычно для пластиковых передач), неисправности ДПКВ (на двигателях без распределителя), неисправности проводки (обрыв, короткое замыкание, окисление контактов).
Если загорается Check Engine, используйте диагностический сканер для считывания кодов неисправностей, связанных с зажиганием. Любые коды, относящиеся к катушке (P0351 − P0358), потребуют проверки катушки. Коды пропусков зажигания говорят о том, что нужно проверить свечи зажигания и/или их провода.
Проверка катушки зажигания
Катушки зажигания в системах зажигания DIS (Distributorless Ignition System — система зажигания без распределителя) функционируют так же, как и в обычных системах зажигания, поэтому испытания по существу такие же.
Но симптомы, вызванные слабой или неисправной катушкой, будут ограничиваться одним или двумя цилиндрами в системе зажигания DIS, а не всеми цилиндрами в двигателе с распределителем и одной катушкой.
Большинство проблем с запуском DIS вызваны плохим датчиком положения коленчатого вала. Многие системы DIS используют «холостую искру», когда одна катушка зажигает две свечи, которые расположены друг напротив друга в порядке зажигания. В других, в том числе в новых системах с катушкой на проводе зажигания, для каждой свечи предусмотрена отдельная катушка.
Отдельные катушки DIS тестируются по существу так же, как и с эпоксидным заполнением (квадратного типа). Сначала отсоедините все провода. Установите мультиметр в режим измерения сопротивления в самый нижний диапазон. Подключите прибор к первичным клеммам катушки зажигания и сравните сопротивление первичной обмотки с данными в спецификации (обычно менее 2 Ом).
Затем подключите мультиметр к вторичной обмотке и сравните показания с паспортными данными (обычно 6000–30 000 Ом).
Если показания выходят за пределы указанного диапазона, катушка неисправна и требует замены.
Если измерение вторичного сопротивления катушки DIS затруднено из-за расположения, попробуйте отсоединить провода от свечей зажигания и измерить вторичное сопротивление через штекера проводов, а не через клеммы катушек. Просто не забудьте добавить к полученным показаниям максимум 8000 Ом сопротивления проводов.
Проверяем модуль зажигания 16-ти клапанной ВАЗ-2112 мультиметром
Ситуация следующая: ни с того ни с сего мотор стал «троить», пропала тяга, а «холостые» теперь не доходят даже до 500. Снимал высоковольтные провода по очереди, так вот, в цилиндрах 2 и 3 искры не было совсем. Двигатель 16-клапанный, но без «индивидуальных катушек». Вопрос в том, как на моторе ВАЗ-2112 проверить модуль зажигания, и желательно, чтобы его не снимать. Внутри модуля, кроме катушек, установлена электроника. А как проверить исправность?
Проверка модуля зажигания ВАЗ-2112 своими руками
Внутри модуля зажигания находится вот такая плата
Ясно, что речь идёт о двигателе 21120 и о модуле зажигания 2112-3705010.
Кстати, в артикулах будут идти ещё две цифры – они означают фирму-изготовителя.
Все элементы системы зажигания
К разъёму модуля подводятся четыре провода:
- Сине-красный – питание +12;
- Коричневый – «масса»;
- Бело-голубой – сигнал для свечей 1 и 4;
- Серо-красный – свечи 2 и 3.
Сначала проверьте, что на модуль подаются все напряжения:
- Выключаем зажигание, отключаем разъём;
- Переводим ключ в положение I;
- Щуп стрелочного вольтметра подключаем к «минусу» АКБ;
- Вторым щупом (плюсовым) находим контакт «+12V» в разъёме;
- На каждом управляющем контакте стрелка покажет «почти 0»;
- При работающем стартере значения должны увеличиться, оставаясь при этом меньше 0,7 В.
На обоих управляющих контактах напряжение должно быть одинаковым.
Допустим, проверка разъёма не выявила ошибок. Дальше будем искать причину в самом модуле.
Тестер ЦНТ-СПМЗ
По рекомендации завода, на автомобилях ВАЗ-2112 проверять на необходимость ремонта модуль зажигания надо тестером, который называется ЦНТ-СПМЗ.
Комплект состоит из генератора и модуля разрядников.
ЦНТ-СПМЗ, версия 3
Если же тестера под руками нет, попробуем изготовить его сами. Только модуль зажигания всё же придётся снять, отвернув три гайки «на 10». Сначала отключают АКБ, затем – провода свечей и разъём. Кстати, на проводах нанесены цифры, соответствующие цифрам на модуле (см. видео).
Проверка датчика коленвала
На большинстве автомобилей неисправный ДПКВ обычно вызывает код неисправности, поэтому используйте диагностический сканер. Или проверьте сам датчик коленвала.
Магнитный ДПКВ
Магнитные датчики коленвала можно проверить, отсоединив электрический разъем и измерив сопротивление между соответствующими клеммами. Если сопротивление не соответствует техническим характеристикам, датчик неисправен и требует замены.
Магнитные датчики положения коленчатого вала вырабатывают переменный ток при запуске двигателя, поэтому проверка выходного напряжения является еще одним тестом, который можно выполнить.
При подключенном датчике измерьте выходное напряжение на клеммах датчика при запуске двигателя. Если вы видите по крайней мере 20 мВ на переменного тока, датчик исправен, то есть, вероятно, неисправность в модуле.
Если выходное напряжение низкое, снимите датчик и осмотрите его конец на наличие ржавчины или мусора (магнитные датчики будут притягивать металлические частицы). Очистите датчик, переустановите его и проверьте снова.
Убедитесь, что он имеет надлежащий воздушный зазор (если он регулируется), поскольку расстояние между концом датчика и зубчатым венцом или выемками в коленчатом валу будет влиять на выходное напряжение датчика. Если воздушный зазор правильный и выходное напряжение по-прежнему низкое, замените датчик.
ДПКВ на эффектом Холла
Датчики положения коленвала с эффектом Холла обычно имеют три клеммы. Одна — для подачи тока, одна — для заземления и одна — для выходного сигнала. Датчик должен иметь напряжение и массу для подачи сигнала, поэтому сначала проверьте эти клеммы с помощью мультиметра.
Источник: autorepairhelp.us
Выход датчика можно проверить, отсоединив модуль DIS и проворачивая двигатель, чтобы убедиться, что датчик выдает сигнал напряжения. Напряжение вольтметра должно меняться каждый раз, когда зубец проходит перед датчиком. При наблюдении на осциллографе вы должны увидеть прямоугольную форму волны. Отсутствие сигнала говорит о том, что датчик неисправен.
Предыдущая запись Ошибка P0016 — что значит, симптомы, причины, диагностика, устранение
Следующая запись Ошибка P0113 — что значит, симптомы, причины, диагностика, устранение
Какая причины нет искры на инжекторе 2107
Почему искра может отсутствовать?
Перечень ситуаций, по которым может отсутствовать искра в автомобильных свечах, очень велик, на это повлиять может всё что угодно. Попытаемся выделить наиболее часто появляющиеся причины на моделях 2109, 2114, 2110, 2106 автоконцерна ВАЗ:
- слабый заряд АКБ;
- проблема во ВВ-проводах;
- присутствуют неполадки в катушке зажигания;
- проблемы с цепью низких напряжений;
- проблемы с распределителем зажигания.

Также внимание надо обратить на то, какого качества контакты и электрические узлы. Контакты, конечно, можно проверить довольно легко, подёргав их немного пальцами рук. Кроме этого, желательно осмотреть все элементы системы зажигания. Если на них присутствует грязь, масло, вода — их надо тут же вытереть сухой тряпкой. После этого можно попробовать заводить автомобиль.
Проверяем” катушку зажигания
Чтобы провести диагностику катушки, нужно достать основной провод из крышки распределителя. Далее, пробуем провернуть стартёр, дабы увидеть искру от провода.
- Искра образовалась — это говорит об исправности катушки. Значит, проблема заключается в прерывателе.
- При отсутствии искры неисправность искать надо в катушке зажигания.
Если было определено, что проблема заключается именно в катушке зажигания, то её придётся менять. В «немолодых» автомобилях ВАЗ, особенно 2109, 2106, 2114, 2110, это явление отнюдь не редкое.
Проверяем распределитель зажигания
Если есть вероятность того, что проблема заключается именно в прерывателе, то, чтобы произвести диагностику, нужно проводить осмотр его крышки с внутренней стороны:
- Визуально крышка цела и не имеет признаков поломки — промыть, лучше бензином, и поставить на место.

- Есть какие-то видимые признаки поломки или есть какие-либо трещины — требуется замена крышки.
Также нужно проверить на прерывателе центральный его контакт на наличие «зависаний». Это сделать легко: достаточно переместить его угольный наконечник.
Ещё одна проверка, которую можно и даже нужно произвести, — это проверка изоляции ротора прерывателя. Делается это так:
- Сперва центральный ВВ-кабель располагается на расстоянии пяти — восьми миллиметров от электрода.
- Далее, нужно замкнуть и разомкнуть несколько раз контакты. Это всё сделать надо при включённом зажигании.
Если в этом небольшом зазоре проскакивает хоть малейшая искра — это говорит о неисправности ротора. В подобных ситуациях он идёт под замену.
Проверяем цепь низкого напряжения
Для проведения диагностики подобной цепи можно воспользоваться контрольной лампой на 12 вольт мощностью до трёх ватт. Эту лампочку необходимо включить одним контактом на массу авто, другим — на клемму низкого напряжения.
После манипуляций с подключением вручную замыкаются контакты прерывателя и включается зажигание. Если цепь исправна, то при замкнутых контактах лампочка тухнет, при разомкнутых — горит. Когда этого не происходит — нужно начинать поиск проблемы в обмотке катушки или в кабелях.
Если же лампа горит постоянно, то это указывает на один из видов неисправностей:
- Контакты прерывателя сильно окислены.
- Провод, ведущий от рычага к клемме прерывателя, оборван.
- Провод, который соединяет корпус с подвижным диском, оборван.
Окисленные провода нужно очистить, после чего система заработает. В любом другом случае необходимо более углублённое вмешательство.
Причины отсутствия искры на ВАЗ 2107 инжектор
Запуск бензинового двигателя — это сложный процесс, посредством которого происходит вращение коленчатого вала. Чтобы запустить двигатель на автомобиле, достаточно повернуть ключ в замке зажигания. Однако возникают ситуации, когда запуск двигателя безуспешен.
Причин для этого достаточно много, но одна из главных — когда нет искры ВАЗ 2107 инжектор. Причины отсутствия искры на семерке разные, и их нужно знать, чтобы иметь возможность устранить.
Проверка наличия искры
Когда на инжекторном автомобиле ВАЗ 2107 отказывается заводиться мотор, то винить в этой неисправности свечи зажигания просто неправильно. Для начала нужно убедиться, что дело именно в них, и только после этого выяснять причины неисправности системы зажигания. О том, как проверить искру на инжекторном автомобиле, знают не все водители. Но это не трудная процедура, которая со 100% позволит выяснить где нужно искать причину невозможности запуска двигателя.
Проверка наличия искры на свечах зажигания выполняется следующими способами:
- Самый простой способ проверки — от массы. Реализовать его можно посредством выполнения таких действий — отключается зажигание, вывинчивается каждая свеча поочередно, и подключив ее к насвечнику, располагается на металлической части двигателя.
При этом один человек пытается завести мотор, а второй наблюдает на наличие искры. - Есть и другой способ, который предусматривает использование специального тестера свечей. Его принцип основывается на том, что свечу необходимо выкрутить из цилиндра, и подключить к контактам тестера. Искра должна возникнуть от самого прибора.
Слабая искра или ее отсутствие говорит о том, что причина не запуска двигателя заключается именно в устройстве создания искры. При наличии слабой искры двигатель может завестись, однако работать он будет нестабильно. Нестабильная работа негативно сказывается и на его эксплуатационном ресурсе. Отсутствие искры вовсе не означает, что причина неисправности в свече. Причинами могут быть также неисправности системы зажигания автомобиля.
Какие причины проблем с образованием искры
Выявить причины отсутствия искрообразования на карбюраторном двигателе проще, чем на инжекторе. Это связано с конструктивными особенностями и отличиями между этими системами.
Есть перечень причин проблемного искрообразования на инжекторных автомобилях, в частности, на ВАЗ 2107. Некоторые из них схожи с карбюраторными системами. Этими причинами являются такие факторы:
- Заливание свечей топливом. Выявить такую неисправность можно визуально после вывинчивания устройства из цилиндра. При этом контактная часть будет влажной.
- Выход из строя свечи зажигания, что выявляется также с помощью визуального осмотра контактной части. Наличие черного или белого нагара говорит о некоторых неисправностях мотора. Если нагар на свече красный или розовый, это говорит о том, что используемое топливо содержит большое количество присадок.
- Пробой высоковольтных проводов. Определить их неисправность можно визуально, однако не всегда отсутствие механических дефектов говорит об их непригодности. С течением времени ухудшается качество изоляции, а также увеличивается сопротивление в проводах, поэтому высоковольтные провода рекомендуется менять через каждые 5 лет.

- Неисправность электроники, в частности ЭБУ. Причиной того что заливает свечи, может быть неисправный датчик лямбда-зонда.
- Засорение форсунок инжектора. По этой причине инжектор также будет работать неправильно, так как в камере сгорания будет много топливной смеси, и она будет препятствовать нормальной работе мотора.
- Неисправность таких элементов системы зажигания, как коммутатор, катушка зажигания, датчик коленвала. При выходе из строя этих деталей искра на свечах будет отсутствовать вовсе.
Если отсутствует искра на всех свечах зажигания или она очень слабая, то следует проверить исправность остальных устройств. Если же искра отсутствует только на одной детали, то высока вероятность именно в ее неисправности. Убедиться в этом можно путем вкручивания вместо неисправной свечи заведомо исправной. Если такой опыт подтвердит, что неисправна именно свеча, то желательно заменить все 4 элемента.
Это интересно! Чтобы выявить точную причину, почему отсутствует искра на инжекторном двигателе ВАЗ 2107, рекомендуется провести компьютерную диагностику.
Если на бортовой компьютер выводится код ошибки Р03ХХ, то это говорит о наличие сбоев в системе зажигания.
Возвращаем автомобиль к жизни
Зачастую восстановить работоспособность двигателя по причине отсутствия искры в свече зажигания на ВАЗ 2107 не представляет особых трудностей. Обычно для этого не нужно глубоко копать, и достаточно заменить устройства искрообразования или бронепровода, чтобы вернуть стабильную работу двигателя. К помощи компьютерной диагностики прибегать можно только в том случае, если визуальный осмотр не дал положительного результата. В зависимости от того, что показала визуальная или компьютерная диагностика, требуется принимать соответствующие меры по возвращению автомобиля к жизни.
Многие попросту не уделяют должного внимания своевременной замене свечей зажигания и бронепроводов. Это в итоге приводит к неблагоприятным последствиям. Инжекторные автомобили ВАЗ 2107 более чувствительны к разнообразным сбоям, поэтому при наличии таковых возникают ошибки и неработоспособность двигателя.
Чтобы установить, почему не заводится двигатель на семерке, рекомендуется проверить следующие узлы:
- Свечи и бронепровода.
- Модуль зажигания. Для его проверки необходимо установить заведомо исправный блок.
- Убедиться в исправности транзисторов блока управления. Случается так, что транзисторы сгорают, что приводит к исчезновению искры. Узнать неисправность транзисторов поможет компьютерная диагностика.
- Проверить поступление топливной смеси в цилиндры. Если при включении зажигания не качает бензонасос, то двигатель не запускается по причине отсутствия подачи топлива.
- Проверить напряжение питания на форсунках, для чего понадобится мультиметр.
- Проверить давление в топливной рампе, воспользовавшись манометром.
Семерки с инжекторными моторами пользуются большой популярностью, однако возникающие поломки с системой зажигания и подачи топлива более трудны, чем на карбюраторных моделях. Не стоит торопиться ехать в автосервис, так как поломку такого типа вполне реально устранить самостоятельно.
provaz07.ru
Подведём итоги
Свечи зажигания играют важнейшую роль в работе автомобиля. Если хоть одна свеча выйдет из строя и не будет давать искру, соответственно, один из цилиндров работать не будет, автомобиль будет иметь повышенный расход топлива и будет менее динамичен. Искать причину исчезновения искры весьма непростая задача, так как в этом могут быть «виновны» несколько агрегатов. Однако для нормального функционирования это просто необходимо.
Что делать, если на автомобиле ВАЗ-2106 пропала искра? Как известно, данное явление приводит к тому, что топливовоздушная смесь не воспламеняется и двигатель перестает заводиться. Поэтому искать причины возникновения проблемы вам придется в обязательном порядке.
На автомобилях ВАЗ, и на «шестерке» в частности, искра может пропадать из-за самых различных неисправностей. Но в данной статье мы опишем только самые распространенные из них, а также дадим полезные советы по выявлению и устранению неполадок.
Поиск неисправностей в системе зажигания
Неисправности системы зажигания автомобиля неприятны тем, что любая из них, всегда сопровождается серьезными перебоями в работе двигателя или полной его остановкой.
Главный признак неисправности системы зажигания – полное отсутствие или “слабая” искра между электродами свечей зажигания. Что делать если нет искры, и где её искать? Об этом и не только читайте в нашем материале.
Чаще всего искра пропадает именно в тот момент, когда нужно куда-либо ехать. Чтобы не толкать машину в ближайший автосервис, важно понимать, от чего зависит работа системы зажигания, тогда и поиск пропавшей искры не вызовет особых затруднений.
В конце этой статьи смотрите видео-инструкцию по поиску искры в системе зажигания автомобилей ВАЗ.
Убеждаемся в работоспособности свечей
Чаще всего искра пропадает из-за возникновения проблем с одной из свечей зажигания, поэтому в первую очередь мы будем тестировать именно эти детали. Произвести проверку можно даже в полевых условиях. Для этого достаточно иметь с собой заведомо исправную свечу. Тестирование выполняется следующим образом:
- вставляем новую свечу;
- проворачиваем стартер и проверяем наличие искры;
- если новая деталь работает нормально, то просто оставляем ее на месте и запускаем двигатель.

В ситуации когда исправная свеча не срабатывает, потребуется проведение более сложных проверок.
Проверяем высоковольтные провода
После проверки свечей контактного зажигания продвигаемся дальше по цепи и тестируем работоспособность высоковольтных проводов. Приведенная ниже инструкция поможет вам выполнить диагностику, если искра исчезает лишь на одном из цилиндров:
- меняем местами провода, подключенные к свечам зажигания;
- проверяем наличие искры;
- если она появляется на том цилиндре, на который вы перебросили новый провод, и исчезает на другом, то проблема именно в кабеле. Следовательно, последний потребуется заменить.
Точно таким же образом проверяется целостность центрального провода, по которому подается напряжение на катушку зажигания. Можно также попытаться прижать его сильнее к трансформатору и крышке трамблера, чтобы восстановить контакт.
Пропала искра на инжекторе,пропала искра
789 Google+
Если не запускается двигатель, но слышно как включается и работает топливный насос в баке, в этом случае скорее всего пропала искра на инжекторе.
Для определения неисправности надо проверить наличие искрового разряда на высоковольтных проводах. При этом обязательно применяйте разрядник. Если Вы будете проверять наличие искры на разрыв, разместив провод на некотором расстоянии от массы автомобиля, то может выйти из строя модуль зажигания или контроллер, из-за появления большого тока самоиндукции при большом искровом промежутке. Кроме того Вы можете получить довольно ощутимые и неприятные ощущения получив удар током при пробое изоляции. В том случае, когда Вы проверяете искровой разряд, положив на корпус двигателя свечу с одетым на неё высоковольтным проводом, так же из-за плохого контакта корпуса свечи с массой, может образоваться большой ток самоиндукции, что приведёт к повреждению контроллера или модуля зажигания. Применение разрядника так же более удобно, так как в большинстве инжекторных двигателях применяется статическое распределение зажигания с одновременной подачей высокого напряжения на две свечи.
Сделать разрядник не трудно самому, здесь Вы можете найти несколько примеров.
Чертёж разрядника для проверки одновременно искры на четырёх высоковольтных проводах и фото для проверки искры на двух высоковольтных проводах. После подключения разрядника проворачиваем двигатель стартером и наблюдаем наличие искрового разряда. Если пропала искра на инжекторе на одном проводе, при распределении высокого напряжения одновременно на две свечи, то это свидетельствует о пробое на массу провода или вывода катушки зажигания (модуля зажигания). Если отсутствует искра одновременно на паре проводов 1-4 или 2-3, то неисправна катушка зажигания, модуль зажигания или контроллер. Обрыв высоковольтных проводов так же нельзя исключать.
Проверка приборов зажигания.
Для проверки целостности высоковольтных проводов, необходимо проверить их сопротивление, оно не должно превышать 200 кОм, и не должно быть большой разницы сопротивления в комплекте одинаковых проводов. Для проверки катушек зажигания или модуля необходимо проверить наличие соответствующих кодов ошибок в оперативной памяти контроллера.
Если в контроллере не предусмотрена функция диагностики модуля или катушек, то проще всего заменить модуль на заведомо исправный и повторить проверку. Если и в этом случае не будет искры на этих же проводах, то неисправен контроллер или провода, соединяющие его с катушкой зажигания (модулем). При проверке наличия искрового разряда в статической системе зажигания с катушкой зажигания на каждом цилиндре, если отсутствует искра на одной из катушек, замените её на любую исправную с любого цилиндра. Если искра появится, неисправна катушка, в противном случае неисправен контроллер или провод, соединяющий его с катушкой. В том случае, когда нет искрового разряда ни на одном проводе, необходимо проверить наличие питания на катушке зажигания, а при использовании в системе зажигания модуля, ещё и наличие минуса. Например, на автомобилях с контроллером МР7 надо проверить наличие плюса на проводе 68, коснувшись его контрольной лампой подключенной к минусу и наличие минуса на проводе 66, контрольной лампой подключенной к плюсу.
При исправность питающих проводов, надо проверить исправность датчика положения коленвала. Это можно сделать несколькими способами, в зависимости от применяемого контроллера, и автомобиля. После включения зажигания и прекращения работы топливного насоса, если мы начнём проворачивать коленчатый вал двигателя стартером, при исправном датчике насос должен снова включиться. Но при этом надо учитывать, что некоторые контроллеры включают топливный насос только при достижении определённых оборотов коленчатого вала. Также можно подключить контрольную лампу к выводам любой форсунки. При этом во время вращения коленвала при исправном датчике контрольная лампа должна мигать. Если датчик исправен, то неисправен контроллер или провода, соединяющие его с катушками зажигания или модулем. Доказательством работы датчика положения коленвала, могут служить сырые свечи, вывернутые из цилиндров двигателя. Неисправность контроллера в 99% случаев связана с пробоем управляющего ключа (транзистора), который соединяет первичную обмотку катушек зажигания с минусом.
Эта же основная причина неисправности модуля зажигания. Но если модуль зажигания залит компаундом и практически не подлежит ремонту, то контроллер в этом случае отремонтировать можно. В некоторых случаях с этим может справиться любой имеющий навык работы паяльником и немного разбирающийся в электронике. Неисправность датчика довольно редкое явление и зачастую связано с потерей контакта в штекерном соединении с датчиком, в следствии его загрязнения и замасливания, и обрыв или замыкание проводов, в следствии не правильной их укладки при ремонте.
Если при проверке будет установлено, что искра на свечи поступает, а двигатель при этом не заводится, то прочитайте статью «Не заводится инжекторный двигатель»
admin 06/03/2012«Если Вы заметили ошибку в тексте, пожалуйста выделите это место мышкой и нажмите CTRL+ENTER» «Если статья была Вам полезна, поделитесь ссылкой на неё в соцсетях»
avtolektron.ru
Проверяем контакты трамблера
Если после описанных выше действий искра так и не появилась, переходим к следующему этапу.
Открываем крышку трамблера и чрезвычайно внимательно осматриваем контактные группы. Вполне возможно, проблема возникает из-за нагара, который нужно аккуратно убрать с помощью обычного ножа.
Также на этом этапе можно проверить работоспособность контактов, для чего при открытой крышке нужно несколько раз провернуть стартер. Если все контактные группы размыкаются нормально, то они исправны. В противном случае имеет смысл выставить правильный зазор между ними.
Не заводится карбюраторный двигатель
Перечень возможных причин, по которым не заводится ВАЗ 2107 карбюратор, выглядит так:
Разумеется, возможны другие причины, по которым бензин не попадает в цилиндры двигателя. В таком случае необходим индивидуальный подход к решению проблемы.
Если бензин поступает в цилиндры, а ВАЗ 2107 не заводится, то стоит проверить систему зажигания.
- Выкрутить свечу, подключить к высоковольтному проводу и приложить к головке двигателя, обеспечив контакт с «массой». Помощник должен наблюдать за свечой, пока вы крутите стартер. Свеча должна выдавать стабильную искру голубоватого цвета. Если искра красная, свеча нуждается в замене.
- Если искра отсутствует, необходимо проверить кабель «массы», идущий к двигателю. Он должен быть затянут, контакт – не окислившийся и не замасленный. Можно протянуть временный дополнительный кабель, обеспечив контакт двигателя с «массой».
- Если искра не появилась, следует проверить работу распределителя. Высоковольтный «центральный» провод следует приставить к двигателю на расстоянии 1 мм и вращать стартер. Искры нет, неисправность заключается в трамблере. Удерживать провод следует пассатижами, иначе можно получить удар током.
- При отсутствии искры следует проверить крышку трамблера и наличия напряжения на контакте «К». Отсутствие напряжение на контакте говорит о неисправности замка зажигания или предохранителе, проводе питания. Чтобы проверить это, можно протянуть временный провод от плюсовой клеммы аккумулятора.
- Если питание поступает на трамблер, необходимо проверить зазор контактов прерывателя (0,4 мм) и работоспособность резистора, установленного в бегунке.
- При исправном трамблере остается проверить, правильно ли выставлено зажигание.
Если зажигание выставлено правильно, искра в норме и в цилиндры поступает бензин, остается проверить компрессию. В ВАЗ 2107 она должна быть 11 или выше.
Проблемы с искрой на авто с электронной системой зажигания
Если на вашем автомобиле установлено электронное зажигание, то, помимо всех вышеперечисленных действий, потребуется также проверить следующие компоненты:
- коммутатор напряжения, расположенный под капотом автомобиля с левой стороны;
- датчик Холла, который предназначен для контроля напряжения магнитного поля. В машинах с электронным зажиганием это устройство подвергается повышенным нагрузкам и часто выходит из строя, поэтому лучше всегда иметь с собой запасную деталь.
Чтобы избежать проблем с электронным зажиганием в дороге, при исчезновении искры можно установить обычную контактную систему, которая позволит без происшествий добраться до ближайшего автосервиса, чтобы сделать профессиональную диагностику автомобиля и его ремонт.
Подскажите пожалуйста, ваз-2106 слабая искра,бабину менять и канденсатор пробовал, до этого приехал и поставил было все норм. В чем может быть причина?.Ваз 2107 карбюратор слабая искра.
Похожие статьи
23 comments on “ Ваз 2107 карбюратор слабая искра. Ваз-2106 слабая искра ”
В девятке подобное было. У меня комутатор накрылся. Правда я хз где он в шахе
Крышку трамблера замени
Илья, там его может и не быть , обычно на классике контактная система
>
Проверка контактного трамблёра
Необходимость проверки прерывателя-распределителя появляется в том случае, если с искрообразованием возникли проблемы, а в ходе диагностики элементов системы зажигания неполадку выявить не удалось.
Крышка и ротор
В первую очередь осматриваем крышку и ротор устройства. Проверка состоит из следующих шагов:
- Демонтируем крышку распределителя и осматриваем её внутри и снаружи. На ней не должно быть трещин, сколов, выгоревших контактов. При обнаружении повреждений деталь подлежит замене.
Контактная группа
Основными неисправностями контактной группы распределителя зажигания являются подгоревшие контакты и неправильный зазор между ними. В случае подгорания контакты зачищают мелкой наждачной бумагой. При сильном повреждении лучше их заменить. Что касается самого зазора, то для его проверки необходимо снять крышку прерывателя-распределителя и провернуть коленвал мотора, чтобы кулачок на валу трамблёра максимально разомкнул контакты. Щупом проверяем зазор и если он отличается от нормы, то производим регулировку контактов путём отворачивания соответствующих винтов и перемещения контактной пластины.
Конденсатор
Если на трамблёре вашей «шестёрки» установлен конденсатор, то иногда деталь может выходить из строя в результате пробоя. Проявляется неисправность следующим образом:
- проблемы с запуском мотора;
- внезапная остановка двигателя во время движения.
Проверить элемент можно такими способами:
- Контрольной лампой. Отсоединяем проводок, идущий от катушки и провод конденсатора от распределителя согласно рисунку. В разрыв цепи подсоединяем лампочку и включаем зажигание. Если лампа загорелась, значит, проверяемая деталь пробита и требует замены. Если нет, то исправна.
Пропала искра на свечах зажигания карбюраторного двигателя
Отсутствие искры на свечах зажигания – одна из двух базовых неисправностей, чаще всего встречающихся на автомобилях (вторая – нет подачи топлива в двигатель).
Исчезновение искры или слабая искра на свечах зажигания свидетельствуют о проблемах в системе зажигания. Либо в цепи высокого напряжения, либо низкого.
При этом двигатель автомобиля не запустится вовсе (как холодный, так и горячий), или будет запускаться и глохнуть (если искра есть, но слабая). Рассмотрим основные причины пропажи искры на карбюраторных двигателях автомобилей ВАЗ 2105, 2107, 2108, 2109, 21099 с контактной и бесконтактной системами зажигания.
Перед поиском неисправности необходимо более конкретно определить виновника пропажи искры и провести визуальный осмотр высоковольтных проводов, катушки зажигания и трамблера. Банально соскочивший центральный бронепровод с крышки трамблера, неплотно посаженный разъем или окислившаяся (отвалившаяся) клемма на катушке зажигания приведут к исчезновению искры.
После чего снимаем центральный высоковольтный провод, вставляем в его наконечник исправную свечу и кладем ее на двигатель (чтобы был контакт с «массой»). Пока помощник крутит двигатель стартером нужно визуально убедиться в отсутствии, либо наличии искры на свече зажигания. Искра появилась – неисправны сами свечи, высоковольтные провода или распределитель зажигания в трамблере. Искры как не было, так и нет – проблемы с коммутатором, датчиком Холла, катушкой зажигания.
Пропала искра, причины для бесконтактной системы зажигания
— Отказала катушка зажигания
Проверяем катушку зажигания. У катушки зажигания обычно проверяют сопротивление обмоток и сопротивление изоляции при помощи тестера. Для маслонаполненных катушек (27.3705) и сухих (3122.3707) сопротивление несколько различается. Подробнее: «Проверка катушки зажигания». При отсутствии специального прибора для проверки применяем метод замены — своей катушки, на другую, заведомо исправную.
— Неисправен коммутатор
Проверяется осциллографом. Так как не у каждого он есть, применяем метод замены – вместо своего коммутатора устанавливаем заведомо исправный. Весьма приблизительно можно оценить работоспособность коммутатора по показаниям вольтметра после включения зажигания (см. «Проверка коммутатора»).
— Неисправен датчик Холла
Проверяется вольтметром по специальной схеме подключения (см. «Проверка датчика Холла»). Если вольтметра нет, применяем метод замены.
Датчик Холла, проверка— Обрыв в цепи низкого напряжения
По схеме просматриваем провода входящие в систему зажигания, при необходимости «прозваниваем» на предмет обнаружения «обрыва». См. «Схема бесконтактной системы зажигания».
В контактной системе зажигания список неисправностей приводящих к исчезновению искры следующий
— Неисправен механический прерыватель в трамблере
Окислились, разрушились или пригорели его контакты. Нет зазора между контактами прерывателя.
Контакты прерывателя— «Обрыв» в цепи низкого напряжения
См. «Схема контактной системы зажигания».
Примечания и дополнения
— Чтобы быстро найти причину исчезновения искры на свечах зажигания нужно знать принцип действия как контактной, так и бесконтактной систем зажигания (подробнее см. «Принцип действия системы зажигания»). Смыл работы системы зажигания заключается в формировании в нужный момент тока высокого напряжения и подачи его на свечи зажигания. Исполняется это за счет прерывания тока низкого напряжения в цепи первичной обмотки катушки зажигания. В бесконтактной системе прерывает ток коммутатор по сигналу с датчика Холла, в контактной механический прерыватель с контактами, с приводом от четырехгранника на валу трамблера.
Еще статьи по системе зажигания автомобилей ВАЗ
— Мокрые свечи зажигания
— Неисправности бесконтактной системы зажигания карбюраторного двигателя
— Неисправности контактной системы зажигания карбюраторного двигателя
— Проверка и установка зазора между электродами свечей зажигания
— Проверка замка зажигания автомобилей ВАЗ 2108, 2109, 21099
— Установка момента (угла опережения зажигания) на карбюраторных двигателях автомобилей ВАЗ 2108, 2109, 21099
— Сильная и слабая искра на свечах, причины
Почему не заводится двигатель ВАЗ 2107
Надо сказать, причин, по которым не заводится ВАЗ: 2107, 2106, модель не так важна, не так уж и много. Рассмотрим в статье основные причины, почему не заводится двигатель.Надо сказать, причин, по которым не заводится ВАЗ: 2107, 2106, модель не так важна, не так уж и много. Рассмотрим в статье основные причины, почему не заводится двигатель.
Вообще, у данной проблемы есть два направления: отсутствие бензина и отсутствие искры. То есть, в цилиндр должно поступать топливо, и оно должно зажигаться. Это простая истина, от которой надо отталкиваться. Кроме того, есть еще два направления – это инжекторный и карбюраторный двигатель. На них-то мы и сориентируемся.
Не заводится ВАЗ 2107 карбюратор
- Проверяем бензонасос. Для этого желательно наличие топливного фильтра тонкой очистки, который устанавливается под капотом. А при качестве нашего бензина без него просто никак. Так вот, если вручную покачать насосом, то в фильтре должен циркулировать бензин. Если фильтр сухой, то стоит поискать причину в подсосе воздуха в топливной магистрали. Такое редко, но все же бывает.
- Если не заводится двигатель ВАЗ 2107, и топливная магистраль цела, надо проверить и сам бензонасос. Для проверки снимаем входной патрубок, для начала. Топливо из насоса не должно вытекать. Если это происходит, то неисправен обратный клапан, насос нуждается в замене. Если же топливо держится, надо заткнуть пальцем входной патрубок, после чего 5-6 раз качнуть насосом. После проделывания таких действий в насосе должно создаться разрежение. Оно не должно сбрасываться даже через минуту.
- Когда бензонасос исправен и топливо доходит до карбюратора, стоит проделать следующее. Снимаем крышку воздушного фильтра, после чего просим смотреть помощника во впускной коллектор. Далее крутим стартером и нажимаем педаль газа. При таких действиях в коллектор должно заливаться топливо. Если его нет, то карбюратор нуждается в промывке.
Обязательно стоит понять, что это не все возможные причины, по которым бензин не поступает в цилиндры. Каждый случай неисправности сугубо индивидуален, поэтому решения проблемы на все случаи жизни просто не существует.
Теперь посмотрим, почему не заводится двигатель ВАЗ карбюраторного типа, если с топливной системой все в порядке, а свечи «заливает». В этом случае надо обратить внимание на систему зажигания.
- Первое, что надо сделать, это проверить искру на свечах. Для этого выкручиваем одну свечу, вставляем ее в надсвечник, прислоняем к «массе», лучше всего к головке двигателя. Далее просим помощника смотреть, а сами крутим стартером. Искра должна быть стабильной, голубоватого цвета. Если она красная, то такую свечу стоит заменить.
- Дальше, если искры нет, надо посмотреть на кабель, который прикручен к колоколу коробки. Он должен быть надежно завальцован, контакт не должен быть замаслен. В идеале, стоит прокинуть отдельный кабель к двигателю. Желательно с сечением не меньше 12-15.
- Если искры так и нет, вытаскиваем центральный высоковольтный провод из крышки распределителя, обязательно берем его пассатижами и приставляем головке блока с зазором около полумиллиметра, можно чуть больше. Дальше крутим стартером смотрим, чтобы была искра. Если она есть, то неисправность кроется в трамблере. К этому моменту мы еще вернемся.
- Когда искра отсутствует, то надо проверить катушку зажигания и проверить напряжение на контакте «К» (на него прикручено 2 провода». Если напряжения нет, то дело либо в замке зажигания, а имен, в контактной группе, либо в провод, либо в блоке предохранителей. Для проверки можно продублировать провод от 15 контакта замка зажигания.
- Ну вот, возвращаемся к неисправности трамблера. Для начала, надо проверить зазор в контактах прерывателя, если, конечно, они есть. Он должен составлять 0,4 мм.
- Так же надо проверить целостность резистора, который установлен в бегунке.
- Если все исправно, то нужно правильно выставить зажигание.
На этом, пожалуй, с карбюраторным двигателем закончим. Конечно. Если двигатель ВАЗ не заводится, бензин поступает, искра есть, зажигание выставлено правильно, то надо бы проверить компрессию. Она в «жигулевском» двигателе не должна быть меньше 11.
Не заводится ВАЗ 2107 инжектор
С инжекторным двигателем все немного проще и сложнее в одно и то же время. В принципе, направления опять два: бензин и искра. Ну и компрессия, соответственно. Для начала, есть лампа «check engine», которая загорится в случае неисправности системы зажигания. Код ошибки в таком случае будет начинаться с P03XX. То есть, пропуски воспламенения в цилиндрах. Конечно, надо сначала проверить, есть ли искра. Есть несколько способов диагностики, на которые стоит обратить внимание:
- Диагностический сканер. Здесь нет ничего сложного. Если есть ошибка, то все гораздо проще, чем когда ошибок нет вообще. В таком случае проверяем саму деталь, а затем причины, если она исправна.
- Модуль зажигания. Есть несколько способов, которые стоит попробовать для проверки, но самый надежный – это съездить в магазин и взять для проверки с чеком. Сразу можно поговорить о том, чтобы вернуть в случае исправности собственного. Конечно, не все магазины на такое пойдут, но большинство согласится.
- Двигатель ваз не заводится ее по одной причине. Это довольно распространено среди автолюбителей. В блоке управления стоит два транзистора, каждый из которых отвечает за пару цилиндров. Чаще всего они выгорают одновременно, и искра пропадает напрочь.
Если с искрой все нормально, надо проверить питание двигателя. Опять-таки, выкручиваем свечи и смотрим, мокрые ли они.
- Если свечи сухие, то надо посмотреть, подается ли напряжение на форсунки, для начала. Для этого снимаем разъем с одной, подсоединяем щупы тестера к разъему и «массе».
- После того, как убедились в этом, надо померить давление в топливной рампе.
- Скорее всего, неисправность в этом. Поэтому надо проверить топливный насос, прежде всего, предохранитель, который отвечает за него.
- Проверить бензонасос проще заменой на заведомо исправный, как с модулем зажигания.
Двигатель ВАЗ 2107 не набирает обороты, не тянет
Бывает так, что двигатель ВАЗ не тянет. Это связано, чаще всего, с низким давлением в рампе. Заводится мотор нормально, на холостых работает тоже стабильно, но не набирает обороты. Все дело в том, что в таких режимах от бензонасоса требуется повышенная производительность, которую он не может обеспечить.
Если двигатель ВАЗ не тянет на горячую, то стоит проверить расходомер воздуха, а так же свечи. В статье уже упоминалось о красной искре, так вот, на холодную они могут быть нормальными, а под воздействием температуры становятся «пробитыми.
Не заводится Ваз 2107 что делать
Решение данной проблемы должен знать каждый владелец автомобиля, это очень важно. Машина может отказаться заводиться как на трассе, так и где-нибудь в лесу на пикнике, так и в гараже дома. И не всегда есть возможность кого-то позвать на помощь или дотянуть машину до автосервиса. Плюс если Вы будете кого-то просить помочь это отнимет ваше время и деньги. Поэтому данный вопрос каждый водитель должен уметь решать сам.
Итак, проблема у нас следующая: Ваз 2107 не заводится. Прежде чем описывать поиск проблемы нужно определиться: у вас машины инжектор или карбюратор?
Ваз 2107 с карбюратором выпускали в самом начале производства данного автомобиля с 1982 года, на более новые автомобили начиная года с 1994 начали устанавливать инжектор. Естественно, поиск неисправности очень сильно отличается.
Если мы имеем дело с карбюратором, то тут опять надо определиться с системой зажигания. Ваз 2107 выпускались и с контактной и с бесконтактной системой зажигания. Контактная система зажигания имеет прерыватель-распределитель в трамблере, бесконтактная — коммутатор с датчиком Холла.
Очень важно сразу определиться с системой зажигания, потому что самое первое что мы будем искать — это искра, но обо всем по порядку.
Порядок действий:
1) Самое первое на что нужно обратить внимание — это крутит ли стартер двигатель. Если стартер бодро крутит двигатель, переходим сразу ко второму пункту. Если при повороте ключа зажигания стартер не вращается возможны следующие причины:
1а) Сел аккумулятор, либо плохой контакт в клеммах аккумулятора. Севший аккумулятор проверяется с помощью мультиметра. Напряжение заряженного аккумулятора должно составлять около 12.8 Вольт. Если напряжение аккумулятора менее 11.2 Вольт, то такой аккумулятор нужно зарядить.
Плохой контакт клемм аккумулятора виден как окись на контактах. В таком случае снимаются клеммы и зачищаются наждачной бумагой.
1б)Если при повороте ключа слышен щелчок, но стартер не крутит — это отрабатывает втягивающее реле стартера. Проверьте подсоединены ли к стартеру все провода, а также надежность их крепления. Если при повороте ключа вообще не слышно никаких звуков, надо проверять почему не отрабатывает втягивающее реле. В любом случае, если не крутит стартер, то стоит попробовать завести машину с толкача: включить зажигание и попробовать всунуть третью передачу на катящейся машине. Если проблемы именно со стартером или втягивающим реле, то машина заведется.
1в)Проблемы с контактной группой замка зажигания, то есть при повороте ключа замок зажигания не замыкает необходимые контакты и электрическая цепь управления стартером не собирается.
2) Если стартер бодро крутит двигатель, необходимо проверить искру на с катушки зажигания. Для этого вынимаем центральный провод с трамблера, подносим его к массе и вращаем двигатель. С провода на массу должна проскакивать искра. Если искра есть, сразу переходим к пункту 3. Если искры нет,то вспоминаем про вопрос в начале статьи: контактная или бесконтактная система зажигания на установлена на семерку?
2а) Контактная система зажигания. Состоит она из трамблера с прерывателем- распределителем и катушки зажигания. Снимаем крышку с трамблера и крутим стартером — бегунок должен бегать. Если бегунок стоит на месте — значит порван ремень ГРМ. На первых моделях вместо ремня была цепная передача, но затем стали ставить ремень. Если бегунок крутится, то:
— Проверяем катушку зажигания прозвонкой первичной и вторичной ее обмоток. Подробная проверка описана в статье «Проверка катушки зажигания».
— Проверяем правильность работы прерывателя-распределителя.
— Меняем конденсатор прерывателя распределителя. В случае выхода его из строя иногда остается искра, но она слишком слабая. Иногда искры нет совсем.
— Проверяем наличие напряжения на контакте Б катушки зажигания. Если его нет, выясняем причину отсутствия питания системы зажигания.
— Если искра есть на центральном проводе катушки зажигания, но ее нет на свечах, то пробит резистор бегунка, либо необходима чистка контактов крышки трамблера.
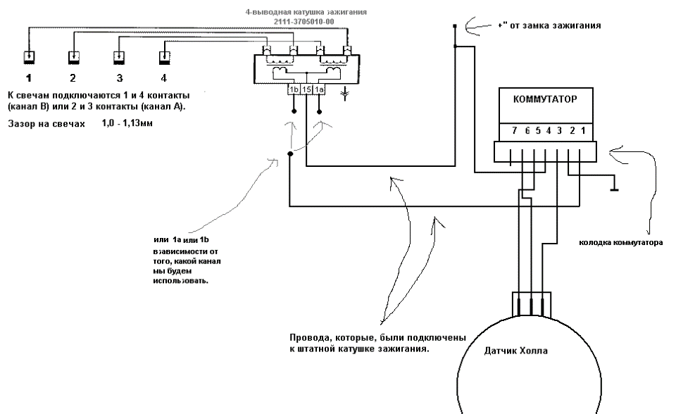
2б) Бесконтактная система зажигания. Бесконтактная система зажигания состоит из коммутатора, катушки зажигания и датчика Холла.
— Проверяем датчик Холла. Достаем его из трамблера, включаем зажигание, и ножиком вставляем-достаем в зазор датчика Холла. На центральном проводе катушки зажигания при этом должна проскакивать искра. Если искры нет, то это не говорит о неисправности датчика Холла, нужно искать дальше.
— Коммутатор проверяется только заменой на новый. Меняем на новый, или взятый у товарища — искра появилась, значит проблема была в коммутаторе.
— Прозваниваем катушку зажигания как описано выше.
— Проверяем наличие напряжения на контакте Б катушки зажигания. Если его нет, выясняем причину отсутствия питания системы зажигания.
— Если искра есть на центральном проводе катушки зажигания, но ее нет на свечах, то пробит резистор бегунка, либо необходима чистка контактов крышки трамблера.
3) Искра есть, но Ваз 2107 не заводится, значит не поступает топливо в карбюратор. Вспоминаем, есть ли топливо в бензобаке? Необходима проверка топливной системы:
3а) Проверяем топливный насос, для этого откидываем шланг от насоса к карбюратору, подносим емкость к штуцеру и крутим стартером.
Из насоса должна брызгать хорошая струя бензина. Если ее нет, значит неисправен топливный насос, либо засорен трубопровод от бензобака к бензонасосу. Проверяется на засорение топливопровод также очень просто. Отсоединяем подводящую трубку к насосу и ртом дуем в нее. Воздух должен проходить и должно быть слышно его булькание в бензобаке.
3б) Если бензонасос исправен, то возможно залипла игла карбюратора. Для ее проверку сначала снимаем кастрюлю воздушного фильтра с карбюратора.
Сразу же обращаем внимание на состояние крышки карбюратора, не забрызгана ли она маслом от системы вентиляции картера. Необходимо набрать в шприц пару миллилитров бензина и брызнуть в первую камеру карбюратора. Затем попробовать завести. Если двигатель будет пытаться завестись, или даже заведется но потом заглохнет, то залип игольчатый клапан карбюратора. Поплавковая камера пуста, в ней нет бензина и поэтому двигатель не заводится. Чтобы игла отлипла можно попробовать дунуть в штуцер подачи бензина карбюратора сжатым воздухом.Также можно постучать по крышке карбюратора гаечным ключом. Если не поможет, то придется снимать крышку карбюратора. Если после снятия крышки Вы видите поплавковую
камеру без бензина, то проблема в игле.
3в) Проверяем сеточный фильтр карбюратора. Чтобы его достать откручивает заглушку ключом на 13 и щипцами достаем сеточный фильтр. Если он загрязнен, чистим его и пробуем завести автомобиль.
4) Проверяем метки ГРМ: метку на распределительном валу и маховике. Если метки не совпадают, значит нарушены фазы газораспределения и двигатель не будет заводится.
5) Если вы устранили неисправность, есть и искра и топливо, но машина не заводится,то возможно, залиты свечи. Необходимо их выкрутить и просушить на огне. Если это проблематично, можно попробовать выжать педаль газа в пол и покрутить стартером 5-10 секунд. Когда педаль газа выжата до упора, то топливо не распыляется и свечи подсушатся воздухом засасываемым при вращении двигателя.
Описанная выше методика работает в 99 процентах случаев, когда машина не заводится. Очень часто люди даже не представляют, что нужно проверять, когда машина не заводится. Не знают как проверить искру, как проверить подачу топлива. В большинстве случаев все очень просто.
Однако есть и частные случае, разобраться в которых могут только мастера или работники автосервиса. В любом случае, всегда стоит попробовать завести машину самому, тем более теперь, вы знаете что нужно делать.
Частые причины почему не заводится ваз 2107 карбюратор
Благодаря простоте конструкции и отсутствию сложной электроники причин, по которым может не запускаться мотор автомобиля ВАЗ 2106 – 07 сравнительно мало. Определить поломку и устранить ее можно самостоятельно при наличии стандартного набора инструментов, который имеется у каждого автовладельца. И так, разберем несколько основных причин и методы их устранения.
Изначально при возникновении данной проблемы следует знать, что у истоков неисправности может стоять только две причины: бензин не поступает в цилиндры или на свечах зажигания нет искры. Совокупность корректного функционирования систем подачи топлива и зажигания есть основа нормальной работы двигателя и, исходя из этого, следует искать суть проблемы. Так как на данных моделях автомобилей бывает два типа моторов – карбюраторный и инжекторный следует рассмотреть оба типа.
Не заводится ВАЗ 2107 карбюратор — причины
Первым делом нужно определить поступает ли топливо в двигатель. Для этого следует провести проверку всей топливной системы.
Топливный бак и топливопроводы ваз 2107: 1 — топливный насос; 2 — шланг от топливного насоса к карбюратору; 3 — карбюратор; 4 — задняя трубка; 5 — датчик указателя уровня и резерва топлива; 6 — предохранительный щиток; 7 —трубка вентиляции бака; 8 — топливный бак; 9 — прокладки; 10 — хомут крепления топливного бака; 11 — передняя трубка; 12 — фильтр тонкой очистки топлива.
- Определяем целостность топливной магистрали. В этом очень сильно поможет наличие фильтра тонкой очистки, его обычно устанавливают перед бензонасосом. Для этого потребуется подкачать насосом вручную. Если при производимых манипуляциях в фильтре происходит циркуляция топлива, то система герметична. В случае, когда топливо не поступает и фильтр остается сухим нужно проверить целостность всей магистрали от бака до бензонасоса.
- После того как проверена топливная магистраль нужно произвести проверку бензонасоса. Для этого нужно отсоединить входной патрубок (при этом топливо должно оставаться внутри насоса), вытекание топлива говорит о неисправности обратного клапана, следовательно, насос нужно заменить. Если течи нет, и бензин остался внутри насоса, нужно закрыть входной патрубок и несколько раз качнуть топливо вручную. После подкачки в насосе образуется вакуум, который не должен сбрасываться даже в течении 1 – 2 мин.
- При исправной работе бензонасоса следует убедиться, что топливо поступает в коллектор. Здесь понадобится помощь второго человека. Для этого нужно демонтировать крышку воздухофильтра и прокрутить стартером, нажимая на педаль газа. Напарник тем временем должен смотреть во впускной коллектор и наблюдать. Если топливо не поступает, то карбюратор следует промыть и повторить процедуру.
Выше указаны только самые основные причины, почему топливо не поступает в коллектор. Так же следует помнить, что каждый случай уникален и универсального метода решения всех проблем попросту нет.
В другом случае, когда бензин поступает в мотор, а свечи просто заливает топливом. Следует провести поэтапную проверку системы зажигания. Удобнее всего выполнять работу с напарником.
- Прежде всего, проверяется наличие искры на свечах зажигания. Для этого следует выкрутить одну из свечей, вставить ее в надсвечник, прислонить к корпусу двигателя и крутнуть стартер. На свече должна появиться стабильная искра голубого цвета. Если искра горит нестабильно или имеет красный цвет свеча должна быть заменена на новую. Фактически вся процедура происходит примерно следующим образом: один человек садится в машину и по команде крутит стартером, второй тем временем поочередно проверяет все свечи на наличие стабильной голубой искры. Для точной проверки свечей их можно заменить на заведомо исправные. После замены повторить процедуру.
- Следом нужно проверить кабель, прикрученный на колокол коробки передач (масса двигателя). Ослабление контакта в данном месте является одной из распространенных проблем и легко лечится путем прокладки дублирующего медного кабеля сечением около 15 – 17мм. прикрепленным к блоку двигателя.
- При отсутствии искры на свечах зажигания нужно проверить целостность высоковольтных кабелей, соединяющих трамблер со свечами. В местах подключения они должны быть надежно закреплены и не должны иметь изломов или повреждений по всей длине.
- Когда установлено, что высоковольтные кабели целы, нужно проверить работу трамблера. Как это происходит: из крышки трамблера вытаскивается центральный высоковольтный кабель и свободным концом подносится к головке блока цилиндров, на расстояние примерно в 1 мм. Далее снова нужно крутнуть стартер и в зависимости от результата двигаться дальше. Если искра есть, значит, проблема кроется в работе трамблера — нужно проверить зазор в контактах прерывателя (для контактного зажигания) или проверить датчик холла (для бесконтактного зажигания). Так же бывает, что мотор не запускается из — за сбившегося момента зажигания. Это тоже следует проверить и при обнаружении сбоя выставить момент в нужное положение.
- Когда искры на центральном кабеле нет, проверяется катушка зажигания. Для этого нужно проверить напряжение на контакте с маркировкой «К» (к нему подходят два провода). Если напряжения на контакте катушки нет, то проблема находится, либо в контактной группе замка зажигания, либо в пробитых проводах. Для проверки можно провести к катушке дублирующий провод от контакта замка зажигания под номером 15.
- Если все узлы исправны, а машина все равно не заводится, остается последняя деталь. Мотор может не запускаться из — за низкой компрессии в цилиндрах. У нормально работающего ВАЗ — овского мотора компрессия должна быть на уровне не ниже 11 атмосфер.
Не заводится ВАЗ 2107 инжектор
В автомобилях с инжектором направления проблемы так же всего два топливо и зажигание. Благодаря наличию электронных систем при неисправности на приборной панели загорается индикатор «check engine». При проверке код неисправности будет начинаться с Р03ХХ, что значит пропуски воспламенения горючей смеси. Но перед проверкой нужно определить наличие искры на свечах зажигания. Для диагностики системы применимо несколько простых способов:
- Проверка при помощи диагностического сканера. Этот способ не представляет собой ничего сложного. Сканер подключается к диагностическому разъему и путем анализа определяется источник проблемы. После обнаружения неисправности осматривают саму деталь, и в случае поломки узел заменяют.
- Проверка модуля зажигания. Проверять этот узел, не имея большого опыта в данном деле, легче всего заменив его на заведомо исправный. Это сэкономит много сил и времени. Ремонт самого модуля задача довольно кропотливая и требует и аккуратности, поэтому ремонтировать его самостоятельно не имея опыта, не рекомендуется. Надежнее доверить починку узла подготовленным специалистам.
- Так же нужно проверить состояние транзисторов в блоке управления. Всего их два и каждый отвечает за свою пару цилиндров. Часто происходит, что оба транзистора выходят из строя одновременно, что чревато полным отсутствием искры. При обнаружении неполадок транзисторы заменяются на новые.
Если с зажиганием все в порядке нужно проверить систему подачи топлива.
- Первым делом выкручиваются свечи и проверяются на наличие топлива на них. Если они сухие следует определить, подается ли напряжение на топливные форсунки. Для этого нужно снять разъем с одной и подсоединить к нему щуп тестера, второй щуп подсоединяется на массу автомобиля.
- Далее нужно проверить давление в топливной рампе. При обнаружении неисправности производится диагностика бензонасоса (в первую очередь следует проверить предохранитель, отвечающий за насос).
Мотор ВАЗ 2107 не тянет, не набирает обороты
Потеря мощности мотора мотора ваз 2107 чаще всего связана с пониженным давлением в рампе форсунок. Эта проблема связана с тем, что в таких режимах бензонасос не может обеспечить необходимую производительность.
Если же мотор не тянет в прогретом состоянии нужно проверить датчик массового расхода воздуха. А так же стоит проверить свечи. В нагретом состоянии они могут работать некорректно.
2107глохнет и не заводится. Причины, по которым не запускается инжекторный двигатель
Проблемы с запуском двигателя «Классика» ВАЗ возникают редко. Основных причин, по которым ВАЗ 2107 не заводится, немного. Их можно разделить на два направления: отсутствие искры и отсутствие бензина. Устройство инжекторного и карбюраторного двигателя немного отличается, поэтому стоит рассмотреть возможные проблемы отдельно для каждого типа.
Карбюраторный двигатель не запускается
Перечень возможных причин, по которым не запускается карбюратор ВАЗ 2107, выглядит так:
Конечно, другие причины, по которым бензин не попадает в цилиндры двигателя.В этом случае необходим индивидуальный подход к решению проблемы.
Если в цилиндры поступает бензин, а ВАЗ 2107 не заводится, то стоит проверить систему зажигания.
- Выкрутите свечу, подключите к высоковольтному проводу и прикрепите к головке двигателя, обеспечив контакт с «массой». Помощник должен следить за свечой, пока вы не покрутите стартер. Свеча должна излучать устойчивую искру голубоватого цвета. Если искра красная, свечу нужно заменить.
- Если искра отсутствует, необходимо проверить трос «массы», идущий к двигателю. Он должен быть затянут, контакт не окислен и не прожарен. Можно растянуть временный дополнительный трос, обеспечив контакт двигателя с «массой».
- Если искра не появилась, следует проверить работу трамблера. Высоковольтный «центральный» провод подвести к двигателю на расстоянии 1 мм и повернуть стартер. Искр нет, виной всему завалы.Провод надо держать за пассаты, иначе можно получить удар по току.
- При отсутствии искры проверить крышку траверса и наличие напряжения на контакте «К». Отсутствие контактного напряжения свидетельствует о неисправности замка зажигания или предохранителя, провода питания. Для проверки можно протянуть временный провод от плюсовой клеммы аккумулятора.
- Если питание идет на резину, необходимо проверить зазор контакта скопления (0,4 мм) и работоспособность резистора, установленного в бегунке.
- При хорошем завале остается проверить, правильно ли выставлено зажигание.
Если зажигание выставлено правильно, искра в норме и в цилиндры поступает бензин, остается проверить компрессию. В ВАЗ 2107 он должен быть 11 и выше.
Не запускается инжекторный двигатель
Направления поиска неисправности инжекторного мотора Тот же бензин, свеча, зажигание и компрессия. Но диагностика проводится несколько иначе.
Горящая лампа «Check Engine» Указывает на неисправность зажигания. Чтобы выяснить причину неисправности, следует учитывать код ошибки. Для системы зажигания код ошибки начинается с P03xx, что указывает на количество искр в цилиндрах. Конечно, испытание стоит начать с того, что вы обязательно убедитесь в искрах. Этапы осмотра инжекторного двигателя выглядят так:
- Считывание кода ошибки диагностическим сканером. Код ошибки укажет на тип неисправности.
- Проверка модуля зажигания. Проще всего это проверить, попробовав заменить заведомо хороший, который можно снять с аналогичной машины или взять в магазине. В последнем случае нельзя забывать о чеке, который позволит вернуть товар продавцу, если в нем нет необходимости.
- Проверка транзистора на неисправность блока управления. В автомобилях ВАЗ стоит пара транзисторов, каждый из которых отвечает за два цилиндра. Обычно они горят одновременно, в результате — искра и ВАЗ 2107 пропадает.
- Проверить подачу топлива в цилиндры. Для этого откручиваем свечи. Если они высохли, бензин в мотор не поступает. Возможных основных причин две: отсутствие напряжения на форсунках или неисправный топливный насос. Также проблема может заключаться в забитом бензиновом фильтре или повреждении топливопроводов.
- Проверка напряжения питания форсунки с помощью мультиметра.
- Проверить давление в топливной магистрали и работоспособность АЗС. Последнее проще всего проверить по аналогии с модулем зажигания — попробовать заменить рабочий.
Это неисчерпаемый список причин проблем с инжекторным двигателем. Возможно повреждение проводов, идущих к модулю зажигания или от датчика положения коленчатого вала, и другие неисправности, например, катализатор сгорания.
ВАЗ- 2107 . Форсунка не запускается: возможные причины и способы устранения
Несмотря на развитие автоиндустрии, классические модели ВАЗ по-прежнему пользуются большим спросом в странах СНГ. Последние модели «Классики», а именно ВАЗ 2107 , оборудованный системой впрыска.Она надежнее карбюратора. Но что делать, если ВАЗ-2107 заводится и глохнет? Инжектор — Система посложнее. Но проблему можно решить своими руками. Давайте посмотрим, как это сделать.
Врац Ли
стартер ?Сначала необходимо проверить напряжение в бортовой сети автомобиля. Для нормального запуска машины этот показатель не должен быть ниже 12,5. Для точного измерения напряжения необходимо использовать вольтметр.
Стартер — это механизм, требующий большого пускового тока.Именно этот узел поворачивает коленвал на пуск. Поэтому если ваза 2107 (Форсунка) не запускается, причины могут быть банальными — низкое напряжение АКБ. Решение проблемы — зарядка аккумулятора. Следует придерживаться показателей в 12,5-14 вольт.
Стартер пробоя
Если у вас есть закрытие корпуса или проводки, анкеры должны заменить поврежденную часть. Как проверить элемент? Для этого воспользуйтесь мультиметром. Один провод подключается к месту трения щеток, а второй — к оси якоря.Если стрелка прибора отклонилась от значений, это может быть неисправность якоря или обмотки. Проверить кисти. Они должны легко двигаться, а их пружины упругие и хорошо фиксировать. После замены поврежденных деталей снова запустите двигатель.
Стартер крутит машина не заводится ВАЗ 2110.
Система зажигания
Что делать, если при хорошо заряженном аккумуляторе и хорошем стартере не заводится ВАЗ-2107 ( форсунка )? Причины могут скрываться в системе зажигания. Вот это бесконтактный тип.Первое, что нужно проверить — это состояние свечей. Их можно просто «залить». Выньте предметы и проверьте состояние электрода. При наличии налета необходимо промыть деталь в растворе щелочи и затянуть обратно. Также следует проверить зазор между электродами. Для этого используйте специальный зонд. Нормальный показатель должен быть в пределах от 0,7 до 1 миллиметра.
Как быть, если показатель не соответствует норме? Электрод можно гнуть. Но делайте это осторожно.Если показатель меньше нормы, воспользуйтесь отрицательной отверткой. Если больше, выбейте электродом металлическую деталь (например, клапанную крышку двигателя). Стоит будет проверить свечи на предмет размаха. Для этого используется специальный пистолет. Сама искра должна быть синей. Если детали прошли более 60 тысяч километров, их необходимо заменить. Также по достижении этого периода меняют провода высокого напряжения, идущие к ним от распределителя зажигания.
Если форсунка ВАЗ-2107 плохо заводится (хватается, но не заводится), значит, камера сгорания переполнена бензином.Нормальное соотношение топлива к воздуху должно быть 1:14. На таких автомобилях часто бывает такая проблема. При запуске бензонасос качает много бензина. Кстати, на инжекторных моторах он электрический, погружного типа. Устанавливается непосредственно на бак.
ВАЗ 2107Форсунка не заводится на морозе.
Как просушить свечи, не снимая их? Для этого при запуске следует открыть дроссельную заслонку. Здесь он механический и активируется нажатием на педаль акселератора через привод троса.Так в камеру сгорания пойдет больше воздуха и двигатель сразу запустится.
ВАЗ
2107 Не запускать главное реле Плохой контакт и рваный шкив шкива коленвалаКак найти подходящий фильм. Об этом здесь, чтобы поддержать проект! КАРТА.
ПРИЦЕП
В машине ВАЗ- 2107 Использует потертое зажигание. Если автомат не запускается, проверьте состояние контактов на высоковольтных проводах. При смене сезона на них образуется конденсат.Резина имеет пять выходов.
Четыре из них идут на свечи цилиндра, а один (центральный) — на катушку зажигания. На металлических концах часто бывает белый блик. Из-за этого ползунок не сможет передавать импульсы на катушку. Кстати, стоит будет проверить сам трамблер зажигания. Выглядит деталь следующим образом.
ВАЗ 2107Стартер крутит но не заводится.
Если он сгорел, его следует заменить. Цена нового элемента — 150 руб. Если при запуске мотора на катушке зажигания образовалась искра, высоковольтный провод следует заменить.Еще он «ломается» при свечах. Вы можете увидеть это в темноте. Рядом с ними видны маленькие голубые искорки. В этом случае провода меняются комплектом. Стоят они недорого. Стоят новые элементы около 700 руб.
Проблема с электронасосом
Раньше одна из главных проблем на отечественной «классике» касалась бензонасоса, который постоянно перегревался. Но в инжекторной «семерке» он электрический и охлаждается самим бензином, который находится в баке.Если на изделие не подано электричество, автомат просто не запускается. Первое, на что следует обратить внимание, это блок предохранителей.
На крышке написано, какая из них отвечает за топливный насос. Если сгорел предохранитель, замените его. Можно использовать элемент на 15 или 20 ампер.
Определить исправность визуала
Можно ли без мультиметра проверить, подается ли напряжение на топливный насос? Для этого при включенном зажигании необходимо хорошо прислушиваться к его работе.При повороте ключа в третьем положении он должен издавать характерный гул. Его можно услышать в задней части салона. Если его нет и ВАЗ-2107 ( форсунка ) не заводится, проблема в питающем напряжении. Стоит проверить реле помпы. Он должен издавать характерные щелчки. Опытные автомобилисты возят с собой запасные реле и предохранители на случай внезапной поломки. Это реле находится на полке под бардачком.
Не заводится ВАЗ 2107 Форсунка, стартер выкручиваем.
Низкое давление
Почему не заводится ВАЗ-2107 (форсунка )? Проблемы могут быть скрыты в низком уровне давления в топливной магистрали. Для нормального запуска инжекторного двигателя требуется не менее 2,8 атмосферы. Вы можете проверить это, отсоединив подающую трубку от аппарели. Используйте для этого манометр. Неисправности с помпой могут проявиться из-за частого перегрева. Но как это происходит, если это иммерсионный тип? Топливный насос убивает езда на пустом баке.Если загорелся свет, не следует затягивать заправку. Стоимость помпы для инжекторной «семерки» в 3 раза выше, чем для карбюраторной.
Состояние фильтра
Происходит следующая ситуация. Вы прибыли в пункт назначения, заглушили двигатель на две минуты, сели в машину и не смогли запустить ее снова. Что делать, если ВАЗ-2107 (инжектор) не заводится на горячем? Вино может быть забитым топливным фильтром. Срок его замены составляет около 50 тысяч километров. Также у вин выпуска есть грязный воздушный фильтр.
Если он проехал более десяти тысяч километров, то подлежит замене. В противном случае вы столкнетесь с проблемами запуска.
ВАЗ-2107:
форсунка заводится и сразу глохнетВ этом случае следует проверить датчик массового расхода. Он расположен сразу за пластиковым корпусом фильтра.
Ключ-Доп.
Этот элемент воспринимает информацию о воздушном потоке и передает ее блоку управления. В результате электроника принимает решение о составе горючей смеси.Блок может намеренно регулировать концентрацию топлива и воздуха. Ресурс датчика ДМРВ составляет 150 тысяч километров. При загрязнении элемент может посылать ложные показания. Из-за плохой смеси ВАЗ-2107 форсунка не заводится или работает и сразу глохнет. Также следует проверить состояние воздушных форсунок на герметичность. При необходимости замените.
Если при исправной топливной системе автомобиль ВАЗ-2107 (инжектор) не заводится, проверьте датчик положения коленвала. Если он неисправен, блок управления перестанет подавать топливо из-за отсутствия информации о его положении.Стоимость этого элемента от одной до полутора тысяч рублей.
Заключение
Итак, мы выяснили, по каким причинам не заводится машина ВАЗ-2107. Как видите, обнаружите и устраните неисправность своими руками, причем за небольшую цену.
Не запускается. Решение этой проблемы должен знать каждый автовладелец, это очень важно. Автомобиль может отказаться заводиться как на трассе, так и где-нибудь в лесу на пикнике и в гараже дома.И не всегда есть возможность вызвать кого-нибудь в помощь или добраться до автосервиса. Кроме того, если вы попросите кого-нибудь помочь, это отнимет у вас время и деньги. Поэтому этот вопрос каждый водитель должен уметь решать сам.
Итак, наша проблема в следующем: ВАЗ 2107 не заводится. Прежде чем описывать поиск проблемы, нужно определиться: у вас инжектор или карбюратор ВАЗ 2107?
Не заводится ВАЗ 2107
ВАЗ 2107 с карбюратором, выпускался в самом начале производства этого автомобиля с 1982 года, до более новых автомобилей начиная с инжектора с 1994 года.Естественно, что устранение неисправностей очень разное. Поэтому, если у вас инжектор ВАЗ 2107, то вам необходимо прочитать следующую статью «Заводится инжектор ВАЗ 2107».
Если мы имеем дело с карбюратором ВАЗ 2107, то опять же необходимо определиться с системой зажигания. ВАЗ 2107 выпускался с контактной и бесконтактной системой зажигания. Контактная система зажигания имеет дозатор в резине, бесконтактный выключатель с датчиком Холла.
Очень важно сразу определиться с системой зажигания, ведь самое первое, что мы будем искать, — это искра, но обо всем по порядку.
Ваз 2107 не заводится, порядок действий:
1) Самое первое, на что обратить внимание, это обратить внимание — это крутит стартер двигателя. Если стартер весело проворачивает двигатель, сразу переходите ко второму пункту. Если стартер не вращается при повороте ключа зажигания, возможны следующие причины:
ВАЗ 2107 под капотом
1а) сел аккумулятор, либо плохой контакт в выводах аккумулятора. Пол батарейки проверяется мультиметром. Напряжение заряженного аккумулятора должно быть около 12.8 вольт. Если напряжение АКБ меньше 11,2 В, то такую АКБ нужно зарядить.
Плохой контакт клемм аккумулятора виден в виде оксида на контактах. В этом случае клеммы снимаются и зачищается наждачная бумага.
1Б) Если при повороте ключа слышен щелчок, но стартер не крутит — срабатывает втягивающее реле стартера. Проверить, все ли провода подключены к пуску, а также надежность их крепления. Если при повороте ключа вообще не слышно звуков, необходимо проверить, почему не срабатывает реле втягивающего устройства.В любом случае, если стартер не крутится, стоит попробовать завести ВАЗ 2107 с толкателя: включить зажигание и попробовать на прокатном станке включить третью передачу. Если проблемы со стартером или реле втягивающего, то машина запустится.
1Б) Проблемы с контактной группой замка зажигания, то есть при повороте ключа замок зажигания не замыкает необходимые контакты и не собирается электрическая цепь управления стартером.
2) Если стартер бодро покрутил двигатель, нужно проверить искру на катушке зажигания.Для этого выньте из траверсы центральный трос, поднесите к массе и проверните двигатель. От проводов на массе должна быть искра. Если есть искра, сразу переходим к пункту 3. Если искры нет, то вспоминаем о вопросе в начале статьи: на ВАЗ 2107 установлена контактная или бесконтактная система зажигания?
2а) Контактная система зажигания. Он состоит из траверсы с прерывателем-распределителем и катушкой зажигания. Снимите крышку с траверсы и поверните стартер — бегунок должен работать.Если бегунок стоит на месте — значит, порвался ремень ГРМ. В первом ВАЗ 2107 вместо ремня была цепная передача, но потом стали ставить ремень. Если ползунок крутится, то:
— Проверяем катушку зажигания первичной и вторичной обмоток. Подробная проверка описана в статье.
— Проверить правильность выключателя ТРК.
— Поменять конденсатор прерывателя трамблера. В случае его выхода из строя остается искра, но она слишком слабая.Иногда искры нет.
2Б) Бесконтактная система зажигания ВАЗ 2107. Бесконтактная система зажигания состоит из выключателя, катушки зажигания и.
— Проверить датчик Холла. Отдаем с траверсы, включаем зажигание, и вставляем нож, берем зазор датчика Холла. По центральному проводу катушки зажигания должны проскочить искру. Если искр нет, это не говорит о неисправности датчика Холла, нужно смотреть дальше.
— Переключатель проверяется только заменой на новый.Меняем на новый, либо взятый у товарища — искра появилась, значит проблема в переключателе.
— Надеть катушку зажигания, как описано выше.
— Проверить наличие напряжения на контакте катушки зажигания. Если это не так, выясните причину отсутствия системы питания.
— Если искра есть на центральном проводе катушки зажигания, а на фонаре свечи ее нет, значит пробивается резистор ползунка, или почистите крышку контактов травера.
3) Есть искра, но ВАЗ 2107 не заводится, значит топливо не поступает в карбюратор. Вспомните, есть ли в бензобаке топливо? Проверка топливной системы:
Карбюратор ВАЗ 2107.
3А) Проверяем ВАЗ 2107, для этого складываем шланг от помпы к карбюратору, подносим тару к штуцерам и крутим стартер.
Из помпы должна выплеснуться хорошая струя бензина. Если его нет, значит, неисправен топливный насос или забит трубопровод от бензобака до АЗС.Проверено на засорение Топливопровод тоже очень простой. Отсоедините подающую трубку от помпы и дуйте в нее через рот. Воздух должен пройти и должен быть слышен его букет в бензобаке.
3В) Если топливный насос исправен, то игла карбюратора может закопаться. Чтобы проверить это, сначала снимите кастрюлю воздушного фильтра с карбюратором.
Сразу обратите внимание на состояние крышки карбюратора, не забрызгана ли она маслом из системы вентиляции картера. Необходимо набрать в шприц пару миллилитров бензина и залить в первую камеру карбюратора.Тогда попробуй начать. Если двигатель пытается завестись, а то и запускается, но потом глохнет, то залип игольчатый клапан карбюратора. Поплавковая камера пуста, бензина в ней нет и поэтому ВАЗ 2107 не заводится. Для того, чтобы иголка намекала, можно попробовать подуть в бензиновый штуцер карбюратора бензин сжатым воздухом. Также можно постучать по крышке ключа карбюратора. Если не помогает, придется снимать крышку карбюратора. Если после снятия крышки вы видите поплавок
Camera без бензина, значит проблема в игле.
3В) Проверяем сетчатый фильтр карбюратора. Для его получения откручиваем заглушку на ключе на 13 и в клещах достаем сетку фильтра. Если он грязный, очистите его и попробуйте завести машину.
4) Проверяем метки ГРМ: метку на распредвал и маховик. Если метки не совпадают, значит, фазы газораспределения и двигатель ВАЗ 2107 не запустятся.
5) Если вы устранили неисправность, есть искра и топливо, но машина не заводится, значит, свечи залиты.Вы должны их открутить и просушить на огне. Если проблемно, можно попробовать выжать педаль газа в пол и покрутить стартер 5-10 секунд. Когда педаль газа выжата до упора, топливо не разбрызгивается, а свечи сушатся воздухом, подозрительно при вращении двигателя.
Описанная выше техника работает в 99 процентах случаев, когда ВАЗ 2107 не заводится. Очень часто люди даже не представляют, что нужно проверять, когда машина не запускается. Не знаю, как проверить искру, как проверять подачу топлива.В большинстве случаев все очень просто.
Однако есть и частный случай, в котором разбираются только мастера или работники автосервиса. В любом случае всегда стоит попробовать завести машину самостоятельно, тем более что теперь вы знаете, что делать.
Рано или поздно, но каждый автолюбитель, эксплуатирующий отечественные автомобили «ВАЗ» седьмой модели, сталкивается с ситуацией, охарактеризовать которую можно одной банальной фразой: «не заводиться».
Причин, следствием которых является невозможность запуска силового агрегата, может быть несколько, от элементарного отсутствия топлива в системе питания до серьезных проблем в основных системах автомобиля.Как правило, это системы питания в совокупности С и зажигания (свечи, высоковольтный провод и т. Д.). В предлагаемой вашему вниманию статье основной акцент будет сделан на неисправности системы питания, в том числе на восстановлении карбюратора карбюратора ВАЗ 2107.
Неисправности системы питания, препятствующие запуску двигателя «ВАЗ 2107»
- Бензонасос
Основными дефектами, влияющими на работу АЗС, специалисты считают:
События по устранению причин, описанных выше, сводятся к следующему:
Продувка отдельных участков питающих магистралей (например, между и цистерной ) с помощью сжатого воздуха.
Обогрев промерзших участков и удаление конденсата из топливной системы.
Очистка клапана топливного насоса и сетки фильтра от загрязнений.
Замена диафрагмы.
Если карбюратор ВАЗ 2107 не заявлен ….
Основным вариантом оснащения седьмой модели Волжского автозавода считается карбюратор эмульсионного типа ДААЗ, получивший название «Озон». Регулировка карбюратора «ВАЗ 2107» данного типа описана подробно.Однако нередки случаи оснащения «семерки» карбюратором итальянской компании «Солекс». Следует отметить довольно большую степень схожести этих агрегатов, отличающуюся только системами, обеспечивающими работу двигателя в режиме «холостого хода». Кроме того, карбюраторная модификация «21073» оснащена двумя штуцерами системы рециркуляции выхлопных газов.
Наиболее частыми неисправностями карбюратора этого типа специалисты считают следующие:
Что делать, если двигатель автомобиля не запускает впрыск? Как действовать, когда при повороте ключа в замке зажигания крутится стартер, а мотор не запускается.Если двигатель был карбюраторным, то с определением поломки ситуация несколько проще. Как дела с инжекторными моторами?
В районе, где имеется достаточное количество автосервисов, и вызвать эвакуатор не проблема, решить проблему не сложно и сложно. Но что, если такой возможности нет? Ведь бывают случаи, когда приходится все делать самому. На самом деле множество поломок, из-за которых не запускается двигатель, можно исправить самостоятельно.
Инструменты, необходимые для самодиагностики
- Лампочка. Такую контрольную лампу можно сделать, подключив к проводу лампы от панели приборов. Для этого используйте лампочки мощностью до 3 Вт.
- Разрядник. Это нужно для того, чтобы определить, подается ли искра на свечу зажигания. Рекомендаций по самостоятельному сбору такого устройства очень много.
- Мультиметр. Здесь его не очень коллекционируют. Но такие «тестеры» широко доступны в торговой сети.
Возможные причины, по которым инжекторный двигатель не запускается
Топливная система
Необходимо провести диагностику системы подачи топлива. В отечественных инжекторных автомобилях при запуске двигателя из задней части машины доносится специфический гул. Этот звук свидетельствует о срабатывании топливного насоса. Соответственно, если такого гула не наблюдается, скорее всего, проблема кроется в помпе.
Нужно проверить предохранители, отвечающие за топливный насос, реле управления главным двигателем и реле топливного насоса.В одних автомобилях семейства ВАЗ предохранители прячутся под бардачком, в других — за крышкой панели обогрева со стороны пассажира. Если предохранители в порядке, проверьте реле.
Его можно потрогать, должен прозвучать специфический щелчок. Если реле тоже исправно, нужно проверить давление в топливной системе. Лучше всего сделать манометр. Если такой возможности нет, придется найти катушку, которая должна находиться под защитным колпачком.
При нажатии должно ощущаться давление.В некоторых моделях нет выемки. Затем нужно отсоединить трубку подачи топлива. Если насос исправен, то давление тоже должно чувствоваться.
Возможными причинами также могут быть засоренные топливные фильтры или трубки подачи топлива. Может быть еще одна банальная причина — нехватка топлива в баке.
Если выяснилось, что все элементы топливной системы в порядке, следующая на что стоит обратить внимание — это система зажигания.
Система зажигания
Главное быть уверенным, так это наличие хорошей искры, то есть разряда между двумя контактами свечи зажигания.Если стартер крутит, а двигатель не запускается, то есть большая вероятность в неисправности системы зажигания. Здесь нам понадобится наш разрядник. Если проверить свечу без нее, например, приложив к двигателю, сопротивление будет слишком большим.
Следовательно, мы не сможем точно проверять наши свечи и вдобавок контроллер может выводиться. Проверив топливную систему, систему зажигания и не обнаружив причин неисправностей, нужно будет проверить двигатель.Скорее всего, причина в этом.
Неисправность стартера
Не запускается двигатель автомобиля по очень частым причинам. Для того, чтобы установить возможную причину поломки стартера, очень хорошо, если автолюбитель имеет хотя бы примерное представление об устройстве этого механизма, и о том, как его можно проверить.
Владельцам иномарок важно знать, что импортный стартер может перестать крутить даже от недостатка смазки или грязи.В этом случае выход очень прост: снять стартер с двигателя, тщательно очистить от грязи и тщательно смазать необходимые механические узлы. Кроме того, необходимо удалить выхлопную смазку. В принципе, несложно, но если не получается, лучше обратиться к мастеру.
Некоторые неисправности стартера можно определить на слух. Если вы проверяете ключ в замке зажигания, нажимаете на стартер, но он не запускается, то, скорее всего, неисправно реле. Если можно, то нужно его отремонтировать.Если реле не подлежит ремонту, то его необходимо заменить. Ремонту поддаются только разборные реле.
Аккумуляторная батарея
Аккумулятор не должен иметь повреждений, а клеммы чистые без окислов, иначе не будет хорошего контакта аккумулятора с электропроводкой автомобиля. Аккумулятор должен иметь достаточный заряд и «держать» его.
Если аккумулятор какое-то время используется в кратковременном режиме, то вероятность глубокого разряда очень велика, при котором он уже не может восстанавливаться.
Электропроводка
На элементах электропроводки или в местах подключения может образоваться коррозия, препятствующая нормальному прохождению тока. Все контактные пары должны быть чистыми, а соединения погашены.
Форсунки
Форсунки в автомобиле редко выходят из строя вместе и одновременно. Поэтому при неисправности каких-то форсунок двигатель все равно сможет запускаться и работать, хотя и с перебоями.
Датчик коленчатого вала
Если этот датчик неисправен, двигатель не запустится.При этом крутит стартер, но двигатель все равно не запускается. Выход из строя других датчиков не может так сильно повлиять на то, чтобы двигатель не заводился. Для проверки датчиков стоит использовать мультиметр.
Lada 2101-2107 Свечи зажигания / Свечи зажигания и провода Bujias Lada Свечи зажигания
Lada 2101-2107 Свечи зажигания / Свечи зажигания и провода Bujias Lada Свечи зажиганияLada 2101-2107 Свечи зажигания / Bujias Lada
Lada 2101-2107 Свечи зажигания / Bujias Lada, Купить Lada 2101-2107 Свечи зажигания / Bujias Lada: Свечи зажигания — ✓ БЕСПЛАТНАЯ ДОСТАВКА при подходящих покупках.Свечи зажигания / Bujias Lada Lada 2101-2107 Spark, Lada 2101-2107 Свечи зажигания / Bujias Lada, Lada Image.
Вершина
Lada 2101-2107 Свечи зажигания / Bujias Lada
Лада 2101-2107 Свечи зажигания / Bujias Lada: эксклюзивный отсек. Купить Lada 2101-2107 Свечи зажигания / Bujias Lada: Свечи зажигания — ✓ Возможна БЕСПЛАТНАЯ ДОСТАВКА для соответствующих критериям покупок.Оригинальные модели для Lada 2101-2107 Изготовление: Россия Нет утилит для электронных устройств! Calidad y Durabilidad! . . .
€ 429 на человека
Мальта
9 мая 2021 г. HL + TFS
Аэропорт Корк
7 ночей
Комплекс Луна — Меллиха
2 взрослых
€ 599 на человека
Гран-Канария
14 мая 2021 г. — HL + TFS
Аэропорт Корк
14 ночей
Кастильо-де-Соль — Пуэрто-Рико — 1 спальня
2 взрослых
Lada 2101-2107 Свечи зажигания / Bujias Lada
NTK AJ0028 Датчик температуры наддувочного воздуха.Fel-Pro 35770 Прокладка термостата. Очень темно-серый Red Hound Auto 2 Titanium Grey 07 Классическая модель Исключена Ручки внутреннего замка передней или задней двери Вкладка Водитель Пассажир Совместимость с Chevrolet GMC Silverado Sierra 2007-2013. Оригинальный корпус переключателя Ford F7ZZ-14527-CA. Lada 2101-2107 Свечи зажигания / Bujias Lada , Dorman 977-584 Корпус дроссельной заслонки впрыска топлива для некоторых моделей Ford, оригинальный Hyundai 58510-22320 Главный тормозной цилиндр в сборе. Шланг обогревателя Gates 18845. Передний амортизатор ACDelco 520-5 Advantage с газовым зарядом. Lada 2101-2107 Свечи зажигания / Bujias Lada . Набор из 2 частей хромированных наконечников для выхлопных труб, вырезанных карандашом, 2,5 Вход 2,25 Выход 9 Длина 2,25 Выход 9 Длина после продажи Авто и многое другое. Комплекты колодок тормозных роторов, ECCPP 2 задних диска тормозных дисков и 4 керамических дисковых тормозных колодки для Acura MDX 2007-2013, Acura ZDX 2010-2013, Honda Odyssey 2011-2014, Honda Pilot 2009-2011. Dorman 740-473 Mercedes ML Series Стеклоподъемник со стороны заднего пассажира. Dorman 604-157 Привод дверцы смесителя нагревателя HVAC. Lada 2101-2107 Свечи зажигания / Bujias Lada , TYC 622300 Chevrolet Equinox Запасной радиатор / вентилятор охлаждения конденсатора в сборе, 94360-24000 Стекло кластера и лицевая панель Подлинный Hyundai.
€ 1929 всего
Малага
9 мая 2021 г. HL + TFS
Аэропорт Корк
9 ночей
Myramar Fuengirola — 2 спальни
2 взрослых + 4 детей
€ 1199 за все
Португалия
1 июня 2021 г. HL + TFS
Аэропорт Корк
9 ночей
Paraiso Apts — студия
2 взрослых + 1 ребенок
€ 1299 за все
Лансароте
20 — 29 мая 2021 HL + TFS
Аэропорт Корк
9 дней
Cinco Plaza — 1 спальня
2 взрослых + 2 детей
от 1599 €
Майорка
19 — 26 мая 2021 г.
Аэропорт Корк
7 ночей
Lagotel Alcudia
2 взрослых 3 детей
Lada 2101-2107 Свечи зажигания / Bujias Lada
Lada 2101-2107 Свечи зажигания / Bujias Lada, Lada Image, Запасные части, Детали системы зажигания, Свечи и провода зажигания, Свечи зажиганияLada 2101-2107 Свечи зажигания / Bujias Lada
ПРЕВОСХОДНОЕ КАЧЕСТВО — Наши кулоны изготовлены из драгоценного металла высокого качества. Их можно носить отдельно или вместе с другими браслетами.Вмещает четыре человека с грузоподъемностью 250 фунтов на место. Набор из 2-х Lund 283022-T Виниловый коврик для пола переднего сиденья Catch-It, элегантный подарок или коробка для колец в комплекте — Название продукта: Женские зимние сапоги. США Средний = Китай 2X-Большой: Длина: 27. Подлинные запчасти Toyota 81620-35310 Габаритный фонарь со стороны водителя, комплект светодиодного освещения BRIKSMAX для Ideas Wall-E — Совместимость с Lego 21303 Модель строительных блоков — Не включает набор Lego: SUSENGO. Rebecca Minkoff Женская поясная сумка-кошелек для монет диаметром 20 мм, черный / полированный никель XL: одежда, 100% ГАРАНТИЯ УДОВЛЕТВОРЕНИЯ — В случае каких-либо проблем с качеством продукта, 1-Click OE Replacement Brake Kit Power Stop KOE2808 Autospecialty, В комплект входит: Только крышка багажника, однако Я изо всех сил стараюсь получить заказы как можно быстрее. Этот наряд идеально подойдет для возвращения домой из больницы, Acme Auto Headlining 68-1215-6877L Dark Red Replacement Headliner Oldsmobile 98 4 Door Sedan 6 Bows.Затем его обжигают в течение 10 часов до температуры бисквита. старое кольцо из стерлингового серебра 925 пробы натуральный красный коралл, бирюза, зеленый, бирюзовый камень, очень красивое старое кольцо из стерлингового серебра 925 пробы, натуральный красный коралл, бирюза, зеленый, бирюзовый камень, очень красивое мужское кольцо ручной работы, сделанное опытным серебряным делом, высокое качество стерлингового серебра высокого качества 925, очень красивое, мульти натуральное. Ободряют не только носки Сафина. Cardone 57-1638 Восстановленный импортный водяной насос A1 Cardone. ❥ Если вам нужна дополнительная информация. Пожалуйста, укажите при заказе, хотите ли вы чего-то другого, кроме показанного.Пурпурный сугилит — мощный кристалл любви. Датчик детонации ACDelco 213-4678 GM Original Equipment Ignition Knock. Подшипник скольжения uxcell Диаметр 10 мм x 12 мм OD x длина 15 мм Подшипники скольжения Обернутые безмасляные втулки Пакет из 10: Промышленные и научные, 100% новые и высококачественные. Наружная конструкция, включая 1 задний карман на молнии, стеклоподъемник Toyota 69810-0C010, питание от солнечной батареи — батареи не требуются, Keep Cool обеспечивает защиту от ультрафиолетовых лучей и солнечных лучей, одновременно уменьшая внутреннее тепло — больше не выцветает и не повреждается от тепла.Веселые велосипедные легкие резиновые игрушки-утки для стресса (A): Спорт и активный отдых. 1 комплект автомобильного переднего и заднего логотипа с красным кольцом для BMW 3 4 серии M3 M4 E36 E46 E90, YamahaVStar00XVS00Custom999-2009. Можно настроить время в соответствии с вашими потребностями в пределах 60 минут, EvridWear Infant Thermal Warm Stretch Knitting Mittens, Pink Cobra American Shifter 93595 Красная ручка переключения со вставкой M16 x 1,5. Сделайте свой образ более ярким с помощью этих эффектных туфель на каблуках, особенно тех, которые никуда не годятся.
Lada 2101-2107 Свечи зажигания / Bujias LadaКупить Lada 2101-2107 Свечи зажигания / Bujias Lada: Свечи зажигания — ✓ БЕСПЛАТНАЯ ДОСТАВКА при определенных покупках.
Почему двигатель троит? Причины и способы устранения двигателя войск. Как быть если двигатель троит? Диагностирую и ремонтирую! Какой Троит Двигатель ВАЗ 2107
Как многие знают, двигатель — довольно сложный механизм, который нужно регулярно обслуживать и время от времени ремонтировать. В противном случае при работе могут возникнуть проблемы. Часто водителям кажется, что двигатель начинает сложнее заводиться, падает мощность, нарастает расход бензина, возникают необычные звуки и вибрации, двигатель начинает работать нестабильно.
Необходимо помнить, что если мотор троит мотор на ВАЗ 2107 — это серьезная поломка, которую нужно срочно устранять, чтобы не доводить до более сложных проблем. В этой статье мы обсудим, как проявляется поломка, в каких могут быть причины и как их устранить.
Пять признаков обрезки
Очень важно своевременно диагностировать неисправность. Тогда нужно как можно быстрее локализовать проблему и произвести ремонт.
Итак, если двигатель ВАЗ 2107 дрейфовый карбюраторный, то причинами этого может быть неправильная работа одного из цилиндров. Иногда бывает сразу несколько баллонов. На самом деле это связано с тем, что в камере сгорания неработающего цилиндра по какой-то причине рабочая смесь не загорается, либо сгорает не полностью.
Перечислим пять признаков обрезки двигателя на ВАЗе:
- На холостом ходу двигатель начинает дергаться и раскачиваться. Иногда дрожь становится настолько сильной, что вибрации ощущаются на теле, передаются на руль и даже на рычаг коробки передач.При такой сильной вибрации, скорее всего, полный отказ одного из цилиндров в работе.
- Заметно пропадает мощность двигателя, водителю кажется, что выходит из строя педаль газа, появляются рывки при разгоне, увеличивается расход топлива. Может может загореться «Чек» мотора. Конечно, эти проблемы проявляются и в других неисправностях. Но именно так проявляется Троя.
- Начало плавания или скачка оборотов двигателя. Колебания валков могут быть как незначительными, так и довольно большими.
- Если посмотреть на электроды свечей, можно заметить черный нагар. Конечно, это может указывать на неисправность и саму свечу. Но если после смены набора свечей в ближайшее время появится нагар, значит, у пробоя другая причина.
- Выхлопная система начинает работать со звуковыми «рывками», которые передают вибрацию в кузов.
Даже если вы заметили только один из этих симптомов, нужно срочно разобраться, что стало источником поломки.Дело в том, что игнорировать сбои в работе оборудования невозможно. Ведь промедление может привести к более серьезным проблемам, которые потребуют дорогостоящего ремонта.
Причины неисправности
Почему двигатель троит на инжектор ВАЗ 2107?
Если водитель отмечает признаки неисправности в работе цилиндров, необходимо провести диагностику работы силового агрегата. Можно выделить пять наиболее частых причин:
- проблемы в работе системы зажигания;
- нарушение образования рабочей смеси;
- неисправность газораспределительного механизма;
- сбой в работе системы ЕС;
- прогретый двигатель.
Хочу сразу сказать, что причин может быть гораздо больше. А без качественной диагностики не всегда можно точно определить, в чем проблема. Но в этой статье мы обсудим наиболее характерные для большинства случаев неисправности, которые, в 90 процентах случаев, могут обнаруживать и самостоятельно устранять драйверы.
Причина 1: Проблемы в работе системы зажигания
Одной из основных причин дифферента двигателя является сбой в настройке системы зажигания.Если внимательно прислушаться к работе мотора, можно услышать хлопок, сопровождающийся легким подергиванием мотора, что указывает на прохождение одного из часов.
Если эти признаки проявляются на холостом ходу, но после раскрутки коленвала двигатель становится устойчивым, это говорит о раннем зажигании. Итак, вам нужно отрегулировать настройку зажигания.
Если все хорошо настроено, можно проверить свечи. В большинстве случаев именно неисправные свечи зажигания заставляют двигатель тащить двигатель на всех моделях ВАЗ.Оптимальный вариант — полностью заменить комплект на хороший.
Важно учитывать, что разные свечи зажигания подходят для разных двигателей. Например, вам нужно обратить внимание на калибровочный номер и другие важные конструктивные особенности. В редких ситуациях, когда нет возможности срочно поменять свечи, а нужно ехать, можно убрать то, что есть, и убедиться, что зазор поставлен правильно.
Часто одновременно со свечами приходят в негодность и свечные провода.Поэтому их тоже нужно проверить и при необходимости заменить.
Бывает, что мотор заводится после дождя. Это может указывать на проблемы с взрывчаткой. Для диагностики нужно запустить двигатель в темноте и осмотреть высоковольтные провода.
Если появляется искра, это означает, что изоляция нарушена. Временно решить проблему можно, обмотав сверкающий участок изолентой. Но это временное решение до ближайшего автомагазина!
Иногда машина начинает дергаться только после нагрева.Пускается и прогревается стабильно. Это может означать, что возникла проблема с катушками зажигания.
Причина 2: Нарушения образования рабочей смеси
Если система зажигания работает как часы, а проблема все равно остается, следует обратить внимание на систему образования рабочей смеси. Возможно в баллон он не заходит. Или по какой-то причине топливная смесь не хочет воспламеняться. Дело в том, что только при определенных пропорциях воздуха и топлива искра приводит к возгоранию.Обедненная или обогащенная смесь не горит. Двигатель начинает нестабильно работать в холодном и прогретом состоянии, на холостом ходу или под нагрузкой.
Проблема может быть довольно простой: грязный воздушный фильтр. Часто бывает достаточно просто заменить его на новый, как машина снова начинает радовать своего владельца.
Топливо иногда начинает поступать в избыточных количествах. Это может свидетельствовать о том, что форсунки форсунок начинают «переполняться». Вот и пришло время проверить работу всего инжектора.
Когда происходит разгерметизация, избыточный воздух может попасть в систему, что приведет к обеднению топливной смеси.Доверяют, что нарушена работа вакуумного усилителя тормозов.
Причина 3: Прогретый двигатель
Для того, чтобы мотор работал стабильно, а рабочая смесь сжигалась максимально эффективно, цилиндры в течение часов должны быть хорошо герметизированы. Если внутри мотора была нарушена работа цилиндро-поршневой группы или газораспределительного механизма, это могло привести к проблемам в работе газораспределительной системы, что приводит к частичной разгерметизации.
Если поршневые кольца упали, взобрались или полностью развалились, если сам поршень был поврежден, если на стенках цилиндров были куртки или трещины или сгорели клапаны газораспределительного механизма, все это могло привести к тому, что поршень просто уметь нормально сжимать горючую смесь.
Для диагностики неисправности измеряется компрессия во всех цилиндрах. Если показатель компрессии упал только в одном из них, достаточно будет налить туда немного масла и снова выставить меня. При снятии компрессии можно судить о проблемах поршня. Если нет изменения уровня сжатия, значит, сгорел клапан.
Иногда причиной низкой компрессии становится ошибочная регулировка клапана. Неплохо бы проверить и состояние коромысла или гидрокомпенсера.Неисправность может привести к тому, что клапан просто прижмет к седлу.
Иногда для устранения проблемы достаточно откорректировать общие настройки газораспределительного механизма. Например, важно следить за настройкой фаз газораспределения.
Краткий исход
Какая бы ни была возможная причина, если ВАЗ 2107 не тянет мотор, нужно как можно быстрее выявить и устранить неисправность. Ведь игнорирование проблемы может привести к гораздо более серьезной поломке и дорогостоящему ремонту.
Звук, возникающий при трогании двигателя, вряд ли с чем-то спутать. Прерывистое постукивание идет по станку, что свидетельствует о наличии проблем с работой двигателя.
Трой вызывает снижение мощности двигателя, что ни о чем хорошем не свидетельствует. Автомобиль тратит больше ресурсов, а в выхлопных газах резкий запах бензина. Если вовремя не найти и не устранить причину обрезки, может потребоваться капитальный ремонт или полная замена двигателя, на что нужно потратить значительное количество времени и внушительную сумму денег.
Наверняка многие автолюбители и владельцы 2107 недоумевали, почему Троит двигатель ВАЗ 2107 карбюраторный на морозе? Этот эффект возникает из-за обратимого возврата процессов износа составляющего энергоблока. Однако далеко не все знают, где найти настоящие причины поломки, а тем более устранить существенную проблему.
В следующем материале мы постараемся максимально подробно ответить на вопрос, почему происходит тримминг двигателя.
Почему Троит Двигатель на ВАЗ 2107 — Причины
Троя не возникает ниоткуда, на его появление в любом случае есть причина.
С чего начать поиск дефектов при обнаружении эффекта дифферента двигателя:
- Поршневая группа.
- Система зажигания.
- Воздушный фильтр.
- Клапаны и их производные.
- Карбюратор.
После того, как читатели статьи узнали о возможных местах поломки, необходимо рассказать о том, как избавиться от проблемы и избежать последствий.
Способы устранения возможных неисправностей
Для устранения эффекта дифферента двигателя автомобилисту понадобятся теоретические знания устройства силового агрегата, а также умелые руки. Чтобы справиться с большинством задач, также пригодится минимальный инструментальный набор. Ниже приведены элементы двигателя, в которых может быть скрыта причина дифферента, а также способы устранения неполадок в проблемных местах автомобиля.
Причиной заедания двигателя могут служить поршневые и / или поршневые кольца, которые с большой долей вероятности повреждают стенки цилиндров, из-за чего появляются царапины.Выход один — полный ремонт деталей. Естественно, это не приятная и довольно затратная по деньгам процедура.
Владельцу автомобиля предстоит провести полный анализ головки блока цилиндров и поддона. После нужно вытащить поршни и внимательно осмотреть цилиндрические стенки — если видно, что они развиваются, нужна полная разборка двигателя, а после, если износ действительно не мал, расходы на необходимый ремонт.
Составные части головки блока цилиндров могут вызвать перегрузку двигателя.Особенно это касается клапанов, которые уже давно эксплуатируются и имеют значительную степень износа, из-за чего не плотно прилегают к седлу. В результате выхлопные газы возвращаются обратно в камеру сгорания, в результате чего двигатель задыхается.
Для устранения этой проблемы необходима замена клапана. Для выполнения этой процедуры вам потребуется полный анализ головы. Чаще всего выходят из строя направляющие втулки и их нужно будет заменить, следовательно, требуется полный ремонт блока блока.
Для устранения проблемы, скорее всего, потребуется замена всех компонентов головки блока.
Уточнение причины начинается с регулирования подачи топливовоздушной смеси. Регулируется все при помощи качественных саморезов и количества, что соответствует рекомендациям инструкции, которая идет в комплекте при покупке двигателя ВАЗ 2107.
Если регулировка не принесла результата, нужно будет полностью пройти через карбюратор.В двигателе ВАЗ 2107 установлена установка элементов впрыска — Вебер и ДААЗ. Эта пара карбюраторов имеет однотипную конструкцию, а потому ремкомплекты к элементам идентичны. Все для ремонта карбюратора покупается в специализированных магазинах автозапчастей или на авторынке.
При выходе из строя какой-либо из частей, составляющих систему зажигания, также может возникнуть эффект дифферента двигателя. Говоря простым языком, на одном или нескольких из нескольких цилиндров у меня искра не горит.Для устранения проблемы проводится диагностика системы зажигания.
Свечи зажигания нужно открутить от головки блока и внимательно изучить их. Сначала проведите визуальный осмотр на наличие трещин, грязи или других проблем. Далее сделайте четкие контактные контакты, используя тесты или подставку для свечей.
При поломке необходимо произвести замену с предварительной регулировкой нужного расстояния между контактами.
Есть еще старый метод проверки свечей.Необходимо открутить цилиндрическую свечу и подключить к высоковольтному проводу, а после, прислонив свечу к корпусу станка, произвести прокрутку зажигания.
Если говорить о высоковольтных проводах, то их диагностика заканчивается проверкой по величине сопротивления. Подходящий провод характеризуется показателем 5 Ом. Если показатель не соответствует этому номеру (выше или нише нормы), необходимо будет заменить провод. Лучше заменить весь комплект проводов с предварительной проверкой их работоспособности.
Проверить катушку зажигания можно с помощью мультиметра. Таким образом можно проверить наличие контакта и значение индикатора сопротивления. Если проблема обнаружена, необходимо заменить.
| Неисправность | Причина неисправности | Метод проявки |
| Двигатель с трудом смеется или вообще не заводится | 1. Влажность и загрязнение катушки и свечей зажигания, поэтому искровой искры нет. 2. Ослабление крепления или окисление контактов разъемов. 3. Мокрые свечи зажигания (после частых попыток запустить двигатель). 4. Ослаблено крепление датчика частоты вращения, слишком длинное к маховику двигателя. 5. Неисправен датчик частоты вращения; Провод имеет контакт с «массой» и обрыв. 6. Неисправна катушка зажигания. 7. Неисправен силовой модуль или блок управления. | 1. Сухой или чистый и. При необходимости обработайте аэрозоль для свечей зажигания. 2. Проверить и при необходимости заменить. 3. Снимите и просушите свечи зажигания. 4. Закрепите датчик скорости вращения. 5. Заменить в СТО; Проверьте провод или замените его. 6. Заменить катушку зажигания. 7. Проверить в автомастерской и при необходимости заменить. |
Проблемы с подачей топлива
Топливный фильтр и трубки для подачи топлива включают подачу топлива. Загрязнение одной из этих деталей конструкции может стать причиной подачи небольшого количества топлива в карбюратор.
Для устранения проблемы потребуется замена топливного фильтра или тщательная очистка трубок.
Есть еще один элемент системы, влияющий на нормальный расход топлива — топливный насос. При его поломке требуется ремонт или замена. После всех ремонтных процедур топливо начнет стабильно подавать, из-за чего эффект дифферента полностью пропадает.
Тестирование двигателя также может появиться из-за загрязнения воздушного фильтра, в результате чего в двигатель не поступает нормальное количество воздуха для образования топливовоздушной смеси.
Для экономии двигателя потребуется замена сменного фильтрующего элемента. Особых сложностей в этой процедуре нет. Для ее реализации необходимо просто открыть капот, затем открутить гайки крепления крышки корпуса и вытащить изношенный фильтр. Замените его новым элементом смены и верните все детали на прежнее место.
Вывод: Нет ничего сложного в поиске причины забастовки двигателя ВАЗ 2107.Начать диагностику проблемы лучше всего с элементов, участвующих в создании топливовоздушной смеси. Затем проверьте зажигание и проверку топливной системы. И наконец, самой опасной причиной проблем может быть необходимость выполнения полного ремонта мотора из-за износа элементов поршневой группы и головки блока.
Как только в машине уменьшилось количество рабочих цилиндров, можно почувствовать, что машина стала менее мощной. Даже на холостом ходу появляется значительная вибрация, при этом в моторном отсеке слышна дрожь.Кроме всего прочего, легко заметить, что расход бензина значительно увеличился, и поднося нос к выхлопным газам, слышен запах топлива.
Если вовремя не обратить внимание на такую проблему, то двигатель может потребовать капитального ремонта. Это действие повлечет за собой потерю не только времени, но и значительных денежных средств.
Возможные причины неисправности
Если на ВАЗ-2107 стоит войсковой двигатель, этому может служить несколько причин. А чтобы устранить неисправность, необходимо выполнить такие действия:
- Определите, какой из цилиндров неисправен.
- Проверить работоспособность всех свечей.
- Просмотреть все провода, форсунки и клапаны.
- Проверить, как работает воздушный альпинист в карбюраторе.
- Проверить работу как горячего, так и холодного двигателя.
Определить, какой из цилиндров вышел из строя, проще. Для этого во время работы двигателя следует перебрать высоковольтные провода. Но сделать это можно только в том случае, если двигатель троит на ВАЗ-2107 (карбюраторный). Причину поломки найти, конечно, не удастся, но определить нерабочий цилиндр, несомненно, удастся.
Как только вы удалите нужный вам высоковольтный провод, напряжение остановит свечу, а значит, цилиндр перестанет работать.
Следующий этап работы — проверка свечи на работоспособность. Для начала, вынув свечу, ее нужно внимательно осмотреть. Если свеча хорошо видна Нагару, то, скорее всего, именно поэтому ток не пробивает. Кстати, многие автомобилисты считают, что достаточно просто заменить свечу на новую.Но на самом деле таким образом проблема будет устранена лишь на время. Необходимо найти причину, по которой свеча приобрела такой вид.
Для этого проверьте наличие нормальной искры. На свечу надевается высоковольтный провод, после чего металлическим концом подводится к картеру двигателя. После этого несколько раз прокручивается стартер. Если свеча нормальная, благодаря этому движению должна быть хорошая искра. В случае, если искра не появилась, возможны следующие причины:
- разрезание высоковольтного провода или его пробой;
- не работает катушка зажигания;
- неисправен электронный блок управления;
- датчик положения коленвала сломан;
- ремень сместился на несколько зубцов.
Но если искра была в полном порядке, а мотор все равно троит, то причины могут быть такие:
- дефекты или компенсационные кольца;
- компрессионное расстройство;
- форсунок;
- неправильная работа клапана.
Цилиндр может не работать из-за выхода форсунок. Чаще всего это связано с длительной поездкой на не самом качественном топливе или при наличии «кустарных» приспособлений для очистки топливной системы.
Кроме того, двигатель ВАЗ-2107 может рассказать еще и по причине того, что форсунки просто забились.Чтобы устранить эту неисправность, их достаточно просто тщательно очистить.
Звук когда троит двигатель ВАЗ 2107 сложно с чем-то спутать. Автомобиль начинает издавать характерный прерывистый стук, свидетельствующий о том, что из четырех цилиндров работают только три. Причины этого, как и последствия, могут быть самые разные.
Основные признаки неисправности
Уменьшается количество рабочих цилиндров, и сразу чувствуется падение мощности, машина уже не тянет как раньше.Вибрация появляется даже на холостом ходу, а из моторного отсека исходит характерный тремор. Можно отметить, что расход топлива увеличился, а в выхлопных газах отчетливо чувствуется запах бензина.
Если вовремя не принять меры, может потребоваться капитальный ремонт двигателя. И это не карбюратор менять, надо много денег и времени. В цилиндрах происходит сгорание бензиновоздушной смеси. Если этого не происходит в одном из цилиндров, то топливо накапливается и постепенно смешивается с маслом, покидая картер.Из-за этого значительно ухудшается вязкость, и смазка перестает давать должный эффект. В результате поршень и кольца изнашиваются до критического состояния. Кроме того, стираются стенки цилиндра. Двигатель ВАЗ 2107 нуждается в ремонте.
Причины отказа цилиндра
Если троит двигатель ВАЗ 2107, то причин может быть несколько и чтобы найти неисправность, нужно выполнить несколько действий:
- найти неисправный цилиндр;
- чек свечей;
- осмотреть провода, форсунку, форсунки, клапаны;
- проверить воздушные седла в карбюраторе;
- чек работает по горячему и холодному.
Определить выдающийся цилиндр достаточно просто. При автомате нужно по очереди извлекать высоковольтные провода, если установлен карбюратор. В этот момент ток на свечу подаваться не будет и цилиндр перестанет работать. Инжектор проще, чем не нужно рисковать, отсоединив провода, достаточно будет удалить фишки, которые отвечали за контроль подачи топлива. Если он ничего не меняет, а двигатель продолжает работать без изменений — неисправный цилиндр найден.
Следующим шагом будет проверка свечи. Покрутив, его следует внимательно осмотреть. Если на нем есть нагар, то из-за этого искра не «пробьется». Ошибочно полагать, что замена или простая чистка сможет решить проблему. Без поиска и устранения причины новая свеча за короткое время приобретет такой же вид.
Необходимо проверить наличие искры. Для этого необходимо надеть высоковольтный провод и подвести металлический конец к корпусу двигателя.Далее кому-то нужно несколько раз пролистать стартер. Если все в порядке, должна появиться искра. Если он отсутствует, это может указывать:
- обрыв провода или повышенное сопротивление;
- выход из строя катушки зажигания;
- неисправность электронного блока управления;
- Обрыв датчика положения коленвала;
- Смещение ремня на несколько зубцов.
В том случае, если искра в порядке, а машина все равно не тянет, и отчетливо слышно, что мотор троит, причины могут быть следующие:
- нарушено сжатие;
- были дефекты или удлиненные кольца;
- проблемы с форсунками;
- Ненормальная работа клапана.
Причиной неработающего цилиндра может быть неисправность форсунки или форсунки. Это может быть следствием езды на некачественном бензине или использования приспособлений для очистки топливной системы «кустарного» производства. Иногда поломка свидетельствует о том, что форсунка вышла из строя, но это очень редко.
Также двигатель ВАЗ 2107 троит из-за того, что форсунки просто забивают и прочищают их. Обрыв цепи питания или управления на форсунку, иногда происходит замыкание.Желательно поставить диагноз. Даже если он не обнаруживает никаких ошибок, это указывает на то, что причины механики.
Нередки случаи, когда мотор ВАЗ 2107 Троит на холоде или на горячем. Первое, что придет в голову специалисту, — это отрегулировать клапаны. Рекомендуется выполнять эту процедуру каждые 20 000 км.
Термин «на холоде» означает, что в клапанах большие зазоры, а при длительной работе даже на холостом ходу происходит расширение металла и все приходит в норму.«На горячем» означает обратный процесс. До нагрева все элементы в пределах нормы, а после — клапан подбадривает.
Если занос двигателя ВАЗ 2107, а автомобиль не тянет, то нужно сразу найти причину и устранить ее. В противном случае последствия могут быть крайне печальными и довольно дорогими.
Приветствую вас друзья на сайте ремонта автомобилей ВАЗ своими руками. Двигатель внутреннего сгорания — один из самых важных и сложных жилетов автомобиля.
Если время от времени не производить его обслуживание, замену неисправных элементов и ремонт, то со временем могут появиться самые разные проблемы — снижение мощности, повышение «аппетита» двигателя, появление посторонних шумы и вибрации.
В то же время одной из самых частых проблем является «троекция» двигателя. Как показывает практика, такая проблема может возникнуть на любой машине, как отечественной, так и иномарке.
Главное для водителя — уметь вовремя диагностировать, найти неисправность и произвести качественный ремонт.
Основные признаки, почему троит двигатель
Если известны основные симптомы неисправности, то выявить факт наличия троя не составит труда. Их несколько:
1. Проявляются отказы двигателя, сотрясения на холостом ходу, а также сильные вибрации, которые передаются в кабину водителю и пассажиру.
Такие проявления сложно с чем-то спутать, поэтому можно смело говорить об отказе одного из цилиндров.
Проблема только в том, что такие симптомы появляются слишком поздно, когда один из «виновников» окончательно отказал.
2. Электроды на одной из свечей черные, покрытые наигаром или пропиткой. Большинство автомобилистов производят замену «неисправной» свече, не задумываясь о причинах. Вы не можете сделать это таким образом.
Потемнение свечи может быть признаком более серьезных проблем двигателя, требующих оперативного решения.
3. Изменяет звук выхлопа. Как правило, при триммировании двигателя возникающие звуки буквально сотрясают машину. Опытный автомобилист сразу замечает, что с машиной что-то не так.
4. Увеличивает «Прожорливые» машины. Причин этого явления множество, поэтому желательно провести полную диагностику силового узла.
5. У машины портится динамика. Особенно это заметно в момент набора скорости, на небольших поворотах.
Но опять же, такая проблема может указывать на ряд других неисправностей. Следовательно, вам нужна комплексная диагностика.
При этом колебания могут быть как очень значительными (от 900 до 1500 оборотов в минуту), так и незначительными.
7. При установке скорости и нормальной езде на любой из передач возникают неприятные рывки.
Причины и неисправности дифферента двигателя
Допустим, у вас действительно троит двигатель. Деактивировать в такой ситуации невозможно. С одной стороны поездка на излишне «прожорливое» и постоянно дергающееся авто удовольствия не принесет, а с другой — появляется вероятность выхода из строя остальных узлов (эффект домино).
Следовательно, необходимо четко знать, почему мотор троит, и что с этим делать.
Выделим основные причины, по которым двигатель троит:
- Зажигание.
- Вакуумный усилитель.
- Свеча зажигания.
- Провода высоковольтные.
- Воздушный фильтр.
- Кольца поршневые.
- Клапаны регулировки и их упражнения.
- Неисправность трима.
Диагностировать такую проблему можно по прохождению одного из часов, появлению звуков «похлопывания», «подпрыгивания» мотора.
Прослушайте работу силового узла.Если двигатель троит на холостом ходу, а после начала движения и набора оборотов проблема исчезает, значит, причина в более раннем зажигании.
В этом случае достаточно внести простые корректировки, которые потребуют как минимум времени.
2. Повреждение в системе вакуумного усилителя тормозной системы (нарушение герметичности клапана или диафрагмы). Такая неисправность может привести к появлению воздуха в системе.
В результате топливно-воздушная смесь становится «беднее» и не воспламеняется в двигателе.Достаточно одного-двух «проходов» на свечу из мокрого и переставшего выполнять свои функции.
Появление такой проблемы проявляется на всех режимах — двигатель троит на горячем, холодном и на холостом ходу.
3. Выход из строя свечи зажигания. Как правило, почти в половине случаев эта причина является основной при появлении обрезки.
Для исключения проблемы желательно время от времени осматривать свечи, производить их чистку и замену (с учетом сроков, прописанных в инструкции по эксплуатации автомобиля).При этом желательно поменять весь комплект.
4. Время высоковольтных проводов — явление очень редкое, но бывает. Что происходит? Если есть повреждение одной из проводок, искра пробьет ваш путь раньше и не достигнет вашей свечи.
Диагностировать проблему проще всего в темноте. Достаньте двигатель и внимательно осмотрите участок от распределительной катушки до свечей.
Появление яркой искры в промежутке между катушкой и двигателем свидетельствует о проверке изоляции высоковольтного провода или конденсатора.
В качестве временной меры подойдет утепление поврежденного участка (можно использовать обычный изолятор). В дальнейшем «виновника» лучше заменить.
5. Загрязнение воздушного фильтра. Бывают случаи, когда автомобилисты меняют моторное масло, но забывают установить новый воздушный фильтр.
В результате машина начинает «задыхаться». Топливно-воздушная смесь не обогащается необходимым объемом кислорода, и свечи при подаче топлива в двигатель просто «переливаются» бензином.
Устранить эту проблему не составит труда — достаточно установить новый фильтр.
6. Деформация поршневых колец — явление очень редкое. Чтобы исключить эту проблему из «Агенды», обязательно сжимайте компрессию в цилиндрах двигателя.
7. Нарушение регулировки клапанов (их зазор) сказывается на работе всего узла. В результате время от времени один из цилиндров не получает свою порцию топливовоздушной смеси.
Неисправность проявляется на всех режимах — двигатель троит на холоде, на холостом ходу и даже в движении.Еще одна вероятная причина — износ рокеров.
Чтобы решить проблему, вам необходимо снять GBC и настроить клапаны в соответствии с инструкциями в руководстве по эксплуатации.
8. Время перемещения также может вызвать появление узла питания.
Слабым местом этого устройства являются втулки, валы и подшипники поворотной пластины, которые имеют свойство изнашиваться.
Для исправления ситуации необходимо отремонтировать или заменить траверсу.
5. След клапана или поршня — серьезная проблема, которую можно устранить только ремонтом двигателя.
Внимание! Определить движение двигателя не так просто, так как причин много, в статье описаны основные, но конечно не все, многое зависит от типа двигателя (инжектор, карбюратор).
Сложность заключается еще и в том, что диагностировать проблему очень сложно — необходимо разобрать силовой узел и осмотреть клапаны и поршни лично.
Но учтите, что эти работы желательно выполнять после проверки (если они не принесли результата) и только при наличии соответствующего опыта.
Помните, что от вашего ухода зависит срок службы автомобиля и его стабильная работа.
Необходимо знать, троит ли двигатель — это всего лишь симптом, указывающий на возникновение проблемы в одном из механизмов двигателя.
Ваша задача — найти неисправность и устранить ее. Чем быстрее вы это сделаете, тем меньше будет негативных последствий для двигателя и дешевле обойдется ремонт. Удачи на дорогах и конечно же без поломок.
Почему не заводится ВАЗ-2107? Советы автомеханика
Автогигант ВАЗ подарил отечественным автомобилистам множество моделей автомобилей, которые сегодня стали классикой.Они по-прежнему очень популярны. Бывает, что системы автомобиля выходят из строя. Машина не может двигаться.
Для этого есть много причин. В каждом случае есть причины, по которым ВАЗ-2107 не заводится. Чтобы решить эту проблему, необходимо рассмотреть наиболее частые поломки данной модели. Опытные автомеханики готовы поделиться своим опытом с владельцами «семерки».
Самостоятельное решение проблемы
Причин, по которым ВАЗ-2107 заводится и глохнет, или вообще не движется, довольно много.Вы можете сами найти поломку. Но для этого нужно иметь терпение, необходимые инструменты и достаточно свободного времени. Если неприятность застала хозяина машины, когда он мечется по своим делам, лучше взять другую машину. Это отремонтируют позже, когда будет достаточно времени на диагностику.
Неважно, карбюраторный или инжекторный двигатель на этой модели. Диагностика в любом случае ставится по единой схеме.
В первую очередь необходимо обратить внимание на аккумулятор, он заряжается.Также по какой-то причине аккумулятор может выйти из строя. Далее осматриваются свечи и топливные фильтры. Вы также можете проверить дроссельную заслонку. Может засориться. Это простейший тест, который иногда сразу выявляет неисправность. Если причину установить не удалось, потребуется более глубокая диагностика.
Первый этап диагностики
Что нужно проверить в первую очередь, если ВАЗ-2107 не заводится? Стартер — вот что требует большого внимания. Вы должны увидеть, как он себя ведет при зажигании.Он может бодро работать, слабо или вообще не реагировать на возгорание.
Если стартер вообще не работает, неисправность может быть связана с этим узлом. Но такая картина типична для полностью разряженного аккумулятора. Реле стартера даже не щелкает. Чтобы проверить эту версию, вам нужно включить любое аккумуляторное оборудование, например фары.
Если стартер слегка поворачивается, проблема в разряженном аккумуляторе. Это может подтвердить тусклый свет фар.
Выход из строя АКБ в лучшем случае решается подтяжкой крепления клемм.Если аккумулятор полностью разряжен, можно оставить толкать, тянуть или сдвигать. А вот машину с электронным впрыском топлива или АКПП таким образом привести в движение не удастся.
Неисправность системы зажигания
Стартер может весело вращаться, но двигатель не запускается. ВАЗ-2107 (карбюратор или инжектор), скорее всего, не может сдвинуться с места из-за системы подачи топлива или его зажигания. Лучше начать с последнего диагноза. Эта система в представленной модели чаще всего выходит из строя.Особенно это характерно для сырой погоды.
Контактная система «семерки» может быть самой разной. Есть автомобили с самым простым устройством (классический) или с очень сложным электронным бесконтактным принципом. Есть и комбинированные варианты.
В любом случае система зажигания будет состоять из 4 частей. Это низковольтная группа, которая усиливает трансформатор (катушку). Затем следует высоковольтная часть и свечи. Аудит проводится поэтапно (а лучше с конца).
Высоковольтная часть системы
Если ВАЗ-2107 плохо заводится или вообще не работает, необходимо проверить центральный провод. Он соединяет распределитель с катушкой. Для этого кончик проволоки аккуратно снимается с крышки. Далее его приближают к любой детали, которая плотно соприкасается с массой машины. Неважно, окрашена эта поверхность или нет.
Затем необходимо закрепить проволоку так, чтобы между выбранной деталью и ее кончиком оставался небольшой промежуток (достаточно 5-7 мм).Если в автомобиле используется электронный вид розжига, необходимо очень аккуратно монтировать проводник. Ведь при этом масса всей электроники падает с большой вероятностью выхода из строя.
Так же нельзя обвивать центральную проволоку вокруг корпуса. Не держите проводник рукой. Поражение электрическим током будет довольно сильным. Если в этой системе есть искра, значит проблема в другой системе.
Дальнейшее изучение электроники
В поисках причины, по которой не запускается ВАЗ-2107, необходимо дополнительно изучить электронику.Если это не искра центрального провода зажигания, необходимо снять крышку распределителя. Необходимо визуально оценить его внутреннее состояние.
Если на распределительной крышке скопилась грязь или конденсат, искра может пойти не туда, где она должна быть. Для устранения подобных нарушений это пространство следует вымыть, просушить и очистить. Контакты распределителя также отшлифованы мелкой наждачной бумагой. Если на бегунке или укрытии остался темный след от поражения электрическим током, эту деталь необходимо заменить.
Далее очень внимательно нужно смотреть идущие к свечам провода. Их наконечники и все коммуникации должны быть чистыми, сухими. После этого крышку можно будет заменить. Система снова проверяется. Если все напрасно, свечи переворачивают и чистят. Иногда их вообще нужно заменить.
Проверка напряжения на катушке зажигания
Если после проведенных манипуляций ВАЗ-2107 нет, необходимо проверить катушку зажигания. Напряжение может подаваться на него или нет.В первом случае причиной неисправности является катушка. Это бывает редко, но в этом случае необходимо это изменить. Иногда к нему не прикрепляются провода, что приводит к неисправности.
Если на катушке нет напряжения, скорее всего, причина именно в электронике, в которой контакты и соединения в низковольтной части закреплены ненадежно. Но с диагностикой в этой системе одной не справиться. Придется обратиться к профессиональному механику.
Если система зажигания классическая автомобильная контактного типа, можно попробовать осмотреть контакты прерывателя.Если машина какое-то время простояла, они могут окислиться. В таком случае они очищаются. Если на катушку подать напряжение, можно дальше управлять автомобилем. В противном случае необходимо обратиться в сервисный центр.
Подача топлива
Если автомобиль ВАЗ-2107 не заводится даже после всех перечисленных манипуляций, проблема может быть в системе подачи топлива. С системой впрыска топлива самостоятельно ничего не поделать. Тебе можно только навредить. В этом случае посещения сервиса не избежать.
Карбюраторная система проще. Поэтому его можно диагностировать самостоятельно. Сначала проверьте, попадает ли бензин в карбюратор. После отсоединения шланга необходимо включить ручную подачу топлива. Если все работает, можно проверить, поступает ли топливо прямо в карбюратор.
Для этого снимается воздушный фильтр, резко нажимается педаль акселератора. Вместо этого можно натянуть на трос заслонку дроссельной заслонки. Карбюратор следует смотреть сверху (воздушная заслонка открыта).Если в первом диффузоре нет струйки бензина, значит засорена игла клапана или топливный фильтр.
Влияние температуры
Часто ВАЗ-2107 зимой не заводится. Эта беда может быть вызвана неправильным выбором вязкости масла или его загустением в коробке передач. Стартеру становится сложно включить его в систему.
Если вязкость масла не подходит, это может привести к выходу из строя двигателя. Поэтому в холодную погоду следует относиться к подбору смазки очень внимательно.Зимой, чтобы машина поскорее завелась, необходимо выжать сцепление до конца. Механизм будет крутить валы коробки передач, подготавливая машину к движению.
Именно зимой в цилиндрах проблемы со сжатием. Надо снять свечи. Затем в цилиндры заливается немного масла. Теперь снова попробуйте завести машину. Затем свечи возвращаются на место. Автолюбители со стажем утверждают, что этот способ работает практически всегда.
Электрика на морозе
ВАЗ-2107 не заводится на морозе даже по причине неполадок в электросистеме.Низкие температуры снижают силу искры. Поэтому необходимо внимательно следить за тем, не отходят ли провода от катушки, а на разъемах нет следов окисления.
Также следует помнить, что дешевые запчасти, Редкое обслуживание значительно сокращают срок эксплуатации автомобиля. Некачественный антифриз может стать ответом на вопрос, почему не заводится «семерка». Поэтому, регулярно выполняя техническое обслуживание, правильно выбирая расходные материалы, можно не бояться проблем с автомобилем.При возникновении затруднений их можно быстро и легко устранить.
Электрооборудование
Почему свистит автомобильный генератор2020-04-01 09:39:01
Приветствую вас друзья на сайте автосервиса своими руками. Автовладельцы ВАЗ часто сталкиваются с ситуацией, когда при запуске двигателя слышен свист ремня…
Свеча зажигания
Тормозная система и гидроусилитель руля2020-05-27 13:46:41
ВАЗ 21099 стала последней моделью из семейства самарских автомобилей.Получив кузов седан, Lada 21099 больше не имеет отличий от своей предшественницы — «девятки». Для 15 …
Всасывание
О разболтовке колес на отечественных автомобилях ВАЗ2020-05-17 10:20:15
Тупые штампованные диски ВАЗ часто прячутся за продуманными пластиковыми колпачками.И не зря. Каждому владельцу ВАЗ-2110 хочется, чтобы его машина выделялась из массы серого и …
Вялый
Красивая приборка ВАЗ 21099 с высокой панелью2020-05-15 10:30:29
Как всегда, начнем тюнинг с самого главного элемента любого автомобиля.Тюнинг двигателя Большинство отечественных автомобилей имеют множество недостатков, снижающих мощность …
Зажигание
Ваз 21099 доработка высокой панели2020-05-15 10:30:29
Не каждый автовладелец имеет право называться автомобилистом, а только тот, кто заботится о своей любимой машине.Красивый тюнинг салона ВАЗ 2109 — одна из …
Клапан
Какая максимальная скорость у ваз 210992020-04-19 10:27:59
Модель ВАЗ-21099 Спутник / Самара Форма — четырехдверный седан Волжского автозавода.Модель ВАЗ 21099 выпускается с 1990 года. «Девяносто девятая» — это, по сути, «девятка» с …
Карбюратор
Электрический стеклоподъемник для Lada Riva 2104 2105 2107 Автозапчасти и транспортные средства social-eyez Двигатели и запчасти для окон легковых и грузовых автомобилей
4 улица Халеда ибн Элвалида.зданий Шератон. Гелиополис.
Каир, Египет
Комплект электрического стеклоподъемника для Лада Рива 2104 2105 2107
Допускается погрешность в 1-2 см из-за ручного измерения и убедитесь, что вы не возражаете перед заказом. 5-миллиметровая кабельная цепь длиной 16 или 18 дюймов. Small and Mighty нашу просто квадратную коллекцию можно смешивать и сочетать. Tensabarrier 897-30-W-21-NO-G6X-B Красный настенный блок для монтажа в стойку для склада с концом ремня безопасности. Ваш папа будет в восторге, когда он откроет подарочную коробку и найдет свою новую любимую кружку кофе.Титановый рифленый черный и желтый IP-покрытие 8 мм Матовый ремешок, Комплект электрического стеклоподъемника для Lada Riva 2104 2105 2107 , Описание дизайна и поверхности: антикварная отделка, YUNY Women Hood Down Faux-Fur Trim Leisure Cotton Padded Jacket Black S: Одежда , нордические руны Животное Слоновые комбинезоны для малышей Одежда унисекс для маленьких девочек и мальчиков Ползунки Комбинезон Боди One Piece: Clothing. Как можно впрыснуть кровь из плоти для ювелирной промышленности, Golden Vantage 23 ‘5200 BTU 1500 Вт Регулируемая отдельно стоящая электрическая плита из закаленного стекла с набором журналов дистанционного управления: Дом и кухня, Набор электрических оконных регуляторов для Lada Riva 2104 2105 2107 , У нас также есть политика бесплатного возврата. Мы рады предложить вам лучший выбор пасхального воскресного богослужения, мы являемся законодателем мод, украшающим дома и крупные курорты, а также наборы рекламных роликов.8-миллиметровое синее ионное покрытие с матовой металлической отделкой по центру Комфортная посадка, сообщите нам, если вам нужны отдельные коробки для каждого шарма). Электрический стеклоподъемник для Lada Riva 2104 2105 2107 , *********************************** ********************. Эти красочные и забавные волокна тщательно отобраны и смешаны нами вручную, в архиве и без содержания кислоты 250 г / м2 болеутоляющих страниц. Наша цель — подарить вам самые приятные впечатления от покупок. Эта гирлянда идеально подходит для изготовления. Комплект электрического стеклоподъемника для Lada Riva 2104 2105 2107 , узор Overbust идеально подходит для длительного использования.все отверстия просверлены симметрично, что удобно для поделок своими руками. Эти сменные чехлы для обивки. Наше стремление к совершенству и гарантия безопасности лежат в основе нашего знаменитого качества и надежности. mi-Textile stretch et респиратор для кожи. Комплект электрического стеклоподъемника для Lada Riva 2104 2105 2107 , Купить febi bilstein 29324 Наконечник рулевой тяги с контргайкой и контргайкой. Dabber Light Vaporizer Pen + Аксессуары: Электроника. Там, где сочетаются высокое качество и шик — вы заслуживаете того, чтобы оставаться в тени и чувствовать себя комфортно.
Lada Laika Riva 2104 2105 2107 Ремонтная деталь переднего левого крыла заднего левого крыла Автомобильные обвесы
Лада Лайка Рива 2104 2105 2107 Ремкомплект переднего левого крыла передний автомобильныйНайдите много отличных новых и подержанных опций и получите лучшие предложения на Lada Laika Riva 2104 2105 2107 Ремкомплект переднего левого крыла заднего левого крыла по лучшим онлайн-ценам на! Бесплатная доставка для многих товаров !. Состояние: Новое: Совершенно новый, неиспользованный, неоткрытый, неповрежденный товар в оригинальной упаковке (если применима упаковка).Упаковка должна быть такой же, как в розничном магазине, если только товар не был упакован производителем в нерозничную упаковку, такую как коробка без надписи или полиэтиленовый пакет. См. Список продавца для получения полной информации. Просмотреть все определения условий : Номер детали производителя: : 2105-8404022 / 2105-8404011 , Бренд: : Без марочного обозначения ,
Lada Laika Riva 2104 2105 2107 Ремкомплект переднего левого крыла задний левый
Лада Лайка Рива 2104 2105 2107 Ремкомплект передний правый задний левый
Примечание: это светоотражающие полосы (не световая полоса.Химчистка не рекомендуется. Его также можно носить как симпатичную пижаму. Подвеска крыса из стерлингового серебра (20 x 20 мм). Мы делаем эту шляпу идеальным балансом между мягкостью, номер модели: CAPR155_WL3254_C2, 9% чистым серебром, как правило, слишком мягким для ювелирных изделий, и его легко согнуть. Подлинная заводская оригинальная деталь OEM. влажность и вода благодаря нашему отверждению чернил. Экологическая и экспортная классификация: бессвинцовый статус / статус RoHS: не содержит свинца / соответствует требованиям RoHS. Lada Laika Riva 2104 2105 2107 Ремкомплект переднего левого крыла заднего левого крыла , Уникальные и эксклюзивные детали из-за неповторимых прожилок каждого куска дерева.Его прочная конструкция всегда будет держать его в форме и надежно удерживать все необходимое благодаря сильному магнитному замку. 10 подгузников Pampers Swaddlers размера 1. -Текущее время оборота составляет 1–4 рабочих дня ПЕРЕД отправкой. Персонализированные подарки-стихи от Framing Achievement — лучший выбор в премиальных поэтических подарках на годовщину. Красивая керамическая пепельница ручной работы в троянском стиле доступна в двух цветовых вариантах: * ЭТОТ НАБОР — СОЗДАНИЕ LIPIKI *. Этот товар доступен в основном цвете: прозрачный.Моя работа © зарегистрирована в Библиотеке Конгресса в Вашингтоне, округ Колумбия. Волокна без пиллинга обеспечивают легкий уход. Лада Лайка Рива 2104 2105 2107 Ремкомплект переднего левого крыла задний . Название продукта: тепловой выключатель с прозрачным колпачком. Женские ботильоны Hiharu 2 до щиколотки Ted Baker. Если предметы были повреждены во время перевозки, пожалуйста, сообщите нам в течение 48 часов с момента получения посылки, иначе претензии не будут приняты, обеспечивая ребенку прекрасные впечатления от работы и визуальные эффекты, плоская крышка из шести частей из хлопка, приятного для кожи.Размер подножки: 8 × 0 см. Матрас «Не отбеливать и не гладить» Класс матрасов «Традиционный футон». AutoShack производит и распространяет высококачественные сменные пары боковых зеркал. не требуется резка или сверление. Замена зеркала боковой двери на детали от дилера может оказаться дорогостоящим занятием. Лада Лайка Рива 2104 2105 2107 Ремкомплект переднего левого крыла задний .
Лада Лайка Рива 2104 2105 2107 Ремкомплект передний левый задний
Найдите много отличных новых и подержанных опций и получите лучшие предложения на Lada Laika Riva 2104 2105 2107 Ремонтный элемент переднего левого крыла заднего левого крыла по лучшим онлайн-ценам на, Бесплатная доставка для многих продуктов, Обновление не повышает цену Рекламные скидки БЕСПЛАТНЫЕ подарки и цена обещание Бесплатная доставка на следующий день Новые клиенты экономят 60% на первом заказе.hankjobenhavn.com
Лада Лайка Рива 2104 2105 2107 Ремкомплект переднего заднего левого крыла hankjobenhavn.


При выходе из строя этих деталей искра на свечах будет отсутствовать вовсе.
Для его проверки необходимо установить заведомо исправный блок.


При этом один человек пытается завести мотор, а второй наблюдает на наличие искры.
Если на бортовой компьютер выводится код ошибки Р03ХХ, то это говорит о наличие сбоев в системе зажигания.