Π‘Ρ Π΅ΠΌΠ° ΠΏΠΎΠ΄ΠΊΠ»ΡΡΠ΅Π½ΠΈΡ ΡΠ»Π΅ΠΊΡΡΠΎΡΡΠΈΠ»ΠΈΡΠ΅Π»Ρ ΡΡΠ»Ρ ΠΏΡΠΈΠΎΡΠ°
ΠΡΠΎΠ΄ΠΎΠ»ΠΆΠ΅Π½ΠΈΠ΅ ΠΈΡΡΠΎΡΠΈΠΈ ΠΏΡΠΎ ΡΡΡΠ°Π½ΠΎΠ²ΠΊΡ ΠΠ£Π ΠΎΡ ΠΏΡΠΈΠΎΡΡβ¦
Π ΠΏΡΠ΅Π΄ΡΠ΄ΡΡΠ΅ΠΉ Π·Π°ΠΏΠΈΡΠΈ Ρ ΠΏΠΎΡΡΠ°ΡΠ°Π»ΡΡ ΠΏΠΎΠ΄ΡΠΎΠ±Π½ΠΎ ΡΠ°ΡΠΏΠΈΡΠ°ΡΡ ΠΊΠ°ΠΊ ΡΡΡΠ°Π½ΠΎΠ²ΠΈΡΡ ΠΠ£Π , Π° ΡΠ΅ΠΏΠ΅ΡΡ ΡΠ°ΡΡΠΊΠ°ΠΆΡ ΠΊΠ°ΠΊ Π΅Π³ΠΎ ΠΏΠΎΠ΄ΠΊΠ»ΡΡΠΈΡΡ, Π° ΡΠ°ΠΊΠΆΠ΅ ΡΠ°ΡΡΠΊΠ°ΠΆΡ ΠΊΠ°ΠΊ Π΄Π΅Π»Π°ΡΡ ΡΠ°ΠΌΠΎΡΡΠΎΡΡΠ΅Π»ΡΠ½ΡΡ Π΄ΠΈΠ°Π³Π½ΠΎΡΡΠΈΠ½Ρ. (ΠΎΠ± ΡΡΠΎΠΌ Π² ΠΊΠΎΠ½ΡΠ΅)
Π ΡΠ°ΠΊ, Π΄Π»Ρ ΠΏΠΎΠ΄ΠΊΠ»ΡΡΠ΅Π½ΠΈΡ ΠΠ£Π ΠΏΠΎΠ½Π°Π΄ΠΎΠ±ΠΈΡΡΡ:
1. ΠΏΡΠΎΠ²ΠΎΠ΄ ΡΠ΅ΡΠ΅Π½ΠΈΠ΅ΠΌ ΠΏΡΠΈΠΌΠ΅ΡΠ½ΠΎ Π΄Π²Π° ΠΊΠ²Π°Π΄ΡΠ°ΡΠ° (Π½Ρ ΡΡΠΎ Ρ ΡΠ°ΠΊ Π½Π° Π³Π»Π°Π·), ΠΊΠΎΡΠΎΡΠ΅ Π½Π΅ ΡΠΎΠ½ΡΡΠ΅ ΡΠ΅ΠΌ ΠΈΠ΄ΡΡ Π½Π° Π·Π°ΠΌΠΎΠΊ Π·Π°ΠΆΠΈΠ³Π°Π½ΠΈΡ, ΡΡΠΈ ΠΌΠ΅ΡΡΠ° (ΡΡΠΎ Ρ Π·Π°ΠΏΠ°ΡΠΎΠΌ)
2. ΠΏΡΠΎΠ²ΠΎΠ΄ ΡΠ΅ΡΠ΅Π½ΠΈΠ΅ΠΌ 0,75, 8 ΠΌΠ΅ΡΡΠΎΠ²
3. ΠΌΠ°ΠΌΡ Π±ΠΎΠ»ΡΡΠΈΠ΅, Π΄Π»Ρ ΠΏΠΎΠ΄ΠΊΠ»ΡΡΠ΅Π½ΠΈΡ ΠΏΠΎΠ΄ΡΡΠ»Π΅Π²ΡΡ
ΠΏΠ΅ΡΠ΅ΠΊΠ»ΡΡΠ°ΡΠ΅Π»Π΅ΠΉ, 30ΡΡ(Ρ Π·Π°ΠΏΡΠΎΠΌ)
4. ΠΌΠ°ΠΌΡ+ΠΏΠ°ΠΏΡ ΠΌΠ°Π»ΡΠ΅, Π΄Π»Ρ ΠΏΠΎΠ΄ΠΊΠ»ΡΡΠ΅Π½ΠΈΡ ΠΏΡΠΎΠ²ΠΎΠ΄ΠΎΠ² Ρ ΡΡΡ ΠΈ Π΅ΡΡ ΠΏΠ°ΡΡ ΠΌΠ΅Π»ΠΎΡΠ΅ΠΉ, 20ΡΡ(Ρ Π·Π°ΠΏΠ°ΡΠΎΠΌ)
5. Π΄Π΅ΡΠΆΠ°ΡΠ΅Π»Ρ ΠΏΡΠ΅Π΄ΠΎΡ
ΡΠ°Π½ΠΈΡΠ΅Π»Ρ + ΠΏΡΠ΅Π΄ΠΎΡ
ΡΠ°Π½ΠΈΡΠ΅Π»Ρ, 1ΡΡ (Π³ΠΎΠ²ΠΎΡΡΡ ΠΌΠΈΠ½ΠΈΠΌΡΠΌ Π½Π° 50 Π°ΠΌΠΏΠ΅Ρ, Ρ ΡΠΆΠ΅ Π΅Π·ΠΆΡ Π½Π΅Π΄Π΅Π»Ρ Ρ 30 Π°ΠΌΠΏΠ΅ΡΠ½ΡΠΌ)
6. Π³ΠΎΡΡΠ°, ΡΡΠΎΠ±Ρ Π²ΡΡ Π±ΡΠ»ΠΎ Π°ΠΊΠΊΡΡΠ°ΡΠ½ΠΎ
7.
8. ΠΏΠ»ΠΎΡΠΊΠΎΠ³ΡΠ±ΡΡ, ΠΊΡΡΠ°ΡΠΊΠΈ
9. ΠΎΡΠ²ΡΡΡΠΊΠΈ + ΠΈ β
10. Π΄ΡΠ΅Π»Ρ, ΡΠ²Π΅ΡΠ»ΠΎ
11. Π½Π°ΠΏΠΈΠ»ΡΠ½ΠΈΠΊ
ΠΡΠΎΠ΄Π΅ Π²ΡΡ Π½Π°Π·Π²Π°Π».
Π ΡΠ°ΠΊ ΠΏΠ΅ΡΠ²ΡΠΌ Π΄Π΅Π»ΠΎΠΌ ΡΡΠ½Π΅ΠΌ ΡΠΈΠ»ΠΎΠ²ΠΎΠΉ ΠΏΡΠΎΠ²ΠΎΠ΄ Π½Π° ΠΠ£Π ΠΎΡ ΠΠΠ. Π― Π΅Π³ΠΎ ΠΏΡΠΎΡΡΠ½ΡΠ» ΡΠ΅ΡΠ΅Π· ΡΠ΅Π·ΠΈΠ½ΠΊΡ ΠΏΠΎΠ΄ Π»ΠΎΠ±ΠΎΠ²ΡΠΌ ΡΡΠ΅ΠΊΠ»ΠΎΠΌ.
ΠΠ΅ΡΠΆΠ°ΡΠ΅Π»Ρ ΠΏΡΠ΅Π΄ΠΎΡ ΡΠ°Π½ΠΈΡΠ΅Π»Ρ ΡΡΠ°Π²ΠΈΠΌ ΠΊΠ°ΠΊ ΠΌΠΎΠΆΠ½ΠΎ Π±Π»ΠΈΠΆΠ΅ ΠΊ ΠΠΠ.
Π‘Π°ΠΌ ΠΏΡΠ΅Π΄ΠΎΡ ΡΠ°Π½ΠΈΡΠ΅Π»Ρ ΠΏΠΎΠΊΠ° Π½Π΅ ΡΡΠ°Π²ΠΈΠΌ. ΠΠΈΠ½ΡΡΠΎΠ²ΠΎΠΉ ΠΏΡΠΎΠ²ΠΎΠ΄ ΠΊΠΈΠ½ΡΠ» Π½Π° ΠΏΠ΅ΡΠ΅Ρ ΠΎΠ΄Π½ΡΡ ΠΏΠ»Π°ΡΡΠΈΠ½Ρ.
ΠΠ°Π»Π΅Π΅ ΠΏΡΠΎΠΊΠΈΠ΄ΡΠ²Π°Π΅ΠΌ ΡΡΠΈ ΠΏΡΠΎΠ²ΠΎΠ΄Π° Π΄ΠΎ Π΄Π°ΡΡΠΈΠΊΠ° ΡΠΊΠΎΡΠΎΡΡΠΈ, +, β ΠΈ ΡΠΈΠ³Π½Π°Π»ΡΠ½ΡΠΉ. ΠΠ»Π°Π²Π½ΠΎΠ΅ ΠΏΡΠΈ ΠΏΠΎΠ΄ΠΊΠ»ΡΡΠ΅Π½ΠΈΠΈ ΡΠΌΠΎΡΡΠΈΡΠ΅ ΡΠ°ΡΠΏΠΈΠ½ΠΎΠ²ΠΊΡ Π½Π° ΡΠ²ΠΎΡΠΌ Π΄Π°ΡΡΠΈΠΊΠ΅, ΡΠ°ΠΌ ΠΏΠΎΠ΄ΠΏΠΈΡΠ°Π½ΠΎ, ΡΡΠΎ ΠΊΡΠ΄Π° ΠΈΠ΄ΡΡ. ΠΠ»ΡΡΠΎΠ²ΠΎΠΉ ΠΏΡΠΎΠ²ΠΎΠ΄ ΠΎΡ Π΄Π°ΡΡΠΈΠΊΠ° Ρ ΠΏΠΎΠ΄ΡΠ΅ΠΏΠΈΠ» Π½Π° Π²Π΅ΡΡ Π½ΠΈΠΉ Π±Π»ΠΎΠΊ ΠΏΡΠ΅Π΄ΠΎΡ ΡΠ°Π½ΠΈΡΠ΅Π»Π΅ΠΉ, Π½Π° ΠΊΡΠ°ΠΉΠ½ΠΈΠΉ Π»Π΅Π²ΡΠΉ.
ΠΠΈΠ½ΡΡ Π²Π·ΡΠ» ΡΠΎ ΡΠΏΠΈΠ»ΡΠΊΠΈ ΠΊΠΎΡΠΎΡΠ°Ρ Π΄Π΅ΡΠΆΠΈΡ ΠΏΠ°Π½Π΅Π»Ρ. Π ΡΠΈΠ³Π½Π°Π»ΡΠ½ΠΎΠΌΡ ΠΏΡΠΈΠΊΡΠ΅ΠΏΠΈΠ» ΠΌΠ°Π»Π΅Π½ΡΠΊΡΡ ΠΊΠ»Π΅ΠΌΠΌΡ ΠΈ Π²ΡΠ²Π΅Π» ΠΊ ΡΠΈΡΠΊΡ ΠΏΡΠΈΠ±ΠΎΡΠΎΠ².
ΠΠ°Π»Π΅Π΅ ΠΏΠΎΠ΄ΠΊΠ»ΡΡΠ°Π΅ΠΌ ΠΎΡΡΠ°Π»ΡΠ½ΡΠ΅ ΠΏΡΠΎΠ²ΠΎΠ΄Π° ΠΠ£Π ΠΏΠΎ ΡΡ Π΅ΠΌΠ΅
. Π ΡΡΠ°ΡΠ½ΡΠΌ ΠΏΡΠΎΠ²ΠΎΠ΄Π°ΠΌ Ρ ΠΏΡΠΈΠΏΠ°ΠΈΠ²Π°Π» ΠΊΠ»Π΅ΠΌΠΌΡ, Π΄Π»Ρ Π΄Π°Π»ΡΠ½Π΅ΠΉΡΠ΅Π³ΠΎ ΡΠ΄ΠΎΠ±ΡΡΠ²Π° Π΄Π΅ΠΌΠΎΠ½ΡΠ°ΠΆΠ°.
(Π½Ρ ΠΌΠ°Π»ΠΎ Π»ΠΈ ΡΡΠΎβ¦)ΠΠΎΠ½ΡΡΠΎΠ»ΡΠ½ΡΡ Π»Π°ΠΌΠΏΡ Ρ Π²ΡΠ²Π΅Π» Π½Π° Π»Π°ΠΌΠΏΡ Β«Π½Π΅ ΠΏΡΠΈΡΡΡΠ³Π½ΡΡΡΠΉ ΡΠ΅ΠΌΠ΅Π½ΡΒ», ΠΏΡΠΈΠΏΠ°ΡΠ» ΠΏΡΠΎΠ²ΠΎΠ΄, ΠΈ Π΄Π»Ρ ΡΠ°Π±ΠΎΡΡ Π½Π°Π΄ΠΎ ΠΏΠΎΡΡΠ°Π²ΠΈΡΡ ΡΠ²Π΅ΡΠΎΠ΄ΠΈΠΎΠ΄. ΠΡΠ° Π»Π°ΠΌΠΏΠ° ΠΏΡΠΈΠ³ΠΎΠ΄ΠΈΡΡΡ Π΄Π»Ρ ΡΠ°ΠΌΠΎΡΡΠΎΡΡΠ΅Π»ΡΠ½ΠΎΠΉ Π΄ΠΈΠ°Π³Π½ΠΎΡΡΠΈΠΊΠΈ Π½Π΅ΠΈΡΠΏΡΠ°Π²Π½ΠΎΡΡΠΈ ΠΠ£Π . (Π΄ΠΈΠ°Π³Π½ΠΎΡΡΠΈΠΊΠ° Π±ΡΠ΄Π΅Ρ ΠΎΠΏΠΈΡΠ°Π½Π° Π½ΠΈΠΆΠ΅)
ΠΠΎΡΠ»Π΅ Π²ΡΠ²ΠΎΠ΄ΠΈΠΌ ΠΏΡΠΎΠ²ΠΎΠ΄Π° Π½Π° Π·Π°ΠΌΠΎΠΊ Π·Π°ΠΆΠΈΠ³Π°Π½ΠΈΡ, ΠΏΠΎΠ΄ΡΡΠ»Π΅Π²ΡΡ ΠΏΠ΅ΡΠ΅ΠΊΠ»ΡΡΠ°ΡΠ΅Π»Π΅ΠΉ ΡΠ»Π΅Π²Π° ΠΏΠΎΠ΄ ΠΏΠ°Π½Π΅Π»ΡΡ.
Π‘ΠΎΠ΅Π΄ΠΈΠ½ΡΠ΅ΠΌ ΠΈΡ ΠΏΠΎ ΡΡ Π΅ΠΌΠ΅.
ΠΠΉ ΡΡΡΡ Π½Π΅ Π·Π°Π±ΡΠ», ΡΠ΅ΠΏΠ΅ΡΡ Π²Π΅Π΄Ρ ΠΌΠΎΠΆΠ½ΠΎ Π½Π° ΠΏΠ΅ΡΠ΅ΠΊΠ»ΡΡΠ°ΡΠ΅Π»Ρ Π΄Π²ΠΎΡΠ½ΠΈΠΊΠΎΠ², ΠΏΡΠΈΠ»Π΅ΠΏΠΈΡΡ ΠΈ Π·Π°Π΄Π½ΠΈΠΉ. Π’Π°ΡΠΈΠΌ ΡΡΠ΄Π° ΠΆΠ΅ ΠΏΡΠΎΠ²ΠΎΠ΄Π° Ρ ΠΊΠ»Π°Π²ΠΈΡΠΈ.
ΠΠΎΠ΄Π³ΠΎΠ½ΡΠ΅ΠΌ ΠΊΠΎΠΆΡΡ ΡΡΠ»Π΅Π²ΠΎΠΉ ΠΊΠΎΠ»ΠΎΠ½ΠΊΠΈ, Π·Π°ΠΏΠΈΠ»ΠΈΠ²Π°Π΅ΠΌ ΠΊΠ½ΠΎΠΏΠΊΡ Π°Π²Π°ΡΠΈΠΉΠΊΠΈ.(Ρ Π΅Ρ ΠΏΠΎΡΡΠ°Π²ΠΈΠ» ΡΠΏΡΠ°Π²Π° ΠΎΡ ΡΡΠ»Ρ) ΠΡΡ ΡΠΎΠ±ΠΈΡΠ°Π΅ΠΌ, Π²ΡΡΠΊΠ°Π΅ΠΌ ΠΏΡΠ΅Π΄ΠΎΡ ΡΠ°Π½ΠΈΡΠ΅Π»Ρ, ΠΊΠΎΡΠΎΡΡΠΉ ΠΏΠΎΡΡΠ°Π²ΠΈΠ»ΠΈ ΠΏΠΎΠ΄ ΠΊΠ°ΠΏΠΎΡ.
ΠΠ°ΠΏΡΡΠΊΠ°Π΅ΠΌ Π΄Π²ΠΈΠ³Π°ΡΠ΅Π»Ρ ΠΈ Π½Π°ΡΠ»Π°ΠΆΠ΄Π°Π΅ΠΌΡΡ Π»ΡΠ³ΠΊΠΎΠΌΡ ΡΡΠ»Ρ. (ΠΊΠΎΠ½ΡΡΠΎΠ»ΡΠ½Π°Ρ Π»Π°ΠΌΠΏΠ° Π΄ΠΎΠ»ΠΆΠ½Π° ΠΏΠΎΠ³Π°ΡΠ½ΡΡΡ ΠΏΠΎΡΠ»Π΅ Π·Π°ΠΏΡΡΠΊΠ°)
PS Π£ΡΡΠ°Π½ΠΎΠ²ΠΈΠ» Ρ Π΄Π°ΡΡΠΈΠΊ ΡΠΊΠΎΡΠΎΡΡΠΈ, Π½ΠΎ ΡΡΠΎΡ Π½Π° Π½Π΅Π³ΠΎ Π½Π΅ Π½Π°ΠΊΡΡΡΠΈΠ²Π°Π΅ΡΡΡ, ΠΌΠ΅ΡΠ°Π΅Ρ ΠΏΠΎΠ΄ΡΡΠΊΠ°.
ΠΠΎΡΡΠΎΠΌΡ ΠΏΡΠΈΡΠ»ΠΎΡΡ ΠΊΡΠΏΠΈΡΡ ΠΏΡΠΈΠ±ΠΎΡΠΊΡ ΠΎΡ ΡΠ΅ΠΏΡΡΠΊΠΈ, Π½ΠΎ ΡΡΠΎ ΡΠΆΠ΅ ΡΠΎΠ²ΡΠ΅ΠΌ Π΄ΡΡΠ³Π°Ρ ΠΈΡΡΠΎΡΠΈΡβ¦
ΠΡ ΠΈ ΡΠ΅ΠΏΠ΅ΡΡ Π½Π΅ ΠΌΠ½ΠΎΠ³ΠΎ ΡΠ»ΠΎΠ² ΠΏΡΠΎ ΡΠ°ΠΌΠΎΡΡΠΎΡΡΠ΅Π»ΡΠ½ΡΡ Π΄ΠΈΠ°Π³Π½ΠΎΡΡΠΈΠΊΡ ΠΠ£Π . ΠΠ»Ρ ΡΡΠΎΠ³ΠΎ Π½ΡΠΆΠ½Π° ΠΊΠ°Π½ΡΠ΅Π»ΡΡΡΠΊΠ°Ρ ΡΠΊΡΠ΅ΠΏΠΊΠ°.
ΠΠΈΡΡ ΠΊΠ°ΠΊ Π΄Π΅Π»Π°Π» Π»ΠΈΡΠ½ΠΎ Ρ, Π° Π½Π΅ ΠΊΠ°ΠΊ Π±ΡΠ»ΠΎ Π½Π°ΠΏΠΈΡΠ°Π½ΠΎ Π½Π° ΡΠ°Π·Π½ΡΡ ΡΠ°ΠΉΡΠ°Ρ .
ΠΡΡΠ°Π²Π»ΡΠ΅ΠΌ ΡΠΊΡΠ΅ΠΏΠΊΡ Π² ΠΠ£Π Π² ΡΠ΅ΡΡΠΎΠΉ ΠΏΠΈΠ½, (ΠΎΠ½ ΠΏΡΡΡΠΎΠΉ, ΡΠΌ. ΡΡ Π΅ΠΌΡ), ΡΠ°ΠΊ ΡΡΠΎΠ±Ρ Π΅Ρ ΠΌΠΎΠΆΠ½ΠΎ Π±ΡΠ»ΠΎ Π·Π°ΠΌΠΊΠ½ΡΡΡ Π½Π° ΠΌΠ°ΡΡΡ.
ΠΠ°ΠΏΡΡΠΊΠ°Π΅ΠΌ Π΄Π²ΠΈΠ³Π°ΡΠ΅Π»Ρ, Π·Π°ΠΌΡΠΊΠ°Π΅ΠΌ Π½Π° ΠΌΠ°ΡΡΡ ΠΈ ΠΎΡΠΏΡΡΠΊΠ°Π΅ΠΌ, ΠΊΠΎΠ½ΡΡΠΎΠ»ΡΠ½Π°Ρ Π»Π°ΠΌΠΏΠ° ΡΠ½Π°ΡΠ°Π»Π° ΠΌΠΎΡΠ³Π½ΡΡ ΠΌΠ΅Π΄Π»Π΅Π½Π½ΠΎ (ΠΎΠ·Π½Π°ΡΠ°Π΅Ρ ΡΡΠΎ ΠΠ£Π Π²ΠΎΡΡΠ» Ρ ΡΠΈΡΡΠ΅ΠΌΡ Π΄ΠΈΠ°Π³Π½ΠΎΡΡΠΈΠΊΠΈ). ΠΠ°Π»Π΅Π΅ Π»Π°ΠΌΠΏΠ° Π½Π°ΡΠ½ΡΡ Π±ΡΡΡΡΠΎ ΠΌΠΎΡΠ³Π°ΡΡ (ΡΡΠΈΡΠ°Π΅ΠΌ ΡΠΊΠΎΠ»ΡΠΊΠΎ ΡΠ°Π· ΠΌΠΎΡΠ³Π½ΡΡ ΠΈ ΡΠΌ. ΡΠ°ΡΡΠΈΡΡΠΎΠ²ΠΊΡ Π½ΠΈΠΆΠ΅
), ΠΏΠΎΡΠ»Π΅ Π»Π°ΠΌΠΏΠ° ΠΎΠΏΡΡΡ ΠΌΠ΅Π΄Π»Π΅Π½Π½ΠΎ ΠΌΠΎΡΠ³Π½ΡΡ (Π²ΡΡΠ΅Π» ΠΈΠ· Π΄ΠΈΠ°Π³Π½ΠΎΡΡΠΈΠΊΠΈ).β 1 Π‘ΠΈΡΡΠ΅ΠΌΠ° ΠΈΡΠΏΡΠ°Π²Π½Π°
β 2 ΠΡΡΡΡΡΡΠ²ΠΈΠ΅ ΡΠΈΠ³Π½Π°Π»Π° ΠΎΠ±ΠΎΡΠΎΡΠΎΠ² Π΄Π²ΠΈΠ³Π°ΡΠ΅Π»Ρ
β 3 ΠΠ΅ΠΈΡΠΏΡΠ°Π²Π½ΠΎΡΡΡ Π΄Π°ΡΡΠΈΠΊΠ° ΠΌΠΎΠΌΠ΅Π½ΡΠ°
β 4 ΠΠ΅ΠΈΡΠΏΡΠ°Π²Π½ΠΎΡΡΡ Π΄Π²ΠΈΠ³Π°ΡΠ΅Π»Ρ ΠΠΠ£Π
β 5 ΠΠ΅ΠΈΡΠΏΡΠ°Π²Π½ΠΎΡΡΡ Π΄Π°ΡΡΠΈΠΊΠ° ΠΏΠΎΠ»ΠΎΠΆΠ΅Π½ΠΈΡ ΡΡΠ»Π΅Π²ΠΎΠ³ΠΎ Π²Π°Π»Π°
β 6 ΠΠ΅ΠΈΡΠΏΡΠ°Π²Π½ΠΎΡΡΡ Π΄Π°ΡΡΠΈΠΊΠ° ΠΏΠΎΠ»ΠΎΠΆΠ΅Π½ΠΈΡ ΡΠΎΡΠΎΡΠ° Π΄Π²ΠΈΠ³Π°ΡΠ΅Π»Ρ ΠΠΠ£Π
β 7 ΠΠ΅ΠΈΡΠΏΡΠ°Π²Π½ΠΎΡΡΡ Π±ΠΎΡΡΡΠ΅ΡΠΈ Π°Π²ΡΠΎΠΌΠΎΠ±ΠΈΠ»Ρ (Π½ΠΈΠΆΠ΅ 10Π Π»ΠΈΠ±ΠΎ Π±ΠΎΠ»ΡΡΠ΅ 18Π)
β 8 ΠΠ΅ΠΈΡΠΏΡΠ°Π²Π½ΠΎΡΡΡ Π±Π»ΠΎΠΊΠ° ΡΠΏΡΠ°Π²Π»Π΅Π½ΠΈΡ ΠΠΠ£Π
β 9 ΠΠ΅ΠΈΡΠΏΡΠ°Π²Π½ΠΎΡΡΡ Π΄Π°ΡΡΠΈΠΊΠ° ΡΠΊΠΎΡΠΎΡΡΠΈ Π°Π²ΡΠΎΠΌΠΎΠ±ΠΈΠ»Ρ
(Π² ΠΈΡΡΠΎΡΠ½ΠΈΠΊΠ°Ρ
Π½Π°ΠΏΠΈΡΠ°Π½ΠΎ ΡΡΠΎ Π»Π°ΠΌΠΏΠ° ΠΌΠΎΡΠ³Π°Π΅Ρ Π½Π° 10 ΡΠ°Π· Π±ΠΎΠ»ΡΡΠ΅, Ρ.
Π΅. * 11 Π‘ΠΈΡΡΠ΅ΠΌΠ° ΠΈΡΠΏΡΠ°Π²Π½Π° ΠΈ ΡΠ°ΠΊ Π΄Π°Π»Π΅Π΅, Π½ΠΎ Ρ ΠΌΠ΅Π½Ρ Π±ΡΠ»ΠΎ ΡΠ°ΠΊ ΠΊΠ°ΠΊ Ρ Π½Π°ΠΏΠΈΡΠ°Π»)
Π Π½Π°ΡΠ°Π» Ρ ΠΈΡΠΊΠ°ΡΡ ΠΏΡΠΎ Π΄ΠΈΠ°Π³Π½ΠΎΡΡΠΈΠΊΡ, Ρ.ΠΊ. Π½Π° Ρ ΠΎΠ΄Ρ ΠΎΡΠΊΠ»ΡΡΠ°Π»ΡΡ ΠΠ£Π , Π° ΠΏΠΎΡΠ΅ΠΌΡ? ΠΠ° ΠΏΠΎΡΠΎΠΌΡ ΡΡΠΎ Ρ Π½Π΅ ΠΏΠΎΡΠΌΠΎΡΡΠ΅Π» Π½Π°Π΄ΠΏΠΈΡΠΈ Π½Π° Π΄Π°ΡΡΠΈΠΊΠ΅ ΡΠΊΠΎΡΠΎΡΡΠΈ, Π° ΠΏΠΎΠ΄ΠΊΠ»ΡΡΠΈΠ» ΠΏΠΎ Π»ΠΎΠ³ΠΈΠΊΠ΅, ΠΏΠΎ ΡΠ²Π΅ΡΡ ΠΏΡΠΎΠ²ΠΎΠ΄ΠΎΠ² Π½Π° ΡΠΈΡΠΊΠ΅ ΠΎΡ Π½Π΅Π³ΠΎ, ΠΈ ΠΏΠΎΠ»ΡΡΠΈΠ»ΠΎΡΡ ΡΡΠΎ ΠΏΠ΅ΡΠ΅ΠΏΡΡΠ°Π» ΠΏΠΎΠ»ΡΡΠ½ΠΎΡΡΡ))) ΠΠΎΡΡΠΎΠΌΡ ΠΈ Π½Π°ΠΏΠΈΡΠ°Π», ΡΡΠΎ
ΠΡΠ΅ΠΌ ΡΠ΄Π°ΡΠΈ ΠΈ Π΄ΠΎ Π²ΡΡΡΠ΅ΡΠΈ Π² Π½ΠΎΠ²ΠΎΠΉ Π·Π°ΠΏΠΈΡΠΈ)))
PS ΠΡΠ»ΠΈ Π²ΠΎΠ·Π½ΠΈΠΊΠ»ΠΈ Π²ΠΎΠΏΡΠΎΡΡ ΠΈΠ»ΠΈ ΡΠ²ΠΈΠ΄Π΅Π»ΠΈ ΠΎΡΠΈΠ±ΠΊΠΈ, ΡΠΎ Π³ΠΎΠ²ΠΎΡΠΈΡΠ΅))
Π Π°Π²ΡΠΎΠΌΠΎΠ±ΠΈΠ»ΡΡ ΠΠΠ ΠΡΠΈΠΎΡΠ° ΡΠ»Π΅ΠΊΡΡΠΎΡΡΠΈΠ»ΠΈΡΠ΅Π»Ρ ΡΡΠ»Ρ Π²ΡΠΏΠΎΠ»Π½ΡΠ΅Ρ ΡΡΠ½ΠΊΡΠΈΡ ΠΎΠ±Π΅ΡΠΏΠ΅ΡΠ΅Π½ΠΈΡ Π±ΠΎΠ»Π΅Π΅ ΠΎΠ±Π»Π΅Π³ΡΠ΅Π½Π½ΠΎΠ³ΠΎ ΡΠΏΡΠ°Π²Π»Π΅Π½ΠΈΡ ΡΡΠ°Π½ΡΠΏΠΎΡΡΠ½ΡΠΌ ΡΡΠ΅Π΄ΡΡΠ²ΠΎΠΌ. Π‘ ΠΏΠΎΠΌΠΎΡΡΡ ΠΠ£Π Π²ΠΎΠ΄ΠΈΡΠ΅Π»Ρ ΠΌΠΎΠΆΠ΅Ρ Π±Π΅Π· ΠΏΡΠΎΠ±Π»Π΅ΠΌ ΠΏΠΎΠ²ΠΎΡΠ°ΡΠΈΠ²Π°ΡΡ ΡΡΠ»Π΅Π²ΠΎΠ΅ ΠΊΠΎΠ»Π΅ΡΠΎ ΠΎΠ΄Π½ΠΎΠΉ ΡΡΠΊΠΎΠΉ. ΠΠ°ΠΊΠΈΠ΅ Π½Π΅ΠΈΡΠΏΡΠ°Π²Π½ΠΎΡΡΠΈ Ρ Π°ΡΠ°ΠΊΡΠ΅ΡΠ½Ρ Π΄Π»Ρ ΡΡΠΈΠ»ΠΈΡΠ΅Π»Ρ ΠΈ ΠΊΠ°ΠΊ ΠΏΡΠΎΠΈΠ·Π²Π΅ΡΡΠΈ Π·Π°ΠΌΠ΅Π½Ρ ΠΠ£Π Π² Π³Π°ΡΠ°ΠΆΠ½ΡΡ ΡΡΠ»ΠΎΠ²ΠΈΡΡ β ΠΎΠ± ΡΡΠΎΠΌ ΠΌΡ ΡΠ°ΡΡΠΊΠ°ΠΆΠ΅ΠΌ Π½ΠΈΠΆΠ΅.
ΠΠΎΠ·ΠΌΠΎΠΆΠ½ΡΠ΅ Π½Π΅ΠΈΡΠΏΡΠ°Π²Π½ΠΎΡΡΠΈ: ΠΏΡΠΈΠ·Π½Π°ΠΊΠΈ ΠΈ ΠΏΡΠΈΡΠΈΠ½Ρ
Π‘ΠΏΠΎΡΠΎΠ±Ρ ΠΎΠΏΡΠ΅Π΄Π΅Π»Π΅Π½ΠΈΡ ΠΌΠ΅Ρ Π°Π½ΠΈΡΠ΅ΡΠΊΠΈΡ ΠΏΠΎΠ²ΡΠ΅ΠΆΠ΄Π΅Π½ΠΈΠΉ ΠΠ£Π ΠΈ ΡΡΠ»Π΅Π²ΡΡ ΠΌΠ΅Ρ Π°Π½ΠΈΠ·ΠΌΠΎΠ²
Π‘Π°ΠΌΠΎΡΡΠΎΡΡΠ΅Π»ΡΠ½ΠΎΠ΅ ΡΠ½ΡΡΠΈΠ΅ ΠΈ ΡΡΡΠ°Π½ΠΎΠ²ΠΊΠ° ΡΡΠΈΠ»ΠΈΡΠ΅Π»Ρ
Π€ΠΎΡΠΎΠ³Π°Π»Π΅ΡΠ΅Ρ Β«Π‘Π½ΡΡΠΈΠ΅ ΠΠ£Π Β»
ΠΠΈΠ΄Π΅ΠΎ Β«ΠΠΎΡΠΎΠ±ΠΈΠ΅ ΠΏΠΎ ΡΠ°ΠΌΠΎΡΡΠΎΡΡΠ΅Π»ΡΠ½ΠΎΠΌΡ ΡΠ΅ΠΌΠΎΠ½ΡΡ ΡΡΠΈΠ»ΠΈΡΠ΅Π»ΡΒ»
ΠΠΎΠΌΠΌΠ΅Π½ΡΠ°ΡΠΈΠΈ ΠΈ ΠΡΠ·ΡΠ²Ρ
ΠΠΎΠ·ΠΌΠΎΠΆΠ½ΡΠ΅ Π½Π΅ΠΈΡΠΏΡΠ°Π²Π½ΠΎΡΡΠΈ: ΠΏΡΠΈΠ·Π½Π°ΠΊΠΈ ΠΈ ΠΏΡΠΈΡΠΈΠ½Ρ
Π ΠΊΠ°ΠΊΠΈΡ ΡΠ»ΡΡΠ°ΡΡ ΠΏΡΠΎΠΈΠ·Π²ΠΎΠ΄ΠΈΡΡΡ ΡΠ°Π·Π±ΠΎΡΠΊΠ° ΠΈ ΡΠ΅ΠΌΠΎΠ½Ρ ΡΡΠ»Π΅Π²ΠΎΠΉ ΡΠ΅ΠΉΠΊΠΈ, ΠΠ£Π ΠΈ Π³ΠΈΠ΄ΡΠΎΡΡΠΈΠ»ΠΈΡΠ΅Π»Ρ, ΠΊΠ°ΠΊΠΎΠ²Π° ΡΡ Π΅ΠΌΠ° ΠΏΠΎΠ΄ΠΊΠ»ΡΡΠ΅Π½ΠΈΡ ΡΡΠΈΠ»ΠΈΡΠ΅Π»Ρ, ΠΊΠ°ΠΊΠΈΠ΅ ΡΡΠ½ΠΊΡΠΈΠΈ Π²ΡΠΏΠΎΠ»Π½ΡΠ΅Ρ Π΄Π°ΡΡΠΈΠΊ ΠΌΠΎΠΌΠ΅Π½ΡΠ°?
ΠΠ»Ρ Π½Π°ΡΠ°Π»Π° Π΄Π°Π²Π°ΠΉΡΠ΅ ΡΠ°ΡΡΠΌΠΎΡΡΠΈΠΌ ΠΎΡΠ½ΠΎΠ²Π½ΡΠ΅ Π½Π΅ΠΈΡΠΏΡΠ°Π²Π½ΠΎΡΡΠΈ ΡΠΈΡΡΠ΅ΠΌΡ, ΠΏΠΎΡΠ΅ΠΌΡ ΠΎΠ½Π° Π½Π΅ ΡΠ°Π±ΠΎΡΠ°Π΅Ρ ΠΈ ΡΠΏΠΎΡΠΎΠ±Ρ ΠΈΡ ΡΡΡΡΠ°Π½Π΅Π½ΠΈΡ:
- ΠΠ΅ΠΊΠΎΡΡΠ΅ΠΊΡΠ½Π°Ρ ΡΠ°Π±ΠΎΡΠ° ΠΈΠ»ΠΈ ΠΏΠΎΠ»ΠΎΠΌΠΊΠ° Π±Π»ΠΎΠΊΠ° ΡΠΏΡΠ°Π²Π»Π΅Π½ΠΈΡ β ΠΎΠ΄Π½Π° ΠΈΠ· ΡΠ°ΠΌΡΡ
ΡΠ»ΠΎΠΆΠ½ΡΡ
ΠΏΡΠΈΡΠΈΠ½ Π½Π΅ΡΠ°Π±ΠΎΡΠΎΡΠΏΠΎΡΠΎΠ±Π½ΠΎΡΡΠΈ ΠΠ£Π ΠΈ ΠΠ£Π Π² ΠΠ°Π΄Π΅ ΠΡΠΈΠΎΡΠ΅.
ΠΡΠΈ ΡΠ°ΠΊΠΎΠΉ Π½Π΅ΠΏΠΎΠ»Π°Π΄ΠΊΠΈ Π½Π° ΡΠΊΡΠ°Π½Π΅ Π±ΠΎΡΡΠΎΠ²ΠΎΠ³ΠΎ ΠΊΠΎΠΌΠΏΡΡΡΠ΅ΡΠ° Π²ΡΡΠ²Π΅ΡΠΈΡΡΡ ΡΠΎΠΎΡΠ²Π΅ΡΡΡΠ²ΡΡΡΠ΅Π΅ ΡΠΎΠΎΠ±ΡΠ΅Π½ΠΈΠ΅ ΠΎΠ± ΠΎΡΠΈΠ±ΠΊΠ΅. ΠΡΠ»ΠΈ Π²Ρ Π΅Π΅ ΡΠ°ΡΡΠΈΡΡΡΠ΅ΡΠ΅, ΡΠΎ ΡΠ·Π½Π°Π΅ΡΠ΅ ΠΎ ΡΠΎΠΌ, ΡΡΠΎ ΠΊΠΎΠΌΠΏΡΡΡΠ΅Ρ Π·Π°ΡΠΈΠΊΡΠΈΡΠΎΠ²Π°Π» Π½Π΅ΡΠ°Π±ΠΎΡΠΎΡΠΏΠΎΡΠΎΠ±Π½ΠΎΡΡΡ ΡΠΏΡΠ°Π²Π»ΡΡΡΠ΅Π³ΠΎ ΠΌΠΎΠ΄ΡΠ»Ρ. Π’Π°ΠΊΠΈΠ΅ ΠΏΡΠΎΠ±Π»Π΅ΠΌΡ ΠΎΠ±ΡΡΠ½ΠΎ ΡΠ²ΡΠ·Π°Π½Ρ Ρ Π½Π΅ΠΏΠΎΠ»Π°Π΄ΠΊΠ°ΠΌΠΈ Π² ΠΏΠ°ΠΉΠΊΠ΅.
Π‘ΠΊΠΎΡΠ΅Π΅ Π²ΡΠ΅Π³ΠΎ, ΠΏΡΠΈΡΠΈΠ½Π° Π·Π°ΠΊΠ»ΡΡΠ°Π΅ΡΡΡ Π² ΠΎΡΡΡΡΡΡΠ²ΠΈΠΈ ΡΠΎΠ΅Π΄ΠΈΠ½Π΅Π½ΠΈΡ Π»ΠΈΠ±ΠΎ ΠΏΠ»ΠΎΡ ΠΎΠΌ ΠΊΠΎΠ½ΡΠ°ΠΊΡΠ΅ ΡΡ Π΅ΠΌΡ ΡΡΠΈΠ»ΠΈΡΠ΅Π»Ρ Ρ ΠΊΠΎΠ½ΡΡΠΎΠ»Π»Π΅ΡΠΎΠΌ. Π’Π°ΠΊΠ°Ρ Π½Π΅ΠΈΡΠΏΡΠ°Π²Π½ΠΎΡΡΡ ΡΠ΅ΡΠ°Π΅ΡΡΡ ΠΌΠ΅ΡΠΎΠ΄ΠΎΠΌ ΡΠ΅ΠΌΠΎΠ½ΡΠ°, ΡΠΎ Π΅ΡΡΡ ΠΏΠ΅ΡΠ΅ΠΏΠ°ΠΉΠΊΠΈ, Π»ΠΈΠ±ΠΎ Π·Π°ΠΌΠ΅Π½Ρ, Π΅ΡΠ»ΠΈ ΡΠ΅ΡΡ ΠΈΠ΄Π΅Ρ ΠΎΠ± Π°Π²ΡΠΎΠΌΠΎΠ±ΠΈΠ»Π΅ Π½Π° Π³Π°ΡΠ°Π½ΡΠΈΠΈ. ΠΠΎΠ»Π΅Π΅ ΡΠΎΡΠ½ΠΎ ΡΠ·Π½Π°ΡΡ ΠΎ Π½Π΅ΠΏΠΎΠ»Π°Π΄ΠΊΠ°Ρ ΠΌΠΎΠΆΠ½ΠΎ ΠΏΡΡΠ΅ΠΌ ΠΏΡΠΎΠ²Π΅Π΄Π΅Π½ΠΈΡ ΠΊΠΎΠΌΠΏΡΡΡΠ΅ΡΠ½ΠΎΠΉ Π΄ΠΈΠ°Π³Π½ΠΎΡΡΠΈΠΊΠΈ. - ΠΡΡ
ΠΎΠ΄ ΠΈΠ· ΡΡΡΠΎΡ ΠΊΠΎΠ½ΡΡΠΎΠ»Π»Π΅ΡΠ° ΡΠΊΠΎΡΠΎΡΡΠΈ. ΠΡΠΈ ΠΏΠΎΠ»ΠΎΠΌΠΊΠ΅ Π΄Π°ΡΡΠΈΠΊΠ° ΡΠΊΠΎΡΠΎΡΡΠΈ ΡΠ»Π΅ΠΊΡΡΠΎΡΡΠΈΠ»ΠΈΡΠ΅Π»Ρ ΡΠ°ΠΌΠΎΠΏΡΠΎΠΈΠ·Π²ΠΎΠ»ΡΠ½ΠΎ ΠΎΡΠΊΠ»ΡΡΠ°Π΅ΡΡΡ ΠΈΠ»ΠΈ Π²ΠΎΠ²ΡΠ΅ Π½Π΅ ΡΠ°Π±ΠΎΡΠ°Π΅Ρ, ΠΏΡΠΈ ΡΡΠΎΠΌ Π½Π° Π΄ΠΈΡΠΏΠ»Π΅Π΅ ΠΊΠΎΠΌΠΏΡΡΡΠ΅ΡΠ° Π²ΡΡΠ²Π΅ΡΠΈΡΡΡ ΠΎΡΠΈΠ±ΠΊΠ° ΠΎ Π½Π΅ΡΠ°Π±ΠΎΡΠΎΡΠΏΠΎΡΠΎΠ±Π½ΠΎΡΡΠΈ. Π Π΄Π°Π½Π½ΠΎΠΌ ΡΠ»ΡΡΠ°Π΅ ΠΌΠΎΠΆΠ½ΠΎ ΠΏΠΎΠΏΡΡΠ°ΡΡΡΡ ΠΏΠ΅ΡΠ΅Π½Π°ΡΡΡΠΎΠΈΡΡ Π΄Π΅Π²Π°ΠΉΡ ΠΈΠ»ΠΈ ΠΏΠΎΠΌΠ΅Π½ΡΡΡ ΠΏΠΎΠ²ΡΠ΅ΠΆΠ΄Π΅Π½Π½ΡΠ΅ ΡΡΠ°ΡΡΠΊΠΈ ΡΠ»Π΅ΠΊΡΡΠΎΡΠ΅ΠΏΠΈ Π² ΠΌΠ΅ΡΡΠ΅ ΡΠΎΠ΅Π΄ΠΈΠ½Π΅Π½ΠΈΡ Π΄Π°ΡΡΠΈΠΊΠ° Ρ Π±Π»ΠΎΠΊΠΎΠΌ ΡΠΏΡΠ°Π²Π»Π΅Π½ΠΈΡ. ΠΠ½ΠΎΠ³Π΄Π° ΠΏΡΠΈΡΠΈΠ½Π° ΠΊΡΠΎΠ΅ΡΡΡ Π² ΠΏΠ»ΠΎΡ
ΠΎΠΌ ΠΊΠΎΠ½ΡΠ°ΠΊΡΠ΅ Π΄Π°ΡΡΠΈΠΊΠ° Ρ Π±ΠΎΡΡΠΎΠ²ΠΎΠΉ ΡΠ΅ΡΡΡ, ΡΠΎΠ³Π΄Π° ΡΠ°Π·ΡΠ΅ΠΌ Π½ΡΠΆΠ½ΠΎ Π±ΡΠ΄Π΅Ρ ΠΏΡΠΎΡΡΠΎ ΠΏΠΎΠΏΡΠ°Π²ΠΈΡΡ.
ΠΡΠ»ΠΈ Π½Π΅ΠΈΡΠΏΡΠ°Π²Π½ΠΎΡΡΡ ΡΠ²ΡΠ·Π°Π½Π° Ρ Π½Π΅ΡΠ°Π±ΠΎΡΠ°ΡΡΠΈΠΌ Π΄Π°ΡΡΠΈΠΊΠΎΠΌ, ΡΠΎ ΡΡΡΡΠΎΠΉΡΡΠ²ΠΎ ΠΏΠΎΠ΄Π»Π΅ΠΆΠΈΡ ΡΠ½ΡΡΠΈΡ ΠΈ Π·Π°ΠΌΠ΅Π½Π΅. - Π ΡΠ»Π΅Π²ΠΎΠ΅ ΠΊΠΎΠ»Π΅ΡΠΎ ΠΏΡΠΎΠ²ΠΎΡΠ°ΡΠΈΠ²Π°Π΅ΡΡΡ Ρ Π±ΠΎΠ»ΡΡΠΈΠΌ ΡΡΡΠ΄ΠΎΠΌ. Π ΠΏΠ΅ΡΠ²ΡΡ ΠΎΡΠ΅ΡΠ΅Π΄Ρ ΠΏΡΠΈΡΠΈΠ½Ρ ΡΠ»Π΅Π΄ΡΠ΅Ρ ΠΈΡΠΊΠ°ΡΡ Π² ΠΎΡΡΡΡΡΡΠ²ΠΈΠΈ ΡΠΌΠ°Π·ΠΊΠΈ. ΠΡΠ»ΠΈ ΠΌΠ°ΡΠ»Π° Π² ΡΠΈΡΡΠ΅ΠΌΠ΅ ΠΌΠ°Π»ΠΎ, ΡΠΎ ΡΡΠ»Ρ Π±ΡΠ΄Π΅Ρ ΡΡΠΆΠ΅Π»ΠΎ ΠΏΠΎΠ²ΠΎΡΠ°ΡΠΈΠ²Π°ΡΡΡΡ, ΠΏΡΠΈ ΡΡΠΎΠΌ Π²ΠΎ Π²ΡΠ΅ΠΌΡ Π²ΡΠ°ΡΠ΅Π½ΠΈΠΉ ΠΌΠΎΠΆΠ΅Ρ ΡΠ»ΡΡΠ°ΡΡΡΡ Π½Π΅Ρ Π°ΡΠ°ΠΊΡΠ΅ΡΠ½ΡΠΉ ΡΡΠΌ ΠΈΠ»ΠΈ ΡΠΊΡΠΈΠΏ. ΠΡΠΎΠ²Π΅ΡΡΡΠ΅ ΡΡΠΎΠ²Π΅Π½Ρ ΡΠΌΠ°Π·ΠΊΠΈ ΠΈ Π΄ΠΎΠ±Π°Π²ΡΡΠ΅ ΠΌΠ°ΡΠ»ΠΎ ΠΏΡΠΈ Π½Π΅ΠΎΠ±Ρ ΠΎΠ΄ΠΈΠΌΠΎΡΡΠΈ.
- ΠΠ»ΠΈΡΠ΅Π»ΡΠ½Π°Ρ ΡΠΊΡΠΏΠ»ΡΠ°ΡΠ°ΡΠΈΡ ΡΠ»Π΅ΠΊΡΡΠΎΡΡΠΈΠ»ΠΈΡΠ΅Π»Ρ Ρ ΠΎΡΡΡΡΡΡΠ²ΠΈΠ΅ΠΌ ΡΠΌΠ°Π·ΠΊΠΈ ΠΌΠΎΠΆΠ΅Ρ ΠΏΡΠΈΠ²Π΅ΡΡΠΈ ΠΊ ΠΏΠΎΠ»ΠΎΠΌΠΊΠ΅ Π½Π°ΡΠΎΡΠ°. ΠΠ΅ΠΈΡΠΏΡΠ°Π²Π½ΠΎΡΡΡ ΡΠΎΠΏΡΠΎΠ²ΠΎΠΆΠ΄Π°Π΅ΡΡΡ Π½Π΅Ρ Π°ΡΠ°ΠΊΡΠ΅ΡΠ½ΡΠΌΠΈ Π΄Π»Ρ ΡΠ°Π±ΠΎΡΡ ΠΠ£Π Π·Π²ΡΠΊΠ°ΠΌΠΈ, Π° ΡΠ°ΠΊΠΆΠ΅ ΡΡΡΠ΄Π½ΡΠΌ Π²ΡΠ°ΡΠ΅Π½ΠΈΠ΅ΠΌ ΡΡΠ»Ρ. ΠΡΠ»ΠΈ Π½Π°ΡΠΎΡ ΠΏΠΎΠ΄Π»Π΅ΠΆΠΈΡ ΡΠ΅ΠΌΠΎΠ½ΡΡ, ΡΠΎ ΠΌΠΎΠΆΠ½ΠΎ ΡΡΠΈΡΠ°ΡΡ, ΡΡΠΎ Π²Π°ΠΌ ΠΏΠΎΠ²Π΅Π·Π»ΠΎ, Π΅ΡΠ»ΠΈ ΠΆΠ΅ Π½Π΅ ΠΏΠΎΠ΄Π»Π΅ΠΆΠΈΡ, ΡΠΎ ΡΡΡΡΠΎΠΉΡΡΠ²ΠΎ ΠΏΡΠΈΠ΄Π΅ΡΡΡ ΠΌΠ΅Π½ΡΡΡ.
- ΠΠ΅ΠΈΡΠΏΡΠ°Π²Π½ΠΎΡΡΡΠΌ Π² ΡΠ°Π±ΠΎΡΠ΅ ΡΠ»Π΅ΠΊΡΡΠΎΡΡΠΈΠ»ΠΈΡΠ΅Π»Ρ ΠΌΠΎΠΆΠ΅Ρ ΡΠΏΠΎΡΠΎΠ±ΡΡΠ²ΠΎΠ²Π°ΡΡ ΠΈ ΡΠ½ΠΈΠΆΠ΅Π½Π½ΠΎΠ΅ Π½Π°ΠΏΡΡΠΆΠ΅Π½ΠΈΠ΅ Π² ΡΠ»Π΅ΠΊΡΡΠΎΡΠ΅ΡΠΈ ΠΌΠ°ΡΠΈΠ½Ρ. ΠΡΠ»ΠΈ Π½Π°ΠΏΡΡΠΆΠ΅Π½ΠΈΠ΅ Π² Π±ΠΎΡΡΠΎΠ²ΠΎΠΉ ΡΠ΅ΡΠΈ Π΄Π΅ΠΉΡΡΠ²ΠΈΡΠ΅Π»ΡΠ½ΠΎ ΡΠΊΠ°ΡΠ΅Ρ, ΡΠΎ ΠΈΠ·Π½Π°ΡΠ°Π»ΡΠ½ΠΎ ΡΠ»Π΅Π΄ΡΠ΅Ρ ΠΏΡΠΎΠΈΠ·Π²Π΅ΡΡΠΈ ΠΏΡΠΎΠ²Π΅ΡΠΊΡ Π³Π΅Π½Π΅ΡΠ°ΡΠΎΡΠ° ΠΈ ΡΠ»Π΅ΠΊΡΡΠΎΡΠ΅ΠΏΠΈ Π΅Π³ΠΎ ΠΏΠΎΠ΄ΠΊΠ»ΡΡΠ΅Π½ΠΈΡ. ΠΠ»Ρ Π΄ΠΈΠ°Π³Π½ΠΎΡΡΠΈΠΊΠΈ ΡΠ΅ΠΊΠΎΠΌΠ΅Π½Π΄ΡΠ΅ΡΡΡ ΠΈΡΠΏΠΎΠ»ΡΠ·ΠΎΠ²Π°ΡΡ ΠΌΡΠ»ΡΡΠΈΠΌΠ΅ΡΡ ΠΈΠ»ΠΈ Π²ΠΎΠ»ΡΡΠΌΠ΅ΡΡ (Π°Π²ΡΠΎΡ Π²ΠΈΠ΄Π΅ΠΎ β ΠΠ»Π΅ΠΊΡΠ°Π½Π΄Ρ ΠΠΎΠ³ΠΈΠ½ΠΎΠ²).

Π‘ΠΏΠΎΡΠΎΠ±Ρ ΠΎΠΏΡΠ΅Π΄Π΅Π»Π΅Π½ΠΈΡ ΠΌΠ΅Ρ Π°Π½ΠΈΡΠ΅ΡΠΊΠΈΡ ΠΏΠΎΠ²ΡΠ΅ΠΆΠ΄Π΅Π½ΠΈΠΉ ΠΠ£Π ΠΈ ΡΡΠ»Π΅Π²ΡΡ ΠΌΠ΅Ρ Π°Π½ΠΈΠ·ΠΌΠΎΠ²
ΠΡΠΎΠ²Π΅ΡΠΊΠ° ΠΌΠ΅Ρ Π°Π½ΠΈΡΠ΅ΡΠΊΠΈΡ ΠΏΠΎΠ²ΡΠ΅ΠΆΠ΄Π΅Π½ΠΈΠΉ ΠΏΡΠΎΠΈΠ·Π²ΠΎΠ΄ΠΈΡΡΡ ΡΠΎΠ»ΡΠΊΠΎ ΡΠΎΠ³Π΄Π°, ΠΊΠΎΠ³Π΄Π° ΠΠ£Π Π² ΡΠ΅Π»ΠΎΠΌ ΡΡΠ½ΠΊΡΠΈΠΎΠ½ΠΈΡΡΠ΅Ρ Π½Π΅ΠΊΠΎΡΡΠ΅ΠΊΡΠ½ΠΎ, Π½ΠΎ Π½Π° Π΄ΠΈΡΠΏΠ»Π΅Π΅ Π±ΠΎΡΡΠΎΠ²ΠΎΠ³ΠΎ ΠΊΠΎΠΌΠΏΡΡΡΠ΅ΡΠ° Π½Π΅Ρ ΠΎΡΠΈΠ±ΠΎΠΊ. ΠΠ»Ρ Π΄ΠΈΠ°Π³Π½ΠΎΡΡΠΈΠΊΠΈ ΠΌΠ΅Ρ Π°Π½ΠΈΡΠ΅ΡΠΊΠΈΡ ΠΏΠΎΠ»ΠΎΠΌΠΎΠΊ ΡΠ»Π΅Π΄ΡΠ΅Ρ ΠΏΠΎΠ²Π΅ΡΠ½ΡΡΡ ΡΡΠ»Ρ Π² ΡΠ°Π·Π½ΡΠ΅ ΡΡΠΎΡΠΎΠ½Ρ Π΄ΠΎ ΡΠΏΠΎΡΠ° ΠΏΡΠΈ Π·Π°ΠΏΡΡΠ΅Π½Π½ΠΎΠΌ ΠΌΠΎΡΠΎΡΠ΅.
Π Π΅ΠΌΠΎΠ½Ρ ΠΠ£Π Π½Π° ΠΠ°Π΄Π° ΠΡΠΈΠΎΡΠ°. Π‘Π½ΡΡΠΈΠ΅, ΡΡΡΠ°Π½ΠΎΠ²ΠΊΠ° ΠΈ ΠΎΡΠ½ΠΎΠ²Π½ΡΠ΅ ΠΏΠΎΠ»ΠΎΠΌΠΊΠΈ
ΠΠ°Π²Π½ΠΎ ΠΏΡΠΎΡΠ»ΠΈ ΡΠ΅ Π²ΡΠ΅ΠΌΠ΅Π½Π°, ΠΊΠΎΠ³Π΄Π° ΡΠΏΡΠ°Π²Π»Π΅Π½ΠΈΠ΅ Π°Π²ΡΠΎΠΌΠΎΠ±ΠΈΠ»Π΅ΠΌ Π½Π°ΠΏΠΎΠΌΠΈΠ½Π°Π»ΠΎ ΠΊΠΎΠΌΠΏΠ»Π΅ΠΊΡ ΡΠΈΠ»ΠΎΠ²ΡΡ
ΡΠΏΡΠ°ΠΆΠ½Π΅Π½ΠΈΠΉ Π΄Π»Ρ ΡΡΠΊ. Π‘Π΅Π³ΠΎΠ΄Π½Ρ Π΄Π»Ρ ΡΠΎΠ³ΠΎ, ΡΡΠΎΠ±Ρ ΠΏΠΎΠ²Π΅ΡΠ½ΡΡΡ ΡΡΠ»Ρ, Π΄ΠΎΡΡΠ°ΡΠΎΡΠ½ΠΎ Π»Π΅Π³ΠΊΠΎΠ³ΠΎ ΠΊΠ°ΡΠ°Π½ΠΈΡ Π»Π°Π΄ΠΎΠ½ΡΡ, ΠΈ Π²ΡΠ΅ Π·Π° ΡΡΠ΅Ρ ΠΈΡΠΏΠΎΠ»ΡΠ·ΠΎΠ²Π°Π½ΠΈΡ ΡΠ»Π΅ΠΊΡΡΠΎΡΡΠΈΠ»ΠΈΡΠ΅Π»Ρ ΡΡΠ»Ρ. ΠΠΎΠ½Π΅ΡΠ½ΠΎ ΠΆΠ΅, ΡΡΠΎ ΡΡΡΡΠΎΠΉΡΡΠ²ΠΎ ΡΡΠ»ΠΎΠΆΠ½ΡΠ΅Ρ ΠΊΠΎΠ½ΡΡΡΡΠΊΡΠΈΡ, Π° ΡΠ΅ΠΌ ΡΠ»ΠΎΠΆΠ½Π΅Π΅ ΡΡΡΡΠΎΠ΅Π½Π° Π»ΡΠ±Π°Ρ, Π½Π΅ ΡΠΎΠ»ΡΠΊΠΎ ΡΠ΅Ρ
Π½ΠΈΡΠ΅ΡΠΊΠ°Ρ ΡΠΈΡΡΠ΅ΠΌΠ°, ΡΠ΅ΠΌ Π² Π±ΠΎΠ»ΡΡΠ΅ΠΉ ΡΡΠ΅ΠΏΠ΅Π½ΠΈ ΠΎΠ½Π° ΠΏΠΎΠ΄Π²Π΅ΡΠΆΠ΅Π½Π° ΡΠ±ΠΎΡΠΌ ΠΈ ΠΏΠΎΠ»ΠΎΠΌΠΊΠ°ΠΌ.
ΠΠ°ΠΆΠ΄Π°Ρ ΠΠ°Π΄Π° ΠΡΠΈΠΎΡΠ° ΠΎΡΠ½Π°ΡΠ°Π΅ΡΡΡ ΡΠ»Π΅ΠΊΡΡΠΎΡΡΠΈΠ»ΠΈΡΠ΅Π»Π΅ΠΌ ΡΡΠ»Ρ (ΠΠ£Π ), ΠΈ ΡΠ΅Π³ΠΎΠ΄Π½Ρ ΠΌΡ ΡΠ°ΡΡΠΊΠ°ΠΆΠ΅ΠΌ, ΠΊΠ°ΠΊ Π΄ΠΈΠ°Π³Π½ΠΎΡΡΠΈΡΠΎΠ²Π°ΡΡ Π²ΠΎΠ·Π½ΠΈΠΊΡΠΈΠ΅ Ρ Π½ΠΈΠΌ ΠΏΡΠΎΠ±Π»Π΅ΠΌΡ ΠΈ ΠΏΡΠΎΠ²Π΅ΡΡΠΈ Π΅Π³ΠΎ Π΄Π΅ΠΌΠΎΠ½ΡΠ°ΠΆ Π±Π΅Π· ΠΎΠ±ΡΠ°ΡΠ΅Π½ΠΈΡ Π² Π°Π²ΡΠΎΡΠ΅ΡΠ²ΠΈΡ.
ΠΠ³Π»Π°Π²Π»Π΅Π½ΠΈΠ΅:
1 ΠΡΠΎΠ±Π»Π΅ΠΌΡ Ρ ΠΠ£Π ΠΠ°Π΄Π° ΠΡΠΈΠΎΡΡ: ΠΏΡΠΈΠ·Π½Π°ΠΊΠΈ ΠΈ ΠΏΡΠΈΡΠΈΠ½Ρ
1.1 ΠΠ£Π ΠΎΡΠΊΠ°Π·Π°Π» ΠΏΠΎΠ»Π½ΠΎΡΡΡΡ
1.2 ΠΠ΅ΡΡΠ°Π±ΠΈΠ»ΡΠ½Π°Ρ ΡΠ°Π±ΠΎΡΠ° ΡΡΠ»Ρ
1.3 Π‘ΡΡΠΊ Π² ΡΡΠ»Π΅
2 Π‘Π½ΡΡΠΈΠ΅ ΠΈ ΡΡΡΠ°Π½ΠΎΠ²ΠΊΠ° ΠΠ£Π
2.1 ΠΠ°ΠΊ ΡΠ½ΡΡΡ ΡΡΠ»Ρ?
2.2 ΠΡΡΡΠΊΠ° ΠΌΠΎΠ½ΡΠ°ΠΆΠ½ΠΎΠ³ΠΎ Π±Π»ΠΎΠΊΠ° ΠΈ ΠΏΠΎΠ΄ΡΡΠ»Π΅Π²ΡΠ΅ ΠΏΠ΅ΡΠ΅ΠΊΠ»ΡΡΠ°ΡΠ΅Π»ΠΈ
3 ΠΠ΅Ρ Π°Π½ΠΈΡΠ΅ΡΠΊΠΈΠ΅ ΠΏΠΎΠ»ΠΎΠΌΠΊΠΈ ΠΠ£Π
4 ΠΠ°ΠΊ ΡΠΎΡ ΡΠ°Π½ΠΈΡΡ ΠΏΠΎΠ΄ΠΎΠ»ΡΡΠ΅ ΠΠ£Π Π² ΡΠ°Π±ΠΎΡΠ΅ΠΌ ΡΠΎΡΡΠΎΡΠ½ΠΈΠΈ?
ΠΡΠΎΠ±Π»Π΅ΠΌΡ Ρ ΠΠ£Π ΠΠ°Π΄Π° ΠΡΠΈΠΎΡΡ: ΠΏΡΠΈΠ·Π½Π°ΠΊΠΈ ΠΈ ΠΏΡΠΈΡΠΈΠ½Ρ
ΠΡΠ΅Π΄ΡΠ΄ΡΡΠΈΠ΅ ΠΠΠΠΎΠ²ΡΠΊΠΈΠ΅ ΠΌΠΎΠ΄Π΅Π»ΠΈ ΡΠ½Π°Π±ΠΆΠ°Π»ΠΈΡΡ Π³ΠΈΠ΄ΡΠΎΡΡΠΈΠ»ΠΈΡΠ΅Π»Π΅ΠΌ ΡΡΠ»Ρ, ΠΊΠΎΡΠΎΡΡΠΉ ΠΌΠ΅Π½Π΅Π΅ Π½Π°Π΄Π΅ΠΆΠ΅Π½, ΡΠ΅ΠΌ ΠΠ£Π . Π’Π΅ΠΌ Π½Π΅ ΠΌΠ΅Π½Π΅Π΅, ΡΠ»Π΅ΠΊΡΡΠΈΡΠ΅ΡΠΊΠΈΠΉ Π°Π½Π°Π»ΠΎΠ³ ΡΡΠΎΠ³ΠΎ ΡΡΡΡΠΎΠΉΡΡΠ²Π° ΡΠ°ΠΊΠΆΠ΅ ΠΏΠΎΠ΄Π²Π΅ΡΠΆΠ΅Π½ Π²ΠΎΠ·Π½ΠΈΠΊΠ½ΠΎΠ²Π΅Π½ΠΈΡ Π½Π΅ΠΈΡΠΏΡΠ°Π²Π½ΠΎΡΡΠ΅ΠΉ, ΠΊΠΎΡΠΎΡΡΠ΅ Π½ΡΠΆΠ½ΠΎ ΡΠ²ΠΎΠ΅Π²ΡΠ΅ΠΌΠ΅Π½Π½ΠΎ Π²ΡΡΠ²Π»ΡΡΡ, ΠΈΠ½Π°ΡΠ΅ Π±Π΅Π·ΠΎΠΏΠ°ΡΠ½ΠΎΡΡΡ Π²ΠΎΠΆΠ΄Π΅Π½ΠΈΡ Π±ΡΠ΄Π΅Ρ ΠΏΠΎΠ΄ ΡΠ³ΡΠΎΠ·ΠΎΠΉ, Π½Π΅ Π³ΠΎΠ²ΠΎΡΡ ΡΠΆΠ΅ ΠΎ ΠΊΠΎΠΌΡΠΎΡΡΠ΅.
ΠΠΎ Π²ΡΠ΅Ρ
ΡΠ»ΡΡΠ°ΡΡ
, Π½Π°ΡΠΈΠ½Π°Ρ Π΄Π²ΠΈΠΆΠ΅Π½ΠΈΠ΅, ΠΎΠ±ΡΠ°ΡΠ°Π΅ΠΌ Π²Π½ΠΈΠΌΠ°Π½ΠΈΠ΅ Π½Π° Π·Π½Π°ΡΠΎΠΊ Π² Π²ΠΈΠ΄Π΅ ΡΡΠ»Ρ Ρ Π²ΠΎΡΠΊΠ»ΠΈΡΠ°ΡΠ΅Π»ΡΠ½ΡΠΌ Π·Π½Π°ΠΊΠΎΠΌ, ΠΊΠΎΡΠΎΡΡΠΉ Π²ΡΡΠΊΠΈΠΉ ΡΠ°Π· Π²ΡΠΏΡΡ
ΠΈΠ²Π°Π΅Ρ Π½Π° ΠΏΡΠΈΠ±ΠΎΡΠ½ΠΎΠΉ Π΄ΠΎΡΠΊΠ΅, ΠΊΠ°ΠΊ ΡΠΎΠ»ΡΠΊΠΎ ΠΌΡ ΠΏΠΎΠ²ΠΎΡΠ°ΡΠΈΠ²Π°Π΅ΠΌ ΠΊΠ»ΡΡ Π·Π°ΠΆΠΈΠ³Π°Π½ΠΈΡ. ΠΡΠ»ΠΈ Π·Π½Π°ΡΠΎΠΊ Π½Π΅ Π³Π°ΡΠ½Π΅Ρ, ΡΠΎ ΡΡΠΎ Π²Π΅ΡΠ½ΡΠΉ ΠΏΡΠΈΠ·Π½Π°ΠΊ Π½Π΅ΠΏΠΎΠ»Π°Π΄ΠΊΠΈ Ρ ΡΡΠΈΠ»ΠΈΡΠ΅Π»Π΅ΠΌ.
ΠΠ£Π ΠΎΡΠΊΠ°Π·Π°Π» ΠΏΠΎΠ»Π½ΠΎΡΡΡΡ Π½Π° ΠΡΠΈΠΎΡΠ΅
ΠΠΎΡΡΠΎΠ²ΠΎΠΉ ΠΊΠΎΠΌΠΏΡΡΡΠ΅Ρ ΠΏΡΠΈ ΠΎΡΠΊΠ°Π·Π΅ ΠΠ£Π Π΄ΠΎΠ»ΠΆΠ΅Π½ (ΠΊΠ°ΠΊ Π½Π°ΠΌ Ρ
ΠΎΡΠ΅Π»ΠΎΡΡ Π±Ρ) Π²ΡΡΠ²Π΅ΡΠΈΡΡ ΠΊΠΎΠ΄ Π½Π΅ΠΈΡΠΏΡΠ°Π²Π½ΠΎΡΡΠΈ ΡΡΡΡΠΎΠΉΡΡΠ²Π°, ΠΊΠΎΡΠΎΡΠ°Ρ ΠΏΡΠΈΠ²Π΅Π»Π° ΠΊ Π΅Π³ΠΎ ΠΎΡΠΊΠ»ΡΡΠ΅Π½ΠΈΡ (ΠΊΠΎΠ΄Ρ ΠΎΡΠΈΠ±ΠΎΠΊ, ΡΠ²ΡΠ·Π°Π½Π½ΡΡ
Ρ ΠΠ£Π , Π½Π°ΡΠΈΠ½Π°ΡΡΡΡ Ρ Π»ΠΈΡΠ΅ΡΡ Β«Π‘Β»).
Π‘Π»ΡΡΠ°Π΅ΡΡΡ, ΡΡΠΎ ΠΎΡΠΊΠ°Π· ΠΠ£Π ΠΈ ΡΠΏΠΈΠ΄ΠΎΠΌΠ΅ΡΡΠ° ΠΏΡΠΎΠΈΡΡ ΠΎΠ΄ΡΡ ΠΎΠ΄Π½ΠΎΠ²ΡΠ΅ΠΌΠ΅Π½Π½ΠΎ. ΠΡΡΠ΅Π΄ΡΠΈΠΉ ΠΈΠ· ΡΡΡΠΎΡ Π΄Π°ΡΡΠΈΠΊ ΡΠΊΠΎΡΠΎΡΡΠΈ Π½Π΅ Π΄Π°Π΅Ρ ΡΠΈΠ³Π½Π°Π»Π° ΡΠΈΡΡΠ΅ΠΌΠ΅, ΠΊΠΎΡΠΎΡΠ°Ρ ΡΠΏΡΠ°Π²Π»ΡΠ΅Ρ ΡΡΠΈΠ»ΠΈΡΠ΅Π»Π΅ΠΌ ΡΡΠ»Ρ ΠΈΡΡ ΠΎΠ΄Ρ ΠΈΠ· ΠΏΠΎΠΊΠ°Π·Π°ΡΠ΅Π»Π΅ΠΉ ΡΠΊΠΎΡΠΎΡΡΠΈ. ΠΡΠΈ ΡΡΠΎΠΌ ΠΏΡΠΎΠ±Π»Π΅ΠΌΠ° ΠΌΠΎΠΆΠ΅Ρ ΠΊΡΡΡΡΡΡ Π² ΠΏΠΎΠ²ΡΠ΅ΠΆΠ΄Π΅Π½ΠΈΠΈ ΠΏΡΠΎΠ²ΠΎΠ΄ΠΊΠΈ, ΡΠΎΠ΅Π΄ΠΈΠ½ΡΡΡΠ΅ΠΉ ΡΠΏΠΈΠ΄ΠΎΠΌΠ΅ΡΡ, Π΄Π°ΡΡΠΈΠΊ ΡΠΊΠΎΡΠΎΡΡΠΈ ΠΈ ΠΠ£Π . ΠΡΠ»ΠΈ Ρ Π½Π΅ΠΉ Π²ΡΠ΅ Π² ΠΏΠΎΡΡΠ΄ΠΊΠ΅, ΡΠΎ ΡΠ»Π΅Π΄ΡΠ΅Ρ Π·Π°ΠΌΠ΅Π½ΠΈΡΡ Π΄Π°ΡΡΠΈΠΊ ΡΠΊΠΎΡΠΎΡΡΠΈ.
Π Π΄ΡΡΠ³ΠΈΡ ΡΠ»ΡΡΠ°ΡΡ ΠΏΡΠΈΡΠΈΠ½ΠΎΠΉ ΠΎΡΠΊΠ»ΡΡΠ΅Π½ΠΈΡ ΠΠ£Π ΡΡΠ°Π½ΠΎΠ²ΡΡΡΡ ΡΠ°ΠΊΠΈΠ΅ ΡΠ°ΠΊΡΠΎΡΡ, Π²Π»Π΅ΠΊΡΡΠΈΠ΅ ΠΏΠ°Π΄Π΅Π½ΠΈΠ΅ Π½Π°ΠΏΡΡΠΆΠ΅Π½ΠΈΡ Π² ΡΠ»Π΅ΠΊΡΡΠΎΡΠΈΡΡΠ΅ΠΌΠ°Ρ Π°Π²ΡΠΎΠΌΠΎΠ±ΠΈΠ»Ρ:
- Π·Π°Π³ΡΡΠ·Π½Π΅Π½Π½ΡΠ΅ ΠΈΠ»ΠΈ ΠΏΡΠΈΠ³ΠΎΡΠ΅Π²ΡΠΈΠ΅ ΠΊΠΎΠ½ΡΠ°ΠΊΡΡ, Π½Π°Π³Π°Ρ ΠΈΠ»ΠΈ ΠΎΠΊΠ°Π»ΠΈΠ½Π°, ΠΏΡΠ΅ΠΏΡΡΡΡΠ²ΡΡΡΠΈΠ΅ ΠΏΠΎΠ»Π½ΠΎΡΠ΅Π½Π½ΠΎΠΉ ΡΠ»Π΅ΠΊΡΡΠΎΠΏΡΠΎΠ²ΠΎΠ΄Π½ΠΎΡΡΠΈ;
- ΠΏΠΎΠ²ΡΠ΅ΠΆΠ΄Π΅Π½ΠΈΡ ΠΈΠ·ΠΎΠ»ΡΡΠΈΠΈ ΠΏΡΠΎΠ²ΠΎΠ΄ΠΊΠΈ;
- ΡΠ±ΠΎΠΉ Π² Π½Π°ΡΡΠΎΠΉΠΊΠ°Ρ Π±Π»ΠΎΠΊΠ° ΠΏΠΈΡΠ°Π½ΠΈΡ;
- ΡΠ»Π°Π±ΡΠΉ Π·Π°ΡΡΠ΄ Π°ΠΊΠΊΡΠΌΡΠ»ΡΡΠΎΡΠ°.
ΠΡΠ»ΠΈ ΡΡΠΈΠ»ΠΈΡΠ΅Π»Ρ Π½Π΅ Ρ Π²Π°ΡΠ°Π΅Ρ Π½Π°ΠΏΡΡΠΆΠ΅Π½ΠΈΡ, ΡΠΎ ΠΊΠΎΠΌΠΏΡΡΡΠ΅ΡΠ½Π°Ρ Π΄ΠΈΠ°Π³Π½ΠΎΡΡΠΈΠΊΠ° ΠΏΠΎΠΊΠ°ΠΆΠ΅Ρ ΠΎΡΠΈΠ±ΠΊΡ Π‘1013. ΠΠ»Ρ ΠΏΠΎΠ»Π½ΠΎΡΠ΅Π½Π½ΠΎΠΉ ΡΠ°Π±ΠΎΡΡ ΡΡΠ»Π΅Π²ΠΎΠ³ΠΎ ΡΡΠΈΠ»ΠΈΡΠ΅Π»Ρ ΠΡΠΈΠΎΡΡ Π΅ΠΌΡ ΡΡΠ΅Π±ΡΠ΅ΡΡΡ ΠΌΠΈΠ½ΠΈΠΌΡΠΌ 13,5 Π Π½Π°ΠΏΡΡΠΆΠ΅Π½ΠΈΡ. ΠΠΎΡΡΠΎΠΌΡ ΠΏΠ΅ΡΠ²ΠΈΡΠ½ΡΡ Π΄ΠΈΠ°Π³Π½ΠΎΡΡΠΈΠΊΡ ΠΏΡΠΎΠ±Π»Π΅ΠΌ Ρ Π½Π°ΠΏΡΡΠΆΠ΅Π½ΠΈΠ΅ΠΌ ΡΠ»Π΅Π΄ΡΠ΅Ρ ΠΏΠΎΠ²Π΅ΡΡΠΈ ΡΠ°ΠΊΠΈΠΌ ΠΎΠ±ΡΠ°Π·ΠΎΠΌ:
- Π·Π°ΠΌΠ΅ΡΡΡΡ Π½Π°ΠΏΡΡΠΆΠ΅Π½ΠΈΠ΅ Π½Π° Π°ΠΊΠΊΡΠΌΡΠ»ΡΡΠΎΡΠ΅. ΠΠΎΠ·ΠΌΠΎΠΆΠ½ΠΎ, Π΅Π³ΠΎ Π½ΡΠΆΠ½ΠΎ ΠΏΡΠΎΡΡΠΎ Π·Π°ΡΡΠ΄ΠΈΡΡ;
- Π΅ΡΠ»ΠΈ Ρ ΠΠΠ Π²ΡΠ΅ Π² ΠΏΠΎΡΡΠ΄ΠΊΠ΅, ΡΠΎ ΠΏΡΠΎΠ²Π΅ΡΡΠ΅ΡΡΡ ΠΈΠ·ΠΎΠ»ΡΡΠΈΡ ΠΏΡΠΎΠ²ΠΎΠ΄ΠΊΠΈ ΠΈ ΠΊΠΎΠ½ΡΠ°ΠΊΡΠΎΠ² Π½Π° ΠΏΡΠ΅Π΄ΠΌΠ΅Ρ ΠΊΠΎΡΠΎΡΠΊΠΎΠ³ΠΎ Π·Π°ΠΌΡΠΊΠ°Π½ΠΈΡ.
ΠΠΈΠ°Π³Π½ΠΎΡΡΠΈΡΠΎΠ²Π°ΡΡ ΠΏΠΎΠ²ΡΠ΅ΠΆΠ΄Π΅Π½ΠΈΠ΅ ΠΏΡΠΎΠ²ΠΎΠ΄ΠΎΠ² ΠΈ ΠΊΠΎΠ½ΡΠ°ΠΊΡΠΎΠ² ΠΌΠΎΠΆΠ΅Ρ Π°Π²ΡΠΎΡΠ»Π΅ΠΊΡΡΠΈΠΊ.
ΠΠ΅ΡΡΠ°Π±ΠΈΠ»ΡΠ½Π°Ρ ΡΠ°Π±ΠΎΡΠ° ΡΡΠ»Ρ
Π‘Π»ΡΡΠ°Π΅ΡΡΡ, ΡΡΠΎ Π²ΠΎ Π²ΡΠ΅ΠΌΡ Π΅Π·Π΄Ρ ΠΏΠΎ ΡΠΎΠ²Π½ΠΎΠΉ Π΄ΠΎΡΠΎΠ³Π΅ ΡΡΠ»Ρ Π½ΠΈ Ρ ΡΠΎΠ³ΠΎ Π½ΠΈ ΡΠ΅Π³ΠΎ Π·Π°Π²Π°Π»ΠΈΠ²Π°Π΅ΡΡΡ Π² ΡΡΠΎΡΠΎΠ½Ρ.
Π ΡΠ°ΠΊΠΎΠΉ Π²Π°ΡΠΈΠ°Π½Ρ Π½Π°ΠΌΠ½ΠΎΠ³ΠΎ ΠΎΠΏΠ°ΡΠ½Π΅Π΅, ΡΠ΅ΠΌ ΠΏΠΎΠ»Π½ΡΠΉ ΠΎΡΠΊΠ°Π· ΠΠ£Π . Π ΠΏΠΎΡΠ»Π΅Π΄Π½Π΅ΠΌ ΡΠ»ΡΡΠ°Π΅ ΠΌΠ°ΡΠΈΠ½Π° ΡΠ»ΡΡΠ°Π΅ΡΡΡ, ΠΈ ΠΌΠΎΠΆΠ½ΠΎ ΠΏΠΎ ΠΊΡΠ°ΠΉΠ½Π΅ΠΉ ΠΌΠ΅ΡΠ΅ Π΄ΠΎΠ±ΡΠ°ΡΡΡΡ Π΄ΠΎ Π‘Π’Π, Π² ΡΠΎ Π²ΡΠ΅ΠΌΡ ΠΊΠ°ΠΊ ΠΏΡΠΈ Π½Π΅ΠΏΡΠ΅Π΄ΡΠΊΠ°Π·ΡΠ΅ΠΌΠΎΠΉ ΡΠ°Π±ΠΎΡΠ΅ ΡΡΠΈΠ»ΠΈΡΠ΅Π»Ρ Π² Π»ΡΠ±ΠΎΠΉ ΠΌΠΎΠΌΠ΅Π½Ρ ΠΌΠΎΠΆΠ½ΠΎ Π²ΡΠ»Π΅ΡΠ΅ΡΡ Ρ ΡΡΠ°ΡΡΡ ΠΈΠ»ΠΈ Π²ΡΠ΅Ρ
Π°ΡΡ Π½Π° Π²ΡΡΡΠ΅ΡΠΊΡ.
Π ΡΠ°ΠΊΠΈΡ
ΡΠ»ΡΡΠ°ΡΡ
ΡΡΠ΅Π±ΡΠ΅ΡΡΡ ΠΏΠΎΠ»Π½ΠΎΡΡΡΡ ΠΎΡΠΊΠ»ΡΡΠΈΡΡ ΡΡΠΈΠ»ΠΈΡΠ΅Π»Ρ, Π²ΡΡΠ°ΡΠΈΠ² ΡΠΎΠΎΡΠ²Π΅ΡΡΡΠ²ΡΡΡΠΈΠΉ ΠΏΡΠ΅Π΄ΠΎΡ
ΡΠ°Π½ΠΈΡΠ΅Π»Ρ (F5) ΠΈΠ· ΠΌΠΎΠ½ΡΠ°ΠΆΠ½ΠΎΠ³ΠΎ Π±Π»ΠΎΠΊΠ° ΡΠ°Π»ΠΎΠ½Π°. ΠΠ°ΠΊ Π΄ΠΎ Π½Π΅Π³ΠΎ Π΄ΠΎΠ±ΡΠ°ΡΡΡΡ, ΡΡΠΎΠΈΡ ΠΏΠΎΡΠΈΡΠ°ΡΡ Π² ΠΎΡΠ΄Π΅Π»ΡΠ½ΠΎΠΉ ΡΡΠ°ΡΡΠ΅. Π‘ΡΠ°Π·Ρ ΡΠΊΠ°ΠΆΠ΅ΠΌ, ΡΡΠΎ ΠΏΡΠΎΠ±Π»Π΅ΠΌΠ° ΠΌΠΎΠΆΠ΅Ρ ΠΊΡΡΡΡΡΡ Π΄Π°Π»Π΅ΠΊΠΎ ΠΈ Π½Π΅ ΡΠΎΠ»ΡΠΊΠΎ ΠΏΡΠ΅Π΄ΠΎΡ
ΡΠ°Π½ΠΈΡΠ΅Π»Π΅, ΠΈ ΡΡΠΎΠ±Ρ ΠΏΠΎΠ½ΡΡΡ, ΡΡΠΎ Π½Π° ΡΠ°ΠΌΠΎΠΌ Π΄Π΅Π»Π΅ ΡΠ²Π»ΡΠ΅ΡΡΡ ΠΏΡΠΈΡΠΈΠ½ΠΎΠΉ ΡΠ°ΠΊΠΎΠΉ ΡΠ°Π±ΠΎΡΡ ΠΠ£Π , Π΄ΠΈΠ°Π³Π½ΠΎΡΡΠΈΠΊΡ ΠΏΡΠΈΠ΄Π΅ΡΡΡ Π²ΡΠΏΠΎΠ»Π½ΠΈΡΡ ΡΠΎΠ»ΡΠΊΠΎ Π½Π° Π‘Π’Π, Ρ.ΠΊ. ΡΠ°ΠΌΠΎΡΡΠΎΡΡΠ΅Π»ΡΠ½ΠΎ ΡΡΠΎ ΡΠ΄Π΅Π»Π°ΡΡ ΠΎΡΠ΅Π½Ρ Π½Π΅ΠΏΡΠΎΡΡΠΎ.
Π‘ΡΡΠΊ Π² ΡΡΠ»Π΅ Π½Π° ΠΏΡΠΈΠΎΡΠ΅
Π§Π°ΡΠ΅ Π²ΡΠ΅Π³ΠΎ ΡΡΡΠΊ ΠΏΠΎΡΠ²Π»ΡΠ΅ΡΡΡ ΠΈΠ·-Π·Π° ΠΏΠΎΠ²ΡΠ΅ΠΆΠ΄Π΅Π½ΠΈΠΉ ΠΌΠ΅Ρ
Π°Π½ΠΈΡΠ΅ΡΠΊΠΎΠΉ ΡΠ°ΡΡΠΈ ΡΡΠ»Π΅Π²ΠΎΠΉ ΡΠΈΡΡΠ΅ΠΌΡ (Π²Π°Π»Π°, ΡΡΠ»Π΅Π²ΡΡ
ΡΠ΅Π΅ΠΊ ΠΈ ΡΡΠ³, ΡΠ°ΡΠΎΠ²ΡΡ
ΠΎΠΏΠΎΡ ΠΈ Ρ.Π΄.). Π Π²ΠΎΡ Π½Π° Π°Π²ΡΠΎΠΌΠΎΠ±ΠΈΠ»ΡΡ
ΠΠ°Π΄Π° ΠΠ°Π»ΠΈΠ½Π° ΠΈ ΠΡΠ°Π½ΡΠ° ΡΡΡΠΊ ΠΌΠΎΠΆΠ΅Ρ Π±ΡΡΡ ΡΠ²ΡΠ·Π°Π½ Ρ Π»ΡΡΡΠΎΠΌ ΡΠ΅Π΄ΡΠΊΡΠΎΡΠ½ΠΎΠ³ΠΎ ΠΠ£Π , ΠΏΡΠΈΡΠ΅ΠΌ ΠΏΡΠΎΠΈΠ·Π²Π΅Π΄Π΅Π½Π½ΠΎΠ³ΠΎ Π² ΠΠ°Ρ
Π°ΡΠΊΠ°Π»Π΅. ΠΠ΄Π½Π°ΠΊΠΎ, Π΅ΡΠ»ΠΈ ΡΡΡΠΊ ΡΡΠ²ΡΡΠ²ΡΠ΅ΡΡΡ ΠΈ ΡΠ»ΡΡΠΈΡΡΡ Π½Π° ΠΡΠΈΠΎΡΠ΅, ΡΠΎ ΠΏΡΠΈΡΠΈΠ½Ρ Π² Π΅Π΅ ΡΡΠ»Π΅Π²ΠΎΠΌ ΡΡΠΈΠ»ΠΈΡΠ΅Π»Π΅ Π½ΡΠΆΠ½ΠΎ ΠΈΡΠΊΠ°ΡΡ Π² ΠΏΠΎΡΠ»Π΅Π΄Π½ΡΡ ΠΎΡΠ΅ΡΠ΅Π΄Ρ, ΠΏΠΎΡΠΊΠΎΠ»ΡΠΊΡ Π°Π²ΡΠΎΠΌΠΎΠ±ΠΈΠ»ΠΈ ΠΠΠ 2170 ΡΠ΅Π΄ΡΠΊΡΠΎΡΠ½ΡΠΌΠΈ, ΠΈ ΡΠ΅ΠΌ Π±ΠΎΠ»Π΅Π΅ ΠΌΠ°Ρ
Π°ΡΠΊΠ°Π»ΠΈΠ½ΡΠΊΠΈΠΌΠΈ ΠΠ£Π Π½Π΅ ΠΊΠΎΠΌΠΏΠ»Π΅ΠΊΡΡΡΡΡΡ.
Π Π·Π½Π°ΡΠΈΡ, ΠΎΠ±ΡΠ°ΡΠΈΡΡ Π²Π½ΠΈΠΌΠ°Π½ΠΈΠ΅ Π½Π°Π΄ΠΎ Π½Π° ΠΌΠ΅Ρ
Π°Π½ΠΈΡΠ΅ΡΠΊΡΡ ΡΠ°ΡΡΡ ΠΠ£Π β Π²Π°Π», ΡΠΎΠ΅Π΄ΠΈΠ½ΠΈΡΠ΅Π»ΡΠ½ΡΠ΅ ΡΠ»Π΅ΠΌΠ΅Π½ΡΡ, Π°ΡΠΌΠ°ΡΡΡΡ ΠΈ Π΄ΡΡΠ³ΠΈΠ΅ Π΄Π΅ΡΠ°Π»ΠΈ, Π½ΠΎ ΡΠΆΠ΅ ΠΏΠΎΡΠ»Π΅ ΠΏΡΠΎΠ²Π΅ΡΠΊΠΈ ΠΎΡΡΠ°Π»ΡΠ½ΡΡ
ΡΠΈΡΡΠ΅ΠΌ.
Π ΡΠ»ΡΡΠ°Π΅ ΠΆΠ΅ ΠΌΠ΅Ρ
Π°Π½ΠΈΡΠ΅ΡΠΊΠΈΡ
ΠΏΠΎΠ²ΡΠ΅ΠΆΠ΄Π΅Π½ΠΈΠΉ ΠΠ£Π , Π±ΠΎΡΡΠΎΠ²ΠΎΠΉ ΠΊΠΎΠΌΠΏΡΡΡΠ΅Ρ ΠΌΠΎΠΆΠ΅Ρ Π²ΠΎΠΎΠ±ΡΠ΅ Π½Π΅ ΠΏΠΎΠΊΠ°Π·ΡΠ²Π°ΡΡ ΠΎΡΠΈΠ±ΠΎΠΊ, ΠΈΠ·-Π·Π° ΡΠ΅Π³ΠΎ ΠΏΡΠΈΡ
ΠΎΠ΄ΠΈΡΡΡ ΠΏΡΠΎΠΈΠ·Π²ΠΎΠ΄ΠΈΡΡ Π΄Π΅ΠΌΠΎΠ½ΡΠ°ΠΆ ΠΈ Π΄Π°ΠΆΠ΅ ΡΠ°Π·Π±ΠΎΡΠΊΡ ΡΡΠΈΠ»ΠΈΡΠ΅Π»Ρ.
Π‘Π½ΡΡΠΈΠ΅ ΠΈ ΡΡΡΠ°Π½ΠΎΠ²ΠΊΠ° ΠΠ£Π
Π§ΡΠΎΠ±Ρ ΠΎΡΠ΅Π½ΠΈΡΡ ΡΠΎΡΡΠΎΡΠ½ΠΈΠ΅ ΠΌΠ΅Ρ
Π°Π½ΠΈΡΠ΅ΡΠΊΠΎΠΉ ΡΠ°ΡΡΠΈ ΠΠ£Π ΠΈΠ»ΠΈ Π΅Π³ΠΎ ΠΊΠΎΠ½ΡΠ°ΠΊΡΠΎΠ², ΡΡΠ΅Π±ΡΠ΅ΡΡΡ ΠΏΠΎΠ»Π½ΠΎΡΡΡΡ ΠΈΠ·Π²Π»Π΅ΡΡ Π΅Π³ΠΎ Π½Π°ΡΡΠΆΡ. ΠΡΠΈ ΡΡΠΎΠΌ ΡΠΎΠ±ΡΡΠ²Π΅Π½Π½ΠΎ ΡΡΠΈΠ»ΠΈΡΠ΅Π»Ρ Π²ΡΡΠ°ΡΠΈΡΡ Π½Π΅ΡΡΡΠ΄Π½ΠΎ, ΡΡΡΠ΄Π½ΠΎ ΠΏΠΎΠ»ΡΡΠΈΡΡ ΠΊ Π½Π΅ΠΌΡ Π΄ΠΎΡΡΡΠΏ. ΠΠ»Ρ ΡΡΠΎΠ³ΠΎ ΠΏΡΠΈΠ΄Π΅ΡΡΡ Π΄Π΅ΠΌΠΎΠ½ΡΠΈΡΠΎΠ²Π°ΡΡ ΡΡΠ»Ρ, ΡΡΠ»Π΅Π²ΠΎΠΉ ΠΊΠΎΠΆΡΡ
ΠΈ Π·Π°ΠΌΠΎΠΊ Π·Π°ΠΆΠΈΠ³Π°Π½ΠΈΡ, ΠΊΡΡΡΠΊΡ ΠΌΠΎΠ½ΡΠ°ΠΆΠ½ΠΎΠ³ΠΎ Π±Π»ΠΎΠΊΠ° ΠΈ ΡΠ΅Π»ΡΠΉ ΡΡΠ΄ ΠΏΡΠΎΡΠΈΡ
ΡΠ·Π»ΠΎΠ², ΠΈΠ½ΡΠ΅ΡΡΠ΅ΠΉΡ ΠΊΠΎΡΠΎΡΡΡ
Π²ΡΠ²Π΅Π΄Π΅Π½ Π½Π° ΡΡΠ»Ρ.
ΠΠ±ΠΎ Π²ΡΠ΅ΠΌ ΡΡΠΎΡ ΠΏΠΎ ΠΏΠΎΡΡΠ΄ΠΊΡ.
ΠΠ°ΠΊ ΡΠ½ΡΡΡ ΡΡΠ»Ρ Π½Π° ΠΠ°Π΄Π° ΠΡΠΈΠΎΡΠ°?
ΠΠ»Ρ ΡΠΎΠ³ΠΎ, ΡΡΠΎΠ±Ρ ΡΠ½ΡΡΡ ΡΡΠ»Ρ, Π½ΡΠΆΠ½ΠΎ ΠΏΡΠΈΠ³ΠΎΡΠΎΠ²ΠΈΡΡ:
- ΡΠΎΡΡΠΎΠ²ΡΠΉ ΠΊΠ»ΡΡ Π½Π° 24 ΠΌΠΌ.;
- 5-ΠΌΠΌ. ΡΠ΅ΡΡΠΈΠ³ΡΠ°Π½Π½ΡΠΉ ΠΊΠ»ΡΡ;
- ΠΏΠ»ΠΎΡΠΊΡΡ ΠΈ ΠΊΡΠ΅ΡΡΠΎΠ²ΡΡ ΠΎΡΠ²Π΅ΡΡΠΊΠΈ;
- ΠΌΠΎΠ»ΠΎΡΠΎΠΊ;
- Π·ΡΠ±ΠΈΠ»ΠΎ.
ΠΡΠΎΠΌΠ΅ ΡΠΎΠ³ΠΎ, Π½ΡΠΆΠ½ΠΎ ΠΎΠ±Π΅ΡΡΠΎΡΠΈΡΡ Π°Π²ΡΠΎΠΌΠΎΠ±ΠΈΠ»Ρ, ΠΎΡΠΊΠ»ΡΡΠΈΠ² Π°ΠΊΠΊΡΠΌΡΠ»ΡΡΠΎΡ.
ΠΠΎΠΎΠ±ΡΠ΅ ΡΡΠΎΡ ΠΏΡΠ½ΠΊΡ ΡΠ²Π»ΡΠ΅ΡΡΡ ΠΎΠ±ΡΠ·Π°ΡΠ΅Π»ΡΠ½ΡΠΌ ΠΏΡΠΈ Π²ΡΠΏΠΎΠ»Π½Π΅Π½ΠΈΠΈ Π»ΡΠ±ΡΡ
ΡΠ΅ΠΌΠΎΠ½ΡΠ½ΡΡ
ΡΠ°Π±ΠΎΡ. ΠΠ°Π»ΡΠ½Π΅ΠΉΡΠΈΠΉ Π°Π»Π³ΠΎΡΠΈΡΠΌ ΠΏΡΠ΅Π΄ΡΡΠ°Π²Π»ΡΠ΅Ρ ΡΠΎΠ±ΠΎΠΉ ΡΠ°ΠΊΡΡ ΠΏΠΎΡΠ»Π΅Π΄ΠΎΠ²Π°ΡΠ΅Π»ΡΠ½ΠΎΡΡΡ Π΄Π΅ΠΉΡΡΠ²ΠΈΠΉ:
- ΡΡΠ»Ρ Π²ΡΡΡΠ°Π²Π»ΡΠ΅ΡΡΡ ΠΏΡΡΠΌΠΎ;
- ΠΊΡΠ΅ΡΡΠΎΠ²ΠΎΠΉ ΠΎΡΠ²Π΅ΡΡΠΊΠΎΠΉ Π²ΡΠΊΡΡΡΠΈΠ²Π°Π΅ΠΌ 7 ΡΡΡΡΠΏΠΎΠ², ΡΠ΄Π΅ΡΠΆΠΈΠ²Π°ΡΡΠΈΡ ΠΊΠΎΠΆΡΡ ΡΡΠ»Ρ;
- Π½Π°Ρ ΠΎΠ΄ΠΈΠΌ Π·Π°ΠΌΠΎΠΊ Π·Π°ΠΆΠΈΠ³Π°Π½ΠΈΡ ΠΈ ΠΈΡΠ΅ΠΌ Π΅Π³ΠΎ ΠΏΡΠΎΠ²ΠΎΠ΄Π°, Π³Π΄Π΅ ΠΎΠ½ ΡΠΎΠ΅Π΄ΠΈΠ½ΡΠ΅ΡΡΡ Ρ Π΄ΡΡΠ³ΠΈΠΌΠΈ. Π Π°ΡΡΠΎΠ΅Π΄ΠΈΠ½ΡΠ΅ΠΌ ΠΈΡ ;
- ΡΠ΅ΠΏΠ΅ΡΡ ΠΏΡΠ΅Π΄ΡΡΠΎΠΈΡ ΡΠ½ΡΡΡ Π·Π°ΠΌΠΎΠΊ Π·Π°ΠΆΠΈΠ³Π°Π½ΠΈΡ, ΠΎΡΠ²ΠΈΠ½ΡΠΈΠ² ΡΠ΅ΡΡΡΠ΅ ΠΊΡΠ΅ΠΏΠΊΠΎ Π·Π°ΠΊΡΡΡΠ΅Π½Π½ΡΡ Π±ΠΎΠ»ΡΠ°. ΠΠ»Ρ ΡΡΠΎΠ³ΠΎ Ρ ΠΏΠΎΠΌΠΎΡΡΡ ΠΌΠΎΠ»ΠΎΡΠΊΠ° ΠΈ Π·ΡΠ±ΠΈΠ»Π° Π½Π°Π½ΠΎΡΡΡ ΠΊΠΎΡΡΠ΅ ΡΠ΄Π°ΡΡ ΠΏΠΎ Π³ΠΎΠ»ΠΎΠ²ΠΊΠ΅ ΠΊΠ°ΠΆΠ΄ΠΎΠ³ΠΎ Π±ΠΎΠ»ΡΠ° ΠΏΡΠΎΡΠΈΠ² ΡΠ°ΡΠΎΠ²ΠΎΠΉ ΡΡΡΠ΅Π»ΠΊΠΈ, ΠΊΠ°ΠΊ Π±Ρ ΠΏΡΡΠ°ΡΡΡ ΠΈΡ ΠΎΡΠΊΡΡΡΠΈΡΡ. ΠΠΎΠΆΠ΅Ρ Π΄Π°ΠΆΠ΅ Π½Π΅ ΠΏΠΎΠ»ΡΡΠΈΡΡΡΡ, ΠΏΠΎΡΡΠΎΠΌΡ ΡΠ°ΡΡΠΎ ΠΏΡΠΈΡ ΠΎΠ΄ΠΈΡΡΡ ΠΏΠΎΠ»ΡΠ·ΠΎΠ²Π°ΡΡΡΡ Π΄ΡΠ΅Π»ΡΡ, ΡΡΠΎΠ±Ρ ΠΈΡ Π²ΡΡΠ²Π΅ΡΠ»ΠΈΡΡ. ΠΠΎΠΎΠ±ΡΠ΅, Π±ΠΎΠ»ΡΡ ΡΡΠΈ ΠΏΠΎΠ²ΡΠΎΡΠ½ΠΎ Π½Π΅ ΠΈΡΠΏΠΎΠ»ΡΠ·ΡΡΡΡΡ, ΠΈ ΡΠ°Π΄ΠΈΡΡ ΠΈΡ Π½Π΅ Π½ΡΠΆΠ½ΠΎ, Ρ.ΠΊ. ΠΏΡΠΈ ΠΊΠ°ΠΆΠ΄ΠΎΠΉ ΡΡΡΠ°Π½ΠΎΠ²ΠΊΠ΅ Π·Π°ΠΌΠΊΠ° ΠΏΡΠΈΠΌΠ΅Π½ΡΡΡ Π½ΠΎΠ²ΡΠ΅ Π±ΠΎΠ»ΡΡ;
- ΠΊΠΎΠ³Π΄Π° Π²ΡΠ΅ 4 Π±ΠΎΠ»ΡΠ° ΠΎΡΠΊΡΡΡΠ΅Π½Ρ, Π·Π°ΠΌΠΎΠΊ Π·Π°ΠΆΠΈΠ³Π°Π½ΠΈΡ ΠΌΠΎΠΆΠ½ΠΎ ΡΠ½ΡΡΡ;
- Ρ ΠΏΠΎΠΌΠΎΡΡΡ 6-Π³ΡΠ°Π½Π½ΠΎΠ³ΠΎ ΠΊΠ»ΡΡΠ° ΠΎΡΠΊΡΡΡΠΈΠ²Π°ΡΡΡΡ 2 ΠΊΡΠ΅ΠΏΠ»Π΅Π½ΠΈΡ ΠΏΠΎΠ΄ΡΡΠΊΠΈ Π±Π΅Π·ΠΎΠΏΠ°ΡΠ½ΠΎΡΡΠΈ Π½Π° ΡΡΠ»Π΅, ΠΏΠΎΡΠ»Π΅ ΡΠ΅Π³ΠΎ ΡΠ°ΠΌΡ ΠΏΠΎΠ΄ΡΡΠΊΡ Π½ΡΠΆΠ½ΠΎ Π½Π΅ΠΌΠ½ΠΎΠ³ΠΎ ΠΏΡΠΎΠ²Π΅ΡΠ½ΡΡΡ;
- ΠΏΠΎΠ΄ΡΡΠΊΠ° ΠΎΡΡΠΎΠ΅Π΄ΠΈΠ½ΡΠ΅ΡΡΡ ΠΎΡ ΡΡΠ»Ρ, Π΅ΡΠ»ΠΈ Π΅Π΅ ΠΏΠΎΡΡΠ½ΡΡΡ Π½Π° ΡΠ΅Π±Ρ ΠΈ ΠΎΠ΄Π½ΠΎΠ²ΡΠ΅ΠΌΠ΅Π½Π½ΠΎ ΠΏΠΎΠ΄Π΄Π΅ΡΡ ΡΠ½ΠΈΠ·Ρ ΠΏΠ»ΠΎΡΠΊΠΎΠΉ ΠΎΡΠ²Π΅ΡΡΠΊΠΎΠΉ, ΠΎΠ΄Π½Π°ΠΊΠΎ ΡΠ°ΡΠΈΡΡ Π΅Π΅ ΡΡΠ°Π·Ρ Π½Π΅Π»ΡΠ·Ρ: ΡΡΠΎΠ±Ρ ΡΠ±ΡΠ°ΡΡ Π΅Π΅ Π² ΡΡΠΎΡΠΎΠ½Ρ, Π½ΡΠΆΠ½ΠΎ ΠΏΠΎΠ΄Π΄Π΅ΡΡ ΠΈ ΠΎΡΠ²Π΅ΡΡΠΈ ΡΠΈΠΊΡΠ°ΡΠΎΡ ΠΊΠΎΠ»ΠΎΠ΄ΠΊΠΈ ΠΏΡΠΎΠ²ΠΎΠ΄ΠΎΠ², ΠΊΠΎΡΠΎΡΡΠΌΠΈ ΠΏΠΎΠ΄ΡΡΠΊΠ° ΡΠΎΠΎΠ±ΡΠ°Π΅ΡΡΡ Ρ ΡΡΠ»Π΅ΠΌ;
- ΠΊΠΎΠ³Π΄Π° ΠΊΠΎΠ»ΠΎΠ΄ΠΊΠ° ΠΏΡΠΎΠ²ΠΎΠ΄ΠΎΠ² ΡΠ½ΡΡΠ°, ΠΏΠΎΠ΄ΡΡΠΊΡ ΡΠ±ΠΈΡΠ°Π΅ΠΌ Π² ΡΡΠΎΡΠΎΠ½Ρ;
- Π΄Π°Π»Π΅Π΅ ΠΏΠ»ΠΎΡΠΊΠΎΠΉ ΠΎΡΠ²Π΅ΡΡΠΊΠΎΠΉ ΠΎΡΡΠΎΠ΅Π΄ΠΈΠ½ΡΠ΅ΠΌ ΠΊΠΎΠ»ΠΎΠ΄ΠΊΡ ΠΏΡΠΎΠ²ΠΎΠ΄ΠΎΠ², ΠΈΠ΄ΡΡΠΈΡ Π½Π° ΡΠΈΠ³Π½Π°Π»;
- ΡΠ΅ΠΏΠ΅ΡΡ ΠΎΡΠΊΡΡΠ»ΠΎΡΡ ΠΊΡΠ΅ΠΏΠ»Π΅Π½ΠΈΠ΅ ΡΡΠ»Ρ ΠΊ Π²Π°Π»Ρ.
Π‘ ΠΏΠΎΠΌΠΎΡΡΡ ΡΠ²Π΅ΡΠ½ΠΎΠ³ΠΎ ΠΌΠ°ΡΠΊΠ΅ΡΠ° ΠΈΠ»ΠΈ Π΄ΡΡΠ³ΠΎΠ³ΠΎ ΠΎΠ±ΠΎΠ·Π½Π°ΡΠ΅Π½ΠΈΡ, ΠΎΡΠΌΠ΅ΡΠ°Π΅ΠΌ ΠΏΠΎΠ»ΠΎΠΆΠ΅Π½ΠΈΠ΅ ΡΡΠ»Π΅Π²ΠΎΠ³ΠΎ ΠΊΠΎΠ»Π΅ΡΠ° Π½Π° Π²Π°Π»Ρ, ΠΊΠΎΡΠΎΡΠΎΠ΅ ΡΠΎΠΎΡΠ²Π΅ΡΡΡΠ²ΡΠ΅Ρ Π΅Π³ΠΎ ΠΏΡΡΠΌΠΎΠΉ ΠΎΡΠΈΠ΅Π½ΡΠ°ΡΠΈΠΈ; - ΠΏΡΠΈ ΠΏΠΎΠΌΠΎΡΠΈ ΡΠΎΡΡΠΎΠ²ΠΎΠ³ΠΎ ΠΊΠ»ΡΡΠ° Π½Π° 24 ΠΎΡΠ΄Π°Π΅ΠΌ Π³Π°ΠΉΠΊΡ, ΠΊΠΎΡΠΎΡΠΎΠΉ ΡΡΠ»Ρ ΠΊΡΠ΅ΠΏΠΈΡΡΡ Π½Π° Π²Π°Π»Ρ. ΠΡΠΈ ΡΡΠΎΠΌ ΠΏΡΠΈΠ΄Π΅ΡΡΡ ΠΏΡΠΈΠ»ΠΎΠΆΠΈΡΡ ΡΠΈΠ»Ρ, Ρ.ΠΊ. ΡΡΠ° Π³Π°ΠΉΠΊΠ° Π·Π°ΡΡΠ½ΡΡΠ° Π½Π°Π΄Π΅ΠΆΠ½ΠΎ;
- Π΄Π°Π»Π΅Π΅ ΡΠ½ΠΈΠΌΠ°Π΅ΠΌ Ρ Π²Π°Π»Π° ΡΡΠ»Ρ, ΡΠ΅Π·ΠΊΠΎ ΡΠ°ΡΡΠ°ΡΡΠ²Π°Ρ ΠΈΠ»ΠΈ ΠΏΠΎΠ΄Π±ΠΈΠ²Π°Ρ Π΅Π³ΠΎ ΠΈΠ· ΡΡΠΎΡΠΎΠ½Ρ Π² ΡΡΠΎΡΠΎΠ½Ρ, ΠΈ ΠΏΠΎΡΠ»Π΅ ΠΏΠΎΡΡΠ³ΠΈΠ²Π°Ρ Π½Π° ΡΠ΅Π±Ρ.
ΠΠ°ΠΊ Π²ΠΈΠ΄ΠΈΡΠ΅, Π½ΠΈΡΠ΅Π³ΠΎ ΡΠ»ΠΎΠΆΠ½ΠΎΠ³ΠΎ Π½Π΅Ρ, ΠΊΡΠΎΠΌΠ΅ ΡΠΎΠ³ΠΎ, ΡΡΠΎ ΡΡΠ΅Π±ΡΡΡΡΡ ΠΎΠΏΡΠ΅Π΄Π΅Π»Π΅Π½Π½ΡΠ΅ ΡΠΈΠ·ΠΈΡΠ΅ΡΠΊΠΈΠ΅ ΡΡΠΈΠ»ΠΈΡ ΠΈ Π³ΡΡΠ±ΡΠ΅ ΠΌΠ΅ΡΠΎΠ΄Ρ. Π’Π΅ΠΏΠ΅ΡΡ Π΄Π΅Π»ΠΎ Π·Π° ΠΊΡΡΡΠΊΠΎΠΉ ΠΌΠΎΠ½ΡΠ°ΠΆΠ½ΠΎΠ³ΠΎ Π±Π»ΠΎΠΊΠ° ΠΈ ΠΏΠΎΠ΄ΡΡΠ»Π΅Π²ΡΠΌΠΈ ΠΏΠ΅ΡΠ΅ΠΊΠ»ΡΡΠ°ΡΠ΅Π»ΡΠΌΠΈ.
ΠΡΡΡΠΊΠ° ΠΌΠΎΠ½ΡΠ°ΠΆΠ½ΠΎΠ³ΠΎ Π±Π»ΠΎΠΊΠ° ΠΈ ΠΏΠΎΠ΄ΡΡΠ»Π΅Π²ΡΠ΅ ΠΏΠ΅ΡΠ΅ΠΊΠ»ΡΡΠ°ΡΠ΅Π»ΠΈ
ΠΠΎΠΎΠ±ΡΠ΅, ΡΠ΅Π»Π΅ΠΉΠ½ΠΎ-ΠΏΡΠ΅Π΄ΠΎΡ
ΡΠ°Π½ΠΈΡΠ΅Π»ΡΠ½ΡΡ
Π±Π»ΠΎΠΊΠΎΠ² Π½Π° ΠΏΡΠΈΠΎΡΠ΅ ΡΡΠΈ ΠΏΠ»ΡΡ ΠΎΠ΄ΠΈΠ½ ΡΠΈΡΡΠΎ ΠΏΡΠ΅Π΄ΠΎΡ
ΡΠ°Π½ΠΈΡΠ΅Π»ΡΠ½ΡΠΉ. ΠΠ°Ρ ΠΈΠ½ΡΠ΅ΡΠ΅ΡΡΠ΅Ρ ΠΊΡΡΡΠΊΠ° ΠΌΠΎΠ½ΡΠ°ΠΆΠ½ΠΎΠ³ΠΎ Π±Π»ΠΎΠΊΠ° Π² ΡΠ°Π»ΠΎΠ½Π΅, ΠΊΠΎΡΠΎΡΡΠΉ Π½Π°Ρ
ΠΎΠ΄ΠΈΡΡΡ Π½Π°ΠΏΡΠΎΡΠΈΠ² Π»Π΅Π²ΠΎΠΉ Π½ΠΎΠ³ΠΈ Π²ΠΎΠ΄ΠΈΡΠ΅Π»Ρ.
Π’ΡΠΈ Π·Π°ΠΌΠΊΠ° ΠΊΡΡΡΠΊΠΈ ΡΡΠΎΠ³ΠΎ Π±Π»ΠΎΠΊΠ° ΠΏΠΎΠ²ΠΎΡΠ°ΡΠΈΠ²Π°ΡΡΡΡ, Π² ΡΠ΅Π·ΡΠ»ΡΡΠ°ΡΠ΅ ΡΠ΅Π³ΠΎ Π²ΡΡΠ²ΠΎΠ±ΠΎΠΆΠ΄Π°Π΅ΡΡΡ Π½ΠΈΠΆΠ½ΡΡ ΡΠ°ΡΡΡ ΠΊΡΡΡΠΊΠΈ. ΠΠΎΠ΄ Π½Π΅ΠΉ ΠΌΡ Π½Π°Ρ
ΠΎΠ΄ΠΈΠΌ ΡΡΠ»Π΅Π²ΡΠ΅ ΠΏΠ΅ΡΠ΅ΠΊΠ»ΡΡΠ°ΡΠ΅Π»ΠΈ, Ρ ΠΏΠΎΠΌΠΎΡΡΡ ΠΊΠΎΡΠΎΡΡΡ
ΠΏΡΠΎΠΈΡΡ
ΠΎΠ΄ΠΈΡ ΡΠΊΠ°Π·Π°Π½ΠΈΠ΅ ΠΏΠΎΠ²ΠΎΡΠΎΡΠΎΠ², ΡΠΏΡΠ°Π²Π»Π΅Π½ΠΈΠ΅ ΡΡΠ΅ΠΊΠ»ΠΎΠΎΡΠΈΡΡΠΈΡΠ΅Π»ΡΠΌΠΈ ΠΈ ΡΠ²ΡΠ·Ρ Ρ Π±ΠΎΡΡΠΎΠ²ΡΠΌ ΠΊΠΎΠΌΠΏΡΡΡΠ΅ΡΠΎΠΌ.
ΠΡΠΊΠ»ΡΡΠ°ΡΡΡΡ ΠΎΠ½ΠΈ ΡΠ»Π΅Π΄ΡΡΡΠΈΠΌ ΠΎΠ±ΡΠ°Π·ΠΎΠΌ:
- ΠΠ»Π°ΡΡΠΈΠΊΠΎΠ²ΡΠ΅ ΡΠΈΠΊΡΠ°ΡΠΎΡΡ ΠΊΠ°ΠΆΠ΄ΠΎΠ³ΠΎ (Π»Π΅Π²ΠΎΠ³ΠΎ ΠΈ ΠΏΡΠ°Π²ΠΎΠ³ΠΎ) ΠΏΠ΅ΡΠ΅ΠΊΠ»ΡΡΠ°ΡΠ΅Π»Ρ ΡΠΆΠΈΠΌΠ°ΡΡΡΡ;
- ΠΡΠΈ ΡΠΆΠ°ΡΡΡ ΡΠΈΠΊΡΠ°ΡΠΎΡΠ°Ρ ΠΊΠ°ΠΆΠ΄ΡΠΉ ΠΏΠ΅ΡΠ΅ΠΊΠ»ΡΡΠ°ΡΠ΅Π»Ρ Π²ΡΠ½ΠΈΠΌΠ°Π΅ΡΡΡ ΠΈΠ· Π³Π½Π΅Π·Π΄Π°;
- ΠΡΠ²ΠΎΡΠ°ΡΠΈΠ²Π°Π΅ΠΌ 4 Π²ΠΈΠ½ΡΠ° ΠΊΡΠ΅ΠΏΠ»Π΅Π½ΠΈΡ ΡΡΠΈΠ»ΠΈΡΠ΅Π»Ρ ΠΏΡΠΈΠ±ΠΎΡΠ½ΠΎΠΉ ΠΏΠ°Π½Π΅Π»ΠΈ ΠΈ ΡΠ½ΠΈΠΌΠ°Π΅ΠΌ ΡΡΠΎΡ ΡΡΠΈΠ»ΠΈΡΠ΅Π»Ρ.
- ΠΡΡΠΎΠ΅Π΄ΠΈΠ½ΡΠ΅ΠΌ ΠΊΠΎΠ»ΠΎΠ΄ΠΊΡ ΠΆΠ³ΡΡΠ° ΠΏΡΠΎΠ²ΠΎΠ΄ΠΎΠ² ΠΎΡ ΠΊΠ°ΡΡΡΠΊΠΈ ΠΈΠΌΠΌΠΎΠ±ΠΈΠ»Π°ΠΉΠ·Π΅ΡΠ°.
Π’Π΅ΠΏΠ΅ΡΡ ΠΎΡΡΠ°Π΅ΡΡΡ Π·Π°Π½ΡΡΡΡΡ Π½Π΅ΠΏΠΎΡΡΠ΅Π΄ΡΡΠ²Π΅Π½Π½ΠΎ ΡΡΠΈΠ»ΠΈΡΠ΅Π»Π΅ΠΌ ΡΡΠ»Ρ.
ΠΡΠΎΡΠ΅ΡΡ ΠΈΠ·ΡΡΡΠΈΡ ΡΠ»Π΅ΠΊΡΡΠΎΡΡΠΈΠ»ΠΈΡΠ΅Π»Ρ
ΠΠ»Ρ ΡΠΎΠ³ΠΎ, ΡΡΠΎΠ±Ρ Π·Π°Π½ΡΡΡΡΡ Π½Π΅ΠΏΠΎΡΡΠ΅Π΄ΡΡΠ²Π΅Π½Π½ΠΎ ΠΠ£Π , ΠΏΠΎΠ½Π°Π΄ΠΎΠ±ΡΡΡΡ Π³ΠΎΠ»ΠΎΠ²ΠΊΠΈ Π½Π° 8 ΠΈ 13 ΠΌΠΌ., ΡΡΠ΅ΡΠΎΡΠΊΠ° ΠΈΠ»ΠΈ Π²ΠΎΡΠΎΡΠΎΠΊ. ΠΠ°Π»Π΅Π΅ Π΄Π΅ΠΉΡΡΠ²ΡΠ΅ΠΌ ΡΠ»Π΅Π΄ΡΡΡΠΈΠΌ ΠΎΠ±ΡΠ°Π·ΠΎΠΌ:
- Π‘ ΠΏΠΎΠΌΠΎΡΡΡ 8-ΠΌΠΌ Π³ΠΎΠ»ΠΎΠ²ΠΊΠΈ ΠΈ ΡΡΠ΅ΡΠΎΡΠΊΠΈ ΠΎΡΠ²ΠΎΡΠ°ΡΠΈΠ²Π°Π΅ΠΌ ΠΊΠΎΠ½ΡΠ°ΠΊΡΠ½ΡΡ ΠΊΠΎΠ»ΠΎΠ΄ΠΊΡ ΠΈ ΡΠ½ΠΈΠΌΠ°Π΅ΠΌ Π΅Π΅ Ρ Π²Π°Π»Π°;
- ΠΡΡΠΎΠ΅Π΄ΠΈΠ½ΡΠ΅ΠΌ Π²ΡΠ΅ ΠΏΡΠΎΠ²ΠΎΠ΄Π°, Π²Π΅Π΄ΡΡΠΈΠ΅ ΠΊ Π±Π»ΠΎΠΊΡ ΡΠΏΡΠ°Π²Π»Π΅Π½ΠΈΡ ΠΠ£Π , ΠΎΠ±ΡΠ°ΡΠ°Ρ Π²Π½ΠΈΠΌΠ°Π½ΠΈΠ΅ Π½Π° ΠΏΡΠΈΠ½ΡΠΈΠΏ ΡΠ°Π±ΠΎΡΡ ΠΏΡΠΎΠ²ΠΎΠ΄Π½ΡΡ ΡΠΈΠΊΡΠ°ΡΠΎΡΠΎΠ². ΠΡΠ»ΠΈ Ρ Π½ΠΈΠΌ Π½Π΅ ΡΠ°Π·ΠΎΠ±ΡΠ°ΡΡΡΡ, ΡΠΎ ΡΠΈΠΊΡΠ°ΡΠΎΡΡ ΠΌΠΎΠΆΠ½ΠΎ ΠΏΠΎΠ²ΡΠ΅Π΄ΠΈΡΡ Π½Π°ΡΡΠΎΠ»ΡΠΊΠΎ, ΡΡΠΎ ΠΏΠΎΡΡΠ΅Π±ΡΠ΅ΡΡΡ Π·Π°ΠΌΠ΅Π½Π° ΡΡΠΎΠ³ΠΎ ΡΠ»Π΅ΠΌΠ΅Π½ΡΠ° ΠΏΡΠΎΠ²ΠΎΠ΄ΠΊΠΈ;
- ΠΠ°Ρ
ΠΎΠ΄ΠΈΠΌ ΠΊΠ°ΡΠ΄Π°Π½Π½ΡΠΉ ΡΠ°ΡΠ½ΠΈΡ ΡΠ»Π΅ΠΊΡΡΠΎΡΡΠΈΠ»ΠΈΡΠ΅Π»Ρ ΡΡΠ»Ρ ΠΈ Π³ΠΎΠ»ΠΎΠ²ΠΊΡ ΡΡΡΠΆΠ½ΠΎΠ³ΠΎ Π±ΠΎΠ»ΡΠ° Π½Π° Π½Π΅ΠΌ.
ΠΡΠΊΡΡΡΠΈΠ²Π°Π΅ΠΌ Π±ΠΎΠ»Ρ Π³ΠΎΠ»ΠΎΠ²ΠΊΠΎΠΉ Π½Π° 13; - Π‘ ΠΏΠΎΠΌΠΎΡΡΡ ΠΌΠΎΠ»ΠΎΡΠΊΠ° ΠΈ Π·ΡΠ±ΠΈΠ»Π° ΡΡΡΡ ΡΠ°ΡΡΠΈΡΡΠ΅ΠΌ ΡΡΡΠΆΠ½ΠΎΠΉ Ρ ΠΎΠΌΡΡ ΠΊΠ°ΡΠ΄Π°Π½Π½ΠΎΠ³ΠΎ ΡΠΎΠ΅Π΄ΠΈΠ½Π΅Π½ΠΈΡ;
- ΠΡΠΊΡΡΡΠΈΠ²Π°Π΅ΠΌ 2 Π²Π΅ΡΡ Π½ΠΈΠ΅ Π³Π°ΠΉΠΊΠΈ, ΠΊΠΎΡΠΎΡΡΠΌΠΈ ΡΡΠΈΠ»ΠΈΡΠ΅Π»Ρ ΡΡΠ»Ρ ΠΊΡΠ΅ΠΏΠΈΡΡΡ ΠΊ ΠΊΡΠ·ΠΎΠ²Ρ;
- 2 Π½ΠΈΠΆΠ½ΠΈΠ΅ Π³Π°ΠΉΠΊΠΈ Π½Π΅ Π½ΡΠΆΠ½ΠΎ ΠΎΡΠΊΡΡΡΠΈΠ²Π°ΡΡ ΠΏΠΎΠ»Π½ΠΎΡΡΡΡ, Π΄ΠΎΡΡΠ°ΡΠΎΡΠ½ΠΎ ΠΏΡΠΎΠ²Π΅ΡΠ½ΡΡΡ ΠΈΡ Π½Π° 4 ΠΎΠ±ΠΎΡΠΎΡΠ°, ΠΏΡΠΈΠ΄Π΅ΡΠΆΠΈΠ²Π°Ρ ΠΏΡΠΈ ΡΡΠΎΠΌ ΠΠ£Π ;
- ΠΠΎΡΠ»Π΅ Π²ΡΠ΅Π³ΠΎ ΠΠ£Π ΠΌΠΎΠΆΠ½ΠΎ, Π½Π°ΠΊΠΎΠ½Π΅Ρ, Π²ΡΠ½ΡΡΡ ΠΈΠ· ΠΊΡΠ·ΠΎΠ²Π°, ΡΠ΄Π΅ΡΠ½ΡΠ² Ρ Π²Π°Π»Π° ΡΡΠ»Π΅Π²ΠΎΠΉ ΡΠ΅ΠΉΠΊΠΈ.
Π’Π΅ΠΏΠ΅ΡΡ Ρ Π½Π°Ρ Π΅ΡΡΡ Π²ΠΎΠ·ΠΌΠΎΠΆΠ½ΠΎΡΡΡ ΠΏΠΎΠ»Π½ΠΎΡΡΡΡ ΡΠ°Π·ΠΎΠ±ΡΠ°ΡΡ ΡΡΠΈΠ»ΠΈΡΠ΅Π»Ρ, ΠΏΡΠΎΠΈΠ·Π²Π΅ΡΡΠΈ Π²ΠΈΠ·ΡΠ°Π»ΡΠ½ΡΡ Π΄ΠΈΠ°Π³Π½ΠΎΡΡΠΈΠΊΡ Π½Π° ΠΏΡΠ΅Π΄ΠΌΠ΅Ρ ΠΏΠΎΠ»ΠΎΠΌΠΎΠΊ, ΠΏΠΎΡΠΈΡΡΠΈΡΡ ΠΈ ΠΏΠΎΡΡΠ°Π²ΠΈΡΡ ΠΎΠ±ΡΠ°ΡΠ½ΠΎ.
Π£ΡΡΠ°Π½ΠΎΠ²ΠΊΠ° ΠΎΡΡΠ΅ΠΌΠΎΠ½ΡΠΈΡΠΎΠ²Π°Π½Π½ΠΎΠ³ΠΎ ΠΈΠ»ΠΈ Π½ΠΎΠ²ΠΎΠ³ΠΎ ΡΡΠ»Π΅Π²ΠΎΠ³ΠΎ ΡΠ»Π΅ΠΊΡΡΠΎΡΡΠΈΠ»ΠΈΡΠ΅Π»Ρ ΠΏΡΠΎΠΈΡΡ
ΠΎΠ΄ΠΈΡ Π² ΠΎΠ±ΡΠ°ΡΠ½ΠΎΠΉ ΠΏΠΎΡΠ»Π΅Π΄ΠΎΠ²Π°ΡΠ΅Π»ΡΠ½ΠΎΡΡΠΈ. ΠΠ΅ΡΠ΅Π΄ ΡΡΠΈΠΌ Π²Π°ΠΆΠ½ΠΎ ΠΏΡΠΎΠ²Π΅ΡΠΈΡΡ ΠΏΡΠ°Π²ΠΈΠ»ΡΠ½ΠΎΡΡΡ ΡΠ°ΡΠΏΠΎΠ»ΠΎΠΆΠ΅Π½ΠΈΡ ΡΠΏΠ΅ΡΠΈΠ°Π»ΡΠ½ΡΡ
ΠΏΠΎΠΌΠ΅ΡΠΎΠΊ Π½Π° Π·Π°ΡΠΈΡΠ½ΠΎΠΌ ΡΠ΅Ρ
Π»Π΅, Π²Π°Π»Ρ ΠΈ ΠΊΡΡΡΠΊΠ΅ ΠΊΠ°ΡΡΠ΅ΡΠ°.
ΠΠΎΠ½Π΅ΡΠ½ΠΎ ΠΆΠ΅, ΠΎΠ΄Π½ΠΎ Π»ΠΈΡΡ ΡΠ½ΡΡΠΈΠ΅ ΠΠ£Π Π½Π΅ Π²ΡΠ΅Π³Π΄Π° Π΄Π°Π΅Ρ Π²ΠΎΠ·ΠΌΠΎΠΆΠ½ΠΎΡΡΡ Π½Π°ΠΉΡΠΈ ΠΏΡΠΈΡΠΈΠ½Ρ Π΅Π³ΠΎ Π½Π΅ΠΈΡΠΏΡΠ°Π²Π½ΠΎΡΡΠΈ, ΠΏΠΎΡΠΊΠΎΠ»ΡΠΊΡ ΠΎΠ½Π° ΠΌΠΎΠΆΠ΅Ρ ΠΊΡΡΡΡΡΡ Π² ΡΠ»Π΅ΠΊΡΡΠΎΡΠ΅Ρ
Π½ΠΈΡΠ΅ΡΠΊΠΎΠΉ ΡΠ°ΡΡΠΈ ΡΡΠΎΠ³ΠΎ ΡΠ·Π»Π°. Π ΠΏΠΎΡΠ»Π΅Π΄Π½Π΅ΠΌ ΡΠ»ΡΡΠ°Π΅ ΠΏΠΎΠ½Π°Π΄ΠΎΠ±ΠΈΡΡΡ ΡΠΎΠ½ΠΊΠ°Ρ Π΄ΠΈΠ°Π³Π½ΠΎΡΡΠΈΠΊΠ° Π½Π° Π‘Π’Π, ΠΊΠΎΡΠΎΡΡΡ Π² Π³Π°ΡΠ°ΠΆΠ½ΡΡ
ΡΡΠ»ΠΎΠ²ΠΈΡΡ
ΡΡΠ΄ΠΎΠ²ΠΎΠΉ Π°Π²ΡΠΎΠΌΠΎΠ±ΠΈΠ»ΠΈΡΡ Π²ΡΡΠ΄ Π»ΠΈ ΡΠΏΠΎΡΠΎΠ±Π΅Π½ ΠΏΡΠΎΠΈΠ·Π²Π΅ΡΡΠΈ.
ΠΠ΅Ρ Π°Π½ΠΈΡΠ΅ΡΠΊΠΈΠ΅ ΠΏΠΎΠ»ΠΎΠΌΠΊΠΈ ΠΠ£Π
ΠΠ»Ρ ΡΠ΅Π³ΠΎ, ΡΠΎΠ±ΡΡΠ²Π΅Π½Π½ΠΎ, ΠΌΡ ΡΠ½ΡΠ»ΠΈ ΠΠ£Π ? ΠΠΈΠ°Π³Π½ΠΎΡΡΠΈΠΊΠ° ΡΠ»Π΅ΠΊΡΡΠΎΡΠ΅Ρ Π½ΠΈΡΠ΅ΡΠΊΠΎΠΉ ΡΠ°ΡΡΠΈ ΡΡΡΡΠΎΠΉΡΡΠ²Π° Π½Π΅ Π²ΡΡΠ²ΠΈΠ»Π° ΠΏΡΠΎΠ±Π»Π΅ΠΌ, Π° Π·Π½Π°ΡΠΈΡ, Π½ΡΠΆΠ½ΠΎ ΠΈΡΠΊΠ°ΡΡ ΠΏΡΠΈΡΠΈΠ½Ρ Π½Π°ΡΡΡΠ΅Π½ΠΈΠΉ Π΅Π³ΠΎ ΡΠ°Π±ΠΎΡΡ Π² ΠΌΠ΅Ρ Π°Π½ΠΈΠΊΠ΅, ΠΊΠΎΡΠΎΡΠ°Ρ ΠΌΠΎΠΆΠ΅Ρ Π±ΡΡΡ ΡΠ°ΠΊΠΎΠΉ:
- ΠΠ·Π½ΠΎΡ ΠΈΠ»ΠΈ Π·Π°ΡΠΎΡΠ΅Π½ΠΈΠ΅ ΡΠ»Π΅ΠΌΠ΅Π½ΡΠΎΠ² ΠΏΡΠΈΠ²ΠΎΠ΄Π° ΠΈΠ»ΠΈ ΡΠ΅ΡΠ²ΡΡΠ½ΠΎΠ³ΠΎ ΠΌΠ΅Ρ Π°Π½ΠΈΠ·ΠΌΠ°;
- ΠΠ·Π½ΠΎΡ ΠΎΠΏΠΎΡΠ½ΠΎΠ³ΠΎ ΠΏΠΎΠ΄ΡΠΈΠΏΠ½ΠΈΠΊΠ° ΡΠ΅ΡΠ²ΡΡΠ½ΠΎΠ³ΠΎ Π²Π°Π»Π° ΡΠ»Π΅ΠΊΡΡΠΎΠΏΡΠΈΠ²ΠΎΠ΄Π° ΠΠ£Π ;
- ΠΡΡΠ³ΠΈΠ΅ ΠΏΡΠΈΠ·Π½Π°ΠΊΠΈ, ΡΠΊΠ°Π·ΡΠ²Π°ΡΡΠΈΠ΅ Π½Π° ΡΠ°Π·ΡΡΡΠ΅Π½ΠΈΠ΅ ΠΈΠ»ΠΈ ΠΈΠ·Π½ΠΎΡ Π΄Π΅ΡΠ°Π»Π΅ΠΉ ΠΠ£Π .
Π ΡΠ°ΠΊΠΈΡ ΡΠ»ΡΡΠ°ΡΡ ΡΡΠ΅Π±ΡΠ΅ΡΡΡ Π·Π°ΠΌΠ΅Π½ΠΈΡΡ ΠΈΠ·Π½ΠΎΡΠ΅Π½Π½ΡΡ Π΄Π΅ΡΠ°Π»Ρ, ΠΏΠΎ Π²ΠΎΠ·ΠΌΠΎΠΆΠ½ΠΎΡΡΠΈ ΠΏΠΎΠΏΡΡΠ°Π²ΡΠΈΡΡ ΡΠ°Π·ΠΎΠ±ΡΠ°ΡΡΡΡ Ρ ΡΠ°ΠΊΡΠΎΡΠ°ΠΌΠΈ, ΠΏΠΎΠ²Π»ΠΈΡΠ²ΡΠΈΠΌΠΈ Π½Π° ΡΠ°ΠΊΠΎΠΉ ΡΠ΅Π·ΡΠ»ΡΡΠ°Ρ ΡΠ°Π±ΠΎΡΡ ΡΡΠΈΠ»ΠΈΡΠ΅Π»Ρ, ΠΈΠ»ΠΈ, Π² ΠΊΡΠΈΡΠΈΡΠ΅ΡΠΊΠΎΠΌ ΡΠ»ΡΡΠ°Π΅ β ΠΊΡΠΏΠΈΡΡ Π½ΠΎΠ²ΡΠΉ ΡΠ»Π΅ΠΊΡΡΠΎΡΡΠΈΠ»ΠΈΡΠ΅Π»Ρ.
ΠΠ°ΠΊ ΡΠΎΡ ΡΠ°Π½ΠΈΡΡ ΠΏΠΎΠ΄ΠΎΠ»ΡΡΠ΅ ΠΠ£Π Π² ΡΠ°Π±ΠΎΡΠ΅ΠΌ ΡΠΎΡΡΠΎΡΠ½ΠΈΠΈ?
ΠΠ΅ΡΠΌΠΎΡΡΡ Π½Π° ΡΠΎ, ΡΡΠΎ ΡΠ°ΠΌΠΎΡΡΠΎΡΡΠ΅Π»ΡΠ½ΠΎ ΡΠ½ΡΡΡ ΠΠ£Π ΠΌΠΎΠΆΠ½ΠΎ ΠΈ Π² Π³Π°ΡΠ°ΠΆΠ½ΡΡ
ΡΡΠ»ΠΎΠ²ΠΈΡΡ
, Π±Π΅Π· ΡΠΏΠ΅ΡΠΈΠ°Π»ΡΠ½ΡΡ
ΠΈΠ½ΡΡΡΡΠΌΠ΅Π½ΡΠΎΠ² ΠΈ ΠΎΡΠΎΠ±ΡΡ
Π½Π°Π²ΡΠΊΠΎΠ², ΠΏΡΠΎΡΠ΅Π΄ΡΡΠ° ΡΡΠ° Π½Π΅Π±ΡΡΡΡΠ°Ρ, Ρ.ΠΊ. ΠΊ Π΄Π°Π½Π½ΠΎΠΌΡ ΡΡΡΡΠΎΠΉΡΡΠ²Ρ Π±ΡΡΡΡΠΎ ΠΏΠΎΠ΄ΠΎΠ±ΡΠ°ΡΡΡΡ Π½Π΅ ΠΏΠΎΠ»ΡΡΠΈΡΡΡ. ΠΠΎΡΡΠΎΠΌΡ Π°Π²ΡΠΎΠΌΠΎΠ±ΠΈΠ»ΠΈΡΡΠΎΠ² ΠΈΠ½ΡΠ΅ΡΠ΅ΡΡΠ΅Ρ ΠΏΡΠΎΡΡΠΎΠΉ Π²ΠΎΠΏΡΠΎΡ β ΠΊΠ°ΠΊ ΠΈΠ·Π±Π΅ΠΆΠ°ΡΡ Π½Π΅ΠΎΠ±Ρ
ΠΎΠ΄ΠΈΠΌΠΎΡΡΠΈ ΡΠ΅ΠΌΠΎΠ½ΡΠΈΡΠΎΠ²Π°ΡΡ ΠΈΠ»ΠΈ ΠΌΠ΅Π½ΡΡΡ ΠΠ£Π .
ΠΡΠ²Π΅Ρ ΠΎΡΠ΅Π²ΠΈΠ΄Π΅Π½ β Π½ΡΠΆΠ½ΠΎ ΠΏΡΠΎΠ΄Π»ΠΈΡΡ ΡΡΠΎΠΊ Π΅Π³ΠΎ ΡΠ»ΡΠΆΠ±Ρ.
ΠΠ»Ρ ΡΡΠΎΠ³ΠΎ ΠΏΡΠΈΠ΄Π΅ΡΡΡ ΠΏΡΠΈΠ΄Π΅ΡΠΆΠΈΠ²Π°ΡΡΡΡ ΡΠ°ΠΊΠΈΡ
ΠΏΡΠ°Π²ΠΈΠ»:
- ΠΠΈΠΊΠΎΠ³Π΄Π° Π½Π΅ ΡΡΠΎΠ³Π°ΡΡΡΡ Ρ ΠΌΠ΅ΡΡΠ°, Π΅ΡΠ»ΠΈ ΡΡΠ»Ρ Π½Π°Ρ ΠΎΠ΄ΠΈΡΡΡ Π² ΠΎΠ΄Π½ΠΎΠΌ ΠΈ ΠΊΡΠ°ΠΉΠ½ΠΈΡ ΠΏΠΎΠ»ΠΎΠΆΠ΅Π½ΠΈΡΡ . ΠΠ°Π΄ΠΎΠ»Π³ΠΎ ΠΎΡΡΠ°Π²Π»ΡΡΡ ΡΡΠ»Ρ Π² ΡΠ°ΠΊΠΎΠΌ ΠΏΠΎΠ»ΠΎΠΆΠ΅Π½ΠΈΠΈ ΡΠΎΠΆΠ΅ Π½Π΅ ΡΠ΅ΠΊΠΎΠΌΠ΅Π½Π΄ΡΠ΅ΡΡΡ Π΄Π°ΠΆΠ΅ Π±Π΅Π· Π΄Π²ΠΈΠΆΠ΅Π½ΠΈΡ;
- ΠΠ΅ ΡΠ΄Π΅ΡΠΆΠΈΠ²Π°ΡΡ ΡΡΠ»Ρ Π΄ΠΎΠ»ΡΡΠ΅ 4-5 ΡΠ΅ΠΊΡΠ½Π΄ Π² ΠΊΡΠ°ΠΉΠ½ΠΈΡ ΠΏΠΎΠ»ΠΎΠΆΠ΅Π½ΠΈΡΡ , Π΄Π°ΠΆΠ΅ Π΅ΡΠ»ΠΈ ΡΠΎΠ³ΠΎ ΡΡΠ΅Π±ΡΠ΅Ρ ΠΏΠ°ΡΠΊΠΎΠ²ΠΊΠ° ΠΈΠ»ΠΈ ΡΠ°Π·Π²ΠΎΡΠΎΡ. ΠΡΡΡΠ΅ ΡΠΎΠ²Π΅ΡΡΠ°ΡΡ Π½ΡΠΆΠ½ΡΠ΅ ΠΌΠ°Π½Π΅Π²ΡΡ;
- ΠΠ±ΡΠ°ΡΠ°ΡΡ Π²Π½ΠΈΠΌΠ°Π½ΠΈΠ΅ Π½Π° Π·Π²ΡΠΊΠΈ, Π΄ΠΎΠ½ΠΎΡΡΡΠΈΠ΅ΡΡ ΠΈΠ· ΡΠ»Π΅ΠΊΡΡΠΎΡΡΠΈΠ»ΠΈΡΠ΅Π»Ρ;
- ΠΡΠΎΡΠΈΡΠ°ΡΡ ΠΊΠΎΠ½ΡΠ°ΠΊΡΡ ΠΈ ΠΏΠΎΠ΄Π²ΠΈΠΆΠ½ΡΠ΅ ΠΌΠ΅Ρ Π°Π½ΠΈΠ·ΠΌΡ ΠΎΡ Π·Π°Π³ΡΡΠ·Π½Π΅Π½ΠΈΠΉ;
- ΠΠ±ΡΠ°ΡΠ°ΡΡ Π²Π½ΠΈΠΌΠ°Π½ΠΈΠ΅ Π½Π° ΡΠΎΡΡΠΎΡΠ½ΠΈΠ΅ ΠΏΡΠΎΠ²ΠΎΠ΄ΠΊΠΈ ΠΈ ΠΊΠ»Π΅ΠΌΠΌ, Π΅ΡΠ»ΠΈ ΠΎΠ½ΠΈ ΠΏΠΎΠΏΠ°Π΄Π°ΡΡΡΡ Π½Π° Π³Π»Π°Π·Π° Π² ΡΠ»ΡΡΠ°Π΅ ΠΏΡΠΎΠ²Π΅ΡΠΊΠΈ Π΄ΡΡΠ³ΠΈΡ ΡΠ΅Ρ Π½ΠΈΡΠ΅ΡΠΊΠΈΡ ΡΠΈΡΡΠ΅ΠΌ;
- ΠΠΎΡΠ°ΡΠ΅ ΠΏΡΠΎΠ²ΠΎΠ΄ΠΈΡΡ Π΄ΠΈΠ°Π³Π½ΠΎΡΡΠΈΠΊΡ ΡΡΠΎΠ³ΠΎ ΡΠ·Π»Π°.
Π΄Π°ΡΡΠΈΠΊ ΠΌΠΎΠΌΠ΅Π½ΡΠ°, Π±Π»ΠΎΠΊ ΡΠΏΡΠ°Π²Π»Π΅Π½ΠΈΡ, ΡΡ Π΅ΠΌΠ°, Π½Π΅ ΡΠ°Π±ΠΎΡΠ°Π΅Ρ
Π£ ΡΠΎΠ²ΡΠ΅ΠΌΠ΅Π½Π½ΡΡ
Π°Π²ΡΠΎΠΌΠΎΠ±ΠΈΠ»Π΅ΠΉ, Π² ΡΠΎΠΌ ΡΠΈΡΠ»Π΅ ΠΈ ΠΠ°Π΄Π° ΠΡΠΈΠΎΡΠ°, ΡΡΠ»Ρ ΠΌΠΎΠΆΠ½ΠΎ ΠΊΡΡΡΠΈΡΡ Ρ
ΠΎΡΡ Π΄Π²ΡΠΌΡ ΠΏΠ°Π»ΡΡΠ°ΠΌΠΈ, Π΄Π°ΠΆΠ΅ Π² ΡΠΎ Π²ΡΠ΅ΠΌΡ ΠΏΠΎΠΊΠ° ΠΌΠ°ΡΠΈΠ½Π° ΠΏΡΠΈΠΏΠ°ΡΠΊΠΎΠ²Π°Π½Π°, ΡΠ°Π½ΡΡΠ΅, Π΅ΡΠ»ΠΈ ΠΊΡΠΎ Π½Π΅ Π·Π½Π°Π΅Ρ, ΡΠ°ΠΊΠΎΠ³ΠΎ Π½Π΅ Π±ΡΠ»ΠΎ.
ΠΠ»Π°Π³ΠΎΠ΄Π°ΡΡ ΡΠΎΠ²ΡΠ΅ΠΌΠ΅Π½Π½ΡΠΌ ΡΠ΅Ρ
Π½ΠΎΠ»ΠΎΠ³ΠΈΡΠΌ ΠΏΠΎΡΠ²ΠΈΠ»ΡΡ ΡΠ»Π΅ΠΊΡΡΠΎΡΡΠΈΠ»ΠΈΡΠ΅Π»Ρ ΡΡΠ»Ρ. ΠΠ΄Π½Π°ΠΊΠΎ, ΠΊΠ°ΠΊ ΠΌΠ½ΠΎΠ³ΠΈΠ΅ Π·Π½Π°ΡΡ, ΠΡΠΈΠΎΡΠ°, ΠΊΠ°ΠΊ ΠΈ Π»ΡΠ±ΠΎΠ΅ ΠΎΡΠ΅ΡΠ΅ΡΡΠ²Π΅Π½Π½ΠΎΠ΅ Π°Π²ΡΠΎ ΡΠ°ΡΡΠΎ ΠΏΡΠ΅ΠΏΠΎΠ΄Π½ΠΎΡΠΈΡ Π½Π΅ΠΎΠΆΠΈΠ΄Π°Π½Π½ΠΎΡΡΠΈ, ΠΏΠΎΡΡΠΎΠΌΡ ΡΠ»ΡΡΠ°ΡΡΡΡ ΠΠ£Π Π½Π΅ΠΈΡΠΏΡΠ°Π²Π½ΠΎΡΡΠΈ ΡΠ°Π·Π½ΠΎΠ³ΠΎ Ρ
Π°ΡΠ°ΠΊΡΠ΅ΡΠ°. Π Π΄Π°Π½Π½ΠΎΠΌ ΠΌΠ°ΡΠ΅ΡΠΈΠ°Π»Π΅ ΠΏΡΠ΅Π΄Π»Π°Π³Π°Π΅ΠΌ ΡΠ°Π·ΠΎΠ±ΡΠ°ΡΡΡΡ, ΠΏΠΎΡΠ΅ΠΌΡ Π½Π΅ ΡΠ°Π±ΠΎΡΠ°Π΅Ρ ΡΠ°ΠΊΠΎΠ΅ ΠΊΡΠ°ΠΉΠ½Π΅ Π²Π°ΠΆΠ½ΠΎΠ΅ ΡΡΡΡΠΎΠΉΡΡΠ²ΠΎ, ΠΊΠ°ΠΊ ΡΠ»Π΅ΠΊΡΡΠΎΡΡΠΈΠ»ΠΈΡΠ΅Π»Ρ ΡΡΠ»Ρ ΠΈ ΠΊΠ°ΠΊΠΈΠ΅ Π±ΡΠ²Π°ΡΡ ΡΠΏΠΎΡΠΎΠ±Ρ ΡΡΡΡΠ°Π½Π΅Π½ΠΈΡ Π½Π΅ΠΏΡΠΈΡΡΠ½ΠΎΡΡΠ΅ΠΉ ΡΠ²ΡΠ·Π°Π½Π½ΡΡ
Ρ ΡΡΠΈΠΌ.
ΠΠΎΡΠ΅ΠΌΡ ΠΠ£Π Π½Π° ΠΡΠΈΠΎΡΠ΅ Π»ΡΡΡΠ΅, ΡΠ΅ΠΌ ΠΠ£Π
ΠΠ»Π°Π³ΠΎΠ΄Π°ΡΡ ΠΠ£Π ΠΏΡΠΎΠΈΡΡ ΠΎΠ΄ΠΈΡ Π±ΠΎΠ»Π΅Π΅ ΠΌΠΎΡΠ½ΠΎΠ΅ ΡΡΠΈΠ»ΠΈΠ΅, ΠΏΠ΅ΡΠ΅Π΄Π°ΡΡΠ΅Π΅ΡΡ Π² ΡΠΈΡΡΠ΅ΠΌΡ ΡΠ°ΠΊ ΡΠΊΠ°Π·Π°ΡΡ ΡΡΠ»Π΅Π²ΠΎΠ³ΠΎ ΡΠΏΡΠ°Π²Π»Π΅Π½ΠΈΡ Π°Π²ΡΠΎΠΌΠΎΠ±ΠΈΠ»Π΅ΠΌ. ΠΡΠ»ΠΈ Π³ΠΎΠ²ΠΎΡΠΈΡΡ ΠΏΡΠΎΡΡΡΠΌΠΈ ΡΠ»ΠΎΠ²Π°ΠΌΠΈ, ΡΠΎ Ρ ΡΠ°ΠΊΠΈΠΌ ΡΡΡΡΠΎΠΉΡΡΠ²ΠΎΠΌ ΡΡΠ»Ρ ΡΠΈΠ΄ΡΡΠΈΠΉ Π·Π° Π½ΠΈΠΌ, ΠΌΠΎΠΆΠ΅Ρ ΠΊΡΡΡΠΈΡΡ Ρ ΠΎΡΡ 2-ΠΌΡ ΠΏΠ°Π»ΡΡΠ°ΠΌΠΈ. Π Π°Π½ΡΡΠ΅ Π½Π° Π²ΡΠ΅Ρ Π°Π²ΡΠΎΠΌΠΎΠ±ΠΈΠ»ΡΡ ΠΏΡΠ΅Π΄ΡΡΠ°Π²Π»Π΅Π½Π½ΡΡ Π°Π²ΡΠΎΠΌΠΎΠ±ΠΈΠ»Π΅ΡΡΡΠΎΠΈΡΠ΅Π»ΡΠ½ΠΎΠΉ ΠΊΠΎΠΌΠΏΠ°Π½ΠΈΠ΅ΠΉ Β«ΠΠ²ΡΠΎΠΠΠΒ» ΡΡΡΠ°Π½Π°Π²Π»ΠΈΠ²Π°Π»ΠΈ ΠΠ£Π , ΠΎΠ΄Π½Π°ΠΊΠΎ, Ρ ΠΠ°Π»ΠΈΠ½Ρ ΠΎΡ Π½ΠΈΡ ΡΡΠΊΠΎΠ²ΠΎΠ΄ΡΡΠ²ΠΎΠΌ ΠΊΠΎΠΌΠΏΠ°Π½ΠΈΠΈ Π±ΡΠ»ΠΎ ΡΠ΅ΡΠ΅Π½ΠΎ ΠΎΡΠΊΠ°Π·Π°ΡΡΡΡ, ΠΈ ΠΏΠ΅ΡΠ΅ΡΠ»ΠΈ Π½Π° Π±ΠΎΠ»Π΅Π΅ ΡΠΎΠ²ΡΠ΅ΠΌΠ΅Π½Π½ΡΠ΅ ΠΠ£Π .
ΠΠ½ΠΎΠ³ΠΈΠ΅ Π°Π²ΡΠΎΠ²Π»Π°Π΄Π΅Π»ΡΡΡ ΡΠΊΠ°ΠΆΡΡ, ΡΡΠΎ Π³ΠΈΠ΄ΡΠΎΡΡΠΈΠ»ΠΈΡΠ΅Π»Ρ ΡΡΠ»Ρ ΠΏΠΎ ΡΠ²ΠΎΠ΅ΠΉ ΠΌΠΎΡΠ½ΠΎΡΡΠΈ ΠΏΠ΅ΡΠ΅Π΄Π°ΡΠΈ Π½Π°ΠΌΠ½ΠΎΠ³ΠΎ ΠΏΡΠ΅Π΄ΠΏΠΎΡΡΠΈΡΠ΅Π»ΡΠ½Π΅Π΅, ΠΎΠ΄Π½Π°ΠΊΠΎ, ΠΎΠ½ ΠΈΠΌΠ΅Π΅Ρ ΠΏΡΠ΅Π΄ΠΎΡΡΠ°ΡΠΎΡΠ½ΠΎ Π½Π΅Π΄ΠΎΡΡΠ°ΡΠΊΠΎΠ², ΡΡΠ΅Π΄ΠΈ ΠΊΠΎΡΠΎΡΡΡ :
- ΠΠ΅ΠΎΠ±Ρ
ΠΎΠ΄ΠΈΠΌΠ° ΡΠ΅Π³ΡΠ»ΡΡΠ½Π°Ρ ΠΏΡΠΎΠ²Π΅ΡΠΊΠ° ΠΌΠ°ΡΠ»ΠΎΠΏΡΠΎΠ²ΠΎΠ΄ΠΎΠ².

- Π Π΅Π³ΡΠ»ΡΡΠ½ΠΎ ΡΠ»Π΅Π΄ΡΠ΅Ρ ΠΏΡΠΎΠ²Π΅ΡΡΡΡ ΠΈ ΡΡΠΎΠ²Π΅Π½Ρ Π² Π±Π°ΡΠΊΠ΅.
- Π‘ΠΈΠ»ΠΎΠ²ΠΎΠΉ Π°Π³ΡΠ΅Π³Π°Ρ ΡΠ΅ΡΡΠ΅Ρ Π² ΠΌΠΎΡΠ½ΠΎΡΡΠΈ.
Π Π°ΡΡΠΌΠ°ΡΡΠΈΠ²Π°Π΅ΠΌΡΠΉ Π½Π°ΠΌΠΈ ΡΠ΅Π³ΠΎΠ΄Π½Ρ ΡΠ»Π΅ΠΊΡΡΠΎΡΡΠΈΠ»ΠΈΡΠ΅Π»Ρ ΡΡΠ»Ρ, ΠΊΠΎΡΠΎΡΡΠΉ ΡΡΡΠ°Π½ΠΎΠ²Π»Π΅Π½ Π½Π° ΠΠ°Π΄Π° ΠΡΠΈΠΎΡΠ°, Π½Π΅ ΠΈΠΌΠ΅Π΅Ρ ΡΠ°ΠΊΠΈΡ ΠΎΡΠ΅Π²ΠΈΠ΄Π½ΡΡ ΠΌΠΈΠ½ΡΡΠΎΠ², ΡΠ΅ΠΌ Π±ΠΎΠ»Π΅Π΅ Π² ΡΠ΅ΠΌΠΎΠ½ΡΠ΅ ΠΎΠ½ ΠΏΡΠΎΡΡ, ΡΠ΅ΠΌ Π²ΡΠ΅ ΡΠΎΡ ΠΆΠ΅ ΠΠ£Π . ΠΠ΄Π½Π°ΠΊΠΎ ΡΡΡΡΠΎΠΉΡΡΠ²ΠΎ Π½Π΅ Π»ΠΈΡΠ΅Π½ΠΎ, ΠΏΡΡΡΡ ΠΈ Π½Π΅Π·Π½Π°ΡΠΈΡΠ΅Π»ΡΠ½ΡΡ , Π½ΠΎ Π½Π΅Π΄ΠΎΡΡΠ°ΡΠΊΠΎΠ², ΡΠ»ΡΡΠ°Π΅ΡΡΡ Π΄Π°ΠΆΠ΅ ΡΠ°ΠΊ ΡΡΠΎ, ΡΠΎ ΡΠ°Π±ΠΎΡΠ°Π΅Ρ ΡΠΎ Π½Π΅Ρ.
ΠΠ°ΠΊ ΡΡΡΡΠΎΠ΅Π½ ΡΠ»Π΅ΠΊΡΡΠΎΡΡΠΈΠ»ΠΈΡΠ΅Π»Ρ ΡΡΠ»Π΅Π²ΠΎΠ³ΠΎ ΠΊΠΎΠ»Π΅ΡΠ°
Π Π°ΡΡΠΌΠ°ΡΡΠΈΠ²Π°Π΅ΠΌΠΎΠ΅ Π½Π°ΠΌΠΈ Π² Π΄Π°Π½Π½ΠΎΠΌ ΠΌΠ°ΡΠ΅ΡΠΈΠ°Π»Π΅ Π°Π²ΡΠΎΠΌΠΎΠ±ΠΈΠ»ΡΠ½ΠΎΠ΅ ΡΡΡΡΠΎΠΉΡΡΠ²ΠΎ Π½Π° ΠΠ°Π΄Π° ΠΡΠΈΠΎΡΠ°, ΡΠΎΡΡΠΎΠΈΡ ΠΈΠ· ΡΠ»Π΅Π΄ΡΡΡΠΈΡ ΠΊΠΎΠΌΠΏΠΎΠ½Π΅Π½ΡΠΎΠ²:
- ΠΠΠ£ Ρ ΡΠΎΠΎΡΠ²Π΅ΡΡΡΠ²ΡΡΡΠ΅ΠΉ ΠΏΠ΅ΡΠΈΡΠ΅ΡΠΈΠ΅ΠΉ. Π ΡΡΠΎΠΌ Π±Π»ΠΎΠΊΠ΅ ΠΏΡΠΈΡΡΡΡΡΠ²ΡΡΡ ΡΠ°Π·ΡΠ΅ΠΌΡ ΡΠΎ ΡΠΏΠ΅ΡΠΈΠ°Π»ΡΠ½ΡΠΌΠΈ Π΄Π°ΡΡΠΈΠΊΠ°ΠΌΠΈ.
- ΠΠ»Π΅ΠΊΡΡΠΈΡΠ΅ΡΠΊΠ°Ρ ΡΠ°ΡΡΡ. ΠΠ°Π½Π½Π°Ρ ΡΠ°ΡΡΡ ΡΠ²Π»ΡΠ΅ΡΡΡ ΠΌΠΎΡΠΎΡΠΎΠΌ ΡΡΡΡΠΎΠΉΡΡΠ²Π°. ΠΡΠ΅ΠΈΠΌΡΡΠ΅ΡΡΠ²Π΅Π½Π½ΠΎ ΡΡΠΎΡ ΠΊΠΎΠΌΠΏΠΎΠ½Π΅Π½Ρ ΡΠ°ΠΌΡΠΉ ΡΡΠ·Π²ΠΈΠΌΡΠΉ.
- ΠΠ΅Ρ
Π°Π½ΠΈΡΠ΅ΡΠΊΠ°Ρ ΡΠΎΡΡΠ°Π²Π»ΡΡΡΠ°Ρ. Π‘ΡΠ΄Π° Π²ΠΊΠ»ΡΡΠ΅Π½Ρ ΡΠ»Π΅ΠΌΠ΅Π½ΡΡ ΡΡΠ»Π΅Π²ΠΎΠ³ΠΎ ΡΠΏΡΠ°Π²Π»Π΅Π½ΠΈΡ, ΠΊΡΠ΅ΠΏΠ΅ΠΆ ΠΈ ΡΠΎΠ΅Π΄ΠΈΠ½ΠΈΡΠ΅Π»ΡΠ½ΡΠ΅ ΡΠ°ΡΡΠΈ. ΠΡΠΎΡ ΠΊΠΎΠΌΠΏΠΎΠ½Π΅Π½Ρ ΡΠΎΡΡΠΎΠΈΡ: ΡΠ΅Π³ΡΠ»ΠΈΡΠΎΠ²ΠΎΡΠ½ΡΠΉ ΡΡΡΠ°Π³, Π½Π΅ΠΎΠ±Ρ
ΠΎΠ΄ΠΈΠΌΡΠΉ Π΄Π°Π±Ρ ΡΠΌΠ΅Π½ΠΈΡΡ ΡΠ³ΠΎΠ» Π½Π°ΠΊΠ»ΠΎΠ½Π° ΡΡΠ»Π΅Π²ΠΎΠ³ΠΎ ΠΊΠΎΠ»Π΅ΡΠ°, Π° ΡΠ°ΠΊΠΆΠ΅ Π²ΡΡ
ΠΎΠ΄Π½ΠΎΠΉ ΠΈ Π²Ρ
ΠΎΠ΄Π½ΠΎΠΉ Π²Π°Π»Ρ, ΡΡΡ ΠΌΠΎΠΆΠ½ΠΎ Π΅ΡΠ΅ Π΄ΠΎΠ±Π°Π²ΠΈΡΡ ΠΏΡΡΠΆΠΈΠ½Ρ, ΠΏΡΠΈΡΡΡΡΡΠ²ΡΡΡΠΈΠ΅ Π³Π°ΠΉΠΊΠΈ, Π½Π΅ ΠΏΡΠΎΠΏΡΡΡΠΈΠΌ ΡΠΏΠΈΠ»ΡΠΊΠΈ ΠΈ Π±ΠΎΠ»ΡΡ.

ΠΠΏΡΠ΅Π΄Π΅Π»ΡΠ΅ΠΌ Π½Π° Priora Π½Π΅ΠΈΡΠΏΡΠ°Π²Π½ΠΎΡΡΠΈ ΠΠ£Π
Π‘Π°ΠΌΡΠΉ Π³Π»Π°Π²Π½ΡΠΉ ΠΏΡΠΈΠ·Π½Π°ΠΊ ΠΠ£Π Π½Π΅ΠΈΡΠΏΡΠ°Π²Π½ΠΎΡΡΠΈ β ΠΊΠΎΠ³Π΄Π° ΡΡΠ°Π±Π°ΡΡΠ²Π°Π΅Ρ Π½Π° ΠΏΡΠΈΠ±ΠΎΡΠ½ΠΎΠΉ Π°Π²ΡΠΎΠΌΠΎΠ±ΠΈΠ»ΡΠ½ΠΎΠΉ ΠΏΠ°Π½Π΅Π»ΠΈ Π»Π°ΠΌΠΏΠΎΡΠΊΠ°, ΠΏΠΎΠ»ΡΡΠ°ΡΡΠ°Ρ ΡΠΈΠ³Π½Π°Π» ΠΎΡ ΠΠΠ£. Π ΡΡΠ°Π½Π΄Π°ΡΡΠ½ΠΎΠΉ ΠΊΠΎΠΌΠΏΠ»Π΅ΠΊΡΠ°ΡΠΈΠΈ ΠΎΡΠ΅ΡΠ΅ΡΡΠ²Π΅Π½Π½ΠΎΠΉ ΠΠ°Π΄Π° ΠΡΠΈΠΎΡΠ° Π½Π° Β«ΠΏΡΠΈΠ±ΠΎΡΠΊΠ΅Β» ΠΈΠΌΠ΅Π΅Ρ ΡΠ°ΠΊΠΎΠΉ Π·Π½Π°ΡΠΎΠΊ, Π²ΡΠΏΠΎΠ»Π½Π΅Π½Π½ΡΠΉ Π² Π²ΠΈΠ΄Π΅ ΠΊΠΎΠ»Π΅ΡΠ° ΠΈ Π²ΠΎΡΠΊΠ»ΠΈΡΠ°ΡΠ΅Π»ΡΠ½ΠΎΠ³ΠΎ Π·Π½Π°ΠΊΠ°. ΠΠΎΠ³Π΄Π° Π²Ρ Π²ΠΊΠ»ΡΡΠ°Π΅ΡΠ΅ Π² ΡΠ²ΠΎΠ΅ΠΌ Π°Π²ΡΠΎ Π·Π°ΠΆΠΈΠ³Π°Π½ΠΈΠ΅, ΡΠΎ ΡΡΠΎΡ Π·Π½Π°ΡΠΎΠΊ Π±ΡΠΊΠ²Π°Π»ΡΠ½ΠΎ Π½Π° Π½Π΅ΡΠΊΠΎΠ»ΡΠΊΠΎ ΡΠ΅ΠΊΡΠ½Π΄ Π·Π°Π³ΠΎΡΠ°Π΅ΡΡΡ, ΠΏΠΎΡΠ»Π΅ ΡΠ΅Π³ΠΎ Π³Π°ΡΠ½Π΅Ρ, ΠΊΠΎΠ³Π΄Π° ΠΊΠΎΠΌΠΏΡΡΡΠ΅Ρ ΠΏΠΎΠ½ΠΈΠΌΠ°Π΅Ρ, ΡΡΠΎ Π²ΡΠ΅ Π² ΠΏΠΎΡΡΠ΄ΠΊΠ΅. ΠΡΠ»ΠΈ ΠΆΠ΅ ΡΡΠΎ-ΡΠΎ Π½Π΅ ΡΠ°Π±ΠΎΡΠ°Π΅Ρ, ΡΠΎ ΡΠΈΠ³Π½Π°Π» Π·Π°Π³ΠΎΡΠ°Π΅ΡΡΡ ΠΈ Π½Π΅ ΠΏΠ΅ΡΠ΅ΡΡΠ°Π΅Ρ Π³ΠΎΡΠ΅ΡΡ Π΄ΠΎ ΠΏΠΎΠ»Π½ΠΎΠ³ΠΎ ΡΡΡΡΠ°Π½Π΅Π½ΠΈΡ Π½Π΅ΠΈΡΠΏΡΠ°Π²Π½ΠΎΡΡΠΈ.
ΠΡΠ»ΠΈ Π»Π°ΠΌΠΏΠΎΡΠΊΠ° Π³ΠΎΡΠΈΡ, ΡΠΎ ΡΠ°ΠΌΠΎΠ΅ Π²Π΅ΡΠ½ΠΎΠ΅ ΡΠ΅ΡΠ΅Π½ΠΈΠ΅ Π² ΡΠ°ΠΊΠΎΠΉ ΡΠΈΡΡΠ°ΡΠΈΠΈ ΡΡΠΎ ΠΏΡΠΎΠΉΡΠΈ ΠΊΠΎΠΌΠΏΡΡΡΠ΅ΡΠ½ΡΡ Π΄ΠΈΠ°Π³Π½ΠΎΡΡΠΈΠΊΡ, ΠΏΠΎΡΠΊΠΎΠ»ΡΠΊΡ ΡΠ»Π΅ΠΊΡΡΠΎΡΡΠΈΠ»ΠΈΡΠ΅Π»Ρ ΡΡΠ»Ρ Π½Π°ΠΏΡΡΠΌΡΡ ΡΠ²ΡΠ·Π°Π½ Ρ Π±ΠΎΡΡΠΎΠ²ΡΠΌ ΠΊΠΎΠΌΠΏΡΡΡΠ΅ΡΠΎΠΌ ΠΠ°Π΄Π° ΠΡΠΈΠΎΡΠ°. Π Π½Π°ΡΡΠΎΡΡΠ΅Π΅ Π²ΡΠ΅ΠΌΡ ΠΌΠΎΠΆΠ½ΠΎ Π±Π΅Π· ΡΡΡΠ΄Π° ΠΏΡΠΈΠΎΠ±ΡΠ΅ΡΡΠΈ Π΄ΠΈΠ°Π³Π½ΠΎΡΡΠΈΡΠ΅ΡΠΊΠΈΠΉ ΠΈΠ½Π΄ΠΈΠ²ΠΈΠ΄ΡΠ°Π»ΡΠ½ΡΠΉ ΡΠΊΠ°Π½Π΅Ρ, ΠΊΠΎΡΠΎΡΡΠΌΠΈ Π»Π΅Π³ΠΊΠΎ ΠΏΠΎΠ»ΡΠ·ΠΎΠ²Π°ΡΡΡΡ ΠΈ Π²Ρ ΡΠΌΠΎΠΆΠ΅ΡΠ΅ Π»Π΅Π³ΠΊΠΎ ΠΈ ΠΏΡΠΎΡΡΠΎ ΡΠ·Π½Π°ΡΡ ΠΏΡΠΈΡΠΈΠ½Ρ Π½Π΅ΠΈΡΠΏΡΠ°Π²Π½ΠΎΡΡΠΈ, Π΄Π°Π±Ρ ΡΠ°ΠΌΠΎΡΡΠΎΡΡΠ΅Π»ΡΠ½ΠΎ Π²ΡΠ±ΡΠ°ΡΡ ΡΠΏΠΎΡΠΎΠ±Ρ ΡΡΡΡΠ°Π½Π΅Π½ΠΈΡ ΡΡΠΎΠΉ ΡΠ°ΠΌΠΎΠΉ Π½Π΅ΠΈΡΠΏΡΠ°Π²Π½ΠΎΡΡΠΈ.
ΠΡΠ°ΠΊ, ΠΎΠΏΡΡΠ½ΡΠ΅ Π²ΠΎΠ΄ΠΈΡΠ΅Π»ΠΈ ΡΠ΅ΠΊΠΎΠΌΠ΅Π½Π΄ΡΡΡ ΠΏΡΠΎΠ²Π΅ΡΡΠΈ Π΄ΠΈΠ°Π³Π½ΠΎΡΡΠΈΠΊΡ, ΡΠ΄Π΅Π»Π°ΡΡ ΡΡΠΎ ΠΌΠΎΠΆΠ½ΠΎ ΡΠ°ΠΌΠΎΡΡΠΎΡΡΠ΅Π»ΡΠ½ΠΎ, ΠΈΠΌΠ΅Ρ ΠΏΠΎΠ΄ ΡΡΠΊΠΎΠΉ ΡΠΎΠΎΡΠ²Π΅ΡΡΡΠ²ΡΡΡΠ΅Π΅ ΡΡΡΡΠΎΠΉΡΡΠ²ΠΎ. ΠΡ ΡΠΌΠΎΠΆΠ΅ΡΠ΅ ΡΠ²ΡΠ·Π°ΡΡΡΡ Ρ Π³ΠΎΠ»ΠΎΠ²Π½ΡΠΌ ΠΊΠΎΠΌΠΏΡΡΡΠ΅ΡΠΎΠΌ ΠΈ ΠΏΠΎΠ»ΡΡΠΈΡΡ Π²ΡΠ΅ ΠΊΠΎΠ΄Ρ ΠΎΡΠΈΠ±ΠΎΠΊ, ΠΏΡΠΈΡΠ΅ΠΌ Π½Π΅Π²Π°ΠΆΠ½ΠΎ Π±ΡΠ΄ΡΡ ΠΎΠ½ΠΈ Π±Π΅Π· ΡΠ°ΡΡΠΈΡΡΠΎΠ²ΠΊΠΈ ΠΈΠ»ΠΈ Ρ Π½Π΅ΠΉ. ΠΡΠ»ΠΈ Π²Π°Ρ ΡΠΊΠ°Π½Π΅Ρ Π²ΡΠ΄Π°Π» Π²Π°ΠΌ Π»ΠΈΡΡ ΠΊΠΎΠ΄Ρ, Π½Π΅ ΡΡΠΎΠΈΡ ΠΎΡΡΠ°ΠΈΠ²Π°ΡΡΡΡ, Π²ΡΠ΅ Π»Π΅Π³ΠΊΠΎ ΠΌΠΎΠΆΠ½ΠΎ ΡΠ·Π½Π°ΡΡ. ΠΠΎΡΡΠ°ΡΠΎΡΠ½ΠΎ Π·Π½Π°ΡΡ, ΡΡΠΎ ΠΠ£Π Π½Π΅ΠΈΡΠΏΡΠ°Π²Π½ΠΎΡΡΠΈ ΠΎΠ±ΡΠ·Π°ΡΠ΅Π»ΡΠ½ΠΎ Π±ΡΠ΄ΡΡ Π½Π°ΡΠΈΠ½Π°ΡΡΡΡ Ρ ΡΠΈΠΌΠ²ΠΎΠ»Π° Β«Π‘Β», ΠΊ ΠΏΡΠΈΠΌΠ΅ΡΡ, ΡΠ°ΠΊΠΎΠΉ ΠΊΠΎΠ΄ ΠΊΠ°ΠΊ Π‘1013 ΠΎΠ·Π½Π°ΡΠ°Π΅Ρ, ΡΡΠΎ Π² ΡΠ΅ΡΠΈ ΡΠ»ΠΈΡΠΊΠΎΠΌ Π½ΠΈΠ·ΠΊΠΎΠ΅ Π½Π°ΠΏΡΡΠΆΠ΅Π½ΠΈΠ΅, Π° ΠΠ£Π ΡΡΠΎΠ³ΠΎ Π½Π΅Π΄ΠΎΡΡΠ°ΡΠΎΡΠ½ΠΎ.
Π‘ΠΎΠ±ΡΡΠ²Π΅Π½Π½ΠΎ ΠΏΡΠΈ Π΄Π°Π½Π½ΠΎΠΉ Π½Π΅ΠΈΡΠΏΡΠ°Π²Π½ΠΎΡΡΠΈ, Π²Π΅ΡΠΎΡΡΠ½ΠΎ, ΠΏΡΠΎΠΈΠ·ΠΎΡΠ»ΠΎ ΠΎΡΠ»Π°Π±Π»Π΅Π½ΠΈΠ΅, Π° Π²ΠΎΠ·ΠΌΠΎΠΆΠ½ΠΎ ΠΏΡΠΈΠ³ΠΎΡΠ°Π½ΠΈΠ΅ 1-Π³ΠΎ ΠΈΠ· 2-ΡΡ
ΠΈΠΌΠ΅ΡΡΠΈΡ
ΡΡ ΡΠΈΠ»ΠΎΠ²ΡΡ
ΠΏΡΠΎΠ²ΠΎΠ΄ΠΎΠ², ΠΊΠΎΡΠΎΡΡΠ΅ ΠΈΠ΄ΡΡ Π½Π° ΡΡΠΈΠ»ΠΈΡΠ΅Π»Ρ ΡΡΠ»Ρ. ΠΡΠΎΠ²ΠΎΠ΄Π° ΡΠ°ΠΌ ΡΠ΅ΡΠ½ΡΠΉ ΠΈ ΠΊΡΠ°ΡΠ½ΡΠΉ Π±ΠΎΠ»ΡΡΠΎΠ³ΠΎ ΡΠ΅ΡΠ΅Π½ΠΈΡ ΠΈ Π²Ρ
ΠΎΠ΄ΡΡ ΠΎΠ½ΠΈ Π²ΡΠ΅Π³Π΄Π° Π² ΠΎΡΠ΄Π΅Π»ΡΠ½ΡΠΉ ΡΠ°Π·ΡΠ΅ΠΌ Π½Π° Π½Π°ΡΠ΅ΠΌ ΡΡΡΡΠΎΠΉΡΡΠ²Π΅, ΠΏΡΠΎΠ²Π΅ΡΠΈΡΡ ΠΈΡ
Π½Π΅ ΡΠΎΡΡΠ°Π²ΠΈΡ ΡΡΡΠ΄Π°. Π’Π°ΠΊΠΆΠ΅ ΠΊΠ°ΠΊ Π²Π°ΡΠΈΠ°Π½Ρ ΠΌΠΎΠΆΠ΅Ρ Π±ΡΡΡ Π½Π΅ΠΈΡΠΏΡΠ°Π²Π΅Π½ ΠΏΡΠ΅Π΄ΠΎΡ
ΡΠ°Π½ΠΈΡΠ΅Π»Ρ, Ρ ΡΡΠΎΠΉ ΠΏΡΠΎΠ±Π»Π΅ΠΌΠΎΠΉ Π²ΠΎΠΎΠ±ΡΠ΅ Π²ΡΠ΅ ΠΏΠΎΠ½ΡΡΠ½ΠΎ ΠΈ Π»Π΅Π³ΠΊΠΎ Π΅Π΅ ΡΡΡΡΠ°Π½ΠΈΡΡ. ΠΡΠ΅ ΠΎΠ΄Π½Π° ΠΏΡΠΈΡΠΈΠ½Π°, ΠΊΠΎΠ³Π΄Π° ΠΠ£Π Π½Π΅ ΡΠ°Π±ΠΎΡΠ°Π΅Ρ, ΡΡΠΎ ΠΊΠΎΠ³Π΄Π° Π³Π΅Π½Π΅ΡΠ°ΡΠΎΡ ΠΈΠ»ΠΈ Π°ΠΊΠΊΡΠΌΡΠ»ΡΡΠΎΡ Π½Π΅ΠΈΡΠΏΡΠ°Π²Π΅Π½.
ΠΡΠ»ΠΈ ΠΏΡΠΈΡΠΈΠ½Π° ΠΊΡΠΎΠ΅ΡΡΡ Π² ΡΡΠΎΠΌ, ΡΠΎ ΡΡΡ Π±Π΅Π· Ρ
ΠΎΡΠΎΡΠ΅Π³ΠΎ ΡΠΏΠ΅ΡΠΈΠ°Π»ΠΈΡΡΠ° ΡΠ»Π΅ΠΊΡΡΠΈΠΊΠ° Π½Π΅ ΠΎΠ±ΠΎΠΉΡΠΈΡΡ Π½ΠΈΠΊΠ°ΠΊ.
ΠΡΠΎΡΠΈΠ²ΠΎΡΡΠΌΠ°Π½Π½ΡΠ΅ ΡΠ°ΡΡ ΠΠ°Π΄Π° ΠΠ΅ΡΡΠ°
ΠΡΠ°Ρ ΡΠ΅ΡΡ Π°Π²ΡΠΎΡΠ΅Π²Ρ ΠΠ΅ΡΡΠ°
ΠΠ°Π΄Π° ΠΠ΅ΡΡΠ° ΠΊΠ»ΠΈΡΠ΅Π½Ρ Π΄ΠΎΡΠΎΠΆΠ½ΡΠΉ ΠΏΡΠΎΡΠ²Π΅Ρ
ΠΡΠΏΠΎΠ»ΡΠ·ΡΠ΅ΠΌ Β«Π½Π°ΡΠΎΠ΄Π½ΡΠΉΒ» ΠΌΠ΅ΡΠΎΠ΄ ΠΏΡΠΎΠ²Π΅ΡΠΊΠΈ Π½Π΅ΠΈΡΠΏΡΠ°Π²Π½ΠΎΡΡΠΈ
Π ΡΠ»ΡΡΠ°Π΅, ΠΊΠΎΠ³Π΄Π° Π½Π° LADA Priora Π½Π΅ Π³ΠΎΡΠΈΡ Π»Π°ΠΌΠΏΠΎΡΠΊΠ°, Π° ΠΠ£Π Π½Π΅ΠΈΡΠΏΡΠ°Π²Π½ΠΎΡΡΠΈ ΠΏΡΠΈΡΡΡΡΡΠ²ΡΡΡ, Π° Π²ΠΎΠ·ΠΌΠΎΠΆΠ½ΠΎ, ΡΡΠ΅Π±ΡΠ΅ΡΡΡ ΠΏΡΠΎΠ²Π΅ΡΡΠΈ ΠΊΠΎΠ½ΡΡΠΎΠ»Ρ, ΠΏΠΎΡΠ»Π΅ ΠΏΡΠΎΠ²Π΅Π΄Π΅Π½Π½ΡΡ ΡΠ΅ΠΌΠΎΠ½ΡΠ½ΡΡ ΡΠ°Π±ΠΎΡ, ΡΠΎ ΠΌΠΎΠΆΠ½ΠΎ ΡΠ΄Π΅Π»Π°ΡΡ ΡΠ°ΠΊ: ΠΏΠΎΠΊΡΡΡΠΈΡΠ΅ Π°Π²ΡΠΎΠΌΠΎΠ±ΠΈΠ»ΡΠ½ΡΠΉ ΡΡΠ»Ρ, Π±Π΅Π· Π²ΠΊΠ»ΡΡΠ΅Π½Π½ΠΎΠ³ΠΎ Π·Π°ΠΆΠΈΠ³Π°Π½ΠΈΡ, Π·Π°ΠΏΠΎΠΌΠ½ΠΈΡΠ΅ ΠΏΡΠΈ ΡΡΠΎΠΌ ΡΡΠΈΠ»ΠΈΠ΅. ΠΠ°Π»Π΅Π΅ Π·Π°ΠΏΡΡΡΠΈΡΠ΅ Π΄Π²ΠΈΠ³Π°ΡΠ΅Π»Ρ ΠΈ ΠΏΠΎΠ²ΡΠΎΡΠΈΡΠ΅ Π΄Π΅ΠΉΡΡΠ²ΠΈΠ΅. ΠΡΠ»ΠΈ Π½Π΅Ρ Π½ΠΈΠΊΠ°ΠΊΠΈΡ ΠΈΠ·ΠΌΠ΅Π½Π΅Π½ΠΈΠΉ ΠΌΠ΅ΠΆΠ΄Ρ Π΄Π²ΡΠΌΡ Π΄Π΅ΠΉΡΡΠ²ΠΈΡΠΌΠΈ, ΡΠΎ ΠΎΡΠ΅Π²ΠΈΠ΄Π½ΠΎ, ΡΡΠΎ ΠΠ£Π Π½Π΅ Π² ΠΏΠΎΡΡΠ΄ΠΊΠ΅, Π½ΡΠΆΠ½Π° Π±ΠΎΠ»Π΅Π΅ Π΄Π΅ΡΠ°Π»ΡΠ½Π°Ρ Π΄ΠΈΠ°Π³Π½ΠΎΡΡΠΈΠΊΠ° Π°Π²ΡΠΎ, ΠΏΠΎΡΠ»Π΅ ΡΠ΅Π³ΠΎ Π²ΡΠ±ΡΠ°ΡΡ Π½Π°ΠΈΠ±ΠΎΠ»Π΅Π΅ ΠΏΠΎΠ΄Ρ ΠΎΠ΄ΡΡΠΈΠ΅ ΡΠΏΠΎΡΠΎΠ±Ρ ΡΡΡΡΠ°Π½Π΅Π½ΠΈΡ Π½Π΅ΠΈΡΠΏΡΠ°Π²Π½ΠΎΡΡΠΈ, ΠΈ ΡΡΠΎ, ΡΠΊΠ°ΠΆΠ΅ΠΌ Π²Π°ΠΌ, ΡΠΎΠ²ΡΠ΅ΠΌ Π½Π΅ ΠΏΡΠΎΠ±Π»Π΅ΠΌΠ°ΡΠΈΡΠ½ΠΎ.
ΠΠ°ΠΊΠΈΠ΅ Π΅ΡΠ΅ Π±ΡΠ²Π°ΡΡ Π½Π΅ΠΈΡΠΏΡΠ°Π²Π½ΠΎΡΡΠΈ ΠΈ Π±ΡΡΡΡΡΠ΅ ΡΠΏΠΎΡΠΎΠ±Ρ ΡΡΡΡΠ°Π½Π΅Π½ΠΈΡ
ΠΡΠΏΠΎΠΌΠΈΠ½Π°Π΅ΠΌ ΠΎΠΏΡΡΡ ΡΠΎΡΡΠ°Π²Π»ΡΡΡΠΈΠ΅ ΠΠ£Π ΠΌΠ΅Ρ
Π°Π½ΠΈΠΊΠ°, ΡΠ»Π΅ΠΊΡΡΠΎΠ½ΠΈΠΊΠ° ΠΈ ΡΠΎΠΎΡΠ²Π΅ΡΡΡΠ²Π΅Π½Π½ΠΎ ΡΠ»Π΅ΠΊΡΡΠΈΠΊΠ°.
Π‘ Π²ΡΠ΅ ΡΠΎΠΉ ΠΆΠ΅ ΠΌΠ΅Ρ
Π°Π½ΠΈΠΊΠΎΠΉ Π²ΡΠ΅ Π±ΠΎΠ»Π΅Π΅ ΡΠ΅ΠΌ ΡΡΠ½ΠΎ ΠΈ ΠΏΠΎΠ½ΡΡΠ½ΠΎ, ΡΠ»ΡΡΠ°Π΅ΡΡΡ Π²ΡΡ
ΠΎΠ΄ ΠΈΠ· ΡΡΡΠΎΡ ΠΊΠΎΠΌΠΏΠΎΠ½Π΅Π½ΡΠΎΠ²: Π°ΡΠΌΠ°ΡΡΡΡ, Π²Π΅ΡΠΎΡΡΠ½ΠΎ ΡΠΎΠ΅Π΄ΠΈΠ½Π΅Π½ΠΈΠΉ ΠΈ/ΠΈΠ»ΠΈ Π²Π°Π»ΠΎΠ². ΠΡΠ»ΠΈ Π½Π΅ΠΈΡΠΏΡΠ°Π²Π½ΠΎΡΡΡ ΠΊΡΠΎΠ΅ΡΡΡ Π² ΡΡΠΎΠΌ ΡΠΎ, ΠΊΠΎΠ»Π΅ΡΠ° Π²Π°ΡΠ΅ΠΉ LADA Priora Π²ΠΎΠΎΠ±ΡΠ΅ Π½Π΅ Π±ΡΠ΄ΡΡ ΠΊΡΡΡΠΈΡΡΡΡ ΠΏΡΠΈ Π΄Π²ΠΈΠΆΠ΅Π½ΠΈΠΈ ΡΡΠ»Π΅Π²ΠΎΠ³ΠΎ ΠΊΠΎΠ»Π΅ΡΠ°.
Π ΡΠ»ΡΡΠ°Π΅, ΠΊΠΎΠ³Π΄Π° Π½Π΅ΠΈΡΠΏΡΠ°Π²Π½ΠΎΡΡΠΈ ΠΊΡΠΎΡΡΡΡ Π² Π΄ΡΡΠ³ΠΎΠΌ, ΡΠΎ Π΄Π΅Π»ΠΎ ΠΎΠ±ΡΡΠΎΠΈΡ ΡΠ»ΠΎΠΆΠ½Π΅Π΅. ΠΠΎΠ³Π΄Π° ΡΠ΄Π°Π΅ΡΡΡ ΠΏΠΎΠ½ΡΡΡ, ΡΡΠΎ ΠΈΠ· ΡΡΡΠΎΡ Π²ΡΡΠ΅Π» ΡΡΠΈΠ»ΠΈΡΠ΅Π»Ρ ΠΈΠ»ΠΈ ΠΆΠ΅ ΡΠ΅ΡΠ²ΠΎΠΌΠΎΡΠΎΡ, ΡΠΎ Π΄Π°ΠΆΠ΅ Π½Π΅ ΡΡΠΎΠΈΡ Π·Π°Π΄ΡΠΌΡΠ²Π°ΡΡΡΡ ΠΎ ΡΠ΅ΠΌΠΎΠ½ΡΠ½ΡΡ ΡΠ°Π±ΠΎΡΠ°Ρ , Π² ΡΠ°ΠΊΠΎΠΌ ΡΠ»ΡΡΠ°Π΅ Π½ΡΠΆΠ½ΠΎ ΠΏΡΠΈΠΎΠ±ΡΠ΅ΡΡΠΈ Π½ΠΎΠ²ΡΠΉ ΡΡΠΈΠ»ΠΈΡΠ΅Π»Ρ ΠΈ ΠΏΡΠΎΠΈΠ·Π²Π΅ΡΡΠΈ Π·Π°ΠΌΠ΅Π½Ρ. ΠΡΠ»ΠΈ Π²Ρ ΠΎΠ±Π½Π°ΡΡΠΆΠΈΠ»ΠΈ, ΡΡΠΎ ΠΌΠ΅ΠΆΠ΄Ρ ΡΠ»Π΅ΠΊΡΡΠΎΡΡΠΈΠ»ΠΈΡΠ΅Π»Π΅ΠΌ ΠΈ Π°Π²ΡΠΎΠΌΠΎΠ±ΠΈΠ»ΡΠ½ΡΠΌ Π³ΠΎΠ»ΠΎΠ²Π½ΡΠΌ ΠΊΠΎΠΌΠΏΡΡΡΠ΅ΡΠΎΠΌ ΠΏΡΠΎΠΏΠ°Π»Π° ΡΠ²ΡΠ·Ρ, ΡΠΎ ΠΏΡΠΈΡΠΈΠ½Π° ΠΊΡΠΎΠ΅ΡΡΡ Π²ΠΎ 2-ΠΎΠΌ ΡΠ°Π·ΡΠ΅ΠΌΠ΅, ΡΠΎ ΠΆΠ΅ ΡΠ°ΠΌΠΎΠ΅, ΠΊΠΎΠ³Π΄Π° Π½Π΅ ΠΏΠΎΡΡΡΠΏΠ°Π΅Ρ ΡΠΈΠ³Π½Π°Π» Π² Π±Π»ΠΎΠΊ ΠΎΡ ΡΠ°ΡΠΏΡΠ΅Π΄Π΅Π»ΠΈΡΠ΅Π»ΡΠ½ΠΎΠ³ΠΎ ΠΈΠ»ΠΈ ΠΊΠΎΠ»Π΅Π½ΡΠ°ΡΠΎΠ³ΠΎ Π²Π°Π»ΠΎΠ². ΠΠ°, ΠΎΠ½ΠΈ ΠΊΡΠ°ΠΉΠ½Π΅ Π²Π°ΠΆΠ½Ρ Π΄Π»Ρ ΡΠ°Π±ΠΎΡΡ ΡΡΡΡΠΎΠΉΡΡΠ²Π°. Π ΡΡΠΎΠΉ ΡΠΈΡΡΠ°ΡΠΈΠΈ Π»ΡΡΡΠ΅ ΠΎΡΡΠ΅ΠΌΠΎΠ½ΡΠΈΡΠΎΠ²Π°ΡΡ ΠΈΠ»ΠΈ Π·Π°ΠΌΠ΅Π½ΠΈΡΡ ΠΏΡΠΎΠ²ΠΎΠ΄Π°.
ΠΡΡΠ°Π»Π°ΡΡ ΡΠ»Π΅ΠΊΡΠΎΠ½Π½ΠΈΠΊΠ° ΡΡΡΡΠΎΠΉΡΡΠ²Π°, ΠΈ Π²Π½ΡΡΡΠ΅Π½Π½ΠΈΠ΅ Π΄Π°ΡΡΠΈΠΊΠΈ ΠΏΠΎΠ»ΠΎΠΆΠ΅Π½ΠΈΡ Π²Π°Π»ΠΎΠ². Π‘ ΡΡΠΈΠΌΠΈ ΡΠ°ΠΌΡΠΌΠΈ Π΄Π°ΡΡΠΈΠΊΠ°ΠΌΠΈ ΡΠ°ΠΌΠΎΡΡΠΎΡΡΠ΅Π»ΡΠ½ΠΎ Π½ΠΈΡΠ΅Π³ΠΎ ΡΠ΄Π΅Π»Π°ΡΡ Π½Π΅ ΠΏΠΎΠ»ΡΡΠΈΡΡΡ, Π»ΡΡΡΠΈΠΉ Π²Π°ΡΠΈΠ°Π½Ρ ΡΡΠΎ ΡΠ΅ΠΌΠΎΠ½Ρ Π² ΡΡΠ»ΠΎΠ²ΠΈΡΡ
Π°Π²ΡΠΎΡΠ΅ΡΠ²ΠΈΡΠ°.
ΠΠ΅ΠΈΡΠΏΡΠ°Π²Π½ΠΎΡΡΡ ΠΊΠΎΠΌΠΏΡΡΡΠ΅ΡΠ° ΡΡΡΡΠ°Π½ΡΠ΅ΡΡΡ ΡΠ°ΠΌΠΎΡΡΠΎΡΡΠ΅Π»ΡΠ½ΠΎ, Π²Π°ΠΌ Π½Π΅ΠΎΠ±Ρ
ΠΎΠ΄ΠΈΠΌΠΎ ΠΊΡΠΏΠΈΡΡ Π΅Π³ΠΎ ΠΈ ΡΡΡΠ°Π½ΠΎΠ²ΠΈΡΡ.
Π‘Π½ΠΈΠΌΠ°Π΅ΠΌ ΠΠ£Π Π½Π° ΠΡΠΈΠΎΡΠ΅ ΠΈ ΡΡΡΠ°Π½Π°Π²Π»ΠΈΠ²Π°Π΅ΠΌ Π½ΠΎΠ²ΡΠΉ
ΠΠΎΠ³Π΄Π° ΠΠ£Π Π½Π° Π²Π°ΡΠ΅ΠΌ Π°Π²ΡΠΎ ΡΠΎ ΡΠ°Π±ΠΎΡΠ°Π΅Ρ ΡΠΎ Π½Π΅Ρ, ΠΈ Π²Ρ Π²ΡΡΠ²ΠΈΠ»ΠΈ ΠΏΡΠΈΡΠΈΠ½Ρ, ΠΏΠΎ ΠΊΠΎΡΠΎΡΡΠΌ ΠΏΠΎΠ½ΡΡΠ½ΠΎ, ΡΡΠΎ ΡΠ΅ΠΌΠΎΠ½ΡΠΈΡΠΎΠ²Π°ΡΡ ΡΡΡΡΠΎΠΉΡΡΠ²ΠΎ Π±Π΅ΡΠΏΠΎΠ»Π΅Π·Π½ΠΎ, Π½ΡΠΆΠ½ΠΎ ΠΏΠΎΠΌΠ΅Π½ΡΡΡ ΡΡΠΈΠ»ΠΈΡΠ΅Π»Ρ Π½Π° Π½ΠΎΠ²ΡΠΉ. Π‘Π΄Π΅Π»Π°ΡΡ ΡΡΠΎ Π²Ρ ΠΌΠΎΠΆΠ΅ΡΠ΅ Π·Π°ΡΡΠ°ΡΠΈΠ² Π½Π΅ΠΌΠ½ΠΎΠ³ΠΎ Π²ΡΠ΅ΠΌΠ΅Π½ΠΈ ΠΈ ΡΡΠΈΠ»ΠΈΠΉ, Π½ΠΎ Π²ΡΠ΅ ΠΆΠ΅ ΡΠ²ΠΎΠΈΠΌΠΈ ΡΡΠΊΠ°ΠΌΠΈ.
ΠΠ½ΡΡΡΡΠΌΠ΅Π½ΡΡ, Π½Π΅ΠΎΠ±Ρ ΠΎΠ΄ΠΈΠΌΡΠ΅ Π΄Π»Ρ Π·Π°ΠΌΠ΅Π½Ρ ΠΠ£Π Π½Π° LADA Priora:
- ΠΡΠ΅ΡΡΠΎΠ²Π°Ρ ΠΎΡΠ²Π΅ΡΡΠΊΠ° ΡΠ°ΠΌΠ°Ρ ΠΎΠ±ΡΠΊΠ½ΠΎΠ²Π΅Π½Π½Π°Ρ.
- ΠΠΎΠ»ΠΎΠ²ΠΊΠ° Π½Π° Β«13Β», ΠΎΡΠ½ΠΎΠ²Π½ΠΎΠΉ ΠΈΠ½ΡΡΡΡΠΌΠ΅Π½Ρ.
- ΠΡΠΈΠ³ΠΎΠ΄ΠΈΡΡΡ ΠΈ ΠΊΠ»ΡΡ Π½Π°ΠΊΠΈΠ΄Π½ΠΎΠΉ Π½Π° Β«8Β».
ΠΠΎΡΠ°Π³ΠΎΠ²Π°Ρ ΠΈΠ½ΡΡΡΡΠΊΡΠΈΡ ΠΏΠΎ Π·Π°ΠΌΠ΅Π½Π΅ ΠΠ£Π Π½Π° ΠΡΠΈΠΎΡΠ΅:
- ΠΠ΅ΡΠ²ΡΠΌ Π΄Π΅Π»ΠΎΠΌ ΠΎΠ±ΡΠ·Π°ΡΠ΅Π»ΡΠ½ΠΎ ΡΡΠ΅Π±ΡΠ΅ΡΡΡ ΠΎΡΠΊΠ»ΡΡΠΈΡΡ Π°ΠΊΠΊΡΠΌΡΠ»ΡΡΠΎΡΠ½ΡΡ Π±Π°ΡΠ°ΡΠ΅Ρ, Π΄ΠΎΡΡΠ°ΡΠΎΡΠ½ΠΎ Π±ΡΠ΄Π΅Ρ Β«ΡΠΊΠΈΠ½ΡΡΡΒ» ΠΌΠΈΠ½ΡΡΠΎΠ²ΡΡ ΠΊΠ»Π΅ΠΌΠΌΡ.
- Π‘Π½ΠΈΠΌΠ°Π΅ΠΌ Ρ ΡΡΠ»Π΅Π²ΠΎΠΉ ΠΊΠΎΠ»ΠΎΠ½ΠΊΠΈ ΠΏΠ»Π°ΡΡΠΈΠΊΠΎΠ²ΡΠ΅ Π½Π°ΠΊΠ»Π°Π΄ΠΊΠΈ, Π΄Π»Ρ ΡΡΠΎΠ³ΠΎ ΠΎΡΡΡΠ΅Π³ΠΈΠ²Π°Π΅ΠΌ ΠΏΠ°ΡΡ ΡΠΈΠΊΡΠ°ΡΠΎΡΠΎΠ² ΠΈ Π²ΡΠΊΡΡΡΠΈΠ²Π°Π΅ΠΌ ΠΏΠ°ΡΡ ΡΠ°ΠΌΠΎΡΠ΅Π·ΠΎΠ².
- ΠΡΠΊΡΡΡΠΈΠ²Π°Π΅ΠΌ 4-Π΅ Π±ΠΎΠ»ΡΠ° ΠΈ ΠΎΡΠ΄Π΅Π»ΡΠ΅ΠΌ ΡΠ²ΠΎΠ±ΠΎΠ΄Π½ΠΎ, Π½ΠΎ Π°ΠΊΠΊΡΡΠ°ΡΠ½ΠΎ Π½ΠΈΠΆΠ½ΡΡ ΡΠ°ΡΡΡ ΠΏΠ»Π°ΡΡΠΈΠΊΠΎΠ²ΠΎΠΉ Π·Π°ΠΊΡΡΠ²Π°ΡΡΠ΅ΠΉ Π½Π°ΠΊΠ»Π°Π΄ΠΊΠΈ.

- ΠΠ° Π΄Π°Π½Π½ΠΎΠΌ ΡΡΠ°ΠΏΠ΅ ΠΌΠ΅ΡΠ°Π΅Ρ Π·Π°ΠΌΠΎΠΊ ΠΈ ΡΡΡΠ°Π³ΠΈ-ΠΏΠ΅ΡΠ΅ΠΊΠ»ΡΡΠ°ΡΠ΅Π»ΠΈ ΠΏΠΎΠ½ΡΡΠ½ΠΎΠ΅ Π΄Π΅Π»ΠΎ, Π΄Π²ΠΎΡΠ½ΠΈΠΊΠΎΠ² ΠΈ ΠΏΠΎΠ²ΠΎΡΠΎΡΠΎΠ². ΠΠ΅ ΡΠΏΠ΅ΡΠ°, ΠΎΡΠΊΠ»ΡΡΠ°Π΅ΠΌ Π²ΡΠ΅ ΠΏΡΠΎΠ²ΠΎΠ΄Π° ΠΈ ΠΊΠ»ΡΡΠΎΠΌ Π½Π° Β«8Β» ΡΡΠ΅Π±ΡΠ΅ΡΡΡ ΠΎΡΠ»Π°Π±ΠΈΡΡ Ρ ΠΎΠΌΡΡ, ΠΊΡΠ΅ΠΏΡΡΠΈΠΉ Π²ΡΠ΅ Π²ΡΡΠ΅ ΠΏΠ΅ΡΠ΅ΡΠΈΡΠ»Π΅Π½Π½ΡΠ΅ ΡΡΡΡΠΎΠΉΡΡΠ²Π°. ΠΠ½ΠΈ Π»Π΅Π³ΠΊΠΎ ΠΎΡΡ ΠΎΠ΄ΡΡ Ρ ΠΊΠΎΠΆΡΡ Π° Π²Π°Π»Π°.
- ΠΡΡΠΎΠ΅Π΄ΠΈΠ½ΡΠ΅ΠΌ 2 ΡΠ°Π·ΡΠ΅ΠΌΠ° ΠΎΡ ΡΠ»Π΅ΠΊΡΡΠΎΠ½Π½ΠΎΠ³ΠΎ Π±Π»ΠΎΠΊΠ° ΡΠΏΡΠ°Π²Π»Π΅Π½ΠΈΡ. Π‘Π½ΠΈΠΌΠ°Π΅ΠΌ ΠΏΠ»Π°ΡΡΠΈΠΊΠΎΠ²ΡΡ Π½Π°ΠΊΠ»Π°Π΄ΠΊΡ ΡΠΎ ΡΠΏΠ΅ΡΠΈΠ°Π»ΡΠ½ΠΎΠΉ ΡΠΏΠΈΠ»ΡΠΊΠΈ.
- ΠΠΈΠΆΠ½ΠΈΠ΅ Π³Π°ΠΉΠΊΠΈ Π½Π΅ Π½ΡΠΆΠ½ΠΎ ΠΎΡΠΊΡΡΡΠΈΠ²Π°ΡΡ, Π΄ΠΎΡΡΠ°ΡΠΎΡΠ½ΠΎ ΠΏΠΎΠ²Π΅ΡΠ½ΡΡΡ ΠΈΡ Π±ΡΠΊΠ²Π°Π»ΡΠ½ΠΎ Π½Π° Π½Π΅ΡΠΊΠΎΠ»ΡΠΊΠΎ ΠΎΠ±ΠΎΡΠΎΡΠΎΠ².
- ΠΠ°Π»Π΅Π΅, ΠΈΠ·Π²Π»Π΅ΠΊΠΈΡΠ΅ ΡΡΡΠΆΠ½ΠΎΠΉ Π±ΠΎΠ»Ρ ΡΠ°ΡΠ½ΠΈΡΠΎΠ².
- ΠΡΠΊΡΡΡΠΈΠ²Π°Π΅ΠΌ Π²ΡΠ΅ ΠΎΡΡΠ°Π²ΡΠΈΠ΅ΡΡ ΠΊΡΠ΅ΠΏΠ΅ΠΆΠ½ΡΠ΅ Π³Π°ΠΉΠΊΠΈ.
- ΠΠ·Π²Π»Π΅ΠΊΠ°Π΅ΠΌ ΠΠ£Π .
- Π£ΡΡΠ°Π½Π°Π²Π»ΠΈΠ²Π°Π΅ΠΌ Π½ΠΎΠ²ΡΠΉ ΡΡΠΈΠ»ΠΈΡΠ΅Π»Ρ, ΠΈ ΡΠΎΠ±ΠΈΡΠ°Π΅ΠΌ Π²ΡΠ΅ Π² ΠΎΠ±ΡΠ°ΡΠ½ΠΎΠΉ ΠΏΠΎΡΠ»Π΅Π΄ΠΎΠ²Π°ΡΠ΅Π»ΡΠ½ΠΎΡΡΠΈ. ΠΠ°ΠΆΠ½ΠΎ Π½ΠΈΡΠ΅Π³ΠΎ Π½Π΅ ΠΏΠ΅ΡΠ΅ΠΏΡΡΠ°ΡΡ.
ΠΠΎΠ΄Π²Π΅Π΄Π΅ΠΌ ΠΈΡΠΎΠ³ΠΈ
ΠΡΠ΅ Π½Π΅ΠΈΡΠΏΡΠ°Π²Π½ΠΎΡΡΠΈ ΡΠ»Π΅ΠΊΡΡΠΎΡΡΠΈΠ»ΠΈΡΠ΅Π»Ρ ΠΌΠΎΠΆΠ½ΠΎ Π΄ΠΈΠ°Π³Π½ΠΎΡΡΠΈΡΠΎΠ²Π°ΡΡ ΡΠ°ΠΌΠΎΡΡΠΎΡΡΠ΅Π»ΡΠ½ΠΎ Π½Π° ΠΡΠΈΠΎΡΠ΅. ΠΠΎΠ½Π΅ΡΠ½ΠΎ ΠΆΠ΅, Π½Π΅ Π²ΡΠ΅ Π½Π΅ΠΈΡΠΏΡΠ°Π²Π½ΠΎΡΡΠΈ Π²Ρ ΡΠΌΠΎΠΆΠ΅ΡΠ΅ ΡΠ°ΠΌΠΎΡΡΠΎΡΡΠ΅Π»ΡΠ½ΠΎ ΡΡΡΡΠ°Π½ΠΈΡΡ, Π½ΠΎ Π·Π°ΠΌΠ΅Π½Ρ ΡΡΡΡΠΎΠΉΡΡΠ²Π° Π²ΡΠΏΠΎΠ»Π½ΠΈΡΡ Π²ΠΏΠΎΠ»Π½Π΅ ΡΠ΅Π°Π»ΡΠ½ΠΎ, ΠΈΡΠΏΠΎΠ»ΡΠ·ΡΡ Π΄Π»Ρ ΡΡΠΎΠ³ΠΎ ΠΏΠΎΡΠ°Π³ΠΎΠ²ΡΡ ΠΈΠ½ΡΡΡΡΠΊΡΠΈΡ.
youtube.com/embed/88DBmEksXik» frameborder=»0″ allowfullscreen=»allowfullscreen»/>
ΡΡ Π΅ΠΌΠ° ΠΈ ΡΠ΅ΠΌΠΎΠ½Ρ ΠΠ£Π ΠΈ ΠΠ£Π
Π Π°Π²ΡΠΎΠΌΠΎΠ±ΠΈΠ»ΡΡ ΠΠΠΒ ΠΡΠΈΠΎΡΠ° ΡΠ»Π΅ΠΊΡΡΠΎΡΡΠΈΠ»ΠΈΡΠ΅Π»Ρ ΡΡΠ»Ρ Π²ΡΠΏΠΎΠ»Π½ΡΠ΅Ρ ΡΡΠ½ΠΊΡΠΈΡ ΠΎΠ±Π΅ΡΠΏΠ΅ΡΠ΅Π½ΠΈΡ Π±ΠΎΠ»Π΅Π΅ ΠΎΠ±Π»Π΅Π³ΡΠ΅Π½Π½ΠΎΠ³ΠΎ ΡΠΏΡΠ°Π²Π»Π΅Π½ΠΈΡ ΡΡΠ°Π½ΡΠΏΠΎΡΡΠ½ΡΠΌ ΡΡΠ΅Π΄ΡΡΠ²ΠΎΠΌ. Π‘ ΠΏΠΎΠΌΠΎΡΡΡ ΠΠ£Π Π²ΠΎΠ΄ΠΈΡΠ΅Π»Ρ ΠΌΠΎΠΆΠ΅Ρ Π±Π΅Π· ΠΏΡΠΎΠ±Π»Π΅ΠΌ ΠΏΠΎΠ²ΠΎΡΠ°ΡΠΈΠ²Π°ΡΡ ΡΡΠ»Π΅Π²ΠΎΠ΅ ΠΊΠΎΠ»Π΅ΡΠΎ ΠΎΠ΄Π½ΠΎΠΉ ΡΡΠΊΠΎΠΉ. ΠΠ°ΠΊΠΈΠ΅ Π½Π΅ΠΈΡΠΏΡΠ°Π²Π½ΠΎΡΡΠΈ Ρ Π°ΡΠ°ΠΊΡΠ΅ΡΠ½Ρ Π΄Π»Ρ ΡΡΠΈΠ»ΠΈΡΠ΅Π»Ρ ΠΈ ΠΊΠ°ΠΊ ΠΏΡΠΎΠΈΠ·Π²Π΅ΡΡΠΈ Π·Π°ΠΌΠ΅Π½Ρ ΠΠ£Π Π² Π³Π°ΡΠ°ΠΆΠ½ΡΡ ΡΡΠ»ΠΎΠ²ΠΈΡΡ β ΠΎΠ± ΡΡΠΎΠΌ ΠΌΡ ΡΠ°ΡΡΠΊΠ°ΠΆΠ΅ΠΌ Π½ΠΈΠΆΠ΅.
ΠΠΎΠ·ΠΌΠΎΠΆΠ½ΡΠ΅ Π½Π΅ΠΈΡΠΏΡΠ°Π²Π½ΠΎΡΡΠΈ: ΠΏΡΠΈΠ·Π½Π°ΠΊΠΈ ΠΈ ΠΏΡΠΈΡΠΈΠ½Ρ
Π ΠΊΠ°ΠΊΠΈΡ ΡΠ»ΡΡΠ°ΡΡ ΠΏΡΠΎΠΈΠ·Π²ΠΎΠ΄ΠΈΡΡΡ ΡΠ°Π·Π±ΠΎΡΠΊΠ° ΠΈ ΡΠ΅ΠΌΠΎΠ½Ρ ΡΡΠ»Π΅Π²ΠΎΠΉ ΡΠ΅ΠΉΠΊΠΈ, ΠΠ£Π ΠΈ Π³ΠΈΠ΄ΡΠΎΡΡΠΈΠ»ΠΈΡΠ΅Π»Ρ, ΠΊΠ°ΠΊΠΎΠ²Π° ΡΡ Π΅ΠΌΠ° ΠΏΠΎΠ΄ΠΊΠ»ΡΡΠ΅Π½ΠΈΡ ΡΡΠΈΠ»ΠΈΡΠ΅Π»Ρ, ΠΊΠ°ΠΊΠΈΠ΅ ΡΡΠ½ΠΊΡΠΈΠΈ Π²ΡΠΏΠΎΠ»Π½ΡΠ΅Ρ Π΄Π°ΡΡΠΈΠΊ ΠΌΠΎΠΌΠ΅Π½ΡΠ°?
ΠΠ»Ρ Π½Π°ΡΠ°Π»Π° Π΄Π°Π²Π°ΠΉΡΠ΅ ΡΠ°ΡΡΠΌΠΎΡΡΠΈΠΌ ΠΎΡΠ½ΠΎΠ²Π½ΡΠ΅ Π½Π΅ΠΈΡΠΏΡΠ°Π²Π½ΠΎΡΡΠΈ ΡΠΈΡΡΠ΅ΠΌΡ, ΠΏΠΎΡΠ΅ΠΌΡ ΠΎΠ½Π° Π½Π΅ ΡΠ°Π±ΠΎΡΠ°Π΅Ρ ΠΈ ΡΠΏΠΎΡΠΎΠ±Ρ ΠΈΡ ΡΡΡΡΠ°Π½Π΅Π½ΠΈΡ:
- ΠΠ΅ΠΊΠΎΡΡΠ΅ΠΊΡΠ½Π°Ρ ΡΠ°Π±ΠΎΡΠ° ΠΈΠ»ΠΈ ΠΏΠΎΠ»ΠΎΠΌΠΊΠ° Π±Π»ΠΎΠΊΠ° ΡΠΏΡΠ°Π²Π»Π΅Π½ΠΈΡ β ΠΎΠ΄Π½Π° ΠΈΠ· ΡΠ°ΠΌΡΡ
ΡΠ»ΠΎΠΆΠ½ΡΡ
ΠΏΡΠΈΡΠΈΠ½ Π½Π΅ΡΠ°Π±ΠΎΡΠΎΡΠΏΠΎΡΠΎΠ±Π½ΠΎΡΡΠΈ ΠΠ£Π ΠΈ ΠΠ£Π Π² ΠΠ°Π΄Π΅ ΠΡΠΈΠΎΡΠ΅. ΠΡΠΈ ΡΠ°ΠΊΠΎΠΉ Π½Π΅ΠΏΠΎΠ»Π°Π΄ΠΊΠΈ Π½Π° ΡΠΊΡΠ°Π½Π΅ Π±ΠΎΡΡΠΎΠ²ΠΎΠ³ΠΎ ΠΊΠΎΠΌΠΏΡΡΡΠ΅ΡΠ° Π²ΡΡΠ²Π΅ΡΠΈΡΡΡ ΡΠΎΠΎΡΠ²Π΅ΡΡΡΠ²ΡΡΡΠ΅Π΅ ΡΠΎΠΎΠ±ΡΠ΅Π½ΠΈΠ΅ ΠΎΠ± ΠΎΡΠΈΠ±ΠΊΠ΅.
ΠΡΠ»ΠΈ Π²Ρ Π΅Π΅ ΡΠ°ΡΡΠΈΡΡΡΠ΅ΡΠ΅, ΡΠΎ ΡΠ·Π½Π°Π΅ΡΠ΅ ΠΎ ΡΠΎΠΌ, ΡΡΠΎ ΠΊΠΎΠΌΠΏΡΡΡΠ΅Ρ Π·Π°ΡΠΈΠΊΡΠΈΡΠΎΠ²Π°Π» Π½Π΅ΡΠ°Π±ΠΎΡΠΎΡΠΏΠΎΡΠΎΠ±Π½ΠΎΡΡΡ ΡΠΏΡΠ°Π²Π»ΡΡΡΠ΅Π³ΠΎ ΠΌΠΎΠ΄ΡΠ»Ρ. Π’Π°ΠΊΠΈΠ΅ ΠΏΡΠΎΠ±Π»Π΅ΠΌΡ ΠΎΠ±ΡΡΠ½ΠΎ ΡΠ²ΡΠ·Π°Π½Ρ Ρ Π½Π΅ΠΏΠΎΠ»Π°Π΄ΠΊΠ°ΠΌΠΈ Π² ΠΏΠ°ΠΉΠΊΠ΅.
Π‘ΠΊΠΎΡΠ΅Π΅ Π²ΡΠ΅Π³ΠΎ, ΠΏΡΠΈΡΠΈΠ½Π° Π·Π°ΠΊΠ»ΡΡΠ°Π΅ΡΡΡ Π² ΠΎΡΡΡΡΡΡΠ²ΠΈΠΈ ΡΠΎΠ΅Π΄ΠΈΠ½Π΅Π½ΠΈΡ Π»ΠΈΠ±ΠΎ ΠΏΠ»ΠΎΡ ΠΎΠΌ ΠΊΠΎΠ½ΡΠ°ΠΊΡΠ΅ ΡΡ Π΅ΠΌΡ ΡΡΠΈΠ»ΠΈΡΠ΅Π»Ρ Ρ ΠΊΠΎΠ½ΡΡΠΎΠ»Π»Π΅ΡΠΎΠΌ. Π’Π°ΠΊΠ°Ρ Π½Π΅ΠΈΡΠΏΡΠ°Π²Π½ΠΎΡΡΡ ΡΠ΅ΡΠ°Π΅ΡΡΡ ΠΌΠ΅ΡΠΎΠ΄ΠΎΠΌ ΡΠ΅ΠΌΠΎΠ½ΡΠ°, ΡΠΎ Π΅ΡΡΡ ΠΏΠ΅ΡΠ΅ΠΏΠ°ΠΉΠΊΠΈ, Π»ΠΈΠ±ΠΎ Π·Π°ΠΌΠ΅Π½Ρ, Π΅ΡΠ»ΠΈ ΡΠ΅ΡΡ ΠΈΠ΄Π΅Ρ ΠΎΠ± Π°Π²ΡΠΎΠΌΠΎΠ±ΠΈΠ»Π΅ Π½Π° Π³Π°ΡΠ°Π½ΡΠΈΠΈ. ΠΠΎΠ»Π΅Π΅ ΡΠΎΡΠ½ΠΎ ΡΠ·Π½Π°ΡΡ ΠΎ Π½Π΅ΠΏΠΎΠ»Π°Π΄ΠΊΠ°Ρ ΠΌΠΎΠΆΠ½ΠΎ ΠΏΡΡΠ΅ΠΌ ΠΏΡΠΎΠ²Π΅Π΄Π΅Π½ΠΈΡ ΠΊΠΎΠΌΠΏΡΡΡΠ΅ΡΠ½ΠΎΠΉ Π΄ΠΈΠ°Π³Π½ΠΎΡΡΠΈΠΊΠΈ. - ΠΡΡ
ΠΎΠ΄ ΠΈΠ· ΡΡΡΠΎΡ ΠΊΠΎΠ½ΡΡΠΎΠ»Π»Π΅ΡΠ° ΡΠΊΠΎΡΠΎΡΡΠΈ. ΠΡΠΈ ΠΏΠΎΠ»ΠΎΠΌΠΊΠ΅ Π΄Π°ΡΡΠΈΠΊΠ° ΡΠΊΠΎΡΠΎΡΡΠΈ ΡΠ»Π΅ΠΊΡΡΠΎΡΡΠΈΠ»ΠΈΡΠ΅Π»Ρ ΡΠ°ΠΌΠΎΠΏΡΠΎΠΈΠ·Π²ΠΎΠ»ΡΠ½ΠΎ ΠΎΡΠΊΠ»ΡΡΠ°Π΅ΡΡΡ ΠΈΠ»ΠΈ Π²ΠΎΠ²ΡΠ΅ Π½Π΅ ΡΠ°Π±ΠΎΡΠ°Π΅Ρ, ΠΏΡΠΈ ΡΡΠΎΠΌ Π½Π° Π΄ΠΈΡΠΏΠ»Π΅Π΅ ΠΊΠΎΠΌΠΏΡΡΡΠ΅ΡΠ° Π²ΡΡΠ²Π΅ΡΠΈΡΡΡ ΠΎΡΠΈΠ±ΠΊΠ° ΠΎ Π½Π΅ΡΠ°Π±ΠΎΡΠΎΡΠΏΠΎΡΠΎΠ±Π½ΠΎΡΡΠΈ. Π Π΄Π°Π½Π½ΠΎΠΌ ΡΠ»ΡΡΠ°Π΅ ΠΌΠΎΠΆΠ½ΠΎ ΠΏΠΎΠΏΡΡΠ°ΡΡΡΡ ΠΏΠ΅ΡΠ΅Π½Π°ΡΡΡΠΎΠΈΡΡ Π΄Π΅Π²Π°ΠΉΡ ΠΈΠ»ΠΈ ΠΏΠΎΠΌΠ΅Π½ΡΡΡ ΠΏΠΎΠ²ΡΠ΅ΠΆΠ΄Π΅Π½Π½ΡΠ΅ ΡΡΠ°ΡΡΠΊΠΈ ΡΠ»Π΅ΠΊΡΡΠΎΡΠ΅ΠΏΠΈ Π² ΠΌΠ΅ΡΡΠ΅ ΡΠΎΠ΅Π΄ΠΈΠ½Π΅Π½ΠΈΡ Π΄Π°ΡΡΠΈΠΊΠ° Ρ Π±Π»ΠΎΠΊΠΎΠΌ ΡΠΏΡΠ°Π²Π»Π΅Π½ΠΈΡ. ΠΠ½ΠΎΠ³Π΄Π° ΠΏΡΠΈΡΠΈΠ½Π° ΠΊΡΠΎΠ΅ΡΡΡ Π² ΠΏΠ»ΠΎΡ
ΠΎΠΌ ΠΊΠΎΠ½ΡΠ°ΠΊΡΠ΅ Π΄Π°ΡΡΠΈΠΊΠ° Ρ Π±ΠΎΡΡΠΎΠ²ΠΎΠΉ ΡΠ΅ΡΡΡ, ΡΠΎΠ³Π΄Π° ΡΠ°Π·ΡΠ΅ΠΌ Π½ΡΠΆΠ½ΠΎ Π±ΡΠ΄Π΅Ρ ΠΏΡΠΎΡΡΠΎ ΠΏΠΎΠΏΡΠ°Π²ΠΈΡΡ. ΠΡΠ»ΠΈ Π½Π΅ΠΈΡΠΏΡΠ°Π²Π½ΠΎΡΡΡ ΡΠ²ΡΠ·Π°Π½Π° Ρ Π½Π΅ΡΠ°Π±ΠΎΡΠ°ΡΡΠΈΠΌ Π΄Π°ΡΡΠΈΠΊΠΎΠΌ, ΡΠΎ ΡΡΡΡΠΎΠΉΡΡΠ²ΠΎ ΠΏΠΎΠ΄Π»Π΅ΠΆΠΈΡ ΡΠ½ΡΡΠΈΡ ΠΈ Π·Π°ΠΌΠ΅Π½Π΅.

- Π ΡΠ»Π΅Π²ΠΎΠ΅ ΠΊΠΎΠ»Π΅ΡΠΎ ΠΏΡΠΎΠ²ΠΎΡΠ°ΡΠΈΠ²Π°Π΅ΡΡΡ Ρ Π±ΠΎΠ»ΡΡΠΈΠΌ ΡΡΡΠ΄ΠΎΠΌ. Π ΠΏΠ΅ΡΠ²ΡΡ ΠΎΡΠ΅ΡΠ΅Π΄Ρ ΠΏΡΠΈΡΠΈΠ½Ρ ΡΠ»Π΅Π΄ΡΠ΅Ρ ΠΈΡΠΊΠ°ΡΡ Π² ΠΎΡΡΡΡΡΡΠ²ΠΈΠΈ ΡΠΌΠ°Π·ΠΊΠΈ. ΠΡΠ»ΠΈ ΠΌΠ°ΡΠ»Π° Π² ΡΠΈΡΡΠ΅ΠΌΠ΅ ΠΌΠ°Π»ΠΎ, ΡΠΎ ΡΡΠ»Ρ Π±ΡΠ΄Π΅Ρ ΡΡΠΆΠ΅Π»ΠΎ ΠΏΠΎΠ²ΠΎΡΠ°ΡΠΈΠ²Π°ΡΡΡΡ, ΠΏΡΠΈ ΡΡΠΎΠΌ Π²ΠΎ Π²ΡΠ΅ΠΌΡ Π²ΡΠ°ΡΠ΅Π½ΠΈΠΉ ΠΌΠΎΠΆΠ΅Ρ ΡΠ»ΡΡΠ°ΡΡΡΡ Π½Π΅Ρ Π°ΡΠ°ΠΊΡΠ΅ΡΠ½ΡΠΉ ΡΡΠΌ ΠΈΠ»ΠΈ ΡΠΊΡΠΈΠΏ. ΠΡΠΎΠ²Π΅ΡΡΡΠ΅ ΡΡΠΎΠ²Π΅Π½Ρ ΡΠΌΠ°Π·ΠΊΠΈ ΠΈ Π΄ΠΎΠ±Π°Π²ΡΡΠ΅ ΠΌΠ°ΡΠ»ΠΎ ΠΏΡΠΈ Π½Π΅ΠΎΠ±Ρ ΠΎΠ΄ΠΈΠΌΠΎΡΡΠΈ.
- ΠΠ»ΠΈΡΠ΅Π»ΡΠ½Π°Ρ ΡΠΊΡΠΏΠ»ΡΠ°ΡΠ°ΡΠΈΡ ΡΠ»Π΅ΠΊΡΡΠΎΡΡΠΈΠ»ΠΈΡΠ΅Π»Ρ Ρ ΠΎΡΡΡΡΡΡΠ²ΠΈΠ΅ΠΌ ΡΠΌΠ°Π·ΠΊΠΈ ΠΌΠΎΠΆΠ΅Ρ ΠΏΡΠΈΠ²Π΅ΡΡΠΈ ΠΊ ΠΏΠΎΠ»ΠΎΠΌΠΊΠ΅ Π½Π°ΡΠΎΡΠ°. ΠΠ΅ΠΈΡΠΏΡΠ°Π²Π½ΠΎΡΡΡ ΡΠΎΠΏΡΠΎΠ²ΠΎΠΆΠ΄Π°Π΅ΡΡΡ Π½Π΅Ρ Π°ΡΠ°ΠΊΡΠ΅ΡΠ½ΡΠΌΠΈ Π΄Π»Ρ ΡΠ°Π±ΠΎΡΡ ΠΠ£Π Π·Π²ΡΠΊΠ°ΠΌΠΈ, Π° ΡΠ°ΠΊΠΆΠ΅ ΡΡΡΠ΄Π½ΡΠΌ Π²ΡΠ°ΡΠ΅Π½ΠΈΠ΅ΠΌ ΡΡΠ»Ρ. ΠΡΠ»ΠΈ Π½Π°ΡΠΎΡ ΠΏΠΎΠ΄Π»Π΅ΠΆΠΈΡ ΡΠ΅ΠΌΠΎΠ½ΡΡ, ΡΠΎ ΠΌΠΎΠΆΠ½ΠΎ ΡΡΠΈΡΠ°ΡΡ, ΡΡΠΎ Π²Π°ΠΌ ΠΏΠΎΠ²Π΅Π·Π»ΠΎ, Π΅ΡΠ»ΠΈ ΠΆΠ΅ Π½Π΅ ΠΏΠΎΠ΄Π»Π΅ΠΆΠΈΡ, ΡΠΎ ΡΡΡΡΠΎΠΉΡΡΠ²ΠΎ ΠΏΡΠΈΠ΄Π΅ΡΡΡ ΠΌΠ΅Π½ΡΡΡ.
- ΠΠ΅ΠΈΡΠΏΡΠ°Π²Π½ΠΎΡΡΡΠΌ Π² ΡΠ°Π±ΠΎΡΠ΅ ΡΠ»Π΅ΠΊΡΡΠΎΡΡΠΈΠ»ΠΈΡΠ΅Π»Ρ ΠΌΠΎΠΆΠ΅Ρ ΡΠΏΠΎΡΠΎΠ±ΡΡΠ²ΠΎΠ²Π°ΡΡ ΠΈ ΡΠ½ΠΈΠΆΠ΅Π½Π½ΠΎΠ΅ Π½Π°ΠΏΡΡΠΆΠ΅Π½ΠΈΠ΅ Π² ΡΠ»Π΅ΠΊΡΡΠΎΡΠ΅ΡΠΈ ΠΌΠ°ΡΠΈΠ½Ρ. ΠΡΠ»ΠΈ Π½Π°ΠΏΡΡΠΆΠ΅Π½ΠΈΠ΅ Π² Π±ΠΎΡΡΠΎΠ²ΠΎΠΉ ΡΠ΅ΡΠΈ Π΄Π΅ΠΉΡΡΠ²ΠΈΡΠ΅Π»ΡΠ½ΠΎ ΡΠΊΠ°ΡΠ΅Ρ, ΡΠΎ ΠΈΠ·Π½Π°ΡΠ°Π»ΡΠ½ΠΎΒ ΡΠ»Π΅Π΄ΡΠ΅Ρ ΠΏΡΠΎΠΈΠ·Π²Π΅ΡΡΠΈ ΠΏΡΠΎΠ²Π΅ΡΠΊΡ Π³Π΅Π½Π΅ΡΠ°ΡΠΎΡΠ° ΠΈ ΡΠ»Π΅ΠΊΡΡΠΎΡΠ΅ΠΏΠΈ Π΅Π³ΠΎ ΠΏΠΎΠ΄ΠΊΠ»ΡΡΠ΅Π½ΠΈΡ. ΠΠ»Ρ Π΄ΠΈΠ°Π³Π½ΠΎΡΡΠΈΠΊΠΈ ΡΠ΅ΠΊΠΎΠΌΠ΅Π½Π΄ΡΠ΅ΡΡΡ ΠΈΡΠΏΠΎΠ»ΡΠ·ΠΎΠ²Π°ΡΡ ΠΌΡΠ»ΡΡΠΈΠΌΠ΅ΡΡ ΠΈΠ»ΠΈ Π²ΠΎΠ»ΡΡΠΌΠ΅ΡΡ (Π°Π²ΡΠΎΡ Π²ΠΈΠ΄Π΅ΠΎ β ΠΠ»Π΅ΠΊΡΠ°Π½Π΄Ρ ΠΠΎΠ³ΠΈΠ½ΠΎΠ²).
youtube.com/embed/mKEltzHcbhw?rel=0″ frameborder=»0″ allowfullscreen=»allowfullscreen»/>
Π‘ΠΏΠΎΡΠΎΠ±Ρ ΠΎΠΏΡΠ΅Π΄Π΅Π»Π΅Π½ΠΈΡ ΠΌΠ΅Ρ Π°Π½ΠΈΡΠ΅ΡΠΊΠΈΡ ΠΏΠΎΠ²ΡΠ΅ΠΆΠ΄Π΅Π½ΠΈΠΉ ΠΠ£Π ΠΈ ΡΡΠ»Π΅Π²ΡΡ ΠΌΠ΅Ρ Π°Π½ΠΈΠ·ΠΌΠΎΠ²
ΠΡΠΎΠ²Π΅ΡΠΊΠ° ΠΌΠ΅Ρ Π°Π½ΠΈΡΠ΅ΡΠΊΠΈΡ ΠΏΠΎΠ²ΡΠ΅ΠΆΠ΄Π΅Π½ΠΈΠΉ ΠΏΡΠΎΠΈΠ·Π²ΠΎΠ΄ΠΈΡΡΡ ΡΠΎΠ»ΡΠΊΠΎ ΡΠΎΠ³Π΄Π°, ΠΊΠΎΠ³Π΄Π° ΠΠ£Π Π² ΡΠ΅Π»ΠΎΠΌ ΡΡΠ½ΠΊΡΠΈΠΎΠ½ΠΈΡΡΠ΅Ρ Π½Π΅ΠΊΠΎΡΡΠ΅ΠΊΡΠ½ΠΎ, Π½ΠΎ Π½Π° Π΄ΠΈΡΠΏΠ»Π΅Π΅ Π±ΠΎΡΡΠΎΠ²ΠΎΠ³ΠΎ ΠΊΠΎΠΌΠΏΡΡΡΠ΅ΡΠ° Π½Π΅Ρ ΠΎΡΠΈΠ±ΠΎΠΊ. ΠΠ»Ρ Π΄ΠΈΠ°Π³Π½ΠΎΡΡΠΈΠΊΠΈ ΠΌΠ΅Ρ Π°Π½ΠΈΡΠ΅ΡΠΊΠΈΡ ΠΏΠΎΠ»ΠΎΠΌΠΎΠΊ ΡΠ»Π΅Π΄ΡΠ΅Ρ ΠΏΠΎΠ²Π΅ΡΠ½ΡΡΡ ΡΡΠ»Ρ Π² ΡΠ°Π·Π½ΡΠ΅ ΡΡΠΎΡΠΎΠ½Ρ Π΄ΠΎ ΡΠΏΠΎΡΠ° ΠΏΡΠΈ Π·Π°ΠΏΡΡΠ΅Π½Π½ΠΎΠΌ ΠΌΠΎΡΠΎΡΠ΅. Π Π°Π·ΡΠΌΠ΅Π΅ΡΡΡ, ΠΏΡΠΈ ΡΡΠΎΠΌ ΠΌΠ°ΡΠΈΠ½Π° Π΄ΠΎΠ»ΠΆΠ½Π° Π½Π°Ρ ΠΎΠ΄ΠΈΡΡΡΡ Π½Π° ΠΎΠ΄Π½ΠΎΠΌ ΠΌΠ΅ΡΡΠ΅. ΠΡΠ»ΠΈ ΠΏΡΠΈ Π²ΡΠ°ΡΠ΅Π½ΠΈΠΈ ΡΡΠ»Π΅Π²ΠΎΠ³ΠΎ ΠΊΠΎΠ»Π΅ΡΠ° Π²Π°ΠΌ ΠΏΡΠΈΡ ΠΎΠ΄ΠΈΡΡΡ ΠΏΡΠΈΠΊΠ»Π°Π΄ΡΠ²Π°ΡΡ Π·Π½Π°ΡΠΈΡΠ΅Π»ΡΠ½ΠΎ Π±ΠΎΠ»ΡΡΠ΅ ΡΡΠΈΠ»ΠΈΠΉ, ΡΠ΅ΠΌ Π²ΡΠ΅Π³Π΄Π°, ΡΡΠΎ Π³ΠΎΠ²ΠΎΡΠΈΡ ΠΎ Π½Π΅ΠΈΡΠΏΡΠ°Π²Π½ΠΎΡΡΠΈ Π² ΡΠ°Π±ΠΎΡΠ΅ ΡΠΈΡΡΠ΅ΠΌΡ ΠΈ ΠΏΠΎΠ»ΠΎΠΌΠΊΠ΅ ΠΎΠ΄Π½ΠΎΠ³ΠΎ ΠΈΠ· ΠΊΠΎΠΌΠΏΠΎΠ½Π΅Π½ΡΠΎΠ². Π’Π°ΠΊΠ°Ρ ΠΆΠ΅ Π½Π΅ΠΏΠΎΠ»Π°Π΄ΠΊΠ° ΠΌΠΎΠΆΠ΅Ρ ΡΠ²ΠΈΠ΄Π΅ΡΠ΅Π»ΡΡΡΠ²ΠΎΠ²Π°ΡΡ ΠΎ Π²ΡΡ ΠΎΠ΄Π΅ ΠΈΠ· ΡΡΡΠΎΡ Π΄ΡΡΠ³ΠΈΡ ΡΠΎΡΡΠ°Π²Π»ΡΡΡΠΈΡ ΡΡΠ»Π΅Π²ΠΎΠΉ ΡΠΈΡΡΠ΅ΠΌΡ.
ΠΠ»Ρ Π±ΠΎΠ»Π΅Π΅ ΡΠΎΡΠ½ΠΎΠ³ΠΎ ΠΎΠΏΡΠ΅Π΄Π΅Π»Π΅Π½ΠΈΡ Π½Π΅ΠΏΠΎΠ»Π°Π΄ΠΎΠΊ ΡΠ»Π΅Π΄ΡΠ΅Ρ ΠΎΡΡΡΠ΅ΡΡΠ²ΠΈΡΡ ΡΡΠ°ΡΠ΅Π»ΡΠ½ΡΡ ΠΏΡΠΎΠ²Π΅ΡΠΊΡ ΡΠ°Π±ΠΎΡΠΎΡΠΏΠΎΡΠΎΠ±Π½ΠΎΡΡΠΈ. ΠΠ°ΠΌ Π½ΡΠΆΠ½ΠΎ Π±ΡΠ΄Π΅Ρ Π·Π°Π³Π½Π°ΡΡ ΡΠ²ΠΎΡ ΠΠ°Π΄Ρ ΠΡΠΈΠΎΡΡ Π½Π° ΡΡΡΠ°ΠΊΠ°Π΄Ρ, ΡΠΌΡ Π»ΠΈΠ±ΠΎ ΠΏΠΎΠ΄ΡΠ΅ΠΌΠ½ΠΈΠΊ, ΠΏΠΎΡΠ»Π΅ ΡΠ΅Π³ΠΎ Π²Π½ΠΈΠΌΠ°ΡΠ΅Π»ΡΠ½ΠΎ ΠΏΡΠΎΠΈΠ·Π²Π΅ΡΡΠΈ Π΄ΠΈΠ°Π³Π½ΠΎΡΡΠΈΠΊΡ Π²ΡΠ΅Ρ
ΡΠΎΡΡΠ°Π²Π»ΡΡΡΠΈΡ
Ρ
ΠΎΠ΄ΠΎΠ²ΠΎΠΉ ΡΠ°ΡΡΠΈ.
ΠΡΠΆΠ½ΠΎ ΠΏΡΠΎΠ²Π΅ΡΠΈΡΡ ΡΠ΅ΠΉΠΊΠΈ, ΡΡΠ»Π΅Π²ΡΠ΅ ΡΡΠ³ΠΈ ΠΈ ΠΏΡΠΎΡΠΈΠ΅ ΠΊΠΎΠΌΠΏΠΎΠ½Π΅Π½ΡΡ, ΠΏΠΎΡΠΊΠΎΠ»ΡΠΊΡ Π΅ΡΡΡ Π²Π΅ΡΠΎΡΡΠ½ΠΎΡΡΡ, ΡΡΠΎ ΡΠ°ΠΌ ΡΡΠΈΠ»ΠΈΡΠ΅Π»Ρ ΡΠ°Π±ΠΎΡΠΈΠΉ, Π° ΠΏΡΠΈΠ·Π½Π°ΠΊΠΈ Π½Π΅ΠΈΡΠΏΡΠ°Π²Π½ΠΎΡΡΠΈ ΡΠ²ΡΠ·Π°Π½Ρ Ρ Π΄ΡΡΠ³ΠΈΠΌΠΈ Π½Π΅ΠΏΠΎΠ»Π°Π΄ΠΊΠ°ΠΌΠΈ. ΠΠ»Ρ ΠΎΠ±ΡΠ»ΡΠΆΠΈΠ²Π°Π½ΠΈΡ ΡΠ»Π΅ΠΊΡΡΠΎΡΡΠΈΠ»ΠΈΡΠ΅Π»Ρ Π² Π΄ΠΎΠΌΠ°ΡΠ½ΠΈΡ
ΡΡΠ»ΠΎΠ²ΠΈΡΡ
Π²Π°ΠΌ ΠΏΡΠΈΠ΄Π΅ΡΡΡ ΠΏΠΎΠ»Π½ΠΎΡΡΡΡ ΡΠ°Π·ΠΎΠ±ΡΠ°ΡΡ ΡΠΈΡΡΠ΅ΠΌΡ, ΠΎΡΠΈΡΡΠΈΡΡ Π΅Π΅ ΡΠΎΡΡΠ°Π²Π»ΡΡΡΠΈΠ΅ ΠΈ ΡΠΎΠ±ΡΠ°ΡΡ ΠΎΠ±ΡΠ°ΡΠ½ΠΎ.
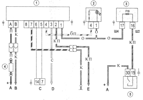
Π‘Ρ Π΅ΠΌΠ° ΡΠ°ΡΠΏΠΈΠ½ΠΎΠ²ΠΊΠΈ ΠΈ ΠΎΠ±ΠΎΠ·Π½Π°ΡΠ΅Π½ΠΈΠΉ ΠΊΠΎΠ½ΡΠ°ΠΊΡΠΎΠ² ΠΠ£Π
Π‘Π°ΠΌΠΎΡΡΠΎΡΡΠ΅Π»ΡΠ½ΠΎΠ΅ ΡΠ½ΡΡΠΈΠ΅ ΠΈ ΡΡΡΠ°Π½ΠΎΠ²ΠΊΠ° ΡΡΠΈΠ»ΠΈΡΠ΅Π»Ρ
ΠΡΠΎΡΠ΅Π΄ΡΡΡ Π΄Π΅ΠΌΠΎΠ½ΡΠ°ΠΆΠ° ΠΈ ΡΡΡΠ°Π½ΠΎΠ²ΠΊΠΈ Π½ΠΎΠ²ΠΎΠ³ΠΎ ΡΠ»Π΅ΠΊΡΡΠΎΡΡΠΈΠ»ΠΈΡΠ΅Π»Ρ ΠΌΠΎΠΆΠ½ΠΎ Π²ΡΠΏΠΎΠ»Π½ΠΈΡΡ ΡΠ²ΠΎΠΈΠΌΠΈ ΡΡΠΊΠ°ΠΌΠΈ, Π½ΠΎ Π΄Π»Ρ ΡΡΠΎΠ³ΠΎ Π²Π°ΠΌ Π½Π°Π΄ΠΎ Π±ΡΠ΄Π΅Ρ ΠΏΡΠΈΠ³ΠΎΡΠΎΠ²ΠΈΡΡ Π²ΡΠ΅ ΠΈΠ½ΡΡΡΡΠΌΠ΅Π½ΡΡ. ΠΠ»Ρ Π²ΡΠΏΠΎΠ»Π½Π΅Π½ΠΈΡ ΡΠ°Π±ΠΎΡ Π²Π°ΠΌ ΠΏΠΎΡΡΠ΅Π±ΡΡΡΡΡ Π΄Π²Π΅ ΠΎΡΠ²Π΅ΡΡΠΊΠΈ β ΠΎΠ΄Π½Π° Ρ ΠΏΠ»ΠΎΡΠΊΠΈΠΌ Π½Π°ΠΊΠΎΠ½Π΅ΡΠ½ΠΈΠΊΠΎΠΌ, Π΄ΡΡΠ³Π°Ρ β Ρ ΠΊΡΠ΅ΡΡΠΎΠ²ΡΠΌ. Π’Π°ΠΊΠΆΠ΅ ΠΏΠΎΠ½Π°Π΄ΠΎΠ±ΠΈΡΡΡ ΠΈ Π½Π°Π±ΠΎΡ Π³Π°Π΅ΡΠ½ΡΡ ΠΊΠ»ΡΡΠ΅ΠΉ Ρ ΡΠΎΡΡΠ΅Π²ΡΠΌΠΈ Π³ΠΎΠ»ΠΎΠ²ΠΊΠ°ΠΌΠΈ.
ΠΠ°ΠΊ Π²ΡΠΏΠΎΠ»Π½ΠΈΡΡ Π·Π°Π΄Π°ΡΡ ΠΏΠΎ ΡΠ½ΡΡΠΈΡ ΠΈ ΡΡΡΠ°Π½ΠΎΠ²ΠΊΠ΅ ΡΠ²ΠΎΠΈΠΌΠΈ ΡΡΠΊΠ°ΠΌΠΈ:
- ΠΠ΅ΡΠ΅Π΄ Π²ΡΠΏΠΎΠ»Π½Π΅Π½ΠΈΠ΅ΠΌ ΡΠ°Π±ΠΎΡ Π½ΡΠΆΠ½ΠΎ Π±ΡΠ΄Π΅Ρ ΠΎΠ±Π΅ΡΡΠΎΡΠΈΡΡ Π±ΠΎΡΡΠΎΠ²ΡΡ ΡΠ΅ΡΡ Π²Π°ΡΠ΅ΠΉ ΠΡΠΈΠΎΡΡ. Π§ΡΠΎΠ±Ρ ΡΠ΄Π΅Π»Π°ΡΡ ΡΡΠΎ, Π²ΡΠΊΠ»ΡΡΠΈΡΠ΅ Π·Π°ΠΆΠΈΠ³Π°Π½ΠΈΠ΅, Π° Π·Π°ΡΠ΅ΠΌ ΠΎΡΠΊΡΠΎΠΉΡΠ΅ ΠΊΠ°ΠΏΠΎΡ ΠΈ ΠΎΡΠΊΠ»ΡΡΠΈΡΠ΅ Π°ΠΊΠΊΡΠΌΡΠ»ΡΡΠΎΡΠ½ΡΡ Π±Π°ΡΠ°ΡΠ΅Ρ ΠΎΡ ΠΏΠΈΡΠ°Π½ΠΈΡ. ΠΠΎΡΠ»Π΅ ΡΡΠΎΠ³ΠΎ Π²Π°ΠΌ ΠΏΠΎΡΡΠ΅Π±ΡΠ΅ΡΡΡ ΡΠ½ΡΡΡ ΡΡΠ»Π΅Π²ΠΎΠ΅ ΠΊΠΎΠ»Π΅ΡΠΎ, Π½ΠΎ ΠΏΠ΅ΡΠ΅Π΄ ΡΡΠΈΠΌ Π΄Π΅ΠΌΠΎΠ½ΡΠΈΡΡΠΉΡΠ΅ ΠΏΠ»Π°ΡΡΠΌΠ°ΡΡΠΎΠ²ΡΡ Π½Π°ΠΊΠ»Π°Π΄ΠΊΡ, ΡΠ°ΡΠΏΠΎΠ»ΠΎΠΆΠ΅Π½Π½ΡΡ ΠΏΠΎΠ΄ ΡΡΠ»Π΅ΠΌ ΠΈ ΠΏΠΎΠ΄ ΠΏΡΠΈΠ±ΠΎΡΠ½ΠΎΠΉ ΠΏΠ°Π½Π΅Π»ΡΡ.
ΠΠΎΠΆΡΡ
ΠΊΡΠ΅ΠΏΠΈΡΡΡ Π½Π° Π½Π΅ΡΠΊΠΎΠ»ΡΠΊΠΎ Π±ΠΎΠ»ΡΠΎΠ², ΠΈΡ
Π½Π°Π΄ΠΎ Π²ΡΠΊΡΡΡΠΈΡΡ ΠΈ ΠΎΡΠ»ΠΎΠΆΠΈΡΡ Π² ΡΡΠΎΡΠΎΠ½Ρ. Π‘Π½ΡΡΠΈΠ΅ ΡΡΠ»Π΅Π²ΠΎΠ³ΠΎ ΠΊΠΎΠ»Π΅ΡΠ° ΠΎΡΡΡΠ΅ΡΡΠ²Π»ΡΠ΅ΡΡΡ Ρ ΡΡΠ΅ΡΠΎΠΌ ΡΠ΅ΠΊΠΎΠΌΠ΅Π½Π΄Π°ΡΠΈΠΉ, ΠΎΠΏΠΈΡΠ°Π½Π½ΡΡ
Π² ΡΠ΅ΡΠ²ΠΈΡΠ½ΠΎΠΌ ΠΌΠ°Π½ΡΠ°Π»Π΅. - ΠΠΎΠ³Π΄Π° Π½Π°ΠΊΠ»Π°Π΄ΠΊΠ° Π±ΡΠ΄Π΅Ρ Π΄Π΅ΠΌΠΎΠ½ΡΠΈΡΠΎΠ²Π°Π½Π° Π²ΠΌΠ΅ΡΡΠ΅ Ρ ΡΡΠ»Π΅ΠΌ, Π²Ρ ΡΠ²ΠΈΠ΄ΠΈΡΠ΅ ΡΠ°Π·ΡΠ΅ΠΌΡ ΠΏΠΎΠ΄ΡΡΠ»Π΅Π²ΡΡ ΠΏΠ΅ΡΠ΅ΠΊΠ»ΡΡΠ°ΡΠ΅Π»Π΅ΠΉ, ΠΊ ΠΊΠΎΡΠΎΡΡΠΌ ΠΏΠΎΠ΄Π²ΠΎΠ΄ΡΡΡΡ ΠΏΡΠΎΠ²ΠΎΠ΄Π°. ΠΡΠΈ ΡΡΠ΅ΠΊΠ΅ΡΡ Π½ΡΠΆΠ½ΠΎ Π±ΡΠ΄Π΅Ρ ΠΎΡΠΊΠ»ΡΡΠΈΡΡ. Π’Π°ΠΊΠΆΠ΅ Π΄Π΅ΠΌΠΎΠ½ΡΠ°ΠΆΡ ΠΏΠΎΠ΄Π»Π΅ΠΆΠΈΡ ΠΈ ΠΊΠΎΠ½ΡΠ°ΠΊΡΠ½ΠΎΠ΅ ΠΊΠΎΠ»ΡΡΠΎ.
- ΠΡΠΈ ΠΏΠΎΠΌΠΎΡΠΈ ΠΊΠ»ΡΡΠ° Ρ Π³ΠΎΠ»ΠΎΠ²ΠΊΠΎΠΉ Π½Π° 8 Π²Π°ΠΌ ΠΏΠΎΡΡΠ΅Π±ΡΠ΅ΡΡΡ Π²ΡΠΊΡΡΡΠΈΡΡ Π±ΠΎΠ»Ρ, ΠΊΠΎΡΠΎΡΡΠΉ ΠΊΡΠ΅ΠΏΠΈΡ ΡΠ°Π·ΡΠ΅ΠΌ Ρ ΠΏΡΠΎΠ²ΠΎΠ΄Π°ΠΌΠΈ ΠΎΡ Π²ΡΠΊΠ»ΡΡΠ°ΡΠ΅Π»Ρ Π·Π°ΠΆΠΈΠ³Π°Π½ΠΈΡ. ΠΡΠ»ΠΎΠΆΠΈΡΠ΅ Π±ΠΎΠ»Ρ Π² ΡΡΠΎΡΠΎΠ½Ρ, ΡΡΠΎΠ±Ρ Π½Π΅ ΠΏΠΎΡΠ΅ΡΡΡΡ.
- ΠΠΎΠ³Π΄Π° ΡΡΠΈ Π΄Π΅ΠΉΡΡΠ²ΠΈΡ Π±ΡΠ΄ΡΡ Π²ΡΠΏΠΎΠ»Π½Π΅Π½Ρ, Π½Π°ΠΆΠΌΠΈΡΠ΅ Π½Π° ΠΏΠ»Π°ΡΡΠΈΠΊΠΎΠ²ΡΠ΅ ΠΊΡΠ΅ΠΏΠ»Π΅Π½ΠΈΡ ΠΈ ΠΎΡΠΊΠ»ΡΡΠΈΡΠ΅ ΡΠ°Π·ΡΠ΅ΠΌΡ Ρ ΠΏΡΠΎΠ²ΠΎΠ΄ΠΊΠΎΠΉ Π² Π²Π΅ΡΡ Π½Π΅ΠΉ ΠΈ Π½ΠΈΠΆΠ½Π΅ΠΉ ΡΠ°ΡΡΠΈ ΡΡΠ»Π΅Π²ΠΎΠΉ ΠΊΠΎΠ»ΠΎΠ½ΠΊΠΈ.
- Π‘Π΄Π΅Π»Π°Π² ΡΡΠΎ, Π² ΠΌΠ΅ΡΡΠ΅ ΡΠΈΠΊΡΠ°ΡΠΈΠΈ ΡΠ»Π΅ΠΊΡΡΠΈΡΠ΅ΡΠΊΠΎΠ³ΠΎ ΡΡΠΈΠ»ΠΈΡΠ΅Π»Ρ Π½Π΅ΠΏΠΎΡΡΠ΅Π΄ΡΡΠ²Π΅Π½Π½ΠΎ ΠΊ ΠΊΠΎΠ»ΠΎΠ½ΠΊΠ΅ Π²Ρ ΡΠ²ΠΈΠ΄ΠΈΡΠ΅ ΠΏΠ»Π°ΡΡΠΈΠΊΠΎΠ²ΡΡ ΡΡΠΎΡΠΊΡ. ΠΠ°ΠΌ Π½ΡΠΆΠ½ΠΎ Π±ΡΠ΄Π΅Ρ Π΅Π΅ ΡΠ½ΡΡΡ, Π΄Π»Ρ ΡΡΠΎΠ³ΠΎ ΡΠ°ΠΊΠΆΠ΅ ΠΏΠΎΡΡΠ΅Π±ΡΠ΅ΡΡΡ ΠΎΡΡΠΎΠ΅Π΄ΠΈΠ½ΠΈΡΡ ΠΊΡΠ΅ΠΏΠ»Π΅Π½ΠΈΡ.
- ΠΡΠΈ ΠΏΠΎΠΌΠΎΡΠΈ ΡΠΎΡΡΠ΅Π²ΠΎΠ³ΠΎ Π³Π°Π΅ΡΠ½ΠΎΠ³ΠΎ ΠΊΠ»ΡΡΠ° Π²Π°ΠΌ Π½Π°Π΄ΠΎ Π±ΡΠ΄Π΅Ρ Π½Π΅Π·Π½Π°ΡΠΈΡΠ΅Π»ΡΠ½ΠΎ ΠΎΡΠ»Π°Π±ΠΈΡΡ Π³Π°ΠΉΠΊΠΈ, Ρ ΠΏΠΎΠΌΠΎΡΡΡ ΠΊΠΎΡΠΎΡΡΡ
ΠΊΡΠ΅ΠΏΠΈΡΡΡ ΡΡΠΈΠ»ΠΈΡΠ΅Π»Ρ ΠΊ Π½ΠΈΠΆΠ½Π΅ΠΉ ΡΠ°ΡΡΠΈ ΠΊΠΎΠ»ΠΎΠ½ΠΊΠΈ.
ΠΠΌΠ΅Π½Π½ΠΎ ΠΎΡΠ»Π°Π±ΠΈΡΡ, Π° Π½Π΅ Π²ΡΠΊΡΡΡΠΈΠ²Π°ΡΡ. ΠΠΎΠ³Π΄Π° Π³Π°ΠΉΠΊΠΈ Π±ΡΠ΄ΡΡ ΠΎΡΠ»Π°Π±Π»Π΅Π½Ρ, Π½ΡΠΆΠ½ΠΎ Π΄Π΅ΠΌΠΎΠ½ΡΠΈΡΠΎΠ²Π°ΡΡ ΡΠ»Π΅ΠΊΡΡΠΎΡΡΠΈΠ»ΠΈΡΠ΅Π»Ρ ΠΈΠ· ΠΏΠΎΡΠ°Π΄ΠΎΡΠ½ΠΎΠ³ΠΎ ΠΌΠ΅ΡΡΠ°, Π΅Π³ΠΎ ΡΠ½ΡΡΠΈΠ΅ ΠΎΡΡΡΠ΅ΡΡΠ²Π»ΡΠ΅ΡΡΡ Ρ ΠΏΡΠΎΠΌΠ΅ΠΆΡΡΠΎΡΠ½ΡΠΌ Π²Π°Π»ΠΎΠΌ. ΠΠΎ ΠΌΡ ΡΠ΅ΠΊΠΎΠΌΠ΅Π½Π΄ΡΠ΅ΠΌ Π²ΡΠ΅ ΠΆΠ΅ ΠΎΡΡΠΎΠ΅Π΄ΠΈΠ½ΠΈΡΡ ΡΡΠΈΠ»ΠΈΡΠ΅Π»Ρ ΠΎΡ Π²Π°Π»Π°, ΡΡΠΎ ΠΏΠΎΠ·Π²ΠΎΠ»ΠΈΡ Π±ΡΡΡΡΠΎ ΠΎΡΠΈΡΡΠΈΡΡ ΠΠ£Π ΠΈ ΡΠΏΡΠΎΡΡΠΈΡΡ ΠΏΡΠΎΡΠ΅Π΄ΡΡΡ ΠΌΠΎΠ½ΡΠ°ΠΆΠ°.
ΠΠ»Ρ ΠΎΡΡΠΎΠ΅Π΄ΠΈΠ½Π΅Π½ΠΈΡ Π²Π°Π»Π° Π²Π°ΠΌ Π½Π°Π΄ΠΎ Π±ΡΠ΄Π΅Ρ ΠΎΡΠΊΡΡΡΠΈΡΡ Π²ΠΈΠ½Ρ, ΠΊΠΎΡΠΎΡΡΠΉ ΠΊΡΠ΅ΠΏΠΈΡ ΠΊΠ°ΡΠ΄Π°Π½Π½ΡΠΉ ΡΠ°ΡΠ½ΠΈΡ Π½Π° Π²Π°Π»Ρ, Ρ ΠΏΠΎΠΌΠΎΡΡΡ Π³Π°Π΅ΡΠ½ΠΎΠ³ΠΎ ΠΊΠ»ΡΡΠ° Π½Π° 13. Π‘Π΄Π΅Π»Π°Π² ΡΡΠΎ, Π½Π°Π΄ΠΎ Π±ΡΠ΄Π΅Ρ ΡΠ°ΠΊΠΆΠ΅ Π²ΡΠΊΡΡΡΠΈΡΡ Π΄Π²Π΅ Π³Π°ΠΉΠΊΠΈ, ΡΠ°ΡΠΏΠΎΠ»ΠΎΠΆΠ΅Π½Π½ΡΠ΅ Π½Π° ΡΠΎΡΡΠ΅Π²ΡΡ ΡΠ°ΡΡΡΡ , ΠΏΠΎΡΠ»Π΅ ΡΠ΅Π³ΠΎ Π²ΡΡ ΡΡΠ»Π΅Π²Π°Ρ ΠΊΠΎΠ»ΠΎΠ½ΠΊΠ° ΠΏΠΎΠ΄Π»Π΅ΠΆΠΈΡ ΡΠ½ΡΡΠΈΡ. - ΠΠ°ΡΠ΅ΠΌ Π²Π°ΠΌ Π½Π°Π΄ΠΎ Π±ΡΠ΄Π΅Ρ Π΄Π΅ΠΌΠΎΠ½ΡΠΈΡΠΎΠ²Π°ΡΡ Π±ΠΎΠ»Ρ ΠΈ ΠΊΠ°ΡΠ΄Π°Π½ ΠΎΡ ΡΠ»ΠΈΡΠ΅Π²ΠΎΠ³ΠΎ ΡΠΊΠΈΠ²Π° ΠΌΠ΅Ρ Π°Π½ΠΈΠ·ΠΌΠ°. ΠΡΠΈ ΡΡΠΎΠΌ ΠΎΠ±ΡΠ°ΡΠΈΡΠ΅ Π²Π½ΠΈΠΌΠ°Π½ΠΈΠ΅ Π½Π° ΠΌΠ΅ΡΠΊΠΈ β ΠΏΡΠΈ Π΄Π°Π»ΡΠ½Π΅ΠΉΡΠ΅ΠΉ ΡΡΡΠ°Π½ΠΎΠ²ΠΊΠΈ ΠΎΠ½ΠΈ Π² Π»ΡΠ±ΠΎΠΌ ΡΠ»ΡΡΠ°Π΅ Π΄ΠΎΠ»ΠΆΠ½Ρ ΡΠΎΠ²ΠΏΠ°Π΄Π°ΡΡ. ΠΠ΅ΡΠΊΠΈ ΡΠ°ΡΠΏΠΎΠ»ΠΎΠΆΠ΅Π½Ρ Π½Π° Π·Π°ΡΠΈΡΠ½ΠΎΠΌ ΡΠ΅Ρ Π»Π΅, ΡΠΊΠΈΠ²Π΅ ΠΈ ΠΊΡΡΡΠΊΠ΅ ΡΡΠ°ΡΡΠ΅ΡΠ½ΠΎΠ³ΠΎ ΠΌΠ΅Ρ Π°Π½ΠΈΠ·ΠΌΠ°. Π’Π΅ΠΏΠ΅ΡΡ Π²Ρ ΠΌΠΎΠΆΠ΅ΡΠ΅ ΠΎΡΠΈΡΡΠΈΡΡ ΡΠ»Π΅ΠΊΡΡΠΎΡΡΠΈΠ»ΠΈΡΠ΅Π»Ρ ΠΈ Π΄ΡΡΠ³ΠΈΠ΅ ΠΊΠΎΠΌΠΏΠΎΠ½Π΅Π½ΡΡ ΡΠΈΡΡΠ΅ΠΌΡ Π»ΠΈΠ±ΠΎ Π·Π°ΠΌΠ΅Π½ΠΈΡΡ Π²ΡΡΠ΅Π΄ΡΠΈΠΉ ΠΈΠ· ΡΡΡΠΎΡ ΠΠ£Π Π½Π° Π½ΠΎΠ²ΡΠΉ. ΠΡΠΎΡΠ΅Π΄ΡΡΠ° ΡΠ±ΠΎΡΠΊΠΈ ΠΎΡΡΡΠ΅ΡΡΠ²Π»ΡΠ΅ΡΡΡ Π² ΠΎΠ±ΡΠ°ΡΠ½ΠΎΠΉ ΠΏΠΎΡΠ»Π΅Π΄ΠΎΠ²Π°ΡΠ΅Π»ΡΠ½ΠΎΡΡΠΈ.
Π€ΠΎΡΠΎΠ³Π°Π»Π΅ΡΠ΅Ρ Β«Π‘Π½ΡΡΠΈΠ΅ ΠΠ£Π Β»
ΠΠΈΠ΄Π΅ΠΎ Β«ΠΠΎΡΠΎΠ±ΠΈΠ΅ ΠΏΠΎ ΡΠ°ΠΌΠΎΡΡΠΎΡΡΠ΅Π»ΡΠ½ΠΎΠΌΡ ΡΠ΅ΠΌΠΎΠ½ΡΡ ΡΡΠΈΠ»ΠΈΡΠ΅Π»ΡΒ»
ΠΡΠ»ΠΈ Π²Ρ ΡΡΠΎΠ»ΠΊΠ½ΡΠ»ΠΈΡΡ Ρ Π½Π΅ΠΎΠ±Ρ
ΠΎΠ΄ΠΈΠΌΠΎΡΡΡΡ ΠΏΡΠΎΠ²Π΅Π΄Π΅Π½ΠΈΡ ΡΠ΅ΠΌΠΎΠ½ΡΠ° ΡΠ»Π΅ΠΊΡΡΠΈΡΠ΅ΡΠΊΠΎΠ³ΠΎ ΡΡΠΈΠ»ΠΈΡΠ΅Π»Ρ ΡΠ²ΠΎΠΈΠΌΠΈ ΡΠΈΠ»Π°ΠΌΠΈ, ΡΠΎ ΡΠ°Π·ΠΌΠ΅ΡΠ΅Π½Π½ΡΠΉ Π½ΠΈΠΆΠ΅ ΡΠΎΠ»ΠΈΠΊ ΠΏΠΎΠ·Π²ΠΎΠ»ΠΈΡ Π²Π°ΠΌ Π±Π΅Π· ΠΎΡΠΈΠ±ΠΎΠΊ Π²ΡΠΏΠΎΠ»Π½ΠΈΡΡ ΡΡΡ Π·Π°Π΄Π°ΡΡ (Π²ΠΈΠ΄Π΅ΠΎ ΠΎΠΏΡΠ±Π»ΠΈΠΊΠΎΠ²Π°Π½ΠΎ ΠΊΠ°Π½Π°Π»ΠΎΠΌ CompsMaster).
ΠΠΎΠ½ΡΠ°Π²ΠΈΠ»Π°ΡΡ ΡΡΠ°ΡΡΡ? ΠΠΎΠ΄Π΅Π»ΠΈΡΡΡΡ Ρ Π΄ΡΡΠ·ΡΡΠΌΠΈ:
Π‘Π½ΡΡΠΈΠ΅ ΠΈ ΡΡΡΠ°Π½ΠΎΠ²ΠΊΠ° ΠΠ£Π ΠΡΠΈΠΎΡΡ β Β«ΠΠ»ΡΠ±-ΠΠ°Π΄Π°.ΡΡΒ»
| ΠΠ»Π΅ΠΊΡΡΠΎΡΡΠΈΠ»ΠΈΡΠ΅Π»Ρ ΡΡΠ»Ρ ΠΡΠΈΠΎΡΡΒ (ΠΠ£Π ) ΡΠ½ΠΈΠΌΠ°Π΅ΡΡΡ Π²ΠΌΠ΅ΡΡΠ΅ Ρ ΡΡΠ»Π΅Π²ΠΎΠΉ ΠΊΠΎΠ»ΠΎΠ½ΠΊΠΎΠΉ Π΄Π»Ρ Π·Π°ΠΌΠ΅Π½Ρ ΠΈΠ»ΠΈ ΡΠ΅ΠΌΠΎΠ½ΡΠ°. Π£ΡΡΠ°Π½ΠΎΠ²ΠΊΡ ΡΠ΅ΠΊΠΎΠΌΠ΅Π½Π΄ΡΠ΅ΡΡΡ Π²ΡΠΏΠΎΠ»Π½ΡΡΡ Π²ΠΌΠ΅ΡΡΠ΅ Ρ ΠΏΠΎΠΌΠΎΡΠ½ΠΈΠΊΠΎΠΌ. |
Π‘Π½ΡΡΠΈΠ΅ ΡΠ»Π΅ΠΊΡΡΠΎΡΡΠΈΠ»ΠΈΡΠ΅Π»Ρ ΡΡΠ»Ρ ΠΠΠ 2170
ΠΠΎΡΡΠ΅Π±ΡΠ΅ΡΡΡ: ΠΡΠ΅ΡΡΠΎΠ²Π°Ρ ΠΎΡΠ²Π΅ΡΡΠΊΠ°,Β Π½Π°ΠΊΠΈΠ΄Π½ΠΎΠΉ ΠΊΠ»ΡΡ Β«Π½Π° 8Β»,Β ΡΠΎΡΡΠ΅Π²ΠΎΠΉ ΠΊΠ»ΡΡ Β«Π½Π° 13Β».
Π‘Π½ΡΡΡ ΠΌΠΈΠ½ΡΡΠΎΠ²ΡΡ ΠΊΠ»Π΅ΠΌΠΌΡ Ρ Π°ΠΊΠΊΡΠΌΡΠ»ΡΡΠΎΡΠ°.Β Π‘Π½ΡΡΡ ΡΡΠ»Ρ, Π΄Π΅ΠΊΠΎΡΠ°ΡΠΈΠ²Π½ΡΠ΅ Π½Π°ΠΊΠ»Π°Π΄ΠΊΠΈ ΡΡΠ»Π΅Π²ΠΎΠΉ ΠΊΠΎΠ»ΠΎΠ½ΠΊΠΈ ΠΈΒ Π½Π°ΠΊΠ»Π°Π΄ΠΊΡ ΠΏΠ°Π½Π΅Π»ΠΈ ΠΏΡΠΈΠ±ΠΎΡΠΎΠ². ΠΠ°Π»Π΅Π΅ ΠΏΠΎ ΠΏΠΎΡΡΠ΄ΠΊΡ:
- ΠΡΠ²Π΅ΡΠ½ΡΡΡ 4 ΡΠ°ΠΌΠΎΡΠ΅Π·Π° Ρ ΠΏΠΎΠΌΠΎΡΡΡ ΠΊΡΠ΅ΡΡΠΎΠ²ΠΎΠΉ ΠΎΡΠ²Π΅ΡΡΠΊΠΈ, ΠΈ ΡΠ½ΡΡΡ Π½ΠΈΠΆΠ½ΡΡ Π½Π°ΠΊΠ»Π°Π΄ΠΊΡ ΠΏΠ°Π½Π΅Π»ΠΈ.
- ΠΡΡΠΎΠ΅Π΄ΠΈΠ½ΠΈΡΡ ΠΊΠΎΠ»ΠΎΠ΄ΠΊΠΈ Ρ ΠΏΡΠΎΠ²ΠΎΠ΄Π°ΠΌΠΈ ΠΎΡ ΠΏΠΎΠ΄ΡΡΠ»Π΅Π²ΡΡ ΠΏΠ΅ΡΠ΅ΠΊΠ»ΡΡΠ°ΡΠ΅Π»Π΅ΠΉ ΠΈ ΠΊΠΎΠ½ΡΠ°ΠΊΡΠ½ΠΎΠ³ΠΎ ΠΊΠΎΠ»ΡΡΠ°.
- ΠΡΠ»Π°Π±ΠΈΡΡ ΡΡΡΠΆΠ½ΠΎΠΉ Π±ΠΎΠ»Ρ, ΠΈΡΠΏΠΎΠ»ΡΠ·ΡΡ Π½Π°ΠΊΠΈΠ΄Π½ΠΎΠΉ ΠΊΠ»ΡΡ Β«Π½Π° 8Β».
Β Π Π°Π·ΡΠ΅Π΄ΠΈΠ½ΠΈΡΡ ΠΊΠΎΠ»ΠΎΠ΄ΠΊΠΈ Ρ ΠΏΡΠΎΠ²ΠΎΠ΄Π°ΠΌΠΈ ΠΎΡ Π·Π°ΠΌΠΊΠ° Π·Π°ΠΆΠΈΠ³Π°Π½ΠΈΡ. - Π‘ΠΆΠ°ΡΡ ΡΠΈΠΊΡΠ°ΡΠΎΡΡ ΠΈ ΠΎΡΡΠΎΠ΅Π΄ΠΈΠ½ΠΈΡΡ ΠΆΠ³ΡΡ Ρ ΠΏΡΠΎΠ²ΠΎΠ΄Π°ΠΌΠΈ ΠΎΡ ΡΡΠ»Π΅Π²ΠΎΠΉ ΠΊΠΎΠ»ΠΎΠ½ΠΊΠΈ.
- Π‘ΠΆΠ°ΡΡ ΡΠΈΠΊΡΠ°ΡΠΎΡΡ ΠΈ ΠΎΡΡΠΎΠ΅Π΄ΠΈΠ½ΠΈΡΡ ΠΆΠ³ΡΡ Ρ ΠΏΡΠΎΠ²ΠΎΠ΄Π°ΠΌΠΈ Π² Π½ΠΈΠΆΠ½Π΅ΠΉ ΡΠ°ΡΡΠΈ ΡΡΠ»Π΅Π²ΠΎΠΉ ΠΊΠΎΠ»ΠΎΠ½ΠΊΠΈ.
- ΠΡΠ²ΠΎΠ±ΠΎΠ΄ΠΈΡΡ ΡΠΈΠΊΡΠ°ΡΠΎΡΡ, ΠΈ ΠΎΡΡΠΎΠ΅Π΄ΠΈΠ½ΠΈΡΡ 2 ΠΊΠΎΠ»ΠΎΠ΄ΠΊΠΈ Ρ ΠΏΡΠΎΠ²ΠΎΠ΄Π°ΠΌΠΈ ΠΎΡ ΡΠ»Π΅ΠΊΡΡΠΎΡΡΠΈΠ»ΠΈΡΠ΅Π»Ρ ΡΡΠ»Π΅Π²ΠΎΠ³ΠΎ ΡΠΏΡΠ°Π²Π»Π΅Π½ΠΈΡ.
- Π‘Π½ΡΡΡ ΡΠΎ ΡΠΏΠΈΠ»ΡΠΊΠΈ ΠΊΡΠ΅ΠΏΠ»Π΅Π½ΠΈΡ ΡΡΠ»Π΅Π²ΠΎΠΉ ΠΊΠΎΠ»ΠΎΠ½ΠΊΠΈ Π΄Π΅ΠΊΠΎΡΠ°ΡΠΈΠ²Π½ΡΡ ΡΡΠΎΡΠΊΡ.
- ΠΡΠ»Π°Π±ΠΈΡΡ Π·Π°ΡΡΠΆΠΊΡ Π³Π°Π΅ΠΊ Π½ΠΈΠΆΠ½Π΅Π³ΠΎ ΠΊΡΠ΅ΠΏΠ»Π΅Π½ΠΈΡ ΡΡΠ»Π΅Π²ΠΎΠΉ ΠΊΠΎΠ»ΠΎΠ½ΠΊΠΈ, ΠΈΡΠΏΠΎΠ»ΡΠ·ΡΡ ΡΠΎΡΡΠ΅Π²ΠΎΠΉ ΠΊΠ»ΡΡ Β«Π½Π° 13Β».Β ΠΡΠ²Π΅ΡΠ½ΡΡΡ ΠΈΡ Π½Π° Π½Π΅ΡΠΊΠΎΠ»ΡΠΊΠΎ ΠΎΠ±ΠΎΡΠΎΡΠΎΠ².
ΠΠ°ΠΌΠ΅ΡΠ°Π½ΠΈΠ΅:
| Π‘Π½ΡΡΡ ΡΡΠ»Π΅Π²ΡΡ ΠΊΠΎΠ»ΠΎΠ½ΠΊΡ ΠΌΠΎΠΆΠ½ΠΎ Π² ΡΠ±ΠΎΡΠ΅ Ρ ΠΏΡΠΎΠΌΠ΅ΠΆΡΡΠΎΡΠ½ΡΠΌ Π²Π°Π»ΠΎΠΌ, Π½ΠΎ ΡΠ½ΠΈΠΌΠ°ΡΡ ΠΈ ΡΡΡΠ°Π½Π°Π²Π»ΠΈΠ²Π°ΡΡ ΠΊΠΎΠ»ΠΎΠ½ΠΊΡ ΡΠ΄ΠΎΠ±Π½Π΅Π΅, Π΅ΡΠ»ΠΈ ΡΠ°Π·ΡΠ΅Π΄ΠΈΠ½ΠΈΡΡ ΠΏΡΠΎΠΌΠ΅ΠΆΡΡΠΎΡΠ½ΡΠΉ Π²Π°Π». Π‘ΠΎΠ΅Π΄ΠΈΠ½Π΅Π½ΠΈΠ΅ ΡΠ»Π°Π½ΡΠ΅Π² ΠΊΠ°ΡΠ΄Π°Π½Π½ΡΡ ΡΠ°ΡΠ½ΠΈΡΠΎΠ² ΠΏΡΠΎΠΌΠ΅ΠΆΡΡΠΎΡΠ½ΠΎΠ³ΠΎ Π²Π°Π»Π° ΠΏΠΎΠΌΠ΅ΡΠ°ΡΡ Π½Π΅ Π½ΡΠΆΠ½ΠΎ, ΠΈΡ ΡΡΡΠ°Π½ΠΎΠ²ΠΊΠ° Π²ΠΎΠ·ΠΌΠΎΠΆΠ½Π° ΡΠΎΠ»ΡΠΊΠΎ Π² ΠΎΠ΄Π½ΠΎΠΌ ΠΏΠΎΠ»ΠΎΠΆΠ΅Π½ΠΈΠΈ. |
ΠΠ°Π»Π΅Π΅:
- ΠΡΠ²Π΅ΡΠ½ΡΡΡ Π³Π°ΠΉΠΊΡ ΡΡΡΠΆΠ½ΠΎΠ³ΠΎ Π±ΠΎΠ»ΡΠ° Ρ ΠΏΠΎΠΌΠΎΡΡΡ ΠΊΠ»ΡΡΠ° Β«Π½Π° 13Β» (ΠΎΠ½Β ΡΠΎΠ΅Π΄ΠΈΠ½ΡΠ΅Ρ ΠΊΠ°ΡΠ΄Π°Π½Π½ΡΠ΅ ΡΠ°ΡΠ½ΠΈΡΡ ΠΏΡΠΎΠΌΠ΅ΠΆΡΡΠΎΡΠ½ΠΎΠ³ΠΎ Π²Π°Π»Π°).

- ΠΠ·Π²Π»Π΅ΡΡ Π±ΠΎΠ»Ρ.
- ΠΡΠ²Π΅ΡΠ½ΡΡΡ Π»Π΅Π²ΡΡ Π³Π°ΠΉΠΊΡ Π²Π΅ΡΡ Π½Π΅Π³ΠΎ ΠΊΡΠ΅ΠΏΠ»Π΅Π½ΠΈΡ ΡΡΠ»Π΅Π²ΠΎΠΉ ΠΊΠΎΠ»ΠΎΠ½ΠΊΠΈ, ΠΈΡΠΏΠΎΠ»ΡΠ·ΡΡ ΡΠΎΡΡΠ΅Π²ΠΎΠΉ ΠΊΠ»ΡΡ Β«Π½Π° 13Β».
- ΠΡΠ²Π΅ΡΠ½ΡΡΡ ΠΏΡΠ°Π²ΡΡ Π³Π°ΠΉΠΊΡ Π²Π΅ΡΡ Π½Π΅Π³ΠΎ ΠΊΡΠ΅ΠΏΠ»Π΅Π½ΠΈΡ ΡΡΠ»Π΅Π²ΠΎΠΉ ΠΊΠΎΠ»ΠΎΠ½ΠΊΠΈ, ΠΈΡΠΏΠΎΠ»ΡΠ·ΡΡ ΡΠΎΡΡΠ΅Π²ΠΎΠΉ ΠΊΠ»ΡΡ Β«Π½Π° 13Β».
- Π‘Π½ΡΡΡΒ ΡΡΠ»Π΅Π²ΡΡ ΠΊΠΎΠ»ΠΎΠ½ΠΊΡ ΠΡΠΈΠΎΡΡ Π² ΡΠ±ΠΎΡΠ΅.
- ΠΡΠ²Π΅ΡΠ½ΡΡΡ Π³Π°ΠΉΠΊΡ ΡΡΡΠΆΠ½ΠΎΠ³ΠΎ Π±ΠΎΠ»ΡΠ° ΡΠ»Π°Π½ΡΠ° Π½ΠΈΠΆΠ½Π΅Π³ΠΎ ΠΊΠ°ΡΠ΄Π°Π½Π½ΠΎΠ³ΠΎ ΡΠ°ΡΠ½ΠΈΡΠ° ΠΈ ΡΡΠ»Π΅Π²ΠΎΠ³ΠΎ Π²Π°Π»Π°, ΠΈΡΠΏΠΎΠ»ΡΠ·ΡΡ ΠΊΠ»ΡΡ Β«Π½Π° 13Β».
- ΠΠ·Π²Π»Π΅ΡΡ Π±ΠΎΠ»Ρ ΠΈ ΡΠ½ΡΡΡ ΠΊΠ°ΡΠ΄Π°Π½Π½ΡΠΉ ΡΠ°ΡΠ½ΠΈΡ ΡΠΎ ΡΠ»ΠΈΡΠ΅Π²ΠΎΠ³ΠΎ Π²Π°Π»Π° ΡΡΠ»Π΅Π²ΠΎΠ³ΠΎ ΠΌΠ΅Ρ Π°Π½ΠΈΠ·ΠΌΠ°.
Π£ΡΡΠ°Π½ΠΎΠ²ΠΊΠ° ΡΠ»Π΅ΠΊΡΡΠΎΡΡΠΈΠ»ΠΈΡΠ΅Π»Ρ ΡΡΠ»Ρ Π½Π° Lada Priora
Π£ΡΡΠ°Π½ΠΎΠ²ΠΊΠ° ΡΡΠ»Π΅Π²ΠΎΠΉ ΠΊΠΎΠ»ΠΎΠ½ΠΊΠΈ Ρ ΠΠ£Π ΠΏΡΠΎΠΈΠ·Π²ΠΎΠ΄ΠΈΡΡΡ Π² ΠΎΠ±ΡΠ°ΡΠ½ΠΎΠΉ ΠΏΠΎΡΠ»Π΅Π΄ΠΎΠ²Π°ΡΠ΅Π»ΡΠ½ΠΎΡΡΠΈ. ΠΠ΅ΡΠ΅Π΄ ΡΡΡΠ°Π½ΠΎΠ²ΠΊΠΎΠΉ ΡΠ±Π΅ΠΆΠ΄Π°Π΅ΠΌΡΡ, ΡΡΠΎ ΠΏΠ°Π· Π½Π° Π²Π°Π»Ρ, ΠΌΠ΅ΡΠΊΠ° Π½Π° ΠΊΡΡΡΠΊΠ΅ ΠΊΠ°ΡΡΠ΅ΡΠ° ΡΡΠ»Π΅Π²ΠΎΠ³ΠΎ ΠΌΠ΅Ρ Π°Π½ΠΈΠ·ΠΌΠ°, ΠΈ ΠΌΠ΅ΡΠΊΠΈ Π½Π° Π·Π°ΡΠΈΡΠ½ΠΎΠΌ ΡΠ΅Ρ Π»Π΅ ΡΠ°ΡΠΏΠΎΠ»ΠΎΠΆΠ΅Π½Ρ Π΄ΠΎΠ»ΠΆΠ½ΡΠΌ ΠΎΠ±ΡΠ°Π·ΠΎΠΌ.
Π Π°ΡΠΏΠΎΠ»ΠΎΠΆΠ΅Π½ΠΈΠ΅ ΠΌΠ΅ΡΠΎΠΊ Π΄Π»Ρ ΡΡΡΠ°Π½ΠΎΠ²ΠΊΠΈ ΡΡΠ»Π΅Π²ΠΎΠ³ΠΎ Π²Π°Π»Π°:
1 β ΡΠ³Π»ΠΎΠ²ΠΎΠ΅ ΡΠ³Π»ΡΠ±Π»Π΅Π½ΠΈΠ΅ Π² ΠΊΡΡΡΠΊΠ΅ ΠΊΠ°ΡΡΠ΅ΡΠ° ΡΡΠ»Π΅Π²ΠΎΠ³ΠΎ ΠΌΠ΅Ρ
Π°Π½ΠΈΠ·ΠΌΠ°; 2 β ΠΏΠ°Π· Π½Π° Π²Π°Π»Ρ ΡΡΠ»Π΅Π²ΠΎΠ³ΠΎ ΠΌΠ΅Ρ
Π°Π½ΠΈΠ·ΠΌΠ°; 3 β ΠΊΡΡΡΠΊΠ° ΠΊΠ°ΡΡΠ΅ΡΠ° ΡΡΠ»Π΅Π²ΠΎΠ³ΠΎ ΠΌΠ΅Ρ
Π°Π½ΠΈΠ·ΠΌΠ°; Π β ΡΠ³Π»ΠΎΠ²ΠΎΠΉ Π²ΡΡΡΡΠΏ Π½Π° Π·Π°ΡΠΈΡΠ½ΠΎΠΌ ΡΠ΅Ρ
Π»Π΅; Π β Π²ΡΡΠ΅Π· Π² ΠΊΡΠΎΠΌΠΊΠ΅ Π·Π°ΡΠΈΡΠ½ΠΎΠ³ΠΎ ΡΠ΅Ρ
Π»Π°.
ΠΡΠΎΡΠ»Π΅Π΄ΠΈΡΠ΅, ΡΡΠΎΠ±Ρ ΠΌΠ΅ΡΠΊΠ° Π ΡΠ°ΡΠΏΠΎΠ»Π°Π³Π°Π»Π°ΡΡ Π½Π°ΠΏΡΠΎΡΠΈΠ² ΡΠ³Π»ΡΠ±Π»Π΅Π½ΠΈΡ ΡΠ³Π»ΠΎΠ²ΠΎΠΉ ΡΠΎΡΠΌΡ (β1), ΠΊΠΎΡΠΎΡΠ°Ρ ΡΠ°ΡΠΏΠΎΠ»ΠΎΠΆΠ΅Π½Π° Π² ΠΊΡΡΡΠΊΠ΅ ΠΊΠ°ΡΡΠ΅ΡΠ°, Π° Π²Π°Π» Π±ΡΠ» ΠΏΠΎΠ²Π΅ΡΠ½ΡΡ ΡΠ°ΠΊ, ΡΡΠΎΠ±Ρ Π΅Π³ΠΎ ΠΏΠ°Π· (β2) ΡΠ°ΡΠΏΠΎΠ»Π°Π³Π°Π»ΡΡ Π½Π°ΠΏΡΠΎΡΠΈΠ² ΠΌΠ΅ΡΠΊΠΈ Π.
ΠΠ°ΠΉΠΊΠΈ ΡΡΡΠΆΠ½ΡΡ
Π±ΠΎΠ»ΡΠΎΠ² Π½Π° ΡΠ»Π°Π½ΡΠ°Ρ
ΠΏΡΠΎΠΌΠ΅ΠΆΡΡΠΎΡΠ½ΠΎΠ³ΠΎ Π²Π°Π»Π° Π·Π°ΡΡΠ³ΠΈΠ²Π°Π΅ΠΌ ΠΌΠΎΠΌΠ΅Π½ΡΠΎΠΌ 23β28 ΠΠΌ (2,3β2,8 ΠΊΠ³ΡΠΌ).
ΠΠ°ΠΉΠΊΠΈ ΠΊΡΠ΅ΠΏΠ»Π΅Π½ΠΈΡ ΡΡΠ»Π΅Π²ΠΎΠΉ ΠΊΠΎΠ»ΠΎΠ½ΠΊΠΈ Π·Π°ΡΡΠ³ΠΈΠ²Π°Π΅ΠΌ ΠΌΠΎΠΌΠ΅Π½ΡΠΎΠΌ 15β18,6 ΠΠΌ (1,5-1,9 ΠΊΠ³ΡΠΌ).
Π£ΡΡΡΠΎΠΉΡΡΠ²ΠΎ ΠΈ ΡΡ Π΅ΠΌΠ° ΡΠ»Π΅ΠΊΡΡΠΎΡΡΠΈΠ»ΠΈΡΠ΅Π»Ρ ΡΡΠ»Ρ ΠΠ°Π΄Π° ΠΡΠΈΠΎΡΠ°
ΠΠ»Π΅ΠΌΠ΅Π½ΡΡ ΡΡΠ»Π΅Π²ΠΎΠ³ΠΎ ΡΠΏΡΠ°Π²Π»Π΅Π½ΠΈΡ Lada Priora:
1 β ΠΏΡΠ°Π²Π°Ρ ΡΡΠ»Π΅Π²Π°Ρ ΡΡΠ³Π° Π² ΡΠ±ΠΎΡΠ΅; 2 β ΠΏΡΠ°Π²Π°Ρ ΠΎΠΏΠΎΡΠ° ΡΡΠ»Π΅Π²ΠΎΠ³ΠΎ ΠΌΠ΅Ρ
Π°Π½ΠΈΠ·ΠΌΠ°; 3 β ΡΠΊΠΎΠ±Π° ΠΎΠΏΠΎΡΡ ΡΡΠ»Π΅Π²ΠΎΠ³ΠΎΒ ΠΌΠ΅Ρ
Π°Π½ΠΈΠ·ΠΌΠ°; 4 β Β ΠΏΡΠΎΠΌΠ΅ΠΆΡΡΠΎΡΠ½ΡΠΉ ΠΊΠ°ΡΠ΄Π°Π½Π½ΡΠΉ Π²Π°Π»; 5 β ΡΠ»Π΅ΠΊΡΡΠΎΡΡΠΈΠ»ΠΈΡΠ΅Π»Ρ; 6 β ΡΡΠ»Π΅Π²ΠΎΠ΅ ΠΊΠΎΠ»Π΅ΡΠΎ; 7 β ΡΡΡΠ±Π° ΡΡΠ»Π΅Π²ΠΎΠΉ ΠΊΠΎΠ»ΠΎΠ½ΠΊΠΈ; 8 β Π»Π΅Π²Π°ΡΒ ΠΎΠΏΠΎΡΠ° ΡΡΠ»Π΅Π²ΠΎΠ³ΠΎ ΠΌΠ΅Ρ
Π°Π½ΠΈΠ·ΠΌΠ°; 9 β ΡΡΠ»Π΅Π²ΠΎΠΉ ΠΌΠ΅Ρ
Π°Π½ΠΈΠ·ΠΌ; 10 β Π»Π΅Π²Π°Ρ ΡΡΠ»Π΅Π²Π°Ρ ΡΡΠ³Π° Π² ΡΠ±ΠΎΡΠ΅
Π ΡΠ»Π΅Π²Π°Ρ ΠΊΠΎΠ»ΠΎΠ½ΠΊΠ° Ρ ΡΠ»Π΅ΠΊΡΡΠΎΡΡΠΈΠ»ΠΈΡΠ΅Π»Π΅ΠΌ ΡΡΠ»Π΅Π²ΠΎΠ³ΠΎ ΡΠΏΡΠ°Π²Π»Π΅Π½ΠΈΡ ΠΡΠΈΠΎΡΡ:
1 β Π²Ρ
ΠΎΠ΄Π½ΠΎΠΉ Π²Π°Π»;Β 2 β ΡΡΡΠ±Π° ΠΊΠΎΠ»ΠΎΠ½ΠΊΠΈ; 3 β ΠΊΡΠΎΠ½ΡΡΠ΅ΠΉΠ½ ΠΊΠΎΠ»ΠΎΠ½ΠΊΠΈ; 4 β ΡΠ»Π΅ΠΊΡΡΠΎΡΡΠΈΠ»ΠΈΡΠ΅Π»Ρ; 5 β Π±Π»ΠΎΠΊ ΡΠΏΡΠ°Π²Π»Π΅Π½ΠΈΡ ΡΠ»Π΅ΠΊΡΡΠΎΡΡΠΈΠ»ΠΈΡΠ΅Π»Π΅ΠΌ; 6 β ΡΡΡΠ°Π³ ΡΠ΅Π³ΡΠ»ΠΈΡΠΎΠ²ΠΊΠΈ Π½Π°ΠΊΠ»ΠΎΠ½Π° ΡΡΠ»Π΅Π²ΠΎΠΉ ΠΊΠΎΠ»ΠΎΠ½ΠΊΠΈ; 7 β ΡΡΡΠΆΠ½Π°ΡΒ ΡΠΏΠΈΠ»ΡΠΊΠ°; 8 β Π·Π°Π΄Π½ΠΈΠΉ ΠΊΡΠΎΠ½ΡΡΠ΅ΠΉΠ½ ΡΠ»Π΅ΠΊΡΡΠΎΡΡΠΈΠ»ΠΈΡΠ΅Π»Ρ; 9 β ΠΏΡΡΠΆΠΈΠ½Π°; 10 β Π²ΡΡ
ΠΎΠ΄Π½ΠΎΠΉ Π²Π°Π»;Β 11 β Π±ΠΎΠ»Ρ-ΠΎΡΡ; 12 β ΠΏΠ΅ΡΠ΅Π΄Π½ΠΈΠΉ ΠΊΡΠΎΠ½ΡΡΠ΅ΠΉΠ½ ΡΠ»Π΅ΠΊΡΡΠΎΡΡΠΈΠ»ΠΈΡΠ΅Π»Ρ; 13 β ΡΠΈΠ»ΠΎΠ²ΠΎΠΉ ΡΠ°Π·ΡΠ΅ΠΌ Π±Π»ΠΎΠΊΠ° ΡΠΏΡΠ°Π²Π»Π΅Π½ΠΈΡ; 14 β ΡΠΏΡΠ°Π²Π»ΡΡΡΠΈΠΉ ΡΠ°Π·ΡΠ΅ΠΌ Π±Π»ΠΎΠΊΠ° ΡΠΏΡΠ°Π²Π»Π΅Π½ΠΈΡ; 15 β Π³Π°ΠΉΠΊΠ°.
ΠΠ»ΡΡΠ΅Π²ΡΠ΅ ΡΠ»ΠΎΠ²Π°:
ΠΠΎΠ½ΡΠ°Π²ΠΈΠ»Π°ΡΡ ΡΡΠ°ΡΡΡ? ΠΠΎΠ΄Π΅Π»ΠΈΡΠ΅ΡΡ Ρ Π΄ΡΡΠ·ΡΡΠΌΠΈ!
Π΄ΠΈΠ°Π³Π½ΠΎΡΡΠΈΠΊΠ° Π½Π΅ΠΈΡΠΏΡΠ°Π²Π½ΠΎΡΡΠ΅ΠΉ, ΠΌΠΎΠ½ΡΠ°ΠΆ ΠΈ Π΄Π΅ΠΌΠΎΠ½ΡΠ°ΠΆ
ΠΠ° Π°Π²ΡΠΎΠΌΠΎΠ±ΠΈΠ»Π΅ ΠΠ°Π΄Π° ΠΡΠΈΠΎΡΠ° ΡΠ°ΠΊΠΎΠ΅ ΡΡΡΡΠΎΠΉΡΡΠ²ΠΎ, ΠΊΠ°ΠΊ ΡΠ»Π΅ΠΊΡΡΠΎΡΡΠΈΠ»ΠΈΡΠ΅Π»Ρ ΡΡΠ»Ρ, ΠΏΡΠ΅Π΄Π»Π°Π³Π°Π΅ΡΡΡ Π² ΡΡΠ°Π½Π΄Π°ΡΡΠ½ΠΎΠΉ ΠΊΠΎΠΌΠΏΠ»Π΅ΠΊΡΠ°ΡΠΈΠΈ, ΠΊΠ°ΠΊ ΡΡΠ½ΠΊΡΠΈΡ ΠΊΠΎΠΌΡΠΎΡΡΠ°. ΠΠΌΠ΅Π½Π½ΠΎ ΠΎΠ± ΡΡΠΎΠΌ ΡΡΡΡΠΎΠΉΡΡΠ²Π΅ ΠΌΡ ΠΏΠΎΠ³ΠΎΠ²ΠΎΡΠΈΠΌ Π² ΡΡΠΎΠΉ ΡΡΠ°ΡΡΠ΅. ΠΡΠ΅Π΄Π»Π°Π³Π°Π΅ΠΌ Π²Π°ΠΌ ΡΠ·Π½Π°ΡΡ, Ρ ΠΊΠ°ΠΊΠΈΠΌΠΈ Π½Π΅ΠΈΡΠΏΡΠ°Π²Π½ΠΎΡΡΡΠΌΠΈ ΠΌΠΎΠΆΠ΅Ρ ΡΡΠΎΠ»ΠΊΠ½ΡΡΡΡΡ Π°Π²ΡΠΎΠ²Π»Π°Π΄Π΅Π»Π΅Ρ ΡΡΠΎΠ³ΠΎ Π°Π²ΡΠΎ ΠΈ ΠΊΠ°ΠΊ ΠΏΡΠΎΠΈΠ·Π²Π΅ΡΡΠΈ Π·Π°ΠΌΠ΅Π½Ρ ΡΠ·Π»Π° ΡΠ°ΠΌΠΎΡΡΠΎΡΡΠ΅Π»ΡΠ½ΠΎ.
Π‘ΠΎΠ΄Π΅ΡΠΆΠ°Π½ΠΈΠ΅
[ Π Π°ΡΠΊΡΡΡΡ]
[ Π‘ΠΊΡΡΡΡ]
Π ΠΎΠ»Ρ ΡΠ»Π΅ΠΊΡΡΠΎΡΡΠΈΠ»ΠΈΡΠ΅Π»Ρ Π² ΡΡΠ»Π΅Π²ΠΎΠΌ ΡΠΏΡΠ°Π²Π»Π΅Π½ΠΈΠΈ ΠΠΠ 2170 ΠΡΠΈΠΎΡΠ°
ΠΠ»Π΅ΠΊΡΡΠΎΡΡΠΈΠ»ΠΈΡΠ΅Π»Ρ ΠΡΠΈΠΎΡΡ Π² ΡΠ½ΡΡΠΎΠΌ Π²ΠΈΠ΄Π΅ΠΠΈ Π΄Π»Ρ ΠΊΠΎΠ³ΠΎ Π½Π΅ ΡΠ΅ΠΊΡΠ΅Ρ, ΡΡΠΎ ΡΠ»Π΅ΠΊΡΡΠΈΡΠ΅ΡΠΊΠΈΠΉ ΡΠΏΠΎΡΠΎΠ± ΡΠΏΡΠ°Π²Π»Π΅Π½ΠΈΡ ΠΈΠ³ΡΠ°Π΅Ρ Π½Π΅ΠΌΠ°Π»ΠΎΠ²Π°ΠΆΠ½ΡΡ ΡΠΎΠ»Ρ Π² ΠΎΠ±Π΅ΡΠΏΠ΅ΡΠ΅Π½ΠΈΠΈ Π±Π΅Π·ΠΎΠΏΠ°ΡΠ½ΠΎΡΡΠΈ Π²ΠΎ Π²ΡΠ΅ΠΌΡ Π΅Π·Π΄Ρ. ΠΠ£Π ΠΈΠ»ΠΈ ΠΠ£Π ΠΡΠΈΠΎΡΠ° Π²ΡΠΏΠΎΠ»Π½ΡΠ΅Ρ ΠΎΠΏΡΠΈΡ ΠΏΠΎΠ½ΠΈΠΆΠ΅Π½ΠΈΡ ΡΡΠΎΠ²Π½Ρ Π½Π°Π³ΡΡΠ·ΠΊΠΈ Π½Π° ΡΡΠ»Ρ Π²ΠΎ Π²ΡΠ΅ΠΌΡ Π΅Π³ΠΎ ΠΏΠΎΠ²ΠΎΡΠΎΡΠ°. ΠΠ»ΡΡΠ΅Π²ΡΠΌ ΠΏΡΠ΅ΠΈΠΌΡΡΠ΅ΡΡΠ²ΠΎΠΌ ΠΈΡΠΏΠΎΠ»ΡΠ·ΠΎΠ²Π°Π½ΠΈΡ ΡΠ°ΠΊΠΎΠ³ΠΎ ΡΡΡΡΠΎΠΉΡΡΠ²Π° ΠΠ£Π Π½Π° ΠΡΠΈΠΎΡΠ΅ ΡΠ²Π»ΡΠ΅ΡΡΡ ΠΊΠΎΠΌΡΠΎΡΡ ΠΏΡΠΈ ΠΏΠ΅ΡΠ΅Π΄Π²ΠΈΠΆΠ΅Π½ΠΈΠΈ Π² ΡΠ΅Π·ΡΠ»ΡΡΠ°ΡΠ΅ ΡΠ»ΡΡΡΠ΅Π½Π½ΠΎΠΉ ΠΎΠ±ΡΠ°ΡΠ½ΠΎΠΉ ΡΠ²ΡΠ·ΠΈ ΠΌΠ΅ΠΆΠ΄Ρ ΡΡΠ»Π΅ΠΌ ΠΈ ΠΊΠΎΠ»Π΅ΡΠ°ΠΌΠΈ.
ΠΠ»Π΅ΠΊΡΡΠΎΡΡΠΈΠ»ΠΈΡΠ΅Π»Ρ ΠΏΡΠ΅Π΄ΡΡΠ°Π²Π»ΡΠ΅Ρ ΡΠΎΠ±ΠΎΠΉ Π±ΠΎΠ»Π΅Π΅ ΡΠΎΠ²ΡΠ΅ΠΌΠ΅Π½Π½ΡΠΉ ΠΈ ΡΡΠΎΠ²Π΅ΡΡΠ΅Π½ΡΡΠ²ΠΎΠ²Π°Π½Π½ΡΠΉ ΡΠ·Π΅Π», ΠΊΠΎΡΠΎΡΡΠΉ Π½Π΅ ΡΠΎΠ»ΡΠΊΠΎ ΠΏΡΠΎΡΠ΅ Π² ΠΏΠ»Π°Π½Π΅ ΠΈΡΠΏΠΎΠ»ΡΠ·ΠΎΠ²Π°Π½ΠΈΡ, Π½ΠΎ ΠΈ Π½Π΅ ΡΡΠ΅Π±ΡΠ΅Ρ Π²Π½Π΅Π΄ΡΠ΅Π½ΠΈΡ Π΄ΠΎΠΏΠΎΠ»Π½ΠΈΡΠ΅Π»ΡΠ½ΡΡ ΠΌΠ°Π³ΠΈΡΡΡΠ°Π»Π΅ΠΉ Π΄Π»Ρ ΠΎΠ±Π΅ΡΠΏΠ΅ΡΠ΅Π½ΠΈΡ ΡΠ°Π±ΠΎΡΡ. ΠΡΠΎΠΌΠ΅ ΡΠΎΠ³ΠΎ, Π΄Π°Π½Π½ΠΎΠ΅ ΡΡΡΡΠΎΠΉΡΡΠ²ΠΎ Π½Π΅ Π·Π°Π±ΠΈΡΠ°Π΅Ρ ΠΌΠΎΡΠ½ΠΎΡΡΡ Ρ ΡΠΈΠ»ΠΎΠ²ΠΎΠ³ΠΎ Π°Π³ΡΠ΅Π³Π°ΡΠ°. ΠΠ»Π°Π²Π½ΠΎΠ΅ Π΄ΠΎΡΡΠΎΠΈΠ½ΡΡΠ²ΠΎ ΠΠ£Π β Π½Π΅ ΡΡΠ΅Π±ΡΠ΅Ρ ΡΠ°ΡΡΠΎΠ³ΠΎ Π’Π ΠΈ ΠΊΠΎΠ½ΡΡΠΎΠ»Ρ ΠΆΠΈΠ΄ΠΊΠΎΡΡΠΈ Π² ΠΎΡΠ»ΠΈΡΠΈΠΈ ΠΎΡ ΠΠ£Π .
ΠΠΎ ΡΠ»Π΅Π΄ΡΠ΅Ρ ΠΎΡΠΌΠ΅ΡΠΈΡΡ, ΡΡΠΎ ΡΠ°ΠΊΠ°Ρ ΡΠΈΡΡΠ΅ΠΌΠ° ΠΈΠΌΠ΅Π΅Ρ Π½Π΅ΡΠΊΠΎΠ»ΡΠΊΠΎ Π½Π΅Π΄ΠΎΡΡΠ°ΡΠΊΠΎΠ², ΠΎΠ΄ΠΈΠ½ ΠΈΠ· Π½ΠΈΡ β Π΄ΠΎΠ²ΠΎΠ»ΡΠ½ΠΎ ΡΠ»Π°Π±Π°Ρ ΠΎΠ±ΡΠ°ΡΠ½Π°Ρ ΡΠ²ΡΠ·Ρ ΠΌΠ΅ΠΆΠ΄Ρ Π΄ΠΎΡΠΎΠΆΠ½ΡΠΌ ΠΏΠΎΠΊΡΡΡΠΈΠ΅ΠΌ ΠΈ ΡΠΈΡΡΠ΅ΠΌΠΎΠΉ ΡΠΏΡΠ°Π²Π»Π΅Π½ΠΈΡ. Π ΡΠ΅Π·ΡΠ»ΡΡΠ°ΡΠ΅ ΡΡΠΎΠ³ΠΎ ΠΏΡΠΈ Π΅Π·Π΄Π΅ ΠΏΠΎ ΡΠ½Π΅Π³Ρ ΠΌΠΎΠ³ΡΡ ΠΏΠΎΡΠ²ΠΈΡΡΡΡ ΡΡΡΠ΄Π½ΠΎΡΡΠΈ. Π ΠΎΡΠ»ΠΈΡΠΈΠ΅ ΠΎΡ ΠΡΠΈΠΎΡ, ΠΈΠ½ΠΎΠΌΠ°ΡΠΊΠΈ ΠΎΡΠ½Π°ΡΠ°ΡΡΡΡ Π΄ΠΎΠΏΠΎΠ»Π½ΠΈΡΠ΅Π»ΡΠ½ΡΠΌΠΈ ΠΌΠ΅Ρ Π°Π½ΠΈΠ·ΠΌΠ°ΠΌΠΈ ΠΈ ΡΠ·Π»Π°ΠΌΠΈ Π±Π»ΠΎΠΊΠΈΡΠΎΠ²ΠΊΠΈ ΠΈ ΡΡΠ°Π±ΠΈΠ»ΠΈΠ·Π°ΡΠΈΠΈ, ΠΏΠΎΡΡΠΎΠΌΡ ΡΠΏΠΎΡΠΎΠ± ΡΠΏΡΠ°Π²Π»Π΅Π½ΠΈΡ ΠΠ£Π Π² ΠΎΡΠ΅ΡΠ΅ΡΡΠ²Π΅Π½Π½ΠΎΠΌ Π²Π°ΡΠΈΠ°Π½ΡΠ΅ ΡΠ²Π»ΡΠ΅ΡΡΡ ΠΌΠ΅Π½Π΅Π΅ Π½Π°Π΄Π΅ΠΆΠ½ΡΠΌ. ΠΠΎΠΌΠΈΠΌΠΎ ΡΡΠΎΠ³ΠΎ, Π½Π° ΠΏΡΠ°ΠΊΡΠΈΠΊΠ΅ Π½Π΅ΠΈΡΠΏΡΠ°Π²Π½ΡΠΉ ΡΠ»Π΅ΠΊΡΡΠΎΡΡΠΈΠ»ΠΈΡΠ΅Π»Ρ Ρ ΠΏΠ»ΠΎΡ ΠΎΠΉ ΡΡΠ³ΠΎΠΉ β ΡΡΠΎ Π΄ΠΎΡΡΠ°ΡΠΎΡΠ½ΠΎ ΡΠ°ΡΠΏΡΠΎΡΡΡΠ°Π½Π΅Π½Π½ΠΎΠ΅ ΡΠ²Π»Π΅Π½ΠΈΠ΅.
Π‘Ρ Π΅ΠΌΠ° ΠΏΠΎΠ΄ΠΊΠ»ΡΡΠ΅Π½ΠΈΡ ΡΠ·Π»Π°Π Π°ΡΠΏΡΠΎΡΡΡΠ°Π½Π΅Π½Π½ΡΠ΅ Π½Π΅ΠΈΡΠΏΡΠ°Π²Π½ΠΎΡΡΠΈ ΠΈ ΡΠΏΠΎΡΠΎΠ±Ρ ΠΈΡ ΡΡΡΡΠ°Π½Π΅Π½ΠΈΡ
Π‘ ΠΏΠΎΠ»ΠΎΠΌΠΊΠ°ΠΌΠΈ ΡΡΡΡΠΎΠΉΡΡΠ² ΡΡΠ°Π»ΠΊΠΈΠ²Π°ΡΡΡΡ ΠΌΠ½ΠΎΠ³ΠΈΠ΅ ΠΏΡΠΈΠΎΡΠΎΠ²ΠΎΠ΄Ρ, Π² ΡΠ°ΡΡΠ½ΠΎΡΡΠΈ, ΡΠ΅ΡΡ ΠΈΠ΄Π΅Ρ ΠΎ Π½Π΅ΠΈΡΠΏΡΠ°Π²Π½ΠΎΡΡΠΈ ΠΈΠΌΠ΅Π½Π½ΠΎ Π±Π»ΠΎΠΊΠ° ΡΠΏΡΠ°Π²Π»Π΅Π½ΠΈΡ.
ΠΡΠ»ΠΈ Π±Π»ΠΎΠΊ ΡΠΏΡΠ°Π²Π»Π΅Π½ΠΈΡ ΡΠΈΡΡΠ΅ΠΌΠΎΠΉ ΡΠ°Π±ΠΎΡΠ°Π΅Ρ Π½Π΅ΠΊΠΎΡΡΠ΅ΠΊΡΠ½ΠΎ ΠΈΠ»ΠΈ Π²ΡΡΠ΅Π» ΠΈΠ· ΡΡΡΠΎΡ, Π½Π° Π΄ΠΈΡΠΏΠ»Π΅Π΅ Π±ΠΎΡΡΠΎΠ²ΠΎΠ³ΠΎ ΠΊΠΎΠΌΠΏΡΡΡΠ΅ΡΠ° ΠΏΠΎΡΠ²ΠΈΡΡΡ ΡΠΎΠΎΡΠ²Π΅ΡΡΡΠ²ΡΡΡΠ°Ρ ΠΎΡΠΈΠ±ΠΊΠ°. Π Π°ΡΡΠΈΡΡΠΎΠ²Π°Π² Π΅Π΅, ΠΌΠΎΠΆΠ½ΠΎ ΠΏΠΎΠ½ΡΡΡ, ΡΡΠΎ ΠΊΠΎΠΌΠΏΡΡΡΠ΅Ρ ΡΠΎΠΎΠ±ΡΠ°Π΅Ρ ΠΎΠ± ΠΎΡΠΊΠ°Π·Π΅ ΡΠ°Π±ΠΎΡΡ ΠΏΠΎΠ΄ΠΊΠ»ΡΡΠ΅Π½ΠΈΡ ΠΠ£Π , ΡΡΠΎ Π² Π±ΠΎΠ»ΡΡΠΈΠ½ΡΡΠ²Π΅ ΡΠ»ΡΡΠ°Π΅Π² Π³ΠΎΠ²ΠΎΡΠΈΡ ΠΎ Π½Π°Π»ΠΈΡΠΈΠΈ ΠΏΡΠΎΠ±Π»Π΅ΠΌ Π² ΠΏΠ°ΠΉΠΊΠ΅. Π ΡΠ°ΡΡΠ½ΠΎΡΡΠΈ, ΡΠ΅ΡΡ ΠΈΠ΄Π΅Ρ ΠΎ ΠΌΠ΅ΡΡΠ΅ ΡΠΎΠ΅Π΄ΠΈΠ½Π΅Π½ΠΈΡ ΠΏΠ»Π°ΡΡ ΡΡΠΈΠ»ΠΈΡΠ΅Π»Ρ Ρ ΠΊΠΎΠ½ΡΡΠΎΠ»Π»Π΅ΡΠΎΠΌ.
ΠΠ°Π½Π½Π°Ρ Π½Π΅ΠΈΡΠΏΡΠ°Π²Π½ΠΎΡΡΡ ΡΠ΅ΡΠ°Π΅ΡΡΡ Π»ΠΈΠ±ΠΎ ΠΏΡΡΠ΅ΠΌ Π·Π°ΠΌΠ΅Π½Ρ ΡΠΈΡΡΠ΅ΠΌΡ Ρ Π΄ΠΈΠ»Π΅ΡΠ°, Π΅ΡΠ»ΠΈ Π°Π²ΡΠΎ Π½Π° Π³Π°ΡΠ°Π½ΡΠΈΠΈ, Π»ΠΈΠ±ΠΎ ΠΏΡΡΠ΅ΠΌ ΡΠ΅ΠΌΠΎΠ½ΡΠ°. ΠΡΠ»ΠΈ Ρ Π²Π°Ρ Π½Π΅Ρ ΠΎΠΏΡΡΠ° Π² ΡΠΈΠΏ-ΡΡΠ½ΠΈΠ½Π³Π΅ ΠΈΠ»ΠΈ ΡΠ°Π±ΠΎΡΡ Ρ ΡΠ»Π΅ΠΊΡΡΠΎΠ½Π½ΡΠΌΠΈ Π΄Π΅Π²Π°ΠΉΡΠ°ΠΌΠΈ, ΡΠΎ ΡΠ΅ΡΠ΅Π½ΠΈΠ΅ ΡΠ°ΠΊΠΎΠΉ Π½Π΅ΠΈΡΠΏΡΠ°Π²Π½ΠΎΡΡΠΈ Π½Π΅ΠΎΠ±Ρ ΠΎΠ΄ΠΈΠΌΠΎ Π΄ΠΎΠ²Π΅ΡΠΈΡΡ ΠΏΡΠΎΡΠ΅ΡΡΠΈΠΎΠ½Π°Π»Π°ΠΌ. Π Π°Π·ΡΠΌΠ΅Π΅ΡΡΡ, Π΄Π»Ρ ΡΠΎΠ³ΠΎ, ΡΡΠΎΠ±Ρ ΡΠΎΡΠ½ΠΎ ΠΏΠΎΡΡΠ°Π²ΠΈΡΡ Β«Π΄ΠΈΠ°Π³Π½ΠΎΠ·Β», ΠΏΠΎΡΡΠ΅Π±ΡΠ΅ΡΡΡ ΠΏΡΠΎΠ²Π΅ΡΡΠΈ ΠΊΠΎΠΌΠΏΡΡΡΠ΅ΡΠ½ΡΡ Π΄ΠΈΠ°Π³Π½ΠΎΡΡΠΈΠΊΡ.
Π§Π°ΡΡΠΎ ΡΠ»ΡΡΠ°Π΅ΡΡΡ ΡΠ°ΠΊΠΎΠ΅, ΡΡΠΎ ΠΏΡΠΎΠΈΡΡ
ΠΎΠ΄ΡΡ ΡΠ±ΠΎΠΈ Π² ΡΠ°Π±ΠΎΡΠ΅ Π΄Π°ΡΡΠΈΠΊΠ° ΡΠΊΠΎΡΠΎΡΡΠΈ, ΡΡΠΎ ΠΎΠΏΡΡΡ ΠΆΠ΅, ΡΠΏΠΎΡΠΎΠ±ΡΡΠ²ΡΠ΅Ρ ΠΏΠΎΡΠ²Π»Π΅Π½ΠΈΡ ΠΎΡΠΈΠ±ΠΊΠΈ Π±ΠΎΡΡΠΎΠ²ΠΎΠ³ΠΎ ΠΊΠΎΠΌΠΏΡΡΡΠ΅ΡΠ°. Π’Π°ΠΊΠΎΠΉ ΡΠΈΠΏ Π½Π΅ΠΈΡΠΏΡΠ°Π²Π½ΠΎΡΡΠΈ ΠΌΠΎΠΆΠ½ΠΎ ΡΠ΅ΡΠΈΡΡ ΠΏΡΡΠ΅ΠΌ ΠΏΠ΅ΡΠ΅ΠΏΡΠΎΠ³ΡΠ°ΠΌΠΌΠΈΡΠΎΠ²Π°Π½ΠΈΡ ΡΡΡΡΠΎΠΉΡΡΠ²Π° Π»ΠΈΠ±ΠΎ Π·Π°ΠΌΠ΅Π½ΠΎΠΉ ΠΏΡΠΎΠ²ΠΎΠ΄ΠΎΠ² Π² ΡΠ΅Ρ
ΠΌΠ΅ΡΡΠ°Ρ
, Π³Π΄Π΅ ΡΠ΅Π³ΡΠ»ΡΡΠΎΡ ΡΠΎΠ΅Π΄ΠΈΠ½ΡΠ΅ΡΡΡ Ρ ΠΊΠΎΠ½ΡΡΠΎΠ»Π»Π΅ΡΠΎΠΌ.
ΠΡΠ»ΠΈ ΡΠ°ΠΌ ΡΠ΅Π³ΡΠ»ΡΡΠΎΡ ΡΠ²Π»ΡΠ΅ΡΡΡ Π½Π΅ΡΠ°Π±ΠΎΡΠΈΠΌ, ΡΠΎ Π΅Π³ΠΎ ΠΏΡΠΈΠ΄Π΅ΡΡΡ Π·Π°ΠΌΠ΅Π½ΠΈΡΡ (Π°Π²ΡΠΎΡ Π²ΠΈΠ΄Π΅ΠΎ β ΠΠ»Π΅ΠΊΡΠ΅ΠΉ a-skorp).
Π‘Π»ΠΈΡΠΊΠΎΠΌ Π½ΠΈΠ·ΠΊΠΈΠΉ ΡΡΠΎΠ²Π΅Π½Ρ Π½Π°ΠΏΡΡΠΆΠ΅Π½ΠΈΡ Π² Π±ΠΎΡΡΠΎΠ²ΠΎΠΉ ΡΠ΅ΡΠΈ Π°Π²ΡΠΎ β ΡΡΠΎ ΡΠ°ΠΊΠΆΠ΅ ΡΠ°ΡΠΏΡΠΎΡΡΡΠ°Π½Π΅Π½Π½Π°Ρ ΠΏΡΠΎΠ±Π»Π΅ΠΌΠ°. Π Π΄Π°Π½Π½ΠΎΠΌ ΡΠ»ΡΡΠ°Π΅ Π½Π΅ΠΎΠ±Ρ ΠΎΠ΄ΠΈΠΌΠΎ Π² ΠΏΠ΅ΡΠ²ΡΡ ΠΎΡΠ΅ΡΠ΅Π΄Ρ ΡΠ΄Π΅Π»ΠΈΡΡ Π²Π½ΠΈΠΌΠ°Π½ΠΈΠ΅ Π΄ΠΈΠ°Π³Π½ΠΎΡΡΠΈΠΊΠ΅ Π³Π΅Π½Π΅ΡΠ°ΡΠΎΡΠ½ΠΎΠ³ΠΎ ΡΡΡΡΠΎΠΉΡΡΠ²Π° Π»ΠΈΠ±ΠΎ ΠΏΡΠΎΠ²ΠΎΠ΄ΠΊΠΈ. ΠΠ»Ρ ΠΏΡΠΎΠ²Π΅ΡΠΊΠΈ ΠΈΡΠΏΠΎΠ»ΡΠ·ΡΠΉΡΠ΅ ΡΠ΅ΡΡΠ΅Ρ. Π Π»ΡΠ±ΠΎΠΌ ΡΠ»ΡΡΠ°Π΅, Π΅ΡΠ»ΠΈ Π² ΡΠ°Π±ΠΎΡΠ΅ ΡΠΈΡΡΠ΅ΠΌΡ ΠΎΠ±Π½Π°ΡΡΠΆΠ΅Π½Ρ Π½Π΅ΠΏΠΎΠ»Π°Π΄ΠΊΠΈ, Π½Π΅ΠΎΠ±Ρ ΠΎΠ΄ΠΈΠΌΠΎ ΠΏΡΠΎΠΈΠ·Π²Π΅ΡΡΠΈ ΡΠ΅ΠΌΠΎΠ½Ρ ΡΡΠ»Π΅Π²ΠΎΠΉ ΡΠ΅ΠΉΠΊΠΈ ΡΠ²ΠΎΠΈΠΌΠΈ ΡΡΠΊΠ°ΠΌΠΈ. ΠΠΊΡΠΏΠ»ΡΠ°ΡΠ°ΡΠΈΡ Π°Π²ΡΠΎ Ρ Π½Π΅ΡΠ°Π±ΠΎΡΠ°ΡΡΠΈΠΌ ΠΠ£Π Π½Π΅ Π΄ΠΎΠΏΡΡΠΊΠ°Π΅ΡΡΡ Π΄ΠΎ ΠΏΠΎΠ»Π½ΠΎΠ³ΠΎ ΡΡΡΡΠ°Π½Π΅Π½ΠΈΡ ΠΏΡΠΎΠ±Π»Π΅ΠΌΡ.
ΠΠ°ΠΊ ΠΎΠΏΡΠ΅Π΄Π΅Π»ΠΈΡΡ ΠΌΠ΅Ρ Π°Π½ΠΈΡΠ΅ΡΠΊΠΈΠ΅ ΠΏΠΎΠ²ΡΠ΅ΠΆΠ΄Π΅Π½ΠΈΡ ΠΠ£Π ΠΈ ΡΡΠ»Π΅Π²ΡΡ ΠΌΠ΅Ρ Π°Π½ΠΈΠ·ΠΌΠΎΠ²?
ΠΠ΅Ρ
Π°Π½ΠΈΡΠ΅ΡΠΊΠ°Ρ Π΄ΠΈΠ°Π³Π½ΠΎΡΡΠΈΠΊΠ° ΠΎΡΡΡΠ΅ΡΡΠ²Π»ΡΠ΅ΡΡΡ Π² ΡΠΎΠΌ ΡΠ»ΡΡΠ°Π΅, Π΅ΡΠ»ΠΈ ΡΠ»Π΅ΠΊΡΡΠΎΡΡΠΈΠ»ΠΈΡΠ΅Π»Ρ ΡΡΠ»Ρ ΡΠ°Π±ΠΎΡΠ°Π΅Ρ Π½Π΅ Π½ΠΎΡΠΌΠ°Π»ΡΠ½ΠΎ, Π½ΠΎ ΠΏΡΠΈ ΡΡΠΎΠΌ Π±ΠΎΡΡΠΎΠ²ΠΎΠΉ ΠΊΠΎΠΌΠΏΡΡΡΠ΅Ρ Π½Π΅ Π²ΡΠ΄Π°Π΅Ρ ΠΎΡΠΈΠ±ΠΎΠΊ. Π§ΡΠΎΠ±Ρ ΠΏΡΠΎΠΈΠ·Π²Π΅ΡΡΠΈ ΠΏΡΠΎΠ²Π΅ΡΠΊΡ ΠΌΠ΅Ρ
Π°Π½ΠΈΡΠ΅ΡΠΊΠΈΡ
ΠΏΠΎΠ²ΡΠ΅ΠΆΠ΄Π΅Π½ΠΈΠΉ, Π½Π΅ΠΎΠ±Ρ
ΠΎΠ΄ΠΈΠΌΠΎ ΠΌΠ°ΠΊΡΠΈΠΌΠ°Π»ΡΠ½ΠΎ ΠΏΡΠΎΠ²Π΅ΡΠ½ΡΡΡ ΡΡΠ»Π΅Π²ΠΎΠ΅ ΠΊΠΎΠ»Π΅ΡΠΎ Π²Π»Π΅Π²ΠΎ ΠΈ Π²ΠΏΡΠ°Π²ΠΎ, ΠΌΠΎΡΠΎΡ ΠΏΡΠΈ ΡΡΠΎΠΌ Π΄ΠΎΠ»ΠΆΠ΅Π½ Π±ΡΡΡ Π·Π°Π²Π΅Π΄Π΅Π½.
Π‘Π»Π΅Π΄ΡΠ΅Ρ ΠΎΡΠΌΠ΅ΡΠΈΡΡ, ΡΡΠΎ ΠΏΡΠΈ ΠΏΠΎΠ²ΠΎΡΠΎΡΠ΅ ΡΡΠ»Π΅Π²ΠΎΠ³ΠΎ ΠΊΠΎΠ»Π΅ΡΠ° ΡΡΠ°Π½ΡΠΏΠΎΡΡΠ½ΠΎΠ΅ ΡΡΠ΅Π΄ΡΡΠ²ΠΎ Π΄ΠΎΠ»ΠΆΠ½ΠΎ ΡΡΠΎΡΡΡ Π½Π° ΠΎΠ΄Π½ΠΎΠΌ ΠΌΠ΅ΡΡΠ΅.
Π ΡΠΎΠΌ ΡΠ»ΡΡΠ°Π΅, Π΅ΡΠ»ΠΈ Π²Ρ Π·Π°ΠΌΠ΅ΡΠΈΠ»ΠΈ, ΡΡΠΎ ΠΏΡΠΈ ΠΏΠΎΠ²ΠΎΡΠΎΡΠ΅ ΡΡΠ»Ρ Π½Π΅ΠΎΠ±Ρ ΠΎΠ΄ΠΈΠΌΠΎ ΠΏΡΠΈΠ»ΠΎΠΆΠΈΡΡ Π±ΠΎΠ»ΡΡΠ΅ ΡΡΠΈΠ»ΠΈΠΉ, ΡΠ΅ΠΌ ΠΎΠ±ΡΡΠ½ΠΎ, ΡΠΎ ΡΡΠΎ ΠΌΠΎΠΆΠ΅Ρ ΡΠ²ΠΈΠ΄Π΅ΡΠ΅Π»ΡΡΡΠ²ΠΎΠ²Π°ΡΡ ΠΎ Π²ΡΡ ΠΎΠ΄Π΅ ΠΈΠ· ΡΡΡΠΎΡ Π΄Π΅ΡΠ°Π»Π΅ΠΉ ΠΈΠ»ΠΈ ΠΊΠΎΠΌΠΏΠΎΠ½Π΅Π½ΡΠΎΠ² ΡΡΠΈΠ»ΠΈΡΠ΅Π»Ρ. ΠΠΎ ΡΠ°ΠΊΠΆΠ΅ ΡΡΠΎ ΠΌΠΎΠΆΠ΅Ρ Π³ΠΎΠ²ΠΎΡΠΈΡΡ ΠΎ ΠΏΠΎΠ»ΠΎΠΌΠΊΠ΅ Π΄ΡΡΠ³ΠΈΡ ΡΠ»Π΅ΠΌΠ΅Π½ΡΠΎΠ² ΡΡΠ»Π΅Π²ΠΎΠΉ ΡΠΈΡΡΠ΅ΠΌΡ (Π²ΠΈΠ΄Π΅ΠΎ ΠΎ Π΄ΠΈΠ°Π³Π½ΠΎΡΡΠΈΠΊΠ΅ ΡΡΠΈΠ»ΠΈΡΠ΅Π»Ρ ΡΡΠ»Ρ Ρ ΠΏΠΎΠΌΠΎΡΡΡ ΡΠΊΡΠ΅ΠΏΠΊΠΈ ΠΏΡΠ΅Π΄ΡΡΠ°Π²Π»Π΅Π½ΠΎ Π½ΠΈΠΆΠ΅, Π°Π²ΡΠΎΡ Π²ΠΈΠ΄Π΅ΠΎ β ΠΠΎΡΠ° ΠΠ°Ρ ΡΠΎΠΌΠ΅Π΅Π²).
Π§ΡΠΎΠ±Ρ ΡΠΎΡΠ½ΠΎ Π²ΡΡΠ²ΠΈΡΡ, ΡΡΠΎ ΠΆΠ΅ ΠΏΠΎΡΠ»ΡΠΆΠΈΠ»ΠΎ ΠΏΡΠΎΠ±Π»Π΅ΠΌΠΎΠΉ, ΠΏΠΎΡΡΠ΅Π±ΡΠ΅ΡΡΡ ΠΏΡΠΎΠ²Π΅ΡΡΠΈ Π±ΠΎΠ»Π΅Π΅ ΡΡΠ°ΡΠ΅Π»ΡΠ½ΡΡ Π΄ΠΈΠ°Π³Π½ΠΎΡΡΠΈΠΊΡ. ΠΠ»Ρ ΡΡΠΎΠ³ΠΎ ΡΡΠ°Π½ΡΠΏΠΎΡΡΠ½ΠΎΠ΅ ΡΡΠ΅Π΄ΡΡΠ²ΠΎ Π² ΠΏΠ΅ΡΠ²ΡΡ ΠΎΡΠ΅ΡΠ΅Π΄Ρ Π½ΡΠΆΠ½ΠΎ Π·Π°Π³Π½Π°ΡΡ Π½Π° ΠΏΠΎΠ΄ΡΠ΅ΠΌΠ½ΠΈΠΊ ΠΈ ΠΏΠΎΠ΄Π½ΡΡΡ, ΠΏΡΠΈ ΡΡΠΎΠΌ ΡΡΠ°ΡΠ΅Π»ΡΠ½ΠΎ ΠΏΡΠΎΠ²Π΅ΡΠΈΠ² Π½Π° ΡΠ°Π±ΠΎΡΠΎΡΠΏΠΎΡΠΎΠ±Π½ΠΎΡΡΡ Π²ΡΠ΅ ΡΠ»Π΅ΠΌΠ΅Π½ΡΡ Ρ
ΠΎΠ΄ΠΎΠ²ΠΊΠΈ. ΠΡΠΎΠ²Π΅ΡΠΊΠ΅ ΠΏΠΎΠ΄Π»Π΅ΠΆΠ°Ρ ΡΠ΅ΠΉΠΊΠΈ, ΡΡΠ»Π΅Π²ΡΠ΅ ΡΡΠ³ΠΈ ΠΈ Ρ.Π΄. Π’Π°ΠΊΡΡ ΠΏΡΠΎΡΠ΅Π΄ΡΡΡ ΠΌΠΎΠΆΠ½ΠΎ Π±Π΅Π· ΠΏΡΠΎΠ±Π»Π΅ΠΌ ΠΏΡΠΎΠ²Π΅ΡΡΠΈ Π½Π° Π»ΡΠ±ΠΎΠΌ Π‘Π’Π Π»ΠΈΠ±ΠΎ ΠΆΠ΅ ΡΠ²ΠΎΠΈΠΌΠΈ ΡΠΈΠ»Π°ΠΌΠΈ, Π½ΠΎ ΡΠΎΠ»ΡΠΊΠΎ Π΅ΡΠ»ΠΈ Ρ Π²Π°Ρ Π΅ΡΡΡ ΠΏΠΎΠ΄ΡΠ΅ΠΌΠ½ΠΈΠΊ ΠΈ ΠΎΠΏΡΠ΅Π΄Π΅Π»Π΅Π½Π½ΡΠ΅ Π½Π°Π²ΡΠΊΠΈ ΠΏΠΎ Π΄ΠΈΠ°Π³Π½ΠΎΡΡΠΈΠΊΠ΅.
ΠΡΡΡ Π²Π΅ΡΠΎΡΡΠ½ΠΎΡΡΡ ΡΠΎΠ³ΠΎ, ΡΡΠΎ ΡΠ΅ΠΌΠΎΠ½Ρ ΠΠ£Π Π½Π΅ ΡΡΠ΅Π±ΡΠ΅ΡΡΡ, ΠΏΠΎΡΠΊΠΎΠ»ΡΠΊΡ ΠΎΠ½ ΡΠ°ΠΌ ΠΏΠΎ ΡΠ΅Π±Π΅ ΡΠ°Π±ΠΎΡΠΎΡΠΏΠΎΡΠΎΠ±Π΅Π½, Π½ΠΎ ΡΡΠ΅Π±ΡΠ΅ΡΡΡ ΡΠ΅ΠΌΠΎΠ½Ρ Π΄ΡΡΠ³ΠΈΡ
ΡΠ»Π΅ΠΌΠ΅Π½ΡΠΎΠ².
Π§ΡΠΎΠ± Π½Π΅ Π΄ΠΎΠΏΡΡΡΠΈΡΡ ΠΏΠΎΡΠ²Π»Π΅Π½ΠΈΡ Π½Π΅ΠΈΡΠΏΡΠ°Π²Π½ΠΎΡΡΠ΅ΠΉ, ΡΠ²ΡΠ·Π°Π½Π½ΡΡ Ρ ΡΠ»Π΅ΠΊΡΡΠΎΡΡΠΈΠ»ΠΈΡΠ΅Π»Π΅ΠΌ, Π½Π΅ΠΎΠ±Ρ ΠΎΠ΄ΠΈΠΌΠΎ Π²ΡΠ΅ΠΌΡ ΠΎΡ Π²ΡΠ΅ΠΌΠ΅Π½ΠΈ ΠΏΡΠΎΠΈΠ·Π²ΠΎΠ΄ΠΈΡΡ ΠΎΡΠΈΡΡΠΊΡ ΡΠΈΡΡΠ΅ΠΌΡ, Π° ΡΠ°ΠΊΠΆΠ΅ ΠΊΠΎΠ½ΡΠ°ΠΊΡΠ½ΡΡ ΡΠ·Π»ΠΎΠ². Π§ΡΠΎΠ±Ρ ΠΏΡΠΎΠ²Π΅ΡΡΠΈ ΡΠ΅ΡΠ²ΠΈΡΠ½ΠΎΠ΅ ΠΎΠ±ΡΠ»ΡΠΆΠΈΠ²Π°Π½ΠΈΠ΅ ΡΠ°ΠΌΠΎΡΡΠΎΡΡΠ΅Π»ΡΠ½ΠΎ, ΠΏΠΎΡΡΠ΅Π±ΡΠ΅ΡΡΡ ΡΠ½ΡΡΡ ΡΠ²ΠΎΠΉ ΠΠ£Π , ΠΏΠΎΠ»Π½ΠΎΡΡΡΡ ΡΠ°Π·ΠΎΠ±ΡΠ°ΡΡ Π΅Π³ΠΎ, ΠΏΡΠΎΠΈΠ·Π²Π΅ΡΡΠΈ ΠΎΡΠΈΡΡΠΊΡ ΠΈ ΠΏΠΎΡΡΠ°Π²ΠΈΡΡ ΠΎΠ±ΡΠ°ΡΠ½ΠΎ. ΠΠΎΠ΄ΡΠΎΠ±Π½Π΅Π΅ ΠΎΠ± ΡΡΠΎΠΌ ΠΌΡ ΡΠ°ΡΡΠΊΠ°ΠΆΠ΅ΠΌ Π½ΠΈΠΆΠ΅.
Π‘Π½ΡΡΠΈΠ΅ ΠΈ ΡΡΡΠ°Π½ΠΎΠ²ΠΊΠ° ΠΠ£Π Π² Π΄ΠΎΠΌΠ°ΡΠ½ΠΈΡ ΡΡΠ»ΠΎΠ²ΠΈΡΡ
ΠΠ»Ρ ΡΠΎΠ³ΠΎ, ΡΡΠΎΠ±Ρ ΠΏΡΠΎΠΈΠ·Π²Π΅ΡΡΠΈ ΡΠ½ΡΡΠΈΠ΅ ΡΡΡΡΠΎΠΉΡΡΠ²Π° Ρ Π°Π²ΡΠΎΠΌΠΎΠ±ΠΈΠ»Ρ, ΠΏΠΎΡΡΠ΅Π±ΡΠ΅ΡΡΡ Π·Π°ΡΠ°Π½Π΅Π΅ ΠΏΠΎΠ΄Π³ΠΎΡΠΎΠ²ΠΈΡΡ Π²ΡΠ΅, ΡΡΠΎ Π²Π°ΠΌ ΠΌΠΎΠΆΠ΅Ρ ΠΏΡΠΈΠ³ΠΎΠ΄ΠΈΡΡΡΡ Π² ΠΏΡΠΎΡΠ΅ΡΡΠ΅. Π ΡΠ°ΡΡΠ½ΠΎΡΡΠΈ, ΡΠ΅ΡΡ ΠΈΠ΄Π΅Ρ ΠΎΠ± ΠΎΡΠ²Π΅ΡΡΠΊΠ°Ρ Ρ ΠΏΠ»ΠΎΡΠΊΠΈΠΌ ΠΈ ΠΊΡΠ΅ΡΡΠΎΠ²ΡΠΌ Π½Π°ΠΊΠΎΠ½Π΅ΡΠ½ΠΈΠΊΠ°ΠΌΠΈ, Π° ΡΠ°ΠΊΠΆΠ΅ Π½Π°Π±ΠΎΡΠ΅ Π³Π°Π΅ΡΠ½ΡΡ ΠΊΠ»ΡΡΠ΅ΠΉ Ρ ΡΠΎΡΡΠ΅Π²ΡΠΌΠΈ Π³ΠΎΠ»ΠΎΠ²ΠΊΠ°ΠΌΠΈ.
ΠΡΠ°ΠΊ, ΠΊΠ°ΠΊ ΠΏΡΠΎΠΈΡΡ ΠΎΠ΄ΠΈΡ ΠΏΡΠΎΡΠ΅Π΄ΡΡΠ° ΡΠ½ΡΡΠΈΡ ΠΈ ΠΌΠΎΠ½ΡΠ°ΠΆΠ° ΡΠ»Π΅ΠΊΡΡΠΎΡΡΠΈΠ»ΠΈΡΠ΅Π»Ρ:
- Π ΠΏΠ΅ΡΠ²ΡΡ ΠΎΡΠ΅ΡΠ΅Π΄Ρ, Π½Π΅ΠΎΠ±Ρ
ΠΎΠ΄ΠΈΠΌΠΎ Π²ΡΠΊΠ»ΡΡΠΈΡΡ ΠΏΠΈΡΠ°Π½ΠΈΠ΅ Π½Π° Π±ΠΎΡΡΠΎΠ²ΡΡ ΡΠ΅ΡΡ, Π΄Π»Ρ ΡΡΠΎΠ³ΠΎ ΠΎΡΡΠΎΠ΅Π΄ΠΈΠ½ΠΈΡΠ΅ ΠΌΠΈΠ½ΡΡΠΎΠ²ΡΡ ΠΊΠ»Π΅ΠΌΠΌΡ ΠΎΡ Π°ΠΊΠΊΡΠΌΡΠ»ΡΡΠΎΡΠ°. ΠΠ°ΡΠ΅ΠΌ Π΄Π΅ΠΌΠΎΠ½ΡΠΈΡΡΠΉΡΠ΅ ΡΡΠ»Ρ, Π·Π°ΡΠ°Π½Π΅Π΅ ΡΠ½ΡΠ² ΠΏΠ»Π°ΡΡΠΈΠΊΠΎΠ²ΡΡ Π½Π°ΠΊΠ»Π°Π΄ΠΊΡ ΠΏΠΎΠ΄ Π½ΠΈΠΌ ΠΈ Π½Π° ΠΊΠΎΠ½ΡΡΠΎΠ»ΡΠ½ΠΎΠΌ ΡΠΈΡΠΊΠ΅.
ΠΠ΅ΠΌΠΎΠ½ΡΠ°ΠΆ ΡΡΠ»Ρ ΠΏΡΠΎΠ²ΠΎΠ΄ΠΈΡΡΡ Π² ΡΠΎΠΎΡΠ²Π΅ΡΡΡΠ²ΠΈΠΈ Ρ ΡΠ΅ΡΠ²ΠΈΡΠ½ΠΎΠΉ ΠΊΠ½ΠΈΠΆΠΊΠΎΠΉ ΠΊ Π°Π²ΡΠΎΠΌΠΎΠ±ΠΈΠ»Ρ. - ΠΡΠΏΠΎΠ»ΡΠ·ΡΡ ΠΊΡΠ΅ΡΡΠΎΠΎΠ±ΡΠ°Π·Π½ΡΡ ΠΎΡΠ²Π΅ΡΡΠΊΡ, Π½Π΅ΠΎΠ±Ρ ΠΎΠ΄ΠΈΠΌΠΎ ΠΎΡΠΊΡΡΡΠΈΡΡ ΡΠ΅ΡΡΡΠ΅ Π±ΠΎΠ»ΡΠ° ΡΠΈΠΊΡΠ°ΡΠΈΠΈ Π΄Π΅ΠΊΠΎΡΠ°ΡΠΈΠ²Π½ΠΎΠΉ Π½Π°ΠΊΠ»Π°Π΄ΠΊΠΈ Π½Π° ΡΡΠ»Π΅Π²ΠΎΠΉ ΠΏΠ°Π½Π΅Π»ΠΈ.
- Π‘Π΄Π΅Π»Π°Π² ΡΡΠΎ, Π²Ρ ΡΠΌΠΎΠΆΠ΅ΡΠ΅ ΡΠ²ΠΈΠ΄Π΅ΡΡ ΠΊΠΎΠ»ΠΎΠ΄ΠΊΠΈ Ρ ΠΏΡΠΎΠ²ΠΎΠ΄ΠΊΠΎΠΉ β ΠΈΡ Π½Π΅ΠΎΠ±Ρ ΠΎΠ΄ΠΈΠΌΠΎ ΠΎΡΡΠΎΠ΅Π΄ΠΈΠ½ΠΈΡΡ ΠΎΡ ΠΏΠΎΠ΄ΡΡΠ»Π΅Π²ΠΎΠ³ΠΎ ΠΏΠ΅ΡΠ΅ΠΊΠ»ΡΡΠ°ΡΠ΅Π»Ρ, ΡΠ°ΠΊΠΆΠ΅ ΠΎΡΡΠΎΠ΅Π΄ΠΈΠ½ΡΠ΅ΡΡΡ ΠΈ ΠΊΠΎΠ½ΡΠ°ΠΊΡΠ½ΠΎΠ΅ ΠΊΠΎΠ»ΡΡΠΎ.
- ΠΡΠΏΠΎΠ»ΡΠ·ΡΡ Π³Π°Π΅ΡΠ½ΡΠΉ ΠΊΠ»ΡΡ Π½Π° 8, Π½ΡΠΆΠ½ΠΎ ΠΎΡΠΊΡΡΡΠΈΡΡ Π²ΠΈΠ½Ρ ΡΠΈΠΊΡΠ°ΡΠΈΠΈ ΠΊΠΎΠ»ΠΎΠ΄ΠΎΠΊ ΠΏΡΠΎΠ²ΠΎΠ΄ΠΎΠ², ΠΊΠΎΡΠΎΡΡΠ΅ ΠΏΡΠΎΡ ΠΎΠ΄ΡΡ ΠΎΡ Π·Π°ΠΌΠΊΠ° Π·Π°ΠΆΠΈΠ³Π°Π½ΠΈΡ.
- ΠΠ°Π»Π΅Π΅, Π½Π΅ΠΎΠ±Ρ ΠΎΠ΄ΠΈΠΌΠΎ Π½Π°ΠΆΠ°ΡΡ Π½Π° ΠΏΠ»Π°ΡΡΠΌΠ°ΡΡΠΎΠ²ΡΠ΅ ΡΠ»Π΅ΠΌΠ΅Π½ΡΡ ΡΠΈΠΊΡΠ°ΡΠΈΠΈ ΠΈ ΠΎΡΡΠΎΠ΅Π΄ΠΈΠ½ΠΈΡΡ ΠΊΠΎΠ»ΠΎΠ΄ΠΊΠΈ Ρ ΠΏΡΠΎΠ²ΠΎΠ΄Π°ΠΌΠΈ Π²Π²Π΅ΡΡ Ρ ΠΈ Π²Π½ΠΈΠ·Ρ ΡΠ°ΠΌΠΎΠΉ ΠΊΠΎΠ»ΠΎΠ½ΠΊΠΈ.
- Π ΡΠΎΠΌ ΠΌΠ΅ΡΡΠ΅, Π³Π΄Π΅ ΡΠ»Π΅ΠΊΡΡΠΎΡΡΠΈΠ»ΠΈΡΠ΅Π»Ρ ΡΡΠ»Π΅Π²ΠΎΠ³ΠΎ ΠΊΠΎΠ»Π΅ΡΠ° ΠΊΡΠ΅ΠΏΠΈΡΡΡ ΠΊ ΡΠ°ΠΌΠΎΠΉ ΠΊΠΎΠ»ΠΎΠ½ΠΊΠ΅, ΠΏΠΎΡΡΠ΅Π±ΡΠ΅ΡΡΡ Π΄Π΅ΠΌΠΎΠ½ΡΠΈΡΠΎΠ²Π°ΡΡ ΡΠ°ΠΊ Π½Π°Π·ΡΠ²Π°Π΅ΠΌΡΡ ΠΏΠ»Π°ΡΡΠΌΠ°ΡΡΠΎΠ²ΡΡ ΡΡΠΎΡΠΊΡ, Π΄Π»Ρ ΡΡΠΎΠ³ΠΎ ΡΠ»Π΅Π΄ΡΠ΅Ρ ΠΎΡΡΠΎΠ΅Π΄ΠΈΠ½ΠΈΡΡ ΡΠΈΠΊΡΠ°ΡΠΎΡΡ.
- ΠΡΠΏΠΎΠ»ΡΠ·ΡΡ ΡΠΎΡΡΠ΅Π²ΠΎΠΉ ΠΊΠ»ΡΡ, Π½ΡΠΆΠ½ΠΎ Π½Π΅ΡΠΈΠ»ΡΠ½ΠΎ ΠΎΡΠ»Π°Π±ΠΈΡΡ Π³Π°ΠΉΠΊΠΈ, ΠΊΠΎΡΠΎΡΡΠ΅ ΡΠΈΠΊΡΠΈΡΡΡΡ ΡΠ·Π΅Π» ΠΊ Π½ΠΈΠ·Ρ ΠΊΠΎΠ»ΠΎΠ½ΠΊΠΈ.
ΠΠΎΡΠ»Π΅ Π²ΡΠΏΠΎΠ»Π½Π΅Π½ΠΈΡ ΡΡΠΈΡ
Π΄Π΅ΠΉΡΡΠ²ΠΈΠΉ ΠΎΡΡΡΠ΅ΡΡΠ²Π»ΡΠ΅ΡΡΡ ΡΠ½ΡΡΠΈΠ΅ Π½Π΅ΠΏΠΎΡΡΠ΅Π΄ΡΡΠ²Π΅Π½Π½ΠΎ ΡΡΠΈΠ»ΠΈΡΠ΅Π»Ρ β ΠΎΠ½ Π΄Π΅ΠΌΠΎΠ½ΡΠΈΡΡΠ΅ΡΡΡ Π²ΠΌΠ΅ΡΡΠ΅ Ρ ΠΏΡΠΎΠΌΠ΅ΠΆΡΡΠΎΡΠ½ΡΠΌ Π²Π°Π»ΠΎΠΌ.
ΠΠΎ Π΄Π»Ρ ΡΠΎΠ³ΠΎ, ΡΡΠΎΠ±Ρ Π²Π°ΠΌ Π±ΡΠ»ΠΎ Π±ΠΎΠ»Π΅Π΅ ΡΠ΄ΠΎΠ±Π½ΠΎ ΠΏΡΠΎΡΠΈΡΠ°ΡΡ ΡΠ·Π΅Π» ΠΈ Π² Π΄Π°Π»ΡΠ½Π΅ΠΉΡΠ΅ΠΌ ΠΏΡΠΎΠΈΠ·Π²ΠΎΠ΄ΠΈΡΡ ΡΡΡΠ°Π½ΠΎΠ²ΠΊΡ Π² ΠΎΠ±ΡΠ°ΡΠ½ΠΎΠΌ ΠΏΠΎΡΡΠ΄ΠΊΠ΅, ΡΡΠΈ ΠΊΠΎΠΌΠΏΠΎΠ½Π΅Π½ΡΡ ΠΆΠ΅Π»Π°ΡΠ΅Π»ΡΠ½ΠΎ Π·Π°ΡΠ°Π½Π΅Π΅ ΠΎΡΡΠΎΠ΅Π΄ΠΈΠ½ΠΈΡΡ Π΄ΡΡΠ³ ΠΎΡ Π΄ΡΡΠ³Π°. Π§ΡΠΎΠ±Ρ ΡΠ΄Π΅Π»Π°ΡΡ ΡΡΠΎ, ΠΈΡΠΏΠΎΠ»ΡΠ·ΡΡ ΠΊΠ»ΡΡ Π½Π° 13 Π²ΡΠΊΡΡΡΠΈΡΠ΅ Π²ΠΈΠ½Ρ, ΡΠΈΠΊΡΠΈΡΡΡΡΠΈΠΉ ΠΊΠ°ΡΠ΄Π°Π½Π½ΡΠΉ ΡΠ°ΡΠ½ΠΈΡΡ Π½Π° ΡΠ°ΠΌΠΎΠΌ Π²Π°Π»Ρ. ΠΠ°ΡΠ΅ΠΌ Π²Π°ΠΌ ΠΏΠΎΡΡΠ΅Π±ΡΠ΅ΡΡΡ ΠΎΡΠΊΡΡΡΠΈΡΡ Π΄Π²Π΅ Π³Π°ΠΉΠΊΠΈ ΡΠΈΠΊΡΠ°ΡΠΈΠΈ ΠΏΠΎ ΡΠΎΡΡΠ°ΠΌ, ΠΏΠΎΡΠ»Π΅ ΡΡΠΎΠ³ΠΎ ΡΠ°ΠΌΡ ΡΡΠ»Π΅Π²ΡΡ ΠΊΠΎΠ»ΠΎΠ½ΠΊΡ ΠΌΠΎΠΆΠ½ΠΎ Π±ΡΠ΄Π΅Ρ ΠΈΠ·Π²Π»Π΅ΡΡ.
ΠΠ°ΡΠ΅ΠΌ Π½ΡΠΆΠ½ΠΎ Π±ΡΠ΄Π΅Ρ ΠΈΠ·Π²Π»Π΅ΡΡ Π²ΠΈΠ½Ρ ΠΈ ΠΏΡΠΎΠΈΠ·Π²Π΅ΡΡΠΈ ΡΠ½ΡΡΠΈΠ΅ ΠΊΠ°ΡΠ΄Π°Π½Π° ΠΎΡ ΡΠ»ΠΈΡΠ΅Π²ΠΎΠ³ΠΎ ΡΠΊΠΈΠ²Π° ΡΠ·Π»Π°. Π§ΡΠΎΠ±Ρ ΠΏΠΎΡΠ»Π΅ ΡΠ½ΡΡΠΈΡ ΠΏΡΠΎΡΠ΅Π΄ΡΡΠ° ΠΎΠ±ΡΠ°ΡΠ½ΠΎΠΉ ΡΡΡΠ°Π½ΠΎΠ²ΠΊΠΈ Π±ΡΠ»Π° Π±ΠΎΠ»Π΅Π΅ ΡΠ΄ΠΎΠ±Π½ΠΎΠΉ, ΠΆΠ΅Π»Π°ΡΠ΅Π»ΡΠ½ΠΎ ΡΠ΄ΠΎΡΡΠΎΠ²Π΅ΡΠΈΡΡ Π² ΡΠΎΠΌ, ΡΡΠΎ Π²ΡΠ΅ ΠΌΠ΅ΡΠΊΠΈ ΡΠΎΠ²ΠΏΠ°Π΄Π°ΡΡ. Π Π΅ΡΡ ΠΈΠ΄Π΅Ρ ΠΎ ΠΌΠ΅ΡΠΊΠ°Ρ Π½Π° Π·Π°ΡΠΈΡΠ½ΠΎΠΌ ΡΠ΅Ρ Π»Π΅, ΡΠΊΠΈΠ²Π΅, Π° ΡΠ°ΠΊΠΆΠ΅ ΠΊΡΡΡΠΊΠ΅ ΡΡΠ°ΡΡΠ΅ΡΠ°. ΠΡΠΈΡΡΠΊΠ° ΠΌΠ΅Ρ Π°Π½ΠΈΠ·ΠΌΠ° ΠΊΠΎΠ½ΡΠ°ΠΊΡΠ½ΠΎΠΉ Π³ΡΡΠΏΠΏΡ ΠΈ ΠΏΡΠΎΡΠΈΡ ΡΠ»Π΅ΠΌΠ΅Π½ΡΠΎΠ² ΡΠΈΡΡΠ΅ΠΌΡ Π΄ΠΎΠ»ΠΆΠ½Π° ΠΏΡΠΎΠΈΠ·Π²ΠΎΠ΄ΠΈΡΡΡΡ ΠΎΡΡΠΎΡΠΎΠΆΠ½ΠΎ, ΡΡΠΎΠ±Ρ Π²ΡΠ΅ ΠΊΠΎΠΌΠΏΠΎΠ½Π΅Π½ΡΡ ΠΎΡΡΠ°Π»ΠΈΡΡ ΡΠ΅Π»ΡΠΌΠΈ ΠΈ Π½Π΅ΠΏΠΎΠ²ΡΠ΅ΠΆΠ΄Π΅Π½Π½ΡΠΌΠΈ. ΠΡΠ»ΠΈ Π²Ρ ΠΎΠ±ΡΠ°ΡΠΈΡΠ΅ΡΡ Π·Π° ΠΏΠΎΠΌΠΎΡΡΡ ΠΊ ΡΠΏΠ΅ΡΠΈΠ°Π»ΠΈΡΡΠ°ΠΌ Π² ΡΡΠΎΠΌ Π²ΠΎΠΏΡΠΎΡΠ΅, ΡΠΎ ΠΏΡΠΎΡΠ΅Π΄ΡΡΠ° ΠΎΡΠΈΡΡΠΊΠΈ ΠΎΠ±ΠΎΠΉΠ΄Π΅ΡΡΡ Π²Π°ΠΌ Π² ΡΡΠ΅Π΄Π½Π΅ΠΌ ΠΎΠΊΠΎΠ»ΠΎ 30-50 Π΄ΠΎΠ»Π»Π°ΡΠΎΠ² Π² Π·Π°Π²ΠΈΡΠΈΠΌΠΎΡΡΠΈ ΠΎΡ ΡΠ΅Π³ΠΈΠΎΠ½Π°.
Β ΠΠ°Π³ΡΡΠ·ΠΊΠ° …ΠΠΈΠ΄Π΅ΠΎ Β«Π£ΡΡΠ°Π½ΠΎΠ²ΠΊΠ° ΡΡΠΈΠ»ΠΈΡΠ΅Π»Ρ ΡΠ²ΠΎΠΈΠΌΠΈ ΡΡΠΊΠ°ΠΌΠΈΒ»
ΠΠ°ΠΊ ΠΏΡΠ°Π²ΠΈΠ»ΡΠ½ΠΎ ΠΏΡΠΎΠΈΠ·Π²Π΅ΡΡΠΈ ΠΌΠΎΠ½ΡΠ°ΠΆ ΡΠ»Π΅ΠΊΡΡΠΎΡΡΠΈΠ»ΠΈΡΠ΅Π»Ρ Π² Π΄ΠΎΠΌΠ°ΡΠ½ΠΈΡ ΡΡΠ»ΠΎΠ²ΠΈΡΡ β ΡΠΌΠΎΡΡΠΈΡΠ΅ Π½Π° Π²ΠΈΠ΄Π΅ΠΎ Π½ΠΈΠΆΠ΅ (Π°Π²ΡΠΎΡ Π²ΠΈΠ΄Π΅ΠΎ β sokur64).
ΠΠ»Π΅ΠΊΡΡΠΎΡΡΠΈΠ»ΠΈΡΠ΅Π»Ρ ΡΡΠ»Ρ Π² ΠΊΠ°ΡΠ±ΡΡΠ°ΡΠΎΡΠ½ΠΎΠΉ ΠΠΈΠ²Π΅
ΠΠ»Π΅ΠΊΡΡΠΎΡΡΠΈΠ»ΠΈΡΠ΅Π»Ρ ΡΡΠ»Ρ Π² ΠΊΠ°ΡΠ±ΡΡΠ°ΡΠΎΡΠ½ΠΎΠΉ ΠΠΈΠ²Π΅| Β ΠΠ»Π΅ΠΊΡΡΠΎΡΡΠΈΠ»ΠΈΡΠ΅Π»Ρ ΡΡΠ»Ρ Π²
ΠΊΠ°ΡΠ±ΡΡΠ°ΡΠΎΡΠ½ΠΎΠΉ ΠΠΈΠ²Π΅ Β ΠΠ²ΡΠΎΡ Roadster4x4 |
Π‘ΠΎΠΎΠ±ΡΠ΅Π½ΠΈΡ Π°Π²ΡΠΎΡΠ° ΡΠ΄Π΅Π»Π°Π½Ρ Π² ΠΊΠΎΠ½ΡΠ΅ΡΠ΅Π½ΡΠΈΠΈ 06.10.03 (ΡΠ°ΡΡΡ 1 ΠΈ ΡΠ°ΡΡΡ 2).Β
ΠΡΡΠΊΠ°Π½ΠΈΡΠΎΠ²Π°Π½Π½ΡΠ΅ ΠΌΠ°ΡΠ΅ΡΠΈΠ°Π»Ρ ΠΏΡΠΈΡΠ»Π°Π½Ρ Π°Π²ΡΠΎΡΠΎΠΌ. Π§Π°ΡΡΠΈΡΠ½ΠΎ ΠΎΠ½ΠΈ ΠΏΠΎΠ²ΡΠΎΡΡΡΡ ΡΠΆΠ΅ Π²ΡΠ»ΠΎΠΆΠ΅Π½Π½ΡΠ΅ Π² ΡΡΠ°ΡΡΠ΅ ΠΠ»Π΅ΠΊΡΡΠΎΡΡΠΈΠ»ΠΈΡΠ΅Π»Ρ ΡΡΠ»Ρ, Π½ΠΎ ΠΈΠΌΠ΅ΡΡ Π»ΡΡΡΠ΅Π΅ ΠΊΠ°ΡΠ΅ΡΡΠ²ΠΎ, ΡΠ°ΡΡΠΈΡΠ½ΠΎ — Π΄ΠΎΠΏΠΎΠ»Π½ΡΡΡ ΠΈΡ .
[ΠΡ ΠΠ΅Π΄ΡΡΠ΅Π³ΠΎ FAQ.Β
Π₯ΠΎΡΡ ΠΎΠ±ΡΠ°ΡΠΈΡΡ Π²Π½ΠΈΠΌΠ°Π½ΠΈΠ΅, ΡΡΠΎ Π½ΡΠ½Π΅ΡΠ½ΡΡ Π²Π΅ΡΡΠΈΡ ΡΠ»Π΅ΠΊΡΡΠΎΡΡΠΈΠ»ΠΈΡΠ΅Π»Ρ Π±ΡΠ΄Π΅Ρ ΠΎΡΠ΅Π½Ρ Π½Π΅ΠΏΡΠΎΡΡΠΎ ΡΡΡΠ°Π½ΠΎΠ²ΠΈΡΡ Π½Π° ΠΊΠ°ΡΠ±ΡΡΠ°ΡΠΎΡΠ½ΡΡ ΠΌΠ°ΡΠΈΠ½Ρ: ΠΎΠ½ ΠΏΠΎΠ΄ΠΊΠ»ΡΡΠ°Π΅ΡΡΡ ΠΊ ΠΊΠΎΠ½ΡΡΠΎΠ»Π»Π΅ΡΡ ΠΈ ΠΏΠΎΠ»ΡΡΠ°Π΅Ρ ΠΈΠ½ΡΠΎΡΠΌΠ°ΡΠΈΡ ΠΎ ΡΠΊΠΎΡΠΎΡΡΠΈ ΠΈ ΠΎΠ±ΠΎΡΠΎΡΠ°Ρ Π΄Π²ΠΈΠ³Π°ΡΠ΅Π»Ρ ΠΈΠ· Π½Π΅Π³ΠΎ, Π° Π½Π΅ Π½Π΅ΠΏΠΎΡΡΠ΅Π΄ΡΡΠ²Π΅Π½Π½ΠΎ ΠΎΡ Π΄Π°ΡΡΠΈΠΊΠΎΠ²: ΡΠΌ. ΠΠ»Π΅ΠΊΡΡΠΎΡΡΠΈΠ»ΠΈΡΠ΅Π»Ρ ΡΡΠ»Ρ — ΠΈΠ½ΡΠΎΡΠΌΠ°ΡΠΈΡ ΠΎΡ ΡΠ°Π·ΡΠ°Π±ΠΎΡΡΠΈΠΊΠ°.
ALER, 05.05.06
Π‘ΠΌΠΎΡΡΠΈΡΠ΅ ΡΠ°ΠΊΠΆΠ΅ Π΄ΠΎΠΏΠΎΠ»Π½Π΅Π½ΠΈΠ΅ Π² ΠΊΠΎΠ½ΡΠ΅ ΡΡΠΎΠ³ΠΎ ΡΠ°ΠΉΠ»Π°, ΠΏΡΠΈΡΠ»Π°Π½Π½ΠΎΠ΅ mouse733/
ALER, 02.08.06]
Π‘ΡΠ±Π±ΠΎΡΠ° — 6 ΡΠ°ΡΠΎΠ² ΡΡΡΠ°Π½ΠΎΠ²ΠΊΠΈ
ΠΠΎΡΠΊΡΠ΅ΡΠ΅Π½ΡΠ΅ — ΡΠ΅ΡΡΠΎΠ²ΡΠ΅ Π·Π°Π΅Π·Π΄Ρ ΠΈ ΡΠ΅Π³ΡΠ»ΠΈΡΠΎΠ²ΠΊΠΈ
ΠΡΠΈΠ»ΠΎΠΆΠ΅Π½Π½ΡΠ΅ Π΄ΠΎΠΊΡΠΌΠ΅Π½ΡΡ:
Β Β ΠΠ±ΠΎΠ·Π½Π°ΡΠ΅Π½ΠΈΠ΅ ΠΊΠΎΠ½ΡΠ°ΠΊΡΠΎΠ²
ΡΠ°Π·ΡΠ΅ΠΌΠ°
Β Β Π‘Ρ
Π΅ΠΌΠ° ΠΌΠΎΠ½ΡΠ°ΠΆΠ° ΠΆΠ³ΡΡΠ° ΠΏΡΠΎΠ²ΠΎΠ΄ΠΎΠ²
Π½Π° ΠΠΠ-21214
Β Β Π£ΡΡΠ°Π½ΠΎΠ²ΠΊΠ° ΠΠ£Π Π£ Π½Π° Π°Π²ΡΠΎΠΌΠΎΠ±ΠΈΠ»Ρ
Β Β Π‘Ρ
Π΅ΠΌΠ° ΠΊΡΠ΅ΠΏΠ»Π΅Π½ΠΈΡ ΠΠ£Π Π£ ΠΈ
ΠΊΡΠΎΠ½ΡΡΠ΅ΠΉΠ½Π°
Β Β ΠΠ΅ΡΠ΅ΡΠ΅Π½Ρ ΠΊΠΎΠ΄ΠΎΠ² ΠΎΡΠΊΠ°Π·ΠΎΠ²
Β Β ΠΡΠΎΠ±Π΅Π½Π½ΠΎΡΡΠΈ ΡΡΡΠ°Π½ΠΎΠ²ΠΊΠΈ ΠΠ£Π Π£
Π½Π° Π°Π²ΡΠΎΠΌΠΎΠ±ΠΈΠ»Ρ ΠΠΠ-21213
Π£ΡΡΠ°Π½ΠΎΠ²ΠΊΠ°
Π£ΡΡΠ°Π½ΠΎΠ²ΠΊΠ° Π±ΡΠ»Π° ΠΏΡΠΎΠ²Π΅Π΄Π΅Π½Π° Π² Π‘ΠΠ± Π² ΠΈΠ·Π²Π΅ΡΡΠ½ΠΎΠΌ ΡΠ΅ΡΠ²ΠΈΡΠ΅ Π½Π° ΠΠ°ΡΠ°Π»ΠΎΠ²Π°, 9 ΠΈΠ·Π²Π΅ΡΡΠ½ΡΠΌ ΠΌΠ°ΡΡΠ΅ΡΠΎΠΌ ΠΏΠΎ ΡΠΏΠΎΡΡΠΈΠ²Π½ΡΠΌ ΠΠΈΠ²Π°ΠΌ ΠΠΈΠΊΠΎΠ»Π°Π΅ΠΌ ΠΠ°ΡΠΈΠ»ΡΠ΅Π²ΡΠΌ.
ΠΠ°ΡΠΈΠ½Π° — 21213 97 Π³. Π². Π½Π° ΡΠ΅Π·ΠΈΠ½Π΅ 205/70R15 Ρ Π΄ΠΈΡΠΊΠ°ΠΌΠΈ ΠΠ ΠΠΠ 6.5″, Π²ΡΠ»Π΅Ρ 40.
ΠΠΎΠΏΠΎΠ»Π½ΠΈΡΠ΅Π»ΡΠ½ΠΎ ΠΊ ΠΊΠΎΠΌΠΏΠ»Π΅ΠΊΡΡ ΠΠ£Π Π±ΡΠ»ΠΎ ΠΏΡΠΈΠ²Π΅Π·Π΅Π½ΠΎ:
— Π Π Ρ ΠΊΠΎΡΠΎΡΠΊΠΈΠΌ Π²Π°Π»ΠΎΠΌ;
— ΠΡΡΡΠΊΠ° Π Π Ρ Π΄Π²ΡΠΌΡ Π²ΡΡ
ΠΎΠ΄Π°ΠΌΠΈ (ΠΎΠΊΠ°Π·Π°Π»ΠΎΡΡ Π½Π΅ΠΎΠ±ΡΠ·Π°ΡΠ΅Π»ΡΠ½ΠΎ) Ρ ΠΏΡΠΎΠΊΠ»Π°Π΄ΠΊΠΎΠΉ ΠΈ Π΄ΠΎΠΏΠΎΠ»Π½ΠΈΡΠ΅Π»ΡΠ½ΠΎΠΉ ΡΠ΅ΡΡΠ΅ΡΠ½Π΅ΠΉ;
— ΠΠ°ΡΡΠΈΠΊ ΡΠΊΠΎΡΠΎΡΡΠΈ (ΡΠ΅ΡΡΠΈΠ³ΡΠ°Π½Π½ΡΠΉ) Ρ ΠΎΡΠ²Π΅ΡΠ½ΠΎΠΉ ΡΠ°ΡΡΡΡ ΡΠ°Π·ΡΠ΅ΠΌΠ°.
Π‘Π΅ΠΉΡΠ°Ρ Π² ΠΏΡΠΎΠ΄Π°ΠΆΠ΅ Π΅ΡΡΡ ΠΠ‘ Ρ Π²ΡΡ ΠΎΠ΄ΠΎΠΌ Π½Π° Ρ Π²ΠΎΡΡΠ΅ ΠΏΠΎΠ΄ ΡΡΠΎΡΠΈΠΊ ΡΠΏΠΈΠ΄ΠΎΠΌΠ΅ΡΡΠ°. Π ΡΡΠΎΠΌ ΡΠ»ΡΡΠ°Π΅ ΠΊΡΡΡΠΊΡ Π Π Ρ ΠΎΠ΄Π½ΠΈΠΌ Π²ΡΡ ΠΎΠ΄ΠΎΠΌ ΠΌΠ΅Π½ΡΡΡ Π½Π΅ Π½Π°Π΄ΠΎ. ΠΠ‘ Π²ΠΊΡΡΡΠΈΠ²Π°Π΅ΡΡΡ Π² ΡΠ°Π·Π΄Π°ΡΠΊΡ Π° Π½Π° Ρ Π²ΠΎΡΡ ΠΠ‘ Π½Π°ΠΊΡΡΡΠΈΠ²Π°Π΅ΡΡΡ ΡΡΠΎΡΠΈΠΊ ΡΠΏΠΈΠ΄ΠΎΠΌΠ΅ΡΡΠ°.
Π£ΡΡΠ°Π½ΠΎΠ²ΠΊΠ° Π² ΠΎΡΠ½ΠΎΠ²Π½ΠΎΠΌ Π°Π½Π°Π»ΠΎΠ³ΠΈΡΠ½Π° ΠΎΠΏΠΈΡΠ°Π½Π½ΠΎΠΉ ΡΠ°Π½Π΅Π΅ ΡΡΡΠ°Π½ΠΎΠ²ΠΊΠ΅ Π½Π° ΠΈΠ½ΠΆΠ΅ΠΊΡΠΎΡ. ΠΠΎ Π΅ΡΡΡ Π½Π΅ΠΊΠΎΡΠΎΡΡΠ΅ ΠΎΡΠ»ΠΈΡΠΈΡ.
1. ΠΠ°ΠΌΠ΅Π½ΠΈΡΡ Π Π Ρ Π΄Π»ΠΈΠ½Π½ΡΠΌ Π²Π°Π»ΠΎΠΌ Π½Π° Π Π Ρ ΠΊΠΎΡΠΎΡΠΊΠΈΠΌ. ΠΠΎΠ²ΠΎΡΡΡ, Π±ΡΠ²Π°ΡΡ ΠΊΠ°ΡΠ±ΡΡΠ°ΡΠΎΡΠ½ΡΠ΅ ΠΠΈΠ²Ρ Ρ ΠΊΠΎΡΠΎΡΠΊΠΈΠΌ Π²Π°Π»ΠΎΠΌ.
Π£ ΠΌΠ΅Π½Ρ Π±ΡΠ»Π° Ρ Π΄Π»ΠΈΠ½Π½ΡΠΌ.
2. ΠΠ°ΠΌΠ΅Π½ΠΈΡΡ ΠΊΡΡΡΠΊΡ Π Π ΠΈΠ»ΠΈ ΠΈΡΠΏΠΎΠ»ΡΠ·ΠΎΠ²Π°ΡΡ ΠΠ‘ Ρ Π²ΡΡ
ΠΎΠ΄ΠΎΠΌ Π½Π° ΡΡΠΎΡΠΈΠΊ ΡΠΏΠΈΠ΄ΠΎΠΌΠ΅ΡΡΠ°.
3. ΠΠ·Π³ΠΎΡΠΎΠ²ΠΈΡΡ ΠΊΠ°Π±Π΅Π»Ρ ΠΠ‘. Π― ΠΈΡΠΏΠΎΠ»ΡΠ·ΠΎΠ²Π°Π» ΡΡΠΈ ΡΠ²Π΅ΡΠ½ΡΡ
ΠΏΡΠΎΠ²ΠΎΠ΄Π°, ΠΏΡΠΎΡΡΠ½ΡΡΡΡ
Π² ΠΊΠ΅ΠΌΠ±ΡΠΈΠΊΠ΅. ΠΠ»ΠΈΠ½Π° ΠΊΠ°Π±Π΅Π»Ρ
Π΄ΠΎΠ»ΠΆΠ½Π° Π±ΡΡΡ ΠΎΠ΄ΠΈΠ½Π°ΠΊΠΎΠ²ΠΎΠΉ Ρ Π΄Π»ΠΈΠ½ΠΎΠΉ ΡΡΠΎΡΠΈΠΊΠ° ΡΠΏΠΈΠ΄ΠΎΠΌΠ΅ΡΡΠ°. Π― Π΄Π΅Π»Π°Π» 2 ΠΌΠ΅ΡΡΠ° — Π»ΠΈΡΠ½Π΅Π΅ ΠΎΡΡΠ΅Π·Π°Π» ΠΏΠΎ ΠΌΠ΅ΡΡΡ. ΠΡΠΈΠΌ ΠΊΠ°Π±Π΅Π»Π΅ΠΌ Π½Π°ΡΠ°ΡΠΈΠ²Π°Π΅ΡΡΡ ΠΎΡΠ²Π΅ΡΠ½Π°Ρ ΡΠ°ΡΡΡ ΡΠ°Π·ΡΠ΅ΠΌΠ° ΠΠ‘. Π Π°ΡΠΏΠ°ΠΉΠΊΠ° ΡΠ°Π·ΡΠ΅ΠΌΠ° ΡΠΊΠ°Π·Π°Π½Π° Π² ΡΡΠΊΠΎΠ²ΠΎΠ΄ΡΡΠ²Π΅ ΠΏΠΎ ΡΡΡΠ°Π½ΠΎΠ²ΠΊΠ΅.
Π ΠΌΠΎΠ΅ΠΌ ΡΠ»ΡΡΠ°Π΅ Ρ ΠΏΡΡΠΌΠΎΡΠ³ΠΎΠ»ΡΠ½ΡΠΌ ΡΠ°Π·ΡΠ΅ΠΌΠΎΠΌ ΠΏΠΎΡΠ»Π΅Π΄ΠΎΠ²Π°ΡΠ΅Π»ΡΠ½ΠΎΡΡΡ ΠΊΠΎΠ½ΡΠ°ΠΊΡΠΎΠ² ΡΠ»Π΅Π²Π° Π½Π°ΠΏΡΠ°Π²ΠΎ, Π΅ΡΠ»ΠΈ ΡΠΌΠΎΡΡΠ΅ΡΡ Π½Π° ΡΠΎΡΠ΅Ρ ΡΠ°Π·ΡΠ΅ΠΌΠ° Π½Π° ΠΠ‘:
ΠΏΠ»ΡΡ — ΡΠΈΠ³Π½Π°Π» — Π·Π΅ΠΌΠ»Ρ.
4. ΠΠ°Π±Π΅Π»Ρ ΠΠ‘ ΠΏΡΠΎΡΡΠ³ΠΈΠ²Π°Π΅ΡΡΡ ΡΡΠ΄ΠΎΠΌ Ρ ΡΡΠΎΡΠΈΠΊΠΎΠΌ ΡΠΏΠΈΠ΄ΠΎΠΌΠ΅ΡΡΠ° ΠΈ Π·Π°Π²ΠΎΠ΄ΠΈΡΡΡ Π² ΡΠ°Π»ΠΎΠ½ ΡΠ΅ΡΠ΅Π·
ΡΠΎ ΠΆΠ΅ ΠΎΡΠ²Π΅ΡΡΡΠΈΠ΅ Π² ΡΠΎΠ½Π½Π΅Π»Π΅. ΠΠΎΠ΄ Π΄Π½ΠΈΡΠ΅ΠΌ ΠΊΠ°Π±Π΅Π»Ρ Π·Π°ΠΊΡΠ΅ΠΏΠΈΠ»ΠΈ ΡΠ°ΠΊΠΆΠ΅ Π·Π° ΡΡΠΎΡ ΡΠΏΠΈΠ΄ΠΎΠΌΠ΅ΡΡΠ° ΠΎΠ±ΡΠΊΠ½ΠΎΠ²Π΅Π½Π½ΡΠΌΠΈ ΠΏΠ»Π°ΡΡΠΌΠ°ΡΡΠΎΠ²ΡΠΌΠΈ ΡΠ»Π΅ΠΊΡΡΠΎΠΌΠΎΠ½ΡΠ°ΠΆΠ½ΡΠΌΠΈ Ρ
ΠΎΠΌΡΡΠΈΠΊΠ°ΠΌΠΈ. Π£ΡΠ»ΠΎ 4 ΡΡΡΠΊΠΈ.
5. Π‘Π°ΠΌΠ°Ρ Π½Π΅ΡΠ΅Ρ
Π½ΠΎΠ»ΠΎΠ³ΠΈΡΠ½Π°Ρ ΠΎΠΏΠ΅ΡΠ°ΡΠΈΡ — ΠΏΠΎΠ΄ΡΠΎΠ΅Π΄ΠΈΠ½Π΅Π½ΠΈΠ΅ ΠΏΡΠΎΠ²ΠΎΠ΄Π° ΠΊ ΡΠ°Π·ΡΠ΅ΠΌΡ ΠΊΠΎΠΌΠΌΡΡΠ°ΡΠΎΡΠ°. ΠΡΠΏΠΎΠ»ΡΠ·ΡΠ΅ΡΡΡ Π·Π΅Π»Π΅Π½ΡΠΉ ΠΏΡΠΎΠ²ΠΎΠ΄ (ΠΊΡΠ°ΠΉΠ½ΠΈΠΉ, Π±Π»ΠΈΠΆΠ°ΠΉΡΠΈΠΉ ΠΊ ΡΠ°Π΄ΠΈΠ°ΡΠΎΡΡ). ΠΡΠΈΡΠ»ΠΎΡΡ ΠΏΡΠΎΡΡΠΎ ΡΡΠ΅Π·Π°ΡΡ ΡΠ°ΡΡΡ ΠΈΠ·ΠΎΠ»ΡΡΠΈΠΈ ΠΈ Π½Π°ΠΌΠΎΡΠ°ΡΡ ΡΠ²Π΅ΡΡ
Ρ.
6. ΠΠ»ΡΡ Ρ Π·Π°ΠΌΠΊΠ° Π·Π°ΠΆΠΈΠ³Π°Π½ΠΈΡ Ρ Π²Π·ΡΠ» Π½Π΅ ΠΈΠ· ΡΠ°Π·ΡΠ΅ΠΌΠ° Π½Π° ΠΏΡΠΈΠ±ΠΎΡΠΊΠ΅, Π° Ρ Π²ΡΡ
ΠΎΠ΄Π° 2-Π³ΠΎ ΠΏΡΠ΅Π΄ΠΎΡ
ΡΠ°Π½ΠΈΡΠ΅Π»Ρ Π½Π° Π΄Π»ΠΈΠ½Π½ΠΎΠΉ ΠΊΠΎΠ»ΠΎΠ΄ΠΊΠ΅. ΠΡΠΎ ΡΠΎΡ ΠΆΠ΅ ΡΠ°ΠΌΡΠΉ ΠΏΡΠΎΠ²ΠΎΠ΄. Π―
ΠΏΠ΅ΡΠ΅ΠΊΠ»ΠΈΠ½ΠΊΠΎΠ²Π°Π» ΠΊΠ»Π΅ΠΌΠΌΡ, ΠΏΠΎΠ΄ΡΠΎΠ΅Π΄ΠΈΠ½ΠΈΠ² Π΄ΠΎΠΏΠΎΠ»Π½ΠΈΡΠ΅Π»ΡΠ½ΡΠΉ ΠΏΡΠΎΠ²ΠΎΠ΄.
7. ΠΡΠ΅ ΠΏΡΠΎΠ²ΠΎΠ΄Π° ΠΏΡΠΎΡΡΠ³ΠΈΠ²Π°ΡΡΡΡ ΠΏΠΎΠ΄ ΡΠΎΡΠΏΠ΅Π΄Ρ, ΠΈ ΠΌΠΎΠ½ΡΠ°ΠΆ ΠΏΡΠΎΠΈΠ·Π²ΠΎΠ΄ΠΈΡΡΡ Π² ΠΎΡΠ²Π΅ΡΡΡΠΈΠΈ ΠΏΠΎΠ΄ ΠΏΡΠΈΠ±ΠΎΡΠΊΡ.
8. ΠΠΎΡΡΠ΄ΠΎΠΊ ΡΠΎΠ΅Π΄ΠΈΠ½Π΅Π½ΠΈΡ ΠΏΡΠΎΠ²ΠΎΠ΄ΠΎΠ²:
— ΠΏΡΠΎΠ²ΠΎΠ΄Π° Π·Π΅ΠΌΠ»ΠΈ ΠΠ£Π ΠΈ ΠΠ‘ Π½Π° Π±Π»ΠΈΠΆΠ°ΠΉΡΡΡ Π³Π°ΠΉΠΊΡ ΠΊΡΠ΅ΠΏΠ»Π΅Π½ΠΈΡ Π²ΠΎΠ·Π΄ΡΡ
ΠΎΠ²ΠΎΠ΄ΠΎΠ²;
— ΠΏΡΠΎΠ²ΠΎΠ΄Π° ΠΏΠ»ΡΡ ΠΠ‘ ΠΈ ΠΎΡΠ°Π½ΠΆΠ΅Π²ΡΠΉ ΠΠ£Π ΡΠΎΠ΅Π΄ΠΈΠ½ΡΠ΅ΠΌ Ρ ΠΏΡΠΎΠ²ΠΎΠ΄ΠΎΠΌ Ρ ΠΊΠΎΠ»ΠΎΠ΄ΠΊΠΈ ΠΏΡΠ΅Π΄ΠΎΡ
ΡΠ°Π½ΠΈΡΠ΅Π»Π΅ΠΉ;
— ΡΠΈΠ³Π½Π°Π»ΡΠ½ΡΠΉ ΠΏΡΠΎΠ²ΠΎΠ΄ ΠΠ‘ ΡΠΎΠ΅Π΄ΠΈΠ½ΡΠ΅ΠΌ Ρ ΠΆΠ΅Π»ΡΠΎ-Π³ΠΎΠ»ΡΠ±ΡΠΌ ΠΊΠ°Π±Π΅Π»Ρ ΠΠ£Π ;
— ΠΏΡΠΎΠ²ΠΎΠ΄ Ρ ΠΊΠΎΠΌΠΌΡΡΠ°ΡΠΎΡΠ° ΡΠΎΠ΅Π΄ΠΈΠ½ΡΠ΅ΠΌ Ρ ΡΠΎΠ·ΠΎΠ²ΠΎ-Π³ΠΎΠ»ΡΠ±ΡΠΌ ΠΊΠ°Π±Π΅Π»Ρ ΠΠ£Π .
Π ΡΠ°Π·ΡΠ΅ΠΌΡ ΠΏΡΠΈΠ±ΠΎΡΠΊΠΈ Π»Π΅Π·ΡΡ ΠΌΠ½Π΅ Π½Π΅ ΠΏΡΠΈΡΠ»ΠΎΡΡ. ΠΡΠΈ ΠΌΠΎΠ½ΡΠ°ΠΆΠ΅ ΡΠ΄ΠΎΠ±Π½ΠΎ ΠΈΠΌΠ΅ΡΡ ΠΊΠ»ΠΈΠ½ΠΊΠΎΠ²ΡΠΈΠΊ (ΠΎΠ±ΠΆΠΈΠΌΡΠΈΠΊ ΠΊΠ»Π΅ΠΌΠΌ) ΠΈ Π½Π°Π±ΠΎΡ ΠΊΠ»Π΅ΠΌΠΌ Ρ ΠΊΠΎΠ»ΠΏΠ°ΡΠΊΠ°ΠΌΠΈ, Π½ΠΎΠΆΠ΅Π²ΡΠ΅ ΠΏΠ°ΠΏΠ°-ΠΌΠ°ΠΌΠ° ΠΈ Ρ ΠΎΡΠ²Π΅ΡΡΡΠΈΠ΅ΠΌ ΠΏΠΎΠ΄ Π±ΠΎΠ»Ρ.
ΠΠΎΡΠΎΠΌ ΡΡΠ°Π½Π΄Π°ΡΡΠ½Π°Ρ ΡΠ±ΠΎΡΠΊΠ°.
Π’Π΅ΡΡΠΎΠ²ΡΠ΅ Π·Π°Π΅Π·Π΄Ρ ΠΈ ΡΠ΅Π³ΡΠ»ΠΈΡΠΎΠ²ΠΊΠ°
ΠΡΠ΅Ρ Π°Π» ΠΈΠ· Π±ΠΎΠΊΡΠ° — ΠΠ°Ρ! Π Π°Π·Π²Π΅ΡΠ½ΡΡΡΡΡ Π² ΡΠ·ΠΊΠΎΠΌ ΠΏΡΠΎΠ΅Π·Π΄Π΅ Π² 5 ΠΏΡΠΈΠ΅ΠΌΠΎΠ² — Π½Π΅ Π²ΠΎΠΏΡΠΎΡ. Π ΡΠ»Ρ ΡΠ΅Π°Π»ΡΠ½ΠΎ Π»Π΅Π³ΠΊΠΈΠΉ. ΠΡΠΎΠ²Π΅ΡΠ΅Π½ΠΎ — 4-Ρ Π»Π΅ΡΠ½ΠΈΠΉ ΡΠ΅Π±Π΅Π½ΠΎΠΊ Π½Π° ΠΌΠ΅ΡΡΠ΅ ΠΊΡΡΡΠΈΡ ΡΡΠ»Ρ ΠΎΡ ΠΎΡΠ±ΠΎΡ Π΄ΠΎ ΠΎΡΠ±ΠΎΡ.
ΠΠΎΠ΅Ρ Π°Π» Π΄ΠΎΠΌΠΎΠΉ — ΠΎΡΡΡΠ΅Π½ΠΈΠ΅ ΡΠΎΠ²Π΅ΡΡΠ΅Π½Π½ΠΎ Π΄ΡΡΠ³ΠΎΠΉ ΠΌΠ°ΡΠΈΠ½Ρ, Π½Π°Π΄ΠΎ ΠΏΠΎΠ»Π½ΠΎΡΡΡΡ ΠΏΠ΅ΡΠ΅ΡΡΠΈΠ²Π°ΡΡΡΡ Π΅Π·Π΄ΠΈΡΡ.
ΠΠ»Ρ ΡΠΈΡΡΠΎΡΡ ΡΠΊΡΠΏΠ΅ΡΠΈΠΌΠ΅Π½ΡΠ° Π² ΡΠ²ΡΠ·ΠΈ Ρ Π·Π°ΠΌΠ΅Π½ΠΎΠΉ Π Π ΠΈ ΠΏΡΠΎΡΡΠΎ Π΄Π»Ρ ΡΠΎΠ³ΠΎ, ΡΡΠΎΠ±Ρ ΠΏΠΎΡΡΠ°Π²ΠΈΡΡ ΡΡΠ»Ρ ΡΠΎΠ²Π½ΠΎ, Π·Π°Π΅Ρ Π°Π» Π½Π° ΡΡ ΠΎΠ΄-ΡΠ°Π·Π²Π°Π». ΠΠΎΠΌΠ΅ΡΠΈΠ»ΠΈ ΡΡ ΠΎΠ΄ — Π² Π½ΠΎΡΠΌΠ΅, Π²ΡΡΡΠ°Π²ΠΈΠ»ΠΈ ΡΡΠ»Ρ.
ΠΠ½Π΅ ΠΏΠΎΠΊΠ°Π·Π°Π»ΡΡ Π²Π΅Π»ΠΈΠΊΠΎΠ²Π°ΡΡΠΌ Π»ΡΡΡ ΡΡΠ»Ρ — Π²ΠΊΡΡΡΠΈΠ» Π±ΠΎΠ»ΡΠΈΠΊ Π½Π° ΠΎΠ΄Π½Ρ Π³ΡΠ°Π½Ρ ΡΠ°ΠΉΠ±Ρ Π½Π° Π Π , ΠΎΡΠ»Π°Π±ΠΈΠ» Π±ΠΎΠ»ΡΡ ΡΡΠ»Π΅Π²ΠΎΠ³ΠΎ ΠΊΠ°ΡΠ΄Π°Π½ΡΠΈΠΊΠ°, ΠΏΠΎΠΊΡΡΡΠΈΠ» ΡΡΠ»Ρ, Π·Π°ΡΡΠ½ΡΠ».
ΠΠ»Π°Π²Π½ΡΠΉ ΡΠ΅Π·ΡΠ»ΡΡΠ°Ρ: ΠΠ£Π ΡΠΎΡ ΡΠ°Π½ΡΠ΅Ρ ΠΏΠΎΡΡΠΎΡΠ½Π½ΡΠΌ ΡΡΠΈΠ»ΠΈΠ΅ Π½Π° ΡΡΠ»Π΅ Π½Π° Π»ΡΠ±ΡΡ ΡΠΊΠΎΡΠΎΡΡΡΡ (0-100). ΠΠΎ ΡΡΡΠ°Π½ΠΎΠ²ΠΊΠΈ Ρ ΠΌΠΎΠ΅ΠΉ ΠΌΠ°ΡΠΈΠ½Ρ Π±ΡΠ» Π΄ΠΎΠ²ΠΎΠ»ΡΠ½ΠΎ ΠΎΡΡΡΡΠΉ ΡΡΠ»Ρ Ρ ΡΠΈΠ»ΡΠ½ΡΠΌ ΡΡΡΠ΅ΠΊΡΠΎΠΌ Π²ΠΎΠ·Π²ΡΠ°ΡΠ΅Π½ΠΈΡ ΡΡΠ»Ρ. ΠΡΠΈΡΠ΅ΠΌ Π½Π° ΡΡΠΎΡΠ½ΠΊΠ΅ ΡΡΠ»Ρ ΠΊΡΡΡΠΈΠ»ΡΡ Π΄ΠΎΠ²ΠΎΠ»ΡΠ½ΠΎ ΡΡΠΆΠ΅Π»ΠΎ, Π½Π° ΡΠΊΠΎΡΠΎΡΡΠΈ — ΠΎΡΠ΅Π½Ρ Π»Π΅Π³ΠΊΠΎ. ΠΠΎ ΡΡΡΠ΅ΠΊΡ Π²ΠΎΠ·Π²ΡΠ°ΡΠ΅Π½ΠΈΡ ΡΡΠ»Ρ Π½Π΅ ΠΏΠΎΠ·Π²ΠΎΠ»ΡΠ» ΡΠ»ΠΈΡΠΊΠΎΠΌ ΡΠΈΠ»ΡΠ½ΠΎ ΠΊΡΡΡΠ°Π½ΡΡΡ ΡΡΠ»Ρ. ΠΠΎΡΠ»Π΅ ΡΡΡΠ°Π½ΠΎΠ²ΠΊΠΈ Π½Π° Π²ΡΠ΅Ρ ΡΠΊΠΎΡΠΎΡΡΡΡ ΡΡΠ»Ρ ΡΡΠ°Π» Π½Π΅ΡΡΠΆΠ΅Π»ΡΠΌ, Π²ΠΎΠ·Π²ΡΠ°ΡΠ°ΡΡΠΈΠΉ ΡΡΡΠ΅ΠΊΡ Π·Π°ΠΌΠ΅ΡΠ½ΠΎ ΠΎΡΠ»Π°Π±. ΠΠ° ΡΡΠΎΡΠ½ΠΊΠ΅ ΡΡΠ»Ρ Π²ΠΎΠΎΠ±ΡΠ΅ Π½Π΅ Π²ΠΎΠ·Π²ΡΠ°ΡΠ°Π΅ΡΡΡ. ΠΠ° ΡΠΊΠΎΡΠΎΡΡΠΈ, Π½Π°ΠΏΡΠΈΠΌΠ΅Ρ Π½Π° Π²ΡΡ ΠΎΠ΄Π΅ ΠΈΠ· ΠΏΠΎΠ²ΠΎΡΠΎΡΠ° Π½Π° ΡΠ°Π·Π³ΠΎΠ½Π΅, ΡΡΠ»Ρ Π²ΠΎΠ·Π²ΡΠ°ΡΠ°Π΅ΡΡΡ, Π½ΠΎ Π²ΡΠ»ΠΎΠ²Π°ΡΠΎ, ΠΈΠ»ΠΈ Ρ ΠΏΡΠΎΡΡΠΎ Π½Π΅ ΠΏΡΠΈΠ²ΡΠΊ Π΅ΡΠ΅. ΠΠΎΡΠ²ΠΈΠ»Π°ΡΡ Π²ΠΎΠ·ΠΌΠΎΠΆΠ½ΠΎΡΡΡ ΠΏΠ΅ΡΠ΅ΠΊΡΡΡΠΈΡΡ ΡΡΠ»Ρ Π² ΠΏΠΎΠ²ΠΎΡΠΎΡΠ΅ — Π½Π°Π΄ΠΎ Π±ΡΡΡ ΠΏΠΎΠΎΡΡΠΎΡΠΎΠΆΠ½Π΅Π΅.
ΠΠ°ΠΆΠ½ΡΠΉ ΠΌΠΎΠΌΠ΅Π½Ρ — ΠΏΠΎΠ»Π½ΠΎΡΡΡΡ ΠΈΡΡΠ΅Π· ΡΡΡΠ΅ΠΊΡ ΡΠ²ΠΎΠ΄Π° Π² ΡΡΠΎΡΠΎΠ½Ρ Π½Π° Π½Π΅ΡΠΎΠ²Π½ΠΎΡΡΡΡ . ΠΡΠ»ΠΈ ΡΠ°Π½ΡΡΠ΅ Π½Π° Π½Π΅ΡΠΎΠ²Π½ΠΎΠΉ Π΄ΠΎΡΠΎΠ³Π΅ ΠΏΡΠΈΡ ΠΎΠ΄ΠΈΠ»ΠΎΡΡ Π΄ΠΎΠ²ΠΎΠ»ΡΠ½ΠΎ ΡΠΈΠ»ΡΠ½ΠΎ ΠΏΠΎΠ΄ΡΡΠ»ΠΈΠ²Π°ΡΡ, ΡΠΎ ΡΠ΅ΠΉΡΠ°Ρ ΠΏΡΠΎΡΡΠΎ ΡΠΎΠ²Π½ΠΎ ΡΠΈΠ΄ΠΈΠΌ ΠΈ ΠΎΠ±ΡΠ΅Π·ΠΆΠ°Π΅ΠΌ ΡΠΌΠΊΠΈ — ΠΊΠ°ΠΊ Π½Π° ΠΌΠ΅ΡΡΠ΅Π΄Π΅ΡΠ΅. ΠΡΠΎ ΠΌΠΎΠΆΠ΅Ρ Π±ΡΡΡ ΠΏΠΎΠ»Π΅Π·Π½ΠΎ Π³ΡΡΠ·Π΅ΠΌΠ΅ΡΠ°ΠΌ ΠΏΡΠΈ Π²ΡΡΠ°ΡΠΊΠΈΠ²Π°Π½ΠΈΠΈ ΠΈΠ· ΠΊΠΎΠ»Π΅ΠΈ, ΡΡΠ»Ρ ΠΊΠ°ΠΊ ΠΈΠ·Π²Π΅ΡΡΠ½ΠΎ ΡΠ°ΠΌ ΡΠ΄Π΅ΡΠΆΠ°ΡΡ ΠΎΡΠ΅Π½Ρ ΡΡΠΆΠ΅Π»ΠΎ. ΠΠ°Π΄ΠΎ Π±ΡΠ΄Π΅Ρ ΠΏΠΎΠΏΡΠΎΠ±ΠΎΠ²Π°ΡΡ Π΅ΡΠ΅ Π½Π° ΡΠΊΠΎΡΠΎΡΡΠΈ Π½Π° ΡΡΠ°ΡΡΠ΅ Ρ ΡΠΈΠ»ΡΠ½ΠΎΠΉ ΠΊΠΎΠ»Π΅ΠΉΠ½ΠΎΡΡΡΡ.
Π ΠΎΠ±ΡΠ΅ΠΌ, ΠΎΡΡΡΠ΅Π½ΠΈΠ΅ ΡΡΠΎ ΠΈΠ½ΡΠΎΡΠΌΠ°ΡΠΈΠ²Π½ΠΎΡΡΡ ΡΡΠ»Ρ ΠΏΡΠΎΠΏΠ°Π»Π° Π²ΠΎΠΎΠ±ΡΠ΅. ΠΡΠΎΡΡΠΎ ΠΊΡΡΡΠΈΠΌ ΡΡΠ»Ρ ΠΈ ΠΊΠΎΠ»Π΅ΡΠ° ΠΏΠΎΠ²ΠΎΡΠ°ΡΠΈΠ²Π°ΡΡΡΡ Π²Π½Π΅ Π·Π°Π²ΠΈΡΠΈΠΌΠΎΡΡΠΈ ΠΎΡ Π²Π½Π΅ΡΠ½ΠΈΡ ΡΡΠ»ΠΎΠ²ΠΈΠΉ.
Π‘ Π²ΡΠΊΠ»ΡΡΠ΅Π½Π½ΡΠΌ ΡΡΠΈΠ»ΠΈΡΠ΅Π»Π΅ΠΌ Π΅Ρ Π°ΡΡ ΡΡΠΆΠ΅Π»ΠΎ, Π½ΠΎ ΠΌΠΎΠΆΠ½ΠΎ. ΠΠΎΠ·Π²ΡΠ°ΡΠ°ΡΡΠΈΠΉ ΡΡΡΠ΅ΠΊΡ ΡΡΠ»Ρ ΡΠΎΠΆΠ΅ Π·Π°ΠΌΠ΅ΡΠ½ΠΎ ΠΎΡΠ»Π°Π±.
3.5 ΠΎΠ±ΠΎΡΠΎΡΠ° ΡΡΠΎ ΠΌΠ½ΠΎΠ³ΠΎ, ΡΡΠ΄Π° Π±Ρ Π Π Ρ ΠΏΠ΅ΡΠ΅Π΄Π°ΡΠ΅ΠΉ ΠΏΠΎΠΌΠ΅Π½ΡΡΠ΅.
ΠΠ·Π΄ΠΈΡΡ ΠΎΡΠ΅Π½Ρ ΡΠ΄ΠΎΠ±Π½ΠΎ, ΠΏΠΎΡΠΌΠΎΡΡΠΈΠΌ, ΠΊΠ°ΠΊ Π±ΡΠ΄Π΅Ρ Π΄Π°Π»ΡΡΠ΅ ΠΊΠΎΠ³Π΄Π° ΠΏΡΠΈΠ²ΡΠΊΠ½Ρ. ΠΠΎ Π±ΠΎΡΡΡ ΡΡΠΎ Π² ΠΌΠ°ΡΠΈΠ½Ρ Π±Π΅Π· ΡΡΠΈΠ»ΠΈΡΠ΅Π»Ρ Ρ ΡΠΆΠ΅ Π½Π΅ ΡΡΠ΄Ρ π
ΠΡΠΈΠ»ΠΎΠΆΠ΅Π½Π½ΡΠ΅ Π΄ΠΎΠΊΡΠΌΠ΅Π½ΡΡ
06.10.03.
ΠΠΎΠΏΠΎΠ»Π½Π΅Π½ΠΈΠ΅ ΠΎΡ mouse733 — ΠΈΠ· Π΄ΠΎΠΊΡΠΌΠ΅Π½ΡΠ°ΡΠΈΠΈ Π½Π° ΠΠΠ£Π :
ΠΡΠΎΠ±Π΅Π½Π½ΠΎΡΡΠΈ ΡΡΡΠ°Π½ΠΎΠ²ΠΊΠΈ ΠΠΠ£Π Π½Π° Π°/ΠΌ ΡΠ΅ΠΌΠ΅ΠΉΡΡΠ²Π° 21213 (Ρ ΠΊΠ°ΡΠ±ΡΡΠ°ΡΠΎΡΠ½ΡΠΌ Π΄Π²ΠΈΠ³Π°ΡΠ΅Π»Π΅ΠΌ).
1. ΠΠ°ΠΌΠ΅Π½ΠΈΡΡ ΠΊΡΡΡΠΊΡ ΡΠ°Π·Π΄Π°ΡΠΎΡΠ½ΠΎΠΉ ΠΊΠΎΡΠΎΠ±ΠΊΠΈ Ρ ΠΎΠ΄Π½ΠΈΠΌ Π³Π½Π΅Π·Π΄ΠΎΠΌ Π½Π° ΠΊΡΡΡΠΊΡ Ρ Π΄Π²ΡΠΌΡ Π³Π½Π΅Π·Π΄Π°ΠΌΠΈ (ΠΏΠΎΠ΄ ΡΡΠΎΡ ΡΠΏΠΈΠ΄ΠΎΠΌΠ΅ΡΡΠ° ΠΈ Π΄Π°ΡΡΠΈΠΊ ΡΠΊΠΎΡΠΎΡΡΠΈ) 21214-3802824. Π£ΡΡΠ°Π½ΠΎΠ²ΠΈΡΡ Π½Π° ΡΡΡ ΠΊΡΡΡΠΊΡ 6-ΡΠΈΠΈΠΌΠΏΡΠ»ΡΡΠ½ΡΠΉ Π΄Π°ΡΡΠΈΠΊ ΡΠΊΠΎΡΠΎΡΡΠΈ (Π½Π°ΠΏΡΠΈΠΌΠ΅Ρ, 2112-3843010 ΠΈΠ»ΠΈ 2111-3843010).
2. ΠΡΠΈΡΠΎΠ΅Π΄ΠΈΠ½ΠΈΡΡ Π΄Π°ΡΡΠΈΠΊ ΡΠΊΠΎΡΠΎΡΡΠΈ ΠΊ ΠΆΠ³ΡΡΡ ΠΠΠ£Π . Π Π°ΡΠΏΠΈΠ½ΠΎΠ²ΠΊΠ° Π½Π°Ρ ΠΎΠ΄ΠΈΡΡΡ Π²Π½ΡΡΡΠΈ Π΄Π°ΡΡΠΈΠΊΠ° ΡΠΊΠΎΡΠΎΡΡΠΈ. +12 Π (ΠΌΠΎΠΆΠ½ΠΎ ΠΊ ΠΎΡΠ°Π½ΠΆΠ΅Π²ΠΎΠΌΡ ΠΏΡΠΎΠ²ΠΎΠ΄Ρ ΠΊΠΎΠΌΠ±ΠΈΠ½Π°ΡΠΈΠΈ ΠΏΡΠΈΠ±ΠΎΡΠΎΠ²), ΡΠΈΠ³Π½Π°Π» (ΠΌΠΎΠΆΠ΅Ρ Π±ΡΡΡ ΠΎΠ±ΠΎΠ·Π½Π°ΡΠ΅Π½ Π±ΡΠΊΠ²ΠΎΠΉ Π) ΠΊ ΡΠ΅ΡΠΎΠΌΡ ΠΏΡΠΎΠ²ΠΎΠ΄Ρ ΠΆΠ³ΡΡΠ° ΠΠΠ£Π ΠΈ ΠΌΠ°ΡΡΠ°.
ΠΠΎΡΠΈΡΠ½Π΅Π²ΠΎ-ΠΊΡΠ°ΡΠ½ΡΠΉ ΠΏΡΠΎΠ²ΠΎΠ΄ ΠΆΠ³ΡΡΠ° ΠΠΠ£Π ΠΏΡΠΈΡΠΎΠ΅Π΄ΠΈΠ½ΠΈΡΡ ΠΊ ΠΊΠ»Π΅ΠΌΠΌΠ΅ 6 (Π·Π΅Π»Π΅Π½ΡΠΉ ΠΏΡΠΎΠ²ΠΎΠ΄) ΠΊΠΎΠΌΠΌΡΡΠ°ΡΠΎΡΠ°.
02.08.06.
Π ΠΈΠΌ — RacingCircuits.info
ΠΠ½ΡΠΎΡΠΌΠ°ΡΠΈΡ ΠΎ ΡΠ΅ΠΏΠΈ
ΠΠ΄ΡΠ΅Ρ:
PH:
Π’ΠΈΠΏ ΡΡ Π΅ΠΌΡ: ΠΡΠ΅ΠΌΠ΅Π½Π½ΡΠΉ ΡΠ»ΠΈΡΠ½ΡΠΉ ΠΊΡΡΡ
ΠΠ΅Π±-ΡΠ°ΠΉΡ: http://www.fiaformulae.com/en/championship/race-calendar/2020-2021/rome
ΠΡΡΠΎΡΠΈΡ ΡΠ΅ΠΏΠ΅ΠΉ
Circuito Cittadino dell’EUR Π² Π ΠΈΠΌΠ΅ — ΡΡΠΎ Π²ΡΠ΅ΠΌΠ΅Π½Π½Π°Ρ ΡΡΠ°ΡΡΠ°, ΡΠΎΠ·Π΄Π°Π½Π½Π°Ρ Π΄Π»Ρ ΡΠ΅ΠΌΠΏΠΈΠΎΠ½Π°ΡΠ° Π€ΠΎΡΠΌΡΠ»Ρ E, Π±Π»Π°Π³ΠΎΠ΄Π°ΡΡ ΠΊΠΎΡΠΎΡΠΎΠΉ ΠΎΠ΄Π½ΠΎΠΌΠ΅ΡΡΠ½ΡΠ΅ Π³ΠΎΠ½ΠΊΠΈ ΠΏΡΠΎΡ ΠΎΠ΄ΡΡ ΠΏΠΎ ΡΠ»ΠΈΡΠ°ΠΌ ΠΈΡΠ°Π»ΡΡΠ½ΡΠΊΠΎΠΉ ΡΡΠΎΠ»ΠΈΡΡ.ΠΡΠΎ ΠΎΠ΄Π½Π° ΠΈΠ· ΡΠ°ΠΌΡΡ Π΄Π»ΠΈΠ½Π½ΡΡ ΡΡΠ°ΡΡ, ΠΈΡΠΏΠΎΠ»ΡΠ·ΡΠ΅ΠΌΡΡ ΡΠ»Π΅ΠΊΡΡΠΈΡΠ΅ΡΠΊΠΈΠΌΠΈ Π³ΠΎΠ½ΡΠΈΠΊΠ°ΠΌΠΈ, ΠΈ ΠΊΡΠ»ΡΠΌΠΈΠ½Π°ΡΠΈΡ ΠΌΠ½ΠΎΠ³ΠΎΠ»Π΅ΡΠ½ΠΈΡ ΡΡΠΈΠ»ΠΈΠΉ, Π½Π°ΠΏΡΠ°Π²Π»Π΅Π½Π½ΡΡ Π½Π° ΠΏΡΠΈΠ²Π»Π΅ΡΠ΅Π½ΠΈΠ΅ Π³ΠΎΠ½ΠΎΠΊ Π² ΡΡΡ ΠΎΠ±Π»Π°ΡΡΡ.
ΠΠ²ΡΠΎΠ΄ΡΠΎΠΌ Π½Π°Ρ ΠΎΠ΄ΠΈΡΡΡ Π² ΡΠ°ΠΉΠΎΠ½Π΅ Esposizione Universale Roma (EUR) Π³ΠΎΡΠΎΠ΄Π°. Π Π°ΠΉΠΎΠ½ EUR Π±ΡΠ» Π²ΡΠ±ΡΠ°Π½ ΠΈΡΠ°Π»ΡΡΠ½ΡΠΊΠΈΠΌ Π΄ΠΈΠΊΡΠ°ΡΠΎΡΠΎΠΌ ΠΠ΅Π½ΠΈΡΠΎ ΠΡΡΡΠΎΠ»ΠΈΠ½ΠΈ, ΡΡΠΎΠ±Ρ ΠΏΡΠΎΡΠ»Π°Π²ΠΈΡΡ ΡΠ°ΡΠΈΠ·ΠΌ Π² 1940-Ρ Π³ΠΎΠ΄Π°Ρ . ΠΠ½ Π½Π°Π΄Π΅ΡΠ»ΡΡ ΠΎΡΠ³Π°Π½ΠΈΠ·ΠΎΠ²Π°ΡΡ Β«Π²ΡΠ΅ΠΌΠΈΡΠ½ΡΡ ΡΡΠΌΠ°ΡΠΊΡΒ» Π½Π° ΡΡΠΎΠΌ ΠΌΠ΅ΡΡΠ΅, Π½ΠΎ, Ρ ΠΎΡΡ Π΅Π³ΠΎ Π°ΠΌΠ±ΠΈΡΠΈΠΈ Π²ΡΠΊΠΎΡΠ΅ Π±ΡΠ»ΠΈ ΠΎΠ³ΡΠ°Π½ΠΈΡΠ΅Π½Ρ, ΠΎΠ³ΡΠΎΠΌΠ½ΡΠΉ ΠΠΎΠ»ΠΈΠ·Π΅ΠΉ ΠΠ²Π°Π΄ΡΠ°ΡΠΎ, ΠΊΠΎΡΠΎΡΡΠΉ ΡΠ°ΠΊΠΆΠ΅ ΡΠ²Π»ΡΠ΅ΡΡΡ ΡΠΎΠ½ΠΎΠΌ Π΄Π»Ρ ΡΡΠ°ΡΡΡ, Π±ΡΠ» ΠΏΠΎΡΡΡΠΎΠ΅Π½ ΠΊΠ°ΠΊ ΡΠΈΠΌΠ²ΠΎΠ» ΡΠ°ΡΠΈΡΡΡΠΊΠΎΠΉ Π°ΡΡ ΠΈΡΠ΅ΠΊΡΡΡΡ.Π‘Π΅Π³ΠΎΠ΄Π½Ρ Π·Π΄Π΅ΡΡ ΡΠ°ΡΠΏΠΎΠ»ΠΎΠΆΠ΅Π½Ρ Π²ΡΡΡΠ°Π²ΠΎΡΠ½ΡΠ΅ ΠΏΠ»ΠΎΡΠ°Π΄ΠΈ ΠΈ ΡΡΠ°Π±-ΠΊΠ²Π°ΡΡΠΈΡΠ° ΠΌΠΎΠ΄Π½ΠΎΠ³ΠΎ Π±ΡΠ΅Π½Π΄Π° ΠΊΠ»Π°ΡΡΠ° Π»ΡΠΊΡ Fendi.
Π ΡΠ²ΠΎΠ΅ΠΌ ΠΏΠ΅ΡΠ²ΠΎΠΌ Π²ΠΎΠΏΠ»ΠΎΡΠ΅Π½ΠΈΠΈ ΡΡΠ°ΡΡΠ° Π½Π°ΡΠΈΠ½Π°Π»Π°ΡΡ Π½Π° ΠΠΈΠ° ΠΡΠΈΡΡΠΎΡΠΎΡΠΎ ΠΠΎΠ»ΠΎΠΌΠ±ΠΎ, ΡΠ°ΠΌΠΎΠΉ Π΄Π»ΠΈΠ½Π½ΠΎΠΉ ΡΠ°ΠΉΠΎΠ½Π½ΠΎΠΉ Π΄ΠΎΡΠΎΠ³Π΅ Π² ΠΡΠ°Π»ΠΈΠΈ. Π‘ΡΠ΅Π΄ΠΈ Π΄ΠΎΡΡΠΎΠΏΡΠΈΠΌΠ΅ΡΠ°ΡΠ΅Π»ΡΠ½ΠΎΡΡΠ΅ΠΉ — ΠΠ±Π΅Π»ΠΈΡΠΊΠΎ Π΄ΠΈ ΠΠ°ΡΠΊΠΎΠ½ΠΈ, ΠΌΡΠ°ΠΌΠΎΡΠ½ΠΎ-Π±Π΅ΡΠΎΠ½Π½ΠΎΠ΅ ΡΠΎΠΎΡΡΠΆΠ΅Π½ΠΈΠ΅, ΠΏΠΎΡΡΡΠΎΠ΅Π½Π½ΠΎΠ΅ Π² ΡΠ°ΠΌΠΊΠ°Ρ ΠΏΡΠΎΠ²Π΅Π΄Π΅Π½ΠΈΡ Π² Π³ΠΎΡΠΎΠ΄Π΅ ΠΠ»ΠΈΠΌΠΏΠΈΠΉΡΠΊΠΈΡ ΠΈΠ³Ρ 1960 Π³ΠΎΠ΄Π°, ΠΈ Π ΠΈΠΌΡΠΊΠΈΠΉ ΠΊΠΎΠ½ΡΠ΅ΡΠ΅Π½Ρ-ΡΠ΅Π½ΡΡ (Π² ΠΊΠΎΡΠΎΡΠΎΠΌ Π½Π°Ρ ΠΎΠ΄ΠΈΡΡΡ E-Village Π²ΠΎ Π²ΡΠ΅ΠΌΡ Π³ΠΎΠ½ΠΎΠΊ).
ΠΠ΅ΡΠ²ΠΎΠ΅ ΠΌΠ΅ΡΠΎΠΏΡΠΈΡΡΠΈΠ΅ Rome E-Prix ΡΠΎΡΡΠΎΡΠ»ΠΎΡΡ 14 Π°ΠΏΡΠ΅Π»Ρ 2018 Π³ΠΎΠ΄Π° ΠΏΠ΅ΡΠ΅Π΄ 45 000 Π·ΡΠΈΡΠ΅Π»Π΅ΠΉ.ΠΠΎΠ½ΠΊΡ Ρ 33 ΠΊΡΡΠ³Π°ΠΌΠΈ Π²ΡΠΈΠ³ΡΠ°Π» ΠΏΠΈΠ»ΠΎΡ Virgin Π‘ΡΠΌ ΠΡΡΠ΄, Π·Π°Π½ΡΠ²ΡΠΈΠΉ Π²ΡΠΎΡΠΎΠ΅ ΠΌΠ΅ΡΡΠΎ Π½Π° ΡΡΠ°ΡΡΠΎΠ²ΠΎΠΉ ΡΠ΅ΡΠ΅ΡΠΊΠ΅. ΠΡΠΊΠ°Ρ Π΄ΠΈ ΠΡΠ°ΡΡΠΈ ΡΠΈΠ½ΠΈΡΠΈΡΠΎΠ²Π°Π» Π²ΡΠΎΡΡΠΌ Π΄Π»Ρ Audi, Π° ΠΏΠΈΠ»ΠΎΡ Techeetah ΠΠ½Π΄ΡΠ΅ ΠΠΎΡΡΠ΅ΡΠ΅Ρ Π·Π°Π½ΡΠ» ΡΡΠ΅ΡΡΠ΅ ΠΌΠ΅ΡΡΠΎ.
Π 2019 Π³ΠΎΠ΄Ρ Π²ΡΠΎΡΠΎΠ΅ ΠΈΠ·Π΄Π°Π½ΠΈΠ΅ Π³ΠΎΠ½ΠΊΠΈ ΡΡΠ°Π»ΠΎ ΡΠ΅ΠΌ-ΡΠΎ Π²ΡΠΎΠ΄Π΅ ΡΡΠΈΠ»Π»Π΅ΡΠ°. ΠΠ½Π΄ΡΠ΅ ΠΠΎΡΡΠ΅ΡΠ΅Ρ Π·Π°Π½ΡΠ» ΡΠ²ΠΎΡ ΠΏΠ΅ΡΠ²ΡΡ ΠΏΠΎΡΠ»-ΠΏΠΎΠ·ΠΈΡΠΈΡ Π² ΡΠ΅Π·ΠΎΠ½Π΅, Π½ΠΎ Π½Π° ΡΡΠ°ΡΡΠ΅ Π₯ΠΎΡΠ΅ ΠΠ°ΡΠΈΡ ΠΠΎΠΏΠ΅Ρ Π²ΡΠ·Π²Π°Π» ΠΎΠ³ΡΠΎΠΌΠ½ΠΎΠ΅ ΡΠΊΠΎΠΏΠ»Π΅Π½ΠΈΠ΅ Π² ΡΠΏΠΈΠ½Π΅, Π² ΡΠ΅Π·ΡΠ»ΡΡΠ°ΡΠ΅ ΡΠ΅Π³ΠΎ Π³ΠΎΠ½ΠΊΠ° Π±ΡΠ»Π° ΠΎΡΡΠ°Π½ΠΎΠ²Π»Π΅Π½Π°. ΠΠΎΠ½ΠΊΠ° Π±ΡΠ»Π° Π²ΠΎΠ·ΠΎΠ±Π½ΠΎΠ²Π»Π΅Π½Π° ββΠΏΠΎΠ΄ Π°Π²ΡΠΎΠΌΠΎΠ±ΠΈΠ»Π΅ΠΌ Π±Π΅Π·ΠΎΠΏΠ°ΡΠ½ΠΎΡΡΠΈ, ΠΈ ΠΠΎΡΡΠ΅ΡΠ΅Ρ Π»ΠΈΠ΄ΠΈΡΠΎΠ²Π°Π», ΠΏΠΎΠΊΠ° Π΅Π³ΠΎ Π½Π΅ ΠΎΠ±ΠΎΠ³Π½Π°Π» Β«Π―Π³ΡΠ°ΡΒ» ΠΠΈΡΡΠ° ΠΠ²Π°Π½ΡΠ°, ΠΊΠΎΡΠΎΡΡΠΉ ΠΎΠ΄Π΅ΡΠΆΠ°Π» ΡΠ²ΠΎΡ ΠΏΠ΅ΡΠ²ΡΡ ΠΏΠΎΠ±Π΅Π΄Ρ Π΄Π»Ρ ΡΠ΅Π±Ρ ΠΈ ΠΊΠΎΠΌΠ°Π½Π΄Ρ.
Π 2020 Π³ΠΎΠ΄Ρ ΠΏΠΎΠ²ΡΠΎΡΠ΅Π½ΠΈΡ Π½Π΅ Π΄ΠΎΠ»ΠΆΠ½ΠΎ Π±ΡΠ»ΠΎ Π±ΡΡΡ, ΠΏΠΎΡΠΊΠΎΠ»ΡΠΊΡ Π³ΠΎΠ½ΠΊΠ° ΠΏΠ°Π»Π° ΠΆΠ΅ΡΡΠ²ΠΎΠΉ ΠΊΡΠΈΠ·ΠΈΡΠ° Covid-19, Π±ΡΠ΄ΡΡΠΈ ΠΎΠ΄Π½ΠΎΠΉ ΠΈΠ· ΠΌΠ½ΠΎΠ³ΠΈΡ Π³ΠΎΠ½ΠΎΠΊ, ΠΎΡΠΌΠ΅Π½Π΅Π½Π½ΡΡ ΠΈΠ·-Π·Π° ΠΏΠ°Π½Π΄Π΅ΠΌΠΈΠΈ.
Π 2021 Π³ΠΎΠ΄Ρ Π³ΠΎΠ½ΠΊΠ° Π²ΠΎΠ·Π²ΡΠ°ΡΠ°Π΅ΡΡΡ, Π½ΠΎ Ρ ΡΡΡΠ΅ΡΡΠ²Π΅Π½Π½ΠΎ ΠΈΠ·ΠΌΠ΅Π½Π΅Π½Π½ΠΎΠΉ ΠΊΠΎΠΌΠΏΠΎΠ½ΠΎΠ²ΠΊΠΎΠΉ, ΠΊΠΎΡΠΎΡΠ°Ρ ΠΏΡΠΈΠ·Π²Π°Π½Π° ΡΠΌΠ΅Π½ΡΡΠΈΡΡ Π²Π»ΠΈΡΠ½ΠΈΠ΅ ΠΌΠ΅ΡΠΎΠΏΡΠΈΡΡΠΈΡ Π½Π° ΡΡΠ°ΡΠΈΠΊ Π·Π° ΡΡΠ΅Ρ ΡΠΎΠΊΡΠ°ΡΠ΅Π½ΠΈΡ ΠΏΡΠΎΠ±Π΅Π³Π° ΠΏΠΎ Via Cristoforo Colombo. Π’ΡΠ°ΡΡΠ° ΠΏΡΠΎΡΡΠΆΠ΅Π½Π½ΠΎΡΡΡΡ 2,1 ΠΌΠΈΠ»ΠΈ Ρ 19 ΠΏΠΎΠ²ΠΎΡΠΎΡΠ°ΠΌΠΈ ΡΠ²Π»ΡΠ΅ΡΡΡ Π²ΡΠΎΡΠΎΠΉ ΠΏΠΎ Π΄Π»ΠΈΠ½Π΅ ΡΡΠ°ΡΡΠΎΠΉ, ΠΊΠΎΠ³Π΄Π°-Π»ΠΈΠ±ΠΎ ΠΈΡΠΏΠΎΠ»ΡΠ·ΠΎΠ²Π°Π²ΡΠ΅ΠΉΡΡ Formule E, ΡΠ°Π·ΡΠ°Π±ΠΎΡΠ°Π½Π½ΠΎΠΉ ΠΏΡΠΈ ΡΡΠ°ΡΡΠΈΠΈ ΠΊΠΎΠΌΠΈΡΠ΅ΡΠ° Π³ΠΎΠ½ΡΠΈΠΊΠΎΠ² ΠΡΠΊΠ°ΡΠ° Π΄ΠΈ ΠΡΠ°ΡΡΠΈ, ΠΠ΅ΡΠΎΠΌΠ° ΠβΠΠΌΠ±ΡΠΎΠ·ΠΈΠΎ, ΠΠ»ΠΈΠ²Π΅ΡΠ° Π ΠΎΡΠ»Π΅Π½Π΄Π°.
Β«ΠΠ°ΠΊ Π²ΡΠ΅Π³Π΄Π°, ΠΌΡ ΡΠΎΠ·Π΄Π°Π»ΠΈ Π½Π°ΡΡΠΎΡΡΠΈΠΉ Π²ΡΠ·ΠΎΠ² — ΠΈ, Π½Π° ΠΌΠΎΠΉ Π²Π·Π³Π»ΡΠ΄, ΡΡΠΎ ΠΎΠ΄ΠΈΠ½ ΠΈΠ· Π»ΡΡΡΠΈΡ ΠΌΠ°ΠΊΠ΅ΡΠΎΠ², ΠΊΠΎΡΠΎΡΡΠ΅ ΠΌΡ ΠΊΠΎΠ³Π΄Π°-Π»ΠΈΠ±ΠΎ Π΄Π΅Π»Π°Π»ΠΈΒ», — ΡΠΊΠ°Π·Π°Π» ΡΠΏΠΎΡΡΠΈΠ²Π½ΡΠΉ Π΄ΠΈΡΠ΅ΠΊΡΠΎΡ Π€ΠΎΡΠΌΡΠ»Ρ E Π€ΡΠ΅Π΄Π΅ΡΠΈΠΊ ΠΡΠΏΠΈΠ½ΠΎΡ. Β«ΠΠ΅ΡΠ²ΡΠΌ ΠΈ ΡΠ°ΠΌΡΠΌ Π²Π°ΠΆΠ½ΡΠΌ Π±ΡΠ»ΠΎ ΡΠΎΠ·Π΄Π°Π½ΠΈΠ΅ ΠΏΡΡΠΈ, ΠΊΠΎΡΠΎΡΡΠΉ Π²ΡΠ·Π²Π°Π» Π±Ρ ΠΌΠΈΠ½ΠΈΠΌΠ°Π»ΡΠ½ΡΠ΅ Π½Π΅ΡΠ΄ΠΎΠ±ΡΡΠ²Π° Π΄Π»Ρ Π³ΠΎΡΠΎΠ΄Π°, ΠΏΠΎΡΡΠΎΠΌΡ ΠΌΡ ΠΏΠ΅ΡΠ΅ΡΠΌΠΎΡΡΠ΅Π»ΠΈ ΠΎΠ±Π»Π°ΡΡΡ, ΠΊΠΎΡΠΎΡΡΡ ΠΌΡ ΠΈΡΠΏΠΎΠ»ΡΠ·ΡΠ΅ΠΌ.
Β«ΠΠ°ΠΌ ΡΠ΄Π°Π»ΠΎΡΡ ΡΠΎΡ ΡΠ°Π½ΠΈΡΡ Ρ Π°ΡΠ°ΠΊΡΠ΅Ρ Π ΠΈΠΌΠ° Π² ΡΡΠΎΠΌ Π½ΠΎΠ²ΠΎΠΌ ΠΌΠ°ΠΊΠ΅ΡΠ΅ Ρ Π΅Π³ΠΎ Π²ΠΎΠ»Π½Π°ΠΌΠΈ, ΠΌΠ½ΠΎΠΆΠ΅ΡΡΠ²ΠΎΠΌ ΠΏΠ΅ΡΠ΅ΠΏΠ°Π΄ΠΎΠ² Π²ΡΡΠΎΡ, ΠΈΠ·ΠΌΠ΅Π½Π΅Π½ΠΈΠΉ ΠΏΠΎΠ²Π΅ΡΡ Π½ΠΎΡΡΠΈ ΠΈ Π²ΠΎΠ»Π½Π΅Π½ΠΈΠ΅ΠΌ Π½Π° ΡΡΠ°ΡΡΠ΅, ΠΊΠΎΡΠΎΡΠΎΠ΅ ΠΌΡ Π²ΡΠ΅Π³Π΄Π° Π²ΠΈΠ΄Π΅Π»ΠΈ ΠΏΡΠΈ ΠΏΠΎΡΠ΅ΡΠ΅Π½ΠΈΠΈ Π³ΠΎΡΠΎΠ΄Π°.
Β«Π ΠΈΠΌ ΡΠ²Π»ΡΠ΅ΡΡΡ ΡΠ½ΠΈΠΊΠ°Π»ΡΠ½ΡΠΌ ΠΌΠ΅ΡΡΠΎΠΌ Π΄Π»Ρ ΡΠ»ΠΈΡΠ½ΠΎΠΉ ΡΡΠ°ΡΡΡ Π² Π½Π°ΡΠ΅ΠΌ ΠΊΠ°Π»Π΅Π½Π΄Π°ΡΠ΅, ΡΠ°ΠΊ ΠΊΠ°ΠΊ ΡΡΠΎ ΠΎΠ΄Π½Π° ΠΈΠ· Π½Π΅ΠΌΠ½ΠΎΠ³ΠΈΡ , Π³Π΄Π΅ Π΅ΡΡΡ Π±ΡΡΡΡΡΠ΅, ΡΠΈΡΠΎΠΊΠΈΠ΅ ΠΏΠΎΠ²ΠΎΡΠΎΡΡ ΠΈ ΡΠ°Π·Π½ΡΠ΅ ΡΠ°Π΄ΠΈΡΡΡ ΡΠ°Π΄ΠΈΡΡΠ° ΠΈΠ·-Π·Π° Π΄ΠΎΡΠΎΠ³, Ρ ΠΊΠΎΡΠΎΡΡΠΌΠΈ Π½Π°ΠΌ ΠΏΡΠΈΡ ΠΎΠ΄ΠΈΡΡΡ ΡΠ°Π±ΠΎΡΠ°ΡΡ. ΠΡΠΎ ΡΡ Π΅ΠΌΠ°, Π±Π»Π°Π³ΠΎΠ΄Π°ΡΡ ΠΊΠΎΡΠΎΡΠΎΠΉ Π²ΠΎΠ΄ΠΈΡΠ΅Π»ΠΈ ΡΠΌΠΎΠ³ΡΡ ΡΠ΅Π°Π»ΡΠ½ΠΎ ΠΈΠ·ΠΌΠ΅Π½ΠΈΡΡ ΡΠΈΡΡΠ°ΡΠΈΡ Β».
ΠΠ±Π½ΠΎΠ²Π»Π΅Π½Π½Π°Ρ ΠΏΠ»Π°Π½ΠΈΡΠΎΠ²ΠΊΠ° ΠΎΡΠΊΡΡΠ²Π°Π΅Ρ Π΄ΠΎΡΡΡΠΏ ΠΊ ΡΠΈΠΌΡΠΊΠΎΠΌΡ ΠΊΠΎΠ½ΡΠ΅ΡΠ΅Π½Ρ-ΡΠ΅Π½ΡΡΡ La Nuvola ΠΈ ΡΠΎΠ·Π΄Π°Π΅Ρ ΠΏΡΠΎΡΡΡΠ°Π½ΡΡΠ²ΠΎ Π΄Π»Ρ Π±ΠΎΠ»ΡΡΠ΅Π³ΠΎ ΠΊΠΎΠ»ΠΈΡΠ΅ΡΡΠ²Π° Π·ΡΠΈΡΠ΅Π»Π΅ΠΉ Π½Π° Π±ΡΠ΄ΡΡΠΈΡ ΠΌΠ΅ΡΠΎΠΏΡΠΈΡΡΠΈΡΡ . Π Π΅ΡΡΠ°Π²ΡΠ°ΡΠΈΡ ΡΡΠΎΡΡΠ°ΡΠ° Π½Π° ΠΠΈΠ° ΠΡΡΡΠΈ — ΡΠ°ΠΉΠΎΠ½Π΅, ΠΈΠΌΠ΅ΡΡΠ΅ΠΌ ΠΈΡΡΠΎΡΠΈΡΠ΅ΡΠΊΠΎΠ΅ Π·Π½Π°ΡΠ΅Π½ΠΈΠ΅ Π΄Π»Ρ Π³ΠΎΡΠΎΠ΄Π° — ΠΈ ΠΎΠ±Π½ΠΎΠ²Π»Π΅Π½ΠΈΠ΅ Π΄ΠΎΡΠΎΠΆΠ½ΠΎΠ³ΠΎ ΠΏΠΎΠΊΡΡΡΠΈΡ Π²ΠΎΠΊΡΡΠ³ ΡΡΠ°ΡΡΡ ΡΠ°ΠΊΠΆΠ΅ ΡΠΊΡΠ΅ΠΏΡΡ Π½Π°ΡΠ»Π΅Π΄ΠΈΠ΅ Π€ΠΎΡΠΌΡΠ»Ρ Π Π² Π ΠΈΠΌΠ΅.
ΠΠ°ΠΊ Π΄ΠΎΠ±ΡΠ°ΡΡΡΡ
Circuito Cittadino dell’EUR Π½Π°Ρ ΠΎΠ΄ΠΈΡΡΡ Π² Π ΠΈΠΌΠ΅, ΠΡΠ°Π»ΠΈΡ. ΠΡΡΠΎΠΏΠΎΡΡ ΠΠ΅ΠΎΠ½Π°ΡΠ΄ΠΎ Π΄Π° ΠΠΈΠ½ΡΠΈ (Π²ΠΎ Π€ΡΡΠΌΠΈΡΠΈΠ½ΠΎ) Π½Π°Ρ ΠΎΠ΄ΠΈΡΡΡ ΠΏΡΠΈΠΌΠ΅ΡΠ½ΠΎ Π² 20 ΠΌΠΈΠ½ΡΡΠ°Ρ Π΅Π·Π΄Ρ ΠΊ Π·Π°ΠΏΠ°Π΄Ρ, Π° Π°ΡΡΠΎΠΏΠΎΡΡ Π§Π°ΠΌΠΏΠΈΠ½ΠΎ Π½Π°Ρ ΠΎΠ΄ΠΈΡΡΡ ΠΏΡΠΈΠΌΠ΅ΡΠ½ΠΎ Π½Π° ΡΠ°ΠΊΠΎΠΌ ΠΆΠ΅ ΡΠ°ΡΡΡΠΎΡΠ½ΠΈΠΈ ΠΊ ΡΠ³ΠΎ-Π²ΠΎΡΡΠΎΠΊΡ.
ΠΠ²ΡΠΎΠ΄ΡΠΎΠΌ Π½Π°Ρ ΠΎΠ΄ΠΈΡΡΡ Π² ΡΠ°ΠΉΠΎΠ½Π΅ Esposizione Universale Roma (EUR) Π½Π° ΡΠ³ΠΎ-Π·Π°ΠΏΠ°Π΄Π΅ Π³ΠΎΡΠΎΠ΄Π°. ΠΡΡΡ ΠΌΠ½ΠΎΠΆΠ΅ΡΡΠ²ΠΎ Π²Π°ΡΠΈΠ°Π½ΡΠΎΠ² ΠΎΠ±ΡΠ΅ΡΡΠ²Π΅Π½Π½ΠΎΠ³ΠΎ ΡΡΠ°Π½ΡΠΏΠΎΡΡΠ°, ΡΡΠΎΠ±Ρ Π΄ΠΎΠ±ΡΠ°ΡΡΡΡ Π΄ΠΎ ΡΡΠΎΠ³ΠΎ ΡΠ°ΠΉΠΎΠ½Π° ΠΈΠ· ΡΠ΅Π½ΡΡΠ° Π ΠΈΠΌΠ°, Π² ΡΠΎΠΌ ΡΠΈΡΠ»Π΅ ΠΌΠ΅ΡΡΠΎ, ββΠ³Π΄Π΅ ΡΡΠ°Π½ΡΠΈΡ EUR Palasport Π½Π°Ρ ΠΎΠ΄ΠΈΡΡΡ Π±Π»ΠΈΠΆΠ΅ Π²ΡΠ΅Π³ΠΎ ΠΊ ΡΡΠ°ΡΡΠ΅, Π° ΡΡΠΈΠ±ΡΠ½Ρ ΠΈ E-Village Π½Π°Ρ ΠΎΠ΄ΡΡΡΡ Π² Π½Π΅ΡΠΊΠΎΠ»ΡΠΊΠΈΡ ΠΌΠΈΠ½ΡΡΠ°Ρ Ρ ΠΎΠ΄ΡΠ±Ρ.
ΠΡΠΎΠ»ΠΎΠΆΠΈΡΡ ΠΌΠ°ΡΡΡΡΡ
ΠΡΠΎΠ΅Π·Π΄ ΠΈ ΠΏΡΠΎΠΆΠΈΠ²Π°Π½ΠΈΠ΅
ΠΠ°ΠΉΠ΄ΠΈΡΠ΅ Π»ΡΡΡΠΈΠ΅ ΠΎΡΠ΅Π»ΠΈ ΠΈ ΠΏΡΠ΅Π΄Π»ΠΎΠΆΠ΅Π½ΠΈΡ Π°Π²ΠΈΠ°Π±ΠΈΠ»Π΅ΡΠΎΠ² Π½Π΅Π΄Π°Π»Π΅ΠΊΠΎ ΠΎΡ Π ΠΈΠΌΠ°:
ΠΠΎΠ·ΠΌΠΎΠΆΠ½ΠΎ Π²Π°ΠΌ ΠΏΠΎΠ½ΡΠ°Π²ΠΈΡΡΡ:
ΠΠΎΠ΄Π΅Π»ΠΈΡΡΡΡ ΡΡΡΠ°Π½ΠΈΡΠ΅ΠΉ
| ΠΠΎΠ½ΡΡΠ°ΠΊΡΠ½Π°Ρ Π³ΡΡΠΏΠΏΠ° | 125 000 Π΅Π²ΡΠΎ | ||||
| Π§Π°ΡΡ ΡΠΎΡΠ³ΠΎΠ²Π»ΠΈ | CME Globex: | ΠΠΎΡΠΊΡΠ΅ΡΠ΅Π½ΡΠ΅ — ΠΡΡΠ½ΠΈΡΠ° 17:00ΠΌ. — 4:00 Π΄Π½Ρ. (18:00 — 17:00 ΠΏΠΎ Π²ΠΎΡΡΠΎΡΠ½ΠΎΠ΅Π²ΡΠΎΠΏΠ΅ΠΉΡΠΊΠΎΠΌΡ Π²ΡΠ΅ΠΌΠ΅Π½ΠΈ) Ρ 60-ΠΌΠΈΠ½ΡΡΠ½ΡΠΌ ΠΏΠ΅ΡΠ΅ΡΡΠ²ΠΎΠΌ ΠΊΠ°ΠΆΠ΄ΡΠΉ Π΄Π΅Π½Ρ, Π½Π°ΡΠΈΠ½Π°Ρ Ρ 16:00. (17:00 ΠΏΠΎ Π²ΠΎΡΡΠΎΡΠ½ΠΎΠ΅Π²ΡΠΎΠΏΠ΅ΠΉΡΠΊΠΎΠΌΡ Π²ΡΠ΅ΠΌΠ΅Π½ΠΈ) | CME ClearPort: | ΠΠΎΡΠΊΡΠ΅ΡΠ΅Π½ΡΠ΅ 17:00 — ΠΡΡΠ½ΠΈΡΠ° 17:45 ΠΠ’ Π±Π΅Π· ΠΎΡΡΠ΅ΡΠΎΠ² Ρ ΠΏΠΎΠ½Π΅Π΄Π΅Π»ΡΠ½ΠΈΠΊΠ° ΠΏΠΎ ΡΠ΅ΡΠ²Π΅ΡΠ³ Ρ 17:45. — 18:00 CT | |
| ΠΠΎΠ»Π΅Π±Π°Π½ΠΈΠ΅ ΠΌΠΈΠ½ΠΈΠΌΠ°Π»ΡΠ½ΠΎΠΉ ΡΠ΅Π½Ρ | CME ClearPort: | 0,00001 Π·Π° 1 Π΅Π²ΡΠΎ Ρ ΡΠ°Π³ΠΎΠΌ 1,25 Π΄ΠΎΠ»Π»Π°ΡΠ° Π‘Π¨Π | |||
| CME Globex: | ΠΡΠΎΠ³ΠΈ: 0.00005 Π·Π° ΠΎΠ΄Π½ΠΎ ΠΏΡΠΈΡΠ°ΡΠ΅Π½ΠΈΠ΅ Π² Π΅Π²ΡΠΎ = 6,25 Π΄ΠΎΠ»Π»Π°ΡΠ° Π‘ΠΏΡΠ΅Π΄Ρ Π·Π° ΠΌΠ΅ΡΡΡ ΠΏΠΎΠ΄ΡΡΠ΄: 0,00001 Π·Π° ΠΎΠ΄Π½ΠΎ ΠΏΡΠΈΡΠ°ΡΠ΅Π½ΠΈΠ΅ Π² Π΅Π²ΡΠΎ = 1,25 Π΄ΠΎΠ»Π»Π°ΡΠ° ΠΡΠ΅ Π΄ΡΡΠ³ΠΈΠ΅ ΠΊΠΎΠΌΠ±ΠΈΠ½Π°ΡΠΈΠΈ ΡΠΏΡΠ΅Π΄ΠΎΠ²: 0,00002 Π·Π° ΡΠ°Π³ Π·Π° ΠΎΠ΄ΠΈΠ½ Π΅Π²ΡΠΎ = 2,50 Π΄ΠΎΠ»Π»Π°ΡΠ° | ||||
| ΠΠΎΠ΄ ΠΏΡΠΎΠ΄ΡΠΊΡΠ° | CME Globex: 6ECME ClearPort: EC ΠΡΠΈΡΡΠΊΠ°: EC | ||||
| ΠΠ΅ΡΠ΅ΡΠΈΡΠ»Π΅Π½Π½ΡΠ΅ ΠΊΠΎΠ½ΡΡΠ°ΠΊΡΡ | ΠΠ²Π°ΡΡΠ°Π»ΡΠ½ΡΠ΅ ΠΊΠΎΠ½ΡΡΠ°ΠΊΡΡ (ΠΌΠ°ΡΡ, ΠΈΡΠ½Ρ, ΡΠ΅Π½ΡΡΠ±ΡΡ, Π΄Π΅ΠΊΠ°Π±ΡΡ), ΠΏΠ΅ΡΠ΅ΡΠΈΡΠ»Π΅Π½Π½ΡΠ΅ Π½Π° 20 ΠΊΠ²Π°ΡΡΠ°Π»ΠΎΠ² ΠΏΠΎΠ΄ΡΡΠ΄, ΠΈ ΡΠ΅ΡΠΈΠΉΠ½ΡΠ΅ ΠΊΠΎΠ½ΡΡΠ°ΠΊΡΡ, ΠΏΠ΅ΡΠ΅ΡΠΈΡΠ»Π΅Π½Π½ΡΠ΅ Π½Π° 3 ΠΌΠ΅ΡΡΡΠ° ΠΏΠΎΠ΄ΡΡΠ΄, | ||||
| ΠΠ΅ΡΠΎΠ΄ ΡΠ°ΡΡΠ΅ΡΠ° | Π‘ΡΠΎΠΊ ΠΏΠΎΡΡΠ°Π²ΠΊΠΈ | ||||
| ΠΡΠ΅ΠΊΡΠ°ΡΠ΅Π½ΠΈΠ΅ ΡΠΎΡΠ³ΠΎΠ²Π»ΠΈ | Π’ΠΎΡΠ³ΠΎΠ²Π»Ρ Π·Π°ΠΊΠ°Π½ΡΠΈΠ²Π°Π΅ΡΡΡ Π² 9:16.ΠΌ. CT Π½Π° Π²ΡΠΎΡΠΎΠΉ ΡΠ°Π±ΠΎΡΠΈΠΉ Π΄Π΅Π½Ρ Π΄ΠΎ ΡΡΠ΅ΡΡΠ΅ΠΉ ΡΡΠ΅Π΄Ρ ΠΊΠΎΠ½ΡΡΠ°ΠΊΡΠ½ΠΎΠ³ΠΎ ΠΌΠ΅ΡΡΡΠ°. | ||||
| ΠΠΎΡΡΠ΄ΠΎΠΊ ΡΠ°ΡΡΠ΅ΡΠΎΠ² | Π€ΠΈΠ·ΠΈΡΠ΅ΡΠΊΠ°Ρ ΠΏΠΎΡΡΠ°Π²ΠΊΠ° ΠΡΠΎΡΠ΅Π΄ΡΡΡ ΡΠ°ΡΡΠ΅ΡΠΎΠ² ΠΏΠΎ ΡΡΡΡΠ΅ΡΡΠ°ΠΌ Π½Π° EUR / USD | ||||
| ΠΡΠ΅Π΄Π΅Π»Ρ ΠΏΠΎΠ·ΠΈΡΠΈΠΈ | ΠΡΠ΅Π΄Π΅Π»Ρ ΠΏΠΎΠ»ΠΎΠΆΠ΅Π½ΠΈΡ CME | ||||
| Π‘Π²ΠΎΠ΄ ΠΏΡΠ°Π²ΠΈΠ» ΠΎΠ±ΠΌΠ΅Π½Π° | CME 261 | ||||
| ΠΠΈΠ½ΠΈΠΌΡΠΌ Π±Π»ΠΎΠΊΠ° | ΠΠΈΠ½ΠΈΠΌΠ°Π»ΡΠ½ΡΠ΅ ΠΏΠΎΡΠΎΠ³ΠΈ Π±Π»ΠΎΠΊΠ° | ||||
| ΠΡΠ΅Π΄Π΅Π» ΡΠ΅Π½Ρ ΠΈΠ»ΠΈ ΡΡ Π΅ΠΌΠ° | Π¦Π΅Π½ΠΎΠ²ΡΠ΅ ΠΏΡΠ΅Π΄Π΅Π»Ρ | ||||
| ΠΠΎΠ΄Ρ ΠΏΠΎΡΡΠ°Π²ΡΠΈΠΊΠΎΠ² | Π¦ΠΈΡΠΈΡΠΎΠ²Π°ΡΡ ΠΠΈΡΡΠΈΠ½Π³ ΡΠΈΠΌΠ²ΠΎΠ»ΠΎΠ² ΠΏΠΎΡΡΠ°Π²ΡΠΈΠΊΠ° | ||||
Circuito Cittadino dell’EUR — Π‘Ρ Π΅ΠΌΠ° ΠΏΡΠΎΠ΅Π·Π΄Π° ΠΏΠΎ Π ΠΈΠΌΡΠΊΠΎΠΉ ΡΠ»ΠΈΡΠ΅
Circuito Cittadino dellβEUR ΡΡΠΏΠ΅ΡΠ½ΠΎ Π΄Π΅Π±ΡΡΠΈΡΠΎΠ²Π°Π» Π² ΠΊΠ°Π»Π΅Π½Π΄Π°ΡΠ΅ Π€ΠΎΡΠΌΡΠ»Ρ E Π² 2018 Π³ΠΎΠ΄Ρ ΠΈ, ΠΏΠΎ ΡΠ»ΡΡ Π°ΠΌ, Π·Π°ΠΊΠ»ΡΡΠΈΠ» Π΄ΠΎΠ»Π³ΠΎΡΡΠΎΡΠ½ΠΎΠ΅ ΡΠΎΠ³Π»Π°ΡΠ΅Π½ΠΈΠ΅ ΠΎ ΠΏΡΠΎΠ²Π΅Π΄Π΅Π½ΠΈΠΈ ΡΠ»Π΅ΠΊΡΡΠΈΡΠ΅ΡΠΊΠΈΡ Π³ΠΎΠ½ΠΎΠΊ Π² ΠΈΡΠ°Π»ΡΡΠ½ΡΠΊΠΎΠΉ ΡΡΠΎΠ»ΠΈΡΠ΅. ΠΠΎΠ½ΠΊΠ°ΠΏΡΠΎΠ²ΠΎΠ΄ΠΈΡΡΡ Π½Π° Π²ΡΠ΅ΠΌΠ΅Π½Π½ΠΎΠΉ ΡΠ»ΠΈΡΠ½ΠΎΠΉ ΡΡΠ°ΡΡΠ΅ Circuito Cittadino dellβEUR, ΡΠ°ΡΠΏΠΎΠ»ΠΎΠΆΠ΅Π½Π½ΠΎΠΉ Π² ΡΠ°ΠΉΠΎΠ½Π΅ EUR Π² Π ΠΈΠΌΠ΅. Π‘ Π½Π΅Π΅ ΠΎΡΠΊΡΡΠ²Π°Π΅ΡΡΡ Π²Π΅Π»ΠΈΠΊΠΎΠ»Π΅ΠΏΠ½ΡΠΉ Π²ΠΈΠ΄ Π½Π° ΠΎΡΠ½ΠΎΠ²Π½ΡΠ΅ Π΄ΠΎΡΡΠΎΠΏΡΠΈΠΌΠ΅ΡΠ°ΡΠ΅Π»ΡΠ½ΠΎΡΡΠΈ Π΄Π΅Π»ΠΎΠ²ΠΎΠ³ΠΎ ΡΠ°ΠΉΠΎΠ½Π°, ΡΠ°ΠΊΠΈΠ΅ ΠΊΠ°ΠΊ ΠΠ±Π΅Π»ΠΈΡΠΊΠΎ Π΄ΠΈ ΠΠ°ΡΠΊΠΎΠ½ΠΈ ΠΈ ΠΠΎΠ»ΠΈΠ·Π΅ΠΉ ΠΠ²Π°Π΄ΡΠ°ΡΠΎ.
Π’ΡΠ°ΡΡΠ° Π΄Π»ΠΈΠ½ΠΎΠΉ 2,84 ΠΊΠΌ ΡΠ²Π»ΡΠ΅ΡΡΡ Π²ΡΠΎΡΠΎΠΉ ΠΏΠΎ Π΄Π»ΠΈΠ½Π΅ ΡΡΠ°ΡΡΠΎΠΉ Π² ΠΊΠ°Π»Π΅Π½Π΄Π°ΡΠ΅ 5 ΡΠ΅Π·ΠΎΠ½Π° ΠΈ ΠΈΠ·Π²Π΅ΡΡΠ½Π° ΡΠ²ΠΎΠΈΠΌΠΈ Π²ΠΎΠ»Π½ΠΈΡΡΡΠΌΠΈ ΡΠ΅Π»ΡΠ΅ΡΠ°ΠΌΠΈ. Π’ΡΠ°ΡΡΠ° Ρ 21 ΠΏΠΎΠ²ΠΎΡΠΎΡΠΎΠΌ, ΠΏΡΠΎΡ ΠΎΠ΄ΡΡΠΈΠΌ ΠΏΠΎ ΡΠΊΠ»ΠΎΠ½Π°ΠΌ, ΡΠ²Π»ΡΠ΅ΡΡΡ ΠΎΠ΄Π½ΠΎΠΉ ΠΈΠ· ΡΠ°ΠΌΡΡ ΡΡ Π°Π±ΠΈΡΡΡΡ , ΡΡΠΎ ΡΡΠ°Π²ΠΈΡ ΠΏΠ΅ΡΠ΅Π΄ Π²ΠΎΠ΄ΠΈΡΠ΅Π»ΡΠΌΠΈ ΠΈ ΠΊΠΎΠΌΠ°Π½Π΄Π°ΠΌΠΈ ΡΠ°Π·Π»ΠΈΡΠ½ΡΠ΅ Π·Π°Π΄Π°ΡΠΈ ΠΏΠΎ ΡΠΏΡΠ°Π²Π»Π΅Π½ΠΈΡ ΡΡΠΎΠ²Π½Π΅ΠΌ ΡΠ½Π΅ΡΠ³ΠΈΠΈ Π°Π²ΡΠΎΠΌΠΎΠ±ΠΈΠ»Ρ.Π‘ΡΠΌ ΠΠ΅ΡΠ΄ ΠΈΠ· Virgin Racing ΡΡΠ°Π» ΠΏΠ΅ΡΠ²ΡΠΌ Π² ΠΈΡΡΠΎΡΠΈΠΈ ΠΏΠΎΠ±Π΅Π΄ΠΈΡΠ΅Π»Π΅ΠΌ Π³ΠΎΠ½ΠΊΠΈ Rome E-Prix, Π° ΡΠΈΡΡΠ» Π»ΡΡΡΠ΅Π³ΠΎ ΠΊΡΡΠ³Π° Π² Π½Π°ΡΡΠΎΡΡΠ΅Π΅ Π²ΡΠ΅ΠΌΡ ΠΏΡΠΈΠ½Π°Π΄Π»Π΅ΠΆΠΈΡ ΠΠ°Π½ΠΈΡΠ»Ρ ΠΠ±ΡΡ (1: 37.910).
Rome Π½Π΅ ΠΏΠ»ΠΎΡ ΠΎ Π·Π½Π°ΠΊΠΎΠΌ Ρ ΡΠ»ΠΈΡΠ½ΡΠΌΠΈ Π³ΠΎΠ½ΠΊΠ°ΠΌΠΈ ΠΈ ΠΏΡΠΈΠ½ΠΈΠΌΠ°Π» ΠΌΠ½ΠΎΠΆΠ΅ΡΡΠ²ΠΎ Π΄ΡΡΠ³ΠΈΡ ΡΠ΅ΡΠΈΠΉ, ΠΏΡΠ΅ΠΆΠ΄Π΅ ΡΠ΅ΠΌ Π€ΠΎΡΠΌΡΠ»Π° E Π΄Π΅Π±ΡΡΠΈΡΠΎΠ²Π°Π»Π° ΡΠ°ΠΌ. ΠΠ° ΡΠΎΡΠ΅Π΄Π½ΠΈΡ ΡΠ»ΠΈΡΠ°Ρ ΡΠ°ΠΉΠΎΠ½Π° EUR Π² 1920-Ρ ΠΈ 1930-Ρ Π³ΠΎΠ΄Π°Ρ Π΄Π°ΠΆΠ΅ ΠΏΡΠΎΡ ΠΎΠ΄ΠΈΠ»ΠΈ ΠΡΠ°Π½-ΠΏΡΠΈ Π ΠΈΠΌΠ°.
Π ΠΈΠΌΡΠΊΠ°Ρ ΡΠ»Π΅ΠΊΡΡΠΎΠ½Π½Π°Ρ ΠΏΡΠ΅ΠΌΠΈΡ 2020 Π³ΠΎΠ΄Π° Π±ΡΠ»Π° ΠΎΡΠΌΠ΅Π½Π΅Π½Π° ΠΈΠ·-Π·Π° ΠΏΠ°Π½Π΄Π΅ΠΌΠΈΠΈ COVID-19. Π ΠΈΠΌ Π²ΠΎΠ·Π²ΡΠ°ΡΠ°Π΅ΡΡΡ Π² ΠΊΠ°Π»Π΅Π½Π΄Π°ΡΡ Π€ΠΎΡΠΌΡΠ»Ρ E Π² 2021 Π³ΠΎΠ΄Ρ, Π½ΠΎ Rome E-Prix 2021 Π³ΠΎΠ΄Π°, ΠΊΠΎΡΠΎΡΡΠΉ ΡΠΎΡΡΠΎΠΈΡΡΡ 10 Π°ΠΏΡΠ΅Π»Ρ, Π±ΡΠ΄Π΅Ρ ΠΏΡΠΎΡ ΠΎΠ΄ΠΈΡΡ Π·Π° Π·Π°ΠΊΡΡΡΡΠΌΠΈ Π΄Π²Π΅ΡΡΠΌΠΈ.
Π£Π·Π½Π°ΠΉΡΠ΅ Π±ΠΎΠ»ΡΡΠ΅ ΠΎ ΡΠΎΠΌ, ΠΊΠ°ΠΊ Π΄ΠΎΠ±ΡΠ°ΡΡΡΡ Π΄ΠΎ Π ΠΈΠΌΠ° ΠΈ Circuito Cittadino dellβEUR Π΄Π»Ρ ΡΡΠ°ΡΡΠΈΡ Π² Rome E-Prix.Π ΠΈΠΌ ΠΎΠ±ΡΠ»ΡΠΆΠΈΠ²Π°ΡΡ Π΄Π²Π° ΠΎΡΠ½ΠΎΠ²Π½ΡΡ Π°ΡΡΠΎΠΏΠΎΡΡΠ°, ΡΠ°ΠΌΡΠΉ ΠΊΡΡΠΏΠ½ΡΠΉ ΠΈΠ· ΠΊΠΎΡΠΎΡΡΡ Π½Π°Π·ΡΠ²Π°Π΅ΡΡΡ ΠΠ΅ΠΎΠ½Π°ΡΠ΄ΠΎ Π΄Π° ΠΠΈΠ½ΡΠΈ β Π€ΡΡΠΌΠΈΡΠΈΠ½ΠΎ (FCO). Π€ΡΡΠΌΠΈΡΠΈΠ½ΠΎ ΡΠ²Π»ΡΠ΅ΡΡΡ ΠΊΡΡΠΏΠ½ΡΠΌ ΡΠ΅Π½ΡΡΠΎΠΌ ΠΈΡΠ°Π»ΡΡΠ½ΡΠΊΠΎΠ³ΠΎ Π°Π²ΠΈΠ°ΠΏΠ΅ΡΠ΅Π²ΠΎΠ·ΡΠΈΠΊΠ° Alitalia ΠΈ ΠΎΠ±ΡΠ»ΡΠΆΠΈΠ²Π°Π΅Ρ ΡΠ΅ΠΉΡΡ Π² ΠΡΠ°Π»ΠΈΡ, ΠΠ²ΡΠΎΠΏΡ, Π‘Π΅Π²Π΅ΡΠ½ΡΡ ΠΠΌΠ΅ΡΠΈΠΊΡ ΠΈ ΠΠ·ΠΈΡ. ΠΡΠΎΡΠΎΠΉ Π°ΡΡΠΎΠΏΠΎΡΡ — Π§Π°ΠΌΠΏΠΈΠ½ΠΎ (CIA) — ΠΊΡΡΠΏΠ½ΡΠΉ Ρ Π°Π± Π΄Π»Ρ Ryanair, ΠΈΠ· ΠΊΠΎΡΠΎΡΠΎΠ³ΠΎ Π²ΡΠΏΠΎΠ»Π½ΡΡΡΡΡ ΡΠ΅ΠΉΡΡ Π²ΠΎ Π²ΡΠ΅ ΡΠ³ΠΎΠ»ΠΊΠΈ ΠΠ²ΡΠΎΠΏΡ.
Circuito Cittadino dellβEUR ΡΠ°ΡΠΏΠΎΠ»ΠΎΠΆΠ΅Π½ Π² ΠΌΡΠ½ΠΈΡΠΈΠΏΠ°Π»ΠΈΡΠ΅ΡΠ΅ X1 ΠΊ ΡΠ³Ρ ΠΎΡ ΡΠ΅Π½ΡΡΠ° Π³ΠΎΡΠΎΠ΄Π°.ΠΠ½ Π½Π°Ρ ΠΎΠ΄ΠΈΡΡΡ Π½Π΅Π΄Π°Π»Π΅ΠΊΠΎ ΠΎΡ Π½Π΅ΡΠΊΠΎΠ»ΡΠΊΠΈΡ ΡΡΠ°Π½ΡΠΈΠΉ ΠΌΠ΅ΡΡΠΎ (EUR Palasport ΠΈ EUR Fermi) Π½Π° ΡΠΆΠ½ΠΎΠΌ ΠΊΠΎΠ½ΡΠ΅ ΡΠΈΠ½Π΅ΠΉ Π»ΠΈΠ½ΠΈΠΈ ΠΌΠ΅ΡΡΠΎ B (ΡΠΌ. ΠΠ°ΡΡΡ Π½ΠΈΠΆΠ΅). ΠΡ ΡΠ°ΠΊΠΆΠ΅ ΠΌΠΎΠΆΠ΅ΡΠ΅ Π²Π·ΡΡΡ ΡΠ°ΠΊΡΠΈ ΠΈΠ»ΠΈ ΠΏΡΠΎΠΊΠ°ΡΠΈΡΡΡΡ Π½Π° ΡΡΠ°ΡΡΠ΅.
Π‘Ρ Π΅ΠΌΠ° ΠΌΠ΅ΡΡΠΎ Π ΠΈΠΌΠ° — Π½Π°ΠΆΠΌΠΈΡΠ΅, ΡΡΠΎΠ±Ρ ΡΠ²ΠΈΠ΄Π΅ΡΡ Π±ΠΎΠ»ΡΡΡΡ Π²Π΅ΡΡΠΈΡ
ΠΠ·Π½Π°ΠΊΠΎΠΌΡΡΠ΅ΡΡ Ρ Π½Π°ΡΠΈΠΌΠΈ ΡΠ΅ΠΊΠΎΠΌΠ΅Π½Π΄ΡΠ΅ΠΌΡΠΌΠΈ ΡΡΡΠ°ΠΌΠΈ Π² Π ΠΈΠΌΠ΅.
ΠΡΠ΅Π΄ΡΡΠ°Π²Π»Π΅Π½ Π½ΠΎΠ²ΡΠΉ ΠΌΠ°ΠΊΠ΅Ρ ΡΡΠ°ΡΡΡ Π΄Π»Ρ ΠΏΠΎΠ΅Π·Π΄ΠΊΠΈ Π€ΠΎΡΠΌΡΠ»Ρ E Π² Π ΠΈΠΌ
Rome E-Prix, Π½Π°Π·Π½Π°ΡΠ΅Π½Π½ΡΠΉ Π½Π° 10 Π°ΠΏΡΠ΅Π»Ρ, ΠΏΡΠΎΠ΄Π΅ΠΌΠΎΠ½ΡΡΡΠΈΡΡΠ΅Ρ Π²ΠΏΠ΅ΡΠ°ΡΠ»ΡΡΡΠΈΠ΅ ΠΈΡΡΠΎΡΠΈΡΠ΅ΡΠΊΠΈΠ΅ ΠΎΠΊΡΠ΅ΡΡΠ½ΠΎΡΡΠΈ Π ΠΈΠΌΡΠΊΠΎΠ³ΠΎ ΠΊΠ²Π°ΡΡΠ°Π»Π° Ρ ΠΏΠΈΠ»ΠΎΡΠΈΡΡΠ΅ΠΌΡΠΌ ΠΏΠΎΠ»Π΅ΠΌ ΠΏΠΎΠ»Π½ΠΎΡΡΡΡ ΡΠ»Π΅ΠΊΡΡΠΈΡΠ΅ΡΠΊΠΈΡ ΠΎΠ΄Π½ΠΎΠΌΠ΅ΡΡΠ½ΡΡ Π°Π²ΡΠΎΠΌΠΎΠ±ΠΈΠ»Π΅ΠΉ Π€ΠΎΡΠΌΡΠ»Ρ E 24 Π³ΠΎΠ½ΡΠΈΠΊΠ° ΠΌΠΈΡΠΎΠ²ΠΎΠ³ΠΎ ΠΊΠ»Π°ΡΡΠ° ΠΏΡΠΈΠΌΡΡ ΡΡΠ°ΡΡΠΈΠ΅ Π² Π³ΠΎΠ½ΠΊΠ°Ρ ΠΏΠ΅ΡΠ΅Π΄ ΠΠ°Π»Π°ΡΡΠΎ ΠΠΎΠ½Π³ΡΠ΅ΡΡΠΈ, ΠΡΡΡΡΠ°Π»Π΅ ΠΠ°ΡΠΊΠΎΠ½ΠΈ ΠΈ, Π½Π°ΡΠΈΠ½Π°Ρ Ρ ΡΡΠΎΠ³ΠΎ Π³ΠΎΠ΄Π°, ΠΊΡΠ»ΡΡΠΎΠ²ΡΠΌ ΠΠ°Π»Π°ΡΡΠΎ Π΄Π΅Π»Π»Π° Π¦ΠΈΠ²ΠΈΠ»ΡΠ° ΠΡΠ°Π»ΡΡΠ½Π°, ΡΠ°ΠΊΠΆΠ΅ ΠΈΠ·Π²Π΅ΡΡΠ½ΡΠΌ ΠΊΠ°ΠΊ Β«ΠΠ»ΠΎΡΠ°Π΄Ρ ΠΠΎΠ»ΠΈΠ·Π΅ΡΒ».ΠΠ΅ΡΡ ΠΏΠ°ΡΠΊ ΠΠΈΠ½ΡΠ΅ΠΎ ΡΠ°ΠΊΠΆΠ΅ ΡΡΠ°Π½Π΅Ρ ΡΠ°ΡΡΡΡ ΠΏΠ΅ΡΠΈΠΌΠ΅ΡΡΠ° ΡΡΠ°ΡΡΡ.
Π ΡΠ΅Π·ΡΠ»ΡΡΠ°ΡΠ΅ ΡΠ΅ΡΠ½ΠΎΠ³ΠΎ ΡΠΎΡΡΡΠ΄Π½ΠΈΡΠ΅ΡΡΠ²Π° Ρ ΠΌΠ΅ΡΡΠ½ΡΠΌΠΈ Π²Π»Π°ΡΡΡΠΌΠΈ Π±ΡΠ» ΡΠ°Π·ΡΠ°Π±ΠΎΡΠ°Π½ ΠΏΠ»Π°Π½ — ΠΏΡΠΈ ΡΡΠ»ΠΎΠ²ΠΈΠΈ ΠΎΠ΄ΠΎΠ±ΡΠ΅Π½ΠΈΡ FIA — ΠΊΠΎΡΠΎΡΡΠΉ ΡΠΎΡ ΡΠ°Π½ΡΠ΅Ρ Ρ Π°ΡΠ°ΠΊΡΠ΅Ρ ΡΠ°ΡΠ½Π΄Π° ΠΈ ΡΠΊΡΠ΅ΠΏΠ»ΡΠ΅Ρ Π½Π°ΡΠ»Π΅Π΄ΠΈΠ΅ Π€ΠΎΡΠΌΡΠ»Ρ Π Π² ΡΡΠΎΠΌ ΡΠ°ΠΉΠΎΠ½Π΅.
Π§ΠΠ‘Π«: Rome E-Prix 2018/19, Π½Π°Ρ ΠΏΠΎΡΠ»Π΅Π΄Π½ΠΈΠΉ Π²ΠΈΠ·ΠΈΡ Π² ΡΡΠΎΠ»ΠΈΡΡ ΠΡΠ°Π»ΠΈΠΈ
Β«ΠΠ°ΠΊ Π²ΡΠ΅Π³Π΄Π°, ΠΌΡ ΡΠΎΠ·Π΄Π°Π»ΠΈ Π½Π°ΡΡΠΎΡΡΠΈΠΉ Π²ΡΠ·ΠΎΠ² — ΠΈ, Π½Π° ΠΌΠΎΠΉ Π²Π·Π³Π»ΡΠ΄, ΠΎΠ΄ΠΈΠ½ ΠΈΠ· Π»ΡΡΡΠΈΡ ΠΌΠ°ΠΊΠ΅ΡΠΎΠ², ΠΊΠΎΡΠΎΡΡΠ΅ ΠΌΡ ΠΊΠΎΠ³Π΄Π°-Π»ΠΈΠ±ΠΎ Π΄Π΅Π»Π°Π»ΠΈΒ», — ΡΠΊΠ°Π·Π°Π» ΡΠΏΠΎΡΡΠΈΠ²Π½ΡΠΉ Π΄ΠΈΡΠ΅ΠΊΡΠΎΡ Π€ΠΎΡΠΌΡΠ»Ρ E Π€ΡΠ΅Π΄Π΅ΡΠΈΠΊ ΠΡΠΏΠΈΠ½ΠΎΡ.Β«ΠΠ΅ΡΠ²ΡΠΌ ΠΈ ΡΠ°ΠΌΡΠΌ Π²Π°ΠΆΠ½ΡΠΌ Π±ΡΠ»ΠΎ ΡΠΎΠ·Π΄Π°Π½ΠΈΠ΅ ΠΏΡΡΠΈ, ΠΊΠΎΡΠΎΡΡΠΉ Π²ΡΠ·Π²Π°Π» Π±Ρ ΠΌΠΈΠ½ΠΈΠΌΠ°Π»ΡΠ½ΡΠ΅ Π½Π΅ΡΠ΄ΠΎΠ±ΡΡΠ²Π° Π΄Π»Ρ Π³ΠΎΡΠΎΠ΄Π°, ΠΏΠΎΡΡΠΎΠΌΡ ΠΌΡ ΠΏΠ΅ΡΠ΅ΡΠΌΠΎΡΡΠ΅Π»ΠΈ ΡΠ΅ΡΡΠΈΡΠΎΡΠΈΡ, ΠΊΠΎΡΠΎΡΡΡ ΠΌΡ ΠΈΡΠΏΠΎΠ»ΡΠ·ΡΠ΅ΠΌ.
Β«ΠΠ°ΠΌ ΡΠ΄Π°Π»ΠΎΡΡ ΡΠΎΡ ΡΠ°Π½ΠΈΡΡ Ρ Π°ΡΠ°ΠΊΡΠ΅Ρ Π ΠΈΠΌΠ° Π² ΡΡΠΎΠΌ Π½ΠΎΠ²ΠΎΠΌ ΠΌΠ°ΠΊΠ΅ΡΠ΅ Ρ Π΅Π³ΠΎ Π²ΠΎΠ»Π½ΠΎΠΎΠ±ΡΠ°Π·Π½ΡΠΌΠΈ Π²ΠΎΠ»Π½Π°ΠΌΠΈ, ΠΌΠ½ΠΎΠΆΠ΅ΡΡΠ²ΠΎΠΌ ΠΏΠ΅ΡΠ΅ΠΏΠ°Π΄ΠΎΠ² Π²ΡΡΠΎΡ, ΠΈΠ·ΠΌΠ΅Π½Π΅Π½ΠΈΠΉ ΠΏΠΎΠ²Π΅ΡΡ Π½ΠΎΡΡΠΈ ΠΈ Π²ΠΎΠ»Π½Π΅Π½ΠΈΠ΅ΠΌ Π½Π° ΡΡΠ°ΡΡΠ΅, ΠΊΠΎΡΠΎΡΠΎΠ΅ ΠΌΡ Π²ΡΠ΅Π³Π΄Π° Π²ΠΈΠ΄Π΅Π»ΠΈ ΠΏΡΠΈ ΠΏΠΎΡΠ΅ΡΠ΅Π½ΠΈΠΈ Π³ΠΎΡΠΎΠ΄Π°.
Β«Π ΠΈΠΌ ΡΠ²Π»ΡΠ΅ΡΡΡ ΡΠ½ΠΈΠΊΠ°Π»ΡΠ½ΡΠΌ ΠΌΠ΅ΡΡΠΎΠΌ Π΄Π»Ρ ΡΠ»ΠΈΡΠ½ΠΎΠΉ ΡΡΠ°ΡΡΡ Π² Π½Π°ΡΠ΅ΠΌ ΠΊΠ°Π»Π΅Π½Π΄Π°ΡΠ΅, ΡΠ°ΠΊ ΠΊΠ°ΠΊ ΠΎΠ½ ΡΠ²Π»ΡΠ΅ΡΡΡ ΠΎΠ΄Π½ΠΈΠΌ ΠΈΠ· Π½Π΅ΠΌΠ½ΠΎΠ³ΠΈΡ Ρ Π±ΡΡΡΡΡΠΌΠΈ, ΡΠΈΡΠΎΠΊΠΈΠΌΠΈ ΠΏΠΎΠ²ΠΎΡΠΎΡΠ°ΠΌΠΈ ΠΈ ΡΠ°Π·Π½ΡΠΌ ΡΠ°Π΄ΠΈΡΡΠΎΠΌ ΠΈΠ·-Π·Π° Π΄ΠΎΡΠΎΠ³, Ρ ΠΊΠΎΡΠΎΡΡΠΌΠΈ Π½Π°ΠΌ ΠΏΡΠΈΡ ΠΎΠ΄ΠΈΡΡΡ ΡΠ°Π±ΠΎΡΠ°ΡΡ.ΠΡΠΎ ΡΡ Π΅ΠΌΠ°, Π² ΡΠ΅Π·ΡΠ»ΡΡΠ°ΡΠ΅ ΠΊΠΎΡΠΎΡΠΎΠΉ Π²ΠΎΠ΄ΠΈΡΠ΅Π»ΠΈ ΡΠΌΠΎΠ³ΡΡ ΠΈΠ·ΠΌΠ΅Π½ΠΈΡΡ ΡΠΈΡΡΠ°ΡΠΈΡ ΠΊ Π»ΡΡΡΠ΅ΠΌΡ.
Β«ΠΡ ΠΏΠΎΠΊΠ°Π·Π°Π»ΠΈ ΠΏΠ»Π°Π½Ρ Π³ΠΎΠ½ΡΠΈΠΊΠ°ΠΌ ΠΈΠ· Π½Π°ΡΠ΅Π³ΠΎ ΠΊΠΎΠΌΠΈΡΠ΅ΡΠ° (ΠΡΠΊΠ°Ρ Π΄ΠΈ ΠΡΠ°ΡΡΠΈ, ΠΠ΅ΡΠΎΠΌ ΠβΠΠΌΠ±ΡΠΎΠ·ΠΈΠΎ, ΠΠ»ΠΈΠ²Π΅Ρ Π ΠΎΡΠ»Π΅Π½Π΄), ΠΈ ΠΎΠ½ΠΈ Π±ΡΠ»ΠΈ ΠΎΡΠ΅Π½Ρ Π²Π·Π²ΠΎΠ»Π½ΠΎΠ²Π°Π½Ρ, ΠΏΠΎΡΠΎΠΌΡ ΡΡΠΎ ΡΡΠΎ Π±ΡΡΡΡΡΠΉ ΠΌΠ°ΠΊΠ΅Ρ — ΠΎΡΠ΅Π½Ρ Π±ΡΡΡΡΡΠΉ — ΠΈ ΡΡΠΎ ΠΎΠΏΡΠ΅Π΄Π΅Π»Π΅Π½Π½ΠΎ ΡΠ»ΠΎΠΆΠ½ΠΎΒ».
ESPORTS: Π€ΠΎΡΠΌΡΠ»Π° E: Accelerate ΠΏΡΠΎΠ΄ΠΎΠ»ΠΆΠ°Π΅ΡΡΡ, Π½Π°ΡΡΡΠ°ΠΈΠ²Π°ΠΉΡΠ΅ΡΡ ΠΊΠ°ΠΆΠ΄ΡΠΉ ΡΠ΅ΡΠ²Π΅ΡΠ³ Π² 19:00 ΠΏΠΎ Π²ΡΠ΅ΠΌΠΈΡΠ½ΠΎΠΌΡ ΠΊΠΎΠΎΡΠ΄ΠΈΠ½ΠΈΡΠΎΠ²Π°Π½Π½ΠΎΠΌΡ Π²ΡΠ΅ΠΌΠ΅Π½ΠΈ
Β«ΠΠ»Π°Π³ΠΎΠ΄Π°ΡΡ ΠΏΠΎΡΡΠΈ ΠΏΠΎΠ»Π½ΠΎΡΡΡΡ ΠΎΠ±Π½ΠΎΠ²Π»Π΅Π½Π½ΠΎΠΉ ΡΡ Π΅ΠΌΠ΅ ΡΡΠ°ΡΡΡ Π² Π ΠΈΠΌΠ΅, FIA ΠΈ Formula E ΡΠ½ΠΎΠ²Π° ΠΏΡΠΎΠ΄Π΅Π»Π°Π»ΠΈ ΠΏΠΎΡΡΡΡΠ°ΡΡΡΡ ΡΠ°Π±ΠΎΡΡ, ΡΠ΄Π΅Π»Π°Π² Π€ΠΎΡΠΌΡΠ»Ρ E Π΅ΡΠ΅ Π±ΠΎΠ»Π΅Π΅ Π·Π°Ρ Π²Π°ΡΡΠ²Π°ΡΡΠ΅ΠΉ. — ΡΠΊΠ°Π·Π°Π» ΡΠ΅ΠΌΠΏΠΈΠΎΠ½ Π€ΠΎΡΠΌΡΠ»Ρ E 2017 Π³ΠΎΠ΄Π°, ΠΏΡΠ΅Π΄ΡΡΠ°Π²ΠΈΡΠ΅Π»Ρ Audi Sport ABT Schaeffler ΠΡΠΊΠ°Ρ Π΄ΠΈ ΠΡΠ°ΡΡΠΈ.Β«ΠΠΎΠ²Π°Ρ ΡΡ Π΅ΠΌΠ° ΠΏΡΠΎΡΡΠΎ ΡΠ°Π½ΡΠ°ΡΡΠΈΡΠ΅ΡΠΊΠ°Ρ: Π½Π° Π½Π΅ΠΉ Π±ΠΎΠ»Π΅Π΅ Π΄Π»ΠΈΠ½Π½ΡΠ΅ ΠΈ Π±ΡΡΡΡΡΠ΅ ΠΏΡΡΠΌΡΠ΅, Π° ΡΠ°ΠΊΠΆΠ΅ Π±ΠΎΠ»ΡΡΠ΅ Π²ΠΎΠ·ΠΌΠΎΠΆΠ½ΠΎΡΡΠ΅ΠΉ Π΄Π»Ρ ΠΎΠ±Π³ΠΎΠ½Π°. Π― ΡΠ²Π΅ΡΠ΅Π½, ΡΡΠΎ ΡΠ°Π½Π°ΡΠ°ΠΌ ΡΡΠΎ ΠΏΠΎΠ½ΡΠ°Π²ΠΈΡΡΡ; Π― Π½Π΅ ΠΌΠΎΠ³Ρ Π΄ΠΎΠΆΠ΄Π°ΡΡΡΡ, ΠΊΠΎΠ³Π΄Π° ΠΏΠΎΠ΅Π΄Ρ ΡΡΠ΄Π° Β».
ΠΡΠ±ΠΎΠ΅ ΠΈΠ·ΠΌΠ΅Π½Π΅Π½ΠΈΠ΅ ΡΡ Π΅ΠΌΡ ΡΡΠ°ΡΡΡ Π΄Π°Π΅Ρ ΡΠΏΠΎΡΡΠΈΠ²Π½ΠΎΠΉ ΠΊΠΎΠΌΠ°Π½Π΄Π΅ Π€ΠΎΡΠΌΡΠ»Ρ Π Π²ΠΎΠ·ΠΌΠΎΠΆΠ½ΠΎΡΡΡ ΡΡΠ»ΠΎΠΆΠ½ΠΈΡΡ ΠΆΠΈΠ·Π½Ρ Π΅Π΅ 12 Π²ΡΡΠΎΠΊΠΎΠΊΠ»Π°ΡΡΠ½ΡΠΌ ΠΊΠΎΠΌΠ°Π½Π΄Π°ΠΌ, ΠΈΠ½ΠΆΠ΅Π½Π΅ΡΡ ΠΊΠΎΡΠΎΡΡΡ Π³ΠΎΡΠ΄ΡΡΡΡ ΡΠΎΠ·Π΄Π°Π½ΠΈΠ΅ΠΌ Π±Π°Π½ΠΊΠΎΠ² Π΄Π°Π½Π½ΡΡ Π΄Π»Ρ ΠΌΠ°ΠΊΡΠΈΠΌΠ°Π»ΡΠ½ΠΎΠ³ΠΎ ΡΠ²Π΅Π»ΠΈΡΠ΅Π½ΠΈΡ ΠΏΡΠΎΠΈΠ·Π²ΠΎΠ΄ΠΈΡΠ΅Π»ΡΠ½ΠΎΡΡΠΈ ΡΠ²ΠΎΠΈΡ Π°Π²ΡΠΎΠΌΠΎΠ±ΠΈΠ»Π΅ΠΉ. Β«Π‘ΠΊΠΎΡΠΎΡΡΡ ΠΈ ΡΡΡΠ΅ΠΊΡΠΈΠ²Π½ΠΎΡΡΡ Π½Π° ΠΊΠ°ΠΆΠ΄ΠΎΠΌ E-Prix.
ΠΡΠΏΠΈΠ½ΠΎΡ Π³ΠΎΠ²ΠΎΡΠΈΡ, ΡΡΠΎ ΡΠΎΡΠ΅ΡΠ°Π½ΠΈΠ΅ Π²ΠΎΠ΄ΠΈΡΠ΅Π»Π΅ΠΉ ΠΈ ΠΈΠ½ΠΆΠ΅Π½Π΅ΡΠΎΠ², ΠΊΠΎΡΠΎΡΡΠΌ Π½Π΅ΠΎΠ±Ρ ΠΎΠ΄ΠΈΠΌΠΎ Π½Π°ΡΡΡΠ°ΠΈΠ²Π°ΡΡΡΡ, Π° ΡΠ°ΠΊΠΆΠ΅ Ρ Π°ΡΠ°ΠΊΡΠ΅ΡΠΈΡΡΠΈΠΊΠΈ ΡΡΠ°ΡΡΡ ΠΈ Π²ΠΎΠ·ΠΌΠΎΠΆΠ½ΠΎΡΡΠΈ Π΄Π»Ρ ΠΎΠ±Π³ΠΎΠ½Π° ΠΏΡΠΎΠΈΠ·Π²Π΅Π΄ΡΡ Π½Π°ΡΡΠΎΡΡΠ΅Π΅ Π·ΡΠ΅Π»ΠΈΡΠ΅ Π΄Π»Ρ ΡΠ°Π½Π°ΡΠΎΠ².
Π¦Π΅ΠΏΡ ΠΏΡΡΠΌΠΎΠΉ ΡΠ²ΡΠ·ΠΈ ΡΠ΅Π³ΡΠ»ΠΈΡΡΠ΅Ρ Π²ΡΠ±ΠΎΡ Π΄Π΅ΠΉΡΡΠ²ΠΈΠΉ ΠΏΡΠΈ ΡΡ Π°ΠΆΠΈΠ²Π°Π½ΠΈΠΈ ΠΏΠ΅ΡΠ΅Π΄ ΡΠΏΠ°ΡΠΈΠ²Π°Π½ΠΈΠ΅ΠΌ Ρ ΡΠ°ΠΌΠΎΠΊ Π΄ΡΠΎΠ·ΠΎΡΠΈΠ»
ΠΡΠ½ΠΎΠ²Π½ΡΠ΅ ΠΌΠΎΠΌΠ΅Π½ΡΡ
- β’
ΠΠΎΠ΄ΠΌΠ½ΠΎΠΆΠ΅ΡΡΠ²ΠΎ DA Π½Π΅ΠΉΡΠΎΠ½ΠΎΠ² PPM3 ΡΠ½ΠΈΠΆΠ°Π΅Ρ ΡΠΊΠΎΡΠΎΡΡΡ ΠΊΠΎΠΏΡΠ»ΡΡΠΈΠΈ Π΄Π΅Π²ΡΡΠ²Π΅Π½Π½ΠΎΠΉ ΡΠ°ΠΌΠΊΠΈ Drosophila 85
85 Π¦Π΅ΠΏΡ -FFL ΡΠΎΡΡΠΎΠΈΡ ΠΈΠ· ΠΠΠΠΠ΅ΡΠ³ΠΈΡΠ΅ΡΠΊΠΈΡ
ΠΈ Ρ
ΠΎΠ»ΠΈΠ½Π΅ΡΠ³ΠΈΡΠ΅ΡΠΊΠΈΡ
Π½Π΅ΠΉΡΠΎΠ½ΠΎΠ²- β’
ΠΠΠΠ Π Π΅ΡΠ΅ΠΏΡΠΎΡΡ Π² Π½Π΅ΠΉΡΠΎΠ½Π°Ρ ACh Π½Π΅ΠΎΠ±Ρ ΠΎΠ΄ΠΈΠΌΡ Π΄Π»Ρ ΠΏΠΎΠ΄Π°Π²Π»Π΅Π½ΠΈΡ ΠΎΡΡΠΎΡΠΆΠ΅Π½ΠΈΡ Π΄Π΅Π²ΡΡΠ²Π΅Π½Π½ΠΎΠΉ ΡΠ°ΠΌΠΊΠΈ
- β’
Π Π΅ΡΡΠΎΠ³ΡΠ°Π΄Π½ΡΠΉ ΡΠΈΠ³Π½Π°Π» NO, Π°ΠΊΡΠΈΠ²ΠΈΡΡΠ΅ΠΌΡΠΉ ΡΠ΅ΡΠ΅Π· Π³Π»ΡΡΡΠΈ / NMD Π½Π΅ΠΉΡΠΎΠ½Ρ ΠΠΠΠ
Π Π΅Π·ΡΠΌΠ΅
ΠΠ° ΡΠ°Π½Π½Π΅ΠΉ ΡΡΠ°Π΄ΠΈΠΈ ΡΡ Π°ΠΆΠΈΠ²Π°Π½ΠΈΡ ΡΠ°ΠΌΠΊΠΈ ΠΏΠ»ΠΎΠ΄ΠΎΠ²ΡΡ ΠΌΡΡ ΠΏΡΠΎΡΠ²Π»ΡΡΡ ΠΎΡΡΡΡΡ ΡΠ΅Π°ΠΊΡΠΈΡ ΠΎΡΡΠΎΡΠΆΠ΅Π½ΠΈΡ, ΡΡΠΎΠ±Ρ ΠΈΠ·Π±Π΅ΠΆΠ°ΡΡ Π½Π΅Π±Π»Π°Π³ΠΎΠΏΡΠΈΡΡΠ½ΠΎΠ³ΠΎ ΡΠΏΠ°ΡΠΈΠ²Π°Π½ΠΈΡ.ΠΡΠ° ΡΠ΅Π°ΠΊΡΠΈΡ ΠΎΡΡΠΎΡΠΆΠ΅Π½ΠΈΡ ΠΏΠ΅ΡΠ΅Π΄ ΡΠΏΠ°ΡΠΈΠ²Π°Π½ΠΈΠ΅ΠΌ ΡΠ²ΠΎΠ»ΡΡΠΈΠΎΠ½Π½ΠΎ Π°Π½Π°Π»ΠΎΠ³ΠΈΡΠ½Π° Ρ ΡΠ°Π·Π½ΡΡ Π²ΠΈΠ΄ΠΎΠ², Π½ΠΎ ΠΌΠΎΠ»Π΅ΠΊΡΠ»ΡΡΠ½Π°Ρ ΠΈ Π½Π΅ΠΉΡΠΎΠ½Π½Π°Ρ ΠΎΡΠ½ΠΎΠ²Π° ΡΠ°ΠΊΠΎΠ³ΠΎ ΠΏΠΎΠ²Π΅Π΄Π΅Π½ΠΈΡ Π½Π΅ΡΡΠ½Π°. ΠΠ΄Π΅ΡΡ ΠΌΡ ΠΏΠΎΠΊΠ°Π·ΡΠ²Π°Π΅ΠΌ, ΡΡΠΎ ΠΏΡΠ΅Π΄ΠΏΠΎΠ»Π°Π³Π°Π΅ΠΌΠ°Ρ Π½Π΅ΠΊΠΎΠ³Π΅ΡΠ΅Π½ΡΠ½Π°Ρ ΡΠ΅ΠΏΡ ΠΏΡΡΠΌΠΎΠΉ ΡΠ²ΡΠ·ΠΈ, Π²ΠΊΠ»ΡΡΠ°ΡΡΠ°Ρ Π½Π΅ΠΉΡΠΎΠ½Ρ ΡΠ»Π»ΠΈΠΏΡΠΎΠΈΠ΄Π½ΠΎΠ³ΠΎ ΡΠ΅Π»Π°, Ρ ΠΎΠ»ΠΈΠ½Π΅ΡΠ³ΠΈΡΠ΅ΡΠΊΠΈΠΉ R4d ΠΈ Π΅Π³ΠΎ ΡΠ΅ΠΏΡΠ΅ΡΡΠΎΡΠ½ΡΠ΅ Π½Π΅ΠΉΡΠΎΠ½Ρ GABAergic R2 / R4m, ΡΠ΅Π³ΡΠ»ΠΈΡΡΠ΅Ρ ΡΠ΅Π°ΠΊΡΠΈΡ ΠΎΡΡΠΎΡΠΆΠ΅Π½ΠΈΡ ΠΏΠ΅ΡΠ΅Π΄ ΡΠΏΠ°ΡΠΈΠ²Π°Π½ΠΈΠ΅ΠΌ Ρ Π΄Π΅Π²ΡΡΠ²Π΅Π½Π½ΠΎΠΉ ΡΠ°ΠΌΠΊΠΈ Drosophila melanogaster . Π R4d, ΠΈ R2 / R4m ΠΏΠΎΠ»ΠΎΠΆΠΈΡΠ΅Π»ΡΠ½ΠΎ ΡΠ΅Π³ΡΠ»ΠΈΡΡΡΡΡΡ ΡΠ΅ΡΠ΅Π· ΡΠΏΠ΅ΡΠΈΡΠΈΡΠ΅ΡΠΊΠΈΠ΅ Π΄ΠΎΡΠ°ΠΌΠΈΠ½ΠΎΠ²ΡΠ΅ ΡΠ΅ΡΠ΅ΠΏΡΠΎΡΡ ΠΏΠΎΠ΄ΠΌΠ½ΠΎΠΆΠ΅ΡΡΠ²ΠΎΠΌ Π½Π΅ΠΉΡΠΎΠ½ΠΎΠ² Π² Π΄ΠΎΡΠ°ΠΌΠΈΠ½Π΅ΡΠ³ΠΈΡΠ΅ΡΠΊΠΎΠΌ ΠΊΠ»Π°ΡΡΠ΅ΡΠ΅ PPM3.ΠΠ΅Π½Π΅ΡΠΈΡΠ΅ΡΠΊΠ°Ρ Π΄Π΅ΠΏΡΠΈΠ²Π°ΡΠΈΡ ΠΠΠΠΠ΅ΡΠ³ΠΈΡΠ΅ΡΠΊΠΎΠ³ΠΎ ΡΠΈΠ³Π½Π°Π»Π° ΡΠ΅ΡΠ΅Π· ΠΠΠΠ ΠΠ½ΡΠ΅ΡΡΠ΅ΡΠ΅Π½ΡΠΈΡ Π ΠΠ ΡΠ΅ΡΠ΅ΠΏΡΠΎΡΠ° Π² ΡΡΠΎΠΉ ΡΠ΅ΠΏΠΈ Π²ΡΠ·ΡΠ²Π°Π΅Ρ ΠΌΠ°ΡΡΠΈΠ²Π½ΡΠΉ ΠΎΡΠ²Π΅Ρ ΠΎΡΡΠΎΡΠΆΠ΅Π½ΠΈΡ, ΡΠΎΠ³Π΄Π° ΠΊΠ°ΠΊ Π°ΠΊΡΠΈΠ²Π°ΡΠΈΡ ΠΠΠΠΠ΅ΡΠ³ΠΈΡΠ΅ΡΠΊΠΎΠ³ΠΎ R2 / R4m ΠΈΠ»ΠΈ ΠΏΠΎΠ΄Π°Π²Π»Π΅Π½ΠΈΠ΅ Ρ ΠΎΠ»ΠΈΠ½Π΅ΡΠ³ΠΈΡΠ΅ΡΠΊΠΎΠ³ΠΎ R4d ΡΠ²Π΅Π»ΠΈΡΠΈΠ²Π°Π΅Ρ Π²ΠΎΡΠΏΡΠΈΠΈΠΌΡΠΈΠ²ΠΎΡΡΡ. ΠΠΎΠ»Π΅Π΅ ΡΠΎΠ³ΠΎ, Π³Π»ΡΡΠ°ΠΌΠ°ΡΠ΅ΡΠ³ΠΈΡΠ΅ΡΠΊΠ°Ρ ΠΏΠ΅ΡΠ΅Π΄Π°ΡΠ° ΡΠΈΠ³Π½Π°Π»ΠΎΠ² ΡΠ΅ΡΠ΅Π· ΡΠ΅ΡΠ΅ΠΏΡΠΎΡΡ N -ΠΌΠ΅ΡΠΈΠ»-d-Π°ΡΠΏΠ°ΡΡΠ°ΡΠ° ΠΈΠ½Π΄ΡΡΠΈΡΡΠ΅Ρ NO-ΠΎΠΏΠΎΡΡΠ΅Π΄ΠΎΠ²Π°Π½Π½ΡΡ ΡΠ΅ΡΡΠΎΠ³ΡΠ°Π΄Π½ΡΡ ΡΠ΅Π³ΡΠ»ΡΡΠΈΡ ΠΏΠΎΡΠ΅Π½ΡΠΈΠ°Π»ΡΠ½ΠΎ ΠΎΡ R4d ΠΊ R2 / R4m, Π²Π΅ΡΠΎΡΡΠ½ΠΎ, ΠΎΠ±Π΅ΡΠΏΠ΅ΡΠΈΠ²Π°Ρ Π³ΠΈΠ±ΠΊΠΈΠΉ ΠΊΠΎΠ½ΡΡΠΎΠ»Ρ ΠΏΠΎΠ²Π΅Π΄Π΅Π½ΡΠ΅ΡΠΊΠΎΠ³ΠΎ ΠΏΠ΅ΡΠ΅ΠΊΠ»ΡΡΠ΅Π½ΠΈΡ ΠΎΡ Π½Π΅ΠΏΡΠΈΡΡΠΈΡ ΠΊ ΠΏΡΠΈΠ½ΡΡΠΈΡ. ΠΠ°ΡΠ΅ ΠΈΡΡΠ»Π΅Π΄ΠΎΠ²Π°Π½ΠΈΠ΅ ΠΏΡΠΎΠ»ΠΈΠ²Π°Π΅Ρ ΡΠ²Π΅Ρ Π½Π° ΠΌΠΎΠ»Π΅ΠΊΡΠ»ΡΡΠ½ΡΠ΅ ΠΈ Π½Π΅ΠΉΡΠΎΠ½Π½ΡΠ΅ ΠΌΠ΅Ρ Π°Π½ΠΈΠ·ΠΌΡ, ΡΠ΅Π³ΡΠ»ΠΈΡΡΡΡΠΈΠ΅ ΠΏΠΎΠ²Π΅Π΄Π΅Π½ΡΠ΅ΡΠΊΠΈΠΉ ΠΏΡΠΎΡΠ΅ΡΡ ΠΎΡΠ±ΠΎΡΠ° ΡΠ°ΠΌΠΎΠΊ ΠΏΠ΅ΡΠ΅Π΄ ΡΠΏΠ°ΡΠΈΠ²Π°Π½ΠΈΠ΅ΠΌ.
ΠΠ»ΡΡΠ΅Π²ΡΠ΅ ΡΠ»ΠΎΠ²Π°
ΡΡ Π°ΠΆΠΈΠ²Π°Π½ΠΈΡ
Π²ΠΎΡΠΏΡΠΈΠΈΠΌΡΠΈΠ²ΠΎΡΡΡ
ΡΠ΅ΠΊΡΡΠ°Π»ΡΠ½Π°Ρ ΠΌΠΎΡΠΈΠ²Π°ΡΠΈΡ
Π΄ΠΎΡΠ°ΠΌΠΈΠ½
Drosophila
ΠΏΡΡΠΌΠ°Ρ ΡΠ²ΡΠ·Ρ
ΡΠ΅Π½ΡΡΠ°Π»ΡΠ½ΡΠΉ ΠΊΠΎΠΌΠΏΠ»Π΅ΠΊΡ
ΡΠ»Π»ΠΈΠΏΡΠΎΠΈΠ΄Π½ΠΎΠ΅ ΡΠ΅Π»ΠΎ
Π Π΅ΠΊΠΎΠΌΠ΅Π½Π΄ΡΠ΅ΠΌΡΠ΅ ΡΡΠ°ΡΡΠΈ
000 ΡΡΠ°ΡΡΠΈ
Π‘ΡΡΠ»ΠΊΠΈ Π½Π° ΡΡΠ°ΡΡΠΈ
ΠΠΎΠ΄Π°Π²Π»Π΅Π½ΠΈΠ΅ Π½ΠΈΡΡ ΠΎΠ΄ΡΡΠ΅Π³ΠΎ ΠΏΡΠ΅ΡΡΠΎΠ½ΡΠ°Π»ΡΠ½ΠΎΠ³ΠΎ ΠΊΠΎΠ½ΡΡΡΠ° ΠΏΡΠ΅Π΄ΠΎΡΠ²ΡΠ°ΡΠ°Π΅Ρ ΠΊΠ΅ΡΠ°ΠΌΠΈΠ½-ΠΈΠ½Π΄ΡΡΠΈΡΠΎΠ²Π°Π½Π½ΡΡ ΡΡΡΠ΅ΡΡΠΎΡΡΡΠΎΠΉΡΠΈΠ²ΠΎΡΡΡ Ρ ΠΆΠ΅Π½ΡΠΈΠ½
Π Π΅Π·ΡΠΌΠ΅
Π‘ΡΡΠ΅ΡΡ ΡΠ²Π»ΡΠ΅ΡΡΡ ΠΌΠΎΡΠ½ΡΠΌ ΡΡΠΈΠΎΠ»ΠΎΠ³ΠΈΡΠ΅ΡΠΊΠΈΠΌ ΡΠ°ΠΊΡΠΎΡΠΎΠΌ Π² Π½Π°ΡΠ°Π»Π΅ Π±ΠΎΠ»ΡΡΠΎΠ³ΠΎ Π΄Π΅ΠΏΡΠ΅ΡΡΠΈΠ²Π½ΠΎΠ³ΠΎ ΡΠ°ΡΡΡΡΠΎΠΉΡΡΠ²Π° ΠΈ ΠΏΠΎΡΡΡΡΠ°Π²ΠΌΠ°ΡΠΈΡΠ΅ΡΠΊΠΎΠ³ΠΎ ΡΡΡΠ΅ΡΡΠΎΠ²ΠΎΠ³ΠΎ ΡΠ°ΡΡΡΡΠΎΠΉΡΡΠ²Π° (ΠΠ’Π‘Π ).ΠΠΎΡΡΠΎΠΌΡ Π±ΡΠ»ΠΈ ΠΏΡΠ΅Π΄ΠΏΡΠΈΠ½ΡΡΡ Π·Π½Π°ΡΠΈΡΠ΅Π»ΡΠ½ΡΠ΅ ΡΡΠΈΠ»ΠΈΡ Π΄Π»Ρ Π²ΡΡΠ²Π»Π΅Π½ΠΈΡ ΡΠ°ΠΊΡΠΎΡΠΎΠ², ΠΎΠ±Π΅ΡΠΏΠ΅ΡΠΈΠ²Π°ΡΡΠΈΡ ΡΡΡΠΎΠΉΡΠΈΠ²ΠΎΡΡΡ ΠΊ ΠΏΠΎΡΠ»Π΅Π΄ΡΡΠ²ΠΈΡΠΌ Π±ΠΎΠ»Π΅Π΅ ΠΏΠΎΠ·Π΄Π½Π΅Π³ΠΎ ΡΡΡΠ΅ΡΡΠΎΡΠ°, Π² Π½Π°Π΄Π΅ΠΆΠ΄Π΅ ΠΏΡΠ΅Π΄ΠΎΡΠ²ΡΠ°ΡΠΈΡΡ Π½Π΅Π±Π»Π°Π³ΠΎΠΏΡΠΈΡΡΠ½ΡΠ΅ ΠΊΠ»ΠΈΠ½ΠΈΡΠ΅ΡΠΊΠΈΠ΅ ΠΈΡΡ ΠΎΠ΄Ρ. ΠΠ½ΡΠ°Π³ΠΎΠ½ΠΈΡΡ ΡΠ΅ΡΠ΅ΠΏΡΠΎΡΠ° NMDA ΠΊΠ΅ΡΠ°ΠΌΠΈΠ½ Π½Π΅Π΄Π°Π²Π½ΠΎ ΠΏΠΎΡΠ²ΠΈΠ»ΡΡ Π² ΠΊΠ°ΡΠ΅ΡΡΠ²Π΅ ΠΏΡΠΎΡΠΈΠ»Π°ΠΊΡΠΈΡΠ΅ΡΠΊΠΎΠ³ΠΎ ΡΡΠ΅Π΄ΡΡΠ²Π°, ΡΠΏΠΎΡΠΎΠ±Π½ΠΎΠ³ΠΎ ΠΏΡΠ΅Π΄ΠΎΡΠ²ΡΠ°ΡΠ°ΡΡ Π½Π΅ΠΉΡΠΎΡ ΠΈΠΌΠΈΡΠ΅ΡΠΊΠΈΠ΅ ΠΈ ΠΏΠΎΠ²Π΅Π΄Π΅Π½ΡΠ΅ΡΠΊΠΈΠ΅ ΠΏΠΎΡΠ»Π΅Π΄ΡΡΠ²ΠΈΡ Π±ΡΠ΄ΡΡΠ΅Π³ΠΎ ΡΡΡΠ΅ΡΡΠΎΡΠ°. ΠΠ΅ΡΠΌΠΎΡΡΡ Π½Π° ΠΌΠ½ΠΎΠ³ΠΎΠΎΠ±Π΅ΡΠ°ΡΡΠΈΠ΅ ΡΠ΅Π·ΡΠ»ΡΡΠ°ΡΡ Π΄ΠΎΠΊΠ»ΠΈΠ½ΠΈΡΠ΅ΡΠΊΠΈΡ ΠΈΡΡΠ»Π΅Π΄ΠΎΠ²Π°Π½ΠΈΠΉ, ΠΏΡΠΎΠ²Π΅Π΄Π΅Π½Π½ΡΡ Π½Π° ΡΠ°ΠΌΡΠ°Ρ ΠΊΡΡΡ, ΡΡΡΠ΅ΠΊΡΡ ΠΏΡΠΎΠ°ΠΊΡΠΈΠ²Π½ΠΎΠ³ΠΎ ΠΊΠ΅ΡΠ°ΠΌΠΈΠ½Π° Ρ ΡΠ°ΠΌΠΎΠΊ ΠΊΡΡΡ ΠΎΡΡΠ°ΡΡΡΡ Π½Π΅ΠΈΠ·Π²Π΅ΡΡΠ½ΡΠΌΠΈ. ΠΡΠΎ Π²ΡΠ·ΡΠ²Π°Π΅Ρ ΡΡΠ΅Π²ΠΎΠ³Ρ, ΡΡΠΈΡΡΠ²Π°Ρ, ΡΡΠΎ ΡΠ°ΡΡΡΡΠΎΠΉΡΡΠ²Π°, ΡΠ²ΡΠ·Π°Π½Π½ΡΠ΅ ΡΠΎ ΡΡΡΠ΅ΡΡΠΎΠΌ, ΠΏΠΎΡΠ°ΠΆΠ°ΡΡ ΠΆΠ΅Π½ΡΠΈΠ½ ΠΏΠΎΡΡΠΈ Π² Π΄Π²Π° ΡΠ°Π·Π° ΡΠ°ΡΠ΅, ΡΠ΅ΠΌ ΠΌΡΠΆΡΠΈΠ½.ΠΠ΄Π΅ΡΡ ΠΌΡ ΠΈΡΡΠ»Π΅Π΄ΡΠ΅ΠΌ ΠΏΡΠΎΡΠΈΠ»Π°ΠΊΡΠΈΡΠ΅ΡΠΊΠΈΠ΅ ΡΡΡΠ΅ΠΊΡΡ ΠΊΠ΅ΡΠ°ΠΌΠΈΠ½Π° Π½Π° Π²ΡΠ·Π²Π°Π½Π½ΠΎΠ΅ ΡΡΡΠ΅ΡΡΠΎΠΌ ΡΡΠ΅Π²ΠΎΠΆΠ½ΠΎΠ΅ ΠΏΠΎΠ²Π΅Π΄Π΅Π½ΠΈΠ΅ ΠΈ ΠΏΡΠΎΡΠ΅ΡΡΡ Π½Π° ΡΡΠΎΠ²Π½Π΅ Π½Π΅ΡΠ²Π½ΡΡ ΡΠ΅ΠΏΠ΅ΠΉ, ΠΊΠΎΡΠΎΡΡΠ΅ ΠΎΠΏΠΎΡΡΠ΅Π΄ΡΡΡ ΡΡΠΈ ΡΡΡΠ΅ΠΊΡΡ Ρ ΡΠ°ΠΌΠΎΠΊ ΠΊΡΡΡ. ΠΠ΅ΡΠ°ΠΌΠΈΠ½, Π²Π²Π΅Π΄Π΅Π½Π½ΡΠΉ Π·Π° Π½Π΅Π΄Π΅Π»Ρ Π΄ΠΎ Π½Π΅ΠΊΠΎΠ½ΡΡΠΎΠ»ΠΈΡΡΠ΅ΠΌΠΎΠ³ΠΎ ΡΡΡΠ΅ΡΡΠΎΡΠ° (Π½Π΅ΠΈΠ·Π±Π΅ΠΆΠ½ΡΠΉ ΡΠ΄Π°Ρ Ρ Π²ΠΎΡΡΠΎΠΌ; IS), ΡΠ½ΠΈΠ·ΠΈΠ» ΡΠΈΠΏΠΈΡΠ½ΡΡ Π²ΡΠ·Π²Π°Π½Π½ΡΡ ΡΡΡΠ΅ΡΡΠΎΠΌ Π°ΠΊΡΠΈΠ²Π°ΡΠΈΡ ΡΠ΅ΡΠΎΡΠΎΠ½ΠΈΠ½Π΅ΡΠ³ΠΈΡΠ΅ΡΠΊΠΎΠ³ΠΎ (5-HT) Π΄ΠΎΡΡΠ°Π»ΡΠ½ΠΎΠ³ΠΎ ΡΠ΄ΡΠ° ΡΠ²Π° (DRN) ΠΈ ΡΡΡΡΠ°Π½ΠΈΠ» DRN-Π·Π°Π²ΠΈΡΠΈΠΌΡΠΉ Π΄Π΅ΡΠΈΡΠΈΡ ΡΠΎΡΠΈΠ°Π»ΡΠ½ΠΎΠ³ΠΎ ΠΈΡΡΠ»Π΅Π΄ΠΎΠ²Π°Π½ΠΈΡ ΠΏΠΎΠ΄ΡΠΎΡΡΠΊΠΎΠ² (JSE) ΡΠ΅ΡΠ΅Π· 24 ΡΠ°ΡΠ° ΠΏΠΎΡΠ»Π΅ ΡΡΡΠ΅ΡΡΠΎΡ. ΠΡΠΎΠ°ΠΊΡΠΈΠ²Π½ΡΠΉ ΠΊΠ΅ΡΠ°ΠΌΠΈΠ½ ΠΈΠ·ΠΌΠ΅Π½ΠΈΠ» Π½Π΅ΠΉΡΠΎΠ½Π½ΡΠ΅ Π°Π½ΡΠ°ΠΌΠ±Π»ΠΈ ΠΏΡΠ΅Π»ΠΈΠΌΠ±ΠΈΡΠ΅ΡΠΊΠΎΠΉ ΠΊΠΎΡΡ (PL), ΡΠ°ΠΊ ΡΡΠΎ Π±ΠΎΠ»Π΅Π΅ ΠΏΠΎΠ·Π΄Π½ΠΈΠΉ ΠΎΠΏΡΡ Ρ IS ΡΠ΅ΠΏΠ΅ΡΡ Π°ΠΊΡΠΈΠ²ΠΈΡΠΎΠ²Π°Π» ΡΡΠΈ ΠΊΠ»Π΅ΡΠΊΠΈ, ΡΠ΅Π³ΠΎ ΠΎΠ±ΡΡΠ½ΠΎ Π½Π΅ ΠΏΡΠΎΠΈΡΡ ΠΎΠ΄ΠΈΠ»ΠΎ.ΠΠ΅ΡΠ°ΠΌΠΈΠ½ ΡΠ΅Π·ΠΊΠΎ Π°ΠΊΡΠΈΠ²ΠΈΡΠΎΠ²Π°Π» ΡΠ΅ΠΏΡ PL-DRN (PL-DRN) ΠΈ ΠΈΠ½Π³ΠΈΠ±ΠΈΡΠΎΠ²Π°Π½ΠΈΠ΅ ΡΡΠΎΠΉ ΡΠ΅ΠΏΠΈ Ρ ΠΏΠΎΠΌΠΎΡΡΡ Π΄ΠΈΠ·Π°ΠΉΠ½Π΅ΡΡΠΊΠΈΡ ΡΠ΅ΡΠ΅ΠΏΡΠΎΡΠΎΠ², ΠΈΡΠΊΠ»ΡΡΠΈΡΠ΅Π»ΡΠ½ΠΎ Π°ΠΊΡΠΈΠ²ΠΈΡΡΠ΅ΠΌΡΡ Π΄ΠΈΠ·Π°ΠΉΠ½Π΅ΡΡΠΊΠΈΠΌΠΈ ΠΏΡΠ΅ΠΏΠ°ΡΠ°ΡΠ°ΠΌΠΈ (DREADD) Π²ΠΎ Π²ΡΠ΅ΠΌΡ IS ΡΠ΅ΡΠ΅Π· Π½Π΅Π΄Π΅Π»Ρ, ΠΏΡΠ΅Π΄ΠΎΡΠ²ΡΠ°ΡΠ°Π»ΠΎ ΠΏΡΠΎΡΠΈΠ»Π°ΠΊΡΠΈΠΊΡ ΡΡΡΠ΅ΡΡΠ°, ΠΏΡΠ΅Π΄ΠΏΠΎΠ»Π°Π³Π°Ρ, ΡΡΠΎ ΡΡΠΎΠΉΠΊΠΈΠ΅ ΠΈΠ·ΠΌΠ΅Π½Π΅Π½ΠΈΡ Π² ΡΠ΅ΠΏΠΈ PL-DRN ΠΠΊΡΠΈΠ²Π½ΠΎΡΡΡ ΠΎΡΠ²Π΅ΡΠ°Π΅Ρ, ΠΏΠΎ ΠΊΡΠ°ΠΉΠ½Π΅ΠΉ ΠΌΠ΅ΡΠ΅ ΡΠ°ΡΡΠΈΡΠ½ΠΎ, Π·Π° ΠΎΠΏΠΎΡΡΠ΅Π΄ΠΎΠ²Π°Π½ΠΈΠ΅ Π΄ΠΎΠ»Π³ΠΎΡΡΠΎΡΠ½ΡΡ ΡΡΡΠ΅ΠΊΡΠΎΠ², ΡΠ²ΡΠ·Π°Π½Π½ΡΡ Ρ ΠΊΠ΅ΡΠ°ΠΌΠΈΠ½ΠΎΠΌ.
ΠΠ°ΡΠ²Π»Π΅Π½ΠΈΠ΅ ΠΎ Π·Π½Π°ΡΠΈΠΌΠΎΡΡΠΈ
Π Π°ΡΡΡΡΠΎΠΉΡΡΠ²Π°, ΡΠ²ΡΠ·Π°Π½Π½ΡΠ΅ ΡΠΎ ΡΡΡΠ΅ΡΡΠΎΠΌ, ΠΏΠΎΡΠ°ΠΆΠ°ΡΡ ΠΆΠ΅Π½ΡΠΈΠ½ Π² Π΄Π²Π° ΡΠ°Π·Π° ΡΠ°ΡΠ΅, ΡΠ΅ΠΌ ΠΌΡΠΆΡΠΈΠ½, ΠΏΠΎΡΡΠΎΠΌΡ Π²ΡΡΠ²Π»Π΅Π½ΠΈΠ΅ ΡΠ°ΠΊΡΠΎΡΠΎΠ², ΡΠΏΠΎΡΠΎΠ±ΡΡΠ²ΡΡΡΠΈΡ ΡΠΎΠΏΡΠΎΡΠΈΠ²Π»ΡΠ΅ΠΌΠΎΡΡΠΈ ΠΆΠ΅Π½ΡΠΈΠ½, ΠΈΠΌΠ΅Π΅Ρ ΠΊΡΠΈΡΠΈΡΠ΅ΡΠΊΠΈ Π²Π°ΠΆΠ½ΠΎΠ΅ Π·Π½Π°ΡΠ΅Π½ΠΈΠ΅.ΠΠ΅Π΄Π°Π²Π½ΠΈΠ΅ ΡΡΠΈΠ»ΠΈΡ ΠΏΠΎ Π²ΡΡΠ²Π»Π΅Π½ΠΈΡ Π½Π΅ΡΠ²Π½ΡΡ ΠΌΠ΅Ρ Π°Π½ΠΈΠ·ΠΌΠΎΠ², Π»Π΅ΠΆΠ°ΡΠΈΡ Π² ΠΎΡΠ½ΠΎΠ²Π΅ ΠΏΡΠΎΡΠΈΠ»Π°ΠΊΡΠΈΡΠ΅ΡΠΊΠΎΠ³ΠΎ Π²ΠΎΠ·Π΄Π΅ΠΉΡΡΠ²ΠΈΡ ΠΊΠ΅ΡΠ°ΠΌΠΈΠ½Π° Π½Π° ΠΏΠΎΠ²Π΅Π΄Π΅Π½ΡΠ΅ΡΠΊΠΎΠ΅ ΠΈ Π½Π΅ΡΠ²Π½ΠΎΠ΅ Π²ΠΎΠ·Π΄Π΅ΠΉΡΡΠ²ΠΈΠ΅ Π±ΠΎΠ»Π΅Π΅ ΠΏΠΎΠ·Π΄Π½Π΅Π³ΠΎ ΡΡΡΠ΅ΡΡΠΎΡΠ°, Π±ΡΠ»ΠΈ ΡΠΎΡΡΠ΅Π΄ΠΎΡΠΎΡΠ΅Π½Ρ ΠΈΡΠΊΠ»ΡΡΠΈΡΠ΅Π»ΡΠ½ΠΎ Π½Π° Π³ΡΡΠ·ΡΠ½Π°Ρ -ΡΠ°ΠΌΡΠ°Ρ . ΠΠ΄Π΅ΡΡ ΠΌΡ ΠΏΠΎΠΊΠ°Π·ΡΠ²Π°Π΅ΠΌ, ΡΡΠΎ ΠΊΠ΅ΡΠ°ΠΌΠΈΠ½, Π²Π²ΠΎΠ΄ΠΈΠΌΡΠΉ ΡΠ°ΠΌΠΊΠ°ΠΌ ΠΊΡΡΡ Π·Π° Π½Π΅Π΄Π΅Π»Ρ Π΄ΠΎ Π½Π΅ΠΊΠΎΠ½ΡΡΠΎΠ»ΠΈΡΡΠ΅ΠΌΠΎΠ³ΠΎ ΡΡΡΠ΅ΡΡΠΎΡΠ°, ΠΏΡΠ΅Π΄ΠΎΡΠ²ΡΠ°ΡΠ°Π΅Ρ Π²ΡΠ·Π²Π°Π½Π½ΡΠ΅ ΡΡΡΠ΅ΡΡΠΎΠΌ ΠΏΠΎΠ²Π΅Π΄Π΅Π½ΡΠ΅ΡΠΊΠΈΠ΅ ΡΡΡΠ΅ΠΊΡΡ, ΠΏΠΎΠ΄ΠΎΠ±Π½ΡΠ΅ ΡΡΠ΅Π²ΠΎΠ³Π΅. ΠΡΠ»ΠΈ ΠΈΠ·ΡΡΠ΅Π½Ρ ΠΌΠ΅Ρ Π°Π½ΠΈΠ·ΠΌΡ, Ρ ΠΏΠΎΠΌΠΎΡΡΡ ΠΊΠΎΡΠΎΡΡΡ ΠΊΠ΅ΡΠ°ΠΌΠΈΠ½ ΠΎΠΊΠ°Π·ΡΠ²Π°Π΅Ρ ΠΏΡΠΎΡΠΈΠ»Π°ΠΊΡΠΈΡΠ΅ΡΠΊΠΎΠ΅ Π΄Π΅ΠΉΡΡΠ²ΠΈΠ΅, ΠΈ Π±ΡΠ»ΠΎ ΠΎΠ±Π½Π°ΡΡΠΆΠ΅Π½ΠΎ, ΡΡΠΎ ΠΊΠ΅ΡΠ°ΠΌΠΈΠ½ Π°ΠΊΡΠΈΠ²ΠΈΡΡΠ΅Ρ ΡΠΎΡΠΌΠΎΠ·Π½ΡΡ ΡΠ΅ΠΏΡ ΠΏΡΠ΅Π΄Π»ΠΈΠΌΠ±ΠΈΡΠ΅ΡΠΊΠΎΠΉ ΠΊΠΎΡΡ (PL) -Π΄ΠΎΡΡΠ°Π»ΡΠ½ΠΎΠ΅ ΡΠ΄ΡΠΎ ββΡΠ²Π° (DRN), ΠΈ ΡΡΠΎ Π°ΠΊΡΠΈΠ²Π°ΡΠΈΡ ΡΡΠΎΠΉ ΡΠ΅ΠΏΠΈ Π½Π΅ΠΎΠ±Ρ ΠΎΠ΄ΠΈΠΌΠ° Π΄Π»Ρ ΡΠΌΡΠ³ΡΠ°ΡΡΠΈΡ ΡΡΡΠ΅ΡΡ ΡΡΡΠ΅ΠΊΡΠΎΠ² ΠΊΠ΅ΡΠ°ΠΌΠΈΠ½Π°.ΠΡΠΈ Π΄Π°Π½Π½ΡΠ΅ ΡΠ»ΡΠΆΠ°Ρ ΠΎΡΠ½ΠΎΠ²ΠΎΠΉ Π΄Π»Ρ ΠΏΡΠΎΡΠΈΠ»Π°ΠΊΡΠΈΡΠ΅ΡΠΊΠΎΠ³ΠΎ ΠΏΡΠΈΠΌΠ΅Π½Π΅Π½ΠΈΡ ΠΊΠ΅ΡΠ°ΠΌΠΈΠ½Π° Ρ ΠΆΠ΅Π½ΡΠΈΠ½.
ΠΠ²Π΅Π΄Π΅Π½ΠΈΠ΅
ΠΡΠΈΡ ΠΈΠ°ΡΡΠΈΡΠ΅ΡΠΊΠΈΠ΅ ΡΠ°ΡΡΡΡΠΎΠΉΡΡΠ²Π°, ΡΠ²ΡΠ·Π°Π½Π½ΡΠ΅ ΡΠΎ ΡΡΡΠ΅ΡΡΠΎΠΌ, ΡΠ°ΠΊΠΈΠ΅ ΠΊΠ°ΠΊ Π΄Π΅ΠΏΡΠ΅ΡΡΠΈΡ ΠΈ ΠΏΠΎΡΡΡΡΠ°Π²ΠΌΠ°ΡΠΈΡΠ΅ΡΠΊΠΎΠ΅ ΡΡΡΠ΅ΡΡΠΎΠ²ΠΎΠ΅ ΡΠ°ΡΡΡΡΠΎΠΉΡΡΠ²ΠΎ (ΠΠ’Π‘Π ), Π·Π°ΡΡΠ°Π³ΠΈΠ²Π°ΡΡ ΠΆΠ΅Π½ΡΠΈΠ½ ΠΏΠΎΡΡΠΈ Π² Π΄Π²Π° ΡΠ°Π·Π° ΡΠ°ΡΠ΅, ΡΠ΅ΠΌ ΠΌΡΠΆΡΠΈΠ½Ρ (Kessler et al., 2005; Steiner et al., 2005), ΠΈ ΠΎΡΠ½ΠΎΡΡΡΡΡ ΠΊ ΡΠΈΡΠ»Ρ Π²Π΅Π΄ΡΡΠΈΠ΅ ΠΏΡΠΈΡΠΈΠ½Ρ ΠΈΠ½Π²Π°Π»ΠΈΠ΄Π½ΠΎΡΡΠΈ Π²ΠΎ Π²ΡΠ΅ΠΌ ΠΌΠΈΡΠ΅ (Kessler et al., 1995; Mathers et al., 2008). Π’ΠΎΠ»ΡΠΊΠΎ ΠΎΠ΄Π½Π° ΡΡΠ΅ΡΡ ΠΏΠ°ΡΠΈΠ΅Π½ΡΠΎΠ², ΠΊΠΎΡΠΎΡΡΠΌ Π½Π°Π·Π½Π°ΡΠ΅Π½Ρ ΠΎΠ±ΡΡΠ½ΡΠ΅ ΡΠ°ΡΠΌΠ°ΠΊΠΎΡΠ΅ΡΠ°ΠΏΠ΅Π²ΡΠΈΡΠ΅ΡΠΊΠΈΠ΅ ΠΏΡΠ΅ΠΏΠ°ΡΠ°ΡΡ, Π΄ΠΎΡΡΠΈΠ³Π°ΡΡ ΠΏΠΎΠ»Π½ΠΎΠΉ ΡΠ΅ΠΌΠΈΡΡΠΈΠΈ, ΡΡΠΎ ΠΏΠΎΠ΄ΡΠ΅ΡΠΊΠΈΠ²Π°Π΅Ρ Π½Π΅ΠΎΠ±Ρ ΠΎΠ΄ΠΈΠΌΠΎΡΡΡ Π±ΠΎΠ»Π΅Π΅ ΡΡΡΠ΅ΠΊΡΠΈΠ²Π½ΡΡ ΡΠ΅ΡΠ°ΠΏΠ΅Π²ΡΠΈΡΠ΅ΡΠΊΠΈΡ ΠΌΠ΅ΡΠΎΠ΄ΠΎΠ².(Gaynes et al., 2009). ΠΠ΅Π΄Π°Π²Π½ΠΎ Π±ΡΠ»ΠΎ ΠΏΠΎΠΊΠ°Π·Π°Π½ΠΎ, ΡΡΠΎ ΠΎΠ΄Π½ΠΎΠΊΡΠ°ΡΠ½Π°Ρ ΡΡΠ±Π°Π½Π΅ΡΡΠ΅Π·ΠΈΡΡΡΡΠ°Ρ Π΄ΠΎΠ·Π° (0,5 ΠΌΠ³ / ΠΊΠ³, Π²Π½ΡΡΡΠΈΠ²Π΅Π½Π½ΠΎ) Π½Π΅ΡΠ΅Π»Π΅ΠΊΡΠΈΠ²Π½ΠΎΠ³ΠΎ Π°Π½ΡΠ°Π³ΠΎΠ½ΠΈΡΡΠ° ΡΠ΅ΡΠ΅ΠΏΡΠΎΡΠΎΠ² NMDA ΠΊΠ΅ΡΠ°ΠΌΠΈΠ½Π° Π΄Π°Π΅Ρ Π±ΡΡΡΡΡΠ΅ ΠΈ ΡΡΠΎΠΉΠΊΠΈΠ΅ ΡΠ΅ΡΠ°ΠΏΠ΅Π²ΡΠΈΡΠ΅ΡΠΊΠΈΠ΅ ΡΡΡΠ΅ΠΊΡΡ Ρ Π»ΡΠ΄Π΅ΠΉ Ρ ΡΡΡΠΎΠΉΡΠΈΠ²ΠΎΠΉ ΠΊ Π»Π΅ΡΠ΅Π½ΠΈΡ Π΄Π΅ΠΏΡΠ΅ΡΡΠΈΠ΅ΠΉ, ΡΡΠ΅Π²ΠΎΠ³ΠΎΠΉ ΠΈ ΠΏΠΎΡΡΡΡΠ°Π²ΠΌΠ°ΡΠΈΡΠ΅ΡΠΊΠΈΠΌ ΡΡΡΠ΅ΡΡΠΎΠ²ΡΠΌ ΡΠ°ΡΡΡΡΠΎΠΉΡΡΠ²ΠΎΠΌ (Berman et al., 2000; Zarate et al., 2006; Glue et al., 2017; Price et al., 2009; Feder et al., 2014). Π‘ΠΎΠΎΡΠ²Π΅ΡΡΡΠ²Π΅Π½Π½ΠΎ, Π²ΡΠ΅ Π±ΠΎΠ»ΡΡΠ΅ ΠΈΡΡΠ»Π΅Π΄ΠΎΠ²Π°Π½ΠΈΠΉ ΠΏΠΎΡΠ²ΡΡΠ°Π΅ΡΡΡ Π²ΡΡΠ²Π»Π΅Π½ΠΈΡ ΠΎΡΠ½ΠΎΠ²Π½ΡΡ Π½Π΅ΠΉΡΠΎΠ±ΠΈΠΎΠ»ΠΎΠ³ΠΈΡΠ΅ΡΠΊΠΈΡ ΠΌΠ΅Ρ Π°Π½ΠΈΠ·ΠΌΠΎΠ², Ρ ΠΏΠΎΠΌΠΎΡΡΡ ΠΊΠΎΡΠΎΡΡΡ ΠΊΠ΅ΡΠ°ΠΌΠΈΠ½ ΠΎΠΊΠ°Π·ΡΠ²Π°Π΅Ρ ΡΠ²ΠΎΠ΅ Π΄Π΅ΠΉΡΡΠ²ΠΈΠ΅.
ΠΠ·-Π·Π° ΡΠ²ΠΎΠ΅ΠΉ ΠΊΠ»ΠΈΠ½ΠΈΡΠ΅ΡΠΊΠΎΠΉ ΡΡΡΠ΅ΠΊΡΠΈΠ²Π½ΠΎΡΡΠΈ Π»Π°Π±ΠΎΡΠ°ΡΠΎΡΠ½Π°Ρ ΡΠ°Π±ΠΎΡΠ° Π±ΡΠ»Π° ΡΠΎΡΡΠ΅Π΄ΠΎΡΠΎΡΠ΅Π½Π° Π½Π° Π΄Π²ΡΡ ΠΏΠ°ΡΠ°Π΄ΠΈΠ³ΠΌΠ°Ρ . Π ΠΎΠ΄Π½ΠΎΠΌ ΡΠ»ΡΡΠ°Π΅ ΠΎΠ΄Π½ΠΎΠΊΡΠ°ΡΠ½Π°Ρ ΡΡΠ±Π°Π½Π΅ΡΡΠ΅Π·ΠΈΡΡΡΡΠ°Ρ Π΄ΠΎΠ·Π° (10 ΠΌΠ³ / ΠΊΠ³, Π²Π½ΡΡΡΠΈΠ±ΡΡΡΠΈΠ½Π½ΠΎ) ΠΊΠ΅ΡΠ°ΠΌΠΈΠ½Π° Π²Π²ΠΎΠ΄ΠΈΡΡΡ Π² ΡΠ°Π·Π»ΠΈΡΠ½ΡΠ΅ ΠΌΠΎΠΌΠ΅Π½ΡΡ Π²ΡΠ΅ΠΌΠ΅Π½ΠΈ ΠΏΠ΅ΡΠ΅Π΄ ΠΏΠΎΠ²Π΅Π΄Π΅Π½ΡΠ΅ΡΠΊΠΈΠΌΠΈ ΡΠ΅ΡΡΠ°ΠΌΠΈ, ΠΊΠΎΡΠΎΡΡΠ΅, ΠΊΠ°ΠΊ ΡΡΠΈΡΠ°Π΅ΡΡΡ, ΠΎΡΡΠ°ΠΆΠ°ΡΡ Π΄Π΅ΠΏΡΠ΅ΡΡΠΈΠ²Π½ΠΎΠ΅ ΠΈΠ»ΠΈ ΡΠ²ΡΠ·Π°Π½Π½ΠΎΠ΅ Ρ ΡΡΠ΅Π²ΠΎΠ³ΠΎΠΉ ΠΏΠΎΠ²Π΅Π΄Π΅Π½ΠΈΠ΅. ΠΠ°ΠΏΡΠΈΠΌΠ΅Ρ, ΠΊΠ΅ΡΠ°ΠΌΠΈΠ½, Π΄ΠΎΡΡΠ°Π²Π»Π΅Π½Π½ΡΠΉ ΠΎΡ Π½Π΅ΡΠΊΠΎΠ»ΡΠΊΠΈΡ ΠΌΠΈΠ½ΡΡ Π΄ΠΎ ΡΠ°ΡΠΎΠ², ΠΏΡΠ΅ΠΆΠ΄Π΅ ΡΠ΅ΠΌ ΠΏΠΎΠ²Π΅Π΄Π΅Π½ΡΠ΅ΡΠΊΠΎΠ΅ ΡΠ΅ΡΡΠΈΡΠΎΠ²Π°Π½ΠΈΠ΅ ΠΏΡΠ΅Π΄ΠΎΡΠ²ΡΠ°ΡΠ°Π΅Ρ ΡΠΈΠΏΠΈΡΠ½ΡΠ΅ ΠΏΠΎΠ²Π΅Π΄Π΅Π½ΡΠ΅ΡΠΊΠΈΠ΅ ΠΈΠ·ΠΌΠ΅Π½Π΅Π½ΠΈΡ, ΠΈΠ·ΠΌΠ΅ΡΠ΅Π½Π½ΡΠ΅ Π²ΠΎ Π²ΡΠ΅ΠΌΡ ΡΠ΅ΡΡΠ° ΠΏΡΠΈΠ½ΡΠ΄ΠΈΡΠ΅Π»ΡΠ½ΠΎΠ³ΠΎ ΠΏΠ»Π°Π²Π°Π½ΠΈΡ (Garcia et al., 2008), ΡΠ΅ΡΡΠ° ΠΏΠΎΠ΄Π²Π΅ΡΠΈΠ²Π°Π½ΠΈΡ Ρ Π²ΠΎΡΡΠ° (da Silva et al., 2010), ΡΠ΅ΡΡΠ° ΠΏΠΎΠ΄Π°Π²Π»Π΅Π½ΠΈΡ Π½ΠΎΠ²ΠΈΠ·Π½Ρ (NSF; Fuchikami et al., 2015) ΠΈ ΡΠ΅ΡΡ Π² ΠΎΡΠΊΡΡΡΠΎΠΌ ΠΏΠΎΠ»Π΅ (Thelen et al., 2016). ΠΠΎ Π²ΡΠΎΡΠΎΠΌ ΡΠ»ΡΡΠ°Π΅ ΠΊΠ΅ΡΠ°ΠΌΠΈΠ½ Π½Π°Π·Π½Π°ΡΠ°ΡΡ ΠΏΠΎΡΠ»Π΅ Π²ΠΎΠ·Π΄Π΅ΠΉΡΡΠ²ΠΈΡ ΡΡΡΠ΅ΡΡΠΎΡΠ°, ΡΡΠΎΠ±Ρ ΠΎΠΏΡΠ΅Π΄Π΅Π»ΠΈΡΡ, ΡΠΌΠΎΠΆΠ΅Ρ Π»ΠΈ ΠΎΠ½ ΠΎΠ±ΡΠ°ΡΠΈΡΡ Π²ΡΠΏΡΡΡ Π²Π»ΠΈΡΠ½ΠΈΠ΅ ΡΡΡΠ΅ΡΡΠ° Π½Π° ΠΏΠΎΠ²Π΅Π΄Π΅Π½ΠΈΠ΅. ΠΠ΅ΡΠ°ΠΌΠΈΠ½, Π²Π²ΠΎΠ΄ΠΈΠΌΡΠΉ Π²ΡΠΊΠΎΡΠ΅ ΠΏΠΎΡΠ»Π΅ (0β24 Ρ) Π²ΠΎΠ·Π΄Π΅ΠΉΡΡΠ²ΠΈΡ Ρ ΡΠΎΠ½ΠΈΡΠ΅ΡΠΊΠΎΠ³ΠΎ Π½Π΅ΠΏΡΠ΅Π΄ΡΠΊΠ°Π·ΡΠ΅ΠΌΠΎΠ³ΠΎ ΡΡΡΠ΅ΡΡΠΎΡΠ°, ΠΎΠ±ΡΠ°ΡΠ°Π΅Ρ Π΄Π΅ΠΉΡΡΠ²ΠΈΠ΅ ΡΡΡΠ΅ΡΡΠΎΡΠ° Π½Π° NSF ΠΈ ΠΏΡΠ΅Π΄ΠΏΠΎΡΡΠ΅Π½ΠΈΠ΅ ΡΠ°Ρ Π°ΡΠΎΠ·Ρ (Li et al., 2011). Π£Π΄ΠΈΠ²ΠΈΡΠ΅Π»ΡΠ½ΠΎ, Π½ΠΎ ΠΏΠΎΡΡΠΈ Π²ΡΠ΅ Π΄ΠΎΠΊΠ»ΠΈΠ½ΠΈΡΠ΅ΡΠΊΠΈΠ΅ ΠΈΡΡΠ»Π΅Π΄ΠΎΠ²Π°Π½ΠΈΡ, Π½Π°ΠΏΡΠ°Π²Π»Π΅Π½Π½ΡΠ΅ Π½Π° ΠΎΠΏΡΠ΅Π΄Π΅Π»Π΅Π½ΠΈΠ΅ ΠΌΠ΅Ρ Π°Π½ΠΈΡΡΠΈΡΠ΅ΡΠΊΠΎΠ³ΠΎ Π΄Π΅ΠΉΡΡΠ²ΠΈΡ ΠΊΠ΅ΡΠ°ΠΌΠΈΠ½Π°, Π±ΡΠ»ΠΈ ΡΠΎΡΡΠ΅Π΄ΠΎΡΠΎΡΠ΅Π½Ρ Π½Π° ΡΠ°ΠΌΡΠ°Ρ ΠΊΡΡΡ.ΠΠ΅ΠΉΡΡΠ²ΠΈΡΠ΅Π»ΡΠ½ΠΎ, Π½Π΅Π±ΠΎΠ»ΡΡΠΎΠ΅ ΠΊΠΎΠ»ΠΈΡΠ΅ΡΡΠ²ΠΎ ΠΈΡΡΠ»Π΅Π΄ΠΎΠ²Π°Π½ΠΈΠΉ ΠΏΡΠΎΠ΄Π΅ΠΌΠΎΠ½ΡΡΡΠΈΡΠΎΠ²Π°Π»ΠΎ ΡΠ°Π·Π»ΠΈΡΠ½ΡΡ ΡΡΠ²ΡΡΠ²ΠΈΡΠ΅Π»ΡΠ½ΠΎΡΡΡ ΠΈ ΡΡΠ²ΡΡΠ²ΠΈΡΠ΅Π»ΡΠ½ΠΎΡΡΡ ΠΆΠ΅Π½ΡΠΈΠ½ ΠΈ ΠΌΡΠΆΡΠΈΠ½ ΠΊ ΠΏΡΡΠΌΡΠΌ ΠΈ Π²ΠΎΡΡΡΠ°Π½Π°Π²Π»ΠΈΠ²Π°ΡΡΠΈΠΌ ΡΡΡΠ΅ΠΊΡΠ°ΠΌ ΠΊΠ΅ΡΠ°ΠΌΠΈΠ½Π° (Carrier, Kabbaj, 2013; Frnasceschelli et al., 2015; Zanos et al., 2016).
Π ΠΏΠΎΡΠ»Π΅Π΄Π½Π΅Π΅ Π²ΡΠ΅ΠΌΡ Π½Π°Π±Π»ΡΠ΄Π°Π΅ΡΡΡ Π±ΠΎΠ»ΡΡΠΎΠΉ ΠΈΠ½ΡΠ΅ΡΠ΅Ρ ΠΊ ΡΠ°ΠΊΡΠΎΡΠ°ΠΌ, ΠΊΠΎΡΠΎΡΡΠ΅ ΠΌΠΎΠ³ΡΡ ΠΏΡΠΈΠ²Π΅ΡΡΠΈ ΠΊ ΡΡΡΠΎΠΉΡΠΈΠ²ΠΎΡΡΠΈ ΠΏΠ΅ΡΠ΅Π΄ Π»ΠΈΡΠΎΠΌ Π½Π΅Π²Π·Π³ΠΎΠ΄ (Π΄Π»Ρ ΠΎΠ±Π·ΠΎΡΠ° ΡΠΌ. Baratta et al., 2013), ΠΈ, ΡΡΠΎ ΠΈΠ½ΡΠ΅ΡΠ΅ΡΠ½ΠΎ, 3 Π½Π΅Π΄Π°Π²Π½ΠΈΡ ΠΎΡΡΠ΅ΡΠ° ΠΏΠΎΠΊΠ°Π·ΡΠ²Π°ΡΡ, ΡΡΠΎ ΠΎΠ΄Π½ΠΎΠΊΡΠ°ΡΠ½Π°Ρ Π΄ΠΎΠ·Π° ΠΊΠ΅ΡΠ°ΠΌΠΈΠ½Π° ΠΌΠΎΠΆΠ΅Ρ ΠΏΡΠΈΡΡΠΏΠΈΡΡ Π²ΠΎΠ·Π΄Π΅ΠΉΡΡΠ²ΠΈΠ΅ ΡΡΡΠ΅ΡΡΠΎΡΠΎΠ², Π²ΠΎΠ·Π½ΠΈΠΊΠ°ΡΡΠΈΡ ΡΠΏΡΡΡΡ Π΄Π²Π΅ Π½Π΅Π΄Π΅Π»ΠΈ (Amat et al., 2016; ΠΡΠ°Ρ ΠΌΠ°Π½ ΠΈ Π΄Ρ., 2016; McGowan et al., 2017). Π ΡΠΎΠΆΠ°Π»Π΅Π½ΠΈΡ, Π½ΠΈ Π² ΠΎΠ΄Π½ΠΎΠΌ ΠΈΠ· ΡΡΠΈΡ ΠΎΡΡΠ΅ΡΠΎΠ² Π½Π΅ ΠΈΡΠΏΠΎΠ»ΡΠ·ΠΎΠ²Π°Π»ΠΈΡΡ ΠΆΠ΅Π½ΡΠΈΠ½Ρ. Π’Π°ΠΊΠΈΠΌ ΠΎΠ±ΡΠ°Π·ΠΎΠΌ, ΠΌΡ ΡΠ΅ΡΠΈΠ»ΠΈ ΠΈΠ·ΡΡΠΈΡΡ ΠΏΡΠΎΠ°ΠΊΡΠΈΠ²Π½ΡΠ΅ ΡΡΡΠ΅ΠΊΡΡ ΠΊΠ΅ΡΠ°ΠΌΠΈΠ½Π° Ρ ΡΠ°ΠΌΠΎΠΊ ΠΊΡΡΡ, Π° ΡΠ°ΠΊΠΆΠ΅ ΠΎΡΠ½ΠΎΠ²Π½ΡΠ΅ ΠΏΡΠΎΡΠ΅ΡΡΡ Π½Π° ΡΡΠΎΠ²Π½Π΅ Π½Π΅ΡΠ²Π½ΡΡ ΡΠ΅ΠΏΠ΅ΠΉ, ΠΊΠΎΡΠΎΡΡΠ΅ ΠΎΠΏΠΎΡΡΠ΅Π΄ΡΡΡ ΡΠ°ΠΊΠΈΠ΅ ΡΡΡΠ΅ΠΊΡΡ. ΠΡ ΡΡΡΠ΅ΠΌΠΈΠ»ΠΈΡΡ ΠΎΠΏΡΠ΅Π΄Π΅Π»ΠΈΡΡ, Π΄ΠΎΡΡΠ°ΡΠΎΡΠ½ΠΎ Π»ΠΈ ΠΊΠ΅ΡΠ°ΠΌΠΈΠ½Π°, Π΄ΠΎΡΡΠ°Π²Π»Π΅Π½Π½ΠΎΠ³ΠΎ Π·Π° Π½Π΅Π΄Π΅Π»Ρ Π΄ΠΎ Π½Π΅ΠΊΠΎΠ½ΡΡΠΎΠ»ΠΈΡΡΠ΅ΠΌΠΎΠ³ΠΎ ΡΡΡΠ΅ΡΡΠΎΡΠ° (Π½Π΅ΠΈΠ·Π±Π΅ΠΆΠ½ΡΠΉ ΡΠ΄Π°Ρ Ρ Π²ΠΎΡΡΠΎΠΌ; IS), Π΄Π»Ρ ΠΏΡΠ΅Π΄ΠΎΡΠ²ΡΠ°ΡΠ΅Π½ΠΈΡ ΡΡΠ΅Π²ΠΎΠΆΠ½ΠΎΠ³ΠΎ ΠΏΠΎΠ²Π΅Π΄Π΅Π½ΠΈΡ, ΠΈΠ·ΠΌΠ΅ΡΠ΅Π½Π½ΠΎΠ³ΠΎ Π²ΠΎ Π²ΡΠ΅ΠΌΡ ΡΠΎΡΠΈΠ°Π»ΡΠ½ΠΎΠ³ΠΎ ΠΈΡΡΠ»Π΅Π΄ΠΎΠ²Π°Π½ΠΈΡ ΠΏΠΎΠ΄ΡΠΎΡΡΠΊΠΎΠ² (JSE) ΡΠ΅ΡΠ΅Π· 24 ΡΠ°ΡΠ°, Π°Π½Π°Π»ΠΎΠ³ΠΈΡΠ½ΠΎ ΡΠΎΠΌΡ, ΠΊΠ°ΠΊ ΡΡΠΎ Π½Π°Π±Π»ΡΠ΄Π°Π΅ΡΡΡ Ρ ΡΠ°ΠΌΡΠΎΠ² ΠΊΡΡΡ ( Amat et al., 2016). IS-ΠΈΠ½Π΄ΡΡΠΈΡΠΎΠ²Π°Π½Π½ΡΠ΅ ΠΈΠ·ΠΌΠ΅Π½Π΅Π½ΠΈΡ ΠΏΠΎΠ²Π΅Π΄Π΅Π½ΠΈΡ ΡΠ°ΡΡΠΈΡΠ½ΠΎ ΠΎΠΏΠΎΡΡΠ΅Π΄ΡΡΡΡΡ Π°ΠΊΡΠΈΠ²Π°ΡΠΈΠ΅ΠΉ ΡΠ΅ΡΠΎΡΠΎΠ½ΠΈΠ½Π΅ΡΠ³ΠΈΡΠ΅ΡΠΊΠΈΡ (5-HT) Π½Π΅ΠΉΡΠΎΠ½ΠΎΠ² Π² ΡΠ΄ΡΠ΅ Π΄ΠΎΡΡΠ°Π»ΡΠ½ΠΎΠ³ΠΎ ΡΠ²Π° (DRN; Maier and Watkins, 2005). Π ΡΠ°ΡΡΠ½ΠΎΡΡΠΈ, IS Π°ΠΊΡΠΈΠ²ΠΈΡΡΠ΅Ρ 5-HT Π½Π΅ΠΉΡΠΎΠ½Ρ Π² ΡΡΠ΅Π΄Π½Π΅ΠΉ ΠΈ ΠΊΠ°ΡΠ΄Π°Π»ΡΠ½ΠΎΠΉ DRN (Grahn et al., 1999), ΡΡΠΎ ΠΏΡΠΈΠ²ΠΎΠ΄ΠΈΡ ΠΊ Π²ΡΡΠ²ΠΎΠ±ΠΎΠΆΠ΄Π΅Π½ΠΈΡ 5-HT Π² ΠΎΠ±Π»Π°ΡΡΡΡ ΠΏΡΠΎΠ΅ΠΊΡΠΈΠΈ, ΠΊΠΎΡΠΎΡΡΠ΅ ΡΠ²Π»ΡΡΡΡΡ ΠΏΡΠΎΠΊΡΠΈΠΌΠ°Π»ΡΠ½ΡΠΌΠΈ ΠΌΠ΅Π΄ΠΈΠ°ΡΠΎΡΠ°ΠΌΠΈ Π²ΡΠ·Π²Π°Π½Π½ΡΡ ΡΡΡΠ΅ΡΡΠΎΠΌ ΠΏΠΎΠ²Π΅Π΄Π΅Π½ΡΠ΅ΡΠΊΠΈΡ ΠΈΠ·ΠΌΠ΅Π½Π΅Π½ΠΈΠΉ, ΡΠ°ΠΊΠΈΡ ΠΊΠ°ΠΊ Π±Π°Π·ΠΎΠ»Π°ΡΠ΅ΡΠ°Π»ΡΠ½Π°Ρ ΠΌΠΈΠ½Π΄Π°Π»ΠΈΠ½Π° (BLA; Amat et al., 1998; Christianson et al., 2010; Dolzani et al., 2016). ΠΠ΅ΠΉΡΡΠ²ΠΈΡΠ΅Π»ΡΠ½ΠΎ, Π±Π»ΠΎΠΊΠ°Π΄Π° ΡΠ΅ΡΠ΅ΠΏΡΠΎΡΠΎΠ² 5-HT2C Π² BLA ΡΡΡΡΠ°Π½ΡΠ΅Ρ ΡΠ½ΠΈΠΆΠ΅Π½ΠΈΠ΅ JSE, Π²ΡΠ·Π²Π°Π½Π½ΠΎΠ΅ ΠΏΡΠ΅Π΄ΡΠ΅ΡΡΠ²ΡΡΡΠΈΠΌ IS (Christianson et al., 2010). ΠΠΎΡΡΠΎΠΌΡ ΠΌΡ ΠΈΡΡΠ»Π΅Π΄ΠΎΠ²Π°Π»ΠΈ Π²Π»ΠΈΡΠ½ΠΈΠ΅ ΠΊΠ΅ΡΠ°ΠΌΠΈΠ½Π° Π½Π° IS-ΠΈΠ½Π΄ΡΡΠΈΡΠΎΠ²Π°Π½Π½ΡΡ Π°ΠΊΡΠΈΠ²Π°ΡΠΈΡ Fos Π² DRN 5-HT Π½Π΅ΠΉΡΠΎΠ½Π°Ρ , ΡΡΠΎΠ±Ρ ΠΎΠΏΡΠ΅Π΄Π΅Π»ΠΈΡΡ, ΡΠ½ΠΈΠΆΠ°Π΅Ρ Π»ΠΈ ΠΊΠ΅ΡΠ°ΠΌΠΈΠ½ IS-ΠΈΠ½Π΄ΡΡΠΈΡΠΎΠ²Π°Π½Π½ΡΡ Π°ΠΊΡΠΈΠ²Π°ΡΠΈΡ DRN (Amat et al., 2016). ΠΠ»Π°ΡΡΠΈΡΠ΅ΡΠΊΠΈΠ΅ ΠΈΠ·ΠΌΠ΅Π½Π΅Π½ΠΈΡ Π² ΠΏΡΠ΅Π»ΠΈΠΌΠ±ΠΈΡΠ΅ΡΠΊΠΎΠΉ ΠΎΠ±Π»Π°ΡΡΠΈ (PL) ΠΌΠ΅Π΄ΠΈΠ°Π»ΡΠ½ΠΎΠΉ ΠΏΡΠ΅ΡΡΠΎΠ½ΡΠ°Π»ΡΠ½ΠΎΠΉ ΠΊΠΎΡΡ (mPFC), ΠΌΠΎΡΠ½ΠΎΠΌ ΡΠ΅Π³ΡΠ»ΡΡΠΎΡΠ΅ Π°ΠΊΡΠΈΠ²Π½ΠΎΡΡΠΈ DRN (ΡΠΌ. ΠΠ±Π·ΠΎΡ Π² Maier and Watkins, 2010), ΠΈΠΌΠ΅ΡΡ ΡΠ΅ΡΠ°ΡΡΠ΅Π΅ Π·Π½Π°ΡΠ΅Π½ΠΈΠ΅ Π΄Π»Ρ Π±ΡΡΠ΅ΡΠ½ΠΎΠ³ΠΎ ΡΡΡΠ΅ΠΊΡΠ° ΠΊΠ΅ΡΠ°ΠΌΠΈΠ½Π° (Li et al. ., 2010; Lepack et al., 2016; ΠΎΠ±Π·ΠΎΡ ΡΠΌ. Π Duman, Krystal, 2016). Π’Π°ΠΊΠΈΠΌ ΠΎΠ±ΡΠ°Π·ΠΎΠΌ, ΠΌΡ ΠΈΡΡΠ»Π΅Π΄ΠΎΠ²Π°Π»ΠΈ, ΠΈΠ·ΠΌΠ΅Π½ΡΠ΅Ρ Π»ΠΈ ΠΊΠ΅ΡΠ°ΠΌΠΈΠ½ Π½Π΅ΠΉΡΠΎΠ½Π½ΡΠ΅ Π°Π½ΡΠ°ΠΌΠ±Π»ΠΈ PL, ΡΠ°ΠΊ ΡΡΠΎ Π±ΠΎΠ»Π΅Π΅ ΠΏΠΎΠ·Π΄Π½ΠΈΠΉ IS ΡΠ΅ΠΏΠ΅ΡΡ Π°ΠΊΡΠΈΠ²ΠΈΡΡΠ΅Ρ ΡΠ΅ ΠΆΠ΅ ΡΠ°ΠΌΡΠ΅ Π°Π½ΡΠ°ΠΌΠ±Π»ΠΈ.ΠΠ°ΠΊΠΎΠ½Π΅Ρ, ΠΌΡ ΠΈΡΡΠ»Π΅Π΄ΠΎΠ²Π°Π»ΠΈ, Π°ΠΊΡΠΈΠ²ΠΈΡΡΠ΅Ρ Π»ΠΈ ΠΊΠ΅ΡΠ°ΠΌΠΈΠ½ Π½Π°ΠΏΡΡΠΌΡΡ ΠΏΡΡΡ PL-DRN, ΠΈ Π΅ΡΠ»ΠΈ Π΄Π°, ΡΠΎ ΡΠ²Π»ΡΠ΅ΡΡΡ Π»ΠΈ Π°ΠΊΡΠΈΠ²Π°ΡΠΈΡ ΠΏΡΡΠΈ PL-DRN ΠΊΡΠΈΡΠΈΡΠ΅ΡΠΊΠΎΠΉ Π΄Π»Ρ Π·Π°ΡΠΈΡΠ½ΡΡ ΡΡΡΠ΅ΠΊΡΠΎΠ² ΠΊΠ΅ΡΠ°ΠΌΠΈΠ½Π° Π²ΠΎ Π²ΡΠ΅ΠΌΡ Π±ΠΎΠ»Π΅Π΅ ΠΏΠΎΠ·Π΄Π½Π΅Π³ΠΎ ΠΠ.
ΠΠ°ΡΠ΅ΡΠΈΠ°Π»Ρ ΠΈ ΠΌΠ΅ΡΠΎΠ΄Ρ
Π‘Ρ Π΅ΠΌΠ° ΡΠΊΡΠΏΠ΅ΡΠΈΠΌΠ΅Π½ΡΠ°
ΠΠ΅ΡΠ²Π°Ρ ΡΠ΅ΡΠΈΡ ΡΠΊΡΠΏΠ΅ΡΠΈΠΌΠ΅Π½ΡΠΎΠ² ΠΏΡΠΎΠ²Π΅ΡΡΠ»Π°, ΠΌΠΎΠΆΠ΅Ρ Π»ΠΈ ΠΎΠ΄Π½ΠΎΠΊΡΠ°ΡΠ½Π°Ρ Π΄ΠΎΠ·Π° ΠΊΠ΅ΡΠ°ΠΌΠΈΠ½Π° ΡΠΌΡΠ³ΡΠΈΡΡ ΠΏΠΎΠ²Π΅Π΄Π΅Π½ΡΠ΅ΡΠΊΠΈΠ΅ ΠΈ Π½Π΅ΠΉΡΠΎΡ ΠΈΠΌΠΈΡΠ΅ΡΠΊΠΈΠ΅ ΡΡΡΠ΅ΠΊΡΡ ΠΠ. Π’Π°ΠΊΠΈΠΌ ΠΎΠ±ΡΠ°Π·ΠΎΠΌ, Π½ΠΈΠ·ΠΊΠΈΠ΅ Π΄ΠΎΠ·Ρ ΠΊΠ΅ΡΠ°ΠΌΠΈΠ½Π° (10 ΠΌΠ³ / ΠΊΠ³, Π²Π½ΡΡΡΠΈΠ±ΡΡΡΠΈΠ½Π½ΠΎ), Π·Π°ΡΠΈΡΠ°ΡΡΠΈΠ΅ ΠΎΡ ΡΡΡΠ΅ΡΡΠ° Ρ ΡΠ°ΠΌΡΠΎΠ² ΠΊΡΡΡ (Li et al., 2010; Amat et al., 2016) Π²Π²ΠΎΠ΄ΠΈΠ»ΠΈ ΡΠ°ΠΌΠΊΠ°ΠΌ ΠΊΡΡΡ Π·Π° ΠΎΠ΄Π½Ρ Π½Π΅Π΄Π΅Π»Ρ (7 Π΄Π½Π΅ΠΉ) Π΄ΠΎ Π»Π΅ΡΠ΅Π½ΠΈΡ IS ΠΈΠ»ΠΈ HC. ΠΡΠ΄Π΅Π»ΡΠ½ΡΠ΅ Π³ΡΡΠΏΠΏΡ ΠΊΡΡΡ ΠΏΠΎΠ»ΡΡΠ°Π»ΠΈ ΠΊΠ΅ΡΠ°ΠΌΠΈΠ½ Π² Π²ΡΡΠΎΠΊΠΈΡ Π΄ΠΎΠ·Π°Ρ (40 ΠΌΠ³ / ΠΊΠ³, Π²Π½ΡΡΡΠΈΠ±ΡΡΡΠΈΠ½Π½ΠΎ), Π½Π΅ Π²Π»ΠΈΡΡΡΠΈΠΉ Π½Π° ΡΡΡΠΎΠΉΡΠΈΠ²ΠΎΡΡΡ ΠΊ ΡΡΡΠ΅ΡΡΡ (Chowdhury et al., 2017), ΠΈΠ»ΠΈ ΡΠΈΠ·ΠΈΠΎΠ»ΠΎΠ³ΠΈΡΠ΅ΡΠΊΠΈΠΉ ΡΠ°ΡΡΠ²ΠΎΡ. Π’ΡΠ΅Π²ΠΎΠΆΠ½ΠΎΠ΅ ΠΏΠΎΠ²Π΅Π΄Π΅Π½ΠΈΠ΅ ΠΎΡΠ΅Π½ΠΈΠ²Π°Π»ΠΈ Π²ΠΎ Π²ΡΠ΅ΠΌΡ ΡΠ΅ΡΡΠ° JSE ΡΠ΅ΡΠ΅Π· 24 ΡΠ°ΡΠ° ΠΏΠΎΡΠ»Π΅ Π²ΠΎΠ·Π΄Π΅ΠΉΡΡΠ²ΠΈΡ ΡΡΡΠ΅ΡΡΠΎΡΠ°. Π’Π°ΠΊΠΈΠΌ ΠΎΠ±ΡΠ°Π·ΠΎΠΌ, ΡΠΊΡΠΏΠ΅ΡΠΈΠΌΠ΅Π½Ρ ΠΏΡΠ΅Π΄ΡΡΠ°Π²Π»ΡΠ» ΡΠΎΠ±ΠΎΠΉ ΡΠ°ΠΊΡΠΎΡΠ½ΡΠΉ ΠΏΠ»Π°Π½ 2 (ΡΡΡΠ΅ΡΡ) Γ 3 (Π»Π΅ΠΊΠ°ΡΡΡΠ²ΠΎ). ΠΠ»Ρ ΡΡΠ°ΡΠΈΡΡΠΈΡΠ΅ΡΠΊΠΎΠ³ΠΎ Π°Π½Π°Π»ΠΈΠ·Π° ΠΈΡΠΏΠΎΠ»ΡΠ·ΠΎΠ²Π°Π»ΠΈ Π΄Π²ΡΡΡΠΎΡΠΎΠ½Π½ΠΈΠΉ Π΄ΠΈΡΠΏΠ΅ΡΡΠΈΠΎΠ½Π½ΡΠΉ Π°Π½Π°Π»ΠΈΠ·. ΠΡΠ΅Π΄ΡΠ΄ΡΡΠ°Ρ ΡΠ°Π±ΠΎΡΠ°, Π²ΡΠΏΠΎΠ»Π½Π΅Π½Π½Π°Ρ Ρ ΠΈΡΠΏΠΎΠ»ΡΠ·ΠΎΠ²Π°Π½ΠΈΠ΅ΠΌ Π°Π½Π°Π»ΠΎΠ³ΠΈΡΠ½ΡΡ ΠΏΠ°ΡΠ°ΠΌΠ΅ΡΡΠΎΠ² (Dolzani et al., 2016) ΠΏΠΎΠΊΠ°Π·ΡΠ²Π°Π΅Ρ, ΡΡΠΎ n = 9β12 / Π³ΡΡΠΏΠΏΠ° Π΄ΠΎΡΡΠ°ΡΠΎΡΠ½ΠΎ Π΄Π»Ρ Π΄ΠΎΡΡΠΈΠΆΠ΅Π½ΠΈΡ ΡΡΠ°ΡΠΈΡΡΠΈΡΠ΅ΡΠΊΠΎΠΉ Π·Π½Π°ΡΠΈΠΌΠΎΡΡΠΈ ΠΌΠ΅ΠΆΠ΄Ρ Π³ΡΡΠΏΠΏΠ°ΠΌΠΈ. Π’ΡΠΈ ΠΊΡΡΡΡ ΡΡΠΈΡΠ°Π»ΠΈΡΡ ΡΡΠ°ΡΠΈΡΡΠΈΡΠ΅ΡΠΊΠΈ Π²ΡΠΏΠ°Π΄Π°ΡΡΠΈΠΌΠΈ (> 2,5 SD ΠΎΡ ΡΡΠ΅Π΄Π½Π΅Π³ΠΎ) ΠΈ Π±ΡΠ»ΠΈ ΠΈΡΠΊΠ»ΡΡΠ΅Π½Ρ ΠΈΠ· ΡΡΠ°ΡΠΈΡΡΠΈΡΠ΅ΡΠΊΠΎΠ³ΠΎ Π°Π½Π°Π»ΠΈΠ·Π°. ΠΠ΅ΡΠΈΠΎΠ΄ Π²ΡΠ΅ΠΌΠ΅Π½ΠΈ Π² ΠΎΠ΄Π½Ρ Π½Π΅Π΄Π΅Π»Ρ Π±ΡΠ» Π²ΡΠ±ΡΠ°Π½, ΡΡΠΎΠ±Ρ ΠΎΡΠ΄Π΅Π»ΠΈΡΡ Π΄ΠΎΠ»Π³ΠΎΡΡΠΎΡΠ½ΡΠ΅ Π±ΡΡΠ΅ΡΠ½ΡΠ΅ ΡΡΡΠ΅ΠΊΡΡ ΠΊΠ΅ΡΠ°ΠΌΠΈΠ½Π° ΠΎΡ ΡΡΡΠ΅ΡΡΠ° ΠΎΡ ΠΏΠΎΡΠ΅Π½ΡΠΈΠ°Π»ΡΠ½ΡΡ ΠΎΡΡΡΡΡ ΡΡΡΠ΅ΠΊΡΠΎΠ², ΠΊΠΎΡΠΎΡΡΠ΅ Π½Π΅ ΡΠ²Π»ΡΡΡΡΡ ΠΏΡΠ΅Π΄ΠΌΠ΅ΡΠΎΠΌ Π²Π½ΠΈΠΌΠ°Π½ΠΈΡ Π½Π°ΡΡΠΎΡΡΠ΅ΠΉ ΡΠ°Π±ΠΎΡΡ. ΠΡΠΎΠΌΠ΅ ΡΠΎΠ³ΠΎ, ΠΏΡΠ΅Π΄ΡΠ΄ΡΡΠ°Ρ ΡΠ°Π±ΠΎΡΠ° Π½Π°ΡΠ΅ΠΉ Π»Π°Π±ΠΎΡΠ°ΡΠΎΡΠΈΠΈ Π΄Π΅ΠΌΠΎΠ½ΡΡΡΠΈΡΡΠ΅Ρ, ΡΡΠΎ ΠΊΠ΅ΡΠ°ΠΌΠΈΠ½, Π²Π²Π΅Π΄Π΅Π½Π½ΡΠΉ Π·Π° ΠΎΠ΄Π½Ρ Π½Π΅Π΄Π΅Π»Ρ Π΄ΠΎ IS Ρ ΡΠ°ΠΌΡΠΎΠ² ΠΊΡΡΡ, Π·Π°ΡΠΈΡΠ°Π΅Ρ ΠΎΡ ΡΠΈΠΏΠΈΡΠ½ΡΡ ΡΡΡΠ΅ΠΊΡΠΎΠ² ΡΡΡΠ΅ΡΡΠΎΡΠ° (Amat et al., 2016). ΠΠΊΡΠΈΠ²Π°ΡΠΈΡ DRN 5-HT ΠΎΡΠ΅Π½ΠΈΠ²Π°Π»ΠΈ Π² ΠΎΡΠ΄Π΅Π»ΡΠ½ΠΎΠΉ Π³ΡΡΠΏΠΏΠ΅ ΠΊΡΡΡ Ρ ΠΈΡΠΏΠΎΠ»ΡΠ·ΠΎΠ²Π°Π½ΠΈΠ΅ΠΌ ΠΈΠΌΠΌΡΠ½ΠΎΠ³ΠΈΡΡΠΎΡ ΠΈΠΌΠΈΠΈ Ρ Π΄Π²ΠΎΠΉΠ½ΠΎΠΉ ΠΌΠ΅ΡΠΊΠΎΠΉ (IHC), ΡΡΠΎΠ±Ρ ΠΎΠΏΡΠ΅Π΄Π΅Π»ΠΈΡΡ, ΡΠ½ΠΈΠΆΠ°Π΅Ρ Π»ΠΈ ΠΊΠ΅ΡΠ°ΠΌΠΈΠ½ ΠΎΠ±ΡΡΡ ΡΡΡΠ΅ΡΡ-ΠΈΠ½Π΄ΡΡΠΈΡΠΎΠ²Π°Π½Π½ΡΡ ΡΠΊΡΠΏΡΠ΅ΡΡΠΈΡ Fos Π² DRN ΠΈ ΠΏΡΠΎΠΈΡΡ ΠΎΠ΄ΠΈΡ Π»ΠΈ ΡΡΠΎ ΡΠ½ΠΈΠΆΠ΅Π½ΠΈΠ΅ Π² Π½Π΅ΠΉΡΠΎΠ½Π°Ρ 5-HT Π² DRN. ΠΠΊΡΠΏΡΠ΅ΡΡΠΈΡ Fos ΠΈ 5-HT ΠΈΡΡΠ»Π΅Π΄ΠΎΠ²Π°Π»ΠΈ Π² ΡΠΎΡΡΡΠ°Π»ΡΠ½ΠΎΠΉ, ΡΡΠ΅Π΄Π½Π΅ΠΉ ΠΈ ΠΊΠ°ΡΠ΄Π°Π»ΡΠ½ΠΎΠΉ DRN. Π’Π°ΠΊΠΈΠΌ ΠΎΠ±ΡΠ°Π·ΠΎΠΌ, ΡΠΊΡΠΏΠ΅ΡΠΈΠΌΠ΅Π½Ρ ΠΏΡΠ΅Π΄ΡΡΠ°Π²Π»ΡΠ» ΡΠΎΠ±ΠΎΠΉ ΡΠ°ΠΊΡΠΎΡΠ½ΡΠΉ ΠΏΠ»Π°Π½ 2 (ΡΡΡΠ΅ΡΡ) Γ 2 (Π»Π΅ΠΊΠ°ΡΡΡΠ²ΠΎ). ΠΠ²ΡΡΡΠΎΡΠΎΠ½Π½ΠΈΠΉ Π΄ΠΈΡΠΏΠ΅ΡΡΠΈΠΎΠ½Π½ΡΠΉ Π°Π½Π°Π»ΠΈΠ· ΠΈΡΠΏΠΎΠ»ΡΠ·ΠΎΠ²Π°Π»ΠΈ Π΄Π»Ρ ΠΎΡΠ΄Π΅Π»ΡΠ½ΠΎΠ³ΠΎ Π°Π½Π°Π»ΠΈΠ·Π° ΠΎΠ±ΡΠ΅Π³ΠΎ ΠΊΠΎΠ»ΠΈΡΠ΅ΡΡΠ²Π° 5-HT + ΠΊΠ»Π΅ΡΠΎΠΊ, ΠΎΠ±ΡΠ΅Π³ΠΎ Fos + ΠΈ ΠΏΡΠΎΡΠ΅Π½ΡΠ° 5-HT + ΠΊΠ»Π΅ΡΠΎΠΊ, ΠΊΠΎΡΠΎΡΡΠ΅ ΡΠ°ΠΊΠΆΠ΅ Π±ΡΠ»ΠΈ Fos +, ΠΌΠ΅ΠΆΠ΄Ρ Π²ΡΠ΅ΠΌΠΈ Π²ΠΎΠ·ΠΌΠΎΠΆΠ½ΡΠΌΠΈ Π³ΡΡΠΏΠΏΠ°ΠΌΠΈ.ΠΡΠ΅Π΄ΡΠ΄ΡΡΠ°Ρ ΡΠ°Π±ΠΎΡΠ° Π½Π°ΡΠ΅ΠΉ Π»Π°Π±ΠΎΡΠ°ΡΠΎΡΠΈΠΈ (Dolzani et al., 2016) Π΄Π΅ΠΌΠΎΠ½ΡΡΡΠΈΡΡΠ΅Ρ, ΡΡΠΎ n = 10β12 / Π³ΡΡΠΏΠΏΠ° (Π΄Π²Π° ΡΡΠ΅Π·Π° ΠΌΠΎΠ·Π³Π° Π½Π° ΠΊΡΡΡΡ) Π΄ΠΎΡΡΠ°ΡΠΎΡΠ½ΠΎ Π΄Π»Ρ ΠΎΠ±Π½Π°ΡΡΠΆΠ΅Π½ΠΈΡ ΡΡΠ°ΡΠΈΡΡΠΈΡΠ΅ΡΠΊΠΈΡ ΡΠ°Π·Π»ΠΈΡΠΈΠΉ Π² ΠΈΠΌΠΌΡΠ½ΠΎΠ³ΠΈΡΡΠΎΡ ΠΈΠΌΠΈΡΠ΅ΡΠΊΠΎΠΉ ΠΌΠ°ΡΠΊΠΈΡΠΎΠ²ΠΊΠ΅ ΠΌΠ΅ΠΆΠ΄Ρ Π³ΡΡΠΏΠΏΠ°ΠΌΠΈ. Π§Π΅ΡΡΡΠ΅ ΠΊΡΡΡΡ ΡΡΠΈΡΠ°Π»ΠΈΡΡ ΡΡΠ°ΡΠΈΡΡΠΈΡΠ΅ΡΠΊΠΈ Π²ΡΠΏΠ°Π΄Π°ΡΡΠΈΠΌΠΈ (> 2,5 SD ΠΎΡ ΡΡΠ΅Π΄Π½Π΅Π³ΠΎ ΠΏΠΎ Π³ΡΡΠΏΠΏΠ΅ Π΄Π»Ρ ΠΊΠΎΠ»ΠΈΡΠ΅ΡΡΠ²Π° ΠΊΠ»Π΅ΡΠΎΠΊ ΠΈΠ»ΠΈ Π½Π΅Π΄ΠΎΡΡΠ°ΡΠΎΡΠ½ΠΎΠ³ΠΎ ΠΎΠΊΡΠ°ΡΠΈΠ²Π°Π½ΠΈΡ Π΄Π»Ρ ΠΎΠ±Π½Π°ΡΡΠΆΠ΅Π½ΠΈΡ) ΠΈ Π±ΡΠ»ΠΈ ΠΈΡΠΊΠ»ΡΡΠ΅Π½Ρ ΠΈΠ· Π°Π½Π°Π»ΠΈΠ·Π°.
ΠΠ»Π°Π²Π½ΡΠΉ ΠΈΡΡΠΎΡΠ½ΠΈΠΊ ΠΈΠ½Π³ΠΈΠ±ΠΈΡΡΡΡΠ΅Π³ΠΎ ΠΊΠΎΠ½ΡΡΠΎΠ»Ρ Π½Π°Π΄ Π½Π΅ΠΉΡΠΎΠ½Π°ΠΌΠΈ DRN 5-HT ΠΏΡΠΎΠΈΡΡ ΠΎΠ΄ΠΈΡ ΠΎΡ Π½ΠΈΡΡ ΠΎΠ΄ΡΡΠΈΡ Π³Π»ΡΡΠ°ΠΌΠ°ΡΠ΅ΡΠ³ΠΈΡΠ΅ΡΠΊΠΈΡ ΠΏΠΈΡΠ°ΠΌΠΈΠ΄Π½ΡΡ Π½Π΅ΠΉΡΠΎΠ½ΠΎΠ² PL, ΠΊΠΎΡΠΎΡΡΠ΅ ΡΠΈΠ½Π°ΠΏΡΠΈΡΡΡΡΡΡ ΠΏΡΠ΅ΠΈΠΌΡΡΠ΅ΡΡΠ²Π΅Π½Π½ΠΎ Π½Π° ΠΈΠ½ΡΠ΅ΡΠ½Π΅ΠΉΡΠΎΠ½Π°Ρ GABA Π² DRN (Jankowski and Sesack, 2004).ΠΠ½ΡΠ΅ΡΠ΅ΡΠ½ΠΎ, ΡΡΠΎ ΠΏΠΎΠ²Π΅Π΄Π΅Π½ΡΠ΅ΡΠΊΠΈΠΉ ΠΊΠΎΠ½ΡΡΠΎΠ»Ρ ΠΏΡΠΈΡΡΠΏΠ»ΡΠ΅Ρ Π²ΠΎΠ·Π΄Π΅ΠΉΡΡΠ²ΠΈΠ΅ ΡΡΡΠ΅ΡΡΠΎΡΠ°, Π°ΠΊΡΠΈΠ²ΠΈΡΡΡ ΡΡΠΎΡ ΡΠΎΡΠΌΠΎΠ·Π½ΠΎΠΉ ΠΏΡΡΡ (Amat et al., 2005; Baratta et al., 2009). ΠΠΎΠ»Π΅Π΅ ΡΠΎΠ³ΠΎ, ΠΎΠΏΡΡ ΠΊΠΎΠ½ΡΡΠΎΠ»Ρ ΡΠ°ΠΊΠΆΠ΅ ΠΈΠΌΠ΅Π΅Ρ ΠΏΡΠΎΡΠΈΠ»Π°ΠΊΡΠΈΡΠ΅ΡΠΊΠΈΠΉ ΡΡΡΠ΅ΠΊΡ, ΠΏΠΎΡΠΊΠΎΠ»ΡΠΊΡ ΠΎΠ½ Π±Π»ΠΎΠΊΠΈΡΡΠ΅Ρ ΠΏΠΎΠ²Π΅Π΄Π΅Π½ΡΠ΅ΡΠΊΠΈΠ΅ ΡΡΡΠ΅ΠΊΡΡ Π±ΠΎΠ»Π΅Π΅ ΠΏΠΎΠ·Π΄Π½ΠΈΡ Π½Π΅ΠΊΠΎΠ½ΡΡΠΎΠ»ΠΈΡΡΠ΅ΠΌΡΡ ΡΡΡΠ΅ΡΡΠΎΡΠΎΠ², ΡΠ°ΠΊΠΈΡ ΠΊΠ°ΠΊ IS (Amat et al., 2006) ΠΈ ΡΠΎΡΠΈΠ°Π»ΡΠ½ΠΎΠ΅ ΠΏΠΎΡΠ°ΠΆΠ΅Π½ΠΈΠ΅ (Amat et al., 2010). ΠΠΎΡΠ»Π΅ ΠΏΡΠ΅Π΄ΡΠ΄ΡΡΠ΅Π³ΠΎ ΠΎΠΏΡΡΠ° ΠΊΠΎΠ½ΡΡΠΎΠ»Ρ Π½Π΅ΠΊΠΎΠ½ΡΡΠΎΠ»ΠΈΡΡΠ΅ΠΌΡΠΉ ΡΡΡΠ΅ΡΡΠΎΡ ΡΠ΅ΠΏΠ΅ΡΡ Π½Π΅ Π°ΠΊΡΠΈΠ²ΠΈΡΡΠ΅Ρ DRN 5-HT Π½Π΅ΠΉΡΠΎΠ½Ρ (Baratta et al., 2009). ΠΡΠΎ ΠΏΡΠΎΠΈΡΡ ΠΎΠ΄ΠΈΡ ΠΏΠΎΡΠΎΠΌΡ, ΡΡΠΎ ΠΎΠΏΡΡ ΠΊΠΎΠ½ΡΡΠΎΠ»Ρ ΠΈΠ·ΠΌΠ΅Π½ΡΠ΅Ρ ΠΏΡΡΡ PL-DRN, ΡΠ°ΠΊ ΡΡΠΎ ΡΠ΅ΠΏΠ΅ΡΡ ΠΎΠ½ Π°ΠΊΡΠΈΠ²ΠΈΡΡΠ΅ΡΡΡ Π΄Π°ΠΆΠ΅ Π½Π΅ΠΊΠΎΠ½ΡΡΠΎΠ»ΠΈΡΡΠ΅ΠΌΡΠΌΠΈ ΡΡΡΠ΅ΡΡΠΎΡΠ°ΠΌΠΈ, ΡΠ°ΠΊΠΈΠΌΠΈ ΠΊΠ°ΠΊ IS (Baratta et al., 2009). Π’Π°ΠΊΠΈΠΌ ΠΎΠ±ΡΠ°Π·ΠΎΠΌ, Π²ΡΠΎΡΠ°Ρ ΡΠ΅ΡΠΈΡ ΡΠΊΡΠΏΠ΅ΡΠΈΠΌΠ΅Π½ΡΠΎΠ² Π±ΡΠ»Π° Π½Π°ΠΏΡΠ°Π²Π»Π΅Π½Π° ββΠ½Π° ΡΠΎ, ΡΡΠΎΠ±Ρ ΠΎΠΏΡΠ΅Π΄Π΅Π»ΠΈΡΡ, ΠΌΠΎΠΆΠ΅Ρ Π»ΠΈ ΠΊΠ΅ΡΠ°ΠΌΠΈΠ½ Π·Π°Π΄Π΅ΠΉΡΡΠ²ΠΎΠ²Π°ΡΡ ΡΠ΅ ΠΆΠ΅ ΠΌΠ΅Ρ Π°Π½ΠΈΠ·ΠΌΡ, ΡΡΠΎ ΠΈ ΠΏΠΎΠ²Π΅Π΄Π΅Π½ΡΠ΅ΡΠΊΠΈΠΉ ΠΊΠΎΠ½ΡΡΠΎΠ»Ρ, ΠΈ ΠΈΠ·ΠΌΠ΅Π½ΡΡΡ Π½Π΅ΠΉΡΠΎΠ½Ρ PL, ΡΠ°ΠΊ ΡΡΠΎ Π±ΠΎΠ»Π΅Π΅ ΠΏΠΎΠ·Π΄Π½ΠΈΠΉ IS ΡΠ΅ΠΏΠ΅ΡΡ Π°ΠΊΡΠΈΠ²ΠΈΡΡΠ΅Ρ PL. ΠΡ ΠΈΡΠΏΠΎΠ»ΡΠ·ΠΎΠ²Π°Π»ΠΈ Π½Π΅Π΄Π°Π²Π½ΠΎ ΡΠ°Π·ΡΠ°Π±ΠΎΡΠ°Π½Π½ΡΡ ΠΏΠ»Π°ΡΡΠΎΡΠΌΡ Robust Activity Marker (RAM) Π΄Π»Ρ Π½Π΅ΠΌΠ΅Π΄Π»Π΅Π½Π½ΠΎΠ³ΠΎ ΡΠ°Π½Π½Π΅Π³ΠΎ Π³Π΅Π½Π° (IEG), ΡΡΠΎΠ±Ρ ΠΈΡΡΠ»Π΅Π΄ΠΎΠ²Π°ΡΡ Π½Π΅ΠΉΡΠΎΠ½Π½ΡΡ Π°ΠΊΡΠΈΠ²Π½ΠΎΡΡΡ Π² Π΄Π²ΡΡ Π²ΡΠ΅ΠΌΠ΅Π½Π½ΡΡ ΡΠΎΡΠΊΠ°Ρ : Π²ΡΠ΅ΠΌΡ ΠΏΠ΅ΡΠ²ΠΎΠ½Π°ΡΠ°Π»ΡΠ½ΠΎΠΉ ΠΈΠ½ΡΠ΅ΠΊΡΠΈΠΈ ΠΊΠ΅ΡΠ°ΠΌΠΈΠ½Π° (Π²ΡΠ΅ΠΌΡ 1) ΠΈ Π²ΡΠ΅ΠΌΡ Π±ΠΎΠ»Π΅Π΅ ΠΏΠΎΠ·Π΄Π½Π΅Π³ΠΎ IS (Π²ΡΠ΅ΠΌΡ 2). RAM ΠΏΡΠ΅Π΄ΠΎΡΡΠ°Π²Π»ΡΠ΅Ρ ΡΡΠ΅Π΄ΡΡΠ²Π° Π΄Π»Ρ ΠΌΠ°ΡΠΊΠΈΡΠΎΠ²ΠΊΠΈ Π½Π΅ΠΉΡΠΎΠ½Π½ΡΡ Π°Π½ΡΠ°ΠΌΠ±Π»Π΅ΠΉ, Π°ΠΊΡΠΈΠ²ΠΈΡΠΎΠ²Π°Π½Π½ΡΡ ΠΊΠΎΠ½ΠΊΡΠ΅ΡΠ½ΡΠΌ Π²ΡΠ΅ΠΌΠ΅Π½Π½ΡΠΌ ΠΏΠ΅ΡΠ΅ΠΆΠΈΠ²Π°Π½ΠΈΠ΅ΠΌ ΠΈΠ»ΠΈ ΡΠΎΠ±ΡΡΠΈΠ΅ΠΌ (ΠΏΠΎΠ΄ΡΠΎΠ±Π½ΠΎΠ΅ ΠΎΠ±ΡΡΡΠ½Π΅Π½ΠΈΠ΅ ΡΠΌ. Π SΓΈrensen et al., 2016). Π ΡΠΎΡΠ΅ΡΠ°Π½ΠΈΠΈ Ρ ΠΏΠΎΡΠ»Π΅Π΄ΡΡΡΠ΅ΠΉ ΡΠ΅Ρ Π½ΠΈΠΊΠΎΠΉ ΠΌΠ°ΡΠΊΠΈΡΠΎΠ²ΠΊΠΈ IEG, ΡΠ°ΠΊΠΎΠΉ ΠΊΠ°ΠΊ IHC, RAM ΠΏΠΎΠ·Π²ΠΎΠ»ΡΠ΅Ρ Π·Π°ΠΏΡΠ°ΡΠΈΠ²Π°ΡΡ Π½Π΅ΠΉΡΠΎΠ½Π½ΡΡ Π°ΠΊΡΠΈΠ²Π½ΠΎΡΡΡ Π² Π½Π΅ΡΠΊΠΎΠ»ΡΠΊΠΈΡ Π²ΡΠ΅ΠΌΠ΅Π½Π½ΡΡ ΡΠΎΡΠΊΠ°Ρ . RAM ΠΈΡΠΏΠΎΠ»ΡΠ·ΡΠ΅Ρ ΡΠΈΠ½ΡΠ΅ΡΠΈΡΠ΅ΡΠΊΠΈΠΉ ΠΏΡΠΎΠΌΠΎΡΠΎΡ, Π·Π°Π²ΠΈΡΡΡΠΈΠΉ ΠΎΡ Π°ΠΊΡΠΈΠ²Π½ΠΎΡΡΠΈ (pRAM), ΠΊΠΎΡΠΎΡΡΠΉ ΡΠΏΡΠ°Π²Π»ΡΠ΅ΡΡΡ Π½Π΅ΠΉΡΠΎΠ½Π°Π»ΡΠ½ΠΎΠΉ ΡΠΏΠ΅ΡΠΈΡΠΈΡΠ΅ΡΠΊΠΎΠΉ Π°ΠΊΡΠΈΠ²Π½ΠΎΡΡΡΡ FOS ΠΈ NPAS4. ΠΠΊΡΠΈΠ²Π½ΠΎΡΡΡ pRAM ΡΠΏΡΠ°Π²Π»ΡΠ΅Ρ ΡΠΊΡΠΏΡΠ΅ΡΡΠΈΠ΅ΠΉ Π΄ΠΎΠΌΠ΅Π½Π° ΡΡΠ°Π½ΡΠ°ΠΊΡΠΈΠ²Π°ΡΠΎΡΠ° ΡΠ΅ΡΡΠ°ΡΠΈΠΊΠ»ΠΈΠ½Π° (tTA), ΠΊΠΎΡΠΎΡΡΠΉ ΡΠ²ΡΠ·ΡΠ²Π°Π΅ΡΡΡ Ρ ΡΠ»Π΅ΠΌΠ΅Π½ΡΠΎΠΌ ΠΎΡΠ²Π΅ΡΠ° Π½Π° ΡΠ΅ΡΡΠ°ΡΠΈΠΊΠ»ΠΈΠ½ (TRE) ΠΈ ΡΠΏΡΠ°Π²Π»ΡΠ΅Ρ ΡΠΊΡΠΏΡΠ΅ΡΡΠΈΠ΅ΠΉ ΡΡΡΠ΅ΠΊΡΠΎΡΠ½ΠΎΠ³ΠΎ Π³Π΅Π½Π° mKate2. ΠΡΠ΅ΠΌΠ΅Π½Π½ΠΎΠΉ ΠΊΠΎΠ½ΡΡΠΎΠ»Ρ Π½Π°Π΄ ΠΠΠ£ Π΄ΠΎΡΡΠΈΠ³Π°Π΅ΡΡΡ Ρ ΠΏΠΎΠΌΠΎΡΡΡ ΠΌΠΎΠ΄ΠΈΡΠΈΡΠΈΡΠΎΠ²Π°Π½Π½ΠΎΠΉ ΡΠΈΡΡΠ΅ΠΌΡ Tet-Off.Π‘Π²ΡΠ·ΡΠ²Π°Π½ΠΈΠ΅ tTA Ρ TRE ΠΈΠ½Π³ΠΈΠ±ΠΈΡΡΠ΅ΡΡΡ Π² ΠΏΡΠΈΡΡΡΡΡΠ²ΠΈΠΈ DOX (DOX +). Π ΠΎΡΡΡΡΡΡΠ²ΠΈΠ΅ DOX (DOX-) Π°ΠΊΡΠΈΠ²ΠΈΡΡΠ΅ΡΡΡ ΡΡΠ°Π½ΡΠΊΡΠΈΠΏΡΠΈΡ ΡΡΡΠ΅ΠΊΡΠΎΡΠ½ΠΎΠ³ΠΎ Π³Π΅Π½Π°. ΠΠΎΡΡΠΎΠΌΡ ΠΌΡ ΠΈΡΠΏΠΎΠ»ΡΠ·ΠΎΠ²Π°Π»ΠΈ RAM, ΡΡΠΎΠ±Ρ ΠΎΠΏΡΠ΅Π΄Π΅Π»ΠΈΡΡ, Π°ΠΊΡΠΈΠ²ΠΈΡΡΠ΅Ρ Π»ΠΈ ΠΊΠ΅ΡΠ°ΠΌΠΈΠ½ Π½Π΅ΠΉΡΠΎΠ½Ρ PL Π²ΠΎ Π²ΡΠ΅ΠΌΡ ΠΈΠ½ΡΠ΅ΠΊΡΠΈΠΈ (Π²ΡΠ΅ΠΌΡ 1) ΠΈ Π°ΠΊΡΠΈΠ²ΠΈΡΡΠ΅Ρ Π»ΠΈ Π±ΠΎΠ»Π΅Π΅ ΠΏΠΎΠ·Π΄Π½ΠΈΠΉ ΠΎΠΏΡΡ IS (Π²ΡΠ΅ΠΌΡ 2) ΡΠ΅ΠΏΠ΅ΡΡ ΡΠ΅ ΠΆΠ΅ ΠΈΠ»ΠΈ Π΄ΡΡΠ³ΠΈΠ΅ Π½Π΅ΠΉΡΠΎΠ½Π½ΡΠ΅ Π°Π½ΡΠ°ΠΌΠ±Π»ΠΈ, ΠΊΠ°ΠΊ ΠΈ ΠΏΡΠ΅Π΄ΡΠ΄ΡΡΠΈΠΉ ΠΊΠ΅ΡΠ°ΠΌΠΈΠ½. ΠΠ°ΠΆΠ½ΠΎ ΠΎΡΠΌΠ΅ΡΠΈΡΡ, ΡΡΠΎ ΠΊΠ΅ΡΠ°ΠΌΠΈΠ½ Π² Π½ΠΈΠ·ΠΊΠΈΡ ΠΈ Π²ΡΡΠΎΠΊΠΈΡ Π΄ΠΎΠ·Π°Ρ Π²Π²ΠΎΠ΄ΠΈΠ»ΠΈ ΠΎΡΠ΄Π΅Π»ΡΠ½ΡΠΌ Π³ΡΡΠΏΠΏΠ°ΠΌ ΠΊΡΡΡ, ΡΡΠΎΠ±Ρ ΠΎΠΏΡΠ΅Π΄Π΅Π»ΠΈΡΡ, ΡΠ²Π»ΡΠ΅ΡΡΡ Π»ΠΈ IS-ΠΈΠ½Π΄ΡΡΠΈΡΠΎΠ²Π°Π½Π½Π°Ρ Π°ΠΊΡΠΈΠ²Π°ΡΠΈΡ Π½Π΅ΡΠ²Π½ΡΡ Π°Π½ΡΠ°ΠΌΠ±Π»Π΅ΠΉ, ΡΠ°Π½Π΅Π΅ Π°ΠΊΡΠΈΠ²ΠΈΡΠΎΠ²Π°Π½Π½ΡΡ ΠΊΠ΅ΡΠ°ΠΌΠΈΠ½ΠΎΠΌ, ΡΠΏΠ΅ΡΠΈΡΠΈΡΠ΅ΡΠΊΠΎΠΉ Π΄Π»Ρ Π΄ΠΎΠ·Ρ ΠΊΠ΅ΡΠ°ΠΌΠΈΠ½Π°, ΠΊΠΎΡΠΎΡΠ°Ρ Π·Π°ΡΠΈΡΠ°Π΅Ρ ΠΎΡ ΠΏΠΎΠ²Π΅Π΄Π΅Π½ΡΠ΅ΡΠΊΠΈΡ ΠΈΡΡ ΠΎΠ΄ΠΎΠ² ΡΡΡΠ΅ΡΡΠ°.Π’Π°ΠΊΠΈΠΌ ΠΎΠ±ΡΠ°Π·ΠΎΠΌ, ΡΠΊΡΠΏΠ΅ΡΠΈΠΌΠ΅Π½Ρ ΠΏΡΠ΅Π΄ΡΡΠ°Π²Π»ΡΠ» ΡΠΎΠ±ΠΎΠΉ ΡΠ°ΠΊΡΠΎΡΠ½ΡΠΉ ΠΏΠ»Π°Π½ 2 (ΡΡΡΠ΅ΡΡ) Γ 3 (Π»Π΅ΠΊΠ°ΡΡΡΠ²ΠΎ). ΠΠ²ΡΡΡΠΎΡΠΎΠ½Π½ΠΈΠΉ Π΄ΠΈΡΠΏΠ΅ΡΡΠΈΠΎΠ½Π½ΡΠΉ Π°Π½Π°Π»ΠΈΠ· Π±ΡΠ» ΠΈΡΠΏΠΎΠ»ΡΠ·ΠΎΠ²Π°Π½ Π΄Π»Ρ ΠΎΡΠ΄Π΅Π»ΡΠ½ΠΎΠ³ΠΎ Π°Π½Π°Π»ΠΈΠ·Π° ΠΎΠ±ΡΠ΅Π³ΠΎ RAM, ΠΎΠ±ΡΠ΅Π³ΠΎ Fos + ΠΈ ΠΏΡΠΎΡΠ΅Π½ΡΠ° RAM +, ΠΊΠΎΡΠΎΡΡΠ΅ ΡΠ°ΠΊΠΆΠ΅ Π±ΡΠ»ΠΈ Fos +, ΠΌΠ΅ΠΆΠ΄Ρ Π²ΡΠ΅ΠΌΠΈ Π³ΡΡΠΏΠΏΠ°ΠΌΠΈ. ΠΡΠ΅Π΄ΡΠ΄ΡΡΠ°Ρ ΡΠ°Π±ΠΎΡΠ° Π‘ΠΎΡΠ΅Π½ΡΠ΅Π½Π° ΠΈ Π΄Ρ. (2016) ΠΏΠΎΠΊΠ°Π·ΡΠ²Π°Π΅Ρ, ΡΡΠΎ n = 6β8 Π½Π° Π³ΡΡΠΏΠΏΡ (Π΄Π²Π° ΡΡΠ΅Π·Π° ΠΌΠΎΠ·Π³Π° Π½Π° ΠΊΡΡΡΡ) Π΄ΠΎΡΡΠ°ΡΠΎΡΠ½ΠΎ Π΄Π»Ρ Π²ΡΡΠ²Π»Π΅Π½ΠΈΡ ΡΡΠ°ΡΠΈΡΡΠΈΡΠ΅ΡΠΊΠΈΡ ΡΠ°Π·Π»ΠΈΡΠΈΠΉ ΠΌΠ΅ΠΆΠ΄Ρ Π³ΡΡΠΏΠΏΠ°ΠΌΠΈ Π² ΡΠΊΡΠΏΠ΅ΡΠΈΠΌΠ΅Π½ΡΠ°Ρ , ΠΏΡΠΎΠ²ΠΎΠ΄ΠΈΠΌΡΡ Ρ ΠΈΡΠΏΠΎΠ»ΡΠ·ΠΎΠ²Π°Π½ΠΈΠ΅ΠΌ Π°Π½Π°Π»ΠΎΠ³ΠΈΡΠ½ΡΡ ΠΏΠ°ΡΠ°ΠΌΠ΅ΡΡΠΎΠ². ΠΡΡΡ ΠΊΡΡΡ ΡΡΠΈΡΠ°Π»ΠΈΡΡ Π²ΡΠ±ΡΠΎΡΠ°ΠΌΠΈ (> 2,5 SD ΠΎΡ ΡΡΠ΅Π΄Π½Π΅Π³ΠΎ ΠΊΠΎΠ»ΠΈΡΠ΅ΡΡΠ²Π° ΠΊΠ»Π΅ΡΠΎΠΊ ΠΈΠ»ΠΈ Π½Π΅ΡΠΏΠΎΡΠΎΠ±Π½ΠΎΡΡΡ ΠΎΠΏΡΠ΅Π΄Π΅Π»ΠΈΡΡ ΡΠΊΡΠΏΡΠ΅ΡΡΠΈΡ ΠΈΠ½ΡΠ΅ΠΊΡΠΈΠΎΠ½Π½ΠΎΠ³ΠΎ ΠΊΠΎΠ½ΡΡΠΎΠ»Ρ (eYFP).
Π ΡΡΠ΅ΡΡΠ΅ΠΌ ΡΠΊΡΠΏΠ΅ΡΠΈΠΌΠ΅Π½ΡΠ΅ ΠΏΡΠΎΠ²Π΅ΡΡΠ»ΠΈ, Π°ΠΊΡΠΈΠ²ΠΈΡΡΠ΅Ρ Π»ΠΈ ΠΊΠ΅ΡΠ°ΠΌΠΈΠ½ ΡΠ΅ΠΏΡ PL-DRN. ΠΡΠ°ΡΠ½ΡΠ΅ ΡΠ»ΡΠΎΡΠ΅ΡΡΠ΅Π½ΡΠ½ΡΠ΅ ΡΠ΅ΡΡΠΎΠ³ΡΠ°Π΄Π½ΠΎ ΡΡΠ°Π½ΡΠΏΠΎΡΡΠΈΡΡΠ΅ΠΌΡΠ΅ ΠΌΠΈΠΊΡΠΎΡΡΠ΅ΡΡ (Π΄Π°Π»Π΅Π΅ ΠΈΠΌΠ΅Π½ΡΠ΅ΠΌΡΠ΅ ΡΠ΅ΡΡΠΎΠ±ΡΡΠ°ΠΌΠΈ; RB) Π²Π²ΠΎΠ΄ΠΈΠ»ΠΈ Π² DRN Π·Π° Π΄Π²Π΅ Π½Π΅Π΄Π΅Π»ΠΈ Π΄ΠΎ ΡΠΎΠ³ΠΎ, ΠΊΠ°ΠΊ ΠΊΡΡΡΡ ΠΏΠΎΠ»ΡΡΠ°Π»ΠΈ ΠΎΠ΄Π½ΠΎΠΊΡΠ°ΡΠ½ΡΡ ΠΈΠ½ΡΠ΅ΠΊΡΠΈΡ ΠΊΠ΅ΡΠ°ΠΌΠΈΠ½Π°. ΠΠ²Π° ΡΠ°ΡΠ° ΡΠΏΡΡΡΡ ΠΊΡΡΡ ΡΠΌΠ΅ΡΡΠ²Π»ΡΠ»ΠΈ ΠΈ ΠΎΡΠ΅Π½ΠΈΠ²Π°Π»ΠΈ ΡΠΊΡΠΏΡΠ΅ΡΡΠΈΡ Fos Π² ΠΏΡΡΡΡ PL ΠΈ PL-DRN. Π’Π΅ΡΡ Π½Π΅Π·Π°Π²ΠΈΡΠΈΠΌΡΡ ΠΎΠ±ΡΠ°Π·ΡΠΎΠ² t Π±ΡΠ» ΠΈΡΠΏΠΎΠ»ΡΠ·ΠΎΠ²Π°Π½ Π΄Π»Ρ ΠΈΡΡΠ»Π΅Π΄ΠΎΠ²Π°Π½ΠΈΡ ΡΠ°Π·Π»ΠΈΡΠΈΠΉ Π² ΠΎΠ±ΡΠ΅ΠΌ ΠΊΠΎΠ»ΠΈΡΠ΅ΡΡΠ²Π΅ RB-ΠΏΠΎΠ»ΠΎΠΆΠΈΡΠ΅Π»ΡΠ½ΡΡ (RB +) ΠΊΠ»Π΅ΡΠΎΠΊ, ΠΎΠ±ΡΠ΅ΠΌ ΠΊΠΎΠ»ΠΈΡΠ΅ΡΡΠ²Π΅ ΠΊΠ»Π΅ΡΠΎΠΊ Fos + ΠΈ ΠΏΡΠΎΡΠ΅Π½ΡΠ½ΠΎΠΌ ΡΠΎΠ΄Π΅ΡΠΆΠ°Π½ΠΈΠΈ ΠΊΠ»Π΅ΡΠΎΠΊ RB +, ΠΊΠΎΡΠΎΡΡΠ΅ ΡΠ°ΠΊΠΆΠ΅ Π±ΡΠ»ΠΈ Fos +; n = 6β8 Π½Π° Π³ΡΡΠΏΠΏΡ (Π΄Π²Π° ΡΡΠ΅Π·Π° ΠΌΠΎΠ·Π³Π° Π½Π° ΠΊΡΡΡΡ) Π΄ΠΎΡΡΠ°ΡΠΎΡΠ½ΠΎ Π΄Π»Ρ Π²ΡΡΠ²Π»Π΅Π½ΠΈΡ ΡΡΠ°ΡΠΈΡΡΠΈΡΠ΅ΡΠΊΠΈΡ ΡΠ°Π·Π»ΠΈΡΠΈΠΉ ΠΌΠ΅ΠΆΠ΄Ρ Π³ΡΡΠΏΠΏΠ°ΠΌΠΈ.ΠΠ²Π΅ ΠΊΡΡΡΡ ΡΡΠΈΡΠ°Π»ΠΈΡΡ Π²ΡΠΏΠ°Π΄Π°ΡΡΠΈΠΌΠΈ (> 2,5 SD ΠΎΡ ΡΡΠ΅Π΄Π½Π΅Π³ΠΎ ΠΊΠΎΠ»ΠΈΡΠ΅ΡΡΠ²Π° ΠΊΠ»Π΅ΡΠΎΠΊ) ΠΈ ΠΈΡΠΊΠ»ΡΡΠ°Π»ΠΈΡΡ ΠΈΠ· Π°Π½Π°Π»ΠΈΠ·Π°. ΠΡΠΎΠΌΠ΅ ΡΠΎΠ³ΠΎ, 4 ΠΊΡΡΡΡ Π±ΡΠ»ΠΈ ΠΈΡΠΊΠ»ΡΡΠ΅Π½Ρ ΠΈΠ· Π°Π½Π°Π»ΠΈΠ·Π° ΠΈΠ·-Π·Π° Π½Π΅ΡΠΎΡΠ½ΡΡ ΠΈΠ½ΡΠ΅ΠΊΡΠΈΠΉ DRN RB.
ΠΠΎΡΠ»Π΅Π΄Π½ΠΈΠΉ ΡΠΊΡΠΏΠ΅ΡΠΈΠΌΠ΅Π½Ρ ΠΏΡΠΎΠ²Π΅ΡΡΠ», Π½Π΅ΠΎΠ±Ρ ΠΎΠ΄ΠΈΠΌ Π»ΠΈ ΠΊΠΎΠ½ΡΡΡ PL-DRN Π΄Π»Ρ Π·Π°ΡΠΈΡΠ½ΡΡ ΡΡΡΠ΅ΠΊΡΠΎΠ² ΠΊΠ΅ΡΠ°ΠΌΠΈΠ½Π°. ΠΡΠΎ ΡΡΠ΅Π±ΡΠ΅Ρ ΠΈΠ·Π±ΠΈΡΠ°ΡΠ΅Π»ΡΠ½ΠΎΠ³ΠΎ ΠΈΠ½Π³ΠΈΠ±ΠΈΡΠΎΠ²Π°Π½ΠΈΡ Π½Π΅ΠΉΡΠΎΠ½ΠΎΠ² PL, ΠΊΠΎΡΠΎΡΡΠ΅ ΠΏΡΠΎΠ΅ΡΠΈΡΡΡΡΡΡ Π² DRN. Π Π΅ΡΠ΅Π½ΠΈΠ΅ ΡΡΠΎΠΉ ΠΏΡΠΎΠ±Π»Π΅ΠΌΡ ΠΏΠΎΡΡΠ΅Π±ΠΎΠ²Π°Π»ΠΎ ΠΈΡΠΏΠΎΠ»ΡΠ·ΠΎΠ²Π°Π½ΠΈΡ Π΄Π²ΠΎΠΉΠ½ΠΎΠΉ Π²ΠΈΡΡΡΠ½ΠΎΠΉ ΠΌΠ΅ΠΆΡΠ΅ΠΊΡΠΈΠΎΠ½Π½ΠΎΠΉ Π³Π΅Π½Π΅ΡΠΈΡΠ΅ΡΠΊΠΎΠΉ ΡΡΡΠ°ΡΠ΅Π³ΠΈΠΈ Π΄Π»Ρ Π½Π°ΡΠ΅Π»ΠΈΠ²Π°Π½ΠΈΡ ΡΠ΅ΡΠ΅ΠΏΡΠΎΡΠΎΠ²-ΠΊΠΎΠ½ΡΡΡΡΠΊΡΠΎΡΠΎΠ², Π°ΠΊΡΠΈΠ²ΠΈΡΡΠ΅ΠΌΡΡ ΠΈΡΠΊΠ»ΡΡΠΈΡΠ΅Π»ΡΠ½ΠΎ Π΄ΠΈΠ·Π°ΠΉΠ½Π΅ΡΡΠΊΠΈΠΌΠΈ ΠΏΡΠ΅ΠΏΠ°ΡΠ°ΡΠ°ΠΌΠΈ (DREADD), Π½Π° Π½Π΅ΠΉΡΠΎΠ½Ρ PL, ΠΏΡΠΎΠ΅ΠΊΡΠΈΡΡΡΡΠΈΠ΅ DRN.Π Π΅ΡΡΠΎΠ³ΡΠ°Π΄Π½ΠΎ ΡΡΠ°Π½ΡΠΏΠΎΡΡΠΈΡΡΠ΅ΠΌΡΠΉ Π²Π΅ΠΊΡΠΎΡ AAV, ΠΊΠΎΠ΄ΠΈΡΡΡΡΠΈΠΉ ΡΠ΅ΠΊΠΎΠΌΠ±ΠΈΠ½Π°Π·Ρ Cre, Π΄ΠΎΡΡΠ°Π²Π»ΡΠ»ΠΈ Π² DRN, ΠΈ Π΄Π²Π°ΠΆΠ΄Ρ ΡΠ»ΠΎΠΊΡΠΈΡΠΎΠ²Π°Π½Π½ΡΠΉ Π²Π΅ΠΊΡΠΎΡ AAV, ΠΊΠΎΠ΄ΠΈΡΡΡΡΠΈΠΉ ΠΈΠ½Π³ΠΈΠ±ΠΈΡΡΡΡΠΈΠΉ ΡΠ΅ΡΠ΅ΠΏΡΠΎΡ DREADD (hM4Di) ΠΈΠ»ΠΈ mCherry (ΠΊΠΎΠ½ΡΡΠΎΠ»ΡΠ½ΡΠΉ Π²ΠΈΡΡΡ), Π΄ΠΎΡΡΠ°Π²Π»ΡΠ»ΠΈ Π² PL. ΠΡΠΎΡ ΠΏΠΎΠ΄Ρ ΠΎΠ΄ ΠΏΠΎΠ·Π²ΠΎΠ»ΡΠ΅Ρ ΠΈΠ·Π±ΠΈΡΠ°ΡΠ΅Π»ΡΠ½ΠΎ ΠΈΠ½Π³ΠΈΠ±ΠΈΡΠΎΠ²Π°ΡΡ Π½Π΅ΠΉΡΠΎΠ½Ρ ΠΏΠΎΡΠ»Π΅ ΡΠΈΡΡΠ΅ΠΌΠ½ΠΎΠΉ ΠΈΠ½ΡΠ΅ΠΊΡΠΈΠΈ ΠΊΠ»ΠΎΠ·Π°ΠΏΠΈΠ½Π°- N -ΠΎΠΊΡΠΈΠ΄Π° (CNO; Armbruster et al., 2007; Ferguson et al., 2011; Rogan and Roth, 2011), ΡΡΠΎ ΠΏΠΎΠ΄ΡΠ²Π΅ΡΠΆΠ΄Π°Π΅ΡΡΡ ΡΠ½ΠΈΠΆΠ΅Π½Π½ΠΎΠΉ ΡΠΊΡΠΏΡΠ΅ΡΡΠΈΠ΅ΠΉ c -Fos (Ferguson et al., 2011; Soumier and Sibille, 2014).Π§ΡΠΎΠ±Ρ ΠΏΠΎΠ΄ΡΠ²Π΅ΡΠ΄ΠΈΡΡ ΠΎΠΏΠΎΡΡΠ΅Π΄ΠΎΠ²Π°Π½Π½ΠΎΠ΅ hM4Di ΠΈΠ½Π³ΠΈΠ±ΠΈΡΠΎΠ²Π°Π½ΠΈΠ΅ ΠΏΡΡΠΈ PL-DRN, ΠΌΡ ΠΈΡΠΏΠΎΠ»ΡΠ·ΠΎΠ²Π°Π»ΠΈ ΡΠ΅ΡΡ Π½Π΅Π·Π°Π²ΠΈΡΠΈΠΌΡΡ ΠΎΠ±ΡΠ°Π·ΡΠΎΠ² t Π΄Π»Ρ ΠΎΡΠ΅Π½ΠΊΠΈ ΠΎΠ±ΡΠ΅ΠΉ ΡΠΊΡΠΏΡΠ΅ΡΡΠΈΠΈ PL-DRN hM4Di / mCherry, ΠΎΠ±ΡΠ΅Π³ΠΎ Fos + ΠΈ ΠΏΡΠΎΡΠ΅Π½ΡΠ° ΠΊΠ»Π΅ΡΠΎΠΊ, ΡΠΊΡΠΏΡΠ΅ΡΡΠΈΡΡΡΡΠΈΡ hM4Di / mCherry, ΠΊΠΎΡΠΎΡΡΠ΅ ΡΠ°ΠΊΠΆΠ΅ Π±ΡΠ»ΠΈ Fos +. Π ΠΎΡΠ΄Π΅Π»ΡΠ½ΠΎΠΉ ΠΊΠΎΠ³ΠΎΡΡΠ΅ ΠΊΡΡΡΠ°ΠΌ, ΡΠΊΡΠΏΡΠ΅ΡΡΠΈΡΡΡΡΠΈΠΌ hM4Di ΠΈΠ»ΠΈ mCherry Π² ΠΏΡΡΠΈ PL-DRN, Π²Π²ΠΎΠ΄ΠΈΠ»ΠΈ ΠΊΠ΅ΡΠ°ΠΌΠΈΠ½ ΠΈΠ»ΠΈ ΡΠΈΠ·ΠΈΠΎΠ»ΠΎΠ³ΠΈΡΠ΅ΡΠΊΠΈΠΉ ΡΠ°ΡΡΠ²ΠΎΡ, Π° ΡΠ΅ΡΠ΅Π· Π½Π΅Π΄Π΅Π»Ρ ΠΎΠ½ΠΈ ΠΏΠΎΠ»ΡΡΠ°Π»ΠΈ ΠΈΠ½ΡΠ΅ΠΊΡΠΈΡ CNO Π·Π° 30 ΠΌΠΈΠ½ΡΡ Π΄ΠΎ IS. Π’ΡΠ΅Π²ΠΎΠΆΠ½ΠΎΠ΅ ΠΏΠΎΠ²Π΅Π΄Π΅Π½ΠΈΠ΅ ΠΎΡΠ΅Π½ΠΈΠ²Π°Π»ΠΈ ΡΠ΅ΡΠ΅Π· 24 ΡΠ°ΡΠ° Π²ΠΎ Π²ΡΠ΅ΠΌΡ JSE. Π’Π°ΠΊΠΈΠΌ ΠΎΠ±ΡΠ°Π·ΠΎΠΌ, ΡΠΊΡΠΏΠ΅ΡΠΈΠΌΠ΅Π½Ρ ΠΏΡΠ΅Π΄ΡΡΠ°Π²Π»ΡΠ» ΡΠΎΠ±ΠΎΠΉ ΡΠ°ΠΊΡΠΎΡΠ½ΡΠΉ ΠΏΠ»Π°Π½ 2 (Π²ΠΈΡΡΡ) Γ 2 (ΡΡΡΠ΅ΡΡ) Γ 2 (Π»Π΅ΠΊΠ°ΡΡΡΠ²ΠΎ).ΠΠ»Ρ ΡΡΠ°ΡΠΈΡΡΠΈΡΠ΅ΡΠΊΠΎΠ³ΠΎ Π°Π½Π°Π»ΠΈΠ·Π° ΠΈΡΠΏΠΎΠ»ΡΠ·ΠΎΠ²Π°Π»ΠΈ ΡΡΠ΅Ρ ΡΠ°ΠΊΡΠΎΡΠ½ΡΠΉ Π΄ΠΈΡΠΏΠ΅ΡΡΠΈΠΎΠ½Π½ΡΠΉ Π°Π½Π°Π»ΠΈΠ·. ΠΡΠ΅Π΄ΡΠ΄ΡΡΠ°Ρ ΡΠ°Π±ΠΎΡΠ° Ρ ΠΈΡΠΏΠΎΠ»ΡΠ·ΠΎΠ²Π°Π½ΠΈΠ΅ΠΌ Π°Π½Π°Π»ΠΎΠ³ΠΈΡΠ½ΡΡ ΠΏΠ°ΡΠ°ΠΌΠ΅ΡΡΠΎΠ² (Dolzani et al., 2016) Π΄Π΅ΠΌΠΎΠ½ΡΡΡΠΈΡΡΠ΅Ρ, ΡΡΠΎ n = 10β12 / Π³ΡΡΠΏΠΏΠ° Π΄ΠΎΡΡΠ°ΡΠΎΡΠ½ΠΎ Π΄Π»Ρ Π²ΡΡΠ²Π»Π΅Π½ΠΈΡ ΡΡΠ°ΡΠΈΡΡΠΈΡΠ΅ΡΠΊΠΎΠΉ Π·Π½Π°ΡΠΈΠΌΠΎΡΡΠΈ. Π’ΡΠΈ ΠΊΡΡΡΡ ΡΡΠΈΡΠ°Π»ΠΈΡΡ ΡΡΠ°ΡΠΈΡΡΠΈΡΠ΅ΡΠΊΠΈ Π²ΡΠΏΠ°Π΄Π°ΡΡΠΈΠΌΠΈ (> 2,5 SD ΠΎΡ ΡΡΠ΅Π΄Π½Π΅Π³ΠΎ) ΠΈ Π±ΡΠ»ΠΈ ΠΈΡΠΊΠ»ΡΡΠ΅Π½Ρ ΠΈΠ· ΡΡΠ°ΡΠΈΡΡΠΈΡΠ΅ΡΠΊΠΎΠ³ΠΎ Π°Π½Π°Π»ΠΈΠ·Π°. ΠΡΠΎΠΌΠ΅ ΡΠΎΠ³ΠΎ, Π΄Π²Π΅ ΠΊΡΡΡΡ Π±ΡΠ»ΠΈ ΠΈΡΠΊΠ»ΡΡΠ΅Π½Ρ ΠΈΠ·-Π·Π° ΡΡΠ°Π²ΠΌ Π»Π°ΠΏ, ΡΠ²ΡΠ·Π°Π½Π½ΡΡ ΡΠΎ ΡΡΡΠ΅ΡΡΠΎΠΌ, ΠΈ ΡΠ΅ΡΡΡ ΠΊΡΡΡ Π±ΡΠ»ΠΈ ΠΈΡΠΊΠ»ΡΡΠ΅Π½Ρ ΠΈΠ·-Π·Π° Π½Π΅ΡΠΎΡΠ½ΡΡ ΠΈΠ»ΠΈ Π½Π΅ΡΠ΄Π°ΡΠ½ΡΡ ΠΈΠ½ΡΠ΅ΠΊΡΠΈΠΉ Π²ΠΈΡΡΡΠ°, ΠΊΠ°ΠΊ Π±ΡΠ»ΠΎ ΠΎΠΏΡΠ΅Π΄Π΅Π»Π΅Π½ΠΎ ΠΏΠΎΡΠ»Π΅ Π·Π°Π²Π΅ΡΡΠ΅Π½ΠΈΡ ΡΠΊΡΠΏΠ΅ΡΠΈΠΌΠ΅Π½ΡΠ°.
ΠΠ½Π°Π»ΠΈΠ· Π΄Π°Π½Π½ΡΡ Π΄Π»Ρ Π²ΡΠ΅Ρ ΡΠ΅ΡΡΠΎΠ² ΠΎΠ΄Π½ΠΎΡΠ°ΠΊΡΠΎΡΠ½ΠΎΠ³ΠΎ Π΄ΠΈΡΠΏΠ΅ΡΡΠΈΠΎΠ½Π½ΠΎΠ³ΠΎ Π°Π½Π°Π»ΠΈΠ·Π°, Π΄Π²ΡΡΡΠΎΡΠΎΠ½Π½Π΅Π³ΠΎ Π΄ΠΈΡΠΏΠ΅ΡΡΠΈΠΎΠ½Π½ΠΎΠ³ΠΎ Π°Π½Π°Π»ΠΈΠ·Π° ΠΈ ΡΠ΅ΡΡΠΎΠ² t ΠΏΡΠΎΠ²ΠΎΠ΄ΠΈΠ»ΠΈ Ρ ΠΈΡΠΏΠΎΠ»ΡΠ·ΠΎΠ²Π°Π½ΠΈΠ΅ΠΌ ΠΏΡΠΎΠ³ΡΠ°ΠΌΠΌΠ½ΠΎΠ³ΠΎ ΠΎΠ±Π΅ΡΠΏΠ΅ΡΠ΅Π½ΠΈΡ Prism (GraphPad). Π’ΡΠ΅Ρ ΡΠ°ΠΊΡΠΎΡΠ½ΡΠΉ Π΄ΠΈΡΠΏΠ΅ΡΡΠΈΠΎΠ½Π½ΡΠΉ Π°Π½Π°Π»ΠΈΠ· Π²ΡΠΏΠΎΠ»Π½ΡΠ»ΡΡ Ρ ΠΈΡΠΏΠΎΠ»ΡΠ·ΠΎΠ²Π°Π½ΠΈΠ΅ΠΌ Statview (SPSS). ΠΡΠ΅ ΡΠΊΡΠΏΠ΅ΡΠΈΠΌΠ΅Π½ΡΡ ΠΏΡΠΎΠ²ΠΎΠ΄ΠΈΠ»ΠΈΡΡ Ρ ΠΈΡΠΏΠΎΠ»ΡΠ·ΠΎΠ²Π°Π½ΠΈΠ΅ΠΌ ΠΌΠ΅ΠΆΠ³ΡΡΠΏΠΏΠΎΠ²ΠΎΠ³ΠΎ Π΄ΠΈΠ·Π°ΠΉΠ½Π°, Π° ΡΡΡΠ΅ΠΊΡ Π»Π΅ΡΠ΅Π½ΠΈΡ Π°Π½Π°Π»ΠΈΠ·ΠΈΡΠΎΠ²Π°Π»ΡΡ Ρ ΠΏΠΎΠΌΠΎΡΡΡ Π½Π΅ΠΏΠ°ΡΠ½ΠΎΠ³ΠΎ ΡΠ΅ΡΡΠ° t (Π»Π΅ΠΊΠ°ΡΡΡΠ²ΠΎ), ΠΎΠ΄Π½ΠΎΡΡΠΎΡΠΎΠ½Π½Π΅Π³ΠΎ (ΡΡΡΠ΅ΡΡ), Π΄Π²ΡΡ ΡΡΠΎΡΠΎΠ½Π½Π΅Π³ΠΎ (ΡΡΡΠ΅ΡΡ ΠΈ Π»Π΅ΠΊΠ°ΡΡΡΠ²ΠΎ) ΠΈΠ»ΠΈ ΡΡΠ΅Ρ ΡΡΠΎΡΠΎΠ½Π½Π΅Π³ΠΎ (ΡΡΡΠ΅ΡΡ ΠΈ Π½Π°ΡΠΊΠΎΡΠΈΠΊΠΈ). ΠΏΡΠ΅ΠΏΠ°ΡΠ°Ρ ΠΈ Π²ΠΈΡΡΡ) ANOVA. ΠΡΠ½ΠΎΠ²Π½ΡΠ΅ ΡΡΡΠ΅ΠΊΡΡ ΠΈ Π²Π·Π°ΠΈΠΌΠΎΠ΄Π΅ΠΉΡΡΠ²ΠΈΡ ΡΡΠΈΡΠ°Π»ΠΈΡΡ ΡΡΠ°ΡΠΈΡΡΠΈΡΠ΅ΡΠΊΠΈ Π·Π½Π°ΡΠΈΠΌΡΠΌΠΈ, Π΅ΡΠ»ΠΈ p <0.05. ΠΡΠΈ Π½Π΅ΠΎΠ±Ρ ΠΎΠ΄ΠΈΠΌΠΎΡΡΠΈ, Π±ΡΠ»ΠΎ Π²ΡΠΏΠΎΠ»Π½Π΅Π½ΠΎ Π°ΠΏΠΎΡΡΠ΅ΡΠΈΠΎΡΠ½ΡΡ Π°Π½Π°Π»ΠΈΠ·ΠΎΠ² ΠΈ Π·Π°ΠΏΠ»Π°Π½ΠΈΡΠΎΠ²Π°Π½Π½ΡΡ ΡΡΠ°Π²Π½Π΅Π½ΠΈΠΉ Ρ ΠΈΡΠΏΠΎΠ»ΡΠ·ΠΎΠ²Π°Π½ΠΈΠ΅ΠΌ ΠΌΠ΅ΡΠΎΠ΄Π° Π’ΡΡΠΊΠΈ Π°ΠΏΠΎΡΡΠ΅ΡΠΈΠΎΡΠ½ΡΡ . ΠΠ½Π°ΡΠ΅Π½ΠΈΡ Π½Π° Π³ΡΠ°ΡΠΈΠΊΠ°Ρ ΠΏΡΠ΅Π΄ΡΡΠ°Π²Π»Π΅Π½Ρ ΠΊΠ°ΠΊ ΡΡΠ΅Π΄Π½Π΅Π΅ Β± SEM.
ΠΡΡΡΡ
ΠΠ·ΡΠΎΡΠ»ΡΡ ΡΠ°ΠΌΠΎΠΊ ΠΊΡΡΡ Sprague Dawley (250β300 Π³; Envigo) ΡΠΎΠ΄Π΅ΡΠΆΠ°Π»ΠΈ ΠΏΠ°ΡΠ°ΠΌΠΈ ΠΏΡΠΈ 12/12 ΡΠ°ΡΠΎΠ²ΠΎΠΌ ΡΠΈΠΊΠ»Π΅ ΡΠ²Π΅Ρ / ΡΠ΅ΠΌΠ½ΠΎΡΠ° (ΡΠ²Π΅Ρ Π²ΠΊΠ»ΡΡΠ°Π΅ΡΡΡ Π² 7 ΡΡΡΠ° ΠΈ Π²ΡΠΊΠ»ΡΡΠ°Π΅ΡΡΡ Π² 7 Π²Π΅ΡΠ΅ΡΠ°). ΠΡΡΡ ΡΠΎΠ΄Π΅ΡΠΆΠ°Π»ΠΈ Π² ΡΡΠ»ΠΎΠ²ΠΈΡΡ ΡΠ²ΠΎΠ±ΠΎΠ΄Π½ΠΎΠ³ΠΎ Π΄ΠΎΡΡΡΠΏΠ° ΠΊ ΠΏΠΈΡΠ΅ ΠΈ Π²ΠΎΠ΄Π΅, ΠΈ ΠΈΠΌ ΠΏΠΎΠ·Π²ΠΎΠ»ΡΠ»ΠΈ Π°ΠΊΠΊΠ»ΠΈΠΌΠ°ΡΠΈΠ·ΠΈΡΠΎΠ²Π°ΡΡΡΡ ΠΊ ΡΡΠ»ΠΎΠ²ΠΈΡΠΌ ΠΊΠΎΠ»ΠΎΠ½ΠΈΠΈ Π² ΡΠ΅ΡΠ΅Π½ΠΈΠ΅ 7 Π΄Π½Π΅ΠΉ ΠΏΠ΅ΡΠ΅Π΄ Ρ ΠΈΡΡΡΠ³ΠΈΡΠ΅ΡΠΊΠΈΠΌΠΈ ΠΈΠ»ΠΈ ΡΠΊΡΠΏΠ΅ΡΠΈΠΌΠ΅Π½ΡΠ°Π»ΡΠ½ΡΠΌΠΈ ΠΏΡΠΎΡΠ΅Π΄ΡΡΠ°ΠΌΠΈ.ΠΡΠ΅ ΡΡΠ΅ΡΠ΅ΠΎΡΠ°ΠΊΡΠΈΡΠ΅ΡΠΊΠΈΠ΅ ΠΎΠΏΠ΅ΡΠ°ΡΠΈΠΈ Π²ΡΠΏΠΎΠ»Π½ΡΠ»ΠΈΡΡ ΠΏΠΎΠ΄ Π°Π½Π΅ΡΡΠ΅Π·ΠΈΠ΅ΠΉ ΠΈΠ·ΠΎΡΠ»ΡΡΠ°Π½ΠΎΠΌ 2,5% (Piramal Critical Care). ΠΠ΅ΡΠ΅Π΄ ΠΎΠΏΠ΅ΡΠ°ΡΠΈΠ΅ΠΉ ΠΊΡΡΡΠ°ΠΌ Π²Π²ΠΎΠ΄ΠΈΠ»ΠΈ Π°Π½Π°Π»ΡΠ³Π΅ΡΠΈΠΊ (ΠΌΠ΅Π»ΠΎΠΊΡΠΈΠΊΠ°ΠΌ, 0,5 ΠΌΠ³ / ΠΊΠ³, ΠΏΠΎΠ΄ΠΊΠΎΠΆΠ½ΠΎ; ΠΠ΅ΡΠΌΠ΅Π΄ΠΈΠΊΠ°) ΠΈ Π°Π½ΡΠΈΠ±ΠΈΠΎΡΠΈΠΊ (ΠΠΎΠΌΠ±ΠΈ-ΠΠ΅Π½-48, 0,25 ΠΌΠ» / ΠΊΠ³, ΠΏΠΎΠ΄ΠΊΠΎΠΆΠ½ΠΎ; ΠΠΈΠΌΠ΅Π΄Π°). ΠΠ΅ΡΠ΅Π΄ ΡΠΊΡΠΏΠ΅ΡΠΈΠΌΠ΅Π½ΡΠΎΠΌ ΠΊΡΡΡΠ°ΠΌ Π΄Π°Π»ΠΈ Π΄Π²Π΅ Π½Π΅Π΄Π΅Π»ΠΈ Π½Π° Π²ΠΎΡΡΡΠ°Π½ΠΎΠ²Π»Π΅Π½ΠΈΠ΅ ΠΏΠΎΡΠ»Π΅ ΠΎΠΏΠ΅ΡΠ°ΡΠΈΠΈ. ΠΡΠ΅ ΡΠΊΡΠΏΠ΅ΡΠΈΠΌΠ΅Π½ΡΡ ΠΏΡΠΎΠ²ΠΎΠ΄ΠΈΠ»ΠΈΡΡ ΠΌΠ΅ΠΆΠ΄Ρ 9 ΡΠ°ΡΠ°ΠΌΠΈ ΡΡΡΠ°. ΠΈ 17:00. ΠΡΠ΅ ΠΏΡΠΎΡΠ΅Π΄ΡΡΡ Ρ ΠΆΠΈΠ²ΠΎΡΠ½ΡΠΌΠΈ Π±ΡΠ»ΠΈ ΠΎΠ΄ΠΎΠ±ΡΠ΅Π½Ρ ΠΠΎΠΌΠΈΡΠ΅ΡΠΎΠΌ ΠΏΠΎ ΡΡ ΠΎΠ΄Ρ ΠΈ ΠΈΡΠΏΠΎΠ»ΡΠ·ΠΎΠ²Π°Π½ΠΈΡ ΠΆΠΈΠ²ΠΎΡΠ½ΡΡ Π² Π£Π½ΠΈΠ²Π΅ΡΡΠΈΡΠ΅ΡΠ΅ ΠΠΎΠ»ΠΎΡΠ°Π΄ΠΎ Π² ΠΠΎΡΠ»Π΄Π΅ΡΠ΅ ΠΈ ΡΠΎΠΎΡΠ²Π΅ΡΡΡΠ²ΠΎΠ²Π°Π»ΠΈ ΡΠ΅ΠΊΠΎΠΌΠ΅Π½Π΄Π°ΡΠΈΡΠΌ ΠΠ°ΡΠΈΠΎΠ½Π°Π»ΡΠ½ΠΎΠ³ΠΎ ΠΈΠ½ΡΡΠΈΡΡΡΠ° Π·Π΄ΡΠ°Π²ΠΎΠΎΡ ΡΠ°Π½Π΅Π½ΠΈΡ ΠΏΠΎ ΡΡ ΠΎΠ΄Ρ ΠΈ ΠΈΡΠΏΠΎΠ»ΡΠ·ΠΎΠ²Π°Π½ΠΈΡ Π»Π°Π±ΠΎΡΠ°ΡΠΎΡΠ½ΡΡ ΠΆΠΈΠ²ΠΎΡΠ½ΡΡ .
Π‘ΡΡΠ΅ΡΡ-ΠΏΡΠΎΡΠ΅Π΄ΡΡΠ°
IS Π±ΡΠ»Π° ΠΏΡΠΎΠ²Π΅Π΄Π΅Π½Π°, ΠΊΠ°ΠΊ ΠΎΠΏΠΈΡΠ°Π½ΠΎ ΡΠ°Π½Π΅Π΅ (Amat et al., 2005; Christianson et al., 2013). ΠΠΊΡΠ°ΡΡΠ΅, ΠΊΡΡΡ ΠΏΠΎΠΌΠ΅ΡΠ°Π»ΠΈ Π² ΡΠ΄Π΅ΡΠΆΠΈΠ²Π°ΡΡΡΡ ΡΡΡΠ±ΠΊΡ PlexiGlas (8 Γ 18 ΡΠΌ, Π΄ΠΈΠ°ΠΌΠ΅ΡΡ Γ Π΄Π»ΠΈΠ½Π°). Π₯Π²ΠΎΡΡ ΠΊΡΡΡΡ Π±ΡΠ» ΠΏΡΠΈΠΊΡΠ΅ΠΏΠ»Π΅Π½ ΠΊ ΠΎΠΏΠΎΡΠ΅ ΠΈΠ· ΠΎΡΠ³ΡΡΠ΅ΠΊΠ»Π°, Π²ΡΡΡΡΠΏΠ°ΡΡΠ΅ΠΉ ΠΈΠ· Π·Π°Π΄Π½Π΅ΠΉ ΡΠ°ΡΡΠΈ Π±ΠΎΠΊΡΠ°, Ρ ΠΏΠΎΠΌΠΎΡΡΡ ΠΌΠ΅Π΄ΠΈΡΠΈΠ½ΡΠΊΠΎΠΉ Π»Π΅Π½ΡΡ, Π° ΠΌΠ΅Π΄Π½ΡΠ΅ ΡΠ»Π΅ΠΊΡΡΠΎΠ΄Ρ Π±ΡΠ»ΠΈ ΠΏΠΎΠΌΠ΅ΡΠ΅Π½Ρ Π²ΠΎΠΊΡΡΠ³ Ρ Π²ΠΎΡΡΠ°. ΠΠ»Π΅ΠΊΡΡΠΎΡΠΎΠΊ ΠΏΡΠΈΠΊΠ»Π°Π΄ΡΠ²Π°Π»ΡΡ ΠΊ Ρ Π²ΠΎΡΡΡ ΠΊΡΡΡΡ Ρ Π²ΠΎΠ·ΡΠ°ΡΡΠ°ΡΡΠ΅ΠΉ ΠΈΠ½ΡΠ΅Π½ΡΠΈΠ²Π½ΠΎΡΡΡΡ ΠΏΠΎ ΠΌΠ΅ΡΠ΅ ΡΠ°Π·Π²ΠΈΡΠΈΡ ΡΠ΅Π°Π½ΡΠ° ΡΠ»Π΅ΠΊΡΡΠΎΡΠΎΠΊΠ° (33 ΠΈΡΠΏΡΡΠ°Π½ΠΈΡ ΠΏΡΠΈ 1,0 ΠΌΠ, 33 ΠΈΡΠΏΡΡΠ°Π½ΠΈΡ ΠΏΡΠΈ 1 ΠΌΠ).3 ΠΌΠ ΠΈ 34 ΠΏΠΎΠΏΡΡΠΊΠΈ ΠΏΡΠΈ 1,6 ΠΌΠ). Π Π°Π·ΡΡΠ΄ ΠΏΡΠΎΠΈΠ·Π²ΠΎΠ΄ΠΈΠ»ΡΡ ΡΠΎ ΡΡΠ΅Π΄Π½ΠΈΠΌ ΠΈΠ½ΡΠ΅ΡΠ²Π°Π»ΠΎΠΌ ΠΌΠ΅ΠΆΠ΄Ρ ΠΈΡΠΏΡΡΠ°Π½ΠΈΡΠΌΠΈ (ITI) 60 Ρ. ΠΡΡΡ ΠΈΠ·Π²Π»Π΅ΠΊΠ°Π»ΠΈ ΠΈΠ· Π±ΠΎΠΊΡΠΎΠ² PlexiGlas ΠΈ ΠΏΠΎΠΌΠ΅ΡΠ°Π»ΠΈ Π² ΠΈΡ Π΄ΠΎΠΌΠ°ΡΠ½ΡΡ ΠΊΠ»Π΅ΡΠΊΡ ΡΡΠ°Π·Ρ ΠΏΠΎΡΠ»Π΅ ΠΏΠΎΡΠ»Π΅Π΄Π½Π΅Π³ΠΎ ΡΠ΄Π°ΡΠ° Ρ Π²ΠΎΡΡΠΎΠΌ. ΠΠΎΠ½ΡΡΠΎΠ»ΡΠ½ΡΡ ΠΊΡΡΡ, Π½Π΅ ΠΏΠΎΠ΄Π²Π΅ΡΠ³Π°Π²ΡΠΈΡ ΡΡ ΡΠ»Π΅ΠΊΡΡΠΎΡΠΎΠΊΠΎΠ²ΠΎΠΉ ΠΎΠ±ΡΠ°Π±ΠΎΡΠΊΠ΅, ΠΎΡΡΠ°Π²Π»ΡΠ»ΠΈ Π² ΠΊΠΎΠ»ΠΎΠ½ΠΈΠΈ Π½Π΅ΡΡΠΎΠ½ΡΡΡΠΌΠΈ.
JSE
Π’Π΅ΡΡΠΈΡΠΎΠ²Π°Π½ΠΈΠ΅ JSE ΠΏΡΠΎΠ²ΠΎΠ΄ΠΈΠ»ΠΎΡΡ ΡΠ΅ΡΠ΅Π· 24 ΡΠ°ΡΠ° ΠΏΠΎΡΠ»Π΅ IS ΠΈΠ»ΠΈ HC, ΠΊΠ°ΠΊ ΠΎΠΏΠΈΡΠ°Π½ΠΎ ΡΠ°Π½Π΅Π΅ (Amat et al., 2016). ΠΡΠ±ΡΠ΅ ΠΊΡΡΡΡ, ΠΏΠΎΠΊΠ°Π·ΡΠ²Π°ΡΡΠΈΠ΅ ΠΏΡΠΈΠ·Π½Π°ΠΊΠΈ ΡΡΠ°Π²ΠΌΡ (Π²ΠΊΠ»ΡΡΠ°Ρ ΠΏΠΎΠ²ΡΠ΅ΠΆΠ΄Π΅Π½Π½ΡΠ΅ Π·Π°Π΄Π½ΠΈΠ΅ Π»Π°ΠΏΡ, ΠΏΠ΅ΡΠ΅Π΄Π½ΠΈΠ΅ Π»Π°ΠΏΡ ΠΈΠ»ΠΈ Π½ΠΎΠ³ΡΠΈ Π½Π° Π½ΠΎΠ³Π°Ρ ) ΠΏΠΎΡΠ»Π΅ ΡΡΡΠ΅ΡΡΠΎΠ²ΠΎΠ³ΠΎ ΡΠ΅Π°Π½ΡΠ°, ΠΈΡΠΊΠ»ΡΡΠ°Π»ΠΈΡΡ.ΠΡΠΈΠ½ΠΈΠΌΠ°ΡΡΡΡ ΠΌΠ΅ΡΡ ΠΏΡΠ΅Π΄ΠΎΡΡΠΎΡΠΎΠΆΠ½ΠΎΡΡΠΈ, ΡΡΠΎΠ±Ρ ΡΠ²Π΅ΡΡΠΈ ΠΊ ΠΌΠΈΠ½ΠΈΠΌΡΠΌΡ ΡΠ°ΡΡΠΎΡΡ ΡΡΠΈΡ ΡΠ»ΡΡΠ°Π΅Π², Π½ΠΎ, ΡΠ΅ΠΌ Π½Π΅ ΠΌΠ΅Π½Π΅Π΅, ΡΡΠ°Π²ΠΌΡ ΠΏΡΠΎΠΈΠ·ΠΎΡΠ»ΠΈ Ρ Π½Π΅Π±ΠΎΠ»ΡΡΠΎΠΉ Π³ΡΡΠΏΠΏΡ ΠΏΠ°ΡΠΈΠ΅Π½ΡΠΎΠ². ΠΠ°ΠΆΠ΄ΠΎΠΌΡ ΠΈΡΠΏΡΡΡΠ΅ΠΌΠΎΠΌΡ ΠΏΠΎ ΠΎΡΠ΄Π΅Π»ΡΠ½ΠΎΡΡΠΈ ΠΏΡΠΈΠΏΠΈΡΡΠ²Π°Π»ΠΈ ΠΏΡΡΡΡΡ ΠΏΠ»Π°ΡΡΠΈΠΊΠΎΠ²ΡΡ ΠΊΠ»Π΅ΡΠΊΡ Ρ ΠΏΠΎΠ΄ΡΡΠΈΠ»ΠΊΠΎΠΉ ΠΈΠ· Π΄Π΅ΡΠ΅Π²Π° ΠΈ ΠΏΡΠΎΠ²ΠΎΠ»ΠΎΡΠ½ΠΎΠΉ ΠΊΡΡΡΠΊΠΎΠΉ. ΠΠΎΠ΄ΠΎΠΏΡΡΠ½ΡΠ΅ ΠΎΡΡΠ°Π²Π°Π»ΠΈΡΡ Π² ΠΈΡΠΏΡΡΠ°ΡΠ΅Π»ΡΠ½ΠΎΠΉ ΠΊΠ»Π΅ΡΠΊΠ΅ ΠΎΡ 45 ΠΌΠΈΠ½ΡΡ Π΄ΠΎ 1 ΡΠ°ΡΠ° ΠΏΠ΅ΡΠ΅Π΄ ΡΠ΅ΠΌ, ΠΊΠ°ΠΊ Π²Π²Π΅ΡΡΠΈ ΠΌΠΎΠ»ΠΎΠ΄ΡΡ (28 Β± 2 Π΄Π½Ρ) ΡΠ°ΠΌΠΊΡ ΡΠΎΡΠΎΠ΄ΠΈΡΠ°. ΠΠ°Π±Π»ΡΠ΄Π°ΡΠ΅Π»Ρ, ΡΠ»Π΅ΠΏΠΎΠΉ ΠΊ Π»Π΅ΡΠ΅Π½ΠΈΡ, ΡΠ΅Π³ΠΈΡΡΡΠΈΡΠΎΠ²Π°Π» ΠΈΡΡΠ»Π΅Π΄ΠΎΠ²Π°ΡΠ΅Π»ΡΡΠΊΠΎΠ΅ ΠΏΠΎΠ²Π΅Π΄Π΅Π½ΠΈΠ΅ (Π°Π»Π»ΠΎΠ³ΡΡΠΌΠΈΠ½Π³, ΠΎΠ±Π»ΠΈΠ·ΡΠ²Π°Π½ΠΈΠ΅, ΠΎΠ±Π½ΡΡ ΠΈΠ²Π°Π½ΠΈΠ΅ ΠΈ ΠΏΡΠΈΠΊΠ»Π΅ΠΈΠ²Π°Π½ΠΈΠ΅), ΠΈΠ½ΠΈΡΠΈΠΈΡΠΎΠ²Π°Π½Π½ΠΎΠ΅ ΠΏΠΎΠ΄ΠΎΠΏΡΡΠ½ΡΠΌ Π² ΡΠ΅ΡΠ΅Π½ΠΈΠ΅ 3-ΠΌΠΈΠ½ΡΡΠ½ΠΎΠ³ΠΎ ΡΠ΅ΡΡΠ°.Π Π΅Π·ΡΠ»ΡΡΠ°ΡΡ ΡΠ΅ΡΡΠ° JSE Π±ΡΠ»ΠΈ ΠΏΡΠ΅Π΄ΡΡΠ°Π²Π»Π΅Π½Ρ ΠΊΠ°ΠΊ ΠΎΠ±ΡΠ΅Π΅ Π²ΡΠ΅ΠΌΡ (Π°) ΡΠΎΡΠΈΠ°Π»ΡΠ½ΠΎΠ³ΠΎ ΠΈΡΡΠ»Π΅Π΄ΠΎΠ²Π°Π½ΠΈΡ Π² ΡΠ΅ΡΠ΅Π½ΠΈΠ΅ 3-ΠΌΠΈΠ½ΡΡΠ½ΠΎΠ³ΠΎ ΡΠ΅ΡΡΠ°.
Π€Π»ΡΠΎΡΠ΅ΡΡΠ΅Π½ΡΠ½ΡΠΉ IHC
ΠΠΊΡΠ°ΡΠΈΠ²Π°Π½ΠΈΠ΅ Π½Π° Fos ΠΏΡΠΎΠ²ΠΎΠ΄ΠΈΠ»ΠΈ Ρ ΠΈΡΠΏΠΎΠ»ΡΠ·ΠΎΠ²Π°Π½ΠΈΠ΅ΠΌ ΠΎΠ±ΡΠ΅Π³ΠΎ ΠΏΡΠΎΡΠΎΠΊΠΎΠ»Π° ΠΈΠΌΠΌΡΠ½ΠΎΡΠ»ΡΠΎΡΠ΅ΡΡΠ΅Π½ΡΠΈΠΈ. ΠΠΎΡΠ»Π΅ ΡΠ΅ΡΠΈΠΈ ΠΏΡΠΎΠΌΡΠ²Π°Π½ΠΈΠΉ Π² 0,01 M PBS, ΡΠΎΠ΄Π΅ΡΠΆΠ°ΡΠ΅ΠΌ 0,5% Triton X-100, ΡΡΠ΅Π·Ρ ΠΈΠ½ΠΊΡΠ±ΠΈΡΠΎΠ²Π°Π»ΠΈ Π² ΡΠ΅ΡΠ΅Π½ΠΈΠ΅ Π½ΠΎΡΠΈ Π² Π±Π»ΠΎΠΊΠΈΡΡΡΡΠ΅ΠΌ ΡΠ°ΡΡΠ²ΠΎΡΠ΅ PBS, ΡΠΎΠ΄Π΅ΡΠΆΠ°ΡΠ΅ΠΌ 0,5% Triton X-100 (PBST) ΠΈ 2,5% Π±ΡΡΠΈΠΉ ΡΡΠ²ΠΎΡΠΎΡΠΎΡΠ½ΡΠΉ Π°Π»ΡΠ±ΡΠΌΠΈΠ½ (BSA), ΠΏΡΠΈ 4 Β° C. ΠΠ°ΡΠ΅ΠΌ ΡΡΠ΅Π·Ρ ΠΏΡΠΎΠΌΡΠ²Π°Π»ΠΈ PBST ΠΈ ΠΈΠ½ΠΊΡΠ±ΠΈΡΠΎΠ²Π°Π»ΠΈ Π² ΡΠ΅ΡΠ΅Π½ΠΈΠ΅ 24 Ρ ΠΏΡΠΈ ΠΊΠΎΠΌΠ½Π°ΡΠ½ΠΎΠΉ ΡΠ΅ΠΌΠΏΠ΅ΡΠ°ΡΡΡΠ΅ (RT) Ρ ΠΊΡΠΎΠ»ΠΈΡΡΠΈΠΌΠΈ ΠΏΠΎΠ»ΠΈΠΊΠ»ΠΎΠ½Π°Π»ΡΠ½ΡΠΌΠΈ ΠΏΠ΅ΡΠ²ΠΈΡΠ½ΡΠΌΠΈ Π°Π½ΡΠΈΡΠ΅Π»Π°ΠΌΠΈ (1: 1000; Santa Cruz Biotechnology) Π² Π±Π»ΠΎΠΊΠΈΡΡΡΡΠ΅ΠΌ ΡΠ°ΡΡΠ²ΠΎΡΠ΅.ΠΠΎΡΠ»Π΅ ΡΠ΅ΡΠΈΠΈ ΠΏΡΠΎΠΌΡΠ²ΠΎΠΊ PBS ΡΡΠ΅Π·Ρ ΠΈΠ½ΠΊΡΠ±ΠΈΡΠΎΠ²Π°Π»ΠΈ Π² ΡΠ΅ΡΠ΅Π½ΠΈΠ΅ 2 Ρ ΠΏΡΠΈ ΠΊΠΎΠΌΠ½Π°ΡΠ½ΠΎΠΉ ΡΠ΅ΠΌΠΏΠ΅ΡΠ°ΡΡΡΠ΅ Π² ΠΊΠΎΠ·ΡΠΈΡ Π²ΡΠΎΡΠΈΡΠ½ΡΡ Π°Π½ΡΠΈΡΠ΅Π»Π°Ρ ΠΏΡΠΎΡΠΈΠ² ΠΊΡΠΎΠ»ΠΈΠΊΠ° Alexa Fluor 405 (1: 250; Life Technologies). ΠΠΎΡΠ»Π΅ ΡΠ΅ΡΠΈΠΈ ΠΏΡΠΎΠΌΡΠ²ΠΎΠΊ PBS ΡΠΊΠ°Π½Ρ ΠΏΠ΅ΡΠ΅Π½ΠΎΡΠΈΠ»ΠΈ Π½Π° ΠΏΡΠ΅Π΄ΠΌΠ΅ΡΠ½ΠΎΠ΅ ΡΡΠ΅ΠΊΠ»ΠΎ ΠΈ ΠΏΠΎΠΊΡΡΠ²Π°Π»ΠΈ ΠΏΠΎΠΊΡΠΎΠ²Π½ΡΠΌ ΡΡΠ΅ΠΊΠ»ΠΎΠΌ Vecta Shield (Vector Labs).
ΠΠ½Π°Π»ΠΈΠ· ΠΈΠ·ΠΎΠ±ΡΠ°ΠΆΠ΅Π½ΠΈΠΉ Π΄Π»Ρ ΡΠ»ΡΠΎΡΠ΅ΡΡΠ΅Π½ΡΠ½ΡΡ ΡΠΊΡΠΏΠ΅ΡΠΈΠΌΠ΅Π½ΡΠΎΠ² IHC
Π‘ΡΠ΅Π·Ρ ΠΌΠΎΠ·Π³Π° Π½Π°Π±Π»ΡΠ΄Π°Π»ΠΈΡΡ Ρ ΠΏΠΎΠΌΠΎΡΡΡ Π»Π°Π·Π΅ΡΠ½ΠΎΠ³ΠΎ ΡΠΊΠ°Π½ΠΈΡΡΡΡΠ΅Π³ΠΎ ΠΊΠΎΠ½ΡΠΎΠΊΠ°Π»ΡΠ½ΠΎΠ³ΠΎ ΠΌΠΈΠΊΡΠΎΡΠΊΠΎΠΏΠ° Π²ΡΡΠΎΠΊΠΎΠ³ΠΎ ΡΠ°Π·ΡΠ΅ΡΠ΅Π½ΠΈΡ ΡΠΎ ΡΡΡΡΠΊΡΡΡΠΈΡΠΎΠ²Π°Π½Π½ΡΠΌ ΠΎΡΠ²Π΅ΡΠ΅Π½ΠΈΠ΅ΠΌ Nikon N-SIM (Nikon). ΠΠ·ΠΎΠ±ΡΠ°ΠΆΠ΅Π½ΠΈΡ Π±ΡΠ»ΠΈ ΠΏΠΎΠ»ΡΡΠ΅Π½Ρ Ρ ΠΏΠΎΠΌΠΎΡΡΡ NIS Elements (Nikon) ΠΈ ΠΏΡΠΎΠ°Π½Π°Π»ΠΈΠ·ΠΈΡΠΎΠ²Π°Π½Ρ Ρ ΠΏΠΎΠΌΠΎΡΡΡ FIJI (ImageJ).ΠΡΠ΅ ΡΠΈΡΡΠΎΠ²ΡΠ΅ ΠΈΠ·ΠΎΠ±ΡΠ°ΠΆΠ΅Π½ΠΈΡ Π±ΡΠ»ΠΈ ΠΏΠΎΠ»ΡΡΠ΅Π½Ρ Ρ ΠΈΡΠΏΠΎΠ»ΡΠ·ΠΎΠ²Π°Π½ΠΈΠ΅ΠΌ ΠΎΠ±ΡΠ΅ΠΊΡΠΈΠ²Π° 20x. ΠΠ»Ρ Π²ΠΈΠ·ΡΠ°Π»ΠΈΠ·Π°ΡΠΈΠΈ ΠΈ ΠΊΠΎΠ»ΠΈΡΠ΅ΡΡΠ²Π΅Π½Π½ΠΎΠΉ ΠΎΡΠ΅Π½ΠΊΠΈ PL (Π²Π·ΡΡΡΡ ΠΌΠ΅ΠΆΠ΄Ρ AP: +2,5 ΠΌΠΌ Π΄ΠΎ +3,0 ΠΌΠΌ ΠΎΡΠ½ΠΎΡΠΈΡΠ΅Π»ΡΠ½ΠΎ Π±ΡΠ΅Π³ΠΌΡ) Π³ΡΠ°Π½ΠΈΡΡ Π±ΡΠ»ΠΈ ΠΎΡΠ½ΠΎΠ²Π°Π½Ρ Π½Π° ΡΠ°Π½Π΅Π΅ ΠΎΠΏΠΈΡΠ°Π½Π½ΡΡ (Baratta et al., 2009) Ρ ΡΡΠ΅ΡΠΎΠΌ Π°ΡΠ»Π°ΡΠ° Π³ΠΎΠ»ΠΎΠ²Π½ΠΎΠ³ΠΎ ΠΌΠΎΠ·Π³Π° (Paxinos and Watson, 2011) . Π ΡΠΊΡΠΏΠ΅ΡΠΈΠΌΠ΅Π½ΡΠ΅ ΠΏΠΎ ΡΠ΅ΡΡΠΎΠ³ΡΠ°Π΄Π½ΠΎΠΌΡ ΠΎΡΡΠ»Π΅ΠΆΠΈΠ²Π°Π½ΠΈΡ PL-DRN ΡΠ΅Π»ΡΡΠ° ΠΊΠ»Π΅ΡΠΎΠΊ RB + Π² PL Π½Π°Π±Π»ΡΠ΄Π°Π»ΠΈΡΡ Ρ ΠΈΡΠΏΠΎΠ»ΡΠ·ΠΎΠ²Π°Π½ΠΈΠ΅ΠΌ Π»Π°Π·Π΅ΡΠ½ΠΎΠΉ Π»ΠΈΠ½ΠΈΠΈ Ρ Π΄Π»ΠΈΠ½ΠΎΠΉ Π²ΠΎΠ»Π½Ρ 546 Π½ΠΌ ΠΈ Π±ΡΠ»ΠΈ ΠΎΠΊΡΠ°ΡΠ΅Π½Ρ Π² ΠΊΡΠ°ΡΠ½ΡΠΉ ΡΠ²Π΅Ρ. Π―Π΄ΡΠ° Fos + Π½Π°Π±Π»ΡΠ΄Π°Π»ΠΈΡΡ Ρ ΠΏΠΎΠΌΠΎΡΡΡ Π»Π°Π·Π΅ΡΠ½ΠΎΠΉ Π»ΠΈΠ½ΠΈΠΈ Ρ Π΄Π»ΠΈΠ½ΠΎΠΉ Π²ΠΎΠ»Π½Ρ 405 Π½ΠΌ ΠΈ Π±ΡΠ»ΠΈ ΠΎΠΊΡΠ°ΡΠ΅Π½Ρ Π² ΡΠΈΠ½ΠΈΠΉ ΡΠ²Π΅Ρ.RB + ΠΈ Fos + ΠΊΠ»Π΅ΡΠΊΠΈ Π² PL Π±ΡΠ»ΠΈ ΠΊΠΎΠ»ΠΈΡΠ΅ΡΡΠ²Π΅Π½Π½ΠΎ ΠΎΠΏΡΠ΅Π΄Π΅Π»Π΅Π½Ρ ΠΈ Π·Π°ΠΏΠΈΡΠ°Π½Ρ ΠΎΡΠ΄Π΅Π»ΡΠ½ΠΎ. Π‘ΠΎΠΎΠ±ΡΠ°Π»ΠΎΡΡ ΠΎ ΡΠΎΠ²ΠΌΠ΅ΡΡΠ½ΠΎΠΉ Π»ΠΎΠΊΠ°Π»ΠΈΠ·Π°ΡΠΈΠΈ RB ΠΈ Fos, ΠΊΠΎΠ³Π΄Π° Π½Π°Π±Π»ΡΠ΄Π°Π»ΠΈ ΠΈ ΠΏΡΠΎΠ²Π΅ΡΡΠ»ΠΈ, ΡΡΠΎ ΠΊΡΠ°ΡΠ½ΠΎΠ΅ / ΠΏΡΡΠΏΡΡΠ½ΠΎΠ΅ ΡΠ΅Π»ΠΎ ΠΊΠ»Π΅ΡΠΊΠΈ, ΠΏΡΠ΅Π΄ΡΡΠ°Π²Π»ΡΡΡΠ΅Π΅ ΡΠΌΠ΅ΡΡ Π΄Π²ΡΡ ΡΠ»ΡΠΎΡΠΎΡΠΎΡΠΎΠ², ΠΏΠ΅ΡΠ΅ΠΊΡΡΠ²Π°Π΅Ρ ΠΊΠ»Π΅ΡΠΊΠΈ RB + ΠΈ Fos +. Π ΡΠΊΡΠΏΠ΅ΡΠΈΠΌΠ΅Π½ΡΠ΅ PL RAM Π½Π΅ΠΉΡΠΎΠ½Ρ, ΠΌΠ΅ΡΠ΅Π½Π½ΡΠ΅ eYFP (ΠΌΠ΅ΡΡΠΎ Π²ΠΈΡΡΡΠ½ΠΎΠΉ ΠΈΠ½ΡΠ΅ΠΊΡΠΈΠΈ), Π½Π°Π±Π»ΡΠ΄Π°Π»ΠΈΡΡ Ρ ΠΏΠΎΠΌΠΎΡΡΡ Π»Π°Π·Π΅ΡΠ½ΠΎΠΉ Π»ΠΈΠ½ΠΈΠΈ Ρ Π΄Π»ΠΈΠ½ΠΎΠΉ Π²ΠΎΠ»Π½Ρ 488 Π½ΠΌ ΠΈ Π±ΡΠ»ΠΈ ΠΎΠΊΡΠ°ΡΠ΅Π½Ρ Π² ΠΏΡΠ΅Π²Π΄ΠΎ-Π·Π΅Π»Π΅Π½ΡΠΉ ΡΠ²Π΅Ρ. ΠΠΊΡΠΏΡΠ΅ΡΡΠΈΡ eYFP Π±ΡΠ»Π° ΠΏΠΎΠ΄ΡΠ²Π΅ΡΠΆΠ΄Π΅Π½Π° Ρ Π²ΡΠ΅Ρ ΡΡΠ±ΡΠ΅ΠΊΡΠΎΠ², Π²ΠΊΠ»ΡΡΠ΅Π½Π½ΡΡ Π² ΡΡΠ°ΡΠΈΡΡΠΈΡΠ΅ΡΠΊΠΈΠΉ Π°Π½Π°Π»ΠΈΠ·. ΠΠΎΡΠ»Π΅ ΠΏΠΎΠ΄ΡΠ²Π΅ΡΠΆΠ΄Π΅Π½ΠΈΡ ΡΠΎΡΠ½ΠΎΠΉ Π²ΠΈΡΡΡΠ½ΠΎΠΉ ΠΈΠ½ΡΠ΅ΠΊΡΠΈΠΈ ΡΠ΄ΡΠ°, ΠΌΠ΅ΡΠ΅Π½Π½ΡΠ΅ RAM, Π½Π°Π±Π»ΡΠ΄Π°Π»ΠΈΡΡ Ρ ΠΏΠΎΠΌΠΎΡΡΡ Π»Π°Π·Π΅ΡΠ½ΠΎΠΉ Π»ΠΈΠ½ΠΈΠΈ Ρ Π΄Π»ΠΈΠ½ΠΎΠΉ Π²ΠΎΠ»Π½Ρ 546 Π½ΠΌ ΠΈ Π±ΡΠ»ΠΈ ΠΎΠΊΡΠ°ΡΠ΅Π½Ρ Π² ΠΊΡΠ°ΡΠ½ΡΠΉ ΠΏΡΠ΅Π²Π΄ΠΎΡΠ²Π΅Ρ.Π―Π΄ΡΠ° Fos + Π½Π°Π±Π»ΡΠ΄Π°Π»ΠΈΡΡ Ρ ΠΏΠΎΠΌΠΎΡΡΡ Π»Π°Π·Π΅ΡΠ½ΠΎΠΉ Π»ΠΈΠ½ΠΈΠΈ Ρ Π΄Π»ΠΈΠ½ΠΎΠΉ Π²ΠΎΠ»Π½Ρ 405 Π½ΠΌ ΠΈ Π±ΡΠ»ΠΈ ΠΎΠΊΡΠ°ΡΠ΅Π½Ρ Π² ΡΠΈΠ½ΠΈΠΉ ΡΠ²Π΅Ρ. ΠΠ»Π΅ΡΠΊΠΈ RAM + ΠΈ Fos + Π² PL Π±ΡΠ»ΠΈ ΠΊΠΎΠ»ΠΈΡΠ΅ΡΡΠ²Π΅Π½Π½ΠΎ ΠΎΠΏΡΠ΅Π΄Π΅Π»Π΅Π½Ρ ΠΈ Π·Π°ΠΏΠΈΡΠ°Π½Ρ ΠΎΡΠ΄Π΅Π»ΡΠ½ΠΎ. Π‘ΠΎΠΎΠ±ΡΠ°Π»ΠΎΡΡ ΠΎ ΡΠΎΠ²ΠΌΠ΅ΡΡΠ½ΠΎΠΉ Π»ΠΎΠΊΠ°Π»ΠΈΠ·Π°ΡΠΈΠΈ RAM ΠΈ Fos, ΠΊΠΎΠ³Π΄Π° Π½Π°Π±Π»ΡΠ΄Π°Π»ΠΈ ΠΈ ΠΏΡΠΎΠ²Π΅ΡΡΠ»ΠΈ, ΡΡΠΎ ΠΏΡΡΠΏΡΡΠ½ΠΎΠ΅ ΡΠ΄ΡΠΎ, ΠΏΡΠ΅Π΄ΡΡΠ°Π²Π»ΡΡΡΠ΅Π΅ ΡΠΌΠ΅ΡΡ Π΄Π²ΡΡ ΡΠ»ΡΠΎΡΠΎΡΠΎΡΠΎΠ², ΠΏΠ΅ΡΠ΅ΠΊΡΡΠ²Π°Π΅Ρ RAM ΠΈ Fos. Π ΡΠΊΡΠΏΠ΅ΡΠΈΠΌΠ΅Π½ΡΠ΅ ΠΏΠΎ ΠΏΠΎΠ΄Π°Π²Π»Π΅Π½ΠΈΡ ΠΎΠΏΠΎΡΡΠ΅Π΄ΠΎΠ²Π°Π½Π½ΠΎΠ³ΠΎ DREADD ΠΏΡΡΠΈ PL-DRN ΠΏΠΎΠ»ΠΎΠΆΠΈΡΠ΅Π»ΡΠ½ΡΠ΅ ΠΊΠ»Π΅ΡΠΊΠΈ DREADD ΠΈΠ»ΠΈ mCherry Π½Π°Π±Π»ΡΠ΄Π°Π»ΠΈΡΡ Ρ ΠΈΡΠΏΠΎΠ»ΡΠ·ΠΎΠ²Π°Π½ΠΈΠ΅ΠΌ Π»Π°Π·Π΅ΡΠ½ΠΎΠΉ Π»ΠΈΠ½ΠΈΠΈ Ρ Π΄Π»ΠΈΠ½ΠΎΠΉ Π²ΠΎΠ»Π½Ρ 546 Π½ΠΌ, ΠΈ ΠΎΠ½ΠΈ Π±ΡΠ»ΠΈ ΠΎΠΊΡΠ°ΡΠ΅Π½Ρ Π² ΠΊΡΠ°ΡΠ½ΡΠΉ ΡΠ²Π΅Ρ. ΠΠ»Π΅ΡΠΊΠΈ Fos + Π½Π°Π±Π»ΡΠ΄Π°Π»ΠΈΡΡ Ρ ΠΈΡΠΏΠΎΠ»ΡΠ·ΠΎΠ²Π°Π½ΠΈΠ΅ΠΌ Π»Π°Π·Π΅ΡΠ½ΠΎΠΉ Π»ΠΈΠ½ΠΈΠΈ Ρ Π΄Π»ΠΈΠ½ΠΎΠΉ Π²ΠΎΠ»Π½Ρ 405 Π½ΠΌ ΠΈ Π±ΡΠ»ΠΈ ΠΎΠΊΡΠ°ΡΠ΅Π½Ρ Π² Π·Π΅Π»Π΅Π½ΡΠΉ ΠΏΡΠ΅Π²Π΄ΠΎ-ΡΠ²Π΅Ρ.ΠΠ»Π΅ΡΠΊΠΈ DREADD + ΠΈ Fos + Π² PL Π±ΡΠ»ΠΈ ΠΊΠΎΠ»ΠΈΡΠ΅ΡΡΠ²Π΅Π½Π½ΠΎ ΠΎΠΏΡΠ΅Π΄Π΅Π»Π΅Π½Ρ ΠΈ Π·Π°ΠΏΠΈΡΠ°Π½Ρ ΠΎΡΠ΄Π΅Π»ΡΠ½ΠΎ. Π‘ΠΎΠΎΠ±ΡΠ°Π»ΠΎΡΡ ΠΎ ΡΠΎΠ²ΠΌΠ΅ΡΡΠ½ΠΎΠΉ Π»ΠΎΠΊΠ°Π»ΠΈΠ·Π°ΡΠΈΠΈ DREADD ΠΈ Fos, ΠΊΠΎΠ³Π΄Π° Π½Π°Π±Π»ΡΠ΄Π°Π»ΠΈ ΠΈ ΠΏΡΠΎΠ²Π΅ΡΡΠ»ΠΈ, ΡΡΠΎ ΠΆΠ΅Π»ΡΠΎΠ΅ ΡΠ΄ΡΠΎ, ΠΏΡΠ΅Π΄ΡΡΠ°Π²Π»ΡΡΡΠ΅Π΅ ΡΠΌΠ΅ΡΡ Π΄Π²ΡΡ ΡΠ»ΡΠΎΡΠΎΡΠΎΡΠΎΠ², ΠΏΠ΅ΡΠ΅ΠΊΡΡΠ²Π°Π΅Ρ DREADD ΠΈ Fos. ΠΠ»Ρ ΠΊΠ°ΠΆΠ΄ΠΎΠ³ΠΎ ΡΡΠ±ΡΠ΅ΠΊΡΠ° Π±ΡΠ»ΠΈ Π²Π·ΡΡΡ Π΄Π²Π° ΠΎΡΠ΄Π΅Π»ΡΠ½ΡΡ ΠΏΠΎΠ΄ΡΡΠ΅ΡΠ° Π΄Π»Ρ ΡΠΊΠ°Π½ΠΈ PL, ΠΎΡ Π²Π°ΡΡΠ²Π°ΡΡΠ΅ΠΉ AP: ΠΎΡ +2,5 ΠΌΠΌ Π΄ΠΎ +3,0 ΠΌΠΌ. ΠΠ²Π° ΠΏΠΎΠ΄ΡΡΠ΅ΡΠ° Π΄Π»Ρ ΠΊΠ°ΠΆΠ΄ΠΎΠ³ΠΎ ΡΡΠ±ΡΠ΅Π³ΠΈΠΎΠ½Π° Π±ΡΠ»ΠΈ ΡΡΡΠ΅Π΄Π½Π΅Π½Ρ ΠΈ ΠΈΡΠΏΠΎΠ»ΡΠ·ΠΎΠ²Π°Π»ΠΈΡΡ Π΄Π»Ρ ΡΡΠ°ΡΠΈΡΡΠΈΡΠ΅ΡΠΊΠΎΠ³ΠΎ Π°Π½Π°Π»ΠΈΠ·Π°.
ΠΠ»ΠΈΡΠ½ΠΈΠ΅ ΠΊΠ΅ΡΠ°ΠΌΠΈΠ½Π° Π½Π° Π±ΠΎΠ»Π΅Π΅ ΠΏΠΎΠ·Π΄Π½ΠΈΠ΅ JSE
ΠΡΡΡΡ, ΡΠ»ΡΡΠ°ΠΉΠ½ΡΠΌ ΠΎΠ±ΡΠ°Π·ΠΎΠΌ Π½Π°Π·Π½Π°ΡΠ΅Π½Π½ΡΠ΅ Π΄Π»Ρ Π»Π΅ΡΠ΅Π½ΠΈΡ Π»Π΅ΠΊΠ°ΡΡΡΠ²Π°ΠΌΠΈ ΠΈ ΡΡΡΠ΅ΡΡΠΎΠΌ, ΠΏΠΎΠ»ΡΡΠ°Π»ΠΈ ΠΎΠ΄Π½ΠΎΠΊΡΠ°ΡΠ½ΡΡ ΡΠΈΡΡΠ΅ΠΌΠ½ΡΡ ΠΈΠ½ΡΠ΅ΠΊΡΠΈΡ ΠΊΠ΅ΡΠ°ΠΌΠΈΠ½Π° (10 ΠΈΠ»ΠΈ 40 ΠΌΠ³ / ΠΊΠ³, Ρ.Π΅.p.) ΠΈΠ»ΠΈ ΡΡΠ°Π½ΡΠΏΠΎΡΡΠ½ΠΎΠ΅ ΡΡΠ΅Π΄ΡΡΠ²ΠΎ Π·Π° Π½Π΅Π΄Π΅Π»Ρ Π΄ΠΎ IS ΠΈΠ»ΠΈ HC. Π§Π΅ΡΠ΅Π· 24 ΡΠ°ΡΠ° ΠΏΠΎΡΠ»Π΅ Π·Π°Π²Π΅ΡΡΠ΅Π½ΠΈΡ IS ΠΈΠ»ΠΈ HC ΠΊΡΡΡΡ ΠΏΡΠΎΡΠ»ΠΈ ΡΠ΅ΡΡΠΈΡΠΎΠ²Π°Π½ΠΈΠ΅ JSE.
ΠΠ»ΠΈΡΠ½ΠΈΠ΅ ΠΊΠ΅ΡΠ°ΠΌΠΈΠ½Π° Π½Π° ΡΡΡΠ΅ΡΡ-ΠΈΠ½Π΄ΡΡΠΈΡΠΎΠ²Π°Π½Π½ΡΡ Π°ΠΊΡΠΈΠ²Π°ΡΠΈΡ Fos Π² DRN. ΡΠΎ ΠΆΠ΅ Π²ΡΠ΅ΠΌΡ Π΄Π»Ρ ΠΊΡΡΡ, Π½Π°Π·Π½Π°ΡΠ΅Π½Π½ΡΡ HC. ΠΡΡΡΠ°ΠΌ Π±ΡΠ»Π° ΡΠ΄Π΅Π»Π°Π½Π° ΡΡΠ°Π½ΡΠΊΠ°ΡΠ΄ΠΈΠ°Π»ΡΠ½Π°Ρ ΠΏΠ΅ΡΡΡΠ·ΠΈΡ 100 ΠΌΠ» Π»Π΅Π΄ΡΠ½ΠΎΠ³ΠΎ 0,9% ΡΠΈΠ·ΠΈΠΎΠ»ΠΎΠ³ΠΈΡΠ΅ΡΠΊΠΎΠ³ΠΎ ΡΠ°ΡΡΠ²ΠΎΡΠ°, ΡΡΠ°Π·Ρ ΠΏΠΎΡΠ»Π΅ ΡΡΠΎΠ³ΠΎ — 250 ΠΌΠ» 4% ΠΏΠ°ΡΠ°ΡΠΎΡΠΌΠ°Π»ΡΠ΄Π΅Π³ΠΈΠ΄Π° Π² ΡΠ°ΡΡΠ²ΠΎΡΠ΅ 0.1 Π ΡΠΎΡΡΠ°ΡΠ½ΡΠΉ Π±ΡΡΠ΅Ρ (PB; pH ~ 7,4). ΠΠΎΠ·Π³ ΠΏΠΎΠ΄Π²Π΅ΡΠ³Π°Π»ΠΈ ΠΏΠΎΡΠ»Π΅Π΄ΡΡΡΠ΅ΠΉ ΡΠΈΠΊΡΠ°ΡΠΈΠΈ Π² ΡΠ΅ΡΠ΅Π½ΠΈΠ΅ Π½ΠΎΡΠΈ Π² ΡΠΎΠΌ ΠΆΠ΅ ΡΠΈΠΊΡΠ°ΡΠΎΡΠ΅ ΠΈ ΠΏΠ΅ΡΠ΅Π½ΠΎΡΠΈΠ»ΠΈ Π² 30% ΡΠ°ΡΡΠ²ΠΎΡ ΡΠ°Ρ Π°ΡΠΎΠ·Ρ Π² 0,1 Π PB, Π·Π°ΡΠ΅ΠΌ Ρ ΡΠ°Π½ΠΈΠ»ΠΈ ΠΏΡΠΈ 4 Β° C Π΄ΠΎ ΡΠ°Π·Π΄Π΅Π»Π΅Π½ΠΈΡ Π½Π° ΡΡΠ΅Π·Ρ. ΠΠΎΡΠΎΠ½Π°Π»ΡΠ½ΡΠ΅ ΡΡΠ΅Π·Ρ Π³ΠΎΠ»ΠΎΠ²Π½ΠΎΠ³ΠΎ ΠΌΠΎΠ·Π³Π°, ΡΠΎΠ΄Π΅ΡΠΆΠ°ΡΠΈΠ΅ DRN, Π±ΡΠ»ΠΈ ΠΏΠΎΠ»ΡΡΠ΅Π½Ρ ΠΏΡΠΈ ΡΠ°Π·ΠΌΠ΅ΡΠ΅ 35 ΠΌΠΊΠΌ. Π’ΠΊΠ°Π½Ρ DRN, ΠΈΡΠΏΠΎΠ»ΡΠ·ΡΠ΅ΠΌΡΡ Π΄Π»Ρ IHC, ΠΏΠΎΠΌΠ΅ΡΠ°Π»ΠΈ Π½Π΅ΠΏΠΎΡΡΠ΅Π΄ΡΡΠ²Π΅Π½Π½ΠΎ Π² 24-Π»ΡΠ½ΠΎΡΠ½ΡΠΉ ΠΏΠ»Π°Π½ΡΠ΅Ρ.
ΠΠΠ₯ Π΄Π»Ρ Fos ΠΈ 5-HT
ΠΠΊΡΠ°ΡΠΈΠ²Π°Π½ΠΈΠ΅ Π΄Π»Ρ Fos ΠΈ 5-HT ΠΏΡΠΎΠ²ΠΎΠ΄ΠΈΠ»ΠΈ, ΠΊΠ°ΠΊ ΠΎΠΏΠΈΡΠ°Π½ΠΎ ΡΠ°Π½Π΅Π΅ (Grahn et al., 1999). ΠΠΊΡΠ°ΡΠΈΠ²Π°Π½ΠΈΠ΅ Π½Π° Fos ΠΏΡΠΎΠ²ΠΎΠ΄ΠΈΠ»ΠΈ Ρ ΠΈΡΠΏΠΎΠ»ΡΠ·ΠΎΠ²Π°Π½ΠΈΠ΅ΠΌ ΠΌΠ΅ΡΠΎΠ΄Π° Π°Π²ΠΈΠ΄ΠΈΠ½-Π±ΠΈΠΎΡΠΈΠ½-ΠΏΠ΅ΡΠΎΠΊΡΠΈΠ΄Π°Π·Ρ Ρ ΡΠ΅Π½Π° (ABC).ΠΠΎΡΠ»Π΅ ΡΠ΅ΡΠΈΠΈ ΠΏΡΠΎΠΌΡΠ²Π°Π½ΠΈΠΉ Π² 0,1 Π PBS ΡΡΠ΅Π·Ρ ΠΈΠ½ΠΊΡΠ±ΠΈΡΠΎΠ²Π°Π»ΠΈ Π² 0,9% ΡΠ°ΡΡΠ²ΠΎΡΠ΅ ΠΏΠ΅ΡΠ΅ΠΊΠΈΡΠΈ Π²ΠΎΠ΄ΠΎΡΠΎΠ΄Π° Π΄Π»Ρ ΠΏΠΎΠ΄Π°Π²Π»Π΅Π½ΠΈΡ ΡΠ½Π΄ΠΎΠ³Π΅Π½Π½ΡΡ ΠΏΠ΅ΡΠΎΠΊΡΠΈΠ΄Π°Π·. ΠΠ°ΡΠ΅ΠΌ ΡΡΠ΅Π·Ρ ΠΈΠ½ΠΊΡΠ±ΠΈΡΠΎΠ²Π°Π»ΠΈ Π² ΡΠ΅ΡΠ΅Π½ΠΈΠ΅ 24 ΡΠ°ΡΠΎΠ² ΠΏΡΠΈ ΠΊΠΎΠΌΠ½Π°ΡΠ½ΠΎΠΉ ΡΠ΅ΠΌΠΏΠ΅ΡΠ°ΡΡΡΠ΅ Ρ ΠΏΠ΅ΡΠ²ΠΈΡΠ½ΡΠΌ Π°Π½ΡΠΈΡΠ΅Π»ΠΎΠΌ Fos (1:15 000; Santa Cruz Biotechnology) Π² Π±Π»ΠΎΠΊΠΈΡΡΡΡΠ΅ΠΌ ΡΠ°ΡΡΠ²ΠΎΡΠ΅, ΡΠΎΠ΄Π΅ΡΠΆΠ°ΡΠ΅ΠΌ 2% Π½ΠΎΡΠΌΠ°Π»ΡΠ½ΠΎΠΉ ΠΊΠΎΠ·ΡΠ΅ΠΉ ΡΡΠ²ΠΎΡΠΎΡΠΊΠΈ (NGS), 0,5% Triton X-100 ΠΈ 0,1% Π°Π·ΠΈΠ΄Π° Π½Π°ΡΡΠΈΡ. ΠΠΎΡΠ»Π΅ ΠΈΠ½ΠΊΡΠ±Π°ΡΠΈΠΈ ΠΏΠ΅ΡΠ²ΠΈΡΠ½ΠΎΠ³ΠΎ Π°Π½ΡΠΈΡΠ΅Π»Π° ΡΡΠ΅Π·Ρ ΠΈΠ½ΠΊΡΠ±ΠΈΡΠΎΠ²Π°Π»ΠΈ Π² ΡΠ΅ΡΠ΅Π½ΠΈΠ΅ 2 Ρ ΠΏΡΠΈ ΠΊΠΎΠΌΠ½Π°ΡΠ½ΠΎΠΉ ΡΠ΅ΠΌΠΏΠ΅ΡΠ°ΡΡΡΠ΅ Π² Π±ΠΈΠΎΡΠΈΠ½ΠΈΠ»ΠΈΡΠΎΠ²Π°Π½Π½ΠΎΠΌ ΠΊΠΎΠ·ΡΠ΅ΠΌ Π²ΡΠΎΡΠΈΡΠ½ΠΎΠΌ Π°Π½ΡΠΈΡΠ΅Π»Π΅ ΠΏΡΠΎΡΠΈΠ² ΠΊΡΠΎΠ»ΠΈΠΊΠ° (1: 200; Jackson ImmunoResearch) Π² Π±Π»ΠΎΠΊΠΈΡΡΡΡΠ΅ΠΌ ΡΠ°ΡΡΠ²ΠΎΡΠ΅.ΠΠΎΡΠ»Π΅ ΡΠ΅ΡΠΈΠΈ ΠΏΡΠΎΠΌΡΠ²Π°Π½ΠΈΠΉ PBS ΡΡΠ΅Π·Ρ ΠΈΠ½ΠΊΡΠ±ΠΈΡΠΎΠ²Π°Π»ΠΈ Π² ABC Π² ΡΠ΅ΡΠ΅Π½ΠΈΠ΅ 1 Ρ ΠΏΡΠΈ ΠΊΠΎΠΌΠ½Π°ΡΠ½ΠΎΠΉ ΡΠ΅ΠΌΠΏΠ΅ΡΠ°ΡΡΡΠ΅. ΠΠ°ΡΠ΅ΠΌ ΡΡΠ΅Π·Ρ ΠΏΡΠΎΠΌΡΠ²Π°Π»ΠΈ 0,1 ΠΌ PB ΠΈ Π·Π°ΡΠ΅ΠΌ ΠΏΠΎΠ΄Π²Π΅ΡΠ³Π°Π»ΠΈ Π²ΠΎΠ·Π΄Π΅ΠΉΡΡΠ²ΠΈΡ ΡΠ°ΡΡΠ²ΠΎΡΠ°, ΡΠΎΠ΄Π΅ΡΠΆΠ°ΡΠ΅Π³ΠΎ 3,3-Π΄ΠΈΠ°ΠΌΠΈΠ½ΠΎΠ±Π΅Π½Π·ΠΈΠ΄ΠΈΠ½ (DAB), Ρ Π»ΠΎΡΠΈΠ΄ ΠΊΠΎΠ±Π°Π»ΡΡΠ°, ΡΡΠ»ΡΡΠ°Ρ Π½ΠΈΠΊΠ΅Π»Ρ-Π°ΠΌΠΌΠΎΠ½ΠΈΡ, Ρ Π»ΠΎΡΠΈΠ΄ Π°ΠΌΠΌΠΎΠ½ΠΈΡ ΠΈ Π³Π»ΡΠΊΠΎΠ·ΠΎΠΎΠΊΡΠΈΠ΄Π°Π·Ρ Π² PB. ΠΠ΅ΡΠΎΠΊΡΠΈΠ΄Π°Π·Π½ΡΡ ΡΠ΅Π°ΠΊΡΠΈΡ ΠΈΠ½ΠΈΡΠΈΠΈΡΠΎΠ²Π°Π»ΠΈ Π΄ΠΎΠ±Π°Π²Π»Π΅Π½ΠΈΠ΅ΠΌ ΡΠ°ΡΡΠ²ΠΎΡΠ° Π³Π»ΡΠΊΠΎΠ·Ρ, ΠΊΠΎΡΠΎΡΡΠΉ ΡΠ΅Π°Π³ΠΈΡΠΎΠ²Π°Π» Ρ ΡΠΊΠ°Π½ΡΡ Π² ΡΠ΅ΡΠ΅Π½ΠΈΠ΅ βΌ7β10 ΠΌΠΈΠ½. Π Π΅Π°ΠΊΡΠΈΡ ΠΎΡΡΠ°Π½Π°Π²Π»ΠΈΠ²Π°Π»ΠΈ ΠΏΡΠΎΠΌΡΠ²Π°Π½ΠΈΠ΅ΠΌ ΡΡΠ΅Π·ΠΎΠ² PBS. Π’ΠΊΠ°Π½Ρ ΠΏΠΎΠΌΠ΅ΡΠ°Π»ΠΈ Π½Π° ΠΏΡΠ΅Π΄ΠΌΠ΅ΡΠ½ΠΎΠ΅ ΡΡΠ΅ΠΊΠ»ΠΎ ΠΈ ΡΠ½ΠΈΠΌΠ°Π»ΠΈ ΠΊΡΡΡΠΊΡ Π΄Π»Ρ ΠΏΠΎΡΠ»Π΅Π΄ΡΡΡΠ΅Π³ΠΎ Π°Π½Π°Π»ΠΈΠ·Π°.ΠΠΊΡΠ°ΡΠΈΠ²Π°Π½ΠΈΠ΅ 5-HT ΠΏΡΠΎΠ²ΠΎΠ΄ΠΈΠ»ΠΈ Ρ ΠΈΡΠΏΠΎΠ»ΡΠ·ΠΎΠ²Π°Π½ΠΈΠ΅ΠΌ ΠΌΠ΅ΡΠΎΠ΄Π° ΠΏΠ΅ΡΠΎΠΊΡΠΈΠ΄Π°Π·Π½ΠΎ-Π°Π½ΡΠΈΠΏΠ΅ΡΠΎΠΊΡΠΈΠ΄Π°Π·Π½ΠΎΠ³ΠΎ (PAP) ΠΌΠ΅ΡΠΎΠ΄Π°. ΠΠΎΡΠ»Π΅ ΡΠ΅ΡΠΈΠΈ ΠΏΡΠΎΠΌΡΠ²Π°Π½ΠΈΠΉ Π² PBS ΠΈΠ·Π±ΡΡΠΎΡΠ½ΠΎΠ΅ ΡΠΎΠ½ΠΎΠ²ΠΎΠ΅ ΠΎΠΊΡΠ°ΡΠΈΠ²Π°Π½ΠΈΠ΅ 5-HT ΠΏΡΠ΅Π΄ΠΎΡΠ²ΡΠ°ΡΠ°Π»ΠΎΡΡ ΠΈΠ½ΠΊΡΠ±Π°ΡΠΈΠ΅ΠΉ ΡΡΠ΅Π·ΠΎΠ² Π² Π±Π»ΠΎΠΊΠΈΡΡΡΡΠ΅ΠΌ ΡΠ°ΡΡΠ²ΠΎΡΠ΅ Π² ΡΠ΅ΡΠ΅Π½ΠΈΠ΅ 0,5 ΡΠ°ΡΠ°. ΠΠ°ΡΠ΅ΠΌ ΡΠΊΠ°Π½Ρ ΠΈΠ½ΠΊΡΠ±ΠΈΡΠΎΠ²Π°Π»ΠΈ Π² Π±Π»ΠΎΠΊΠΈΡΡΡΡΠ΅ΠΌ ΡΠ°ΡΡΠ²ΠΎΡΠ΅ Π°Π½ΡΠΈΡΠ΅Π»Π° 5-HT (ΠΊΡΠΎΠ»ΠΈΡΡΠΈ ΠΏΠΎΠ»ΠΈΠΊΠ»ΠΎΠ½Π°Π»ΡΠ½ΡΠ΅ 1: 10 000; Jackson ImmunoResearch) Π² ΡΠ΅ΡΠ΅Π½ΠΈΠ΅ 48 ΡΠ°ΡΠΎΠ² ΠΏΡΠΈ ΠΊΠΎΠΌΠ½Π°ΡΠ½ΠΎΠΉ ΡΠ΅ΠΌΠΏΠ΅ΡΠ°ΡΡΡΠ΅. ΠΡΠΎΡΠΈΡΠ½ΠΎΠ΅ ΠΊΠΎΠ·ΡΠ΅ Π°Π½ΡΠΈΡΠ΅Π»ΠΎ ΠΏΡΠΎΡΠΈΠ² ΠΊΡΠΎΠ»ΠΈΠΊΠ° (1: 200; Jackson ImmunoResearch) Π½Π°Π½ΠΎΡΠΈΠ»ΠΈ Π½Π° ΡΠΊΠ°Π½Ρ Π½Π° 2 ΡΠ°ΡΠ° ΠΏΠΎΡΠ»Π΅ ΡΠ΅ΡΠΈΠΈ ΠΏΡΠΎΠΌΡΠ²ΠΎΠΊ PBS. ΠΠ° ΡΡΠΈΠΌ ΡΡΠ°ΠΏΠΎΠΌ ΠΏΠΎΡΠ»Π΅Π΄ΠΎΠ²Π°Π»Π° Π΅ΡΠ΅ ΠΎΠ΄Π½Π° ΡΠ΅ΡΠΈΡ ΠΏΡΠΎΠΌΡΠ²ΠΎΠΊ PBS ΠΈ ΠΈΠ½ΠΊΡΠ±Π°ΡΠΈΠΈ Ρ Π°Π½ΡΠΈΡΠ΅Π»ΠΎΠΌ PAP (1: 200; Jackson ImmunoResearch) Π² ΡΠ΅ΡΠ΅Π½ΠΈΠ΅ 2 ΡΠ°ΡΠΎΠ².ΠΠΎΡΠ»Π΅ ΡΠ΅ΡΠΈΠΈ ΠΏΡΠΎΠΌΡΠ²Π°Π½ΠΈΠΉ Π² PBS ΡΠΊΠ°Π½Ρ ΠΈΠ½ΠΊΡΠ±ΠΈΡΠΎΠ²Π°Π»ΠΈ Π² ΡΠ°ΡΡΠ²ΠΎΡΠ΅, ΡΠΎΠ΄Π΅ΡΠΆΠ°ΡΠ΅ΠΌ DAB ΠΈ Π³Π»ΡΠΊΠΎΠ·ΠΎΠΎΠΊΡΠΈΠ΄Π°Π·Ρ. ΠΠ΅ΡΠΎΠΊΡΠΈΠ΄Π°Π·Π½ΡΡ ΡΠ΅Π°ΠΊΡΠΈΡ ΠΈΠ½ΠΈΡΠΈΠΈΡΠΎΠ²Π°Π»ΠΈ Π΄ΠΎΠ±Π°Π²Π»Π΅Π½ΠΈΠ΅ΠΌ Π³Π»ΡΠΊΠΎΠ·Ρ ΠΈ ΠΏΡΠΎΠ΄ΠΎΠ»ΠΆΠ°Π»ΠΈ Π² ΡΠ΅ΡΠ΅Π½ΠΈΠ΅ 15 ΠΌΠΈΠ½. ΠΠΎΡΠ»Π΅ ΠΏΠΎΡΠ»Π΅Π΄Π½Π΅ΠΉ ΡΠ΅ΡΠΈΠΈ ΠΏΡΠΎΠΌΡΠ²ΠΎΠΊ PBS ΡΠΊΠ°Π½Ρ ΠΏΠΎΠΌΠ΅ΡΠ°Π»ΠΈ Π½Π° ΠΏΡΠ΅Π΄ΠΌΠ΅ΡΠ½ΡΠ΅ ΡΡΠ΅ΠΊΠ»Π° ΠΈ Π΄Π°Π²Π°Π»ΠΈ Π²ΡΡΠΎΡ Π½ΡΡΡ Π² ΡΠ΅ΡΠ΅Π½ΠΈΠ΅ Π½ΠΎΡΠΈ. Π‘Π»Π°ΠΉΠ΄Ρ Π·Π°ΠΊΡΡΠ²Π°Π»ΠΈ Permount.
ΠΠ½Π°Π»ΠΈΠ· ΠΈΠ·ΠΎΠ±ΡΠ°ΠΆΠ΅Π½ΠΈΠΉ
Π‘ΡΠ΅Π·Ρ ΠΌΠΎΠ·Π³Π° Π½Π°Π±Π»ΡΠ΄Π°Π»ΠΈ Ρ ΠΏΠΎΠΌΠΎΡΡΡ ΠΌΠΈΠΊΡΠΎΡΠΊΠΎΠΏΠ° ΡΠ²Π΅ΡΠ»ΠΎΠ³ΠΎ ΠΏΠΎΠ»Ρ (Olympus BX-61, Olympus America) ΠΈ Π°Π½Π°Π»ΠΈΠ·ΠΈΡΠΎΠ²Π°Π»ΠΈ Ρ ΠΏΠΎΠΌΠΎΡΡΡ ΠΏΡΠΎΠ³ΡΠ°ΠΌΠΌΠ½ΠΎΠ³ΠΎ ΠΎΠ±Π΅ΡΠΏΠ΅ΡΠ΅Π½ΠΈΡ cellSens (Olympus America).ΠΡΠ΅ ΡΠΈΡΡΠΎΠ²ΡΠ΅ ΠΈΠ·ΠΎΠ±ΡΠ°ΠΆΠ΅Π½ΠΈΡ Π±ΡΠ»ΠΈ ΠΏΠΎΠ»ΡΡΠ΅Π½Ρ Ρ ΠΈΡΠΏΠΎΠ»ΡΠ·ΠΎΠ²Π°Π½ΠΈΠ΅ΠΌ ΠΎΠ±ΡΠ΅ΠΊΡΠΈΠ²Π° 20x. ΠΠ·ΠΎΠ±ΡΠ°ΠΆΠ΅Π½ΠΈΡ DRN Π±ΡΠ»ΠΈ ΠΏΠΎΠ»ΡΡΠ΅Π½Ρ Ρ ΠΈΡΠΏΠΎΠ»ΡΠ·ΠΎΠ²Π°Π½ΠΈΠ΅ΠΌ ΠΏΠ°ΡΠ°ΠΌΠ΅ΡΡΠΎΠ², Π°Π½Π°Π»ΠΎΠ³ΠΈΡΠ½ΡΡ ΠΎΠΏΠΈΡΠ°Π½Π½ΡΠΌ ΡΠ°Π½Π΅Π΅ (Grahn et al., 1999). Π‘ΡΠ΅Π·Ρ, ΡΠΎΠΎΡΠ²Π΅ΡΡΡΠ²ΡΡΡΠΈΠ΅ AP-ΠΊΠΎΠΎΡΠ΄ΠΈΠ½Π°ΡΠ΅ -1,36, -1,00 ΠΈ -0,70 ΠΌΠΌ ΠΎΡΠ½ΠΎΡΠΈΡΠ΅Π»ΡΠ½ΠΎ ΠΈΠ½ΡΠ΅ΡΠ°ΡΡΠ°Π»ΡΠ½ΠΎΠ³ΠΎ Π½ΡΠ»Ρ, Π±ΡΠ»ΠΈ Π²Π·ΡΡΡ Π΄Π»Ρ ΡΠΎΡΡΡΠ°Π»ΡΠ½ΠΎΠ³ΠΎ, ΡΡΠ΅Π΄Π½Π΅Π³ΠΎ ΠΈ ΠΊΠ°ΡΠ΄Π°Π»ΡΠ½ΠΎΠ³ΠΎ DRN ΡΠΎΠΎΡΠ²Π΅ΡΡΡΠ²Π΅Π½Π½ΠΎ. Fos-ΠΏΠΎΠ»ΠΎΠΆΠΈΡΠ΅Π»ΡΠ½ΡΠ΅ ΡΠ΄ΡΠ° Π² ΠΊΠ°ΠΆΠ΄ΠΎΠΉ ΠΏΠΎΠ΄ΠΎΠ±Π»Π°ΡΡΠΈ DRN Π½Π°Π±Π»ΡΠ΄Π°Π»ΠΈΡΡ ΠΊΠ°ΠΊ ΡΠ΅ΠΌΠ½ΠΎ-ΠΊΠΎΡΠΈΡΠ½Π΅Π²ΡΠ΅ ΠΈΠ»ΠΈ ΡΠ΅ΡΠ½ΡΠ΅ ΠΊΡΡΠ³Π»ΡΠ΅ / ΡΠΉΡΠ΅Π²ΠΈΠ΄Π½ΡΠ΅ ΠΏΡΡΠ½Π°. ΠΠΊΡΠ°ΡΠ΅Π½Π½ΡΠ΅ 5-HT ΠΊΠ»Π΅ΡΠΎΡΠ½ΡΠ΅ ΡΠ΅Π»Π° Π½Π°Π±Π»ΡΠ΄Π°Π»ΠΈΡΡ Π² Π²ΠΈΠ΄Π΅ ΡΠ²Π΅ΡΠ»ΠΎ-ΠΊΠΎΡΠΈΡΠ½Π΅Π²ΡΡ ΡΠ°ΡΡΠΈΡ Ρ Π½Π΅ΠΎΠΊΡΠ°ΡΠ΅Π½Π½ΡΠΌΠΈ ΡΠ΄ΡΠ°ΠΌΠΈ ΠΈ Π±Π΅Π· Π½ΠΈΡ .Π‘ΠΎΠ²ΠΌΠ΅ΡΡΠ½Π°Ρ Π»ΠΎΠΊΠ°Π»ΠΈΠ·Π°ΡΠΈΡ Fos ΠΈ 5-HT Π½Π°Π±Π»ΡΠ΄Π°Π»Π°ΡΡ Π² Π²ΠΈΠ΄Π΅ ΡΠ²Π΅ΡΠ»ΠΎ-ΠΊΠΎΡΠΈΡΠ½Π΅Π²ΠΎΠ³ΠΎ ΠΊΠ»Π΅ΡΠΎΡΠ½ΠΎΠ³ΠΎ ΡΠ΅Π»Π° Ρ ΡΠ΅ΡΠ½ΡΠΌ ΡΠ΄ΡΠΎΠΌ. ΠΠ»Ρ ΠΊΠ°ΠΆΠ΄ΠΎΠ³ΠΎ ΡΡΠ±ΡΠ΅ΠΊΡΠ° Π±ΡΠ»ΠΈ Π²Π·ΡΡΡ Π΄Π²Π° ΠΎΡΠ΄Π΅Π»ΡΠ½ΡΡ ΠΏΠΎΠ΄ΡΡΠ΅ΡΠ° ΠΈΠ· ΡΠ°Π·Π½ΡΡ ΡΡΠ΅Π·ΠΎΠ² Π² ΠΊΠ°ΠΆΠ΄ΠΎΠΉ ΠΏΠΎΠ΄ΠΎΠ±Π»Π°ΡΡΠΈ DRN. ΠΠ²Π° ΠΏΠΎΠ΄ΡΡΠ΅ΡΠ° Π΄Π»Ρ ΠΊΠ°ΠΆΠ΄ΠΎΠ³ΠΎ ΡΡΠ±ΡΠ΅Π³ΠΈΠΎΠ½Π° Π±ΡΠ»ΠΈ ΡΡΡΠ΅Π΄Π½Π΅Π½Ρ ΠΈ ΠΈΡΠΏΠΎΠ»ΡΠ·ΠΎΠ²Π°Π»ΠΈΡΡ Π΄Π»Ρ ΡΡΠ°ΡΠΈΡΡΠΈΡΠ΅ΡΠΊΠΎΠ³ΠΎ Π°Π½Π°Π»ΠΈΠ·Π°.
ΠΠ»ΠΈΡΠ½ΠΈΠ΅ ΠΊΠ΅ΡΠ°ΠΌΠΈΠ½Π° Π½Π° Π°ΠΊΡΠΈΠ²Π°ΡΠΈΡ ΠΏΡΡΠΈ PL-DRN
ΠΠΈΠΊΡΠΎΠΈΠ½ΡΠ΅ΠΊΡΠΈΡ ΡΠ΅ΡΡΠΎΠ³ΡΠ°Π΄Π½ΠΎΠ³ΠΎ ΠΈΠ½Π΄ΠΈΠΊΠ°ΡΠΎΡΠ°
ΠΠ΅Π±ΠΎΠ»ΡΡΠΎΠ΅ ΠΎΠΊΠ½ΠΎ (1 Γ 1 ΠΌΠΌ) ΠΏΡΠΎΡΠ²Π΅ΡΠ»ΠΈΠ»ΠΈ Π² ΡΠ΅ΡΠ΅ΠΏΠ΅, ΠΈ ΠΊΡΠ°ΡΠ½ΡΠ΅ ΡΠ»ΡΠΎΡΠ΅ΡΡΠ΅Π½ΡΠ½ΡΠ΅ RB (Lumafluor) Π±ΡΠ»ΠΈ ΠΌΠΈΠΊΡΠΎΠΈΠ½ΡΠ΅ΠΊΡΠΈΡΠΎΠ²Π°Π½Ρ Π² DRN (AP: -8.0 ΠΌΠΌ ΠΎΡΠ½ΠΎΡΠΈΡΠ΅Π»ΡΠ½ΠΎ Π±ΡΠ΅Π³ΠΌΡ, DV: -6,7 ΠΌΠΌ ΠΎΡ ΠΏΠΎΠ²Π΅ΡΡ Π½ΠΎΡΡΠΈ ΡΠ΅ΡΠ΅ΠΏΠ°, ML: Β± 0,0 ΠΌΠΌ ΠΎΡΠ½ΠΎΡΠΈΡΠ΅Π»ΡΠ½ΠΎ ΡΡΠ΅Π΄Π½Π΅ΠΉ Π»ΠΈΠ½ΠΈΠΈ) Ρ ΠΈΡΠΏΠΎΠ»ΡΠ·ΠΎΠ²Π°Π½ΠΈΠ΅ΠΌ ΡΠΏΡΠΈΡΠ° Hamilton Π½Π° 10 ΠΌΠΊΠ» ΠΈ ΠΌΠ΅ΡΠ°Π»Π»ΠΈΡΠ΅ΡΠΊΠΎΠΉ ΠΈΠ³Π»Ρ 31-Π³ΠΎ ΠΊΠ°Π»ΠΈΠ±ΡΠ° ΡΠΎ ΡΠΊΠΎΡΠ΅Π½Π½ΡΠΌ ΠΏΠΎΠ΄ 45 Β° ΠΊΠΎΠ½ΡΠΈΠΊΠΎΠΌ. ΠΠ±ΡΠΈΠΉ ΠΎΠ±ΡΠ΅ΠΌ Π²ΠΏΡΡΡΠΊΠ° (0,3 ΠΌΠΊΠ») ΠΈ ΡΠΊΠΎΡΠΎΡΡΡ ΠΏΠΎΡΠΎΠΊΠ° (0,1 ΠΌΠΊΠ» / ΠΌΠΈΠ½) ΠΊΠΎΠ½ΡΡΠΎΠ»ΠΈΡΠΎΠ²Π°Π»ΠΈ Ρ ΠΏΠΎΠΌΠΎΡΡΡ ΠΌΠΈΠΊΡΠΎΠΈΠ½ΠΆΠ΅ΠΊΡΠΈΠΎΠ½Π½ΠΎΠ³ΠΎ Π½Π°ΡΠΎΡΠ° (UMP3-1; World Precision Instruments). ΠΡΠΎΡ ΠΎΠ±ΡΠ΅ΠΌ ΠΈΠ½ΡΠ΅ΠΊΡΠΈΠΈ Π±ΡΠ» Π²ΡΠ±ΡΠ°Π½ Π½Π° ΠΎΡΠ½ΠΎΠ²Π΅ ΠΏΠΈΠ»ΠΎΡΠ½ΡΡ ΡΠΊΡΠΏΠ΅ΡΠΈΠΌΠ΅Π½ΡΠΎΠ², Π² ΠΊΠΎΡΠΎΡΡΡ Π½Π°Π±Π»ΡΠ΄Π°Π»Π°ΡΡ ΡΡΡΠΎΠΉΡΠΈΠ²Π°Ρ ΡΠΊΡΠΏΡΠ΅ΡΡΠΈΡ RB Π² ΠΏΡΠ΅Π΄Π΅Π»Π°Ρ PL ΡΠ΅ΡΠ΅Π· Π΄Π²Π΅ Π½Π΅Π΄Π΅Π»ΠΈ ΠΏΠΎΡΠ»Π΅ ΠΈΠ½ΡΠ΅ΠΊΡΠΈΠΈ 0,3 ΠΌΠΊΠ» ΠΏΡΠΈ ΡΠΎΡ ΡΠ°Π½Π΅Π½ΠΈΠΈ Π»ΠΎΠΊΠ°Π»ΠΈΠ·ΠΎΠ²Π°Π½Π½ΡΡ ΠΈΠ½ΡΠ΅ΠΊΡΠΈΠΉ.ΠΠΎΡΠ»Π΅ ΠΈΠ½ΡΠ΅ΠΊΡΠΈΠΈ ΠΈΠ³Π»Ρ ΠΎΡΡΠ°Π²Π»ΡΠ»ΠΈ Π½Π° ΠΌΠ΅ΡΡΠ΅ Π΅ΡΠ΅ Π½Π° 10 ΠΌΠΈΠ½, ΡΡΠΎΠ±Ρ ΠΎΠ±Π΅ΡΠΏΠ΅ΡΠΈΡΡ Π΄ΠΈΡΡΡΠ·ΠΈΡ RB, ΠΏΠΎΡΠ»Π΅ ΡΠ΅Π³ΠΎ ΠΈΠ³Π»Ρ ΠΈΠ·Π²Π»Π΅ΠΊΠ°Π»ΠΈ. ΠΠ΅Π±ΠΎΠ»ΡΡΠΎΠΉ ΡΠ°Π·ΡΠ΅Π· Π½Π° ΡΠ΅ΡΠ΅ΠΏΠ΅ Π·Π°ΠΊΡΡΠ»ΠΈ Ρ ΠΏΠΎΠΌΠΎΡΡΡ Vetbond (3M). ΠΡΠ΅ΠΌ ΠΊΡΡΡΠ°ΠΌ Π²Π²ΠΎΠ΄ΠΈΠ»ΠΈ ΠΏΡΠ΅Π΄ΠΎΠΏΠ΅ΡΠ°ΡΠΈΠΎΠ½Π½ΡΠΉ Π°Π½ΡΠΈΠ±ΠΈΠΎΡΠΈΠΊ (ΠΠΎΠΌΠ±ΠΈ-ΠΠ΅Π½-48, 0,25 ΠΌΠ» / ΠΊΠ³, ΠΏ / ΠΊ) ΠΈ ΠΏΠΎΡΠ»Π΅ΠΎΠΏΠ΅ΡΠ°ΡΠΈΠΎΠ½Π½ΡΠΉ Π°Π½Π°Π»ΡΠ³Π΅ΡΠΈΠΊ (ΠΌΠ΅Π»ΠΎΠΊΡΠΈΠΊΠ°ΠΌ, 2 ΠΌΠ³ / ΠΊΠ³, ΠΏ / ΠΊ). Π§Π΅ΡΠ΅Π· Π΄Π²Π΅ Π½Π΅Π΄Π΅Π»ΠΈ ΠΏΠΎΡΠ»Π΅ ΠΌΠΈΠΊΡΠΎΠΈΠ½ΡΠ΅ΠΊΡΠΈΠΈ RB ΠΊΡΡΡΠ°ΠΌ Π²Π²ΠΎΠ΄ΠΈΠ»ΠΈ ΡΠΈΡΡΠ΅ΠΌΠ½ΡΡ ΠΈΠ½ΡΠ΅ΠΊΡΠΈΡ ΠΊΠ΅ΡΠ°ΠΌΠΈΠ½Π° ΠΈΠ»ΠΈ ΡΠΈΠ·ΠΈΠΎΠ»ΠΎΠ³ΠΈΡΠ΅ΡΠΊΠΎΠ³ΠΎ ΡΠ°ΡΡΠ²ΠΎΡΠ°, ΠΈ ΡΠ΅ΡΠ΅Π· 2 ΡΠ°ΡΠ° ΠΎΠ½ΠΈ Π±ΡΠ»ΠΈ ΡΠΌΠ΅ΡΡΠ²Π»Π΅Π½Ρ. ΠΠΈΠΊΡΠΎΠΈΠ½ΡΠ΅ΠΊΡΠΈΠΈ RB ΡΡΠΈΡΠ°Π»ΠΈΡΡ ΡΡΠΏΠ΅ΡΠ½ΡΠΌΠΈ, Π΅ΡΠ»ΠΈ ΡΠΊΡΠΏΡΠ΅ΡΡΠΈΡ ΡΠ²Π½ΠΎ ΠΎΠ³ΡΠ°Π½ΠΈΡΠΈΠ²Π°Π»Π°ΡΡ DRN Π² ΠΊΠΎΡΠΎΠ½Π°ΡΠ½ΡΡ ΡΡΠ΅Π·Π°Ρ ΠΌΠΎΠ·Π³Π°, ΠΏΠΎΠ»ΡΡΠ΅Π½Π½ΡΡ ΠΏΠΎΡΠ»Π΅ Π·Π°Π²Π΅ΡΡΠ΅Π½ΠΈΡ ΡΠΊΡΠΏΠ΅ΡΠΈΠΌΠ΅Π½ΡΠ°.ΠΠ»Ρ ΡΡΠ°ΡΠΈΡΡΠΈΡΠ΅ΡΠΊΠΎΠ³ΠΎ Π°Π½Π°Π»ΠΈΠ·Π° ΠΈΡΠΏΠΎΠ»ΡΠ·ΠΎΠ²Π°Π»ΠΈ ΡΠΎΠ»ΡΠΊΠΎ ΠΊΡΡΡ Ρ ΡΠΎΡΠ½ΡΠΌΠΈ ΠΈΠ½ΡΠ΅ΠΊΡΠΈΡΠΌΠΈ RB.
Π’ΠΊΠ°Π½Π΅Π²ΡΠΉ ΠΏΡΠ΅ΠΏΠ°ΡΠ°Ρ
ΠΡΡΡ ΠΏΠΎΠ΄Π²Π΅ΡΠ³Π°Π»ΠΈ Π³Π»ΡΠ±ΠΎΠΊΠΎΠΉ Π°Π½Π΅ΡΡΠ΅Π·ΠΈΠΈ ΠΏΠ΅Π½ΡΠΎΠ±Π°ΡΠ±ΠΈΡΠ°Π»ΠΎΠΌ Π½Π°ΡΡΠΈΡ (65 ΠΌΠ³ / ΠΊΠ³) ΡΠ΅ΡΠ΅Π· 2 ΡΠ°ΡΠ° ΠΏΠΎΡΠ»Π΅ ΠΈΠ½ΡΠ΅ΠΊΡΠΈΠΈ ΠΊΠ΅ΡΠ°ΠΌΠΈΠ½Π° ΠΈΠ»ΠΈ ΡΠΈΠ·ΠΈΠΎΠ»ΠΎΠ³ΠΈΡΠ΅ΡΠΊΠΎΠ³ΠΎ ΡΠ°ΡΡΠ²ΠΎΡΠ°. ΠΡΡΡΠ°ΠΌ Π²ΡΠΏΠΎΠ»Π½ΡΠ»ΠΈ ΡΡΠ°Π½ΡΠΊΠ°ΡΠ΄ΠΈΠ°Π»ΡΠ½ΡΡ ΠΏΠ΅ΡΡΡΠ·ΠΈΡ 100 ΠΌΠ» Π»Π΅Π΄ΡΠ½ΠΎΠ³ΠΎ 0,9% ΡΠΈΠ·ΠΈΠΎΠ»ΠΎΠ³ΠΈΡΠ΅ΡΠΊΠΎΠ³ΠΎ ΡΠ°ΡΡΠ²ΠΎΡΠ°, ΡΡΠ°Π·Ρ ΠΏΠΎΡΠ»Π΅ ΡΠ΅Π³ΠΎ Π²Π²ΠΎΠ΄ΠΈΠ»ΠΈ 250 ΠΌΠ» 4% ΠΏΠ°ΡΠ°ΡΠΎΡΠΌΠ°Π»ΡΠ΄Π΅Π³ΠΈΠ΄Π° Π² 0,1 Π PB (pH ~ 7,4). ΠΠΎΠ·Π³ ΠΏΠΎΠ΄Π²Π΅ΡΠ³Π°Π»ΠΈ ΠΏΠΎΡΠ»Π΅Π΄ΡΡΡΠ΅ΠΉ ΡΠΈΠΊΡΠ°ΡΠΈΠΈ Π² ΡΠ΅ΡΠ΅Π½ΠΈΠ΅ Π½ΠΎΡΠΈ Π² ΡΠΎΠΌ ΠΆΠ΅ ΡΠΈΠΊΡΠ°ΡΠΎΡΠ΅ ΠΈ ΠΏΠ΅ΡΠ΅Π½ΠΎΡΠΈΠ»ΠΈ Π² 30% ΡΠ°ΡΡΠ²ΠΎΡ ΡΠ°Ρ Π°ΡΠΎΠ·Ρ Π² 0,1 Π PB, Π·Π°ΡΠ΅ΠΌ Ρ ΡΠ°Π½ΠΈΠ»ΠΈ ΠΏΡΠΈ 4 Β° C Π΄ΠΎ ΡΠ°Π·Π΄Π΅Π»Π΅Π½ΠΈΡ Π½Π° ΡΡΠ΅Π·Ρ.ΠΠΎΡΠΎΠ½Π°Π»ΡΠ½ΡΠ΅ ΡΡΠ΅Π·Ρ Π³ΠΎΠ»ΠΎΠ²Π½ΠΎΠ³ΠΎ ΠΌΠΎΠ·Π³Π°, ΡΠΎΠ΄Π΅ΡΠΆΠ°ΡΠΈΠ΅ PL, ΠΏΠΎΠ»ΡΡΠ°Π»ΠΈ ΠΏΡΠΈ Π΄Π»ΠΈΠ½Π΅ Π²ΠΎΠ»Π½Ρ 35 ΠΌΠΊΠΌ. Π’ΠΊΠ°Π½Ρ PL, ΠΈΡΠΏΠΎΠ»ΡΠ·ΠΎΠ²Π°Π½Π½ΡΡ Π΄Π»Ρ IHC, ΠΏΠΎΠΌΠ΅ΡΠ°Π»ΠΈ Π½Π΅ΠΏΠΎΡΡΠ΅Π΄ΡΡΠ²Π΅Π½Π½ΠΎ Π² 24-Π»ΡΠ½ΠΎΡΠ½ΡΠΉ ΠΏΠ»Π°Π½ΡΠ΅Ρ. Π’ΠΊΠ°Π½Ρ DRN ΠΏΠΎΠΌΠ΅ΡΠ°Π»ΠΈ Π½Π° ΠΏΡΠ΅Π΄ΠΌΠ΅ΡΠ½ΡΠ΅ ΡΡΠ΅ΠΊΠ»Π° ΠΈ Π·Π°ΠΊΡΡΠ²Π°Π»ΠΈ Ρ ΠΏΠΎΠΌΠΎΡΡΡ ΠΌΠΎΠ½ΡΠ°ΠΆΠ½ΠΎΠΉ ΡΡΠ΅Π΄Ρ VectaShield (Vector Labs).
ΠΠ»ΠΈΡΠ½ΠΈΠ΅ ΠΊΠ΅ΡΠ°ΠΌΠΈΠ½Π° Π½Π° Π½Π΅ΠΉΡΠΎΠ½Π½ΡΠ΅ Π°Π½ΡΠ°ΠΌΠ±Π»ΠΈ PL Π²ΠΎ Π²ΡΠ΅ΠΌΡ ΠΏΠ΅ΡΠ²ΠΎΠ½Π°ΡΠ°Π»ΡΠ½ΠΎΠΉ ΠΈΠ½ΡΠ΅ΠΊΡΠΈΠΈ ΠΈ Π²ΠΎ Π²ΡΠ΅ΠΌΡ Π±ΠΎΠ»Π΅Π΅ ΠΏΠΎΠ·Π΄Π½Π΅Π³ΠΎ ΡΡΡΠ΅ΡΡΠ°
ΠΠΈΡΡΡ
ΠΠ΅ΠΊΡΠΎΡΡ Π°Π΄Π΅Π½ΠΎΠ°ΡΡΠΎΡΠΈΠΈΡΠΎΠ²Π°Π½Π½ΠΎΠ³ΠΎ Π²ΠΈΡΡΡΠ° (AAV) Π±ΡΠ»ΠΈ ΠΈΡΠΏΠΎΠ»ΡΠ·ΠΎΠ²Π°Π½Ρ Π΄Π»Ρ Π½Π°ΡΠ΅Π»ΠΈΠ²Π°Π½ΠΈΡ Π½Π° Π³ΠΈΠ±ΡΠΈΠ΄Π½ΡΠΉ ΡΡΠ°Π½ΡΠ³Π΅Π½ RAM-NLS-mKate2 (RAM) Π½Π΅ΠΉΡΠΎΠ½Π°ΠΌ. ΠΠ°ΡΡΠ΅ΡΡ RAM Π±ΡΠ»ΠΈ ΡΠΏΠ°ΠΊΠΎΠ²Π°Π½Ρ Π² Π²Π΅ΠΊΡΠΎΡΡ AAV, ΡΠ΅ΡΠΎΡΠΈΠΏΠΈΡΠΎΠ²Π°Π½Π½ΡΠ΅ Π±Π΅Π»ΠΊΠ°ΠΌΠΈ ΠΎΠ±ΠΎΠ»ΠΎΡΠΊΠΈ AAV1 (ΡΠΈΡΡΡ: 2.18 Γ 10 13 ΠΊΠΎΠΏΠΈΠΉ Π³Π΅Π½ΠΎΠΌΠ° / ΠΌΠ») ΠΠΈΡΠΎΠ²Π΅ΠΊΠ°. ΠΠ°ΡΡΠ΅ΡΡ hSYN-eYFP (eYFP), ΡΠΏΠ°ΠΊΠΎΠ²Π°Π½Π½ΡΠ΅ Π² Π²Π΅ΠΊΡΠΎΡΡ AAV, ΡΠ΅ΡΠΎΡΠΈΠΏΠΈΡΠΎΠ²Π°Π½Π½ΡΠ΅ Π±Π΅Π»ΠΊΠ°ΠΌΠΈ ΠΎΠ±ΠΎΠ»ΠΎΡΠΊΠΈ AAV1, Π±ΡΠ»ΠΈ (ΡΠΈΡΡΡ: 3,86 Γ 10 12 ΠΊΠΎΠΏΠΈΠΉ Π³Π΅Π½ΠΎΠΌΠ° / ΠΌΠ») Π£Π½ΠΈΠ²Π΅ΡΡΠΈΡΠ΅ΡΠΎΠΌ ΠΠ΅Π½ΡΠΈΠ»ΡΠ²Π°Π½ΠΈΠΈ. ΠΠ΅ΡΠ΅Π΄ ΠΈΠ½ΡΠ΅ΠΊΡΠΈΠ΅ΠΉ RAM ΡΠΌΠ΅ΡΠΈΠ²Π°Π»ΠΈ Ρ eYFP (8,5 ΠΌΠΊΠ» RAM / 1,5 ΠΌΠΊΠ» eYFP). eYFP Π²ΡΡΠ°ΠΆΠ°Π΅ΡΡΡ Π² ΠΎΡΡΡΡΡΡΠ²ΠΈΠΈ Π½Π΅ΠΉΡΠΎΠ½Π°Π»ΡΠ½ΠΎΠΉ Π°ΠΊΡΠΈΠ²Π°ΡΠΈΠΈ ΠΈ ΡΠ»ΡΠΆΠΈΡ ΠΌΠ΅ΡΠΎΠ΄ΠΎΠΌ ΠΎΠΏΡΠ΅Π΄Π΅Π»Π΅Π½ΠΈΡ ΡΠΎΡΠ½ΠΎΡΡΠΈ ΠΈΠ½ΡΠ΅ΠΊΡΠΈΠΈ ΠΏΠΎΡΠ»Π΅ Π·Π°Π²Π΅ΡΡΠ΅Π½ΠΈΡ ΡΠΊΡΠΏΠ΅ΡΠΈΠΌΠ΅Π½ΡΠ°. ΠΡΠΎ Π³Π°ΡΠ°Π½ΡΠΈΡΡΠ΅Ρ, ΡΡΠΎ Π² ΠΎΡΡΡΡΡΡΠ²ΠΈΠ΅ Π²ΡΡΠ°ΠΆΠ΅Π½ΠΈΡ RAM ΠΌΠΎΠΆΠ΅Ρ Π±ΡΡΡ Π΄ΠΎΡΡΠΈΠ³Π½ΡΡΠ° ΠΏΡΠΎΠ²Π΅ΡΠΊΠ° ΠΈΠ½ΡΠ΅ΠΊΡΠΈΠΈ.
ΠΠΎΡΡΠ°Π²ΠΊΠ° Π²ΠΈΡΡΡΠ½ΠΎΠ³ΠΎ Π²Π΅ΠΊΡΠΎΡΠ°
ΠΡΡΡ ΠΏΠΎΠΌΠ΅ΡΠ°Π»ΠΈ Π½Π° Π΄ΠΎΠΊΡΠΈΡΠΈΠΊΠ»ΠΈΠ½ΠΎΠ²ΡΡ ΠΏΠΈΡΡ (DOX; 200 ΠΌΠ³ / ΠΊΠ³, BioServ) Π·Π° 24 ΡΠ°ΡΠ° Π΄ΠΎ ΠΎΠΏΠ΅ΡΠ°ΡΠΈΠΈ, ΠΊΠ°ΠΊ ΠΎΠΏΠΈΡΠ°Π½ΠΎ ΡΠ°Π½Π΅Π΅ (SΓΈrensen et al., 2016). Π Π΄Π΅Π½Ρ ΠΎΠΏΠ΅ΡΠ°ΡΠΈΠΈ ΠΊΡΡΡ Π°Π½Π΅ΡΡΠ΅Π·ΠΈΡΠΎΠ²Π°Π»ΠΈ ΠΈ ΠΎΠ΄Π½Ρ ΠΎΠ΄Π½ΠΎΡΡΠΎΡΠΎΠ½Π½ΡΡ ΠΈΠ½ΡΠ΅ΠΊΡΠΈΡ RAM Π½Π°ΠΏΡΠ°Π²Π»ΡΠ»ΠΈ Π² PL (AP: +2,5 ΠΎΡΠ½ΠΎΡΠΈΡΠ΅Π»ΡΠ½ΠΎ Π±ΡΠ΅Π³ΠΌΡ, DV: -2,0 ΠΎΡΠ½ΠΎΡΠΈΡΠ΅Π»ΡΠ½ΠΎ ΠΏΠΈΠ°Π»ΡΠ½ΠΎΠΉ ΠΏΠΎΠ²Π΅ΡΡ Π½ΠΎΡΡΠΈ, ML: Β± 1,0 ΠΌΠΌ), ΠΈΡΠΏΠΎΠ»ΡΠ·ΡΡ ΠΏΠ°ΡΠ°ΠΌΠ΅ΡΡΡ ΠΈΠ½ΡΠ΅ΠΊΡΠΈΠΈ, Π°Π½Π°Π»ΠΎΠ³ΠΈΡΠ½ΡΠ΅ ΡΠ΅, ΡΡΠΎ ΠΎΠΏΠΈΡΠ°Π½Ρ Π²ΡΡΠ΅. 1000 Π½Π» ΠΠΠ£ Π±ΡΠ»ΠΎ Π΄ΠΎΡΡΠ°Π²Π»Π΅Π½ΠΎ ΡΠΎ ΡΠΊΠΎΡΠΎΡΡΡΡ 100 Π½Π» / ΠΌΠΈΠ½. ΠΠΎΡΠ»Π΅ Π·Π°Π²Π΅ΡΡΠ΅Π½ΠΈΡ ΠΈΠ½ΡΠ΅ΠΊΡΠΈΠΎΠ½Π½ΡΡ ΠΈΠ³Π»Ρ ΠΎΡΡΠ°Π²Π»ΡΠ»ΠΈ Π½Π° ΠΌΠ΅ΡΡΠ΅ Π΅ΡΠ΅ Π½Π° 10 ΠΌΠΈΠ½ΡΡ, ΡΡΠΎΠ±Ρ ΠΎΠ±Π΅ΡΠΏΠ΅ΡΠΈΡΡ ΡΠ°ΡΠΏΡΠΎΡΡΡΠ°Π½Π΅Π½ΠΈΠ΅ Π²ΠΈΡΡΡΠ°, ΠΏΠΎΡΠ»Π΅ ΡΠ΅Π³ΠΎ ΠΈΠ³Π»Ρ ΠΈΠ·Π²Π»Π΅ΠΊΠ°Π»ΠΈ.ΠΠΎΡΠ»Π΅ΠΎΠΏΠ΅ΡΠ°ΡΠΈΠΎΠ½Π½ΡΠΉ ΡΡ ΠΎΠ΄ ΠΎΡΡΡΠ΅ΡΡΠ²Π»ΡΠ»ΡΡ, ΠΊΠ°ΠΊ ΠΎΠΏΠΈΡΠ°Π½ΠΎ Π²ΡΡΠ΅.
ΠΠ΅ΡΠ΅Π½ΠΈΠ΅ Π½Π΅ΠΉΡΠΎΠ½Π½ΡΡ Π°Π½ΡΠ°ΠΌΠ±Π»Π΅ΠΉ Π²ΠΎ Π²ΡΠ΅ΠΌΡ ΠΈΠ½ΡΠ΅ΠΊΡΠΈΠΈ ΠΊΠ΅ΡΠ°ΠΌΠΈΠ½Π° ΠΈ ΠΏΠΎΡΠ»Π΅Π΄ΡΡΡΠ΅Π³ΠΎ ΡΡΡΠ΅ΡΡΠ°
ΠΠΎΡΠ»Π΅ ΠΈΠ½ΡΠ΅ΠΊΡΠΈΠΈ RAM ΠΊΡΡΡΡ ΠΎΡΡΠ°Π²Π°Π»ΠΈΡΡ Π½Π° ΠΊΠΎΡΠΌΠ΅ DOX (200 ΠΌΠ³ / ΠΊΠ³) Π² ΡΠ΅ΡΠ΅Π½ΠΈΠ΅ 96 ΡΠ°ΡΠΎΠ². ΠΡΠΎΠ³ΠΎ ΠΏΠ΅ΡΠΈΠΎΠ΄Π° Π²ΡΠ΅ΠΌΠ΅Π½ΠΈ Π΄ΠΎΡΡΠ°ΡΠΎΡΠ½ΠΎ, ΡΡΠΎΠ±Ρ ΠΏΡΠ΅Π΄ΠΎΡΠ²ΡΠ°ΡΠΈΡΡ Π±Π°Π·Π°Π»ΡΠ½ΡΡ ΠΈΠ½Π΄ΡΠΊΡΠΈΡ RAM Π² ΠΎΡΡΡΡΡΡΠ²ΠΈΠ΅ Π·Π½Π°ΡΠΈΠΌΠΎΠ³ΠΎ ΡΠΎΠ±ΡΡΠΈΡ, ΡΠ°ΠΊΠΎΠ³ΠΎ ΠΊΠ°ΠΊ ΠΈΠ½ΡΠ΅ΠΊΡΠΈΡ Π»Π΅ΠΊΠ°ΡΡΡΠ²Π°. ΠΠΎΡΠΌ DOX Π±ΡΠ» ΠΎΡΠΌΠ΅Π½Π΅Π½ ΠΈ Π·Π°ΠΌΠ΅Π½Π΅Π½ ΡΡΠ°Π½Π΄Π°ΡΡΠ½ΡΠΌ Π»Π°Π±ΠΎΡΠ°ΡΠΎΡΠ½ΡΠΌ ΠΊΠΎΡΠΌΠΎΠΌ ΡΠ΅ΡΠ΅Π· 96 ΡΠ°ΡΠΎΠ². Π£Π΄Π°Π»Π΅Π½ΠΈΠ΅ DOX-ΠΊΠΎΡΠΌΠ° <96 Ρ ΠΏΡΠ΅Π΄ΠΎΡΠ²ΡΠ°ΡΠ°Π΅Ρ ΡΠΊΡΠΏΡΠ΅ΡΡΠΈΡ RAM ΠΈΠ·-Π·Π° ΠΏΠΎΠ΄Π°Π²Π»Π΅Π½ΠΈΡ ΡΠΈΡΠΊΡΠ»ΠΈΡΡΡΡΠ΅Π³ΠΎ DOX-ΠΎΠΏΠΎΡΡΠ΅Π΄ΠΎΠ²Π°Π½Π½ΠΎΠ³ΠΎ ΡΡΠ°Π½ΡΠ³Π΅Π½Π° (Π΄Π°Π½Π½ΡΠ΅ Π½Π΅ ΠΏΠΎΠΊΠ°Π·Π°Π½Ρ).ΠΡΡΡΡ ΠΎΡΡΠ°Π²Π°Π»ΠΈΡΡ ΡΠΏΠΎΠΊΠΎΠΉΠ½ΡΠΌΠΈ Π² ΠΊΠΎΠ»ΠΎΠ½ΠΈΠΈ Π² ΡΠ΅ΡΠ΅Π½ΠΈΠ΅ 96 ΡΠ°ΡΠΎΠ² ΠΏΠΎΡΠ»Π΅ ΠΎΡΠΌΠ΅Π½Ρ DOX. ΠΠΎΡΠ»Π΅ 96-ΡΠ°ΡΠΎΠ²ΠΎΠ³ΠΎ ΠΈΠ½ΡΠ΅ΡΠ²Π°Π»Π° DOX- ΠΊΡΡΡΠ°ΠΌ, ΡΠ°Π½Π΄ΠΎΠΌΠΈΠ·ΠΈΡΠΎΠ²Π°Π½Π½ΡΠΌ Π΄Π»Ρ Π»Π΅ΡΠ΅Π½ΠΈΡ ΠΏΡΠ΅ΠΏΠ°ΡΠ°ΡΠΎΠΌ ΠΈ ΡΡΡΠ΅ΡΡΠΎΠΌ, Π²Π²ΠΎΠ΄ΠΈΠ»ΠΈ Π»ΠΈΠ±ΠΎ Π½ΠΈΠ·ΠΊΠΈΠ΅ Π΄ΠΎΠ·Ρ ΠΊΠ΅ΡΠ°ΠΌΠΈΠ½Π° (10 ΠΌΠ³ / ΠΊΠ³, Π²Π½ΡΡΡΠΈΠ±ΡΡΡΠΈΠ½Π½ΠΎ), Π»ΠΈΠ±ΠΎ Π²ΡΡΠΎΠΊΠΈΠ΅ Π΄ΠΎΠ·Ρ ΠΊΠ΅ΡΠ°ΠΌΠΈΠ½Π° (40 ΠΌΠ³ / ΠΊΠ³, Π²Π½ΡΡΡΠΈΠ±ΡΡΡΠΈΠ½Π½ΠΎ), Π»ΠΈΠ±ΠΎ ΡΠΈΠ·ΠΈΠΎΠ»ΠΎΠ³ΠΈΡΠ΅ΡΠΊΠΈΠΉ ΡΠ°ΡΡΠ²ΠΎΡ. Π§Π΅ΡΠ΅Π· Π΄Π²Π°Π΄ΡΠ°ΡΡ ΡΠ΅ΡΡΡΠ΅ ΡΠ°ΡΠ° ΠΊΡΡΡ ΡΠ½ΠΎΠ²Π° ΠΏΠΎΠΌΠ΅ΡΠ°Π»ΠΈ Π½Π° ΠΊΠΎΡΠΌ DOX (1000 ΠΌΠ³ / ΠΊΠ³). ΠΡΠΎΡ Π²ΡΠ΅ΠΌΠ΅Π½Π½ΠΎΠΉ ΠΈΠ½ΡΠ΅ΡΠ²Π°Π» ΠΎΠ±Π΅ΡΠΏΠ΅ΡΠΈΠ²Π°Π΅Ρ ΡΡΡΠΎΠΉΡΠΈΠ²ΠΎΠ΅ Π²ΡΡΠ°ΠΆΠ΅Π½ΠΈΠ΅ RAM, ΡΠ²ΠΎΠ΄Ρ ΠΊ ΠΌΠΈΠ½ΠΈΠΌΡΠΌΡ Π½Π΅ΡΠΏΠ΅ΡΠΈΡΠΈΡΠ΅ΡΠΊΠΎΠ΅ Π²ΡΡΠ°ΠΆΠ΅Π½ΠΈΠ΅ RAM. Π§Π΅ΡΠ΅Π· 48 ΡΠ°ΡΠΎΠ² ΠΊΡΡΡΡ ΠΏΠΎΠ»ΡΡΠ°Π»ΠΈ IS ΠΈΠ»ΠΈ HC ΠΈ ΠΏΠ΅ΡΡΡΠ·ΠΈΡΠΎΠ²Π°Π»ΠΈ ΡΠ΅ΡΠ΅Π· 2 ΡΠ°ΡΠ°.
ΠΡΠ΅ΠΏΠ°ΡΠ°Ρ ΡΠΊΠ°Π½ΠΈ
ΠΡΡΡ ΠΏΠΎΠ΄Π²Π΅ΡΠ³Π°Π»ΠΈ Π³Π»ΡΠ±ΠΎΠΊΠΎΠΉ Π°Π½Π΅ΡΡΠ΅Π·ΠΈΠΈ ΠΈ ΠΏΠ΅ΡΡΡΠ·ΠΈΠΈ, ΠΊΠ°ΠΊ ΠΎΠΏΠΈΡΠ°Π½ΠΎ Π²ΡΡΠ΅. ΠΠΎΡΠΎΠ½Π°Π»ΡΠ½ΡΠ΅ ΡΡΠ΅Π·Ρ Π³ΠΎΠ»ΠΎΠ²Π½ΠΎΠ³ΠΎ ΠΌΠΎΠ·Π³Π°, ΡΠΎΠ΄Π΅ΡΠΆΠ°ΡΠΈΠ΅ PL, ΠΏΠΎΠ»ΡΡΠ°Π»ΠΈ ΠΏΡΠΈ Π΄Π»ΠΈΠ½Π΅ Π²ΠΎΠ»Π½Ρ 35 ΠΌΠΊΠΌ. Π’ΠΊΠ°Π½Ρ PL, ΠΈΡΠΏΠΎΠ»ΡΠ·ΠΎΠ²Π°Π½Π½ΡΡ Π΄Π»Ρ IHC, ΠΏΠΎΠΌΠ΅ΡΠ°Π»ΠΈ Π½Π΅ΠΏΠΎΡΡΠ΅Π΄ΡΡΠ²Π΅Π½Π½ΠΎ Π² 24-Π»ΡΠ½ΠΎΡΠ½ΡΠΉ ΠΏΠ»Π°Π½ΡΠ΅Ρ. Π€Π»ΡΠΎΡΠ΅ΡΡΠ΅Π½ΡΠ½ΡΡ ΠΠΠ₯ Π²ΡΠΏΠΎΠ»Π½ΡΠ»ΠΈ, ΠΊΠ°ΠΊ ΠΎΠΏΠΈΡΠ°Π½ΠΎ Π²ΡΡΠ΅.
ΠΠ»ΠΈΡΠ½ΠΈΠ΅ ΠΈΠ½Π³ΠΈΠ±ΠΈΡΠΎΠ²Π°Π½ΠΈΡ PL-DRN Π½Π° ΡΡΡΠ΅ΠΊΡΡ ΡΡΡΠ΅ΡΡΠΎΠ²ΠΎΠΉ Π±ΡΡΠ΅ΡΠΈΠ·Π°ΡΠΈΠΈ ΠΊΠ΅ΡΠ°ΠΌΠΈΠ½Π°
ΠΠΈΡΡΡ
ΠΠ°ΡΡΠ΅ΡΡ AAV2-retro-eSyn-eGF-T2A-iCre-WPRE (Cre) ΡΠΏΠ°ΠΊΠΎΠ²ΡΠ²Π°Π»ΠΈ Π² Π²Π΅ΠΊΡΠΎΡΡ AAV, ΡΠ΅ΡΠΎΡΠΈΠΏΠΈΡΠΎΠ²Π°Π½Π½ΡΠ΅ Ρ Π±Π΅Π»ΠΊΠ°ΠΌΠΈ ΠΎΠ±ΠΎΠ»ΠΎΡΠΊΠΈ AAV (ΡΠΈΡΡΡ: ΠΊΠΎΠΏΠΈΠΉ Π³Π΅Π½ΠΎΠΌΠ° / ΠΌΠ») ΠΎΡ Vector Biolabs.ΠΠ°ΡΡΠ΅ΡΡ AAV8-hSyn-DIO-hM4Di (G i ) -mCherry (hM4Di) ΡΠΏΠ°ΠΊΠΎΠ²ΡΠ²Π°Π»ΠΈ Π² Π²Π΅ΠΊΡΠΎΡΡ AAV, ΡΠ΅ΡΠΎΡΠΈΠΏΠΈΡΠΎΠ²Π°Π½Π½ΡΠ΅ Π±Π΅Π»ΠΊΠ°ΠΌΠΈ ΠΎΠ±ΠΎΠ»ΠΎΡΠΊΠΈ AAV8 (ΡΠΈΡΡΡ: 4,3 Γ 10 12 ΠΊΠΎΠΏΠΈΠΉ Π³Π΅Π½ΠΎΠΌΠ° / ΠΌΠ») Ρ ΠΏΠΎΠΌΠΎΡΡΡ Addgene. ΠΠ°ΡΡΠ΅ΡΡ AAV-hSyn-DIO-mCherry (mCherry) ΡΠΏΠ°ΠΊΠΎΠ²ΡΠ²Π°Π»ΠΈ Π² Π²Π΅ΠΊΡΠΎΡΡ AAV, ΡΠ΅ΡΠΎΡΠΈΠΏΠΈΡΠΎΠ²Π°Π½Π½ΡΠ΅ Π±Π΅Π»ΠΊΠ°ΠΌΠΈ ΠΎΠ±ΠΎΠ»ΠΎΡΠΊΠΈ AAV5 (ΡΠΈΡΡΡ: 2,1 Γ 10 13 ΠΊΠΎΠΏΠΈΠΉ Π³Π΅Π½ΠΎΠΌΠ° / ΠΌΠ») ΠΎΡ Addgene.
ΠΠΎΡΡΠ°Π²ΠΊΠ° Π²ΠΈΡΡΡΠ½ΠΎΠ³ΠΎ Π²Π΅ΠΊΡΠΎΡΠ°
Π ΡΠ΅ΡΠ΅ΠΏΠ΅ ΠΏΡΠΎΡΠ²Π΅ΡΠ»ΠΈΠ»ΠΈ ΠΌΠ°Π»Π΅Π½ΡΠΊΠΎΠ΅ ΠΎΠΊΠ½ΠΎ (1 Γ 1 ΠΌΠΌ) ΠΈ Cre ΠΌΠΈΠΊΡΠΎΠΈΠ½ΡΠ΅ΠΊΡΠΈΡΠΎΠ²Π°Π»ΠΈ Π² DRN (AP: -8.0 ΠΌΠΌ ΠΎΡΠ½ΠΎΡΠΈΡΠ΅Π»ΡΠ½ΠΎ Π±ΡΠ΅Π³ΠΌΡ, DV: -6,7 ΠΌΠΌ ΠΎΡ ΠΏΠΎΠ²Π΅ΡΡ Π½ΠΎΡΡΠΈ ΡΠ΅ΡΠ΅ΠΏΠ°, ML: Β± 0,0 ΠΌΠΌ ΠΎΡΠ½ΠΎΡΠΈΡΠ΅Π»ΡΠ½ΠΎ ΡΡΠ΅Π΄Π½Π΅ΠΉ Π»ΠΈΠ½ΠΈΠΈ) Ρ ΠΈΡΠΏΠΎΠ»ΡΠ·ΠΎΠ²Π°Π½ΠΈΠ΅ΠΌ ΡΠΏΡΠΈΡΠ° Hamilton Π½Π° 10 ΠΌΠΊΠ» ΠΈ ΠΌΠ΅ΡΠ°Π»Π»ΠΈΡΠ΅ΡΠΊΠΎΠΉ ΠΈΠ³Π»Ρ 31-Π³ΠΎ ΠΊΠ°Π»ΠΈΠ±ΡΠ° ΡΠΎ ΡΠΊΠΎΡΠ΅Π½Π½ΡΠΌ ΠΏΠΎΠ΄ 45 Β° ΠΊΠΎΠ½ΡΠΈΠΊΠΎΠΌ. ΠΠ±ΡΠΈΠΉ ΠΎΠ±ΡΠ΅ΠΌ Π²ΠΏΡΡΡΠΊΠ° (1 ΠΌΠΊΠ») ΠΈ ΡΠΊΠΎΡΠΎΡΡΡ ΠΏΠΎΡΠΎΠΊΠ° (0,1 ΠΌΠΊΠ» / ΠΌΠΈΠ½) ΠΊΠΎΠ½ΡΡΠΎΠ»ΠΈΡΠΎΠ²Π°Π»ΠΈ Ρ ΠΏΠΎΠΌΠΎΡΡΡ ΠΌΠΈΠΊΡΠΎΠΈΠ½ΠΆΠ΅ΠΊΡΠΈΠΎΠ½Π½ΠΎΠ³ΠΎ Π½Π°ΡΠΎΡΠ° (UMP3-1; World Precision Instruments). ΠΠΎΡΠ»Π΅ ΠΈΠ½ΡΠ΅ΠΊΡΠΈΠΈ ΠΈΠ³Π»Ρ ΠΎΡΡΠ°Π²Π»ΡΠ»ΠΈ Π½Π° ΠΌΠ΅ΡΡΠ΅ Π΅ΡΠ΅ Π½Π° 10 ΠΌΠΈΠ½, ΡΡΠΎΠ±Ρ ΠΎΠ±Π΅ΡΠΏΠ΅ΡΠΈΡΡ ΡΠ°ΡΠΏΡΠΎΡΡΡΠ°Π½Π΅Π½ΠΈΠ΅ Π²ΠΈΡΡΡΠ°, ΠΏΠΎΡΠ»Π΅ ΡΠ΅Π³ΠΎ ΠΈΠ³Π»Ρ ΠΈΠ·Π²Π»Π΅ΠΊΠ°Π»ΠΈ. ΠΠ΅Π±ΠΎΠ»ΡΡΠΎΠΉ ΡΠ°Π·ΡΠ΅Π· Π½Π° ΡΠ΅ΡΠ΅ΠΏΠ΅ Π·Π°ΠΊΡΡΠ»ΠΈ Ρ ΠΏΠΎΠΌΠΎΡΡΡ Vetbond (3M).ΠΡΠ΅ΠΌ ΠΊΡΡΡΠ°ΠΌ Π²Π²ΠΎΠ΄ΠΈΠ»ΠΈ ΠΏΡΠ΅Π΄ΠΎΠΏΠ΅ΡΠ°ΡΠΈΠΎΠ½Π½ΡΠΉ Π°Π½ΡΠΈΠ±ΠΈΠΎΡΠΈΠΊ (ΠΠΎΠΌΠ±ΠΈ-ΠΠ΅Π½-48, 0,25 ΠΌΠ» / ΠΊΠ³, ΠΏ / ΠΊ) ΠΈ ΠΏΠΎΡΠ»Π΅ΠΎΠΏΠ΅ΡΠ°ΡΠΈΠΎΠ½Π½ΡΠΉ Π°Π½Π°Π»ΡΠ³Π΅ΡΠΈΠΊ (ΠΌΠ΅Π»ΠΎΠΊΡΠΈΠΊΠ°ΠΌ, 2 ΠΌΠ³ / ΠΊΠ³, ΠΏ / ΠΊ). Π§Π΅ΡΠ΅Π· ΠΏΡΡΡ Π΄Π½Π΅ΠΉ Ρ ΠΈΡΠΏΠΎΠ»ΡΠ·ΠΎΠ²Π°Π½ΠΈΠ΅ΠΌ ΠΈΠ΄Π΅Π½ΡΠΈΡΠ½ΡΡ Ρ ΠΈΡΡΡΠ³ΠΈΡΠ΅ΡΠΊΠΈΡ ΠΏΡΠΎΡΠ΅Π΄ΡΡ hM4Di ΠΈΠ»ΠΈ mCherry Π±ΡΠ»ΠΈ ΠΌΠΈΠΊΡΠΎΠΈΠ½ΡΠ΅ΠΊΡΠΈΡΠΎΠ²Π°Π½Ρ Π² PL (AP: +2,5 ΠΌΠΌ ΠΎΡΠ½ΠΎΡΠΈΡΠ΅Π»ΡΠ½ΠΎ Π±ΡΠ΅Π³ΠΌΡ, DV: -2,0 ΠΌΠΌ ΠΎΡ ΠΏΠΎΠ²Π΅ΡΡ Π½ΠΎΡΡΠΈ ΠΏΠΈΠ°Π»ΡΠ½ΠΎΠΉ ΠΏΠΎΠ²Π΅ΡΡ Π½ΠΎΡΡΠΈ, ML: Β± 0,5 ΠΌΠΌ ΠΎΡΠ½ΠΎΡΠΈΡΠ΅Π»ΡΠ½ΠΎ ΡΡΠ΅Π΄Π½Π΅ΠΉ Π»ΠΈΠ½ΠΈΠΈ).
ΠΡΠΎΠ²Π΅ΡΠΊΠ° hM4Di
Π§ΡΠΎΠ±Ρ ΠΎΠΏΡΠ΅Π΄Π΅Π»ΠΈΡΡ, Π΄ΠΎΡΡΠ°ΡΠΎΡΠ½ΠΎ Π»ΠΈ Π΄ΠΎΡΡΠ°Π²ΠΊΠΈ CNO Π΄Π»Ρ ΠΏΡΠ΅Π΄ΠΎΡΠ²ΡΠ°ΡΠ΅Π½ΠΈΡ Π°ΠΊΡΠΈΠ²Π°ΡΠΈΠΈ Π½Π΅ΠΉΡΠΎΠ½ΠΎΠ² PL-DRN, ΠΊΡΡΡΡ, Π½Π°ΡΠ΅Π»Π΅Π½Π½ΡΠ΅ Ρ ΠΏΠΎΠΌΠΎΡΡΡ hM4Di Π½Π° ΠΏΡΡΡ PL-DRN, ΠΏΠΎΠ»ΡΡΠ°Π»ΠΈ ΠΎΠ΄Π½ΠΎΠΊΡΠ°ΡΠ½ΡΡ ΠΈΠ½ΡΠ΅ΠΊΡΠΈΡ CNO (3.0 ΠΌΠ³ / ΠΊΠ³, Π²Π½ΡΡΡΠΈΠ±ΡΡΡΠΈΠ½Π½ΠΎ) ΠΈΠ»ΠΈ Π½ΠΎΡΠΈΡΠ΅Π»Ρ Π·Π° 30 ΠΌΠΈΠ½ΡΡ Π΄ΠΎ ΠΎΠ΄Π½ΠΎΠΊΡΠ°ΡΠ½ΠΎΠΉ ΠΈΠ½ΡΠ΅ΠΊΡΠΈΠΈ ΠΊΠ΅ΡΠ°ΠΌΠΈΠ½Π° (10 ΠΌΠ³ / ΠΊΠ³, Π²Π½ΡΡΡΠΈΠ±ΡΡΡΠΈΠ½Π½ΠΎ). Π§Π΅ΡΠ΅Π· 90 ΠΌΠΈΠ½ΡΡ ΠΊΡΡΡΠ°ΠΌ Π±ΡΠ»Π° ΡΠ΄Π΅Π»Π°Π½Π° ΠΏΠ΅ΡΡΡΠ·ΠΈΡ. ΠΠΎΡΠΎΠ½Π°Π»ΡΠ½ΡΠ΅ ΡΡΠ΅Π·Ρ Π³ΠΎΠ»ΠΎΠ²Π½ΠΎΠ³ΠΎ ΠΌΠΎΠ·Π³Π°, ΡΠΎΠ΄Π΅ΡΠΆΠ°ΡΠΈΠ΅ PL, ΠΏΠΎΠ»ΡΡΠ°Π»ΠΈ ΠΏΡΠΈ Π΄Π»ΠΈΠ½Π΅ Π²ΠΎΠ»Π½Ρ 35 ΠΌΠΊΠΌ. Π’ΠΊΠ°Π½Ρ PL, ΠΈΡΠΏΠΎΠ»ΡΠ·ΠΎΠ²Π°Π½Π½ΡΡ Π΄Π»Ρ IHC, ΠΏΠΎΠΌΠ΅ΡΠ°Π»ΠΈ Π½Π΅ΠΏΠΎΡΡΠ΅Π΄ΡΡΠ²Π΅Π½Π½ΠΎ Π² 24-Π»ΡΠ½ΠΎΡΠ½ΡΠΉ ΠΏΠ»Π°Π½ΡΠ΅Ρ. ΠΡΠ»Π° ΠΏΡΠΎΠ²Π΅Π΄Π΅Π½Π° ΡΠ»ΡΠΎΡΠ΅ΡΡΠ΅Π½ΡΠ½Π°Ρ ΠΠΠ₯ ΠΈ ΠΈΡΡΠ»Π΅Π΄ΠΎΠ²Π°Π½Π° ΡΠΊΡΠΏΡΠ΅ΡΡΠΈΡ Fos Π² ΠΏΡΡΠΈ PL-DRN. Π ΡΡΠ°ΡΠΈΡΡΠΈΡΠ΅ΡΠΊΠΈΠΉ Π°Π½Π°Π»ΠΈΠ· Π±ΡΠ»ΠΈ Π²ΠΊΠ»ΡΡΠ΅Π½Ρ ΡΠΎΠ»ΡΠΊΠΎ ΠΊΡΡΡΡ Ρ ΡΠΎΡΠ½ΠΎΠΉ Π΄Π²ΡΡΡΠΎΡΠΎΠ½Π½Π΅ΠΉ ΡΠΊΡΠΏΡΠ΅ΡΡΠΈΠ΅ΠΉ hM4Di.
ΠΠΏΡΠ΅Π΄Π΅Π»Π΅Π½ΠΈΠ΅ ΡΡΡΡΠ°Π»ΡΠ½ΠΎΠ³ΠΎ ΡΠΈΠΊΠ»Π°
ΠΡΠΎΠΌΡΠ²Π°Π½ΠΈΠ΅ Π²Π»Π°Π³Π°Π»ΠΈΡΠ° ΠΏΡΠΎΠ²ΠΎΠ΄ΠΈΠ»ΠΎΡΡ ΠΏΠ΅ΡΠ΅Π΄ ΡΡΡΠ΅ΡΡΠΎΠ²ΠΎΠΉ ΡΠ΅ΡΠ°ΠΏΠΈΠ΅ΠΉ.ΠΠΈΠΏΠ΅ΡΠΊΡ Ρ ΡΡΠΏΡΠΌ ΠΊΠΎΠ½ΡΠΎΠΌ, Π·Π°ΠΏΠΎΠ»Π½Π΅Π½Π½ΡΡ Π½Π΅Π±ΠΎΠ»ΡΡΠΈΠΌ ΠΊΠΎΠ»ΠΈΡΠ΅ΡΡΠ²ΠΎΠΌ 0,9% ΡΡΠ΅ΡΠΈΠ»ΡΠ½ΠΎΠ³ΠΎ ΡΠΈΠ·ΠΈΠΎΠ»ΠΎΠ³ΠΈΡΠ΅ΡΠΊΠΎΠ³ΠΎ ΡΠ°ΡΡΠ²ΠΎΡΠ°, Π²Π²ΠΎΠ΄ΠΈΠ»ΠΈ Π²ΠΎ Π²Π»Π°Π³Π°Π»ΠΈΡΠ΅. ΠΠΈΠ΄ΠΊΠΎΡΡΡ Π±ΡΡΡΡΠΎ Π²ΡΡΠ΅ΡΠ½ΡΠ»Π°ΡΡ Π΄Π²Π°-ΡΡΠΈ ΡΠ°Π·Π°, ΡΡΠΎΠ±Ρ ΠΎΡΡΠΎΡΠΎΠΆΠ½ΠΎ ΡΠΌΡΡΡ ΠΈ ΡΠΎΠ±ΡΠ°ΡΡ Π²Π°Π³ΠΈΠ½Π°Π»ΡΠ½ΡΠ΅ ΠΊΠ»Π΅ΡΠΊΠΈ (~ 0,25 ΠΌΠ»). ΠΠ°ΠΏΠ»Ρ ΠΏΠΎΠΌΠ΅ΡΠ°Π»ΠΈ Π½Π° ΠΏΡΠ΅Π΄ΠΌΠ΅ΡΠ½ΠΎΠ΅ ΡΡΠ΅ΠΊΠ»ΠΎ ΠΈ ΡΡΠ°Π·Ρ ΠΆΠ΅ ΡΠ°ΡΡΠΌΠ°ΡΡΠΈΠ²Π°Π»ΠΈ Ρ ΠΏΠΎΠΌΠΎΡΡΡ Π»ΠΈΠ½Π·Ρ ΠΎΠ±ΡΠ΅ΠΊΡΠΈΠ²Π° 40x. Π₯Π°ΡΠ°ΠΊΡΠ΅ΡΠ½ΡΠ΅ ΠΈΠ·ΠΌΠ΅Π½Π΅Π½ΠΈΡ ΡΠΈΡΠΎΠ»ΠΎΠ³ΠΈΡΠ΅ΡΠΊΠΎΠ³ΠΎ Π²Π½Π΅ΡΠ½Π΅Π³ΠΎ Π²ΠΈΠ΄Π° ΠΎΠ±ΡΠ°Π·ΡΠΎΠ² ΠΈΡΠΏΠΎΠ»ΡΠ·ΠΎΠ²Π°Π»ΠΈ Π΄Π»Ρ ΠΎΠΏΡΠ΅Π΄Π΅Π»Π΅Π½ΠΈΡ ΡΡΠ°Π΄ΠΈΠΈ ΡΠΈΠΊΠ»Π°: Π΄ΠΈΡΡΡΡΡΡ I / II (Π½Π°Π»ΠΈΡΠΈΠ΅ ΡΠ΄Π΅ΡΠ½ΡΡ ΠΊΠ»Π΅ΡΠΎΠΊ ΠΈ Π»Π΅ΠΉΠΊΠΎΡΠΈΡΠΎΠ²), ΠΏΡΠΎΡΡΡΡΡΡ (ΠΏΡΠΈΡΡΡΡΡΠ²ΠΈΠ΅ ΡΠ΄Π΅ΡΠ½ΡΡ ΠΊΠ»Π΅ΡΠΎΠΊ) ΠΈ ΡΠ΅ΡΠΊΠ° (ΠΏΡΠΈΡΡΡΡΡΠ²ΠΈΠ΅ Π±Π΅Π·ΡΡΠ΄Π΅ΡΠ½ΡΡ ΠΏΠ»ΠΎΡΠΊΠΎΠΊΠ»Π΅ΡΠΎΡΠ½ΡΡ ΠΊΠ»Π΅ΡΠΎΠΊ).
ΠΠΎΠ»ΡΠ°Π½ΠΈΠ΅ PL-DRN
ΠΡΡΡ, Π½Π°ΡΠ΅Π»Π΅Π½Π½ΡΡ Ρ ΠΏΠΎΠΌΠΎΡΡΡ hM4Di ΠΈΠ»ΠΈ mCherry Π½Π° ΠΏΡΡΡ PL-DRN, ΡΠ»ΡΡΠ°ΠΉΠ½ΡΠΌ ΠΎΠ±ΡΠ°Π·ΠΎΠΌ ΡΠ°ΡΠΏΡΠ΅Π΄Π΅Π»ΡΠ»ΠΈ Π΄Π»Ρ Π»Π΅ΡΠ΅Π½ΠΈΡ Π»Π΅ΠΊΠ°ΡΡΡΠ²Π°ΠΌΠΈ ΠΈ ΡΡΡΠ΅ΡΡΠ°. ΠΡΡΡΡ ΠΏΠΎΠ»ΡΡΠ°Π»ΠΈ ΠΎΠ΄Π½ΠΎΠΊΡΠ°ΡΠ½ΡΡ ΡΠΈΡΡΠ΅ΠΌΠ½ΡΡ ΠΈΠ½ΡΠ΅ΠΊΡΠΈΡ ΠΊΠ΅ΡΠ°ΠΌΠΈΠ½Π° ΠΈΠ»ΠΈ Π½ΠΎΡΠΈΡΠ΅Π»Ρ Π·Π° Π½Π΅Π΄Π΅Π»Ρ Π΄ΠΎ IS ΠΈΠ»ΠΈ HC. ΠΡΡΡΡ ΠΏΠΎΠ»ΡΡΠ°Π»ΠΈ ΠΎΠ΄Π½ΠΎΠΊΡΠ°ΡΠ½ΡΡ ΠΈΠ½ΡΠ΅ΠΊΡΠΈΡ CNO (3,0 ΠΌΠ³ / ΠΊΠ³, Π²Π½ΡΡΡΠΈΠ±ΡΡΡΠΈΠ½Π½ΠΎ) Π·Π° 30 ΠΌΠΈΠ½ Π΄ΠΎ ΠΎΠ±ΡΠ°Π±ΠΎΡΠΊΠΈ IS ΠΈΠ»ΠΈ HC. Π§Π΅ΡΠ΅Π· 24 ΡΠ°ΡΠ° ΠΏΠΎΡΠ»Π΅ Π·Π°Π²Π΅ΡΡΠ΅Π½ΠΈΡ IS ΠΈΠ»ΠΈ HC ΠΏΠΎΠ²Π΅Π΄Π΅Π½ΠΈΠ΅ ΠΎΡΠ΅Π½ΠΈΠ²Π°Π»ΠΎΡΡ Π²ΠΎ Π²ΡΠ΅ΠΌΡ JSE. ΠΠΎΡΠ»Π΅ Π·Π°Π²Π΅ΡΡΠ΅Π½ΠΈΡ ΠΏΠΎΠ²Π΅Π΄Π΅Π½ΡΠ΅ΡΠΊΠΎΠ³ΠΎ ΡΠ΅ΡΡΠΈΡΠΎΠ²Π°Π½ΠΈΡ ΠΊΡΡΡ ΠΏΠΎΠ΄Π²Π΅ΡΠ³Π°Π»ΠΈ Π³Π»ΡΠ±ΠΎΠΊΠΎΠΉ Π°Π½Π΅ΡΡΠ΅Π·ΠΈΠΈ ΠΈ ΠΏΠ΅ΡΡΡΠ·ΠΈΠΈ Ρ ΠΈΡΠΏΠΎΠ»ΡΠ·ΠΎΠ²Π°Π½ΠΈΠ΅ΠΌ ΡΠΈΠ·ΠΈΠΎΠ»ΠΎΠ³ΠΈΡΠ΅ΡΠΊΠΎΠ³ΠΎ ΡΠ°ΡΡΠ²ΠΎΡΠ° ΠΈ 4% ΠΏΠ°ΡΠ°ΡΠΎΡΠΌΠ°Π»ΡΠ΄Π΅Π³ΠΈΠ΄Π°.ΠΠΎΡΠΎΠ½Π°Π»ΡΠ½ΡΠ΅ ΡΡΠ΅Π·Ρ, ΡΠΎΠ΄Π΅ΡΠΆΠ°ΡΠΈΠ΅ PL ΠΈ DRN, ΠΏΠΎΠΌΠ΅ΡΠ°Π»ΠΈ Π½Π΅ΠΏΠΎΡΡΠ΅Π΄ΡΡΠ²Π΅Π½Π½ΠΎ Π½Π° ΠΏΡΠ΅Π΄ΠΌΠ΅ΡΠ½ΡΠ΅ ΡΡΠ΅ΠΊΠ»Π°, ΠΈ Π±ΡΠ»Π° ΠΏΠΎΠ΄ΡΠ²Π΅ΡΠΆΠ΄Π΅Π½Π° ΡΠΎΡΠ½Π°Ρ Π²ΠΈΡΡΡΠ½Π°Ρ ΡΠΊΡΠΏΡΠ΅ΡΡΠΈΡ Π² ΠΏΡΡΠΈ PL-DRN. Π ΡΡΠ°ΡΠΈΡΡΠΈΡΠ΅ΡΠΊΠΈΠΉ Π°Π½Π°Π»ΠΈΠ· Π±ΡΠ»ΠΈ Π²ΠΊΠ»ΡΡΠ΅Π½Ρ ΡΠΎΠ»ΡΠΊΠΎ ΠΊΡΡΡΡ Ρ ΡΠΎΡΠ½ΠΎΠΉ Π΄Π²ΡΡΡΠΎΡΠΎΠ½Π½Π΅ΠΉ ΡΠΊΡΠΏΡΠ΅ΡΡΠΈΠ΅ΠΉ hM4Di ΠΈΠ»ΠΈ mCherry.
Π‘ΡΠ°ΡΠΈΡΡΠΈΠΊΠ°
ΠΠ½Π°Π»ΠΈΠ· Π΄Π°Π½Π½ΡΡ ΠΏΡΠΎΠ²ΠΎΠ΄ΠΈΠ»ΡΡ Ρ ΠΏΠΎΠΌΠΎΡΡΡ ΠΏΡΠΎΠ³ΡΠ°ΠΌΠΌΠ½ΠΎΠ³ΠΎ ΠΎΠ±Π΅ΡΠΏΠ΅ΡΠ΅Π½ΠΈΡ Prism (GraphPad). ΠΡΡΠ΅ΠΊΡ Π»Π΅ΡΠ΅Π½ΠΈΡ Π°Π½Π°Π»ΠΈΠ·ΠΈΡΠΎΠ²Π°Π»ΠΈ Ρ ΠΏΠΎΠΌΠΎΡΡΡ Π½Π΅ΠΏΠ°ΡΠ½ΠΎΠ³ΠΎ ΡΠ΅ΡΡΠ° t (Π»Π΅ΠΊΠ°ΡΡΡΠ²ΠΎ) ΠΈΠ»ΠΈ ΠΎΠ΄Π½ΠΎΡΡΠΎΡΠΎΠ½Π½Π΅Π³ΠΎ (ΡΡΡΠ΅ΡΡ), Π΄Π²ΡΡ ΡΡΠΎΡΠΎΠ½Π½Π΅Π³ΠΎ (ΡΡΡΠ΅ΡΡ ΠΈ Π»Π΅ΠΊΠ°ΡΡΡΠ²ΠΎ) ΠΈΠ»ΠΈ ΡΡΠ΅Ρ ΡΡΠΎΡΠΎΠ½Π½Π΅Π³ΠΎ (ΡΡΡΠ΅ΡΡ ΠΈ Π»Π΅ΠΊΠ°ΡΡΡΠ²ΠΎ ΠΈ Π²ΠΈΡΡΡ) Π΄ΠΈΡΠΏΠ΅ΡΡΠΈΠΎΠ½Π½ΠΎΠ³ΠΎ Π°Π½Π°Π»ΠΈΠ·Π°.ΠΡΠ½ΠΎΠ²Π½ΡΠ΅ ΡΡΡΠ΅ΠΊΡΡ ΠΈ Π²Π·Π°ΠΈΠΌΠΎΠ΄Π΅ΠΉΡΡΠ²ΠΈΡ ΡΡΠΈΡΠ°Π»ΠΈΡΡ ΡΡΠ°ΡΠΈΡΡΠΈΡΠ΅ΡΠΊΠΈ Π·Π½Π°ΡΠΈΠΌΡΠΌΠΈ, Π΅ΡΠ»ΠΈ p <0,05. ΠΡΠΈ Π½Π΅ΠΎΠ±Ρ ΠΎΠ΄ΠΈΠΌΠΎΡΡΠΈ, Π°ΠΏΠΎΡΡΠ΅ΡΠΈΠΎΡΠ½ΡΡ Π°Π½Π°Π»ΠΈΠ·ΠΎΠ² ΠΈ Π·Π°ΠΏΠ»Π°Π½ΠΈΡΠΎΠ²Π°Π½Π½ΡΠ΅ ΡΡΠ°Π²Π½Π΅Π½ΠΈΡ Π±ΡΠ»ΠΈ Π²ΡΠΏΠΎΠ»Π½Π΅Π½Ρ Ρ ΠΈΡΠΏΠΎΠ»ΡΠ·ΠΎΠ²Π°Π½ΠΈΠ΅ΠΌ ΠΌΠ΅ΡΠΎΠ΄Π° Π’ΡΡΠΊΠΈ Π°ΠΏΠΎΡΡΠ΅ΡΠΈΠΎΡΠ½ΡΡ . ΠΠ½Π°ΡΠ΅Π½ΠΈΡ Π½Π° Π³ΡΠ°ΡΠΈΠΊΠ°Ρ ΠΏΡΠ΅Π΄ΡΡΠ°Π²Π»Π΅Π½Ρ ΠΊΠ°ΠΊ ΡΡΠ΅Π΄Π½Π΅Π΅ Β± SEM. Π Π΅Π·ΡΠ»ΡΡΠ°ΡΡ Π²ΡΠ΅Ρ ΡΡΠ°ΡΠΈΡΡΠΈΡΠ΅ΡΠΊΠΈΡ Π°Π½Π°Π»ΠΈΠ·ΠΎΠ² ΠΏΠ΅ΡΠ΅ΡΠΈΡΠ»Π΅Π½Ρ Π² ΡΡΠ°ΡΠΈΡΡΠΈΠΊΠ΅.
Π Π΅Π·ΡΠ»ΡΡΠ°ΡΡ
ΠΠ»ΠΈΡΠ½ΠΈΠ΅ ΡΠΈΡΡΠ΅ΠΌΠ½ΠΎΠ³ΠΎ ΠΊΠ΅ΡΠ°ΠΌΠΈΠ½Π° Π½Π° Π°ΠΊΡΠΈΠ²Π°ΡΠΈΡ JSE ΠΈ DRN 5-HT
ΠΠΎΠ²Π΅Π΄Π΅Π½ΠΈΠ΅
ΠΡΡΡΡ ΠΏΠΎΠ»ΡΡΠ°Π»ΠΈ Π»ΠΈΠ±ΠΎ Π½ΠΈΠ·ΠΊΠΈΠ΅ Π΄ΠΎΠ·Ρ ΠΊΠ΅ΡΠ°ΠΌΠΈΠ½Π° (10 ΠΌΠ³ / ΠΊΠ³, Ρ.Π΅.p.), Π²ΡΡΠΎΠΊΠΈΠ΅ Π΄ΠΎΠ·Ρ ΠΊΠ΅ΡΠ°ΠΌΠΈΠ½Π° (40 ΠΌΠ³ / ΠΊΠ³, i.p.) ΠΈΠ»ΠΈ ΡΠΈΠ·ΠΈΠΎΠ»ΠΎΠ³ΠΈΡΠ΅ΡΠΊΠΈΠΉ ΡΠ°ΡΡΠ²ΠΎΡ (i.p.) Π·Π° 7 Π΄Π½Π΅ΠΉ Π΄ΠΎ IS ΠΈΠ»ΠΈ HC ( n = 9β10 / Π³ΡΡΠΏΠΏΠ°). Π’ΡΠ΅Π²ΠΎΠΆΠ½ΠΎΠ΅ ΠΏΠΎΠ²Π΅Π΄Π΅Π½ΠΈΠ΅ ΠΎΡΠ΅Π½ΠΈΠ²Π°Π»ΠΈ Π²ΠΎ Π²ΡΠ΅ΠΌΡ JSE ΡΠ΅ΡΠ΅Π· 24 ΡΠ°ΡΠ°. ΠΠ° ΡΠΈΡΡΠ½ΠΊΠ΅ 1 ΠΏΠΎΠΊΠ°Π·Π°Π½ΠΎ ΠΎΠ±ΡΠ΅Π΅ Π²ΡΠ΅ΠΌΡ, ΠΏΠΎΡΡΠ°ΡΠ΅Π½Π½ΠΎΠ΅ Π½Π° Π²Π·Π°ΠΈΠΌΠΎΠ΄Π΅ΠΉΡΡΠ²ΠΈΠ΅ Π² ΡΠ΅ΡΠ΅Π½ΠΈΠ΅ 3-ΠΌΠΈΠ½ΡΡΠ½ΠΎΠ³ΠΎ ΡΠ΅ΡΡΠ° JSE. ΠΠΎ Π²Π²Π΅Π΄Π΅Π½ΠΈΡ Π½ΠΈΠ·ΠΊΠΈΡ ΠΈΠ»ΠΈ Π²ΡΡΠΎΠΊΠΈΡ Π΄ΠΎΠ· ΠΊΠ΅ΡΠ°ΠΌΠΈΠ½Π° Π² HC ΠΊΡΡΡΡ Π½Π΅ Π²Π»ΠΈΡΠ»ΠΈ Π½Π° JSE, ΠΏΠΎ ΡΡΠ°Π²Π½Π΅Π½ΠΈΡ Ρ ΠΊΠΎΠ½ΡΡΠΎΠ»ΡΠ½ΡΠΌΠΈ HC, ΠΊΠΎΡΠΎΡΡΠΌ Π²Π²ΠΎΠ΄ΠΈΠ»ΠΈ ΡΠΈΠ·ΠΈΠΎΠ»ΠΎΠ³ΠΈΡΠ΅ΡΠΊΠΈΠΉ ΡΠ°ΡΡΠ²ΠΎΡ. JSE Π±ΡΠ» Π·Π½Π°ΡΠΈΡΠ΅Π»ΡΠ½ΠΎ ΡΠ½ΠΈΠΆΠ΅Π½ Ρ ΠΊΡΡΡ, ΠΊΠΎΡΠΎΡΡΠΌ ΡΠ°Π½Π΅Π΅ Π²Π²ΠΎΠ΄ΠΈΠ»ΠΈ ΡΠΈΠ·ΠΈΠΎΠ»ΠΎΠ³ΠΈΡΠ΅ΡΠΊΠΈΠΉ ΡΠ°ΡΡΠ²ΠΎΡ ΠΈΠ»ΠΈ Π²ΡΡΠΎΠΊΠΈΠ΅ Π΄ΠΎΠ·Ρ ΠΊΠ΅ΡΠ°ΠΌΠΈΠ½Π°, ΠΊΠΎΡΠΎΡΡΠ΅ ΠΏΠΎΠ»ΡΡΠ°Π»ΠΈ IS. ΠΠ°ΠΆΠ½ΠΎ ΠΎΡΠΌΠ΅ΡΠΈΡΡ, ΡΡΠΎ Π½ΠΈΠ·ΠΊΠΈΠ΅ Π΄ΠΎΠ·Ρ ΠΊΠ΅ΡΠ°ΠΌΠΈΠ½Π°, Π²Π²Π΅Π΄Π΅Π½Π½ΡΠ΅ Π·Π° Π½Π΅Π΄Π΅Π»Ρ Π΄ΠΎ ΡΡΠΎΠ³ΠΎ, ΠΏΠΎΠ»Π½ΠΎΡΡΡΡ Π±Π»ΠΎΠΊΠΈΡΠΎΠ²Π°Π»ΠΈ Π²Π»ΠΈΡΠ½ΠΈΠ΅ IS Π½Π° JSE.ΠΠ²ΡΡΡΠΎΡΠΎΠ½Π½ΠΈΠΉ Π΄ΠΈΡΠΏΠ΅ΡΡΠΈΠΎΠ½Π½ΡΠΉ Π°Π½Π°Π»ΠΈΠ· Π²ΡΡΠ²ΠΈΠ» Π·Π½Π°ΡΠΈΠΌΡΠ΅ ΠΎΡΠ½ΠΎΠ²Π½ΡΠ΅ ΡΡΡΠ΅ΠΊΡΡ ΡΡΡΠ΅ΡΡΠ° ( F (1,52) = 21,13, p <0,0001), Π»Π΅ΠΊΠ°ΡΡΡΠ²ΠΎ ( F (2,52) = 12,62, p < 0,0001), ΠΈ ΡΡΡΠ΅ΡΡ ΠΎΡ Π»Π΅ΠΊΠ°ΡΡΡΠ²Π΅Π½Π½ΠΎΠ³ΠΎ Π²Π·Π°ΠΈΠΌΠΎΠ΄Π΅ΠΉΡΡΠ²ΠΈΡ ( F (2,52) = 3,97, p = 0,025). ΠΠ΅ΡΠΎΠ΄ Π’ΡΡΠΊΠΈ post hoc ΠΏΠΎΠΊΠ°Π·Π°Π», ΡΡΠΎ ΠΊΡΡΡΡ, ΠΊΠΎΡΠΎΡΡΠΌ Π²Π²ΠΎΠ΄ΠΈΠ»ΠΈ ΡΠΈΠ·ΠΈΠΎΠ»ΠΎΠ³ΠΈΡΠ΅ΡΠΊΠΈΠΉ ΡΠ°ΡΡΠ²ΠΎΡ ΠΈΠ»ΠΈ Π²ΡΡΠΎΠΊΠΈΠ΅ Π΄ΠΎΠ·Ρ ΠΊΠ΅ΡΠ°ΠΌΠΈΠ½Π° ΠΏΠ΅ΡΠ΅Π΄ IS, Π±ΡΠ»ΠΈ Π½Π΅ΠΎΡΠ»ΠΈΡΠΈΠΌΡ Π΄ΡΡΠ³ ΠΎΡ Π΄ΡΡΠ³Π°, Π½ΠΎ ΠΎΡΠ»ΠΈΡΠ°Π»ΠΈΡΡ ΠΎΡ Π²ΡΠ΅Ρ Π΄ΡΡΠ³ΠΈΡ Π³ΡΡΠΏΠΏ ( p <0.05). ΠΡΡΡΡ, ΠΊΠΎΡΠΎΡΡΠΌ Π²Π²ΠΎΠ΄ΠΈΠ»ΠΈ Π½ΠΈΠ·ΠΊΠΈΠ΅ Π΄ΠΎΠ·Ρ ΠΊΠ΅ΡΠ°ΠΌΠΈΠ½Π° ΠΈ IS, Π·Π½Π°ΡΠΈΡΠ΅Π»ΡΠ½ΠΎ ΠΎΡΠ»ΠΈΡΠ°Π»ΠΈΡΡ ΠΎΡ ΠΊΡΡΡ, ΠΏΠΎΠ»ΡΡΠ°Π²ΡΠΈΡ ΡΠΈΠ·ΠΈΠΎΠ»ΠΎΠ³ΠΈΡΠ΅ΡΠΊΠΈΠΉ ΡΠ°ΡΡΠ²ΠΎΡ ΠΈ IS ΠΈΠ»ΠΈ Π²ΡΡΠΎΠΊΠΈΠ΅ Π΄ΠΎΠ·Ρ ΠΊΠ΅ΡΠ°ΠΌΠΈΠ½Π° ΠΈ IS, Π² ΡΠΎ Π²ΡΠ΅ΠΌΡ ΠΊΠ°ΠΊ ΠΊΡΡΡΡ IS, ΠΊΠΎΡΠΎΡΡΠΌ ΡΠ°Π½Π΅Π΅ Π²Π²ΠΎΠ΄ΠΈΠ»ΠΈ Π½ΠΈΠ·ΠΊΠΈΠ΅ Π΄ΠΎΠ·Ρ ΠΊΠ΅ΡΠ°ΠΌΠΈΠ½Π°, Π±ΡΠ»ΠΈ Π½Π΅ΠΎΡΠ»ΠΈΡΠΈΠΌΡ ΠΎΡ ΠΊΡΡΡ HC, ΠΊΠΎΡΠΎΡΡΠ΅ ΡΠ°Π½Π΅Π΅ ΠΏΠΎΠ»ΡΡΠ°Π»ΠΈ ΡΠΈΠ·ΠΈΠΎΠ»ΠΎΠ³ΠΈΡΠ΅ΡΠΊΠΈΠΉ ΡΠ°ΡΡΠ²ΠΎΡ, Π½ΠΈΠ·ΠΊΠΈΠ΅ Π΄ΠΎΠ·Ρ ΠΊΠ΅ΡΠ°ΠΌΠΈΠ½Π° ΠΈΠ»ΠΈ Π²ΡΡΠΎΠΊΠΈΠ΅ Π΄ΠΎΠ·Ρ ΠΊΠ΅ΡΠ°ΠΌΠΈΠ½Π°. Π‘ΠΎΡΠΈΠ°Π»ΡΠ½ΠΎΠ΅ ΠΈΡΡΠ»Π΅Π΄ΠΎΠ²Π°Π½ΠΈΠ΅ Π±ΡΠ»ΠΎ Π·Π½Π°ΡΠΈΡΠ΅Π»ΡΠ½ΠΎ ΡΠ½ΠΈΠΆΠ΅Π½ΠΎ Ρ ΠΊΡΡΡ, ΠΊΠΎΡΠΎΡΡΠΌ Π²Π²ΠΎΠ΄ΠΈΠ»ΠΈ ΡΠΈΠ·ΠΈΠΎΠ»ΠΎΠ³ΠΈΡΠ΅ΡΠΊΠΈΠΉ ΡΠ°ΡΡΠ²ΠΎΡ ΠΈ IS ( p = 0,0009) ΠΈΠ»ΠΈ Π²ΡΡΠΎΠΊΠΈΠ΅ Π΄ΠΎΠ·Ρ ΠΊΠ΅ΡΠ°ΠΌΠΈΠ½Π° ΠΈ IS ( p = 0,03) ΠΏΠΎ ΡΡΠ°Π²Π½Π΅Π½ΠΈΡ Ρ ΠΈΡ ΡΠΎΠΎΡΠ²Π΅ΡΡΡΠ²ΡΡΡΠ΅ΠΉ Π³ΡΡΠΏΠΏΠΎΠΉ Π΄ΠΎΠΌΠ°ΡΠ½Π΅ΠΉ ΠΊΠ»Π΅ΡΠΊΠΈ.
Π ΠΈΡΡΠ½ΠΎΠΊ 1.ΠΠΈΠ·ΠΊΠΈΠ΅ Π΄ΠΎΠ·Ρ ΠΊΠ΅ΡΠ°ΠΌΠΈΠ½Π° Π·Π°ΡΠΈΡΠ°ΡΡ ΡΠ°ΠΌΠΎΠΊ ΠΊΡΡΡ ΠΎΡ ΠΏΠΎΡΠ»Π΅Π΄ΡΡΡΠ΅Π³ΠΎ ΡΡΡΠ΅ΡΡ-ΠΈΠ½Π΄ΡΡΠΈΡΠΎΠ²Π°Π½Π½ΠΎΠ³ΠΎ Π΄Π΅ΡΠΈΡΠΈΡΠ° JSE. A , ΠΡΡΡΡ ΠΏΠΎΠ»ΡΡΠ°Π»ΠΈ Π½ΠΈΠ·ΠΊΡΡ (10 ΠΌΠ³ / ΠΊΠ³, Π²Π½ΡΡΡΠΈΠ±ΡΡΡΠΈΠ½Π½ΠΎ) ΠΈΠ»ΠΈ Π²ΡΡΠΎΠΊΡΡ (40 ΠΌΠ³ / ΠΊΠ³, Π²Π½ΡΡΡΠΈΠ±ΡΡΡΠΈΠ½Π½ΡΡ) Π΄ΠΎΠ·Ρ ΠΊΠ΅ΡΠ°ΠΌΠΈΠ½Π° Π·Π° ΠΎΠ΄Π½Ρ Π½Π΅Π΄Π΅Π»Ρ Π΄ΠΎ ΡΡΡΠ΅ΡΡΠ° ΠΈΠ»ΠΈ Π»Π΅ΡΠ΅Π½ΠΈΡ HC. JSE ΠΈΠ·ΠΌΠ΅ΡΡΠ»ΠΈ ΡΠ΅ΡΠ΅Π· 24 ΡΠ°ΡΠ° ΠΏΠΎΡΠ»Π΅ ΡΡΡΠ΅ΡΡΠ° ΠΈΠ»ΠΈ Π»Π΅ΡΠ΅Π½ΠΈΡ HC. ΠΠ΅ΡΠΎΠ΄ Π’ΡΡΠΊΠΈ post hoc : * p <0,05, *** p <0,001. Π‘ΡΠΎΠ»Π±ΡΡ ΠΏΡΠ΅Π΄ΡΡΠ°Π²Π»ΡΡΡ ΡΠΎΠ±ΠΎΠΉ Π³ΡΡΠΏΠΏΠΎΠ²ΠΎΠ΅ ΡΡΠ΅Π΄Π½Π΅Π΅ Β± SEM.
DRN 5-HT Π°ΠΊΡΠΈΠ²Π°ΡΠΈΡ
Π§ΡΠΎΠ±Ρ ΠΎΠΏΡΠ΅Π΄Π΅Π»ΠΈΡΡ, ΠΏΡΠ΅Π΄ΠΎΡΠ²ΡΠ°ΡΠ°Π΅Ρ Π»ΠΈ ΠΊΠ΅ΡΠ°ΠΌΠΈΠ½ ΡΠΈΠΏΠΈΡΠ½ΡΡ IS-ΠΈΠ½Π΄ΡΡΠΈΡΠΎΠ²Π°Π½Π½ΡΡ Π°ΠΊΡΠΈΠ²Π°ΡΠΈΡ DRN, ΠΌΡ ΠΎΡΠ΅Π½ΠΈΠ»ΠΈ ΠΈΠΌΠΌΡΠ½ΠΎΡΠ΅Π°ΠΊΡΠΈΠ²Π½ΠΎΡΡΡ Fos (Fos +), ΠΈΠΌΠΌΡΠ½ΠΎΡΠ΅Π°ΠΊΡΠΈΠ²Π½ΠΎΡΡΡ 5-HT (5-HT +), Π° ΡΠ°ΠΊΠΆΠ΅ ΠΏΡΠΎΡΠ΅Π½Ρ 5-HT ΠΊΠ»Π΅ΡΠΎΠΊ. ΡΠΊΡΠΏΡΠ΅ΡΡΠΈΡ Fos (% 5-HT + ΠΊΠ»Π΅ΡΠΎΠΊ, ΡΠΊΡΠΏΡΠ΅ΡΡΠΈΡΡΡΡΠΈΡ Fos) Π² ΡΠΎΡΡΡΠ°Π»ΡΠ½ΠΎΠΉ, ΡΡΠ΅Π΄Π½Π΅ΠΉ ΠΈ ΠΊΠ°ΡΠ΄Π°Π»ΡΠ½ΠΎΠΉ DRN ΠΊΡΡΡ, ΠΊΠΎΡΠΎΡΡΠΌ Π·Π° Π½Π΅Π΄Π΅Π»Ρ Π΄ΠΎ ΡΡΠΎΠ³ΠΎ ΠΈΠ½ΡΠ΅ΡΠΈΡΠΎΠ²Π°Π»ΠΈ Π½ΠΈΠ·ΠΊΠΈΠ΅ Π΄ΠΎΠ·Ρ ΠΊΠ΅ΡΠ°ΠΌΠΈΠ½Π° ΠΈΠ»ΠΈ Π½ΠΎΡΠΈΡΠ΅Π»Ρ (ΡΠΈΡ.2). ΠΡ ΡΠΊΠΎΠ½ΡΠ΅Π½ΡΡΠΈΡΠΎΠ²Π°Π»ΠΈΡΡ ΠΊΠΎΠ½ΠΊΡΠ΅ΡΠ½ΠΎ Π½Π° ΡΡΠΈΡ ΡΡΠ΅Ρ ΡΡΠ±ΡΠ΅Π³ΠΈΠΎΠ½Π°Ρ DRN, ΠΏΠΎΡΠΎΠΌΡ ΡΡΠΎ ΠΏΡΠ΅Π΄ΡΠ΄ΡΡΠΈΠ΅ ΠΈΡΡΠ»Π΅Π΄ΠΎΠ²Π°Π½ΠΈΡ ΠΏΡΠΎΠ΄Π΅ΠΌΠΎΠ½ΡΡΡΠΈΡΠΎΠ²Π°Π»ΠΈ, ΡΡΠΎ Ρ ΡΠ°ΠΌΡΠΎΠ² ΠΊΡΡΡ IS Π°ΠΊΡΠΈΠ²ΠΈΡΡΠ΅Ρ ΡΡΠ΅Π΄Π½ΡΡ ΠΈ ΠΊΠ°ΡΠ΄Π°Π»ΡΠ½ΡΡ DRN (Grahn et al., 1999). Π’ΠΎΡΠ½ΠΎ ΡΠ°ΠΊ ΠΆΠ΅ 2-ΡΠ°ΡΠΎΠ²ΠΎΠΉ ΠΌΠΎΠΌΠ΅Π½Ρ Π²ΡΠ΅ΠΌΠ΅Π½ΠΈ Π±ΡΠ» Π²ΡΠ±ΡΠ°Π½ Π½Π° ΠΎΡΠ½ΠΎΠ²Π°Π½ΠΈΠΈ ΠΏΡΠ΅Π΄ΡΠ΄ΡΡΠΈΡ ΡΠΊΡΠΏΠ΅ΡΠΈΠΌΠ΅Π½ΡΠΎΠ², Π΄Π΅ΠΌΠΎΠ½ΡΡΡΠΈΡΡΡΡΠΈΡ ΠΈΠ½Π΄ΡΡΠΈΡΠΎΠ²Π°Π½Π½ΠΎΠ΅ ΡΡΡΠ΅ΡΡΠΎΠΌ Fos Π² DRN (Grahn et al., 1999). ΠΠ° Π€ΠΈΠ³ΡΡΠ΅ 2 A ΠΏΠΎΠΊΠ°Π·Π°Π½Π° ΡΠΈΠΏΠΈΡΠ½Π°Ρ ΠΌΠΈΠΊΡΠΎΡΠΎΡΠΎΠ³ΡΠ°ΡΠΈΡ, ΠΎΠ±ΠΎΠ·Π½Π°ΡΠ°ΡΡΠ°Ρ 5-HT + ΠΊΠ»Π΅ΡΠΊΡ, Fos + ΠΊΠ»Π΅ΡΠΊΡ ΠΈ 5-HT + ΠΊΠ»Π΅ΡΠΊΡ, ΡΠ°ΠΊΠΆΠ΅ ΡΠΊΡΠΏΡΠ΅ΡΡΠΈΡΡΡΡΠΈΠ΅ Fos. ΠΠ²ΡΡΡΠΎΡΠΎΠ½Π½ΠΈΠΉ Π΄ΠΈΡΠΏΠ΅ΡΡΠΈΠΎΠ½Π½ΡΠΉ Π°Π½Π°Π»ΠΈΠ· Π±ΡΠ» ΠΈΡΠΏΠΎΠ»ΡΠ·ΠΎΠ²Π°Π½ Π΄Π»Ρ ΠΏΡΠΎΠ²Π΅ΡΠΊΠΈ ΡΠΎΠ³ΠΎ, Π²Π°ΡΡΠΈΡΠΎΠ²Π°Π»ΠΎΡΡ Π»ΠΈ ΠΎΠ±ΡΠ΅Π΅ ΠΊΠΎΠ»ΠΈΡΠ΅ΡΡΠ²ΠΎ 5-HT + ΠΊΠ»Π΅ΡΠΎΠΊ ΠΌΠ΅ΠΆΠ΄Ρ Π³ΡΡΠΏΠΏΠ°ΠΌΠΈ Π² ΡΠΎΡΡΡΠ°Π»ΡΠ½ΠΎΠΉ, ΡΡΠ΅Π΄Π½Π΅ΠΉ ΠΈΠ»ΠΈ ΠΊΠ°ΡΠ΄Π°Π»ΡΠ½ΠΎΠΉ DRN.ΠΠΈΠΊΠ°ΠΊΠΈΡ ΡΠ°Π·Π»ΠΈΡΠΈΠΉ Π² ΠΎΠ±ΡΠ΅ΠΌ ΠΊΠΎΠ»ΠΈΡΠ΅ΡΡΠ²Π΅ 5-HT + ΠΊΠ»Π΅ΡΠΎΠΊ Π½Π΅ Π½Π°Π±Π»ΡΠ΄Π°Π»ΠΎΡΡ ( p > 0,05) ΠΌΠ΅ΠΆΠ΄Ρ Π³ΡΡΠΏΠΏΠ°ΠΌΠΈ ΡΡΡΠ΅ΡΡΠ° Π΄Π»Ρ ΡΠΎΡΡΡΠ°Π»ΡΠ½ΠΎΠΉ, ΡΡΠ΅Π΄Π½Π΅ΠΉ ΠΈΠ»ΠΈ ΠΊΠ°ΡΠ΄Π°Π»ΡΠ½ΠΎΠΉ ΠΏΠΎΠ΄ΠΎΠ±Π»Π°ΡΡΠ΅ΠΉ DRN (Π΄Π°Π½Π½ΡΠ΅ Π½Π΅ ΠΏΠΎΠΊΠ°Π·Π°Π½Ρ). Fos + ΠΊΠ»Π΅ΡΠΊΠΈ ΠΈΡΡΠ»Π΅Π΄ΠΎΠ²Π°Π»ΠΈ Π² ΠΊΠ°ΠΆΠ΄ΠΎΠΉ ΠΏΠΎΠ΄ΠΎΠ±Π»Π°ΡΡΠΈ DRN Π΄Π»Ρ ΡΠ°Π·Π»ΠΈΡΠ½ΡΡ Π³ΡΡΠΏΠΏ ΠΎΠ±ΡΠ°Π±ΠΎΡΠΊΠΈ (ΡΠΈΠ³. 2 B , ΡΠ»Π΅Π²Π°). Π ΡΠΎΡΡΡΠ°Π»ΡΠ½ΠΎΠΉ DRN Π΄Π²ΡΡ ΡΠ°ΠΊΡΠΎΡΠ½ΡΠΉ Π΄ΠΈΡΠΏΠ΅ΡΡΠΈΠΎΠ½Π½ΡΠΉ Π°Π½Π°Π»ΠΈΠ· Π²ΡΡΠ²ΠΈΠ» ΠΎΡΠ½ΠΎΠ²Π½ΠΎΠΉ ΡΡΡΠ΅ΠΊΡ Π»Π΅ΠΊΠ°ΡΡΡΠ²Π΅Π½Π½ΠΎΠ³ΠΎ ΡΡΠ΅Π΄ΡΡΠ²Π° ( F (1,38) = 4,29, p = 0,046) ΠΈ ΠΎΡΠ½ΠΎΠ²Π½ΠΎΠΉ ΡΡΡΠ΅ΠΊΡ ΡΡΡΠ΅ΡΡΠ° ( F (1, 38) = 15.22, p = 0,0004). ΠΠΏΠΎΡΡΠ΅ΡΠΈΠΎΡΠ½ΡΠΉ Π°Π½Π°Π»ΠΈΠ· Π’ΡΡΠΊΠΈ ΠΏΠΎΠΊΠ°Π·Π°Π», ΡΡΠΎ ΠΊΡΡΡΡ IS ΠΏΠΎΠΊΠ°Π·ΡΠ²Π°ΡΡ ΡΠ²Π΅Π»ΠΈΡΠ΅Π½ΠΈΠ΅ Fos + ΠΏΠΎ ΡΡΠ°Π²Π½Π΅Π½ΠΈΡ Ρ ΠΊΡΡΡΠ°ΠΌΠΈ, ΠΏΠΎΠ»ΡΡΠ°Π²ΡΠΈΠΌΠΈ HC ( p <0,05). Fos + Π±ΡΠ» Π·Π½Π°ΡΠΈΡΠ΅Π»ΡΠ½ΠΎ ΡΠ½ΠΈΠΆΠ΅Π½ Ρ ΠΊΡΡΡ, ΠΊΠΎΡΠΎΡΡΠΌ ΡΠ°Π½Π΅Π΅ Π²Π²ΠΎΠ΄ΠΈΠ»ΠΈ ΠΊΠ΅ΡΠ°ΠΌΠΈΠ½, ΠΊΠΎΡΠΎΡΡΠ΅ ΠΏΠΎΠ»ΡΡΠ°Π»ΠΈ IS, ΠΏΠΎ ΡΡΠ°Π²Π½Π΅Π½ΠΈΡ Ρ ΠΊΡΡΡΠ°ΠΌΠΈ, ΠΊΠΎΡΠΎΡΡΠΌ Π²Π²ΠΎΠ΄ΠΈΠ»ΠΈ ΡΠΈΠ·ΠΈΠΎΠ»ΠΎΠ³ΠΈΡΠ΅ΡΠΊΠΈΠΉ ΡΠ°ΡΡΠ²ΠΎΡ Π΄ΠΎ IS ( p <0,05). ΠΠ½ΡΡΡΠΈ ΡΡΠ΅Π΄Π½Π΅Π³ΠΎ DRN ΡΡΡΠ΅ΡΡ ΡΠ²Π΅Π»ΠΈΡΠΈΠ²Π°Π» Fos +; ΠΎΠ΄Π½Π°ΠΊΠΎ ΡΡΠΎΡ ΡΡΡΠ΅ΠΊΡ Π±ΡΠ» ΡΠ°ΡΡΠΈΡΠ½ΠΎ ΠΏΡΠ΅Π΄ΠΎΡΠ²ΡΠ°ΡΠ΅Π½ ΠΏΡΠ΅Π΄ΡΠ΅ΡΡΠ²ΡΡΡΠΈΠΌ ΠΊΠ΅ΡΠ°ΠΌΠΈΠ½ΠΎΠΌ. ΠΡΠΈ Π½Π°Π±Π»ΡΠ΄Π΅Π½ΠΈΡ Π±ΡΠ»ΠΈ ΠΏΠΎΠ΄ΡΠ²Π΅ΡΠΆΠ΄Π΅Π½Ρ Π΄Π²ΡΡΡΠΎΡΠΎΠ½Π½ΠΈΠΌ Π΄ΠΈΡΠΏΠ΅ΡΡΠΈΠΎΠ½Π½ΡΠΌ Π°Π½Π°Π»ΠΈΠ·ΠΎΠΌ, ΠΊΠΎΡΠΎΡΡΠΉ Π²ΡΡΠ²ΠΈΠ» ΠΎΡΠ½ΠΎΠ²Π½ΡΠ΅ ΡΡΡΠ΅ΠΊΡΡ ΡΡΡΠ΅ΡΡΠ° ( F (1,39) = 14.94, p = 0,0004), Π»Π΅ΠΊΠ°ΡΡΡΠ²ΠΎ ( F (1,39) = 4,539, p = 0,04) ΠΈ Π²Π·Π°ΠΈΠΌΠΎΠ΄Π΅ΠΉΡΡΠ²ΠΈΠ΅ ΡΡΡΠ΅ΡΡ Γ Π»Π΅ΠΊΠ°ΡΡΡΠ²ΠΎ ( F (1,39) = 4,303 , p = 0,045). Post hoc Π°Π½Π°Π»ΠΈΠ· ΠΏΡΠΎΠ΄Π΅ΠΌΠΎΠ½ΡΡΡΠΈΡΠΎΠ²Π°Π», ΡΡΠΎ Fos + Π·Π½Π°ΡΠΈΡΠ΅Π»ΡΠ½ΠΎ ΡΠ²Π΅Π»ΠΈΡΠΈΠ²Π°Π»ΡΡ Ρ ΠΊΡΡΡ IS ΠΏΠΎ ΡΡΠ°Π²Π½Π΅Π½ΠΈΡ Ρ ΠΊΡΡΡΠ°ΠΌΠΈ HC ( p <0,01). ΠΠ΅ΡΠ°ΠΌΠΈΠ½, Π²Π²Π΅Π΄Π΅Π½Π½ΡΠΉ Π΄ΠΎ IS, ΡΠ½ΠΈΠΆΠ°Π» Fos + ΠΏΠΎ ΡΡΠ°Π²Π½Π΅Π½ΠΈΡ Ρ ΠΊΡΡΡΠ°ΠΌΠΈ IS, ΠΊΠΎΡΠΎΡΡΠ΅ ΠΏΠΎΠ»ΡΡΠ°Π»ΠΈ ΡΠΈΠ·ΠΈΠΎΠ»ΠΎΠ³ΠΈΡΠ΅ΡΠΊΠΈΠΉ ΡΠ°ΡΡΠ²ΠΎΡ ( p <0,05). ΠΠΎΠ»ΠΈΡΠ΅ΡΡΠ²ΠΎ Fos + -ΠΊΠ»Π΅ΡΠΎΠΊ Π² ΠΊΠ°ΡΠ΄Π°Π»ΡΠ½ΠΎΠΉ DRN Π±ΡΠ»ΠΎ Π±ΠΎΠ»ΡΡΠ΅ ΠΏΠΎΡΠ»Π΅ IS, ΡΠ΅ΠΌ HC.ΠΡΠΎ Π±ΡΠ»ΠΎ ΠΏΠΎΠ΄ΡΠ²Π΅ΡΠΆΠ΄Π΅Π½ΠΎ Π΄Π²ΡΡ ΡΠ°ΠΊΡΠΎΡΠ½ΡΠΌ Π΄ΠΈΡΠΏΠ΅ΡΡΠΈΠΎΠ½Π½ΡΠΌ Π°Π½Π°Π»ΠΈΠ·ΠΎΠΌ, ΠΊΠΎΡΠΎΡΡΠΉ Π²ΡΡΠ²ΠΈΠ» ΠΎΡΠ½ΠΎΠ²Π½ΡΠ΅ ΡΡΡΠ΅ΠΊΡΡ ΡΡΡΠ΅ΡΡΠ° ( F (1,36) = 9,446, p = 0,004). ΠΠ΅ ΡΠ΄ΠΈΠ²ΠΈΡΠ΅Π»ΡΠ½ΠΎ, ΡΡΠΎ IS Π²ΡΠ·ΡΠ²Π°Π» ΡΡΠΎΠΉΠΊΠΎΠ΅ ΡΠ²Π΅Π»ΠΈΡΠ΅Π½ΠΈΠ΅ ΠΊΠΎΠ»ΠΈΡΠ΅ΡΡΠ²Π° 5-HT + ΠΊΠ»Π΅ΡΠΎΠΊ (5-HT + Fos) Π² ΡΠΎΡΡΡΠ°Π»ΡΠ½ΠΎΠΉ, ΡΡΠ΅Π΄Π½Π΅ΠΉ ΠΈ ΠΊΠ°ΡΠ΄Π°Π»ΡΠ½ΠΎΠΉ DRN (Fig. 2 B , right). Π ΡΠΎΡΡΡΠ°Π»ΡΠ½ΠΎΠΉ DRN Π΄Π²ΡΡ ΡΠ°ΠΊΡΠΎΡΠ½ΡΠΉ Π΄ΠΈΡΠΏΠ΅ΡΡΠΈΠΎΠ½Π½ΡΠΉ Π°Π½Π°Π»ΠΈΠ· Π²ΡΡΠ²ΠΈΠ» ΠΎΡΠ½ΠΎΠ²Π½ΡΠ΅ ΡΡΡΠ΅ΠΊΡΡ ΡΡΡΠ΅ΡΡΠ° ( F (1,38) = 20, p <0,0001) ΠΈ Π»Π΅ΠΊΠ°ΡΡΡΠ²Π΅Π½Π½ΠΎΠ³ΠΎ ΡΡΠ΅Π΄ΡΡΠ²Π° ( F (1,38) = 4 .255, p = 0,046). ΠΠΎ ΡΡΠ°Π²Π½Π΅Π½ΠΈΡ Ρ ΠΊΡΡΡΠ°ΠΌΠΈ HC, ΠΊΠΎΡΠΎΡΡΠΌ ΡΠ°Π½Π΅Π΅ Π²Π²ΠΎΠ΄ΠΈΠ»ΠΈ ΡΠΈΠ·ΠΈΠΎΠ»ΠΎΠ³ΠΈΡΠ΅ΡΠΊΠΈΠΉ ΡΠ°ΡΡΠ²ΠΎΡ, ΠΊΡΡΡΡ IS, ΠΊΠΎΡΠΎΡΡΠΌ Π²Π²ΠΎΠ΄ΠΈΠ»ΠΈ ΡΠΈΠ·ΠΈΠΎΠ»ΠΎΠ³ΠΈΡΠ΅ΡΠΊΠΈΠΉ ΡΠ°ΡΡΠ²ΠΎΡ, ΠΏΠΎΠΊΠ°Π·Π°Π»ΠΈ ΡΡΠΈΠ»Π΅Π½ΠΈΠ΅ 5-HT + ΠΊΠ»Π΅ΡΠΎΠΊ, ΡΠ°ΠΊΠΆΠ΅ ΡΠΊΡΠΏΡΠ΅ΡΡΠΈΡΡΡΡΠΈΡ Fos ( p <0,05). ΠΠΎΠ»ΠΈΡΠ΅ΡΡΠ²ΠΎ 5-HT + ΠΊΠ»Π΅ΡΠΎΠΊ, ΡΠ°ΠΊΠΆΠ΅ ΡΠΊΡΠΏΡΠ΅ΡΡΠΈΡΡΡΡΠΈΡ Fos, Π±ΡΠ»ΠΎ ΡΠ½ΠΈΠΆΠ΅Π½ΠΎ Ρ ΠΊΡΡΡ IS, ΠΊΠΎΡΠΎΡΡΠ΅ ΡΠ°Π½Π΅Π΅ ΠΏΠΎΠ»ΡΡΠ°Π»ΠΈ ΠΊΠ΅ΡΠ°ΠΌΠΈΠ½, ΠΏΠΎ ΡΡΠ°Π²Π½Π΅Π½ΠΈΡ Ρ ΠΊΡΡΡΠ°ΠΌΠΈ IS, ΠΊΠΎΡΠΎΡΡΠ΅ ΠΏΠΎΠ»ΡΡΠ°Π»ΠΈ ΡΠΈΠ·ΠΈΠΎΠ»ΠΎΠ³ΠΈΡΠ΅ΡΠΊΠΈΠΉ ΡΠ°ΡΡΠ²ΠΎΡ ( p <0,05). Π ΠΏΡΠ΅Π΄Π΅Π»Π°Ρ ΡΡΠ΅Π΄Π½Π΅Π³ΠΎ DRN Π΄Π²ΡΡ ΡΠ°ΠΊΡΠΎΡΠ½ΡΠΉ Π΄ΠΈΡΠΏΠ΅ΡΡΠΈΠΎΠ½Π½ΡΠΉ Π°Π½Π°Π»ΠΈΠ· Π²ΡΡΠ²ΠΈΠ» ΠΎΡΠ½ΠΎΠ²Π½ΡΠ΅ ΡΡΡΠ΅ΠΊΡΡ ΡΡΡΠ΅ΡΡΠ° ( F (1,39) = 26,58, p <0,0001), Π»Π΅ΠΊΠ°ΡΡΡΠ²ΠΎ ( F (1,39) = 5.048, p = 0,03) ΠΈ Π²Π·Π°ΠΈΠΌΠΎΠ΄Π΅ΠΉΡΡΠ²ΠΈΠ΅ ΡΡΡΠ΅ΡΡΠ° Γ Π»Π΅ΠΊΠ°ΡΡΡΠ²Π΅Π½Π½ΠΎΠ΅ ΡΡΠ΅Π΄ΡΡΠ²ΠΎ ( F (1,39) = 5,037, p = 0,03). ΠΠ°ΠΊ Π½Π°Π±Π»ΡΠ΄Π°Π»ΠΎΡΡ Π² ΡΠΎΡΡΡΠ°Π»ΡΠ½ΠΎΠΉ DRN, ΠΊΡΡΡΡ, ΠΊΠΎΡΠΎΡΡΠΌ ΡΠ°Π½Π΅Π΅ Π²Π²ΠΎΠ΄ΠΈΠ»ΠΈ ΡΠΈΠ·ΠΈΠΎΠ»ΠΎΠ³ΠΈΡΠ΅ΡΠΊΠΈΠΉ ΡΠ°ΡΡΠ²ΠΎΡ ΠΈΠ»ΠΈ ΠΊΠ΅ΡΠ°ΠΌΠΈΠ½, ΠΊΠΎΡΠΎΡΡΠ΅ ΠΏΠΎΠ»ΡΡΠ°Π»ΠΈ IS, ΠΏΠΎΠΊΠ°Π·Π°Π»ΠΈ ΡΠ²Π΅Π»ΠΈΡΠ΅Π½ΠΈΠ΅ ΠΊΠΎΠ»ΠΈΡΠ΅ΡΡΠ²Π° 5-HT + ΠΊΠ»Π΅ΡΠΎΠΊ, ΡΠ°ΠΊΠΆΠ΅ ΡΠΊΡΠΏΡΠ΅ΡΡΠΈΡΡΡΡΠΈΡ Fos, ΠΏΠΎ ΡΡΠ°Π²Π½Π΅Π½ΠΈΡ Ρ ΠΊΡΡΡΠ°ΠΌΠΈ, ΠΊΠΎΡΠΎΡΡΠΌ Π²Π²ΠΎΠ΄ΠΈΠ»ΠΈ ΡΠΈΠ·ΠΈΠΎΠ»ΠΎΠ³ΠΈΡΠ΅ΡΠΊΠΈΠΉ ΡΠ°ΡΡΠ²ΠΎΡ ΠΈΠ»ΠΈ ΠΊΠ΅ΡΠ°ΠΌΠΈΠ½ ΠΈ HC ( p <0,0001). ΠΡΠ΅Π΄ΡΠ΄ΡΡΠΈΠΉ ΠΊΠ΅ΡΠ°ΠΌΠΈΠ½ ΡΠ½ΠΈΠΆΠ°Π» ΠΈΠ½Π΄ΡΡΠΈΡΠΎΠ²Π°Π½Π½ΠΎΠ΅ IS ΡΡΠΈΠ»Π΅Π½ΠΈΠ΅ 5-HT + ΠΊΠ»Π΅ΡΠΎΠΊ, ΡΠ°ΠΊΠΆΠ΅ ΡΠΊΡΠΏΡΠ΅ΡΡΠΈΡΡΡΡΠΈΡ Fos, ΠΏΠΎ ΡΡΠ°Π²Π½Π΅Π½ΠΈΡ Ρ ΠΊΡΡΡΠ°ΠΌΠΈ, ΠΎΠ±ΡΠ°Π±ΠΎΡΠ°Π½Π½ΡΠΌΠΈ ΡΠΈΠ·ΠΈΠΎΠ»ΠΎΠ³ΠΈΡΠ΅ΡΠΊΠΈΠΌ ΡΠ°ΡΡΠ²ΠΎΡΠΎΠΌ, ΠΊΠΎΡΠΎΡΡΠ΅ ΠΏΠΎΠ»ΡΡΠ°Π»ΠΈ IS ( p <0.05). ΠΠ°ΠΊΠΎΠ½Π΅Ρ, Π² ΠΊΠ°ΡΠ΄Π°Π»ΡΠ½ΠΎΠΉ DRN Π΄Π²ΡΡ ΡΠ°ΠΊΡΠΎΡΠ½ΡΠΉ Π΄ΠΈΡΠΏΠ΅ΡΡΠΈΠΎΠ½Π½ΡΠΉ Π°Π½Π°Π»ΠΈΠ· Π²ΡΡΠ²ΠΈΠ» ΠΎΡΠ½ΠΎΠ²Π½ΠΎΠΉ ΡΡΡΠ΅ΠΊΡ ΡΡΡΠ΅ΡΡΠ° ( F (1,36) = 23,01, p <0,0001). ΠΡΡΡΡ, ΠΎΠ±ΡΠ°Π±ΠΎΡΠ°Π½Π½ΡΠ΅ ΡΠΈΠ·ΠΈΠΎΠ»ΠΎΠ³ΠΈΡΠ΅ΡΠΊΠΈΠΌ ΡΠ°ΡΡΠ²ΠΎΡΠΎΠΌ, ΠΊΠΎΡΠΎΡΡΠ΅ ΠΏΠΎΠ»ΡΡΠ°Π»ΠΈ IS, ΠΏΠΎΠΊΠ°Π·Π°Π»ΠΈ ΡΡΠΈΠ»Π΅Π½ΠΈΠ΅ 5-HT + ΠΊΠ»Π΅ΡΠΎΠΊ, ΡΠ°ΠΊΠΆΠ΅ ΡΠΊΡΠΏΡΠ΅ΡΡΠΈΡΡΡΡΠΈΡ Fos, ΠΏΠΎ ΡΡΠ°Π²Π½Π΅Π½ΠΈΡ Ρ ΠΊΡΡΡΠ°ΠΌΠΈ HC, ΠΎΠ±ΡΠ°Π±ΠΎΡΠ°Π½Π½ΡΠΌΠΈ ΡΠΈΠ·ΠΈΠΎΠ»ΠΎΠ³ΠΈΡΠ΅ΡΠΊΠΈΠΌ ΡΠ°ΡΡΠ²ΠΎΡΠΎΠΌ ΠΈ ΠΊΠ΅ΡΠ°ΠΌΠΈΠ½ΠΎΠΌ ( p <0,001). Π’Π°ΠΊΠΈΠΌ ΠΎΠ±ΡΠ°Π·ΠΎΠΌ, IS Π°ΠΊΡΠΈΠ²ΠΈΡΠΎΠ²Π°Π» Π½Π΅ΠΉΡΠΎΠ½Ρ DRN 5-HT, ΠΈ ΡΡΠ° Π°ΠΊΡΠΈΠ²Π°ΡΠΈΡ Π±ΡΠ»Π° ΡΡΡΠ΅ΡΡΠ²Π΅Π½Π½ΠΎ ΠΎΡΠ»Π°Π±Π»Π΅Π½Π° Π²Π²Π΅Π΄Π΅Π½ΠΈΠ΅ΠΌ ΠΊΠ΅ΡΠ°ΠΌΠΈΠ½Π° 7 Π΄Π½Π΅ΠΉ Π½Π°Π·Π°Π΄.
Π ΠΈΡΡΠ½ΠΎΠΊ 2.ΠΠΈΠ·ΠΊΠΈΠ΅ Π΄ΠΎΠ·Ρ ΠΊΠ΅ΡΠ°ΠΌΠΈΠ½Π° ΠΏΠΎΠ΄Π°Π²Π»ΡΡΡ Π°ΠΊΡΠΈΠ²Π°ΡΠΈΡ DRN, Π²ΡΠ·Π²Π°Π½Π½ΡΡ ΡΡΡΠ΅ΡΡΠΎΠΌ. A , Π’ΠΈΠΏΠΈΡΠ½Π°Ρ ΠΌΠΈΠΊΡΠΎΡΠΎΡΠΎΠ³ΡΠ°ΡΠΈΡ, ΠΏΠΎΠΊΠ°Π·ΡΠ²Π°ΡΡΠ°Ρ 5-HT + ΠΊΠ»Π΅ΡΠΊΡ (ΠΊΡΠ°ΡΠ½Π°Ρ ΡΡΡΠ΅Π»ΠΊΠ°), Fos + ΠΊΠ»Π΅ΡΠΊΠ° (ΡΠ΅ΡΠ½Π°Ρ ΡΡΡΠ΅Π»ΠΊΠ°) ΠΈ Π΄Π²Π°ΠΆΠ΄Ρ ΠΌΠ΅ΡΠ΅Π½Π°Ρ ΠΊΠ»Π΅ΡΠΊΠ°, ΡΠΊΡΠΏΡΠ΅ΡΡΠΈΡΡΡΡΠ°Ρ 5-HT ΠΈ Fos (Π±Π΅Π»Π°Ρ ΡΡΡΠ΅Π»ΠΊΠ°). B , ΠΠ±ΡΠ΅Π΅ ΠΊΠΎΠ»ΠΈΡΠ΅ΡΡΠ²ΠΎ ΠΊΠ»Π΅ΡΠΎΠΊ Fos + (ΡΠ»Π΅Π²Π°) ΠΈ ΠΏΡΠΎΡΠ΅Π½Ρ 5-HT + ΠΊΠ»Π΅ΡΠΎΠΊ, ΡΠ°ΠΊΠΆΠ΅ ΡΠΊΡΠΏΡΠ΅ΡΡΠΈΡΡΡΡΠΈΡ Fos Π² ΡΠΎΡΡΡΠ°Π»ΡΠ½ΠΎΠΉ, ΡΡΠ΅Π΄Π½Π΅ΠΉ ΠΈ ΠΊΠ°ΡΠ΄Π°Π»ΡΠ½ΠΎΠΉ ΠΏΠΎΠ΄ΠΎΠ±Π»Π°ΡΡΡΡ DRN. ΠΠ΅ΡΠΎΠ΄ Π’ΡΡΠΊΠΈ post hoc : * p <0,05, ** p <0,01, *** p <0,001, **** p <0.0001. Π‘ΡΠΎΠ»Π±ΡΡ ΠΏΡΠ΅Π΄ΡΡΠ°Π²Π»ΡΡΡ ΡΠΎΠ±ΠΎΠΉ Π³ΡΡΠΏΠΏΠΎΠ²ΠΎΠ΅ ΡΡΠ΅Π΄Π½Π΅Π΅ Β± SEM.
ΠΠ»ΠΈΡΠ½ΠΈΠ΅ ΠΊΠ΅ΡΠ°ΠΌΠΈΠ½Π° Π½Π° Π°ΠΊΡΠΈΠ²Π½ΠΎΡΡΡ PL Π²ΠΎ Π²ΡΠ΅ΠΌΡ ΡΡΡΠ΅ΡΡΠ°
ΠΡΠ΅Π΄ΡΠ΄ΡΡΠ°Ρ ΡΠ°Π±ΠΎΡΠ° Π΄Π΅ΠΌΠΎΠ½ΡΡΡΠΈΡΡΠ΅Ρ ΡΠΎΠ»Ρ Π½Π΅ΠΉΡΠΎΠ½ΠΎΠ² Π³Π»ΡΠ±ΠΎΠΊΠΎΠ³ΠΎ ΡΠ»ΠΎΡ (Layer V / VI) PL Π² Π±ΡΡΠ΅ΡΠ½ΡΡ ΡΡΡΠ΅ΠΊΡΠ°Ρ ΠΊΠ°ΠΊ ΠΊΠ΅ΡΠ°ΠΌΠΈΠ½Π°, ΡΠ°ΠΊ ΠΈ ΠΏΠΎΠ²Π΅Π΄Π΅Π½ΡΠ΅ΡΠΊΠΎΠ³ΠΎ ΠΊΠΎΠ½ΡΡΠΎΠ»Ρ (Amat et al. , 2005, 2016; ΠΠ°ΡΠ΅Π»Π° ΠΈ Π΄Ρ., 2012). Π’Π°ΠΊΠΈΠΌ ΠΎΠ±ΡΠ°Π·ΠΎΠΌ, ΠΌΡ ΡΡΡΠ΅ΠΌΠΈΠ»ΠΈΡΡ ΠΎΠΏΡΠ΅Π΄Π΅Π»ΠΈΡΡ, ΠΌΠΎΠΆΠ΅Ρ Π»ΠΈ ΠΏΡΠ΅Π΄ΡΠ΅ΡΡΠ²ΡΡΡΠΈΠΉ ΠΊΠ΅ΡΠ°ΠΌΠΈΠ½ Π²ΡΠ·ΡΠ²Π°ΡΡ Π°ΠΊΡΠΈΠ²Π°ΡΠΈΡ Π½Π΅ΠΉΡΠΎΠ½Π½ΡΡ Π°Π½ΡΠ°ΠΌΠ±Π»Π΅ΠΉ Π² ΠΏΡΠ΅Π΄Π΅Π»Π°Ρ PL, ΡΡΠΎΠ±Ρ Π±ΠΎΠ»Π΅Π΅ ΠΏΠΎΠ·Π΄Π½ΠΈΠΉ ΠΎΠΏΡΡ Ρ IS ΡΠ΅ΠΏΠ΅ΡΡ Π°ΠΊΡΠΈΠ²ΠΈΡΠΎΠ²Π°Π» PL Π² ΠΌΠ°Π½Π΅ΡΠ΅, ΡΠΎΠ²ΠΌΠ΅ΡΡΠΈΠΌΠΎΠΉ Ρ ΠΏΠΎΠ²Π΅Π΄Π΅Π½ΡΠ΅ΡΠΊΠΈΠΌ ΠΊΠΎΠ½ΡΡΠΎΠ»Π΅ΠΌ Ρ ΠΌΡΠΆΡΠΈΠ½ (Baratta et al., 2009). Π’Π°ΠΊΠΈΠ΅ ΡΠ΅Π·ΡΠ»ΡΡΠ°ΡΡ ΠΏΠΎΠ·Π²ΠΎΠ»ΡΡΡ ΠΏΡΠ΅Π΄ΠΏΠΎΠ»ΠΎΠΆΠΈΡΡ, ΡΡΠΎ Π·Π°ΡΠΈΡΠ½ΡΠ΅ ΡΡΡΠ΅ΠΊΡΡ ΠΊΠ΅ΡΠ°ΠΌΠΈΠ½Π° ΠΎΠΏΠΎΡΡΠ΅Π΄ΡΡΡΡΡ, ΠΏΠΎ ΠΊΡΠ°ΠΉΠ½Π΅ΠΉ ΠΌΠ΅ΡΠ΅ ΡΠ°ΡΡΠΈΡΠ½ΠΎ, ΡΡΠΎΠΉΠΊΠΈΠΌΠΈ ΠΈΠ·ΠΌΠ΅Π½Π΅Π½ΠΈΡΠΌΠΈ Π² Π½Π΅ΡΠ²Π½ΠΎΠΌ ΡΠ·Π»Π΅, ΠΊΠΎΡΠΎΡΡΠ΅ ΠΎΠ±ΡΡΠ½ΠΎ ΠΈΠ·ΡΡΠ°ΡΡΡΡ Π² ΠΎΡΠ½ΠΎΡΠ΅Π½ΠΈΠΈ ΠΈΠ½Π³ΠΈΠ±ΠΈΡΡΡΡΠ΅Π³ΠΎ ΠΊΠΎΠ½ΡΡΠΎΠ»Ρ Π½Π°Π΄ DRN (Amat et al., 2005; Baratta et al., 2009) . Π ΠΈΡΡΠ½ΠΎΠΊ 3 A ΠΏΠΎΠΊΠ°Π·ΡΠ²Π°Π΅Ρ ΡΡ Π΅ΠΌΠ°ΡΠΈΡΠ΅ΡΠΊΡΡ Π΄ΠΈΠ°Π³ΡΠ°ΠΌΠΌΡ ΡΠΊΡΠΏΠ΅ΡΠΈΠΌΠ΅Π½ΡΠ°Π»ΡΠ½ΠΎΠΉ Π²ΡΠ΅ΠΌΠ΅Π½Π½ΠΎΠΉ ΡΠΊΠ°Π»Ρ. ΠΠΎ-ΠΏΠ΅ΡΠ²ΡΡ , ΠΌΡ ΠΏΠΎΠΏΡΡΠ°Π»ΠΈΡΡ ΠΎΠΏΡΠ΅Π΄Π΅Π»ΠΈΡΡ, ΠΌΠΎΠΆΠ΅Ρ Π»ΠΈ ΠΎΠ΄Π½ΠΎΠΊΡΠ°ΡΠ½Π°Ρ ΠΈΠ½ΡΠ΅ΠΊΡΠΈΡ ΠΊΠ΅ΡΠ°ΠΌΠΈΠ½Π° (ΡΠΈΠ³. 3 B ) Π²ΡΠ·ΡΠ²Π°ΡΡ ΡΠΊΡΠΏΡΠ΅ΡΡΠΈΡ RAM (RAM +), ΡΡΠΎ ΡΠ²ΠΈΠ΄Π΅ΡΠ΅Π»ΡΡΡΠ²ΡΠ΅Ρ ΠΎΠ± Π°ΠΊΡΠΈΠ²Π°ΡΠΈΠΈ PL (ΡΠΈΠ³. 3 C , D ).Π§ΡΠΎΠ±Ρ ΠΎΠΏΡΠΈΠΌΠΈΠ·ΠΈΡΠΎΠ²Π°ΡΡ Π·Π°Π²ΠΈΡΠΈΠΌΡΡ ΠΎΡ Π°ΠΊΡΠΈΠ²Π½ΠΎΡΡΠΈ ΡΠΊΡΠΏΡΠ΅ΡΡΠΈΡ RAM, ΠΌΡ ΠΎΡΠ΅Π½ΠΈΠ»ΠΈ Π΄Π²Π° ΡΠ°Π·Π½ΡΡ Π²ΡΠ΅ΠΌΠ΅Π½Π½ΡΡ ΠΈΠ½ΡΠ΅ΡΠ²Π°Π»Π° ΠΌΠ΅ΠΆΠ΄Ρ ΡΠ΄Π°Π»Π΅Π½ΠΈΠ΅ΠΌ DOX ΠΈ ΠΈΠ½ΡΠ΅ΠΊΡΠΈΠ΅ΠΉ ΠΊΠ΅ΡΠ°ΠΌΠΈΠ½Π°. ΠΡΠΏΠΎΠ»ΡΠ·ΡΡ ΡΡΠΎΡ ΠΏΠΎΠ΄Ρ ΠΎΠ΄, ΠΌΡ ΠΎΠ±Π½Π°ΡΡΠΆΠΈΠ»ΠΈ, ΡΡΠΎ ΠΊΡΡΡΡ Π΄ΠΎΠ»ΠΆΠ½Ρ Π±ΡΡΡ ΠΎΡΠΊΠ»ΡΡΠ΅Π½Ρ ΠΎΡ DOX (DOX-) Π² ΡΠ΅ΡΠ΅Π½ΠΈΠ΅ 96 ΡΠ°ΡΠΎΠ² ΠΏΠ΅ΡΠ΅Π΄ ΠΈΠ½ΡΠ΅ΠΊΡΠΈΠ΅ΠΉ ΠΊΠ΅ΡΠ°ΠΌΠΈΠ½Π°, ΡΡΠΎΠ±Ρ Π½Π°Π±Π»ΡΠ΄Π°ΡΡ Π·Π° ΠΌΠ°ΡΠΊΠΈΡΠΎΠ²ΠΊΠΎΠΉ RAM. Π‘ΡΠΎΠΈΡ ΠΎΡΠΌΠ΅ΡΠΈΡΡ, ΡΡΠΎ Ρ ΠΊΡΡΡ, ΠΊΠΎΡΠΎΡΡΠΌ Π²Π²ΠΎΠ΄ΠΈΠ»ΠΈ DOX Π·Π° 48 ΡΠ°ΡΠΎΠ² Π΄ΠΎ ΠΊΠ΅ΡΠ°ΠΌΠΈΠ½Π°, Π½Π΅ Π½Π°Π±Π»ΡΠ΄Π°Π»ΠΎΡΡ ΠΈΠ·ΠΌΠ΅Π½Π΅Π½ΠΈΠΉ RAM ΠΏΠΎ ΡΡΠ°Π²Π½Π΅Π½ΠΈΡ Ρ ΠΊΡΡΡΠ°ΠΌΠΈ, ΠΏΠΎΠ»ΡΡΠ°Π²ΡΠΈΠΌΠΈ ΡΠΈΠ·ΠΈΠΎΠ»ΠΎΠ³ΠΈΡΠ΅ΡΠΊΠΈΠΉ ΡΠ°ΡΡΠ²ΠΎΡ ( p = 0,65), ΡΡΠΎ ΠΏΠΎΠ·Π²ΠΎΠ»ΡΠ΅Ρ ΠΏΡΠ΅Π΄ΠΏΠΎΠ»ΠΎΠΆΠΈΡΡ, ΡΡΠΎ DOX Π²ΡΠ΅ Π΅ΡΠ΅ ΠΏΡΠΈΡΡΡΡΡΠ²ΠΎΠ²Π°Π» ΡΠ΅ΡΠ΅Π· 48 ΡΠ°ΡΠΎΠ² ΠΏΠΎΡΠ»Π΅ ΡΠ΄Π°Π»Π΅Π½ΠΈΡ DOX. ΠΡΡΠΎΠΊΠΈΠ΅ Π΄ΠΎΠ·Ρ ΠΊΠ΅ΡΠ°ΠΌΠΈΠ½Π°, Π½ΠΎ Π½Π΅ Π½ΠΈΠ·ΠΊΠΈΠ΅ Π΄ΠΎΠ·Ρ ΠΊΠ΅ΡΠ°ΠΌΠΈΠ½Π° ΠΈΠ»ΠΈ ΡΠΈΠ·ΠΈΠΎΠ»ΠΎΠ³ΠΈΡΠ΅ΡΠΊΠΎΠ³ΠΎ ΡΠ°ΡΡΠ²ΠΎΡΠ°, ΠΈΠ½Π΄ΡΡΠΈΡΠΎΠ²Π°Π»ΠΈ ΡΡΡΠΎΠΉΡΠΈΠ²ΡΡ ΡΠΊΡΠΏΡΠ΅ΡΡΠΈΡ RAM + Π² PL (ΠΎΡΠ½ΠΎΠ²Π½ΠΎΠΉ ΡΡΡΠ΅ΠΊΡ ΠΏΡΠ΅ΠΏΠ°ΡΠ°ΡΠ°, F (2,31) = 10.71, p = 0,0003). ΠΡΠΎ Π½Π΅ Π±ΡΠ»ΠΎ ΠΈΠ·ΠΌΠ΅Π½Π΅Π½ΠΎ Π±ΠΎΠ»Π΅Π΅ ΠΏΠΎΠ·Π΄Π½ΠΈΠΌ IS, ΠΊΠ°ΠΊ ΠΌΠΎΠΆΠ½ΠΎ Π±ΡΠ»ΠΎ ΠΎΠΆΠΈΠ΄Π°ΡΡ, ΠΏΠΎΡΠΊΠΎΠ»ΡΠΊΡ ΠΆΠΈΠ²ΠΎΡΠ½ΡΡ ΡΠ½ΠΎΠ²Π° ΠΏΠ΅ΡΠ΅Π²ΠΎΠ΄ΠΈΠ»ΠΈ Π½Π° DOX ΡΠ΅ΡΠ΅Π· 24 ΡΠ°ΡΠ° ΠΏΠΎΡΠ»Π΅ ΠΈΠ½ΡΠ΅ΠΊΡΠΈΠΈ ΠΊΠ΅ΡΠ°ΠΌΠΈΠ½Π°. Post hoc Π°Π½Π°Π»ΠΈΠ· ΠΏΠΎΠΊΠ°Π·Π°Π», ΡΡΠΎ ΠΊΡΡΡΡ, ΠΊΠΎΡΠΎΡΡΠΌ ΡΠ°Π½Π΅Π΅ Π²Π²ΠΎΠ΄ΠΈΠ»ΠΈ Π²ΡΡΠΎΠΊΠΈΠ΅ Π΄ΠΎΠ·Ρ ΠΊΠ΅ΡΠ°ΠΌΠΈΠ½Π°, ΠΊΠΎΡΠΎΡΡΠ΅ ΠΏΠΎΠ·ΠΆΠ΅ ΠΏΠΎΠ»ΡΡΠ°Π»ΠΈ HC, Π΄Π΅ΠΌΠΎΠ½ΡΡΡΠΈΡΠΎΠ²Π°Π»ΠΈ ΠΏΠΎΠ²ΡΡΠ΅Π½Π½ΡΡ ΡΠΊΡΠΏΡΠ΅ΡΡΠΈΡ RAM + ΠΏΠΎ ΡΡΠ°Π²Π½Π΅Π½ΠΈΡ Ρ ΠΊΡΡΡΠ°ΠΌΠΈ, ΠΊΠΎΡΠΎΡΡΠΌ Π²Π²ΠΎΠ΄ΠΈΠ»ΠΈ ΡΠΈΠ·ΠΈΠΎΠ»ΠΎΠ³ΠΈΡΠ΅ΡΠΊΠΈΠΉ ΡΠ°ΡΡΠ²ΠΎΡ, ΠΊΠΎΡΠΎΡΡΠ΅ ΠΏΠΎΠ·ΠΆΠ΅ ΠΏΠΎΠ»ΡΡΠ°Π»ΠΈ HC ( p = 0,039). Π’ΠΎΡΠ½ΠΎ ΡΠ°ΠΊ ΠΆΠ΅ ΠΊΡΡΡΡ, ΠΊΠΎΡΠΎΡΡΠΌ ΡΠ°Π½Π΅Π΅ Π²Π²ΠΎΠ΄ΠΈΠ»ΠΈ Π²ΡΡΠΎΠΊΠΈΠ΅ Π΄ΠΎΠ·Ρ ΠΊΠ΅ΡΠ°ΠΌΠΈΠ½Π°, ΠΊΠΎΡΠΎΡΡΠ΅ ΠΏΠΎΠ·ΠΆΠ΅ ΠΏΠΎΠ»ΡΡΠ°Π»ΠΈ IS, ΠΏΠΎΠΊΠ°Π·Π°Π»ΠΈ ΠΏΠΎΠ²ΡΡΠ΅Π½Π½ΡΡ ΡΠΊΡΠΏΡΠ΅ΡΡΠΈΡ RAM + ΠΏΠΎ ΡΡΠ°Π²Π½Π΅Π½ΠΈΡ Ρ ΠΊΡΡΡΠ°ΠΌΠΈ, ΠΊΠΎΡΠΎΡΡΠΌ Π²Π²ΠΎΠ΄ΠΈΠ»ΠΈ ΡΠΈΠ·ΠΈΠΎΠ»ΠΎΠ³ΠΈΡΠ΅ΡΠΊΠΈΠΉ ΡΠ°ΡΡΠ²ΠΎΡ, ΠΊΠΎΡΠΎΡΡΠ΅ ΠΏΠΎΠ·ΠΆΠ΅ ΠΏΠΎΠ»ΡΡΠ°Π»ΠΈ ID ( p = 0.023). ΠΠ°ΡΠ΅ΠΌ Π±ΡΠ» ΠΈΡΡΠ»Π΅Π΄ΠΎΠ²Π°Π½ ΠΎΠ±ΡΠΈΠΉ Fos + ΠΏΠΎΡΠ»Π΅ IS (ΡΠΈΠ³. 3 C , D ). ΠΠ°ΠΊ ΠΎΠΏΠΈΡΠ°Π½ΠΎ ΡΠ°Π½Π΅Π΅ (Baratta et al., 2009), IS ΡΠ²Π΅Π»ΠΈΡΠΈΠ²Π°Π΅Ρ ΠΊΠΎΠ»ΠΈΡΠ΅ΡΡΠ²ΠΎ ΠΊΠ»Π΅ΡΠΎΠΊ Fos + Π² PL. ANOVA Π²ΡΡΠ²ΠΈΠ» ΠΎΡΠ½ΠΎΠ²Π½ΡΠ΅ ΡΡΡΠ΅ΠΊΡΡ ΡΡΡΠ΅ΡΡΠ° ( F (1,31) = 43,69, p <0,0001). ΠΡΡΡΡ, ΠΊΠΎΡΠΎΡΡΠΌ ΡΠ°Π½Π΅Π΅ Π²Π²ΠΎΠ΄ΠΈΠ»ΠΈ ΡΠΈΠ·ΠΈΠΎΠ»ΠΎΠ³ΠΈΡΠ΅ΡΠΊΠΈΠΉ ΡΠ°ΡΡΠ²ΠΎΡ, ΠΊΠΎΡΠΎΡΡΠ΅ ΠΏΠΎΠ»ΡΡΠ°Π»ΠΈ Π±ΠΎΠ»Π΅Π΅ ΠΏΠΎΠ·Π΄Π½ΠΈΠΉ IS, ΠΏΠΎΠΊΠ°Π·Π°Π»ΠΈ ΠΏΠΎΠ²ΡΡΠ΅Π½Π½ΠΎΠ΅ ΡΠΎΠ΄Π΅ΡΠΆΠ°Π½ΠΈΠ΅ Fos + Π² PL ΠΏΠΎ ΡΡΠ°Π²Π½Π΅Π½ΠΈΡ Ρ ΠΊΡΡΡΠ°ΠΌΠΈ, ΠΊΠΎΡΠΎΡΡΠΌ ΡΠ°Π½Π΅Π΅ Π²Π²ΠΎΠ΄ΠΈΠ»ΠΈ ΡΠΈΠ·ΠΈΠΎΠ»ΠΎΠ³ΠΈΡΠ΅ΡΠΊΠΈΠΉ ΡΠ°ΡΡΠ²ΠΎΡ, ΠΊΠΎΡΠΎΡΡΠ΅ ΠΏΠΎΠ»ΡΡΠ°Π»ΠΈ HC ( p = 0,002). Π’ΠΎΡΠ½ΠΎ ΡΠ°ΠΊ ΠΆΠ΅ ΠΊΡΡΡΡ, ΠΊΠΎΡΠΎΡΡΠΌ ΡΠ°Π½Π΅Π΅ Π²Π²ΠΎΠ΄ΠΈΠ»ΠΈ Π½ΠΈΠ·ΠΊΡΡ Π΄ΠΎΠ·Ρ ΠΊΠ΅ΡΠ°ΠΌΠΈΠ½Π°, ΠΊΠΎΡΠΎΡΡΠ΅ ΠΏΠΎΠ»ΡΡΠ°Π»ΠΈ ΠΏΠΎΠ·ΠΆΠ΅ IS, ΠΏΠΎΠΊΠ°Π·Π°Π»ΠΈ ΠΏΠΎΠ²ΡΡΠ΅Π½Π½ΡΠΉ Fos +, ΠΏΠΎ ΡΡΠ°Π²Π½Π΅Π½ΠΈΡ Ρ ΠΊΡΡΡΠ°ΠΌΠΈ, ΠΊΠΎΡΠΎΡΡΠΌ Π²Π²ΠΎΠ΄ΠΈΠ»ΠΈ Π½ΠΈΠ·ΠΊΡΡ Π΄ΠΎΠ·Ρ ΠΊΠ΅ΡΠ°ΠΌΠΈΠ½Π°, ΠΊΠΎΡΠΎΡΡΠ΅ ΠΏΠΎΠ»ΡΡΠ°Π»ΠΈ HC ( p = 0.0004). ΠΠ°ΠΊΠΎΠ½Π΅Ρ, ΠΏΡΠΎΡΠ΅Π½Ρ RAM + ΠΊΠ»Π΅ΡΠΎΠΊ, ΡΠ°ΠΊΠΆΠ΅ ΡΠΊΡΠΏΡΠ΅ΡΡΠΈΡΡΡΡΠΈΡ Fos, ΠΈΡΡΠ»Π΅Π΄ΠΎΠ²Π°Π»ΠΈ, ΡΡΠΎΠ±Ρ ΠΎΠΏΡΠ΅Π΄Π΅Π»ΠΈΡΡ, Π·Π°Π΄Π΅ΠΉΡΡΠ²ΠΎΠ²Π°Π½Ρ Π»ΠΈ ΠΊΠ΅ΡΠ°ΠΌΠΈΠ½-ΠΈΠ½Π΄ΡΡΠΈΡΠΎΠ²Π°Π½Π½ΡΠ΅ ΡΠΊΡΠΏΠ΅ΡΠΈΠΌΠ΅Π½ΡΠ°Π»ΡΠ½ΡΠ΅ Π°Π½ΡΠ°ΠΌΠ±Π»ΠΈ Π²ΠΎ Π²ΡΠ΅ΠΌΡ Π±ΠΎΠ»Π΅Π΅ ΠΏΠΎΠ·Π΄Π½Π΅Π³ΠΎ IS (ΡΠΈΠ³. 3 C , D ). ANOVA Π²ΡΡΠ²ΠΈΠ» ΠΎΡΠ½ΠΎΠ²Π½ΡΠ΅ ΡΡΡΠ΅ΠΊΡΡ ΡΡΡΠ΅ΡΡΠ° ( F (1,31) = 8,55, p = 0,0064), Π»Π΅ΠΊΠ°ΡΡΡΠ²Π° ( F (2,31) = 16,31, p <0,0001) ΠΈ ΡΡΡΠ΅ΡΡ Γ Π²Π·Π°ΠΈΠΌΠΎΠ΄Π΅ΠΉΡΡΠ²ΠΈΠ΅ Π»Π΅ΠΊΠ°ΡΡΡΠ² ( F (2,31) = 5,031, p = 0.013). ΠΠΎΡΠ°Π·ΠΈΡΠ΅Π»ΡΠ½ΠΎ, ΡΡΠΎ IS Π²ΡΠ·ΡΠ²Π°Π» Π·Π½Π°ΡΠΈΡΠ΅Π»ΡΠ½ΠΎΠ΅ ΡΠ²Π΅Π»ΠΈΡΠ΅Π½ΠΈΠ΅ Fos + Π² Π½Π΅ΠΉΡΠΎΠ½Π°Ρ RAM + PL, ΡΠ°Π½Π΅Π΅ Π°ΠΊΡΠΈΠ²ΠΈΡΠΎΠ²Π°Π½Π½ΡΡ Π½ΠΈΠ·ΠΊΠΈΠΌΠΈ, Π½ΠΎ Π½Π΅ Π²ΡΡΠΎΠΊΠΈΠΌΠΈ Π΄ΠΎΠ·Π°ΠΌΠΈ ΠΊΠ΅ΡΠ°ΠΌΠΈΠ½Π°, ΠΏΠΎ ΡΡΠ°Π²Π½Π΅Π½ΠΈΡ Ρ ΠΊΡΡΡΠ°ΠΌΠΈ, ΠΊΠΎΡΠΎΡΡΠ΅ ΠΏΠΎΠ»ΡΡΠ°Π»ΠΈ HC ΠΈ ΡΠ°Π½Π΅Π΅ ΡΠΈΠ·ΠΈΠΎΠ»ΠΎΠ³ΠΈΡΠ΅ΡΠΊΠΈΠΉ ΡΠ°ΡΡΠ²ΠΎΡ ( p <0,0001) ΠΈ IS ΠΈ ΡΠ°Π½Π΅Π΅ Π²ΡΡΠΎΠΊΠΈΠΌΠΈ Π΄ΠΎΠ·Π°ΠΌΠΈ. Π΄ΠΎΠ·Π° ΠΊΠ΅ΡΠ°ΠΌΠΈΠ½Π° ( p <0,001).
Π ΠΈΡΡΠ½ΠΎΠΊ 3.ΠΠ΅ΡΠ°ΠΌΠΈΠ½-ΠΈΠ½Π΄ΡΡΠΈΡΠΎΠ²Π°Π½Π½ΠΎΠ΅ ΠΌΠ΅ΡΠ΅Π½ΠΈΠ΅ RAM ΡΡΠ°Π½ΡΠΊΡΠΈΠΏΡΠΈΠΎΠ½Π½ΠΎ Π°ΠΊΡΠΈΠ²Π½ΠΎΠ³ΠΎ Π½Π΅ΠΉΡΠΎΠ½Π½ΠΎΠ³ΠΎ Π°Π½ΡΠ°ΠΌΠ±Π»Ρ, ΠΊΠΎΡΠΎΡΡΠΉ ΠΏΠΎΠ·ΠΆΠ΅ Π°ΠΊΡΠΈΠ²ΠΈΡΡΠ΅ΡΡΡ Π½Π΅ΠΊΠΎΠ½ΡΡΠΎΠ»ΠΈΡΡΠ΅ΠΌΡΠΌ ΡΡΡΠ΅ΡΡΠΎΠΌ. A , Π‘Ρ Π΅ΠΌΠ° ΡΠΊΡΠΏΠ΅ΡΠΈΠΌΠ΅Π½ΡΠ°Π»ΡΠ½ΠΎΠΉ ΠΏΡΠΎΡΠ΅Π΄ΡΡΡ.ΠΡΡΡΠ°ΠΌ Π²Π²ΠΎΠ΄ΠΈΠ»ΠΈ AAV-NLS-RAM-mKate2 (RAM). Π§Π΅ΡΠ΅Π· Π΄Π΅Π²ΡΡΡ Π΄Π½Π΅ΠΉ ΠΊΡΡΡΡ ΠΏΠΎΠ»ΡΡΠΈΠ»ΠΈ ΠΎΠ΄Π½ΠΎΠΊΡΠ°ΡΠ½ΡΡ ΡΠΈΡΡΠ΅ΠΌΠ½ΡΡ ΠΈΠ½ΡΠ΅ΠΊΡΠΈΡ Π½ΠΈΠ·ΠΊΠΎΠΉ Π΄ΠΎΠ·Ρ ΠΊΠ΅ΡΠ°ΠΌΠΈΠ½Π° (10 ΠΌΠ³ / ΠΊΠ³, Π²Π½ΡΡΡΠΈΠ±ΡΡΡΠΈΠ½Π½ΠΎ), Π²ΡΡΠΎΠΊΠΎΠΉ Π΄ΠΎΠ·Ρ ΠΊΠ΅ΡΠ°ΠΌΠΈΠ½Π° (40 ΠΌΠ³ / ΠΊΠ³, Π²Π½ΡΡΡΠΈΠ±ΡΡΡΠΈΠ½Π½ΠΎ) ΠΈΠ»ΠΈ ΡΠΈΠ·ΠΈΠΎΠ»ΠΎΠ³ΠΈΡΠ΅ΡΠΊΠΎΠ³ΠΎ ΡΠ°ΡΡΠ²ΠΎΡΠ°. Π‘ΠΏΡΡΡΡ 72 ΡΠ°ΡΠ° ΠΊΡΡΡ ΠΏΠΎΠ΄Π²Π΅ΡΠ³Π°Π»ΠΈ ΠΠ ΠΈΠ»ΠΈ ΠΎΡΡΠ°Π²Π»ΡΠ»ΠΈ Π² ΠΏΠΎΠΊΠΎΠ΅ Π² ΡΠ²ΠΎΠ΅ΠΉ Π΄ΠΎΠΌΠ°ΡΠ½Π΅ΠΉ ΠΊΠ»Π΅ΡΠΊΠ΅. B , Π‘Ρ Π΅ΠΌΠ°ΡΠΈΡΠ΅ΡΠΊΠ°Ρ Π΄ΠΈΠ°Π³ΡΠ°ΠΌΠΌΠ° ΠΊΠΎΡΠΎΠ½Π°ΡΠ½ΠΎΠ³ΠΎ ΡΡΠ΅Π·Π° ΠΌΠΎΠ·Π³Π° ΠΊΡΡΡΡ, Π΄Π΅ΠΌΠΎΠ½ΡΡΡΠΈΡΡΡΡΠ°Ρ ΡΠ°ΡΠΏΠΎΠ»ΠΎΠΆΠ΅Π½ΠΈΠ΅ ΠΈΠ½ΡΠ΅ΠΊΡΠΈΠΉ RAM Π² PL. ΠΠΎΠ΄ΡΠ²Π΅ΡΠΆΠ΄Π΅Π½ΠΈΠ΅ Π²ΠΈΡΡΡΠ½ΠΎΠΉ ΠΈΠ½ΡΠ΅ΠΊΡΠΈΠΈ Π±ΡΠ»ΠΎ ΠΏΠΎΠ΄ΡΠ²Π΅ΡΠΆΠ΄Π΅Π½ΠΎ Ρ ΠΏΠΎΠΌΠΎΡΡΡ eYFP, ΠΈ RAM + Fos Π±ΡΠ»ΠΈ ΠΊΠΎΠ»ΠΈΡΠ΅ΡΡΠ²Π΅Π½Π½ΠΎ ΠΎΠΏΡΠ΅Π΄Π΅Π»Π΅Π½Ρ Π² ΠΏΠΎΠ΄ΠΎΠ±Π»Π°ΡΡΠΈ PL, ΠΎΠ±ΠΎΠ·Π½Π°ΡΠ΅Π½Π½ΠΎΠΉ ΠΏΡΠ½ΠΊΡΠΈΡΠ½ΡΠΌ ΠΏΡΡΠΌΠΎΡΠ³ΠΎΠ»ΡΠ½ΠΈΠΊΠΎΠΌ. C , Π Π΅ΠΏΡΠ΅Π·Π΅Π½ΡΠ°ΡΠΈΠ²Π½ΡΠ΅ ΠΈΠ·ΠΎΠ±ΡΠ°ΠΆΠ΅Π½ΠΈΡ PL, ΠΏΠΎΠΊΠ°Π·ΡΠ²Π°ΡΡΠΈΠ΅ ΠΊΠ»Π΅ΡΠΊΠΈ eYFP + (Π·Π΅Π»Π΅Π½ΡΠ΅), RAM + ΠΊΠ»Π΅ΡΠΊΠΈ (ΠΊΡΠ°ΡΠ½ΡΠ΅), Fos + ΠΊΠ»Π΅ΡΠΊΠΈ (ΡΠΈΠ½ΠΈΠ΅) ΠΈ ΠΊΠ»Π΅ΡΠΊΠΈ RAM, ΡΠΊΡΠΏΡΠ΅ΡΡΠΈΡΡΡΡΠΈΠ΅ Fos (ΠΎΠ±ΠΎΠ·Π½Π°ΡΠ΅Π½Ρ ΠΆΠ΅Π»ΡΡΠΌΠΈ ΡΡΡΠ΅Π»ΠΊΠ°ΠΌΠΈ Π½Π° ΠΊΡΠ°ΠΉΠ½Π΅ΠΉ ΠΏΡΠ°Π²ΠΎΠΉ ΠΏΠ°Π½Π΅Π»ΠΈ). ΠΠ°ΡΡΡΠ°Π±Π½Π°Ρ ΡΠΊΠ°Π»Π°: 100 ΠΌΠΊΠΌ ΠΈ ΠΏΡΠΈΠΌΠ΅Π½ΡΠ΅ΡΡΡ ΠΊΠΎ Π²ΡΠ΅ΠΌ ΠΈΠ·ΠΎΠ±ΡΠ°ΠΆΠ΅Π½ΠΈΡΠΌ. D , ΡΠ²Π΅Π»ΠΈΡΠ΅Π½Π½ΠΎΠ΅ ΠΈΠ·ΠΎΠ±ΡΠ°ΠΆΠ΅Π½ΠΈΠ΅ PL, ΠΏΠΎΠΊΠ°Π·ΡΠ²Π°ΡΡΠ΅Π΅ RAM (ΠΎΠ±ΠΎΠ·Π½Π°ΡΠ΅Π½ΠΎ ΠΊΡΠ°ΡΠ½ΠΎΠΉ ΡΡΡΠ΅Π»ΠΊΠΎΠΉ), Fos (ΠΎΠ±ΠΎΠ·Π½Π°ΡΠ΅Π½ΠΎ Π±Π΅Π»ΠΎΠΉ ΡΡΡΠ΅Π»ΠΊΠΎΠΉ) ΠΈ ΡΡΠ΅ΠΉΠΊΡ RAM, Π²ΡΡΠ°ΠΆΠ°ΡΡΡΡ Fos (ΠΎΠ±ΠΎΠ·Π½Π°ΡΠ΅Π½ΠΎ ΠΆΠ΅Π»ΡΠΎΠΉ ΡΡΡΠ΅Π»ΠΊΠΎΠΉ). ΠΠ°ΡΡΡΠ°Π±Π½Π°Ρ Π»ΠΈΠ½Π΅ΠΉΠΊΠ°: 50 ΠΌΠΊΠΌ. E , ΠΠΎΠ»ΠΈΡΠ΅ΡΡΠ²ΠΎ ΠΌΠ΅ΡΠ΅Π½ΡΡ RAM ΠΊΠ»Π΅ΡΠΎΠΊ (ΡΠ»Π΅Π²Π°), Fos + ΠΊΠ»Π΅ΡΠΎΠΊ (Π² ΡΠ΅Π½ΡΡΠ΅) ΠΈ ΠΏΡΠΎΡΠ΅Π½Ρ Π΄Π²ΡΠΌΠ΅ΡΠ½ΡΡ RAM + ΠΊΠ»Π΅ΡΠΎΠΊ, ΠΊΠΎΡΠΎΡΡΠ΅ ΡΠ°ΠΊΠΆΠ΅ ΡΠΊΡΠΏΡΠ΅ΡΡΠΈΡΡΡΡ Fos (ΡΠΏΡΠ°Π²Π°) Π² PL ΠΊΡΡΡ, ΠΊΠΎΡΠΎΡΡΠ΅ ΠΏΠΎΠ»ΡΡΠ°Π»ΠΈ ΠΊΠ΅ΡΠ°ΠΌΠΈΠ½ ΠΈΠ»ΠΈ ΡΠΈΠ·ΠΈΠΎΠ»ΠΎΠ³ΠΈΡΠ΅ΡΠΊΠΈΠΉ ΡΠ°ΡΡΠ²ΠΎΡ Ρ ΠΏΠΎΡΠ»Π΅Π΄ΡΡΡΠΈΠΌ IS ΠΈΠ»ΠΈ Π»Π΅ΡΠ΅Π½ΠΈΠ΅ HC.ΠΠ΅ΡΠΎΠ΄ Π’ΡΡΠΊΠΈ post hoc : * p <0,05, ** p <0,01, *** p <0,001 Π΄Π»Ρ Π³ΡΠ°ΡΠΈΠΊΠ° RAM + ΠΊΠ»Π΅ΡΠΎΠΊ ΠΈ% RAM ΠΊΠ»Π΅ΡΠΎΠΊ, ΡΠΊΡΠΏΡΠ΅ΡΡΠΈΡΡΡΡΠΈΡ Fos. ΠΡΠ½ΠΎΠ²Π½ΠΎΠΉ ΡΡΡΠ΅ΠΊΡ Π΄Π²ΡΡΡΠΎΡΠΎΠ½Π½Π΅Π³ΠΎ Π΄ΠΈΡΠΏΠ΅ΡΡΠΈΠΎΠ½Π½ΠΎΠ³ΠΎ Π°Π½Π°Π»ΠΈΠ·Π°: *** p <0,001 Π΄Π»Ρ Π³ΡΠ°ΡΠΈΠΊΠ° Fos +. Π‘ΡΠΎΠ»Π±ΡΡ ΠΏΡΠ΅Π΄ΡΡΠ°Π²Π»ΡΡΡ ΡΠΎΠ±ΠΎΠΉ Π³ΡΡΠΏΠΏΠΎΠ²ΠΎΠ΅ ΡΡΠ΅Π΄Π½Π΅Π΅ Β± SEM.
ΠΠ»ΠΈΡΠ½ΠΈΠ΅ ΠΊΠ΅ΡΠ°ΠΌΠΈΠ½Π° Π½Π° Π°ΠΊΡΠΈΠ²Π½ΠΎΡΡΡ ΠΏΡΡΠΈ PL-DRN
ΠΡΠ΅Π΄ΡΠ΄ΡΡΠ°Ρ ΡΠ°Π±ΠΎΡΠ° Π² Π½Π°ΡΠ΅ΠΉ Π»Π°Π±ΠΎΡΠ°ΡΠΎΡΠΈΠΈ ΠΏΡΠΎΠ΄Π΅ΠΌΠΎΠ½ΡΡΡΠΈΡΠΎΠ²Π°Π»Π°, ΡΡΠΎ ΠΏΡΡΡ PL-DRN ΠΊΡΠΈΡΠΈΡΠ΅ΡΠΊΠΈ ΡΡΠ°ΡΡΠ²ΡΠ΅Ρ Π² ΡΡΡΠ΅ΡΡ-Π±ΡΡΠ΅ΡΠ½ΡΡ ΡΡΡΠ΅ΠΊΡΠ°Ρ ΠΏΠΎΠ²Π΅Π΄Π΅Π½ΡΠ΅ΡΠΊΠΎΠ³ΠΎ ΠΊΠΎΠ½ΡΡΠΎΠ»Ρ, ΠΊΠΎΡΠΎΡΡΠΉ ΠΈΠΌΠ΅Π΅Ρ Π½Π΅ΡΠΊΠΎΠ»ΡΠΊΠΎ ΠΎΠ±ΡΠΈΡ Π΄Π΅ΠΉΡΡΠ²ΠΈΠΉ Ρ ΠΏΡΠΎΠ°ΠΊΡΠΈΠ²Π½ΡΠΌ ΠΊΠ΅ΡΠ°ΠΌΠΈΠ½ΠΎΠΌ.(Amat et al., 2005, 2014, 2016; Baratta et al., 2009). Π¦Π΅Π»ΡΡ Π½Π°ΡΡΠΎΡΡΠ΅Π³ΠΎ ΡΠΊΡΠΏΠ΅ΡΠΈΠΌΠ΅Π½ΡΠ° Π±ΡΠ»ΠΎ ΡΡΡΠ°Π½ΠΎΠ²ΠΈΡΡ, ΠΌΠΎΠΆΠ΅Ρ Π»ΠΈ ΠΏΡΠ΅Π΄ΡΠ΅ΡΡΠ²ΡΡΡΠΈΠΉ ΠΊΠ΅ΡΠ°ΠΌΠΈΠ½ Π°ΠΊΡΠΈΠ²ΠΈΡΠΎΠ²Π°ΡΡ ΠΏΡΡΡ PL-DRN ΡΠΏΠΎΡΠΎΠ±ΠΎΠΌ, ΠΏΠΎΠ΄ΠΎΠ±Π½ΡΠΌ ΠΎΠΏΠΈΡΠ°Π½Π½ΠΎΠΌΡ Baratta et al. (2009) Π΄Π»Ρ ΠΊΠΎΠ½ΡΡΠΎΠ»Ρ Π½Π°Π΄ ΠΏΠΎΠ²Π΅Π΄Π΅Π½ΠΈΠ΅ΠΌ. Π ΠΈΡΡΠ½ΠΎΠΊ 4 A ΠΏΠΎΠΊΠ°Π·ΡΠ²Π°Π΅Ρ ΡΡ Π΅ΠΌΠ°ΡΠΈΡΠ΅ΡΠΊΡΡ Π΄ΠΈΠ°Π³ΡΠ°ΠΌΠΌΡ ΠΏΡΠΎΡΠ΅Π΄ΡΡΡ Π²ΠΏΡΡΡΠΊΠ°. ΠΠΊΡΠΏΡΠ΅ΡΡΠΈΡ Fos ΠΈΡΡΠ»Π΅Π΄ΠΎΠ²Π°Π»ΠΈ Π² Π½Π΅ΠΉΡΠΎΠ½Π°Ρ PL-DRN, ΠΌΠ΅ΡΠ΅Π½Π½ΡΡ ΡΠ΅ΡΡΠΎΠ³ΡΠ°Π΄Π½ΠΎ (RB +) (ΡΠΈΠ³. 4 B ). ΠΠ°ΠΊ ΠΎΠΏΠΈΡΠ°Π½ΠΎ ΡΠ°Π½Π΅Π΅, ΠΈΠ½ΡΠ΅ΠΊΡΠΈΠΈ RB Π² DRN Π΄Π°Π²Π°Π»ΠΈ ΡΠΊΡΠΏΡΠ΅ΡΡΠΈΡ, ΠΎΠ³ΡΠ°Π½ΠΈΡΠ΅Π½Π½ΡΡ Π² ΠΎΡΠ½ΠΎΠ²Π½ΠΎΠΌ Π³Π»ΡΠ±ΠΎΠΊΠΈΠΌΠΈ ΡΠ»ΠΎΡΠΌΠΈ (V / VI) PL ΠΈ IL, Ρ Π½Π΅ΠΊΠΎΡΠΎΡΠΎΠΉ ΡΠΊΡΠΏΡΠ΅ΡΡΠΈΠ΅ΠΉ Π² Π΄ΠΎΡΡΠ°Π»ΡΠ½ΠΎΠΉ ΠΏΠ΅ΡΠ΅Π΄Π½Π΅ΠΉ ΠΏΠΎΡΡΠ½ΠΎΠΉ ΠΈΠ·Π²ΠΈΠ»ΠΈΠ½Π΅ (Gabbott et al., 2005; ΠΠ°ΡΠ°ΡΡΠ° ΠΈ Π΄Ρ., 2009; GonΓ§alves et al., 2009; ΠΠΌΠ°Ρ ΠΈ Π΄Ρ., 2016). Π‘ΡΠΎΠΈΡ ΠΎΡΠΌΠ΅ΡΠΈΡΡ, ΡΡΠΎ ΠΎΠ±ΡΠ΅Π΅ ΠΊΠΎΠ»ΠΈΡΠ΅ΡΡΠ²ΠΎ Π½Π΅ΠΉΡΠΎΠ½ΠΎΠ² RB + PL Π½Π΅ ΡΠ°Π·Π»ΠΈΡΠ°Π΅ΡΡΡ ΠΌΠ΅ΠΆΠ΄Ρ Π³ΡΡΠΏΠΏΠ°ΠΌΠΈ ( p = 0,496; ΡΠΈΡ. 4 C , ΡΠ»Π΅Π²Π°). Π§ΡΠΎΠ±Ρ ΠΎΠΏΡΠ΅Π΄Π΅Π»ΠΈΡΡ, Π°ΠΊΡΠΈΠ²ΠΈΡΡΠ΅Ρ Π»ΠΈ ΠΊΠ΅ΡΠ°ΠΌΠΈΠ½ PL, ΠΌΡ ΠΏΡΠΎΠ°Π½Π°Π»ΠΈΠ·ΠΈΡΠΎΠ²Π°Π»ΠΈ ΠΎΠ±ΡΠ΅Π΅ ΠΊΠΎΠ»ΠΈΡΠ΅ΡΡΠ²ΠΎ ΠΊΠ»Π΅ΡΠΎΠΊ Fos + Ρ ΠΊΡΡΡ, ΠΏΠΎΠ»ΡΡΠ°Π²ΡΠΈΡ ΠΊΠ΅ΡΠ°ΠΌΠΈΠ½ ΠΈΠ»ΠΈ ΡΠΈΠ·ΠΈΠΎΠ»ΠΎΠ³ΠΈΡΠ΅ΡΠΊΠΈΠΉ ΡΠ°ΡΡΠ²ΠΎΡ ( n = 8 ΠΈ n = 7, ΡΠΎΠΎΡΠ²Π΅ΡΡΡΠ²Π΅Π½Π½ΠΎ; ΡΠΈΡ. 4 C , Π² ΡΠ΅ΡΠ΅Π΄ΠΈΠ½Π΅). ΠΠ΄Π½ΠΎΠΊΡΠ°ΡΠ½Π°Ρ ΠΈΠ½ΡΠ΅ΠΊΡΠΈΡ ΠΊΠ΅ΡΠ°ΠΌΠΈΠ½Π° ΡΠ²Π΅Π»ΠΈΡΠΈΠ²Π°Π»Π° ΠΊΠΎΠ»ΠΈΡΠ΅ΡΡΠ²ΠΎ ΠΊΠ»Π΅ΡΠΎΠΊ Fos + Π² PL ( t (13) = 4.145, p = 0,001). ΠΠ°ΡΠ΅ΠΌ ΠΌΡ ΠΎΡΠ΅Π½ΠΈΠ»ΠΈ, Π°ΠΊΡΠΈΠ²ΠΈΡΡΠ΅Ρ Π»ΠΈ ΠΊΠ΅ΡΠ°ΠΌΠΈΠ½ PL-DRN ΠΏΡΡΠ΅ΠΌ ΠΊΠΎΠ»ΠΈΡΠ΅ΡΡΠ²Π΅Π½Π½ΠΎΠΉ ΠΎΡΠ΅Π½ΠΊΠΈ ΠΏΡΠΎΡΠ΅Π½ΡΠ° DRN-ΠΏΡΠΎΠ΅ΡΠΈΡΡΡΡΠΈΡ Π½Π΅ΠΉΡΠΎΠ½ΠΎΠ² PL, ΡΠΊΡΠΏΡΠ΅ΡΡΠΈΡΡΡΡΠΈΡ Fos (ΡΠΈΡ. 4 C , ΡΠΏΡΠ°Π²Π°). ΠΠ΅ΠΉΡΡΠ²ΠΈΡΠ΅Π»ΡΠ½ΠΎ, ΠΊΠ΅ΡΠ°ΠΌΠΈΠ½ Π²ΡΠ·ΡΠ²Π°Π΅Ρ ΡΡΡΠΎΠΉΡΠΈΠ²ΠΎΠ΅ ΡΠ²Π΅Π»ΠΈΡΠ΅Π½ΠΈΠ΅ Π°ΠΊΡΠΈΠ²Π°ΡΠΈΠΈ ΠΏΡΡΠΈ PL-DRN ( t (13) = 3,453, p = 0,004).
Π ΠΈΡΡΠ½ΠΎΠΊ 4.ΠΡΡΡΡΠΉ ΠΊΠ΅ΡΠ°ΠΌΠΈΠ½ Π°ΠΊΡΠΈΠ²ΠΈΡΡΠ΅Ρ ΠΏΡΡΡ PL-DRN. A , ΠΡΠΈΠ½ΡΠΈΠΏΠΈΠ°Π»ΡΠ½Π°Ρ ΡΡ Π΅ΠΌΠ° ΡΠΊΡΠΏΠ΅ΡΠΈΠΌΠ΅Π½ΡΠ°Π»ΡΠ½ΠΎΠΉ ΠΏΡΠΎΡΠ΅Π΄ΡΡΡ. ΠΡΡΡΠ°ΠΌ Π²Π²ΠΎΠ΄ΠΈΠ»ΠΈ ΠΊΡΠ°ΡΠ½ΡΠ΅ ΡΠ»ΡΠΎΡΠ΅ΡΡΠ΅Π½ΡΠ½ΡΠ΅ RB Π² DRN.ΠΠ²Π΅ Π½Π΅Π΄Π΅Π»ΠΈ ΡΠΏΡΡΡΡ ΠΊΡΡΡΡ ΠΏΠΎΠ»ΡΡΠΈΠ»ΠΈ ΠΎΠ΄Π½ΠΎΠΊΡΠ°ΡΠ½ΡΡ ΡΠΈΡΡΠ΅ΠΌΠ½ΡΡ ΠΈΠ½ΡΠ΅ΠΊΡΠΈΡ ΠΊΠ΅ΡΠ°ΠΌΠΈΠ½Π° (10 ΠΌΠ³ / ΠΊΠ³, Π²Π½ΡΡΡΠΈΠ±ΡΡΡΠΈΠ½Π½ΠΎ) ΠΈΠ»ΠΈ ΡΠΈΠ·ΠΈΠΎΠ»ΠΎΠ³ΠΈΡΠ΅ΡΠΊΠΎΠ³ΠΎ ΡΠ°ΡΡΠ²ΠΎΡΠ°. Π§Π΅ΡΠ΅Π· Π΄Π²Π° ΡΠ°ΡΠ° ΠΊΡΡΡ ΡΠΌΠ΅ΡΡΠ²Π»ΡΠ»ΠΈ. ΠΠΊΡΠΏΡΠ΅ΡΡΠΈΡ RB ΠΈ Fos ΠΎΡΠ΅Π½ΠΈΠ²Π°Π»ΠΈ Π² PL. B , Π Π΅ΠΏΡΠ΅Π·Π΅Π½ΡΠ°ΡΠΈΠ²Π½ΡΠ΅ ΠΈΠ·ΠΎΠ±ΡΠ°ΠΆΠ΅Π½ΠΈΡ PL, ΠΏΠΎΠΊΠ°Π·ΡΠ²Π°ΡΡΠΈΠ΅ ΡΡΠ΅ΠΉΠΊΠΈ RB + (ΠΊΡΠ°ΡΠ½ΡΠΉ), Fos + ΡΡΠ΅ΠΉΠΊΠΈ (Π·Π΅Π»Π΅Π½ΡΠ΅) ΠΈ RB + Fos (ΠΎΠ±ΠΎΠ·Π½Π°ΡΠ΅Π½Ρ Π±Π΅Π»ΡΠΌΠΈ ΡΡΡΠ΅Π»ΠΊΠ°ΠΌΠΈ Π½Π° ΠΊΡΠ°ΠΉΠ½Π΅ΠΉ ΠΏΡΠ°Π²ΠΎΠΉ ΠΏΠ°Π½Π΅Π»ΠΈ). ΠΠ°ΡΡΡΠ°Π±Π½Π°Ρ ΡΠΊΠ°Π»Π°: 50 ΠΌΠΊΠΌ ΠΈ ΠΏΡΠΈΠΌΠ΅Π½ΡΠ΅ΡΡΡ ΠΊΠΎ Π²ΡΠ΅ΠΌ ΠΈΠ·ΠΎΠ±ΡΠ°ΠΆΠ΅Π½ΠΈΡΠΌ. C , ΠΠΎΠ»ΠΈΡΠ΅ΡΡΠ²ΠΎ ΠΊΠ»Π΅ΡΠΎΠΊ, ΠΌΠ΅ΡΠ΅Π½Π½ΡΡ RB (ΡΠ»Π΅Π²Π°), ΠΊΠ»Π΅ΡΠΎΠΊ Fos + (Π² ΡΠ΅Π½ΡΡΠ΅), ΠΈ ΠΏΡΠΎΡΠ΅Π½ΡΠ½ΠΎΠ΅ ΡΠΎΠΎΡΠ½ΠΎΡΠ΅Π½ΠΈΠ΅ ΠΊΠ»Π΅ΡΠΎΠΊ Ρ Π΄Π²ΠΎΠΉΠ½ΠΎΠΉ ΠΌΠ΅ΡΠΊΠΎΠΉ, ΠΌΠ΅ΡΠ΅Π½Π½ΡΡ RB, ΠΊΠΎΡΠΎΡΡΠ΅ ΡΠ°ΠΊΠΆΠ΅ ΡΠΊΡΠΏΡΠ΅ΡΡΠΈΡΡΡΡ Fos (ΡΠΏΡΠ°Π²Π°) Π² PL ΠΊΡΡΡ, ΠΏΠΎΠ»ΡΡΠ°Π²ΡΠΈΡ ΠΊΠ΅ΡΠ°ΠΌΠΈΠ½ ΠΈΠ»ΠΈ ΡΠΈΠ·ΠΈΠΎΠ»ΠΎΠ³ΠΈΡΠ΅ΡΠΊΠΈΠΉ ΡΠ°ΡΡΠ²ΠΎΡ.ΠΠ΅ΠΏΠ°ΡΠ½ΡΠΉ ΡΠ΅ΡΡ t : ** p <0,01. Π‘ΡΠΎΠ»Π±ΡΡ ΠΏΡΠ΅Π΄ΡΡΠ°Π²Π»ΡΡΡ ΡΠΎΠ±ΠΎΠΉ Π³ΡΡΠΏΠΏΠΎΠ²ΠΎΠ΅ ΡΡΠ΅Π΄Π½Π΅Π΅ Β± SEM.
ΠΠ»ΠΈΡΠ½ΠΈΠ΅ DREADD-ΠΎΠΏΠΎΡΡΠ΅Π΄ΠΎΠ²Π°Π½Π½ΠΎΠ³ΠΎ ΠΌΠΎΠ»ΡΠ°Π½ΠΈΡ ΠΏΡΡΠΈ PL-DRN Π½Π° ΡΡΡΠ΅ΠΊΡΡ ΡΡΡΠ΅ΡΡ-Π±ΡΡΠ΅ΡΠΈΠ·Π°ΡΠΈΠΈ ΠΊΠ΅ΡΠ°ΠΌΠΈΠ½Π°
Π¦Π΅Π»ΡΡ Π½Π°ΡΡΠΎΡΡΠ΅Π³ΠΎ ΡΠΊΡΠΏΠ΅ΡΠΈΠΌΠ΅Π½ΡΠ° Π±ΡΠ»ΠΎ ΠΎΡΠ΅Π½ΠΈΡΡ, ΠΌΠΎΠΆΠ΅Ρ Π»ΠΈ Ρ Π΅ΠΌΠΎΠ³Π΅Π½Π΅ΡΠΈΡΠ΅ΡΠΊΠ°Ρ ΠΈΠ½Π°ΠΊΡΠΈΠ²Π°ΡΠΈΡ ΠΏΡΡΠΈ PL-DRN Π²ΠΎ Π²ΡΠ΅ΠΌΡ ΠΠ ΡΠΌΡΠ³ΡΠΈΡΡ Π·Π°ΡΠΈΡΠ½ΡΠ΅ ΡΡΡΠ΅ΠΊΡΡ ΠΏΡΠ΅Π΄ΡΠ΅ΡΡΠ²ΡΡΡΠ΅Π³ΠΎ ΠΊΠ΅ΡΠ°ΠΌΠΈΠ½Π°. ΠΠΎ-ΠΏΠ΅ΡΠ²ΡΡ , Π±ΡΠ»Π° ΠΏΠΎΠ΄ΡΠ²Π΅ΡΠΆΠ΄Π΅Π½Π° ΡΠΏΠΎΡΠΎΠ±Π½ΠΎΡΡΡ hM4Di ΠΏΠΎΠ΄Π°Π²Π»ΡΡΡ ΠΎΠΏΠΎΡΡΠ΅Π΄ΠΎΠ²Π°Π½Π½ΡΡ ΠΊΠ΅ΡΠ°ΠΌΠΈΠ½ΠΎΠΌ Π°ΠΊΡΠΈΠ²Π°ΡΠΈΡ ΠΏΡΡΠΈ PL-DRN (ΡΠΈΡ.5). Π€ΠΈΠ³. 5 A ΠΈΠ·ΠΎΠ±ΡΠ°ΠΆΠ°Π΅Ρ ΠΏΡΠΎΡΠ΅Π΄ΡΡΡ ΠΈΠ½ΡΠ΅ΠΊΡΠΈΠΈ, ΠΈΡΠΏΠΎΠ»ΡΠ·ΡΠ΅ΠΌΡΡ Π΄Π»Ρ Π½Π°ΡΠ΅Π»ΠΈΠ²Π°Π½ΠΈΡ hM4Di Π½Π° ΠΏΡΡΡ PL-DRN. Π’ΠΈΠΏΠΈΡΠ½ΡΠ΅ ΠΈΠ·ΠΎΠ±ΡΠ°ΠΆΠ΅Π½ΠΈΡ hM4Di, Fos + ΠΈ hM4Di-ΠΏΠΎΠ»ΠΎΠΆΠΈΡΠ΅Π»ΡΠ½ΡΡ ΠΊΠ»Π΅ΡΠΎΠΊ, ΡΠ°ΠΊΠΆΠ΅ ΡΠΊΡΠΏΡΠ΅ΡΡΠΈΡΡΡΡΠΈΡ Fos, ΠΏΠΎΠΊΠ°Π·Π°Π½Ρ Π½Π° Π€ΠΈΠ³ΡΡΠ΅ 5 B . ΠΠ±ΡΠ΅Π΅ ΠΊΠΎΠ»ΠΈΡΠ΅ΡΡΠ²ΠΎ ΡΠΊΡΠΏΡΠ΅ΡΡΠΈΡΡΡΡΠΈΡ mCherry ΠΊΠ»Π΅ΡΠΎΠΊ Π² PL Π±ΡΠ»ΠΎ ΠΎΠΏΡΠ΅Π΄Π΅Π»Π΅Π½ΠΎ ΠΊΠΎΠ»ΠΈΡΠ΅ΡΡΠ²Π΅Π½Π½ΠΎ (ΡΠΈΠ³. 5 C , ΡΠ»Π΅Π²Π°). ΠΠ°ΠΊ Π±ΡΠ»ΠΎ ΠΏΠΎΠΊΠ°Π·Π°Π½ΠΎ ΡΠ°Π½Π΅Π΅, Π½Π΅ΠΉΡΠΎΠ½Ρ PL, ΠΏΡΠΎΠ΅ΠΊΡΠΈΡΡΡΡΠΈΠ΅ DRN, Π² ΠΎΡΠ½ΠΎΠ²Π½ΠΎΠΌ Π»ΠΎΠΊΠ°Π»ΠΈΠ·ΠΎΠ²Π°Π½Ρ Π² Π³Π»ΡΠ±ΠΎΠΊΠΈΡ ΡΠ»ΠΎΡΡ PL (Gabbott et al., 2005; Baratta et al., 2009; GonΓ§alves et al., 2009). ΠΠ±ΡΠ΅Π΅ ΠΊΠΎΠ»ΠΈΡΠ΅ΡΡΠ²ΠΎ ΠΊΠ»Π΅ΡΠΎΠΊ, ΠΌΠ΅ΡΠ΅Π½Π½ΡΡ PL-DRN hM4Di, Π½Π΅ ΡΠ°Π·Π»ΠΈΡΠ°Π»ΠΎΡΡ ΠΌΠ΅ΠΆΠ΄Ρ Π΄Π²ΡΠΌΡ Π³ΡΡΠΏΠΏΠ°ΠΌΠΈ ( t (8) = 0.22, ΠΏ. = 0,83; Π ΠΈΡ.5 C , ΡΠ»Π΅Π²Π°). Π ΡΠΎΠΎΡΠ²Π΅ΡΡΡΠ²ΠΈΠΈ Ρ ΡΠ΅Π·ΡΠ»ΡΡΠ°ΡΠ°ΠΌΠΈ ΡΠΊΡΠΏΠ΅ΡΠΈΠΌΠ΅Π½ΡΠ° ΠΏΠΎ ΡΠ΅ΡΡΠΎΠ³ΡΠ°Π΄Π½ΠΎΠΌΡ ΠΎΡΡΠ»Π΅ΠΆΠΈΠ²Π°Π½ΠΈΡ PL-DRN, ΠΊΠ΅ΡΠ°ΠΌΠΈΠ½ Π·Π½Π°ΡΠΈΡΠ΅Π»ΡΠ½ΠΎ ΡΠ²Π΅Π»ΠΈΡΠΈΠ²Π°Π» ΠΊΠΎΠ»ΠΈΡΠ΅ΡΡΠ²ΠΎ ΠΊΠ»Π΅ΡΠΎΠΊ Fos + Π² PL (ΡΠΈΡ. 5 C , Π² ΡΠ΅ΡΠ΅Π΄ΠΈΠ½Π΅). ΠΠΎ ΡΡΠ°Π²Π½Π΅Π½ΠΈΡ Ρ ΠΊΡΡΡΠ°ΠΌΠΈ, ΠΊΠΎΡΠΎΡΡΠΌ Π²Π²ΠΎΠ΄ΠΈΠ»ΠΈ Π½ΠΎΡΠΈΡΠ΅Π»Ρ, CNO Π·Π½Π°ΡΠΈΡΠ΅Π»ΡΠ½ΠΎ ΡΠ½ΠΈΠΆΠ°Π» Π²ΡΠ·Π²Π°Π½Π½ΠΎΠ΅ ΠΊΠ΅ΡΠ°ΠΌΠΈΠ½ΠΎΠΌ ΡΠ²Π΅Π»ΠΈΡΠ΅Π½ΠΈΠ΅ PL Fos + ( t (8) = 4,337, p = 0,003). ΠΠ°ΡΠ΅ΠΌ ΠΈΡΡΠ»Π΅Π΄ΠΎΠ²Π°Π»ΠΈ Fos +, ΠΎΠ³ΡΠ°Π½ΠΈΡΠ΅Π½Π½ΡΠΉ ΠΏΡΡΠ΅ΠΌ PL-DRN (ΡΠΈΠ³. 5 C , ΡΠΏΡΠ°Π²Π°). ΠΡΡΡΡ, ΠΊΠΎΡΠΎΡΡΠΌ Π²Π²ΠΎΠ΄ΠΈΠ»ΠΈ CNO, ΠΏΠΎΠΊΠ°Π·Π°Π»ΠΈ Π·Π½Π°ΡΠΈΡΠ΅Π»ΡΠ½ΠΎ Π±ΠΎΠ»Π΅Π΅ Π½ΠΈΠ·ΠΊΠΎΠ΅ ΡΠΎΠ΄Π΅ΡΠΆΠ°Π½ΠΈΠ΅ PL-DRN Fos +, ΠΈΠ½Π΄ΡΡΠΈΡΠΎΠ²Π°Π½Π½ΠΎΠ³ΠΎ ΠΊΠ΅ΡΠ°ΠΌΠΈΠ½ΠΎΠΌ, ΠΏΠΎ ΡΡΠ°Π²Π½Π΅Π½ΠΈΡ Ρ ΠΊΡΡΡΠ°ΠΌΠΈ, ΠΊΠΎΡΠΎΡΡΠΌ Π²Π²ΠΎΠ΄ΠΈΠ»ΠΈ ΡΠΈΠ·ΠΈΠΎΠ»ΠΎΠ³ΠΈΡΠ΅ΡΠΊΠΈΠΉ ΡΠ°ΡΡΠ²ΠΎΡ ( t (8) = 4.051, ΠΏ. = 0,004).
Π ΠΈΡΡΠ½ΠΎΠΊ 5.hM4Di ΠΏΡΠ΅Π΄ΠΎΡΠ²ΡΠ°ΡΠ°Π΅Ρ ΡΡΡΠ΅ΠΊΡΡ ΠΏΡΠ΅Π΄ΡΠ΅ΡΡΠ²ΡΡΡΠ΅Π³ΠΎ ΠΊΠ΅ΡΠ°ΠΌΠΈΠ½Π° Π½Π° Π°ΠΊΡΠΈΠ²Π°ΡΠΈΡ ΠΏΡΡΠΈ PL-DRN. A , ΠΡΠΈΠ½ΡΠΈΠΏΠΈΠ°Π»ΡΠ½Π°Ρ ΡΡ Π΅ΠΌΠ° ΠΏΡΠΎΡΠ΅Π΄ΡΡΡ Π²ΠΏΡΡΡΠΊΠ°. ΠΡΡΡΠ°ΠΌ Π²Π²ΠΎΠ΄ΠΈΠ»ΠΈ ΡΠ΅ΡΡΠΎΠ³ΡΠ°Π΄Π½ΠΎ ΡΡΠ°Π½ΡΠΏΠΎΡΡΠΈΡΡΠ΅ΠΌΡΠ΅ Π²Π΅ΠΊΡΠΎΡΡ AAV, ΠΊΠΎΠ΄ΠΈΡΡΡΡΠΈΠ΅ Cre ΠΈ eGFP. ΠΡΡΡ Π΄Π½Π΅ΠΉ ΡΠΏΡΡΡΡ ΠΊΡΡΡΠ°ΠΌ Π²Π²ΠΎΠ΄ΠΈΠ»ΠΈ Cre-Π·Π°Π²ΠΈΡΠΈΠΌΡΠ΅ Π²Π΅ΠΊΡΠΎΡΡ AAV, ΠΊΠΎΠ΄ΠΈΡΡΡΡΠΈΠ΅ hM4Di-mCherry. Π¨ΠΊΠ°Π»Π°: 250 ΠΌΠΊΠΌ, ΠΏΡΠΈΠΌΠ΅Π½ΠΈΠΌΠ°Ρ ΠΊ ΠΎΠ±ΠΎΠΈΠΌ ΠΈΠ·ΠΎΠ±ΡΠ°ΠΆΠ΅Π½ΠΈΡΠΌ. B , Π’ΠΈΠΏΠΈΡΠ½ΡΠ΅ ΠΈΠ·ΠΎΠ±ΡΠ°ΠΆΠ΅Π½ΠΈΡ PL, ΠΏΠΎΠΊΠ°Π·ΡΠ²Π°ΡΡΠΈΠ΅ ΡΠΊΡΠΏΡΠ΅ΡΡΠΈΡ hM4Di-mCherry (ΡΠ»Π΅Π²Π°), ΡΠΊΡΠΏΡΠ΅ΡΡΠΈΡ Fos (Π² ΡΠ΅Π½ΡΡΠ΅) ΠΈ ΡΠΎΠ²ΠΌΠ΅ΡΡΠ½ΡΡ Π»ΠΎΠΊΠ°Π»ΠΈΠ·Π°ΡΠΈΡ hM4Di-mCherry ΠΈ Fos (ΡΠΏΡΠ°Π²Π°).ΠΠ°ΡΡΡΠ°Π±Π½Π°Ρ Π»ΠΈΠ½Π΅ΠΉΠΊΠ°: 50 ΠΌΠΊΠΌ. C , ΠΠΎΠ»ΠΈΡΠ΅ΡΡΠ²ΠΎ ΠΊΠ»Π΅ΡΠΎΠΊ, ΠΌΠ΅ΡΠ΅Π½Π½ΡΡ hM4Di-mCherry (ΡΠ»Π΅Π²Π°), ΠΊΠ»Π΅ΡΠΎΠΊ Fos + (Π² ΡΠ΅Π½ΡΡΠ΅) ΠΈ ΠΏΡΠΎΡΠ΅Π½Ρ ΠΊΠ»Π΅ΡΠΎΠΊ, ΡΠΊΡΠΏΡΠ΅ΡΡΠΈΡΡΡΡΠΈΡ hM4Di-mCherry, ΠΊΠΎΡΠΎΡΡΠ΅ ΡΠ°ΠΊΠΆΠ΅ ΡΠΊΡΠΏΡΠ΅ΡΡΠΈΡΡΡΡ Fos (ΡΠΏΡΠ°Π²Π°) Π² PL ΠΊΡΡΡ, ΠΊΠΎΡΠΎΡΡΠ΅ ΠΏΠΎΠ»ΡΡΠ°Π»ΠΈ ΠΊΠ΅ΡΠ°ΠΌΠΈΠ½ ΠΏΠ΅ΡΠ΅Π΄ CNO ΠΈΠ»ΠΈ Π½ΠΎΡΠΈΡΠ΅Π»Π΅ΠΌ . ΠΠ΅ΠΏΠ°ΡΠ½ΡΠΉ ΡΠ΅ΡΡ t : ** p <0,01. Π‘ΡΠΎΠ»Π±ΡΡ ΠΏΡΠ΅Π΄ΡΡΠ°Π²Π»ΡΡΡ ΡΠΎΠ±ΠΎΠΉ Π³ΡΡΠΏΠΏΠΎΠ²ΠΎΠ΅ ΡΡΠ΅Π΄Π½Π΅Π΅ Β± SEM.
Π ΠΎΡΠ΄Π΅Π»ΡΠ½ΠΎΠΉ ΠΊΠΎΠ³ΠΎΡΡΠ΅ ΠΊΡΡΡ, ΡΠΊΡΠΏΡΠ΅ΡΡΠΈΡΡΡΡΠΈΡ PL-DRN hM4Di ΠΈΠ»ΠΈ mCherry, ΠΊΠ΅ΡΠ°ΠΌΠΈΠ½ ΠΈΠ»ΠΈ ΡΠΈΠ·ΠΈΠΎΠ»ΠΎΠ³ΠΈΡΠ΅ΡΠΊΠΈΠΉ ΡΠ°ΡΡΠ²ΠΎΡ Π²Π²ΠΎΠ΄ΠΈΠ»ΠΈ Π·Π° Π½Π΅Π΄Π΅Π»Ρ Π΄ΠΎ IS ΠΈΠ»ΠΈ HC. ΠΠ° 30 ΠΌΠΈΠ½ΡΡ Π΄ΠΎ IS ΠΈΠ»ΠΈ HC Π²ΡΠ΅ΠΌ ΠΊΡΡΡΠ°ΠΌ Π²Π²ΠΎΠ΄ΠΈΠ»ΠΈ CNO (3.0 ΠΌΠ³ / ΠΊΠ³, Π²Π½ΡΡΡΠΈΠ±ΡΡΡΠΈΠ½Π½ΠΎ). Π’Π°ΠΊΠΈΠΌ ΠΎΠ±ΡΠ°Π·ΠΎΠΌ, ΡΠΊΡΠΏΠ΅ΡΠΈΠΌΠ΅Π½Ρ ΠΏΡΠ΅Π΄ΡΡΠ°Π²Π»ΡΠ» ΡΠΎΠ±ΠΎΠΉ ΡΠ°ΠΊΡΠΎΡΠ½ΡΠΉ ΠΏΠ»Π°Π½ 2 (ΡΡΡΠ΅ΡΡ) Γ 2 (Π»Π΅ΠΊΠ°ΡΡΡΠ²ΠΎ) Γ 2 (Π²ΠΈΡΡΡ). Π§Π΅ΡΠ΅Π· 24 ΡΠ°ΡΠ° ΠΏΠΎΡΠ»Π΅ IS ΠΈΠ»ΠΈ HC ΠΊΡΡΡΡ ΠΏΠΎΠ΄Π²Π΅ΡΠ³Π°Π»ΠΈΡΡ ΡΠ΅ΡΡΠΈΡΠΎΠ²Π°Π½ΠΈΡ Π½Π° JSE. ΠΠ° ΡΠΈΡΡΠ½ΠΊΠ΅ 6 ΠΏΠΎΠΊΠ°Π·Π°Π½ΠΎ Π²ΡΠ΅ΠΌΡ, ΠΏΠΎΡΡΠ°ΡΠ΅Π½Π½ΠΎΠ΅ Π½Π° Π²Π·Π°ΠΈΠΌΠΎΠ΄Π΅ΠΉΡΡΠ²ΠΈΠ΅ Π²ΠΎ Π²ΡΠ΅ΠΌΡ ΡΠ΅ΡΡΠ° JSE. Π’ΡΠ΅Ρ ΡΠ°ΠΊΡΠΎΡΠ½ΡΠΉ Π΄ΠΈΡΠΏΠ΅ΡΡΠΈΠΎΠ½Π½ΡΠΉ Π°Π½Π°Π»ΠΈΠ· ΠΏΠΎΠΊΠ°Π·Π°Π» ΠΎΡΠ½ΠΎΠ²Π½ΠΎΠΉ ΡΡΡΠ΅ΠΊΡ ΡΡΡΠ΅ΡΡΠ° ( F ( 1 , 83) = 46,98, p <0,0001), Π²Π·Π°ΠΈΠΌΠΎΠ΄Π΅ΠΉΡΡΠ²ΠΈΠ΅ ΡΡΡΠ΅ΡΡΠ° Γ Π»Π΅ΠΊΠ°ΡΡΡΠ²Π΅Π½Π½ΠΎΠ΅ ΡΡΠ΅Π΄ΡΡΠ²ΠΎ ( F (1, 83) = 8,81, p = 0,004), Π²Π·Π°ΠΈΠΌΠΎΠ΄Π΅ΠΉΡΡΠ²ΠΈΠ΅ ΡΡΡΠ΅ΡΡΠ° Γ Π²ΠΈΡΡΡ ( F (1,83) = 16.31, p = 0,0001), ΠΈ Π²Π·Π°ΠΈΠΌΠΎΠ΄Π΅ΠΉΡΡΠ²ΠΈΠ΅ ΡΡΡΠ΅ΡΡΠ° Γ Π»Π΅ΠΊΠ°ΡΡΡΠ²Π° Γ Π²ΠΈΡΡΡΠ° ( F (1,83) = 9,97, p = 0,023). Π Π³ΡΡΠΏΠΏΠ°Ρ HC Π½ΠΈ ΠΊΠ΅ΡΠ°ΠΌΠΈΠ½, Π½ΠΈ ΠΎΠΏΠΎΡΡΠ΅Π΄ΠΎΠ²Π°Π½Π½ΠΎΠ΅ DREADD ΠΈΠ½Π³ΠΈΠ±ΠΈΡΠΎΠ²Π°Π½ΠΈΠ΅ ΠΈΠ»ΠΈ ΠΈΡ ΠΊΠΎΠΌΠ±ΠΈΠ½Π°ΡΠΈΡ Π½Π΅ Π²Π»ΠΈΡΠ»ΠΈ Π½Π° ΡΠΎΡΠΈΠ°Π»ΡΠ½ΠΎΠ΅ ΠΈΡΡΠ»Π΅Π΄ΠΎΠ²Π°Π½ΠΈΠ΅ ( p > 0,05). Π ΡΠΎΠΎΡΠ²Π΅ΡΡΡΠ²ΠΈΠΈ Ρ ΡΠ°Π±ΠΎΡΠΎΠΉ, Π²ΡΠΏΠΎΠ»Π½Π΅Π½Π½ΠΎΠΉ Π½Π° ΡΠ°ΠΌΡΠ°Ρ (Amat et al., 2016) ΠΈ ΡΠ°ΠΌΠΊΠ°Ρ ΠΊΡΡΡ (Baratta et al., 2018), IS ΡΠ΅Π·ΠΊΠΎ ΡΠ½ΠΈΠ·ΠΈΠ» ΡΠΎΡΠΈΠ°Π»ΡΠ½ΠΎΠ΅ ΠΈΡΡΠ»Π΅Π΄ΠΎΠ²Π°Π½ΠΈΠ΅ Ρ ΠΊΡΡΡ, ΡΠΊΡΠΏΡΠ΅ΡΡΠΈΡΡΡΡΠΈΡ mCherry, ΠΏΠΎ ΡΡΠ°Π²Π½Π΅Π½ΠΈΡ Ρ ΠΊΡΡΡΠ°ΠΌΠΈ mCherry, ΠΊΠΎΡΠΎΡΡΠ΅ ΠΏΠΎΠ»ΡΡΠ°Π»ΠΈ HC ( p <0.01). hM4Di Π½Π΅ Π²Π»ΠΈΡΠ» Π½Π° IS Ρ ΠΊΡΡΡ, ΠΊΠΎΡΠΎΡΡΠΌ ΡΠ°Π½Π΅Π΅ Π²Π²ΠΎΠ΄ΠΈΠ»ΠΈ ΡΠΈΠ·ΠΈΠΎΠ»ΠΎΠ³ΠΈΡΠ΅ΡΠΊΠΈΠΉ ΡΠ°ΡΡΠ²ΠΎΡ. Π’ΠΎ Π΅ΡΡΡ ΠΊΡΡΡΡ, Π½Π°ΡΠ΅Π»Π΅Π½Π½ΡΠ΅ Π½Π° hM4Di, ΠΊΠΎΡΠΎΡΡΠ΅ ΠΏΠΎΠ»ΡΡΠ°Π»ΠΈ ΡΠΈΠ·ΠΈΠΎΠ»ΠΎΠ³ΠΈΡΠ΅ΡΠΊΠΈΠΉ ΡΠ°ΡΡΠ²ΠΎΡ ΠΈ IS, Π½Π°ΠΏΠΎΠΌΠΈΠ½Π°Π»ΠΈ ΠΊΡΡΡ, ΡΠΊΡΠΏΡΠ΅ΡΡΠΈΡΡΡΡΠΈΡ mCherry, ΠΊΠΎΡΠΎΡΡΠ΅ ΠΏΠΎΠ»ΡΡΠ°Π»ΠΈ IS ΠΈ ΡΠΈΠ·ΠΈΠΎΠ»ΠΎΠ³ΠΈΡΠ΅ΡΠΊΠΈΠΉ ΡΠ°ΡΡΠ²ΠΎΡ ( p > 0,05). Π ΡΠΎΠΎΡΠ²Π΅ΡΡΡΠ²ΠΈΠΈ Ρ ΡΠ΅Π·ΡΠ»ΡΡΠ°ΡΠ°ΠΌΠΈ, ΠΏΠΎΠΊΠ°Π·Π°Π½Π½ΡΠΌΠΈ Π½Π° ΡΠΈΠ³. 1, ΠΏΡΠ΅Π΄ΡΠ΄ΡΡΠ΅Π΅ Π²Π²Π΅Π΄Π΅Π½ΠΈΠ΅ ΠΊΠ΅ΡΠ°ΠΌΠΈΠ½Π°, Π½ΠΎ Π½Π΅ ΡΠΈΠ·ΠΈΠΎΠ»ΠΎΠ³ΠΈΡΠ΅ΡΠΊΠΎΠ³ΠΎ ΡΠ°ΡΡΠ²ΠΎΡΠ° ΠΊΡΡΡΠ°ΠΌ, Π½Π°ΡΠ΅Π»Π΅Π½Π½ΡΠΌ Π½Π° PL-DRN mCherry, ΠΏΡΠ΅Π΄ΠΎΡΠ²ΡΠ°ΡΠ°Π»ΠΎ IS-ΠΎΠΏΠΎΡΡΠ΅Π΄ΠΎΠ²Π°Π½Π½ΡΠΉ Π΄Π΅ΡΠΈΡΠΈΡ ΡΠΎΡΠΈΠ°Π»ΡΠ½ΠΎΠ³ΠΎ ΠΈΡΡΠ»Π΅Π΄ΠΎΠ²Π°Π½ΠΈΡ Ρ ΠΊΡΡΡ, Π½Π°ΡΠ΅Π»Π΅Π½Π½ΡΡ Π½Π° PL-DRN mCherry ( p <0,01). ΠΠΎΡΠ°Π·ΠΈΡΠ΅Π»ΡΠ½ΠΎ, ΡΡΠΎ ΠΎΠΏΠΎΡΡΠ΅Π΄ΠΎΠ²Π°Π½Π½ΠΎΠ΅ hM4Di ΠΈΠ½Π³ΠΈΠ±ΠΈΡΠΎΠ²Π°Π½ΠΈΠ΅ ΠΏΡΡΠΈ PL-DRN Π²ΠΎ Π²ΡΠ΅ΠΌΡ IS ΡΡΡΡΠ°Π½ΡΠ΅Ρ Π·Π°ΡΠΈΡΠ½ΡΠ΅ ΡΡΡΠ΅ΠΊΡΡ ΠΏΡΠ΅Π΄ΡΠ΅ΡΡΠ²ΡΡΡΠ΅Π³ΠΎ ΠΊΠ΅ΡΠ°ΠΌΠΈΠ½Π°.ΠΡΡΡΡ, ΠΊΠΎΡΠΎΡΡΠ΅ ΠΏΠΎΠ»ΡΡΠ°Π»ΠΈ ΡΡΠΎ Π»Π΅ΡΠ΅Π½ΠΈΠ΅, ΡΠ΅ΠΏΠ΅ΡΡ Π½Π°ΠΏΠΎΠΌΠΈΠ½Π°Π»ΠΈ ΠΊΡΡΡ mCherry, ΠΊΠΎΡΠΎΡΡΠ΅ ΠΏΠΎΠ»ΡΡΠ°Π»ΠΈ ΡΠΈΠ·ΠΈΠΎΠ»ΠΎΠ³ΠΈΡΠ΅ΡΠΊΠΈΠΉ ΡΠ°ΡΡΠ²ΠΎΡ Π΄ΠΎ IS, ΠΈΠ»ΠΈ ΠΊΡΡΡ hM4Di, ΠΊΠΎΡΠΎΡΡΠ΅ ΠΏΠΎΠ»ΡΡΠ°Π»ΠΈ ΡΠΈΠ·ΠΈΠΎΠ»ΠΎΠ³ΠΈΡΠ΅ΡΠΊΠΈΠΉ ΡΠ°ΡΡΠ²ΠΎΡ Π΄ΠΎ IS ( p > 0,05).
Π ΠΈΡΡΠ½ΠΎΠΊ 6.hM4Di-ΠΎΠΏΠΎΡΡΠ΅Π΄ΠΎΠ²Π°Π½Π½ΠΎΠ΅ ΠΈΠ½Π³ΠΈΠ±ΠΈΡΠΎΠ²Π°Π½ΠΈΠ΅ ΠΏΡΡΠΈ PL-DRN ΠΏΡΠ΅Π΄ΠΎΡΠ²ΡΠ°ΡΠ°Π΅Ρ ΠΏΡΠΎΡΠΈΠ»Π°ΠΊΡΠΈΡΠ΅ΡΠΊΠΎΠ΅ Π΄Π΅ΠΉΡΡΠ²ΠΈΠ΅ ΠΏΡΠ΅Π΄ΡΠ΅ΡΡΠ²ΡΡΡΠ΅Π³ΠΎ ΠΊΠ΅ΡΠ°ΠΌΠΈΠ½Π° Π½Π° JSE. ΠΡΡΡΡ, ΠΊΠΎΡΠΎΡΡΠΌ ΡΠ°Π½Π΅Π΅ Π²Π²ΠΎΠ΄ΠΈΠ»ΠΈ hM4Di ΠΈΠ»ΠΈ mCherry, Π½Π°ΡΠ΅Π»Π΅Π½Π½ΡΠ΅ Π½Π° ΠΏΡΡΡ PL-DRN, ΠΏΠΎΠ»ΡΡΠ°Π»ΠΈ ΠΎΠ΄Π½ΠΎΠΊΡΠ°ΡΠ½ΡΡ ΠΈΠ½ΡΠ΅ΠΊΡΠΈΡ ΡΠΈΠ·ΠΈΠΎΠ»ΠΎΠ³ΠΈΡΠ΅ΡΠΊΠΎΠ³ΠΎ ΡΠ°ΡΡΠ²ΠΎΡΠ° ΠΈΠ»ΠΈ ΠΊΠ΅ΡΠ°ΠΌΠΈΠ½Π° Π·Π° Π½Π΅Π΄Π΅Π»Ρ Π΄ΠΎ IS ΠΈΠ»ΠΈ HC. JSE ΠΎΡΠ΅Π½ΠΈΠ²Π°Π»ΡΡ ΡΠ΅ΡΠ΅Π· 24 ΡΠ°ΡΠ° ΠΏΠΎΡΠ»Π΅ IS ΠΈΠ»ΠΈ HC. ΠΠ΅ΡΠΎΠ΄ Π’ΡΡΠΊΠΈ post hoc : ** p <0.01. Π‘ΡΠΎΠ»Π±ΡΡ ΠΏΡΠ΅Π΄ΡΡΠ°Π²Π»ΡΡΡ ΡΠΎΠ±ΠΎΠΉ ΡΡΠ΅Π΄Π½Π΅Π΅ Π·Π½Π°ΡΠ΅Π½ΠΈΠ΅ Π³ΡΡΠΏΠΏΡ Β± ΡΡΠ°Π½Π΄Π°ΡΡΠ½Π°Ρ ΠΎΡΠΈΠ±ΠΊΠ° ΡΡΠ΅Π΄Π½Π΅Π³ΠΎ. Π‘ΠΈΠΌΠ²ΠΎΠ»Ρ ΠΎΠ±ΠΎΠ·Π½Π°ΡΠ°ΡΡ ΡΡΠ΅Π΄Π½Π΅Π΅ ΡΠΎΡΠΈΠ°Π»ΡΠ½ΠΎΠ΅ ΠΈΡΡΠ»Π΅Π΄ΠΎΠ²Π°Π½ΠΈΠ΅ ΠΊΡΡΡ, ΠΏΠΎΠ»ΡΡΠΈΠ²ΡΠΈΡ HC ΠΈΠ»ΠΈ IS Π²ΠΎ Π²ΡΠ΅ΠΌΡ Π΄ΠΈΡΡΡΡΡΡΠ°, ΠΏΡΠΎΡΡΡΡΡΡΠ° ΠΈΠ»ΠΈ ΡΠ΅ΡΠΊΠΈ.
Π₯ΠΎΡΡ ΡΡΠΎ ΠΈ Π½Π΅ ΡΠ²Π»ΡΠ΅ΡΡΡ ΠΏΡΠ΅Π΄ΠΌΠ΅ΡΠΎΠΌ Π½Π°ΡΡΠΎΡΡΠ΅Π³ΠΎ ΠΈΡΡΠ»Π΅Π΄ΠΎΠ²Π°Π½ΠΈΡ, Π½Π°Π±Π»ΡΠ΄Π°Π»Π°ΡΡ Π·Π½Π°ΡΠΈΡΠ΅Π»ΡΠ½Π°Ρ Π²Π°ΡΠΈΠ°Π±Π΅Π»ΡΠ½ΠΎΡΡΡ Π² ΡΠΎΡΠΈΠ°Π»ΡΠ½ΡΡ ΠΈΡΡΠ»Π΅Π΄ΠΎΠ²Π°Π½ΠΈΡΡ ΠΊΡΡΡ, ΠΊΠΎΡΠΎΡΡΠ΅ ΠΏΠΎΠ»ΡΡΠ°Π»ΠΈ HC ΠΈΠ»ΠΈ IS Π²ΠΎ Π²ΡΠ΅ΠΌΡ ΠΊΠ°ΠΆΠ΄ΠΎΠΉ ΡΠ°Π·Ρ ΡΠ΅ΡΠΊΠΈ (Π΄ΠΈΡΡΡΡΡΡΠ°, ΠΏΡΠΎΡΡΡΡΡΡΠ°, ΡΠ΅ΡΠΊΠΈ) Π΄Π»Ρ ΡΠ°Π·Π½ΡΡ Π³ΡΡΠΏΠΏ Π»Π΅ΡΠ΅Π½ΠΈΡ. ΠΠ΄Π½Π°ΠΊΠΎ, ΡΡΠΈΡΡΠ²Π°Ρ Π½Π΅Π±ΠΎΠ»ΡΡΠΎΠ΅ ΠΊΠΎΠ»ΠΈΡΠ΅ΡΡΠ²ΠΎ ΡΡΠ±ΡΠ΅ΠΊΡΠΎΠ² Π΄Π»Ρ ΠΊΠ°ΠΆΠ΄ΠΎΠΉ ΡΡΠ°Π΄ΠΈΠΈ ΡΠ΅ΡΠΊΠΈ Π² ΠΊΠ°ΠΆΠ΄ΠΎΠΉ ΡΠΊΡΠΏΠ΅ΡΠΈΠΌΠ΅Π½ΡΠ°Π»ΡΠ½ΠΎΠΉ Π³ΡΡΠΏΠΏΠ΅, Π½Π΅Π²ΠΎΠ·ΠΌΠΎΠΆΠ½ΠΎ ΡΠ·Π½Π°ΡΡ, Π²Π»ΠΈΡΠ΅Ρ Π»ΠΈ ΡΡΠ°Π΄ΠΈΡ ΡΠ΅ΡΠΊΠΈ Π½Π° ΠΏΠΎΠΊΠ°Π·Π°ΡΠ΅Π»Ρ ΠΏΠΎΠ²Π΅Π΄Π΅Π½ΡΠ΅ΡΠΊΠΎΠ³ΠΎ ΡΠ΅Π·ΡΠ»ΡΡΠ°ΡΠ° (ΡΠΈΡ.6).
ΠΠ±ΡΡΠΆΠ΄Π΅Π½ΠΈΠ΅
ΠΠ°ΡΡΠΎΡΡΠ΅Π΅ ΠΈΡΡΠ»Π΅Π΄ΠΎΠ²Π°Π½ΠΈΠ΅ Π½Π°ΠΏΡΠ°Π²Π»Π΅Π½ΠΎ Π½Π° ΠΎΠΏΡΠ΅Π΄Π΅Π»Π΅Π½ΠΈΠ΅ ΡΠΎΠ³ΠΎ, ΠΏΡΠΈΡΡΡΡΡΠ²ΡΡΡ Π»ΠΈ ΠΏΡΠΎΡΠΈΠ»Π°ΠΊΡΠΈΡΠ΅ΡΠΊΠΈΠ΅ ΡΡΡΠ΅ΠΊΡΡ ΠΊΠ΅ΡΠ°ΠΌΠΈΠ½Π°, Π° ΡΠ°ΠΊΠΆΠ΅ Π½Π΅ΠΉΡΠΎΠ½Π½ΡΠ΅ ΠΌΠ΅Ρ Π°Π½ΠΈΠ·ΠΌΡ, ΠΊΠΎΡΠΎΡΡΠ΅ ΠΎΠΏΠΎΡΡΠ΅Π΄ΡΡΡ Π΅Π³ΠΎ ΡΡΡΠ΅ΠΊΡΡ, Ρ ΡΠ°ΠΌΠΎΠΊ ΠΊΡΡΡ Π°Π½Π°Π»ΠΎΠ³ΠΈΡΠ½ΠΎ ΡΠΎΠΌΡ, ΡΡΠΎ ΡΠ°Π½Π΅Π΅ Π±ΡΠ»ΠΎ ΠΎΡ Π°ΡΠ°ΠΊΡΠ΅ΡΠΈΠ·ΠΎΠ²Π°Π½ΠΎ Ρ ΡΠ°ΠΌΡΠΎΠ² ΠΊΡΡΡ ( ΠΠΌΠ°Ρ ΠΈ Π΄Ρ., 2016). Π’Π°ΠΊΠΈΠΌ ΠΎΠ±ΡΠ°Π·ΠΎΠΌ, ΠΌΡ ΠΎΡΠ΅Π½ΠΈΠ»ΠΈ ΡΠ°Π·Π»ΠΈΡΠ½ΡΠ΅ ΠΏΠΎΠ²Π΅Π΄Π΅Π½ΡΠ΅ΡΠΊΠΈΠ΅ ΠΈ Π½Π΅ΠΉΡΠΎΡ ΠΈΠΌΠΈΡΠ΅ΡΠΊΠΈΠ΅ ΠΊΠΎΠ½Π΅ΡΠ½ΡΠ΅ ΡΠΎΡΠΊΠΈ, ΠΊΠΎΡΠΎΡΡΠ΅ Π±ΡΠ»ΠΈ ΠΈΠ·ΡΡΠ΅Π½Ρ Π² ΠΏΡΠ΅Π΄ΡΠ΄ΡΡΠΈΡ ΠΈΡΡΠ»Π΅Π΄ΠΎΠ²Π°Π½ΠΈΡΡ , ΠΏΡΠΎΠ²Π΅Π΄Π΅Π½Π½ΡΡ Ρ ΠΈΡΠΏΠΎΠ»ΡΠ·ΠΎΠ²Π°Π½ΠΈΠ΅ΠΌ ΡΠ°ΠΌΡΠΎΠ² ΠΊΡΡΡ, Π² ΡΠΎ ΠΆΠ΅ Π²ΡΠ΅ΠΌΡ ΡΠ°ΡΡΠΈΡΠΈΠ² ΠΏΡΠ΅Π΄ΡΠ΄ΡΡΠΈΠ΅ ΡΡΠΈΠ»ΠΈΡ ΠΏΡΡΠ΅ΠΌ ΠΎΡΠ΅Π½ΠΊΠΈ ΠΊΠΎΠ½ΠΊΡΠ΅ΡΠ½ΡΡ Π½Π΅ΠΉΡΠΎΠ½Π½ΡΡ Π°Π½ΡΠ°ΠΌΠ±Π»Π΅ΠΉ ΠΈ ΡΠ΅ΠΏΠ΅ΠΉ, ΡΡΠ°ΡΡΠ²ΡΡΡΠΈΡ Π² ΡΡΡΠ΅ΠΊΡΠ°Ρ ΠΊΠ΅ΡΠ°ΠΌΠΈΠ½Π°.Π Π΅Π·ΡΠ»ΡΡΠ°ΡΡ Π½Π°ΡΡΠΎΡΡΠΈΡ ΡΠΊΡΠΏΠ΅ΡΠΈΠΌΠ΅Π½ΡΠΎΠ² ΠΏΡΠ΅Π΄ΠΎΡΡΠ°Π²Π»ΡΡΡ ΡΠ΅ΡΠΊΠΈΠ΅ Π΄ΠΎΠΊΠ°Π·Π°ΡΠ΅Π»ΡΡΡΠ²Π° ΡΠΎΠ³ΠΎ, ΡΡΠΎ ΠΎΠ΄Π½ΠΎΠΊΡΠ°ΡΠ½Π°Ρ ΠΈΠ½ΡΠ΅ΠΊΡΠΈΡ Π½ΠΈΠ·ΠΊΠΎΠΉ, Π½ΠΎ Π½Π΅ Π²ΡΡΠΎΠΊΠΎΠΉ Π΄ΠΎΠ·Ρ ΠΊΠ΅ΡΠ°ΠΌΠΈΠ½Π°, Π²Π²Π΅Π΄Π΅Π½Π½Π°Ρ Π·Π° Π½Π΅Π΄Π΅Π»Ρ Π΄ΠΎ Π½Π΅ΠΊΠΎΠ½ΡΡΠΎΠ»ΠΈΡΡΠ΅ΠΌΠΎΠ³ΠΎ ΡΡΡΠ΅ΡΡΠ° (IS), Π±Π»ΠΎΠΊΠΈΡΡΠ΅Ρ ΠΏΠΎΠ²Π΅Π΄Π΅Π½ΡΠ΅ΡΠΊΠΈΠ΅ ΡΡΡΠ΅ΠΊΡΡ IS Π½Π° JSE, ΠΈΠ·ΠΌΠ΅ΡΠ΅Π½Π½ΡΠ΅ ΡΠ΅ΡΠ΅Π· 24 ΡΠ°ΡΠ°. ΠΡΠΈ ΡΠ΅Π·ΡΠ»ΡΡΠ°ΡΡ ΡΠΎΠ³Π»Π°ΡΡΡΡΡΡ Ρ ΠΈΡΡΠ»Π΅Π΄ΠΎΠ²Π°Π½ΠΈΡΠΌΠΈ Π½Π°ΡΠ΅ΠΉ Π»Π°Π±ΠΎΡΠ°ΡΠΎΡΠΈΠΈ (Amat et al., 2016) ΠΈ Π΄ΡΡΠ³ΠΈΠΌΠΈ (Brachman et al., 2016; McGowan et al., 2017), Π΄Π΅ΠΌΠΎΠ½ΡΡΡΠΈΡΡΡΡΠΈΠΌΠΈ ΠΏΡΠΎΡΠΈΠ»Π°ΠΊΡΠΈΡΠ΅ΡΠΊΠΈΠ΅ ΡΡΡΠ΅ΠΊΡΡ ΠΊΠ΅ΡΠ°ΠΌΠΈΠ½Π° Ρ ΡΠ°ΠΌΡΠΎΠ² ΠΊΡΡΡ ΠΈ ΠΌΡΡΠ΅ΠΉ. Π’Π΅ΠΌ Π½Π΅ ΠΌΠ΅Π½Π΅Π΅, Π½Π°ΡΡΠΎΡΡΠ΅Π΅ ΠΈΡΡΠ»Π΅Π΄ΠΎΠ²Π°Π½ΠΈΠ΅ ΡΠ²Π»ΡΠ΅ΡΡΡ ΠΏΠ΅ΡΠ²ΡΠΌ Π² ΡΠ²ΠΎΠ΅ΠΌ ΡΠΎΠ΄Π΅, Π΄Π΅ΠΌΠΎΠ½ΡΡΡΠΈΡΡΡΡΠΈΠΌ ΠΏΡΠΎΡΠΈΠ»Π°ΠΊΡΠΈΠΊΡ ΠΊΠ΅ΡΠ°ΠΌΠΈΠ½ΠΎΠΌ Ρ ΡΠ°ΠΌΠΎΠΊ ΠΊΡΡΡ, ΠΈ ΠΏΡΠ΅Π΄ΠΏΠΎΠ»Π°Π³Π°Π΅Ρ, ΡΡΠΎ ΠΏΡΠΎΡΠΈΠ»Π°ΠΊΡΠΈΡΠ΅ΡΠΊΠΈΠ΅ ΡΡΡΠ΅ΠΊΡΡ ΠΊΠ΅ΡΠ°ΠΌΠΈΠ½Π° Π½Π° Π±ΠΎΠ»Π΅Π΅ ΠΏΠΎΠ·Π΄Π½ΠΈΠ΅ ΡΠ΅Π·ΡΠ»ΡΡΠ°ΡΡ ΡΡΡΠ΅ΡΡΠ° ΡΠ°ΡΠΏΡΠΎΡΡΡΠ°Π½ΡΡΡΡΡ Π½Π° ΠΎΠ±Π° ΠΏΠΎΠ»Π°.ΠΡΠΎ Π±ΡΠ»ΠΎ ΠΎΡΠΎΠ±Π΅Π½Π½ΠΎ Π²Π°ΠΆΠ½ΠΎ, ΠΏΠΎΡΠΊΠΎΠ»ΡΠΊΡ ΠΏΠΎΠ²Π΅Π΄Π΅Π½ΡΠ΅ΡΠΊΠΈΠΉ ΠΊΠΎΠ½ΡΡΠΎΠ»Ρ, ΠΊΠΎΡΠΎΡΡΠΉ ΠΈΠΌΠ΅Π΅Ρ ΡΡ ΠΎΠ΄ΡΡΠ²ΠΎ Ρ ΡΡΡΠ΅ΠΊΡΠ°ΠΌΠΈ ΠΊΠ΅ΡΠ°ΠΌΠΈΠ½Π°, Π½Π΅ Π·Π°ΡΠΈΡΠ°Π΅Ρ ΡΠ°ΠΌΠΎΠΊ ΠΊΡΡΡ (Baratta et al., 2018), ΠΏΠΎ ΠΊΡΠ°ΠΉΠ½Π΅ΠΉ ΠΌΠ΅ΡΠ΅, ΠΏΡΠΈ ΠΎΠ±ΡΡΠΎΡΡΠ΅Π»ΡΡΡΠ²Π°Ρ , ΠΈΠ΄Π΅Π½ΡΠΈΡΠ½ΡΡ ΡΠ΅ΠΌ, ΠΊΠΎΡΠΎΡΡΠ΅ ΠΈΡΠΏΠΎΠ»ΡΠ·ΡΡΡΡΡ Ρ ΡΠ°ΠΌΡΠΎΠ² (ΡΠΌ. ΠΠΈΠΆΠ΅).
ΠΠ½Π°ΡΠΈΡΠ΅Π»ΡΠ½ΡΠΉ ΠΎΠ±ΡΠ΅ΠΌ ΠΈΡΡΠ»Π΅Π΄ΠΎΠ²Π°Π½ΠΈΠΉ, ΠΏΡΠΎΠ²Π΅Π΄Π΅Π½Π½ΡΡ Π² ΠΎΡΠ½ΠΎΠ²Π½ΠΎΠΌ Π½Π° ΡΠ°ΠΌΡΠ°Ρ Π³ΡΡΠ·ΡΠ½ΠΎΠ², ΡΠΊΠ°Π·ΡΠ²Π°Π΅Ρ Π½Π° ΡΠΎ, ΡΡΠΎ ΠΈΠ·ΠΌΠ΅Π½Π΅Π½ΠΈΡ ΠΏΠΎΠ²Π΅Π΄Π΅Π½ΠΈΡ, Π²ΡΠ·ΡΠ²Π°Π΅ΠΌΡΠ΅ ΠΠ, Π²ΠΊΠ»ΡΡΠ°Ρ ΡΠ½ΠΈΠΆΠ΅Π½ΠΈΠ΅ ΡΡΠΎΠ²Π½Ρ JSE, ΠΎΠΏΠΎΡΡΠ΅Π΄ΡΡΡΡΡ Π°ΠΊΡΠΈΠ²Π°ΡΠΈΠ΅ΠΉ ΡΡΠ΅Π΄Π½Π΅Π³ΠΎ ΠΈ ΠΊΠ°ΡΠ΄Π°Π»ΡΠ½ΠΎΠ³ΠΎ 5-HT DRN ΠΈ ΠΏΠΎΡΠ»Π΅Π΄ΡΡΡΠΈΠΌ Π²ΡΡΠ²ΠΎΠ±ΠΎΠΆΠ΄Π΅Π½ΠΈΠ΅ΠΌ 5-HT Π² ΡΠ°ΠΊΠΈΠ΅ ΠΎΠ±Π»Π°ΡΡΠΈ ΠΌΠΎΠ·Π³Π°, ΠΊΠ°ΠΊ ΠΊΠ°ΠΊ BLA (Takase et al., 2004; Amat et al., 2008; ΠΡΠΈΡΡΠΈΠ°Π½ΡΠΎΠ½ ΠΈ Π΄Ρ., 2010; Dolzani et al., 2016). ΠΡΠ° ΠΈΠ½ΡΠ΅Π½ΡΠΈΠ²Π½Π°Ρ Π°ΠΊΡΠΈΠ²Π°ΡΠΈΡ DRN Π½Π΅ΠΎΠ±Ρ ΠΎΠ΄ΠΈΠΌΠ° (Maier et al., 1993, 1994, 1995) ΠΈ Π΄ΠΎΡΡΠ°ΡΠΎΡΠ½Π° (Maier et al., 1995) Π΄Π»Ρ ΠΏΠΎΠ²Π΅Π΄Π΅Π½ΡΠ΅ΡΠΊΠΈΡ ΠΈΠ·ΠΌΠ΅Π½Π΅Π½ΠΈΠΉ, ΡΠ²ΡΠ·Π°Π½Π½ΡΡ Ρ IS. Π’Π°ΠΊΠΈΠΌ ΠΎΠ±ΡΠ°Π·ΠΎΠΌ, ΠΌΡ ΡΡΡΠ΅ΠΌΠΈΠ»ΠΈΡΡ ΠΎΠΏΡΠ΅Π΄Π΅Π»ΠΈΡΡ, Π±ΡΠ΄Π΅Ρ Π»ΠΈ ΠΊΠ΅ΡΠ°ΠΌΠΈΠ½, Π²Π²Π΅Π΄Π΅Π½Π½ΡΠΉ ΠΏΠ΅ΡΠ΅Π΄ ΠΠ, ΡΠΌΡΠ³ΡΠ°ΡΡ Π°ΠΊΡΠΈΠ²Π°ΡΠΈΡ DRN, ΠΎΠ±ΡΡΠ½ΠΎ ΡΠ²ΡΠ·Π°Π½Π½ΡΡ Ρ Π²ΠΎΠ·Π΄Π΅ΠΉΡΡΠ²ΠΈΠ΅ΠΌ ΠΠ. ΠΠ΅ΠΉΡΡΠ²ΠΈΡΠ΅Π»ΡΠ½ΠΎ, ΠΎΠ΄Π½ΠΎΠΊΡΠ°ΡΠ½Π°Ρ ΠΈΠ½ΡΠ΅ΠΊΡΠΈΡ ΠΊΠ΅ΡΠ°ΠΌΠΈΠ½Π° Π·Π° Π½Π΅Π΄Π΅Π»Ρ Π΄ΠΎ ΠΠ Π·Π½Π°ΡΠΈΡΠ΅Π»ΡΠ½ΠΎ ΡΠ½ΠΈΠ·ΠΈΠ»Π° Π²ΡΠ·Π²Π°Π½Π½ΡΡ ΡΡΡΠ΅ΡΡΠΎΠΌ Π°ΠΊΡΠΈΠ²Π°ΡΠΈΡ ΡΠΎΡΡΡΠ°Π»ΡΠ½ΠΎΠ³ΠΎ ΠΈ ΡΡΠ΅Π΄Π½Π΅Π³ΠΎ DRN.Π₯ΠΎΡΡ ΡΡΠΎ ΠΈ Π½Π΅ ΡΠ²Π»ΡΠ΅ΡΡΡ ΡΠΎΠΊΡΡΠΎΠΌ Π½Π°ΡΡΠΎΡΡΠΈΡ ΡΠΊΡΠΏΠ΅ΡΠΈΠΌΠ΅Π½ΡΠΎΠ², Π²ΠΎΠ·ΠΌΠΎΠΆΠ½ΠΎ, ΡΡΠΎ ΡΠ°Π·Π»ΠΈΡΠΈΡ Π² Π°ΠΊΡΠΈΠ²Π°ΡΠΈΠΈ ΡΡΠ±ΡΠ΅Π³ΠΈΠΎΠ½Π° DRN ΠΌΠ΅ΠΆΠ΄Ρ ΠΈΡΡΠ»Π΅Π΄ΠΎΠ²Π°Π½ΠΈΡΠΌΠΈ ΠΆΠ΅Π½ΡΠΈΠ½ ΠΈ ΠΌΡΠΆΡΠΈΠ½ ΡΠ²ΡΠ·Π°Π½Ρ Ρ ΠΏΠΎΠ»ΠΎΠ²ΡΠΌΠΈ ΡΠ°Π·Π»ΠΈΡΠΈΡΠΌΠΈ Π² Π°Π½Π°ΡΠΎΠΌΠΈΠΈ DRN. Π ΡΠΎ Π²ΡΠ΅ΠΌΡ ΠΊΠ°ΠΊ ΠΆΠ΅Π½ΡΠΈΠ½Ρ, ΠΊΠ°ΠΊ ΡΠΎΠΎΠ±ΡΠ°Π΅ΡΡΡ, ΠΈΠΌΠ΅ΡΡ Π±ΠΎΠ»Π΅Π΅ Π²ΡΡΠΎΠΊΠΈΠ΅ Π±Π°Π·Π°Π»ΡΠ½ΡΠ΅ ΠΈ Π²ΡΠ·Π²Π°Π½Π½ΡΠ΅ ΡΡΡΠ΅ΡΡΠΎΠΌ ΡΡΠΎΠ²Π½ΠΈ 5-HT (DomΓnguez et al., 2003; Mitsushima et al., 2006; Staiti et al., 2011), ΠΏΠΎΠ»ΠΎΠ²ΡΠ΅ ΡΠ°Π·Π»ΠΈΡΠΈΡ Π² Π°Π½Π°ΡΠΎΠΌΠΈΠΈ DRN ΠΌΠ°Π»ΠΎ ΠΈΠ·ΡΡΠ΅Π½Ρ. ΠΠ΅ΠΉΡΡΠ²ΠΈΡΠ΅Π»ΡΠ½ΠΎ, ΠΎΠ΄Π½ΠΈΠΌ ΠΈΠ· ΠΎΠ³ΡΠ°Π½ΠΈΡΠ΅Π½ΠΈΠΉ Π½Π°ΡΡΠΎΡΡΠΈΡ ΡΠΊΡΠΏΠ΅ΡΠΈΠΌΠ΅Π½ΡΠΎΠ² ΡΠ²Π»ΡΠ΅ΡΡΡ ΠΈΡΠΏΠΎΠ»ΡΠ·ΠΎΠ²Π°Π½ΠΈΠ΅ Fos Π² ΠΊΠ°ΡΠ΅ΡΡΠ²Π΅ Π΅Π΄ΠΈΠ½ΡΡΠ²Π΅Π½Π½ΠΎΠ³ΠΎ ΠΌΠ°ΡΠΊΠ΅ΡΠ° Π°ΠΊΡΠΈΠ²Π°ΡΠΈΠΈ DRN 5-HT.ΠΠ΅ΠΉΡΡΠ²ΠΈΡΠ΅Π»ΡΠ½ΠΎ, Fos — ΡΡΠΎ ΡΠ°Π½Π½ΠΈΠΉ Π³Π΅Π½, ΠΊΠΎΡΠΎΡΡΠΉ ΠΈΡΠΏΠΎΠ»ΡΠ·ΡΠ΅ΡΡΡ Π΄Π»Ρ ΠΎΠ±Π½Π°ΡΡΠΆΠ΅Π½ΠΈΡ Π½Π΅Π΄Π°Π²Π½ΠΎ Π°ΠΊΡΠΈΠ²ΠΈΡΠΎΠ²Π°Π½Π½ΡΡ Π½Π΅ΠΉΡΠΎΠ½ΠΎΠ² (Sheng et al., 1990), Π½ΠΎ Π² ΠΎΡΠ»ΠΈΡΠΈΠ΅ ΠΎΡ ΠΌΠΈΠΊΡΠΎΠ΄ΠΈΠ°Π»ΠΈΠ·Π° in vivo , Π³Π΄Π΅ ΠΌΠΎΠΆΠ½ΠΎ Π½Π°ΠΏΡΡΠΌΡΡ ΠΈΠ·ΠΌΠ΅ΡΠΈΡΡ Π²Π½Π΅ΠΊΠ»Π΅ΡΠΎΡΠ½ΡΠΉ 5-HT, Fos ΡΠ»ΡΠΆΠΈΡ Π·Π°ΠΌΠ΅ΡΡΠΈΡΠ΅Π»Π΅ΠΌ Π΄Π»Ρ DRN 5- ΠΠΊΡΠΈΠ²Π°ΡΠΈΡ HT. Π’Π΅ΠΌ Π½Π΅ ΠΌΠ΅Π½Π΅Π΅, ΡΠ΅Π·ΡΠ»ΡΡΠ°ΡΡ ΡΠΊΡΠΏΠ΅ΡΠΈΠΌΠ΅Π½ΡΠΎΠ² Ρ Π΄Π²ΠΎΠΉΠ½ΠΎΠΉ ΠΌΠ΅ΡΠΊΠΎΠΉ ΠΠΠ₯ ΡΠ±Π΅Π΄ΠΈΡΠ΅Π»ΡΠ½ΠΎ ΡΠ²ΠΈΠ΄Π΅ΡΠ΅Π»ΡΡΡΠ²ΡΡΡ ΠΎ ΡΠΎΠΌ, ΡΡΠΎ ΠΏΡΠ΅Π΄ΡΠ΅ΡΡΠ²ΡΡΡΠΈΠΉ ΠΊΠ΅ΡΠ°ΠΌΠΈΠ½ ΡΠ½ΠΈΠΆΠ°Π΅Ρ Π°ΠΊΡΠΈΠ²Π°ΡΠΈΡ DRN 5-HT Π²ΠΎ Π²ΡΠ΅ΠΌΡ ΡΡΡΠ΅ΡΡΠ°.
ΠΠ°ΠΊ ΡΠΆΠ΅ ΠΎΡΠΌΠ΅ΡΠ°Π»ΠΎΡΡ, Π·Π΄Π΅ΡΡ ΠΌΡ ΠΏΠΎΠΊΠ°Π·Π°Π»ΠΈ, ΡΡΠΎ ΠΊΠ΅ΡΠ°ΠΌΠΈΠ½ ΠΎΡΠ»Π°Π±Π»ΡΠ΅Ρ Π½Π΅ΠΉΡΠΎΡ ΠΈΠΌΠΈΡΠ΅ΡΠΊΠΈΠ΅ ΠΈ ΠΏΠΎΠ²Π΅Π΄Π΅Π½ΡΠ΅ΡΠΊΠΈΠ΅ ΠΏΠΎΡΠ»Π΅Π΄ΡΡΠ²ΠΈΡ ΠΠ ΠΏΡΠΈ Π²Π²Π΅Π΄Π΅Π½ΠΈΠΈ Π·Π° Π½Π΅Π΄Π΅Π»Ρ Π΄ΠΎ Π²ΠΎΠ·Π΄Π΅ΠΉΡΡΠ²ΠΈΡ ΡΡΡΠ΅ΡΡΠΎΡΠ°.ΠΠ° ΡΠ΅Π³ΠΎΠ΄Π½ΡΡΠ½ΠΈΠΉ Π΄Π΅Π½Ρ Π½ΠΈΠΊΠ°ΠΊΠΈΠ΅ Π΄ΡΡΠ³ΠΈΠ΅ ΠΌΠ°Π½ΠΈΠΏΡΠ»ΡΡΠΈΠΈ Π½Π΅ ΠΏΡΠΎΠ΄Π΅ΠΌΠΎΠ½ΡΡΡΠΈΡΠΎΠ²Π°Π»ΠΈ ΡΠΏΠΎΡΠΎΠ±Π½ΠΎΡΡΠΈ Π²ΡΠ·ΡΠ²Π°ΡΡ ΡΡΠΈ ΡΡΡΠ΅ΠΊΡΡ Ρ ΡΠ°ΠΌΠΎΠΊ ΠΊΡΡΡ. ΠΠ±ΡΠΈΡΠ½ΡΠΉ ΠΎΠ±ΡΠ΅ΠΌ ΡΠ°Π±ΠΎΡ ΠΏΠΎΠΊΠ°Π·Π°Π», ΡΡΠΎ ΠΏΠΎΠ²Π΅Π΄Π΅Π½ΡΠ΅ΡΠΊΠΈΠΉ ΠΊΠΎΠ½ΡΡΠΎΠ»Ρ Π½Π°Π΄ ΡΡΡΠ΅ΡΡΠΎΡΠΎΠΌ ΠΏΡΠ΅Π΄ΠΎΡΠ²ΡΠ°ΡΠ°Π΅Ρ Π½Π΅ΠΉΡΠΎΡ ΠΈΠΌΠΈΡΠ΅ΡΠΊΠΈΠ΅ ΠΈ ΠΏΠΎΠ²Π΅Π΄Π΅Π½ΡΠ΅ΡΠΊΠΈΠ΅ ΡΡΡΠ΅ΠΊΡΡ ΡΡΡΠ΅ΡΡΠΎΡΠ° Ρ ΡΠ°ΠΌΡΠΎΠ² ΠΊΡΡΡ (ΡΠΌ. ΠΠ±Π·ΠΎΡ Maier et al., 2015). Π£Π΄ΠΈΠ²ΠΈΡΠ΅Π»ΡΠ½ΠΎ, Π½ΠΎ Π·Π°ΡΠΈΡΠ½ΡΠ΅ ΡΡΡΠ΅ΠΊΡΡ ΠΏΠΎΠ²Π΅Π΄Π΅Π½ΡΠ΅ΡΠΊΠΎΠ³ΠΎ ΠΊΠΎΠ½ΡΡΠΎΠ»Ρ ΠΎΡΡΡΡΡΡΠ²ΡΡΡ Ρ ΡΠ°ΠΌΠΎΠΊ ΠΊΡΡΡ (Baratta et al., Π ΠΏΠ΅ΡΠ°ΡΠΈ). ΠΡΡΠ΅ΠΊΡΡ ΡΡΡΠ΅ΡΡ-Π±ΡΡΠ΅ΡΠΈΠ·Π°ΡΠΈΠΈ ΠΏΠΎΠ²Π΅Π΄Π΅Π½ΡΠ΅ΡΠΊΠΎΠ³ΠΎ ΠΊΠΎΠ½ΡΡΠΎΠ»Ρ, Π½Π°Π±Π»ΡΠ΄Π°Π΅ΠΌΡΠ΅ Ρ ΡΠ°ΠΌΡΠΎΠ² ΠΊΡΡΡ, Π±ΡΠ»ΠΈ ΠΈΠ·ΡΡΠ΅Π½Ρ Π² ΡΠ°ΠΌΠΊΠ°Ρ ΠΏΠ°ΡΠ°Π΄ΠΈΠ³ΠΌΡ, Π² ΠΊΠΎΡΠΎΡΠΎΠΉ ΠΊΡΡΡΠ°ΠΌ ΠΎΠ±Π΅ΡΠΏΠ΅ΡΠΈΠ²Π°Π΅ΡΡΡ ΠΊΠΎΠ½ΡΡΠΎΠ»ΠΈΡΡΡΡΠ°Ρ ΡΠ΅Π°ΠΊΡΠΈΡ (ΠΏΠΎΠ²ΠΎΡΠΎΡ ΠΊΠΎΠ»Π΅ΡΠ°) Π½Π° ΠΏΡΠ΅ΠΊΡΠ°ΡΠ΅Π½ΠΈΠ΅ ΡΠ΄Π°ΡΠΎΠ² Ρ Π²ΠΎΡΡΠΎΠΌ (ΡΡΠΊΠΎΠ»ΡΠ·Π°ΡΡΠΈΠΉ ΡΠ΄Π°Ρ Ρ Π²ΠΎΡΡΠΎΠΌ; ES).ΠΡΠ΄Π΅Π»ΡΠ½Π°Ρ Π³ΡΡΠΏΠΏΠ° ΠΊΡΡΡ ΠΏΠΎΠ»ΡΡΠ°Π΅Ρ ΠΈΠ΄Π΅Π½ΡΠΈΡΠ½ΡΡ ΡΠ΅ΡΠΈΡ ΡΠ΄Π°ΡΠΎΠ² Ρ Π²ΠΎΡΡΠΎΠΌ, Π·Π°ΠΏΡΡΠΆΠ΅Π½Π½ΡΡ ΠΊΠΎΡΠΎΠΌΡΡΠ»ΠΎΠΌ, ΠΎΠ΄Π½Π°ΠΊΠΎ ΠΎΠ½ΠΈ Π½Π΅ ΠΌΠΎΠ³ΡΡ ΠΊΠΎΠ½ΡΡΠΎΠ»ΠΈΡΠΎΠ²Π°ΡΡ ΠΊΠ°ΠΊΠΎΠΉ-Π»ΠΈΠ±ΠΎ Π°ΡΠΏΠ΅ΠΊΡ ΡΠ΄Π°ΡΠ° Ρ Π²ΠΎΡΡΠΎΠΌ (IS). ΠΠΎΠ²Π΅Π΄Π΅Π½ΡΠ΅ΡΠΊΠΈΠΉ ΠΊΠΎΠ½ΡΡΠΎΠ»Ρ ΠΏΡΠΈΡΡΠΏΠ»ΡΠ΅Ρ Π°ΠΊΡΠΈΠ²Π°ΡΠΈΡ DRN Π²ΠΎ Π²ΡΠ΅ΠΌΡ ΠΊΠΎΠ½ΡΡΠΎΠ»ΠΈΡΡΠ΅ΠΌΠΎΠ³ΠΎ ΡΡΡΠ΅ΡΡΠΎΡΠ° ΠΈ ΠΏΡΠ΅Π΄ΠΎΡΠ²ΡΠ°ΡΠ°Π΅Ρ Π²ΡΠ·Π²Π°Π½Π½ΡΠ΅ ΡΡΡΠ΅ΡΡΠΎΠΌ ΠΏΠΎΠ²Π΅Π΄Π΅Π½ΡΠ΅ΡΠΊΠΈΠ΅ ΡΡΡΠ΅ΠΊΡΡ, ΠΎΠ±ΡΡΠ½ΠΎ ΠΈΠ·ΠΌΠ΅ΡΡΠ΅ΠΌΡΠ΅ ΡΠ΅ΡΠ΅Π· 24 ΡΠ°ΡΠ°. ΠΠ°ΠΊ ΠΎΠΏΠΈΡΠ°Π½ΠΎ ΡΠ°Π½Π΅Π΅, ΠΏΠΎΠ²Π΅Π΄Π΅Π½ΡΠ΅ΡΠΊΠΈΠ΅ ΡΡΡΠ΅ΠΊΡΡ IS ΡΠ²Π»ΡΡΡΡΡ ΡΠ΅Π·ΡΠ»ΡΡΠ°ΡΠΎΠΌ Π°ΠΊΡΠΈΠ²Π°ΡΠΈΠΈ DRN ΠΈ Π²ΡΡΠ²ΠΎΠ±ΠΎΠΆΠ΄Π΅Π½ΠΈΡ 5-HT Π² ΠΎΠ±Π»Π°ΡΡΠΈ ΠΏΡΠΎΠ΅ΠΊΡΠΈΠΈ, ΠΊΠΎΡΠΎΡΡΠ΅ ΡΠ²Π»ΡΡΡΡΡ ΠΏΡΠΎΠΊΡΠΈΠΌΠ°Π»ΡΠ½ΡΠΌΠΈ ΠΌΠ΅Π΄ΠΈΠ°ΡΠΎΡΠ°ΠΌΠΈ ΠΏΠΎΠ²Π΅Π΄Π΅Π½ΠΈΡ, ΡΠ²ΡΠ·Π°Π½Π½ΠΎΠ³ΠΎ ΡΠΎ ΡΡΡΠ΅ΡΡΠΎΡΠΎΠΌ (Grahn et al., 2000; Takase et al., 2004; Amat et al., 2008; ΠΡΠΈΡΡΠΈΠ°Π½ΡΠΎΠ½ ΠΈ Π΄Ρ., 2010; Dolzani et al., 2016). Π£ ΡΠ°ΠΌΡΠΎΠ² ΠΊΡΡΡ ΠΊΠΎΠ½ΡΡΠΎΠ»Ρ Π·Π° ΠΏΠΎΠ²Π΅Π΄Π΅Π½ΠΈΠ΅ΠΌ Π°ΠΊΡΠΈΠ²ΠΈΡΡΠ΅Ρ Π½Π΅ΠΉΡΠΎΠ½Ρ Π² Π³Π»ΡΠ±ΠΎΠΊΠΈΡ ΡΠ»ΠΎΡΡ (V / VI) PL mPFC, ΠΊΠΎΡΠΎΡΡΠ΅ ΠΏΡΠ΅ΠΈΠΌΡΡΠ΅ΡΡΠ²Π΅Π½Π½ΠΎ ΡΠΈΠ½Π°ΠΏΡΡ Π½Π° ΠΠΠΠΠ΅ΡΠ³ΠΈΡΠ΅ΡΠΊΠΈΠ΅ ΠΈΠ½ΡΠ΅ΡΠ½Π΅ΠΉΡΠΎΠ½Ρ Π² DRN (HajΓ³s et al., 1998; Jankowski and Sesack, 2004; GonΓ§alves et al. , 2009). Π’Π°ΠΊΠΈΠΌ ΠΎΠ±ΡΠ°Π·ΠΎΠΌ, ΡΠΈΡΡΡΠΉ ΡΡΡΠ΅ΠΊΡ Π°ΠΊΡΠΈΠ²Π°ΡΠΈΠΈ ΠΏΡΡΠΈ PL-DRN Π·Π°ΠΊΠ»ΡΡΠ°Π΅ΡΡΡ Π² ΡΠ½ΠΈΠΆΠ΅Π½ΠΈΠΈ Π²ΡΡΠ²ΠΎΠ±ΠΎΠΆΠ΄Π΅Π½ΠΈΡ DRN 5-HT ΠΈ Π±Π»ΠΎΠΊΠ°Π΄Π΅ ΠΏΠΎΠ²Π΅Π΄Π΅Π½ΡΠ΅ΡΠΊΠΈΡ ΡΡΡΠ΅ΠΊΡΠΎΠ², ΡΠ²ΡΠ·Π°Π½Π½ΡΡ Ρ Π²ΠΎΠ·Π΄Π΅ΠΉΡΡΠ²ΠΈΠ΅ΠΌ ΡΡΡΠ΅ΡΡΠΎΡΠ° (Amat et al., 2005). ΠΡΠΎΠΌΠ΅ ΡΠΎΠ³ΠΎ, ΠΎΠΏΡΡ ΠΈΡΠΏΠΎΠ»ΡΠ·ΠΎΠ²Π°Π½ΠΈΡ ES ΠΏΡΠ΅Π΄ΠΎΡΠ²ΡΠ°ΡΠ°Π΅Ρ Π°ΠΊΡΠΈΠ²Π°ΡΠΈΡ DRN ΠΈ ΠΏΠΎΠ²Π΅Π΄Π΅Π½ΡΠ΅ΡΠΊΠΈΠ΅ ΡΡΡΠ΅ΠΊΡΡ Π²ΠΎΠ·Π΄Π΅ΠΉΡΡΠ²ΠΈΡ IS ΠΈΠ»ΠΈ Π΄ΡΡΠ³ΠΎΠ³ΠΎ ΡΡΡΠ΅ΡΡΠΎΡΠ°, ΡΠ°ΠΊΠΎΠ³ΠΎ ΠΊΠ°ΠΊ ΡΠΎΡΠΈΠ°Π»ΡΠ½ΠΎΠ΅ ΠΏΠΎΡΠ°ΠΆΠ΅Π½ΠΈΠ΅ ΡΠ΅ΡΠ΅Π· Π½Π΅Π΄Π΅Π»Ρ (Amat et al., 2006; Amat et al., 2010). Π£Π΄ΠΈΠ²ΠΈΡΠ΅Π»ΡΠ½ΠΎ, Π½ΠΎ ΠΏΠΎΠ²Π΅Π΄Π΅Π½ΡΠ΅ΡΠΊΠΈΠΉ ΠΊΠΎΠ½ΡΡΠΎΠ»Ρ Π½Π΅ ΠΌΠΎΠΆΠ΅Ρ Π°ΠΊΡΠΈΠ²ΠΈΡΠΎΠ²Π°ΡΡ ΠΏΡΡΡ PL-DRN Ρ ΠΆΠ΅Π½ΡΠΈΠ½, ΠΈ ΠΏΠΎΡΡΠΎΠΌΡ DRN-ΠΎΠΏΠΎΡΡΠ΅Π΄ΠΎΠ²Π°Π½Π½ΡΠ΅ ΠΏΠΎΠ²Π΅Π΄Π΅Π½ΡΠ΅ΡΠΊΠΈΠ΅ ΠΈΡΡ ΠΎΠ΄Ρ Π½Π΅ ΠΏΡΠ΅Π΄ΠΎΡΠ²ΡΠ°ΡΠ°ΡΡΡΡ (Baratta et al., 2018). Π£ ΡΠ°ΠΌΡΠΎΠ² ΠΊΡΡΡ Π·Π°ΡΠΈΡΠ°, ΠΎΠ±Π΅ΡΠΏΠ΅ΡΠΈΠ²Π°Π΅ΠΌΠ°Ρ ΠΠ‘ ΠΏΡΠΎΡΠΈΠ² Π²ΠΎΠ·Π΄Π΅ΠΉΡΡΠ²ΠΈΡ Π±ΠΎΠ»Π΅Π΅ ΠΏΠΎΠ·Π΄Π½ΠΈΡ Π½Π΅ΠΊΠΎΠ½ΡΡΠΎΠ»ΠΈΡΡΠ΅ΠΌΡΡ ΡΡΡΠ΅ΡΡΠΎΡΠΎΠ², Π²ΡΠ·Π²Π°Π½Π° ΠΈΠ·ΠΌΠ΅Π½Π΅Π½ΠΈΠ΅ΠΌ ΡΠΎΡΡΠΎΡΠ½ΠΈΡ Π½Π΅ΠΉΡΠΎΠ½ΠΎΠ² PL, ΠΏΡΠΎΠ΅ΠΊΡΠΈΡΡΡΡΠΈΡ DRN, ΠΏΡΠΎΠΈΠ·Π²Π΅Π΄Π΅Π½Π½ΡΡ ΠΈΡΡ ΠΎΠ΄Π½ΠΎΠΉ ES, ΡΠ°ΠΊ ΡΡΠΎ Π±ΠΎΠ»Π΅Π΅ ΠΏΠΎΠ·Π΄Π½ΠΈΠΉ ΠΎΠΏΡΡ Ρ IS ΡΠ΅ΠΏΠ΅ΡΡ Π°ΠΊΡΠΈΠ²ΠΈΡΡΠ΅Ρ ΠΏΡΡΡ PL-DRN (Baratta ΠΈ Π΄ΡΡΠ³ΠΈΠ΅., 2009). ΠΠ΅Π΄Π°Π²Π½ΠΎ Π±ΡΠ»ΠΎ ΡΠ°ΠΊΠΆΠ΅ ΠΏΠΎΠΊΠ°Π·Π°Π½ΠΎ, ΡΡΠΎ ΠΏΠΎΠ²Π΅Π΄Π΅Π½ΡΠ΅ΡΠΊΠΈΠΉ ΠΊΠΎΠ½ΡΡΠΎΠ»Ρ Π²ΡΠ·ΡΠ²Π°Π΅Ρ ΠΏΠ»Π°ΡΡΠΈΡΠ½ΠΎΡΡΡ Π½Π΅ΠΉΡΠΎΠ½ΠΎΠ² Π³Π»ΡΠ±ΠΎΠΊΠΎΠ³ΠΎ ΡΠ»ΠΎΡ (V / VI) PL, ΠΊΠΎΡΠΎΡΡΠ΅ Π°Π½Π°ΡΠΎΠΌΠΈΡΠ΅ΡΠΊΠΈ ΡΠ°ΡΠΏΠΎΠ»ΠΎΠΆΠ΅Π½Ρ, ΡΡΠΎΠ±Ρ ΠΏΡΠ΅Π΄ΠΎΡΠ²ΡΠ°ΡΠΈΡΡ Π°ΠΊΡΠΈΠ²Π°ΡΠΈΡ DRN (HajΓ³s et al., 1998; Varela et al., 2012; Amat et al., 2014). ΠΠΎΠ»Π΅Π΅ ΡΠΎΠ³ΠΎ, Π±Π»ΠΎΠΊΠ°Π΄Π° ΠΏΠ»Π°ΡΡΠΈΡΠ½ΠΎΡΡΠΈ Π²Π½ΡΡΡΠΈ PL ΠΈΠ½Π³ΠΈΠ±ΠΈΡΠΎΡΠ°ΠΌΠΈ ΡΠΈΠ½ΡΠ΅Π·Π° Π±Π΅Π»ΠΊΠ°, APV ΠΈ ΠΈΠ½Π³ΠΈΠ±ΠΈΡΠΎΡΠ°ΠΌΠΈ ERK ΠΏΠ΅ΡΠ΅Π΄ ES ΠΏΡΠ΅Π΄ΠΎΡΠ²ΡΠ°ΡΠ°Π΅Ρ Π·Π°ΡΠΈΡΡ ES ΠΎΡ ΠΏΠΎΠ²Π΅Π΄Π΅Π½ΡΠ΅ΡΠΊΠΈΡ ΡΡΡΠ΅ΠΊΡΠΎΠ² Π±ΠΎΠ»Π΅Π΅ ΠΏΠΎΠ·Π΄Π½Π΅Π³ΠΎ IS (Amat et al., 2006; Amat et al., 2014; Christianson et al. ., 2014). Π‘Π»Π΅Π΄ΡΠ΅Ρ ΠΎΡΠΌΠ΅ΡΠΈΡΡ, ΡΡΠΎ ΡΡΡΠ΅ΠΊΡΡ ΠΊΠ΅ΡΠ°ΠΌΠΈΠ½Π° Π² Π½ΠΈΠ·ΠΊΠΈΡ Π΄ΠΎΠ·Π°Ρ ΠΎΡΠ»ΠΈΡΠ°ΡΡΡΡ ΠΎΡ ΡΡΡΠ΅ΠΊΡΠΎΠ² Π΄ΡΡΠ³ΠΈΡ Π°Π½ΡΠ°Π³ΠΎΠ½ΠΈΡΡΠΎΠ² ΡΠ΅ΡΠ΅ΠΏΡΠΎΡΠΎΠ² NMDA, ΡΠ°ΠΊΠΈΡ ΠΊΠ°ΠΊ APV (Π΄Π»Ρ ΠΎΠ±Π·ΠΎΡΠ° ΡΠΌ. Abdallah et al., 2015) .β
ΠΠΎΠ΄ΠΎΠ±Π½ΠΎ ΡΡΡΠ΅ΠΊΡΠ°ΠΌ ΠΊΠΎΠ½ΡΡΠΎΠ»Ρ ΠΏΠΎΠ²Π΅Π΄Π΅Π½ΠΈΡ Ρ ΡΠ°ΠΌΡΠΎΠ² ΠΊΡΡΡ, ΠΎΠ΄Π½ΠΎΠΊΡΠ°ΡΠ½Π°Ρ ΡΡΠ±Π°Π½Π΅ΡΡΠ΅ΡΠΈΡΠ΅ΡΠΊΠ°Ρ ΠΈΠ½ΡΠ΅ΠΊΡΠΈΡ ΠΊΠ΅ΡΠ°ΠΌΠΈΠ½Π° ΡΡΠΈΠ»ΠΈΠ²Π°Π΅Ρ ΡΠΈΠ½Π°ΠΏΡΠΈΡΠ΅ΡΠΊΡΡ ΠΏΠ»Π°ΡΡΠΈΡΠ½ΠΎΡΡΡ Π² ΡΠ»ΠΎΠ΅ V PL (Li et al., 2010) ΠΈ ΠΏΡΠ΅Π΄ΠΎΡΠ²ΡΠ°ΡΠ°Π΅Ρ (Li et al., 2010; Amat et al., 2016; Brachman et al., 2016; McGowan et al., 2017) ΠΈ ΠΎΠ±ΡΠ°ΡΠ°Π΅Ρ Π²ΡΠΏΡΡΡ (Li et al., 2011) ΡΡΡΠ΅ΠΊΡΡ Π²ΠΎΠ·Π΄Π΅ΠΉΡΡΠ²ΠΈΡ ΡΡΡΠ΅ΡΡΠΎΡΠ°. ΠΡΠΎΠΌΠ΅ ΡΠΎΠ³ΠΎ, ΠΊΠ΅ΡΠ°ΠΌΠΈΠ½, Π΄ΠΎΡΡΠ°Π²Π»ΡΠ΅ΠΌΡΠΉ ΡΠ°ΠΌΡΠ°ΠΌ ΠΊΡΡΡ, Π²ΡΠ·ΡΠ²Π°Π΅Ρ Π°ΠΊΡΠΈΠ²Π°ΡΠΈΡ PL Fos (Fuchikami et al., 2015; Amat et al., 2016) ΠΈ ΠΈΠ·ΠΌΠ΅Π½ΡΠ΅Ρ Π½Π΅ΠΉΡΠΎΠ½Ρ PL-DRN, ΡΠ°ΠΊ ΡΡΠΎ ΠΎΠΏΡΡ Ρ IS ΡΠ΅ΠΏΠ΅ΡΡ Π°ΠΊΡΠΈΠ²ΠΈΡΡΠ΅Ρ ΡΡΠΎΡ ΠΏΡΡΡ (Amat et al., 2016). Π£ΡΠΈΡΡΠ²Π°Ρ ΡΡ ΠΎΠ΄ΡΡΠ²ΠΎ ΠΌΠ΅ΠΆΠ΄Ρ ΡΡΡΠ΅ΠΊΡΠ°ΠΌΠΈ ΠΏΠΎΠ²Π΅Π΄Π΅Π½ΡΠ΅ΡΠΊΠΎΠ³ΠΎ ΠΊΠΎΠ½ΡΡΠΎΠ»Ρ ΠΈ ΠΊΠ΅ΡΠ°ΠΌΠΈΠ½Π° Π½Π° Π±ΠΎΠ»Π΅Π΅ ΠΏΠΎΠ·Π΄Π½ΠΈΠ΅ ΠΈΡΡ ΠΎΠ΄Ρ ΠΠ, ΠΌΡ ΡΡΡΠ΅ΠΌΠΈΠ»ΠΈΡΡ ΠΎΠΏΡΠ΅Π΄Π΅Π»ΠΈΡΡ, ΠΈΠ·ΠΌΠ΅Π½ΡΠ΅Ρ Π»ΠΈ ΠΊΠ΅ΡΠ°ΠΌΠΈΠ½ Π°ΠΊΡΠΈΠ²Π½ΠΎΡΡΡ PL ΡΠ°ΠΊΠΈΠΌ ΠΎΠ±ΡΠ°Π·ΠΎΠΌ, ΡΡΠΎΠ±Ρ Π±ΠΎΠ»Π΅Π΅ ΠΏΠΎΠ·Π΄Π½ΠΈΠΉ ΠΎΠΏΡΡ IS Π°ΠΊΡΠΈΠ²ΠΈΡΠΎΠ²Π°Π» Π°Π½ΡΠ°ΠΌΠ±Π»Ρ Π½Π΅ΠΉΡΠΎΠ½ΠΎΠ² PL, ΠΏΠ΅ΡΠ²ΠΎΠ½Π°ΡΠ°Π»ΡΠ½ΠΎ Π°ΠΊΡΠΈΠ²ΠΈΡΠΎΠ²Π°Π½Π½ΡΡ ΠΊΠ΅ΡΠ°ΠΌΠΈΠ½ΠΎΠΌ. ΠΡΠΏΠΎΠ»ΡΠ·ΡΡ RAM, ΠΌΡ ΠΎΠ±Π½Π°ΡΡΠΆΠΈΠ»ΠΈ, ΡΡΠΎ ΠΊΠ΅ΡΠ°ΠΌΠΈΠ½ Π² Π½ΠΈΠ·ΠΊΠΈΡ , Π½ΠΎ Π½Π΅ Π² Π²ΡΡΠΎΠΊΠΈΡ Π΄ΠΎΠ·Π°Ρ Π°ΠΊΡΠΈΠ²ΠΈΡΡΠ΅Ρ Π°Π½ΡΠ°ΠΌΠ±Π»ΠΈ Π½Π΅ΠΉΡΠΎΠ½ΠΎΠ², ΠΊΠΎΡΠΎΡΡΠ΅ ΠΏΠΎΠ·ΠΆΠ΅ Π°ΠΊΡΠΈΠ²ΠΈΡΡΡΡΡΡ ΠΠ. ΠΠ° ΡΠ΅Π³ΠΎΠ΄Π½ΡΡΠ½ΠΈΠΉ Π΄Π΅Π½Ρ ΡΡΠΎ Π½Π°ΠΈΠ±ΠΎΠ»Π΅Π΅ ΡΠ±Π΅Π΄ΠΈΡΠ΅Π»ΡΠ½ΠΎΠ΅ ΡΠ²ΠΈΠ΄Π΅ΡΠ΅Π»ΡΡΡΠ²ΠΎ ΡΠΎΠ³ΠΎ, ΡΡΠΎ ΠΈΠ·ΠΌΠ΅Π½Π΅Π½ΠΈΡ Π² ΡΠΏΠ΅ΡΠΈΡΠΈΡΠ΅ΡΠΊΠΈΡ Π°Π½ΡΠ°ΠΌΠ±Π»ΡΡ Π½Π΅ΠΉΡΠΎΠ½ΠΎΠ² PL ΡΡΠ°ΡΡΠ²ΡΡΡ Π² ΠΏΡΠΎΡΠΈΠ»Π°ΠΊΡΠΈΡΠ΅ΡΠΊΠΈΡ ΡΡΡΠ΅ΠΊΡΠ°Ρ ΠΊΠ΅ΡΠ°ΠΌΠΈΠ½Π°.ΠΡΡΠ³ΠΈΠ΅ ΠΏΠΎΠΊΠ°Π·Π°Π»ΠΈ, ΡΡΠΎ ΠΏΠΎΠ»ΠΎΠΆΠΈΡΠ΅Π»ΡΠ½ΡΠΉ ΠΎΠΏΡΡ Π°ΠΊΡΠΈΠ²ΠΈΡΡΠ΅Ρ Π½Π΅ΠΉΡΠΎΠ½Π½ΡΠ΅ Π°Π½ΡΠ°ΠΌΠ±Π»ΠΈ Π² Π·ΡΠ±ΡΠ°ΡΠΎΠΉ ββΠΈΠ·Π²ΠΈΠ»ΠΈΠ½Π΅, ΠΈ ΡΠ΅Π°ΠΊΡΠΈΠ²Π°ΡΠΈΠΈ ΡΡΠΈΡ Π°Π½ΡΠ°ΠΌΠ±Π»Π΅ΠΉ Π΄ΠΎΡΡΠ°ΡΠΎΡΠ½ΠΎ, ΡΡΠΎΠ±Ρ ΠΎΠ±ΡΠ°ΡΠΈΡΡ Π²ΡΠΏΡΡΡ Π΄Π΅ΠΏΡΠ΅ΡΡΠΈΠ²Π½ΠΎ-ΠΏΠΎΠ΄ΠΎΠ±Π½ΠΎΠ΅ ΠΏΠΎΠ²Π΅Π΄Π΅Π½ΠΈΠ΅ (Ramirez et al., 2015). Π Π±ΡΠ΄ΡΡΠΈΡ ΠΈΡΡΠ»Π΅Π΄ΠΎΠ²Π°Π½ΠΈΡΡ ΡΠ»Π΅Π΄ΡΠ΅Ρ ΡΠ΅Π°Π»ΠΈΠ·ΠΎΠ²Π°ΡΡ Π°Π½Π°Π»ΠΎΠ³ΠΈΡΠ½ΡΠ΅ ΠΌΠ΅ΡΠΎΠ΄ΠΎΠ»ΠΎΠ³ΠΈΠΈ, ΡΡΠΎΠ±Ρ ΠΏΡΠΎΠ΄Π΅ΠΌΠΎΠ½ΡΡΡΠΈΡΠΎΠ²Π°ΡΡ Π½Π΅ΠΎΠ±Ρ ΠΎΠ΄ΠΈΠΌΠΎΡΡΡ ΡΠΊΡΠΏΠ΅ΡΠΈΠΌΠ΅Π½ΡΠ°Π»ΡΠ½ΡΡ Π°Π½ΡΠ°ΠΌΠ±Π»Π΅ΠΉ Π² ΠΏΡΠΎΡΠΈΠ»Π°ΠΊΡΠΈΡΠ΅ΡΠΊΠΈΡ ΡΡΡΠ΅ΠΊΡΠ°Ρ ΠΏΡΠ΅Π΄ΡΠ΅ΡΡΠ²ΡΡΡΠ΅Π³ΠΎ ΠΊΠ΅ΡΠ°ΠΌΠΈΠ½Π°.
Π£ΡΠΈΡΡΠ²Π°Ρ Π²Π»ΠΈΡΠ½ΠΈΠ΅ ΠΊΠ΅ΡΠ°ΠΌΠΈΠ½Π° Π½Π° Π²ΡΠ·Π²Π°Π½Π½ΡΡ ΡΡΡΠ΅ΡΡΠΎΠΌ Π°ΠΊΡΠΈΠ²Π°ΡΠΈΡ DRN ΠΈ Π°ΠΊΡΠΈΠ²Π½ΠΎΡΡΡ PL Π²ΠΎ Π²ΡΠ΅ΠΌΡ ΠΈΠ½ΡΠ΅ΠΊΡΠΈΠΈ Π»Π΅ΠΊΠ°ΡΡΡΠ²Π° ΠΈ ΠΏΠΎΠ·ΠΆΠ΅ IS, ΠΌΡ ΡΡΡΠ΅ΠΌΠΈΠ»ΠΈΡΡ ΠΎΠΏΡΠ΅Π΄Π΅Π»ΠΈΡΡ, Π°ΠΊΡΠΈΠ²ΠΈΡΡΠ΅Ρ Π»ΠΈ ΠΎΡΡΡΠ°Ρ ΠΈΠ½ΡΠ΅ΠΊΡΠΈΡ ΠΊΠ΅ΡΠ°ΠΌΠΈΠ½Π° ΠΏΡΡΡ PL-DRN ΠΈ Π°ΠΊΡΠΈΠ²ΠΈΡΡΠ΅Ρ Π»ΠΈ ΡΡΠΎΡ ΠΏΡΡΡ Π²ΡΠ΅ΠΌΡ Π±ΠΎΠ»Π΅Π΅ ΠΏΠΎΠ·Π΄Π½Π΅Π³ΠΎ ΠΠ‘ Π½Π΅ΠΎΠ±Ρ ΠΎΠ΄ΠΈΠΌΠΎ Π΄Π»Ρ Π·Π°ΡΠΈΡΠ½ΠΎΠ³ΠΎ Π΄Π΅ΠΉΡΡΠ²ΠΈΡ ΠΏΡΠ΅ΠΏΠ°ΡΠ°ΡΠ°.Π Π΅Π·ΡΠ»ΡΡΠ°ΡΡ ΠΈΡΡΠ»Π΅Π΄ΠΎΠ²Π°Π½ΠΈΡ ΡΠ΅ΡΡΠΎΠ³ΡΠ°Π΄Π½ΠΎΠ³ΠΎ ΠΎΡΡΠ»Π΅ΠΆΠΈΠ²Π°Π½ΠΈΡ ΠΏΠΎΠΊΠ°Π·Π°Π»ΠΈ, ΡΡΠΎ ΠΎΡΡΡΠ°Ρ ΠΈΠ½ΡΠ΅ΠΊΡΠΈΡ ΠΊΠ΅ΡΠ°ΠΌΠΈΠ½Π° Π°ΠΊΡΠΈΠ²ΠΈΡΡΠ΅Ρ ΠΏΡΡΡ PL-DRN. ΠΡΠΏΠΎΠ»ΡΠ·ΡΡ Π³Π΅Π½Π΅ΡΠΈΡΠ΅ΡΠΊΡΡ ΡΡΡΠ°ΡΠ΅Π³ΠΈΡ Π΄Π²ΠΎΠΉΠ½ΠΎΠ³ΠΎ ΠΏΠ΅ΡΠ΅ΡΠ΅ΡΠ΅Π½ΠΈΡ Π²ΠΈΡΡΡΠΎΠ², ΠΌΡ ΠΎΠ±Π½Π°ΡΡΠΆΠΈΠ»ΠΈ, ΡΡΠΎ ΠΎΠΏΠΎΡΡΠ΅Π΄ΠΎΠ²Π°Π½Π½ΠΎΠ΅ DREADD ΠΈΠ½Π³ΠΈΠ±ΠΈΡΠΎΠ²Π°Π½ΠΈΠ΅ ΠΏΡΡΠΈ PL-DRN Π²ΠΎ Π²ΡΠ΅ΠΌΡ ΠΠ ΠΏΡΠ΅Π΄ΠΎΡΠ²ΡΠ°ΡΠ°Π΅Ρ Π·Π°ΡΠΈΡΠ½ΡΠ΅ ΡΡΡΠ΅ΠΊΡΡ ΠΊΠ΅ΡΠ°ΠΌΠΈΠ½Π°, Π²Π²Π΅Π΄Π΅Π½Π½ΠΎΠ³ΠΎ Π½Π΅Π΄Π΅Π»Π΅ΠΉ ΡΠ°Π½ΡΡΠ΅. ΠΡΡΠ³ΠΈΠ΅ Π²ΡΡΠ²ΠΈΠ»ΠΈ ΡΠ΅ΠΏΠΈ mPFC-Π³ΠΈΠΏΠΏΠΎΠΊΠ°ΠΌΠΏΠ°, ΡΡΠ°ΡΡΠ²ΡΡΡΠΈΠ΅ Π² ΠΎΡΡΡΡΡ ΡΡΡΠ΅ΠΊΡΠ°Ρ ΠΊΠ΅ΡΠ°ΠΌΠΈΠ½Π°, Π²Π²ΠΎΠ΄ΠΈΠΌΠΎΠ³ΠΎ Π½Π΅Π·Π°Π΄ΠΎΠ»Π³ΠΎ Π΄ΠΎ ΠΏΠΎΠ²Π΅Π΄Π΅Π½ΡΠ΅ΡΠΊΠΎΠ³ΠΎ ΡΠ΅ΡΡΠΈΡΠΎΠ²Π°Π½ΠΈΡ (Carreno et al., 2016), ΠΎΠ΄Π½Π°ΠΊΠΎ ΡΡΠΎ ΠΏΠ΅ΡΠ²ΠΎΠ΅ ΠΈΡΡΠ»Π΅Π΄ΠΎΠ²Π°Π½ΠΈΠ΅, ΠΊΠΎΡΠΎΡΠΎΠ΅ Π²ΡΡΠ²ΠΈΠ»ΠΎ ΡΠΎΡΠ½ΡΡ Π½Π΅ΡΠ²Π½ΡΡ ΡΠ΅ΠΏΡ, ΠΊΠΎΡΠΎΡΠ°Ρ ΠΎΠΏΠΎΡΡΠ΅Π΄ΡΠ΅Ρ ΠΏΡΠΎΡΠΈΠ»Π°ΠΊΡΠΈΡΠ΅ΡΠΊΠΈΠ΅ ΡΡΡΠ΅ΠΊΡΡ ΠΊΠ΅ΡΠ°ΠΌΠΈΠ½Π° Ρ ΠΆΠ΅Π½ΡΠΈΠ½.Π‘Π»Π΅Π΄ΡΠ΅Ρ ΠΎΡΠΌΠ΅ΡΠΈΡΡ, ΡΡΠΎ Ρ ΠΎΡΡ Π½Π΅ΡΠΏΠ΅ΡΠΈΡΠΈΡΠ΅ΡΠΊΠΈΠ΅ Π½Π΅ΡΠ²Π½ΡΠ΅ ΠΈ ΠΏΠΎΠ²Π΅Π΄Π΅Π½ΡΠ΅ΡΠΊΠΈΠ΅ ΡΡΡΠ΅ΠΊΡΡ, ΡΠ²ΡΠ·Π°Π½Π½ΡΠ΅ Ρ ΠΌΠ΅ΡΠ°Π±ΠΎΠ»ΠΈΠ·ΠΌΠΎΠΌ CNO Π² ΡΠΊΡΠΏΠ΅ΡΠΈΠΌΠ΅Π½ΡΠ°Ρ DREADD, Π±ΡΠ»ΠΈ ΠΎΡΠΌΠ΅ΡΠ΅Π½Ρ (Gomez et al., 2017), Π²ΡΠ΅ ΠΊΡΡΡΡ Π² ββΠ½Π°ΡΡΠΎΡΡΠ΅ΠΌ ΡΠΊΡΠΏΠ΅ΡΠΈΠΌΠ΅Π½ΡΠ΅ ΠΏΠΎΠ»ΡΡΠ°Π»ΠΈ CNO, ΠΏΠΎΡΡΠΎΠΌΡ ΠΎΡΠ΅Π²ΠΈΠ΄Π½ΠΎ, ΡΡΠΎ ΠΌΠ΅ΡΠ°Π±ΠΎΠ»ΠΈΡ CNO Π½Π΅ ΡΠ²Π»ΡΠ΅ΡΡΡ ΠΏΠΎΡΡΠ΅Π΄Π½ΠΈΡΠ΅ΡΡΠ²ΠΎ Π½Π°Π±Π»ΡΠ΄Π°Π΅ΠΌΡΡ ΡΡΡΠ΅ΠΊΡΠΎΠ² Π½Π° ΠΏΠΎΠ²Π΅Π΄Π΅Π½ΠΈΠ΅.
Π ΡΠΎΠ²ΠΎΠΊΡΠΏΠ½ΠΎΡΡΠΈ Π½Π°ΡΡΠΎΡΡΠΈΠ΅ ΡΠΊΡΠΏΠ΅ΡΠΈΠΌΠ΅Π½ΡΡ ΠΏΠΎΠΊΠ°Π·ΡΠ²Π°ΡΡ, ΡΡΠΎ ΠΊΠ΅ΡΠ°ΠΌΠΈΠ½ ΠΎΠΊΠ°Π·ΡΠ²Π°Π΅Ρ Π΄Π»ΠΈΡΠ΅Π»ΡΠ½ΠΎΠ΅ ΠΏΡΠΎΡΠΈΠ»Π°ΠΊΡΠΈΡΠ΅ΡΠΊΠΎΠ΅ Π΄Π΅ΠΉΡΡΠ²ΠΈΠ΅ ΠΏΡΠΎΡΠΈΠ² ΠΏΠ°Π³ΡΠ±Π½ΡΡ ΠΏΠΎΡΠ»Π΅Π΄ΡΡΠ²ΠΈΠΉ ΡΡΡΠ΅ΡΡΠ° Ρ ΡΠ°ΠΌΠΎΠΊ ΠΊΡΡΡ. ΠΡΡΠ΅ΠΊΡΡ ΠΊΠ΅ΡΠ°ΠΌΠΈΠ½Π° Ρ ΠΊΡΡΡ ΡΠΎΡ ΡΠ°Π½ΡΡΡΡΡ Π½Π°ΠΌΠ½ΠΎΠ³ΠΎ Π΄ΠΎΠ»ΡΡΠ΅, ΡΠ΅ΠΌ ΠΏΠ΅ΡΠΈΠΎΠ΄ ΠΏΠΎΠ»ΡΠ²ΡΠ²Π΅Π΄Π΅Π½ΠΈΡ ΠΈΠ· ΠΏΠ»Π°Π·ΠΌΡ, ΡΠΎΡΡΠ°Π²Π»ΡΡΡΠΈΠΉ ~ 2 ΡΠ°ΡΠ° (Williams et al., 2004), ΠΈ ΠΏΠΎΡΡΠΎΠΌΡ Π½Π°Π±Π»ΡΠ΄Π°Π΅ΠΌΡΠ΅ ΡΡΡΠ΅ΠΊΡΡ Π½Π΅Π»ΡΠ·Ρ ΠΎΡΠ½Π΅ΡΡΠΈ ΠΊ ΠΎΡΡΡΡΠΌ ΡΡΡΠ΅ΠΊΡΠ°ΠΌ Π»Π΅ΠΊΠ°ΡΡΡΠ² Π²ΠΎ Π²ΡΠ΅ΠΌΡ ΠΏΠΎΠ²Π΅Π΄Π΅Π½ΡΠ΅ΡΠΊΠΎΠ³ΠΎ ΡΠ΅ΡΡΠΈΡΠΎΠ²Π°Π½ΠΈΡ. Π‘ΡΡΡΠΊΡΡΡΠ° Π΄Π°Π½Π½ΡΡ ΠΏΡΠ΅Π΄ΠΏΠΎΠ»Π°Π³Π°Π΅Ρ, ΡΡΠΎ ΡΡΡΠ΅ΠΊΡΡ ΠΊΠ΅ΡΠ°ΠΌΠΈΠ½Π° ΠΎΡΡΠ°ΠΆΠ°ΡΡ Π΄Π»ΠΈΡΠ΅Π»ΡΠ½ΡΡ ΠΏΡΠΎΡΠΈΠ»Π°ΠΊΡΠΈΠΊΡ, ΠΊΠΎΡΠΎΡΠ°Ρ ΠΏΡΠΎΠΈΡΡ ΠΎΠ΄ΠΈΡ Ρ ΡΠ°ΠΌΡΠΎΠ² ΠΊΡΡΡ, ΠΊΠΎΡΠΎΡΡΠΌ ΠΎΠ±Π΅ΡΠΏΠ΅ΡΠ΅Π½ ΠΊΠΎΠ½ΡΡΠΎΠ»Ρ Π½Π°Π΄ ΠΏΠΎΠ²Π΅Π΄Π΅Π½ΠΈΠ΅ΠΌ. ΠΡΠΈ Π΄Π°Π½Π½ΡΠ΅ ΡΠ²ΠΈΠ΄Π΅ΡΠ΅Π»ΡΡΡΠ²ΡΡΡ ΠΎ ΡΠΎΠΌ, ΡΡΠΎ, Ρ ΠΎΡΡ ΠΊΠΎΠ½ΡΡΠΎΠ»Ρ ΠΏΠΎΠ²Π΅Π΄Π΅Π½ΠΈΡ Π½Π΅ ΠΌΠΎΠΆΠ΅Ρ Π·Π°ΡΠΈΡΠΈΡΡ ΡΠ°ΠΌΠΎΠΊ ΠΊΡΡΡ, Π½Π΅ΠΎΠ±Ρ ΠΎΠ΄ΠΈΠΌΡΠ΅ ΡΡ Π΅ΠΌΡ ΡΡΡΠΎΠΉΡΠΈΠ²ΠΎΡΡΠΈ ΡΡΡΠ΅ΡΡΠ²ΡΡΡ ΠΈ Π·Π°Π΄Π΅ΠΉΡΡΠ²ΠΎΠ²Π°Π½Ρ ΠΊΠ΅ΡΠ°ΠΌΠΈΠ½ΠΎΠΌ. Π‘Π»Π΅Π΄ΠΎΠ²Π°ΡΠ΅Π»ΡΠ½ΠΎ, ΠΊΠ΅ΡΠ°ΠΌΠΈΠ½ ΠΌΠΎΠΆΠ΅Ρ ΠΎΠΊΠ°Π·Π°ΡΡΡΡ ΡΡΡΠ΅ΠΊΡΠΈΠ²Π½ΡΠΌ Π² ΠΊΠ°ΡΠ΅ΡΡΠ²Π΅ ΡΠ΅ΡΠ°ΠΏΠ΅Π²ΡΠΈΡΠ΅ΡΠΊΠΎΠΉ ΡΡΡΠ°ΡΠ΅Π³ΠΈΠΈ Π΄Π»Ρ ΠΆΠ΅Π½ΡΠΊΠΈΡ ΠΊΠ»ΠΈΠ½ΠΈΡΠ΅ΡΠΊΠΈΡ Π³ΡΡΠΏΠΏ, ΡΠΊΠ»ΠΎΠ½Π½ΡΡ ΠΊ Π²ΡΡΠΎΠΊΠΈΠΌ ΡΡΠΎΠ²Π½ΡΠΌ ΡΡΡΠ΅ΡΡΠ° ΠΈΠ»ΠΈ ΡΡΠ°Π²ΠΌ.
ΠΠ»Π°Π³ΠΎΠ΄Π°ΡΠ½ΠΎΡΡΠΈ
ΠΠ»Π°Π³ΠΎΠ΄Π°ΡΠ½ΠΎΡΡΠΈ: ΠΡ Π±Π»Π°Π³ΠΎΠ΄Π°ΡΠΈΠΌ ΠΠ·Π°Π±Π΅Π»Π»Ρ Π€ΡΠ»Π»ΠΎΠ½ ΠΈ ΠΠ°ΡΠΈΠ°Π½Π½ Π Π΅Π΄Π΄Π°Π½ Π·Π° ΡΠ΅Ρ Π½ΠΈΡΠ΅ΡΠΊΡΡ ΠΏΠΎΠΌΠΎΡΡ ΠΈ ΠΡΡΡΠ° ΠΠΎΠΌΡΠ΅Π½ΡΠ΅ Π·Π° ΡΠΎΠ΄Π΅ΡΠΆΠ°ΡΠ΅Π»ΡΠ½ΡΠ΅ ΠΎΠ±ΡΡΠΆΠ΄Π΅Π½ΠΈΡ ΠΈ ΠΈΠ½ΡΠ΅Π»Π»Π΅ΠΊΡΡΠ°Π»ΡΠ½ΡΠ΅ ΠΊΠΎΠΌΠΌΠ΅Π½ΡΠ°ΡΠΈΠΈ.
Π‘Π½ΠΎΡΠΊΠΈ
ΠΠ²ΡΠΎΡΡ Π·Π°ΡΠ²Π»ΡΡΡ ΠΎΠ± ΠΎΡΡΡΡΡΡΠ²ΠΈΠΈ ΠΊΠΎΠ½ΠΊΡΡΠΈΡΡΡΡΠΈΡ ΡΠΈΠ½Π°Π½ΡΠΎΠ²ΡΡ ΠΈΠ½ΡΠ΅ΡΠ΅ΡΠΎΠ².
ΠΡΠ° ΡΠ°Π±ΠΎΡΠ° Π±ΡΠ»Π° ΠΏΠΎΠ΄Π΄Π΅ΡΠΆΠ°Π½Π° Π³ΡΠ°Π½ΡΠ°ΠΌΠΈ ΠΠ°ΡΠΈΠΎΠ½Π°Π»ΡΠ½ΠΎΠ³ΠΎ ΠΈΠ½ΡΡΠΈΡΡΡΠ° Π·Π΄ΡΠ°Π²ΠΎΠΎΡ ΡΠ°Π½Π΅Π½ΠΈΡ T32 MH016880 (Π΄Π»Ρ S.D.D.), R01 MH050479 (Π΄Π»Ρ S.F.M.) ΠΈ R21 Mh206817 (Π΄Π»Ρ M.V.B.).
Synthesis
Π Π΅ΡΠ΅Π½Π·Π΅Π½Ρ Π Π΅Π΄Π°ΠΊΡΠΎΡ: Π₯ΠΎΡΡ Π΅ ΠΠΆ.Palop, Gladstone Institutes ΠΈ UCSF
Π Π΅ΡΠ΅Π½ΠΈΡ ΠΎΠ±ΡΡΠ½ΠΎ ΡΠ²Π»ΡΡΡΡΡ ΡΠ΅Π·ΡΠ»ΡΡΠ°ΡΠΎΠΌ ΡΠΎΠ³ΠΎ, ΡΡΠΎ ΡΠ΅ΡΠ΅Π½Π·ΠΈΡΡΡΡΠΈΠΉ ΡΠ΅Π΄Π°ΠΊΡΠΎΡ ΠΈ ΡΠ΅ΡΠ΅Π½Π·Π΅Π½ΡΡ ΡΠΎΠ±ΠΈΡΠ°ΡΡΡΡ Π²ΠΌΠ΅ΡΡΠ΅ ΠΈ ΠΎΠ±ΡΡΠΆΠ΄Π°ΡΡ ΡΠ²ΠΎΠΈ ΡΠ΅ΠΊΠΎΠΌΠ΅Π½Π΄Π°ΡΠΈΠΈ Π΄ΠΎ Π΄ΠΎΡΡΠΈΠΆΠ΅Π½ΠΈΡ ΠΊΠΎΠ½ΡΠ΅Π½ΡΡΡΠ°. ΠΠΎΠ³Π΄Π° ΠΏΡΠ΅Π΄Π»Π°Π³Π°Π΅ΡΡΡ Π²Π½Π΅ΡΡΠΈ ΠΈΠ·ΠΌΠ΅Π½Π΅Π½ΠΈΡ, Π½ΠΈΠΆΠ΅ ΠΏΡΠΈΠ²ΠΎΠ΄ΠΈΡΡΡ ΡΠ²ΠΎΠ΄Π½ΠΎΠ΅ Π·Π°ΡΠ²Π»Π΅Π½ΠΈΠ΅, ΠΎΡΠ½ΠΎΠ²Π°Π½Π½ΠΎΠ΅ Π½Π° ΡΠ°ΠΊΡΠ°Ρ , Ρ ΠΎΠ±ΡΡΡΠ½Π΅Π½ΠΈΠ΅ΠΌ ΠΈΡ ΡΠ΅ΡΠ΅Π½ΠΈΡ ΠΈ ΡΠΊΠ°Π·Π°Π½ΠΈΠ΅ΠΌ ΡΠΎΠ³ΠΎ, ΡΡΠΎ Π½Π΅ΠΎΠ±Ρ ΠΎΠ΄ΠΈΠΌΠΎ Π΄Π»Ρ ΠΏΠΎΠ΄Π³ΠΎΡΠΎΠ²ΠΊΠΈ ΠΏΠ΅ΡΠ΅ΡΠΌΠΎΡΡΠ°.
ΠΠΎΡ Π½Π΅ΡΠΊΠΎΠ»ΡΠΊΠΎ ΠΏΡΠ΅Π΄Π»ΠΎΠΆΠ΅Π½ΠΈΠΉ:
— ΠΠ±ΠΎΡΠ½ΡΠΉΡΠ΅ Π°Π±ΡΡΡΠ°ΠΊΡΠ½ΠΎ ΠΊΠ»ΠΈΠ½ΠΈΡΠ΅ΡΠΊΡΡ Π·Π½Π°ΡΠΈΠΌΠΎΡΡΡ ΠΏΡΠΎΠ²Π΅Π΄Π΅Π½ΠΈΡ ΡΡΠΈΡ ΡΠΊΡΠΏΠ΅ΡΠΈΠΌΠ΅Π½ΡΠΎΠ² Π½Π° ΠΆΠ΅Π½ΡΠΈΠ½Π°Ρ .
— ΠΠΎΠ±Π°Π²ΡΡΠ΅ Π² ΠΏΠΎΠ΄ΠΏΠΈΡΠΈ ΠΊ ΡΠΈΡΡΠ½ΠΊΠ°ΠΌ ΡΡΠ°ΡΠΈΡΡΠΈΡΠ΅ΡΠΊΠΈΠ΅ ΡΠ΅ΡΡΡ Π΄Π»Ρ ΡΠΊΠ°Π·Π°Π½Π½ΡΡ Π·Π²Π΅Π·Π΄ΠΎΡΠ΅ΠΊ Π½Π° Π³ΡΠ°ΡΠΈΠΊΠ°Ρ .
— Π‘ΠΎΠΎΡΠ²Π΅ΡΡΡΠ²ΡΠΉΡΠ΅ ΠΌΠ΅ΡΠΊΠ°ΠΌ Π½Π° Π³ΡΠ°ΡΠΈΠΊΠ°Ρ ΠΈ Π² ΡΠ΅ΠΊΡΡΠ΅. ΠΠ°ΠΏΡΠΈΠΌΠ΅Ρ, Π½Π° ΡΠΈΡΡΠ½ΠΊΠ°Ρ Π½Π΅ΡΠ΅ΡΠΊΠΎ ΠΈΡΠΏΠΎΠ»ΡΠ·ΡΡΡΡΡ ΡΡΠ΅ΠΉΠΊΠΈ Fos-ir, ΡΡΠ΅ΠΉΠΊΠΈ Fos + ΠΈΠ»ΠΈ Fos. Π’Π°ΠΊΠΆΠ΅ Π±ΡΠ΄ΡΡΠ΅ ΠΏΠΎΡΠ»Π΅Π΄ΠΎΠ²Π°ΡΠ΅Π»ΡΠ½Ρ Ρ ΠΌΠ΅ΡΠΊΠ°ΠΌΠΈ ΠΎΡΠΈ Y, ΠΈΡΠΏΠΎΠ»ΡΠ·ΡΡΡΡΡ ΠΊΠ°ΠΊ Β«Fos +Β», ΡΠ°ΠΊ ΠΈ Β«Fos-ir cellsΒ». ΠΠΎΠ±Π°Π²ΡΡΠ΅ Β«ΡΡΠ΅ΠΉΠΊΠΈΒ», Π΅ΡΠ»ΠΈ Β«ΡΡΠ΅ΠΉΠΊΠΈΒ» — ΡΡΠΎ Π΅Π΄ΠΈΠ½ΠΈΡΠ° ΠΈΠ·ΠΌΠ΅ΡΠ΅Π½ΠΈΡ. ΠΠ»Ρ ΠΏΠΎΠ²Π΅Π΄Π΅Π½ΠΈΡ Π½Π° Π ΠΈΡΡΠ½ΠΊΠ΅ 1 ΠΈΡΠΏΠΎΠ»ΡΠ·ΡΡΡΡΡ Β«ΠΠΎΠΌΠ°ΡΠ½ΡΡ ΠΊΠ»Π΅ΡΠΊΠ°Β» ΠΈ Β«Π‘ΡΡΠ΅ΡΡΒ», Π° Π½Π° Π ΠΈΡΡΠ½ΠΊΠ΅ 6 ΠΈΡΠΏΠΎΠ»ΡΠ·ΡΡΡΡΡ Β«HCΒ» ΠΈ Β«ISΒ».
— Π ΠΈΡΡΠ½ΠΎΠΊ 1, ΡΠ΅Π·ΡΠ»ΡΡΠ°ΡΡ ΠΈ Π»Π΅Π³Π΅Π½Π΄Π° ΠΊ ΡΠΈΡΡΠ½ΠΊΡ ΠΎΠΏΠΈΡΡΠ²Π°ΡΡ Π²ΡΡΠΎΠΊΠΈΠ΅ (40 ΠΌΠ³ / ΠΊΠ³) ΠΈ Π½ΠΈΠ·ΠΊΠΈΠ΅ (10 ΠΌΠ³ / ΠΊΠ³) Π΄ΠΎΠ·Ρ ΠΊΠ΅ΡΠ°ΠΌΠΈΠ½Π°, Π½ΠΎ Π ΠΈΡΡΠ½ΠΎΠΊ 1 ΠΏΠΎΠΊΠ°Π·ΡΠ²Π°Π΅Ρ ΡΠΎΠ»ΡΠΊΠΎ ΠΎΠ΄Π½Ρ Π³ΡΡΠΏΠΏΡ, ΠΏΠΎΠ»ΡΡΠ°Π²ΡΡΡ ΠΊΠ΅ΡΠ°ΠΌΠΈΠ½.ΠΠΎΠΆΠ°Π»ΡΠΉΡΡΠ°, ΠΈΡΠΏΡΠ°Π²ΡΡΠ΅ ΡΡΠΎ.
— Π‘ΡΠ°ΡΠΈΡΡΠΈΠΊΠ° Π½Π° Π ΠΈΡΡΠ½ΠΊΠ΅ 1 Π½Π΅ ΡΠΎΠ²ΠΏΠ°Π΄Π°Π΅Ρ. ΠΠ° Π³ΡΠ°ΡΠΈΠΊΠ΅ Π΅ΡΡΡ ΡΡΠΈ Π·Π²Π΅Π·Π΄ΠΎΡΠΊΠΈ ΠΈ ΠΎΠ΄Π½Π° Π·Π²Π΅Π·Π΄ΠΎΡΠΊΠ° Π² Π»Π΅Π³Π΅Π½Π΄Π΅. ΠΠ΅Π³Π΅Π½Π΄Π° Π³Π»Π°ΡΠΈΡ: Β«ΠΠΎ ΡΡΠ°Π²Π½Π΅Π½ΠΈΡ Ρ HCΒ», Π½ΠΎ Π³ΡΠ°ΡΠΈΠΊ ΠΏΠΎΠΊΠ°Π·ΡΠ²Π°Π΅Ρ ΡΡΠ°Π²Π½Π΅Π½ΠΈΠ΅ Ρ ΠΊΠ΅ΡΠ°ΠΌΠΈΠ½ΠΎΠΌ. ΠΠ·ΠΌΠ΅Π½ΠΈΡΠ΅ ΡΡΠΎΡ ΡΠΈΡΡΠ½ΠΎΠΊ, ΡΡΠΎΠ±Ρ ΡΠ΅Π·ΡΠ»ΡΡΠ°ΡΡ, ΡΡΠ»ΠΎΠ²Π½ΡΠ΅ ΠΎΠ±ΠΎΠ·Π½Π°ΡΠ΅Π½ΠΈΡ ΠΈ Π³ΡΠ°ΡΠΈΠΊΠΈ ΡΠΎΠ²ΠΏΠ°Π΄Π°Π»ΠΈ.
— Π ΠΈΡΡΠ½ΠΎΠΊ 2, ΡΠΊΠ°ΠΆΠΈΡΠ΅ Π΄ΠΎΠ·Ρ ΠΊΠ΅ΡΠ°ΠΌΠΈΠ½Π° Π² ΡΠ΅Π·ΡΠ»ΡΡΠ°ΡΠ°Ρ . ΠΡΠΎ Π²ΡΡΠΎΠΊΠ°Ρ ΠΈΠ»ΠΈ Π½ΠΈΠ·ΠΊΠ°Ρ Π΄ΠΎΠ·Π°?
— Π ΠΈΡΡΠ½ΠΎΠΊ 3, Π΄ΠΎΠ±Π°Π²ΡΡΠ΅ Π±ΡΠΊΠ²Ρ ΠΏΠ°Π½Π΅Π»ΠΈ (A, B, C, D ΠΈ E) Π΄Π»Ρ ΠΎΠ±ΠΎΠ·Π½Π°ΡΠ΅Π½ΠΈΡ ΠΏΠ°Π½Π΅Π»Π΅ΠΉ.
— Π ΠΈΡΡΠ½ΠΎΠΊ 3C, eYFP ΠΈΠ»ΠΈ GFP? ΠΠΎΠΆΠ°Π»ΡΠΉΡΡΠ°, ΡΠΎΠΏΠΎΡΡΠ°Π²ΡΡΠ΅ ΡΠ΅ΠΊΡΡ ΠΈ Π»Π΅Π³Π΅Π½Π΄Ρ.Π¨ΠΊΠ°Π»Π° ΡΠΊΠ°Π·Π°Π½Π°, Π½ΠΎ Π½Π΅ ΡΠΊΠ°Π·Π°Π½Π°.
— Π ΠΈΡΡΠ½ΠΎΠΊ 3D, ΠΏΠ΅ΡΠ΅Π΄ ΠΊΠΎΠ»ΠΈΡΠ΅ΡΡΠ²Π΅Π½Π½ΠΎΠΉ ΠΎΡΠ΅Π½ΠΊΠΎΠΉ ΠΎΠΏΠΈΡΠΈΡΠ΅ ΠΏΠ°Π½Π΅Π»Ρ ΠΆΠ΅Π»ΡΡΠΌΠΈ ΠΈ Π±Π΅Π»ΡΠΌΠΈ ΡΡΡΠ΅Π»ΠΊΠ°ΠΌΠΈ.
— Π ΠΈΡΡΠ½ΠΎΠΊ 4, Π΄ΠΎΠ±Π°Π²ΡΡΠ΅ Π±ΡΠΊΠ²Ρ ΠΏΠ°Π½Π΅Π»ΠΈ (A, B, C, D ΠΈ E) Π΄Π»Ρ ΠΎΠ±ΠΎΠ·Π½Π°ΡΠ΅Π½ΠΈΡ ΠΏΠ°Π½Π΅Π»Π΅ΠΉ. ΠΠΎΠΆΠ°Π»ΡΠΉΡΡΠ°, ΡΡΠ°Π²Π½ΠΈΡΠ΅ ΡΡΠ°ΡΠΈΡΡΠΈΠΊΡ, **** ΠΎΡΡΡΡΡΡΠ²ΡΡΡ Π² Π»Π΅Π³Π΅Π½Π΄Π΅.
— Π ΠΈΡΡΠ½ΠΎΠΊ 5, ΠΏΡΠΎΠ²Π΅ΡΡΡΠ΅, ΡΠΎΡΡΠ°Π²Π»ΡΠ΅Ρ Π»ΠΈ ΠΌΠ°ΡΡΡΠ°Π±Π½Π°Ρ Π»ΠΈΠ½Π΅ΠΉΠΊΠ° 50 ΠΌΠΊΠΌ, ΠΊΠ°ΠΊ ΡΠΊΠ°Π·Π°Π½ΠΎ Π² Π»Π΅Π³Π΅Π½Π΄Π΅.
(PDF) ΠΡΠ΅Π΄ΡΠ΄ΡΡΠΈΠΉ ΠΎΠΏΡΡ ΠΈ ΠΏΠΎΠ½ΠΈΠΌΠ°Π½ΠΈΠ΅ — ΠΏΡΠΈΠΌΠ΅Ρ ΠΈΠ· ΡΠ΅ΠΏΠΈ ΠΏΠΎΡΡΠΎΡΠ½Π½ΠΎΠ³ΠΎ ΡΠΎΠΊΠ°
ΠΠ΅ΠΆΠ΄ΡΠ½Π°ΡΠΎΠ΄Π½Π°Ρ ΠΊΠΎΠ½ΡΠ΅ΡΠ΅Π½ΡΠΈΡ ΠΏΠΎ ΡΠΈΠ·ΠΈΡΠ΅ΡΠΊΠΎΠΌΡ ΠΎΠ±ΡΠ°Π·ΠΎΠ²Π°Π½ΠΈΡ (ICPE) 2018
Journal of Physics: Conference Series 1512 (2020) 012004
IOP Publishing
doi: 10.1088 / 1742-6596 / 1512/1/012004
5
ΠΈΠ»ΠΈ ΡΠ²Π΅ΡΠΎΠ΄ΠΈΠΎΠ΄. ΠΠ³ΠΎ ΠΎΠΏΡΡ ΡΠ°Π±ΠΎΡΡ Ρ Π»Π°ΠΌΠΏΠΎΡΠΊΠΎΠΉ Π² ββΠ»Π°Π±ΠΎΡΠ°ΡΠΎΡΠΈΠΈ ΠΏΠΎΠΊΠ°Π·ΡΠ²Π°Π΅Ρ, ΡΡΠΎ Π΅ΡΠ»ΠΈ Π΅Π΅ ΠΏΠΎΠ΄ΠΊΠ»ΡΡΠΈΡΡ ΠΊ Π±Π°ΡΠ°ΡΠ΅Π΅ Ρ Π·Π°ΠΌΠΊΠ½ΡΡΡΠΌ ΠΊΠΎΠ½ΡΡΡΠΎΠΌ,
, Π½Π΅Π·Π°Π²ΠΈΡΠΈΠΌΠΎ ΠΎΡ ΠΏΠΎΠ»ΡΡΠ½ΠΎΡΡΠΈ Π±Π°ΡΠ°ΡΠ΅ΠΈ, ΠΎΠ½Π° Π·Π°Π³ΠΎΡΠΈΡΡΡ. Π ΠΏΠΎΠ²ΡΠ΅Π΄Π½Π΅Π²Π½ΠΎΠΉ ΠΏΡΠ°ΠΊΡΠΈΠΊΠ΅ Π½ΠΈ ΠΎΠ΄Π½ΠΎ ΡΡΡΡΠΎΠΉΡΡΠ²ΠΎ Ρ Π±Π°ΡΠ°ΡΠ΅ΠΉΠ½ΡΠΌ ΠΏΠΈΡΠ°Π½ΠΈΠ΅ΠΌ
Π½Π΅ Π±ΡΠ΄Π΅Ρ ΡΠ°Π±ΠΎΡΠ°ΡΡ, Π΅ΡΠ»ΠΈ ΠΌΡ ΠΈΠ·ΠΌΠ΅Π½ΠΈΠΌ ΠΏΠΎΠ»ΡΡΠ½ΠΎΡΡΡ Π±Π°ΡΠ°ΡΠ΅ΠΈ. ΠΡΠΎΡ ΠΎΠΏΡΡ ΠΈΠ½ΡΠ΅ΡΠΏΡΠ΅ΡΠΈΡΡΠ΅ΡΡΡ ΠΊΠ°ΠΊ Β«Π»Π°ΠΌΠΏΠ°
ΠΈΠΌΠ΅Π΅Ρ ΠΏΠΎΠ»ΡΡΠ½ΠΎΡΡΡΒ». ΠΠ½ ΡΠ°ΠΊΠΆΠ΅ ΠΈΠΌΠ΅Π» ΠΎΠΏΡΡ ΡΠ°Π±ΠΎΡΡ Ρ ΠΏΡΠΎΠ²ΠΎΠ΄ΠΎΠΌ ΠΏΠΎΠ΄ Π½Π°ΠΏΡΡΠΆΠ΅Π½ΠΈΠ΅ΠΌ. ΠΡΠ»ΠΈ Π²Ρ ΠΊΠΎΡΠ½Π΅ΡΠ΅ΡΡ ΠΆΠΈΠ²ΠΎΠ³ΠΎ ΠΏΡΠΎΠ²ΠΎΠ΄Π°, Π²Ρ ΠΏΠΎΠ»ΡΡΠΈΡΠ΅
ΡΠ΄Π°ΡΠ° ΡΠΎΠΊΠΎΠΌ.ΠΡΠ° ΠΈΠ΄Π΅Ρ ΠΏΡΠΈΠ²Π΅Π»Π° ΠΊ ΡΠΎΠΌΡ, ΡΡΠΎ ΠΎΠ½ ΠΎΡΠ²Π΅ΡΠΈΠ» Π½Π° Π²ΠΎΠΏΡΠΎΡ, ΡΠ²ΡΠ·Π°Π½Π½ΡΠΉ Ρ ΠΏΠΎΡΠΎΠΊΠΎΠΌ Π·Π°ΡΡΠ΄Π°, ΡΡΠΎ Π·Π°ΡΡΠ΄
Π±ΡΠ΄Π΅Ρ ΡΠ΅ΡΡ Π΄ΠΎ ΠΊΠΎΠ½ΡΠ° ΡΠ΅Π·ΠΈΡΡΠΎΡΠ° ΠΈ ΡΠ°ΡΡΠ΅ΠΈΠ²Π°ΡΡΡΡ.
ΠΡΡΠ³ΠΎΠΉ ΡΡΡΠ΄Π΅Π½Ρ, ΠΊΠΎΡΠΎΡΡΠΉ ΡΡΠΏΠ΅ΡΠ½ΠΎ Π½Π°ΡΠΈΡΠΎΠ²Π°Π» Π·Π°ΠΌΠΊΠ½ΡΡΡΡ ΡΠ΅ΠΏΡ Ρ ΠΏΠΎΠΌΠΎΡΡΡ ΡΡ Π΅ΠΌΠ½ΠΎΠ³ΠΎ ΡΠ΅Π·ΠΈΡΡΠΎΡΠ°, ΠΈΠΌΠ΅Π» ΡΠΎΠ»ΡΠΊΠΎ
ΠΎΠΏΡΡΠ° ΡΠ°Π±ΠΎΡΡ Ρ Π»Π°ΠΌΠΏΠΎΠΉ Ρ Π±Π°ΠΉΠΎΠ½Π΅ΡΠ½ΡΠΌ ΡΠΎΠΊΠΎΠ»Π΅ΠΌ, Π° Π½Π΅ Ρ Π»Π°ΠΌΠΏΠΎΠΉ Ρ Π²ΠΈΠ½ΡΠΎΠ²ΠΎΠΉ ΡΠΎΠΊΠΎΠ»Π΅ΠΌ. ΠΠΎ Π΅Π³ΠΎ ΠΌΠ½Π΅Π½ΠΈΡ, Π»Π°ΠΌΠΏΠΎΡΠΊΠ°
Π½Π΅ Π°ΠΊΡΠΈΠ²ΠΈΡΡΠ΅ΡΡΡ, ΠΏΠΎΡΠΎΠΌΡ ΡΡΠΎ ΡΠΎΠ΅Π΄ΠΈΠ½Π΅Π½ΠΈΡ Π½Π° ΡΡ Π΅ΠΌΠ°Ρ Π½Π΅ ΠΊ Π½ΠΈΠΆΠ½Π΅ΠΉ ΡΠ°ΡΡΠΈ Π»Π°ΠΌΠΏΡ. ΠΠΎ Π΅Π³ΠΎ ΠΌΠ½Π΅Π½ΠΈΡ, ΠΎΠ±Π° ΡΠΎΠ΅Π΄ΠΈΠ½Π΅Π½ΠΈΡ
Π΄ΠΎΠ»ΠΆΠ½Ρ Π±ΡΡΡ ΠΊ Π½ΠΈΠΆΠ½Π΅ΠΉ ΡΠ°ΡΡΠΈ Π»Π°ΠΌΠΏΡ, ΡΡΠΎΡΠΎΠ½Π° Π»Π°ΠΌΠΏΡ Π΄ΠΎΠ»ΠΆΠ½Π° ΠΏΡΠΎΡΡΠΎ ΡΠ΄Π΅ΡΠΆΠΈΠ²Π°ΡΡ Π»Π°ΠΌΠΏΡ.
Π’Π°ΠΊΠΈΠΌ ΠΎΠ±ΡΠ°Π·ΠΎΠΌ, ΠΏΡΠ΅Π΄ΡΠ΄ΡΡΠΈΠΉ ΠΎΠΏΡΡ ΡΡΠ°ΡΠΈΡ ΡΡ Π½Π΅ ΠΏΠΎΠΌΠΎΠ³Π°Π΅Ρ ΠΈΠΌ ΠΏΠΎΠ½ΡΡΡ ΡΠ΅ΠΎΡΠΈΡ Π·Π°ΠΌΠΊΠ½ΡΡΠΎΠΉ ΡΠ΅ΠΏΠΈ,
, ΡΠΊΠΎΡΠ΅Π΅, ΠΎΠ½ΠΈ Π·Π°ΠΏΡΡΠΊΠ°ΡΡ ΡΠ°Π·Π½ΡΠ΅ ΡΠΈΠ³Π½Π°Π»Ρ ΠΈΠ· ΡΠ°Π·Π½ΡΡ ΠΊΠΎΠ½ΡΠ΅ΠΊΡΡΠΎΠ². ΠΡ ΠΏΡΠ΅Π΄Π»Π°Π³Π°Π΅ΠΌ, ΡΡΠΎΠ±Ρ ΠΈΠ΄Π΅Ρ Β«Π½Π΅ΠΏΡΠ΅ΡΡΠ²Π½ΠΎΠ³ΠΎ Π·Π°ΠΌΠΊΠ½ΡΡΠΎΠ³ΠΎ ΠΊΠΎΠ½ΡΡΡΠ°Β»
ΠΏΡΠ΅ΠΏΠΎΠ΄Π°Π²Π°Π»Π°ΡΡ ΡΡΡΠ΄Π΅Π½ΡΠ°ΠΌ Π² ΠΊΠ°ΡΠ΅ΡΡΠ²Π΅ ΠΎΡΠ½ΠΎΠ²Π½ΠΎΠ³ΠΎ ΡΡΠ΅Π±ΠΎΠ²Π°Π½ΠΈΡ Π΄Π»Ρ Π»ΡΠ±ΠΎΠΉ ΡΠ΅ΠΏΠΈ ΠΏΠΎΡΡΠΎΡΠ½Π½ΠΎΠ³ΠΎ ΡΠΎΠΊΠ° Π΄Π»Ρ ΡΡΠ½ΠΊΡΠΈΠΈ
Π² Π»ΡΠ±ΠΎΠΌ ΠΊΠΎΠ½ΡΠ΅ΠΊΡΡΠ΅.
Π‘ΡΡΠ»ΠΊΠΈ
[1] Π. Π. ΠΡΠ°ΡΠ½, ΠΠΆ. ΠΠ»Π΅ΠΌΠ΅Π½Ρ ΠΈ Π£. ΠΠ°ΡΠΈΠΎΠ½Π°Π»ΡΠ½ΡΠΉ Π½Π°ΡΡΠ½ΡΠΉ ΡΠΎΠ½Π΄ ΠΎΠΊΡΡΠ³Π° ΠΠΎΠ»ΡΠΌΠ±ΠΈΡ., Β«ΠΡΠ΅ΠΎΠ΄ΠΎΠ»Π΅Π½ΠΈΠ΅
Π·Π°Π±Π»ΡΠΆΠ΄Π΅Π½ΠΈΠΉ Π² ΠΌΠ΅Ρ Π°Π½ΠΈΠΊΠ΅: ΡΡΠ°Π²Π½Π΅Π½ΠΈΠ΅ Π΄Π²ΡΡ ΡΡΡΠ°ΡΠ΅Π³ΠΈΠΉ ΠΎΠ±ΡΡΠ΅Π½ΠΈΡ Π½Π° ΠΎΡΠ½ΠΎΠ²Π΅ ΠΏΡΠΈΠΌΠ΅ΡΠΎΠ²
Β», ΠΠΆΠ΅Π³ΠΎΠ΄Π½ΠΎΠ΅ ΡΠΎΠ±ΡΠ°Π½ΠΈΠ΅ ΠΠΌΠ΅ΡΠΈΠΊΠ°Π½ΡΠΊΠΎΠΉ Π°ΡΡΠΎΡΠΈΠ°ΡΠΈΠΈ ΠΈΡΡΠ»Π΅Π΄ΠΎΠ²Π°Π½ΠΈΠΉ Π² ΠΎΠ±Π»Π°ΡΡΠΈ ΠΎΠ±ΡΠ°Π·ΠΎΠ²Π°Π½ΠΈΡ,
1987.
[2] Π. ΠΠ°ΡΠ°ΠΌΠ°Π·Π·Π°, Π. ΠΠ°ΠΊΠΊΠ»ΠΎΡΠΊΠΈ ΠΈ Π. ΠΡΠΈΠ½, Β«ΠΠ°ΠΈΠ²Π½Π°Ρ Π²Π΅ΡΠ° Π²Β« ΠΈΠ·ΠΎΡΡΠ΅Π½Π½ΡΡ Β»ΡΡΠ±ΡΠ΅ΠΊΡΠΎΠ²:
Π½Π΅ΠΏΡΠ°Π²ΠΈΠ»ΡΠ½ΡΡ ΠΏΡΠ΅Π΄ΡΡΠ°Π²Π»Π΅Π½ΠΈΠΉ ΠΎ ΡΡΠ°Π΅ΠΊΡΠΎΡΠΈΡΡ ΠΎΠ±ΡΠ΅ΠΊΡΠΎΠ²Β», Ρ. 9, pp. 117β123, 1981.
[3] Π. Π. ΠΠ°ΠΊΠ΄Π΅ΡΠΌΠΎΡΡ, Π. Π. Π ΠΎΠ·Π΅Π½ΠΊΠ²ΠΈΡΡ ΠΈ Π. Π₯. ΠΠ°Π½ ΠΠΈ, Β«Π‘ΡΡΠ΄Π΅Π½ΡΠ΅ΡΠΊΠΈΠ΅ ΡΡΡΠ΄Π½ΠΎΡΡΠΈ Π² ΡΠΎΠ΅Π΄ΠΈΠ½Π΅Π½ΠΈΠΈ
Π³ΡΠ°ΡΠΈΠΊΠΎΠ² ΠΈ ΡΠΈΠ·ΠΈΠΊΠΈ: ΠΏΡΠΈΠΌΠ΅ΡΡ ΠΈΠ· ΠΊΠΈΠ½Π΅ΠΌΠ°ΡΠΈΠΊΠΈΒ», Am.J. Phys., Π’. 55, Π½Π΅Ρ. 6, pp. 503β
513, 1987.
[4] Π. Π₯Π°ΠΌΠΌΠ΅Ρ, Β«Π Π΅ΡΡΡΡΡ Π΄Π»Ρ ΡΡΡΠ΄Π΅Π½ΡΠΎΠ² Π΄Π»Ρ ΠΈΠ·ΡΡΠ΅Π½ΠΈΡ Π²Π²ΠΎΠ΄Π½ΠΎΠΉ ΡΠΈΠ·ΠΈΠΊΠΈΒ», Am. J. Phys., Π’. 68, ΡΡΡ.
S52, 2000.
[5] Π.Π. Π₯Π°ΠΌΠΌΠ΅Ρ, Β«ΠΡΠΏΠΎΠ»ΡΠ·ΠΎΠ²Π°Π½ΠΈΠ΅ ΡΠΏΠΈΡΡΠ΅ΠΌΠΎΠ»ΠΎΠ³ΠΈΡΠ΅ΡΠΊΠΈΡ ΡΠ΅ΡΡΡΡΠΎΠ² Π΄Π»Ρ ΠΈΠ·ΡΡΠ΅Π½ΠΈΡ ΡΠΈΠ·ΠΈΠΊΠΈΒ», J. Learn.
ΠΠ°ΡΠΊΠ°, Ρ. 12, Π²ΡΠΏ. 1, 2003.
[6] Π. Π₯Π°ΠΌΠΌΠ΅Ρ, Π. ΠΠ»Π±ΠΈ, Π . Π. Π¨Π΅ΡΡ ΠΈ Π. Π€. Π Π΅Π΄ΠΈΡ, Β«Π Π΅ΡΡΡΡΡ, ΠΊΠ°Π΄ΡΠΈΡΠΎΠ²Π°Π½ΠΈΠ΅ ΠΈ ΠΏΠ΅ΡΠ΅Π΄Π°ΡΠ°Β»,
Transf. Π£ΡΠΈΡΡ. ΠΈΠ·β¦, Ρ. 1β26, 2005.
[7] Π.Π. ΠΠ΅Π»ΡΡΠ΅Ρ ΠΈ Π . Π. Π’ΠΎΡΠ½ΡΠΎΠ½, Β«ΠΠ½ΡΠΎΡΠΌΠ°ΡΠΈΠΎΠ½Π½ΠΎΠ΅ ΠΏΠΈΡΡΠΌΠΎ ALIP β 1: ΠΈΠ½ΡΡΡΡΠΊΡΠΈΡ Π°ΠΊΡΠΈΠ²Π½ΠΎΠ³ΠΎ ΠΎΠ±ΡΡΠ΅Π½ΠΈΡ ΠΏΠΎ ΡΠΈΠ·ΠΈΠΊΠ΅
Β», Am. J. Phys., Π’. 80, Π½Π΅Ρ. 6, ΡΡΡ. 478, 2012.
[8] J. P. Smith III, A. a. ΠΠΈΠ‘Π΅ΡΡΠ° ΠΈ ΠΠΆ. Π ΠΎΡΠ΅Π»Ρ, Β«ΠΠΎΡΡΠΎΠ·Π΄Π°Π½ΠΈΠ΅ Π½Π΅ΠΏΡΠ°Π²ΠΈΠ»ΡΠ½ΡΡ ΠΏΡΠ΅Π΄ΡΡΠ°Π²Π»Π΅Π½ΠΈΠΉ: ΠΊΠΎΠ½ΡΡΡΡΠΊΡΠΈΠ²ΠΈΡΡΡΠΊΠΈΠΉ Π°Π½Π°Π»ΠΈΠ· Π·Π½Π°Π½ΠΈΠΉ Π² ΠΏΠ΅ΡΠ΅Ρ ΠΎΠ΄Π½ΡΠΉ ΠΏΠ΅ΡΠΈΠΎΠ΄Β», J. Learn. Sci., Π’. 3, Π²ΡΠΏ. 2, pp.
115β163, 1993.
[9] W. Potter et al., Β«Π¨Π΅ΡΡΠ½Π°Π΄ΡΠ°ΡΡ Π»Π΅Ρ ΡΠΎΠ²ΠΌΠ΅ΡΡΠ½ΠΎΠ³ΠΎ ΠΎΠ±ΡΡΠ΅Π½ΠΈΡ ΠΏΠΎΡΡΠ΅Π΄ΡΡΠ²ΠΎΠΌ Π°ΠΊΡΠΈΠ²Π½ΠΎΠ³ΠΎ ΠΎΡΠΌΡΡΠ»Π΅Π½ΠΈΡ
ΡΠΈΠ·ΠΈΠΊΠΈ
(CLASP) Π² ΠΠ°Π»ΠΈΡΠΎΡΠ½ΠΈΠΉΡΠΊΠΎΠΌ ΡΠ½ΠΈΠ²Π΅ΡΡΠΈΡΠ΅ΡΠ΅ Π² ΠΡΠ²ΠΈΡΠ΅Β», Am .J. Phys., Π’. 82, Π½Π΅Ρ. 2, ΡΡΡ. 153β163, ΡΠ΅Π²ΡΠ°Π»Ρ 2014 Π³.
[10] Π. ΠΠΆΠΎΠ½ ΠΈ Π‘. ΠΠ»Π»ΠΈ, Β«Π¦Π΅ΠΏΠΈ ΠΏΠΎΡΡΠΎΡΠ½Π½ΠΎΠ³ΠΎ ΡΠΎΠΊΠ°: I. ΠΠΎΠΊΠ°Π·Π°ΡΠ΅Π»ΡΡΡΠ²Π° ΠΌΠ΅Π»ΠΊΠΎΠ·Π΅ΡΠ½ΠΈΡΡΠΎΠΉ ΠΊΠΎΠ½ΡΠ΅ΠΊΡΡΠ½ΠΎΠΉ Π·Π°Π²ΠΈΡΠΈΠΌΠΎΡΡΠΈ Β»,
Eur. J. Phys., Π’. 38, Π½Π΅Ρ. 38, 2017.
[11] Π. ΠΠΆΠΎΠ½, Π‘. ΠΠ»Π»ΠΈ, Β«Π¦Π΅ΠΏΠΈ ΠΏΠΎΡΡΠΎΡΠ½Π½ΠΎΠ³ΠΎ ΡΠΎΠΊΠ°: II. ΠΠΏΡΠ΅Π΄Π΅Π»Π΅Π½ΠΈΠ΅ ΠΎΠΏΠΎΡΠ½ΡΡ ΠΈΠ΄Π΅ΠΉ Π² ΡΠ΅ΠΏΡΡ ΠΏΠΎΡΡΠΎΡΠ½Π½ΠΎΠ³ΠΎ ΡΠΎΠΊΠ° Β»,
Eur. J. Phys., Π’. 38, Π½Π΅Ρ. 38, 2017.
[12] Π. Π΄ΠΈ Π‘Π΅ΡΡΠ°, Β«Π ΡΠΏΠΈΡΡΠ΅ΠΌΠΎΠ»ΠΎΠ³ΠΈΠΈ ΡΠΈΠ·ΠΈΠΊΠΈΒ», Cogn. ΠΠ½ΡΡΡ., Π’. 10, Π²ΡΠΏ.

ΠΡΠΈ ΡΠ°ΠΊΠΎΠΉ Π½Π΅ΠΏΠΎΠ»Π°Π΄ΠΊΠΈ Π½Π° ΡΠΊΡΠ°Π½Π΅ Π±ΠΎΡΡΠΎΠ²ΠΎΠ³ΠΎ ΠΊΠΎΠΌΠΏΡΡΡΠ΅ΡΠ° Π²ΡΡΠ²Π΅ΡΠΈΡΡΡ ΡΠΎΠΎΡΠ²Π΅ΡΡΡΠ²ΡΡΡΠ΅Π΅ ΡΠΎΠΎΠ±ΡΠ΅Π½ΠΈΠ΅ ΠΎΠ± ΠΎΡΠΈΠ±ΠΊΠ΅. ΠΡΠ»ΠΈ Π²Ρ Π΅Π΅ ΡΠ°ΡΡΠΈΡΡΡΠ΅ΡΠ΅, ΡΠΎ ΡΠ·Π½Π°Π΅ΡΠ΅ ΠΎ ΡΠΎΠΌ, ΡΡΠΎ ΠΊΠΎΠΌΠΏΡΡΡΠ΅Ρ Π·Π°ΡΠΈΠΊΡΠΈΡΠΎΠ²Π°Π» Π½Π΅ΡΠ°Π±ΠΎΡΠΎΡΠΏΠΎΡΠΎΠ±Π½ΠΎΡΡΡ ΡΠΏΡΠ°Π²Π»ΡΡΡΠ΅Π³ΠΎ ΠΌΠΎΠ΄ΡΠ»Ρ. Π’Π°ΠΊΠΈΠ΅ ΠΏΡΠΎΠ±Π»Π΅ΠΌΡ ΠΎΠ±ΡΡΠ½ΠΎ ΡΠ²ΡΠ·Π°Π½Ρ Ρ Π½Π΅ΠΏΠΎΠ»Π°Π΄ΠΊΠ°ΠΌΠΈ Π² ΠΏΠ°ΠΉΠΊΠ΅.
ΠΡΠ»ΠΈ Π½Π΅ΠΈΡΠΏΡΠ°Π²Π½ΠΎΡΡΡ ΡΠ²ΡΠ·Π°Π½Π° Ρ Π½Π΅ΡΠ°Π±ΠΎΡΠ°ΡΡΠΈΠΌ Π΄Π°ΡΡΠΈΠΊΠΎΠΌ, ΡΠΎ ΡΡΡΡΠΎΠΉΡΡΠ²ΠΎ ΠΏΠΎΠ΄Π»Π΅ΠΆΠΈΡ ΡΠ½ΡΡΠΈΡ ΠΈ Π·Π°ΠΌΠ΅Π½Π΅.
Π‘ ΠΏΠΎΠΌΠΎΡΡΡ ΡΠ²Π΅ΡΠ½ΠΎΠ³ΠΎ ΠΌΠ°ΡΠΊΠ΅ΡΠ° ΠΈΠ»ΠΈ Π΄ΡΡΠ³ΠΎΠ³ΠΎ ΠΎΠ±ΠΎΠ·Π½Π°ΡΠ΅Π½ΠΈΡ, ΠΎΡΠΌΠ΅ΡΠ°Π΅ΠΌ ΠΏΠΎΠ»ΠΎΠΆΠ΅Π½ΠΈΠ΅ ΡΡΠ»Π΅Π²ΠΎΠ³ΠΎ ΠΊΠΎΠ»Π΅ΡΠ° Π½Π° Π²Π°Π»Ρ, ΠΊΠΎΡΠΎΡΠΎΠ΅ ΡΠΎΠΎΡΠ²Π΅ΡΡΡΠ²ΡΠ΅Ρ Π΅Π³ΠΎ ΠΏΡΡΠΌΠΎΠΉ ΠΎΡΠΈΠ΅Π½ΡΠ°ΡΠΈΠΈ;
ΠΡΠΊΡΡΡΠΈΠ²Π°Π΅ΠΌ Π±ΠΎΠ»Ρ Π³ΠΎΠ»ΠΎΠ²ΠΊΠΎΠΉ Π½Π° 13;

ΠΡΠ»ΠΈ Π²Ρ Π΅Π΅ ΡΠ°ΡΡΠΈΡΡΡΠ΅ΡΠ΅, ΡΠΎ ΡΠ·Π½Π°Π΅ΡΠ΅ ΠΎ ΡΠΎΠΌ, ΡΡΠΎ ΠΊΠΎΠΌΠΏΡΡΡΠ΅Ρ Π·Π°ΡΠΈΠΊΡΠΈΡΠΎΠ²Π°Π» Π½Π΅ΡΠ°Π±ΠΎΡΠΎΡΠΏΠΎΡΠΎΠ±Π½ΠΎΡΡΡ ΡΠΏΡΠ°Π²Π»ΡΡΡΠ΅Π³ΠΎ ΠΌΠΎΠ΄ΡΠ»Ρ. Π’Π°ΠΊΠΈΠ΅ ΠΏΡΠΎΠ±Π»Π΅ΠΌΡ ΠΎΠ±ΡΡΠ½ΠΎ ΡΠ²ΡΠ·Π°Π½Ρ Ρ Π½Π΅ΠΏΠΎΠ»Π°Π΄ΠΊΠ°ΠΌΠΈ Π² ΠΏΠ°ΠΉΠΊΠ΅.
ΠΠΎΠΆΡΡ
ΠΊΡΠ΅ΠΏΠΈΡΡΡ Π½Π° Π½Π΅ΡΠΊΠΎΠ»ΡΠΊΠΎ Π±ΠΎΠ»ΡΠΎΠ², ΠΈΡ
Π½Π°Π΄ΠΎ Π²ΡΠΊΡΡΡΠΈΡΡ ΠΈ ΠΎΡΠ»ΠΎΠΆΠΈΡΡ Π² ΡΡΠΎΡΠΎΠ½Ρ. Π‘Π½ΡΡΠΈΠ΅ ΡΡΠ»Π΅Π²ΠΎΠ³ΠΎ ΠΊΠΎΠ»Π΅ΡΠ° ΠΎΡΡΡΠ΅ΡΡΠ²Π»ΡΠ΅ΡΡΡ Ρ ΡΡΠ΅ΡΠΎΠΌ ΡΠ΅ΠΊΠΎΠΌΠ΅Π½Π΄Π°ΡΠΈΠΉ, ΠΎΠΏΠΈΡΠ°Π½Π½ΡΡ
Π² ΡΠ΅ΡΠ²ΠΈΡΠ½ΠΎΠΌ ΠΌΠ°Π½ΡΠ°Π»Π΅.
ΠΠΌΠ΅Π½Π½ΠΎ ΠΎΡΠ»Π°Π±ΠΈΡΡ, Π° Π½Π΅ Π²ΡΠΊΡΡΡΠΈΠ²Π°ΡΡ. ΠΠΎΠ³Π΄Π° Π³Π°ΠΉΠΊΠΈ Π±ΡΠ΄ΡΡ ΠΎΡΠ»Π°Π±Π»Π΅Π½Ρ, Π½ΡΠΆΠ½ΠΎ Π΄Π΅ΠΌΠΎΠ½ΡΠΈΡΠΎΠ²Π°ΡΡ ΡΠ»Π΅ΠΊΡΡΠΎΡΡΠΈΠ»ΠΈΡΠ΅Π»Ρ ΠΈΠ· ΠΏΠΎΡΠ°Π΄ΠΎΡΠ½ΠΎΠ³ΠΎ ΠΌΠ΅ΡΡΠ°, Π΅Π³ΠΎ ΡΠ½ΡΡΠΈΠ΅ ΠΎΡΡΡΠ΅ΡΡΠ²Π»ΡΠ΅ΡΡΡ Ρ ΠΏΡΠΎΠΌΠ΅ΠΆΡΡΠΎΡΠ½ΡΠΌ Π²Π°Π»ΠΎΠΌ. ΠΠΎ ΠΌΡ ΡΠ΅ΠΊΠΎΠΌΠ΅Π½Π΄ΡΠ΅ΠΌ Π²ΡΠ΅ ΠΆΠ΅ ΠΎΡΡΠΎΠ΅Π΄ΠΈΠ½ΠΈΡΡ ΡΡΠΈΠ»ΠΈΡΠ΅Π»Ρ ΠΎΡ Π²Π°Π»Π°, ΡΡΠΎ ΠΏΠΎΠ·Π²ΠΎΠ»ΠΈΡ Π±ΡΡΡΡΠΎ ΠΎΡΠΈΡΡΠΈΡΡ ΠΠ£Π ΠΈ ΡΠΏΡΠΎΡΡΠΈΡΡ ΠΏΡΠΎΡΠ΅Π΄ΡΡΡ ΠΌΠΎΠ½ΡΠ°ΠΆΠ°.
Β Π Π°Π·ΡΠ΅Π΄ΠΈΠ½ΠΈΡΡ ΠΊΠΎΠ»ΠΎΠ΄ΠΊΠΈ Ρ ΠΏΡΠΎΠ²ΠΎΠ΄Π°ΠΌΠΈ ΠΎΡ Π·Π°ΠΌΠΊΠ° Π·Π°ΠΆΠΈΠ³Π°Π½ΠΈΡ.
ΠΠ΅ΠΌΠΎΠ½ΡΠ°ΠΆ ΡΡΠ»Ρ ΠΏΡΠΎΠ²ΠΎΠ΄ΠΈΡΡΡ Π² ΡΠΎΠΎΡΠ²Π΅ΡΡΡΠ²ΠΈΠΈ Ρ ΡΠ΅ΡΠ²ΠΈΡΠ½ΠΎΠΉ ΠΊΠ½ΠΈΠΆΠΊΠΎΠΉ ΠΊ Π°Π²ΡΠΎΠΌΠΎΠ±ΠΈΠ»Ρ.