Что такое иммобилайзер, и для чего он нужен
Практически всегда в комплектации приобретаемого нового автомобиля значится строка «штатный иммобилайзер», да и подержанные автомобили таким устройством в большинстве своем не обделены. Более того, многие владельцы даже не знают о том, что он имеется в их автомобиле, поскольку его работа не заметна при повседневной эксплуатации. Что же такое иммобилайзер, для чего он нужен, и может ли он заменить сигнализацию?
Что такое иммобилайзер?
Иммобилайзер – это электронное противоугонное устройство, функция которого – препятствовать запуску двигателя и передвижению на автомобиле при попытке угона. Собственно, основная функция иммобилайзера скрыта в его названии – с английского слово immobilizer переводится как «обездвиживатель».
Конструктивно иммобилайзеры могут быть различными – к примеру, некоторые могут размыкать электрические цепи автомобиля, ответственные за зажигание или подачу топлива, а иные – работать по CAN-шине, программно блокируя запуск двигателя.
В повседневной эксплуатации работа иммобилайзера незаметна для автовладельца: как правило, для разблокировки служит ключ или брелок, который, попадая в замок зажигания или просто в радиус опознавания блока иммобилайзера, отключает последний и позволяет беспрепятственно завести двигатель.
Каковы достоинства и недостатки иммобилайзера?
Достоинства иммобилайзера как противоугонного устройства очевидны: он обеспечивает определенный уровень защиты от кражи автомобиля, при этом зачастую входя в список штатного оснащения и не требуя дополнительной установки. Степень защиты зависит от типа иммобилайзера, а также от места его установки: чем проще до него добраться, вскрыв автомобиль, тем меньшую потенциальную защиту от угона он обеспечивает. С этим, к слову, связан основной недостаток штатных иммобилайзеров: они удобны тем, что чип разблокировки встроен в штатный ключ и не требует дополнительных манипуляций для пуска двигателя, но проблема в том, что штатные иммобилайзеры устанавливаются на конвейере в штатное место, и угонщик, знающий, где располагается иммобилайзер в той или иной модели, может быстро его «обезвредить».
Может ли иммобилайзер заменить сигнализацию?
Подобным вопросом задаются некоторые автовладельцы, желающие, к примеру, сэкономить на установке сигнализации. Однако конкретного ответа на него дать нельзя просто потому, что сигнализация и иммобилайзер – это разные по функционалу устройства. Сигнализация, как известно, служит для оповещения окружающих и владельца автомобиля при попытке угона, привлекая внимание световыми и звуковыми сигналами и передавая на брелок соответствующую информацию. Иммобилайзер же не оповещает никого о попытке угона, а лишь препятствует его осуществлению, поэтому сигнализация и иммобилайзер могут не заменять, а лишь дополнять друг друга.
Стоит отметить при этом, что большая часть сигнализаций имеет в своем составе собственный дополнительный иммобилайзер, который устанавливается в пару к штатному или, в его отсутствие, в качестве основного. Преимущество этого нештатного иммобилайзера в том, что его, в отличие от штатного, можно расположить в неизвестном и труднодоступном для угонщика месте.
Что такое иммобилайзер в машине, зачем он нужен и как его отключить
Иммобилайзер — что это такое и для чего он нужен в машине? С английского языка слово «иммобилайзер» дословно можно перевести, как «обездвиживатель». Это устройство предназначено для защиты автомобиля от угона. Чаще всего иммобилайзерами машины оснащаются еще на заводском конвейере.
Назначение иммобилайзера состоит в отключении самых важных электрических цепей (таких, как система зажигания, стартера и пр.) при несанкционированных попытках завести автомобиль. Даже в случае механического повреждения его элементов, отключенные системы авто продолжают оставаться заблокированными. В отличие от других видов противоугонных устройств, на этом функциональное назначение иммобилайзера и заканчивается.Принцип работы иммобилайзера
Обычно иммобилайзер включает в себя, как минимум, три основных элемента:
- Блок управления.
- Коммутатор электрических цепей.

- Ключ с электронным чипом.
Блок управления, как следует из его названия, управляет всеми элементами системы иммобилайзера. Коммутационное устройство, в виде одного или нескольких реле, подключает и отключает электрические цепи управления.
Для управления встроенным иммобилайзером обычно применяется ключ замка зажигания со встроенным электронным чипом, в котором записан код для разблокировки системы. Считывание кода происходит автоматически, при вставлении такого ключа в замок зажигания.
Однако встречаются модели иммобилайзеров, требующие введение кода вручную. Прежде чем запустить двигатель в такой системе, сначала нужно поднести ключ к специальному детектору на приборной панели, после чего ввести секретный код.
Все типы иммобилайзеров имеют возможность самостоятельного включения противоугонного режима по истечении определенного промежутка времени, если владелец автомобиля не осуществлял никаких манипуляций с машиной.
Для чего нужен обходчик иммобилайзера
При установке на автомобиль противоугонной сигнализации с автозапуском, необходимым условием ее функционирования становится применение обходчика иммобилайзера.
В качестве обходчика обычно используют чип, извлеченный из запасного ключа зажигания, или непосредственно сам запасной ключ. Также можно сделать копию чипа или приобрести дополнительный ключ у официального автодилера.
Обходчик иммобилайзера надежно прячется под приборной панелью, после чего подключается к системе управления автомобилем и установленной сигнализации. Таким образом, завести двигатель дистанционно становится возможным только в режиме автозапуска с разрешения автосигнализации.
Как отключить иммобилайзер
Иногда появляется необходимость отключить иммобилайзер, например, в случае его неисправности, создания препятствий в работе дополнительно установленной противоугонной системы или по другим причинам. Сделать это лучше всего, прибегнув к услугам специализированной автомастерской, так как самостоятельное вмешательство может привести к дополнительным проблемам – автомобиль просто перестанет заводиться.
Поэтому ремонт иммобилайзера, его замену или полное отключение следует производить исключитеотно с помощью специалистов.
Что такое иммобилайзер в автомобиле. Для чего нужен чип иммобилайзера или эмулятор иммобилайзера?
Иммобилайзер (immobilizer) – защитное противоугонное устройство, которое воспрепятствует работе основных узлов автомобиля при попытке привести его в движение без ведома владельца. Очень полезное и эффективное устройство – многие страховые компании заключают договор страхования автомобиля от угона, только если он оснащен иммобилайзером.
Определить наличие устройства в автомобиле визуально нельзя, он не подает звуковых сигналов. Задача иммобилайзера – помешать угонщику. Даже если злоумышленник обнаружит устройство и разрушит его или сумеет отключить – все элементы по-прежнему останутся заблокированными.
Принцип работы иммобилайзера
Разберемся в том, как работает иммобилайзер. При попытке злоумышленника завести автомобиль, прибор блокирует основные узлы транспортного средства: зажигание, стартер, подача топлива. Машина «глохнет» и не заводится.
Провод от иммобилайзера (2) подключен к системе зажигания автомобиля при помощи разъема (1). В данном случае блокируется возможность появления искры зажигания
Существуют и более остроумные модификации: автомобиль благополучно заводится, покидает место стоянки и начинает «барахлить» только через некоторое время. Смысл в том, что к тому времени угонщик покинул изолированное место, где осуществлял угон, и оказался на улице, на виду. Как показывает практика, «неисправный» автомобиль преступник оставляет там, где он «сломался».
Из каких деталей состоит иммобилайзер?
Иммобилайзер состоит из 3 основных элементов:
- блок управления – «мозг», который подает сигнал об активации устройства;
- электромагнитные реле – осуществляют разрыв электрических сетей и обездвиживают автомобиль;
- чип ключ – элемент управления, который находится у владельца и активирует систему.

Разновидности иммобилайзеров
Иммобилайзеры с ручным управлением остались в прошлом. Многие производители перешли на выпуск электронных иммобилайзеров – они активируются при помощи кодового электронного ключа. Для их активации нет необходимости набирать код для блокировки устройства. Владелец просто носит в кармане брелок или карточку (копия банковской) которые посылают сигнал и блокируют работу прибора в присутствии хозяина. Как только владелец отдаляется от автомобиля – устройство автоматически подключается.
Все иммобилайзеры автоматически активируются по истечении заданного промежутка времени, в течение которого водитель не осуществляет никаких манипуляций с машиной.
Многие модели автомобилей оснащены штатным иммобилайзером даже в базовой комплектации. Встроенный штатный иммобилайзер встречается в автомобилях, оборудованных системами RFID (азиатская и европейская сборка) или VATS (американская сборка). Смысл встроенного иммобилайзера в том, что автомобиль можно завести только «своим» ключом, который подключен к электронике конкретной машины.
Завести автомобиль любым другим ключом невозможно.
Как обойти иммобилайзер при установке сигнализации или в иных необходимых случаях?
Существует несколько способов, как обойти иммобилайзер при установке сигнализации.
Если в автомобиль встроен иммобилайзер, но появилось желание установить автосигнализацию, нужно обойти иммобилайзер. В этом случае используются модули обхода иммобилайзеров (обходчик) или эмулятор иммобилайзера.
Эмулятор иммобилайзера (модуль обхода) – электронное устройство (микросхема). Когда автомобиль заводится устройство эмулирует правильный сигнал для иммобилайзера.
Если потерялся один из ключей зажигания со встроенным иммобилайзером, можно оставшийся ключ разобрать и достать чип. Чип крепится на замок зажигания – тогда любой ключ, которым заводится автомобиль, будет отключать устройство.
Возможные проблемы с иммобилайзером и их решение
Проблемы с ключом
Неиспроавность иммобилайзера, как правило, проявляется в проблемах с ключом:
- потеря ключа;
- стирание кода;
- несовпадение кодов при установке блоков управления б/у.

Чип иммобилайзера также можно назвать «чип-ключ» — устройство, которое подает кодированный сигнал в блок управления и дезактивирует устройство. Чип с ручным управлением – это кнопочная панель, с помощью которой вводится пин-код. С 1994 года производители в основной массе перешли на электронные ключи. Чип штатного иммобилайзера встроен в ключ зажигания или представляет собой брелок, карточку и активируется при запуске автомобиля или в непосредственной близости владельца.
Поскольку чип на многих моделях вживлен в ключ зажигания, прижилось название чип-ключ или просто ключ иммобилайзера, хотя на самом деле чип представляет собой скорее пароль, набор цифр или числовой пароль, который транслируется в блок управления иммобилайзера для его активации.
Числовая метка срабатывает как ответ на запрос системы и питается энергией магнитного поля запроса, что породило комбинированное название метки – транспондер. Транспондерный иммобилайзер – это модель, в которой ключ иммобилайзера вмонтирован в головку ключа зажигания.
Если при запуске автомобиля иммобилайзер не получает ответный сигнал с чип-ключа, автомобиль реагирует также, как при попытке угона – двигатель глохнет и транспорт обездвиживается. Такая защитная система создает проблемы для владельца, если ключ (брелок, карточка) утерян.
Возможны и случаи программного сбоя устройства, в этом случае его необходимо перепрограммировать. Новый ключ нужно перепрограммировать или «прошить» таким образом, чтобы иммобилайзер воспринимал как «свой» сигнал, подаваемый новым чипом. Процедуру перепрограммирования чип-ключа иммобилайзера называют по-разному: прошить, поженить, адаптировать, регистрировать. Но суть одна – совместить блок управления иммобилайзера с новым ключом. При чем это необязательно ключ зажигания – может быть тот же брелок или карточка, которые выполняют роль ключа для иммобилайзера, а не автомобиля.
Прошивка иммобилайзера
Прошивка иммобилайзера осуществляется, когда есть сервисный доступ к программе системы. Получить доступ можно с помощью пин-кода.
Пин на иммобилайзер, некоторые корпорации выдают владельцу при приобретении автомобиля со встроенным иммобилайзером на карточке. Даже на индивидуальной карточке пин защищен защитной стираемой полоской. Карточки с номерами пин-кода выдаются на модели Сузуки, Киа, Крайслер, Опель, Рено, Нисан и другие.
С 1998 года многие производители не выдают карточки с пин-кодом для перепрограммирования ключа иммобилайзера владельцам. Пин необходимо запрашивать у производителя через официального дилера. Пароль применяется только один раз. В результате перед покупателем в случае утраты карточки с пин-кодом или ключа встает перспектива покупки у производителя комплекта деталей иммобилайзера.
Сервисные центры предлагают регистрацию ключей для иммобилайзера при отсутствии пин-кода с помощью специального компьютерного оборудования и программного обеспечения. Также доступна услуга по изготовлению ключей со встроенным иммобилайзером и дубликатов на случай, если у автомобиля несколько владельцев или про запас.
В любом случае, все манипуляции с иммобилайзером в солидном автосервисе проведут только при предоставлении документов, которые свидетельствуют о праве собственности клиента на автомобиль.
Что делать, если иммобилайзер не дает завести автомобиль?
Если возникли проблемы с устройством или утерян ключ и иммобилайзер не дает владельцу завести машину, его можно отключить таким образом, чтобы это не препятствовало работе автомобиля. Для этого устанавливается специальное электронное устройство – эмулятор.
Эмулятор иммобилайзера
Эммулятор «обходит» программу защиты непосредственно в блоке управления, и иммобилайзер никак не влияет на управление транспортом.
как он выглядит, за что отвечает и для чего предназначен в автомобиле
Иммобилайзер в машине — это такое устройство, которое нужно для обеспечения высокой безопасности автомобиля. По принципу действия иммо отличается от традиционных автосигнализаций и других противоугонных средств.
Содержание
[ Раскрыть]
[ Скрыть]
Что такое иммобилайзер в автомобиле?
Дословно иммобилайзер в машине — это обездвиживатель. Механизм, предназначенный для предотвращения незаконного запуска силового агрегата либо других систем транспортного средства. К примеру, стартерного устройства.
В основном установка блокираторов выполняется производителями авто на дорогие и премиальные модели машин. Если сравнивать со штатными «противоугонками», то блокиратор не позволяет защитить салон от несанкционированного проникновения. Его наличие обеспечивает дополнительное препятствие для пуска мотора либо блокирует силовой агрегат спустя несколько минут после того, как он был запущен.
Управление блокиратором возможно только автовладельцем, у которого имеются устройства для контактного либо бесконтактного пуска ДВС (удаленно).
Описание конструкции устройства
Составляющие блокирующего устройстваКонструктивно блокиратор в автомобиле состоит из:
- управляющего девайса, использующегося для обработки сигналов и исполнения действий;
- коммутационного устройства электроцепей (одно либо несколько), предназначено для подключения либо отключения контактов;
- ключ управления, оснащенный специальным цифровым чипом.

Беспроводной вид устройств для авто состоит из:
- Чипа-ключа. В отличие от традиционных блокираторов беспроводные элементы управления выглядят в виде метки, выполняющей функцию радиочастотной авторизации. Она монтируется в верхней части ключа. По конструкции изготовлена в виде чипа.
- Антенного модуля. Предназначен для обмена информацией между управляющим модулем и чипом. В различных типах блокираторов применяются разные виды антенных модулей. Наиболее распространенный вариант — кольцевой, такая антенна монтируется вокруг выключателя зажигания. В современных блокираторах могут применяться несколько типов антенн.
- Управляющего девайса. Используется для генерации импульсов, исходящих от чипа, и приема сигналов от антенного модуля. После приема и обработки модуль преобразует сигналы в управляющие импульсы и передает их на ЭБУ мотора.
Принцип действия блокиратора
Схематичное объяснение принципа действия иммоПринцип действия средства для защиты от угона зависит от классификации устройства:
- Оборудование, использующееся для препятствия пуска силового агрегата.
Этот тип устройств создает блокирующий импульс, передающийся на управляющий девайс и блокирующий функционирование системы впрыска и подачи горючего. Либо сигнал не дает правильно функционировать электрическому оборудованию. - Устройства, которые позволяют завести мотор и дают ему поработать какое-то время, обычно не более двух минут. Преступник, совершивший угон машины, сможет проехать определенное расстояние. После чего электронный модуль начнет выдавать ошибки о функционировании различных систем. Отказать работать может трансмиссия, система подачи и впрыска горючего либо электрическая часть автомобиля. Вряд ли злоумышленник начнет ремонтировать машину.
- Бесконтактный тип устройств предназначен для реагирования на отдаление автовладельца с транспондером на определенное расстояние. Данный вид блокираторов позволяет не допустить угона машины при силовом захвате, когда преступник выбрасывает автовладельца на ходу из салона. Блокировка основных систем произойдет при отдалении антенны от владельца машины.

Если имеется иммо, нужна ли сигнализация?
Автомобильный иммо отвечает за блокирование мотора машины, но он не может полноценно заменить охранную систему. Блокиратор является хорошим дополнением к сигналке, но в его функции не входит оповещение владельца машины о взломе или угоне. Если транспортное средство не будет угнано, то к моменту обнаружения взлома машина может быть разграблена. Иммо относится к базовому средству защиты авто, но для повышения его уровня транспортное средство рекомендуется оборудовать сигналкой.
Другое дело, если в сигнализации есть встроенная функция иммо. Некоторые модели противоугонных установок включают в себя до десяти устройств, управляющихся посредством электроцепей машины либо высокочастотных импульсов. Эти приборы могут устанавливаться в предохранительные монтажные блоки. Данный вариант сигналок позволит защитить объект от взлома профессиональными преступниками.
Андерй Кондрашов рассказал о защите диалоговых меток иммо от ретрансляции.
Разновидности иммобилайзеров
Между собой блокирующие средства от угона делятся на:
- бесконтактные иммо дальнего диапазона действия;
- бесконтактные приборы малого диапазона работы;
- контактные устройства;
- блокираторы, оборудованные функцией управления капотным замком.
Бесконтактный иммобилайзер дальнего радиуса
Такие девайсы имеют диапазон работы, составляющий от 5 до 10 метров. Установка основного управляющего модуля выполняется за центральной консолью в салоне машины. Устройство передачи импульсов используется для считывания на расстоянии и его надо носить отдельно от ключа зажигания. В случае силового захвата авто бесконтактный блокиратор остановит силовой агрегат машины.
Бесконтактный иммобилайзер малого радиуса
Приемопередатчик блокирующего средства монтируется за центральной консолью, но лучше под ней.
Это связано с тем, что при запуске мотора владельцу машины надо поднести чип ключа к месту монтажа передатчика. Только так можно завести ДВС. Устройства малого радиуса не имеют антиразбойной опции. К основным минусам относятся манипуляции, которые выполняются для пуска ДВС.
Контактный иммобилайзер
Контактный тип устройств функционирует по принципу метки и считывателя, как на домофонах в жилых домах. Приемный модуль монтируется под торпедой со стороны водительского кресла. Старт мотора возможен только после качественного контакта транспондера с меткой, которая может быть установлена в ключе, а приемный модуль — в замке зажигания. Поэтому хранить транспондер можно только с ключами зажигания.
Иммобилайзеры с управлением замком капота
Некоторые модели блокираторов могут оснащаться опцией управления капотным замком. Если метка в транспондере видна приемному устройству, то замок открыт, но когда автовладелец покидает зону действия, управляющий модуль закрывает замок.
Отдельные модели иммо позволяют идентифицировать владельца машины по отпечатку пальца.
Алексей Лямин рассказал о принципе действия и особенностях монтажа блокираторов с замками капота на примере Лексуса.
Преимущества и недостатки иммобилайзеров
Достоинства блокирующих средств:
- Недоступность устройств, сложность визуального определения блокиратора. Наличие традиционной сигналки можно определить по мигающему светодиоду.
- Сложность самостоятельного отключения иммо. Чтобы снять блокировку мотора, преступнику надо знать, в каком месте установлен управляющий модуль.
- Большинство современных угонщиков не знают о принципе действия иммо, поэтому взлом практически невозможен.
Минусов у иммо нет. При правильном использовании устройство будет работать долго, но автовлалелец должен следить за зарядом АКБ. Если произойдет разряд батареи, иммо может расценить это как попытку взлома и заблокирует ДВС.
Возможные проблемы с иммобилайзером и их решение
Проблемы при использовании блокирующего средства часто связаны с ключом:
- утеря устройства;
- удаление кодировки;
- несовпадение кодировки при монтаже управляющих модулей.
На многих современных устройствах чип монтируется в ключ, представляющий собой набор символов или код, передающийся на управляющий девайс. Если ключ потерян, то единственный способ решить проблему — заказать новый у специалистов. При программных сбоях требуется перепрограммирование устройства. Выполняется перепрошивка ключа, чтобы модуль иммо идентифицировал его правильно. Процедура перепрошивки производится при наличии сервисного доступа к программе блокиратора. Для получения доступа используется пароль, который должен быть на карте иммо.
При отсутствии карты надо запрашивать пароль у производителя машины или у дилера, использовать код можно один раз. Возможно, придется покупать целый комплект деталей блокиратора. Можно обратиться к специалистам, которые изготовляют ключи.
Независимо от ситуации, для решения проблемы потребуются документы, подтверждающие право собственности пользователя на транспортное средство.
Если из-за блокиратора не получается завести мотор, есть вариант отключения оборудования. Для решения задачи выполняется установка обходчика или эмулятора. Предназначение устройства заключается в обходе защитной составляющей в управляющем модуле. В дальнейшем наличие иммо не повлияет на работу двигателя или других систем.
Фотогалерея
На фото представлены популярные модели бесконтактных и контактных иммо.
Видео «Особенности ремонта иммо»
Алексей З рассказал о нюансах проведения самостоятельного ремонта блокирующего средства для защиты от угона машины.
что это, зачем нужен и что делать, если не сработал, какие существуют разновидности, зачем отключать, как работает это устройство, особенности выбора
В настоящее время почти каждый современный автомобиль оснащен стандартной системой защиты от угона.
При этом многие водители все равно предпочитают устанавливать дополнительную сигнализацию, даже не вспоминая про иммобилайзер. Что это такое, в машине ли находится и как работает? Разберем подробнее в статье.
Что это такое и как оно работает
Как работает иммобилайзер в автомобиле — вопрос интересный. Основной его задачей является защита от угона транспортного средства.
Принцип работы достаточно прост: защита происходит за счет разъединения электроцепи, которая обеспечивает работоспособность зажигания и подачи топлива, а также “крутит” стартер.
В отличие от большинства устройств сигнализации, работающих по принципу закрытия-открытия дверей и срабатывания звукового сигнала, иммобилайзер оснащен более интеллектуальной системой. Сам термин означает “обездвиживание”.
Любой электронный иммобилайзер представляет собой набор следующих элементов:
- Блок управления электронный. Основной задачей данного элемента является обработка сигналов, которые генерируются в различных узлах авто, а так же их расшифровка и передача необходимых команд в блок управления на основании полученных результатов.

- Реле. Сам элемент выполняет механическую функцию разрыва цепи, по которой происходит запуск транспортного средства.
- Клапан топливный. Его установка стала производиться относительно недавно на современных моделях. Его задача — обеспечить перекрытие доступа бензина или дизельного топлива в систему, тем самым обездвиживая автомобиль.
- Ключ зажигания. Распознавание ключа является неотъемлемой частью работы системы, поскольку вся работа идет через вмонтированный чип.
Потеря или кража ключа может стать причиной угона автомобиля!
Разновидности
Как и любой электронный элемент, иммобилайзер имеет различные виды и типы работы.
Контактный
- Для запуска двигателя требуется всего-лишь вставить ключ в специальный разъем на панели авто, после чего происходит автоматическое считывание кодов и, соответственно, запуск системы.
- На современных авто он используется редко, поскольку давно есть более усовершенствованные виды.

- К недостаткам подобного вида можно отнести то, что установка всегда производится в одно и то же место, о чем уже прекрасно осведомлены мошенники.
- Так же подобный тип требовал ввода кода с помощью определенного переключателя, что являлось дополнительным элементом, следовательно, лишним слабым звеном в цепи.
Бесконтактные
Здесь уже не требуется ввод каких-либо кодов и паролей, а также упрощена сама система.
Сигнал автоматически отправляется на ключ при его вводе в систему зажигания. Ответ приходит от чипа, встроенного в ключ, а система самостоятельно автоматически генерирует электронный пароль.
- То есть в данном устройстве нет дополнительных элементов и звеньев, увеличивающих возможность взлома системы.
- К сожалению, не во всех ситуациях можно ограничиться только сочетанием ключа зажигания с замком.
- Некоторые бесконтактные иммобилайзеры имеют небольшое расстояние работы между блоками, встроенными в автомобиль и ключ.

- То есть для запуска двигателя требуется сначала приложить ключ в какое-либо место на панели приборов, а уже потом запускать двигатель.
Более современные иммобилайзеры автомобильный код могут считать с расстояния в несколько метров, т.е. не потребуется дополнительных действий от водителя.
При этом не стоит беспокоиться о том, что сигнал может кто-то перехватить. Для этого мошеннику потребуется неоправданно дорогая аппаратура, которая работает на данных частотах.
Мобильные
- Последние разработки смогли достичь того, что блокировка может быть произведена даже во время движения автомобиля.
- Если вдруг случилась ситуация, когда угонщик смог вскрыть автомобиль и тронуться с места, иммобилайзер сработает на факт удаления от блока разблокировки — “таблетки”.
- Максимум, угонщик сможет проехать несколько сотен метров.
- Данный метод блокировки будет удачен в том случае, если происходит не тайное хищение ТС, а откровенный разбой с нападением на водителя и отъемом ключей.

- Конечно, сработает подобный тип только в том случае, если “таблетка” не находится с ключами на одной связке, а спрятана отдельно в кармане у водителя.
- Блокировка подачи топлива происходит уже на движущемся авто, что существенно затрудняет дальнейшие действия угонщиков в плане похищения ТС.
Как выбрать иммобилайзер
Никто не сможет решить за водителя, какой же метод защиты для него будет наиболее удобен и качественен: есть как приверженцы современных методов защиты, так и классической.
В любом случае, при выборе оборудования следует руководствоваться следующими принципами:
- Минимальное количество ключей, которые следует иметь водителю, — два. Один необходимо хранить дома на случай утери первого, чтобы суметь воспользоваться собственным ТС.
- Установку дополнительного иммобилайзера следует проводить только в сертифицированных центрах или автосалонах.
- Обязательно необходимо ознакомиться со схемой подключения, а так же с принципом работы: не всем авто может подойти любой иммобилайзер.

- Метка иммобилайзера всегда должна храниться в отдельном месте относительно документов на автомобиль и связки ключей, чтобы избежать угона авто.
Иммобилайзер никогда не сможет защитить машину самостоятельно, помимо него желательна также установка дополнительной защиты.
Частые проблемы
Нередки ситуации, когда водитель не может запустить свой автомобиль даже с использованием штатного ключа, что происходит, конечно, в самый неподходящий момент. Что блокирует иммобилайзер в таких ситуациях?
Наиболее частые проблемы достаточно просты:
- Села батарейка. Поскольку у любого электронного прибора должен быть источник питания, то иммобилайзер берет энергию из батарейки. Замену можно произвести самостоятельно, разобрав блок. Но стоит помнить, что при этом можно лишиться гарантии.
- Сильное магнитное поле. Трансформаторная будка, сварочные работы и даже звонок мобильного могут повлиять на работу иммобилайзера.
Данные нарушения являются временными, поэтому попытку запуска можно повторить через несколько минут. - Прошивка иммобилайзера. К сожалению, никто не застрахован от того, что из строя выйдет не только электронная часть, но и программная. Доступ к прошивке можно получить после подключения компьютера и ввода специального кода доступа. Этот самый код можно узнать на индивидуальной карте, прилагаемой в документации к установленной защите.
Как обойти иммобилайзер
Что такое иммобилайзер на авто — уже описано выше, а как же быть, если необходимо установить дополнительную сигнализацию, а она конфликтует с уже установленным средством защиты?
В настоящее время существуют модули, которые используются именно для обхода иммобилайзеров. В большинстве сигнализаций они идут в комплекте.
Если же выбранная сигнализация не имеет подобного блока, то необходимо доверить выбор подобного блока специалисту, поскольку каждый случай индивидуален и не всегда выбранный блок может подходить одновременно двум защитам.
Заключение
Что такое штатный иммобилайзер в автомобиле — достаточно распространенный вопрос для многих автомобилистов. В статье подробно рассмотрены виды подобной защиты, а также ситуации, при которых она может выйти из строя.
Источник: https://prava.expert/avtoyurist/voditelyu/immobilajzer-esli-ne-srabotal.html
Зачем отключать иммобилайзер: причины и последовательность
Современные автомобили оснащаются электронными системами защиты. Однако эти узлы нередко конфликтуют с основной электроникой машины в процессе выполнения своих функций.
В качестве системы защиты применяется иммобилайзер (ИММО), который не позволит завести мотор без кода доступа, хранящегося в чипе на ключе. Иммобилайзер встраивают в электронный блок управления автомобилем (ЭБУ). Однако в некоторых жизненных ситуациях лучше данную функцию защиты отключить.
Именно этому вопросу – зачем отключать иммобилайзер и каким способом это осуществить – будет посвящена наша статья.
Как работает иммобилайзер
Слово «иммобилайзер» имеет английские корни. В буквальном переводе обозначает «обездвиживатель».
На практике это целая электронная система, выполняющая функцию запрета запуска двигателя, если отсутствует чип с уникальным кодом. Чтобы достичь цели, иммобилайзер вмешивается в работу критически важных автомобильных узлов.
Чаще всего в защите участвуют системы топливоподачи и зажигания. Иммобилайзер блокирует одну из них или сразу обе.
Рассмотрим подробнее, как работает иммобилайзер. Алгоритмы его работы можно разделить на два типа. Первый просто отключает электропитание важных узлов двигателя. Второй подает напряжение на специализированное устройство, которое непосредственно блокирует работу мотора.
Независимо от принципа работы итог один – силовой агрегат автомобиля не функционирует. Причем простые способы отключения иммобилайзера не сработают. Если оборвать провода или разобрать защитное устройство, то система расценит это как попытку взлома и заблокирует авто.
Также иммобилайзеры обладают функцией автоматической активации. Если машина некоторое время не используется, то электроника самостоятельно переводит иммобилайзер в режим защиты от несанкционированного доступа. Время ожидания обычно определяется производителем.
Обычно иммобилайзер состоит из следующих частей:
- Блок управления. Электронный мозг системы. Принимает сигналы от различных датчиков и выдает команды на отключение или включение механизма защиты.
- Электромагнитное реле (микроиммобилайзер). Это исполнительный механизм, при помощи которого обычно реализуют обрыв цепи управления зажиганием.
- Ключ владельца автомобиля. Он содержит микрочип с вшитым паролем. Если блок управления опознал чип как верный, автомобиль заводится. Если же нет – включается блокировка. Пароль закодирован в чипе в виде определенной последовательности сигналов. Кроме чипов, в качестве защитных элементов используется специальная карта.
Существует два основных типа автомобильных иммобилайзеров:
- Контактные — активизируются при помощи ключа, вставляемого в замок зажигания.

- Бесконтактные — вводятся в работу при помощи бесконтактных устройств, которые могут быть в виде карты или транспордера.
Существуют также иммобилайзеры, которые включаются и выключаются при помощи ввода цифрового кода на специальной клавиатуре.
Способ работы иммобилайзера напоминает сигнализацию. Правда есть и ряд очень значимых отличий. Современные системы сигнализации обладают широчайшим списком функций. Например, передают владельцу спутниковые координаты местонахождения автомобиля.
Также хозяин получит сообщение в случае попытки взлома машины. Иммобилайзеры таких функций не имеют, выполняя лишь роль блокировки работы мотора и движения авто. Поэтому большой радиус действия им ни к чему.
Обычно он измеряется несколькими метрами или даже сантиметрами.
Часто иммобилайзеры выполнены в виде миниатюрных устройств (реле). Кроме того, внешне они маскируются под какие-либо другие детали или приборы. Самый распространенный вариант – реле, напоминающее предохранитель.
Устанавливаемое в блок этих самых предохранителей, оно никак не привлекает к себе внимания. А значит, злоумышленнику потребуется неприемлемо много времени, чтобы найти и отключить такое устройство.
Если в конструкции авто таких микроприборов используется несколько, то на их поиск и отключение может понадобиться не один день.
«Горит лампочка поворотника: разбираемся в проблеме» Подробнее
Существуют иммобилайзеры, которые производят блокировку мотора с отсрочкой. Это сделано для того, чтобы поставить автоугонщика в крайне невыгодную ситуацию. То есть после вскрытия машина заводится как ни в чем не бывало.
Однако, проехав пару сотен метров, автомобиль глохнет, потому что начал действовать иммобилайзер. Злоумышленник оказывается в обездвиженном автомобиле на дороге среди множества машин и людей. Это привлекает внимание само по себе.
Выбор у вора невелик: либо как можно быстрее скрыться, либо устранять причину остановки, рискуя быть пойманным.
Зачем отключать иммобилайзер
Основная функция иммобилайзера – обездвижить транспортное средство. Реализуется это при помощи отключения двигателя через заданное расстояние или время. Функция очень полезна, если машину пытаются угнать. Но может быть совсем некстати, если по каким-либо причинам сработает ложно, а хозяину срочно нужен автомобиль.
В такой ситуации единственное действенное средство – отключить работу иммобилайзера. Это может понадобиться в следующих ситуациях:
- Аккумулятор авто полностью разряжен и сбился код защитного устройства.
- В процессе диагностики машины система иммобилайзера была подключена неправильно.
- Ошибки или полный отказ электронного блока управления.
- Требуется завести двигатель транспортного средства удаленно.
Данный список далеко не полный. Это лишь самые часто встречающиеся мотивы избавиться от защиты автомобиля.
Можно выделить несколько групп причин, по которым отключают иммобилайзер:
- Программные ошибки.

- Аппаратные неисправности.
- Мешает установке прочего необходимого оборудования.
Каждая группа проблем имеет определенное решение.
- Программные сбои
- Аппаратные ошибки Эти неисправности присущи физическому уровню оборудования. Наиболее типичные – окисление контактов, выгорание реле и тому подобное. Электронные приборы очень боятся перепадов напряжения, которые нередки в бортовой сети авто. Случается, что электронный блок полностью теряет работоспособность в тот момент, когда машина заблокирована. В этой ситуации очень пригодятся навыки отключения иммобилайзера. Также частыми причинами отказа иммобилайзера являются обрыв или замыкание проводки, выгорание полупроводниковых элементов и других деталей. «Замена цепи ГРМ Фольксваген: когда и как менять» Подробнее
- Несовместимость с другим оборудованием Зимой многие автомобилисты хотят иметь возможность удаленного прогрева двигателя своей машины.
Иммобилайзер напрямую препятствует такой функции, ведь в этом случае мотор должен запускаться без кода безопасности. Поэтому устройство прогрева подключают так, чтобы обойти систему блокирования. Если водитель считает присутствие иммобилайзера бесполезной функцией, его отключают совсем.
Как отключить иммобилайзер
Важное примечание – отключать ИММО лучше в том случае, если водитель досконально знает свое транспортное средство и процессы программирования. Пригодится также понимание электрической части машины. В целом описать последовательность действий по отключению иммобилайзера просто, так как на любом авто эта операция состоит из похожих действий.
Работа как контактного, так и бесконтактного ИММО строится на следующих принципах:
- считывание кода, содержащегося в чипе, при помощи антенны;
- электронный блок управления сравнивает полученный код с хранящимся в памяти эталоном. Если сигналы совпадают, формируется команда, разрешающая работу мотора.
В противном случае двигатель заблокируется; - далее команду принимает микросхема, управляющая ЭБУ;
- именно программу этой микросхемы и нужно подвергнуть модификации. Точнее удалить данные об иммобилайзере. После чего последний можно просто отключить. В некоторых случаях вместо программирования микросхему заменяют новой.
Важно: перед отключением иммобилайзера нужно лишний раз подумать, нет ли других путей решения задачи. И только когда все варианты устранения неисправности не принесли результата, можно прибегнуть к отключению противоугонной защиты.
Чтобы успешно отключить иммобилайзер, запаситесь следующими приборами и инструментами:
- шуруповерт или крестовые отвертки;
- торцовый ключ на 10;
- персональный компьютер или ноутбук;
- программатор ПАК-типа и программа к нему, которую необходимо скачать из Интернета;
- паяльник и принадлежности;
- изолента.
Успешность отключения ИММО базируется на строгом соблюдении нижеизложенной последовательности действий:
- найти электронный блок управления и отключить от него все разъемы;
- вскрыть корпус ЭБУ, найти на плате нужную микросхему и демонтировать ее;
- при помощи программатора заменить прошивку микросхемы.
Новая прошивка не должна содержать информацию об ИММО; - аккуратно впаять микросхему на место и произвести обратную сборку электронного блока управления;
- теперь ЭБУ не будет посылать никаких команд иммобилайзеру, так как просто не знает о его наличии;
- в самом ИММО нужно отсоединить или перерезать провода, подключенные к контактам 9 и 18;
- обрезанные провода соединить вместе и заизолировать место скрутки. Это позволит работать корректно системе диагностики авто;
- все снятое оборудование установить на штатные места, подключить к ЭБУ все ранее отсоединенные разъемы.
Важно: существует альтернативное решение по отключению иммобилайзера, гораздо менее трудоемкое. Для этого нужно воспользоваться прибором под названием «киллер».
Принцип его работы похож на универсальный ключ. Также широкое применение находят эмуляторы.
Использование такого устройства позволяет не только отключить ИММО, но и установить на авто любую сигнализацию от стороннего производителя.
Отечественный автопром оснащается иммобилайзерами с таким же принципом действия, что и импортные устройства. Автомобили ВАЗ (от «Калины» до «Нивы-Шевроле») имеют дурную славу из-за частых отказов электронного блока управления.
Именно поэтому отключение иммобилайзера для них очень актуально. Однако сами по себе приборы защиты, устанавливаемые в машинах ВАЗ (импортный Bosch M1.5.4, АПС-6 и устаревший АПС-4, «Январь 5.1.» и VS.1), средние по качеству.
В процессе снижения себестоимости машин ВАЗ ухудшилось качество и надежность отдельных узлов и агрегатов. Затронуло это также иммобилайзер с ЭБУ и их программную начинку. В некоторых моделях авто нужно набрать код ИММО нажатиями на педаль акселератора, если блок управления завис.
«Замена цепи ГРМ на Киа: когда и как это делать» Подробнее
В целом же система, состоящая из ЭБУ, иммобилайзера и ключа зажигания, содержащего чип, функционирует таким же образом, как на авто других моделей и марок.
Что говорят автовладельцы об отключении иммобилайзера
1. Перерыв в вождении и отключение
«Перед ремонтом иммобилайзера или прошивкой ключа я всегда интересуюсь у клиента предысторией вопроса. То есть интересно, какие причины или действия привели к отказу ИММО.
Проанализировав полученную информацию, выяснил, что наиболее часто возникновению проблем предшествовал сильный разряд аккумулятора. Чаще всего заряд падает ниже 9 Вольт. Очень распространено это явления зимой, но случается и летом.
Например, автомобилист уехал в отпуск, оставив авто в гараже. Перед отъездом проверил заряд аккумулятора, он был нормальным.
Спустя две недели вернулся и обнаружил, что при попытке запуска двигателя загорается сообщение «иммобилайзер активирован», а также мигает индикатор в виде машины с ключом.
Поэтому рекомендую в случае планируемого долгого планового простоя машины снимать клемму с аккумулятора. Зимой эта предосторожность будет очень актуальной.
Все без исключения отказы иммобилайзера случались, когда разряд батареи происходил плавно».
2. Устройство чипа иммобилайзера
«В ключе находится чип, который содержит специальный код. Иммобилайзер обнаруживает чип и считывает код.
Поэтому если вдруг ИММО выдает ошибку, то возможны два варианта: вышел из строя чип в ключе либо код, записанный в памяти, поврежден или утерян.
Когда сломан чип, можно воспользоваться запасным ключом или обратиться к дилеру за новым, если машина покупалась в салоне. В случае проблем с памятью ЭБУ необходимо восстановить там оригинальный код, совпадающий с кодом чипа».
3. Снятие блокировки иммобилайзера
«Отключение режима Lock mode:
- Выключить зажигание.
- Включить зажигание с зарегистрированным ключом.
- Подождать 5 секунд.
- Выключить зажигание
- Повторить шаги 3 раза.
- Двигатель должен завестись.
Lock mode – это режим блокировки.
Он активируется, если было несколько попыток завести мотор с ключом без чипа».
4. Как предотвратить поломку блока иммобилайзера
«Столкнувшись однажды с отказом иммобилайзера, не хочется повторять этот печальный опыт. Поэтому принимаем определенные меры предосторожности. Главная из них – не допускать разряда аккумулятора. Следует также исключить прикуривание от других авто или источников питания, так как чувствительный ЭБУ плохо переносит подобные процедуры».
5. Эффективен ли иммобилайзер против угона
«Для хорошего злоумышленника не составляет трудностей отключить ИММО. Ведь каким-то образом машины угоняют. Были случаи, когда машина, помимо иммобилайзера, оснащалась дополнительными устройствами защиты, однако от угона это не спасло».
Источник: https://rad-star.ru/pressroom/articles/zachem-otkluchat-immobilajzer/
Что делать если иммобилайзер заблокировал запуск двигателя? Способы решения проблемы
Иммобилайзер: что это такое в машине?
Иммобилайзер – это эффективное электронное противоугонное устройство, которое используется в современных автомобилях.
Смысл работы этого прибора заключается в том, чтобы заблокировать в автомобиле подачу электричества и топлива для незаконного водителя, что значит лишить его возможности завести машину и уехать на ней.
(Название устройства происходит от английского immobiliser – в переводе «обездвиживатель» – и полностью себя оправдывает). Теперь иммобилайзер что это такое в машине, понятно.
В технической плоскости основной задачей этого электронного прибора является распознание и идентификация сигналов специального чипа. В зависимости от результатов сканирования противоугонный прибор либо разрешает запустить двигатель и начать движение, либо нет. Это значит, что даже если злоумышленник смог проникнуть в машину, то угнать её у него не выйдет.
Как работает это устройство?
Иммобилайзер устроен достаточно просто. Помимо специального чипа (транспондеры чип иммобилайзера), о котором мы уже упомянули, есть ещё встроенная в автомобиль плата, которая осуществляет считывание информации с этого чипа.
Сигналы, «секретный код», посылаются чипом транспондером в виде электромагнитных импульсов.
Встроенная плата управления при помощи специальной электромагнитной катушки считывает сигналы с ключа и сравнивает их с теми, которые записаны как образец в памяти компьютера автомобиля.
Если всё в порядке, то третья составляющая иммобилайзера – электромагнитное реле – снимет блокировку с систем электронного бортового управления и автомобиль заведётся. Если же управляющая плата не найдёт необходимых сигналов, то все жизненно важные системы автомобиля будут заблокированы.
Принцип работы иммобилайзера в том, чтобы не дать злоумышленнику возможности завести двигатели автомобиля и уехать на нём. Определить визуально обустроена машина иммобилайзером, или нет, невозможно. Внешних признаков нет никаких, звукового сопровождения во время его работы тоже нет.
На сегодняшний день автомобили могут быть оснащены разными типами иммобилайзеров: контактными, бесконтактными, а также «защищающими в движении».
В контактных иммобилайзерах чип расположен в ключе машины, а считывающая плата в замке зажигания. Разумеется, ключи от машины могут и украсть, поэтому как дополнительная противоугонная мера рядом с замком зажигания возможна небольшая клавиатура для ввода секретного кода. Или же дополнительный датчик для сканирования отпечатка пальца законного владельца авто.
В бесконтактных иммобилайзерах чип, посылающий сигналы, может быть вмонтирован в брелок, карточку по форме напоминающую банковскую, или что-либо другое. (Получается своеобразный карманный иммобилайзер). А принимающая сигналы плата – это уже больше антенна, которую могут установить в обшивке салона автомобиля. Радиус действия такой антенны мал – не более десяти сантиметров.
А вот в иммобилайзерах, которые именуются как «защищающие в движении», радиус действия принимающей платы большой. Но тут уже и принцип реагирования другой – блокировка двигателя возможна только при движении автомобиля.
Данная система очень эффективна при разбойном нападении. Предположим водителя выбросили, заняли его место, уехали, а потом раз – и двигатель заглох.
Важно, только чтобы брелок транспондер запускающий механизм блокировки автомобиля, оставался у законного водителя.
Изучая эту тему, может возникнуть ещё один вопрос: «штатный иммобилайзер что это такое в машине?» Всё просто. Штатный – значит идущий в заводской комплектации автомобиля. Зачастую его система очень глубоко интегрирована в конструкцию авто. Но если производители не предусмотрели противоугонных устройств, то можно поставить иммобилайзер дополнительно.
Способы разблокировки иммобилайзера
Впрочем, бывают случаи, когда иммобилайзер, блокирующий работу автомобиля, мешает самому владельцу машины. И тут возможны несколько способов реагирования.
Снимаем блокировку двигателя с помощью сервисной кнопки
Разблокировать иммобилайзер можно с помощью сервисной кнопки в салоне автомобиля, а именно кнопки управления центральным замком.
Первое, что нужно сделать – это ввести аварийный код.
Для этого следует включить зажигание (лампочка устройства начнёт медленно мигать). Снова включаем зажигание (секунды на три загорится лампа впрыска топлива и потухнет, а лампа иммобилайзера ускорит своё мигание).
А вот теперь нажимаем и удерживаем кнопку управления центральным замком.
Сигнальная лампа иммобилайзера будет мигать медленнее, а мы, в свою очередь, будем отсчитывать эти вспышки. Как только их количество совпадёт с первым числом кода, сервисную кнопку отпускаем.
Затем снова нажимаем, и удерживаем её ровно на то количество миганий, которому соответствует вторая цифра кода. И так со всеми цифрами кода. Если всё будет сделано верно, то противоугонное устройство будет отключено, и двигатель машины спокойно заведётся.
Лампа иммобилайзера будет напоминать об отключенной защите автомобиля каждый раз, когда вы будете включать зажигание.
Понимая как работает иммобилайзер в автомобиле, следует помнить, что он автоматически снова заблокирует машину при отключении АКБ.
Но также следует учесть, что описанные действия не помогут раскодировать компьютер, или разблокировать электроклапан. С помощь аварийного кода можно только завести двигатель.
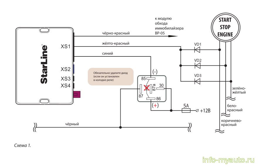
Случайно заблокировали двигатель
Рассмотрим ситуацию на примере автосигнализации StarLine. Допустим, вы включаете зажигание, но автомобиль не заводится. При этом сигнальная лампочка иммобилайзера часто мигает, а на брелоке отображается надпись «иммо». Что делать?
Первое, можно вынуть ключ из замка зажигания, а потом нажать на брелоке кнопку открытия центрального замка дверей. Всё, ненужные функции отключены. Второе, выйти из машины, поставить сигнализацию в режим охраны, через пару секунд снять сигнализацию с этого режима, после чего садиться и ехать.
Как обнаружить неисправности сигнализации: советы
- Одна из распространённых причин, из-за которой иммобилайзер не позволяет завести машину – это низкий заряд АКБ. Предположим, если аккумулятор сел и заряда не хватает для того, чтобы провернуть стартёр, то сразу же срабатывает механизм блокировки запуска двигателя.
Это одна из защитных функций, которую выполняет иммобилайзер – если электропитание отключено, или напряжение в электроцепи автомобиля упало, то запуск двигателя блокируется. Выход – заменить, или зарядить АКБ. - Плохо закреплённые клеммы на батарее, тоже могут стать причиной неисправности. В этом случае нужно их проверить, зачистить, обработать специальным средством, а при необходимости поджать.
Правильным действием будет проверка концевиков (концевых выключателей). Они находятся под крышкой капота и багажника. Дело в том, что туда может попадать влага, из-за чего концевик окисляется, что в итоге искажает сигналы, поступающие на плату управления. - Ещё одна причина, по которой можно столкнуться с ситуацией «иммобилайзер заблокировал запуск двигателя что делать?» – это сгоревший предохранитель. Что нужно? Проверить, найти неисправный предохранитель, заменить новым, рабочим.
- Нельзя исключать и сбой в работе ключа. Здесь могут помочь специалисты из соответствующего автосервиса, которые произведут разблокировку и пропишут новый ключ.
Можно попробовать и самостоятельно, но если есть для этого соответствующие знания и оборудование. - И ещё одна причина, для устранения которой точно не обойтись без квалифицированных специалистов – это сбой в программном обеспечении иммобилайзера. Здесь потребуется перепрошивка и сделать это быстро не получится. С 1998 года пин-карты, содержащие код доступа к программному обеспечению противоугонного устройства, на руки не выдают. Их нужно запрашивать у официального дилера. После чего автосервис при наличии у вас документов и права собственности на автомобиль выполнит перепрошивку.
Чего больше: пользы или хлопот?
Электронный иммобилайзер – устройство, имеющее ряд неоспоримых преимуществ. Во-первых, он не позволит злоумышленнику завести двигатель и уехать.
Во-вторых, даже если автоугонщик придумает, как обойти эту защиту, то всё равно для этого у него потребуется время, в течение которого его могут поймать.
К тому же если не было тщательной подготовки угона, то так сразу можно и не понять, где находится прибор.
Ну а для владельца авто наличие иммобилайзера особых хлопот не доставляет. Разве что если речь идёт о бесконтактном типе устройств с дальним радиусом действия. Брелок транспондер в этом случае работает от батареек, которые нужно вовремя менять. А также если это ключ транспондер, то важно не вешать его в одну связку со всеми остальными ключами. Удачи на дорогах!
Источник: http://enjoy-cars.ru/nachinaushim/ustrojstvo-avtomobilya/immobilajzer-zablokiroval-zapusk-dvigatelya.html
Что такое иммобилайзер и зачем он нужен в автомобиле?
В переводе с английского «иммобилайзер» – это «обездвиживатель». Этот прибор необходим для защиты транспортного средства от возможного угона. Зачастую иммобилайзерами автомобили оснащают еще на автозаводском конвейере.
Фото из открытых источников
Как работает иммобилайзер?
Не будет лишним понять принцип действия иммобилайзера. Во время попытки правонарушителя завести машину, устройство блокирует главные узлы авто, такие как:
- В результате блокирования перечисленных элементов автомобиль «глохнет», а все попытки его завести сводятся к нулю.

- Есть и более «хитрые» разновидности, принцип работы которых заключается в следующем: машина успешно заводится, уезжает с парковки и начинает «барахлить» лишь спустя определенный промежуток времени.
- Суть в том, что к этому моменту злоумышленник успевает уехать из изолированной парковки, с которой угнал транспортное средство, и оказывается на виду, на дороге.
- Как демонстрирует практика, «поврежденный» автомобиль злоумышленник сразу же бросает в том месте, где он «заглох».
Из чего состоит иммобилайзер?
Иммобилайзер изготавливается из трех ключевых компонентов:
1. БУ – блок управления, подающий сигнал относительно активации прибора. 2. Магнитно-электрические реле, которые прекращают работу электросетей, в результате чего машина прекращает движение. 3. Ключ – компонент управления, находящийся у собственника авто, который и активирует систему. Фото из открытых источников
Зачем нужен обходчик иммобилайзера?
В процессе монтажа на транспортное средство сигнализации, предназначенной для предотвращения угона, обязательным требованием для ее успешной работы является использование обходчика иммобилайзера.
Роль обходчика, как правило, играет микросхема, которая извлекается из резервного ключа зажигания, либо резервный ключ. Кроме того, есть возможность изготовить копию микросхемы либо купить резервный ключ у формального дилера авто.
Обходчик иммобилайзера надежно скрывается за панелью приборов, вслед за чем подсоединяется к СУ транспортного средства и инсталлированной сигнализации. Следовательно, завести двигатель на расстоянии можно лишь в режиме автоматического запуска с позволения сигнализации.
Необходимость в сигнализации при наличии иммобилайзера
Иммобилайзер не способен стать достойной заменой автомобильной сигнализации – он отлично дополняет ее, однако не имеет возможности уведомить о вероятном угоне. Не исключено, что ко времени выявления угона транспортное средство, оставленное без внимания, будет разворовано.
В заключении стоит отметить, что иммобилайзер является базовой степенью защиты дорогих моделей автомобилей от злоумышленников. Но так или иначе, в обязательном порядке следует оборудовать авто бортовой «сигналкой», извещающей собственника машины о том, что его транспортное средство хотят угнать.
Источник: https://zen.yandex.ru/media/id/5c611c115deb9800afcbabab/5cd2c878a1c44300b3cecb84
Зачем нужен иммобилайзер и что делать если он не сработал
Здравствуйте, в этой статье мы постараемся ответить на вопрос «Зачем нужен иммобилайзер и что делать если он не сработал». Также Вы можете бесплатно проконсультироваться у юристов онлайн прямо на сайте.
Проще — угонщик может взломать дверной замок, может сломать замок зажигания, может даже запустить двигатель. Но ненадолго. Система перекроет доступ топлива и обесточит двигатель, как только двигатель проработает несколько секунд, если запустится вообще.
Итак, что такое иммобилизатор на авто, мы разобрались.
Что касается принципа работы, то он заключается в разрыве электрической цепи, например, в цепи зажигании, также иммо может подавать сигнал на механизм, использующийся для блокировки езды.
Если же преступник попытается взломать работу иммо, то противоугонная установка, вероятнее всего, также произведет блокировку основных систем транспортного средства, оперируя установленными функциями.
Иммобилайзер не видит ключ, что делать? Как в таком случае завести авто?
При утрате ключа или возникновении проблем с иммобилайзером, отключить устройство можно при помощи эмулятора. Он обходит программу защиты в ЭБУ, и на управление машиной никак не влияет.
Само слово слышали многие, но вот далеко не каждый знает о том, что уже при покупке автомобиля иммобилайзер «предоставляет свои услуги». Что это такое, как его установить самостоятельно, если в комплекте прибора не оказалось?
Это распознаваемый системой ключ, карта-метка, Pопределенный код, который нужно набрать и т. Д. Имеются модели Pс кодовым способом отключения нужно набрать комбинацию на специальной панели.
Случается, водители даже не имеют понятия, что их автомобиль оснащен иммобилайзером. Современные идентификаторы (передатчики) расположены в корпусе ключа и вам не нужно применять «фишку» или вводить код, как это было в старых моделях.
Устройства взаимодействует друг с другом, когда вы вставляете ключ в замок зажигания.
В этом случае приемная антенна системы прячется под обшивку салона, а управляет всем иммобилайзером брелок или карточка (например, по форме и размерам повторяющая кредитную, но возможны и другие варианты). Они в свою очередь делятся на: — малого радиуса действия, — большого радиуса действия.
В зависимости от модели, иммо может иметь функцию под названием «0 секунд». Эта функция также считается автономной и используется она для дополнительной блокировки силового агрегата. То есть когда автовладелец отключит иммо, чтобы полностью разблокировать систему, ему придется нажать на кнопку разблокировки еще один раз. Управляться систему может при помощи ключа либо карточки.
Далеко не каждый автомобилист имеет глубокие познания в области радиоэлектроники, этим и пользуются многочисленные сервисы, которые втюхивают новую электронику за сумасшедшие деньги.
В более старых транспортных средствах (например, в некоторых Citroen) был использован кодовый иммобилайзер, где перед запуском автомобиля необходимо было ввести свой ПИН-код на клавиатуре. Позже их заменили популярные «сигналки» — лица, не имеющие транспондера, не могли уехать на машине.
Первые иммобилайзеры, имеющие ручное управление, ушли в прошлое. Большинство автопроизводителей выпускают электронные устройства, которые активируются кодовым электронным ключом. Для этого набор кода блокировки на устройстве не требуется, а водителю достаточно носить при себе брелок или карточку, что деактивирует прибор в присутствии владельца авто.
Если отключить устройство не получилось, необходимо перепрошивать ЭБУ, чего самостоятельно делать мы не рекомендуем. Однако если другого выхода просто нет, постараемся перепрошить ЭБУ ВАЗ-2114 своими руками.
Так вот, иммобилайзер попросту обменивается данными с электронным блоком управления двигателем и при необходимости запрещает ему подавать импульсы на те или иные системы.
Как оказалось, проблема весьма популярная, к сожалению, но о том, как себя вести в такой ситуации знают не многие. В этой статье я попытаюсь дать совет, как решить данную проблему и подскажу, в чем же собственно дело. Поехали!
Иммобилайзеры делятся на заводские (сегодня это почти стандарт) и установленные по заказу клиента. К сожалению, как первые, так и вторые не лишены недостатков, нет гарантии их отказа в самый неподходящий момент. Пол беды, если откажет транспондер в одном из ключей — вы всегда можете использовать запасной. Беда начинается тогда, когда выходит из строя приёмник.
Иммобилайзер не может заменить сигнализацию — он прекрасно дополняет сигнализацию, но не может известить об угоне. Вполне возможно, что к моменту обнаружения факта угона, автомобиль, оставленный без присмотра, подвергнется разграблению. Иммобилайзер – это базовый уровень защиты дорогостоящего транспортного средства от угонщиков.
Ещё избавиться от штатного охранника бывает необходимо в том случае, когда назрела потребность в более продвинутой сигнализации, более надёжной и более сложной, скажем, с автозапуском.
Разберемся в том, как работает иммобилайзер. При попытке злоумышленника завести автомобиль, прибор блокирует основные узлы транспортного средства: зажигание, стартер, подача топлива. Машина «глохнет» и не заводится.
Ещё избавиться от штатного охранника бывает необходимо в том случае, когда назрела потребность в более продвинутой сигнализации, более надёжной и более сложной, скажем, с автозапуском.
Принцип работы электронного иммобилизатора в машине, как пользоваться меткой и ключом. Лучшие штатные и нештатные автомобильные системы. За что отвечает иммо в автомобиле и какие действия выполняет.
как узнать работает ли иммобилайзер
От, собственно, противоугонной функции, до автозапуска и видимости авто на спутниковой карте. У иммобилайзера функционал гораздо скромнее. Охранные и сигнальные функции здесь не приоритетны и встречаются очень редко.
Скрытая установка иммобилайзера зачастую не позволяет обнаружить его даже по проводам. Как правило, такие системы используют рабочую электросеть автомобиля, работая на специальных высокочастотных сигналах, а их реле имеют совершенно стандартный вид обычного электрооборудования. Реле (микроиммобилайзеры) могут также специально камуфлироваться,маскироваться.
Существует классификация иммобиайзеров по типу используемых блокировок:
- Проводные, когда сигналы от блока управления к реле поступают по проводам.
- Беспроводные, когда передача сигнала от БУ к реле происходит при помощи радиоволн.
Мы его не видим,не слышим и даже не знаем,где он находится. Просто садимся в автомобиль, вставляем Pключ в замок зажигания, устройство срабатывает,отключая защиту вашего автомобиля от угона. Вынимаем ключ -устройство ставит автомобиль под охрану.
Повышение надежности иммобилайзера, связанного с электрическими цепями автомобиля через замыкающие реле, очевидно. Допустим, угонщик обезвреживает обездвиживатель, не оснащенный электромагнитными реле.
Какой выбрать? Недостатки оборудования
Многие специалисты рекомендуют установку топливного клапана как одну из первоочередных мер по повышению надежности работы иммобилайзера. И в этом случае их рекомендации вполне оправданы.
Ведь электромагнитный топливный клапан позволяет иммобилайзеру распространять свое действие не только на электрооборудование, но и на систему питания двигателя, доставляя тем самым угонщикам гораздо больше хлопот.
Иммобилайзер представляет собой разновидность противоугонной системы, использующейся для обеспечения безопасности авто. И хотя таким устройством сегодня оборудуются многие машине, некоторые автолюбители даже не догадываются о его наличии.
Из этого материала вы сможете узнать, иммобилайзер что это такое в машине, какой его принцип работы и есть ли смысл использовать его вместо сигнализации.
Ситуация, согласитесь, довольно неприятная, и в большинстве случаев заканчивается тем, что люди от безвыходности бьют стекло, чтобы попасть вовнутрь своего авто.
И это лишь один из тысячи примеров, когда электроника приносит массу проблем.
От части именно из-за этой особенности новых авто некоторые «староверы» по-прежнему ездят на своих «старушках» и чинят их своими руками, где-нибудь в гараже…
Ситуация неприятна тем, что вы сидите в своей машине и не можете ее завести, она не слушает вас и не разрешает завести мотор.
Устройство находится внутри автомобиля. Ежедневно, когда владелец машины вставляет ключ зажигания, благодаря неуловимым импульсам отключается защита иммобилайзера. При извлечении ключа зажигания защита полностью восстанавливается. В ключе находится чип, помогающий устройству распознать хозяина.
Контактные иммо. Такие устройства обычно устанавливаются на транспортные средства, относящиеся к бюджетному сегменту рынка. Данная установка состоит из управляющего блока, а также ключа, сама метка, как правило, монтируется в дверь или замок зажигания. В данном случае для того, чтобы активировать охранный режим, необходимо вытащить ключ из замка зажигания или закрыть им дверь.
Существуют устройства, запускающие блокировку двигателя с отсрочкой. Здесь не происходит разрыва цепей блокировки. Они размыкаются при работе двигателя. В таком случае через несколько сотен метров езды машина останавливается.
Обнаружить иммобилайзер очень трудно. Существуют модели, которые состоят из нескольких (до 10) микроприборов, которые управляются через проводку автомобиля и сигналы высокой частоты либо вживлены в блоки предохранителей. Увы, если речь идет о профессиональных угонщиках, во многих случаях штатные устройства оказываются малоэффективными.
Иммобилайзер (англ. immobilizer) — это электронный механизм, блокирующий работу некоторых систем машины. Как правило, перестают работать системы подачи топлива или зажигания.
Информацию о том, как это сделать, можно найти в инструкции модуля, либо в случае заводской модели в инструкции вашего автомобиля.
Вы также можете воспользоваться помощью мобильного почтового сервиса, но он не даёт гарантии запуска автомобиля на месте, а стоимость довольно высока.
Принцип работы иммобилайзера простой, он заключается в разрыве электрической цепи в системе зажигания или подаче питания на блокирующие приборы. Вставляя ключ, водитель отключает защиту, а вынимая — включает ее.
Что такое иммобилайзер в автомобиле и зачем он нужен
Принцип работы прибора заключается в разрыве электрической цепи. Иммобилайзеры оснащаются системой автоматической активации. Если машина какое-то время не используется, то защита включается автоматически. При обнаружении попытки угона системы автомобиля подвергаются блокировке.
Необходимость отключения иммобилайзера может возникнуть у владельца авто по следующим причинам:
- При потере ключа.
- При поломке ЭБУ или других частей иммобилайзера.
- При установке пульта дистанционного запуска двигателя.
- При умышленном отключении устройства, обусловленного убеждением, что для защиты машины достаточно только сигнализации.
- В случае, когда автомобиль не интересен для угонщиков, и применение иммобилайзера бессмысленно.
Кроме всего прочего, ряд иммобилайзеров подключается к датчикам удара, качания и сиренам (в том числе с автономным питанием), превращающим эти обездвиживатели еще и в автомобильные сигнализации. Управление работой некоторых иммобилайзеров может осуществляться посредством пейджинговой связи.
Некоторые владельцы купленных новеньких авто даже не подозревают, что в комплектации его автомобиля уже встроено такое охранное устройство.
С его помощью осуществляется обездвиживание транспортного средства путем блокировки рабочих узлов и механизмов.
Все иммобилайзеры автоматически активируются по истечении заданного промежутка времени, в течение которого водитель не осуществляет никаких манипуляций с машиной.
Источник: https://myursei.ru/osago/28142-zachem-nuzhen-immobilayzer-i-chto-delat-esli-on-ne-srabotal.html
Иммобилайзер в автомобиль, функции и задачи
Настоящей классикой на рынке защиты от угона автомобилей остается штатный иммобилайзер машины. Что такое иммобилайзер, какие задачи выполняет и способен ли он заменить автосигнализацию?
Что такое иммобилайзер в автомобиле – тонкости защиты
Электронное устройство для блокировки запуска двигателя, не позволяя угнать автомобиль даже после доступа в него. На это нам намекает и само название устройство – с английского иммобилайзер переводится именно как «обездвиживатель».
Принцип работы похож, а вот конструктивные решения могут различаться. В частности, некоторые иммобилайзеры могут размыкать электроцепи автомобиля, обеспечивающие зажигание либо подачу топлива. Другие же предполагают работу по CAN для блокировки запуска двигателя. Но в глобальном плане всё довольно похоже – исключить возможный запуск двигателя для самостоятельного передвижения.
Самому владельцу наличие и работа иммобилайзера в автомобиле полностью незаметны. Иммобилайзер в обычных поездках остается полностью незаметным для владельца. Обычно разблокировка производится брелоком либо ключом – при попадании в замок зажигания либо в радиус распознавания блока, он отключит иммобилайзер для возможности запуска двигателя.
Иммобилайзер StarLine i95
Иммобилайзер в автомобиле – ключевые преимущества и возможные недостатки
Установленный в автомобиле иммобилайзер обеспечивает очевидные преимущества работы. Становится основой достаточного уровня защиты от потенциального хищения, без необходимости дополнительного монтажа. При этом общая степень защиты непосредственно зависит от типа конкретного иммобилайзера, места и специфики его размещения.
В этом случае вполне логично правило – чем легче доступ к оборудованию, тем будет проще его отключить. Подобным обстоятельством и обусловлен ключевой недостаток в работе штатного иммобилайзера – из-за встроенного чипа разблокировки непосредственно в штатном ключе. При этом для запуска двигателя не требуются какие-либо дополнительные манипуляции. Но сама установка штатных иммобилайзеров производится на конвейере. Для их размещения используется штатное место, которое прекрасно известно потенциальным угонщикам.
Нужно ли ставить сигнализацию, если есть иммобилайзер
Один из распространенных вопросов в работе установочных центров – нужна и сигнализация, если есть иммобилайзер на автомобиле. Ведь уже какая-то защита реализована, зачем дополнительно переплачивать за возможность купить автосигнализацию.
Но вопрос довольно специфичен – обязательно нужно учитывать разное назначение этих устройств. Сигнализация с обратной связью призвана информировать владельца о статусе охраны, попытках взлома. Иммобилайзер же не будет оповещать владельца или окружающих людей сигналом на дисплей либо срабатыванием сирены. Он призван защитить от попыток угона автомобиля, доступ в который уже удалось получить.
Мотоиммобилайзер StarLine V66
Поэтому в идеале оборудование нужно сочетать – и даже этого обычно недостаточно. Помимо автосигнализации и иммобилайзера, следует подумать о более широком и функциональном охранном комплексе – с возможностью купить GPS маяк на автомобиль, продумать механическую защиту от взлома и доступа внутрь салона.
Многие автосигнализации уже оснащаются дополнительным иммобилайзером. Он дополняет штатный либо заменяет его при отсутствии такового.
Что блокирует иммобилайзер в автомобиле
Обычно предполагается блокировка стартера, зажигания, топливного насоса, бортового компьютера, рулевого управления. Довольно простые в установке и настройке блокировки.
Но они не способны стать преградой для опытных угонщиков, которые легко выявят отключенный блок и смогут обойти существующие блокировки. Поэтому и рекомендуется нестандартный подход к защите автомобиля – с нешаблонными блокировками, значительно усложняющими жизнь угонщиками. Для более эффективной защиты крайне важна помощь квалифицированных установочных центров, которые работают с учетом понимания и предотвращения основных действий угонщиков.
\
Иммобилайзер Pandect IS-670
Зачем нужен обходчик иммобилайзера в автомобиле
Обходчик иммобилайзера в машине становится обязательным условием для реализации автозапуска. Обычно обходчиком становится чип, который извлекают из запасного ключа зажигания либо «хоронится» запасной ключ.
Как отключить иммобилайзер в машине
Преграда для полноценной работы системы или другие обстоятельства нередко заставляют задуматься, как отключить иммобилайзер в автомобиле. Работа требует корректного отношения к автомобилю, поэтому предпочтительна помощь установочного центра – самостоятельное вмешательство может спровоцировать проблемы с нормальным запуском двигателя.
Что такое иммобилайзер и зачем он нужен
Многие страховые компании отказываются страховать автомобиль от угона, если он не оснащен иммобилайзером.
Это устройство ни в коей мере не является альтернативой автосигнализации. У них разное предназначение.
Сигнализация призвана предотвратить взлом и проникновение преступников в салон, а также предупредить владельца, подав соответствующий сигнал.
Иммобилайзер — это электронное противоугонное устройство. Как следует из названия, его задача — обездвижить транспортное средство в случае несанкционированного запуска двигателя. При этом отключенные узлы автомобиля остаются заблокированными даже при отключении или механическом повреждении иммобилайзера.
Противоразбойные модели дают возможность запустить мотор и отъехать на несколько сот метров. Когда автомобиль оказывается на определенном удалении от владельца, имеющего специальный брелок или карточку, двигатель глохнет. Часто это происходит на людном месте, и угонщикам не остается ничего иного, кроме как бросить машину.
Такой вариант полезен, например, если водителя обманом вынудили выйти из салона или насильно выкинули из машины с уже запущенным двигателем.
Устройство и функционирование
Иммобилайзер состоит из трех узлов:
- Блок управления, который запускает устройство и управляет его функционированием.
- Исполнительное устройство, в составе которого имеется одно или несколько электронных реле. Коммутатор подключает или разрывает цепи электропитания и таким образом блокирует те или иные узлы автомобиля либо разрешает их работу.
- Ключ зажигания, в который вмонтирован электронный чип с кодом разблокировки. Этот чип иногда называют транспондером. Срабатывание происходит автоматически, когда ключ вставляется в замок зажигания и блок управления подтверждает подлинность ключа.
В устаревших моделях необходимо вручную вводить пин-код на специальной клавиатуре. Такой способ разблокировки позволяет злоумышленнику осуществить подбор кода.
В более современных иммобилайзерах используется бесконтактный способ считывания кода по радиоканалу. У владельца машины имеется брелок или карточка наподобие кредитки.
Радиус действия может быть различным:
- 10-20 см — водителю нужно сесть в машину и поднести брелок к считывающему устройству;
- несколько метров — брелок подает сигнал заранее и разблокирует систему.
Визуально невозможно определить, оснащен ли автомобиль иммобилайзером. У него нет никаких внешних деталей, он не подает никаких звуковых сигналов и в обычной эксплуатации никак себя не проявляет. Даже сами владельцы транспортных средств иногда не догадываются о наличии у них такого устройства.
Что блокируется
Чаще всего блокируются зажигание, стартер, топливный насос, рулевое управление, а также бортовой компьютер. Такие блокировки достаточно просты в установке. Однако они не станут препятствием для опытных угонщиков, которые легко определят, что именно отключено, и смогут обойти блокировку. Например, если не крутит стартер в машине с механической КПП, мотор можно завести с толкача.
Если коробка автоматическая, на стартер можно подать электропитание, минуя блокировку.
Некоторые сервисные центры предлагают более хитрые, нестандартные блокировки, которые значительно осложняют задачу угонщикам.
К современным иммобилайзерам также возможно подключение различных типов сигнализации — сирены, вибраторы и др.
Штатный иммобилайзер
Большинство выпускаемых в настоящее время машин даже в базовой комплектации имеют вмонтированный штатный иммобилайзер. Он способен защитить от не слишком опытного злоумышленника.
Однако существуют специальные устройства, позволяющие отключить штатный иммобилайзер. Они предназначены для аварийных служб, но им может воспользоваться и профессиональный угонщик. Поэтому не лишними будут дополнительные меры безопасности. Например, электромеханический замок капота.
Что делать, если возникли проблемы
Отключение, ремонт или замену иммобилайзера должны производить только специалисты сервисного центра. В противном случае неграмотные действия могут привести к тому, что двигатель вовсе перестанет запускаться.
В случае программного сбоя можно перепрошить устройство в сервисном центре. Там же можно заказать ключи с вмонтированным иммобилайзером.
Перепрограммирование возможно только при наличии PIN-кода, который выдается владельцу при покупке. Если PIN-код отсутствует, его можно запросить у производителя с помощью официального дилера. Разумеется, при этом необходимо предъявить документы, подтверждающие право собственности на авто.
Почему в автомобилях используется иммобилайзер?
Отправлено 6 января 2019 г. | Автор: wpcarsДля многих из нас, как владельцев транспортных средств, наши самые большие опасения находятся где-то между аварией, механическими проблемами любого рода или взломом нашего автомобиля и, возможно, его угоном. Мы ищем способы защитить себя и свои автомобили, особенно те из нас, кто живет в больших городах или в районах с высоким уровнем преступности. Помимо использования автосигнализации и датчиков защиты от краж , многие новые автомобили также будут иметь иммобилайзеров .
Иммобилайзерыделают почти то же, что и кажется — они обездвиживают автомобиль, чтобы не дать другому человеку угнать вашу машину и уехать с ней без ключа. С внедрением иммобилайзеров в большинстве автомобилей количество краж автомобилей значительно сократилось.
Как работают иммобилайзеры
Иммобилайзеры — это электронная система безопасности или устройство , специально разработанное для автомобиля, который они защищают. Он предотвращает запуск двигателя , когда соответствующий ключ (или жетон) находится вне диапазона и / или присутствует.Чаще всего это останавливает кражу транспортного средства только в том случае, если вор пытается «подключить горячего провода » к транспортному средству. Если они смогли получить ваш ключ, то они смогут завести вашу машину. Однако многие автомобили, произведенные после 2007 (за пределами США еще в 1991 году), обычно будут оснащены иммобилайзерами, и даже более старые автомобили могут иметь дополнительных иммобилайзеров .
Когда были изобретены иммобилайзеры, оператор или владелец транспортного средства должен был не забыть запустить систему, чтобы она сработала.В наши дни, если ваш автомобиль оснащен иммобилайзером, он автоматически включается, когда автомобиль выключается и запирается. Внутри ключа (или токена) находится микросхема , или очень маленький компьютер . Затем он передает уникальный двоичный код, который может быть прочитан блоком управления двигателем автомобиля ( ECU ). Когда ЭБУ может определить, что кодовый ключ является текущим, действительным и присутствует, ЭБУ может запустить двигатель транспортного средства.
В некоторых транспортных средствах попытки использовать несанкционированный или поддельный ключ могут привести к отказу автомобиля от запуска в течение определенного периода времени, а в некоторых высокотехнологичных системах служба безопасности может быть предупреждена о несанкционированной попытке. заставил завести машину.Тем не менее, когда дело доходит до использования иммобилзеров в качестве противоугонных устройств в транспортных средствах, все еще есть некоторые уязвимости. Поскольку они используют электронный чип или транспондер, их можно взломать, находясь внутри автомобиля, и закодировать на новый ключ. Это сложно сделать правильно, и попытки сделать это редко.
Признаки износа иммобилайзера
Для того, чтобы иммобилайзер продолжал функционировать как противоугонный механизм, все аспекты должны функционировать должным образом. Если вы начинаете испытывать проблемы с дверью вашего автомобиля, которая не открывается или вы не можете запереть дверь автомобиля, это может быть признаком того, что ваш брелок неправильно регистрируется в системе иммобилайзера.Ваша автомобильная сигнализация также связана с системой иммобилайзера, поэтому, если ваша автомобильная сигнализация больше не срабатывает, у вас, скорее всего, также есть неисправность в иммобилайзере. Если вы все еще можете заблокировать и разблокировать свой автомобиль должным образом, но ваш двигатель не запускается и нет других известных проблем, которые могли бы препятствовать работе двигателя, это потенциально может быть связано с плохой проводкой в отношении иммобилайзер автомобилей.
Спросите у профессионалов
Если вы подозреваете проблемы с подключением иммобилайзера или неисправной проводкой, иммобилайзер должен быть осмотрен физически.Если вы обнаружите поврежденные провода или неисправные соединения в проводке, вам необходимо заменить иммобилайзер. Если вы не уверены, неисправен ли иммобилайзер или нет, лучше проконсультироваться со специалистом, чтобы убедиться, что проблема решена должным образом, если это более серьезная проблема.
Независимо от того, есть ли в вашем автомобиле иммобилайзер или вам нужно его установить, лучше всего проконсультироваться со знающим профессионалом относительно системы и того, как она должным образом работает применительно к вашему конкретному автомобилю.Если вы живете в районе Dallas , Highland Park , University Park , Irving или Coppell, TX , подумайте о том, чтобы поговорить с Louden Motor Car Services, Inc. по любым вопросам иммобилайзера и / или обеспокоенность.
Когда и почему мне нужно использовать модуль обхода иммобилайзера
Поскольку Mobokey позволяет пользователю удаленно запускать автомобиль со смартфона, нам необходимо установить в автомобиле модуль иммобилайзера. Автомобиль имеет иммобилайзер , , , электронное охранное устройство.Он предотвращает запуск двигателя, если нет правильного ключа от машины с транспондером (или брелока). Двигатель запускается только после получения определенного кода в блок управления двигателем (ЭБУ). Иммобилайзеры являются обязательными для всех новых автомобилей, продаваемых в Германии с 1 января 1998 года, а также в Великобритании и других странах.
Зачем нужен модуль обхода иммобилайзера?
Модуль обхода иммобилайзера позволяет пользователю удаленно заводить автомобиль.Ведь это важно для запуска машин. Автомобили после 1998 года не могут запускаться дистанционно, если не установлен модуль иммобилайзера. Итак, чтобы любой удаленный стартер работал, он должен думать, что ключ находится в замке зажигания. Вот тут-то и пригодится модуль обхода . Называются ли они интерфейсом иммобилайзера зажигания, комплектом обхода транспондера или интерфейсом блокировки прохода, все они являются модулями обхода и выполняют одну и ту же работу. Если на вашем автомобиле отображается этот символ, когда вы включаете его, значит, в вашем автомобиле установлен иммобилайзер.
Как обойти иммобилайзер?
Размещение ключа в замочной скважине
Вы можете обойти иммобилайзер, поместив ключ в замочную скважину, тем самым отключив иммобилайзер автомобиля для дистанционного запуска. Дополнительная безопасность с помощью Mobokey позволяет активировать безопасность, как только телефон удаляется от машины, поэтому вам не нужно беспокоиться о безопасности автомобиля.
Модуль байпаса
Вы можете отключить иммобилайзер с помощью модуля обхода иммобилайзера. В зависимости от автомобиля стоимость большинства модулей составляет 35 долларов или более .
Извлечение брелока из ключа
Итак, извлечение брелка из ключа позволяет обойти иммобилайзер. Поместите его рядом с приемником замочной скважины автомобиля таким образом, чтобы свет иммобилайзера не появлялся при трогании с места при трогании с места. Некоторые автомобили имеют такой же световой сигнал, как указано выше, который показывает наличие в автомобиле иммобилайзера.
Вышеупомянутый способ обхода иммобилайзера для удаленного запуска автомобиля с помощью приложения для смартфона Mobokey.
Загрузите приложение Mobokey здесь: перейдите в Play Store или App Store!
Получите дополнительную информацию о MoboKey: приложение, которое является ключом от машины для вашего смартфона
Подключите машину прямо сейчас. Заказать здесь!
Итак, запускайте, разблокируйте и делитесь своим автомобилем с помощью Mobokey и управляйте автомобилем через смартфон!
Что делает иммобилайзер двигателя?
До 1984 года стандарты предотвращения угонов автомобилей практически не регулировались.Стандартные методы защиты от кражи, которым следуют производители, состояли из всего лишь нескольких штампов с идентификационным номером или серийным номером автомобиля и однозначно вырезанных ключей двери и зажигания. Введите Закон о борьбе с кражами автотранспортных средств 1984 года , также известный как Глава 331 Раздела 49 Кодекса Соединенных Штатов. Этот закон вступил в силу для 1987 модельного года и требовал от производителей штамповать или протравливать автомобиль и основные запасные части с помощью идентификационного номера транспортного средства или VIN.По закону 12 марок требовалось на двухдверных автомобилях и 14 марок на четырехдверных автомобилях. 8 сентября 1987 года Национальная администрация безопасности дорожного движения внесла поправки в закон, позволяющие производителям запрашивать освобождение от минимального количества штамповок для конкретной линейки транспортных средств. Однако оговорка заключалась в том, что производитель должен был включить противоугонное устройство , которое было определено как , столь же эффективное , как и штамп VIN.Так было посеяно семя для иммобилайзера двигателя и его широкого использования от производителя к производителю.
Различные типы иммобилайзеров
Иммобилайзеры бывают двух разных видов: пассивный и непассивный . Пассивные иммобилайзеры имеются в каждом серийном автомобиле, производимом сегодня в Соединенных Штатах, и работают автоматически, без вашего участия. Правильно: держу пари, что вы не знали, что иммобилайзер вашего автомобиля работает, даже если вы не запирали двери и не установили сигнализацию .Непассивные системы обычно встречаются в системах аварийной сигнализации вторичного рынка или представлены в виде скрытого выключателя. Если у вас есть непассивный иммобилайзер двигателя, он работает только в том случае, если вы установили сигнализацию или активировали скрытый переключатель.
Базовые функции
На автомобилях, которые оснащены пассивными иммобилайзерами двигателя, вся система встроена в компьютеризированные органы управления автомобиля. В зависимости от вашей марки и модели это может быть модуль управления трансмиссией, модуль управления кузовом, комбинация приборов, система радиоуправления, система управления дверным замком, система зажигания, топливная система и выключатель зажигания.Если иммобилайзер срабатывает, это может помешать срабатыванию топливных форсунок или катушек зажигания, включению топливного насоса, включению стартера или комбинации этих профилактических мер. Если они не могут его запустить, они не могут его водить.
Итак, как машина узнает, что я пытаюсь запустить двигатель?
Пассивные иммобилайзеры совершенствовались с годами. Ранние системы пропускали сигнал низкого напряжения в ключ, который был оснащен резистором , , а затем обратно в компьютер.Компьютер был запрограммирован на ожидание определенного падения напряжения в этом сигнале, и если он не получит должного возвратного напряжения — как вы уже догадались — двигатель не запустится. В других системах был датчик внутри цилиндра замка зажигания, который замыкал вышеупомянутую цепь, когда цилиндр был повернут в положение «включено». В настоящее время в системах используются микросхемы передатчика , которые встроены в ключ зажигания или смарт-брелок, если ваш автомобиль оснащен функцией запуска двигателя нажатием на кнопку.В системе этого типа, когда вы пытаетесь запустить двигатель, радиосигнал отправляется с ключа или брелока на приемник в автомобиле. Затем этот приемник сообщает BCM или PCM, что был использован правильный ключ, и этот модуль позволяет двигателю запуститься. Каждый раз, когда система обнаруживает неисправность — , даже если часть системы выходит из строя — система предотвращает запуск двигателя. Так что помните, это не значит, что ваш сумасшедший бывший парень или хулиган-подросток пытался украсть вашу машину.
Миф о обходе иммобилайзера
Обход заводского иммобилайзера двигателя должен быть одним из наиболее распространенных поисковых запросов в Интернете, связанных с системами сигнализации. Иногда иммобилайзеры могут показаться скорее проблемой, чем благословением, когда проблемы с системой всплывают так же, как у вас есть какое-то важное место, где вам нужно быть. Существуют хорошо известные способы обхода старых систем, и как только эти знания стали широко доступны, инженерам пришлось искать новые способы защиты вашего автомобиля.
Советы
Существуют специальные модули, позволяющие послепродажным системам дистанционного стартера обходить иммобилайзер двигателя. Обычно это требует установки второго ключа внутри модуля удаленного запуска.
По правде говоря, обойти большинство современных иммобилайзеров, поставляемых производителем, практически невозможно. Вы не можете просто вырезать модуль управления или отрезать провод. Поскольку иммобилайзер вашего автомобиля встроен в двигатель автомобиля и систему управления кузовом , вы застряли в неработающем автомобиле до тех пор, пока местный механик не решит проблему и не устранит любой гремлин, вызывающий неисправность.
Иммобилайзер не может предотвратить угон автомобиля
Автомобили становятся все умнее, а взламывать их ломом и отверткой становится все труднее. Статистические данные подтверждают это предположение: согласно исследованию Яна К. ван Оура и Бена Воллаарда, в котором приводятся данные об угоне и восстановлении автомобилей, в период с 1995 по 2008 год количество угонов автомобилей сократилось на 70% в Нидерландах и на 80% в Великобритании.
Одна из причин снижения — повсеместное внедрение так называемых «иммобилайзеров».«Иммобилайзеры, однако, так же подвержены растрескиванию, как и любая другая относительно сложная технология. Исследователь кибербезопасности Воутер Бокслаг выбрал это в качестве темы своей магистерской диссертации и представил результаты своего исследования на 36-м Конгрессе по коммуникациям Хаоса (36С3).
Что такое иммобилайзер
В двух словах, иммобилайзер пытается определить, является ли человек за рулем законным владельцем. Если он не может быть уверен, он просто не даст завести машину. Процесс признания незаметен для законного владельца; это происходит за доли секунды без участия пользователя.
Первый в мире иммобилайзер был запатентован еще в 1919 году. В то время водителю нужно было подключать контакты в определенном порядке, и если этот порядок был неправильным при запуске автомобиля, срабатывала сигнализация.
Противоугонная система для автомобилей была впервые запатентована в 1919 г.
Современный иммобилайзер состоит из двух основных частей: транспондера в ключе зажигания и приемника в самом автомобиле. Когда кто-то пытается запустить двигатель, автомобиль отправляет запрос на ключ.Если ключ возвращает правильный предопределенный сигнал, иммобилайзер отправляет команду блоку управления двигателем на запуск. Без правильного сигнала вы не сможете завести машину.
Hitag2, DST40 и Megamos Crypto были одними из первых транспондеров. Изученные годами, они теперь считаются небезопасными. О недостатках Hitag2 можно прочитать здесь, а о недостатках Megamos Crypto — здесь.
В последнее десятилетие 20-го века иммобилайзеры получили распространение. Они стали обязательными в странах ЕС в конце 90-х годов, и другие страны постепенно последовали их примеру.Если верить отчетам этих стран, иммобилайзеры способствовали значительному сокращению угонов автомобилей.
Относительная статистика угонов автомобилей для Великобритании, Нидерландов, Швеции, США, Канады и Австралии, 1981–2013 гг., При этом 2000 г. использовался в качестве базового. Источник
Угонщики наносят ответный удар
Кража автомобилей, конечно же, на этом не закончилась. Следуя знакомой схеме, как только иммобилайзеры стали мейнстримом, началась гонка вооружений между преступниками и марками автомобилей.По мере того, как автомобили становились умнее, преступники не отставали, и иммобилайзеры оказалось довольно легко обмануть. Успешные попытки взлома стали частыми, и давняя, устойчивая тенденция к снижению кражи автомобилей изменилась примерно в 2010 году. В 2018 году уровень краж автомобилей в Великобритании достиг восьмилетнего максимума, и во многих других странах наблюдалась аналогичная тенденция: резкий спад до 2010 года, за которым последовал рост. небольшой отскок или плато.
Дорогие люксовые бренды по-прежнему оставались наиболее часто угоняемыми автомобилями. Исследователи кибербезопасности также сосредоточили внимание на этих брендах, но, несмотря на огромные бюджеты, их исследования не оправдали ожиданий.
Если дорогой роскошный автомобиль можно незаметно взломать за десять секунд, что это говорит о моделях большего объема, которыми ездит большинство людей, спросите вы.
Изучение безопасности иммобилайзера
В своем исследовании Бокслаг попытался взломать три машины популярных марок. Ни одна из машин не была новой; все они датируются примерно 2009 годом. Это были недорогие хэтчбеки B-класса — вышеупомянутые модели большего объема. По словам авторов исследования, многие новые автомобили используют аналогичные противоугонные системы.
Бокслаг использовал следующий подход:
- Получите доступ к трафику CAN-шины. CAN-шина — это то, что внутренности большинства современных автомобилей используют для связи.
- Прочитать сообщения, которыми обмениваются компоненты иммобилайзера.
- Получите прошивку модуля управления двигателем (ECM) или модуля управления кузовным оборудованием (BCM).
- Укажите алгоритм, используемый при обмене сообщениями.
- Используйте полученные ранее данные, чтобы доказать, что вы можете завести автомобиль без оригинального ключа.
Шаг первый довольно прост: доступ к шине доступен через стандартный порт OBD II. Он есть на всех автомобилях, выпущенных после 2000 года, и служит для диагностики. Попав в машину, вы получаете доступ к интерфейсу.
Получить прошивку можно сотнями способов, от довольно сложных методов до простой загрузки из Интернета. Правильно: прошивки для многих автомобилей доступны в Интернете; производители предоставляют его для диагностики или обслуживания.
Что ж, это нормально, если весь трафик надежно зашифрован.Но в этом и заключается самое большое разочарование: первые два иммобилайзера использовали очень недельное шифрование. На первом автомобиле для получения кода безопасности потребовалось всего несколько секунд, что позволяет авторизовать новый ключ и впоследствии отключает иммобилизацию. Получение кода безопасности второй тестовой машины заняло около 4000 попыток, или около 15 минут.
Третий экземпляр был действительно жестче — протокол иммобилайзера не имел явных изъянов и не был нарушен. Однако исследователь установил, что чип ключа имитирует транспондер PCF7935, аналогичный тому, который используется в Hitag2.Используя известные слабые стороны Hitag2, вы можете завести автомобиль всего за 6 минут без необходимости возиться с криптографией.
Все три системы все еще используются и установлены в некоторых автомобилях, построенных в 2019 году.
Что нам делать?
Иммобилайзерыдействительно эффективны против более консервативных преступников, которые все еще используют механические методы. Однако они не могут сравниться с более изощренными угонщиками автомобилей — во всяком случае, в сегменте массового производства.
Поэтому, как это ни странно, возможная рекомендация для автовладельцев — помнить о своих корнях и не отказываться от технологий восьмидесятых и девяностых годов.Чтобы взломать электронную систему безопасности, дополненную механической блокировкой рулевого колеса, угонщику необходимы навыки взлома как электроники, так и механики.
Вы все еще можете пересечься с опытным угонщиком автомобилей «два в одном», но, как минимум, удвоение вашей безопасности сделает угон вашего автомобиля немного сложнее, чем тот, который находится рядом с ним. Как говорится, медведя не надо убегать — просто будь быстрее другого парня.
При этом производители автомобилей остаются ключевыми противниками угонщиков автомобилей, но во многих отношениях они только новички в области кибербезопасности.К сожалению, они используют проприетарные — и зачастую несложные — алгоритмы шифрования, игнорирующие отраслевые стандарты, а противоугонные системы безнадежно устаревают к тому времени, когда автомобили, которые они защищают, появятся на рынке.
Несмотря на это, мы и другие предприняли некоторые первые шаги по повышению безопасности автомобилей. В течение нескольких лет мы сотрудничаем с AVL, крупнейшим независимым производителем автомобильных систем, чтобы сделать современные подключенные автомобили намного более безопасными. Вы можете узнать больше о нашем видении безопасного автомобиля в статье Connected cars: Secure by design.
Что такое модуль байпаса?
Все мы любим удаленные пускатели. Холодным зимним днем выйти на улицу к полностью размороженному и теплому автомобилю кажется волшебством. Эта магия возможна благодаря нескольким аппаратным средствам. Помимо самого модуля управления, наиболее важной частью оборудования является модуль байпаса.
Что такое модуль байпаса?
Модуль байпаса — это аппаратное обеспечение, которое позволяет удаленному стартеру имитировать ключ вашего автомобиля. Это означает, что вы можете запускать двигатель дистанционно, не отключая какие-либо функции автомобиля.
Краткая история дистанционного запуска и иммобилайзеров
Обходной модуль — это то, что делает возможным современный удаленный запуск . Понимаете, с 2000 года многие автомобили были оснащены иммобилайзерами . Это устройство творит чудеса с точки зрения безопасности транспортных средств и предотвращения краж. Однако они усложняют роль установщиков удаленного запуска и производителей.
Короче иммобилайзер предотвращает запуск двигателя без ключа; делая автомобиль менее уязвимым для угона.В большинстве случаев иммобилайзер состоит из двух устройств: приемника, установленного в автомобиле, и чипа транспондера в ключе автомобиля. Чип транспондера излучает уникальный сигнал, который он отправляет на антенну, которая передается на компьютер транспортного средства. Если компьютер распознает сигнал, он позволяет автомобилю заводиться и продолжать движение.
Разница между заводскими и послепродажными устройствами дистанционного пуска>
Модуль байпаса имитирует ключ автомобиля
Когда были введены иммобилайзеры, послепродажные удаленные стартеры должны были быть установлены вместе с одним из ваших дорогих ключей от автомобиля, или заводские функции безопасности пришлось полностью отключить.Затем появился модуль обхода, который вернул волшебство бесключевого доступа и удаленного запуска.
Помните уникальный сигнал, излучаемый чипом транспондера, о котором мы упоминали ранее? Что ж, когда дилер устанавливает ваш дистанционный стартер автомобиля, он программирует модуль обхода с помощью ключа вашего автомобиля. Таким образом, модуль обхода будет излучать тот же уникальный сигнал, что и чип транспондера в ключе автомобиля.
Одним из наиболее впечатляющих аспектов модуля обхода является то, что он позволяет сохранить все оригинальные заводские функции безопасности вашего автомобиля.Поскольку устройство излучает сигнал транспондера, нет необходимости отключать какие-либо заводские средства защиты от кражи, чтобы дистанционный пускатель заработал.
Как работают удаленные пускатели? >
Итак, вы видите, модуль обхода действует как посредник между вашим удаленным запуском и компьютером автомобиля. Это простое, но мощное оборудование делает возможным беспроблемный удаленный запуск современных автомобилей без ущерба для заводской безопасности вашего автомобиля.
Какое оборудование использует Compustar?
Дистанционные пускатели Compustar совместимы с модулями байпаса от iDatalink, такими как ADS ALCA и Blade AL (на фото выше).Мы поддерживаем тесные партнерские отношения с iDatalink в течение многих лет и по-прежнему полагаемся на их новейшее оборудование, чтобы сделать наши устройства дистанционного запуска лучше, чем когда-либо!
Тип модуля байпаса, установленного в вашей системе, зависит от нескольких факторов: марки вашего автомобиля, модели, типа системы и вашего установщика. Перед установкой системы узнайте у официального дилера Compustar, какое оборудование они планируют использовать, чтобы узнать больше.
Что такое двусторонний? >
Нужен ли мне модуль байпаса?
Если ваш автомобиль был произведен после 2000 года, и ваш ключ имеет транспондер, то ДА, вам нужен байпасный модуль для дистанционного запуска.Если вы не уверены, попадает ли ваш автомобиль в эту категорию (а, скорее всего, так и есть), не беспокойтесь, ваш установщик сможет вам посоветовать.
Модули байпаса— это действительно интересное оборудование, которое делает возможными современные устройства дистанционного пуска! Если вы ищете лучший удаленный стартер в отрасли, не ищите ничего, кроме Compustar. Наши отмеченные наградами системы надежны и мощны.
Обратитесь к местному авторизованному дилеру Compustar сегодня, чтобы найти систему, которая подходит именно вам!
Найдите ближайшего к вам официального дилера Compustar!
НАЙТИ ДИЛЕРА
Как работает технология иммобилайзера двигателя? Узнать больше…- CarBikeTech
Что такое иммобилайзер двигателя?
Иммобилайзер или иммобилайзер двигателя — это электронное устройство безопасности, которое используют современные автомобили. Иммобилайзер двигателя использует электронный чип, встроенный в ЭБУ автомобиля.
Как работает иммобилайзер двигателя:
Иммобилайзер двигателя — это противоугонная система, встроенная в ЭБУ двигателя. Он предотвращает запуск двигателя без использования авторизованного ключа автомобиля. В этой системе используется специальный ключ с цифровым кодом или смарт-брелок.Этот ключ содержит чип транспондера. В нем хранится электронный код безопасности или просто пароль автомобиля. ЭБУ НЕ активирует топливную систему и цепь зажигания, если код в ключе &, который хранится в иммобилайзере, не совпадает.
Когда водитель вставляет этот цифровой ключ в замок зажигания или берет смарт-брелок внутри автомобиля, ключ передает электронный код в систему управления двигателем автомобиля. Двигатель может запуститься только в том случае, если код в чипе транспондера в ключе или смарт-брелке совпадает с кодом в иммобилайзере двигателя.
Бесключевой доступ с помощью брелока (фото любезно предоставлено Toyota)Как работает электронный иммобилайзер двигателя:
Усовершенствованная электронная система иммобилайзера двигателя в новейших автомобилях использует коды безопасности. Эта система, установленная в автомобилях BMW, состоит из двухуровневой безопасности. Постоянный персональный код и меняющийся второй код. Каждый раз, когда ключ запускает двигатель, система меняет второй код и сохраняет его в ключе. Каждый раз, когда водитель включает зажигание, иммобилайзер сначала считывает персональный код.Затем он запрашивает второй скользящий код.
Только после того, как оба этих кода совпадают, иммобилайзер отправляет другой кодированный сигнал в систему управления двигателем, чтобы разблокировать двигатель. Без этого двигатель не запускается. В отсутствие второго кода безопасности двигатель все равно не запустится, даже если кто-то попытается замкнуть цепь зажигания накоротко. Таким образом предотвращается угон автомобиля.
Электронный иммобилайзер (фото: BMW)Поскольку чип транспондера встроен в ключ или смарт-брелок, его нелегко скопировать.В случае утери ключа или смарт-брелока только авторизованные дилеры могут деактивировать утерянный ключ. Они могут получить новый ключ от производителя после проверки учетных данных клиента.
О компании CarBikeTech
CarBikeTech — технический блог. Его члены имеют опыт работы в автомобильной сфере более 20 лет. CarBikeTech регулярно публикует специальные технические статьи по автомобильным технологиям.
Посмотреть все сообщения CarBikeTech
Что такое иммобилайзер двигателя Toyota?
Что такое иммобилайзер двигателя Toyota?
В то время как большинство людей в нашем лесу — хорошие люди, всегда есть плохие яблоки.Когда дело доходит до угона автомобиля, существует множество систем безопасности, которые не позволят злоумышленникам ускользнуть с вашей новенькой Toyota Tacoma 2016 года выпуска. Распространенной системой безопасности, которую вы найдете во всей модельной линейке Toyota, является иммобилайзер двигателя. Когда многие покупатели автомобилей изучают спецификации новой Toyota, они сталкиваются с этой особенностью и хотят знать — , что такое иммобилайзер двигателя Toyota? Узнайте прямо здесь, в Gale Toyota.
Как работает иммобилайзер двигателя Toyota?
Заведение автомобиля — это в значительной степени рефлекс после того, как у вас есть права на пару недель.Вы садитесь на водительское сиденье своей машины и вставляете ключ в замок зажигания, даже не глядя или рассеянно нажимая кнопку запуска. Вы не всегда беспокоитесь о том, что происходит за кулисами.
Когда вы вставляете ключ в замок зажигания или садитесь за руль с брелоком для ключей Toyota Smart, он передает определенный электронный код на внутренний транспондер и запускает ваш автомобиль. Ваш Toyota RAV4 2016 запустится только в том случае, если сигнал транспондера от вашего ключа или брелока совпадает с сигналом иммобилайзера двигателя.Вместе эти инновационные системы помогут защитить ваши инвестиции.
ПОДРОБНЕЕ: Как работает система интеллектуальных ключей Toyota и кнопка запуска Toyota?
Если вор попытается завести ваш автомобиль без соответствующего сигнала транспондера, иммобилайзер двигателя сработает и остановит двигатель, предотвращая кражу.






Этот тип устройств создает блокирующий импульс, передающийся на управляющий девайс и блокирующий функционирование системы впрыска и подачи горючего. Либо сигнал не дает правильно функционировать электрическому оборудованию.





Данные нарушения являются временными, поэтому попытку запуска можно повторить через несколько минут.


Иммобилайзер напрямую препятствует такой функции, ведь в этом случае мотор должен запускаться без кода безопасности. Поэтому устройство прогрева подключают так, чтобы обойти систему блокирования. Если водитель считает присутствие иммобилайзера бесполезной функцией, его отключают совсем.
В противном случае двигатель заблокируется;
Новая прошивка не должна содержать информацию об ИММО;
Это одна из защитных функций, которую выполняет иммобилайзер – если электропитание отключено, или напряжение в электроцепи автомобиля упало, то запуск двигателя блокируется. Выход – заменить, или зарядить АКБ.
