Какой обогреватель салона автомобиля лучше?
Практически каждый автовладелец нашей страны в зимнюю пору тратит драгоценное время на прогревание машины. Ведь штатный обогреватель не всегда быстро справляется с такими задачами, как прогрев салона, сидений, заледеневших стекол или поверхности руля. Конечно, можно потратиться и приобрести накидку с подогревом для сидений или установить специальную систему, которая будет автоматически заводить мотор автомобиля несколько раз за ночь, прогревая его.

Обогреватель для салона автомобиля
Первый вариант обеспечит тепло только определенному месту, никак не влияя на общую атмосферу в салоне или на замерзшие автоокна. Второй вариант тоже подойдет далеко не каждому – мало кто сможет спокойно оставить машину без присмотра, зная, что в скорости она заведется. Поэтому наиболее разумно будет установить автономный обогреватель салона автомобиля.
Разновидности обогревателей
Существует два вида устройств для обогрева салона – жидкостные и воздушные.
Жидкостные приспособления в первую очередь обогревают двигатель, а после – салон автомобиля. Они устанавливаются в моторном отсеке и присоединяются к системе охлаждения, топливной системе и электросети. Такие отопительные системы особо целесообразны при длительных поездках или затяжных стоянках.

Жидкостный автомобильный обогреватель
Наилучшим образом зарекомендовали себя марки:
- Webasto. Этот предпусковой отопитель имеет следующие характеристики:
- удобство и надежность;
- запуск осуществляется при помощи таймера или специальной программы на смартфоне, поэтому водителю и его пассажирам не придется сидеть в холодном салоне;
- чистые от снега и льда стекла без разводов и потеков;
- использование системы предотвращает такое явление, как холодный запуск транспортного средства, тем самым продляя срок эксплуатации двигателя.
- Eberspacher. Предназначен для установки как на легковушках, так и на грузовых транспортных средствах или спецтехнике. Этот обогреватель для салона имеет такие преимущества:
- возможность регулирования мощности нагрева;
- уменьшенный уровень шума;
- оптимизация потока охлаждающей жидкости, обеспечивающая максимально быстрое очищение заледеневших окон;
- защита от попадания влаги во время мойки;
- прочность конструкции.
Судя по отзывам пользователей, единственный существенный недостаток этих моделей – их цена.
Воздушные – предназначены именно для обогрева салона. Эти независимые электро обогреватели, работающие от аккумуляторов, способны достаточно быстро прогреть воздух в средине авто. Они качественно и быстро прогревают салон автомобиля и стоят, по сравнению с жидкостными, значительно дешевле.

Воздушный автомобильный обогреватель
Одним из примеров таких систем отопления является обогреватель автомобиля от прикуривателя.
Обогреватель авто от прикуривателя
Принцип работы
Устройство являет собой пластиковый корпус, внутри которого расположены нагревательный элемент и вентилятор. Принцип работы напоминает обычный бытовой фен – воздушный поток проходит через нить накала и выходит уже подогретым. Соединение с электросетью осуществляется путем подключения через гнездо прикуривателя. То есть для работы фена достаточно напряжения 12 В. При этом мощность устройства колеблется в диапазоне 130-150 Вт.
Такие обогреватели оснащены автоматикой, которая защищает приспособление от перегрева и перегорания. Как правило, фиксация внутри салона выполняется посредством специальных ножек, прищепок или же присосок.
Достоинства и недостатки
Обогреватели, работающие от прикуривателя, имеют следующие преимущества:
- не требуется внешнего источника тока;
- возможность монтажа в любом участке салона;
- производят сильный поток теплого воздуха в нужном направлении;
- способны быстро разморозить заледеневшие стекла;
- быстро прогревают салон;
- разнообразие моделей и ценовой диапазон позволяют приобрести подобное устройство при любом уровне доходов.

Обогреватель авто от прикуривателя
Но существуют у такого приспособления для обогрева автомобиля некоторые отрицательные качества:
- значительное увеличение нагрузки на аккумулятор;
- усиление шума в салоне;
- слабая мощность;
- повышение пожароопасности;
- для фиксации некоторых моделей необходимо вкручивание саморезов или сверление.
Популярные модели
На современном рынке автообогревателей от прикуривателя наибольшим спросом пользуются:
- Koto 12V-901. Нагревательный элемент этого прибора выполнен из керамики и оснащен защитой от перегрева. Направлять поток воздуха можно как в горизонтальной, так и в вертикальной плоскости. Также предусмотрена возможность раздельного включения вентилятора и нагревательного элемента. Вес устройства составляет 500 грамм, а его максимальная мощность – 140 ВТ.
- ТЕ1-0182. Китайский обогреватель, характеризирующийся высоким качеством и малым потреблением электроэнергии. Оснащен универсальным креплением, а также длинным (1,5 м) шнуром, что позволяет менять место расположения фена. Мощность модели – 150 ВТ.
- Termolux-200 Comfort. В данный электроприбор встроен аккумулятор, что позволяет ему работать автономно. Оснащен таймером автоматического включения и ЖК-дисплеем. Минусом является возможность обдува только по вертикали.
- SITITEK Termolux 150. Отличается обрезиненным и удароустойчивым корпусом. Создает минимум шума. Имеет дополнительные элементы – светодиодный фонарик и откидную ручку, которая позволяет использовать устройство в виде ручного отопителя.
Как выбрать обогреватель от прикуривателя?
При выборе автообогревателя от прикуривателя основным критерием, от которого стоит отталкиваться при изучении основных характеристик (особенно мощности) будущего устройства, является состояние проводки транспортного средства, поскольку прибор должен не только качественно обогревать автомобиль, но также быть максимально безопасным.
Также необходимо обратить внимание на возможность переключения режимов, функцию автоматического отключения, длину шнура.
Что же касается материала, из которого изготовлен нагревательный элемент, то наилучшим образом зарекомендовала себя керамика, которая имеет следующие преимущества, по сравнению со сталью:
- не подвержена воздействию коррозии;
- не сушит воздух, не поглощает кислород, обеспечивая более комфортное пребывание в салоне;
- обогрев начинается сразу же после запуска двигателя;
- менее пожароопасна.
Качественный автономный обогреватель для авто не только создаст приятную атмосферу в салоне, но и уменьшит нагрузку на двигатель, продлевая срок его эксплуатации, а также создаст безопасные условия на дороге, своевременно устраняя заледенение на стеклах.
www.avtokrasim.ru
Как выбрать автомобильный обогреватель салона от прикуривателя

С приходом холодов автомобилисты сталкиваются с необходимостью оснащения транспортного средства зимней резиной, подходящим маслом и незамерзайкой для стеклоочистителя. Еще одно важное условие для комфортной эксплуатации автомобиля в холодное время года – эффективный обогрев салона и быстрое оттаивание стекол. Чтобы обеспечить эти условия, можно купить автомобильный обогреватель в салон и использовать его дополнительно к штатной системе отопления.
В продаже представлено множество нагревательных устройств для авто, но по принципу теплоотдачи все они классифицируются на 2 типа:
- Жидкостные (предпусковые подогреватели) – они обеспечивают подогрев жидкости, щадящий запуск двигателя в холода и обогрев салона. Работают автономно на бензине, дизтопливе или керосине.
- Воздушные – есть модели, работающие от бортовой сети, и автономные варианты, использующие энергию сгорания топлива. Наиболее доступны и просты в применении автомобильные тепловентиляторы 12 В или 24 В, подключаемые к гнезду прикуривателя. Кроме функции обогрева салона они могут иметь предпусковой подогреватель, систему автоматики, пульт дистанционного управления и зарядное устройство.
По типу нагревательных элементов бортовые тепловентиляторы бывают с электрической спиралью, тэном и керамическим инфракрасным нагревателем. Последний вариант наиболее популярен, хотя и уступает по производительности моделям со спиральным нагревательным элементом.
Особенности обогревателя в машину от прикуривателя⬆
Керамические обогреватели начинают свою работу непосредственно после включения зажигания. Они успешно применяются в любой сезон и на всевозможных видах автотранспорта. Работают они нешумно и без сжигания кислорода, что способствует созданию в салоне благоприятного микроклимата. Зимой вентилятор-обогреватель для автомобиля быстро начинает обогревать салон и эффективно размораживает стекла, чем выгодно отличается от штатной печки. В теплое время года такие устройства оказываются полезными во время поездок на природу и ночевок в авто, а некоторые модели могут использоваться в режиме вентилятора.
Принцип работы керамических салонных тепловентиляторов заключается в применении:
- нагревательного элемента, мгновенно подогревающего воздух;
- мощного интегрированного вентилятора, равномерного распределяющего подогретый воздух по окружающему пространству.
Такие устройства подсоединяются к электрической системе транспортного средства через гнездо прикуривателя. По сравнению с обогревателями на основе металлических тэнов керамические модели не подвержены коррозии, не пересушивают воздух, начинают нагрев непосредственно после включения двигателя и максимально безопасны в использовании, поскольку работают при умеренных температурах.
Когда нужен машинный обогреватель через прикуриватель?⬆
Такой прибор станет очень полезным приобретением для автомобилистов, которые:- дорожат каждой минутой и стремятся прогреть салон как можно скорее;
- содержат транспортное средство за пределами гаража, на улице;
- пользуются машиной в холодное время года, при температуре ниже 0 °С;
- иногда путешествуют на автомобиле или выезжают на природу;
- ездят с детьми или другими пассажирами на заднем сидении, куда слабо доходит тепло от печки;
- пользуются транспортным средством с негерметичным салоном.
Если же ваш автомобиль содержится в гараже, вы практически не выезжаете на нем в зимний сезон или вообще живете в условиях мягкого климата, приобретение дополнительного обогревателя салона для вас неактуально. Неинтересно такое устройство и для владельцев авто, использующих специальную систему автоматического прогрева двигателя и поддержания комфортной температуры. Еще такой прибор может показаться бесполезным людям, которым не жаль тратить время на прогрев автомобиля и оттаивание стекол, даже в драгоценные утренние часы.
В остальных случаях покупка автомобильного тепловентилятора станет правильным решением и рациональным вложением средств. Но если вы хотите приобрести электрический обогреватель в авто (12 вольт), чтобы заменить им штатную печку, от этой затеи стоит отказаться. Обогревательные устройства, работающие от прикуривателя, предназначены для других целей и должны использоваться в дополнение к печке, но не вместо нее.
Плюсы и минусы керамических автомобильных тепловентиляторов⬆
Обогреватели в машину, оснащенные керамическим инфракрасным нагревателем, обладают следующими преимуществами:
- способность быстро нагревать салон и убирать изморозь на стеклах – в то время как штатная печка начинает работу только после полного прогрева двигателя, примерно через 15 минут или позже;
- пожаробезопасность;
- портативность;
- простота монтажа;
- равномерный обогрев;
- отсутствие сжигания кислорода;
- поддержание в салоне благоприятного микроклимата;
- плавность регулировки мощности;
- наличие терморегуляторов и защиты от перегрева;
- возможность направления обдува в разные стороны;
- доступная стоимость;
- экономичность;
- компактные размеры;
- возможность применения в режиме вентилятора.
К недостаткам применения керамического обогревателя можно отнести повышение уровня шума и снижение заряда штатных электрических приборов. Особенно ощутим этот недостаток при скромном объеме двигателя. Некоторые модели обогревателей предусматривают монтаж на саморезы, в результате чего появляются мелкие повреждения поверхности салона.
Как выбрать салонный обогреватель?⬆
При выборе автомобильного тепловентилятора обратите внимание на такие факторы как:
- материал корпуса – его термостойкость и отсутствие запахов;
- тип нагревательного элемента – из соображений безопасности и скорости нагревания лучше отдать предпочтение керамическому;
- длина сетевого шнура – сопоставьте ее с требованиями к монтажу, предусмотрите возможность обогрева заднего стекла;
- наличие терморегулятора и системы защиты от перегрева;
- мощность – она должна быть достаточной для обеспечения эффективного обогрева, например, можно выбрать экономичный обогреватель салона от прикуривателя 150 Вт или более производительную модель мощностью 250–300 Вт;
- характеристики электропроводки автомобиля;
- возможность независимой работы вентилятора – для применения в теплое время года;
- надежность фиксации разъемов;
- качество соединительных проводов;
- известность и надежность производителя;
- наличие гарантийных обязательств.
Чтобы избежать разочарований при использовании салонного тепловентилятора, нужно правильно понимать его предназначение и учитывать его при использовании прибора. Задача таких устройств – незамедлительное включение после поворота ключа зажигания и направление струи теплого воздуха на лобовое стекло с целью устранения наледи. Это устройство не заменит печку, потому что его мощность невелика, зато оно вполне справится с обогревом заднего или другого стекла. Достаточно направить воздушный поток в нужном направлении, и стекла быстро оттают.
Еще один познавательный материал том, как выбрать подходящий гироскутер для ребенка 6–7 лет, смотрите здесь.
scer.ru
Как сделать обогреватель в машину от прикуривателя своими руками и подробная схема
Функция прогрева салона и поддержания его в комфортном тепловом состоянии возложена на штатный отопитель. Принцип его функционирования предельно прост – тепло от нагретого охлаждающей жидкостью радиатора рассеивается вентилятором внутри автомобиля. Чем выше обороты, тем сильнее греет, а на холостых извольте – из недр решеточек будет веять лишь слабым теплом. В ноль и так сойдет, а при минусе?
Примитивный обогрев салона любого автомобиля зимой своими руками: актуальные технологии

На эффективность автомобильной печки сетуют многие владельцы бюджетных авто. Нет, функционирует она исправно, да и фильтр салонный свежий, только вот на морозе крепче -20°C не справляется она со своими обязанностями. На многих машинах подобное явление возникает по причине неполного прогрева двигателя, отдельные же модели оснащены радиатором с малой теплоотдачей. Совершенствовать штатную конструкцию или пользоваться дополнительными подогревателями?
Тепловентилятор
- Топливо и кислород не сжигаются.
- Возможность использования в машинах любого класса.
- Компактная конструкция.

Подобное решение есть в продаже. Его наименование – автомобильный тепловентилятор на 12 Вольт. Основной недостаток – низкая эффективность: в одиночку создать микроклимат ему не под силу. Автообогреватель рекомендуется использовать только в качестве дополнения к штатным аппаратам отопления. Свой надежнее и, к тому же, ремонтопригоден – все по аналогии с зимними омывайками: рецепт домашней незамерзайки куда лучше придорожной канистры неизвестного зелья.
Керамическая печь
Использовать в качестве источника тепла сжигаемый газ – эффективный способ быстро поднять температуру до комфортных величин. Элементов минимум – керамическая печка и газовый баллон на 15 литров. Опасность возникновения пожара и интенсивное сжигание кислорода сдерживают спрос на этот вид подогрева.
Доработать заводскую печь
Идти по пути усовершенствования штатных средств предпочтительнее, но затраты несравнимы. Доработать отопитель – дело не из легких: и сноровка нужна, и элементы компактного размера. Не факт, что дополнительно установленный радиатор даст эффект, поскольку жидкости-то тяжело прогреться до рабочей температуры. Другое дело – внедрить электронагреватель от дизельной модификации (РТС) – эффект налицо. К тому же теплый воздух идет сразу же после пуска мотора.
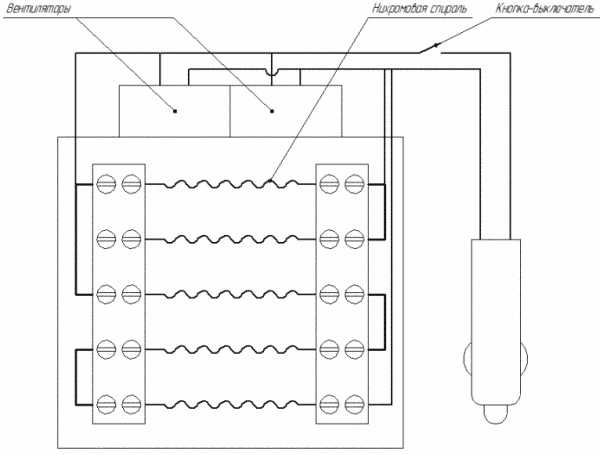
Как изготовить обогреватель для машины своими руками и запитать его от прикуривателя: инструкция
Принцип работы тепловентиляторов основан на формировании теплового потока за счет обдува нагретого тела. Воздушный поток генерирует вентилятор, а в качестве источника тепла выступает керамический нагревательный элемент. Ранее встречались модели с трубчатыми электронагревателями и нихромовыми спиралями.
Подбор компонентов
Оформить дополнительный обогрев салона автомобиля зимой своими руками можно из подручных средств. Одна из простых схем включает компоненты, доступные любому изобретателю:
- Электрическая распределительная коробка IP65, которая служит в качестве корпуса.
- Нихромовая спираль для бытовой электрической печи, выполняющая роль нагревательного элемента.
- Осевые вентиляторы в количестве двух штук.
- Две клеммных колодки для крепления отрезков спиралей и увязывания их соединительными проводами.
- Провод сечением не менее 2,5 мм2.
- Разъем для прикуривателя.
- Кнопка-выключатель.
Спираль
При выборе ферронихромового спирального элемента необходимо руководствоваться его сечением. Не рекомендуется выбирать изделия диметром более 0,6 мм. Оптимальной диаметральной характеристикой является 0,6 мм – и в продаже можно свободно найти, и схема соединения проста. Этого совета будем придерживаться при проектировании электрической части.
К сведению. Нихромовую спираль можно взять из тостера, микроволновки или аэрогриля, измерив ее диаметр и скорректировав схему конструирования устройства.
Кулер
С функцией рассеивания тепла могут справиться малогабаритные вентиляторы. Конкретный размер зависит от габаритов распределительной коробки. Например, для коробочки 88х88х60 подойдет два кулера 30х30х15. Разумеется, электродвигатель должен быть рассчитан на 12 Вольт.
Изготовление
При создании схемы обогревателя для машины своими руками с запиткой от прикуривателя важно понимать, что от длины участка из нихромовой спирали зависит его электрическое сопротивление, влияющее на величину потребляемого тока и, как следствие, количество отдаваемого тепла. Чем больше длина и сечение, тем меньше сопротивление проводника и больше мощность установки.
Здесь важно не переоценить схему. Штатная цепь питания прикуривателя рассчитана не более, чем на 15-20 Ампер нагрузки. Исходя из этого конструируем схему, учитывая такие аспекты:
- Количество спиралей – 5.
- Длина спирального элемента – 20 см, диаметр – 0,6 мм.
- Параллельно запитываются два участка: один состоит из двух последовательно соединенных спиралей, другой – из трех. Первый располагается ближе к вентиляторам.

Монтаж спиральных элементов осуществляется в «клеммники», соединение между собой производится также через отверстия клеммных зажимов отрезками проводов. На одном из торцов распределительной коробки делается вырез под вентиляторы, которые склеиваются между собой и приклеиваются к корпусу. На противоположной стороне оформляется окошко, через которое из изделия будет выходить воздух. В качестве наглядного пособия можно использовать рисунок.
Внимание! Представленная схема сконструирована исходя из использования только нихромовой спирали диаметром 0,6 мм и длиной 20 см. Под другие характеристики нагревателя необходимо проектировать иную электросхему.
На деле мощность устройства получается около 150 Вт. Ток потребления – 13 А. Более мощное устройство предполагает использование спиралей диаметром 0,8 или 1,0 мм подобной длины. Подключение в разъем прикуривателя таких установок невозможно – изделие подключается напрямую от аккумулятора через предохранитель и реле на 30А.
Итого
Дополнить зимой штатный обогрев салона сконструированным своими руками автомобильным тепловентилятором – одно из простых решений. Его проще реализовать, нежели установить подогрев сидений на Лада Гранта бедной комплектации. Значение тепловой установки в создании внутреннего микроклимата исключительно вспомогательное ввиду невысокой эффективности подобного подогрева. Преимущество в сравнении с магазинными вариантами – надежность, меньшая стоимость, ремонтопригодность.
Изделие собирается из нихромовых спиралей диаметром 0,6 мм, вентиляторов, «клеммников», проводов, разъема для прикуривателя и кнопки. Большая часть элементов умещается в корпусе. Питание осуществляется от розетки прикуривания. Токовая нагрузка – не более 15 А. Эффективная мощность – порядка 150 Вт.
Альтернативное решение – сделать автообогреватель из фена. Двигатель изделия рассчитан на 12 В. Нагревательные элементы придется разрезать на несколько участков и соединять параллельно, предварительно измерив величину силы тока. Фен следует подключать исключительно через реле.
autostadt.su
Как выбрать автомобильный обогреватель салона от прикуривателя?

Суровый российский климат диктует свои правила и требует от автовладельцев намного больше терпения, выносливости и сноровки по сравнению с автомобилистами, живущими в более «теплых краях». Кроме неудобства передвижения по скользким дорогам, водителям приходится бороться с основным врагом — лютым холодом.
От мороза страдает все, начиная двигателем. заканчивая ходовой. Кроме того, есть неприятный момент в виде промерзшего насквозь салона, в который по утрам очень не хочется садиться… Каждое утро большинству из нас приходится тратить немало времени и денег на длительный прогрев двигателя и салона, и если первый уже более-менее прогрелся и позволяет начать движение, то второй еще достаточно долго остается холодным. Такое явление пагубно сказывается на здоровье, а также кошельке, ведь если начинать движение, не дожидаясь пока в салон начнет поступать теплый воздух, можно заболеть или простудить что-то… С другой стороны, длительный прогрев двигателя до тех пор, пока печка начнет дуть приятным теплым воздухом влечет за собой соответствующие денежные затраты на топливо.
Как же выйти из ситуации и решить данный вопрос? На самом деле решений вполне достаточно, главное определиться какое из них вам больше подходит. Как вариант можно хранить авто в гараже, который отапливается. Также хорошей альтернативой будет крытая охраняемая парковка. Прекрасным, но отнюдь не дешевым будет вариант установки предпускового подогревателя, о котором я уже рассказывал в предыдущих статьях… И, пожалуй, самым бюджетным из всех и самым простым решением вопроса обогрева салона будет использование автомобильного обогревателя салона от прикуривателя. Такой вариант обойдется недорого, позволяет решить проблему холодного салона и замерзших окон и к тому же устанавливается быстро и легко.
Сегодня я расскажу вам о том, что такое автомобильный обогреватель салона от прикуривателя, в чем его преимущества и самое главное — как выбрать обогреватель салона автомобиля от прикуривателя.

Автомобильный тепловентилятор от прикуривателя или автомобильный обогреватель салона представляет собой компактное устройство, способное быстро и эффективно нагреть салон авто до нужной температуры. Девайс работает от прикуривателя и позволяет использовать его локально, то есть для той или иной части салона. Устройство обогревателя простое, но в то же время эффективное, внутри корпуса располагается нагревательный элемент, через который проходит воздушный поток, нагнетаемый вентилятором. Проходя сквозь нагретый элемент воздух быстро нагревается, а за счет вращения лопастей вентилятора он равномерно распространяется по всему салону. Специальные термодатчики не позволяют устройству перегреться, а также не допускают оплавление корпуса. Также обогреватель салона автомобиля от прикуривателя имеет минимальный набор настроек, среди которых регулятор интенсивности нагрева, а также воздушного потока, шторки или жалюзи для корректировки направления потока теплого воздуха. Обогреватель салона автомобиля позволяет сэкономить время и топливо, которое приходится ежедневно тратить в ожидании прогрева двигателя, охлаждающей жидкости и печки. На это, как правило, уходит от 5-10 минут до получаса в зависимости от типа двигателя, топлива, а также температуры окружающей среды.
Плюс данного устройства в том, что оно начинает работать сразу, как только вы его включили. Спираль или другой нагревательный элемент очень быстро нагревается и уже с первых минут своей работы позволяет эффективно подогреть воздух, а вместе с ним и весь салон автомобиля.
Примечание! Не следует воспринимать данное устройство как полноценную замену штатной системе обогрева салона, миниатюрный тепловентилятор от прикуривателя — это всего лишь вспомогательное устройство, способное ускорить процесс прогрева салона, взяв на себя часть работы вашей печки.
Перед тем как выбрать автомобильный тепловентилятор следует разобраться какие виды этих устройств существуют. Автообогреватели, как правило, отличаются между собой по типу нагревательного элемента, чаще всего это:
- Спиралевые автомобильные обогреватели;
- Керамические тепловентиляторы;
- А также инфракрасные автообогреватели салона.
Спиралевые обогреватели работают по принципу фена, нихромовая или вольфрамовая спираль накала разогревается и нагревает проходящий сквозь нее воздух. В последнее время реже встречаются за счет недолговечности и малой эффективности спирали. Большим минусом является тот факт, что при нагревании спираль пережигает воздух.
Керамические, как это уже понятно из названия, используют в качестве нагревательного элемента керамику, которая нагревается за счет высокого сопротивления. Керамика не пережигает воздух, что очень важно с точки зрения здоровья и свежего дыхания. Более популярны и экономны по сравнению с первым вариантом.
Третий тип с использованием инфракрасных лучей встречается довольно редко за счет высокой стоимости, а также особенности девайса. Как правило такой автомобильный обогреватель используется для разогрева отдельного небольшого участка салона.
Как выбрать автомобильный тепловентилятор?
Перед тем как купить автомобильный обогреватель салона от прикуривателя следует учесть кое-какие параметры, о которых далее и пойдет речь.
- Прежде всего следует определиться с мощностью. Не следует гнаться за мощными устройствами, поскольку такие дают большую нагрузку на проводку АКБ, а также генератор. Девайсы из Китая довольно часто предлагают производительные аппараты, которые несмотря на приемлемую цену не тестировались на предмет совместимости с автомобильной электроникой и проводкой. В итоге, покупая и подключая такие тепловентиляторы, вы рискуете вывести из строя электросеть своего автомобиля. Мощность должна быть в диапазоне от 150 до 300 Вт.
- Что до нагревательного элемента, то, пожалуй, оптимальным вариантом будет обогреватель салона с керамическим нагревателем, он и эффективен и в то же время более безопасен по сравнению со спиралевыми аналогами.
- Желательно также наличие температурного регулятора, а также датчика автоматического отключения, это позволит вам скорректировать температурный режим, а также избежать перегрева устройства.
- Отдайте предпочтение тем устройствам, которые имеют длинный шнур, качественную сборку, а также обладают сертификатом качества.
- Производитель. Постарайтесь покупать продукцию лишь того производителя, который более-менее известен и имеет определенную популярность. Это даст вам хоть какую-то гарантию того, что вы не купите китайскую одноразовую штамповку.
- Гарантия. Желательно, чтобы магазин предоставлял гарантию на свое изделие, это будет подтверждением того, что производитель ручается за свою продукцию и она будет работать, а не «умрет» в первый же день или месяц.
- Крепление. Особое внимание уделите способу крепления девайса. Отсутствие разумного решения в данном случае приведет к том, что автомобильный тепловентилятор придется держать в руках или ломать голову над тем, как и где его закрепить.
А если конкретнее?
В продаже есть неплохие модели обогревателей салона от прикуривателя, не сочтите за рекламу, среди таких можно выделить YF-800 (Китай), мощностью 160 Вт, Sititek Termolux мощностью 150 Вт (совместное производство России и Китая), Alca мощностью 150 Вт (Германия), Warmup Termini (Норвегия), AVS Comfort (совместное производство России и Китая) Carcommerce (Польша).
На этом у меня все, пишите в комментариях, что думаете об этих устройствах, делитесь своим опытом эксплуатации, а также расскажите какой на ваш взгляд обогреватель салона автомобиля от прикуривателя лучше купить и почему. Также будем признательны каждому кто поделится данной статьей с друзьями в социальных сетях, для этого ниже предусмотрены специальные кнопки. Спасибо за внимание, до новых встреч на Вопрос Авто. Пока!
vopros-avto.ru
Обогреватель в машину от прикуривателя: характеристики, отзывы
Основное предназначение обогревателя – создание тепла и уюта в машине. Особенно он полезен в зимнее время. К примеру, утро, спешка на работу. Каждая минута ценится на вес золота. Как завести машину за 5 минут так, чтобы видимость в ней была нормальная? Замороженные стекла – большая проблема. Ехать в ней опасно для собственной жизни и жизни пешеходов. С виду вроде бы причина пустяковая. Ведь всем известно: если в моторе имеется масло соответственного качества – сдвинуть авто с места не проблема. Но разморозка займет минимум 15 минут.
Выходов из этой ситуации три:
1. Сидеть и терпеливо ждать, когда стекла разморозятся.
2. Установить специальную систему, способную несколько раз за ночь заводить и прогревать двигатель.
3. Купить обогреватель в машину, который можно завести от прикуривателя.
Какой выбор сделать – решать только вам. Но следует отметить, что большинство автолюбителей предпочитают третий вариант.
Что представляет собой обогреватель в машину от прикуривателя? Может, это мини-печка? Это керамическое устройство небольшого размера, которое подключается от прикуривателя. За достаточно минимальное время оно способно отогреть салон автомобиля и разморозить стекла.Устройство прибора
Обогреватель в машину устроен очень просто:
- нагревательный элемент на керамической основе;
- фен.
Преимущество керамического нагревателя состоит в его способности сохранять благополучную атмосферу в салоне и не пережигать кислород. Фен в обогревателе отличается высокой мощностью. Поток воздуха исходит равномерно, и его можно направить в разные стороны. По своей сути это электрическое оборудование, особенностью которого является работа от прикуривателя.
Секреты работы устройства
Как правило, обогреватель в машину начинает свою работу после активации силового агрегата.
Устройство обладает небольшой мощностью, поскольку питание происходит от прикуривателя в 12 Вольт. Это говорит о том, что эффективно салон машины обогреватель в машину от прикуривателя не протопит. Но он и не обязан этого делать, поскольку его основная задача другая – растопить замерзшие стекла и помочь завести двигатель. Достаточно направить оборудование на лобовое стекло, и он быстро начнет выполнять свои функции. Это именно то время, которого достаточно для расчистки дорожки от снега. Во избежание разочарования в приборе пользуйтесь им по назначению. Требуется ли обогреватель в машину для обогрева салона? По-прежнему решать вам.Помните:
- он не способен заменить печку, и в полную силу отопить салон;
- не стоит пытаться нагнать нужную вам температуру в машине, поскольку оборудование быстро выйдет из строя.
Когда он необходим?
Обогреватель в машину способен помочь в следующих случаях:
Когда обогреватель в машину 12 Вольт не нужен?
Данное устройство вам не нужно покупать:
- При редком использовании автомобильного транспорта в зимний период.
- Если она находится в благоустроенном отапливаемом гараже.
- Автовладелец не имеет моды спешить, да и некуда.
- Основное местонахождение машины – южный район с мягким и теплым климатом.
На что обратить внимание при выборе
Вы все же решились приобрести прибор. На что следует обратить внимание?
- Проверьте технические характеристики машины. Они должны соответствовать требуемой мощности подключаемого оборудования.
- На панели управления должен быть расположен дополнительный технологический разъем.
- Перед приобретением ознакомьтесь с характеристиками обогревателя.
- При наличии выбора отдайте предпочтение керамической модели, поскольку он во много раз безопаснее и менее подвержен перегреву, чем его аналоги.
- Проверьте размер шнура. Он должен быть достаточной длины. Особенно это необходимо в случае обогрева задних сидений машины. А как известно, дешевые китайские варианты всегда отличаются короткими шнурами (во всяком случае можно удлинить шнур самому). Обратите на это внимание.
- Разъем для прикуривателя должен быть на торпеде.
Не стоит тянуть с эксплуатацией. После приобретения сразу же опробуйте прибор, поскольку гарантия его не столь велика. Если зажигание в автомобиле выключено, не стоит оставлять прибор без присмотра включенным.

Какой вариант покупки обогревателя считается наиболее приемлемым?
Самым выгодным оборудованием является прибор максимально укомплектованный. Что может войти в комплектацию обогревателя?
1. Элемент дистанционного управления.
2. Зарядка для автономной работы.
3. Подогрев (предпусковой)
4. Автоматическая система.
Конечно, такое оборудование будет дороже. Но оно того стоит.
Что нужно знать перед покупкой обогревателя или установкой самодельного прибора?
- Материал приобретаемого элемента должен быть термостойким и без наличия посторонних запахов.
- В машине должно присутствовать крепление для оборудования.
- Прибор должен иметь документацию с описанием правил эксплуатации обогревателя.
Тем автолюбителям, которые решились купить обогреватель в машину от прикуривателя, отзывы других водителей будут полезны.
Большинство из них утверждает, что данный прибор стал для них чем-то вроде палочки-выручалочки в зимнее время.
Приблизительно за несколько минут наледь с лобового стекла испаряется сама по себе, и машина готова к эксплуатации. Семейные люди предпочитают использовать обогреватель в качестве быстрого обогрева детского сидения. В конце концов, это их решение. Неплохо помогает при сквозняках. Смекалистые автолюбители умудряются использовать указанный прибор в качестве обогрева на зимней рыбалке. Хоть тепла от него исходит немного, но руки от холода спасает хорошо.Существуют и отрицательные мнения. После того как потребитель купил обогреватель в машину от прикуривателя, отзывы бывают о нем отрицательные – стекло лопнуло, устройство греется, быстро выходит из строя. Данный прибор должен был предназначен для обогрева салона, что делал очень плохо. В данном случае покупка стала невыгодной и нецелесообразной. Если вы мастер на все руки, тогда обогреватель в машину 12 Вольт своими руками сделать проще простого.
В этом есть свои преимущества:
1. Получение дополнительного опыта и повышение заинтересованности в своих трудах.
2. Экономия денежных средств.
3. Экономия на комплектующих.
Основные требования
Как и все приборы подобного рода, обогреватель в машину, своими руками сделанный, должен выполнять предназначенные для него функции. Окончательной целью работы должен стать самодельный обогреватель небольшого размера, сделанный из деталей, которые находятся под рукой.
Он должен соответствовать минимальным требованиям, а именно: отогреть стекла от льда.Также он должен быть:
- Безопасносным при эксплуатации.
- Отличаться высокой результативностью.
- Не расходовать чрезмерно электрический ток аккумулятора.
- Быть компактным по габаритам.
Как он работает
Итак, технологическая работа прибора. По своему действию он напоминает работу термопленки. Тепло, которое она производит, не уходит на обогрев воздуха. Тепло, вырабатываемое устройством, отдается предметам, на которые оно направляется. Другими словами, предметы начинают сначала нагреваться, и только потом отдают свою энергию воздушной среде. Обычно такой прибор впустую не включают. Если он находится в рабочем состоянии, значит он для чего-то предназначен. Расходование энергии в нем очень минимальное. Перед тем как сделать обогреватель в машину, потребуется найти запчасти, которые можно приобрести на радиорынке.
Необходимые элементы:
- Два стекла, одинаковых по размеру. Форма – прямоугольная. Площадь составляет около 25 кв. см.
- Паяльник.
- Фольга.
- Эпоксидный клей.
- Парафиновая свеча.
- Ножницы.
- Кабель, состоящий из двух жил и с вилкой.
- Герметик.
Как обогреть стекло? Примитивный способ
Как сделать обогреватель в машину своими руками? Перед началом работы следует очистить стекло от загрязнения. Для полноценной работы обогревателя сформируйте нужную для повышенной проводимости тока поверхность. Для этого зажгите свечку и покройте поверхность стекла тонким слоем копоти.
Аналогичную работу проведите и со следующей поверхностью стекла. На расстоянии полсантиметра от края стекла удалите копоть ватной палочкой. Вырежьте фольгу, размером равную поверхности прикопченного квадрата. В нашем оборудовании фольга будет играть роль электродов. Нанесите на копоть клей и прикрепите вырезанный кусочек фольги. Какая-то часть фольги должна немного выступать за стекло. Сверху наложите второе стекло и зашпаклюйте стыки герметиком. Электрический обогреватель готов к эксплуатации.Заключение
В конце статьи хочется отметить следующее. Если в вашей машине имеется прикуриватель, тогда этот компактный и нехитрый прибор станет для вас надежным другом в зимнюю пору. Вы никогда не узнаете, что такое сухой воздух в авто, и сможете отложить в дальнее место свои перчатки.
Хоть он и потребляет определенное количество энергии, со своим заданием он справится на все 100% и создаст нужные условия в машине для полной ее работоспособности. Тем более если зима длится в вашем регионе больше 5 месяцев.fb.ru
отзывы и на что обращать внимание
В последнее время в моде такое понятие, как тайм менеджмент. Это максимально эффективное использование своего времени, рациональное его распределение. В результате – ни одной потерянной минуты и никакой спешки. Но…
Не во всем удается следовать подобной новомодной теории. Вот, к примеру, утром много минут уходит на прогрев салона машины и ничего с этим сделать невозможно! А ведь утром каждая минута ценится за пять! А тут приходится сидеть и отмораживать стекла!

Причем спешишь ты или не спешишь, значения не имеет никакого! И самое главное, что причина-то пустяковая. Известно ведь, что если в двигателе залито зимнее масло, то он может сдвинуть машину с места буквально через минуту после начала работы. Но ехать с замерзшим ветровым стеклом немыслимо. Поэтому водители сидят в промерзших салонах и развивают добродетель терпения каждый день по пятнадцать минут.
Некоторые решают проблемы установкой специальной системы, которая автоматически заводит двигатель несколько раз за ночь и прогревает его. В результате к утру температура в салоне действительно вполне приемлемая. Но не каждый согласится, чтобы машина автоматически заводилась без присмотра.
Неплохим выходом из положения может стать обогреватель салона автомобиля от прикуривателя.
Что это такое и чем он отличается от обычной автомобильной печки? Керамический обогреватель салона автомобиля – небольшое устройство, которое подключается к прикуривателю.
Устроен он элементарно: керамический нагревательный элемент и фен. Керамический нагревательный элемент не пережигает кислород, создает в салоне благоприятный микроклимат. Обдув можно направить в разные стороны, у различных моделей разные варианты этой функции. Вентилятор в обогревателе мощный, поэтому поток воздуха равномерный.
По сути, обогреватель салона автомобиля от прикуривателя – обычный электрический прибор. Особенность его только в том, что может работать от прикуривателя. Фактически работа такого устройства, начинается, как только начинает работать мотор.
Пример такого обогревателя, работающего от прикуривателя, можно посмотреть ЗДЕСЬ.
Мощность устройства невелика. Ведь питается керамический обогреватель салона от прикуривателя с напряжением всего 12В. Нагрузка по току у них всего 25А, а следовательно, мощность этого устройства не превышает 300Вт. Это совсем небольшая мощность, а значит, и работать этот обогреватель салона автомобиля будет слабо.
Действительно, ледник керамический обогреватель не растопит, но его задача состоит совсем в другом. Подойдя к машине и повернув ключ зажигания, вы практически сразу сможете включить этот обогреватель. Включить и направить струю разогретого воздуха на лобовое стекло. А уже через пять минут, как раз когда будет закончена очистка от снега, можно будет ехать, потому что наледи уже как не бывало!
Для того, чтобы не разочароваться в своем приобретении надо применять его по назначению. Обогреватель салона автомобиля от прикуривателя не способен заменить печку, которая обогревает салон. Если морозной зимой печка вышла из строя, обогреватель салона со своей скромной мощностью не сможет ее заменить.
Ведь он работает слабее, чем домашний фен. Поэтому не стоит и рассчитывать изменить температуру в салоне с его помощью. А вот если такой же морозной зимой отказала система обогрева заднего стекла, но керамический обогреватель вполне справится. Надо просто передвинуть его к заднему стеклу и направить поток воздуха в нужном направлении. Проблем с наледью на заднем стекле не будет. Основная задача этого прибора в быстром оттаивании стекол и с ней он прекрасно справляется.
Нужен ли вам обогреватель салона автомобиля от прикуривателя? Принимать решение, конечно, будет сам автомобилист.
Случаи, в которых обогреватель будет кстати:
- Обогреватель салона автомобиля оправдает себя, если машина ставится на стоянку во дворе многоквартирного дома.
- Целесообразность приобретения зависит от региона. Если средняя температура ночью в зимнее время года ниже нуля, стоит купить обогреватель.
- Насколько дорого утреннее время? Некоторые могут позволить себе не торопиться.
- Если зимой на автомобиле совершаются длительные и дальние поездки.
- В случае, если зимой часто используется заднее сидение. Печка машины, как правило, недостаточно обогревает заднее сидение.
- Если в машине дует из двери, обогреватель салона поможет.
Обогреватель не нужен, если:
- Машина не используется зимой или используется крайне редко.
- Автомобиль хранится в отапливаемом гараже.
- Хозяин всегда ездит один и никогда никуда не спешит.
- Машина находится в южном регионе, где температура даже зимой редко опускается ниже нуля.
Итак, решение купить обогреватель салона автомобиля от прикуривателя принято. Какой модели отдать предпочтение?
Прежде всего, необходимо убедиться, что характеристики электросети машины, для которой покупается обогреватель, соответствуют необходимым параметрам.
Прибор рекомендовано подключать к дополнительному технологическому разъему в панели управления. Перед покупкой и подключением необходимо ознакомиться с инструкцией по эксплуатации автомобиля и тщательно изучить технические параметры бортовой 12 вольтовой сети и купить прибор с подходящими характеристиками.
Если есть выбор, лучше предпочесть керамический обогреватель, чем прибор с металлическими тэнами. Во-первых, он безопаснее, во-вторых, быстрее нагревается.
Перед покупкой учтите и такую характеристику, как длина шнура. Питание прибора производится от прикуривателя, поэтому разъем будет на торпеде. Если актуален обогрев заднего сидения и заднего стекла, провод должен быть соответствующей длины.
После установки опробуйте его. Гарантия на обогреватели салона автомобиля часто не превышает 6 месяцев, поэтому испытать прибор надо как можно раньше.
Не стоит оставлять прибор во включенном состоянии при выключенном зажигании. Это может привести к разряду аккумулятора.
Не все водители знают иммобилайзер — что это такое и для чего он нужен. Его плюсы и минусы.
Что делать, если двери и замки автомобиля замерзли рассказано тут.
А вы уверены что у вас нет задолженности по штрафам ГИБДД? Как об этом узнать — https://voditeliauto.ru/voditeli-i-gibdd/uznat-zadolzhennost-po-shtrafam-gibdd.html
Тем, кто собирается покупать обогреватель салона автомобиля от прикуривателя, отзывы других водителей должны давать правдивую информацию для принятия правильного решения. Возможно, вам будет полезно это видео недовольного покупателя:
Может заинтересовать:
Сканер для самостоятельной диагностики автомобиля
Добавить свою рекламу
Как быстро избавиться от царапин на кузове авто
Добавить свою рекламу
Выбор полезных принадлежностей для автовладельцев
Добавить свою рекламу
Товары для авто сравнить по цене и качеству >>>
Добавить свою рекламу
voditeliauto.ru
Автомобильный обогреватель салона от прикуривателя
Российский климат отличается продолжительностью холодного времени года в течение шести месяцев. Но человек стремится ощущать комфорт везде, и в автомобиле в том числе. Штатный обогреватель не всегда способен быстро справиться с работой, особенно при прогреве салона после запуска двигателя и обледеневших стеклах. Чтобы быстрее прогреть воздух и замерзшие стекла, применяют автомобильный тепловентилятор, работающий от прикуривателя.
Необходимость дополнительного обогрева
Штатная печка любого автомобиля использует тепло, вырабатываемое силовой установкой. Но для выхода двигателя в нормальный температурный режим, при котором активно отдается тепло, нужно ожидать 15 и более минут. Прибор для обогрева салона от прикуривателя в течение этого времени прогревает воздух и стекла, обеспечивая видимость водителю. Он размещается в любом удобном месте, даже около заднего стекла или сидений задних пассажиров, если стационарная печка не справляется или барахлит.
Наиболее выгодным вариантом для легкового автомобиля являются электрические тепловентиляторы с максимальной комплектацией, которые включают:
- Пульт дистанционного управления.
- Систему автоматики.
- Возможность автономной работы (наличие зарядного устройства).
Принцип действия автомобильного обогревателя салона от прикуривателя

Электрообогреватель для автомобиля, работающий от прикуривателя, внутри пластикового корпуса имеет вентилятор и нагревательный элемент. Регулировка прибора осуществляется автоматикой, которая не допустит его перегрева или перегорания. Устройство работает аналогично тепловой пушке, прогоняя при помощи вентилятора холодный воздух по нагревательному элементу.
Нагреватель выполнен в виде ребристой поверхности для обеспечения его максимального соприкосновения с потоком воздуха. Крепление корпуса внутри салона проводится при помощи ножек, прищепкой или присоской. Для изменения направления исходящей струи теплого воздуха, внутри обогревателя располагают подвижные жалюзи, а для использования устройства в качестве фена, прибор оснащен выдвижными ручками.
Преимущества и недостатки автомобильных обогревателей салона от прикуривателя
Автомобильные обогреватели, которые работают от прикуривателя, имеют следующие достоинства:
- Не требуют внешнего источника тока.
- Генерируют сильный направленный поток теплого воздуха.
- При помощи универсального крепления прибор устанавливается в любом месте салона.
- Способствует быстрому размораживанию стекол.
- Помогает быстрее прогреть салон, что важно при плохо работающей штатной печке.
- Представлены в широком ассортименте и ценовом диапазоне различными производителями.
Недостатки электрических обогревателей салона следующие:
- Большая нагрузка на аккумулятор.
- Повышение уровня шумности в салоне.
- В зимний период для прогрева прибором салона требуется много времени.
- Некоторые модели для крепления требуют сверления или вкручивания саморезов.
- Довольно слабая мощность.
- Повышенная пожароопасность в салоне автомобиля.
Правила выбора
Выбирая прибор обогрева салона, нужно руководствоваться главными характеристиками, которые требуются при эксплуатации. Основная масса таких устройств имеет мощность порядка 150-300 Вт. При выборе более энергоемкого аппарата учитывается мощность электрооборудования и качество проводки автомобиля. Прибор кроме эффективности должен быть и безопасен. Сочетанием этих свойств обладают изделия с керамическим элементом конструкции.
Важные характеристики устройства – это несколько регулировочных режимов и опция автоматического отключения при нагреве воздуха до нужной температуры. При этом разница в цене регулируемых и нерегулируемых приборов невысокая. Наличие длинного шнура обеспечит доступ обогревателя во все места в салоне и к пассажирам на заднем сиденье. Помимо необходимых технических характеристик, на прибор должна быть предоставлена гарантия.
В качестве нагревательного элемента внутри электрообогревателя лучше выбирать материал из керамики, который имеет перед стальными тэнами следующие преимущества:
- В отличие от тэнов, не поддается коррозии.
- Работает при более низкой температуре, обеспечивая высокую пожаробезопасность.
- Горячая керамическая пластина не пережигает кислород и не сушит воздух, что повышает комфорт водителя и пассажиров при поездке.
- Начинает обогрев сразу после включения двигателя.
Модели автомобильных обогревателей салона от прикуривателя
Среди представленных моделей на рынке автоаксессуаров, большой популярностью пользуются следующие автомобильные обогреватели:
1. SITITEK Termolux 150. Электрокерамический обогреватель с обрезиненным ударопрочным корпусом. Имеет режим вентилятора и может использоваться летом. Оснащен бесщеточным электродвигателем с минимальным уровнем шума и керамическим нагревательным элементом. Имеет яркий светодиодный фонарик и откидную ручку для использования прибора в виде ручного обогревателя. Съемная поворотная подставка позволяет установить устройство на приборную панель. Мощность обогревателя – 150 Вт., обдув регулируется по горизонтали на 360о, питание – от прикуривателя.
2. Termolux-200 Comfort. Электрообогреватель салона, имеющий режим автономной работы благодаря встроенному аккумулятору, ЖК-дисплей, таймер автоматического включения. Керамический нагреватель не пересушивает воздух. Направление обдува регулируется только по вертикали, питается от прикуривателя и имеет зарядное устройство от 220 В.

3. Auto Heater Fan. Электрокерамический нагреватель салона, рассчитан на работу от 12 В, имеет разъем для подключения к прикуривателю. Работает в режиме обогрева и обдува. В качестве материала корпуса используются пластик и металл. Мощность прибора – 140-150 Вт., макс. температура 35оС, длина шнура 180 см.

4. Koto 12V-901. Обогреватель использует керамический нагревательный элемент с защитой от перегрева. Имеет регулировки обдува – горизонтальную до 90о, и вертикальную до 45о. Вес прибора составляет 500 г., максимальная мощность 140 Вт., вентилятор и нагреватель могут включаться раздельно.

5. ТЕ1-0182. Автомобильный тепловентилятор китайского производства, подключается к прикуривателю и отличается невысоким расходом электроэнергии. Корпус оснащен универсальным креплением, длина шнура 1,5 м., мощность 150 Вт.

voditelauto.ru
