Как развоздушить печку ВАЗ-2106
Система обогрева салона на вашей «шестёрке» исправно функционирует, но тёплый воздух не поступает даже при хорошо прогретом двигателе? Вполне вероятно, вы столкнулись со стандартной ситуацией, когда печка ВАЗ 2106 завоздушена. Необходимо понимать, что наличие воздуха в системе отопителя, который, по сути, представляет собой ответвление системы охлаждения двигателя, чревато не только холодным салоном машины. Дело в том, что пузырьки воздуха препятствуют движению охлаждающей жидкости, в результате чего существует риск перегрева двигателя со всеми вытекающими последствиями. Поэтому лучше не эксплуатировать автомобиль в таком состоянии и незамедлительно принять меры по удалению воздушной пробки.

Среди отечественных автомобилистов применяются различные способы, позволяющие развоздушить радиатор системы обогрева. Одни являются довольно эффективными, а с применением других приходится полагаться на собственное везение. Если всё-таки на вашем ВАЗ-2106 воздушит печку, мы можем порекомендовать всего два действенных способа решения этой проблемы. При этом первый способ является «народным» и наиболее простым, поэтому пользуется большой популярностью, а второй метод рекомендован профессионалами.
Выгоняем воздух из радиатора отопителя салона — способ первый
Реализация этого метода подразумевает установку автомобиля под уклоном. То есть для того чтобы развоздушить печку ВАЗ-2106, необходимо найти участок с подходящим рельефом или загнать машину на эстакаду таким образом, чтобы поднять её переднюю часть. Теперь необходимо запустить двигатель и дать ему поработать в течение 5–10 минут на холостых оборотах. Так вы сможете удалить пробку из системы быстро и с минимальными усилиями.

При всём этом следует оговориться, что применение такого метода не даёт 100-процентной гарантии получения ожидаемого результата. Поэтому если вы решили выгонять воздух с его помощью, учтите сказанное. Если же вы не хотите полагаться на удачу и намерены действовать наверняка, то описанный ниже способ станет оптимальным решением.
Удаляем воздушную пробку из радиатора отопителя салона — способ второй
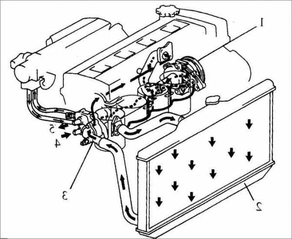
Суть этого метода заключается в том, чтобы выгнать воздух из печки ВАЗ-2106 через отверстие в самой верхней её точке. В роли такого отверстия выступает трубка, по которой тосол из радиатора отопителя возвращается в систему охлаждения. Порядок необходимых действий приведён ниже:
- Сначала необходимо ослабить затяжку хомута патрубка, соединяющего верхнюю трубку радиатора печки с системой охлаждения.
- Далее, не снимая патрубка, наполните расширительный бачок заранее подготовленной охлаждающей жидкостью.
- После этого снимите патрубок и обратно наденьте, но не полностью — так, чтобы он только держался на краю трубки.
- Теперь запустите двигатель и дайте ему прогреться до температуры 80–85 градусов.
- При работающем двигателе начинайте немного снимать с трубки верхнюю часть патрубка. Удерживайте его в таком положении до тех пор, пока воздух из системы обогрева не будет удалён. Вы об этом узнаете, когда из трубки пойдёт тосол и патрубок начнёт нагреваться.
Важно! Перед проведением операции по удалению воздушной пробки лучше надеть перчатки, чтобы избежать неприятных последствий контакта с горячим шлангом или случайно пролитым тосолом.

Описанный способ считается одним из наиболее эффективных. Его применение позволяет довольно быстро развоздушить систему обогрева. Но независимо от того, каким образом вы проводили удаление воздуха из печки, по завершении проделанной работы обязательно нужно проверить, был ли достигнут необходимый результат. Для этого двигатель машины прогревается до рабочей температуры и включается отопитель. Если в салон поступает тёплый воздух, значит, ваши действия были успешны.
remam.ru
Как выгнать воздух из печки Газель Бизнес
Воздушная пробка в системе охлаждения – очень опасный дефект. Опасность его заключается в скрытости. Она не прозрачна, поэтому увидеть её невозможно. Понять это можно только по косвенным признакам.

Охлаждение автомобиля Газель Бизнес предназначено для отвода тепла от сильно нагретых деталей и поддержания рабочей температуры. Для этого она имеет узлы и агрегаты, которые помогают это делать. Охлаждающая жидкость является проводником тепла и отводит его от блока цилиндров двигателя к радиатору. Для поддержания рабочей температуры имеются два контура, между которыми располагается термостат. Малый контур способствует быстрому выходу на рабочую температуру двигателя. Охлаждающая жидкость циркулирует только по блоку цилиндров, головкам и отопителю салона. При достижении температуры, превышающей рабочую, открывается термостат, и ОЖ из блока цилиндров попадает в радиатор, а после охлаждения возвращается обратно. Ну и соответственно, при остывании термостат закрывается, и ОЖ опять циркулирует по малому кругу. Это происходит механически, поэтому водитель при езде ничего этого не замечает.
Причины завоздушивания системы охлаждения
Завоздушивание системы охлаждения происходит в результате:
- Слива ОЖ (неважно, сами вы её слили, либо же это произошло в результате механического повреждения).
- Протечки ОЖ из системы охлаждения.
- Из-за неправильной работы клапана, расположенного в крышке расширительного бачка (в системе должно поддерживаться повышенное давление определённого значения, поскольку чем больше давление, тем выше температура кипения). И если клапан не держит давление, то будет впускать в себя воздух из атмосферы, и будут образовываться пробки.

Давление и циркуляция происходят за счёт вращения крыльчатки помпы. Она приводится в движения через ременную передачу от шкива коленчатого вала. Помпа вращается только при работающем двигателе постоянно, независимо от температуры ОЖ.
Признаки, которые указывают на воздушную пробку:
- На прогретом до рабочей температуры двигателе из печки дует холодным (воздушная пробка – это одна из многих причин такого эффекта, так что при появлении подобной проблемы нелишним будет постараться убрать воздушную пробку, а если это не поможет – искать причину дальше).
- Закипание ОЖ при небольших показаниях датчика (здесь также воздушная пробка может быть одной из многих других причин).
- При температуре двигателя 80° С и выше некоторые патрубки остаются холодными.
Пути решения проблемы
После того как выяснилось, что система, возможно, завоздушена, то нужно удалить из неё воздух. Для начала необходимо проверить её на герметичность, чтобы не было подтекания в местах соединений. Также проверить все резиновые шланги на предмет трещин, и если таковые имеются, то шланги нужно заменить. Если в местах соединения резинового шланга и штуцера не удаётся устранить подтекание путём протяжки хомута, то данное соединение нужно разобрать и проверить сам штуцер, возможно, на нём появилась трещина. Данное соединение не может считаться надёжным, и в таком случае штуцер подлежит замене. Также причиной, по которой не удаётся исправить подтекания в местах соединения патрубка, может быть неисправность самого хомута, или резина из-за постоянного контакта с ОЖ сильно «задубела». В этом случае поможет замена хомута и резинового шланга.

Способы устранения воздушной пробки в системе охлаждения
Способ 1
Способ устранения зависит от причин возникновения неисправности. В большинстве случаев причиной становится слив ОЖ из двигателя. Слив производится либо для замены, либо для ремонта. Перед заливом жидкости нужно ослабить хомут на верхнем патрубке печки со стороны моторного отсека. Так, чтобы он свободно снимался. Затем перевести краник печки в положение, когда он открыт полностью. После этого приступить к заполнению ОЖ. Заполнять маленькими порциями, продавливая при этом большие шланги руками по всей длине. Делать это нужно с того момента, когда расширительный бачок станет полным. При этом понемногу снимать верхний патрубок печки со штуцера, выпуская воздух. После того как бачок станет пустым, долить ОЖ и опять продавливать шланги. Затем, подставив под верхний шланг тару для слива жидкости, понемногу снимать его для выхода воздуха до появления ОЖ. После чего долить до верхней метки расширительного бачка и завести мотор. При заведённом моторе также снимаем верхний шланг и продавливаем большие патрубки по всей длине до того момента, когда потечёт жидкость без пузырьков. После этого надеваем и прогреваем мотор до той температуры, когда сработает электровентилятор (это будет означать, что открылся термостат), и пробуем очень аккуратно оттягивать патрубок для выхода воздуха. Продолжаем до появления жидкости без пузырьков. И следя за уровнем ОЖ (чтобы не опускался ниже отметки минимума), продавливаем патрубки по всей длине. Также необходимо следить за всеми местами соединений на предмет подтекания. Если такие имеются, немедленно их устранять. Если при работе мотора жидкость в бачке держится на одном уровне и в него не идут пузыри, значит, всё герметично, можно закрывать крышку.

Способ 2
Если ОЖ не сливалась, а печка завоздушилась из-за протечек, то после устранения протечки, долив жидкость до максимальной отметки, необходимо открыть краник на печке и, запустив мотор, рукой продавить все шланги по всей длине до прекращения появления пузырьков в расширительном бачке. Если это не поможет, выбрать место с подъёмом и поставить автомобиль так, чтобы передняя часть была выше задней. Затем завести двигатель и, продавливая патрубки, открывать дроссельную заслонку (не более 3-х тысяч оборотов).
Способ 3
Следующий способ самый верный и эффективный. Он позволяет полностью избавиться от воздушных пробок. Для этого нам потребуется ручной насос. Именно насос, а не компрессор, поскольку им очень легко контролировать давление. Заполняем расширительный бачок доверху. Закрываем плотно крышку и снимаем шланг в верхней части бачка (обратку). Далее, нужно поместить любую пустую тару (лучше канистру) в моторном отсеке и опустить его туда. А трубку от насоса посредствам хомута присоединить к штуцеру бачка. И нагнетая давление насосом, следить за уровнем ОЖ в бочке и при достижении минимального уровня доливать до полного (можно использовать жидкость, которая будет вытекать из трубки). Данную процедуру необходимо проделывать, пока не перестанет выходить ОЖ с пузырьками. Далее, довести уровень жидкости до максимальной отметки и плотно закрыть крышку.

Вот мы и рассмотрели, как развоздушить печку Газель Бизнес. Для этого не нужно дорогостоящего оборудования и первоклассных специалистов. Все эти процедуры можно проделать самому, без сторонней помощи. Всё вышеперечисленное можно сделать в дороге, если неисправность застигла вас в пути. Такой набор инструментов и приспособлений имеется в каждой машине. Нет необходимости в особых навыках или знаниях для проделывания таких процедур. Если же всё это вам не помогло, то проблема заключается в чём-то другом. И для дальнейшего ремонта необходимо найти причину поломки, а потом заниматься её устранением.
remam.ru
Как выгнать воздух из печки ВАЗ-2109
Перед наступлением холодов каждый автолюбитель озадачивается проверкой отопления салона своего авто. Обогрев машины в значительной степени затрудняется, когда в отопительной системе образуется завоздушивание, так как оно препятствует быстрому нагреванию отопителя. Есть несколько несложных способов, как выгнать воздух из печки ВАЗ-2109. Сейчас мы их рассмотрим поподробнее.

Почему опасно завоздушивание?
- Воздушная пробка, присутствующая в печке и системе охлаждения ВАЗ-2109, доставит вам много неприятностей. Так как мотор будет неравномерно прогреваться и велика вероятность его перегрева из-за плохого охлаждения. Присутствие воздуха в контуре не даёт циркулировать ОЖ, из-за этого нарушается отбор тепла антифризом от двигателя. А также воздушная пробка мешает проникновению охлаждайки в радиатор, тем самым обеспечивая двигателю перегрев.
- Завоздушивание также может появиться из-за долго неработающей печки автомобиля. В этом случае антифриз не проникает в радиатор отопителя и остаётся прохладным, также не нагревается и воздух.
Каким образом можно удалить завоздушивание в системе?
Есть несколько простых и действенных способов удалить воздух из системы отопления ВАЗ-2109, которые подходят и для других автомобилей.
Самых популярных способа три, они основываются на принципе: молекулы кислорода легче молекул воды и, следовательно, они скапливаются наверху, где их и убирают.
Важно перед началом работ полностью открыть кран отопителя на максимальную температуру воздуха.

- Первый метод является универсальным для машин, у которых можно отцепить шланг, что подогревает дроссельный узел или карбюратор. Эти действия можно сделать на большей части автомобилей ВАЗ.
Здесь карбюратор — это самая верхняя точка охлаждающей системы мотора. Поэтому это место больше всего подходит для удаления воздуха.
Ход работы:
- Снимите оба защитных кожуха и всё, что не даёт добраться до отопителя.
- Открутите хомут подогревающего шланга, снимите его со штуцера.
- Открутите крышку расширительного бачка и накачивайте туда воздух, пока из дроссельного узла или патрубка не пойдёт охлаждайка.
- В момент, когда появится жидкость из шланга или штуцера, быстро наденьте шланг на место и прикрутите всё как было.
Вышеописанные манипуляции позволят избавиться от воздушной пробки на 99%.
- Второй способ реализуется снятием патрубков, подогревающих дроссельный узел. Он немного схож с вышеописанным, но не требуется продувание бачка.
Ход работы:
- Аналогично первому методу нужно снять защитные кожухи и прогреть мотор до рабочей температуры, заглушить.
- Оставьте крышку на расширительном бачке, но при этом уберите шланг со штуцера.
- Когда пойдёт охлаждайка, поставьте все трубки на свои места и соберите всё обратно.
- Одной попытки может быть мало и процедура может не дать положительного результата, возможно, её нужно будет повторить ещё второй раз.
Важно! Помните о мерах самобезопасности. Охлаждайка в контуре может находиться под давлением и её температура может быть выше 85 градусов. При попадании её на кожу может произойти ожёг. Постарайтесь защитить руки хотя бы подручными методами. Например, наденьте тряпичные перчатки, а поверх них прорезиненные.
- Третий метод самый простой, для него не требуется разбирать систему. Но к сожалению, этот способ не так эффективен, как 2 предыдущих.
Ход работы:

- Загоните машину на подъём таким образом, чтобы был приподнят верх и крышка радиатора стала самым высоким местом.
- Уберите крышку с расширительного бачка и радиатора.
- Включите зажигание и прогрейте мотор до рабочей температуры.
- Антифриз будет постепенно поступать в систему. Необходимо будет его время от времени подливать, чтобы сохранить нужный уровень.
- Чтобы повысить поток ОЖ, повысьте обороты мотора. Уровень антифриза в этом случае может резко снизиться и следует его срочно добавить. Процедуру следует продолжать до того момента, пока не прекратят появляться пузырьки из обратки.
Горячий поток из воздуховодов печки является признаком исчезновения завоздушивания.
Профилактика завоздушивания
Соблюдайте нехитрые правила при замене охлаждайки и вы сможете избежать проблемы появления завоздушивания:
- Заливайте охлаждающую жидкость медленно, не торопясь, маленькими частями.
- Заливая ОЖ, сжимайте патрубки, прокачивая её.
- Предварительно снимите один из шлангов на блоке подогрева карбюратора или на дроссельном патрубке на впрысковом моторе, так как туда и вытиснется лишний воздух. После чего можно заливать ОЖ.
Обычно после замены охлаждающей жидкости на ВАЗ-2109 в 90% случаев возникает воздушная пробка. Печка начинает не справляться со своей задачей. Но вы можете избежать этой проблемы, соблюдая наши нехитрые рекомендации по замене ОЖ.
remam.ru
Как выгнать воздух из печки Дэу Нексия
Если в автомобиле марки Дэу печка перестала греть — надо очистить воздушную систему и выгнать воздух из печки Дэу Нексия. Это не сложный процесс, и воспользовавшись советами профессионалов, можно легко справится с этой проблемой самостоятельно.

Система воздушного нагрева воздуха
Различают жидкостную, воздушную и комбинированную системы охлаждения различных деталей двигателей. Первая — это система закрытого вида, в которой тепло от горячего двигателя проводится с помощью потока жидкости. Вторая, открытого типа, использует воздушный поток, третья является синтезом предыдущих.
Кроме охлаждения двигателя, эти системы имеют и другое предназначение:
- они нагревают воздух в системе отопления,
- не дают перегреться маслу, используемому для смазки,
- остужают рабочую жидкость и воздух.
Система отопления включает в себя кондиционеры и вентиляцию для обеспечения комфорта водителя. На Дэу Нексия управление отоплением не зависит от системы кондиционирования, обогрев происходит при удалении инея и конденсата воды на ветровом стекле, обдувании дверных стёкол.
Что такое завоздушивание
Наличие завоздушивания в системе охлаждения двигателей и отопительной системе доставляет немало неприятностей. Например, неравномерный прогрев мотора и неработающая печь. При наличии пробки в воздухе, охлаждающая жидкость не проходит в радиатор, поэтому воздух остаётся холодным. Чаще всего две проблемы связаны между собой и появляются одновременно, и устранять их надо сразу же.
Как удалить воздушные пробки
Автолюбители со стажем без труда дадут несколько ответов на вопрос: что делать, если завоздушена печка на Дэу Нексия и приведут несколько способов, которые помогут решить проблему. Но все ответы основываются на разном весе воды и воздуха. Вода более тяжёлая, поэтому она течёт внизу, а лёгкий воздух собирается вверху. Важно! Для правильного выполнения работ, указанных ниже, кран печки необходимо полностью открыть, чтобы обеспечить наиболее горячий воздух.
Первый метод
Он помогает справиться с проблемой при наличии возможности отсоединения шланга подогрева дросселя. Объяснение этому простое: карбюратор — это высшая точка мотора, и он идеально годится для того, чтобы выгонять скопившийся воздух.

Сначала надо снять подкрылки (защитные кожухи), установленные в колёсных арках, и другие элементы, которые мешают работе. После чего открутить хомут шланга с подогрева и снять шланг. Дальше надо опять же открутить пробку, стоящую на расширительном баке, и подуть в бак до того момента, когда из дросселя или патрубка польётся антифриз или тосол (зависит от того, чем вы пользуетесь). Когда из шланга или штуцера потечёт антифриз, надо быстро надеть шланг обратно и закрутить все то, что открутили. Этот метод обеспечивает полное удаление воздуха и тепло в печке.
Второй метод
Второй метод немного похож на предыдущий, за исключением продувания бачка, и позволяет без особых проблем удалить в автомобиле Дэу Нексия воздух в печке.
Выполнение работ начинается со снятия защиты, затем прогреваем двигатель до уровня, необходимого для работы, и выключаем. В этом случае не надо откручивать пробку на расширительном бачке, просто снимаем шланг со штуцера подогрева дросселя. Придётся немного подождать, чтобы начал течь антифриз, затем возврашаем шланг на штуцер, и собираем все то, что разобрали.
Что делать, если пробка осталась? Иногда такое бывает, хотя в основном метод работает безотказно. Оставляем в покое шланг, выкручиваем пробку, затем вновь закручиваем и ещё раз повторяем весь цикл.
В работе важно соблюдать меры безопасности. Необходимо оберегать свои руки от ожога, поскольку антифриз нагревается до девяноста градусов, поэтому не забудьте надеть защитные перчатки.

Третий метод
Есть ещё один способ для удаления воздуха из печки. Наиболее простой, но недостаточно эффективный.
Загоняем машину на горку, чтобы сделать верхнюю крышку радиатора высшей точкой системы охлаждения. В этом положении надо снять ту же самую пробку, завести мотор и прогреть до температуры примерно в 90 градусов. Когда антифриз уходит в систему, его подливают до нужного уровня. Для усиления потока, увеличиваем обороты мотора машины. Операцию прекращаем, когда из обратки больше не идут пузыри.
Ещё одна модификация третьего варианта решения проблемы — как выгнать воздух из печки Нексия. Машину надо поставить на горку, уровень наклона которой составляет тридцать градусов. В этих целях можно использовать выезд из подземной автостоянки. Ставим автомобиль на ручник и заводим. Затем поднимаем крышку капота, снимаем крышку с расширительного бака, наливаем антифриз выше максимального уровня. Следующий шаг: повышаем обороты (за тросик), приблизительно на 3000–3500, второй рукой нужно прокачать патрубок, который идёт к печке. Внимательно смотрим за уровнем антифриза/тосола в бачке, при спаде доливаем в бачок. Пробка будет полностью удалена, когда уровень антифриза станет стабильным.
Вопросы автолюбителей
Начинающие автолюбители часто задают вопросы, как точно узнать есть воздушная пробка или нет, и как выгнать воздух из печки Дэу Нексия.
Водители с опытом советуют после покупки автомобиля сменять антифриз, особенно перед зимой. Для определения наличия пробки надо протестировать оборудование. Начинаем с определения уровня тосола или антифриза, доливаем до максимума. Запускаем мотор и включаем печку. Через десять минут руками щупаем температуру главного патрубка и обратки, которая идёт к печке. Если патрубки стали тёплыми, а остальные трубки в охлаждающей системе горячими, это означает завоздушивание радиатора. Если патрубки горячие, можно провести профилактическую работу по утеплению печи.
Иногда владельцы говорят, что печка плохо работает — дует не туда. Эта проблема заключается в том, что заслонка, которая отвечает за подачу холодного и тёплого воздуха не полностью обеспечивает подачу горячего воздуха.
Заключение
Избавиться от воздушной пробки довольно просто, если знать строение автомобиля и определённые рабочие процессы, а также соблюдать технику безопасности. Следуя простым советам, даже не самый опытный автомобилист не будет ломать голову над тем, как выгнать воздух из печки Дэу Нексия.
Если у вас есть интересный опыт избавления от завоздушивания, поделитесь с нами! Вам понравилась статья? Не забудьте поделиться ею с друзьями и оформить подписку на наш сайт — впереди ещё много полезной и увлекательной информации!
remam.ru
Мужики помогите! Как развоздушить печку? — Просмотр темы • VW-BUS-CLUB — Диабло

Нередки случаи, когда на баке образовывались трещины.
Лайфхак! Завоздушило систему охлаждения!
На большей части современных автомобилей реализована жидкостная система. После того как воздушная пробка будет удалена, из трубки потечёт охлаждающая жидкость антифризэто свидетельствует о том, что пора возвращать хомут на своё место. В некоторых случаях имеет смысл установить специальный фильтр, который позволит нормально работать даже жидкости качества ниже среднего.

Попробуй развоздушить систему. Я делал так после замены антифриза. ставил машину на уклон мордой вверх…

Если забиты каналы внутри, то необходимо снять радиатор и промыть его под давлением. Заполнять необходимо до уровня max. В малом круге участвуют все элементы, кроме радиатора.

Нужно помнить, что работы выполняются на холодной машине, поэтому после остановки требуется подождать минут Не забываем обратно надеть накладку на двигатель.
Один человек должен сесть за руль и периодически слегка газовать, дождавшись, когда из печки пойдет горячий воздух. Второй сливать жидкость до тех пор, пока она не перестанет пузыриться. Только после этого в бачок можно долить недостающий объем жидкости и закрутить крышку.
Полезный совет До того как приступать к устранению данной проблемы, необходимо убедиться, что нет механического перегиба и засорения самой системы, прокручивания, деформации или поломки крыльчатки на валу. Как проверить систему охлаждения Системы охлаждения ДВС можно разделить на два типа — воздушные и жидкостные.
АВТОМОБИЛИ
Наиболее распространена жидкостная, хотя правильнее назвать ее смешанной. И у нее, как и любого механизма, случаются поломки время от времени. Абсолютно любой двигатель внутреннего сгорания — это источник огромного количества тепла.
Но при чрезмерном нагреве происходит расширение металла. Кроме того, топливовоздушная смесь быстро испаряется или самопроизвольно возгорается.
Информация
Чтобы не допустить этого, применяется система охлаждения, которая бывает жидкостной и воздушной. На большей части современных автомобилей реализована жидкостная система. Правда, правильнее ее назвать комбинированной, так как имеется принудительный обдув радиатора электровентилятором. При работе двигателя приводит в движение насос, который создает давление жидкости. Последняя циркулирует по двум кругам — малому и большому.
В малом круге участвуют все элементы, кроме радиатора. Переключение между кругами происходит с помощью термостата, который срабатывает при определенной температуре. Но бывает, что случаются мелкие и крупные поломки.

Необходимо каждому водителю знать основные симптомы , по которым можно быстро определить неисправность и устранить ее. Поломки термостата Термостат необходим для прогрева двигателя до рабочей температуры.
Поломки термостата
Следовательно, в положении по умолчанию он будет обеспечивать циркуляцию жидкости по малому кругу охлаждения. В этом положении чаще всего происходит заклинивание механизма. Отсюда вытекает то, что жидкость не поступает в радиатор, охлаждается плохо, поэтому закипает.
Если случилась неприятность с термостатом в дороге, можно его оживить, правда, добиться правильной работы уже не выйдет. Легкие постукивания по корпусу способны заставить механизм сработать.

Но эффект от таких действий весьма мал, гораздо лучше окажется вынуть внутренности из корпуса. Это обеспечит циркуляцию по большому кругу, перегрев двигателя будет исключен. Но снимать термостат нужно на холодном двигателе, предварительно слив охлаждающую жидкость. Поломка расширительного бачка При нагреве жидкость расширяется и ей куда-то нужно деваться. Все излишки охлаждающей жидкости уходят в него при нагреве, а при остывании возвращаются в систему.
Нередки случаи, когда на баке образовывались трещины.

Так как через него подаётся охлаждающая жидкость к двигателю, то нужно быть осторожным, чтобы не повредить патрубок. Теперь можно переходить непосредственно к удалению воздушной пробки. Как выгнать воздух из системы охлаждения Несмотря на то что на все работы уйдёт примерно минут, в сервисе за это возьмут приличную сумму, а ведь самостоятельно это сделать не составит труда.
Итак, первым делом необходимо немного сдвинуть хомут.

Затем из патрубка будет выходить воздух, это можно услышать по шипению. После того как воздушная пробка будет удалена, из трубки потечёт охлаждающая жидкость антифриз , это свидетельствует о том, что пора возвращать хомут на своё место. Стоит заметить, что целесообразно во время выполнения данных работ проверить всю систему охлаждения на наличие утечек.
Теперь, когда патрубок стоит на своём месте, а хомут плотно затянут, нужно заполнить расширительный бачок антифризом до уровня max, можно немного меньше, главное, чтобы количество жидкости было больше минимально допустимого.
Сразу стоит проверить отопитель. Если циркуляция воздуха нормальная и поток теплый, то воздушных пробок нет, и вы полностью справились с поставленной задачей. Стравливание воздуха из системы охлаждения: Во всех случаях воздух скапливается в самой высокой точке, в нашем случае это дроссельный узел.
Следовательно, удалять воздушную пробку желательно именно оттуда. Для этого потребуется снять пластиковую накладку, которая находится на двигателе, после чего отвернуть крышку для заливки масла. Затем необходимо полностью снять накладку, она установлена на специальных резиновых уплотнителях. Следующим шагом будет закрытие крышки для залива масла. Затем находим шланг дроссельного узла.
Ослабляем хомут и снимаем его. После этого дуем в патрубок до тех пор, пока не выйдет в
diabloarea.ru
Как выгнать воздух из печки ВАЗ-2110
Проблемы с отопительной системой отечественных автомобилей являются далеко не редкостным явлением. Чаще всего владельцы машин обращают внимание на существующие неисправности зимой, когда температура за окнами сильно отличается от комфортной. Одной из возможных причин подачи в салон транспортного средства холодного потока воздуха вместо горячего может быть присутствие в системе отопления воздушной закупорки.

В этой статье рассмотрим причины завоздушивания печки ВАЗ-2110, и как выгнать воздух из системы отопления транспортного средства.
Причины возникновения воздушной пробки в системе отопления ВАЗ-2110
Воздушная пробка чаще всего появляется в патрубках и шлангах системы охлаждения двигателя. Появление закупорки негативно отразится не только на работе отопителя, а и на функциональности двигателя транспортного средства. Завоздушенные шланги теряют свою пропускную способность, чем провоцируют перегрев силового агрегата, закипание охлаждающей жидкости в системе отопления. Если не выгнать воздушную пробку, то последствия могут разнообразными — от повреждения радиатора отопителя до перегрева силового агрегата автомобиля.
Причины возникновения закупорки могут быть разные. Иногда недостаточно просто вытеснить воздух из системы, а и необходимо устранить первоисточник проблемы. Одна из самых популярных причин — это неправильная замена охлаждающей жидкости. В такой ситуации достаточно просто устранить воздушную пробку и в дальнейшем при доливании или замене антифриза придерживаться инструкций производителя. Для правильного выполнения работ важно откручивать необходимые шланги и патрубки.

Нередко причиной возникновения завоздушивания бывает разгерметизация или повреждение деталей системы охлаждения двигателя и отопления салона. Причина разгерметизации — это плохо затянутые хомуты на шлангах и патрубках. В следствии через мелкие отверстия попадает воздух, и образуются воздушные пробки. В этом случае изначально надо проверить надёжность креплений шлангов, и только после этого надо устранять пробку. Наличие повреждённых деталей в системе охлаждения можно выявить по следам подтекающего антифриза в моторном отсеке. Если такие следы имеются, то надо найти и заменить пришедший в негодность элемент, иначе после устранения пробки она появится снова.
Способы развоздушивания печки ВАЗ-2110
Иногда после добавления или полной замены антифриза печка на ВАЗ-2110 перестаёт греть. Если при этом радиатор отопителя горячий, значит, большая вероятность того, что в отопитель попал воздух. Если завоздушило печку ВАЗ-2110, надо обязательно устранить воздух из отопителя для нормального его функционирования.
Существует несколько действенных несложных способов для устранения проблемы, с которыми может справиться даже начинающий водитель.
Первый вариант предусматривает устранение воздушной заглушки с помощью несложных манипуляций в подкапотном пространстве автомобиля. Для начала необходимо открутить крышку расширительного бачка. В моторном отсеке возле радиатора машины надо отыскать шланги для подвода и отвода охлаждающей жидкости. Выгонять воздух надо резкими нажатиями на оба шланга на продолжении недолгого времени. После этого закручивается крышка бачка и проверяется, удалена ли воздушная пробка. Для этого необходимо завести автомобиль и включить печку на максимальные обороты. Если проблема не устранена, причину надо искать в другом месте, или попробовать воспользоваться следующим способом.

Для устранения воздуха из печки вторым методом надо найти эстакаду или высокую горку, и поставить автомобиль таким образом, чтобы его передняя часть была как можно выше. После этого необходимо завести машину и дать ей поработать на холостых оборотах несколько минут. Если такие действия не дали результата, можно повторить процедуру с добавлением подгазовки педалью газа.
Послу устранения пробки, необходимо добавить антифриз в расширительный бачок до нормального уровня и плотно закрыть крышку бачка. Нельзя доливать жидкость очень резко, это может спровоцировать повторное появление завоздушивания.
Третий способ устранения проблемы, когда воздушит печку ВАЗ-2110, является самым действенным и эффективным. Однако этот метод незначительно сложнее в исполнении. Для более удобного выполнения работ может понадобиться помощь друга.
Для начала необходимо найти и отсоединить шланг для отвода антифриза. Делать это надо очень аккуратно, так как из него или из штуцера может потечь антифриз. Если жидкость потекла, надо зажать отверстие пальцем. Если воздушная пробка имеется, то антифриз из шланга течь не будет.

После этого надо доливать потихоньку подготовленный заранее антифриз. Заливать надо до тех пор, пока он потечёт из шланга или его уровень достигнет максимального значения в расширительном бачке.
Если охлаждающая жидкость потекла, это означает, что воздух вышел из системы. Остаётся только подсоединить шланг к штуцеру и закрепить его хомутом. После этого можно закрыть крышку бачка, завести двигатель и проверить работу печки.
В случае ситуации, если уровень антифриза в бачке максимальный, а он не течёт из шланга, тогда понадобится помощь друга. Надо завести автомобиль и параллельно отверстие в шланге плотно зажать пальцем и ждать, пока потечёт из него жидкость. Иногда из штуцера она начинает вытекать быстрее, чем из шланга. В этом случае штуцер надо закрыть пальцем, и ждать до тех пор, пока антифриз пойдёт именно из шланга. Только после этого можно шланг установить на своё место.
Если выгнать воздушную пробку не удаётся по каким-либо причинам, такую же операцию можно повторить со шлангом подвода охлаждающей жидкости.
Подведём итоги
Попадание воздуха отопитель транспортного средства может негативно отразиться не только на функциональности печки и комфорте в салоне, а и повлиять на работу более значимых агрегатов и деталей в машине. Своевременное обнаружение и устранение проблемы поможет вам сэкономить на покупке дорогостоящих элементов отопителя и ремонте силового агрегата автомобиля.
Очень внимательно относитесь даже к несерьёзным, на первый взгляд, проблемам в работе вашего транспортного средства. Несложные профилактические меры по уходу за элементами отопления салона положительно скажутся на функциональности транспортного средства в целом.
remam.ru
