Структура и принцип работы противобуксовочной системы (ASR)
26.04.2017
Противобуксовочная система, или как ее еще называют немецкой аббревиатурой — ASR, это достаточно давнее оборудование, имеющее интересную историю. Сам принцип работы позаимствован у железнодорожников, которые уже больше века пользуются подобной технологией, позволяющей трогаться локомотивам с груженными составами. Но современные системы, устанавливаемые на автомобили, куда более совершенны и прогрессивны.
Структура системы
Несмотря на кажущуюся простоту, ASR имеет достаточно сложное строение, которое в отличие от других систем управления имеет еще одну возможность — управление крутящим моментом двигателя. Это помогает всесторонне влиять на вращение колес в момент резкого нажатия педали газа водителем. Кроме того, противобуксовочная система оснащена другими узлами:
- Источником давления на тормозную жидкость.
- Сетью электромагнитных клапанов.
- Датчиками, которые отличаются высокой чувствительностью.

Система оснащена более мощным блоком управления ABS, имеющим расширенную память, и позволяющим регулировать все функции системы и контролировать показания датчиков.
Принцип работы противобуксовочной системы
Разобраться в том, как работает противобуксовочная система, довольно просто. Как многие догадались из названия, основная задача данной системы — противостоять прокручиванию колес на скользких поверхностях дорог. Это очень полезное свойство, которое поможет водителю справиться с неблагоприятными погодными условиями, улучшить контроль во время движения и избежать неприятных ситуаций, связанных со скользкими участками трассы.
Антипробуксовочная система ASR имеет достаточно сложный принцип работы, основанный на анализе показателей датчиков. Рабочий цикл проходит по следующей схеме:
- Датчики колеса, в случае обнаружения проскальзывания, подают сигнал блоку управления.
- Действие системы приводит к тому, что колесо приостанавливается, а движение становится более безопасным.

В результате использования контролируется скорость движения автомобиля при нажатии педали газа, предотвращается проскальзывание колес при внезапных поворотах, останавливая тем самым занос задней части.
Преимущества автомобилей с противобуксовочной системой
Для того чтобы сложить полную картину о том, как работает система ASR, нужно оценить все ее достоинства:
- Сохранение покрышек и предотвращение их повреждения.
- Увеличение ресурсов двигателя.
- Предотвращение заносов при резких поворотах.
- Дополнительная безопасность при плохих погодных условиях.
- Устранение прокручивания колес при начале движения по скользкой дороге.
- Повышение управляемости авто.
- Небольшая экономия топлива.
Учитывая все достоинства противобуксовочной системы, можно с уверенностью сказать, что она во многом упрощает процесс вождения и повышает безопасность водителя и пассажиров.
Автомобиль с системой ASR — залог безопасности на дорогах
Если вы разобрались в том, как работает система ASR, то вам не составит труда оценить всю ее значимость для безопасности во время вождения. Именно поэтому при покупке автомобиля нужно уделить особое внимание наличию этой и других систем, помогающих упростить управление автомобилем и делающих вождение безопасным.
Среди китайских автомобилей можно найти модели, в комплектацию которых входит система ASR. Один из них — Chery New Tiggo 5. Это прекрасный автомобиль, имеющий высокий уровень безопасности, а также весьма привлекательную для своей комплектации цену. С этим и другими представителями китайских машин можно ознакомиться в нашем автосалоне.
Противобуксовочная система tcs что это
Как работает противобуксовочная система tcs
Буксование ведущих колес – неприятное и, порой, довольно опасное явление, которое возникает, если сила тяги превышает силу сцепления колес с дорожным покрытием.
Особенно часто это проявляется на мокрой и скользкой дороге, во время езды по грунтовкам и бездорожью, а также в случае слишком резкого нажатия на педаль газа. Чтобы снизить опасность для автомобиля и водителя, связанную с потерей управляемости при разгоне, с 90-х годов на автомобилях начинают массово использоваться противобуксовочные системы. Попробуем разобраться, какими они бывают, из каких элементов состоят и как работают.
Устройство и принцип работы TCS
Конструктивной основой противобуксовочной системы является антиблокировочная система тормозов (ABS). При этом на долю противобуксовочного блока приходятся две основных функции:
- Своевременная электронная блокировка дифференциала.
- Изменение крутящего момента двигателя в соответствии с фактическими условиями его работы и состояния дорожного покрытия.
Для выполнения этих функций в состав гидравлического блока АБС включен насос обратной подачи и вспомогательные электромеханические клапаны каждого ведущего колеса.
Это позволяет подтормаживать ведущие колеса при движении на малых скоростях, увеличивая тем самым тягу на них, а также изменять величину поступающего от ДВС крутящего момента на высоких скоростях движения, предотвращая потерю управляемости при снижении сцепления с дорожным покрытием.
Величина сформированных в антипробуксовочной системе управляющих воздействий задается электроникой, работающей с программным обеспечением АБС. В состав комплекса датчиков, задающих первичную информацию для вычисления воздействий, входят датчики частоты вращения, с помощью которых определяются:
- угловое ускорение ведущих колес;
- угловая скорость свободно вращающихся колес;
- радиус поворота в случае криволинейного движения;
- коэффициент проскальзывания (отношение угловых скоростей на мостах).
Вычисленная на основе этих данных информация сопоставляется с уже известной системе фактической скоростью движения, в результате чего либо включается насос обратной подачи одновременно с переключением клапанов для управления тормозным давлением, либо вносятся корректировки в крутящий момент, что может производится с помощью:
- изменения положения дроссельной заслонки;
- временного отключения системы впрыска;
- временного отключения зажигания в цилиндрах;
- изменения угла опережения зажигания;
- изменения режима работы АКПП.

Каждое срабатывание противобуксовочной системы сопровождается свечением индикатора на приборной панели. Большинство производителей также акцентируют внимание на возможности отключения системы, но не рекомендуют делать этого из соображений безопасности.
Возможные неисправности
Если периодическое свечение индикатора во время разгона или изменения режима движения указывает на нормальную работу антипробуксовочной системы, то его постоянное мигание говорит о возникновении поломок и неисправностей. В таком случае система автоматически отключается. Первое, что следует сделать в подобной ситуации – перейти на крайне осторожный стиль вождения и обратиться к квалифицированному специалисту, который проведет диагностику электроники и механизмов. К самым распространенным поломкам противобуксовочной системы относятся:
- Сбои в программном коде электронного блока.
- Механический износ насоса и/или клапанов.
- Разгерметизация трубопроводов и магистралей вследствие ударов, вибраций, разрушения уплотнителей.

- Поломки датчиков или потеря связи с ними.
- Нарушения в работе управляемых систем – механизмов торможения и регулировки крутящего момента.
Зачастую поломка не ограничивается антипробуксовочной системой, а отражается на АБС и другой связанной с ней электронике. Пути устранения поломок напрямую зависят от их источника – если дело в ПО, к бортовым сетям подключаются специальные программаторы, а если неисправны механические элементы, выполняется их ремонт или замена.
Противобуксовочная система – удобное и полезное средство обеспечения безопасности движения, способное положительно влиять на техническое состояние и эксплуатационные характеристики транспортного средства, снижающее утомляемость водителя. Все это становится возможным благодаря применению инновационных конструкторских решений, оригинальному и надежному устройству системы, ее высокой долговечности и ремонтопригодности.
Разнообразие названий
Инженеры и маркетологи различных автомобильных концернов дают собственные названия системам, которые у нас принято называть противобуксовочными или антипробуксовочными.
Чаще всего это делается с целью привлечь клиента, заинтриговав его «новинкой», которая, по сути, мало чем отличается от уже известных конструкций, применяемых на автомобилях конкурентов. В настоящее время наибольшее распространение получили следующие аббревиатуры:
- ASR – на автомобилях Mercedes, Volkswagen, Audi и др.;
- ASC или DTC – на автомобилях BMW;
- A-TRAC или TRC – Toyota;
- DSA – Opel;
- ETC – Range Rover;
- ETS – Mercedes;
- STC – Volvo;
- TCS – Honda.
И это далеко не полный перечень возможных наименований. Обычно их образуют путем частичного совмещения словосочетаний Traction control system (система контроля тяги) и Anti-Slip Control (контроль над отсутствием буксования), иногда используют слова Dynamic (динамичный) или Electronic (электронный).
Назначение системы
Как уже отмечалось выше, важнейшая функция противобуксовочной системы – обеспечение безопасности водителя и автомобиля, сохранение управляемости при разгоне.
Однако она способна влиять и на другие эксплуатационно-технические факторы. Так, отмечается существенная разгрузка активных элементов трансмиссии (в первую очередь – сцепления), снижение расхода топлива, уменьшение износа шин.
Другой аспект, который нельзя игнорировать – психологическое состояние водителя. Специалистами неоднократно отмечалось, что применение электронных систем безопасности и, в частности, антипробуксовочной системы, снижает утомляемость и раздражительность, позволяет сконцентрироваться на управлении транспортным средством.
TCS — антипробуксовочная система | autoposobie.ru
TCS (Traction Control System, «Трэкшн Контрол Систем» в народе — «антибукс«) — переводится с английского как антипробуксовочная система. Как уже понятно из названия, система создана с целью недопущения пробуксовки колес. Особенность данной системы в том, что она в отличие от схожих систем типа ABS, работает лишь с ведущими колесами.
То есть, если ведущий перед, то и TCS будет следить за тем, чтобы не пробуксовывали передние колеса. Все логично, ведь, по сути, пробуксовывать колеса, которые лишены привода, в принципе, не могут.
Идея создания антипробуксовочной системы возникла у одного очень популярного бренда под названием Ferrari. Случилось это в 1990 году, а в качестве испытуемого выступил гоночный болид Формула-1.
Задача Traction Control — обеспечить стабильность движения без пробуксовки на любом типе дорожного покрытия. Антибукс получает информацию от датчиков угловых скоростей, которые располагаются на ступицах колес. Во время движения компьютер сравнивает информацию, которая поступает от датчиков, расположенных на каждом из колес.
Как известно, во время пробуксовки одно из колес или сразу оба начинают вращаться быстрее по сравнению с остальными (например, теми, которые не имеют привода, то есть не ведущими).
Эту информацию получает компьютер и принимает решение относительно данной ситуации.
Колесо(а) подтормаживаются либо тормозной системой, либо происходит автоматическое снижение мощности двигателя. Зачастую TCS и ABS работают сообща, в тандеме обеспечивая тем самым максимальную производительность и комфорт управления автомобилем.
Что дает TCS?
- В активном состоянии (а данную систему можно и деактивировать) антипробусовочная система обеспечивает безопасность, улучшает управляемость, а также дает ряд других преимуществ.
- Колеса постоянно находятся в контакте с дорожным покрытием, это всегда важно, так как потеря сцепления с дорогой грозит потерей управляемости со всеми вытекающими…
- Антибукс позволяет более уверенно проходить сложные участки, не теряя устойчивость на дороге с любым покрытием. Колеса не идут юзом и не пробуксовывают даже на льду, на мокрой или заснеженной дороге.
- TCS упрощает трогание с места, независимо от погоды и типа дорожного покрытия.
- Отсутствие пробуксовки позволяет экономить на шинах, которые лучше сохраняются.

- Также доказано, что двигатель с антипробуксовочной системой служит дольше и позволяет избежать частых ремонтов.
TCS — Антипробуксовочная система автомобиля
Антипробуксовочная система автомобиля, еще называемая Traction Control System (TCS) или Dynamic Traction Control (DTC), отличается от других автомобильных электрогидравлических систем активной безопасности тем, что воздействует исключительно на ведущие колеса машины, упрощая процесс вождения.
Антипробуксовочная система TCS обеспечивает стабильное и ровное движение в автоматическом режиме на любом виде дорожного покрытия, при любой скорости. Антипробуксовочная технология TCS работает на основе датчиков угловых скоростей, установленных непосредственно на ступицах всех четырех колес автомобиля, и специального компьютерного обеспечения, которое анализирует информацию, поступающую с этих датчиков.
Во время пробуксовки колесо начинает вращаться быстрее, чем остальные три, что соответственно и показывает отсутствие его сцепления с дорогой.
Датчики антипробуксовочной системы TCS фиксируют эти изменения, данные анализируются электронным блоком управления (ЭБУ), который принимает решение снизить мощность двигателя и притормозить потерявшее сцепление с дорожным покрытием колесо. Аналогичный принцип работы заложен и в систему ABS. Очень часто случается так, что TCS и ABS срабатывают одновременно, что обеспечивает максимальное удобство и комфорт при вождении автомобиля.
Известно, что впервые в мире использовать антипробуксовочную систему TCS начала компания Феррари во время проведения всемирно известных автогонок Формула-1 в 1990 году.
Противобуксовочная система TCS на автомобилях «Хонда»: принцип работы, отзывы
Противобуксовочной системой TCS называется система контроля тяги. Она использует один или несколько датчиков, чтобы определить, скользят ли приводные колеса, а затем уменьшает мощность двигателя для восстановления тяги. Эта система часто встречается в спортивных автомобилях с двигателями высокой мощности.
Принцип работы
ABS используется для регулирования торможения и сосредоточена на остановке автомобиля, а предназначение противобуксовочной системы TCS – уберегать колеса транспортного средства от скольжения, когда происходит ускорение.
Система работает очень хорошо в ситуациях с низкой тягой (таких как дождь и снег), обеспечивая продуктивное применение дроссельной заслонки, вмешиваясь при слишком большой мощности. В результате этого обеспечивается баланс дроссельной заслонки и тяги на дорожных покрытиях разной степени сложности.
Продуктивность
Система настолько хороша, что она с некоторых пор вполне справедливо была запрещена в «Формуле 1», где гонки теперь требуют навыков от водителя, чтобы модулировать дроссель и развивать максимально возможную скорость.
За исключением тех, кто намеренно пытается преодолеть тягу, большинство водителей-энтузиастов стремятся избегать привода колес, если это вообще возможно. Фактически противобуксовочная система TCS сделает движение более медленным, увеличивая время прохождения круга и, в общем, принимая достаточное количество концентрации для смягчения его эффектов, будь то понижение или же избыточная резвость колес, или крутящий момент.
Потеря тяги также может быть опасной, плюс не будем игнорировать разочарование и потенциальное затруднение привинчивания дроссельной заслонки только для того, чтобы автомобиль в какой-то самый неподходящий для этого момент не остановился.
В наши дни все больше новых автомобилей поставляются прямо с завода оснащенными системами контроля тяги (TCS) — противобуксовочной системой TCS. Эти установки в основном универсального типа. Они подходят для всех транспортных средств и не регулируются под конкретную модель.
Контроль тяги
Недавно Honda ECU Extraordinaire Hondata присоединилась к группе элитных компаний, предлагающих TCS с собственным антискользящим продуктом.
Полностью программируемый модуль Traction Control от Hondata извлекает информацию от датчиков скорости колеса автомобиля и сообщает ECU о снижении мощности (главным образом, путем вытягивания времени от двигателя), когда он обнаруживает разницу в скорости между приводными и неуправляемыми колесами.
Он также анализирует разницу скорости колеса от неуправляемых колес, чтобы улучшить сцепление на поворотах. Пользователь остается в преимуществе с регулировкой скорости скольжения «на лету» с помощью переключателя, который может быть установлен в пределах досягаемости автовладельца на приборной панели или центральной консоли транспортного средства.
Актуальность системы
В настоящее время описанное здесь устройство совместимо с Hondata S300, большинством K-Pro и выбирает управление двигателем FlashPro, поддерживаемое Honda / Acura, и использует датчики, которые являются ключевым компонентом антиблокировочной тормозной системы (ABS), уже установленной на многих автомобилях.
Специалисты утверждают, что можно адаптировать блок управления тягой для работы с любой системой управления двигателем с помощью пятивольтового вспомогательного входа.
Система защиты от пробуксовки работает с индуктивными, активными и датчиками эффекта холла и может предлагать пять уровней проскальзывания целевого колеса, регулируемых с помощью переключателя.
Противобуксовочная система TCS поставляется в коробке с кабелями, программным обеспечением и жгутом для подключения к электропитанию, земле, управлению двигателем и положительным и отрицательным выводам для каждого из четырех датчиков скорости колеса.
Особенности использования
После установки данного оборудования следующий шаг — настроить программное обеспечение. Настройки по умолчанию предлагают равномерно распределенные процентные доли скольжения колес спереди назад (для прямой тяги) и слева направо (для поворота) для каждого из пяти положений переключателя.
Через USB-кабель и операционную систему на базе Windows можно настроить пять параметров управления модулем Traction Control по умолчанию с помощью программного обеспечения для контроля тяги Traction Control System.
Процент целевых значений скольжения можно регулировать «на лету» как для прямой дороги, так и для поворотов.
Отключение системы
Как отключить антипробуксовочную систему TCS? По утверждению автовладельцев, в этом нет ничего сложного.
Достаточно удалить тот из предохранителей, который принимает участие в процессе работы TCS.
Бортовой компьютер будет сигнализировать, что произошла неисправность, но автомобиль сможет справиться и помочь транспортному средству выбраться из сложной ситуации.
Но такую практику не стоит превращать в закономерность. Важно помнить о безопасности, которую и обеспечивает система защиты от пробуксовки. Если она будет отключена, то авто может попасть в аварийную ситуацию на дороге.
Подведем итоги
О системе защиты от пробуксовки, установленной в автомобилях «Хонда», отзывы автолюбителей положительные. TCS заботится о безопасности в дороге, когда колеса могут пробуксовывать на плохой поверхности пути. Поэтому с недавних пор ею запрещено пользоваться на профессиональных гонках.
Но некоторые экстремалы пытаются почувствовать драйв и стремятся отключить систему пробуксовки TCS. Для этого достаточно отключить предохранитель. При этом важно учитывать, что в таком состоянии не надо оставлять автомобиль надолго.
Ведь противобуксовочная система создана специально с заботой о безопасности передвижения в автомобиле «Хонда».
Также надо учитывать, что, несмотря на то, насколько умна электроника транспортного средства, главная роль при торможении и противодействии заносам принадлежит сезонным шинам и исправной системе тормозов. Поэтому даже при активной TCS надо обеспечить исправность перечисленных элементов.
Несмотря на старательную и добросовестную работу электронных помощников, водителю надо быть внимательным и следить за состоянием машины.
TCS в автомобиле Hyundai, Мазда, Kia: что это такое
Каждый автовладелец транспортного средства заботится о безопасности своих пассажиров, поскольку старается передвигаться на автомобиле максимально осторожно на скользком дорожном покрытии.
При неблагоприятных условиях на пути водителю помогает преодолеть контроль устойчивости ТСS – активная антипробуксовочная система, устанавливаемая на моделях транспортных средств, таких как: Hyundai, Мазда, Kia.
В нее входят комплексные механизмы и электронные компоненты безопасности, которые предотвращают проскальзывание колес
В основу ТСS входят датчики, которые регулируют состояние и расположение колес, их скорость и уровень проскальзывания.
При буксировании колеса электронный контроль исключает потерю сцепления и преодолевает проскальзывание несколькими способами:
- подтормаживает с помощью буксирующих колесных опор при скорости до 80 км/час;
- уменьшает крутящий момент двигателя автомобиля при скорости более 80 км/ч, где действуют элементы управления двигателя, изменяя уровень вращения;
- комбинирует первые два варианта.
В ТСS устранения пробуксовки колес входят компоненты для работоспособности электронного управления:
- насос подачи жидкости в тормозной системе;
- переключаемый электромагнитный клапан;
- клапан высокого давления.
Они входят не только в каждое колесо, но и в гидравлический блок АВS противобуксовочной системы, где управляют торможением в пределах указанного уровня с помощью встроенной программы, подключают к функции, если скорость машины более 80 км/час.
Плюсы антипробуксовочной системы:
- при попадании автомобиля на заснеженной дороге включается электронный контроль. Придает машине устойчивость и помогает проскальзывающему колесу притормозить, поскольку с помощью ТСS выполнить это можно при сильном гололеде, не позволяя авто сделать «лишние движения»;
- уменьшает износ шин.
ТСS ставится на транспортных средствах с антиблокировочной системой. Применяют обе при показаниях одних и тех датчиков, что обеспечивает колесам предельное сцепление с опорной поверхностью. Отличительное свойство ТСS от АВS: первая мгновенно притормаживает колесо, а АBS затормаживает колесо. При необходимости автовладелец может отсоединить ее с помощью кнопки включения и отключения электронного управления, которая располагается на бортовой панели.
При ее отключении подсвечивается индикатор «TCS Off», но, когда такой кнопки нет, система отсоединяется, если извлечь предохранитель.
Однако лучше этим не пренебрегать. Популярность ТСS позволяет повысить уровень безопасного передвижения автомобиля за счет контроля сцепления и улучшения управляемости при скоростном режиме.
Антипробуксовочная система (TCS) — описание и замена компонентов
Антипробуксовочная система (TCS) — описание и замена компонентов
Описание
Система TCS устанавливается на ранних моделях, как дополнительное оборудование, и как стандартное оборудование на поздних моделях, высокого класса. Антипробуксовочная система (TCS) служит для предотвращения пробуксовки колес при ускорении на скользких поверхностях.
Система TCS работает совместно с системой антиблокировки тормозов (ABS) (см. Главу Тормозная система). Основными компонентами системы TCS являются следующие: а) Электронное управление дросселем (ETS):
Система TCS в дополнение к тросиковому управлению заслонкой дросселя на корпусе дросселя, использует электронное управление (ETS). Система ETS включает в себя потенциометр педали и дроссельный потенциометр /мотор. При выжимании водителем педали акселератора, при включенной системе, потенциометр выдает сигнал электронному модулю управления системы ETS. В нормальных условиях модуль управления включает мотор дросселя и устанавливает заслонку дросселя в прямой зависимости от положения педали. При возникновении пробуксовки колес на заданной скорости движения модуль управления определяет, на сколько необходимо прикрыть заслонку для уменьшения крутящего момента двигателя с целью восстановления сцепления колес с дорогой. Изменение положения дросселя обычно применяется только на скоростях выше приблизительно 50 км/ч.
b) Модуль управления системой ETS:
Модуль управления системой ETS расположен на скобе под левым передним сиденьем, и на моделях с автоматической трансмиссией модуль антипробуксовочной системы ASR закреплен сверху на модуле управления системой ЕTS. На моделях с ручной коробкой передач модуль антипробуксовочной системы встроен в блок управления системой антиблокировки тормозов (ABS). Модуль управления системой ETS получает информацию от блока управления TCS / ABS (антипробуксовочная система/антиблокировочная система тормозов) (ручная коробка передач) или модуля ASR (антипробуксовочной системы) на моделях с автоматической трансмиссией, и на основании полученной информации определяет момент начала пробуксовки колес.с) Гидравлический активатор системы TCS / ABS (антипробуксовочная система / антиблокировочная система тормозов):
|
Гидравлический активатор системы TCS /
ABS
|
Гидравлический активатор системы TCS / ABS состоит из блока, включающего электромагнитные клапаны и насос, встроенного в гидравлический контур передних тормозов.
Система использует датчики колес системы антиблокировки тормозов ABS для определения момента пробуксовки колес через блок управления системы ABS, установленной на поддоне батареи. На моделях, оснащенных системой TCS, устанавливается специальный блок управления системы антиблокировки тормозов (ABS), который выдает сигнал для модуля управления системой ETS (электронного управления дросселем) при обнаружении момента пробуксовки колес. При скоростях движения ниже 50 км/ч включается активатор электромагнитных клапанов, что позволяет насосу поднять давление в соответствующем контуре передних тормозов с целью уменьшить скорость вращения буксующего колеса до значения, необходимого при данной скорости автомобиля. Эффект аналогичен эффекту передачи вращательного момента к колесу с нормальным сцеплением с дорогой.d) Выключатели системы:
Выключатель давления в активаторе системы TCS включается при давлении 6.0 бар, при этом загорается сигнальная лампа на приборном щитке, информирующая водителя о том, что система TCS включена и подавляет пробуксовку колеса.
В случае неисправности системы включается и непрерывно горит сигнальная лампа с обозначением «TCS CTRL». В случае, если система TCS задействована в течение долгого времени, сигнальная лампа TCS CTRL начинает мигать, что информирует водителя о том, что система TCS временно отключается во избежание перегрева тормозов.е) Главный контрольный выключатель:
Главный контрольный выключатель расположен на передней панели («торпедо»).В случае неисправности антипробуксовочной системы в первую очередь следует проверить
надежность крепления проводов. При возникновении неисправности в пути, путем полного
нажатия педали акселератора и последующего ее отпускания может быть включен ограниченный
режим. В этом режиме дроссель управляется тросиком. В ограниченном режиме мощность
двигателя ограничена, педаль акселератора жестко установлена, а системы темпостата
и кондиционирования воздуха отключены. Дальнейшие проверки системы должны производиться
в представительстве фирмы SAAB, располагающей соответственным диагностическим
оборудованием для быстрого поиска причин неисправностей.
Система не подлежит регулировке.
Замена компонентов
Потенциометр педали акселератора
|
Потенциометр педали акселератора системы ETS (электронное управление дросселем) |
|
Установка в порядке обратном порядку снятия.
Потенциометр / мотор дросселя
|
Дроссельный потенциометр / мотор системы ETS (электронное управление дросселем) |
|
Установка в порядке обратном порядку снятия.
Модуль управления системой TCS (электронного управления дросселем)
|
В случае, если будет устанавливаться новый модуль управления, помните, что перед тем, как подсоединять штекер, модуль должен быть запрограммирован (на ручную или автоматическую трансмиссию) представительством фирмы SAAB (новые модули поставляются не запрограммированными). Также помните, что модуль очень чувствителен к воздействию статического электричества (изготовлен по КМОП технологии), и при работе с модулем надо самозаземлиться. |
|
Установка в порядке, обратном порядку снятия.
Сигнальная лампа
|
Установка в порядке, обратном порядку снятия.

Что такое трекшн-контроль и как он работает?
Система контроля тяги (TCS) является активной функцией безопасности автомобиля. Предотвращает потерю сцепления ведущих колес с дорогой. Он становится активным, когда крутящий момент двигателя и мощность дроссельной заслонки не соответствуют поверхности, по которой вы движетесь.
Но, , что означает контроль тяги ? Что ж, это метод, который ограничивает мощность, подаваемую на колесо, для приложения тяги к колесам автомобиля, заставляя их перестать вращаться.Он использует всю доступную тягу на дороге, когда автомобиль ускоряется по дорожному покрытию с низким коэффициентом трения.
Что такое система контроля тяги?
TCS — это функция активной безопасности, которая входит в стандартную комплектацию современных автомобилей. Будучи второстепенной функцией электронного контроля устойчивости (ESC) * транспортного средства, бортовая система срабатывает, когда ускорение увеличивается.
Он предотвращает проскальзывание шин при ускорении автомобиля.
Traction Control удобен в плохих погодных условиях, включая дождь, лед или снег, а также на скользких поверхностях, которые практически не обеспечивают сцепление с дорогой.В старых автомобилях без системы TCS водителям приходится нажимать на педаль газа, чтобы колеса не пробуксовывали на сложных дорогах. Это позволяет им набирать скорость, не теряя сцепления с дорогой. Но современные автомобили, оснащенные этой технологией, позволяют водителям контролировать ускорение, ограничивая подачу мощности до пробуксовки колес.
Автомобиль может съехать с трассы без TCS.Система позволяет водителю лучше контролировать свой автомобиль. Это снижает риск потери контроля над задней частью автомобиля при ускорении и избыточной поворачиваемости во время поворота.
* ESC — это управляемая компьютером функция в современных автомобилях.
Это добавляет устойчивости при обнаружении потери сцепления и последующем ее уменьшении.
Как работает трекшн-контроль?
Если вы не ведете очень старый автомобиль, велика вероятность, что он оснащен системой контроля тяги . Он работает и помогает безопасному вождению, даже если вы не понимаете, как это работает.
Что ж, механизм довольно простой, если вы обратите внимание.Его работа очень похожа на антиблокировочную тормозную систему (ABS), и компоненты двух систем также похожи. TCS имеет датчик скорости вращения колес, который контролирует скорость вращения передних или всех четырех колес. Гидравлический модулятор приводит в действие тормоза, в то время как ЭБУ (электрический блок управления) отслеживает данные от датчиков скорости вращения колес и при необходимости подключается к гидравлическому модулятору.
В современных автомобилях ABS и TCS считаются одним блоком, поскольку последний является дополнением к настройке ABS. ЭБУ контролирует работу колес. Он проверяет, вращается ли кто-нибудь быстрее других — это означает, что конкретное колесо теряет сцепление с дорогой. В таком случае блок управления двигателем вмешивается, чтобы уменьшить вращение проблемного колеса. Он дает команду на гидравлический модулятор быстро накачать тормозом конкретное колесо.
Некоторые TCS управляют вращением колес, уменьшая мощность двигателя на колеса, которые вот-вот потеряют сцепление с дорогой. Как только состояние вернется в норму, система вернется к своему обычному режиму работы — контролю колеса и скорости вращения.
Когда система отключает мощность двигателя для контроля буксования колес, вы можете почувствовать пульсацию педали газа. Это воздействие TCS, заставляющее двигатель регулировать скорость вращения колеса. Так что не беспокойтесь, если вы почувствуете вибрацию при движении по скользкой дороге.
Подходящее время для использования трекшн-контроля в легковых автомобилях TCS — это стандартная функция безопасности в современных автомобилях.
Он становится активным при запуске двигателя.Система вмешивается, когда есть несоответствие между скоростью вращения колеса и скоростью автомобиля.
Система подходит для любого типа транспортных средств, независимо от трансмиссии. Но в некоторых ситуациях это приносит больше вреда, чем пользы. Например, когда вы ведете автомобиль с места по снегу или песку, все колеса пробуксовывают, из-за чего система TCS слишком сильно снижает мощность двигателя. В результате продвижение по таким поверхностям становится очень трудным.
Используйте TCS на скользкой дороге.ПОДРОБНЕЕ:
У большинства моделей есть опция отключения TCS в таких сложных условиях. Некоторые автомобили не позволяют полностью отключить его. Но они предлагают настройку для снежных или ледяных условий или возможность при необходимости увеличить пробуксовку колес. Вы должны выключить систему или применить дополнительные настройки в зависимости от погоды или типа поверхности, по которой вы едете.
Информация о симптомах поможет вам определить, есть ли в системе какие-либо проблемы.В системе редко возникают проблемы, и вы все равно можете водить машину, даже если с ней что-то не так. Однако следует соблюдать осторожность при движении по скользкой поверхности с неисправной системой TCS.
Если есть проблема с системой, сигнальная лампа системы контроля тяги кратковременно загорится после запуска двигателя. Это может произойти из-за неисправного датчика скорости вращения колес, неисправной АБС, низкого давления воздуха и езды с мини-запасным колесом.
.Traction Control System (TCS): Моя машина делает то, что
- Функции безопасности
- Предотвращение прямого столкновения
- Торможение, давление в шинах и защита от опрокидывания
- Контроль состояния драйвера и связь
- Парковка и помощь при парковке
- Ассистент движения на полосе и сбоку
- См.
Меры безопасности от производителя автомобилей
- Ресурсы
- Видео и графика
- Более глубокое обучение
- Игры
- Блог
- Социальное
- Около
- Будущее
- Дом
- Новости
- Темы
- Вопросы и ответы
- Обратная связь
- Ресурсы
- Видео и графика
- Более глубокое обучение
- Игры
- Блог
- Социальное
- Около
- Будущее
- Новости
- Темы
- Вопросы и ответы
- Обратная связь
- Домашняя страница функций безопасности
- Функции безопасности, разработанные производителем
- Контактная информация для СМИ
- Морин Фогель
- Национальный совет безопасности
- [адрес электронной почты защищен]
Что означает индикатор системы контроля тяги (TCS)?
Все, что вам нужно знать о TCS и о том, что вам нужно делать, если он горит, а также о возможных причинах, по которым горит индикатор TCS.
Каждый раз, когда вы заводите свой автомобиль, вы можете заметить, что все сигнальные лампы на приборной панели загораются как часть последовательности предварительного зажигания и выключаются только после того, как двигатель уже работает на холостом ходу; один из этих огней относится к системе контроля тяги (TCS) автомобиля, если ваш автомобиль так оборудован.
Что такое трекшн-контроль? Это нужно для машины? Безопасно ли управлять автомобилем, когда горит лампа TCS? Philkotse.com отвечает на ваши вопросы в этой статье.
1. Общие сведения о TCSСистема контроля тяги автомобиля, проще говоря, отвечает за предотвращение потери тяги ведущих колес, будь то задние (RWD), передние (FWD) или все четыре колеса (AWD).
Противобуксовочная система работает в тандеме с антиблокировочной тормозной системой (ABS), чтобы регулировать чрезмерное вращение буксирующего колеса, а также с системой управления двигателем для перенаправления выходной мощности на колеса, которые вращаются нормально.
По сравнению с более сложной электронной программой стабилизации антипробуксовочная система относительно проста, поскольку она служит только для определения того, когда одно колесо вращается быстрее других из-за различий на дорожном покрытии.
TCS — это сокращение от Traction Control System
.Например, на скользкой дороге одно колесо может вращаться быстрее (и, следовательно, иметь меньшее тяговое усилие), чем остальные; это потенциально может вызвать вращение автомобиля.
Система контроля тягипредназначена для предотвращения этого, сигнализируя блоку управления о необходимости приложить тормозное усилие к проскальзывающему колесу, позволяя остальным колесам догнать необходимое сцепление с дорогой. На автомобилях с полным приводом вместо этого используется электронная система сцепления, которая направляет мощность на колеса с большим сцеплением.
Traction Control также помогает автомобилю безопасно проходить повороты
Traction Control также помогает автомобилю безопасно поворачивать в поворотах.
Чрезмерное нажатие на педаль газа во время прохождения поворотов приведет к потере сцепления ведущих колес с дорогой и их скольжению вбок; Это называется недостаточной поворачиваемостью в автомобилях с передним приводом и избыточной поворачиваемостью в автомобилях с задним приводом.
Это предотвращается, когда срабатывает антипробуксовочная система, чтобы регулировать мощность, передаваемую на колеса, при необходимости применяя тормоза, чтобы автомобиль замедлился достаточно, чтобы восстановить сцепление с поверхностью дороги. Как и в случае с электронной программой стабилизации, трекшн-контроль не должен использоваться как предлог для превышения технических возможностей автомобиля или возможностей водителя.
2. Основные причины включения контрольной лампы TCS Сигнальная лампа TCS загорается как признак неисправности? Короткий ответ: это зависит от обстоятельств.Ниже приведены некоторые из причин, по которым индикатор TCS может включаться во время движения.
Если при ускорении загорается предупреждение TCS, это может означать, что дорога скользкая и ваши колеса крутятся. Помните, что мигание индикатора TCS — это нормально, если вы едете по скользкой или грязной дороге. Однако, если индикатор мигает и двигатель автомобиля заметно снижает мощность даже в обычных дорожных условиях, это может указывать на неисправный датчик ABS.
Такая проблема может давать ошибочные данные, интерпретируя пробуксовку колес, хотя на самом деле это не так. Вы можете решить проблему, считав коды неисправностей с блока управления ABS и определив, какой из его датчиков неисправен.
Индикатор TCS мигает несколько раз, если вы едете по скользкой или грязной поверхности
Постоянный свет TCS со словом «ВЫКЛ.» Если индикатор TCS постоянно мигает и сопровождается словом «OFF» под ним, это означает, что антипробуксовочная система автомобиля отключена.
В некоторых автомобилях есть функция ручного управления тяговым усилием, позволяющая водителям выключить или снова включить эту функцию.
Вы можете проверить руководство по обслуживанию вашего автомобиля, чтобы найти кнопку или переключатель TCS и включить систему. Если это не решит проблему, возможно, проблема в самом механизме.
>>> Проверьте: 6 важных предупреждающих знаков об автомобиле на приборной панели.
Если вы видите этот предупреждающий свет на панели приборов, вам нужно снова включить TCS.
Индикатор TCS постоянно мигаетКогда значок TCS горит постоянно вместе с сигнальной лампой ABS, это может указывать на проблему в системе контроля тяги с соответствующим кодом неисправности в блоке управления ABS.Для чтения и расшифровки этих кодов неисправностей требуется сканер бортовой диагностики (OBD2).
Профессиональные автомагазины будут иметь это под рукой как часть своих услуг, или вы можете купить свой собственный сканер и подключить его к порту OBD, расположенному под приборной панелью.
Многие потребительские сканеры OBD2 работают с мобильными приложениями, что позволяет им без проводов отображать соответствующую информацию на смартфоне.
Когда загораются индикаторы TCS и ABS одновременно, движение автомобиля может быть небезопасным
Когда загораются индикаторы TCS и ABS, это также может означать, что тормоза утратили свою антиблокировочную функцию; автомобиль все еще может замедляться, но колеса блокируются при нажатии на тормоз, что снижает безопасность и маневренность.
3. Другие причины включения светового сигнала TCSЕсть и другие факторы, которые могут вызвать включение сигнальной лампы TCS, даже если внешние условия не требуют использования TCS. Это:
- Неисправен блок управления антиблокировочной тормозной системой
- Датчики положения рулевого колеса
- Проблемы с проводкой блока управления ABS
- Выход из строя кольца ABS или магнитного кольца
Как видите, большинство из них связано с неисправностью антиблокировочной тормозной системы, учитывая, что антипробуксовочная система снижает мощность буксования колеса через тормоза.
Значок TCS, загорающийся на приборной панели в течение длительного времени, не обязательно делает автомобиль непригодным для вождения, хотя безопасность каким-то образом оказывается под угрозой; способность автомобиля определять условия, необходимые для включения антипробуксовочной системы, была нарушена.
Нарушена способность автомобиля определять условия, необходимые для включения антипробуксовочной системы.
В худшем случае автомобиль полностью отключает противобуксовочную систему, и вам придется предвидеть риск чрезмерного пробуксовки колес при движении по скользкой поверхности или прохождении поворота на скорости.Автомобиль не сможет регулировать мощность двигателя, передаваемую на ведущие колеса, что может привести к серьезным авариям.
В редких случаях загорание значка TCS также указывает на неисправность двигателя. В любом случае, всегда разумно решить проблему как можно скорее.
Езда с включенным светом TCS даже в нормальных условиях не внушает особого доверия
.Что такое трекшн-контроль?
Противобуксовочная система — это управляемая компьютером система вашего автомобиля, которая отслеживает пробуксовку колес. Если он обнаруживает, что одно колесо вращается быстрее других, система автоматически применяет АБС к этому колесу или снижает мощность двигателя на этом колесе. В отличие от электронного контроля устойчивости, автопроизводители не обязаны по закону включать антипробуксовочную систему в свои автомобили, хотя большинство из них это делает почти на всех моделях, которые они продают.
Что такое трекшн-контроль?
Если вы когда-либо чувствовали скольжение вашего автомобиля при повороте или замечали, что ваши шины пробуксовывают под дроссельной заслонкой после полной остановки, вы испытали потерю сцепления с дорогой.Это обычное явление практически для любого типа транспортных средств в ненастную погоду (снег, мокрый снег, дождь и лед) или на таких поверхностях, как рыхлый гравий или грязь.
Многие современные автомобили оснащены антипробуксовочной системой для восстановления тяги в этих условиях. Его цель состоит в том, чтобы обеспечить тяговое усилие транспортных средств на дорогах или поверхностях с низким коэффициентом трения, где шины могут иметь проблемы с сцеплением.
Например, когда автомобиль без антипробуксовочной системы пытается двинуться с полной остановки на скользкой поверхности, такой как заснеженная дорога, рыхлый гравий или лед, его шины могут пробуксовывать.Это не дает автомобилю двигаться вперед. Или, если автомобиль находится в движении, пробуксовка колес может привести к опасному скольжению или потере управления.
Система контроля тяги отслеживает, вращается ли одно колесо быстрее других; Если это так, система либо будет использовать ABS этого колеса для предотвращения проскальзывания, либо снизит мощность двигателя, подаваемого на это колесо.
Важно помнить, что антипробуксовочная система не может создать сцепление с дорогой, когда ее нет с самого начала, например, на льду.
Как работает трекшн-контроль?
Противобуксовочная система отличается от полноприводных или полноприводных систем, которые меняют колеса, на которые она передает мощность привода.
Антипробуксовочная система больше похожа на антиблокировочную тормозную систему. В такой системе транспортное средство оборудовано датчиками скорости вращения колес, которые отправляют информацию в электронный блок управления, который затем дает команду гидравлическому модуляторам накачать тормоза. ЭБУ отслеживает, как вращаются колеса, и, если он обнаруживает, что одно вращается быстрее, чем другие, он активирует гидравлический модулятор, чтобы накачать тормоза, чтобы уменьшить пробуксовку.В некоторых системах контроля тяги ЭБУ также снижает мощность двигателя на эти колеса, что, скорее всего, в первую очередь вызывает пробуксовку. Когда колесо восстанавливает сцепление с дорогой, ЭБУ продолжает отслеживать вращение колеса по сравнению с другими колесами.
В каких случаях полезен контроль тяги?
На мокрой, обледенелой, заснеженной, неровной, рыхлой или мягкой поверхности многим транспортным средствам трудно ориентироваться из-за низкого трения между поверхностью и шинами.
Системы контроля тяги предотвращают пробуксовку колес транспортных средств в условиях, в которых они могли бы вылететь.
Например, автомобиль, пытающийся начать движение с полной остановки на крутой гравийной дороге, может безжалостно вращать свои шины без контроля тяги. Но такая система ограничит пробуксовку колес без тяги и позволит колесам с тяговым усилием перемещать транспортное средство.
Другой пример — вождение в снежных условиях, когда шины наезжают на толстый участок слякоти и теряют сцепление с дорогой, что приводит к замедлению движения автомобиля или его скольжению. Противобуксовочная система задействует тормоза, чтобы скорректировать траекторию транспортного средства.
Эффективен ли контроль тяги?
Многие тесты действительно показывают корреляцию между системами контроля тяги и сниженным проскальзыванием колес на поверхностях с низким трением. Однако этот эффект более выражен на полноприводных автомобилях, чем на переднеприводных.
Испытания также показывают, что системы контроля тяги, снижающие мощность двигателя до вращающихся колес, более эффективны, чем системы, работающие только с тормозами, с точки зрения устойчивости. С другой стороны, кажется, что тормозные системы действительно улучшают ускорение.
Важно помнить, что контроль тяги не влияет на способность транспортного средства замедляться или останавливаться в случае потери управления и потенциальной аварии; короче говоря, это не предотвращает сбоев.
Однако в сочетании с АБС и электронным контролем устойчивости эти системы могут снизить риск несчастного случая со смертельным исходом на 50 процентов.
Когда антипробуксовочная система не работает?
Как и многие другие функции безопасности автомобиля, трекшн-контроль имеет ограничения.Водители не должны рассматривать противобуксовочную систему как средство защиты от плохого или безрассудного вождения или вождения в особенно плохих дорожных условиях.
Превышение скорости, слишком близкое следование за движущимся впереди автомобилем и резкий поворот в полосу движения и выезд из полосы движения препятствуют противобуксовочной системе, а не ей. Слишком быстрое или слишком агрессивное вождение в суровых дорожных условиях увеличивает риск аварии; трекшн-контроль не предназначен для предотвращения этого.
Противобуксовочные системы также не предназначены для уменьшения тормозного пути, и они могут фактически позволить транспортным средствам развивать более высокие скорости, чем обычно на скользкой дороге.
Водители должны принимать те же меры предосторожности в неблагоприятных условиях с трекшн-контролем, как и без него. Лучше всего рассматривать трекшн-контроль как страховочную сетку, которая может помочь вам, когда даже обычных процедур безопасного вождения недостаточно.
Когда вы выключаете трекшн-контроль?
Иногда бывает полезно выключить трекшн-контроль. Если ваш автомобиль застрял в снегу и вам нужно, чтобы колеса вращались, чтобы получить сцепление с дорогой, может быть полезно выключить систему, чтобы колеса могли проскальзывать (помните, что антипробуксовочная система предназначена для предотвращения такого скольжения).
Отключение контроля тяги и запуск автомобиля на второй передаче иногда могут быть эффективным способом вернуть автомобиль в движение.
Как началась система контроля тяги?
Современная система контроля тяги уходит корнями в несколько других систем автомобиля. Технически ABS или антиблокировочная тормозная система также являются одним из видов контроля тяги. ABS предотвращает блокировку тормозов в ситуации экстренного торможения, что помогает держать автомобиль под контролем, а не скользить, как автомобиль с заблокированным тормозом.
Еще одна особенность, улучшающая тягу, — это дифференциал повышенного трения. LSD передает мощность на оба ведущих колеса, а не на дифференциал открытого скольжения, который передает мощность только на одно колесо. Опять же, два колеса получают мощность по сравнению с одним, что помогает вашей машине оставаться на дороге.
Системы контроля тяги обычно можно отключить с помощью кнопки на приборной панели или в меню настроек автомобиля, но лучше всего вести себя безопасно и позволить им работать в качестве резервных.
Противобуксовочная система: объяснение | HowStuffWorks
Traction Control помогает ограничить скольжение шин при ускорении на скользкой поверхности. В прошлом водителям приходилось нажимать педаль газа, чтобы ведущие колеса не вращались на скользком асфальте. Во многих современных транспортных средствах используются электронные средства управления, которые ограничивают передачу мощности водителю, устраняют пробуксовку колес и помогают водителю контролировать скорость.
Мощные заднеприводные автомобили шестидесятых годов часто имели примитивную форму контроля тяги, называемую задним дифференциалом повышенного трения.Задняя ось с ограниченным скольжением, которую иногда называют позитракцией, будет механически передавать мощность на заднее колесо с максимальным сцеплением, помогая уменьшить, но не устранить пробуксовку колес. Хотя задние мосты с ограниченным проскальзыванием все еще используются во многих автомобилях с передним и задним приводом, устройство не может полностью устранить пробуксовку колес.
Следовательно, требовалась более сложная система.
Объявление
Введите электронный контроль тяги. В современных транспортных средствах системы контроля тяги используют те же датчики скорости вращения колес, что и антиблокировочная тормозная система.Эти датчики измеряют разницу в скорости вращения, чтобы определить, не потеряли ли колеса, на которые подается мощность, сцепление. Когда система контроля тяги определяет, что одно колесо вращается быстрее, чем другие, она автоматически «накачивает» это колесо тормозом, чтобы снизить его скорость и уменьшить пробуксовку колес. В большинстве случаев для контроля пробуксовки достаточно отдельного торможения колес. Однако некоторые системы контроля тяги также снижают мощность двигателя из-за проскальзывания колес. На некоторых из этих транспортных средств водители могут ощущать пульсации педали газа, когда система снижает мощность двигателя, так же, как педаль тормоза пульсирует, когда работает антиблокировочная тормозная система.
Многие люди ошибочно полагают, что антипробуксовочная система предотвратит застревание автомобиля в снегу. Это далеко от истины. Traction Control не имеет возможности увеличивать тягу; он просто пытается предотвратить пробуксовку колес автомобиля. Для водителей, которые регулярно ездят по снегу и на льду, контроль тяги, антиблокировочная система тормозов и зимние шины являются обязательными функциями безопасности.
.Что означает выключение системы контроля тяги (TCS) …
Если на приборной панели горит предупреждающий индикатор «Система контроля тяги (TCS) выключена», это означает, что система контроля тяги (TCS) отключена.
При неблагоприятных погодных условиях, таких как лед, снег или дождь, шины транспортного средства могут потерять сцепление с дорогой, и водители могут потерять контроль над транспортным средством. Система контроля тяги работает, чтобы этого не произошло. Когда система контроля тяги включена, она использует датчики колес, чтобы противодействовать избыточной и недостаточной поворачиваемости, применяя тормоза к определенным колесам.
Датчики колес указывают, когда необходимо задействовать тормоза для определенного колеса или колес, которые буксуют. TCS в некоторых транспортных средствах также снижает мощность и частоту вращения двигателя, чтобы позволить водителям сохранить контроль над транспортным средством. Хотя цель системы контроля тяги состоит в том, чтобы дать водителям возможность сохранять контроль над транспортным средством, все же необходимо соблюдать осторожность при движении в неблагоприятных погодных условиях.
Если вы считаете, что в вашей системе контроля тяги возникла проблема, обратитесь к сертифицированному специалисту, чтобы он проверил вашу систему контроля тяги.
.Что такое противобуксовочная система и как она работает
Противобуксовочные системы устанавливаются на автомобили всех типов: полноприводные, переднеприводные и заднеприводные. Для последних они особенно полезны — привод на задние колеса вызывает наибольшие трудности при вождении по скользкой дороге, когда преимущества противобуксовочных систем проявляются наиболее ярко.
..
НАПРИМЕР, вы трогаетесь со светофора на скользкой дороге. Пока остальные водители «поигрывают» акселератором, ловя момент, когда колеса зацепятся за дорогу, вы просто давите на газ. Электроника сама «поймает момент», и ваш автомобиль будет разгоняться с ускорением, максимально возможным в данных условиях.
Как все происходит? Благодаря специальным сенсорам электроника замечает, когда одно из ведущих колес начинает вращаться быстрее другого (то есть начинает буксовать), и сама его притормаживает. При необходимости автоматика может самостоятельно сбросить газ. Такой вот несложный алгоритм.
Иногда противобуксовочная система, наоборот, мешает. Например, вам нужно враскачку — попеременно включая первую и заднюю передачи, — выбраться из снега или грязи. Противобуксовочная система, словно расшалившийся ребенок, начнет «вредничать», притормаживая колеса и сбрасывая обороты.
Наконец, противобуксовочная электроника мешает высококлассному водителю, когда он применяет приемы вождения из высшего пилотажа.
Например, прохождение поворотов в управляемом заносе… Впрочем, таких водителей единицы на каждую сотню. Большинству «про-тивобуксовка» облегчает жизнь за рулем.
Такие системы нужны не только на снегу. Представьте, на том же светофоре стоят два за-днеприводных автомобиля, причем противобуксовочную систему имеет только одна машина. Под колесами — полупросохший асфальт: местами чистый, местами влажный и есть даже лужи. Авто стартуют одновременно. Если вы сидите за рулем автомобиля без противобуксовочной системы, вам постоянно придется бороться с легкими заносами, которые возникают, когда одно ведущее колесо находится на сухом асфальте, а другое, скажем, угодило в лужу. Второй автомобиль, снабженный противобуксовочной системой, будет разгоняться ровно и быстро, без заносов.
А дальше, представьте, эта полупросохшая дорога закручивается в крутой вираж. Если попытаться пройти его на пределе, от водителя автомобиля без противобуксовочной системы потребуется все его мастерство. Здесь вышеописанная ситуация, когда ведущие колеса попадают на разнородное покрытие, может превратиться в мгновенный глубокий занос.
Более того, пусть даже поворот сухой и чистый. Противобуксовочная система все равно пригодится. Когда вы быстро проходите вираж, кузов кренится, и внутреннее (по отношению к повороту) колесо слегка приподнимается. Оно не столь крепко прижимается к дороге, как внешнее, и потому начинает буксовать. Если автомобиль снабжен противобуксовочной системой, она сразу «прихватит» внутреннее колесо и перебросит крутящий момент на внешнее колесо, не давая впустую тратить энергию мотора. В данном случае работа электроники сродни действию дифференциала повышенного трения…
Как видите, противобуксовочная система — это легкость вождения плюс безопасность. Во многих случаях она предотвращает занос. А что произойдет, если поворот оказался слишком скользким и противобуксовочная система бессильна?.. В таких случаях водителя выручают более сложные противозаносные системы.
Противобуксовочная система
Противобуксовочная система
Назначение противобуксовочной системы (ПБС) — предотвращать пробуксовку колес (одного или нескольких) при движении в тяговом режиме на дорогах с малым коэффициентом сцепления. Задача ПБС во многом сходна с задачей АБС: поддержание скольжения колес в режиме тяги на уровне, обеспечивающем максимальное значение коэффициента сцепления в продольном направлении. В этом случае увеличивается сила тяги при трогании с места, реализуется максимальное ускорение (в 3…4 раза большее, чем без ПБС) при разгоне и сохранении устойчивости прямолинейного движения. Одновременно улучшается проходимость при движении по мягким грунтам, уменьшается нагрузка в трансмиссии и на двигатель при импульсном изменении коэффициента сцепления, снижаются расход топлива, особенно в зимних условиях, и изнашивание шин.Качество работы ПБС оценивают по ширине диапазона регулирования относительного скольжения. Узкий диапазон регулирования позволяет оценить эффективность ПБС еще и по такому критерию, как достигнутая скорость при трогании с места за установленное время на скользкой дороге.
Противобуксовочная система в какой-то мере эквивалентна блокировке дифференциала, однако последняя имеет существенное преимущество, так как не изменяет тяговый момент на колесах. ПБС действует автоматически при необходимости на любой дороге, в то время как при блокировке дифференциала в случае движения на сухой дороге наблюдается сильное изнашивание шин. Наиболее эффективным признается наличие на автомобиле ПБС и устройства блокировки дифференциала.
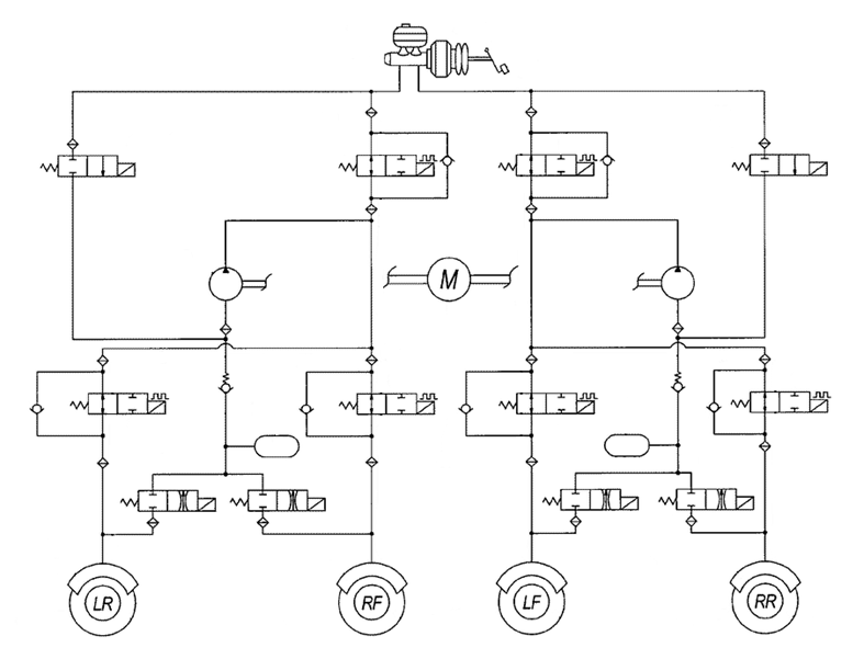
ПБС реализует свои возможности двумя способами: регулированием мощности двигателя (особенно для дизелей) и подторма-живанием ведущих колес или использованием обоих способов параллельно. ПБС фирмы «БОШ» для автомобилей с пневматическим тормозным приводом объединена с АБС. В состав такой комплексной системы (рис. 49.11) входят датчики / частоты вращения колес, модуляторы АБС 2 и 6 давления в тормозных пне-вмокамерах 8, блок 3 управления АБС и ПБС, формирующий командные сигналы для модуляторов 2 и б и электроклапана 5, двух-магистральный клапан 7. Для регулирования мощности двигателя используют электронный блок управления 9, функционирующий на основе сигналов от блока управления 3 и датчика 4 положения педали топливоподачи. В качестве исполнительного механизма j правления рейкой ТНВД служит электродвигатель 10.
Из двух режимов работы ПБС подтормаживанш осуществляется на скорости движения менее 30 км/ч. Такая низкая скорость выбрана для разгрузки тормозного механизма во избежание перегрева. Причем подтормаживание выполняется при пробуксовке только одного из ведущих колес. В случае пробуксовки обоих колес независимо от скорости движения, а также при пробуксовке одного колеса на скорости более 30 км/ч регулируется мощность двигателя. Командные сигналы в этом режиме формируются блоком 3 управления. Мощность двигателя уменьшается даже в том случае, если педаль топливоподачи нажата до отказа, т.е. приоритет отдается формированию команд для ПБС.
Системы АБС и ПБС в настоящее время стали обязательными для установки на транспортных средствах всех типов. Отмечается стремление к стандартизации элементов этих систем различных фирм вплоть до унификации кабельных разъемов, что обеспечивает взаимозаменяемость отдельных блоков.
Как работает противобуксовочная система? / Автомобили
Противобуксовочная система (Контроль тяги/Traction control system) — это функция безопасности автомобиля, которая помогает колесам вашего автомобиля сцепляться с поверхностями с низким сцеплением, такими как скользкие дороги. Когда шины начинают скользить, срабатывает система контроля тягиПротивобуксовочная система (ПБС), (нем. Antriebsschlupfregelung, ASR), Система контроля тяги (англ. Traction control system, TCS, TRC; Dynamic Traction Control, DTC) — электрогидравлическая система автомобиля, предназначенная для предотвращения потери сцепления колёс с дорогой посредством контроля за буксованием ведущих колёс. Система берёт своё начало на железнодорожном транспорте, где буксование (боксование) — распространённое явление при трогании локомотива с тяжёлым составом с места. Википедия
, и водитель может сохранять контроль над своим автомобилем. Если автомобиль без антипробуксовочной системы попытается ускориться при тех же обстоятельствах, колеса могут проскользнуть. В этом случае автомобиль не сможет разогнаться и может непредсказуемо двигаться влево или вправо, поскольку колеса больше не держатся за дорогу.Для достижения цели уменьшения проскальзывания шин в системах контроля тяги используются электронные датчики, аналогичные более знакомым системам антиблокировочной тормозной системы (ABS). Они также могут использовать электронные датчики и элементы управления для ограничения мощности, доступной водителю в опасных дорожных условиях.
Важно : Системы контроля тяги не могут создать тягу там, где её нет, они могут только улучшить существующую тягу. На поверхностях с почти нулевым трением, таких как лед, контроль тяги не поможет!
Что такое контроль тяги?
Если вы когда-либо были в автомобиле, который буксовал при резком ускорении, вероятно, он не был оборудован функционирующей системой контроля тяги (TCS). Точно так же, как АБС предназначена для предотвращения заносов при торможении, противобуксовочная система предназначена для предотвращения заносов при ускорении. Эти системы, по сути, являются двумя сторонами одной медали, и у них даже есть несколько общих компонентов.
В последние годы контроль тяги становится все более распространенным, но эта технология появилась относительно недавно. До изобретения электронной системы контроля тяги существовал ряд предшествующих технологий.
Первые попытки создания антипробуксовочной системы были предприняты в 1930-е годы. Эти ранние системы назывались дифференциалами повышенного трения, потому что все оборудование находилось в дифференциале. Электронные компоненты не использовались, поэтому эти системы должны были механически определять отсутствие тяги и передавать мощность.
В течение 1970-х годов General Motors выпустила одни из первых электронных систем контроля тяги. Эти системы могли регулировать мощность двигателя, когда ощущалось отсутствие тяги, но они были заведомо ненадежными.
Как работает трекшн-контроль?
Системы контроля тяги функционируют как антиблокировочные тормозные системы заднего хода. Они используют те же датчики, чтобы определить, потеряло ли какое-либо из колес сцепление с дорогой, но эти системы отслеживают проскальзывание колес во время ускорения, а не замедления.Если система контроля тяги определяет, что колесо буксует, она может предпринять ряд корректирующих действий. Если колесо необходимо замедлить, TCS может подавать импульсы на тормоза так же, как и ABS.
Тем не менее, системы контроля тяги также могут оказывать некоторое управление работой двигателя. При необходимости TCS часто может уменьшить подачу топлива или искры в один или несколько цилиндров. В автомобилях с приводом от троса дроссельной заслонки TCS также может закрывать дроссельную заслонку для снижения мощности двигателя.
В чем преимущество антипробуксовочной системы?
Чтобы сохранить контроль над автомобилем, жизненно важно, чтобы все четыре колеса сохраняли сцепление с дорогой. Если они сорвутся во время ускорения, автомобиль станет неуправляемым.
В таких обстоятельствах вы вынуждены либо дождаться, пока транспортное средство восстановит сцепление с дорогой, либо сбросить педаль газа. Эти методы работают, но TCS имеет гораздо более детальный уровень контроля над работой двигателя и тормозов.
Противобуксовочная система — не оправдание неосторожного вождения, но она обеспечивает дополнительный уровень защиты. Если вы часто водите машину по мокрой или обледенелой дороге, трекшн-контроль действительно может вам пригодиться.
Иногда требуется быстрое ускорение при выезде на автомагистраль, пересечении дорог с интенсивным движением и в других ситуациях. Когда вам абсолютно необходимо такое быстрое ускорение, очень полезен контроль тяги.
Всегда ли помогает контроль тяги?
Системы контроля тяги хороши, если вы едете по мокрой или обледенелой дороге, но у них есть ограничения. Если ваш автомобиль полностью остановился на скользком льду или в глубоком снегу, контроль тяги, скорее всего, будет бесполезен.
Эти системы могут передавать соответствующее количество мощности каждому колесу, но это не поможет, если все ваши колеса вращаются свободно. В таких обстоятельствах вам нужно снабдить колеса чем-то, за что они действительно могут зацепиться.
Помимо помощи при ускорении, системы контроля тяги также могут помочь вам сохранить контроль при прохождении поворотов. Если вы пройдете поворот слишком быстро, ваши ведущие колеса начнут терять сцепление с дорогой.
В зависимости от того, какой у вас автомобиль — переднеприводный или заднеприводный, это может привести к избыточной или недостаточной поворачиваемости. Если ваш автомобиль оборудован системой TCS, у ведущих колес больше шансов сохранить сцепление с дорогой.
Когда полезен контроль тяги и как его использовать?
Противобуксовочная система — это не то, о чем стоит думать. Когда это необходимо, она срабатывает. У вашего автомобиля может быть возможность включить или выключить контроль тяги, и в этом случае стоит убедиться, что она включена.
Вот несколько распространенных ситуаций, когда помогает контроль тяги:
- Попытка начать движение с остановки или ускориться, когда легкий дождь сделал дорожное покрытие очень скользким. Без противобуксовочной системы ваши шины могут проскользнуть, и ваш автомобиль вместо ускорения будет крениться в неожиданном направлении.
- Попытка ускориться при движении по склону с грунтовым покрытием. Без контроля тяги ваши шины могут проскользить, что приведет к потере импульса движения. Затем ваш автомобиль может скатиться с холма или даже скатиться боком.
В каждом из этих случаев есть некоторое сцепление с поверхностью дороги, поэтому система контроля тяги может использовать это, чтобы помочь вам начать движение или сохранить ваше движение.
Безопасно ли водить с включенной TCS?
В большинстве случаев горящий индикатор TCS означает, что система не работает. Это означает, что вы не сможете положиться на неё, если окажетесь в плохой ситуации на скользких дорогах. Обычно управлять транспортным средством безопасно, но вам придется уделять больше внимания тому, насколько быстро вы ускоряетесь.
В зависимости от вашего автомобиля индикатор TCS может также загораться всякий раз, когда система начинает работать. В таких случаях она обычно отключается при восстановлении тяги.
БГАК — Учебные материалы — Д.В.Фокин — Современные автомобильные технологии — Теория — Тормозное управление
Системы управления тормозами
Антипробуксовочная система (ASR)
Антипробуксовочная система ASR помогает водителю избежать пробуксовывания колёс при трогании с места и ускорении.
При плохих погодных условиях и, прежде всего, на автомобилях с мощными двигателями, вследствие сочетания низкого коэффициента трения между шиной и дорогой с высокими тяговыми усилиями, возможно значительное проскальзывание колёс (рис.5.2.48). В крайних случаях колёса могут какое-то время даже пробуксовывать (проворачиваться на месте). В результате не только уменьшается создаваемое тяговое усилие, но и ухудшается управляемость автомобиля. Это может приводить к критическим с точки зрения курсовой устойчивости ситуациям, прежде всего, при прохождении поворотов с ускорением. Антипробуксовочная система ASR эффективно предотвращает недопустимо высокие значения проскальзывания колёс.
Рисунок 5.2.48 – Проскальзывание ведущих колес автомобиля при трогании
Прилагаемое тяговое усилие (жёлтая стрелка) (рис.5.2.49) больше, чем максимально передаваемое (радиус круга). Проскальзывание ведущего колеса приобретает критическую величину, срабатывает система ASR. Подводимый к ведущим колёсам крутящий момент уменьшается до величины, которая может быть преобразована в пятне контакта в тяговое усилие (оранжевая стрелка).
Рисунок 5.2.49 – Круговая диаграмма сил при проскальзывании колес
При возникновении опасности пробуксовки ведущих колёс система ASR уменьшает усилия, передаваемые ими на дорожное покрытие:
· за счёт определённого подтормаживания проскальзывающих колёс, а также
· за счёт уменьшения передаваемого на них от двигателя крутящего момента, для чего ASR отдаёт команды системе управления двигателя и/или коробки передач.
Система ASR, таким образом, работает, в отличие от ABS, не при торможении, а при ускорении автомобиля. Для того чтобы работать во время ускорения, ASR необходим доступ к системе управления двигателя, чтобы влиять на выбор крутящего момента, а также возможность самостоятельного создания давления в контурах тормозной системы. Это необходимо для подтормаживания пробуксовывающих колёс без создания давления водителем путём нажатия на педаль тормоза.
ASR работает во всём диапазоне скоростей автомобиля. При скорости выше 80 км/ч усилия, передаваемые колёсами на дорожное покрытие, регулируются исключительно за счёт управления работой двигателя и/или коробки передач.
О срабатывании антипробуксовочной системы водителя информирует контрольная лампа ASR. На некоторых моделях автомобилей антипробуксовочную функцию можно отключить с помощью клавиши ASR. При каждом включении зажигания функция ASR активируется.
Схема движения автомобиля без антипротивобуксовочной системы и с установленной системой ASR показана соответственно на рисунках 5.2.50 и 5.2.51.
Рисунок 5.2.50 – Схема движения автомобиля без ASR
Автомобиль ускоряется на скользкой дороге. Колёса начинают пробуксовывать, и автомобиль разгоняется медленно или не разгоняется вовсе. При движении в повороте колёса могут воспринимать только ограниченные боковые усилия, автомобиль утрачивает управляемость.
Рисунок 5.2.51 – Схема движения автомобиля с ASR
ASR уменьшает усилия,
передаваемые ведущими колёсами на дорожное покрытие, и уменьшает тем самым их
проскальзывание. Колёса могут воспринимать боковые усилия, устойчивость
автомобиля сохраняется.
Для антипробуксовочной системы ASR не требуется установка дополнительного по отношению к ABS с EDS оборудования. Реализация её функций осуществляется только программно, необходимое программное обеспечение, как и с системой EDS, работает в блоке управления ABS.
Обмен данными между ASR и системой управления двигателя на всех выпускающихся в настоящее время автомобилях происходит по шине данных.
Главными параметрами, по которым система ASR оценивает необходимость и величину вмешательства, являются частоты вращения колёс и действительный крутящий момент двигателя автомобиля («фактический крутящий момент»). На основании частот вращения всех колёс система оценивает величину проскальзывания ведущих колёс. Когда это значение на одном из колёс превышает установленный предел, система ASR активируется и вычисляет, насколько нужно снизить крутящий момент двигателя, чтобы проскальзывание колеса снова уменьшилось до некритического значения. Блок управления двигателя получает «указание», соответственно, снизить крутящий момент в виде сообщения с указанием требуемого крутящего момента («номинального крутящего момента») (рис.5.2.52).
Рисунок 5.2.52 — Схема коррекции крутящего момента двигателя с помощью системы ASR
Одновременно с этим на автомобилях с автоматической коробкой передач или автоматизированной механической коробкой передач блок управления коробки передач получает указание не выполнять во время срабатывания антипробуксовочной системы ASR переключения передач.
Блок управления двигателя может уменьшать мощность двигателя за счёт изменения ряда управляющих параметров:
• изменение угла открытия дроссельной заслонки;
• уменьшение цикловой подачи топлива или пропуск отдельных впрыскиваний;
• изменение угла опережения зажигания (в сторону «поздно») или отмена отдельных зажиганий.
Какие именно меры используются, зависит от конкретного применения (модель автомобиля, мощность двигателя и т. п.).
Функции ASR и EDS дополняют друг друга. Обе системы имеют целью улучшение использования потенциала сцепления колёс с дорожным полотном для создания тяговых усилий.
Антипробуксовочная система ASR использует уменьшение крутящего момента двигателя и поэтому действует в равной мере на оба колеса ведущей оси. Когда оба ведущих колеса одновременно демонстрируют одинаковое проскальзывание (т.е. оба находятся на одинаково скользкой поверхности), антипробуксовочная система ASR сама по себе является подходящим средством его ограничения.
Однако возможны и ситуации, когда ведущие колёса опираются на разные поверхности с совершенно разным сцеплением. Тогда одно колесо (находящееся на более скользкой поверхности) будет демонстрировать значительно большее проскальзывание. В таких случаях сначала электронная блокировка дифференциала EDS подтормаживает проскальзывающее колесо. Если затем проскальзывание станет слишком большим и примерно одинаковым на обоих ведущих колёсах, антипробуксовочная система ASR уменьшит крутящий момент двигателя.
Как работает антипробуксовочная система — особенности работы
Уже вот почти четверть века на легковые и грузовые автомобили, оснащенные передовыми системами безопасности, устанавливают противобуксовочные системы. Из названия этой системы понятно, что она не дает колесам автомобиля пробуксовывать в нужный момент. Антипробуксовочная система автомобиля является второй системой безопасности после АБС (антиблокировочная система). Эти две новейшие системы работают в паре и не дают заблокироваться или забуксовать колесам. Водители, которых заинтересовали электронные системы безопасности, часто хотят разобраться, как работает антипробуксовочная система.
Противобуксовочная система сокращенно (ПБС) в переводе на английский звучит как Traction control system (TCS). Немецкие автомобильные инженеры именуют ее Antriebsschlupfregelung (ASR). Данные системы включают в себя комплекс мер по предотвращению букса на дорогах с недостаточным сцеплением.
Систему можно отключить
Программы, запрограммированные в мозгах автомобиля, не являются обязательными и их можно отключить. Но делать это необходимо каждый раз заново после выключения зажигания. Да и не все это делают.
С момента начала комплектации автомобилей такими системами управлять ими стало намного легче и безопаснее. Иные водители ни разу не отключали эти системы за все время пользования автомобилем. Ведь это так удобно! За время поездки не нужно переживать из-за того, что машину может унести с дороги, например, на льду после слишком резкого нажатия на педаль газа или тормоза.
Можно не бояться льда на дорогах
А вот истинные ценители именно «чистого» автомобиля, не задушенного системами безопасности, отключают все электронные помощники, чтобы почувствовать душу и мощь автомобиля. Но таких совсем мало, даже можно сказать единицы.
Противобуксовочная система работает только в паре с антиблокировочной системой, но не наоборот. То есть антиблокировочная система может работать без антибукса, но антибукс без антиблокировочной системы работать не может.
ASR плюс ABS
Следует разделить три основных вида противобуксовочных систем. Они похожи, но используются на разных марках автомобилей.
Система Antriebsschlupfregelung (ASR)
ASR является самой распространенной противобуксовочной системой. Ее устанавливают такие флагманы немецкого и мирового рынка как Мерседес, Фольксваген и Ауди. Система, подстроенная под эти автомобили, оказывает огромную помощь новичкам, которые не могут уверенно вести себя на дороге. В список основных функций входит моментальная блокировка дифференциала, что дает возможность почувствовать «свободный» или «заваренный» дифференциал. Через блокировку дифференциала идет управление и корректировка крутящим моментом. Электронный мозг бортового компьютера обрабатывает информацию, поступающую от датчиков на ступицах. После мгновенного сравнения скорости и вращения ведущих и свободных колес система принимает решение притормозить, прибавить скорость и прекратить подачу топлива.
Как работает ASR
Эта система предполагает применение трех типов работы. Управление тормозной системой ведущих колес, управление тягой двигателя и комбинированный, когда применяется сразу два способа.
У системы ASR установлен порог влияния на тормозную систему. Обычно это 60 километров в час. Если превысить данный порог система во избежание опасных ситуаций влиять на тормозную систему не будет. На больших скоростях эта система оказывает влияние только на двигатель.
Система Traction control system (TCS)
Работа TCS
Данная система вначале начала устанавливаться на автомобилях Хонда.
Система TCS (Traction control system) переводится с английского как система контроля тяги. Данная электрогидравлическая система нужна для того, чтобы в момент скольжения не случилось потери сцепления колесо-дорога. Работает данная система за счет датчиков, которые считывают скорость и частоту вращения (обороты в секунду) каждого колеса. Если система обнаруживает резкий скачок скорости (оборотов) одного из ведущих колес, то отключается тяга данного колеса. Система сама включит тягу на данное колесо после уравнивания скоростей. Дальнейший разброс количества оборотов на каждом колесе будет исправлен уже снижением тяги.
Такую систему использовали, как передовую, впервые на болидах Формулы-1 в 1990 году и запретили в 2008 году.
Система TRC (Traction Control)
Система TRC
Данная система безопасности применяется в основном на дорогих моделях автомобилей Хонда и Тойота.
Работа этой системы дополняет остальные тем, что не дает автомобилю уйти в занос. Принцип работы этой системы подразумевает снижение тяги и крутящего момента для предотвращения опасных ситуаций. Работа этой системы заметна при прохождении опасных поворотов со скользким покрытием. Автомобиль с ведущей передней осью даже при резком сбросе газа в повороте, благодаря этой системе, не сойдет с курса. Система TRC устанавливается даже на полноприводные автомобили, например, Toyota RAV 4.
Если данная система работает, то водитель не может повлиять на движение автомобиля нажатием на педаль газа, потому что система блокирует это действие.
Итак, современные автомобили напичканы разными электронными помощниками и это, конечно же, положительно влияет на дорожные ситуации, ведь благодаря таким системам становится меньше аварий из-за плохого сцепления с дорогой, а водители без опыта езды зимой не боятся ледяных дорог.
Видео
Смотрите, как работает TRC, на примере Toyota:
Traction Control — что это и как работает?
С 2011 года в каждый новый автомобиль в стандартной комплектации входит антипробуксовочная система. С этого года европейский сертификат типа будет выдаваться только новому автомобилю, если он будет установлен. Подавляющее большинство производителей сделали его стандартным задолго до этого — безопасность продается, и нет никаких сомнений в том, что автомобиль, оснащенный антипробуксовочной системой, безопаснее, чем автомобиль без нее.
Противобуксовочная система — одна из тех систем безопасности, которые мы склонны принимать как должное, и большую часть времени за рулем мы даже не подозреваем, что она есть, но в некоторых ситуациях она может быть жизненно важным механизмом безопасности.
• Как правильно использовать тормоза с АБС
Попросту говоря, контроль тяги — это электронная система в автомобиле, которая имеет способность уменьшать или предотвращать пробуксовку колес. Вращающееся колесо означает, что шина больше не сцепляется с поверхностью дороги и может привести к избыточной поворачиваемости (когда задняя часть автомобиля выходит за пределы линии, потенциально вызывая пробуксовку) в автомобиле с задним приводом или недостаточной поворачиваемости (где автомобиль недостаточно реагирует на ваши команды рулевого управления) в автомобиле с передним приводом.
Когда была введена антипробуксовочная система?
Системы контроля тяги использовались в легковых автомобилях еще в 1970-х годах, но эти первые системы не были безнадежно надежными или широко распространенными, и только в конце 1980-х и начале 1990-х годов контроль тяги стал более распространенным явлением. Как и большая часть стандартного оборудования, к которому мы привыкли в наши дни, постепенная стандартизация противобуксовочной системы является результатом все более широкого использования сложных электронных систем в наших автомобилях.
Для начала такие компании, как Mercedes-Benz и BMW, сделали систему контроля тяги доступной на своих моделях S-класса и 7 серии высшего класса, и постепенно она перешла на более дешевые модели и перешла к другим производителям.
Как работает антипробуксовочная система?
В своей самой базовой форме антипробуксовочная система предназначена для определения момента, когда шина теряет сцепление с дорогой и начинает вращаться, а затем останавливается или снижает скорость вращения. Для этого в системе контроля тяги используются датчики ABS, которые обнаруживают, когда колесо блокируется во время торможения, но в обратном направлении, отслеживая, когда одно из ведущих колес автомобиля вращается значительно быстрее, чем другие ведомые колеса, что указывает на потерю тяги.Противобуксовочная система может быть установлена на автомобиль с передним, задним или полным приводом, и принцип остается неизменным, независимо от того, какие колеса управляются.
Как только вращающееся колесо будет обнаружено электронными датчиками, бортовой компьютер автомобиля на мгновение отключит мощность двигателя, чтобы колесо замедлилось и, надеюсь, восстановило сцепление с дорогой. В некоторых автомобилях может показаться, что есть небольшие колебания в подаче мощности, или даже ощущение, что в двигателе произошел пропуск зажигания, но в целом современные системы контроля тяги настолько сложны, что их вмешательство часто не обнаруживается из-за колесо.
Помимо контроля тяги в большинстве новых автомобилей также есть электронная система контроля устойчивости (часто называемая ESP или ESC), которая продвигает контроль тяги на одну ступень дальше, мгновенно применяя тормоз к колесу, которое вращается быстрее, чем другие. Некоторые системы также могут переключать мощность двигателя на колеса, которые имеют наибольшее тяговое усилие.
Как я узнаю, что он работает?
Как и многие другие системы безопасности, трекшн-контроль имеет контрольную лампу, которая на короткое время загорается при запуске автомобиля, а затем гаснет, указывая на то, что система находится в рабочем состоянии.Если свет горит постоянно после запуска автомобиля, это означает, что в системе есть неисправность, и ее следует проверить в вашем гараже. Постоянно горящая сигнальная лампа системы контроля тяги также будет неисправностью MoT.
Если вы видите, что индикатор трекшн-контроля загорается на короткое время во время движения, это означает, что система активно работает и предотвращает пробуксовку колес. Скорее всего, это можно увидеть при движении в неблагоприятных условиях — сильный дождь, снег или лед — или это может указывать на разлив дизельного топлива на дороге или рыхлую поверхность под шинами автомобиля.Также возможно, что если вы начнете видеть, что контрольный свет загорается чаще, это указывает на чрезмерный износ шин вашего автомобиля.
Должен ли я когда-нибудь выключать антипробуксовочную систему?
Мы бы не рекомендовали отключать контроль тяги во время обычного движения по дороге — неважно, насколько вы хороший водитель, система контроля тяги может действовать, чтобы предотвратить потерю контроля, гораздо быстрее, чем вы можете отреагировать за колесо.
• Лучшие полноприводные автомобили для покупки сейчас
Однако есть некоторые обстоятельства, при которых рекомендуется отключить систему.Если вы едете по снегу или льду или в очень грязных условиях, степень сцепления шин с дорогой будет сильно ограничена, и в этих обстоятельствах желательно иметь пробуксовку колес, чтобы попытаться улучшить сцепление с дорогой. Если система тяги продолжает обнаруживать вращающееся колесо в этих условиях, она будет продолжать снижать мощность, что не поможет придать автомобилю какой-либо импульс.
Итак, если вы оказались за рулем по грязи, снегу или льду, отключите систему, если вы чувствуете, что машина застревает.Как правило, это переключатель, который обозначается чем-то вроде ASR, TSC, ESC или ESP в зависимости от производителя автомобиля, а на некоторых автомобилях он находится в одном из меню бортовой информационно-развлекательной системы автомобиля.
Спасал ли когда-нибудь контроль тяги от аварии? Дайте нам знать в комментариях ниже …
Что такое трекшн-контроль? Как справиться с проскальзыванием колес Tech
Когда шина скользит относительно поверхности дороги, будь то занос или вращение, могут случиться неприятные вещи — например, аварии или видео с видеорегистратора.Инженерное сообщество впервые занялось проблемой заноса: в 1928 году немецкий инженер Карл Вессель получил патент на антиблокировочную тормозную систему (ABS). В 1966 году компания Jensen FF впервые представила технологию автомобильной ABS, но компьютеризированную четырехколесную автомобильную антиблокировочную тормозную систему, как мы знаем сегодня он впервые появился на Imperial 1971 года и стал обязательным для всех легковых автомобилей с 2004 года (ЕС) и 2013 года (США). Сообществу инженеров не потребовалось много времени, чтобы осознать, что датчики, компьютеры и исполнительные механизмы, необходимые для обнаружения и предотвращения скольжения шины, можно с модификациями обучить предотвращать ее вращение — и таким образом родилось то, что мы знаем как тяга. контроль.
Что такое трекшн-контроль?
Противобуксовочная система — это функция активной безопасности, разработанная, чтобы позволить транспортным средствам максимально использовать имеющееся сцепление с дорогой за счет ограничения или предотвращения пробуксовки ведомых колес. Системы часто можно включать и выключать с помощью кнопки с надписью TC, TCL или значком, изображающим заднюю часть автомобиля над двумя задними S-образными следами заноса.
Как работает трекшн-контроль?
Система должна определять или определять как мгновенную скорость каждого ведомого колеса, так и чистую скорость транспортного средства в целом.Затем эти данные сравниваются, и когда обнаруживается, что колесо вращается быстрее, чем требуется скорость транспортного средства, система вмешивается, чтобы предотвратить это. Датчики на эффекте Холла обычно измеряют скорость вращения колес (в них используется неподвижный магнит рядом с вращающейся шестерней с равномерно расположенными зубьями, которые изменяют магнитное поле при прохождении через магнит). Чтобы определять скорость автомобиля, системы могут отслеживать скорость неуправляемых колес, полагаться на бортовые акселерометры или даже использовать данные бортовой системы спутниковой навигации.Чтобы замедлить вращающееся колесо, системы контроля тяги используют модифицированное оборудование ABS. Там, где ABS на мгновение сбрасывает немного гидравлического тормозного давления, чтобы позволить скользящему колесу восстановить сцепление с дорогой, с контролем тяги необходимо иметь возможность добавить гидравлическое давление для торможения вращающейся шины. Часто мощность двигателя также снижается за счет подстройки дроссельной заслонки, искры и / или топлива.
Просмотреть все 3 фотографииЗачем выключать трекшн-контроль?
В большинстве условий движения безопаснее всего оставить включенными все системы безопасности.Однако в условиях, когда поверхность с более высоким коэффициентом трения покрыта материалом с низким коэффициентом трения — например, свежевыпавший снег, переносимый ветром песок или, может быть, тонкий оползень по проезжей части — немного раскручиваем шины, чтобы «копнуть» наверх. трение на поверхности дороги может означать разницу между остановкой практически на месте с яростно мигающим светом антипробуксовочной системы и мощным движением по скользкой дороге или вверх по ней.
Безопасно ли ехать без антипробуксовочной системы?
При указанном выше скользком дорожном покрытии, на низких скоростях, когда автомобиль испытывает трудности с движением, можно безопасно отключить контроль тяги.Но на более высоких скоростях, как правило, безопаснее оставить систему включенной, если вы обнаружите, что ускоряетесь в повороте и сталкиваетесь с неожиданной поверхностью с низким коэффициентом трения, такой как черный лед. В такой ситуации контроль тяги может предотвратить случайное скольжение из-за избыточной поворачиваемости, которое может привести к аварии.
Что вызывает загорание контрольной лампы тяги?
Поскольку антипробуксовочная система является системой безопасности, ее работоспособность постоянно контролируется бортовой диагностической электроникой.Этот свет загорается каждый раз, когда система выключена — либо потому, что водитель выключил ее (в этом случае повторное нажатие кнопки приведет к повторной активации системы и погаснет свет), либо потому, что в системе произошла какая-то неисправность. Распространенной причиной таких неисправностей является выход из строя отдельного датчика скорости вращения колеса, часто из-за наезда на что-то, что выбило датчик смещения, или из-за чрезмерной коррозии. Индикатор контроля тяги также часто мигает, когда система обнаруживает пробуксовку колес и работает над восстановлением тяги.Он сработает, когда вмешательство антипробуксовочной системы больше не потребуется.
Просмотреть все 3 фотоМожете ли вы водить с горящей лампой контроля тяги?
Неисправная система контроля тяги вряд ли ослабит автомобиль, но если свет остается включенным после нажатия кнопки включения / выключения, как можно скорее обратитесь в сервисную службу и ведите машину с особой осторожностью в ситуациях с низким тяговым усилием, например, на мокрой дороге. , заснеженные или обледенелые дороги. Обратите внимание: если свет горит много, потому что он работает постоянно — например, при подъеме на длинный крутой холм по рыхлому гравию или грязи — имейте в виду, что автомобиль, вероятно, много работает с тормозами, что может привести к чрезмерному торможению. износа и в экстремальных условиях тормозов выцветает и выходит из строя.Поэтому в таких условиях время от времени делайте передышку.
Использует ли антипробуксовочная система больше газа?
Противобуксовочная система не должна влиять на экономию топлива, за исключением, возможно, приведенного выше примера, где требуется расширенное вмешательство противобуксовочной системы для преодоления длинного скользкого холма.
Launch Control
Ориентированная на энтузиастов изюминка в системе контроля тяги — это система Launch Control, которая стремится тщательно измерять крутящий момент, чтобы точно соответствовать сцеплению с дорожным покрытием; чтобы шины оставались вращающимися с оптимальным скольжением от 5 до 20 процентов, при котором их динамическое трение максимально.Многие высокопроизводительные автомобили предлагают систему управления запуском — некоторые с такой отмеченной кнопкой, хотя для многих требуется определенная последовательность нажатия других кнопок, чтобы активировать эту возможность.
Как система перешла в режим контроля устойчивости?
Подобно тому, как оборудование и электроника ABS были слегка модифицированы для обеспечения контроля тяги, контроль тяги был аналогичным образом модифицирован для обеспечения электронного контроля устойчивости (ESC). Эти системы также известны как активный контроль рыскания (AYC), программа электронной стабилизации (ESP), динамический контроль устойчивости (DSC), контроль устойчивости транспортного средства (VSC), динамическая устойчивость и контроль тяги (DSTC), программа электронной стабилизации (ESP), активный контроль устойчивости (ASC), система стабилизации автомобиля (VSA) и т. д.Ключевой модификацией, необходимой для этого прыжка, помимо увеличения вычислительной мощности, было средство измерения рыскания или скорости, с которой транспортное средство поворачивается вокруг своей вертикальной центральной оси. Ранние системы пытались определить рыскание, сравнивая разницу в скоростях колес во время поворота, но эта оценка оказалась слишком грубым приближением, и вскоре реальные кремниевые датчики стали доступны по доступной цене для прямого измерения рыскания.
Системы ESC помогают обеспечить движение автомобиля в том направлении, в котором его рулевое колесо повернуто в неблагоприятных условиях, чего не могли сделать ABS и TC.Он также использует тормоза, на этот раз, чтобы попытаться остановить автомобиль от вращения или скольжения вбок. Все системы контроля устойчивости обеспечивают контроль тяги, но обратное не всегда верно. Возможно, по этой причине противобуксовочная система так и не стала обязательным оборудованием, но система контроля устойчивости оказалась настолько ценной системой безопасности, что правительства законодательно закрепили ее обязательное использование в Канаде, США и Европейском союзе, начиная с 2011, 2012 и 2014 годов соответственно.
Автономные системы вождения можно рассматривать как следующий шаг в эволюции систем ABS-TC-ESC, но на этот раз количество программного обеспечения, датчиков и оборудования, которое необходимо добавить, на несколько порядков больше, чем на каждом предыдущем этапе эволюции. требуется.
Противобуксовочная система и системы контроля устойчивости: в чем разница?
Разница между контролем тяги и контролем устойчивости подобна разнице между GED и степенью магистра или доктора философии в области безопасности транспортных средств. Контроль устойчивости — это просто противобуксовочная система с дополнительным обучением (компьютерное программирование) и лучшими инструментами (более мощный процессор и больше электронных датчиков).
Ясно, что антиблокировочная тормозная система, или ABS, как мы ее теперь знаем, была первой — на Imperial 1971 года.В том же году Buick Riviera представила MaxTrac, примитивную систему контроля тяги без вмешательства тормозов, которая вместо этого сравнивала выходную скорость трансмиссии со скоростью передних колес для обнаружения пробуксовки и отсечения искры двигателя до тех пор, пока скорости передних и задних колес не сравнялись. Сообщается, что из-за отсутствия возможности уменьшить количество топлива, протекающего через карбюратор, это привело к впечатляющим обратным результатам.
Система контроля устойчивости дебютировала в 1990 году на японском рынке Mitsubishi Diamante, по-разному именуемом активным отслеживанием движения и контролем тяги, затем активным противобуксовочным контролем (ASTC), но впервые в Америке появилась система, подобная тем, которые мы знаем сегодня. с помощью Bosch на купе Mercedes-Benz S600 1995 года.Давайте рассмотрим и сравним существующие сегодня системы.
Что такое трекшн-контроль?
Просмотреть все 4 фотографииЭта функция активной безопасности была разработана, чтобы позволить транспортным средствам оптимально использовать ускоряющую тягу, имеющуюся на любой заданной поверхности, путем измерения пробуксовки колес и последующего управления им с помощью гидравлических соленоидов антиблокировочной тормозной системы. тормозное давление и / или использование электронного управления дроссельной заслонкой, топливом или искрой двигателя для уменьшения мощности и замедления вращающегося колеса.Эти системы часто предлагают возможность отключения. Кнопка для этого может быть помечена TC, TCL или значком, изображающим заднюю часть автомобиля над двумя знаками выгорания в форме буквы S. Если ваш автомобиль оборудован системой контроля тяги и устойчивости, они почти наверняка будут управляться одной и той же кнопкой, которая затем может быть помечена как ESC, VSC или со значком. Чтобы увидеть полный список сокращений, используемых для контроля тяги и устойчивости, прокрутите эту статью до конца.
Что такое система контроля устойчивости?
В современных системах контроля устойчивости используется все оборудование, необходимое для противобуксовочной системы и антиблокировочной тормозной системы (датчик нажатия педали тормоза и датчики скорости вращения колес на каждом колесе, а также корпус гидравлического клапана, способный сбрасывать или увеличивать давление в тормозной системе). тормозной контур для каждого колеса независимо) и добавляет несколько новых датчиков.Датчик положения рулевого колеса соединяется с датчиками педали тормоза и акселератора, чтобы сообщить системе предполагаемый путь и скорость водителя. Датчик рыскания измеряет, насколько автомобиль вращается вокруг своей вертикальной оси (то, что вы ощущаете как занос или вращение), а модуль трехосевого акселерометра определяет как поперечное, так и продольное ускорение, а также любой угловой уклон, по которому движется транспортное средство. . Обращаясь ко всем этим датчикам, более мощный компьютер затем сравнивает фактическое движение автомобиля с намерением водителя.Если они не совпадают, система применяет отдельные колесные тормоза (а также, при необходимости, органы управления двигателем), чтобы привести траекторию автомобиля в соответствие с намерениями водителя. Обратите внимание, что, поскольку контроль устойчивости стал обязательным в США в 2012 году, все новые легковые автомобили оснащены святой троицей систем помощи водителю: ABS, тяги и контроля устойчивости.
Как система стабилизации изменяет траекторию движения автомобиля?
Если вы когда-нибудь занимались греблей на каноэ, каяках или рафтингом, вы, вероятно, управляли лодкой, гребя спиной по той стороне, в которую вы хотите направиться.Система стабилизации делает то же самое — добавляет тормозное давление к одной стороне автомобиля, чтобы мягко поворачивать его в этом направлении, с разными результатами в зависимости от того, задействованы ли передние или задние тормоза и насколько сильно. Помните, что водитель уже набрал желаемое количество рулевого управления, поэтому, если автомобиль не реагирует должным образом, то снижение тяги, сильный ветер или какая-то другая внешняя сила вызывает отклонение пути, поэтому просто заказывайте электрический помощь в рулевом управлении для большего поворота вряд ли даст желаемый эффект.Система контроля устойчивости делает свою работу незаметно для водителя, за исключением, возможно, мигания лампы контроля устойчивости, которая указывает на то, что система работает.
Просмотреть все 4 фотографииКак работают вместе ABS, антипробуксовочная система и система курсовой устойчивости?
Системы полностью интегрированы, поэтому невозможно обеспечить контроль устойчивости или антипробуксовочную систему без АБС. Блок гидравлических клапанов антиблокировочной тормозной системы позволяет регулировать скорость вращения колес, необходимую для ограничения пробуксовки колес для контроля тяги и для контроля устойчивости, чтобы регулировать траекторию движения автомобиля.Некоторые автомобили позволяют водителям отключать или снижать эффективность систем. Кнопки отключения трекшн-контроля являются наиболее распространенными, кнопки отключения стабилизации менее распространены (и когда они существуют, они могут быть вложены в экранные меню, и они редко полностью выключают систему, как мы часто обнаруживаем в нашем тестировании Figure Eight). Как уже отмечалось, эти системы также имеют одну и ту же кнопку. Обратите внимание, что начиная с B3 (’86 -’92) Audi 80/90 не предлагала выключатель ABS.
Моя система контроля устойчивости предлагает настройки — какие из них лучше?
Некоторые высокопроизводительные автомобили предлагают различные настройки (например, Chevrolet Corvette, многие автомобили Cadillac V-образные или любой автомобиль BMW M), адаптированные к более агрессивным дорожным ситуациям.Иногда они предлагают так много настроек, что форумы владельцев, вероятно, лучше подготовлены для ответа на этот вопрос. Транспортные средства, ориентированные на бездорожье, которые обеспечивают различные режимы местности, адаптируют уровень вмешательства системы стабилизации в каждом к различным местностям, поэтому лучше всего просто настроить этот режим в соответствии с местностью, которую вы покрываете. В противном случае, John & Jane Q Public лучше всего не трогать эти кнопки контроля тяги и устойчивости на дорогах общего пользования. Настройки режима производительности часто доступны только из глубины дерева меню информационно-развлекательной системы или путем нажатия и удерживания кнопки в течение многих секунд.Они, как правило, делают систему более допускающей нейтральное скольжение или даже некоторую избыточную поворачиваемость. Если у вас были высокопроизводительные курсы обучения водителей и вы планируете водить машину по закрытой трассе с ограждениями и т. Д. (И готовы к страховым случаям, если что-то пойдет не так), включение этих настроек может действительно сделать вашу машину намного более увлекательной для вождения. Обратите внимание, что многие (но не все) из этих систем возвращаются в режим полной защиты, если вы касаетесь тормозов или нажимаете на них в середине слайда.
Когда следует выключать антипробуксовочную систему?
Если вы находитесь в обычном автомобиле без режимов движения, который слегка застревает в песке или снегу из-за того, что ваша система теряет мощность при первом намеке на пробуксовку колес, отключение части системы контроля тяги может позволить колесам двигаться. достаточно крутить, чтобы «сгореть» сквозь снег или песок до более цепкой поверхности внизу, и автомобиль снова двинется.
Когда следует выключать систему контроля устойчивости?
Вы выиграли титул SCCA или закончили гонку LeMans? Вы помогаете Ким Рейнольдс измерять производительность MotorTrend Figure Eight на нашем испытательном стенде? Если вы ответили «нет» на все это, то, возможно, никогда, поэтому производители обычно затрудняют доступ к режиму «выключено», чтобы никто случайно не отключил его.Мы не можем рекомендовать когда-либо полностью отключать контроль устойчивости на дороге общего пользования, но исключительные водители, стремящиеся полностью изучить возможности своего высокопроизводительного автомобиля на закрытой дороге или трассе, могут найти настройку «выключения» ценной.
Что вызывает загорание лампы контроля устойчивости?
Просмотреть все 4 фотографииКонтроль устойчивости — это система безопасности, поэтому ее работоспособность постоянно контролируется бортовой диагностической электроникой. Этот свет появляется, когда система либо выключена, либо переключена на более низкий уровень чувствительности, либо имеет какой-либо вид неисправности (некоторые режимы бездорожья снижают эффективность системы настолько, чтобы загорать лампу в этих режимах).Итак, если вы не коснулись переключателя, а он загорелся, у вас, вероятно, неисправность системы. Наиболее распространенными из них являются неисправности датчиков, и первыми должны выйти из строя датчики, установленные в элементах, такие как датчики скорости вращения колес. Они могут выйти из строя, повредиться в результате дорожно-транспортных происшествий или подвергнуться коррозии. Индикатор часто мигает, когда система контроля тяги и / или устойчивости активно вмешивается, чтобы вернуть автомобиль под контроль.
Какие еще названия для контроля устойчивости?
Вот список названий, которые различные производители используют для своих систем контроля устойчивости по всему миру:
Acura: Vehicle Stability Assist (VSA) (ранее CSL 4-Drive TCS)
Alfa Romeo: Vehicle Dynamic Control (VDC)
Audi: электронная программа стабилизации (ESP)
Bentley: электронная система стабилизации (ESP)
BMW: партнер по совместному проектированию и изобретатель с Robert Bosch GmbH и Continental (TEVES) Система динамического контроля устойчивости (DSC) (включая систему динамического контроля тяги)
Bugatti : Электронная система стабилизации (ESP)
Buick: StabiliTrak
Cadillac: StabiliTrak и StabiliTrak3.0 с активным передним рулевым управлением (AFS)
Chevrolet: StabiliTrak и активное управление (только Corvette и Camaro)
Chrysler: электронная программа стабилизации (ESP)
Dodge: электронная программа стабилизации (ESP)
Fiat: электронный контроль устойчивости (ESC) и автомобиль Динамическое управление (VDC)
Ferrari: Controllo Stabilità (CST)
Ford: AdvanceTrac с системой контроля устойчивости при крене (RSC), интерактивной динамикой автомобиля (IVD) и электронной программой стабилизации (ESP)
General Motors: StabiliTrak
Honda: Система стабилизации автомобиля ( VSA) (ранее CSL 4-Drive TCS)
Hyundai: электронная система стабилизации (ESP), электронный контроль устойчивости (ESC) и система стабилизации автомобиля (VSA)
Infiniti: система динамического контроля автомобиля (VDC)
Jaguar: система динамической стабилизации (DSC) ) и автоматический контроль устойчивости (ASC)
Jeep: электронная программа стабилизации (ESP)
Kia: электронная система контроля устойчивости (ESC) и электронная программа стабилизации (ESP)
Lamborghini: электронная система стабилизации курсовой устойчивости am (ESP)
Land Rover: система динамической стабилизации (DSC)
Lexus: интегрированная система управления динамикой автомобиля (VDIM) с системой стабилизации автомобиля (VSC)
Lincoln: AdvanceTrac
Maserati: программа стабилизации Maserati (MSP)
Mazda: система динамической стабилизации (DSC) (включая систему динамического контроля тяги)
Соавтор Mercedes-Benz и Robert Bosch GmbH: электронная система стабилизации (ESP)
Mini: система динамического контроля устойчивости
Mitsubishi: мультирежимная система активного противоскольжения и противобуксовочная система и активная система контроля устойчивости (ASC)
Nissan: система динамического контроля автомобиля (VDC)
Porsche: система стабилизации Porsche (PSM)
Subaru: система контроля динамики автомобиля (VDC)
Toyota: система контроля устойчивости автомобиля (VSC) и интегрированное управление динамикой автомобиля (VDIM)
Tesla: система электронного контроля устойчивости ( ESC)
Volvo: система динамической стабилизации и противобуксовочной системы (DSTC)
Volkswagen: Электронная система стабилизации (ESP)
Описание системы контроля тяги | HowStuffWorks
Traction Control помогает ограничить скольжение шин при ускорении на скользкой поверхности.Раньше водителям приходилось нажимать педаль газа, чтобы ведущие колеса не вращались на скользком асфальте. Во многих современных транспортных средствах используются электронные средства управления, которые ограничивают передачу мощности водителю, устраняют пробуксовку колес и помогают водителю контролировать ускорение.
Мощные заднеприводные автомобили шестидесятых годов часто имели примитивную форму контроля тяги, называемую задним дифференциалом повышенного трения. Задняя ось с ограниченным скольжением, которую иногда называют позитракцией, будет механически передавать мощность на заднее колесо с максимальным сцеплением, помогая уменьшить, но не устранить пробуксовку колес.Хотя задние мосты с ограниченным проскальзыванием все еще используются во многих автомобилях с передним и задним приводом, устройство не может полностью устранить пробуксовку колес. Следовательно, требовалась более сложная система.
Ввести электронный контроль тяги. В современных транспортных средствах системы контроля тяги используют те же датчики скорости вращения колес, что и антиблокировочная тормозная система. Эти датчики измеряют разницу в скорости вращения, чтобы определить, не потеряли ли колеса, на которые подается мощность, сцепление. Когда система контроля тяги определяет, что одно колесо вращается быстрее, чем другие, она автоматически «накачивает» это колесо тормозом, чтобы снизить его скорость и уменьшить пробуксовку колес.В большинстве случаев для контроля пробуксовки достаточно отдельного торможения колес. Однако некоторые противобуксовочные системы также снижают мощность двигателя из-за проскальзывания колес. На некоторых из этих транспортных средств водители могут ощущать пульсацию педали газа, когда система снижает мощность двигателя, так же, как педаль тормоза пульсирует, когда работает антиблокировочная тормозная система.
Многие люди ошибочно полагают, что антипробуксовочная система предотвратит застревание автомобиля в снегу. Это далеко от истины.Traction Control не имеет возможности увеличить тягу; он просто пытается предотвратить пробуксовку колес автомобиля. Для водителей, которые регулярно ездят по снегу и на льду, контроль тяги, антиблокировочная система тормозов и зимние шины являются обязательными функциями безопасности.
Traction Control — Активные функции безопасности
| Что такое трекшн-контроль? Как работает противобуксовочная система | Загрузки |
Что такое контроль тяги?
В каких случаях может пригодиться антипробуксовочная система?
Как работает антипробуксовочная система?
Насколько эффективен контроль тяги?
Есть ли ограничения у трекшн-контроля?
Насколько распространена антипробуксовочная система на современных дорогах?
Что такое трекшн-контроль?
Traction Control — это активная функция безопасности транспортного средства, разработанная для того, чтобы помочь транспортным средствам эффективно использовать все возможности сцепления , имеющиеся на дороге, при ускорении на дорожных покрытиях с низким коэффициентом трения.Когда автомобиль без антипробуксовочной системы пытается разогнаться на скользкой поверхности, такой как лед, снег или рыхлый гравий, колеса могут проскальзывать. Результатом проскальзывания колес является то, что шины быстро вращаются на поверхности дороги, не получая никакого реального сцепления с дорогой, поэтому транспортное средство не разгоняется. Противобуксовочная система активируется, когда она обнаруживает, что колеса могут пробуксовывать, помогая водителям максимально использовать сцепление с дорожным покрытием.
Важно помнить, что антипробуксовочная система не может создать тягу там, где ее нет.На поверхности, действительно не имеющей трения (например, на льду), автомобили с антипробуксовочной системой будут работать так же плохо, как и автомобили без нее.
Начало страницы
В каких случаях может пригодиться антипробуксовочная система?
Противобуксовочная система помогает водителям ускоряться на скользкой дороге или в условиях низкого трения. К таким условиям относятся мокрые, обледенелые, неровные, рыхлые дороги или дороги в плохом состоянии. Примеры того, когда контроль тяги будет полезен, включают следующее:
- При ускорении в гору на рыхлом и гравийном покрытии.
- Наезд на участок слякотной дороги, в результате которого автомобиль замедляется из-за потери сцепления колес с дорогой.
- Разгон на зеленый свет на обледенелой дороге с приближающимся сзади автомобилем.
Начало страницы
Как работает антипробуксовочная система?
работает аналогично антиблокировочной тормозной системе (ABS) и часто рассматривается как дополнение к существующим установкам ABS. Фактически, антипробуксовочная система использует те же компоненты, что и ABS:
.- датчики скорости вращения колес , контролирующие скорость вращения передних или всех четырех колес;
- гидравлический модулятор , который качает тормоза, и;
- Электронный блок управления (ЭБУ) , который получает информацию от датчиков скорости вращения колес и, при необходимости, направляет гидравлический модулятор для накачки тормозов.
Современные системы ABS и противобуксовочной системы состоят из блока управления двигателем и гидравлического модулятора, соединенного вместе, так что, хотя они выполняют разные функции, они физически представляют собой единое целое. ЭБУ постоянно проверяет, вращаются ли одни колеса быстрее других — это показатель того, что колесо теряет сцепление с дорогой. Когда обнаруживается возможное проскальзывание колеса, ЭБУ дает команду гидравлическому модулятору быстро задействовать и отпустить тормоз ( «накачать тормоз», ) проблемного колеса, чтобы снизить скорость его вращения.Некоторые системы контроля тяги также снижают мощность двигателя на колесах, которые вот-вот пробуксовывают. Как только колесо восстанавливает сцепление с дорогой, система возвращается к отслеживанию скорости вращения колес и сравнению скорости вращения колес транспортного средства.
Изображение любезно предоставлено Toyota Canada
В транспортном средстве, которое использует пониженную мощность двигателя для управления вращением проскальзывающих колес, водители могут испытывать пульсацию педали газа при активном противобуксовании. Эта пульсация нормальная и не означает, что с системой контроля тяги что-то не так.
Начало страницы
Насколько эффективен контроль тяги?
Испытания показали, что контроль тяги эффективен для уменьшения пробуксовки колес при ускорении в условиях низкого трения (Song and Boo 2000), хотя этот эффект более заметен в автомобилях с полным приводом, чем в автомобилях с передним приводом. В том же исследовании было обнаружено, что системы контроля тяги, которые включают снижение мощности двигателя для проскальзывания колес, связаны с большей стабильностью, но системы только с тормозами подходят для улучшения характеристик ускорения транспортного средства (Song and Boo 2000).
В целом, эффективность антипробуксовочной системы для уменьшения или предотвращения аварий и травм не подтверждена документально. Тем не менее, из-за того, что он часто комплектуется вместе с ABS и электронным контролем устойчивости (ESC), разумно предположить, что вождение автомобиля, оснащенного этой тройкой, значительно снижает риск аварии со смертельным исходом до 50%.
Начало страницы
Есть ли ограничения у трекшн-контроля?
Да. Как и многие другие функции безопасности, реализация всех преимуществ антипробуксовочной системы зависит от того, правильно ли с ней взаимодействуют водители. Это означает, что продолжать движение безопасно и только в условиях, когда вы чувствуете себя в безопасности за рулем. Поведение, такое как превышение скорости , движение задним ходом и агрессивное вождение — все это работает против преимуществ контроля тяги. Например, слишком быстрое вождение для дорожных условий увеличивает риск столкновения, даже если у вашего автомобиля есть антипробуксовочная система, поскольку антипробуксовочная система не предназначена для уменьшения тормозного пути.Кроме того, в то время как автомобили без антипробуксовочной системы могут испытывать снижение скорости на скользкой дороге, такое же снижение скорости может не наблюдаться в автомобилях с антипробуксовочной системой. Таким образом, контроль тяги может позволить транспортным средствам развивать более высокую скорость, чем это безопасно для дорожных условий. Из-за этого водители должны особенно внимательно следить за своей скоростью.
Всегда важно сохранять бдительность и сосредоточиться на задаче вождения, независимо от того, сколько средств безопасности установлено на автомобиле.Противобуксовочная система не помогает водителям быстрее останавливаться на скользкой дороге, поэтому любое поведение, увеличивающее время реакции, отрицательно скажется на общей безопасности. Чтобы проиллюстрировать, время реакции увеличивается на отвлечение водителя на , на усталость на и на нарушение алкогольной зависимости .
Хорошая новость заключается в том, что преимущества антипробуксовочной системы могут быть получены до тех пор, пока водители продолжают использовать методы безопасного вождения, осторожность и здравый смысл.
Начало страницы
Насколько распространена антипробуксовочная система на современных дорогах?
были впервые представлены на автомобилях высокого класса в 1987 году, хотя некоторые мощные заднеприводные автомобили в начале 70-х были оснащены ранней версией контроля тяги.Что касается текущей доступности, антипробуксовочная система обычно доступна на любом автомобиле с ABS, поскольку антипробуксовочная система была разработана на основе существующей технологии ABS.
Начало страницы
Что такое трекшн-контроль?
Противобуксовочная система — это управляемая компьютером система вашего автомобиля, которая отслеживает пробуксовку колес. Если он обнаруживает, что одно колесо вращается быстрее, чем другие, система автоматически применяет АБС к этому колесу или снижает мощность двигателя на этом колесе.В отличие от электронного контроля устойчивости, автопроизводители не требуют по закону включать противобуксовочную систему в свои автомобили, хотя большинство из них делает это почти на всех моделях, которые они продают.
Что такое трекшн-контроль?
Если вы когда-либо чувствовали скольжение вашего автомобиля при повороте или замечали, что ваши шины пробуксовывают под дроссельной заслонкой после полной остановки, вы испытали потерю сцепления с дорогой. Это обычное явление практически для любого типа транспортных средств в ненастную погоду (снег, мокрый снег, дождь и лед) или на таких поверхностях, как рыхлый гравий или грязь.
Многие современные автомобили оснащены антипробуксовочной системой для восстановления тяги в таких условиях. Его цель состоит в том, чтобы обеспечить тяговое усилие транспортных средств на дорогах или поверхностях с низким коэффициентом трения, где у шин могут возникнуть проблемы с сцеплением.
Например, когда автомобиль без антипробуксовочной системы пытается двинуться с полной остановки на скользкой поверхности, такой как заснеженная дорога, рыхлый гравий или лед, его шины могут пробуксовывать. Это не дает автомобилю двигаться вперед. Или, если автомобиль находится в движении, пробуксовка колес может привести к опасному скольжению или потере управления.
Система контроля тяги контролирует, если одно колесо вращается быстрее других; Если это так, система либо будет использовать ABS этого колеса для предотвращения проскальзывания, либо снизит мощность двигателя, подаваемого на это колесо.
Важно помнить, что антипробуксовочная система не может создать тягу, когда ее нет, например, на льду.
Как работает трекшн-контроль?
Противобуксовочная система отличается от полноприводных или полноприводных систем, которые меняют колеса, на которые она передает мощность привода.
Антипробуксовочная система больше похожа на антиблокировочную тормозную систему. В такой системе транспортное средство оснащено датчиками скорости вращения колес, которые отправляют информацию в электронный блок управления, который затем дает команду гидравлическому модуляторам накачать тормоза. ЭБУ отслеживает, как вращаются колеса, и, если он обнаруживает, что одно вращается быстрее, чем другие, он активирует гидравлический модулятор, чтобы накачать тормоза, чтобы уменьшить пробуксовку. В некоторых системах контроля тяги ЭБУ также снижает мощность двигателя на этих колесах, что, вероятно, в первую очередь вызывает пробуксовку.Когда колесо восстанавливает сцепление с дорогой, ЭБУ продолжает отслеживать вращение колеса по сравнению с другими колесами.
Когда полезен контроль тяги?
На мокрой, обледенелой, заснеженной, неровной, рыхлой или мягкой поверхности многим транспортным средствам трудно передвигаться из-за низкого трения между поверхностью и шинами. Системы контроля тяги предотвращают пробуксовку колес транспортных средств в условиях, в которых они могли бы вылететь.
Например, автомобиль, пытающийся начать движение с полной остановки на крутой гравийной дороге, может безжалостно вращать свои шины без контроля тяги.Но такая система ограничит пробуксовку колес без тяги и позволит колесам с тягой перемещать транспортное средство.
Другой пример — вождение в снежных условиях, когда шины наезжают на толстый участок слякоти и теряют сцепление с дорогой, что приводит к замедлению движения или скольжению автомобиля. Система контроля тяги задействует тормоза, чтобы скорректировать траекторию транспортного средства.
Эффективна ли антипробуксовочная система?
Многие тесты действительно показывают корреляцию между системами контроля тяги и сниженным проскальзыванием колес на поверхностях с низким коэффициентом трения.Однако эффект более выражен на полноприводных автомобилях, чем на переднеприводных.
Испытания также показывают, что системы контроля тяги, снижающие мощность двигателя до вращающихся колес, более эффективны с точки зрения устойчивости, чем системы, работающие только на тормозах. С другой стороны, кажется, что тормозные системы действительно улучшают ускорение.
Важно помнить, что контроль тяги не влияет на способность автомобиля замедляться или останавливаться в случае потери управления и потенциальной аварии; короче говоря, это не предотвращает сбоев.
Однако в сочетании с АБС и электронным контролем устойчивости эти системы могут снизить риск несчастного случая со смертельным исходом на 50 процентов.
Когда антипробуксовочная система не работает?
Как и многие другие функции безопасности автомобиля, трекшн-контроль имеет ограничения. Водители не должны рассматривать противобуксовочную систему как средство защиты от их плохих или безрассудных привычек вождения или вождения в особенно плохих дорожных условиях.
Превышение скорости, слишком близкое следование за движущимся впереди автомобилем и резкий поворот в полосу движения и выезд с полосы движения препятствуют противобуксовочной системе, а не ей.Слишком быстрое или слишком агрессивное вождение в сложных дорожных условиях увеличивает риск аварии; антипробуксовочная система не предназначена для предотвращения этого.
Противобуксовочные системы также не предназначены для сокращения тормозного пути, и они могут фактически позволить транспортным средствам развивать более высокие скорости, чем обычно на скользкой дороге.
Водители должны принимать такие же меры предосторожности в неблагоприятных условиях с трекшн-контролем, как и без него. Лучше всего рассматривать антипробуксовочную систему как страховочную сетку, которая может помочь вам, когда даже обычных процедур безопасного вождения недостаточно.
Когда вы выключаете антипробуксовочную систему?
Иногда бывает полезно отключить контроль тяги. Если ваш автомобиль застрял в снегу и вам нужно, чтобы колеса вращались, чтобы получить сцепление с дорогой, может быть полезно выключить систему, чтобы колеса могли проскальзывать (помните, что антипробуксовочная система предназначена для предотвращения такого скольжения). Отключение контроля тяги и запуск автомобиля на второй передаче иногда могут быть эффективным способом вернуть автомобиль в движение.
Как началась система контроля тяги?
Современная система контроля тяги уходит корнями в несколько других систем автомобиля. Технически ABS или антиблокировочная тормозная система также являются одним из видов контроля тяги. ABS предотвращает блокировку тормозов в ситуации экстренного торможения, что помогает держать автомобиль под контролем, а не скользить, как автомобиль с заблокированным тормозом.
Еще одна особенность, улучшающая тягу, — это дифференциал повышенного трения. LSD передает мощность на оба ведущих колеса vs.открытый дифференциал скольжения, который передает мощность только на одно колесо. Опять же, два колеса получают мощность, а только одно помогает удерживать машину на дороге.
Противобуксовочные системы обычно можно отключить с помощью кнопки на приборной панели или в меню настроек автомобиля, но лучший способ действий — это безопасно управлять автомобилем и позволить им работать в качестве резервных.
Что такое трекшн-контроль и как он работает?
Система контроля тяги (TCS) является активной функцией безопасности автомобиля.Предотвращает потерю сцепления колес с дорогой. Он становится активным, когда крутящий момент двигателя и мощность дроссельной заслонки не соответствуют поверхности, по которой вы движетесь.
Но, что означает контроль тяги ? Что ж, это метод, который ограничивает мощность, подаваемую на колесо, для приложения тяги к колесам автомобиля, заставляя их перестать вращаться. Он использует всю доступную тягу на дороге, когда автомобиль ускоряется по дорожному покрытию с низким коэффициентом трения.
Что такое система контроля тяги?
TCS — это функция активной безопасности, которая входит в стандартную комплектацию современных автомобилей.Будучи второстепенной функцией электронного контроля устойчивости автомобиля (ESC) * , бортовая система срабатывает, когда ускорение увеличивается. Он предотвращает проскальзывание шин при ускорении автомобиля.
Противобуксовочная система пригодится в плохих погодных условиях, включая дождь, лед или снег, а также на скользких поверхностях, которые практически не обеспечивают сцепление с дорогой. В старых автомобилях без системы TCS водителям приходится нажимать педаль газа, чтобы колеса не крутились на сложных дорогах.Это позволяет им набирать скорость, не теряя сцепления с дорогой. Но современные автомобили, оснащенные этой технологией, позволяют водителям контролировать ускорение, ограничивая подачу мощности до пробуксовки колес.
Автомобиль может съехать с трассы без TCS.Система позволяет водителю лучше контролировать свой автомобиль. Это снижает риск потери контроля над задней частью автомобиля при ускорении и избыточной поворачиваемости во время поворота.
* ESC — это управляемая компьютером функция в современных транспортных средствах.Это добавляет устойчивости при обнаружении потери сцепления и затем уменьшении ее.
Как работает трекшн-контроль?
Если вы не ведете очень старый автомобиль, скорее всего, он оснащен системой контроля тяги . Он работает и помогает безопасно управлять автомобилем, даже если вы не понимаете, как это работает.
Что ж, механизм довольно простой, если вы обратите внимание. Его работа очень похожа на антиблокировочную тормозную систему (ABS), и компоненты этих двух систем также похожи.В TCS есть датчик скорости вращения колес, который контролирует скорость вращения передних или всех четырех колес. Гидравлический модулятор приводит в действие тормоза, в то время как ЭБУ (электрический блок управления) отслеживает данные от датчиков скорости вращения колес и при необходимости подключается к гидравлическому модулятору.
В современных автомобилях ABS и TCS считаются одним блоком, поскольку последний является дополнением к системе ABS. ЭБУ контролирует работу колес. Он проверяет, вращается ли кто-нибудь быстрее других, что указывает на то, что конкретное колесо теряет сцепление с дорогой.В таком случае блок управления двигателем вмешивается, чтобы уменьшить вращение проблемного колеса. Он дает команду на гидравлический модулятор быстро прокачивать тормозом конкретное колесо.
Некоторые TCS управляют пробуксовкой колес, снижая мощность двигателя на колеса, которые вот-вот потеряют сцепление с дорогой. Как только состояние вернется к норме, система вернется к своему обычному режиму работы — контролю колеса и скорости вращения.
Когда система отключает мощность двигателя для управления буксованием колес, вы можете почувствовать пульсацию на педали газа.Это воздействие TCS, заставляющее двигатель регулировать скорость вращения колеса. Так что не беспокойтесь, если вы почувствуете вибрацию при движении по скользкой дороге.
Подходящее время для использования трекшн-контроля в легковых автомобиляхTCS — это стандартная функция безопасности в современных автомобилях. Он становится активным, когда двигатель запускается. Система вмешивается, когда есть несоответствие между скоростью вращения колеса и скоростью автомобиля.
Система подходит для любого типа транспортных средств, независимо от трансмиссии, которая у них есть.Но в некоторых ситуациях это приносит больше вреда, чем пользы. Например, когда вы ведете автомобиль с места по снегу или песку, все колеса проскальзывают, из-за чего система TCS слишком сильно снижает мощность двигателя. В результате двигаться вперед по таким поверхностям становится очень сложно.
Используйте TCS на скользкой дороге.СМОТРЕТЬ БОЛЬШЕ:
Большинство моделей имеют возможность отключения TCS в таких сложных условиях. Некоторые автомобили не позволяют полностью отключить его. Но они предлагают настройку для снежных или ледяных условий или возможность увеличить пробуксовку колес при необходимости.

Отсоедините штекер от потенциометра /
мотора дросселя.
Сдвиньте, как можно больше вперед,
левое переднее сиденье.