Система питания
Система питания двигателя служит для приготовления горючей смеси из паров топлива и воздуха в определенных пропорциях, подачи ее в цилиндры двигателя и отвода из них отработавших газов. За подачу топлива в цилиндры в современных автомобилях отвечает система впрыска топлива, основными элементами, которой являются форсунки.
Устройство системы питанияВ систему питания карбюраторного двигателя входят: топливный бак, фильтр-отстойник, топливопроводы, топливный насос, фильтр тонкой очистки топлива, карбюратор, воздухоочиститель, впускной трубопровод, выпускной трубопровод, приемные трубы, глушитель, приборы контроля уровня топлива.
Работа система питанияПри работе двигателя топливный насос засасывает топливо из топливного бака и через фильтры подает в поплавковую камеру карбюратора. При такте впуска в цилиндре двигателя создается разрежение и воздух, пройдя через воздухоочиститель, поступает в карбюратор, где смешивается с парами топлива и в виде горючей смеси подается в цилиндр, и там, смешиваясь с остатками отработавших газов, образуется рабочая смесь.
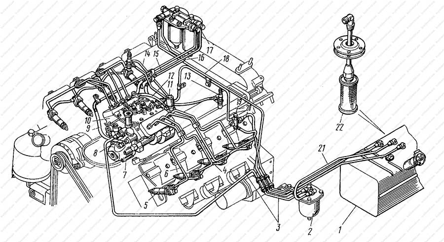
1 — канал подвода воздуха к воздушному фильтру; 2 — воздушный фильтр; 3 — карбюратор; 4 — рукоятка ручного управления воздушной заслонкой; 5 — рукоятка ручного управления дроссельными заслонками; 6 — педаль управления дроссельными заслонками; 7 — топливо проводы; 8 — фильтр-отстойник; 9 — глушитель; 10 — приемные трубы; 11 — выпускной трубопровод; 12 — фильтр тонкой очистки топлива; 13 — топливный насос; 14 — указатель уровня топлива; 15 — датчик указателя уровня топлива; 16 — топливный бак; 17— крышка горловины топливного бака; 18 — кран; 19 — выпускная труба глушителя.
Топливо. В качестве топлива в карбюраторных двигателях обычно используют бензин, который получают в результате переработки нефти.
Требования, предъявляемые к бензинам:
• быстрое образование топливовоздушной смеси;
• скорость сгорания не более 40 м/с;
• минимальное коррозирующее воздействие на детали двигателя;
• минимальное отложение смолистых веществ в элементах системы питания;
• минимальное вредное воздействие на организм человека и окружающую среду;
• способность длительное время сохранять свои свойства.
Автомобильные бензины в зависимости от количества легко испаряющихся фракций подразделяют на летние и зимние.
Для автомобильных карбюраторных двигателей выпускают бензины А-76, АИ-92, АИ-98 и др. Буква «А» обозначает, что бензин автомобильный, цифра — наименьшее октановое число, характеризующее детонационную стойкость бензина. Наибольшей детонационной стойкостью обладает изооктан, (его стойкость принимают за 100), наименьшей — н-гептан (его стойкость равна 0).
Топливный бак. На автомобиле устанавливают один или несколько топливных баков. Объем топливного бака должен обеспечивать 400—600 км пробега автомобиля без заправки. Топливный бак состоит из двух сварных половинок, выполненных штамповкой из освинцованной стали. Внутри бака имеются перегородки, придающие жесткость конструкции и препятствующие образованию волн в топливе.
В верхней части бака приварена наливная горловина, которая закрывается пробкой. Иногда для удобства заправки бака топливом используют выдвижную горловину с сетчатым фильтром. На верхней стенке бака крепится датчик указателя уровня топлива и топливо заборная трубка с сетчатым фильтром. В днище бака имеется резьбовое отверстие для слива отстоя и удаления механических примесей, которое закрыто пробкой. Наливную горловину бака закрывают плотно пробкой, в корпусе которой имеется два клапана — паровой и воздушный. Паровой клапан при повышении давления в баке открывается и выводит пар в окружающую среду. Воздушный клапан открывается, когда идет расход топлива и создается разрежение.
Топливные фильтры. Для очистки топлива от механических примесей применяют фильтры грубой и тонкой очистки. Фильтр-отстойник грубой очистки отделяет топливо от воды и крупных механических примесей. Фильтр-отстойник состоит из корпуса, отстойника и фильтрующего элемента, который собран из пластин толщиной 0,14 мм.
На пластинах имеются отверстия и выступы высотой 0,05 мм. Пакет пластин установлен на стержень и пружиной поджимается к корпусу. В собранном состоянии между пластинами имеются щели, через которые проходит топливо. Крупные механические примеси и вода собираются на дне отстойника и через отверстие пробки в днище периодически удаляются.
Топливный бак (а) и работа выпускного (б) и впускного (в) клапанов: 1— фильтр-отстойник; 2 — кронштейн крепления бака; 3 — хомут крепления бака; 4 — датчик указателя уровня топлива в баке; 5 — топливный бак; 6 — кран; 7 — пробка бака; 8 — горловина; 9 — облицовка пробки; 10 — резиновая прокладка; П — корпус пробки; 12 — выпускной клапан; 13 — пружина выпускного клапана; 14 — впускной клапан; 15 — рычаг пробки бака; 16 -пружина впускного клапана.
Фильтр-отстойник: 1 — топливо провод к топливному насосу; 2 — прокладка корпуса; 3 — корпус-крышка; 4 — топливо провод от топливного бака; 5 — прокладка фильтрующего элемента; 6 — фильтрующий элемент; 7— стойка; 8 — отстойник; 9— сливная пробка; 10 — стержень фильтрующего элемента; 11 — пружина; 12 — пластина фильтрующего элемента; 13 — отверстие в пластине для прохода очищенного топлива; 14 — выступы на пластине; 15 — отверстие в пластине для стоек; 16 — заглушка; 17 — болт крепления корпуса-крышки.
Фильтры тонкой очистки топлива с фильтрующими элементами: a — сетчатый; б — керамический; 1— корпус; 2— входное отверстие; 3— прокладка; 4— фильтрующий элемент; 5— съемный стакан-отстойник; 6 — пружина; 7— винт креплении стакана; 8— канал для отвода топлива.
Фильтр тонкой очистки. Для очистки топлива от мелких механических примесей применяют фильтры тонкой очистки , которые состоят из корпуса, стакана-отстойника и фильтрующего сетчатого или керамического элемента. Керамический фильтрующий элемент — пористый материал, обеспечивающий лабиринтное движение топлива. Фильтр удерживается скобой и винтом.
Топливо проводы соединяют приборы топливной системы и изготовляются из медных, латунных и стальных трубок.
Топливный насос служит для подачи топлива через фильтры из бака в поплавковую камеру карбюратора. Применяют насосы диафрагменного типа с приводом от эксцентрика распределительного вала.
Когда двуплечий рычаг (коромысло) опускает диафрагму вниз, в полости над диафрагмой создается разрежение, за счет чего открывается впускной клапан и наддиафрагменная полость заполняется топливом. При сбегании рычага (толкателя) с эксцентрика диафрагма поднимается вверх под действием возвратной пружины. Над диафрагмой давление топлива повышается, впускной клапан закрывается, открывается нагнетательный клапан и топливо поступает через фильтр тонкой очистки в поплавковую камеру карбюратора. При смене фильтров поплавковую камеру заполняют топливом с помощью устройства для ручной подкачки. В случае выхода диафрагмы из строя (трещина, прорыв и т. п.) топливо поступает в нижнюю часть корпуса и вытекает через контрольное отверстие.

Воздушный фильтр служит для очистки воздуха, поступающего в карбюратор, от пыли. Пыль содержит мельчайшие кристаллы кварца, который, оседая на смазанных поверхностях деталей, вызывает их изнашивание.
Требования, предъявляемые к фильтрам:
• эффективность очистки воздуха от пыли;
• малое гидравлическое сопротивление;
• достаточная пылеемкость:
• надежность;
• удобство в обслуживании;
• технологичность конструкции.
По способу очистки воздуха фильтры делятся на инерционно-масляные и сухие.
Инерционно-масляный фильтр состоит из корпуса с масляной ванной, крышки, воздухозаборника и фильтрующего элемента из синтетического материала.
При работе двигателя воздух, проходя через кольцевую щель внутри корпуса и, соприкасаясь с поверхностью масла, резко изменяет направление движения. Вследствие этого крупные частицы пыли, находящиеся в воздухе, прилипают к поверхности масла.
Далее воздух проходит через фильтрующий элемент, очищается от мелких частиц пыли и поступает в карбюратор. Таким образом, воздух проходит двухступенчатую очистку. При засорении фильтр промывают.
Воздушный фильтр сухого типа состоит из корпуса, крышки, воздухозаборника и фильтрующего элемента из пористого картона. При необходимости фильтрующий элемент меняют.
Система питания двигателя (топливная система)
Главным
В этой системе топливо под давлением подается непосредственно в впускной коллектор. Количество форсунок равно количеству цилиндров.
Схема топливной системы: инжекторный и карбюраторный вариант
Устройство топливной системы
Все cистемы питания двигателя похожи, отличаются только способами смесеобразования. В состав топливной системы входят следующие элементы:
- Топливный бак, предназначен для хранения топлива и представляет собой компактную емкость с устройством забора топлива (насос) и, в некоторых случаях, элементами грубой фильтрации.
- Топливопроводы представляют собой комплекс топливных трубок, шлангов и предназначены для транспортировки топлива к устройству смесеобразования.
- Устройства смесеобразования (карбюратор, моновпрыск, инжектор) – это механизм в котором происходит соединение топлива и воздуха (эмульсии) для дальнейшей подачи в цилиндры в такт работы двигателя (такт впуска).
- Блок управления работой устройства смесеобразования (инжекторные системы питания) – сложное электронное устройство для управления работой топливных форсунок, клапанов отсечки, датчиков контроля.

- Топливный насос, обычно погружной, предназначен для закачивания топлива в топливопровод. Представляет собой электродвигатель, соединенный с жидкостным насосом, в герметичном корпусе. Смазывается непосредственно топливом и длительная эксплуатация с минимальным количеством топлива, приводит к выходу из строя двигателя. В некоторых двигателях топливный насос крепился непосредственно к двигателю и приводился в действие вращением промежуточного вала, или распредвала.
- Дополнительные фильтры грубой и тонкой очистки. Установленные фильтрующие элементы в цепь подачи топлива.
Принцип работы топливной системы
Рассмотрим работу всей системы в целом. Топливо из бака всасывается насосом и по топливопроводу через фильтры очистки подается в устройство смесеобразования.
В карбюраторе топливо попадает в поплавковую камеру, где потом через калиброванные жиклеры подается в камеру смесеобразования. Смешавшись с воздухом смесь через дроссельную заслонку поступает в впускной коллектор. После открытия впускного клапана подается в цилиндр. В системе моно впрыска топливо подается на форсунку, которая управляется электронным блоком. В нужное время форсунка открывается, и топливо попадает в камеру смесеобразования, где, как и в карбюраторной системе смешивается с воздухом. Дальше процесс такой же, как и в карбюраторе.
В инжекторной системе топливо подается к форсункам, которые открываются управляющими сигналами от блока управления. Форсунки соединены между собой топливопроводом, в котором всегда находится топливо. Во всех топливных системах существует обратный топливопровод, по нему сливается излишек топлива в бак.
Система питания дизельного двигателя похожа на бензиновую. Правда, впрыск топлива происходит непосредственно в камеру сгорания цилиндра, под большим давлением.
Смесеобразование происходит в цилиндре. Для подачи топлива под большим давлением применяется насос высокого давления (ТНВД).
|
РЕКОМЕНДУЕМ ТАКЖЕ ПРОЧИТАТЬ:
|
Система питания двигателя
Категория:
Пожарные автомобили
Публикация:
Система питания двигателя
Читать далее:
Система питания двигателя
Система питания двигателя предназначена для хранения возимого запаса топлива и подачи его в двигатель. В карбюраторных двигателях в цилиндры двигателя подается смесь бензина с воздухом. В дизелях дизельное топливо впрыскивается в камеры сгорания двигателя. Вот поэтому принципиальные схемы систем питания карбюраторных двигателей и дизелей различны.
Особенности устройства системы питания.
Система питания карбюраторного двигателя состоит из ряда приборов и деталей. Бензин из бака, уровень в котором фиксируется указателем, проходит фильтр — отстойник. Насосом (он приводится в работу от двигателя) топливо подается к карбюратору. В карбюраторе образуется горючая смесь из частиц бензина и воздуха, поступающего через воздухоочиститель. Из впускной трубы эта смесь распределяется по цилиндрам двигателя 6. Отработавшие газы выпускной трубой выводятся к глушителю и далее в атмосферу.
Система питания дизеля вместо карбюратора имеет топливный насос высокого давления. Топливо подается топливным насосом в каждый цилиндр двигателя 9. Воздух из воздухоочистителя поступает во впускную трубу и от нее в камеры сгорания двигателя.
Рекламные предложения на основе ваших интересов:
Описанные приборы и детали сохраняются и у пожарного автомобиля. Энергия отработавших газов двигателя пожарного авто-люби л я используется для обеспечения работы газоструйного вакуум-аппарата, который размещается вдоль левой продольной балки рамы.
В стационарных условиях работы от выхлопной трубы и газоструйного вакуум-аппарата выделяется большое количество теплоты. Это становится опасным в пожарном отношении для пожарного автомобиля. Поэтому в систему питания вносят ряд измерений по размещению топливных баков, фильтров и т, п.
Рис. 1. Система питания карбюраторного двигателя:
1 — бензиновый бак; 2 — указатель уровня бензина; 3 — воздухо—очиститель; 4 — карбюратор; 5 — впускная труба; 6 — двигатель; 7— выпускная труба; 8 — глушитель; 9 — насос; 10 — отстойник; 11 — топливный фильтр
После внесения изменений в конструкцию бензобаки испытывают под давлением 120 кПа (в течение 5 мин не должно обнаружиться течи воды).
Рис. 2. Система питания дизеля: 1 — топливный бак; 2 — указатель уровня топлива; 3 — топливный фильтр грубой очистки; 4 — топливоподающий насос; 5 — топливный фильтр тонкой очистки; 6 — топливный насос высо* кого давления; 7 — воздухоочиститель; 8 — впускная труба; 9 — двигатель; 10 — выпускная труба; 11 — глушитель
Рис.
3. Система выпуска отработавших газов:
1 — приемные патрубки; 2 —газоструйный вакуум-аппа-рат; 3 — глушитель; 4 — фланцевые соединения; 5 — телескопические соединения; 6 — обогреватель цистерны; 7 — обогреватель насосного отделения
Наибольшему изменению в системах питания двигателей базовых автомобилей, используемых для пожарных машин, подвергаются системы выпуска отработавших газов.
Система выпуска отработавших газов пожарных автомобилей показана на принципиальной схеме рис. 3. Она включает соединения с приемными патрубками, газоструйный вакуум-аппарат с сиреной, глушитель, обогреватели цистерны и насосного отделения. В системе используются фланцевые и телескопические соединения.
В зависимости от особенностей компоновки пожарного автомобиля, предполагаемых климатических условий его эксплуатации рассматриваемая схема системы выпуска отработавших газов может применяться полностью или частично.
У ряда автоцистерн нет обогревателей цистерн, например, АЦ-40 (131)-137, АЦ-30 (66)-146.
Обогрев цистерн у них обеспечивается размещением выпускных труб вблизи днищ цистерн. Суммарное сопротивление движению газов не должно превышать определенных пределов. Это обусловлено тем, что с увеличением сопротивлений повышается коэффициент остаточных газов в цилиндрах двигателя и, следовательно, уменьшается коэффициент наполнения и мощность двигателя.
При работе пожарного автомобиля на пожарах или учениях ухудшаются условия теплоотвода от деталей системы выхлопа, так как при работе на месте отсутствует омывание нагретых деталей потоком воздуха, имеющегося при движении автомобиля. Поэтому ряд деталей защищен теплоизоляционными щитками. С этой целью изгибают выхлопные трубы, удаляя их от механизмов трансмиссий (коробок передач, коробок отбора мощности и т. д.).
Обслуживание систем питания двигателей пожарных автомобилей производится с периодичностью и в объеме базового шасси.
—
Топливо из бака поступает в металлический ленточно-щелевой фильтр грубой очистки и по трубе в подкачивающий насос.
Рис. 4. Схема питания двигателя:
1 — соединительная трубка топливного бака; 2 — фильтр грубой очистки; 3 —фильтрующий элемент фильтра грубой очистки; 4 — спускная пробка; 5 — пружина; 6 —труба; 7 — регулятор; 8 — топливный насос; 9 — подкачивающий насос; 10 — воздухоочиститель; 11 — ручной насос; 12 — продувочная пробка; 13 — трубка от головки топливного насоса к подкачивающему насосу; 14 — трубка высокого давления; 15—впускной трубопровод; 16 — вихревая камера в головке двигателя; 17 — продувочный вентиль на фильтре тонкой очистки; 18 — форсунка; 19 — трубка от подкачивающего насоса к фильтру тонкой очистки; 20 — трубка от фильтра тонкой очистки к головке топливного насоса; 21 —трубка от фильтра тонкой очистки к бачку-компенсатору; 22 — бачок-компенсатор; 23 — фильтр тонкой очистки; 24 — пружина; 25 — трубка от бачка компенсатора к топливному манометру; 26 — топливный манометр
Ручной насос служит для заполнения топливной системы топливом перед пуском двигателя, а также для удаления воздуха из системы через вентиль и пробку в головке насоса.
При работе двигателя ручной насос выключают. От подкачивающего насоса топливо под давлением по трубке подается в фильтр тонкой очистки, который состоит из четырех фильтрующих элементов из хлопчатобумажной нити. Очищенное топливо по трубке нагнетается в головку топливного насоса, откуда попадает в плунжерные пары. Топливный насос с помощью регулятора в зависимости от нагрузки двигателя дозирует топливо и под давлением 10—14 МПа нагнетает его в необходимой очередности к форсунке по трубке высокого давления.
При давлении 0,5 МПа игла распылителя форсунки, отжимая пружину, приподнимается и топливо впрыскивается в вихревую камеру. Просачивающееся между иглой и корпусом распылителя топливо сливается через трубку. Излишнее топливо из головки топливного насоса по трубке возвращается в подкачивающий насос. Воздух для образования смеси всасывается из атмосферы через трехступенчатый воздухоочиститель и впускной трубопровод.
Топливный насос состоит из четырех плунжерных пар и кулачкового вала с приводом от шестерни коленчатого вала через промежуточную шестерню, шестерню привода, шлицевой фланец и шлицевую втулку.
Частота вращения кулачкового вала в два раза меньше частоты коленчатого вала. Кулачки на валу расположены так, чтобы обеспечить порядок работы цилиндров двигателя 1—3—4—2.
Перемещением рейки управляет центробежный регулятор. Рычагом регулятора первоначально устанавливают рейку, а значит, и плунжеры на определенные частоты вращения дизеля. В дальнейшем при увеличении нагрузки на дизель его частоты падают, на что реагируют грузики регулятора — они сходятся. Под действием пружин рейка идет вправо и поворачивает все плунжеры, увеличивая подачу топлива. Двигатель набирает необходимые частоты вращения. Допустим, нагрузка с двигателя снята, частоты вращения его начинают при прежней подаче топлива возрастать. И опять реагирует центробежный регулятор: под действием центробежной силы грузики регулятора разойдутся, сожмут пружины и через муфту и тягу переместят рейку влево. Подача топлива уменьшается, двигатель снова будет работать на необходимых частотах. Центробежный регулятор автоматически поддерживает заданную частоту вращения вала двигателя при изменении нагрузки.
Он также ограничивает наибольшую частоту вращения вала и обеспечивает устойчивую работу двигателя. При пуске дизеля натягивают рукоятку обогатителя (увеличивают ход рейки вправо) и подача топлива максимально увеличивается.
Рекламные предложения:
Читать далее: Электрооборудование пожарных автомобилей
Категория: — Пожарные автомобили
Главная → Справочник → Статьи → Форум
Система питания двигателя
Самое важное, что следует помнить в отношении системы питания,— использование некачественного топлива несет серьезный риск повреждения и поломки двигателя из-за нарушения нормального процесса сгорания топлива. К сожалению, в настоящее время в России велика вероятность заправиться низкокачественным топливом, поэтому присадки-модификаторы (октан — и цетан-корректоры) — это насущная необходимость, особенно в дальнем путешествии, когда отсутствует возможность пользоваться только проверенными заправками.
Другим важным фактором надежной работы двигателя является чистота системы питания. Основными ее загрязнителями являются:
- содержащиеся в топливе смолы, которые при нагреве выделяются и осаждаются на различных элементах системы питания в виде мазеподобных, лаковых отложений и нагаров;
- твердые частицы, проникающие через систему фильтрации;
- продукты коррозии металлических частей системы питания.
Наибольшую опасность представляют загрязнения на форсунках. Загрязнения в системе питания дают знать о себе затрудненным пуском, неравномерностью работы цилиндров двигателя, снижением мощности и компрессии, увеличением расхода топлива, загрязнением моторного масла и увеличением токсичности отработавших газов. Выбор методики очистки и конкретных препаратов зависит от состояния и уровня загрязненности системы.
Октановое число характеризует стойкость бензина к детонации. При детонации двигатель автомобиля выходит из строя, так как не рассчитан на взрывное сгорание топлива.
Микровзрывы приводят к разрушению свечей, поршневых колец и прогару впускных клапанов. Для предотвращения последствий использования низкокачественного бензина применяются такие препараты, как «Супероктан-корректор» HG3306 или «Октаноповышающая присадка к бензину» FN819N. Препараты стабилизируют характеристики бензина, замедляя динамику изменения его углеводородной структуры, устраняют детонацию и калильное зажигание и защищают систему впрыска, камеру сгорания и впускные клапаны от нагара и отложений.
К каким специфическим «зимним» проблемам должен быть готов автомобилист? Перечислим основные: образование конденсата в топливном баке и на элементах топливной системы из-за частого перепада температур и, как следствие, формирование ледяных пробок, загустевание, воздействие вредных углеродистых отложений на качество распыла и сгорание топлива, которое влечет затрудненный пуск, снижение мощности и перерасход топлива. Бороться с этим помогают специальные препараты автохимии. Предотвращение ледяных пробок в системе литания Для борьбы с влагой в топливном баке автомобилей с карбюраторными и инжекторными бензиновыми двигателями, а также дизелями для предотвращения образования ледяных пробок в системе питания и облегчения холодного пуска применяют присадку «Зимний очиститель-осушитель топлива» HG3325.
Вопрос устранения влаги из топливной системы особенно актуален для автомобилей, долго стоящих в холодное время года с неполным баком.
Вредные отложения на элементах системы питания бензинового двигателя — это нерастворимые в бензине соединения, возникающие в результате взаимодействия углеродов с кислородом воздуха. Смолистые отложения на жиклерах карбюратора и форсунках инжекторного двигателя уменьшают эффективное проходное сечение топливных каналов и нарушают сбалансированную работу системы питания, вызывая падение мощности двигателя, ухудшение его топливной экономичности и повышение токсичности отработавших газов.
Моющие присадки редко вводят в топливо при его производстве, следовательно, каждый потребитель может выбрать и применять наиболее подходящую для его автомобиля присадку. Моющие присадки — это растворимые в топливе ПАВ, которые внедряются в частицы загрязнений и разрушают их структуру, переводя их во взвешенное состояние в топливе. Очистке подлежат топливные каналы и жиклеры карбюратора, форсунки (инжекторы), впускной коллектор, камеры сгорания.
В каждом случае условия возникновения загрязнений различны, поэтому различна и результативность моющих присадок к бензину.[img1] Моющая присадка к бензину «Очиститель инжекторов» SP3211 поможет устранить проблемы с пуском, восстановить равномерность оборотов холостого хода, улучшить приемистость и динамику автомобиля, мягко и безопасно восстанавливая работоспособность инжекторов. Зимний очиститель инжекторов бензинового двигателя» FN963N предназначен для очистки инжекторов от нагара и отложений. Удаляет кристаллы воды из топлива и предотвращает его замерзание в холодное время. Обеспечивает снижение расхода топлива. Загрязнения на внутренних стенках становятся причиной нестабильности холостого хода, увеличенного расхода топлива, снижения мощности, «провалов» при разгоне, поэтому специалисты рекомендуют производить очистку впускного тракта инжекторных двигателей каждые 7-10 тыс. км или чаще, если автомобиль эксплуатируется в тяжелых условиях. «Очиститель впускного тракта для бензиновых двигателей с системой впрыска» HG3247 — аэрозольный препарат, быстро и без разборки удаляющий углеродистые отложения из впускного тракта двигателя.
Восстанавливает обороты холостого хода, облегчает пуск, снижает расход топлива и токсичность отработавших газов. Позволяет размягчить и удалить вместе с выхлопными газами углеродистые отложения, осаждающиеся на рабочей поверхности нейтрализатора.
СОЕДИНИТЕЛЬНЫЙ НАБОР, ПИТАНИЕ ДВИГАТЕЛЯ 8X1.5 MM2, 9-ПОЛЮСНЫЙ. КОМПЛЕКТ C PG16 ГЕРМОВВОДОМ
Код товара 5658687
Артикул 3RK1902-0CE00
Страна Германия
Наименование СОЕДИНИТЕЛЬНЫЙ НАБОР, ПИТАНИЕ ДВИГАТЕЛЯ 8X1.5 MM2, 9-ПОЛЮСНЫЙ. КОМПЛЕКТ C PG16 ГЕРМОВВОДОМ
Упаковки
Сертификат
RU C-DE.
АЖ26.B03233
Характеристики
Код товара 5658687
Артикул 3RK1902-0CE00
Страна Германия
Наименование СОЕДИНИТЕЛЬНЫЙ НАБОР, ПИТАНИЕ ДВИГАТЕЛЯ 8X1.5 MM2, 9-ПОЛЮСНЫЙ. КОМПЛЕКТ C PG16 ГЕРМОВВОДОМ
Упаковки
Сертификат
RU C-DE.
АЖ26.B03233
Всегда поможем:
Центр поддержки
и продаж
Скидки до 10% +
баллы до 10%
Доставка по городу
от 150 р.
Получение в 150
пунктах выдачи
Японцы разработают новые источники питания для электрических ракетных двигателей следующего поколения
Российский космос делает ставку на электрические ионные ракетные двигатели, а японцы намерены выжать всё возможное из электрических ракетных двигателей на эффекте Холла. Для этого Японское агентство аэрокосмических исследований (JAXA) объединило свои усилия и опыт с опытом компании Furukawa Electric. Вместе они собираются совершить революцию в источниках питания для электрических ракетных двигателей нового поколения.
Принцип работы электрического ракетного двигателя на эффекте Холла.
Источник изображения: JAXA
Согласно статистике и прогнозам, запуск малых коммерческих космических аппаратов быстро набирает силу и будет непрерывно прогрессировать. Причин тому много, самые основные — их легче проектировать, собирать и запускать в космос. Такие аппараты разумно оснащать электрическими двигателями, ресурс и длительность автономной работы которых выше, чем у химических двигателей. Для этих целей JAXA создаёт двигатель на эффекте Холла мощностью 1 кВт. При равных габаритах электрические двигатели на эффекте Холла создают более сильную тягу, чем электрические ионные двигатели, что для малых спутников более чем разумно.
Компания Furukawa Electric имеет серьёзный опыт по разработке источников питания и соответствующей обвязки. В сочетании с опытом JAXA по эксплуатации устройств в космосе специалисты Furukawa обещают представить компактные и лёгкие источники питания с использованием передовой электроники в инверторах, а именно — на чипах из нитрида галлия (на полупроводниках с широкой запрещённой зоной).
К сожалению, пока нет ясности в том, что будет служить источником электричества для ракетных двигателей. Не исключено, что японцы применят для накопления энергии новое поколение твердотельных литиевых аккумуляторов, которые способны работать в открытом космосе. Испытания таких аккумуляторов осенью этого года начнётся на МКС в составе японского научного модуля.
Статистика и прогноз по запускам малых космических аппаратов. Источник изображения: JAXA
Новые источники питания для электрических ракетных двигателей JAXA и Furukawa обещают испытать на орбите в 2025 году, а в 2026 году приступить к коммерциализации разработки.
Если вы заметили ошибку — выделите ее мышью и нажмите CTRL+ENTER.
Здоровое питание двигателя — ua.MotoFocus.eu
Меткое выражение Людвига Фейербаха: «Человек есть то, что он ест», — можно переложить и для техники. Качество работы двигателя зависит от кондиций потребляемого им топлива — это факт доказанный.
Сегодня же, в дополнение к традиционным для нашей страны проблемам с дизельным топливом, а нередко и с бензинами, добавилась новая — использование биотоплива. Это вещество, то есть спирт, — гигроскопично. А вода, как известно, — враг любого мотора.
При стоянке техники с заправленным баком вследствие перепадов температуры неизбежна конденсация влаги. Основная же неприятность, связанная с применением биодизеля или бензина с биоэтанолом в том, что этанол является отличным «доставщиком» воды непосредственно в двигатель. Сначала этанол втягивает влагу, попавшую в бак или присутствовавшую в топливе (причем ее нельзя отделить никаким механическим способом), а при попадании в двигатель — высвобождает. Результат — коррозия и отложения. Кроме того, вода в баках с ДТ создает условия для роста бактериального налета.
Решение для борьбы с влагой в топливе предлагает компания, хорошо известная своими технологиями очистки масла, воздуха и топлива, — WIX Filters. Помещаемый в топливный бак поглотитель воды, так называемая «резервуарная змея» (TANK SNAKE), существует в вариантах для применения в баках как дизельных, так и для бензиновых автомобилей.
«Резервуарная змея» представляет собой полоску или шнур из специального абсорбирующего материала, заключенные в сетку, препятствующую их разбуханию сверх необходимого. Приспособление снабжено тросиком, позволяющим легко извлечь его из бака.
Данная технология защищает всю топливную систему двигателя путем постоянного удаления воды, предотвращает образование водорослей и шлама в дизельном топливе. Также применение «резервуарной змеи» для бензобаков позволяет избежать фазового расслоения топлива, особенно в сочетании с применением «Этанолового щита» (Ethanol Shield) — химического стабилизатора для топлива, предотвращающего связывание воды этанолом.
Способ применения «резервуарной змеи» достаточно прост. После вскрытия упаковки один конец тросика прикрепляется к концу «резервуарной змеи», а другой к бирке, на которой надо записать дату начала ее использования. Затем «змея» помещается в бензобак либо в резервуар для хранения топлива (канистру). Если предполагается длительная стоянка ТС и используется Ethanol Shield, очень желательно через 24-48 часов запустить двигатель и дать ему поработать, чтобы свободное от влаги топливо заполнило всю топливную систему — так обеспечится ее максимальная защита.
«Резервуарная змея» для бензобаков содержит окрашивающий агент, придающий ей синий цвет, — он означает, что «змея» начала работать. «Змея» разбухает, поглощая воду только из топлива, при этом она не раздуется больше, чем позволяет оболочка. Разработанная специально для поглощения связанной воды, присоединенной к молекулам этанола, в количестве 20-40 мл, она может поглотить и небольшое количество воды со дна бака, однако если на дне бака есть вода, то бензин уже подвергся фазовому расслоению (фракционированию) и должен быть удален. Консерванты и антиоксиданты, находящиеся в «резервуарной змее» для бензобаков, истощаются после использования одного бака бензина. «Резервуарная змея» для бензобаков может применяться во всех бензиновых двигателях, 2-тактных и 4-тактных.
«Резервуарная змея» для дизельного топлива существует в вариантах как для использования при хранении техники, так и во время ее эксплуатации. Впрочем, если первый вариант случайно останется в баке, при движении ничего страшного не произойдет. Материал, из которого изготовлена «резервуарная змея» для баков с дизтопливом, очень прочный и он выдержит работу, но если тросик лопнет или упадет в бензобак, «змею» будет трудно выловить.
«Змея» для использования при движении оснащается магнитом для прикрепления к стенке бака и прочным тросиком. Дополнительно неодимовый магнит улавливает плавающие в топливе металлические частицы, в том числе ржавчину.
«Змея» для дизтоплива будет поглощать воду и со дна бака. При этом она рассчитана на многоразовое использование (порядка 10 раз) — ее можно достать, просушить и снова поместить в бак. Размер «резервуарной змеи» для баков с дизтопливом обычно подбирают к размеру бака. Если длина бака составляет около 122 см, нужно использовать «змею» длиною 91 см. Поглощающая способность составляет примерно 12 мл на сантиметр. На обоих концах «змеи» должен быть соответствующий зазор, чтобы она могла расширяться.
Использование «резервуарной змеи» для баков с дизтопливом предотвращает микробный рост — после удаления воды из бака исчезают условия для развития микроорганизмов. Конечно, ранее образовавшийся микробный налет «змея» не удалит — для этого необходимо применение фунгицида или очистка бака.
Приспособление может использоваться при любых температурах — «змея» для баков с дизтопливом способна замерзнуть, если температура упадет достаточно низко, однако она эластична, и замерзание ей не повредит. «Резервуарная змея» не опасна и не требует специальных мер по утилизации — по окончании ресурса использования ее можно просто выбросить.
Полдюжина Big Buzzin ’Ford: мощность двигателя
(Пэт) >> Ты смотришь Powernation.(Фрэнки) >> Мы даем нашему Ford 300 больше компрессии, увеличенную головку и больший кулачок.
(Pat) >> Затем мы даем ему полный газ. [обороты двигателя] [МУЗЫКА]
(Пэт) >> Всем привет, спасибо за настройку. Добро пожаловать в Engine Power. Если вы помните, недавно мы взяли наш рядный шестицилиндровый Ford объемом 300 кубических дюймов, добавили несколько простых болтов к деталям и продемонстрировали некоторый прирост мощности сзади.Что ж, мы получили в подавляющем большинстве положительный ответ на это, и, что более важно, мы услышали от вас, зрителя, о том, что вы хотели бы увидеть дальше. Поэтому мы решили пройти и сделать на нем полную сборку, которая будет включать в себя выпуклость при сжатии, перенесенную головку блока цилиндров, больший, более крутой распредвал и даже позже серьезный сумматор мощности.
(Фрэнки) >> Эта сборка хороша тем, что это в основном готовые детали, которые легко доступны. Мы добавляем некоторые нестандартные штрихи, но такова природа хот-роддинга.Мы собираемся показать вам, как при небольшом творчестве и правильном планировании вы можете добиться больших успехов в чем-то необычном. [МУЗЫКА] [жужжание дрели] [МУЗЫКА]
(Фрэнки) >> Должно быть немного этой пожизненной охлаждающей жидкости.
(Пэт) >> Посмотри на это! Это не масло, это охлаждающая жидкость. Я даже не знаю, что это такое.
(Фрэнки) >> Похоже на гнездо, но там действительно упаковано. Ага, смотри.
(Пат) >> Это все намотано на крыльчатку.
(Фрэнки) >> Определенно был там очень-очень давно.
(Pat) >> Это, наверное, ограничение мощности. Вы знаете, что это было? Вероятно, кто-то, над чем они работали, оставил в нем тряпку.
(Фрэнки) >> В этом есть смысл, чушь в шею или что-то в этом роде.
(Пэт) >> А, это именно то, что было. У кого-то была тряпка из магазина. Кто-то вставил это в шею, когда они работали над этим. [МУЗЫКА] Идеальный инструмент для любой работы. [МУЗЫКА]
(Фрэнки) >> Неплохо.
(Pat) >> Чисто! Вы издеваетесь, это мило. Это не ужасно. Силикон и пробка не так ли? Итак, этот двигатель раньше был отдельно. Что-то такое старое, неудивительно, что разлучалось один, два, пять раз.
(Фрэнки) >> Особенно для того, для чего он использовался, обслуживание, вероятно, не редкость. [МУЗЫКА]
(Пэт) >> О, это запечатано. [МУЗЫКА] Немного масла на одном цилиндре, неплохо. Так что, по-вашему, больше / меньше у этой штуки с заводским отверстием?
(Фрэнки) >> Не очень хорошо.
(Пэт) >> Ну это было отдельно, но зато стоковая. Хорошо, я куплю это за доллар. Что это были за ложа для сжатия? Я думаю, что это было 8 к 1.
(Фрэнки) >> Это было что-то вроде этого.
(Pat) >> Так что это определенно нужно будет улучшить.
(Фрэнки) >> Очень мило, очень мило! Подъемники в довольно хорошем состоянии, без повреждений.
(Pat) >> Самое приятное в промышленном применении.В автомобильной есть шестерня из волокна, и она обычно в хорошем состоянии. Мне всегда нравится видеть, насколько хороши или плохи подшипники. [МУЗЫКА] Да, детка, выглядит очень красиво. Вау, это красиво. [МУЗЫКА] Посмотрите на это. Это оригинальный поршень Ford, сделанный в США. [МУЗЫКА] Посмотрите на них что-нибудь интересное. Видишь эту дыру? Это сквиртер под давлением. Это сохраняет прохладу.
(Фрэнки) >> Это круто. [МУЗЫКА] Ой, как мило! Вы знаете, что после ядерной войны на Земле останутся две вещи.
(Фрэнки) >> Тараканы.
(Пат) >> И 300 Фордов. [МУЗЫКА]
(Фрэнки) >> Коренные подшипники выглядят так же хорошо, как и подшипники шатуна.
(Пэт) >> Это на самом деле один из самых хороших подержанных двигателей, которые мы снесли за долгое время, и мы просто сделаем его лучше.
(Фрэнки) >> Далее мы освобождаем место для более крупных поршней и затем балансируем вращающийся узел.
(Pat) >> Мы продолжаем полную сборку нашего рядного шестицилиндрового двигателя Ford объемом 300 кубических дюймов, и мы прикрепили его к конической головке Sunnen SV-15, чтобы цилиндры были круглыми и точными.В этом конкретном приложении мы хотели поставить поршень более высокого качества, потому что он столкнется с серьезными нарушениями без наддува и, возможно, с наддувом. Поэтому мы хотели вставить в него кованый поршень. Мы могли бы изготовить поршень, но это заняло бы много времени, и мы выяснили, что в него можно положить что-нибудь, что есть в наличии, что будет работать. Готовый размер отверстия этого кованого поршня составляет четыре дюйма, 50 тысячных долей. Теперь, если это звучит знакомо, это стандартный размер ствола Ford FE 390.Правильно, именно для этого и был разработан этот поршень. Кстати, размер шпильки 975 такой же, как у нашего шестицилиндрового двигателя, но, что более важно, главное — это высота сжатия. Это 1-7-76. Теперь в сочетании со штоком 6-2-0-9 из нашего штатного шестицилиндрового поршня, поршень опустится примерно на 32 тысячные доли ниже палубы. Теперь все, что было сказано, мы должны заставить поршни поместиться в этот блок, а это потребует много материала. Итак, приступим. Прежде всего, мы собираемся заменить коврик, который собирает мусор в хонинговальном станке.Затем мы доливаем уровень масла свежим хонинговальным маслом Sunnen. Блоки двигателя содержат некоторое количество хонинговального масла. Поэтому время от времени вам нужно его заменять. Мы используем низковязкую формулу с низким содержанием серы, и Sunnen предлагает широкий выбор смазочных материалов в зависимости от области применения. Наконец, на место ставится новый волокнистый мат. [МУЗЫКА] Поскольку нам нужно извлечь в общей сложности 50 тысячных долей отверстия, мы обработаем этот материал алмазным абразивом с зернистостью 220. SV-15 имеет функцию, которая определяет конусность канала ствола и автоматически останавливается, чтобы исправить это место.Периодически мы останавливаемся, чтобы проверять диаметр отверстия с помощью стрелочного индикатора. Мы сделали наш Ford шероховатым с точностью до четырех тысячных от окончательного диаметра ствола. Итак, пришло время установить торсионную пластину, чтобы закончить ее. Его построили на заказ наши друзья из Техаса, компания Sam Tech. Он был построен по чертежу прокладки головки блока цилиндров. Итак, мы знаем, что это правильно. Пришло время заняться этим и немного отточить. [МУЗЫКА] Новая головка блока цилиндров будет крепиться с помощью высококачественных шпилек ARP. Таким образом, мы будем использовать те же шпильки, чтобы прикрутить нашу пластину крутящего момента.ARP упрощает задачу с помощью множества комплектов крепежа для конкретного двигателя, включая этот для 300. Применяется сборочная смазка ARP Ultra Torque, и шпильки затягиваются с моментом затяжки 80 фунт-футов. Всегда обрабатывайте абразивные материалы перед каждым раундом хонингования, чтобы они оставались чистыми. Эта ступень занимает ствол в пределах двух десятитысячных от его окончательного размера. Для чистового хонингования мы используем алмазный абразив зернистостью 800. Как только мы закончим, мы очистим отверстия и проверим отделку цилиндра с помощью профилометра, который мы приобрели у MSC Industrial.Сапфировая игла медленно перемещается по поверхности, измеряя выступы и впадины цилиндра в миллионных долях дюйма. Обработка отверстия имеет решающее значение для надлежащего уплотнения поршневого кольца. Поэтому мы следуем спецификациям производителя колец, чтобы все было правильно.
(Фрэнки) >> Стандартный коленчатый вал в отличном состоянии. Поэтому мы быстро отполировали его и проверили размер с помощью микрофона. Затем загрузим блок в моечную машину для окончательной очистки. Этот блок в довольно хорошем состоянии. Таким образом, нам нужно всего лишь запустить машину при 150 градусах примерно на 30 минут.[МУЗЫКА] Краска держится немного лучше.
(Пат) >> Там будет кое-что. Нормальные штучки, чистит масляную галерею и все такое.
(Фрэнки) >> Милая!
(Pat) >> Доброго времени суток! [жужжание кофемашины]
(Фрэнки) >> Пэт хотел, чтобы руки были чистыми, чтобы он мог перекусить в середине утра. Думаю, это оставляет мне грязную работу. [жужжание шлифовальной машины]
(Пэт) >> Далее мы закручиваем свободно движущуюся головку блока цилиндров и запускаем дино.
(Pat) >> Мы почти готовы склеить наш Ford 300 с шестью баллонами, но прежде, чем мы это сделаем, мы сделаем небольшую балансировку компонентов. Мы собираемся убедиться, что все наши поршни и штоки одинаковы. Мы уже пошли дальше и вставили новые болты стержня ARP и вернули размер корпуса к стандартному отверстию. Затем мы собираемся взвесить стержни, как на маленьком, так и на большом конце, и найти самый легкий, а затем измельчить, чтобы он соответствовал. Балансировка на этом упрощает.Сначала мы взвесим маленький конец каждого стержня и запишем результат. Как только мы найдем вес самого легкого стержня, мы удалим материал с других стержней, чтобы он соответствовал ему. В нашем случае это 192 грамма. Мы воспользуемся ленточной шлифовальной машиной. Действуйте медленно и почаще проверяйте свои результаты. Легко снять слишком много материала, и вам придется начинать все сначала. [жужжание шлифовального станка]
(Pat) >> Та же процедура повторяется на большом конце стержня. [жужжание кофемолки]
(Пэт) >> Наш окончательный вес на этом конце составляет 541 грамм.Мы проверим вес каждого поршня в сборе, и он составляет 707 граммов. Для установки поршневых узлов на штоки запустим наш нагреватель штоков Goodson. При нагревании малого конца стержня он расширяется, позволяя установить штифт на запястье без нажатия. Это то, что требует точной настройки и большого опыта. Если вы нагреете стержень слишком сильно, он может ослабить его настолько, что вызовет катастрофический отказ двигателя. Если вы нагреете стержень слишком мало, стержень не расширится настолько, чтобы вставить штифт для запястья.Чтобы нагреть стержень до температуры, требуется всего около 15 секунд, а затем у вас есть около пяти секунд, чтобы установить штифт на запястье, прежде чем металл начнет сокращаться.
(Фрэнки) >> Новые коренные подшипники падают в только что очищенный блок, и одна из главных крышек затягивается согласно спецификации. Используя индикатор с круговой шкалой, мы проверим вертикальный масляный зазор. Сеть выходит между 22 и 25 десятитысячными по всем направлениям. Permatex Ultra Slick смазывает подшипники, и коленчатый вал встает на место.[МУЗЫКА]
(Пэт) >> Хорошо, вопрос. Почему вы не поворачиваете кривошип, пока все не будет затянуто?
(Фрэнки) >> Когда сеть не закручена, они на самом деле не круглые, потому что, когда вы закручиваете основную крышку, она фактически деформирует отверстие и делает его круглым. Так что, если вы поверните его, когда он не затянут, вы действительно можете поцарапать подшипники.
(Пат) >> Очень хорошо!
(Фрэнки) >> Окончательное значение крутящего момента для сети составляет 80 фунт-футов.
(Pat) >> Кулачковый вал изготовлен на заказ компанией Comp Cams. Продолжительность подъема на 50 тысячных составляет 230 градусов на впуске и 236 градусов на выпуске при 110 градусах угла разделения лепестков. Подъем клапана 523 с обеих сторон.
(Фрэнки) >> Отлично! [МУЗЫКА]
(Pat) >> Мы заказали комплект поршневых колец Total Seal через Summit Racing Equipment. Они подходят для нашего окончательного диаметра отверстия 4-0-50. Мы установили зазоры между кольцами на уровне 28 тысячных долей в соответствии с рекомендациями Total Seal для нашего применения.Кольца очищены от заусенцев мелкой зернистостью. Это очень важно для правильной установки и защищает поршень и отверстие от повреждений.
(Фрэнки) >> Зазор подшипника шатуна проверяется стрелочным индикатором, и он составляет от 21 до 23 десятитысячных. После того, как поршень номер один установлен, мы можем наклонять кулачок. Наша установка не регулируется, но идет под углом 104 градусов к центральной линии впуска, что на шесть градусов вперед. Если все проверено отлично, остальные поршневые узлы могут войти.Это поршни DSS, выкованные из сплава 26-18. У них есть одна шестнадцатая, одна шестнадцатая, три шестнадцатая кольцевые земли и тарелка 5 куб.
(Пат) >> Кольца в этой штуке на ощупь неплохие. Как вы думаете, на что это похоже?
(Фрэнки) >> Было приятно, когда я его перевернул. Я угадаю 20.
(Пэт) >> 20 точно?
(Фрэнки) >> 20 ровно, просто переверни. Это мое предположение.
(Pat) >> На что переворачивается 350 Chevy со стандартным кольцом?
(Фрэнки) >> Намного больше 20.Разве не 40?
(Пэт) >> Это где-то 40-е? [МУЗЫКА] Как только вы заставите ее двигаться.
(Фрэнки) >> Держи меня в напряжении, давай!
(Пэт) >> Он висит между 19 и 20.
(Фрэнки) >> Это хорошее предположение.
(Pat) >> Мы достигли правильного растяжения болта тяги, проверив его с помощью цифрового датчика растяжения ARP. Конечный результат — растяжение на шесть тысячных при крутящем моменте 55 фунт-фут. Остальная часть узла короткого блока прямолинейна: устанавливается крышка привода ГРМ, балансир, новый масляный насос и подборщик, а также оригинальный масляный поддон.Повсюду используются застежки ARP. Новые гидравлические подъемники с плоским толкателем получают смазку для обкатки на сопрягаемых поверхностях. Смазка поставляется с кулачком. Самое большое изменение, которое мы вносим в этот двигатель, касается головки блока цилиндров. Мы могли бы пойти дальше и освежить старую, и это было бы нормально, но мы хотели сделать что-то еще в области хот-родов. Поэтому мы подобрали для него совершенно новый кастинг. Это от последней модели с впрыском топлива 300, и у нее есть несколько различных особенностей.Один из них — форма камеры сгорания. Он имеет форму сердца, имеет лучшие характеристики потока и лучшую эффективность сгорания. Мы также пошли дальше и поставили в него клапаны большего размера. У нас есть впуск 1-940 и выхлоп 1-600. Они оба из полированной нержавеющей стали. Теперь это будет лучше, потому что головка слегка приподнята и приподнята, чтобы установить объем нашей камеры сгорания на 73 см3. С нашей комбинированной комбинацией, которая повысит нашу степень сжатия с 8 до 1 шток до 9.95 к 1, и это будет большим увеличением, и я думаю, что это сделает намного больше мощности. Всю эту работу проделала компания Pro Max с головками блока цилиндров в Алабаме, и, судя по тому, как это выглядит, я думаю, что она будет отлично работать. [МУЗЫКА] Головка блока цилиндров затягивается в три этапа до крутящего момента 40, 60 и, наконец, 80 фунт-футов. [щелчок динамометрического ключа]
(Пат) >> Нам нужен надежный водяной насос для нашей шестицилиндровой электростанции. Мы выбрали новый агрегат от Дураласта. Это качественный компонент, подходящий для правильной посадки и долгий срок службы.Он имеет усиленный унифицированный подшипник, запрессованный в ступицу, и корпус с прецизионной обработкой. Насос проходит заводские испытания, чтобы убедиться, что он соответствует заводским спецификациям или превосходит их. Он идет с новой прокладкой и идеально подходит для 300.
(Фрэнки) >> Хорошо, мы хотели отдать дань уважения индустриальным корням Ford 300 и придать ему немного винтажной вспышки хот-рода. После нанесения слоя керамической грунтовки Dupli-Color. Я выхожу!
(Pat) >> Я тоже.
(Фрэнки) >> Мы нанесли VHT глянцевую белую высокотемпературную эмаль для двигателей.Он выдерживает температуру до 550 градусов по Фаренгейту. Плюс это химическая стойкость. Когда краска высохнет, мы соберем остальную часть двигателя и посмотрим, на что она способна. Далее 300 кубических дюймов безнаддувного двигателя.
(Pat) >> Мне кажется, это очень понравилось!
(Фрэнки) >> Наш рядный шестицилиндровый Ford 300 уже подключен.
(Pat) >> И он готов к динамометрическому тестированию. [запуск двигателя]
(Пат) >> Хорошо, наша камера сломалась.Масло было заменено. Мы на 30 градусах по времени на заправке. Вы готовы?
(Фрэнки) >> Я взволнован. Я хочу посмотреть, что из этого получится.
(Пэт) >> Я понятия не имею, что это будет делать при первом рывке. Так что давай попробуем. [обороты двигателя]
(Пат) >> Хорошо, первый из коробки, 263,6 лошадиных сил при 4700, 335 фунт-фут крутящего момента при 3100.
(Фрэнки) >> Это большой скачок.
(Pat) >> Прежде чем что-либо делать, нужно сделать это первым делом.Расход топлива в порядке. Мы находимся в деталях тормозов с 42 по 47, 49. Давай, немного времени. Иди, включи в него четыре степени тайминга. Я знаю, что это большой скачок, но мы посмотрим, что делает эта штука. Так что давай, добавь немного времени. [обороты двигателя]
(Пат) >> Ладно, понравилось. 270, 337 фунт-фут крутящего момента. Давление масла все еще растет. Давайте вставим в него время, пока он не перестанет вырабатывать мощность. Так что прямо сейчас мы добавим туда еще две степени. Мы прыгнем прямо вверх. Это камера в форме сердца.Она немного отличается от стандартной камеры на 300, и предназначена для впрыска топлива. Так что это немного другая форма. У него клапан побольше. Мы сейчас идем по новой воде. [обороты двигателя]
(Пэт) >> Я думаю, это действительно так. Это ее сразу смягчило.
(Фрэнки) >> 338!
(Пат) >> 338, посмотрите, какой крутящий момент ровный, 270 лошадиных сил. Это действительно чувствительно к таймингу, которым подвержены многие двигатели. В зависимости от формы камеры сгорания, как воздух проходит через цилиндр, потому что это головка встречного потока, а не головка поперечного потока.В камере сгорания как внутри, так и снаружи происходит множество разных вещей. Хорошо, мистер моторостроитель, что вы хотите изменить?
(Фрэнки) >> Я не знаю, сможем ли мы извлечь из этого больше в срок. Я как бы хочу накинуть на него прокладку и посмотреть, что это даст. Посмотрим, поможет ли это выкрутить.
(Pat) >> Я согласен с этим. Давайте вставим в него еще один дюйм распорки. Мне нравится, как вы думаете.
(Фрэнки) >> Заменяя однодюймовую прокладку на двухдюймовую модель, мы увеличиваем объем камеры.Это распространенный метод настройки, который может повысить производительность, но вы никогда не узнаете, пока не попробуете. [обороты двигателя]
(Пэт) >> Не думаю, что это повредило. Тем не менее, это все еще звучит хорошо. На самом деле это буквально не заботило.
(Фрэнки) >> Ничего не сделал.
(Пат) >> Это было в пределах полуфунта футов крутящего момента и в пределах трех десятых лошадиных сил. В своей длинной, но не сильной промышленной установке Ford выдавал 88 лошадиных сил и 217 фунт-фут крутящего момента.После того, как мы сделали несколько обновлений, включая новый коллектор и карбюратор, он выдал 169,5 лошадиных сил и 280 фунт-фут крутящего момента. Сегодняшние обновления включали кованые поршни с плоским верхом, более острый кулачок и слегка модифицированную головку блока цилиндров, выдающую 270 лошадиных сил и 338 фунт-фут крутящего момента. Увеличение на 100,5 лошадиных сил и 58 фунт-футов крутящего момента по сравнению с нашим предыдущим раундом обновлений.
(Фрэнки) >> По сравнению с результатами базового динамометрического стенда это значительное увеличение на 182 лошадиных силы и 121 фунт-фут крутящего момента.В следующий раз, когда вы увидите этот двигатель, он получит турбонаддув. Для получения дополнительной информации обо всем, что вы видели сегодня, посетите Powernation TV dot com. [обороты двигателя] [МУЗЫКА]
Мощность двигателя— обзор
Разработка авиационного двигателя
На рисунке 38 показаны основные функциональные элементы турбовентиляторного (байпасного) двигателя с циклом Брайтона, который составляет подавляющее большинство всех двигателей, используемых сегодня в парке. Воздух, поступающий в переднюю часть двигателя, разделяется на два основных потока: (1) перепускной воздушный поток, который выбрасывается назад вентилятором со скоростью V 1 и не участвует в процессе сгорания, и ( 2) воздушный поток, проходящий через компрессоры низкого и высокого давления в камеру сгорания, где топливо подмешивается и воспламеняется.Из камеры сгорания поток проходит через турбины высокого и низкого давления, которые приводят в действие компрессоры и вентилятор, и выходит из двигателя через V 2 . Во всех случаях V 2 > V 1 . За счет использования этих двух воздушных потоков, а не только одного, как в турбореактивных двигателях, устанавливается более постепенный градиент скорости от неподвижного воздуха к струйному потоку при V 2 , что приводит к меньшей турбулентности и повышению эффективности тяги.Хотя V 2 ниже, чем было бы в случае турбореактивного двигателя, общая тяга не снижается из-за большего массового расхода через двигатель. В настоящее время проводятся значительные научно-исследовательские и опытно-конструкторские работы, направленные на повышение энергоэффективности авиационных двигателей. Нацеленность этих программ направлена на три отдельные, но взаимодополняющие цели: (1) повышение эффективности существующих двигателей примерно на 5% за счет модификаций и улучшения сохранения рабочих характеристик; (2) разработка турбовентиляторных двигателей следующего поколения, эффективность которых должна повыситься как минимум на 12% по сравнению с существующими технологиями; (3) разработка винтового двигателя с вентилятором, эффективность которого должна повыситься на 10-20% по сравнению с турбовентиляторным двигателем с использованием эквивалентной основной технологии (20-40% по сравнению с двигателями, которые используются в настоящее время).
Рис. 38. Основные узлы ТРДД. ВД, высокого давления; НД, низкого давления.
Три основных двигателя сегодня используются в большинстве коммерческих самолетов США и будут использоваться в течение 1980-х годов. 8 Таким образом, даже небольшое повышение эффективности этих двигателей приведет к значительной экономии топлива с годами. Ожидается, что экономия топлива в диапазоне приблизительно от 3 до 6%, в зависимости от типа двигателя, может быть достигнута за счет дооснащения двигателей улучшенными компонентами во время процедур регулярного технического обслуживания.Ограничения по объему не позволяют провести исчерпывающее обсуждение всех улучшений, предусмотренных для каждого типа двигателя, и только краткое изложение приведено в Таблице XXIV. Однако большинство усовершенствований дизайна сосредоточено вокруг следующих областей (Graffin, 1978; Lennard, 1978):
ТАБЛИЦА XXIV. Сводка краткосрочных проектов по повышению эффективности двигателей на текущий момент
| Двигатель | Концепция | SFC Reduction | |
|---|---|---|---|
| Прогноз | Фактический | ||
| P & , -76 | Регулятор активного зазора HPT | 0.9 | 0,7 |
| P & amp; WA / JT-9D-7, -7R4 | Улучшенный вентилятор | 1,3 | 1,3 |
| P & amp; WA / JT-9D-все модели 902 термобарьерное покрытие | HPT | 0,2 | — |
| P & amp; WA / JT-9D-все модели | Керамическое внешнее воздушное уплотнение HPT | 0,3 | — |
| P & WA / JT-8D-15, -17, -17 -217 | Наружное воздушное уплотнение высокого давления | 0,5 | 0.6 |
| P & amp; WA / JT-8D-15, -17, -217 | HPT улучшенное охлаждение лезвия | 0,9 | — |
| P & amp; WA / JT-8D-все модели | HPC с траншеей уплотнение | 0,9 | — |
| GE / CF-6, -50, -80 | Улучшенный вентилятор | 1,8 | 1,8 |
| GE / CF-6-50 | Сопло с коротким стержнем | 1,0 | 0,9 |
| GE / CF-6-все модели | Новая передняя опора двигателя | 0.3 | 0,1 |
| GC / CF-6 | Аэродинамика HPT | 1,3 | 1,1 |
| GE / CF-6-50 | Контроль круглости HPT | 0,4 | Регулятор активного зазора HPT | 0,6 | — |
| GE / CF-6-50 | Регулятор активного зазора LPT | 0,3 | — |
| DAC / JT-8D- 9, -11, -15, -17 | Обтекатель реверсора DC-9 | 0.5 | 1,2 |
| DAC / JT-9D / 59 и CF-6-50,80 | Рециркуляция воздуха в кабине DC-10 | 0,9 | — |
Источник: ORI (1980).
Copyright © 1980
- 1.
Изменение конструкции лопастей вентилятора для улучшения аэродинамики и размещение кожухов вентилятора в более выгодном положении (улучшение на 1,5–2,0%).
- 2.
Уменьшение зазоров турбинных лопаток и улучшение их формы 1.01,8%).
- 3.
Более точно соответствует тепловому росту ротора и статора турбины. Помимо пассивных средств, рассматриваются активные средства управления, которые перенаправляют потоки охлаждающего воздуха в зависимости от частоты вращения и нагрузки двигателя (0,8–1,2%).
- 4.
Улучшение внутренней аэродинамики двигателя (0,3–0,5%).
Наконец, значительная экономия топлива может быть достигнута за счет снижения типичных тенденций снижения эффективности двигателя, показанных на рис.39. Обычно ухудшение TSFC (удельного расхода топлива тяги) составляет от 3 до 7% в течение рабочего цикла двигателя. Lewis et al ., (1978), основываясь на подробном анализе трех двигателей, сообщают, что 7-21% износа до технического обслуживания относится к сегментам двигателя с низким давлением, а остальное происходит в участок высокого давления. В прошлом ремонт секций низкого давления, как правило, был нерентабельным, и большая часть работ по техническому обслуживанию выполнялась на участках высокого давления.Однако с увеличением затрат на топливо обслуживание системы низкого давления становится более рентабельным, и, следовательно, долгосрочные эффекты ухудшения должны уменьшаться по сравнению с теми уровнями, которые достижимы исключительно за счет только улучшенной конструкции компонентов.
Рис. 39. Типичные тенденции ухудшения удельного расхода топлива ТРДД.
Источник: Национальное управление по аэронавтике и исследованию космического пространства (1975). Авторское право © 1975В целях ускорения разработки новой технологии для энергосберегающих двигателей Национальное управление по аэронавтике и исследованию космического пространства в 1975 году инициировало крупномасштабные исследования с разделением затрат и программа развития для разработки более эффективных компонентов двигателя.В рамках этой программы с двумя основными производителями больших турбовентиляторных двигателей в США были заключены контракты на разработку общей конструкции и конструкции компонентов для двигателей, которые должны были обеспечить улучшение TSFC как минимум на 12%, сопровождаемое минимальным улучшением DOC на 5% по сравнению с текущими высокими технологиями. Двухконтурные ТРДД. В таблице XXV приведены предварительные проектные характеристики энергоэффективных двигателей по сравнению с текущими базовыми двигателями для каждого производителя. Основные конструктивные особенности и компромиссы этих двигателей, представленные Греем (1978) и Джонстоном и Хемсвортом (1978), резюмируются в следующих параграфах.
ТАБЛИЦА XXV. Основные конструктивные характеристики базовых и энергоэффективных двигателей
| General Electric | Pratt and Whitney | |||
|---|---|---|---|---|
| Базовый двигатель CF6-50C | Энергоэффективный двигатель | JT9D-7A базовый двигатель Energy | двигатель | |
| Вентилятор | ||||
| Коэффициент байпаса | 4,2: 1 | 6,8: 1 | 5.15: 1 | 6,5: 1 |
| Степень сжатия | 1,76: 1 | 1,65: 1 | 1,6: 1 | 1,74: 1 |
| Ступени компрессора низкого давления | 3 | 0 3 902 | 4 | |
| Компрессор высокого давления | ||||
| Кол-во ступеней | 14 | 10 | 11 | 10 |
| Степень давления | 1 2421 0242 1 | 14: 1 | ||
| Камера сгорания | Одинарная кольцевая | Двойная кольцевая | Одноступенчатая | 2-ступенчатая |
| Температура на входе в ротор, ° F | 2080 | 902 902 902 2160 902 902 902 902 902 902 902 902 902 902 902 902 902|||
| Ступени турбины НД | 2 | 2 | 2 | 1 |
| Ступени турбины ВД | 4 | 5 | 4 | 9 0224 4|
| Смеситель на выходе | Нет | Да | Нет | Да |
| Общее соотношение давлений | 32: 1 | 38: 1 | 22: 1 | 38.6: 1 |
| Улучшение SFC | 14,4% | 15,3% | ||
| Улучшение DOC | ≥5% | 6% | ||
Источник: (1976); Джонстон и Хемсворт (1978); Грей (1978).
Copyright © 1978
TSFC турбовентиляторного двигателя имеет тенденцию улучшаться с увеличением коэффициентов двухконтурности. Однако основным средством увеличения коэффициента байпаса является использование вентиляторов большего диаметра, которые затем должны быть задействованы, если скорость вращения кончиков лопастей вентилятора должна оставаться в разумных пределах.Оба производителя предпочли отказаться от преимущества редукторного вентилятора ≈212% TSFC и выбрали конфигурацию с прямым приводом с его преимуществом более 1% DOC, которое обусловлено более высоким весом, сложностью и затратами на техническое обслуживание, связанными с редукторным приводом.
В настоящее время все турбовентиляторные двигатели используют отдельную конфигурацию выхлопа, при которой перепускной воздушный поток покидает двигатель впереди выхлопной струи из горячей секции активной зоны. Выходная тяга двигателя может быть увеличена за счет расширения внешнего кожуха назад за выхлоп турбины и принудительного перемешивания байпасного воздуха и выхлопных газов турбины перед выпуском через единственное сопло.На сегодняшний день такие конструкции не были реализованы на коммерческой основе из-за более высоких паразитных потерь и веса, связанных с более длинной гондолой. Благодаря последним достижениям в дизайне, эффективные смесители стали возможны в сочетании с более короткими и легкими гондолами. Следовательно, конструкции обоих производителей включают условия для смешанного выхлопа, конфигурация которого, по оценкам, приведет к сокращению расхода топлива и DOC более чем на 212%.
Для достижения высоких общих соотношений давлений, необходимых для эффективного двигателя, используются различные компромиссы.Увеличение количества ступеней компрессора и турбины позволяет двигателю работать на более низких оборотах и с более высоким КПД. Однако увеличение количества ступеней также увеличивает вес двигателя, стоимость его установки и прямые эксплуатационные расходы. В конструкции Пратта и Уитни, например, использование одноступенчатой высокоскоростной турбины высокого давления вместо двухступенчатой турбины привело к снижению DOC на 1,2-1,3%, уменьшению на 40% высокого давления. воздушная фольга турбины и снижение затрат на техническое обслуживание двигателя на 10% за счет снижения КПД на 3% и 0.Увеличение расхода топлива на 7%. На рисунке 40 показаны некоторые компромиссы, связанные с выбором количества ступеней компрессора в двигателе General Electric.
Рис. 40. Влияние количества ступеней компрессора на другие параметры.
Источник: Джонстон и Хемсворт (1978). Авторские права © 1978Наконец, в один или оба этих двигателя включено значительное количество других усовершенствований, которые вносят существенный вклад в общее повышение эффективности. Среди них: (1) расширенное использование высокотемпературных легких материалов для многих компонентов, таких как монокристаллические сплавы для турбинных лопаток и волокнистые композиты для компонентов гондолы; (2) улучшенный активный контроль зазора, который в сочетании с гондолами с распределением нагрузки позволяет уменьшить зазоры на концах лопастей и улучшить сохранение рабочих характеристик; 9 (3) улучшенная внутренняя аэродинамика; (4) электронные регуляторы подачи топлива, которые позволяют значительно сэкономить вес и пространство по сравнению с обычными гидромеханическими агрегатами; (5) использование двухступенчатых, а не одноступенчатых камер сгорания, что значительно снижает выбросы двигателя.
В конце 1950-х — начале 1960-х годов турбовинтовые самолеты, несмотря на их более высокую энергоэффективность, были быстро вытеснены турбореактивными самолетами из-за повышенного комфорта пассажиров, более высоких скоростей, более высоких (выше погодных) крейсерских высот и более простого обслуживания. . Однако ряд недавних исследований показал, что с точки зрения энергопотребления турбовинтовой двигатель остается наиболее многообещающей альтернативой турбовентиляторным двигателям (Kramer, 1978). В ответ на эти результаты был инициирован ряд исследовательских программ, которые в конечном итоге должны привести к созданию усовершенствованных турбовинтовых (винтовых) двигателей, которые будут напрямую конкурировать с турбовентиляторными двигателями с точки зрения крейсерской скорости и других показателей эффективности.Эти воздушно-винтовые двигатели, состоящие из аэродинамически усовершенствованного винта с восемью или десятью лопастями, приводимого в движение основной частью усовершенствованного двухконтурного двухконтурного двигателя, должны обеспечивать экономию топлива около 20% при скорости 0,8 Маха по сравнению с турбовентиляторными двигателями, использующими аналогичную основную технологию (Рис.41). Основными направлениями развития, необходимыми для внедрения этих двигателей, являются (Dugan et al ., 1978):
Рис. 41. Установленная эффективность перспективных силовых установок самолета.
Источник: Nored (1978).Copyright © 1978- 1.
Для достижения прогнозируемой экономии энергии винт должен обеспечивать аэродинамический КПД 80% при 0,8 Маха. Текущие экспериментальные конструкции восьмилопастных гребных винтов со стреловидностью 30 ° и расчетной скоростью на концах 800 фут / сек уложились в пределах 3% от этой цели.
- 2.
Взаимодействие воздушной струи пропеллера и сверхкритического крыла самолета может привести к значительному индуцированному сопротивлению, что может потребовать изменения конструкции частей крыла, работающих в воздушной струе воздушного винта.На сегодняшний день имеется мало данных об этих взаимодействиях, но исследовательские проекты, предназначенные для количественной оценки эффектов, находятся в стадии реализации. Предварительные результаты показывают, что потери на помехи не являются чрезмерными и существует возможность восстановления части потерь на завихрение воздушного винта за счет конструкции крыла.
- 3.
В отличие от самолетов с турбовентиляторными двигателями, где гондола обеспечивает некоторую защиту, фюзеляж винтового самолета находится непосредственно в шумовом поле винта, что приводит к значительному увеличению потребности в шумопоглощении.Если необходимо сохранить текущую конструктивную скорость и нагрузки законцовки лопастей, необходимо будет получить дополнительное шумоподавление на 25 дБ по сравнению с обычными фюзеляжами, даже если винт спроектирован с низким уровнем шума. Обеспечение этого дополнительного затухания на сложных частотах в несколько сотен герц без значительного снижения веса и эффективности потребует значительных усилий в области исследований и проектирования.
Анализ характеристик дизельного двигателя
Ларри Йорк, президент, Frontier Power Products
Обзор
Попытка провести осмысленное сравнение типов двигателей может сбивать с толку.Помимо обычного использования двух (или более) единиц измерения для каждой спецификации, часто существует несколько оценок для каждой модели двигателя. Для многих приложений, таких как морские и генераторные установки, предлагаются специальные характеристики, которые предназначены специально для конкретного использования. На эти специальные рейтинги обычно накладываются ограничения.
Таблица преобразования
«Метрификация» единиц измерения кажется почти универсальной. Большинство листов спецификаций показывают, как S.I.и более старые меры SAE. Существует множество легко доступных таблиц преобразования, которые обеспечивают простой перевод общих единиц, используемых для описания спецификаций дизельных двигателей. Хотя эта статья не предназначена для использования в качестве таблицы преобразования, ниже преобразованы несколько общих единиц измерения двигателя.
- л.с. × 0,746 = кВт · м (кВт · м × 1,34 = л.с.)
- фунт-фут × 1,356 = Н · м (Н · м × 0,738 = фунт-фут)
- фунт-фут × 1,38 = кг-м (кг-м × 1,233 = фунт-фут)
- 1 галлон США / час = 3.785 литров / час (1 литр / час = 0,264 галлона США / час)
- 1 британский галлон / час = 4,546 л / час (1 литр дизельного топлива №2 весит 0,85 кг (приблизительно))
- галлона дизельного топлива № 2 (США) весит 7,1 фунта. (приблизительно) (1 британский галлон дизельного топлива № 2 весит 8,7 фунта (приблизительно))
л.с. = лошадиные силы
кВтм = киловатты (механические)
Н · м = ньютон-метр
Примечание. При любом сравнении важно использовать одни и те же базовые критерии. Например, до тех пор, пока каждый двигатель расходует один и тот же вес на единицу топлива, сравнительные характеристики будут значимыми.
МощностьНесмотря на «метрификацию», дизельные двигатели часто называют их мощностью в лошадиных силах. Метрическое сравнение — киловатты (кВт). До недавнего времени в Северной Америке мощность двигателя измерялась в лошадиных силах, а электрическая мощность — в киловаттах. Это может привести к некоторой путанице, когда двигатель требуется для привода генераторной установки. Механическая мощность двигателя в киловаттах (кВт · м) не учитывает потери эффективности в генераторе или, возможно, другие паразитные потери, такие как охлаждающий вентилятор, до электрической мощности генератора, измеряемой в электрических киловаттах (кВт-экв).Киловатт (электрический) — это мощность, доступная на клеммах генератора. Как и в случае номинальной мощности двигателя, может быть три или более номинальных мощности генератора (непрерывный, основной и резервный) в зависимости от предполагаемого использования машины.
Существует несколько распространенных методов оценки промышленных и судовых дизельных двигателей. Нет ничего необычного в том, чтобы увидеть пять различных значений выходной мощности для одной и той же модели двигателя. Рейтинги могут быть выполнены в соответствии со стандартами «DIN», «SAE» или JIS (три руководящих органа). По сути, наиболее важным фактором является предполагаемое использование двигателя.Определите, какой номинал вам нужен для предполагаемого обслуживания двигателя, и попросите выразить мощность двигателя в л.с. или кВт · м наиболее подходящими терминами. Все производители, предлагающие несколько номинальных мощностей, также предлагают рекомендации по использованию двигателя с разными номинальными мощностями.
Пример этого может быть проиллюстрирован следующими образцами кривых. Горизонтальная ось показывает частоту вращения двигателя в оборотах в минуту (об / мин), а вертикальная ось указывает мощность как в кВт · м, так и в л.с.Показаны две кривые и указаны стандарты испытаний (ISO 3046). Обычно эти кривые называют «непрерывными» (самый низкий выход) и «прерывистыми» (верхняя кривая).
При равных или лучших условиях, чем условия испытаний по топливу, температуре окружающей среды и высоте, этот двигатель обеспечивал бы пользователя любой выходной мощностью, показанной на любой из показанных скоростей.
Пожалуй, нигде нельзя найти более «эластичных» характеристик, чем для высокоскоростных судовых двигателей.Одна из причин этого заключается в том, что использование судовых дизелей может варьироваться от полной мощности, «круглосуточно без выходных», до высокоскоростных судов с очень прерывистой работой. Кроме того, в судовых двигателях можно использовать морскую воду для дополнительного охлаждения всасываемого воздуха с турбонаддувом, что позволяет эффективно сжигать больше топлива. Судно, как и любое другое использование, требует от покупателя четко указать характер использования судна.
Так почему бы не купить максимально возможную мощность данного двигателя? Ответ — срок службы двигателя (для получения дополнительной информации о сроке службы двигателя см. Как долго прослужит (морской) дизельный двигатель?).Двигатели имеют расчетный срок службы при заданной выходной мощности. При выборе двигателя необходимо учитывать сервисный фактор приложения. Например, от водяных насосов может потребоваться работа с заданной выходной мощностью в течение длительных периодов времени. Это «непрерывное» приложение. Щеточный измельчитель, как правило, работает только в течение коротких периодов времени, когда материал подается через лезвия. Это временный режим. Есть и специальные приложения. Пожарные насосы, высокоскоростные аварийные суда и т.п. могут иметь кривые, которые предназначены только для их конкретного применения.
Двигателиизначально предназначены для оказания услуги или некоторого набора услуг. Например, «автомобильные» двигатели обычно представляют собой компактные и легкие двигатели, предназначенные для использования в транспортных средствах. В двигателе могут использоваться более легкие и менее прочные компоненты, чем в двигателе, предназначенном для использования в тяжелом оборудовании или коммерческих морских приложениях. Автомобильные производные двигатели могут по-прежнему предлагать «непрерывную» номинальную мощность в лошадиных силах, но расчетный срок службы двигателя может быть значительно меньше, чем у более тяжелого двигателя промышленного типа.Наиболее распространенными «ключами» к надежности являются кубический объем двигателя и частота вращения, при которой он развивает свою мощность.
В этом нет правильного или неправильного. Если приложение является автомобильным, для этой цели создан двигатель автомобильного типа, который должен обеспечивать достаточный срок службы. Если бы применение было тяжелым промышленным, двигатель автомобильного типа применялся бы неправильно и не обеспечивал бы разумный срок службы.
Существуют таблицы, в которых приведены рекомендации для двигателей, используемых в различных службах.Производители двигателей публикуют информацию о применении, и многие производители оборудования также предоставляют информацию о требованиях к входной мощности. Эта информация и представление о количестве требуемых часов обслуживания помогают определить, какой двигатель «подходит» для работы.
Это компромисс между выходной мощностью и сроком службы двигателя. Ключом к удовлетворительному опыту работы с двигателем является определение предполагаемого использования и выбор двигателя и номинальной мощности, которые должны обеспечивать необходимое количество часов работы .
Крутящий момент и увеличение крутящего моменталошадиных сил — это скорость выполнения работы. Крутящий момент — это «вращающая сила в механизме» согласно словарному определению. Эти два параметра связаны (крутящий момент фунт-фут = л.с. X 5252 / об / мин), но крутящий момент часто понимается неправильно. Поскольку существует фиксированная зависимость между л.с. (или кВт · м) и крутящим моментом, два двигателя, имеющие одинаковую мощность при одинаковых оборотах, будут иметь одинаковый крутящий момент. Однако при работе два двигателя могут работать по-разному. Причина этого в том, что у них может быть очень разный крутящий момент.Поэтому они по-разному реагируют на требования нагрузки.
Длина хода поршня, количество цилиндров, масса вращения и другие факторы влияют на увеличение крутящего момента. Новые двигатели с электронным управлением способны обеспечивать характеристики крутящего момента, которые не могут быть достигнуты с помощью механического управления подачей топлива.
Кривые мощности двигателяв лошадиных силах часто также показывают кривую крутящего момента или «понижающий крутящий момент». Эта кривая показывает величину крутящего момента, доступного от двигателя при приложении нагрузки, превышающей номинальный крутящий момент двигателя при рабочих оборотах.Разница в крутящем моменте при номинальных оборотах и максимальном или пиковом крутящем моменте называется «нарастанием крутящего момента». Обычно выражается в процентах. (Пиковый крутящий момент — номинальный крутящий момент / номинальный крутящий момент = нарастание крутящего момента X 100)
В этом случае номинальный крутящий момент составляет 477 фунт-фут. а максимальный крутящий момент составляет 657 фунт-фут. @ 1200 об / мин. Увеличение крутящего момента составляет: 657 — 477, деленное на 477 = 38%.
Обратите внимание, что, хотя есть две кривые мощности, непрерывная и прерывистая, отображается только прерывистая кривая крутящего момента.Предполагается, что если двигатель «понижен» (частота вращения снижается из-за нагрузки), то двигатель будет работать на своей прерывистой кривой номинальных значений. Кривые крутящего момента обычно доступны для любых опубликованных значений мощности в лошадиных силах.
На практике все это означает, что во многих случаях двигатель с большим увеличением крутящего момента будет выполнять свою работу быстрее. Он будет казаться более мощным и отзывчивым. Эта разница будет очень очевидна в приложениях, где двигатель обычно понижает свою номинальную скорость под действием нагрузки.Примерами этого являются буровая установка, поднимающая колонну штанг, шлифовальный станок, обрабатывающий пень, или погрузчик, копающийся в скалистом берегу. Даже приложения, которые обычно не считаются чувствительными к увеличению крутящего момента, такие как генераторные установки и судовые двигатели, при некоторых условиях могут выиграть от хороших характеристик увеличения крутящего момента. (Например, вытягивание тяжелой траловой сети, противодействие току или запуск двигателя.)
Крутящий момент и увеличение крутящего момента являются очень важными факторами во многих приложениях, особенно в тех, где двигатель регулярно понижает свою номинальную скорость из-за воздействия нагрузки.Большее увеличение крутящего момента позволяет двигателю работать с более высокими оборотами в минуту. под нагрузкой и тем самым быстрее выполнять свою работу. В экстремальных условиях недостаточный рост крутящего момента не позволит двигателю принять нагрузку и он заглохнет.
Можно многое добавить к важности крутящего момента. «Спад» и «изохронный» управляющий, электронный или механический контроль и другие факторы входят в аспекты, которые необходимо учитывать. Опять же, если предполагаемое использование ясно, лучший вариант обычно будет очевиден.
Расход топливаПо уважительной причине люди часто хотят знать, сколько топлива будет потреблять их двигатель. Топливо — это, безусловно, самая большая стоимость в течение срока службы большинства двигателей. Кажущаяся небольшая разница в расходе топлива может обеспечить большую экономию в течение срока службы двигателя. Есть приложения, в которых затраты на двигатель или генераторную установку можно окупить в течение относительно короткого периода времени, просто правильно подобрав агрегат для нагрузки.
Производители двигателей публикуют кривые расхода топлива.Эти кривые обычно сертифицированы как правильные в узких пределах с учетом определенных факторов, таких как минимальное цетановое число и приемлемые условия окружающей среды. Проверка расхода топлива обычно проводится по массе израсходованного топлива за известный период времени при известной выходной мощности. Результаты испытаний могут быть опубликованы по весу или могут быть переведены в объем.
Многие производители также публикуют данные о расходе топлива при частичной загрузке. Это может быть очень важная информация, так как большинство двигателей не всегда работают на полной мощности.Из-за потери эффективности при сгорании расход топлива при частичной нагрузке не является «линейным». То есть при 50% -ной нагрузке не будет потребляться 50% от расхода топлива при полной нагрузке. В некоторых случаях различия в показателях расхода топлива при частичной нагрузке могут быть весьма значительными при сравнении от модели двигателя к модели.
Современные дизельные двигатели, особенно двигатели с электронным управлением, очень эффективны с точки зрения полезной энергии, производимой для израсходованного топлива. Однако любой двигатель необходимо правильно использовать, чтобы обеспечить экономичное и надежное обслуживание.
Единственный способ точно предсказать расход топлива — это знать, какой будет нагрузка на двигатель. Правильный выбор двигателя имеет решающее значение. Слишком большая мощность для нагрузки приведет к плохой экономии топлива (и другим проблемам). Слишком низкая мощность приведет к сокращению срока службы двигателя.
Во многих случаях можно использовать кривую расхода топлива, чтобы найти наиболее экономичный источник энергии.
Вот пример того, что можно найти, глядя на кривые расхода топлива.
Диаграмма «А» показывает кривую мощности в лошадиных силах для тяжелых условий эксплуатации для двигателя мощностью 250 л.с. @ 2200 об / мин. Диаграмма «B» иллюстрирует кривую мощности двигателя мощностью 225 л.с. (непрерывный) при 2400 об / мин.
Если бы мы хотели приводить в действие водяной насос мощностью 220 л.с. мы могли бы запустить двигатель «А» на скорости 1600 об / мин и выбрать водяной насос с крыльчаткой, отрегулированной в соответствии с этим числом оборотов в минуту. Ожидаемая мощность двигателя:
— 220 л.с. x 0,32 фунта = 70,4 фунта / час или 9.86 галлонов США (37,47 литра)
Двигатель «B» должен был бы работать со скоростью 2200 об / мин, чтобы обеспечить нам непрерывную 220 л.с. Его расход топлива составит:
— 220 л.с. x 0,35 фунта = 77,0 фунта / ч или 10,85 галлона США (41,23 литра)
Разница в расходе топлива составляет всего 0,03 фунта на лошадиную силу в час. Однако, если насос проработает 2500 часов в год (48 часов в неделю), экономия топлива составит 2 475 галлонов США (9 405 литров). Это означает огромную экономию эксплуатационных расходов в течение ожидаемого срока службы двигателя.
Оставаясь с нашим примером «A» и «B», можно было бы ожидать, что для получения такой же постоянной мощности при более низких оборотах двигателя потребуется двигатель большего рабочего объема. Таким образом, первоначальная закупочная цена двигателя и его принадлежностей (радиатор или другой теплообменник, воздухоочиститель, глушитель и т. Д.) Будет выше. Однако при выборе двигателя следует учитывать расходы на расход топлива. Это особенно верно в случаях, когда требуется многочасовая работа в районах, где стоимость топлива особенно высока.
Многие приложения позволяют двигателю работать в нормальных условиях с предварительно выбранными оборотами двигателя. Выбор такой рабочей скорости, при которой двигатель обеспечивает максимальную экономию топлива, может принести большие дивиденды.
лошадиных сил и крутящий момент: в чем разница?
Эндрю Трэхан Автомобиль и водитель
Что лучше? Вот как можно прекратить споры о ночном баре.
Йоги Берра, который никогда не останавливался на деталях двигателя, пришел бы к выводу, что крутящий момент и мощность — это одно и то же, только разные.Собственно, это упрощение отчасти верно.
Крутящий момент и мощность — это то, что двигатели производят, когда вы поворачиваете ключ и нажимаете педаль акселератора. Воздух и топливо, воспламеняющиеся в камерах сгорания, вызывают скручивание коленчатого вала, трансмиссии и ведущих мостов. Это чудо преобразования энергии: потенциальная энергия, содержащаяся в галлоне переработанного динозавра, эффективно изменилась на кинетическую энергию, необходимую для вождения.
Копая глубже, рассмотрим эти определения из учебников:
Энергия — это способность выполнять работу.В этом случае двигатели выполняют ту тяжелую работу (работу), которую раньше выполняли лошади.
Работа является результатом силы, действующей на некотором расстоянии. Единица измерения работы (а также энергии) в США — фут-фунт. В Международной системе (СИ) работа измеряется в джоулях и, в редких случаях, в ньютон-метрах.
Крутящий момент — это сила вращения, создаваемая коленчатым валом двигателя. Чем выше крутящий момент двигатель, тем выше его способность выполнять работу. Измерение такое же, как у работы, но немного отличается.Поскольку крутящий момент является вектором (действующим в определенном направлении), он измеряется в единицах фунт-фут и ньютон-метр.
Конечно, всегда есть исключения. В этом случае различие составляет статический крутящий момент , который вы применяете гаечным ключом для затягивания болтов головки. Во избежание путаницы единицами измерения статического крутящего момента традиционно являются фунты-футы. Напротив, SI придерживается ньютон-метров как для статических, так и для динамических измерений крутящего момента.
Power — это то, насколько быстро выполняется работа.Шотландский изобретатель восемнадцатого века Джеймс Ватт дал нам эту удобную эквивалентность: одна лошадиная сила — это мощность, необходимая для подъема 33000 фунтов ровно на один фут за одну минуту. В соответствии с этим вкладом единицей измерения мощности в системе СИ является киловатт.
Возвращаясь к теореме Берра, крутящий момент — это способность выполнять работу, а мощность — это скорость, с которой можно выполнить некоторую трудоемкую задачу. Другими словами, мощность — это скорость выполнения работы (или приложения крутящего момента) за заданный промежуток времени. Математически мощность в лошадиных силах равна крутящему моменту, умноженному на число оборотов в минуту.H = T x об / мин / 5252, где H — мощность в лошадиных силах, T — фунт-фут, об / мин — это скорость вращения двигателя, а 5252 — константа, заставляющая единицы двигаться. Таким образом, для получения большей мощности двигателю необходимо генерировать больший крутящий момент, работать на более высоких оборотах или и то, и другое.
Хотя определения эскизов отлично подходят для учебников, применение их к реальным движкам — другое дело. Одна проблема заключается в том, что у каждого автомобильного двигателя есть рабочий диапазон от холостого хода до красной черты. Например, 6,2-литровый двигатель Hellcat V-8 Dodge Challenger выдает 707 лошадиных сил ТОЛЬКО при 6000 об / мин.Он выдает существенно меньшую мощность на холостом ходу (достаточную только для вращения аксессуаров с приводом от двигателя) и чуть меньше 700 лошадиных сил на красной границе 6200 об / мин. И он обеспечивает максимальный крутящий момент 650 фунт-фут ТОЛЬКО при 4000 об / мин.
Другая проблема — точное определение мощности и крутящего момента вращающегося коленчатого вала. Инструмент для этой задачи — динамометр двигателя. Хотя это слово означает «устройство измерения мощности», на практике крутящий момент и частота вращения двигателя измеряются, а его мощность рассчитывается с использованием приведенной выше формулы.
Вихретоковые динамометры используют магнитное поле для передачи крутящего момента от вращающегося коленчатого вала на опору плеча рычага против статического датчика силы (известного как датчик нагрузки), расположенного на точном расстоянии от центра кривошипа. Другой широко используемый тип динамометра — это водяной тормоз; он использует один вращающийся и один статический набор лопаток насоса для передачи крутящего момента коленчатого вала через плечо рычага на датчик нагрузки.
Совершенный двигатель развивает достаточный крутящий момент на низких оборотах и выдерживает его до минимального уровня.Величина создаваемого крутящего момента прямо пропорциональна потоку воздуха, проходящего через двигатель. Большие двигатели перекачивают больше воздуха и, следовательно, развивают больший крутящий момент. Бустеры — нагнетатели, турбокомпрессоры — доставляют дополнительный воздух, помогая малым двигателям работать крупными. Конечно, в камеры сгорания должно подаваться соответствующее количество топлива, но это простая часть, особенно с электронным управлением впрыском.
Чтобы восполнить легкость впрыска нужного количества топлива, конструкторы двигателей сталкиваются с несколькими сложными задачами.Один из них — сделать все компоненты достаточно прочными, чтобы выдерживать нагрузки, которым они подвергаются из-за давления сгорания и, в случае движущихся частей, их собственной инерции. Потребности в охлаждении и смазке примерно пропорциональны производимой мощности. А закачка воздуха в любой двигатель на сверхвысоких оборотах и из него — это то место, где инженерное дело становится видом искусства. Включите топливную экономичность и чистоту выхлопных газов в уравнение разработки, и станет ясно, почему мастера двигателей редко тусуются у водоохладителя.
На этом этапе обсуждения должно быть ясно, что крутящий момент и лошадиные силы подобны разлученным братьям и сестрам; они тесно связаны, но не имеют много общего. Но как насчет более серьезной моральной проблемы, стоящей перед человечеством в целом и автолюбителями в частности: что лучше?
Мы ответим, что Йоги Берра был бы признателен. В бейсболе, если крутящий момент аналогичен кетчеру, то питчер — это лошадиные силы. И то, и другое необходимо для игры в мяч, но ответственность питчера — определение скорости и траектории каждого брошенного мяча — определяет ход игры.Крутящий момент жизненно важен для работы каждого двигателя, но мощность — это то, что отличает отличный двигатель от хорошего.
Этот контент создается и поддерживается третьей стороной и импортируется на эту страницу, чтобы помочь пользователям указать свои адреса электронной почты. Вы можете найти больше информации об этом и подобном контенте на сайте piano.io.
Комитет по нормам испытаний мощности двигателя— Профиль
Стандарт
Код испытания мощности двигателя— Сертификат мощности и крутящего момента двигателя
2020-12-16
WIP
J2723
В этом документе описывается процедура, которую должен использовать производитель для сертификации полезной мощности и номинального крутящего момента серийного двигателя в соответствии с SAE J1349 (Rev.8/04) или полную мощность серийного двигателя согласно SAE J1995. Производители, рекламирующие мощность и крутящий момент своих двигателей как сертифицированные по SAE J1349 или SAE J1995, должны следовать этой процедуре. Сертификация мощности и крутящего момента двигателя по SAE J1349 или SAE J1995 является добровольной, однако этот процесс сертификации мощности является обязательным для тех номинальных мощностей, которые рекламируются как «Сертифицировано по SAE J1349» или «Сертифицировано по SAE J1995». В случае, если двигатель, произведенный одним производителем, продается потребителю в транспортном средстве, произведенном вторым производителем, сертификация двигателя может быть завершена либо производителем, либо обоими производителями, работающими вместе.
Стандарт
Код испытания мощности двигателя— Сертификат мощности и крутящего момента двигателя
2015-09-10
ТОК
J2723_201509
В этом документе описывается процедура, которую должен использовать производитель для сертификации полезной мощности и номинального крутящего момента серийного двигателя в соответствии с SAE J1349 (Rev.8/04) или полную мощность серийного двигателя согласно SAE J1995. Производители, рекламирующие мощность и крутящий момент своих двигателей как сертифицированные по SAE J1349 или SAE J1995, должны следовать этой процедуре. Сертификация мощности и крутящего момента двигателя по SAE J1349 или SAE J1995 является добровольной, однако этот процесс сертификации мощности является обязательным для тех номинальных мощностей, которые рекламируются как «Сертифицировано по SAE J1349» или «Сертифицировано по SAE J1995». В случае, если двигатель, произведенный одним производителем, продается потребителю в транспортном средстве, произведенном вторым производителем, сертификация двигателя может быть завершена либо производителем, либо обоими производителями, работающими вместе.
Стандарт
Код испытания газового стенда турбокомпрессора
2015-03-25
WIP
J1826
Процедуры испытаний, изложенные в этой Рекомендации SAE, применимы к турбокомпрессорам с одним ротором, имеющим либо фиксированную, либо изменяемую геометрию, со следующей оговоркой: на данном этапе разработки турбокомпрессоров с изменяемой геометрией (VG) было бы нецелесообразно создавать турбокомпрессоры с изменяемой геометрией. подробная практика, охватывающая все типы турбокомпрессоров VG, которые могут развиваться.Однако существует требование указывать данные о производительности с установленной степенью точности и предоставлять исчерпывающую информацию о производительности. Это сформирует основу для этого документа, в который могут быть добавлены дальнейшие уточнения по мере необходимости и опыта.Целью этого документа является предоставление рекомендованной процедуры лабораторных испытаний и формата представления для определения характеристик компонентов турбокомпрессора. Предполагается, что эта процедура испытаний будет использоваться для определения рабочих характеристик компрессора турбонагнетателя и турбины.
Стандарт
Спецификация данных испытаний двигателя
2014-12-01
WIP
J3084
Этот стандарт предоставляет общие имена, определения и форматы данных испытаний двигателя.
Стандарт
Код испытания мощности двигателя— Искровое зажигание и зажигание от сжатия — Полная мощность и крутящий момент
2014-01-10
ТОК
J1995_201401
Этот стандарт SAE был принят в качестве основы для динамометрического определения полной мощности и крутящего момента двигателя в стандартных условиях.Он предназначен в первую очередь для использования производителями двигателей, которые поставляют двигатели для установки другими лицами в приложениях, где производитель двигателя не может контролировать конструкцию системы впуска и выпуска или скорость, с которой работает двигатель.
Стандарт
Код испытания мощности двигателя— искровое зажигание и зажигание от сжатия — номинальная полезная мощность в соответствии с установленной мощностью
2011-09-20
ТОК
J1349_201109
Этот стандарт предназначен для обеспечения метода получения повторяемых измерений, которые точно отражают истинные характеристики двигателя при обслуживании клиентов.Всякий раз, когда есть возможность интерпретировать стандарт, должны быть предприняты добросовестные усилия для получения типичных эксплуатационных характеристик двигателя и во избежание нахождения наилучших возможных характеристик в наилучших возможных условиях. Преднамеренное смещение компонентов двигателя или допусков сборки для оптимизации производительности этого испытания запрещено.
Стандарт
Вес двигателя, размеры, центр тяжести и момент инерции
2011-06-21
WIP
J2038
Эта Рекомендуемая практика SAE была разработана для обеспечения единого метода отчетности о массе, габаритах, центре тяжести и моменте инерции двигателей внутреннего сгорания.SAE J2038 не предназначен для ограничения технического взаимодействия между двигателем и трансмиссией. Чтобы расположить заднюю часть коленчатого вала двигателя по отношению к задней части картера маховика, см. SAE J617.
Стандарт
Номенклатура и терминология турбокомпрессоров
2011-06-13
ТОК
J922_201106
Эта Рекомендуемая практика SAE применяется к номенклатуре деталей турбокомпрессора и терминологии рабочих характеристик.
Стандарт
Процедура картирования рабочих характеристик — двигатели с искровым зажиганием и с воспламенением от сжатия
2010-04-30
WIP
J1312
Цель этого стандарта SAE — предоставить стандартизированную процедуру испытаний для создания карт характеристик двигателя, чтобы облегчить составление отчетов и сравнение данных.Карта характеристик двигателя — это список удельного расхода топлива двигателем, удельных выбросов выхлопных газов и других переменных, полученных при определенных оборотах двигателя и нагрузках. Карты характеристик двигателя, как указано в этом коде, в основном используются в индустрии легких транспортных средств и могут использоваться в программах моделирования экономии топлива. Этот документ применим как к четырехтактным двигателям с искровым зажиганием (SI), так и с воспламенением от сжатия (CI), без наддува и с наддувом, с охлаждением наддувочного воздуха или без него.Большое количество управляющих переменных, доступных в современных двигателях, обеспечивает большую гибкость в калибровке, и часто необходимо запускать карты частичной нагрузки, чтобы изучить относительные достоинства различных стратегий управления.
Стандарт
Код испытания мощности двигателя— искровое зажигание и зажигание от сжатия — номинальная полезная мощность
2008-03-06
ИСТОРИЧЕСКИЙ
J1349_200803
Этот стандарт SAE был принят SAE для определения: a.Основа для определения номинальной полезной мощности двигателя b. Стандартные условия испытаний впускного воздуха и подачи топлива c. Метод корректировки наблюдаемой мощности до нормальных условий d. Метод определения полезной мощности двигателя при полной нагрузке с помощью динамометра.
Стандарт
Код испытания мощности двигателя— Сертификат мощности и крутящего момента двигателя
2007-08-17
ИСТОРИЧЕСКИЙ
J2723_200708
В этом документе описывается процедура, которую должен использовать производитель для сертификации полезной мощности и номинального крутящего момента серийного двигателя в соответствии с SAE J1349 (Rev.8/04) или полную мощность серийного двигателя согласно SAE J1995. Производители, рекламирующие мощность и крутящий момент своих двигателей как сертифицированные по SAE J1349 или SAE J1995, должны следовать этой процедуре. Сертификация мощности и крутящего момента двигателя в соответствии с SAE J1349 или SAE J1995 является добровольной, однако этот процесс сертификации мощности является обязательным для заявленных номинальных мощностей как «Сертифицировано по SAE J1349». В случае, если двигатель, произведенный одним производителем, продается потребителю в транспортном средстве, произведенном вторым производителем, сертификация двигателя может быть завершена либо производителем, либо обоими производителями, работающими вместе.Примером последнего может быть завершение свидетельских испытаний изготовителем двигателя с представлением сертификационных документов изготовителем транспортного средства.
Стандарт
Код испытания мощности двигателя— Сертификат мощности и крутящего момента двигателя
2005-04-08
ИСТОРИЧЕСКИЙ
J2723_200504
В этом документе описывается процедура, которую должен использовать производитель для сертификации полезной мощности и номинального крутящего момента серийного двигателя в соответствии с J1349 (Rev.8/04) или полную мощность серийного двигателя согласно SAE J1995. Производители, рекламирующие мощность и крутящий момент своих двигателей как сертифицированные по SAE J1349 или SAE J1995, должны следовать этой процедуре. Сертификация мощности и крутящего момента двигателя по J1349 или J1995 является добровольной, однако этот процесс сертификации мощности является обязательным для тех номинальных мощностей, которые рекламируются как «Сертифицировано по SAE J1349».
Стандарт
Код испытания мощности двигателя— искровое зажигание и компрессионное зажигание — номинальная мощность
2004-08-23
ИСТОРИЧЕСКИЙ
J1349_200408
Этот стандарт SAE был принят SAE для определения: a.Основа для определения номинальной полезной мощности двигателя b. Стандартные условия испытаний впускного воздуха и подачи топлива c. Метод корректировки наблюдаемой мощности до нормальных условий d. Метод определения полезной мощности двигателя при полной нагрузке с помощью динамометра.
Стандарт
Код испытания мощности двигателя— искровое зажигание и компрессионное зажигание — номинальная мощность
2004-03-26
ИСТОРИЧЕСКИЙ
J1349_200403
Этот стандарт SAE был принят SAE для определения: a.Основа для определения номинальной полезной мощности двигателя b. Стандартные условия испытаний впускного воздуха и подачи топлива c. Метод корректировки наблюдаемой мощности до нормальных условий d. Метод определения полезной мощности двигателя при полной нагрузке с помощью динамометра.
Стандарт
СТАНДАРТ ИСПЫТАНИЯ ЗАРЯДНОГО УСТРОЙСТВА
1995-08-01
ТОК
J1723_199508
Этот тестовый документ применим ко всем нагнетателям, не требующим добавления топлива во впускаемый воздух перед нагнетателем.Этот стандарт SAE применяется только к стендовым испытаниям. Любые значения максимальной скорости, температуры и давления, указанные производителем, предназначены только для этого использования и не могут применяться к работающим двигателям. Этот документ был принят SAE для определения: a стандартной основы для оценки эффективности нагнетателя; b эталонных условий испытаний подачи воздуха на входе; c метода корректировки наблюдаемой эффективности до нормальных условий; d метода точного и удобного представления этих результатов; e A метод сравнения нагнетателей без влияния динамики двигателя и промежуточного охлаждения
Стандарт
ВРАЩЕНИЕ ДВИГАТЕЛЯ И НОМЕР ЦИЛИНДРОВ
1995-06-01
ТОК
J824_199506
Этот стандарт SAE был разработан для обеспечения метода указания направления вращения двигателя и нумерации цилиндров двигателя.Документ предназначен для использования при разработке новых двигателей, чтобы устранить различия, существующие в настоящее время в промышленности.
Стандарт
ПРОЦЕДУРА ОПРЕДЕЛЕНИЯ РАБОЧИХ ХАРАКТЕРИСТИК — ДВИГАТЕЛИ ИСКРОВОГО ЗАЖИГАНИЯ И КОМПРЕССИОННОГО ЗАЖИГАНИЯ
1995-06-01
ТОК
J1312_199506
Целью настоящего стандарта SAE является предоставление стандартизированной процедуры испытаний для создания карт характеристик двигателя.Карта характеристик двигателя — это список показателей расхода топлива двигателя в зависимости от крутящего момента или мощности, полученных при определенных оборотах двигателя и нагрузках. Карты производительности двигателя, указанные в этом коде, можно использовать в программах моделирования экономии топлива. Этот документ применим как к четырехтактным двигателям с искровым зажиганием (SI), так и с воспламенением от сжатия (CI), без наддува и с наддувом, с охлаждением наддувочного воздуха или без него.
Стандарт
Код испытания мощности двигателя— искровое зажигание и компрессионное зажигание — номинальная мощность
1995-06-01
ИСТОРИЧЕСКИЙ
J1349_199506
Этот стандарт предназначен для обеспечения метода получения повторяемых измерений, которые точно отражают истинные характеристики двигателя при обслуживании клиентов.Всякий раз, когда есть возможность интерпретировать стандарт, должны быть предприняты добросовестные усилия для получения типичных эксплуатационных характеристик двигателя и во избежание нахождения наилучших возможных характеристик в наилучших возможных условиях. Преднамеренное смещение компонента двигателя или допуска сборки для оптимизации производительности этого испытания запрещено. Этот стандарт SAE был принят SAE, чтобы указать: a. Основа для определения номинальной полезной мощности двигателя; б. Эталонные условия испытаний впускного воздуха и подачи топлива; c.Метод корректировки наблюдаемой мощности до нормальных условий; d. Метод определения полезной мощности двигателя при полной нагрузке с помощью динамометра; и е. процедура, гарантирующая, что средства управления двигателем работают в соответствии с эксплуатацией клиента.
Стандарт
Код испытания мощности двигателя— искровое зажигание и зажигание от сжатия — номинальная максимальная мощность
1995-06-01
ИСТОРИЧЕСКИЙ
J1995_199506
Этот стандарт SAE был принят SAE для определения: a.) Основу для полной номинальной мощности двигателя, б.) Эталонные условия испытаний впускного воздуха и подачи топлива, в.) Метод корректировки наблюдаемой мощности в соответствии с эталонными условиями, г.) Метод определения полной мощности двигателя при полной нагрузке с помощью динамометра. . Этот документ с кодами испытаний применим как к четырехтактным, так и к двухтактным двигателям с искровым зажиганием (SI) и воспламенением от сжатия (CI), без наддува и с наддувом, с охлаждением наддувочного воздуха и без него. Этот документ не распространяется на авиационные или судовые двигатели.Этот тестовый код заменяет те части SAE J1349, которые относятся к полной номинальной мощности. Стандартные спецификации дизельного топлива CI представляют собой средние значения диапазона для испытательного топлива типа 2-D EPA в соответствии с разделом 40 Свода федеральных правил, часть 86.1313-87. Соответствующий тестовый код для номинальной полезной мощности — SAE J1349. Документ для отображения характеристик двигателя — SAE J1312.
Стандарт
ЭТАЛОННЫЕ СТАНДАРТЫ ВОЗДУШНОГО ПОТОКА
1995-04-01
ТОК
J228_199504
Целью данной Рекомендуемой практики SAE является установление эталонных стандартов для измерений расхода воздуха в диапазонах, требуемых для тестирования систем впуска автомобильных двигателей, и описание оборудования, которое облегчит использование таких стандартов для проверки точности различного оборудования и методов.
Блоки питания — V этап
БОЛЬШЕ, МЕНЬШЕ — ДВИГАТЕЛИ СЕРИИ STAGE V / PERFORMANCE
В основе каждого силового агрегата лежит двигатель Cummins Stage V. Двигатели Cummins Stage V / Performance Series с повышенной производительностью, большей мощностью машины, большей надежностью и более простой конструкцией без EGR для двигателей объемом 12 л обеспечивают больше с меньшими затратами для поставщиков оборудования и операторов по всему миру.
- В среднем на 20% больше крутящего момента в диапазоне 75-320 кВт
- В среднем на 10% больше мощности в диапазоне 75-320 кВт
- Более высокая удельная мощность
- Снижение затрат на установку
- Возможные возможности уменьшения габаритов двигателя
- Дополнительная технология Start / Stop для повышения топливной эффективности до 15%
ПОЛНАЯ ИНТЕГРАЦИЯ БЛОКА МОЩНОСТИ
Силовые агрегаты Cummins представляют собой законченные, готовые механические силовые агрегаты, включающие двигатель серии Stage V / Performance и систему охлаждения.Все силовые агрегаты производятся в соответствии с теми же высокими стандартами, что и двигатели Cummins, и обеспечивают высочайшую надежность, возможности машины и производительность.
ТОПЛИВНАЯ СИСТЕМА XPI ОТ CUMMINS FUEL SYSTEMS
Топливная система Cummins XPI обеспечивает превосходные характеристики независимо от числа оборотов двигателя. Многократный впрыск за цикл повышает эффективность использования топлива и обеспечивает более плавную и тихую работу. Стальные поршни и роликовые толкатели с алмазоподобным покрытием делают эту топливную систему XPI самой прочной на сегодняшний день
СИСТЕМА ПОСЛЕ ОБРАБОТКИ SINGLE MODULE ™ ДЛЯ F3.СИЛОВЫЕ БЛОКИ 8 ™, B4.5 ™, B6.7 ™ и L9 ™
Компактная система последующей обработки Single Module ™ объединяет DOC, DPF и SCR в одном устройстве, которое занимает на 50% меньше места и весит на 30% меньше, чем предыдущая система
СИСТЕМА ПОСЛЕ ОБРАБОТКИ МОДУЛЯ FLEX ДЛЯ СИЛОВЫХ ПАКЕТОВ X12 и X15
Получите больше гибкости при установке благодаря множеству доступных конфигураций. Система последующей обработки Flex Module для X12 и X15 может удовлетворить потребности практически любого типа применения.
CUMMINS ДИЗЕЛЬНЫЙ ФИЛЬТР И СЕЛЕКТИВНОЕ КАТАЛИТИЧЕСКОЕ ВОССТАНОВЛЕНИЕ
Дизельный сажевый фильтр (DPF) Cummins, доказавший свою высокую эффективность на уровне Tier 4 Interim, фактически работает как пассивное устройство, при этом для активной регенерации требуется менее 1 процента рабочего времени и не влияет на работу оборудования.Учить больше.
ТОПЛИВНЫЕ ФИЛЬТРЫ FLEETGUARD NANONET
Топливные фильтрыFleetguard с усовершенствованной средой NanoNet обеспечивают до 13 раз большую защиту от частиц размером 4 микрона и более. Уникальная запатентованная конструкция без фильтра, неработающая конструкция предотвращает работу двигателя без установленного фильтра. Учить больше.
ПОЛНОСТЬЮ ИНТЕГРИРОВАННОЕ ЭЛЕКТРОННОЕ УПРАВЛЕНИЕ
Единый электронный блок управления (ЕСМ) повышенной производительности контролирует все, от забора воздуха до дополнительной обработки выхлопных газов, для максимальной производительности и почти нулевого уровня выбросов
Преимущества поршневых двигателей в электроэнергетике
Многие эксперты считают, что электростанции, построенные с поршневыми двигателями, являются идеальным дополнением к периодически возобновляемым источникам энергии.Рецептные установки очень гибкие. Помещения могут быть рассчитаны практически для любого случая использования; двигатели обладают высокой надежностью, обеспечивают быстрый запуск и остановку и могут работать на различных жидких и газообразных топливах; агрегаты очень эффективны (особенно при включении в комбинированные теплоэнергетические схемы) в широком диапазоне нагрузок; и установки имеют относительно низкую стоимость и могут быть построены быстро с минимальными рисками задержки.
Каждый в электроэнергетике (да и вообще в мире) знаком с поршневыми двигателями.В конце концов, именно они приводят в движение большинство транспортных средств, на которых люди ездят или ездят каждый день. Но когда люди думают о производстве электроэнергии, на ум приходят не поршневые двигатели. Более типичная электростанция использует турбины для вращения генераторов, работающих на паре или природном газе.
«Часто заказчики имеют давнюю предвзятость турбины и считают, что для многомоторной установки потребуется значительно больше обслуживающего персонала», — сказал Юкка Лехтонен, вице-президент по технологиям и управлению продуктами Wärtsilä Energy, POWER , отметив, что незнание технологии препятствует ее более широкому внедрению.«На самом деле персонал для эксплуатации и технического обслуживания рециркуляционной установки примерно такой же, как и для газотурбинной установки аналогичного размера».
Помимо неправильного представления о рабочей силе, есть и другие вещи, которые люди ошибаются в отношении растений-реципиентов. Многие люди думают, что поршневые двигатели подвержены высоким выбросам; в конце концов, кто не видел, как дизельный грузовик едет по дороге, из выхлопной трубы вырывается черный дым? Однако производители оригинального оборудования (OEM) уделяют пристальное внимание этой проблеме.
«В настоящее время наибольшую озабоченность наших клиентов вызывают выбросы и особенно поиск решений для сокращения выбросов CO 2 », — сказал д-р Тилман Тюткен, руководитель отдела продаж электростанций MAN Energy Solutions в Европе. «Наши двигатели оснащены новейшим оборудованием для снижения выбросов, которое снижает уровень выбросов до минимума. Кроме того, они также готовы к нейтральному по CO 2 будущему, поскольку они могут работать на синтетическом топливе, полученном из возобновляемых источников энергии с использованием технологии Power-to-X.Например, двухтопливные и газовые двигатели также смогут работать на синтетическом природном газе с нейтральным выбросом углерода в будущем без дополнительных технических приспособлений, что сделает их перспективными инвестициями для клиентов ».
Гибкость — ключ к успеху
Агенты по недвижимости часто говорят, что тремя наиболее важными атрибутами собственности являются местоположение, местоположение и местоположение. Сегодня тремя наиболее важными атрибутами электростанции могут быть гибкость, гибкость и гибкость. И у реципиентных растений эта черта скрыта.
Лехтонен отметил, что поршневые двигатели обеспечивают гибкую доставку. Их можно запускать несколько раз в день без штрафных санкций за обслуживание. Минимальное время безотказной работы двигателей Wärtsilä составляет одну минуту, минимальное время простоя — пять минут, а минимальная стабильная нагрузка составляет 10%. Эти функции делают двигатели идеальными для балансировки возобновляемых источников энергии, использования возможностей дополнительных услуг и оптимизации требований к диспетчеризации в реальном времени.
Поршневые двигателитакже гибки в отношении топлива (см. Врезку «Газовые двигатели обладают множеством преимуществ»).Они могут работать с очень широким спектром жидкого и газообразного топлива. Обычны природный газ и мазут, но двигатели также могут быть настроены для работы на различных видах биотоплива и биогаза, а также на углеродно-нейтральном синтетическом топливе, как отмечалось ранее. Кроме того, некоторые децентрализованные электростанции на базе двигателей используют сжиженный природный газ (СПГ). Компания Tütken отметила, что многие традиционные двигатели, работающие на жидком топливе, можно легко переоборудовать для работы на двух видах топлива, что дает владельцам гибкость при планировании.
Газовые двигатели предлагают множество преимуществ Карлос Ланге, генеральный директор и президент INNIO, в портфолио которого входят марки газовых двигателей Waukesha и Jenbacher, сказал POWER , что газовые двигатели обладают рядом преимуществ. Он сказал, что газовые двигатели дополняют возобновляемые источники энергии, балансируя и разделяя производство и потребление энергии. Кроме того, газовые двигатели могут работать не только на природном газе, но и на множестве других газов, включая биогаз, газ из органических отходов, газ сточных вод, синтетические газы и водород.Более того, они позволяют децентрализовать производство электроэнергии и тепла прямо в точке использования. INNIO, как сообщается, имеет около 6000 биогазовых двигателей, установленных по всему миру, которые преобразуют биогаз и биометан в электричество и тепло. Предоставляя индивидуальные энергетические решения, которые повышают электрическую эффективность, более высокую выходную мощность, более длительный срок службы, более низкие выбросы и топливную гибкость установленному парку энергетической компании, газовые двигатели помогают операторам электростанций идти в ногу с меняющимися рыночными условиями и удовлетворять новые потребности отрасли и решать новые задачи. срок службы активов. Удаленный доступ к оборудованию также может быть чрезвычайно полезным. Ланге сказал, что до трех четвертей новых поставленных газовых двигателей подключены к решению INNIO myPlant Assessment Performance Management (APM), облачной платформе расширенного Интернета вещей (IoT), которая позволяет осуществлять безопасный удаленный мониторинг активов двигателя. Ланге отметил, что производство электроэнергии становится все более децентрализованным, и сказал, что газовые двигатели лежат в основе этой глобальной трансформации энергии. Считается, что решения INNIO по распределенному энергоснабжению отлично подходят для экологически безопасного, экологически чистого и безопасного будущего. По словам Ланге, комбинированные теплоэлектроцентрали (ТЭЦ) могут достигать общего КПД до 95%. Это окупается как для оператора, так и для окружающей среды. По его словам, в некоторых случаях инвестиции в ТЭЦ окупаются за три-четыре года. Ланге в качестве примера упомянул завод в Германии. В январе 2020 года компания Stadtwerke Kiel заменила угольную электростанцию одной из самых современных и гибких ТЭЦ на базе газовых двигателей в Европе (Рисунок 1). Было установлено двадцать газовых двигателей Jenbacher J920 FleXtra, общая электрическая мощность которых составляет 190 МВт, а тепловая — 192 МВт.Электроэнергия и тепло от станции поступают в электрическую сеть и сеть централизованного теплоснабжения, которыми управляет Stadtwerke Kiel, помогая поддерживать стабильность сети по всей Северной Германии.
По всей Японии, газовые двигатели Waukesha обеспечивают высокоэффективную базовую / непрерывную мощность для ТЭЦ, а также быстрое аварийное резервное питание, сказал Ланге.Вырабатываемое тепло и электроэнергия в основном используются для горячего водоснабжения. По его словам, эти генераторные установки двойного назначения Waukesha помогают удовлетворить потребности клиентов в сочетании высокой эффективности и быстрого запуска. |
Размеры перерабатывающей установки также могут изменяться. Объекты могут быть построены буквально до любой мощности с использованием среднеоборотных двигателей примерно от 1 до 20 МВт каждый. Это делает станции идеальными для распределенной генерации, требующей размеров электростанций менее 50 МВт, и для более крупных станций мощностью в сотни МВт (рис. 2).
2. Реципиентные установки бывают всех размеров. Завод в Кискейе в Доминиканской Республике включает 24 многотопливных двигателя Wärtsilä Flexicycle 50DF, суммарная мощность которых составляет 430 МВт. Предоставлено: Wärtsilä |
Джим Уильямс-младший, директор NorthWestern Energy по тепловому и ветроэнергетическому производству, сказал, что гибкость также распространяется на возможности «выбора правильного размера» выработки электроэнергии в любой момент времени.Для некоторой предыстории, NorthWestern Energy подписала в июне сделку с Caterpillar Inc., чтобы известный OEM-производитель оборудования и двигателей поставил интегрированное энергетическое решение, которое включает шесть газогенераторных установок Cat G20CM34 (Рисунок 3) для новой электростанции мощностью 58 МВт будет построен недалеко от Гурона, Южная Дакота.
3. N orthWestern Energy строит электростанцию мощностью 58 МВт около Гурона, Южная Дакота, , которая будет включать шесть газогенераторных установок Cat G20CM34.Эти двигатели заменят турбины внутреннего сгорания, которые в настоящее время работают на электростанции Huron. Предоставлено: Caterpillar Inc. . |
Уильямс объяснил концепцию правильного определения размеров: «Допустим, нам нужны дополнительные 20 МВт мощности в системе. Если бы единственный способ удовлетворить эту потребность — это большая турбина внутреннего сгорания мощностью от 50 до 60 МВт, нам пришлось бы снизить мощность двигателя, что было бы чрезвычайно неэффективным и более дорогостоящим для наших клиентов. С другой стороны, имея парк генераторных установок мощностью 9 МВт, таких как те, которые мы устанавливаем в Гуроне, мы можем постепенно увеличивать или уменьшать нашу электрическую мощность в меньших блоках, что позволяет нам максимально эффективно удовлетворять потребности в электроэнергии. .”
Эффективность, надежность и отказоустойчивость
Поршневые двигатели не только универсальны, но и обладают высокой эффективностью. «Современные среднескоростные реципиентные установки простого цикла имеют полезную тепловую мощность в диапазоне 8000–8 400 БТЕ / кВтч (HHV [более высокая теплотворная способность], измеренная на стороне высокого напряжения повышающих трансформаторов). Это означает, что расход топлива на МВтч ниже примерно на 10% по сравнению с самой современной авиационной газовой турбиной », — сказал Лехтонен.
Tütken также хвастался эффективностью поршневых двигателей в широком диапазоне нагрузок и условий эксплуатации.«Двигательные электростанции могут достигать КПД более 50% в одном цикле», — сказал он. «В составе когенерационной электростанции вы можете даже получить КПД системы до 95%».
Кроме того, двигатели менее чувствительны к переменным высотам, температуре окружающей среды и влажности, чем другие технологии. Например, исследования показали, что эффективность газовой турбины снижается примерно на 1% на каждые 10 градусов повышения температуры по сравнению с условиями Международной организации по стандартизации (ISO).Это может привести к снижению выходной мощности в некоторых условиях от 5% до 10% для газовых турбин. Между тем, поршневые двигатели сохраняют свой номинальный КПД и выходную мощность в более широком диапазоне условий окружающей среды.
Чтобы компенсировать снижение производительности, производители газовых турбин используют различные методы охлаждения входящего воздуха и повышения мощности турбины, включая испарительные охладители и механические охладители. Однако охлаждение приточного воздуха требует дополнительного энергопотребления, а эффективность систем охлаждения сильно зависит от влажности окружающей среды.Для поршневых двигателей расход воды не требуется. На перерабатывающих заводах используется радиаторное охлаждение с замкнутым контуром, и никогда не требуется впрыск воды для увеличения выходной мощности.
Когда дело доходит до надежности, двигатели трудно превзойти. «Частота вынужденных простоев составляет менее 1% на единицу, что означает, что для многоблочной установки вероятность того, что все двигатели будут сразу отключены из-за простоя, бесконечно мала (по сравнению с одновальной установкой). Кроме того, обслуживание может быть поэтапным, чтобы обеспечить максимальную оперативную мощность в любой момент времени », — сказал Лехтонен.
Williams также отметил преимущество многомоторной установки. «Когда одна турбина большой мощности отключается для обслуживания или ремонта, мы теряем все возможности по выработке электроэнергии на этой станции. В качестве альтернативы, управляя парком из нескольких газогенераторных установок, у нас есть дополнительные агрегаты, которые позволят восполнить запасы в случае отключения одной из них », — сказал он.
Возможность запуска двигателя с нуля, которую предлагают двигатели, — еще одно преимущество, которое невозможно переоценить. Многие владельцы заводов выбрали поршневые двигатели из-за устойчивости, которую это преимущество обеспечивает во время суровых погодных условий или других стихийных бедствий (см. Врезку «Преимущества островного режима»).
Преимущества островного режима Pacific Gas and Electric’s (PG&E’s) Humboldt Bay Generating Station в Юрика, Калифорния, объект, введенный в эксплуатацию в 2010 году с 10 двигателями Wärtsilä 18V50DF, завершил реконфигурацию в июне, что позволит отделить части округа Гумбольдт от более крупной энергосистемы и использовать исключительно энергию от станции при воздействии на источники передачи, которые импортируют, экспортируют и стабилизируют электроэнергию в близлежащие районы.PG&E сообщила, что теперь с помощью этого растения возможно «изолировать» 20 городов и поселков, включая Эврику, Аркату, Мак-Кинливилль и Фортуну, а также некоторые племенные общины. «Это важная веха не только для округа Гумбольдт, где клиенты получат прямую выгоду, но и для всех клиентов в нашей зоне обслуживания, которые выиграют, поскольку мы ищем инновационные решения для снижения воздействия отключений электроэнергии для общественной безопасности [PSPS]. », — сказал Энди Визи, генеральный директор коммунальной компании PG&E, в заявлении о завершении проекта. PSPS— это одна из мер, принятых некоторыми коммунальными предприятиями Калифорнии для снижения риска лесных пожаров в периоды высоких температур, экстремальной засухи и сильных ветров. В определенных ситуациях компании отключают электроэнергию в регионах, чтобы снизить риск отказа оборудования и возникновения лесных пожаров. Жертвы лесных пожаров подали иски против PG&E на миллиарды долларов, вынудив компанию объявить о банкротстве 29 января 2019 года. Компания вышла из главы 11 1 июля 2020 года и предприняла ряд шагов, чтобы избежать проблем в будущем. «Наши жители и предприятия пережили лишения во время защитных отключений, даже когда в округе Гумбольдт не было угрозы лесного пожара», — говорится в заявлении первого окружного инспектора округа Гумбольдт Рекс Бон. «Руководство PG&E ответило на наши призывы, чтобы в следующий раз сделать все возможное, чтобы снизить воздействие». В зависимости от ситуации, до 67 000 клиентов, которые могли потерять электроэнергию, когда районы за пределами округа Гумбольдт столкнулись с экстремальными погодными условиями, теперь могут получать электроэнергию за счет изолирования от приемной станции.PG&E заявила, что размер зоны под напряжением можно масштабировать в соответствии с масштабом потенциального события PSPS и других условий, которые могут повлиять на сеть в то время. |
Надежный выбор для генераторов
Реципиентные установкичасто имеют стандартизированную модульную конструкцию, которая сводит к минимуму время строительства, что значительно ускоряет их строительство, чем газовые турбины комбинированного цикла или паровые / котельные установки. Типовые сроки исполнения для проектов «под ключ» составляют от года до 18 месяцев.Ввод в эксплуатацию обычно занимает от одного до двух месяцев в зависимости от размера завода.
«Как и в случае с каждой новой электростанцией, которую мы планируем построить, мы провели исчерпывающую оценку текущей и ожидаемой потребности в электроэнергии для территории, обслуживаемой Гурон-генерирующей станцией. Мы также провели опрос, чтобы оценить все доступные технологии и выбрать сочетание, которое наилучшим образом соответствует нашим потребностям », — сказал Уильямс POWER , отметив, что поршневые двигатели являются самым дешевым средством удовлетворения требований NorthWestern Energy к достаточности ресурсов портфеля.
«В этом конкретном случае технология поршневого двигателя является лучшим решением. Это дает нам возможность быстрого наращивания мощности, надежности и правильного размера энергоблоков, необходимых для экономически эффективного покрытия периодических дефицитов для наших клиентов.

