Π Π΅Π³ΡΠ»ΠΈΡΠΎΠ²ΠΊΠ° ΡΡΠ΅ΠΏΠ»Π΅Π½ΠΈΡ:ΡΡΡΡΠΎΠΉΡΡΠ²ΠΎ, ΠΊΠ°ΠΊ ΠΏΡΠΎΠ²ΠΎΠ΄ΠΈΡΡ ΡΠ΅Π³ΡΠ»ΠΈΡΠΎΠ²ΠΊΡ, ΠΎΡΠΎΠ±Π΅Π½Π½ΠΎΡΡΠΈ,
Π‘ΡΠ΅ΠΏΠ»Π΅Π½ΠΈΠ΅ ΡΠ²Π»ΡΠ΅ΡΡΡ ΠΎΠ΄Π½ΠΎΠΉ ΠΈΠ· Π²Π°ΠΆΠ½Π΅ΠΉΡΠΈΡ ΡΠ°ΡΡΠ΅ΠΉ ΡΡΠ°Π½ΡΠΌΠΈΡΡΠΈΠΈ Π°Π²ΡΠΎΠΌΠΎΠ±ΠΈΠ»Ρ. ΠΠ»Π°Π³ΠΎΠ΄Π°ΡΡ Π΅ΠΌΡ ΡΠ΄Π°Π΅ΡΡΡ Π½Π° Π½Π΅ΠΊΠΎΡΠΎΡΠΎΠ΅ Π²ΡΠ΅ΠΌΡ ΡΠ°ΡΡΠΎΠ΅Π΄ΠΈΠ½ΠΈΡΡ ΡΠ²ΡΠ·Ρ ΠΊΠΎΠ»Π΅Π½ΡΠ°ΡΠΎΠ³ΠΎ Π²Π°Π»Π° Π΄Π²ΠΈΠ³Π°ΡΠ΅Π»Ρ ΠΎΡ ΠΏΠ΅ΡΠ²ΠΈΡΠ½ΠΎΠ³ΠΎ Π²Π°Π»Π° ΠΠΠ Π΄Π»Ρ ΡΠ΅Π³ΡΠ»ΠΈΡΠΎΠ²ΠΊΠΈ ΠΏΠ΅ΡΠ΅Π΄Π°ΡΠΈ ΠΊΡΡΡΡΡΠ΅Π³ΠΎ ΠΌΠΎΠΌΠ΅Π½ΡΠ°. ΠΠ΅Π΄Π°Π»Ρ ΡΡΠ΅ΠΏΠ»Π΅Π½ΠΈΡ β ΠΎΡΠ½ΠΎΠ²Π½ΠΎΠ΅ ΡΠ²ΡΠ·ΡΡΡΠ΅Π΅ Π·Π²Π΅Π½ΠΎ ΠΌΠ΅ΠΆΠ΄Ρ Π²ΠΎΠ΄ΠΈΡΠ΅Π»Π΅ΠΌ ΠΈ ΡΡΠ°Π½ΡΠΌΠΈΡΡΠΈΠ΅ΠΉ.
Π‘ΡΡΠΎΠ΅Π½ΠΈΠ΅ ΠΈ ΠΌΠ΅Ρ Π°Π½ΠΈΠ·ΠΌ ΡΡΠ΅ΠΏΠ»Π΅Π½ΠΈΡ
Π‘Π΅Π³ΠΎΠ΄Π½Ρ Π½Π° Π±ΠΎΠ»ΡΡΠΈΠ½ΡΡΠ²Π΅ Π’Π‘ ΡΡΡΠ°Π½ΠΎΠ²Π»Π΅Π½ ΠΎΠ΄Π½ΠΎΠ΄ΠΈΡΠΊΠΎΠ²ΡΠΉ ΡΡΠΈΠΊΡΠΈΠΎΠ½Π½ΡΠΉ ΡΠΈΠΏ ΡΡΠ΅ΠΏΠ»Π΅Π½ΠΈΡ, ΠΊΠΎΡΠΎΡΡΠΉ ΠΈΠΌΠ΅Π΅Ρ Π΄Π²Π΅ ΠΎΡΠ½ΠΎΠ²Π½ΡΡ ΡΠΎΡΡΠ°Π²Π»ΡΡΡΠΈΡ : ΠΏΡΠΈΠ²ΠΎΠ΄ ΠΈ ΠΌΠ΅Ρ Π°Π½ΠΈΠ·ΠΌ. ΠΠ΅ΡΠ²ΡΠΉ ΡΠ°ΡΠΏΠΎΠ»Π°Π³Π°Π΅ΡΡΡ Π½Π° ΡΡΠ°ΡΠΈΡΠ½ΡΡ ΡΠ°ΡΡΡΡ ΠΊΡΠ·ΠΎΠ²Π° ΠΈΠ»ΠΈ ΡΠ°ΠΌΡ. Π§ΡΠΎΠ±Ρ ΠΊΡΠ°ΡΠΊΠΎΠ²ΡΠ΅ΠΌΠ΅Π½Π½ΠΎ ΠΎΡΡΠΎΠ΅Π΄ΠΈΠ½ΠΈΡΡ ΠΊΠΎΠ»Π΅Π½ΡΠ°ΡΡΠΉ Π²Π°Π» Π΄Π²ΠΈΠ³Π°ΡΠ΅Π»Ρ ΠΎΡ Π²Π°Π»Π° ΠΠΠ, Π½Π΅ΠΎΠ±Ρ ΠΎΠ΄ΠΈΠΌΠΎ Π²ΡΠΆΠ°ΡΡ Π΄ΠΎ ΡΠΏΠΎΡΠ° ΠΏΠ΅Π΄Π°Π»Ρ ΡΡΠ΅ΠΏΠ»Π΅Π½ΠΈΡ, Β«ΠΎΡΠΊΠ»ΡΡΠΈΠ² Π΅Π³ΠΎΒ». Π ΠΌΠΎΠΌΠ΅Π½Ρ Π½Π°ΠΆΠ°ΡΠΈΡ, ΡΡΠΎΠΊ Π½Π°ΠΏΡΠ°Π²Π»ΡΠ΅Ρ Π΄Π°Π²Π»Π΅Π½ΠΈΠ΅ ΠΎΡ ΠΏΠΎΡΡΠ½Ρ Π³Π»Π°Π²Π½ΠΎΠ³ΠΎ ΡΠΈΠ»ΠΈΠ½Π΄ΡΠ° ΠΊ ΡΠ°Π±ΠΎΡΠ΅ΠΌΡ. ΠΠΎΡΠ»Π΅Π΄Π½ΠΈΠΉ ΠΏΠ΅ΡΠ΅ΠΌΠ΅ΡΠ°Π΅Ρ ΡΡΠΈΠ»ΠΈΠ΅ ΠΊ ΠΌΠ΅Ρ Π°Π½ΠΈΠ·ΠΌΡ ΡΠ΅ΡΠ΅Π· Π²ΠΈΠ»ΠΊΡ Π²ΡΠΊΠ»ΡΡΠ΅Π½ΠΈΡ ΠΈ Π½Π°ΠΆΠΈΠΌΠ½ΠΎΠΉ ΠΏΠΎΠ΄ΡΠΈΠΏΠ½ΠΈΠΊ. Π ΠΌΠΎΠΌΠ΅Π½Ρ ΡΠΌΠ΅Π½ΡΡΠ΅Π½ΠΈΡ Π΄Π°Π²Π»Π΅Π½ΠΈΡ β ΠΏΡΡΠΆΠΈΠ½Ρ Π²ΠΎΠ·Π²ΡΠ°ΡΠ° ΠΏΡΠΈΠ²ΠΎΠ΄Π° Π²Π΅ΡΠ½ΡΡ ΡΠ»Π΅ΠΌΠ΅Π½ΡΡ Π½Π° ΠΈΡΡ ΠΎΠ΄Π½ΡΠ΅ ΠΌΠ΅ΡΡΠ°.
Π§Π°ΡΠ΅ Π²ΡΠ΅Π³ΠΎ Π½Π° Π°Π²ΡΠΎΠΌΠΎΠ±ΠΈΠ»ΡΡ ΠΌΠΎΠΆΠ½ΠΎ Π²ΡΡΡΠ΅ΡΠΈΡΡ Π½Π΅ΡΠΊΠΎΠ»ΡΠΊΠΎ ΡΠΈΠΏΠΎΠ² ΠΏΡΠΈΠ²ΠΎΠ΄Π°:
- ΠΠΈΠ΄ΡΠ°Π²Π»ΠΈΡΠ΅ΡΠΊΠΈΠΉ. Π ΠΊΠΎΠ½ΡΡΡΡΠΊΡΠΈΠΈ ΠΏΡΠ΅Π΄ΡΡΠΌΠΎΡΡΠ΅Π½Π° ΡΡΡΠ±ΠΊΠ° Ρ Π²ΡΡΠΎΠΊΠΈΠΌ Π΄Π°Π²Π»Π΅Π½ΠΈΠ΅ΠΌ ΡΠ°Π±ΠΎΡΠ΅ΠΉ ΠΆΠΈΠ΄ΠΊΠΎΡΡΠΈ, ΠΊΠΎΡΠΎΡΠ°Ρ ΠΏΡΠΈΠ²ΠΎΠ΄ΠΈΡ Π² Π΄Π΅ΠΉΡΡΠ²ΠΈΠ΅ Π²ΡΠ΅ ΠΌΠ΅Ρ Π°Π½ΠΈΠ·ΠΌΡ.
- ΠΠ΅Ρ Π°Π½ΠΈΡΠ΅ΡΠΊΠΈΠΉ. Π£ΡΠΈΠ»ΠΈΠ΅, Ρ ΠΊΠΎΡΠΎΡΡΠΌ Π²ΡΠΆΠ°ΡΠ° ΠΏΠ΅Π΄Π°Π»Ρ, ΠΏΠ΅ΡΠ΅Π΄Π°Π΅ΡΡΡ ΡΡΠΎΡΠΎΠΌ Π½Π° Π²ΡΠΆΠΈΠΌΠ½ΡΡ Π²ΠΈΠ»ΠΊΡ.
- ΠΠ»Π΅ΠΊΡΡΠΈΡΠ΅ΡΠΊΠΈΠΉ. ΠΠ»Π΅ΠΊΡΡΠΎΠΌΠΎΡΠΎΡ Π·Π°ΠΏΡΡΠΊΠ°Π΅Ρ Π² Π΄Π΅ΠΉΡΡΠ²ΠΈΠ΅ ΡΡΠΎΡ, ΠΊΠΎΡΠΎΡΡΠΉ Π΄Π΅ΠΉΡΡΠ²ΡΠ΅Ρ Π°Π½Π°Π»ΠΎΠ³ΠΈΡΠ½ΠΎ ΠΌΠ΅Ρ Π°Π½ΠΈΡΠ΅ΡΠΊΠΎΠΌΡ ΠΏΡΠΈΠ²ΠΎΠ΄Ρ.
- ΠΠ½Π΅Π²ΠΌΠ°ΡΠΈΡΠ΅ΡΠΊΠΈΠΉ. Π§Π°ΡΠ΅ Π²ΡΠ΅Π³ΠΎ ΠΈΡΠΏΠΎΠ»ΡΠ·ΡΠ΅ΡΡΡ Π½Π° Π³ΡΡΠ·ΠΎΠ²ΠΎΠΌ ΡΡΠ°Π½ΡΠΏΠΎΡΡΠ΅, Ρ ΡΠ΅Π»ΡΡ ΡΠΌΠ΅Π½ΡΡΠΈΡΡ ΡΡΠ΅Π±ΡΠ΅ΠΌΠΎΠ΅ ΡΡΠΈΠ»ΠΈΠ΅ Π΄Π»Ρ Π²ΡΠΊΠ»ΡΡΠ΅Π½ΠΈΡ ΠΏΠ΅Π΄Π°Π»ΠΈ. Π ΠΊΠΎΠ½ΡΡΡΡΠΊΡΠΈΠΈ ΠΏΡΠ΅Π΄ΡΡΠΌΠΎΡΡΠ΅Π½ ΠΏΠ½Π΅Π²ΠΌΠΎΡΡΠΈΠ»ΠΈΠ΅Π»Ρ, ΠΊΠΎΡΠΎΡΡΠΉ ΠΎΠΊΠ°Π·ΡΠ²Π°Π΅Ρ Π²ΠΎΠ·Π΄Π΅ΠΉΡΡΠ²ΠΈΠ΅ Π½Π° ΠΊΠ»Π°ΠΏΠ°Π½Ρ ΠΏΠΎΡΡΠ½Π΅ΠΉ.
ΠΠΎΠ½ΡΡΡΡΠΊΡΠΈΡ ΡΡΠ΅ΠΏΠ»Π΅Π½ΠΈΡ Π² ΠΊΠ°ΡΡΠ΅ΡΠ΅ ΡΠΎΡΡΠΎΠΈΡ ΠΈΠ· Π½Π΅ΡΠΊΠΎΠ»ΡΠΊΠΈΡ Π΄ΠΈΡΠΊΠΎΠ²: Π²Π΅Π΄ΠΎΠΌΡΠΉ ΠΈ Π½Π°ΠΆΠΈΠΌΠ½ΠΎΠΉ. ΠΠ΅ΡΠ²ΡΠΉ Π½Π°Ρ ΠΎΠ΄ΠΈΡΡΡ Π½Π° ΡΠ»ΠΈΡΠ°Ρ Π²Π°Π»Π° ΠΠΠ, Π° Π²ΡΠΎΡΠΎΠΉ Π½Π° ΠΊΠΎΠΆΡΡ Π΅ ΠΌΠ°Ρ ΠΎΠ²ΠΈΠΊΠ°. ΠΡΠ΄Π΅Π»ΡΠ½ΠΎ Π½Π° ΡΠ°ΡΠΎΠ²ΡΡ ΠΎΠΏΠΎΡΠ°Ρ Π΅ΡΡΡ ΠΎΡΠΆΠΈΠΌΠ½ΡΠ΅ ΡΡΡΠ°Π³ΠΈ, Π° Π²Π΅Π΄ΠΎΠΌΡΠΉ Π΄ΠΈΡΠΊ ΡΠΎΠ΅Π΄ΠΈΠ½ΡΠ΅ΡΡΡ Ρ ΠΊΠΎΠ½ΡΡΡΡΠΊΡΠΈΠ΅ΠΉ ΡΠ°ΡΠ½ΠΈΡΠ½ΠΎ.
ΠΠ΅Π΄ΠΎΠΌΡΠΉ Π΄ΠΈΡΠΊ ΡΡΠ°ΡΠΈΡΠ½ΠΎ Π·Π°ΠΊΡΠ΅ΠΏΠ»Π΅Π½ ΠΌΠ΅ΠΆΠ΄Ρ ΠΊΠΎΠ»Π΅Π½ΡΠ°ΡΡΠΌ Π²Π°Π»ΠΎΠΌ ΠΈ Π½Π°ΠΆΠΈΠΌΠ½ΡΠΌ Π΄ΠΈΡΠΊΠΎΠΌ ΠΏΡΠΈ ΠΏΠΎΠ»Π½ΠΎΡΡΡΡ Π²ΡΠΊΠ»ΡΡΠ΅Π½Π½ΠΎΠΌ ΡΡΠ΅ΠΏΠ»Π΅Π½ΠΈΠΈ.
ΠΡΠΎΠ±Π΅Π½Π½ΠΎΡΡΠΈ ΡΡΠ΅ΠΏΠ»Π΅Π½ΠΈΡ Π² ΠΠΠΠ ΠΈ ΠΠΠΠ
Π‘ΡΠ΅ΠΏΠ»Π΅Π½ΠΈΠ΅ Π±ΡΠ²Π°Π΅Ρ ΠΎΠ΄Π½ΠΎ- ΠΈΠ»ΠΈ Π΄Π²ΡΡ Π΄ΠΈΡΠΊΠΎΠ²ΠΎΠ΅. Π Π·Π°Π²ΠΈΡΠΈΠΌΠΎΡΡΠΈ ΠΎΡ ΠΏΡΠΈΠ½ΡΠΈΠΏΠ° ΡΠ°Π±ΠΎΡΡ Π΄Π΅Π»ΠΈΡΡΡ Π½Π° Β«Π²Π»Π°ΠΆΠ½ΠΎΠ΅Β» (ΠΏΡΠΈ Π½Π°Π»ΠΈΡΠΈΠΈ ΠΌΠ°ΡΠ»Π° ΠΈΠ»ΠΈ ΡΠΌΠ°Π·ΡΠ²Π°ΡΡΠ΅Π³ΠΎ Π²Π΅ΡΠ΅ΡΡΠ²Π°) ΠΈ Β«ΡΡΡ ΠΎΠ΅Β». Π’Π°ΠΊ Π²ΠΎΡ Π² ΠΠΠΠ ΡΠ°ΡΠ΅ Π²ΡΠ΅Π³ΠΎ ΠΏΡΠ΅Π΄ΡΡΠΌΠΎΡΡΠ΅Π½ΠΎ ΠΌΠ½ΠΎΠ³ΠΎΠ΄ΠΈΡΠΊΠΎΠ²ΠΎΠ΅ Π²Π»Π°ΠΆΠ½ΠΎΠ΅ ΡΡΠ΅ΠΏΠ»Π΅Π½ΠΈΠ΅.
ΠΠ²ΠΈΠ΄Ρ ΠΎΡΡΡΡΡΡΠ²ΠΈΡ ΠΏΠ΅Π΄Π°Π»ΠΈ, ΡΡΠΈΠ»ΠΈΠ΅ Π² ΠΠΠΠ ΠΏΠ΅ΡΠ΅Π΄Π°Π΅ΡΡΡ ΡΠ΅ΡΠ²ΠΎΠΏΡΠΈΠ²ΠΎΠ΄ΠΎΠΌ, ΠΈΠ»ΠΈ Π°ΠΊΡΡΠ°ΡΠΎΡΠΎΠΌ. ΠΠΎΠ½ΡΡΠΎΠ»ΠΈΡΡΠ΅ΡΡΡ Π²ΡΡ ΡΡΡΠ°Π½ΠΎΠ²ΠΊΠ° ΠΏΡΠΈ ΠΏΠΎΠΌΠΎΡΠΈ Π±Π»ΠΎΠΊΠ° ΡΠΏΡΠ°Π²Π»Π΅Π½ΠΈΡ ΠΈ Π³ΠΈΠ΄ΡΠ°Π²Π»ΠΈΡΠ΅ΡΠΊΠΎΠ³ΠΎ ΡΠ°ΡΠΏΡΠ΅Π΄Π΅Π»ΠΈΡΠ΅Π»Ρ. Π ΠΠΠΠ ΠΏΠ΅ΡΠ΅ΠΌΠ΅Π½Π½ΠΎ ΡΠ°Π±ΠΎΡΠ°ΡΡ Π΄Π²Π° Π²ΠΈΠ΄Π° ΡΡΠ΅ΠΏΠ»Π΅Π½ΠΈΡ. ΠΠΊΡΡΠ°ΡΠΎΡΡ ΠΎΡΠ»ΠΈΡΠ°ΡΡΡΡ ΠΏΡΠΈΠ½ΡΠΈΠΏΠΎΠΌ Π΄Π΅ΠΉΡΡΠ²ΠΈΡ:
- ΠΠ»Π΅ΠΊΡΡΠΈΡΠ΅ΡΠΊΠΈΠΉ (ΠΈΠ½Π°ΡΠ΅ β ΡΠ°Π³ΠΎΠ²ΡΠΉ Π΄Π²ΠΈΠ³Π°ΡΠ΅Π»Ρ). Π Π±Π»ΠΎΠΊΡ ΡΠΏΡΠ°Π²Π»Π΅Π½ΠΈΡ ΠΏΠΎΡΡΠΎΡΠ½Π½ΠΎ ΠΏΡΠΈΡ ΠΎΠ΄ΡΡ Π΄Π°Π½Π½ΡΠ΅ ΠΎΠ± ΠΎΠ±ΠΎΡΠΎΡΠ°Ρ Π΄Π²ΠΈΠ³Π°ΡΠ΅Π»Ρ, ΠΈ ΠΏΡΠΈ ΠΎΠΏΡΠ΅Π΄Π΅Π»Π΅Π½Π½ΠΎΠΌ ΠΏΠΎΠΊΠ°Π·Π°ΡΠ΅Π»Π΅ ΡΠ΅ΡΠ²ΠΎΠΏΡΠΈΠ²ΠΎΠ΄ ΠΏΠΎΠ»ΡΡΠ°Π΅Ρ ΡΠΎΠΎΡΠ²Π΅ΡΡΡΠ²ΡΡΡΠΈΠΉ ΡΠΈΠ³Π½Π°Π». ΠΠ΅ΡΠ΅Π΄Π°ΡΠΎΡΠ½ΡΠΉ ΠΌΠ΅Ρ Π°Π½ΠΈΠ·ΠΌ ΠΎΡΡΠΎΠ΅Π΄ΠΈΠ½ΡΠ΅Ρ ΠΊΠΎΠ»Π΅Π½ΡΠ°ΡΡΠΉ ΠΈ ΠΏΠ΅ΡΠ²ΠΈΡΠ½ΡΠΉ Π²Π°Π».
- ΠΠΈΠ΄ΡΠ°Π²Π»ΠΈΡΠ΅ΡΠΊΠΈΠΉ β Π³ΠΈΠ΄ΡΠΎΡΠΈΠ»ΠΈΠ½Π΄Ρ. Π ΠΌΠ΅Ρ Π°Π½ΠΈΠ·ΠΌΠ΅ ΠΏΡΠΈΠ²ΠΎΠ΄Π° ΠΌΠ°ΡΠ»ΡΠ½ΡΠΉ Π½Π°ΡΠΎΡ ΠΏΠ΅ΡΠ΅Π΄Π°Π΅Ρ Π΄Π°Π²Π»Π΅Π½ΠΈΠ΅ Π² ΡΠ°ΡΠΏΡΠ΅Π΄Π΅Π»ΠΈΡΠ΅Π»Ρ, ΠΏΡΠΈ ΠΎΠΏΡΠ΅Π΄Π΅Π»Π΅Π½Π½ΡΡ ΡΡΠ»ΠΎΠ²ΠΈΡΡ Π½Π° ΡΠ΅ΡΠ²ΠΎΠΏΡΠΈΠ²ΠΎΠ΄. ΠΠΎΡΠ»Π΅ ΡΠΌΠ΅Π½Ρ ΠΏΠ΅ΡΠ΅Π΄Π°ΡΠΈ ΡΡΠΈΠ»ΠΈΠ΅ Π½Π°ΡΠΎΡΠ° ΡΠ½ΠΈΠΆΠ°Π΅ΡΡΡ.
ΠΡΠΈΡΠΈΠ½Ρ Π΄Π»Ρ ΡΠ΅Π³ΡΠ»ΠΈΡΠΎΠ²ΠΊΠΈ ΠΏΠ΅Π΄Π°Π»ΠΈ ΡΡΠ΅ΠΏΠ»Π΅Π½ΠΈΡ
ΠΠ°ΠΆΠ½ΠΎ ΠΏΠΎΠ½ΠΈΠΌΠ°ΡΡ, ΡΡΠΎ Π½Π΅ΠΏΡΠ°Π²ΠΈΠ»ΡΠ½Π°Ρ ΡΠ°Π±ΠΎΡΠ° ΡΡΠ΅ΠΏΠ»Π΅Π½ΠΈΡ ΠΌΠΎΠΆΠ΅Ρ ΠΏΡΠ°ΠΊΡΠΈΡΠ΅ΡΠΊΠΈ Π½Π΅ ΡΠΎΠ·Π΄Π°Π²Π°ΡΡ ΠΏΡΠΎΠ±Π»Π΅ΠΌ ΠΏΡΠΈ Π΄Π²ΠΈΠΆΠ΅Π½ΠΈΠΈ, Π½ΠΎ, ΡΠ΅ΠΌ Π½Π΅ ΠΌΠ΅Π½Π΅Π΅ ΠΎΠ½Π° Π·Π½Π°ΡΠΈΡΠ΅Π»ΡΠ½ΠΎ ΡΠΎΠΊΡΠ°ΡΠΈΡ ΡΡΠΎΠΊ ΡΠ»ΡΠΆΠ±Ρ ΡΡΠ΅ΠΏΠ½ΠΎΠ³ΠΎ ΠΌΠ΅Ρ Π°Π½ΠΈΠ·ΠΌΠ° ΠΈ ΠΊΠΎΡΠΎΠ±ΠΊΠΈ ΠΏΠ΅ΡΠ΅Π΄Π°Ρ. Π‘ΠΎ Π²ΡΠ΅ΠΌΠ΅Π½Π΅ΠΌ, Π΄ΠΈΡΠΊΠΈ ΠΈΠ·Π½Π°ΡΠΈΠ²Π°ΡΡΡΡ, ΡΡΠΎ ΡΠ²Π΅Π»ΠΈΡΠΈΠ²Π°Π΅Ρ Π·Π°Π·ΠΎΡ Ρ ΠΎΠ΄Π° ΠΏΠΎΠ΄ΡΠΈΠΏΠ½ΠΈΠΊΠ° ΠΈ Π΄ΠΈΡΠΊΠΎΠ².
ΠΠΎΠΆΠ½ΠΎ Π²ΡΠ΄Π΅Π»ΠΈΡΡ Π΄Π²Π΅ ΠΎΡΠ½ΠΎΠ²Π½ΡΡ ΠΏΡΠΈΡΠΈΠ½Ρ, ΠΏΡΠΈ ΠΊΠΎΡΠΎΡΡΡ ΠΎΠ±ΡΠ·Π°ΡΠ΅Π»ΡΠ½ΠΎ Π½Π΅ΠΎΠ±Ρ ΠΎΠ΄ΠΈΠΌΠ° ΡΠ΅Π³ΡΠ»ΠΈΡΠΎΠ²ΠΊΠ° ΠΏΠ΅Π΄Π°Π»ΠΈ:
- ΠΠ°ΠΌΠ΅Π½Π° ΡΡΠΎΡΠ° ΡΡΠ΅ΠΏΠ»Π΅Π½ΠΈΡ Π² ΠΌΠ΅Ρ Π°Π½ΠΈΡΠ΅ΡΠΊΠΎΠΌ ΠΏΡΠΈΠ²ΠΎΠ΄Π΅ ΠΈΠ»ΠΈ Π·Π°ΠΌΠ΅Π½Π° ΡΠ°Π±ΠΎΡΠ΅Π³ΠΎ ΡΠΈΠ»ΠΈΠ½Π΄ΡΠ°. ΠΠΎΡΠ»Π΅ ΠΏΠΎΠ΄ΠΎΠ±Π½ΠΎΠ³ΠΎ Π²ΠΌΠ΅ΡΠ°ΡΠ΅Π»ΡΡΡΠ²Π° Π² ΡΡΡΡΠΊΡΡΡΡ ΡΠ°Π±ΠΎΡΡ ΠΊΠΎΠ½ΡΡΡΡΠΊΡΠΈΠΈ ΠΏΡΠΈΠ²ΠΎΠ΄Π° ΡΠ΅Π³ΡΠ»ΠΈΡΠΎΠ²ΠΊΠ° ΡΠ²Π»ΡΠ΅ΡΡΡ ΠΎΠ±ΡΠ·Π°ΡΠ΅Π»ΡΠ½ΠΎΠΉ ΠΏΡΠΎΡΠ΅Π΄ΡΡΠΎΠΉ.
- ΠΠ·ΠΌΠ΅Π½Π΅Π½ΠΈΠ΅ Ρ
ΠΎΠ΄Π° ΠΏΠ΅Π΄Π°Π»ΠΈ. Π‘Π»ΠΈΡΠΊΠΎΠΌ Π±ΠΎΠ»ΡΡΠΎΠΉ Ρ
ΠΎΠ΄ ΠΌΠΎΠΆΠ΅Ρ Π²ΠΎΠ·Π½ΠΈΠΊΠ½ΡΡΡ ΡΠΎ Π²ΡΠ΅ΠΌΠ΅Π½Π΅ΠΌ ΠΈΠ·Π½ΠΎΡΠ° ΡΡΠΈΠΊΡΠΈΠΎΠ½Π½ΡΡ
Π½Π°ΠΊΠ»Π°Π΄ΠΎΠΊ. ΠΠΎ ΠΈΠ·Π±Π΅ΠΆΠ°Π½ΠΈΠ΅ Π½Π΅Π³Π°ΡΠΈΠ²Π½ΡΡ
ΠΏΠΎΡΠ»Π΅Π΄ΡΡΠ²ΠΈΠΉ Π»ΡΡΡΠ΅ ΡΠ΅Π³ΡΠ»ΡΡΠ½ΠΎ ΠΏΡΠΎΠ²ΠΎΠ΄ΠΈΡΡ Π·Π°ΠΌΠ΅ΡΡ ΡΠ°Π±ΠΎΡΠ΅Π³ΠΎ Ρ
ΠΎΠ΄Π°.
Π Π±ΠΎΠ»ΡΡΠΈΠ½ΡΡΠ²Π΅ ΠΈΠ½ΠΎΠΌΠ°ΡΠΎΠΊ ΠΏΡΠΎΠ²ΠΎΠ΄ΠΈΡΡ ΡΠ΅Π³ΡΠ»ΠΈΡΠΎΠ²ΠΊΡ Π½Π΅ ΡΡΠ΅Π±ΡΠ΅ΡΡΡ, ΡΠ°ΠΊ ΠΊΠ°ΠΊ Π² Π½ΠΈΡ ΡΡΡΠ°Π½ΠΎΠ²Π»Π΅Π½ ΡΠ°ΠΌΠΎΡΠ΅Π³ΡΠ»ΠΈΡΡΡΡΠΈΠΉΡΡ ΠΌΠ΅Ρ Π°Π½ΠΈΠ·ΠΌ. ΠΡΠ»ΠΈΡΠΈΠ΅ ΠΊΠΎΠ½ΡΡΡΡΠΊΡΠΈΠΈ Π·Π°ΡΡΠ±Π΅ΠΆΠ½ΠΎΠ³ΠΎ ΠΏΡΠΎΠΈΠ·Π²ΠΎΠ΄ΡΡΠ²Π° ΠΎΡ ΠΎΡΠ΅ΡΠ΅ΡΡΠ²Π΅Π½Π½ΠΎΠ³ΠΎ, Π·Π°ΠΊΠ»ΡΡΠ°Π΅ΡΡΡ Π² Π½Π΅ΠΊΠΎΡΠΎΡΡΡ Π΄Π΅ΡΠ°Π»ΡΡ Ρ ΡΠ°ΠΏΠΎΠ²ΠΎΠ³ΠΎ ΠΌΠ΅Ρ Π°Π½ΠΈΠ·ΠΌΠ°.
ΠΡΠ΄Π΅Π»ΡΠ½ΠΎΠΉ ΠΏΡΠΈΡΠΈΠ½ΠΎΠΉ Π΄Π»Ρ ΡΠ΅Π³ΡΠ»ΠΈΡΠΎΠ²ΠΊΠΈ ΡΠ²Π»ΡΡΡΡΡ ΠΏΠ΅ΡΠ΅Π±ΠΎΠΈ Π² ΡΠ°Π±ΠΎΡΠ΅ ΠΠΠ. ΠΡΠ»ΠΈ Π½ΡΠΆΠ½Π°Ρ ΠΏΠ΅ΡΠ΅Π΄Π°ΡΠ° Π½Π΅ Π²ΠΊΠ»ΡΡΠ°Π΅ΡΡΡ, ΠΈΠ»ΠΈ Π²ΠΊΠ»ΡΡΠ°Π΅ΡΡΡ ΠΏΡΠΎΠ±Π»Π΅ΠΌΠ½ΠΎ β ΡΡΠ΅ΠΏΠ»Π΅Π½ΠΈΠ΅ Π½Π΅Π΄ΠΎΠΆΠ°ΡΠΎ. Π ΠΈΠ½ΠΎΠΌ ΡΠ»ΡΡΠ°Π΅, Π°Π²ΡΠΎΠΌΠΎΠ±ΠΈΠ»Ρ ΠΌΠΎΠΆΠ΅Ρ Π½Π΅ ΡΡΠΎΠ³Π°ΡΡΡΡ ΠΏΡΠΈ Π²ΠΊΠ»ΡΡΠ΅Π½Π½ΠΎΠΌ ΡΡΠ΅ΠΏΠ»Π΅Π½ΠΈΠΈ. Π’ΠΎΠ³Π΄Π° ΠΌΠΎΠΆΠ½ΠΎ Π³ΠΎΠ²ΠΎΡΠΈΡΡ ΠΎ ΡΠΈΠ»ΡΠ½ΠΎ Π½Π°ΡΡΠ½ΡΡΠΎΠΌ ΡΡΠΎΡΠ΅ ΠΌΠ΅Ρ Π°Π½ΠΈΡΠ΅ΡΠΊΠΎΠ³ΠΎ ΠΏΡΠΈΠ²ΠΎΠ΄Π°.
ΠΠ°ΠΊ ΠΏΡΠΎΠ²Π΅ΡΠΈΡΡ ΡΠ²ΠΎΠ±ΠΎΠ΄Π½ΡΠΉ Ρ ΠΎΠ΄ ΠΏΠ΅Π΄Π°Π»ΠΈ
Π‘Π²ΠΎΠ±ΠΎΠ΄Π½ΡΠΉ Ρ ΠΎΠ΄ ΡΡΠ΅ΠΏΠ»Π΅Π½ΠΈΡ β ΠΏΡΠΎΠΌΠ΅ΠΆΡΡΠΎΠΊ Π΄Π²ΠΈΠΆΠ΅Π½ΠΈΡ ΠΏΠ΅Π΄Π°Π»ΠΈ Ρ ΠΌΠΎΠΌΠ΅Π½ΡΠ° Π½Π°ΠΆΠ°ΡΠΈΡ Π΄ΠΎ ΠΌΠΎΠΌΠ΅Π½ΡΠ° ΡΡΠ°Π±Π°ΡΡΠ²Π°Π½ΠΈΡ. ΠΠΎΠΆΠ½ΠΎ Π·Π°ΠΌΠ΅ΡΠΈΡΡ, ΡΡΠΎ ΠΏΡΠΈ Π½Π°ΠΆΠ°ΡΠΈΠΈ Π½Π° ΡΡΠ΅ΠΏΠ»Π΅Π½ΠΈΠ΅, ΡΠ½Π°ΡΠ°Π»Π° Π½Π΅ ΠΏΡΠΎΠΈΡΡ ΠΎΠ΄ΠΈΡ Π΄ΠΎΠ»ΠΆΠ½ΠΎΠ³ΠΎ ΡΠΎΠΏΡΠΎΡΠΈΠ²Π»Π΅Π½ΠΈΡ, ΠΈ Π³Π΄Π΅-ΡΠΎ Π½Π° ΡΠ΅ΡΠ΅Π΄ΠΈΠ½Π΅ Ρ ΠΎΠ΄Π° ΠΏΠΎΡΠ²Π»ΡΠ΅ΡΡΡ ΡΡΠΈΠ»Π΅Π½ΠΈΠ΅ ΠΆΠ΅ΡΡΠΊΠΎΡΡΠΈ.
ΠΡΠ»ΠΈ ΡΡΠ°Π½ΡΠΏΠΎΡΡΠ½ΠΎΠ΅ ΡΡΠ΅Π΄ΡΡΠ²ΠΎ ΡΡΠΎΠ³Π°Π΅ΡΡΡ ΡΡΠ°Π·Ρ ΠΏΡΠΈ ΠΊΠ°ΡΠ°Π½ΠΈΠΈ Π½Π° ΠΏΠ΅Π΄Π°Π»Ρ, ΡΠΎ Π»ΡΡΡΠ΅ ΠΏΡΠΎΠΈΠ·Π²Π΅ΡΡΠΈ ΡΠ΅Π³ΡΠ»ΠΈΡΠΎΠ²ΠΊΡ Π² ΡΡΠΎΡΠ½ΠΎΠΌ ΠΏΠΎΡΡΠ΄ΠΊΠ΅, ΠΏΠΎΡΠΊΠΎΠ»ΡΠΊΡ ΡΠ²ΠΎΠ±ΠΎΠ΄Π½ΡΠΉ Ρ ΠΎΠ΄ ΠΏΠΎΠ»Π½ΠΎΡΡΡΡ ΠΎΡΡΡΡΡΡΠ²ΡΠ΅Ρ. Π ΠΎΠ±ΡΠ°ΡΠ½ΠΎΠΌ ΡΠ»ΡΡΠ°Π΅ β ΠΏΠ΅Π΄Π°Π»Ρ ΠΌΠΎΠΆΠ΅Ρ Π±ΡΡΡ Π²ΡΠΆΠ°ΡΠ° Π² ΠΏΠΎΠ», Π° Π°Π²ΡΠΎΠΌΠΎΠ±ΠΈΠ»Ρ Π½Π΅ ΡΡΠΎΠ³Π°Π΅ΡΡΡ Ρ ΠΌΠ΅ΡΡΠ°.
Π‘Π²ΠΎΠ±ΠΎΠ΄Π½ΡΠΉ Ρ ΠΎΠ΄ ΠΎΠ±ΡΠ·Π°ΡΠ΅Π»Π΅Π½ Π΄Π»Ρ Π²ΡΠ΅Ρ ΡΡΡΠ½ΡΡ ΠΠΠ, ΠΏΠΎΡΠΊΠΎΠ»ΡΠΊΡ ΠΎΠ½ ΠΎΠ±ΠΎΠ·Π½Π°ΡΠ°Π΅Ρ Π·Π°Π·ΠΎΡ ΠΌΠ΅Π΄Ρ Π²ΠΈΠ»ΠΊΠΎΠΉ, ΠΏΠΎΠ΄ΡΠΈΠΏΠ½ΠΈΠΊΠΎΠΌ ΠΈ ΡΡΡΠ°Π³Π°ΠΌΠΈ Π΄ΠΈΡΠΊΠΎΠ² ΠΈ ΠΈΡΠΊΠ»ΡΡΠ°Π΅Ρ ΠΏΠΎΡΡΠΎΡΠ½Π½ΡΠΉ ΠΊΠΎΠ½ΡΠ°ΠΊΡ ΠΏΠΎΠ΄ΡΠΈΠΏΠ½ΠΈΠΊΠ° Ρ Π΄ΡΡΠ³ΠΈΠΌΠΈ ΡΠ»Π΅ΠΌΠ΅Π½ΡΠ°ΠΌΠΈ ΠΌΠ΅Ρ Π°Π½ΠΈΠ·ΠΌΠ°. ΠΠ°ΠΆΠ½ΠΎ ΡΠ»Π΅Π΄ΠΈΡΡ Π·Π° ΡΠ°Π·ΠΌΠ΅ΡΠΎΠΌ ΡΠ²ΠΎΠ±ΠΎΠ΄Π½ΠΎΠ³ΠΎ Ρ ΠΎΠ΄Π°, ΠΏΠΎΡΠΊΠΎΠ»ΡΠΊΡ Π΅ΡΠ»ΠΈ ΠΎΠ½ Π±ΡΠ΄Π΅Ρ ΠΈΠ·Π»ΠΈΡΠ½Π΅ Π±ΠΎΠ»ΡΡΠΈΠΌ β ΠΏΠΎΠ»Π½ΠΎΠ³ΠΎ Π½Π°ΠΆΠ°ΡΠΈΡ Π½Π΅ Ρ Π²Π°ΡΠΈΡ, ΡΡΠΎΠ±Ρ ΠΏΠ΅ΡΠ΅Π΄Π°ΡΡ Π΄ΠΎΡΡΠ°ΡΠΎΡΠ½ΠΎΠ΅ ΡΡΠΈΠ»ΠΈΠ΅ Π΄Π»Ρ Π²ΡΠΆΠΈΠΌΠ° Π²Π΅Π΄ΡΡΠ΅Π³ΠΎ Π΄ΠΈΡΠΊΠ°.
ΠΡΠ΄Π΅Π»ΡΠ½ΠΎΠΉ ΠΏΡΠΈΡΠΈΠ½ΠΎΠΉ Π΄Π»Ρ ΠΏΡΠΎΠ²Π΅ΡΠΊΠΈ ΡΠ²ΠΎΠ±ΠΎΠ΄Π½ΠΎΠ³ΠΎ Ρ ΠΎΠ΄Π° ΡΠ²Π»ΡΠ΅ΡΡΡ ΡΡΠΌ ΠΈ ΡΡΠ²ΠΊΠΈ ΠΏΡΠΈ Π²Π·Π°ΠΈΠΌΠΎΠ΄Π΅ΠΉΡΡΠ²ΠΈΠΈ ΡΠΎ ΡΡΠ΅ΠΏΠ»Π΅Π½ΠΈΠ΅ΠΌ. ΠΡΠΎΠΈΠ·Π²Π΅ΡΡΠΈ Π·Π°ΠΌΠ΅Ρ ΠΏΠΎΠ΄ΠΎΠ±Π½ΠΎΠ³ΠΎ ΠΏΠΎΠΊΠ°Π·Π°ΡΠ΅Π»Ρ ΠΌΠΎΠΆΠ½ΠΎ ΡΠ°ΠΌΠΎΡΡΠΎΡΡΠ΅Π»ΡΠ½ΠΎ Π»ΠΈΠ½Π΅ΠΉΠΊΠΎΠΉ.
ΠΠ΅ΠΎΠ±Ρ ΠΎΠ΄ΠΈΠΌΠΎ Π·Π°ΠΌΠ΅ΡΠΈΡΡ ΠΏΠ΅ΡΠΏΠ΅Π½Π΄ΠΈΠΊΡΠ»ΡΡΠ½ΠΎΠ΅ ΡΠ°ΡΡΡΠΎΡΠ½ΠΈΠ΅ ΠΎΡ ΠΏΠΎΠ»Π° Π΄ΠΎ Π½Π°ΠΆΠΈΠΌΠ½ΠΎΠΉ Π½Π°ΠΊΠ»Π°Π΄ΠΊΠΈ. ΠΠ°Π»Π΅Π΅ ΠΏΡΠΈ Π°ΠΊΠΊΡΡΠ°ΡΠ½ΠΎΠΌ Π½Π°ΠΆΠ°ΡΠΈΠΈ Π½Π° ΠΏΠ΅Π΄Π°Π»Ρ ΡΡΠΎΠΈΡ ΠΎΡΠΌΠ΅ΡΠΈΡΡ Ρ ΠΎΠ΄ Π΄ΠΎ ΠΏΠ΅ΡΠ²ΠΎΠ³ΠΎ ΠΏΠΎΡΠ²Π»Π΅Π½ΠΈΡ ΡΠΎΠΏΡΠΎΡΠΈΠ²Π»Π΅Π½ΠΈΡ. Π Π΅Π·ΡΠ»ΡΡΠ°Ρ Π½Π΅ΠΎΠ±Ρ ΠΎΠ΄ΠΈΠΌΠΎ ΡΠ²Π΅ΡΠΈΡΡ Ρ Π΄Π°Π½Π½ΡΠΌΠΈ Π² ΡΡΠΊΠΎΠ²ΠΎΠ΄ΡΡΠ²Π΅ ΠΏΠΎ ΡΠΊΡΠΏΠ»ΡΠ°ΡΠ°ΡΠΈΠΈ Π°Π²ΡΠΎΠΌΠΎΠ±ΠΈΠ»Ρ.
ΠΠ±ΡΠ°Ρ ΡΡΠ΅Π΄Π½ΡΡ Π½ΠΎΡΠΌΠ° Ρ ΠΎΠ΄Π° ΡΡΠ΅ΠΏΠ»Π΅Π½ΠΈΡ Π΄Π»Ρ Π°Π²ΡΠΎΠΌΠΎΠ±ΠΈΠ»Ρ β 160 ΠΌΠΌ.
ΠΡΠΎΡΠΈΠ»Π°ΠΊΡΠΈΠΊΡ ΠΈ ΡΠ΅Π³ΡΠ»ΠΈΡΠΎΠ²ΠΊΡ ΡΠ΅ΠΊΠΎΠΌΠ΅Π½Π΄ΠΎΠ²Π°Π½ΠΎ ΠΏΡΠΎΠ²ΠΎΠ΄ΠΈΡΡ ΠΊΠ°ΠΆΠ΄ΡΠ΅ 20 ΡΡΡΡΡ ΠΊΠΌ ΠΏΡΠΎΠ±Π΅Π³Π°.
ΠΡΠΎΠ²Π΅ΡΠΊΠ° Π·Π°Π·ΠΎΡΠ° ΠΈ ΡΠ΅Π³ΡΠ»ΠΈΡΠΎΠ²ΠΊΠ° ΡΠ°Π±ΠΎΡΡ Π²ΠΈΠ»ΠΊΠΈ ΡΡΠ΅ΠΏΠ»Π΅Π½ΠΈΡ
Π§ΡΠΎΠ±Ρ ΠΏΡΠΎΠ²Π΅ΡΠΈΡΡ ΡΠ°Π±ΠΎΡΡ Π²ΠΈΠ»ΠΊΠΈ ΡΡΠ΅ΠΏΠ»Π΅Π½ΠΈΡ, Π½Π΅ΠΎΠ±Ρ ΠΎΠ΄ΠΈΠΌΠΎ Π½Π°ΠΉΡΠΈ ΡΠ΅Π·ΡΠ±ΠΎΠ²ΡΠ΅ Π²ΡΡΠ»ΠΊΠΈ Π½Π° ΠΊΠΎΠ½ΡΠ΅ ΡΡΠΎΡΠ° ΡΡΠ΅ΠΏΠ»Π΅Π½ΠΈΡ ΠΈ Π·Π°ΠΌΠ΅ΡΠΈΡΡ ΡΠ°Π·Π½ΠΈΡΡ Π·Π°Π·ΠΎΡΠ° ΠΌΠ΅ΠΆΠ΄Ρ Π½ΠΈΠΌΠΈ Π² ΡΠΎΡΡΠΎΡΠ½ΠΈΠΈ ΠΏΠΎΠΊΠΎΡ ΠΈ Π² ΡΡΠΎΠΏΠ»Π΅Π½Π½ΠΎΠΌ ΠΏΠΎΠ»ΠΎΠΆΠ΅Π½ΠΈΠΈ. ΠΠΈΠ½Π΅ΠΉΠΊΡ Π½Π΅ΠΎΠ±Ρ ΠΎΠ΄ΠΈΠΌΠΎ ΡΠ°ΡΠΏΠΎΠ»ΠΎΠΆΠΈΡΡ ΠΎΠΊΠΎΠ»ΠΎ ΡΡΠΎΡΠ° ΠΈ ΠΊΡΠ°Π΅ΠΌ ΠΊΠΎΡΠΏΡΡΠ°. ΠΠΎΡΠ»Π΅ ΡΠΎΠ³ΠΎ ΠΊΠ°ΠΊ ΡΡΡΠ°Π³ Π²ΡΠΆΠ°Ρ Π΄ΠΎ ΡΠΏΠΎΡΠ° ΠΈΠ·ΠΌΠ΅ΡΡΠ΅ΡΡΡ ΡΠ°ΡΡΡΠΎΡΠ½ΠΈΠ΅.
ΠΡΠΎΡΡΠΌ ΡΡΠ°ΠΏΠΎΠΌ Π½Π΅ΠΎΠ±Ρ ΠΎΠ΄ΠΈΠΌΠΎ Π²ΡΡΡΠ½ΡΡΡ ΡΡΡΠ°Π³ ΠΈ ΠΏΠΎΠ²ΡΠΎΡΠΈΡΡ ΠΈΠ·ΠΌΠ΅ΡΠ΅Π½ΠΈΠ΅. ΠΠΎΠΊΠ°Π·Π°ΡΠ΅Π»ΠΈ ΡΡΠ°Π²Π½ΠΈΠ²Π°ΡΡ ΠΎΡΠ½ΠΎΡΠΈΡΠ΅Π»ΡΠ½ΠΎ Π΄Π°Π½Π½ΡΡ ΠΏΡΠΎΠΈΠ·Π²ΠΎΠ΄ΠΈΡΠ΅Π»Ρ ΠΈ, Π² ΡΠ»ΡΡΠ°Π΅ Π½Π΅ΠΎΠ±Ρ ΠΎΠ΄ΠΈΠΌΠΎΡΡΠΈ, ΡΠ΅Π³ΡΠ»ΠΈΡΡΡΡ. ΠΠ»Ρ ΡΡΠΎΠ³ΠΎ ΠΎΡΠ»Π°Π±Π»ΡΡΡ ΠΊΠΎΠ½ΡΡΠ³Π°ΠΉΠΊΡ (Ρ VW β ΠΊΡΡΠ»ΡΡΠ°ΡΠ°Ρ Π³Π°ΠΉΠΊΠ°) ΠΈ Π²ΡΠ²ΠΎΡΠ°ΡΠΈΠ²Π°ΡΡ ΠΏΠΎ ΠΌΠ΅ΡΠ΅ Π½Π΅ΠΎΠ±Ρ ΠΎΠ΄ΠΈΠΌΠΎΡΡΠΈ, ΡΠΌΠ΅Π½ΡΡΠ°Ρ ΠΈΠ»ΠΈ ΡΠ²Π΅Π»ΠΈΡΠΈΠ²Π°Ρ Π·Π°Π·ΠΎΡ. ΠΠΎΡΠ»Π΅ Π²ΡΠ΅Ρ Π΄Π΅ΠΉΡΡΠ²ΠΈΠΉ ΠΏΠ»ΠΎΡΠ½ΠΎ ΡΠΈΠΊΡΠΈΡΡΡΡ ΠΈ Π½Π΅ΡΠΊΠΎΠ»ΡΠΊΠΎ ΡΠ°Π· Π²ΡΠΆΠΈΠΌΠ°ΡΡ ΠΏΠ΅Π΄Π°Π»Ρ ΡΡΠ΅ΠΏΠ»Π΅Π½ΠΈΡ. Π§ΡΠΎΠ±Ρ ΠΏΡΠΎΠ²Π΅ΡΠΈΡΡ ΡΡΡΠ΅ΠΊΡΠΈΠ²Π½ΠΎΡΡΡ ΠΏΡΠΎΠ²Π΅Π΄Π΅Π½Π½ΡΡ Π΄Π΅ΠΉΡΡΠ²ΠΈΠΉ Π·Π°ΠΌΠ΅ΡΡ Π½Π΅ΠΎΠ±Ρ ΠΎΠ΄ΠΈΠΌΠΎ ΠΏΠΎΠ²ΡΠΎΡΠΈΡΡ ΠΈ ΡΡΠ°Π²Π½ΠΈΡΡ ΡΠ΅Π·ΡΠ»ΡΡΠ°ΡΡ.
Π’Π΅Ρ Π½ΠΎΠ»ΠΎΠ³ΠΈΡ ΡΠ΅Π³ΡΠ»ΠΈΡΠΎΠ²ΠΊΠΈ ΠΌΠ΅Ρ Π°Π½ΠΈΡΠ΅ΡΠΊΠΎΠ³ΠΎ ΡΡΠ΅ΠΏΠ»Π΅Π½ΠΈΡ
ΠΡΠΏΡΠ°Π²Π½Π°Ρ ΡΠ°Π±ΠΎΡΠ° ΡΡΠ΅ΠΏΠ»Π΅Π½ΠΈΡ Ρ ΠΌΠ΅Ρ Π°Π½ΠΈΡΠ΅ΡΠΊΠΈΠΌ ΠΏΡΠΈΠ²ΠΎΠ΄ΠΎΠΌ Π·Π°Π²ΠΈΡΠΈΡ ΠΎΡ Π±ΠΎΠ»ΡΠ° ΡΠ΅Π³ΡΠ»ΠΈΡΠΎΠ²ΠΊΠΈ. ΠΠ½ Π½Π°Ρ ΠΎΠ΄ΠΈΡΡΡ ΠΏΠΎΠ΄ ΠΊΠ°ΠΏΠΎΡΠΎΠΌ ΡΡΠ΄ΠΎΠΌ Ρ ΠΎΠΊΠΎΠ½ΡΠ°Π½ΠΈΠ΅ΠΌ ΡΡΠΎΡΠ°. Π₯ΠΎΠ΄ ΠΏΠ΅Π΄Π°Π»ΠΈ Π±ΡΠ΄Π΅Ρ ΠΌΠ΅Π½ΡΡΡΡΡ ΠΎΡΠ½ΠΎΡΠΈΡΠ΅Π»ΡΠ½ΠΎ ΠΏΠΎΠ²ΠΎΡΠΎΡΠ° Π³Π°ΠΉΠΊΠΈ Π² ΡΡ ΠΈΠ»ΠΈ ΠΈΠ½ΡΡ ΡΡΠΎΡΠΎΠ½Ρ.
Π ΠΈΠ΄Π΅Π°Π»Π΅, ΡΠ°Π±ΠΎΡΠΈΠΉ Ρ ΠΎΠ΄ ΡΠΎΡΡΠ°Π²Π»ΡΠ΅Ρ 12β13 ΡΠΌ. ΠΠΎΡΠ»Π΅ ΠΎΠΊΠΎΠ½ΡΠ°Π½ΠΈΡ ΡΠ°Π±ΠΎΡ Π½Π°Π΄ Π³Π°ΠΉΠΊΠΎΠΉ, ΠΏΠ΅Π΄Π°Π»Ρ Π½Π΅ΠΎΠ±Ρ ΠΎΠ΄ΠΈΠΌΠΎ ΡΡΠΈΠΆΠ΄Ρ Π²ΡΠΆΠ°ΡΡ ΠΈ Π·Π°Π½ΠΎΠ²ΠΎ ΠΏΡΠΎΠΈΠ·Π²Π΅ΡΡΠΈ Π·Π°ΠΌΠ΅Ρ Ρ ΠΎΠ΄Π°. ΠΡΠ»ΠΈ ΡΠ΅Π·ΡΠ»ΡΡΠ°Ρ Π½Π΅ ΠΎΠΏΡΠ°Π²Π΄Π°Π» ΠΎΠΆΠΈΠ΄Π°Π½ΠΈΠΉ, ΡΠ΅Π³ΡΠ»ΠΈΡΠΎΠ²ΠΊΡ ΠΏΠΎΠ²ΡΠΎΡΡΡΡ.
ΠΠ°ΠΊ ΠΏΡΠΎΠ²Π΅ΡΠΈΡΡ ΠΈ ΠΎΡΡΠ΅Π³ΡΠ»ΠΈΡΠΎΠ²Π°ΡΡ ΡΡΠ΅ΠΏΠ»Π΅Π½ΠΈΠ΅ Ρ Π³ΠΈΠ΄ΡΠ°Π²Π»ΠΈΡΠ΅ΡΠΊΠΈΠΌ ΠΏΡΠΈΠ²ΠΎΠ΄ΠΎΠΌ
Π Π°Π±ΠΎΡΠ° ΠΌΠ΅Ρ Π°Π½ΠΈΡΠ΅ΡΠΊΠΎΠ³ΠΎ ΠΈ Π³ΠΈΠ΄ΡΠ°Π²Π»ΠΈΡΠ΅ΡΠΊΠΎΠ³ΠΎ ΠΏΡΠΈΠ²ΠΎΠ΄Π° ΠΈΠΌΠ΅ΡΡ ΡΠ²ΠΎΠΈ ΠΊΠΎΠ½ΡΡΡΡΠΊΡΠΎΡΡΠΊΠΈΠ΅ ΠΎΡΠ»ΠΈΡΠΈΡ. Π ΡΠ²ΡΠ·ΠΈ Ρ ΡΡΠΈΠΌ, ΡΡΠΎΠ±Ρ ΠΎΡΡΠ΅Π³ΡΠ»ΠΈΡΠΎΠ²Π°ΡΡ Π³ΠΈΠ΄ΡΠ°Π²Π»ΠΈΡΠ΅ΡΠΊΠΎΠ΅ ΡΡΠ΅ΠΏΠ»Π΅Π½ΠΈΠ΅ Π½Π΅ΠΎΠ±Ρ ΠΎΠ΄ΠΈΠΌΠΎ ΠΏΡΠΎΠΊΠΎΠ½ΡΡΠΎΠ»ΠΈΡΠΎΠ²Π°ΡΡ ΠΎΠ±ΡΡΡ Π΄Π»ΠΈΠ½Ρ ΠΎΡ ΡΡΠΎΠΊΠ° ΡΠΎΠ»ΠΊΠ°ΡΠ΅Π»Ρ Π΄ΠΎ Π²ΠΈΠ»ΠΊΠΈ. Π‘ΠΎΠ³Π»Π°ΡΠ½ΠΎ Π½ΠΎΡΠΌΠ°ΠΌ, ΠΎΠ½Π° Π΄ΠΎΠ»ΠΆΠ½Π° ΡΠΎΡΡΠ°Π²Π»ΡΡΡ ΠΎΠΊΠΎΠ»ΠΎ 5 ΠΌΠΌ.
ΠΠ°ΡΠ΅ΠΌ ΠΎΡΡΠΎΠ΅Π΄ΠΈΠ½ΡΡΡ ΠΏΡΡΠΆΠΈΠ½Ρ ΠΎΡ ΠΊΡΠΎΠ½ΡΡΠ΅ΠΉΠ½Π° ΡΠ°Π±ΠΎΡΠ΅Π³ΠΎ ΡΠΈΠ»ΠΈΠ½Π΄ΡΠ°. ΠΠ° ΡΡΠΎΠΊΠ΅ Π½Π°Ρ
ΠΎΠ΄ΠΈΡΡΡ Π³Π°ΠΉΠΊΠ° ΡΠ΅Π³ΡΠ»ΠΈΡΠΎΠ²ΠΊΠΈ, ΠΎΡΠ²ΠΎΡΠ°ΡΠΈΠ²Π°Ρ ΠΊΠΎΡΠΎΡΡΡ ΠΌΠΎΠΆΠ½ΠΎ ΠΈΠ·ΠΌΠ΅Π½ΠΈΡΡ Ρ
ΠΎΠ΄ Π²ΠΈΠ»ΠΊΠΈ Π΄ΠΎ Π½Π΅ΠΎΠ±Ρ
ΠΎΠ΄ΠΈΠΌΠΎΠ³ΠΎ ΡΠ΅Π·ΡΠ»ΡΡΠ°ΡΠ°. ΠΠ±ΡΠΈΠ΅ ΠΏΠΎΠ½ΡΡΠΈΡ ΠΎΠ± ΠΈΠ·ΠΌΠ΅Π½Π΅Π½ΠΈΠΈ ΡΠ°Π±ΠΎΡΠ΅Π³ΠΎ ΠΈ ΡΠ²ΠΎΠ±ΠΎΠ΄Π½ΠΎΠ³ΠΎ Ρ
ΠΎΠ΄Π° ΠΌΠΎΠ³ΡΡ ΠΎΡΠ»ΠΈΡΠ°ΡΡΡΡ Π² Π·Π°Π²ΠΈΡΠΈΠΌΠΎΡΡΠΈ ΠΎΡ ΠΏΡΠΎΠΈΠ·Π²ΠΎΠ΄ΠΈΡΠ΅Π»Ρ ΡΡΠ°Π½ΡΠΏΠΎΡΡΠ½ΠΎΠ³ΠΎ ΡΡΠ΅Π΄ΡΡΠ²Π°.
ΠΠ°ΠΊ Π²ΠΈΠ΄ΠΈΡΠ΅, ΠΎΡΠΎΠ±ΡΡ ΡΡΡΠ΄Π½ΠΎΡΡΠ΅ΠΉ Π² ΡΠ΅Π³ΡΠ»ΠΈΡΠΎΠ²ΠΊΠ΅ ΠΈ Π½Π°ΡΡΡΠΎΠΉΠΊΠ΅ ΡΡΠ΅ΠΏΠ»Π΅Π½ΠΈΡ Π½Π΅Ρ. Π’Π΅ΠΌ Π½Π΅ ΠΌΠ΅Π½Π΅Π΅ Π½ΠΎΠ²ΠΈΡΠΊΡ ΡΠ»Π΅Π΄ΡΠ΅Ρ Π²Π½ΠΈΠΌΠ°ΡΠ΅Π»ΡΠ½ΠΎ ΡΠ»Π΅Π΄ΠΎΠ²Π°ΡΡ Π²ΡΠ΅ΠΌ ΠΈΠ½ΡΡΡΡΠΊΡΠΈΡΠΌ ΠΈ ΡΠΎΠ²Π΅ΡΠ°ΠΌ ΡΠΏΠ΅ΡΠΈΠ°Π»ΠΈΡΡΠΎΠ². Π§ΡΠΎΠ±Ρ ΠΏΠΎΠ»ΡΡΠΈΡΡ ΠΌΠ°ΠΊΡΠΈΠΌΠ°Π»ΡΠ½ΠΎ ΡΡΡΠ΅ΠΊΡΠΈΠ²Π½ΡΠΉ ΡΠ΅Π·ΡΠ»ΡΡΠ°Ρ, Π»ΡΡΡΠ΅ ΠΏΡΠ΅Π΄Π²Π°ΡΠΈΡΠ΅Π»ΡΠ½ΠΎ ΠΎΠ·Π½Π°ΠΊΠΎΠΌΠΈΡΡΡΡ Ρ ΠΏΡΠΈΠ½ΡΠΈΠΏΠΎΠΌ ΡΠ°Π±ΠΎΡΡ ΠΌΠ΅Ρ Π°Π½ΠΈΠ·ΠΌΠ° ΡΡΠ΅ΠΏΠ»Π΅Π½ΠΈΡ.
ΠΠΊΠΎΠ½ΡΠ°ΠΊΡΠ΅
Google+
ΠΠ΄Π½ΠΎΠΊΠ»Π°ΡΡΠ½ΠΈΠΊΠΈ
ΠΠΎΠΉ ΠΌΠΈΡ
ΡΠ΅Π³ΡΠ»ΠΈΡΠΎΠ²ΠΊΠ° ΡΡΠ΅ΠΏΠ»Π΅Π½ΠΈΡ
Π Π΅Π³ΡΠ»ΠΈΡΠΎΠ²ΠΊΠ° ΡΡΠ΅ΠΏΠ»Π΅Π½ΠΈΡ ΠΌΠΎΠΆΠ΅Ρ ΠΏΠΎΡΡΠ΅Π±ΠΎΠ²Π°ΡΡΡΡ ΠΏΠΎΡΠ»Π΅ ΠΎΠΏΡΠ΅Π΄Π΅Π»ΡΠ½Π½ΠΎΠ³ΠΎ ΠΏΡΠΎΠ±Π΅Π³Π° Π°Π²ΡΠΎΠΌΠΎΠ±ΠΈΠ»Ρ, Π° ΡΠ°ΠΊΠΆΠ΅ ΠΏΠΎΡΠ»Π΅ Π·Π°ΠΌΠ΅Π½Ρ Π΄ΠΈΡΠΊΠ° ΡΡΠ΅ΠΏΠ»Π΅Π½ΠΈΡ Π½ΠΎΠ²ΡΠΌ, ΠΈΠ»ΠΈ ΠΏΠΎΡΠ»Π΅ Π½Π΅ΠΏΡΠ°Π²ΠΈΠ»ΡΠ½ΠΎΠΉ ΡΠ΅Π³ΡΠ»ΠΈΡΠΎΠ²ΠΊΠΈ. Π ΡΡΠΎΠΉ ΡΡΠ°ΡΡΠ΅, Π±ΠΎΠ»ΡΡΠ΅ ΡΠ°ΡΡΡΠΈΡΠ°Π½Π½ΠΎΠΉ Π½Π° Π½ΠΎΠ²ΠΈΡΠΊΠΎΠ², Π±ΡΠ΄Π΅Ρ ΠΏΠΎΠΊΠ°Π·Π°Π½Π° ΠΏΠΎΡΠ»Π΅Π΄ΠΎΠ²Π°ΡΠ΅Π»ΡΠ½ΠΎΡΡΡ ΡΠ°Π±ΠΎΡ ΠΏΠΎ ΡΠ΅Π³ΡΠ»ΠΈΡΠΎΠ²ΠΊΠ΅ ΠΏΡΠΈΠ²ΠΎΠ΄Π° ΡΡΠ΅ΠΏΠ»Π΅Π½ΠΈΡ β ΠΊΠ°ΠΊ Π³ΠΈΠ΄ΡΠ°Π²Π»ΠΈΡΠ΅ΡΠΊΠΎΠ³ΠΎ (Ρ ΡΠ°Π±ΠΎΡΠΈΠΌ Π³ΠΈΠ΄ΡΠΎΡΠΈΠ»ΠΈΠ½Π΄ΡΠΎΠΌ ΡΡΠ΅ΠΏΠ»Π΅Π½ΠΈΡ), ΡΠ°ΠΊ ΠΈ ΠΌΠ΅Ρ Π°Π½ΠΈΡΠ΅ΡΠΊΠΎΠ³ΠΎ (Ρ ΡΡΠΎΡΠΎΠ²ΡΠΌ ΠΏΡΠΈΠ²ΠΎΠ΄ΠΎΠΌ).
ΠΠ»Ρ Π½Π°ΡΠ°Π»Π° ΡΠ»Π΅Π΄ΡΠ΅Ρ ΠΏΠΎΠ½ΡΡΡ, Π΄Π΅ΠΉΡΡΠ²ΠΈΡΠ΅Π»ΡΠ½ΠΎ Π»ΠΈ Π½Π΅ΠΎΠ±Ρ ΠΎΠ΄ΠΈΠΌΠ° ΡΠ΅Π³ΡΠ»ΠΈΡΠΎΠ²ΠΊΠ° ΡΡΠ΅ΠΏΠ»Π΅Π½ΠΈΡ Π²Π°ΡΠ΅Π³ΠΎ Π°Π²ΡΠΎΠΌΠΎΠ±ΠΈΠ»Ρ. ΠΠΎΠΆΠ΅Ρ Π² Π²Π°ΡΠ΅ΠΌ ΡΠ»ΡΡΠ°Π΅ Π²ΠΎΠΎΠ±ΡΠ΅ Π½Π΅ ΠΏΠΎΠΌΠΎΠΆΠ΅Ρ ΡΠ΅Π³ΡΠ»ΠΈΡΠΎΠ²ΠΊΠ°, ΡΠ°ΠΊ ΠΊΠ°ΠΊ ΡΡΠΈΠΊΡΠΈΠΎΠ½Π½ΡΠ΅ Π½Π°ΠΊΠ»Π°Π΄ΠΊΠΈ Π΄ΠΈΡΠΊΠ° ΡΡΠ΅ΠΏΠ»Π΅Π½ΠΈΡ ΠΏΡΠ΅Π΄Π΅Π»ΡΠ½ΠΎ ΠΈΠ·Π½ΠΎΡΠ΅Π½Ρ, ΡΡΠ΅ΠΏΠ»Π΅Π½ΠΈΠ΅ ΠΏΡΠΎΠ±ΡΠΊΡΠΎΠ²ΡΠ²Π°Π΅Ρ ΠΏΡΠΈ Π»ΡΠ±ΡΡ ΡΠ΅Π³ΡΠ»ΠΈΡΠΎΠ²ΠΊΠ°Ρ ΠΈ Π΄ΠΈΡΠΊ ΡΠ»Π΅Π΄ΡΠ΅Ρ Π·Π°ΠΌΠ΅Π½ΠΈΡΡ (ΠΏΠΎΠ΄ΡΠΎΠ±Π½ΠΎ ΠΎ Π²ΡΠ΅Ρ Π½Π΅ΠΈΡΠΏΡΠ°Π²Π½ΠΎΡΡΡΡ ΡΡΠ΅ΠΏΠ»Π΅Π½ΠΈΡ ΠΈ ΠΎ Π²ΡΡΠ²Π»Π΅Π½ΠΈΠΈ Π½Π΅ΠΈΡΠΏΡΠ°Π²Π½ΠΎΡΡΠ΅ΠΉ ΡΡΠ΅ΠΏΠ»Π΅Π½ΠΈΡ ΡΠΎΠ²Π΅ΡΡΡ ΠΏΠΎΡΠΈΡΠ°ΡΡ ΠΎΡΠ΅Π½Ρ ΠΏΠΎΠ΄ΡΠΎΠ±Π½ΡΡ ΡΡΠ°ΡΡΡ Π²ΠΎΡ Π·Π΄Π΅ΡΡ). Π Π² ΡΡΠΎΠΉ ΡΡΠ°ΡΡΠ΅ Π½ΠΈΠΆΠ΅ Π±ΡΠ΄ΡΡ ΠΎΠΏΠΈΡΠ°Π½Ρ Π»ΠΈΡΡ ΡΠ΅ Π½Π΅ΠΈΡΠΏΡΠ°Π²Π½ΠΎΡΡΠΈ, ΠΊΠΎΡΠΎΡΡΠ΅ ΡΡΡΡΠ°Π½ΡΡΡΡΡ ΡΠ΅Π³ΡΠ»ΠΈΡΠΎΠ²ΠΊΠΎΠΉ ΡΡΠ΅ΠΏΠ»Π΅Π½ΠΈΡ.
Π‘Π½Π°ΡΠ°Π»Π° Π½Π΅ΠΈΡΠΏΡΠ°Π²Π½ΠΎΡΡΠΈ ΡΡΠ΅ΠΏΠ»Π΅Π½ΠΈΡ.
Π‘ΡΠ΅ΠΏΠ»Π΅Π½ΠΈΠ΅ ΠΌΠΎΠΆΠ΅Ρ Β ΠΏΡΠΎΠ±ΡΠΊΡΠΎΠ²ΡΠ²Π°ΡΡ βΒ ΠΏΡΠΈ ΡΡΠΎΠΌ ΠΊΡΡΡΡΡΠΈΠΉ ΠΌΠΎΠΌΠ΅Π½Ρ ΠΎΡ ΠΊΠΎΠ»Π΅Π½Π²Π°Π»Π° ΠΈ ΠΌΠ°Ρ
ΠΎΠ²ΠΈΠΊΠ° Π΄Π²ΠΈΠ³Π°ΡΠ΅Π»Ρ Π½Π΅ ΠΏΠΎΠ»Π½ΠΎΡΡΡΡ ΠΏΠ΅ΡΠ΅Π΄Π°ΡΡΡΡ Π½Π° ΡΡΠ°Π½ΡΠΌΠΈΡΡΠΈΡ ΠΈ Π½Π° Π²Π΅Π΄ΡΡΠΈΠ΅ ΠΊΠΎΠ»ΡΡΠ° Π°Π²ΡΠΎΠΌΠΎΠ±ΠΈΠ»Ρ. ΠΡΠΈ ΡΡΠΎΠΌ, ΠΏΡΠΈ ΠΏΠΎΠ»Π½ΠΎΡΡΡΡ ΠΎΡΠΏΡΡΠ΅Π½Π½ΠΎΠΉ ΠΏΠ΅Π΄Π°Π»ΠΈ ΡΡΠ΅ΠΏΠ»Π΅Π½ΠΈΡ, ΠΌΠ°ΡΠΈΠ½Π° Π»ΠΈΠ±ΠΎ Π²ΠΎΠ²ΡΠ΅ Π½Π΅ ΡΡΠΎΠ³Π°Π΅ΡΡΡ Ρ ΠΌΠ΅ΡΡΠ°, Π»ΠΈΠ±ΠΎ ΡΡΠΎΠ³Π°Π½ΠΈΠ΅ ΠΏΡΠΎΠΈΡΡ
ΠΎΠ΄ΠΈΡ ΠΎΡΠ΅Π½Ρ ΠΌΠ΅Π΄Π»Π΅Π½Π½ΠΎ (ΠΏΡΠΈ ΡΡΠΎΠΌ Π² ΡΠ°Π»ΠΎΠ½Π΅ ΠΌΠΎΠΆΠ½ΠΎ ΠΏΠΎΡΡΠ²ΡΡΠ²ΠΎΠ²Π°ΡΡ Π·Π°ΠΏΠ°Ρ
Π³Π°ΡΠΈ ΠΎΡ ΡΠ³ΠΎΡΠ°Π½ΠΈΡ ΡΡΠΈΠΊΡΠΈΠΎΠ½Π½ΡΡ
Π½Π°ΠΊΠ»Π°Π΄ΠΎΠΊ Π²Π΅Π΄ΠΎΠΌΠΎΠ³ΠΎ Π΄ΠΈΡΠΊΠ° ΡΡΠ΅ΠΏΠ»Π΅Π½ΠΈΡ), Π»ΠΈΠ±ΠΎ Π°Π²ΡΠΎΠΌΠΎΠ±ΠΈΠ»Ρ Π½Π°ΡΠΈΠ½Π°Π΅Ρ Π΄Π²ΠΈΠΆΠ΅Π½ΠΈΠ΅ ΡΡΠ²ΠΊΠ°ΠΌΠΈ.
ΠΡΠΈΡΠΈΠ½Π° ΠΏΡΠΎΠ±ΡΠΊΡΠΎΠ²ΠΊΠΈ ΠΊΠ°ΠΊ ΠΏΡΠ°Π²ΠΈΠ»ΠΎ ΠΎΡΡΡΡΡΡΠ²ΠΈΠ΅ ΡΠ²ΠΎΠ±ΠΎΠ΄Π½ΠΎΠ³ΠΎ Ρ ΠΎΠ΄Π° ΠΏΠ΅Π΄Π°Π»ΠΈ ΡΡΠ΅ΠΏΠ»Π΅Π½ΠΈΡ β ΡΡΡΡΠ°Π½ΡΠ΅ΡΡΡ ΡΠ΅Π³ΡΠ»ΠΈΡΠΎΠ²ΠΊΠΎΠΉ ΡΠ²ΠΎΠ±ΠΎΠ΄Π½ΠΎΠ³ΠΎ Ρ ΠΎΠ΄Π° ΠΏΠ΅Π΄Π°Π»ΠΈ, ΠΊΠΎΡΠΎΡΠ°Ρ Π±ΡΠ΄Π΅Ρ ΠΎΠΏΠΈΡΠ°Π½Π° Π½ΠΈΠΆΠ΅. ΠΠΎ Π½Π΅ ΡΡΠΎΠΈΡ Π·Π°Π±ΡΠ²Π°ΡΡ, ΡΡΠΎ ΠΈΠ·Π±Π°Π²ΠΈΡΡΡΡ ΠΎΡ ΡΠ°ΠΊΠΎΠΉ Π½Π΅ΠΈΡΠΏΡΠ°Π²Π½ΠΎΡΡΠΈ ΡΠ΅Π³ΡΠ»ΠΈΡΠΎΠ²ΠΊΠΎΠΉ ΡΠ²ΠΎΠ±ΠΎΠ΄Π½ΠΎΠ³ΠΎ Ρ ΠΎΠ΄Π° ΠΏΠ΅Π΄Π°Π»ΠΈ Π½Π΅ ΠΏΠΎΠ»ΡΡΠΈΡΡΡ, Π΅ΡΠ»ΠΈ ΡΡΠΈΠΊΡΠΈΠΎΠ½Π½ΡΠ΅ Π½Π°ΠΊΠ»Π°Π΄ΠΊΠΈ Π²Π΅Π΄ΠΎΠΌΠΎΠ³ΠΎ Π΄ΠΈΡΠΊΠ° ΠΏΡΠ΅Π΄Π΅Π»ΡΠ½ΠΎ ΠΈΠ·Π½ΠΎΡΠ΅Π½Ρ, ΠΈΠ»ΠΈ Π΄ΠΈΡΠΊ Π·Π°ΠΌΠ°ΡΠ»Π΅Π½, ΡΡΠΎ Π±ΡΠ²Π°Π΅Ρ ΠΏΡΠΈ ΠΈΠ·Π½ΠΎΡΠ΅ ΡΠ°Π»ΡΠ½ΠΈΠΊΠ° ΠΊΠΎΠ»Π΅Π½Π²Π°Π»Π°.
Π‘ΡΠ΅ΠΏΠ»Π΅Π½ΠΈΠ΅ ΠΌΠΎΠΆΠ΅Ρ Π²Π΅ΡΡΠΈ β ΠΏΡΠΈΠ·Π½Π°ΠΊΠΎΠΌ ΡΠΎΠ³ΠΎ, ΡΡΠΎ ΡΡΠ΅ΠΏΠ»Π΅Π½ΠΈΠ΅ Π½Π° Π²Π°ΡΠ΅ΠΉ ΠΌΠ°ΡΠΈΠ½Π΅ Π²Π΅Π΄ΡΡ, ΡΠΎ Π΅ΡΡΡ ΡΡΠ΅ΠΏΠ»Π΅Π½ΠΈΠ΅ Π½Π΅ ΠΏΠΎΠ»Π½ΠΎΡΡΡΡ Π²ΡΠΊΠ»ΡΡΠ°Π΅ΡΡΡ ΠΈ ΠΏΡΠΈ ΠΏΠΎΠ»Π½ΠΎΡΡΡΡ ΠΎΡΠΏΡΡΠ΅Π½Π½ΠΎΠΉ ΠΏΠ΅Π΄Π°Π»ΠΈ ΡΡΠ΅ΠΏΠ»Π΅Π½ΠΈΡ ΡΡΠΈΠΊΡΠΈΠΎΠ½Π½ΡΠΉ Π΄ΠΈΡΠΊ Π½Π΅ ΠΎΡΠ΄Π΅Π»ΡΠ΅ΡΡΡ ΠΎΡ ΠΏΠΎΠ²Π΅ΡΡ Π½ΠΎΡΡΠΈ ΠΌΠ°Ρ ΠΎΠ²ΠΈΠΊΠ°, ΡΠ°ΠΊ Π²ΠΎΡ, ΠΏΡΠΈΠ·Π½Π°ΠΊΠΎΠΌ ΡΡΠΎΠΉ Π½Π΅ΠΈΡΠΏΡΠ°Π²Π½ΠΎΡΡΠΈ ΠΏΠΎΠ΄ΡΠ²Π΅ΡΠ΄ΠΈΡ ΡΡΡΠ΄Π½ΠΎΠ΅ ΠΏΠ΅ΡΠ΅ΠΊΠ»ΡΡΠ΅Π½ΠΈΠ΅ ΠΏΠ΅ΡΠ΅Π΄Π°Ρ. Π‘ΠΎΠΏΡΠΎΠ²ΠΎΠΆΠ΄Π°Π΅ΡΡΡ ΡΠ΄Π°ΡΠ°ΠΌΠΈ Π·ΡΠ±ΡΠ΅Π² ΡΠΈΠ½Ρ ΡΠΎΠ½ΠΈΠ·Π°ΡΠΎΡΠΎΠ² ΠΈ ΡΠ΅ΡΡΠ΅ΡΠ΅Π½ ΠΊΠΎΡΠΎΠ±ΠΊΠΈ ΠΏΠ΅ΡΠ΅Π΄Π°Ρ, ΠΏΡΠΈ ΡΡΠΎΠΌ Π²ΠΎΠ·ΠΌΠΎΠΆΠ½Π° ΠΏΠΎΠ»ΠΎΠΌΠΊΠ° Π·ΡΠ±ΡΠ΅Π².
Π’Π°ΠΊΠ°Ρ Π½Π΅ΠΈΡΠΏΡΠ°Π²Π½ΠΎΡΡΡ ΠΌΠΎΠΆΠ΅Ρ Π±ΡΡΡ Π² ΡΠ΅Π·ΡΠ»ΡΡΠ°ΡΠ΅ ΡΠ»ΠΈΡΠΊΠΎΠΌ Π±ΠΎΠ»ΡΡΠΎΠ³ΠΎ ΡΠ²ΠΎΠ±ΠΎΠ΄Π½ΠΎΠ³ΠΎ Ρ ΠΎΠ΄Π° ΠΏΠ΅Π΄Π°Π»ΠΈ ΡΡΠ΅ΠΏΠ»Π΅Π½ΠΈΡ. ΠΠΎ ΡΡΠΎΠΈΡ ΠΏΠΎΠΌΠ½ΠΈΡΡ, ΡΡΠΎ ΡΡΠ° ΠΆΠ΅ Π½Π΅ΠΈΡΠΏΡΠ°Π²Π½ΠΎΡΡΡ ΠΌΠΎΠΆΠ΅Ρ Π±ΡΡΡ ΠΎΡ ΠΏΠΎΠΏΠ°Π΄Π°Π½ΠΈΡ Π²ΠΎΠ·Π΄ΡΡ Π° Π² Π³ΠΈΠ΄ΡΠ°Π²Π»ΠΈΡΠ΅ΡΠΊΠΈΠΉ ΠΏΡΠΈΠ²ΠΎΠ΄ (ΠΊΠ°ΠΊ ΠΏΡΠΎΠΊΠ°ΡΠ°ΡΡ ΡΠΈΡΡΠ΅ΠΌΡ ΠΎΠΏΠΈΡΠ°Π½ΠΎ Π² ΡΡΠ°ΡΡΠ΅ ΠΏΡΠΎ ΡΡΠ΅ΠΏΠ»Π΅Π½ΠΈΠ΅ ΠΈ Π΅Π³ΠΎ Π½Π΅ΠΈΡΠΏΡΠ°Π²Π½ΠΎΡΡΠΈ β Π²ΡΠΎΡΠ°Ρ ΡΡΡΠ»ΠΊΠ° Π² Π½Π°ΡΠ°Π»Π΅ ΡΠ΅ΠΊΡΡΠ°). Β Π ΡΠ°ΠΊΠΆΠ΅ ΡΡΠ΅ΠΏΠ»Π΅Π½ΠΈΠ΅ ΠΌΠΎΠΆΠ΅Ρ Π²Π΅ΡΡΠΈ ΠΎΡ ΠΊΠΎΡΠΎΠ±Π»Π΅Π½ΠΈΡ (ΠΎΡ ΠΏΠ΅ΡΠ΅Π³ΡΠ΅Π²Π°) ΠΏΠ΅ΡΠ΅ΠΊΠΎΡΠ° Π²Π΅Π΄ΠΎΠΌΠΎΠ³ΠΎ Π΄ΠΈΡΠΊΠ°, ΠΎΠ±ΡΡΠ²Π° (ΠΎΡΠΊΠ»Π΅ΠΈΠ²Π°Π½ΠΈΡ) ΡΡΠΈΠΊΡΠΈΠΎΠ½Π½ΡΡ Π½Π°ΠΊΠ»Π°Π΄ΠΎΠΊ.
ΠΡΠΎΠ±ΡΠΊΡΠΎΠ²ΠΊΠ° ΡΡΠ΅ΠΏΠ»Π΅Π½ΠΈΡ, ΡΠ°ΠΊ ΠΈ Π² ΡΠ»ΡΡΠ°Π΅ ΠΊΠΎΠ³Π΄Π° ΡΡΠ΅ΠΏΠ»Π΅Π½ΠΈΠ΅ Π²Π΅Π΄ΡΡ β ΠΈ ΡΠΎ ΠΈ ΡΠΎ ΡΠ°Π·ΡΠΌΠ΅Π΅ΡΡΡ Π½Π΅Π΄ΠΎΠΏΡΡΡΠΈΠΌΠΎ, ΡΠ°ΠΊ ΠΊΠ°ΠΊ ΠΏΡΠΈΠ²Π΅Π΄ΡΡ Π½Π΅ ΡΠΎΠ»ΡΠΊΠΎ ΠΊ Π·Π°ΡΡΡΠ΄Π½Π΅Π½ΠΈΡΠΌ ΠΏΡΠΈ ΡΠΏΡΠ°Π²Π»Π΅Π½ΠΈΠΈ ΠΌΠ°ΡΠΈΠ½ΠΎΠΉ, Π½ΠΎ Π΅ΡΡ ΠΈ ΠΊ Π±ΡΡΡΡΠΎΠΌΡ ΠΈΠ·Π½ΠΎΡΡ ΡΡΠΈΠΊΡΠΈΠΎΠ½Π½ΠΎΠ³ΠΎ ΠΌΠ°ΡΠ΅ΡΠΈΠ°Π»Π° Π²Π΅Π΄ΠΎΠΌΠΎΠ³ΠΎ Π΄ΠΈΡΠΊΠ° ΡΡΠ΅ΠΏΠ»Π΅Π½ΠΈΡ, Π° ΡΠ°ΠΊΠΆΠ΅ ΠΏΠΎΠ²Π΅ΡΡ Π½ΠΎΡΡΠΈ Π²Π΅Π΄ΡΡΠ΅Π³ΠΎ Π΄ΠΈΡΠΊΠ° ΠΈ ΠΏΠΎΠ²Π΅ΡΡ Π½ΠΎΡΡΠΈ ΠΌΠ°Ρ ΠΎΠ²ΠΈΠΊΠ°.
Π’Π°ΠΊΠΆΠ΅ ΡΡΠ΅ΠΏΠ»Π΅Π½ΠΈΠ΅ ΠΌΠΎΠΆΠ΅Ρ ΡΡΠ°Π±Π°ΡΡΠ²Π°ΡΡ ΡΠ»ΠΈΡΠΊΠΎΠΌ ΡΠ°Π½ΠΎ ΠΈΠ»ΠΈ Π½Π°ΠΎΠ±ΠΎΡΠΎΡ ΡΠ»ΠΈΡΠΊΠΎΠΌ ΠΏΠΎΠ·Π΄Π½ΠΎ ΠΈ ΠΆΠ΅Π»Π°ΡΠ΅Π»ΡΠ½ΠΎ ΠΏΠΎΠ½ΡΡΡ, ΠΏΠΎΠ·Π΄Π½ΠΎ Π»ΠΈ ΡΡΠ°Π±Π°ΡΡΠ²Π°Π΅Ρ ΡΡΠ΅ΠΏΠ»Π΅Π½ΠΈΠ΅, ΠΈΠ»ΠΈ Π½Π°ΠΎΠ±ΠΎΡΠΎΡ ΡΠ»ΠΈΡΠΊΠΎΠΌ ΡΠ°Π½ΠΎ. ΠΠΏΡΠ΅Π΄Π΅Π»ΠΈΠ² Π² ΠΊΠ°ΠΊΠΎΠΉ ΠΌΠΎΠΌΠ΅Π½Ρ Π½Π°ΡΠΈΠ½Π°Π΅Ρ ΡΡΠ°Π±Π°ΡΡΠ²Π°ΡΡ ΡΡΠ΅ΠΏΠ»Π΅Π½ΠΈΠ΅, Π±ΡΠ΄Π΅Ρ Π½Π°ΠΌΠ½ΠΎΠ³ΠΎ ΠΏΡΠΎΡΠ΅ ΠΏΡΠΎΠΈΠ·Π²ΠΎΠ΄ΠΈΡΡ ΡΠ΅Π³ΡΠ»ΠΈΡΠΎΠ²ΠΊΡ, ΡΠΎ Π΅ΡΡΡ Π±ΡΠ΄Π΅Ρ ΡΡΠ½ΠΎ Π² ΠΊΠ°ΠΊΡΡ ΡΡΠΎΡΠΎΠ½Ρ ΠΊΡΡΡΠΈΡΡ ΡΠ΅Π³ΡΠ»ΠΈΡΠΎΠ²ΠΎΡΠ½ΡΠ΅ ΡΠ»Π΅ΠΌΠ΅Π½ΡΡ, ΠΊΠΎΡΠΎΡΡΠ΅ Π±ΡΠ΄ΡΡ ΠΎΠΏΠΈΡΠ°Π½Ρ Π½ΠΈΠΆΠ΅.
ΠΠΎΠ·Π΄Π½Π΅Π΅ ΡΡΠ°Π±Π°ΡΡΠ²Π°Π½ΠΈΠ΅ ΡΡΠ΅ΠΏΠ»Π΅Π½ΠΈΡ ΠΎΠΏΡΠ΅Π΄Π΅Π»ΡΠ΅ΡΡΡ ΠΎΡΠ΅Π½Ρ ΠΏΡΠΎΡΡΠΎ: ΠΏΡΠΈ ΠΌΠ΅Π΄Π»Π΅Π½Π½ΠΎΠΌ ΠΎΡΠΏΡΡΠΊΠ°Π½ΠΈΠΈ ΠΏΠ΅Π΄Π°Π»ΠΈ ΡΡΠ΅ΠΏΠ»Π΅Π½ΠΈΡ, ΠΌΠ°ΡΠΈΠ½Π° Π½Π°ΡΠΈΠ½Π°Π΅Ρ ΡΡΠΎΠ³Π°ΡΡΡΡ Ρ ΠΌΠ΅ΡΡΠ° ΡΠΎΠ»ΡΠΊΠΎ ΠΊΠΎΠ³Π΄Π° ΠΏΠ΅Π΄Π°Π»Ρ Π½Π°Ρ
ΠΎΠ΄ΠΈΡΡΡ Π² ΡΠ°ΠΌΠΎΠΌ ΠΊΠΎΠ½ΡΠ΅ Ρ
ΠΎΠ΄Π°, ΡΠΎ Π΅ΡΡΡ ΠΏΠ΅Π΄Π°Π»Ρ ΠΏΠΎΡΡΠΈ ΠΏΠΎΠ»Π½ΠΎΡΡΡΡ ΠΎΡΠΏΡΡΠ΅Π½Π°.
ΠΡ Π° ΡΠ°Π½Π½Π΅Π΅ ΡΡΠ°Π±Π°ΡΡΠ²Π°Π½ΠΈΠ΅ ΡΡΠ΅ΠΏΠ»Π΅Π½ΠΈΡ β ΡΡΠΎ ΠΊΠΎΠ³Π΄Π° ΠΏΡΠΈ ΠΎΡΠΏΡΡΠΊΠ°Π½ΠΈΠΈ ΠΏΠ΅Π΄Π°Π»ΠΈ Π² ΡΠ°ΠΌΠΎΠΌ Π½Π°ΡΠ°Π»Π΅ Π΅Ρ Ρ
ΠΎΠ΄Π°, ΠΌΠ°ΡΠΈΠ½Π° Π½Π°ΡΠΈΠ½Π°Π΅Ρ Π΄Π²ΠΈΠΆΠ΅Π½ΠΈΠ΅ (Ρ ΠΏΠ΅Π΄Π°Π»ΠΈ Π½Π΅Ρ ΡΠ²ΠΎΠ±ΠΎΠ΄Π½ΠΎΠ³ΠΎ Ρ
ΠΎΠ΄Π°).
ΠΠ»Ρ Π½ΠΎΠ²ΠΈΡΠΊΠΎΠ² Π»ΡΡΡΠ΅ Π²ΡΠ΅Π³ΠΎ Π½Π°ΠΉΡΠΈ Π² ΠΌΠ°Π½ΡΠ°Π»Π΅ ΡΠ²ΠΎΠ΅Π³ΠΎ Π°Π²ΡΠΎΠΌΠΎΠ±ΠΈΠ»Ρ ΡΠΎΡΠ½ΡΠ΅ Π΄Π°Π½Π½ΡΠ΅ ΠΏΠΎ ΡΠ°ΡΡΡΠΎΡΠ½ΠΈΡ Π² ΠΌΠΈΠ»Π»ΠΈΠΌΠ΅ΡΡΠ°Ρ , ΠΊΠ°ΠΊ Π΄Π»Ρ ΡΠ²ΠΎΠ±ΠΎΠ΄Π½ΠΎΠ³ΠΎ Ρ ΠΎΠ΄Π° ΠΏΠ΅Π΄Π°Π»ΠΈ, ΡΠ°ΠΊ ΠΈ ΠΏΠΎ ΡΠ°ΡΡΡΠΎΡΠ½ΠΈΡ ΠΏΠ΅Π΄Π°Π»ΠΈ ΠΎΡΠ½ΠΎΡΠΈΡΠ΅Π»ΡΠ½ΠΎ ΠΏΠΎΠ»Π° ΠΌΠ°ΡΠΈΠ½Ρ.
ΠΠΎΠ³Π΄Π° ΡΡΠ΅ΠΏΠ»Π΅Π½ΠΈΠ΅ Π²Π΅Π΄ΡΡ, ΠΈΠ»ΠΈ ΠΏΡΠΎΠ±ΡΠΊΡΠΎΠ²ΡΠ²Π°Π΅Ρ, ΠΈ Π΅ΡΠ»ΠΈ Π½Π΅ΠΏΡΠ°Π²ΠΈΠ»ΡΠ½ΡΠΉ ΡΠ²ΠΎΠ±ΠΎΠ΄Π½ΡΠΉ Ρ ΠΎΠ΄ ΠΏΠ΅Π΄Π°Π»ΠΈ β Π² ΡΡΠΈΡ ΡΠ»ΡΡΠ°ΡΡ ΡΡΠ΅Π±ΡΠ΅ΡΡΡ ΡΠ΅Π³ΡΠ»ΠΈΡΠΎΠ²ΠΊΠ° ΡΡΠ΅ΠΏΠ»Π΅Π½ΠΈΡ, ΠΊΠΎΠ½Π΅ΡΠ½ΠΎ ΠΆΠ΅ Π΅ΡΠ»ΠΈ Π΄Π΅ΡΠ°Π»ΠΈ ΡΡΠ΅ΠΏΠ»Π΅Π½ΠΈΡ Π½Π΅ ΠΈΠ·Π½ΠΎΡΠ΅Π½Ρ Π±ΠΎΠ»ΡΡΠ΅ Π½ΠΎΡΠΌΡ.
Π Π΅Π³ΡΠ»ΠΈΡΠΎΠ²ΠΊΠ° ΡΡΠ΅ΠΏΠ»Π΅Π½ΠΈΡ Ρ Π³ΠΈΠ΄ΡΠ°Π²Π»ΠΈΡΠ΅ΡΠΊΠΈΠΌ ΠΏΡΠΈΠ²ΠΎΠ΄ΠΎΠΌ.
ΠΠΈΠ΄ΡΠ°Π²Π»ΠΈΡΠ΅ΡΠΊΠΈΠΉ ΠΏΡΠΈΠ²ΠΎΠ΄ ΡΡΠ΅ΠΏΠ»Π΅Π½ΠΈΡ ΡΡΡΠ°Π½ΠΎΠ²Π»Π΅Π½ Π½Π° Π±ΠΎΠ»ΡΡΠΈΠ½ΡΡΠ²Π΅ ΡΠΎΠ²ΡΠ΅ΠΌΠ΅Π½Π½ΡΡ ΠΌΠ°ΡΠΈΠ½ ΠΈ Π΄Π°ΠΆΠ΅ Π½Π° ΠΌΠ½ΠΎΠ³ΠΈΡ ΠΌΠΎΡΠΎΡΠΈΠΊΠ»Π°Ρ . ΠΠ»Ρ ΡΠ°Π±ΠΎΡΡ ΠΏΡΠΈ ΡΠ΅Π³ΡΠ»ΠΈΡΠΎΠ²ΠΊΠ΅ ΠΏΠΎΡΡΠ΅Π±ΡΠ΅ΡΡΡ Π½Π°Π±ΠΎΡ ΠΎΠ±ΡΡΠ½ΡΡ ΡΠΎΠΆΠΊΠΎΠ²ΡΡ Π³Π°Π΅ΡΠ½ΡΡ ΠΊΠ»ΡΡΠ΅ΠΉ (Π΄Π»Ρ Π±ΠΎΠ»ΡΡΠΈΠ½ΡΡΠ²Π° ΠΌΠ°ΡΠΈΠ½ ΡΡΠΎ ΠΊΠ»ΡΡΠΈ Π½Π° 8, 10, 13, 14, 17 ΠΌΠΌ), Π½ΠΎ ΡΠ½Π°ΡΠ°Π»Π° ΡΠ»Π΅Π΄ΡΠ΅Ρ ΠΏΡΠΎΠ²Π΅ΡΠΈΡΡ ΡΠ²ΠΎΠ±ΠΎΠ΄Π½ΡΠΉ Ρ ΠΎΠ΄ ΠΏΠ΅Π΄Π°Π»ΠΈ ΡΡΠ΅ΠΏΠ»Π΅Π½ΠΈΡ, ΡΠ²Π΅ΡΠΈΠ²ΡΠΈΡΡ Ρ ΠΌΠ°Π½ΡΠ°Π»ΠΎΠΌ Π²Π°ΡΠ΅Π³ΠΎ Π°Π²ΡΠΎΠΌΠΎΠ±ΠΈΠ»Ρ.
Π Π°Π·ΡΠΌΠ΅Π΅ΡΡΡ ΡΠΎΡΠ½ΡΠ΅ Π΄Π°Π½Π½ΡΠ΅ ΡΠ²ΠΎΠ±ΠΎΠ΄Π½ΠΎΠ³ΠΎ Ρ ΠΎΠ΄Π° Π΄Π»Ρ Π²ΡΠ΅Ρ ΠΌΠ°ΡΠΈΠ½ Π½Π΅Π²ΠΎΠ·ΠΌΠΎΠΆΠ½ΠΎ ΠΎΠΏΠΈΡΠ°ΡΡ Π² ΠΎΠ΄Π½ΠΎΠΉ ΡΡΠ°ΡΡΠ΅ (ΠΈΡΠ΅ΠΌ Π² ΠΌΠ°Π½ΡΠ°Π»Π΅), Π½ΠΎ Π½Π°ΠΏΡΠΈΠΌΠ΅Ρ ΡΠ²ΠΎΠ±ΠΎΠ΄Π½ΡΠΉ Ρ ΠΎΠ΄ ΠΏΠ΅Π΄Π°Π»ΠΈ Π΄Π»Ρ ΠΊΠ»Π°ΡΡΠΈΡΠ΅ΡΠΊΠΈΡ ΠΠΈΠ³ΡΠ»Π΅ΠΉ ΡΠΎΡΡΠ°Π²Π»ΡΠ΅Ρ 25 β 35 ΠΌΠΌ. Π‘Π²ΠΎΠ±ΠΎΠ΄Π½ΡΠΉ Ρ ΠΎΠ΄ ΠΏΠ΅Π΄Π°Π»ΠΈ ΡΡΠ΅ΠΏΠ»Π΅Π½ΠΈΡ ΠΎΠ±ΡΠ°Π·ΡΠ΅ΡΡΡ Π·Π° ΡΡΡΡ Π·Π°Π·ΠΎΡΠΎΠ² Π² Π΄Π΅ΡΠ°Π»ΡΡ ΠΏΠΎΠ΄Π²Π΅ΡΠΊΠΈ ΠΏΠ΅Π΄Π°Π»ΠΈ, Π° ΡΠ°ΠΊΠΆΠ΅ ΠΌΠ΅ΠΆΠ΄Ρ ΡΠΎΠ»ΠΊΠ°ΡΠ΅Π»Π΅ΠΌ ΠΈ ΠΏΠΎΡΡΠ½Π΅ΠΌ Π³Π»Π°Π²Π½ΠΎΠ³ΠΎ ΡΠΈΠ»ΠΈΠ½Π΄ΡΠ°Β ΡΡΠ΅ΠΏΠ»Π΅Π½ΠΈΡ, Π° ΡΠ°ΠΊΠΆΠ΅ ΠΌΠ΅ΠΆΠ΄Ρ ΠΌΡΡΡΠΎΠΉ Π²ΡΠΊΠ»ΡΡΠ΅Π½ΠΈΡ ΠΈ ΠΏΡΡΠΎΠΉ, ΠΎΠ½ ΡΠΎΠΎΡΠ²Π΅ΡΡΡΠ²ΡΠ΅Ρ ΠΏΠ΅ΡΠ΅ΠΌΠ΅ΡΠ΅Π½ΠΈΡ ΠΏΠ΅Π΄Π°Π»ΠΈ ΡΡΠ΅ΠΏΠ»Π΅Π½ΠΈΡ Π΄ΠΎ Π½Π°ΡΠ°Π»Π° ΠΏΡΠΎΠ³ΠΈΠ±Π° Π΄ΠΈΠ°ΡΡΠ°Π³ΠΌΠ΅Π½Π½ΠΎΠΉ ΠΏΡΡΠΆΠΈΠ½Ρ.
Π‘ΡΠ΅ΠΏΠ»Π΅Π½ΠΈΠ΅ ΠΊΠ»Π°ΡΡΠΈΡΠ΅ΡΠΊΠΈΡ ΠΠΈΠ³ΡΠ»Π΅ΠΉ
ΠΠ° ΠΊΠ»Π°ΡΡΠΈΡΠ΅ΡΠΊΠΈΡ ΠΠΈΠ³ΡΠ»ΡΡ ΡΠ²ΠΎΠ±ΠΎΠ΄Π½ΡΠΉ Ρ ΠΎΠ΄ ΡΠ΅Π³ΡΠ»ΠΈΡΡΠ΅ΡΡΡ ΡΠ΅Π³ΡΠ»ΠΈΡΠΎΠ²ΠΎΡΠ½ΠΎΠΉ Π³Π°ΠΉΠΊΠΎΠΉ 26 (ΡΠΌ. ΡΠΈΡΡΠ½ΠΎΠΊ ΡΠ»Π΅Π²Π°, Π΅ΡΠ»ΠΈ Π½Π° Π½Π΅Π³ΠΎ ΠΊΠ»ΠΈΠΊΠ½ΡΡΡ 2 ΡΠ°Π·Π°, ΡΠΎ ΠΎΠ½ ΡΠ²Π΅Π»ΠΈΡΠΈΡΡΡ) ΠΈ ΠΎΠ³ΡΠ°Π½ΠΈΡΠΈΡΠ΅Π»ΡΠ½ΡΠΌ Π²ΠΈΠ½ΡΠΎΠΌ 14.
Β
ΠΠ΅ΡΠ΅Π΄ ΡΠ΅Π³ΡΠ»ΠΈΡΠΎΠ²ΠΊΠΎΠΉ ΡΡΠ΅ΠΏΠ»Π΅Π½ΠΈΡ ΡΠ½Π°ΡΠ°Π»Π° ΠΏΡΠΎΠ²Π΅ΡΡΠ΅ΠΌ Π·Π°Π·ΠΎΡ ΠΌΠ΅ΠΆΠ΄Ρ ΡΠΎΠ»ΠΊΠ°ΡΠ΅Π»Π΅ΠΌ 10 ΠΈ ΠΏΠΎΡΡΠ½Π΅ΠΌ 9 ΠΏΠΎ Π²Π΅Π»ΠΈΡΠΈΠ½Π΅ Ρ ΠΎΠ΄Π° ΠΏΠ΅Π΄Π°Π»ΠΈ ΡΡΠ΅ΠΏΠ»Π΅Π½ΠΈΡ. Π₯ΠΎΠ΄ ΠΏΠ΅Π΄Π°Π»ΠΈ Π΄ΠΎΠ»ΠΆΠ΅Π½ Π±ΡΡΡ Π² ΠΏΡΠ΅Π΄Π΅Π»Π°Ρ 0,4 β 2 ΠΌΠΌ. ΠΡΡ ΡΠ΅Π³ΡΠ»ΠΈΡΠΎΠ²ΠΊΡ Π²ΡΠΏΠΎΠ»Π½ΡΠ΅ΠΌ Ρ ΠΏΠΎΠΌΠΎΡΡΡ ΠΎΠ³ΡΠ°Π½ΠΈΡΠΈΡΠ΅Π»ΡΠ½ΠΎΠ³ΠΎ Π²ΠΈΠ½ΡΠ° 14, Π²ΡΠ°ΡΠ°Ρ Π΅Π³ΠΎ.
ΠΠ°Π»Π΅Π΅ ΠΏΡΠΎΠ²Π΅ΡΡΠ΅ΠΌ ΡΠ²ΠΎΠ±ΠΎΠ΄Π½ΡΠΉ Ρ
ΠΎΠ΄ ΡΠΎΠ»ΠΊΠ°ΡΠ΅Π»Ρ 25 Π²ΠΈΠ»ΠΊΠΈ 24, ΡΠ²ΠΎΠ±ΠΎΠ΄Π½ΡΠΉ Ρ
ΠΎΠ΄ ΡΠΎΠ»ΠΊΠ°ΡΠ΅Π»Ρ Π΄ΠΎΠ»ΠΆΠ΅Π½ Π±ΡΡΡ Π² ΠΏΡΠ΅Π΄Π΅Π»Π°Ρ
4 β 5 ΠΌΠΌ.
Π Π²Π΅Π»ΠΈΡΠΈΠ½Ρ ΡΠ²ΠΎΠ±ΠΎΠ΄Π½ΠΎΠ³ΠΎ Ρ
ΠΎΠ΄Π° ΡΠΎΠ»ΠΊΠ°ΡΠ΅Π»Ρ ΡΠ΅Π³ΡΠ»ΠΈΡΡΠ΅ΠΌ Ρ ΠΏΠΎΠΌΠΎΡΡΡ Π³Π°ΠΉΠΊΠΈ 26, ΠΏΡΠΈ ΠΎΡΠ»Π°Π±Π»Π΅Π½Π½ΠΎΠΉ ΠΊΠΎΠ½ΡΡΠ³Π°ΠΉΠΊΠ΅ ΠΈ ΠΎΡΡΠΎΠ΅Π΄ΠΈΠ½ΠΈΠ² ΠΏΡΡΠΆΠΈΠ½Ρ 28.
ΠΡΠΎΠ²Π΅ΡΠΈΠ² ΠΈ ΠΎΡΡΠ΅Π³ΡΠ»ΠΈΡΠΎΠ²Π°Π² Π²ΡΠ΅ Π·Π°Π·ΠΎΡΡ, ΠΊΠΎΠ½ΡΡΠΈΠΌ ΠΊΠΎΠ½ΡΡΠ³Π°ΠΉΠΊΠΈ ΠΈ ΡΠ΅Π³ΡΠ»ΠΈΡΠΎΠ²ΠΊΡ ΡΡΠ΅ΠΏΠ»Π΅Π½ΠΈΡ ΠΌΠΎΠΆΠ½ΠΎ ΡΡΠΈΡΠ°ΡΡ Π·Π°ΠΊΠΎΠ½ΡΠ΅Π½Π½ΠΎΠΉ.
Π Π΅Π³ΡΠ»ΠΈΡΠΎΠ²ΠΊΠ° ΡΡΠ΅ΠΏΠ»Π΅Π½ΠΈΡ Β Ρ ΡΡΠΎΡΠΎΠ²ΡΠΌ ΠΏΡΠΈΠ²ΠΎΠ΄ΠΎΠΌ.
ΠΠ° Π½Π΅ΠΊΠΎΡΠΎΡΡΡ Π°Π²ΡΠΎΠΌΠΎΠ±ΠΈΠ»ΡΡ , Π² ΡΠΎΠΌ ΡΠΈΡΠ»Π΅ ΠΈ Π½Π° Π½Π°ΡΠΈΡ ΠΏΠ΅ΡΠ΅Π΄Π½Π΅ΠΏΡΠΈΠ²ΠΎΠ΄Π½ΡΡ ΠΠΠΠ°Ρ , (Π’Π°Π²ΡΠΈΡΡ ), Π½Π΅ΠΊΠΎΡΠΎΡΡΡ ΠΈΠ½ΠΎΠΌΠ°ΡΠΊΠ°Ρ , ΠΏΡΠΈΠ²ΠΎΠ΄ ΡΡΠ΅ΠΏΠ»Π΅Π½ΠΈΡ ΡΠ°Π±ΠΎΡΠ°Π΅Ρ Ρ ΠΏΠΎΠΌΠΎΡΡΡ ΡΡΠΎΡΠ°.
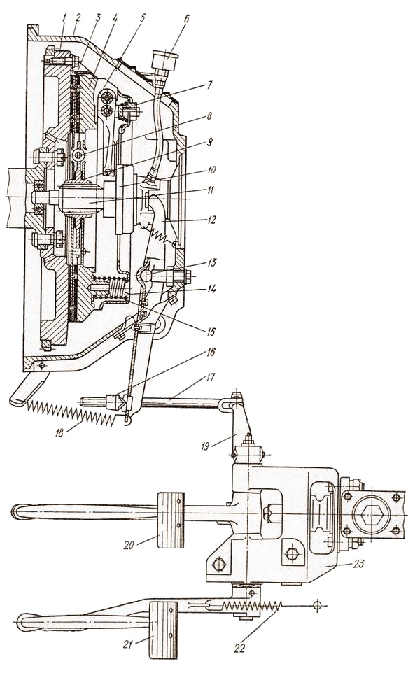
Π’ΡΠΎΡΠΎΠ²ΡΠΉ ΠΏΡΠΈΠ²ΠΎΠ΄ ΡΡΠ΅ΠΏΠ»Π΅Π½ΠΈΡ ΠΠΠ 2108 β 09β¦.
1 β ΠΊΡΠΎΠ½ΡΡΠ΅ΠΉΠ½ ΠΊΡΠ΅ΠΏΠ»Π΅Π½ΠΈΡ ΠΎΠ±ΠΎΠ»ΠΎΡΠΊΠΈ ΡΡΠΎΡΠ°, 2 β ΡΠ΅Π·ΠΈΠ½ΠΎΠ²ΡΠΉ ΡΠ΅Ρ
ΠΎΠ», 3 β ΠΏΠΎΠ²ΠΎΠ΄ΠΎΠΊ ΡΡΠΎΡΠ°, 4 β ΡΡΡΠ°Π³ Π²ΠΈΠ»ΠΊΠΈ Π²ΡΠΊΠ»ΡΡΠ΅Π½ΠΈΡ ΡΡΠ΅ΠΏΠ»Π΅Π½ΠΈΡ, 5 β ΡΡΠΎΡ, 6 β ΠΊΠΎΠ½ΡΡΠ³Π°ΠΉΠΊΠ°, 7 β ΡΠ΅Π³ΡΠ»ΠΈΡΠΎΠ²ΠΎΡΠ½Π°Ρ Π³Π°ΠΉΠΊΠ°, 8 β Π½ΠΈΠΆΠ½ΠΈΠΉ Π½Π°ΠΊΠΎΠ½Π΅ΡΠ½ΠΈΠΊ ΠΎΠ±ΠΎΠ»ΠΎΡΠΊΠΈ ΡΡΠΎΡΠ°, 9 β ΠΎΠ±ΠΎΠ»ΠΎΡΠΊΠ° ΡΡΠΎΡΠ°, Π β ΠΎΠΊΠΎΡΠΊΠΎ.
Π‘Π²ΠΎΠ±ΠΎΠ΄Π½ΡΠΉ Ρ ΠΎΠ΄ Π² ΠΏΡΠΈΠ²ΠΎΠ΄Π΅ ΡΡΠ΅ΠΏΠ»Π΅Π½ΠΈΡ ΠΏΠ΅ΡΠ΅Π΄Π½Π΅ΠΏΡΠΈΠ²ΠΎΠ΄Π½ΡΡ Π²Π°Π·ΠΎΠ² (Π½Π°ΠΏΡΠΈΠΌΠ΅Ρ ΠΠΠ2108 β 09) ΠΈΠ·ΠΌΠ΅ΡΡΠ΅ΡΡΡ Ρ ΠΏΠΎΠΌΠΎΡΡΡ ΠΏΠ΅ΡΠ΅ΠΌΠ΅ΡΠ΅Π½ΠΈΡ ΠΊΠΎΠ½ΡΠ° ΡΡΡΠ°Π³Π° 4 (ΡΠΌ. ΡΠΈΡΡΠ½ΠΎΠΊ ΡΠΏΡΠ°Π²Π°) ΠΈ ΡΠ²ΠΎΠ±ΠΎΠ΄Π½ΡΠΉ Ρ ΠΎΠ΄ Π΄ΠΎΠ»ΠΆΠ΅Π½ Π±ΡΡΡ Π² ΠΏΡΠ΅Π΄Π΅Π»Π°Ρ 3,3 β 4,7 ΠΌΠΌ.
Β
ΠΡΠΈ ΡΠ΅Π³ΡΠ»ΠΈΡΠΎΠ²ΠΊΠ΅ ΡΠ²ΠΎΠ±ΠΎΠ΄Π½ΠΎΠ³ΠΎ Ρ ΠΎΠ΄Π° ΡΠ»Π΅Π΄ΡΠ΅Ρ ΠΎΡΠ»Π°Π±ΠΈΡΡ Π³Π°ΠΉΠΊΠΈ 6 ΠΈ 7, ΠΏΡΠ΅ΠΎΠ΄ΠΎΠ»Π΅Π²Π°Ρ ΡΠΎΠΏΡΠΎΡΠΈΠ²Π»Π΅Π½ΠΈΠ΅ ΠΏΡΡΠΆΠΈΠ½Ρ, ΠΎΡΠΎΠ΄Π²ΠΈΠ½ΡΡΡ ΡΡΡΠ°Π³ 4 ΠΎΡ ΠΏΠ°Π»ΡΡΠ° ΠΏΠΎΠ²ΠΎΠ΄ΠΊΠ° 3, Π·Π°ΡΠ΅ΠΌ Π²ΡΡΠ°Π²ΠΈΡΡ Π² ΠΎΠΊΠΎΡΠΊΠΎ Π ΠΏΡΠΎΠ²ΠΎΠ»ΠΎΡΠ½ΡΠΉ ΡΡΠΏ Π΄ΠΈΠ°ΠΌΠ΅ΡΡΠΎΠΌ 1,5 ΠΌΠΌ (ΡΡΠΏ Π»Π΅Π³ΠΊΠΎ ΡΠ΄Π΅Π»Π°ΡΡ ΠΈΠ· ΠΊΡΡΠΊΠ° ΠΏΡΠΎΠ²ΠΎΠ»ΠΎΠΊΠΈ, ΡΠΎΠ»ΡΠΈΠ½ΠΎΠΉ 1,5 ΠΌΠΌ) ΠΈ Π΄Π°Π»Π΅Π΅ ΠΎΡΠΏΡΡΡΠΈΡΡ ΡΡΡΠ°Π³ 4.
ΠΠΎΡΠ»Π΅ ΡΡΠΎΠ³ΠΎ Ρ ΠΏΠΎΠΌΠΎΡΡΡ ΠΏΡΠΎΠΊΡΡΡΠΈΠ²Π°Π½ΠΈΡ Π³Π°Π΅ΠΊ 6 ΠΈ 7 Π²ΡΠ±ΡΠ°ΡΡ Π²ΡΠ΅ Π·Π°Π·ΠΎΡΡ Π² ΡΡΠΎΡΠΎΠ²ΠΎΠΌ ΠΏΡΠΈΠ²ΠΎΠ΄Π΅ ΠΈ Π²ΡΠ½ΡΡΡ ΠΏΡΠΎΠ²ΠΎΠ»ΠΎΡΠ½ΡΠΉ ΡΡΠΏ. Π Π΅Π³ΡΠ»ΠΈΡΠΎΠ²ΠΊΡ ΠΌΠΎΠΆΠ½ΠΎ ΡΡΠΈΡΠ°ΡΡ Π·Π°ΠΊΠΎΠ½ΡΠ΅Π½Π½ΠΎΠΉ.
ΠΠΎΠ½Π΅ΡΠ½ΠΎ ΠΆΠ΅ Π½Π° ΠΌΠ½ΠΎΠ³ΠΈΡ
ΠΈΠ½ΠΎΠΌΠ°ΡΠΊΠ°Ρ
Π΄Π΅ΡΠ°Π»ΠΈ ΠΏΡΠΈΠ²ΠΎΠ΄Π° ΡΡΠ΅ΠΏΠ»Π΅Π½ΠΈΡ ΠΌΠΎΠ³ΡΡ Π½Π΅ΠΌΠ½ΠΎΠ³ΠΎ ΠΎΡΠ»ΠΈΡΠ°ΡΡΡΡ, ΠΈ Π°Π±ΡΠΎΠ»ΡΡΠ½ΠΎ Π²ΡΠ΅ ΠΊΠΎΠ½ΡΡΡΡΠΊΡΠΈΠΈ Π½Π΅Π²ΠΎΠ·ΠΌΠΎΠΆΠ½ΠΎ ΠΎΠΏΠΈΡΠ°ΡΡ Π² ΠΎΠ΄Π½ΠΎΠΉ ΡΡΠ°ΡΡΠ΅, Π½ΠΎ ΠΏΡΠΈΠ½ΡΠΈΠΏ ΡΠ΅Π³ΡΠ»ΠΈΡΠΎΠ²ΠΊΠΈ ΡΡΠ΅ΠΏΠ»Π΅Π½ΠΈΡ Ρ Π±ΠΎΠ»ΡΡΠΈΠ½ΡΡΠ²Π° ΠΌΠ°ΡΠΈΠ½ ΠΏΠΎΡΡΠΈ ΠΎΠ΄ΠΈΠ½Π°ΠΊΠΎΠ², ΡΠΎΠ»ΡΠΊΠΎ Π»ΠΈΡΡ Π½ΡΠΆΠ½ΡΠ΅ Π·Π°Π·ΠΎΡΡ Π² ΠΌΠΈΠ»Π»ΠΈΠΌΠ΅ΡΡΠ°Ρ
ΡΠ»Π΅Π΄ΡΠ΅Ρ ΡΡΠΎΡΠ½ΠΈΡΡ Π² ΠΌΠ°Π½ΡΠ°Π»Π΅ ΠΊΠΎΠ½ΠΊΡΠ΅ΡΠ½ΠΎ Π²Π°ΡΠ΅ΠΉ ΠΌΠ°ΡΠΈΠ½Ρ.
ΠΠ°ΠΊ Π½Π° Π³Π°Π·Π΅Π»ΠΈ ΠΎΡΡΠ΅Π³ΡΠ»ΠΈΡΠΎΠ²Π°ΡΡ ΡΡΠ΅ΠΏΠ»Π΅Π½ΠΈΠ΅
Π Π΅Π³ΡΠ»ΠΈΡΠΎΠ²ΠΊΠ° ΡΠ²ΠΎΠ±ΠΎΠ΄Π½ΠΎΠ³ΠΎ Ρ ΠΎΠ΄Π° ΡΡΠ΅ΠΏΠ»Π΅Π½ΠΈΡ Π½Π° ΡΠ°Π·Π»ΠΈΡΠ½ΡΡ ΠΌΠΎΠ΄Π΅Π»ΡΡ Π°Π²ΡΠΎ
Π ΠΏΡΠΎΡΠ΅ΡΡΠ΅ ΡΠΊΡΠΏΠ»ΡΠ°ΡΠ°ΡΠΈΠΈ Π°Π²ΡΠΎΠΌΠΎΠ±ΠΈΠ»Ρ ΠΈΠ·Π½Π°ΡΠΈΠ²Π°ΡΡΡΡ Π΅Π³ΠΎ ΡΠ·Π»Ρ ΠΈ Π°Π³ΡΠ΅Π³Π°ΡΡ, ΠΈΠ·ΠΌΠ΅Π½ΡΡΡΡΡ ΡΠ°Π·Π»ΠΈΡΠ½ΡΠ΅ ΡΠ΅Π³ΡΠ»ΠΈΡΠΎΠ²ΠΊΠΈ.
ΠΡΠ»ΠΈ Π½Π°ΡΡΡΠ°Π΅ΡΡΡ ΡΠ΅Π³ΡΠ»ΠΈΡΠΎΠ²ΠΊΠ° ΡΠ²ΠΎΠ±ΠΎΠ΄Π½ΠΎΠ³ΠΎ Ρ
ΠΎΠ΄Π° ΠΏΠ΅Π΄Π°Π»ΠΈ ΡΡΠ΅ΠΏΠ»Π΅Π½ΠΈΡ, Π°Π²ΡΠΎ ΠΏΠ΅ΡΠ΅ΡΡΠ°Π΅Ρ Π½ΠΎΡΠΌΠ°Π»ΡΠ½ΠΎ ΠΏΠ΅ΡΠ΅Π΄Π²ΠΈΠ³Π°ΡΡΡΡ, Π²ΠΎΠ·Π½ΠΈΠΊΠ°ΡΡ ΡΠ°Π·Π»ΠΈΡΠ½ΡΠ΅ ΠΏΡΠΎΠ±Π»Π΅ΠΌΡ β ΡΡΠ°Π½ΠΎΠ²ΠΈΡΡΡ Π½Π΅Π²ΠΎΠ·ΠΌΠΎΠΆΠ½ΡΠΌ ΡΡΠΎΠ½ΡΡΡΡΡ Ρ ΠΌΠ΅ΡΡΠ°, ΠΏΠ΅ΡΠ΅Π΄Π°ΡΠΈ ΠΏΠ΅ΡΠ΅ΠΊΠ»ΡΡΠ°ΡΡΡΡ Ρ Ρ
ΡΡΡΡΠΎΠΌ, ΡΠ°ΠΊΠΆΠ΅ ΠΌΠ°ΡΠΈΠ½Π° ΠΌΠΎΠΆΠ΅Ρ Π±ΡΠΊΡΠΎΠ²Π°ΡΡ ΠΈ ΠΏΠ»ΠΎΡ
ΠΎ ΡΠ°Π·Π³ΠΎΠ½ΡΡΡΡΡ. Π ΡΡΠΎΠΉ ΡΡΠ°ΡΡΠ΅ ΠΌΡ ΡΠ°ΡΡΠΌΠΎΡΡΠΈΠΌ:
- ΠΊΠ°ΠΊΠΈΠ΅ Π±ΡΠ²Π°ΡΡ Π½Π΅ΠΈΡΠΏΡΠ°Π²Π½ΠΎΡΡΠΈ ΡΡΠ΅ΠΏΠ»Π΅Π½ΠΈΡ;
- ΠΊΠ°ΠΊ ΠΏΡΠ°Π²ΠΈΠ»ΡΠ½ΠΎ ΠΏΡΠΎΠΈΠ·Π²ΠΎΠ΄ΠΈΡΡ Π΅Π³ΠΎ ΡΠ΅Π³ΡΠ»ΠΈΡΠΎΠ²ΠΊΡ;
- ΠΎΡΠ½ΠΎΠ²Π½ΡΠ΅ ΠΏΡΠΈΡΠΈΠ½Ρ ΠΏΠΎΠ»ΠΎΠΌΠΎΠΊ;
- ΠΊΠ°ΠΊ ΡΠ΅Π³ΡΠ»ΠΈΡΡΠ΅ΡΡΡ ΡΡΠ΅ΠΏΠ»Π΅Π½ΠΈΠ΅ Π½Π° ΡΠ°Π·Π»ΠΈΡΠ½ΡΡ ΠΌΠΎΠ΄Π΅Π»ΡΡ Π°Π²ΡΠΎΠΌΠΎΠ±ΠΈΠ»Π΅ΠΉ.
ΠΡΠ½ΠΎΠ²Π½ΡΠ΅ ΠΏΡΠΈΠ·Π½Π°ΠΊΠΈ Π½Π΅ΠΈΡΠΏΡΠ°Π²Π½ΠΎΠ³ΠΎ ΠΏΡΠΈΠ²ΠΎΠ΄Π° ΡΡΠ΅ΠΏΠ»Π΅Π½ΠΈΡ
Π‘ΡΠ΅ΠΏΠ»Π΅Π½ΠΈΠ΅ Π² Π°Π²ΡΠΎΠΌΠΎΠ±ΠΈΠ»Π΅ ΡΠ»ΡΠΆΠΈΡ Π΄Π»Ρ ΡΠΎΠ΅Π΄ΠΈΠ½Π΅Π½ΠΈΡ ΠΈ ΡΠ°Π·ΡΠ΅Π΄ΠΈΠ½Π΅Π½ΠΈΡ Π΄Π²ΠΈΠ³Π°ΡΠ΅Π»Ρ Ρ ΡΡΠ°Π½ΡΠΌΠΈΡΡΠΈΠ΅ΠΉ, ΡΡΠΎ Π½Π΅ΠΎΠ±Ρ ΠΎΠ΄ΠΈΠΌΠΎ Π΄Π»Ρ Π²ΠΊΠ»ΡΡΠ΅Π½ΠΈΡ ΠΏΠ΅ΡΠ΅Π΄Π°ΡΠΈ, ΠΏΠΎΠ½ΠΈΠΆΠ°ΡΡΠ΅ΠΉ ΠΈΠ»ΠΈ ΠΏΠΎΠ²ΡΡΠ°ΡΡΠ΅ΠΉ. Π‘ΠΎΠ΅Π΄ΠΈΠ½ΡΡΡΠΈΠΉ ΡΠ·Π΅Π» ΠΊΠΎΡΠΎΠ±ΠΊΠΈ ΠΏΠ΅ΡΠ΅Π΄Π°Ρ Ρ ΠΌΠΎΡΠΎΡΠΎΠΌ ΠΌΠΎΠΆΠ΅Ρ Π±ΡΡΡ Ρ ΠΌΠ΅Ρ Π°Π½ΠΈΡΠ΅ΡΠΊΠΈΠΌ ΠΈ Π³ΠΈΠ΄ΡΠ°Π²Π»ΠΈΡΠ΅ΡΠΊΠΈΠΌ ΠΏΡΠΈΠ²ΠΎΠ΄ΠΎΠΌ:
- ΠΌΠ΅Ρ Π°Π½ΠΈΠΊΠ° ΡΠΏΡΠ°Π²Π»ΡΠ΅ΡΡΡ Ρ ΠΏΠΎΠΌΠΎΡΡΡ ΡΡΠΎΡΠΈΠΊΠ°;
- Π² Π³ΠΈΠ΄ΡΠ°Π²Π»ΠΈΡΠ΅ΡΠΊΠΎΠΌ ΠΏΡΠΈΠ²ΠΎΠ΄Π΅ ΠΏΡΠΈΡΡΡΡΡΠ²ΡΠ΅Ρ Π³Π»Π°Π²Π½ΡΠΉ ΠΈ ΡΠ°Π±ΠΎΡΠΈΠΉ ΡΠΈΠ»ΠΈΠ½Π΄ΡΡ.
ΠΡΠ±ΠΎΠΉ ΠΏΡΠΈΠ²ΠΎΠ΄ ΠΈΠΌΠ΅Π΅Ρ Π²ΠΎΠ·ΠΌΠΎΠΆΠ½ΠΎΡΡΡ ΡΠ΅Π³ΡΠ»ΠΈΡΠΎΠ²ΠΊΠΈ, ΠΈ Ρ ΠΏΠΎΠΌΠΎΡΡΡ ΡΡΠΎΠΊΠ° ΠΈΠ»ΠΈ ΡΡΠΎΡΠ° ΠΏΠ΅Π΄Π°Π»Ρ ΡΡΠ΅ΠΏΠ»Π΅Π½ΠΈΡ (ΠΠ‘) ΠΌΠΎΠΆΠ½ΠΎ ΠΏΠΎΠ΄Π½ΡΡΡ Π²ΡΡΠ΅ ΠΈΠ»ΠΈ ΠΎΠΏΡΡΡΠΈΡΡ.
Π£ ΠΊΠ°ΠΆΠ΄ΠΎΠ³ΠΎ ΡΡΠ΅ΠΏΠ»Π΅Π½ΠΈΡ ΠΎΠ±ΡΠ·Π°ΡΠ΅Π»ΡΠ½ΠΎ Π΄ΠΎΠ»ΠΆΠ΅Π½ Π±ΡΡΡ Π½Π΅Π±ΠΎΠ»ΡΡΠΎΠΉ ΡΠ²ΠΎΠ±ΠΎΠ΄Π½ΡΠΉ Ρ ΠΎΠ΄, Π΅ΡΠ»ΠΈ ΠΎΠ½ ΡΠ»ΠΈΡΠΊΠΎΠΌ Π±ΠΎΠ»ΡΡΠΎΠΉ, ΡΠΎ:
- ΠΠ‘ Π±Π΅ΡΠ΅Ρ Π² ΡΠ°ΠΌΠΎΠΌ ΠΊΠΎΠ½ΡΠ΅ Ρ ΠΎΠ΄Π° ΠΏΠ΅Π΄Π°Π»ΠΈ, ΠΈ Π²ΡΠΆΠΈΠΌΠ° Π½Π΅ Ρ Π²Π°ΡΠ°Π΅Ρ, ΡΡΠΎΠ±Ρ Π½ΠΎΡΠΌΠ°Π»ΡΠ½ΠΎ ΠΏΠ΅ΡΠ΅ΠΊΠ»ΡΡΠ°ΡΡ ΠΏΠ΅ΡΠ΅Π΄Π°ΡΠΈ;
- Π°Π²ΡΠΎΠΌΠΎΠ±ΠΈΠ»Ρ Π½Π°ΡΠΈΠ½Π°Π΅Ρ Π΅Ρ Π°ΡΡ, Π΄Π°ΠΆΠ΅ Π΅ΡΠ»ΠΈ ΠΏΠ΅Π΄Π°Π»Ρ Π½Π°Ρ ΠΎΠ΄ΠΈΡΡΡ Ρ ΡΠ°ΠΌΠΎΠ³ΠΎ ΠΏΠΎΠ»Π°;
- ΠΏΡΠΈ Π½ΠΈΠ·ΠΊΠΎΠΌ ΠΏΠΎΠ»ΠΎΠΆΠ΅Π½ΠΈΠΈ ΠΠ‘ ΠΌΠΎΠΆΠ΅Ρ Π²ΡΠΉΡΠΈ ΠΈΠ· ΡΡΡΠΎΡ ΠΊΠΎΡΠΎΠ±ΠΊΠ° ΠΏΠ΅ΡΠ΅ΠΊΠ»ΡΡΠ΅Π½ΠΈΡ ΠΏΠ΅ΡΠ΅Π΄Π°Ρ.
ΠΡΠ»ΠΈ ΠΠ‘ ΠΏΠΎΠ΄Π½ΡΡΠ° ΡΠ»ΠΈΡΠΊΠΎΠΌ Π²ΡΡΠΎΠΊΠΎ, ΠΈ ΡΠ²ΠΎΠ±ΠΎΠ΄Π½ΡΠΉ Ρ ΠΎΠ΄ ΠΏΠ΅Π΄Π°Π»ΠΈ ΠΏΡΠ°ΠΊΡΠΈΡΠ΅ΡΠΊΠΈ ΠΎΡΡΡΡΡΡΠ²ΡΠ΅Ρ, Π²ΠΎΠ·Π½ΠΈΠΊΠ°ΡΡ Π΄ΡΡΠ³ΠΈΠ΅ ΠΏΡΠΎΠ±Π»Π΅ΠΌΡ:
- Π°Π²ΡΠΎΠΌΠ°ΡΠΈΠ½Π° Π±ΡΠΊΡΡΠ΅Ρ, ΠΏΡΠΈ ΡΡΠΎΠΌ ΠΏΠ»ΠΎΡ ΠΎ ΡΠ°Π·Π³ΠΎΠ½ΡΠ΅ΡΡΡ;
- Π½Π°ΡΠΈΠ½Π°Π΅Ρ Π³ΠΎΡΠ΅ΡΡ Π΄ΠΈΡΠΊ ΡΡΠ΅ΠΏΠ»Π΅Π½ΠΈΡ (ΠΠ‘), ΠΈ ΠΎΠ½ Π½Π΅ ΠΎΠ±Π΅ΡΠΏΠ΅ΡΠΈΠ²Π°Π΅Ρ Π½Π°Π΄Π΅ΠΆΠ½ΠΎΠ³ΠΎ ΡΠΎΠ΅Π΄ΠΈΠ½Π΅Π½ΠΈΡ ΠΠΠ‘ Ρ ΠΠΠ.
ΠΡΠ½ΠΎΠ²Π½ΡΠ΅ ΠΏΡΠΈΠ·Π½Π°ΠΊΠΈ Π½Π΅ΠΈΡΠΏΡΠ°Π²Π½ΠΎΠ³ΠΎ ΠΌΠ΅Ρ Π°Π½ΠΈΡΠ΅ΡΠΊΠΎΠ³ΠΎ ΠΏΡΠΈΠ²ΠΎΠ΄Π° (ΡΡΠΎΡΠΎΠ²ΠΎΠ³ΠΎ):
- Π²ΡΠΆΠΈΠΌ ΠΎΡΠ΅Π½Ρ ΡΡΠ³ΠΎΠΉ, ΠΈΠ»ΠΈ ΠΏΡΠΈ Π½Π°ΠΆΠ°ΡΠΈΠΈ ΠΏΠ΅Π΄Π°Π»Ρ Π½Π΅ ΠΏΡΠΎΠΆΠΈΠΌΠ°Π΅ΡΡΡ Π²ΠΎΠ²ΡΠ΅;
- ΠΠ‘ ΠΏΠΎΠ»Π½ΠΎΡΡΡΡ ΠΎΠΏΡΡΠ΅Π½Π°, ΠΎΠ½Π° Π»Π΅ΠΆΠΈΡ Π½Π° ΠΏΠΎΠ»Ρ;
- ΠΏΠ΅Π΄Π°Π»Ρ Π½Π°ΠΆΠΈΠΌΠ°Π΅ΡΡΡ ΠΎΡΠ΅Π½Ρ Π»Π΅Π³ΠΊΠΎ.
Π ΡΡΠΎΡΠΈΠΊΠΎΠΌ ΠΏΡΠΈΠ²ΠΎΠ΄Π΅ ΠΌΠΎΠ³ΡΡ Π±ΡΡΡ ΡΠ»Π΅Π΄ΡΡΡΠΈΠ΅ ΠΏΡΠΈΡΠΈΠ½Ρ Π½Π΅ΠΈΡΠΏΡΠ°Π²Π½ΠΎΡΡΠΈ:
- ΡΡΠΎΡ ΡΡΠ΅ΠΏΠ»Π΅Π½ΠΈΡ (Π’Π‘) Π·Π°ΠΊΠΈΡ Π² ΠΎΠ±ΠΎΠΉΠΌΠ΅, ΠΏΠΎΡΡΠΎΠΌΡ Ρ ΡΡΡΠ΄ΠΎΠΌ Π² Π½Π΅ΠΉ Β«Ρ ΠΎΠ΄ΠΈΡΒ»;
- Π’Π‘ ΡΠ°ΡΠΏΠ»Π΅Π»ΡΡ, ΠΈ ΠΎΠ±ΡΡΠ²ΠΊΠΈ ΠΏΡΠΎΠ²ΠΎΠ»ΠΎΠΊΠΈ Π½Π΅ Π΄Π°Π΅Ρ ΡΡΠΎΡΡ ΠΏΠ΅ΡΠ΅Π΄Π²ΠΈΠ³Π°ΡΡΡΡ Π² ΠΎΠΏΠ»Π΅ΡΠΊΠ΅;
- ΡΡΠΎΡ ΠΏΠΎΠΏΡΠΎΡΡΡ ΠΎΠ±ΠΎΡΠ²Π°Π»ΡΡ.

Π Π³ΠΈΠ΄ΡΠ°Π²Π»ΠΈΡΠ΅ΡΠΊΠΎΠΌ ΠΏΡΠΈΠ²ΠΎΠ΄Π΅ ΡΠ°ΠΊΠΆΠ΅ Π΅ΡΡΡ ΡΠ²ΠΎΠΈ Π½Π΅ΠΈΡΠΏΡΠ°Π²Π½ΠΎΡΡΠΈ, Π΅ΡΡΡ ΠΈ ΠΏΡΠΈΠ·Π½Π°ΠΊΠΈ Π½Π΅ΠΈΡΠΏΡΠ°Π²Π½ΠΎΠ³ΠΎ ΡΠΎΡΡΠΎΡΠ½ΠΈΡ:
- ΠΏΠ΅Π΄Π°Π»Ρ ΠΏΡΠΎΠ²Π°Π»ΠΈΠ²Π°Π΅ΡΡΡ Ρ ΠΏΠ΅ΡΠ²ΠΎΠ³ΠΎ ΡΠ°Π·Π°, ΠΈ Π½Π°ΡΠΈΠ½Π°Π΅ΡΡΡ Π±ΡΠ°ΡΡ Π»ΠΈΡΡ ΡΠΎ Π²ΡΠΎΡΠΎΠ³ΠΎ ΠΈΠ»ΠΈ ΡΡΠ΅ΡΡΠ΅Π³ΠΎ ΠΊΠ°ΡΠΊΠ°;
- ΠΠ‘ ΡΡΠ°Π½ΠΎΠ²ΠΈΡΡΡ Β«Π²Π°ΡΠ½ΠΎΠΉΒ», ΠΏΡΠΎΠΏΠ°Π΄Π°Π΅Ρ ΡΡΡΠ΅ΠΊΡΠΈΠ²Π½ΠΎΡΡΡ Π²ΡΠΆΠΈΠΌΠ°;
- Π³Π΄Π΅-ΡΠΎ Π² ΡΠ΅ΡΠ΅Π΄ΠΈΠ½Π΅ Ρ ΠΎΠ΄Π° ΠΏΠ΅Π΄Π°Π»Ρ Π²ΡΡΠ°Π΅Ρ ΠΊΠΎΠ»ΠΎΠΌ.
Π’Π°ΠΊ ΠΆΠ΅ ΠΊΠ°ΠΊ ΠΈ Π² ΡΡΠΎΡΠΈΠΊΠΎΠ²ΠΎΠΌ ΠΏΡΠΈΠ²ΠΎΠ΄Π΅, ΠΠ‘ ΠΌΠΎΠΆΠ΅Ρ ΠΎΡΠ΅Π½Ρ Π»Π΅Π³ΠΊΠΎ Π½Π°ΠΆΠΈΠΌΠ°ΡΡΡΡ ΠΈΠ»ΠΈ Π½Π΅ ΠΏΡΠΎΠΆΠΈΠΌΠ°ΡΡΡΡ Π²ΠΎΠ²ΡΠ΅. ΠΡΠ½ΠΎΠ²Π½ΡΠ΅ Π½Π΅ΠΈΡΠΏΡΠ°Π²Π½ΠΎΡΡΠΈ Π² Π³ΠΈΠ΄ΡΠ°Π²Π»ΠΈΡΠ΅ΡΠΊΠΎΠΌ ΠΏΡΠΈΠ²ΠΎΠ΄Π΅:
- ΠΏΠΎΡΠ΅ΠΊ ΡΠ°Π±ΠΎΡΠΈΠΉ ΡΠΈΠ»ΠΈΠ½Π΄Ρ;
- ΠΏΠ΅ΡΠ΅ΠΏΡΡΠΊΠ°ΡΡ ΠΊΠ»Π°ΠΏΠ°Π½Π° Π² Π³Π»Π°Π²Π½ΠΎΠΌ ΡΠΈΠ»ΠΈΠ½Π΄ΡΠ΅;
- ΠΏΠΎΠ»Π½ΠΎΡΡΡΡ Π²ΡΡΠ΅ΠΊΠ»Π° Π²ΡΡ ΡΠΎΡΠΌΠΎΠ·Π½Π°Ρ ΠΆΠΈΠ΄ΠΊΠΎΡΡΡ;
- ΡΠ°Π·ΡΠ΅Π³ΡΠ»ΠΈΡΠΎΠ²Π°Π»ΡΡ ΡΡΠΎΠΊ (ΠΎΡΠ»Π°Π±Π»Π° ΠΊΠΎΠ½ΡΡΠ³Π°ΠΉΠΊΠ°, ΡΠ΅Π³ΡΠ»ΠΈΡΠΎΠ²ΠΊΠ° Π½Π°ΡΡΡΠΈΠ»Π°ΡΡ).
ΠΡΠΎΠ²Π΅ΡΠΊΠ° ΠΈ ΡΠ΅Π³ΡΠ»ΠΈΡΠΎΠ²ΠΊΠ° ΡΡΠ΅ΠΏΠ»Π΅Π½ΠΈΡ Π°Π²ΡΠΎ ΠΌΠ°ΡΠΊΠΈ ΠΠ°Π·Π΅Π»Ρ
ΠΠΎΠΌΠΌΠ΅ΡΡΠ΅ΡΠΊΠΈΠ΅ Π°Π²ΡΠΎΠΌΠΎΠ±ΠΈΠ»ΠΈ ΠΠ°Π·Π΅Π»Ρ ΠΎΡΠ½Π°ΡΠ°ΡΡΡΡ Π³ΠΈΠ΄ΡΠ°Π²Π»ΠΈΡΠ΅ΡΠΊΠΈΠΌ ΠΏΡΠΈΠ²ΠΎΠ΄ΠΎΠΌ ΡΡΠ΅ΠΏΠ»Π΅Π½ΠΈΡ, ΠΠ° ΡΡΠΎΠΉ ΠΌΠ°ΡΠΈΠ½Π΅ ΡΠ²ΠΎΠ±ΠΎΠ΄Π½ΡΠΉ Ρ ΠΎΠ΄ ΠΏΠ΅Π΄Π°Π»ΠΈ ΠΌΠΎΠΆΠ½ΠΎ ΠΎΡΡΠ΅Π³ΡΠ»ΠΈΡΠΎΠ²Π°ΡΡ ΡΠΎΠ»ΡΠΊΠΎ Π΄Π²ΡΠΌΡ ΡΠΏΠΎΡΠΎΠ±Π°ΠΌΠΈ:
- ΡΠ΄Π»ΠΈΠ½ΠΈΡΡ ΠΈΠ»ΠΈ ΡΠΊΠΎΡΠΎΡΠΈΡΡ ΡΡΠΎΠΊ, Π½Π°Ρ ΠΎΠ΄ΡΡΠΈΠΉΡΡ Ρ ΡΠ°ΠΌΠΎΠΉ ΠΠ‘ Π² ΡΠ°Π»ΠΎΠ½Π΅ Π°Π²ΡΠΎ;
- ΠΏΠΎΡΡΠ°Π²ΠΈΡΡ ΡΠ΄Π»ΠΈΠ½Π΅Π½Π½ΡΠΉ ΠΈΠ»ΠΈ ΡΠ΅Π³ΡΠ»ΠΈΡΡΡΡΠΈΠΉΡΡ ΡΡΠΎΠΊ ΠΌΠ΅ΠΆΠ΄Ρ ΡΠ°Π±ΠΎΡΠΈΠΌ ΡΠΈΠ»ΠΈΠ½Π΄ΡΠΎΠΌ ΠΈ Π²ΠΈΠ»ΠΊΠ° ΡΡΠ΅ΠΏΠ»Π΅Π½ΠΈΡ (ΠΠ‘).
ΠΠΎ ΠΌΠ΅ΡΠ΅ ΠΈΠ·Π½ΠΎΡΠ° Π΄ΠΈΡΠΊΠ° ΡΡΠ΅ΠΏΠ»Π΅Π½ΠΈΡ Π½Π°ΡΠΈΠ½Π°Π΅Ρ ΡΠ²Π΅Π»ΠΈΡΠΈΠ²Π°ΡΡΡΡ ΡΠ²ΠΎΠ±ΠΎΠ΄Π½ΡΠΉ Ρ ΠΎΠ΄ ΠΏΠ΅Π΄Π°Π»ΠΈ, ΠΈ Π² ΡΠ°ΠΊΠΎΠΌ ΡΠ»ΡΡΠ°Π΅ ΡΡΠ΅Π±ΡΠ΅ΡΡΡ ΡΠ΅Π³ΡΠ»ΠΈΡΠΎΠ²ΠΊΠ°. ΠΡΠ»ΠΈ ΡΡΠΎΡ ΡΠ²ΠΎΠ±ΠΎΠ΄Π½ΡΠΉ Ρ ΠΎΠ΄ ΡΠ»ΠΈΡΠΊΠΎΠΌ Π±ΠΎΠ»ΡΡΠΎΠΉ (Π±ΠΎΠ»Π΅Π΅ ΠΎΠ΄Π½ΠΎΠΉ ΡΡΠ΅ΡΠΈ Π²ΡΠ΅Π³ΠΎ Ρ ΠΎΠ΄Π°),
Π΅Π³ΠΎ ΡΠ΅Π³ΡΠ»ΠΈΡΠΎΠ²Π°Π½ΠΈΠ΅ ΠΏΡΠΎΠΈΠ·Π²ΠΎΠ΄ΠΈΡΡΡ ΡΡΠΎΠΊΠΎΠΌ Π² ΡΠ°Π»ΠΎΠ½Π΅:
- ΠΎΡΠ»Π°Π±Π»ΡΠ΅ΡΡΡ ΠΊΠΎΠ½ΡΡΠ³Π°ΠΉΠΊΠ°;
- ΡΡΠΎΠΊ Π²ΡΠΊΡΡΡΠΈΠ²Π°ΡΡΡΡ Π² ΡΡΠΎΡΠΎΠ½Ρ ΡΠ²Π΅Π»ΠΈΡΠ΅Π½ΠΈΡ Ρ ΠΎΠ΄Π°;
- ΠΏΡΠΈ ΠΏΠΎΠ΄Π½ΡΡΠΈΠΈ ΠΏΠ΅Π΄Π°Π»ΠΈ Π½Π° Π½ΡΠΆΠ½ΡΡ Π²ΡΡΠΎΡΡ ΡΡΠΎΠΊ ΡΠΈΠΊΡΠΈΡΡΠ΅ΡΡΡ Π·Π°ΡΡΠ³ΠΈΠ²Π°Π½ΠΈΠ΅ΠΌ ΠΊΠΎΠ½ΡΡΠ³Π°ΠΉΠΊΠΈ.
ΠΡΠ»ΠΈ ΠΠ‘ ΡΠΆΠ΅ ΡΠΈΠ»ΡΠ½ΠΎ ΠΈΠ·Π½ΠΎΡΠ΅Π½, Π½ΠΎ Π½Π΅ΠΎΠ±Ρ ΠΎΠ΄ΠΈΠΌΠΎ, ΡΡΠΎΠ±Ρ ΠΎΠ½ Π΅ΡΠ΅ ΠΏΠΎΡΠ»ΡΠΆΠΈΠ», ΠΌΠΎΠΆΠ½ΠΎ ΠΌΠ΅ΠΆΠ΄Ρ ΡΠ°Π±ΠΎΡΠΈΠΌ ΡΠΈΠ»ΠΈΠ½Π΄ΡΠΎΠΌ ΠΈ Π²ΠΈΠ»ΠΊΠΎΠΉ ΡΡΡΠ°Π½ΠΎΠ²ΠΈΡΡ ΡΠ΄Π»ΠΈΠ½Π΅Π½Π½ΡΠΉ ΡΡΠΎΠΊ ΠΈΠ»ΠΈ ΡΡΠΎΠΊ Ρ ΡΠ΅Π³ΡΠ»ΠΈΡΠΎΠ²ΠΊΠΎΠΉ (Π½Π°ΠΏΡΠΈΠΌΠ΅Ρ, ΠΎΡ Π²Π½Π΅Π΄ΠΎΡΠΎΠΆΠ½ΠΈΠΊΠ° Π£ΠΠ).
ΠΡΠΎΠ²Π΅ΡΠΈΡΡ ΡΠΎΡΡΠΎΡΠ½ΠΈΠ΅ Π΄Π΅ΡΠ°Π»Π΅ΠΉ ΠΠ°Π·Π΅Π»Ρ ΠΌΠΎΠΆΠ½ΠΎ Π²Π½Π΅ΡΠ½ΠΈΠΌ ΠΎΡΠΌΠΎΡΡΠΎΠΌ, Π΄Π»Ρ ΡΡΠΎΠ³ΠΎ Π½ΡΠΆΠ½ΠΎ ΠΏΠΎΡΡΠ°Π²ΠΈΡΡ ΠΌΠ°ΡΠΈΠ½Ρ Π½Π° ΡΠΌΡ ΠΈΠ»ΠΈ ΠΏΠΎΠ΄ΡΠ΅ΠΌΠ½ΠΈΠΊ, ΠΏΡΠΎΠΈΠ·Π²Π΅ΡΡΠΈ ΠΎΡΠΌΠΎΡΡ ΡΠ½ΠΈΠ·Ρ:
- ΡΠ°Π±ΠΎΡΠΈΠΉ ΡΠΈΠ»ΠΈΠ½Π΄Ρ ΡΡΠ΅ΠΏΠ»Π΅Π½ΠΈΡ (Π Π¦Π‘) Π½Π΅ Π΄ΠΎΠ»ΠΆΠ΅Π½ ΠΈΠΌΠ΅ΡΡ ΠΏΠΎΠ΄ΡΠ΅ΠΊΠΎΠ²;
- ΠΠ‘ Π½Π΅ Π΄ΠΎΠ»ΠΆΠ½Π° ΠΈΠΌΠ΅ΡΡ ΡΡΠ΅ΡΠΈΠ½, Π° ΡΠ°ΠΊΠΆΠ΅ ΠΈΠ·ΠΎΠ³Π½ΡΡΠΎΡΡΠΈ.

Π Π΅Π³ΡΠ»ΠΈΡΠΎΠ²ΠΊΠ° ΡΡΠ΅ΠΏΠ»Π΅Π½ΠΈΡ Lada Kalina (ΠΡΠΈΠΎΡΠ°)
ΠΠ° Π°Π²ΡΠΎΠΌΠΎΠ±ΠΈΠ»ΡΡ Lada Priora ΠΈ Kalina ΡΡΡΠ°Π½Π°Π²Π»ΠΈΠ²Π°Π΅ΡΡΡ ΠΌΠ΅Ρ Π°Π½ΠΈΡΠ΅ΡΠΊΠΈΠΉ ΠΏΡΠΈΠ²ΠΎΠ΄ ΡΡΠ΅ΠΏΠ»Π΅Π½ΠΈΡ, Π²ΡΠΆΠΈΠΌ ΠΎΡΡΡΠ΅ΡΡΠ²Π»ΡΠ΅ΡΡΡ Π·Π° ΡΡΠ΅Ρ ΡΡΠΎΡΠ°. ΠΠΎ ΠΌΠ΅ΡΠ΅ ΠΈΠ·Π½ΠΎΡΠ° ΠΠ‘ ΡΠ²ΠΎΠ±ΠΎΠ΄Π½ΡΠΉ Ρ ΠΎΠ΄ ΠΏΠ΅Π΄Π°Π»ΠΈ ΡΠ²Π΅Π»ΠΈΡΠΈΠ²Π°Π΅ΡΡΡ, ΠΈ ΡΠΎΠ³Π΄Π° ΡΡΠ΅Π±ΡΠ΅ΡΡΡ ΡΠ΅Π³ΡΠ»ΠΈΡΠΎΠ²ΠΊΠ°.
Π Π΅Π³ΡΠ»ΠΈΡΠΎΠ²Π°Π½ΠΈΠ΅ ΡΡΠΎΡΠ° Π½Π° ΠΌΠΎΠ΄Π΅Π»ΡΡ ΠΠ°Π΄Π° ΠΏΡΠΎΠΈΠ·Π²ΠΎΠ΄ΠΈΡΡΡ ΠΏΠΎΠ΄ ΠΊΠ°ΠΏΠΎΡΠΎΠΌ, ΠΎΠ½Π° ΠΎΡΡΡΠ΅ΡΡΠ²Π»ΡΠ΅ΡΡΡ Π΄Π²ΡΠΌΡ Π³Π°ΠΉΠΊΠ°ΠΌΠΈ, ΠΊΠΎΡΠΎΡΡΠ΅ ΠΊΡΠ΅ΠΏΡΡΡΡ Π½Π° ΠΊΡΠΎΠ½ΡΡΠ΅ΠΉΠ½Π΅ ΠΊΠΎΡΠΎΠ±ΠΊΠΈ ΠΏΠ΅ΡΠ΅Π΄Π°Ρ. Π Π΅Π³ΡΠ»ΠΈΡΡΠ΅ΠΌ ΡΡΠ΅ΠΏΠ»Π΅Π½ΠΈΠ΅ ΡΠ»Π΅Π΄ΡΡΡΠΈΠΌ ΠΎΠ±ΡΠ°Π·ΠΎΠΌ:
- Π΄Π΅ΠΌΠΎΠ½ΡΠΈΡΡΠ΅ΠΌ ΠΊΠΎΡΠΏΡΡ Π²ΠΎΠ·Π΄ΡΡΠ½ΠΎΠ³ΠΎ ΡΠΈΠ»ΡΡΡΠ°, ΠΎΠ½ ΠΌΠ΅ΡΠ°Π΅Ρ Π΄ΠΎΠ±ΡΠ°ΡΡΡΡ Π΄ΠΎ ΡΡΠΎΡΠΈΠΊΠ°;
- ΠΎΡΠ»Π°Π±Π»ΡΠ΅ΠΌ Π³Π°ΠΉΠΊΠΈ ΠΈ ΠΏΠΎΠ΄ΡΡΠ³ΠΈΠ²Π°Π΅ΠΌ ΡΡΠΎΡ ΡΡ Π³Π°ΠΉΠΊΡ, ΡΡΠΎ Π½Π° ΡΠΈΡΡΠ½ΠΊΠ΅ Π²Π½ΠΈΠ·Ρ ΡΠΎ ΡΡΡΠ΅Π»ΠΊΠΎΠΉ, ΡΠ°ΡΠΊΡΡΡΠΈΠ²Π°Π΅ΠΌ, Π° Π΄ΡΡΠ³ΡΡ Π³Π°ΠΉΠΊΡ ΠΏΠΎΠ΄ΡΡΠ³ΠΈΠ²Π°Π΅ΠΌ. Π’Π°ΠΊΠΈΠΌ ΠΎΠ±ΡΠ°Π·ΠΎΠΌ, ΠΌΡ ΡΠ±ΠΈΡΠ°Π΅ΠΌ ΡΠ²Π΅Π»ΠΈΡΠ΅Π½Π½ΡΠΉ Ρ ΠΎΠ΄, ΠΏΡΠΈΠ²ΠΎΠ΄ΠΈΠΌ Π΅Π³ΠΎ Π² Π½ΠΎΡΠΌΡ;
- ΡΠ±Π΅Π΄ΠΈΠ²ΡΠΈΡΡ, ΡΡΠΎ ΠΏΠ΅Π΄Π°Π»Ρ Π½Π°ΠΆΠΈΠΌΠ°Π΅ΡΡΡ Π½ΠΎΡΠΌΠ°Π»ΡΠ½ΠΎ (ΡΠ²ΠΎΠ±ΠΎΠ΄Π½ΡΠΉ Ρ ΠΎΠ΄ ΠΎΡΡΠ΅Π³ΡΠ»ΠΈΡΠΎΠ²Π°Π½), Ρ ΡΡΠΈΠ»ΠΈΠ΅ΠΌ Π·Π°ΡΡΠ³ΠΈΠ²Π°ΡΡ Π³Π°ΠΉΠΊΠΈ.
Π Π΅Π³ΡΠ»ΠΈΡΠΎΠ²Π°Π½ΠΈΠ΅ Π’Π‘ ΠΠΠ 2110 Π²ΡΠΏΠΎΠ»Π½ΡΠ΅ΡΡΡ ΡΠΎΡΠ½ΠΎ ΡΠ°ΠΊ ΠΆΠ΅, ΠΊΠ°ΠΊ ΠΈ Π½Π° ΠΠ°Π΄Π° ΠΡΠΈΠΎΡΠ° ΠΈΠ»ΠΈ ΠΠ°Π»ΠΈΠ½Π°, ΡΠ°ΠΊΠΆΠ΅ ΡΠ΅Π³ΡΠ»ΠΈΡΡΠ΅ΡΡΡ ΡΡΠ΅ΠΏΠ»Π΅Π½ΠΈΠ΅ Π½Π° Β«Π΄Π΅Π²ΡΡΠΊΠ°Ρ Β» ΠΈ Β«Π²ΠΎΡΡΠΌΠ΅ΡΠΊΠ°Ρ Β».
Π Π΅Π³ΡΠ»ΠΈΡΠΎΠ²ΠΊΠ° ΡΡΠ΅ΠΏΠ»Π΅Π½ΠΈΡ Π½Π° Π²Π½Π΅Π΄ΠΎΡΠΎΠΆΠ½ΠΈΠΊΠ°Ρ Π£ΠΠ
ΠΠ° ΡΡΠ°ΡΡΡ ΠΌΠΎΠ΄Π΅Π»ΡΡ , ΡΠ°ΠΊΠΈΡ ΠΊΠ°ΠΊ Π£ΠΠ 452 Β«ΠΡΡ Π°Π½ΠΊΠ°Β» ΠΈΠ»ΠΈ Π£ΠΠ 469 Β«ΠΠΎΠ·Π»ΠΈΠΊΒ», ΡΠ΅Π³ΡΠ»ΠΈΡΠΎΠ²Π°Π½ΠΈΠ΅ ΠΏΡΠΎΠΈΠ·Π²ΠΎΠ΄ΠΈΡΡΡ Ρ ΠΏΠΎΠΌΠΎΡΡΡ ΡΡΠΎΠΊΠ°, ΠΊΠΎΡΠΎΡΡΠΉ Π½Π°Ρ ΠΎΠ΄ΠΈΡΡΡ ΠΌΠ΅ΠΆΠ΄Ρ Π²ΠΈΠ»ΠΊΠΎΠΉ ΠΈ ΡΠ°Π±ΠΎΡΠΈΠΌ ΡΠΈΠ»ΠΈΠ½Π΄ΡΠΎΠΌ. ΠΠ° ΠΌΠ½ΠΎΠ³ΠΈΡ ΠΌΠΎΡΠΎΡΠ°Ρ Π£ΠΠ ΡΡΠΈΡ ΠΌΠ°ΡΠΈΠ½ ΡΡΡΠ°Π½Π°Π²Π»ΠΈΠ²Π°Π΅ΡΡΡ Π»Π°ΠΏΠΊΠΎΠ²ΠΎΠ΅ ΡΡΠ΅ΠΏΠ»Π΅Π½ΠΈΠ΅, ΠΈ ΡΠ΅Π³ΡΠ»ΠΈΡΠΎΠ²ΠΊΠ° ΡΠ°ΠΊΠΆΠ΅ ΠΌΠΎΠΆΠ΅Ρ ΠΏΡΠΎΠΈΠ·Π²ΠΎΠ΄ΠΈΡΡΡ ΡΡΡΠ°Π³Π°ΠΌΠΈ Π»Π°ΠΏΠΊΠΎΠ²ΠΎΠ³ΠΎ ΡΠΈΠΏΠ°, ΠΊΠΎΡΠΎΡΡΠ΅ ΠΈΠΌΠ΅ΡΡΡΡ Π½Π° ΠΊΠΎΡΠ·ΠΈΠ½Π΅ (Π²Π΅Π΄ΡΡΠ΅ΠΌ Π΄ΠΈΡΠΊΠ΅) ΡΡΠ΅ΠΏΠ»Π΅Π½ΠΈΡ.
Π‘Π»Π΅Π΄ΡΠ΅Ρ ΠΎΡΠΌΠ΅ΡΠΈΡΡ, ΡΡΠΎ Π»Π°ΠΏΠΊΠΎΠ²ΡΠ΅ ΠΊΠΎΡΠ·ΠΈΠ½Ρ ΡΡΡΠ°Π½Π°Π²Π»ΠΈΠ²Π°ΡΡΡΡ Π½Π° Π³ΡΡΠ·ΠΎΠ²ΠΈΠΊΠΈ ΠΠΠΠΠ, ΠΠΠ, ΠΠΠ-53/3307.
ΠΡΡΠ΅Π³ΡΠ»ΠΈΡΠΎΠ²Π°ΡΡ Π»Π°ΠΏΠΊΠΈ ΠΌΠΎΠΆΠ½ΠΎ ΠΊΠ°ΠΊ Π½Π° ΡΠ½ΡΡΠΎΠΉ ΠΊΠΎΡΠ·ΠΈΠ½Π΅, ΡΠ°ΠΊ ΠΈ Π² ΡΠΎΡΡΠ°Π²Π΅ Π°Π²ΡΠΎΠΌΠΎΠ±ΠΈΠ»Ρ. ΠΠ° ΡΠ½ΡΡΡΡ Π΄Π΅ΡΠ°Π»ΡΡ ΠΎΠΏΠ΅ΡΠ°ΡΠΈΡ ΠΏΡΠΎΠΈΠ·Π²ΠΎΠ΄ΠΈΠΌ Π² ΡΠ»Π΅Π΄ΡΡΡΠ΅ΠΌ ΠΏΠΎΡΡΠ΄ΠΊΠ΅:
- ΡΡΡΠ°Π½Π°Π²Π»ΠΈΠ²Π°Π΅ΠΌ ΠΊΠΎΡΠ·ΠΈΠ½Ρ Ρ ΠΠ‘ Π½Π° ΠΌΠ°Ρ ΠΎΠ²ΠΈΠΊ, Π·Π°ΡΡΠ³ΠΈΠ²Π°Π΅ΠΌ ΠΊΠΎΡΠ·ΠΈΠ½Ρ Π±ΠΎΠ»ΡΠ°ΠΌΠΈ;
- ΡΠ°ΡΠΊΠΎΠ½ΡΡΠΈΠ²Π°Π΅ΠΌ ΡΠ΅Π³ΡΠ»ΠΈΡΠΎΠ²ΠΎΡΠ½ΡΠ΅ Π³Π°ΠΉΠΊΠΈ;
- ΡΡΠ°Π½Π³Π΅Π½ΡΠΈΡΠΊΡΠ»Π΅ΠΌ ΠΈΠ·ΠΌΠ΅ΡΡΠ΅ΠΌ ΡΠ°ΡΡΡΠΎΡΠ½ΠΈΠ΅ ΠΎΡ ΠΊΠΎΠ½ΡΠ° ΡΡΡΠ°Π³ΠΎΠ² Π΄ΠΎ ΠΌΠ°Ρ ΠΎΠ²ΠΈΠΊΠ°, Ρ ΠΏΠΎΠΌΠΎΡΡΡ ΡΠ΅Π³ΡΠ»ΠΈΡΠΎΠ²ΠΎΡΠ½ΡΡ Π³Π°Π΅ΠΊ Π²ΡΡΡΠ°Π²Π»ΡΠ΅ΠΌ ΠΎΠ΄ΠΈΠ½Π°ΠΊΠΎΠ²ΠΎΠ΅ ΡΠ°ΡΡΡΠΎΡΠ½ΠΈΠ΅;
- ΡΠΎΠ³Π»Π°ΡΠ½ΠΎ ΠΊΠ½ΠΈΠΆΠ½ΠΎΠΉ ΠΈΠ½ΡΡΡΡΠΊΡΠΈΠΈ ΡΠ°ΡΡΡΠΎΡΠ½ΠΈΠ΅ ΠΌΠ΅ΠΆΠ΄Ρ ΠΌΠ°Ρ ΠΎΠ²ΠΈΠΊΠΎΠΌ ΠΈ Π»Π°ΠΏΠΊΠΎΠΉ Π΄ΠΎΠ»ΠΆΠ½ΠΎ Π±ΡΡΡ 51,5 ΠΌΠΌ ΠΏΡΠΈ ΡΡΠ»ΠΎΠ²ΠΈΠΈ, ΡΡΠΎ ΡΠΎΠ»ΡΠΈΠ½Π° Π΄ΠΈΡΠΊΠ° ΡΠΎΡΡΠ°Π²Π»ΡΠ΅Ρ 9,5 ΠΌΠΌ;
- ΠΊΠΎΠ½ΡΡΠΈΠΌ Π³Π°ΠΉΠΊΠΈ, Π½Π° ΡΡΠΎ ΠΏΡΠΎΡΠ΅Π΄ΡΡΡ ΡΠ΅Π³ΡΠ»ΠΈΡΠΎΠ²ΠΊΠΈ ΠΌΠΎΠΆΠ½ΠΎ ΡΡΠΈΡΠ°ΡΡ Π·Π°ΠΊΠΎΠ½ΡΠ΅Π½Π½ΠΎΠΉ.

Π’Π°ΠΊΠΆΠ΅ Π»Π°ΠΏΠΊΠΈ ΠΎΡΡΠ΅Π³ΡΠ»ΠΈΡΠΎΠ²Π°ΡΡ ΠΌΠΎΠΆΠ½ΠΎ ΠΏΡΡΠΌΠΎ Π½Π° ΠΌΠ°ΡΠΈΠ½Π΅, Π½Π΅ ΡΠ½ΠΈΠΌΠ°Ρ ΡΡΠ΅ΠΏΠ»Π΅Π½ΠΈΡ. ΠΠΎΡΡΡΠΏΠ°Π΅ΠΌ ΡΠ»Π΅Π΄ΡΡΡΠΈΠΌ ΠΎΠ±ΡΠ°Π·ΠΎΠΌ:
- ΡΡΠ°Π²ΠΈΠΌ Π°Π²ΡΠΎΠΌΠΎΠ±ΠΈΠ»Ρ Π½Π° ΡΠΌΡ, ΡΠ½ΠΈΠΌΠ°Π΅ΠΌ Π½ΠΈΠΆΠ½ΠΈΠΉ ΠΏΠΎΠ΄Π΄ΠΎΠ½ ΠΊΠ°ΡΡΠ΅ΡΠ° ΡΡΠ΅ΠΏΠ»Π΅Π½ΠΈΡ;
- Π±Π΅ΡΠ΅ΠΌ Π΄Π΅ΡΠ΅Π²ΡΠ½Π½ΡΠΉ ΠΏΡΡΡΠΈΠΊ Π΄Π»ΠΈΠ½ΠΎΠΉ 70-80 ΠΌΠΌ, ΠΏΠΎ Π»ΠΈΠ½Π΅ΠΉΠΊΠ΅ ΠΈΠ»ΠΈ ΡΡΠ°Π½Π³Π΅Π½ΡΠΈΡΠΊΡΠ»Ρ ΠΎΡΠΌΠ΅ΡΠ°Π΅ΠΌ Π½Π° ΠΏΡΡΡΠ΅ ΡΠ°ΡΡΡΠΎΡΠ½ΠΈΠ΅ 51,5 ΠΌΠΌ, ΠΌΠΎΠΆΠ½ΠΎ Π½Π΅ΠΌΠ½ΠΎΠ³ΠΎ Π½Π΅ΡΠΎΡΠ½ΠΎ, Π²ΡΠ΅ ΡΠ°Π²Π½ΠΎ ΠΎΠΊΠΎΠ½ΡΠ°ΡΠ΅Π»ΡΠ½ΡΡ ΡΠ΅Π³ΡΠ»ΠΈΡΠΎΠ²ΠΊΡ Π΄Π΅Π»Π°Π΅ΠΌ Ρ ΠΏΠΎΠΌΠΎΡΡΡ ΡΡΠΎΠΊΠ°;
- ΠΏΡΠΎΠ²ΠΎΡΠ°ΡΠΈΠ²Π°Π΅ΠΌ ΠΌΠ°Ρ ΠΎΠ²ΠΈΠΊ ΡΠ°ΠΊ, ΠΌΠΎΠΆΠ½ΠΎ Π±ΡΠ»ΠΎ Π΄ΠΎΠ±ΡΠ°ΡΡΡΡ Π΄ΠΎ Π»Π°ΠΏΠΊΠΈ;
- ΡΠ°ΡΠΊΠΎΠ½ΡΡΠΈΠ²Π°Π΅ΠΌ ΠΈ ΠΏΠΎΠ²ΠΎΡΠ°ΡΠΈΠ²Π°Π΅ΠΌ ΡΠ΅Π³ΡΠ»ΠΈΡΠΎΠ²ΠΎΡΠ½ΡΡ Π³Π°ΠΉΠΊΡ, ΠΏΠΎ ΠΏΡΡΡΠΈΠΊΡ Π²ΡΡΡΠ°Π²Π»ΡΠ΅ΠΌ 51,5 ΠΌΠΌ;
- ΠΏΡΠΎΠ²ΠΎΡΠ°ΡΠΈΠ²Π°Π΅ΠΌ Π΄Π°Π»ΡΡΠ΅ ΠΌΠ°Ρ ΠΎΠ²ΠΈΠΊ, ΠΏΡΠΎΠ΄Π΅Π»ΡΠ²Π°Π΅ΠΌ ΡΠ°ΠΊΡΡ ΠΆΠ΅ ΠΏΡΠΎΡΠ΅Π΄ΡΡΡ Ρ Π΄Π²ΡΠΌΡ Π΄ΡΡΠ³ΠΈΠΌΠΈ Π»Π°ΠΏΠΊΠ°ΠΌΠΈ;
- ΠΏΡΠ΅ΠΆΠ΄Π΅ ΡΠ΅ΠΌ Π²ΡΠ΅ ΡΠΎΠ±ΠΈΡΠ°ΡΡ Π½Π°Π·Π°Π΄, ΡΠ°Π΄ΠΈΠΌΡΡ Π·Π° ΡΡΠ»Ρ, Π·Π°ΠΏΡΡΠΊΠ°Π΅ΠΌ ΠΌΠΎΡΠΎΡ ΠΈ ΠΏΡΠΎΠ²Π΅ΡΡΠ΅ΠΌ, ΡΡΠΎΠ³Π°ΡΡΡ Ρ ΠΌΠ΅ΡΡΠ°, ΠΊΠ°ΠΊ ΡΠ΅Π±Ρ Π²Π΅Π΄Π΅Ρ ΠΌΠ°ΡΠΈΠ½Π°;
- Π΅ΡΠ»ΠΈ Π²ΡΠ΅ Π½ΠΎΡΠΌΠ°Π»ΡΠ½ΠΎ, Π½Π΅ Π·Π°Π±ΡΠ²Π°Π΅ΠΌ Π·Π°ΠΊΠΎΠ½ΡΡΠΈΡΡ Π³Π°ΠΉΠΊΠΈ ΠΈ ΡΡΡΠ°Π½ΠΎΠ²ΠΈΡΡ Π½Π° ΠΌΠ΅ΡΡΠΎ ΠΏΠΎΠ΄Π΄ΠΎΠ½ΡΠΈΠΊ.
ΠΠΎΠ³Π΄Π° Π»Π°ΠΏΠΊΠΈ Π²Π΅Π΄ΡΡΠ΅Π³ΠΎ Π΄ΠΈΡΠΊΠ° Π£ΠΠ ΠΈΠ·Π½ΠΎΡΠ΅Π½Ρ, Π½Π΅ΠΊΠΎΡΠΎΡΡΠ΅ Π°Π²ΡΠΎΠ²Π»Π°Π΄Π΅Π»ΡΡΡ, ΡΡΠΎΠ±Ρ Π½Π΅ ΡΠ΅ΠΌΠΎΠ½ΡΠΈΡΠΎΠ²Π°ΡΡ ΠΊΠΎΡΠ·ΠΈΠ½Ρ ΠΈ Π΅ΡΠ΅ Π½Π΅ΠΌΠ½ΠΎΠ³ΠΎ ΠΏΠΎΠ΅Π·Π΄ΠΈΡΡ, ΠΏΠΎΠ΄ΡΡΠ°Π²Π»ΡΡΡ ΠΏΠΎΠ΄ Π²ΡΠ΅ Π΅Π΅ ΠΊΡΠ΅ΠΏΠ΅ΠΆΠ½ΡΠ΅ Π±ΠΎΠ»ΡΡ ΡΠ°ΠΉΠ±Ρ ΠΎΠ΄ΠΈΠ½Π°ΠΊΠΎΠ²ΠΎΠΉ ΡΠΎΠ»ΡΠΈΠ½Ρ.
ΠΡΡΡ Π΅ΡΠ΅ ΠΎΠ΄ΠΈΠ½ ΡΠΏΠΎΡΠΎΠ± ΡΠ΅Π³ΡΠ»ΠΈΡΠΎΠ²ΠΊΠΈ Π»Π°ΠΏΠΎΠΊ, Π½ΠΎ Π΅Π³ΠΎ Π½ΡΠΆΠ½ΠΎ ΠΏΡΠΎΠ²ΠΎΠ΄ΠΈΡΡ Π²Π΄Π²ΠΎΠ΅ΠΌ. Π Π°Π±ΠΎΡΠ° Π²ΡΠΏΠΎΠ»Π½ΡΠ΅ΡΡΡ ΡΠ»Π΅Π΄ΡΡΡΠΈΠΌ ΠΎΠ±ΡΠ°Π·ΠΎΠΌ:
- ΠΎΠ΄ΠΈΠ½ ΠΈΠ· ΡΡΠ°ΡΡΠ½ΠΈΠΊΠΎΠ² ΠΎΠΏΠ΅ΡΠ°ΡΠΈΠΈ ΡΠ°Π΄ΠΈΡΡΡΡ Π½Π° ΡΡΠ»Ρ ΠΈ Π΄ΠΎ ΠΊΠΎΠ½ΡΠ° Π²ΡΠΆΠΈΠΌΠ°Π΅Ρ ΡΡΠ΅ΠΏΠ»Π΅Π½ΠΈΠ΅;
- Π²ΡΠΎΡΠΎΠΉ ΠΈΠ· ΡΡΠ°ΡΡΠ½ΠΈΠΊΠΎΠ² ΠΏΡΠΎΠ²ΠΎΡΠ°ΡΠΈΠ²Π°Π΅Ρ ΠΌΠ°Ρ ΠΎΠ²ΠΈΠΊ, ΡΠ°ΡΠΊΠΎΠ½ΡΡΠΈΠ²Π°Π΅Ρ Π»Π°ΠΏΠΊΠΈ, ΠΏΡΠΎΠ²ΠΎΠ΄ΠΈΡ ΡΠ΅Π³ΡΠ»ΠΈΡΠΎΠ²ΠΊΡ, ΡΡΡΠ°Π½Π°Π²Π»ΠΈΠ²Π°Ρ Π·Π°Π·ΠΎΡ ΠΌΠ΅ΠΆΠ΄Ρ ΠΌΠ°Ρ ΠΎΠ²ΠΈΠΊΠΎΠΌ ΠΈ Π΄ΠΈΡΠΊΠΎΠΌ ΡΡΠ΅ΠΏΠ»Π΅Π½ΠΈΡ 1,5 ΠΌΠΌ, Π΄Π»Ρ ΡΡΠΎΠ³ΠΎ ΠΏΠΎΠ½Π°Π΄ΠΎΠ±ΠΈΡΡΡ Π½Π°Π±ΠΎΡ ΡΡΠΏΠΎΠ², ΠΊΠΎΡΠΎΡΡΠΌΠΈ ΡΠ΅Π³ΡΠ»ΠΈΡΡΡΡ ΠΊΠ»Π°ΠΏΠ°Π½Π° Π² Π΄Π²ΠΈΠ³Π°ΡΠ΅Π»Π΅;
- Π·Π°Π·ΠΎΡ ΠΌΠΎΠΆΠ΅Ρ Π½Π΅ΡΠΊΠΎΠ»ΡΠΊΠΎ ΠΎΡΠ»ΠΈΡΠ°ΡΡΡΡ ΠΎΡ 1,5 ΠΌΠΌ, Π·Π΄Π΅ΡΡ Π²Π°ΠΆΠ½ΠΎ, ΡΡΠΎΠ±Ρ Π²ΡΠ΅ Π»Π°ΠΏΠΊΠΈ Π±ΡΠ»ΠΈ ΠΎΡΡΠ΅Π³ΡΠ»ΠΈΡΠΎΠ²Π°Π½Ρ Π½Π° ΠΎΠ΄ΠΈΠ½Π°ΠΊΠΎΠ²ΠΎΠΌ ΡΠ°ΡΡΡΠΎΡΠ½ΠΈΠΈ;
- Π·Π°ΠΊΠΎΠ½ΡΠΈΠ² ΡΠ΅Π³ΡΠ»ΠΈΡΠΎΠ²ΠΊΡ, ΠΏΡΠΎΠ²Π΅ΡΡΠ΅ΠΌ ΡΡΠ΅ΠΏΠ»Π΅Π½ΠΈΠ΅, ΠΏΡΠΎΠ±ΡΡ ΡΡΡΠΎΠ½ΡΡΡΡΡ Ρ ΠΌΠ΅ΡΡΠ°. ΠΡΠ»ΠΈ Π°Π²ΡΠΎΠΌΠΎΠ±ΠΈΠ»Ρ ΡΡΠΎΠ³Π°Π΅ΡΡΡ ΠΏΠ»Π°Π²Π½ΠΎ, ΠΊΠΎΠ½ΡΡΠΈΠΌ Π³Π°ΠΉΠΊΠΈ, ΡΡΠ°Π²ΠΈΠΌ Π½ΠΈΠΆΠ½ΠΈΠΉ ΠΏΠΎΠ΄Π΄ΠΎΠ½ΡΠΈΠΊ ΠΊΠ°ΡΡΠ΅ΡΠ° Π½Π° ΠΌΠ΅ΡΡΠΎ.
ΠΡΠΆΠ½ΠΎ ΠΎΡΠΌΠ΅ΡΠΈΡΡ, ΡΡΠΎ Ρ ΠΎΡΡ ΠΏΠΎΡΠ»Π΅Π΄Π½ΠΈΠΉ ΡΠΏΠΎΡΠΎΠ± ΠΈ ΡΡΠΈΡΠ°Π΅ΡΡΡ Π½Π°ΡΠΎΠ΄Π½ΡΠΌ, ΡΠ΅ΠΌ Π½Π΅ ΠΌΠ΅Π½Π΅Π΅, ΡΠ°ΠΊΠ°Ρ ΡΠ΅Π³ΡΠ»ΠΈΡΠΎΠ²ΠΊΠ° ΠΏΠΎΠ»ΡΡΠ°Π΅ΡΡΡ Π½Π°ΠΈΠ±ΠΎΠ»Π΅Π΅ ΡΠΎΡΠ½ΠΎΠΉ.
ΠΡΠΎΠ²Π΅ΡΠΊΠ° ΠΈ ΡΠ΅Π³ΡΠ»ΠΈΡΠΎΠ²ΠΊΠ° ΡΡΠ΅ΠΏΠ»Π΅Π½ΠΈΡ Π½Π° Π°Π²ΡΠΎ ΠΠΠ 2107
Π’Π°ΠΊ ΠΆΠ΅ ΠΊΠ°ΠΊ ΠΈ Π½Π° ΠΌΠ½ΠΎΠ³ΠΈΡ
Π°Π²ΡΠΎΡΡΠ°Π½ΡΠΏΠΎΡΡΠ½ΡΡ
ΡΡΠ΅Π΄ΡΡΠ²Π°Ρ
, ΡΠ΅Π³ΡΠ»ΠΈΡΠΎΠ²ΠΊΠ° ΡΠ²ΠΎΠ±ΠΎΠ΄Π½ΠΎΠ³ΠΎ Ρ
ΠΎΠ΄Π° ΠΏΠ΅Π΄Π°Π»ΠΈ ΡΡΠ΅ΠΏΠ»Π΅Π½ΠΈΡ ΠΠΠ 2107 Π²ΡΠΏΠΎΠ»Π½ΡΠ΅ΡΡΡ ΠΈΠ· ΡΠ°Π»ΠΎΠ½Π° Π°Π²ΡΠΎΠΌΠΎΠ±ΠΈΠ»Ρ.
Π Π΅Π³ΡΠ»ΠΈΡΡΠ΅ΡΡΡ ΠΎΠ½ ΡΠ΅Π³ΡΠ»ΠΈΡΠΎΠ²ΠΎΡΠ½ΡΠΌ Π²ΠΈΠ½ΡΠΎΠΌ, ΠΊΠΎΡΠΎΡΡΠΉ Π½Π°Ρ
ΠΎΠ΄ΠΈΡΡΡ ΡΡΠ΄ΠΎΠΌ Ρ ΠΠ‘, ΠΏΠΎ ΠΈΠ½ΡΡΡΡΠΊΡΠΈΠΈ ΡΠ²ΠΎΠ±ΠΎΠ΄Π½ΡΠΉ Ρ
ΠΎΠ΄ Π΄ΠΎΠ»ΠΆΠ΅Π½ ΡΠΎΡΡΠ°Π²Π»ΡΡΡ ΠΎΡ 30 Π΄ΠΎ 35 ΠΌΠΌ. ΠΠΎ Π½Π΅ Π²ΡΠ΅ΠΌ Π²ΠΎΠ΄ΠΈΡΠ΅Π»ΡΠΌ Π½ΡΠ°Π²ΠΈΡΡΡ Π΄Π΅Π»Π°ΡΡ ΡΠ°ΠΊ, ΠΊΠ°ΠΊ Π½Π°ΠΏΠΈΡΠ°Π½ΠΎ Π² ΠΈΠ½ΡΡΡΡΠΊΡΠΈΠΈ, ΠΈ ΠΌΠ½ΠΎΠ³ΠΈΠ΅ Π½Π°ΡΡΡΠ°ΠΈΠ²Π°ΡΡ ΠΏΠ΅Π΄Π°Π»Ρ, ΠΈΡΡ
ΠΎΠ΄Ρ ΠΈΠ· ΡΠ²ΠΎΠΈΡ
ΠΏΡΠ΅Π΄ΠΏΠΎΡΡΠ΅Π½ΠΈΠΉ.
ΠΡΠΎΡΠ°Ρ ΡΠ΅Π³ΡΠ»ΠΈΡΠΎΠ²ΠΊΠ° ΠΏΡΠΎΠΈΠ·Π²ΠΎΠ΄ΠΈΡΡΡ ΡΡΠΎΠΊΠΎΠΌ, ΠΊΠΎΡΠΎΡΡΠΉ ΡΠ°ΡΠΏΠΎΠ»ΠΎΠΆΠ΅Π½ ΠΌΠ΅ΠΆΠ΄Ρ Π Π¦Π‘ ΠΈ Π²ΠΈΠ»ΠΊΠΎΠΉ. ΠΠ° ΡΡΠΎΠΊΠ΅ ΠΎΡΠ»Π°Π±Π»ΡΠ΅ΡΡΡ ΠΊΠΎΠ½ΡΡΠ³Π°ΠΉΠΊΠ°, ΠΈ ΡΡΠΎΠΊ Π²ΡΡΡΠ°Π²Π»ΡΠ΅ΡΡΡ ΡΠ°ΠΊΠΎΠΉ Π΄Π»ΠΈΠ½Ρ, ΡΡΠΎΠ±Ρ ΠΎΠ½ ΡΠ²ΠΎΠ±ΠΎΠ΄Π½ΠΎ Ρ ΠΎΠ΄ΠΈΠ» Π½Π° ΡΠ°ΡΡΡΠΎΡΠ½ΠΈΠΈ 4-5 ΠΌΠΌ.
ΠΡΠΎΠ±Π΅Π½Π½ΠΎΡΡΠΈ ΡΠ΅Π³ΡΠ»ΠΈΡΠΎΠ²ΠΊΠΈ ΡΡΠ΅ΠΏΠ»Π΅Π½ΠΈΡ Π Π΅Π½ΠΎ ΠΠΎΠ³Π°Π½
ΠΠ° Π°Π²ΡΠΎΠΌΠΎΠ±ΠΈΠ»ΡΡ Renault Logan ΡΡΡΠ°Π½Π°Π²Π»ΠΈΠ²Π°Π΅ΡΡΡ ΡΡΠΎΡΠΎΠ²ΡΠΉ ΠΏΡΠΈΠ²ΠΎΠ΄, ΡΠΎΡΠ½ΠΎ ΡΠ°ΠΊΠΎΠΉ ΠΆΠ΅ ΡΡΠΎΡ ΠΏΡΠΈΡΡΡΡΡΠ²ΡΠ΅Ρ ΠΈ Π½Π° ΠΌΠΎΠ΄Π΅Π»ΠΈ Π Π΅Π½ΠΎ Π‘Π°Π½Π΄Π΅ΡΠΎ. ΠΡΠΎΡ ΠΏΡΠΈΠ²ΠΎΠ΄ ΠΈΠ΄Π΅Ρ ΡΠΎ Π²ΡΠ΅ΠΌΠΈ ΠΌΠ΅Ρ Π°Π½ΠΈΡΠ΅ΡΠΊΠΈΠΌΠΈ ΠΊΠΎΡΠΎΠ±ΠΊΠ°ΠΌΠΈ ΠΏΠ΅ΡΠ΅Π΄Π°Ρ, Π² Π½Π΅Π·Π°Π²ΠΈΡΠΈΠΌΠΎΡΡΠΈ ΠΎΡ ΡΠΈΠΏΠ° Π΄Π²ΠΈΠ³Π°ΡΠ΅Π»Ρ.
Π Π΅Π³ΡΠ»ΠΈΡΡΠ΅ΡΡΡ ΡΡΠΎΡ Π³Π°ΠΉΠΊΠΎΠΉ, ΠΊΠΎΡΠΎΡΠ°Ρ Π½Π°Ρ ΠΎΠ΄ΠΈΡΡΡ Π½Π° ΡΠ°ΠΌΠΎΠΌ ΡΡΠΎΡΡ, ΠΎΠ½Π° ΡΠ°ΡΠΏΠΎΠ»ΠΎΠΆΠ΅Π½Π° ΡΡΠ΄ΠΎΠΌ Ρ Π²ΠΈΠ»ΠΊΠΎΠΉ ΡΡΠ΅ΠΏΠ»Π΅Π½ΠΈΡ. ΠΠΎ Π·Π°Π²ΠΎΠ΄ΡΠΊΠΈΠΌ ΡΡΠ»ΠΎΠ²ΠΈΡΠΌ Π΄Π»Ρ Π½Π΅ΠΈΠ·Π½ΠΎΡΠ΅Π½Π½ΠΎΠ³ΠΎ ΠΠ‘ ΡΡΠΎΡ Π΄ΠΎΠ»ΠΆΠ΅Π½ ΠΈΠΌΠ΅ΡΡ Π΄Π»ΠΈΠ½Ρ ΠΌΠ΅ΠΆΠ΄Ρ ΠΊΡΠΎΠ½ΡΡΠ΅ΠΉΠ½ΠΎΠΌ ΠΠΠ ΠΈ Π²ΠΈΠ»ΠΊΠΎΠΉ 86 ΠΏΠ»ΡΡ-ΠΌΠΈΠ½ΡΡ 5 ΠΌΠΌ, ΠΊΠ°ΠΊΠΈΠ΅ Π΄ΠΎΠ»ΠΆΠ½Ρ Π±ΡΡΡ ΡΠ°ΡΡΡΠΎΡΠ½ΠΈΡ, ΠΏΠΎΠΊΠ°Π·Π°Π½ΠΎ Π½Π° ΡΠΈΡΡΠ½ΠΊΠ΅ ΡΠ½ΠΈΠ·Ρ.
Π‘ΠΎ Π²ΡΠ΅ΠΌΠ΅Π½Π΅ΠΌ Π΄ΠΈΡΠΊ ΡΡΠ΅ΠΏΠ»Π΅Π½ΠΈΡ ΠΈΠ·Π½Π°ΡΠΈΠ²Π°Π΅ΡΡΡ, ΡΡΠ°Π½ΠΎΠ²ΠΈΡΡΡ ΡΠΎΠ½ΡΡΠ΅. ΠΠ·-Π·Π° ΡΡΠΎΠ³ΠΎ ΠΠ‘ ΠΏΠΎΠ΄Π½ΠΈΠΌΠ°Π΅ΡΡΡ, ΠΈ ΡΡΠ΅Π±ΡΠ΅ΡΡΡ ΠΎΡΡΠ΅Π³ΡΠ»ΠΈΡΠΎΠ²Π°ΡΡ ΡΠ²ΠΎΠ±ΠΎΠ΄Π½ΡΠΉ Ρ ΠΎΠ΄.
ΠΠ»Ρ ΡΠΎΠ³ΠΎ ΡΡΠΎΠ±Ρ ΠΎΡΡΠ΅Π³ΡΠ»ΠΈΡΠΎΠ²Π°ΡΡ Ρ ΠΎΠ΄ ΠΏΠ΅Π΄Π°Π»ΠΈ, ΠΊΠ»ΡΡΠΎΠΌ Π½Π° 10 ΠΎΡΠ»Π°Π±Π»ΡΠ΅ΠΌ ΠΊΠΎΠ½ΡΡΠ³Π°ΠΉΠΊΡ, ΡΠ΄Π΅ΡΠΆΠΈΠ²Π°Ρ ΠΊΠ»ΡΡΠΎΠΌ Π½Π° 7 ΡΠ΅ΡΡΠΈΠ³ΡΠ°Π½Π½ΠΈΠΊ, ΠΏΠΎΠ²ΠΎΡΠ°ΡΠΈΠ²Π°Π΅ΠΌ ΡΠ΅Π³ΡΠ»ΠΈΡΠΎΠ²ΠΎΡΠ½ΡΡ Π³Π°ΠΉΠΊΡ.
Π£ΡΡΠ°Π½ΠΎΠ²ΠΈΠ² Π½Π΅ΠΎΠ±Ρ ΠΎΠ΄ΠΈΠΌΠΎΠ΅ ΠΏΠΎΠ»ΠΎΠΆΠ΅Π½ΠΈΠ΅ ΠΠ‘ ΠΠΎΠ³Π°Π½, ΡΠΈΠΊΡΠΈΡΡΠ΅ΠΌ ΠΊΠΎΠ½ΡΡΠ³Π°ΠΉΠΊΠΎΠΉ Π½Π°ΡΡΠΆΠΊΡ ΡΡΠΎΡΠ°. ΠΡΠΎΠ²Π΅ΡΡΠ΅ΠΌ Π°Π²ΡΠΎΠΌΠΎΠ±ΠΈΠ»Ρ Π½Π° Ρ ΠΎΠ΄Ρ, Π΅ΡΠ»ΠΈ ΡΠ²ΠΎΠ±ΠΎΠ΄Π½ΡΠΉ Ρ ΠΎΠ΄ Π½Π΅ ΡΡΡΡΠ°ΠΈΠ²Π°Π΅Ρ, ΠΏΠΎΠ²ΡΠΎΡΡΠ΅ΠΌ ΠΎΠΏΠ΅ΡΠ°ΡΠΈΡ.
Π Π΅Π³ΡΠ»ΠΈΡΠΎΠ²ΠΊΠ° ΡΡΠ΅ΠΏΠ»Π΅Π½ΠΈΡ Π½Π° Π°Π²ΡΠΎΠΌΠΎΠ±ΠΈΠ»ΡΡ Π₯Π΅Π½Π΄Π°ΠΉ
ΠΡΠΈΠ²ΠΎΠ΄ ΡΡΠ΅ΠΏΠ»Π΅Π½ΠΈΡ Π½Π° Π°Π²ΡΠΎΠΌΠ°ΡΠΈΠ½Π°Ρ Hyundai Β β Π³ΠΈΠ΄ΡΠ°Π²Π»ΠΈΡΠ΅ΡΠΊΠΈΠΉ, ΠΏΠ΅ΡΠ΅ΠΊΠ»ΡΡΠ΅Π½ΠΈΠ΅ ΠΏΠ΅ΡΠ΅Π΄Π°Ρ Π½Π° ΠΠΠ β ΡΡΠΎΡΠΎΠ²ΠΎΠ΅. ΠΠΈΠ΄ΡΠ°Π²Π»ΠΈΡΠ΅ΡΠΊΠΈΠΌ ΠΏΡΠΈΠ²ΠΎΠ΄ΠΎΠΌ ΠΎΡΠ½Π°ΡΠ΅Π½Ρ Π°Π²ΡΠΎΠΌΠΎΠ±ΠΈΠ»ΠΈ Π₯Π΅Π½Π΄Π°ΠΉ Getz, Elantra, Accent, Tucson, Solaris ΠΈ Π΄Ρ. ΠΡΠ°ΠΊΡΠΈΡΠ΅ΡΠΊΠΈ Π½Π° Π²ΡΠ΅Ρ ΠΌΠΎΠ΄Π΅Π»ΡΡ Hyundai ΡΠ΅Π³ΡΠ»ΠΈΡΠΎΠ²ΠΊΠ° ΠΏΠ΅Π΄Π°Π»ΠΈ ΡΡΠ΅ΠΏΠ»Π΅Π½ΠΈΡ ΠΏΡΠΎΠΈΠ·Π²ΠΎΠ΄ΠΈΡΡΡ ΠΈΠ· ΡΠ°Π»ΠΎΠ½Π°. ΠΠ°ΠΏΡΠΈΠΌΠ΅Ρ, Π½Π° Π°Π²ΡΠΎ Hyundai ΠΠΊΡΠ΅Π½Ρ ΠΠ‘ ΡΠΎΠ΅Π΄ΠΈΠ½ΡΠ΅ΡΡΡ Ρ Π³Π»Π°Π²Π½ΡΠΌ ΡΠΈΠ»ΠΈΠ½Π΄ΡΠΎΠΌ, ΠΌΠ΅ΠΆΠ΄Ρ ΡΡΠΈΠΌΠΈ Π΄Π΅ΡΠ°Π»ΡΠΌΠΈ ΡΡΡΠ°Π½Π°Π²Π»ΠΈΠ²Π°Π΅ΡΡΡ ΡΡΠΎΠΊ, ΠΊΠΎΡΠΎΡΡΠΉ ΠΌΠΎΠΆΠ΅Ρ ΡΠ΅Π³ΡΠ»ΠΈΡΠΎΠ²Π°ΡΡΡΡ. Π‘Π²ΠΎΠ±ΠΎΠ΄Π½ΡΠΉ Ρ ΠΎΠ΄ ΠΠ‘ ΡΠ΅Π³ΡΠ»ΠΈΡΡΠ΅ΠΌ ΡΡΠΈΠΌ ΡΡΠΎΠΊΠΎΠΌ:
- ΠΊΠ»ΡΡΠΎΠΌ Π½Π° 12 ΠΌΠΌ ΠΎΡΠ»Π°Π±Π»ΡΠ΅ΠΌ ΠΊΠΎΠ½ΡΡΠ³Π°ΠΉΠΊΡ;
- ΠΊΠ»ΡΡΠΈΠΊΠΎΠΌ Π½Π° 6 ΠΌΠΌ ΠΏΠΎΠ²ΠΎΡΠ°ΡΠΈΠ²Π°Π΅ΠΌ ΡΡΠΎΠΊ, ΡΡΡΠ°Π½ΠΎΠ²ΠΈΠ² Π½ΡΠΆΠ½ΠΎΠ΅ ΠΏΠΎΠ»ΠΎΠΆΠ΅Π½ΠΈΠ΅ ΠΏΠ΅Π΄Π°Π»ΠΈ;
- Π·Π°ΡΡΠ³ΠΈΠ²Π°Π΅ΠΌ ΠΊΠΎΠ½ΡΡΠ³Π°ΠΉΠΊΡ.

ΠΠ°ΠΊ ΡΠ΅Π³ΡΠ»ΠΈΡΡΠ΅ΡΡΡ ΡΠ²ΠΎΠ±ΠΎΠ΄Π½ΡΠΉ Ρ ΠΎΠ΄ ΠΏΠ΅Π΄Π°Π»ΠΈ Π½Π° Π°Π²ΡΠΎΠΌΠΎΠ±ΠΈΠ»ΡΡ ΠΠΈΡΡΠ°Π½
ΠΠΎ ΠΌΠ΅ΡΠ΅ ΠΈΠ·Π½ΠΎΡΠ° Π΄Π΅ΡΠ°Π»Π΅ΠΉ ΡΡΠ΅ΠΏΠ»Π΅Π½ΠΈΡ (Π΄ΠΈΡΠΊΠ° ΠΈ ΠΊΠΎΡΠ·ΠΈΠ½Ρ) Ρ ΠΠ‘ ΠΌΠ΅Π½ΡΠ΅ΡΡΡ Π²Π΅Π»ΠΈΡΠΈΠ½Π° ΡΠ²ΠΎΠ±ΠΎΠ΄Π½ΠΎΠ³ΠΎ Ρ ΠΎΠ΄Π°, ΠΈ ΠΏΠΎΡΡΠΎΠΌΡ ΡΡΠ΅Π±ΡΠ΅ΡΡΡ Π΅Π³ΠΎ ΡΠ΅Π³ΡΠ»ΠΈΡΠΎΠ²ΠΊΠ°. ΠΠ° Π°Π²ΡΠΎ ΠΠΈΡΡΠ°Π½ ΠΏΡΠΈΠ²ΠΎΠ΄ ΡΡΠ΅ΠΏΠ»Π΅Π½ΠΈΡ ΠΌΠΎΠΆΠ΅Ρ Π±ΡΡΡ ΡΠ°Π·Π½ΡΠΌ β ΠΌΠ΅Ρ Π°Π½ΠΈΡΠ΅ΡΠΊΠΈΠΌ ΠΈ Π³ΠΈΠ΄ΡΠ°Π²Π»ΠΈΡΠ΅ΡΠΊΠΈΠΌ, ΠΏΠΎΡΡΠΎΠΌΡ ΡΠ΅Π³ΡΠ»ΠΈΡΠΎΠ²ΠΊΠ° ΠΠ‘ ΠΏΡΠΎΠΈΠ·Π²ΠΎΠ΄ΠΈΡΡΡ Π½Π΅ΠΎΠ΄ΠΈΠ½Π°ΠΊΠΎΠ²ΠΎ. ΠΠ°ΠΏΡΠΈΠΌΠ΅Ρ, Π½Π° Π°Π²ΡΠΎΠΌΠ°ΡΠΈΠ½Π°Ρ Nissan Sunny Π² ΠΊΡΠ·ΠΎΠ²Π°Ρ N13 ΠΈ N14, Almera, Primera ΡΡΡΠ°Π½Π°Π²Π»ΠΈΠ²Π°Π΅ΡΡΡ ΡΡΠΎΡ, Π°Π²ΡΠΎ Qashqai, Tiida, ΠΠ»ΡΠΌΠ΅ΡΠ° ΠΠ»Π°ΡΡΠΈΠΊ, Note, Maxima ΠΎΡΠ½Π°ΡΠ°ΡΡΡΡ Π³ΠΈΠ΄ΡΠ°Π²Π»ΠΈΡΠ΅ΡΠΊΠΈΠΌ ΠΏΡΠΈΠ²ΠΎΠ΄ΠΎΠΌ.
ΠΠΏΡΠΎΡΠ΅ΠΌ, Π³ΠΈΠ΄ΡΠΎΠΏΡΠΈΠ²ΠΎΠ΄ ΠΌΠΎΠΆΠ΅Ρ ΡΡΡΠ°Π½Π°Π²Π»ΠΈΠ²Π°ΡΡΡΡ ΠΈ Π½Π° Sunny ΠΈΠ»ΠΈ Primera, ΠΌΠ½ΠΎΠ³ΠΎΠ΅ Π·Π°Π²ΠΈΡΠΈΡ ΠΎΡ ΡΠΈΠΏΠ° Π΄Π²ΠΈΠ³Π°ΡΠ΅Π»Ρ, ΠΏΠΎΠΊΠΎΠ»Π΅Π½ΠΈΡ ΠΌΠΎΠ΄Π΅Π»ΠΈ. Β«ΠΠΈΠ΄ΡΠ°Π²Π»ΠΈΠΊΠΎΠΉΒ» Π½Π° ΠΠΈΡΡΠ°Π½ ΠΎΠ±ΡΡΠ½ΠΎ ΠΎΡΠ½Π°ΡΠ°ΡΡΡΡ Π°Π²ΡΠΎ Ρ Π±ΠΎΠ»Π΅Π΅ ΠΌΠΎΡΠ½ΡΠΌΠΈ ΠΠΠ‘ (2.0/ 2.5/ 3.0 Π»), Ρ ΡΡΠΎΡΠΎΠΌ ΡΡΠ΅ΠΏΠ»Π΅Π½ΠΈΡ ΠΈΠ΄ΡΡ Π°Π²ΡΠΎΠΌΠΎΠ±ΠΈΠ»ΠΈ Ρ ΠΌΠΎΡΠΎΡΠ°ΠΌ 1.4/ 1.5/ 1.6 Π».
ΠΠ° Π°Π²ΡΠΎ ΠΠΈΡΡΠ°Π½ N14 ΡΡΠΎΡ ΡΠ΅Π³ΡΠ»ΠΈΡΡΠ΅ΡΡΡ Π² ΡΠ°ΠΉΠΎΠ½Π΅ Π²ΠΈΠ»ΠΊΠΈ ΡΡΠ΅ΠΏΠ»Π΅Π½ΠΈΡ, ΡΠ΅Π³ΡΠ»ΠΈΡΠΎΠ²ΠΎΡΠ½ΡΠΉ ΠΌΠ΅Ρ Π°Π½ΠΈΠ·ΠΌ Π½Π°Ρ ΠΎΠ΄ΠΈΡΡΡ Π² ΡΠ°ΠΌΠΎΠΌ ΠΊΠΎΠ½ΡΠ΅ ΡΡΠΎΡΠ°.
Π’Π°ΠΊΠΎΠΉ ΠΆΠ΅ ΡΡΠΎΡΠΈΠΊ ΡΡΡΠ°Π½Π°Π²Π»ΠΈΠ²Π°Π΅ΡΡΡ ΠΈ Π½Π° ΠΠ»ΡΠΌΠ΅ΡΡ, Π° ΡΡΠΎΠ±Ρ Π΅Π³ΠΎ ΡΠΊΠΎΡΠΎΡΠΈΡΡ ΠΏΡΠΈ ΠΈΠ·Π½ΠΎΡΠ΅Π½Π½ΡΡ Π½Π°ΠΊΠ»Π°Π΄ΠΊΠ°Ρ ΠΠ‘, Ρ ΠΎΠ·ΡΠ΅Π²Π° ΠΌΠ°ΡΠΈΠ½ ΠΏΠΎΠ΄ΠΊΠ»Π°Π΄ΡΠ²Π°ΡΡ ΡΠ°ΠΉΠ±Ρ, ΠΈ Π² ΡΠ°ΠΊΠΎΠΌ ΡΠ»ΡΡΠ°Π΅ ΠΎΠ½ ΡΠΆΠ΅ Π½Π΅ ΡΠΈΠΊΡΠΈΡΡΠ΅ΡΡΡ ΠΊΠΎΠ½ΡΡΠ³Π°ΠΉΠΊΠΎΠΉ.
ΠΠ°ΠΊ ΠΈ Π½Π° Π°Π²ΡΠΎ ΠΌΠ°ΡΠΊΠΈ Π₯Π΅Π½Π΄Π°ΠΉ, ΠΠ¦Π‘ Π½Π° Β«ΠΠΈΡΡΠ°Π½Π°Ρ Β» ΡΠ°ΡΠΏΠΎΠ»Π°Π³Π°Π΅ΡΡΡ ΡΡΠ΄ΠΎΠΌ Ρ ΠΏΠ΅Π΄Π°Π»ΡΡ, ΠΌΠ΅ΠΆΠ΄Ρ ΡΠΎΠ±ΠΎΠΉ ΡΡΠΈ Π΄Π΅ΡΠ°Π»ΠΈ ΡΠΎΠ΅Π΄ΠΈΠ½ΡΡΡΡΡ ΡΡΠΎΠΊΠΎΠΌ, Π½Π° ΠΊΠΎΡΠΎΡΠΎΠΌ ΠΈΠΌΠ΅Π΅ΡΡΡ ΡΠ΅Π³ΡΠ»ΠΈΡΠΎΠ²ΠΊΠ°.
Π§ΡΠΎΠ±Ρ ΠΎΡΡΠ΅Π³ΡΠ»ΠΈΡΠΎΠ²Π°ΡΡ ΡΠ²ΠΎΠ±ΠΎΠ΄Π½ΡΠΉ Ρ ΠΎΠ΄ ΠΠ‘ Π½Π° Nissan Almera N16 (Classic), ΠΏΠΎΡΡΠ΅Π±ΡΡΡΡΡ ΠΊΠ»ΡΡΠΈ Π½Π° 12 ΠΈ 6. ΠΠ»Ρ Π²ΡΠΏΠΎΠ»Π½Π΅Π½ΠΈΡ ΠΎΠΏΠ΅ΡΠ°ΡΠΈΠΈ ΠΎΡΠ»Π°Π±Π»ΡΠ΅ΠΌ ΠΊΠΎΠ½ΡΡΠ³Π°ΠΉΠΊΡ Π½Π° 12, Π·Π°ΡΠ΅ΠΌ ΠΊΠ»ΡΡΠΎΠΌ 6 ΠΌΠΌ ΠΏΠΎΠ²ΠΎΡΠ°ΡΠΈΠ²Π°Π΅ΠΌ ΡΡΠΎΠΊ Π² Π½ΡΠΆΠ½ΠΎΠΌ Π½Π°ΠΏΡΠ°Π²Π»Π΅Π½ΠΈΠΈ. ΠΡΡΡΠ°Π²ΠΈΠ² ΡΠ΄ΠΎΠ±Π½ΠΎΠ΅ ΠΏΠΎΠ»ΠΎΠΆΠ΅Π½ΠΈΠ΅ ΠΠ‘, ΡΡΠ³ΠΎ Π·Π°ΡΡΠ³ΠΈΠ²Π°Π΅ΠΌ ΠΊΠΎΠ½ΡΡΠ³Π°ΠΉΠΊΡ β Π΅ΡΠ»ΠΈ ΠΎΠ½Π° ΡΠ°ΡΠΊΡΡΡΠΈΡΡΡ, Π²ΡΡ Π½Π°ΡΡΡΠΎΠΉΠΊΠ° ΡΠΎΠ±ΡΠ΅ΡΡΡ.
Π§ΡΠΎ Π½ΡΠΆΠ½ΠΎ Π·Π½Π°ΡΡ ΠΎ Π½Π΅ΠΈΡΠΏΡΠ°Π²Π½ΠΎΡΡΡΡ ΡΡΠ΅ΠΏΠ»Π΅Π½ΠΈΡ
- ΠΡΠ»ΠΈ Π² ΠΏΡΠΎΡΠ΅ΡΡΠ΅ ΡΠΊΡΠΏΠ»ΡΠ°ΡΠ°ΡΠΈΠΈ Π°Π²ΡΠΎ ΠΠ‘ ΡΡΠ°Π»Π° ΠΏΠΎΡΡΠ΅ΠΏΠ΅Π½Π½ΠΎ ΡΡ ΠΎΠ΄ΠΈΡΡ Π²Π²Π΅ΡΡ , ΡΠΊΠΎΡΠ΅Π΅ Π²ΡΠ΅Π³ΠΎ, ΠΈΠ·Π½ΠΎΡΠ΅Π½Ρ Π½Π°ΠΊΠ»Π°Π΄ΠΊΠΈ Π²Π΅Π΄ΠΎΠΌΠΎΠ³ΠΎ Π΄ΠΈΡΠΊΠ°.
- ΠΠΎΠ³Π΄Π° ΡΡΠ΅ΠΏΠ»Π΅Π½ΠΈΠ΅ Π±ΡΠΊΡΡΠ΅Ρ, Π² ΡΠ°Π»ΠΎΠ½Π΅ ΠΏΠ°Ρ
Π½Π΅Ρ Π³ΠΎΡΠ΅Π»ΡΠΌΠΈ Π½Π°ΠΊΠ»Π°Π΄ΠΊΠ°ΠΌΠΈ (ΡΠ΅ΡΠΎΠ΄ΠΎ). ΠΡΠΎΠ²Π΅ΡΠΈΡΡ ΠΈΠ·Π½ΠΎΡΠ΅Π½Π½ΠΎΡΡΡ Π½Π°ΠΊΠ»Π°Π΄ΠΎΠΊ Π΄ΠΎΡΡΠ°ΡΠΎΡΠ½ΠΎ ΠΏΡΠΎΡΡΠΎ: ΡΡΠ°Π²ΠΈΠΌ ΠΌΠ°ΡΠΈΠ½Ρ Π½Π° Β«ΡΡΡΠ½ΠΈΠΊΒ», Π·Π°ΠΏΡΡΠΊΠ°Π΅ΠΌ ΠΌΠΎΡΠΎΡ, Π²ΡΠΆΠΈΠΌΠ°Π΅ΠΌ ΡΡΠ΅ΠΏΠ»Π΅Π½ΠΈΠ΅, ΠΏΡΠΈΠ±Π°Π²Π»ΡΠ΅ΠΌ Π³Π°Π·, ΠΏΠ»Π°Π²Π½ΠΎ ΠΎΡΠΏΡΡΠΊΠ°Π΅ΠΌ ΠΠ‘.
ΠΡΠ»ΠΈ Π΄Π²ΠΈΠ³Π°ΡΠ΅Π»Ρ ΠΏΠΎΡΡΠΈ Π½Π΅ ΡΠ±Π°Π²Π»ΡΠ΅Ρ ΠΎΠ±ΠΎΡΠΎΡΡ, Π½Π°ΠΊΠ»Π°Π΄Π΅ΠΈ Π΄ΠΈΡΠΊΠ° ΠΈΠ·Π½ΠΎΡΠ΅Π½Ρ. ΠΡΠ»ΠΈ ΠΠΠ‘ Π³Π»ΠΎΡ
Π½Π΅Ρ, ΡΡΠ΅ΠΏΠ»Π΅Π½ΠΈΠ΅ Π² ΠΏΠΎΡΡΠ΄ΠΊΠ΅. - ΠΡΠΎΠ±ΡΠΊΡΠΎΠ²ΠΊΠ° ΠΌΠΎΠΆΠ΅Ρ ΠΏΡΠΎΠΈΡΡ ΠΎΠ΄ΠΈΡΡ Π½Π΅ ΡΠΎΠ»ΡΠΊΠΎ ΠΈΠ·-Π·Π° ΠΈΠ·Π½ΠΎΡΠ΅Π½Π½ΡΡ ΡΡΠΈΠΊΡΠΈΠΎΠ½Π½ΡΡ Π½Π°ΠΊΠ»Π°Π΄ΠΎΠΊ Π΄ΠΈΡΠΊΠ°, Π½Π° ΠΊΠΎΡΠ·ΠΈΠ½Ρ ΠΈ Π΄ΠΈΡΠΊ ΠΌΠΎΠΆΠ΅Ρ ΠΏΠΎΠΏΠ°Π΄Π°ΡΡ ΠΌΠ°ΡΠ»ΠΎ. Π§ΡΠΎΠ±Ρ ΠΏΡΠΎΠ²Π΅ΡΠΈΡΡ Π΄ΠΎΠ³Π°Π΄ΠΊΡ, Π½Π΅ΠΎΠ±Ρ ΠΎΠ΄ΠΈΠΌΠΎ ΡΡΡΠ°Π½ΠΎΠ²ΠΈΡΡ Π°Π²ΡΠΎΠΌΠΎΠ±ΠΈΠ»Ρ Π½Π° ΠΏΠΎΠ΄ΡΠ΅ΠΌΠ½ΠΈΠΊ ΠΈΠ»ΠΈ ΡΠΌΡ, ΠΏΡΠΎΠΈΠ·Π²Π΅ΡΡΠΈ Π²Π½Π΅ΡΠ½ΠΈΠΉ ΠΎΡΠΌΠΎΡΡ Π΄Π²ΠΈΠ³Π°ΡΠ΅Π»Ρ ΠΈ ΠΠΠ ΡΠ½ΠΈΠ·Ρ. ΠΠΎΠΏΠ°Π΄Π°Π΅Ρ Π² ΡΡΠ΅ΠΏΠ»Π΅Π½ΠΈΠ΅ ΠΌΠ°ΡΠ»ΠΎ ΡΠ΅ΡΠ΅Π· ΡΠ°Π»ΡΠ½ΠΈΠΊ ΠΏΠ΅ΡΠ²ΠΈΡΠ½ΠΎΠ³ΠΎ Π²Π°Π»Π° ΠΠΠ, ΡΠ΅ΡΠ΅Π· Π·Π°Π΄Π½ΠΈΠΉ ΡΠ°Π»ΡΠ½ΠΈΠΊ ΠΠΠ‘.
- ΠΡΠ»ΠΈ ΠΠ‘ Π²ΡΡΠ°Π»Π° ΠΊΠΎΠ»ΠΎΠΌ, ΡΠΎ ΡΡΠΎ ΠΌΠΎΠΆΠ΅Ρ Π±ΡΡΡ: Π·Π°ΠΊΠΈΡΠ»Π° Π²ΠΈΠ»ΠΊΠ°, Π·Π°ΠΊΠ»ΠΈΠ½ΠΈΠ» ΠΏΠΎΡΡΠ΅Π½Ρ Π² ΡΠ°Π±ΠΎΡΠ΅ΠΌ ΡΠΈΠ»ΠΈΠ½Π΄ΡΠ΅, Π²ΠΈΠ»ΠΊΠ° ΡΠ»Π΅ΡΠ΅Π»Π° ΡΠΎ ΡΡΡΠΏΠΈΡΡ Π²ΡΠΆΠΈΠΌΠ½ΠΎΠ³ΠΎ ΠΏΠΎΠ΄ΡΠΈΠΏΠ½ΠΈΠΊΠ° (Π½Π° Π΄Π²ΠΈΠ³Π°ΡΠ΅Π»ΡΡ ΠΠΠ-402, Π£ΠΠ ΡΠ°Π·Π»ΠΈΡΠ½ΡΡ ΠΌΠΎΠ΄Π΅Π»Π΅ΠΉ).
- ΠΡΠ»ΠΈ ΠΠ‘ ΡΡΠ°Π»Π° Β«Π²Π°ΡΠ½ΠΎΠΉΒ», Π° ΡΡΠΎΠ±Ρ Π½ΠΎΡΠΌΠ°Π»ΡΠ½ΠΎ ΠΏΠ΅ΡΠ΅ΠΊΠ»ΡΡΠΈΡΡ ΠΏΠ΅ΡΠ΅Π΄Π°ΡΡ, Π½Π΅ΠΎΠ±Ρ ΠΎΠ΄ΠΈΠΌΠΎ Π΄Π²Π° ΡΠ°Π·Π° Π²ΡΠΆΠΈΠΌΠ°ΡΡ ΠΏΠ΅Π΄Π°Π»Ρ ΡΡΠ΅ΠΏΠ»Π΅Π½ΠΈΡ, Π·Π½Π°ΡΠΈΡ, ΡΡΠ°Π»ΠΈ ΠΏΠ΅ΡΠ΅ΠΏΡΡΠΊΠ°ΡΡ ΠΊΠ»Π°ΠΏΠ°Π½Π° Π³Π»Π°Π²Π½ΠΎΠ³ΠΎ ΡΠΈΠ»ΠΈΠ½Π΄ΡΠ°. Π ΡΡΠΎΠΌ ΡΠ»ΡΡΠ°Π΅ Π½Π΅ΠΎΠ±Ρ ΠΎΠ΄ΠΈΠΌ ΡΠ΅ΠΌΠΎΠ½Ρ ΠΠ¦Π‘ ΠΈΠ»ΠΈ Π΅Π³ΠΎ Π·Π°ΠΌΠ΅Π½Π°.
avtobrands.ru
8.2 Π Π΅Π³ΡΠ»ΠΈΡΠΎΠ²ΠΊΠ° ΠΏΠ΅Π΄Π°Π»ΠΈ ΡΡΠ΅ΠΏΠ»Π΅Π½ΠΈΡ
Π‘Π΅ΡΠ²ΠΈΡΠ½ΠΎΠ΅ ΠΎΠ±ΡΠ»ΡΠΆΠΈΠ²Π°Π½ΠΈΠ΅ ΠΈ ΡΠΊΡΠΏΠ»ΡΠ°ΡΠ°ΡΠΈΡ
Π ΡΠΊΠΎΠ²ΠΎΠ΄ΡΡΠ²Π° οΏ« ΠΠΠ οΏ« 2705 (ΠΠ°Π·Π΅Π»Ρ)
| ΠΠΠ Π―ΠΠΠ ΠΠ«ΠΠΠΠΠΠΠΠ― | ||||||||||
|
ΠΡΠ±Π°Ρ Π³ΠΈΠ΄ΡΠ°Π²Π»ΠΈΡΠ΅ΡΠΊΠ°Ρ ΡΠΈΡΡΠ΅ΠΌΠ° ΡΠ°Π±ΠΎΡΠ°Π΅Ρ Π½ΠΎΡΠΌΠ°Π»ΡΠ½ΠΎ, Π΅ΡΠ»ΠΈ ΠΈΠ· Π½Π΅Π΅ ΡΠ΄Π°Π»Π΅Π½ Π²ΠΎΠ·Π΄ΡΡ .
ΠΡΠ΅Π΄ΡΠΏΡΠ΅ΠΆΠ΄Π΅Π½ΠΈΠ΅ΠΠΎ Π²ΡΠ΅ΠΌΡ ΡΠ΄Π°Π»Π΅Π½ΠΈΡ Π²ΠΎΠ·Π΄ΡΡ Π° Π΄ΠΎΠ±Π°Π²Π»ΡΠΉΡΠ΅ ΡΠΎΠ»ΡΠΊΠΎ ΡΠΈΡΡΡΡ ΠΆΠΈΠ΄ΠΊΠΎΡΡΡ, ΡΠ΅ΠΊΠΎΠΌΠ΅Π½Π΄ΡΠ΅ΠΌΡΡ ΠΈΠ·Π³ΠΎΡΠΎΠ²ΠΈΡΠ΅Π»Π΅ΠΌ. ΠΠΈΠ΄ΠΊΠΎΡΡΡ, ΠΈΡΠΏΠΎΠ»ΡΠ·ΡΠ΅ΠΌΠ°Ρ Π² Π³ΠΈΠ΄ΡΠ°Π²Π»ΠΈΡΠ΅ΡΠΊΠΎΠΌ ΠΏΡΠΈΠ²ΠΎΠ΄Π΅, ΡΠ°ΡΡΠ²ΠΎΡΡΠ΅Ρ ΠΊΡΠ°ΡΠΊΡ ΠΈ ΠΏΠ»Π°ΡΡΠΌΠ°ΡΡΡ, ΠΏΠΎΡΡΠΎΠΌΡ ΠΏΡΠΈ ΠΏΠΎΠΏΠ°Π΄Π°Π½ΠΈΠΈ ΠΆΠΈΠ΄ΠΊΠΎΡΡΠΈ Π½Π° Π»Π°ΠΊΠΎΠΊΡΠ°ΡΠΎΡΠ½ΠΎΠ΅ ΠΏΠΎΠΊΡΡΡΠΈΠ΅ Π°Π²ΡΠΎΠΌΠΎΠ±ΠΈΠ»Ρ ΠΏΡΠΎΠΌΠΎΠΉΡΠ΅ Π΅Π³ΠΎ Π±ΠΎΠ»ΡΡΠΈΠΌ ΠΊΠΎΠ»ΠΈΡΠ΅ΡΡΠ²ΠΎΠΌ Π²ΠΎΠ΄Ρ.
| ΠΠΠ Π―ΠΠΠ ΠΠ«ΠΠΠΠΠΠΠΠ― | ||||||
|
Π‘ΡΠ΅ΠΏΠ»Π΅Π½ΠΈΠ΅
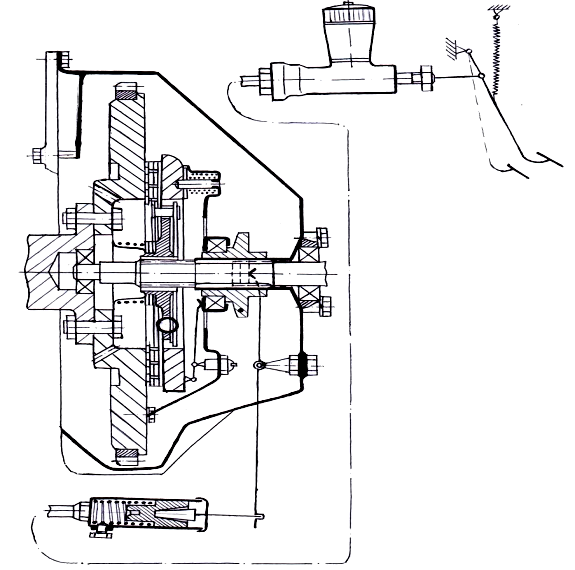
| 1 β Π²ΠΈΠ»ΠΊΠ° Π²ΡΠΊΠ»ΡΡΠ΅Π½ΠΈΡ ΡΡΠ΅ΠΏΠ»Π΅Π½ΠΈΡ; 2 β ΠΏΠΎΠ΄ΡΠΈΠΏΠ½ΠΈΠΊ Π²ΡΠΊΠ»ΡΡΠ΅Π½ΠΈΡ ΡΡΠ΅ΠΏΠ»Π΅Π½ΠΈΡ; 3 β Π±ΠΎΠ»Ρ, 15β22 Πβ’ΠΌ; | 4 β Π½Π°ΠΆΠΈΠΌΠ½ΠΎΠΉ Π΄ΠΈΡΠΊ ΡΡΠ΅ΠΏΠ»Π΅Π½ΠΈΡ; 5 β Π²Π΅Π΄ΠΎΠΌΡΠΉ Π΄ΠΈΡΠΊ ΡΡΠ΅ΠΏΠ»Π΅Π½ΠΈΡ.![]() |
| ΠΠΠ Π―ΠΠΠ ΠΠ«ΠΠΠΠΠΠΠΠ― | ||||||
|
| ΠΠΠ Π―ΠΠΠ ΠΠ«ΠΠΠΠΠΠΠΠ― | |||
|
| ΠΠΠ Π―ΠΠΠ ΠΠ«ΠΠΠΠΠΠΠΠ― | |||||
|
ΠΠΎΠ΄ΡΠΈΠΏΠ½ΠΈΠΊ Π²ΡΠΊΠ»ΡΡΠ΅Π½ΠΈΡ ΡΡΠ΅ΠΏΠ»Π΅Π½ΠΈΡ Π³Π΅ΡΠΌΠ΅ΡΠΈΡΠ΅Π½, ΠΈ Π΅Π³ΠΎ Π½Π΅Π»ΡΠ·Ρ ΠΏΡΠΎΠΌΡΠ²Π°ΡΡ.
| ΠΠΠ Π―ΠΠΠ ΠΠ«ΠΠΠΠΠΠΠΠ― | ||
|
| ΠΠΠ Π―ΠΠΠ ΠΠ«ΠΠΠΠΠΠΠΠ― | |
|
| ΠΠΠ Π―ΠΠΠ ΠΠ«ΠΠΠΠΠΠΠΠ― | ||||||||||||||||
|
automn.ru
ΠΠ°ΠΊ Π·Π°ΠΌΠ΅Π½ΠΈΡΡ ΠΈ ΠΎΡΡΠ΅Π³ΡΠ»ΠΈΡΠΎΠ²Π°ΡΡ ΡΠ°Π±ΠΎΡΠΈΠΉ ΡΠΈΠ»ΠΈΠ½Π΄Ρ Π½Π° ΠΠ°Π·Π΅Π»Ρ?
ΠΡΠΈ Π²ΡΠ΅Ρ ΠΏΠ»ΡΡΠ°Ρ ΡΡΠ΅ΠΏΠ»Π΅Π½ΠΈΠ΅ Π½Π° Π³Π°Π·Π΅Π»Ρ ΠΎΡΡΠ°Π²Π»ΡΠ΅Ρ ΠΆΠ΅Π»Π°ΡΡ Π»ΡΡΡΠ΅Π³ΠΎ β ΡΡΠΎ Π½Π°ΡΡΠΎΡΡΠ°Ρ Π³ΠΎΠ»ΠΎΠ²Π½Π°Ρ Π±ΠΎΠ»Ρ Π΄Π»Ρ ΠΊΠ°ΠΆΠ΄ΠΎΠ³ΠΎ Π²Π»Π°Π΄Π΅Π»ΡΡΠ°. ΠΠ²ΠΈΠ΄Ρ Π½Π΅ΡΠΎΠ²Π΅ΡΡΠ΅Π½ΡΡΠ²Π° Π΄Π°Π½Π½ΠΎΠ³ΠΎ ΡΠ·Π»Π°, Π½Π΅ ΠΎΡΠ»ΠΈΡΠ°ΡΡΠ΅Π³ΠΎ Π΄ΠΎΠ»Π³ΠΎΠ²Π΅ΡΠ½ΠΎΡΡΡΡ ΠΈ Π½Π°Π΄Π΅ΠΆΠ½ΠΎΡΡΡΡ, ΠΏΡΠΈΡ ΠΎΠ΄ΠΈΡΡΡ ΡΠ°ΡΡΠ΅Π½ΡΠΊΠΎ Π΅Π³ΠΎ Π·Π°ΠΌΠ΅Π½ΡΡΡ, ΡΠ΅ΠΌΠΎΠ½ΡΠΈΡΠΎΠ²Π°ΡΡ ΠΈΠ»ΠΈ ΡΠ΅Π³ΡΠ»ΠΈΡΠΎΠ²Π°ΡΡ. Π Π°Π΄ΡΠ΅Ρ Π·Π΄Π΅ΡΡ Π»ΠΈΡΡ ΡΠΎ, ΡΡΠΎ ΡΡΠΎΠΈΠΌΠΎΡΡΡ Π½ΠΎΠ²ΠΎΠ³ΠΎ ΡΠ°Π±ΠΎΡΠ΅Π³ΠΎ ΡΠΈΠ»ΠΈΠ½Π΄ΡΠ° ΡΡΠ΅ΠΏΠ»Π΅Π½ΠΈΡ Π½Π΅ Π²Π΅Π»ΠΈΠΊΠ°, Π° Π² ΡΠ΅ΠΌΠΎΠ½ΡΠ΅ Π½Π΅Ρ Π½ΠΈΡΠ΅Π³ΠΎ ΡΠ»ΠΎΠΆΠ½ΠΎΠ³ΠΎ: ΡΠ½ΠΈΠΌΠ°ΡΡ ΡΠ°Π±ΠΎΡΠΈΠΉ ΡΠΈΠ»ΠΈΠ½Π΄Ρ, ΡΠ°Π·Π±ΠΈΡΠ°ΡΡ, ΠΏΡΠΎΠΈΠ·Π²ΠΎΠ΄ΠΈΡΡΡ Π·Π°ΠΌΠ΅Π½Π° ΡΠ»Π΅ΠΌΠ΅Π½ΡΠ° ΠΈ Π²ΡΡ ΡΡΡΠ°Π½Π°Π²Π»ΠΈΠ²Π°Π΅ΡΡΡ ΠΎΠ±ΡΠ°ΡΠ½ΠΎ. ΠΡΠ»ΠΈ ΠΆΠ΅ ΠΏΡΠΎΠ±Π»Π΅ΠΌΠ½ΠΎ Π½Π΅ ΠΏΠΎΠ»Π½ΠΎΡΡΡΡ Π²ΡΡ ΡΡΠ΅ΠΏΠ»Π΅Π½ΠΈΠ΅ Π½Π° Π³Π°Π·Π΅Π»Ρ, Π° Π΄Π΅Π»ΠΎ Π² ΠΊΠ°ΠΊΠΈΡ -ΡΠΎ ΡΠ»Π΅ΠΌΠ΅Π½ΡΠ°Ρ ΡΠΈΠ»ΠΈΠ½Π΄ΡΠ°, ΡΠΎ, ΠΊ ΠΏΡΠΈΠΌΠ΅ΡΡ, Π·Π°ΠΌΠ΅Π½ΠΈΡΡ Π΄ΠΈΡΠΊ Π½Π΅ ΡΠΎΡΡΠ°Π²ΠΈΡ ΠΎΡΠΎΠ±ΠΎΠ³ΠΎ ΡΡΡΠ΄Π°.
ΠΠ°Π·Π΅Π»Ρ ΠΠΈΠ·Π½Π΅Ρ
ΠΠΎ ΠΏΠ΅ΡΠ΅Π΄ ΡΡΠΈΠΌ Π»ΡΡΡΠ΅ Π²ΡΡ ΠΆΠ΅ ΠΏΠΎΠ΄ΡΠΌΠ°ΡΡ, ΠΏΠΎΡΠ΅ΠΌΡ ΡΠΎΡ ΠΆΠ΅ Π΄ΠΈΡΠΊ ΡΡΠ΅ΠΏΠ»Π΅Π½ΠΈΡ ΡΠ³ΠΎΡΠ°Π΅Ρ ΠΈ ΠΊΠ°ΠΊ Π² ΡΠ»Π΅Π΄ΡΡΡΠΈΠΉ ΡΠ°Π· ΡΡΠΎΠ³ΠΎ ΠΈΠ·Π±Π΅ΠΆΠ°ΡΡ.
ΠΠ½ΠΎΠ³ΠΈΠ΅ Π°Π²ΡΠΎΠΌΠΎΠ±ΠΈΠ»ΠΈΡΡΡ Π² Π½Π΅Π½Π°ΡΡΠ½ΡΡ Π·ΠΈΠΌΠ½ΡΡ ΠΏΠΎΠ³ΠΎΠ΄Ρ ΡΠ°Π΄ΡΡΡΡ Π² ΡΡΠ³ΡΠΎΠ± ΠΈ Π΄Π΅Π»Π°ΡΡ Π±ΠΎΠ»ΡΡΡΡ ΠΎΡΠΈΠ±ΠΊΡ, ΡΠΏΠΈΡΠ°Ρ Π² ΠΏΠΎΠ» ΠΏΠ΅Π΄Π°Π»Ρ Π³Π°Π·Π° ΠΈ ΡΠΏΠ°Π»ΠΈΠ²Π°Ρ ΡΠ΅ΠΌ ΡΠ°ΠΌΡΠΌ Π΄ΠΈΡΠΊ ΡΡΠ΅ΠΏΠ»Π΅Π½ΠΈΡ. Π Π²Π΅Π΄Ρ ΠΌΠΎΠΆΠ½ΠΎ Π±ΡΠ»ΠΎ ΠΏΡΠΎΡΡΠΎ ΠΏΠΎΠ΄Π»ΠΎΠΆΠΈΡΡ Π²Π΅ΡΠΊΠΈ ΠΏΠΎΠ΄ ΠΊΠΎΠ»Π΅ΡΠ°. ΠΠ΅ΡΠΎΠΌ ΡΠΎΠΆΠ΅ ΡΠ°ΡΡΠ΅Π½ΡΠΊΠΎ ΡΠ»ΡΡΠΈΡΡ ΡΡΠΌΠ°ΡΡΠ΅Π΄ΡΠΈΠΉ Π²ΠΈΠ·Π³ ΡΠΈΠ½ β ΠΏΡΠΈΠ²ΡΡΠΊΠ° Π³Π°Π·ΠΎΠ²Π°ΡΡ Ρ ΠΌΠ΅ΡΡΠ°? Π ΠΊΠ°ΠΊ ΠΈΡΠΎΠ³ β ΡΠ³ΠΎΡΠ΅Π²ΡΠΈΠΉ Π΄ΠΈΡΠΊ ΡΡΠ΅ΠΏΠ»Π΅Π½ΠΈΡ. ΠΠ° ΠΏΡΠΈ ΡΠΎΠΌ Π΄ΠΈΡΠΊ ΡΠ°ΠΊ ΡΠ³ΠΎΡΠ°Π΅Ρ, ΡΡΠΎ ΠΌΠ΅ΡΠ°Π»Π» ΡΠΈΠ½Π΅Π΅Ρ, ΡΡΠΎ ΠΏΠ΅ΡΠ²ΡΠΉ ΠΏΡΠΈΠ·Π½Π°ΠΊ Π΅Π³ΠΎ Ρ
ΡΡΠΏΠΊΠΎΡΡΠΈ ΠΈ ΡΠΎΠ½ΠΊΠΎΡΡΠΈ. ΠΠΎΠ½Π΅ΡΠ½ΠΎ ΠΆΠ΅, ΠΎ Π½ΠΎΡΠΌΠ°Π»ΡΠ½ΠΎΠΌ ΡΡΠ΅ΠΏΠ»Π΅Π½ΠΈΠΈ Π·Π΄Π΅ΡΡ Π½Π΅ ΠΌΠΎΠΆΠ΅Ρ Π±ΡΡΡ ΠΈ ΡΠ΅ΡΠΈ.
ΠΠ°ΠΌΠ΅Π½Π° Π΄ΠΈΡΠΊΠ° ΠΏΡΠΎΠΈΠ·Π²ΠΎΠ΄ΠΈΡΡΡ ΡΠ»Π΅Π΄ΡΡΡΠΈΠΌ ΠΎΠ±ΡΠ°Π·ΠΎΠΌ:
- ΠΎΡΡΠΎΠ΅Π΄ΠΈΠ½ΡΠ΅ΡΡΡ ΠΎΡ ΠΊΠΎΡΠΎΠ±ΠΊΠΈ ΠΏΠ΅ΡΠ΅ΠΊΠ»ΡΡΠ΅Π½ΠΈΡ ΠΏΠ΅ΡΠ΅Π΄Π°Ρ ΠΊΠ°ΡΠ΄Π°Π½Π½ΡΠΉ Π²Π°Π»;
- ΡΠ½ΠΈΠΌΠ°Π΅ΡΡΡ ΠΊΠΎΡΠΎΠ±ΠΊΠ° ΠΏΠ΅ΡΠ΅Π΄Π°Ρ;
- ΠΎΡΠ²ΠΎΡΠ°ΡΠΈΠ²Π°Π΅ΡΡΡ ΠΈ ΡΠ½ΠΈΠΌΠ°Π΅ΡΡΡ ΠΊΠ°ΡΡΠ΅Ρ ΡΡΠ΅ΠΏΠ»Π΅Π½ΠΈΡ;
- ΠΎΡΠ²ΠΎΡΠ°ΡΠΈΠ²Π°Π΅ΡΡΡ 6 Π±ΠΎΠ»ΡΠΎΠ², ΡΠ½ΠΈΠΌΠ°Π΅ΡΡΡ ΠΊΠΎΡΠ·ΠΈΠ½Π° ΡΡΠ΅ΠΏΠ»Π΅Π½ΠΈΡ ΠΈ Π΄ΠΈΡΠΊ;
- ΡΡΡΠ°Π½Π°Π²Π»ΠΈΠ²Π°Π΅ΡΡΡ Π½ΠΎΠ²ΡΠΉ Π΄ΠΈΡΠΊ, ΠΈΡΠΏΠΎΠ»ΡΠ·ΡΡ ΡΠ΅Π½ΡΡΠΈΡΡΡΡΡΡ Π²ΡΡΠ°Π²ΠΊΡ;
- ΡΠΎΠ±ΠΈΡΠ°Π΅ΡΡΡ Π²ΡΡ Π² ΠΎΠ±ΡΠ°ΡΠ½ΠΎΠΉ ΠΏΠΎΡΠ»Π΅Π΄ΠΎΠ²Π°ΡΠ΅Π»ΡΠ½ΠΎΡΡΠΈ (Π½Π° Π΄ΠΈΡΠΊ ΡΡΡΠ°Π½Π°Π²Π»ΠΈΠ²Π°Π΅ΡΡΡ ΠΊΠΎΡΠ·ΠΈΠ½Π°, Π·Π°ΡΡΠ³ΠΈΠ²Π°ΡΡΡΡ Π±ΠΎΠ»ΡΡ, ΡΡΠ°Π²ΠΈΡΡΡ ΠΊΠ°ΡΡΠ΅Ρ, ΡΠ½ΠΎΠ²Π° Π·Π°ΡΡΠ³ΠΈΠ²Π°ΡΡΡΡ Π±ΠΎΠ»ΡΡ ΠΈ Ρ.Π΄.).
- ΡΠΈΡΡΠ΅ΠΌΠ° ΠΏΡΠΎΠΊΠ°ΡΠΈΠ²Π°Π΅ΡΡΡ.
Π§ΡΠΎΠ±Ρ ΡΠ΄ΠΎΠ±Π½ΠΎ Π±ΡΠ»ΠΎ Π΄ΠΈΠ°Π³Π½ΠΎΡΡΠΈΡΠΎΠ²Π°ΡΡ ΠΈ ΡΠ΅ΠΌΠΎΠ½ΡΠΈΡΠΎΠ²Π°ΡΡ ΡΡΠ΅ΠΏΠ»Π΅Π½ΠΈΠ΅ Π½Π° Π³Π°Π·Π΅Π»Ρ, ΠΌΠ°ΡΠΈΠ½Ρ Π»ΡΡΡΠ΅ Π·Π°Π³Π½Π°ΡΡ Π½Π° ΡΡΡΠ°ΠΊΠ°Π΄Ρ, ΠΏΠΎΠ΄ΡΠ΅ΠΌΠ½ΠΈΠΊ ΠΈΠ»ΠΈ ΡΠΌΠΎΡΡΠΎΠ²ΡΡ ΡΠΌΡ. Π’Π°ΠΊΠΆΠ΅ ΠΏΡΠΈΠ΄Π²ΠΈΠ½ΡΡΠ΅ Π±Π»ΠΈΠΆΠ΅ Π³Π°Π΅ΡΠ½ΡΠΉ ΠΊΠ»ΡΡ Π½Π° 17, ΠΎΡΠ²ΡΡΡΠΊΠΈ ΠΈ ΡΠΎΡΡΠ΅Π²ΡΠ΅ Π³ΠΎΠ»ΠΎΠ²ΠΊΠΈ Π½Π° 10 ΠΈ Π½Π° 13.
Π Π°Π±ΠΎΡΠΈΠΉ ΡΠΈΠ»ΠΈΠ½Π΄Ρ ΡΡΠ΅ΠΏΠ»Π΅Π½ΠΈΡ ΠΠ°Π·Π΅Π»Ρ
ΠΠ°ΠΌΠ΅Π½Π° ΡΠ°Π±ΠΎΡΠ΅Π³ΠΎ ΡΠΈΠ»ΠΈΠ½Π΄ΡΠ° ΡΡΠ΅ΠΏΠ»Π΅Π½ΠΈΡ
ΠΠ΅ΡΠ΅Π΄ ΡΠ΅ΠΌ ΠΊΠ°ΠΊ ΡΠ½ΡΡΡ ΡΠ°Π±ΠΎΡΠΈΠΉ ΡΠΈΠ»ΠΈΠ½Π΄Ρ Π½Π° ΠΠΠΠ΅Π»ΠΈ ΡΠ»Π΅Π΄ΡΠ΅Ρ ΡΠΏΡΠΈΡΠΎΠΌ Π²ΡΠΊΠ°ΡΠ°ΡΡ Π³ΠΈΠ΄ΡΠ°Π²Π»ΠΈΡΠ΅ΡΠΊΡΡ ΠΆΠΈΠ΄ΠΊΠΎΡΡΡ, Π° Π΅ΡΡ Π΄Π»Ρ ΡΠ΄ΠΎΠ±ΡΡΠ²Π° ΡΠ±ΡΠ°ΡΡ ΡΠ°ΡΡΠΈΡΠΈΡΠ΅Π»ΡΠ½ΡΠΉ Π±Π°ΡΠΎΠΊ. ΠΠ°Π»Π΅Π΅:
- Ρ ΠΏΠΎΠΌΠΎΡΡΡ Π³ΠΎΠ»ΠΎΠ²ΠΊΠΈ Π½Π° 10 Π½ΡΠΆΠ½ΠΎ ΠΎΡΠΊΡΡΡΠΈΡΡ Π³Π°ΠΉΠΊΠΈ, Π·Π°ΠΊΡΠ΅ΠΏΠ»ΡΡΡΠΈΠ΅ Π±ΠΎΡΠΎΠΊ ΡΡΠ΅ΠΏΠ»Π΅Π½ΠΈΡ (ΠΎΡΠΊΡΠ΄Π° Π±ΡΠ»Π° ΡΠ°Π½Π΅Π΅ ΠΎΡΠΊΠ°ΡΠ΅Π½Π° ΠΆΠΈΠ΄ΠΊΠΎΡΡΡ) ΠΈ ΡΠ½ΡΡΡ ΡΠ»Π°Π½Π³;
- ΠΎΡΡΠΎΠ΅Π΄ΠΈΠ½ΡΠ΅ΡΡΡ Π°Π»ΡΠΌΠΈΠ½ΠΈΠ΅Π²Π°Ρ ΡΡΡΠ±ΠΊΠ°, ΠΊΠΎΡΠΎΡΠ°Ρ ΡΠΎΠ΅Π΄ΠΈΠ½ΡΠ΅Ρ Π³Π»Π°Π²Π½ΡΠΉ ΡΠΈΠ»ΠΈΠ½Π΄Ρ, ΠΎΡΠΊΡΡΡΠΈΠ²Π°ΡΡΡΡ Π³ΠΎΠ»ΠΎΠ²ΠΊΠΎΠΉ Π½Π° 13 Π΄Π²Π΅ Π³Π°ΠΉΠΊΠΈ, Π·Π°ΠΊΡΠ΅ΠΏΠ»ΡΡΡΠΈΠ΅ Π³Π»Π°Π²Π½ΡΠΉ ΡΠΈΠ»ΠΈΠ½Π΄Ρ, Π²ΡΠ½ΠΈΠΌΠ°Π΅ΠΌ Π΅Π³ΠΎ;
- 17-ΠΌ ΠΊΠ»ΡΡΠΎΠΌ ΠΎΡΡΠΎΠ΅Π΄ΠΈΠ½ΡΠ΅ΠΌ ΡΠ»Π°Π½Π³, ΡΠ²ΡΠ·ΡΠ²Π°ΡΡΠΈΠΉ ΡΠ°Π±ΠΎΡΠΈΠΉ ΡΠΈΠ»ΠΈΠ½Π΄Ρ ΡΡΠ΅ΠΏΠ»Π΅Π½ΠΈΡ, ΡΠ°ΠΊΠΆΠ΅ Π²ΡΠΊΡΡΡΠΈΠ²Π°Π΅ΠΌ 2 Π·Π°ΠΊΡΠ΅ΠΏΠ»ΡΡΡΠΈΠ΅ Π³Π°ΠΉΠΊΠΈ Π³ΠΎΠ»ΠΎΠ²ΠΊΠΎΠΉ Π½Π° 13 ΠΈ Π²ΡΠ½ΠΈΠΌΠ°Π΅ΠΌ ΡΠ°Π±ΠΎΡΠΈΠΉ ΡΠΈΠ»ΠΈΠ½Π΄Ρ;
ΠΠΎΡΠ»Π΅ Π΄Π΅ΠΌΠΎΠ½ΡΠ°ΠΆΠ° ΡΠ°Π±ΠΎΡΠΈΠΉ ΡΠΈΠ»ΠΈΠ½Π΄Ρ ΠΎΡΠΌΠ°ΡΡΠΈΠ²Π°Π΅ΡΡΡ Π½Π° Π½Π°Π»ΠΈΡΠΈΠ΅ ΠΏΠΎΠ²ΡΠ΅ΠΆΠ΄Π΅Π½ΠΈΠΉ ΠΈ ΠΏΠΎ Π²ΠΎΠ·ΠΌΠΎΠΆΠ½ΠΎΡΡΠΈ ΡΠ΅ΠΌΠΎΠ½ΡΠΈΡΡΠ΅ΠΌ: ΡΠ°Π·Π±ΠΈΡΠ°Π΅ΡΡΡ ΡΡΠ΅ΠΏΠ»Π΅Π½ΠΈΠ΅ Π½Π° Π³Π°Π·Π΅Π»Ρ, ΠΌΠ΅Π½ΡΡΡΡΡ ΡΡΠ°ΡΡΠ΅ ΠΌΠ°Π½ΠΆΠ΅ΡΡ Π½Π° Π½ΠΎΠ²ΡΠ΅ ΠΈ ΡΡΡΠ°Π½Π°Π²Π»ΠΈΠ²Π°Π΅ΡΡΡ Π½ΠΎΠ²ΡΠΉ ΠΏΡΠ»ΡΠ½ΠΈΠΊ.
ΠΡΠ»ΠΈ ΡΠ΅ΠΌΠΎΠ½Ρ Π½Π΅Π²ΠΎΠ·ΠΌΠΎΠΆΠ΅Π½, ΠΏΠΎΠΊΡΠΏΠ°Π΅ΡΡΡ Π½ΠΎΠ²ΡΠΉ ΡΠ°Π±ΠΎΡΠΈΠΉ ΡΠΈΠ»ΠΈΠ½Π΄Ρ, Π½Π° ΠΊΠΎΡΠΎΡΡΠΉ Π½Π°ΠΊΡΡΡΠΈΠ²Π°Π΅ΡΡΡ Π³Π°ΠΉΠΊΡ ΠΏΡΠΈ ΡΠΎΠΌ ΠΆΠ΅ ΡΠ°ΡΡΡΠΎΡΠ½ΠΈΠΈ, ΡΡΠΎ Π±ΡΠ» Π½Π° ΡΡΠ°ΡΠΎΠΉ Π΄Π΅ΡΠ°Π»ΠΈ. Π‘ΠΎΠ±ΠΈΡΠ°Π΅ΡΡΡ ΡΡΠ΅ΠΏΠ»Π΅Π½ΠΈΠ΅ Π½Π° Π³Π°Π·Π΅Π»Ρ Π² ΠΎΠ±ΡΠ°ΡΠ½ΠΎΠΉ ΠΏΠΎΡΠ»Π΅Π΄ΠΎΠ²Π°ΡΠ΅Π»ΡΠ½ΠΎΡΡΠΈ, Π½Π΅ Π·Π°Π±ΡΠ²Π°Ρ ΡΠΌΠ΅Π½ΠΈΡΡ ΡΠ°ΠΊΠΆΠ΅ Π°Π»ΡΠΌΠΈΠ½ΠΈΠ΅Π²ΡΠ΅ ΡΡΡΠ±ΠΊΠΈ ΠΈ Π² ΠΈΡΠΎΠ³Π΅ ΠΏΡΠΎΠΊΠ°ΡΠ°ΡΡ ΠΊΠ°ΠΊ ΡΠ»Π΅Π΄ΡΠ΅Ρ ΡΠΈΡΡΠ΅ΠΌΡ.
Π¦ΠΈΠ»ΠΈΠ½Π΄Ρ Π²ΡΠΊΠ»ΡΡΠ΅Π½ΠΈΡ ΡΡΠ΅ΠΏΠ»Π΅Π½ΠΈΡ Π½Π° ΠΠ°Π·Π΅Π»Ρ
ΠΡΠΎΠΊΠ°ΡΠΈΠ²Π°ΡΡ ΡΠ°Π±ΠΎΡΠΈΠΉ ΠΈ Π³Π»Π°Π²Π½ΡΠΉ ΡΠΈΠ»ΠΈΠ½Π΄ΡΡ ΠΏΡΠΎΠΈΠ·Π²ΠΎΠ΄ΡΡ ΡΠ»Π΅Π΄ΡΡΡΠΈΠΌ ΠΎΠ±ΡΠ°Π·ΠΎΠΌ:
- Π·Π°Π»ΠΈΠ²Π°ΡΡ ΡΠΎΡΠΌΠΎΠ·Π½ΡΡ ΠΆΠΈΠ΄ΠΊΠΎΡΡΡ Π² Π±Π°ΡΠΎΠΊ Π΄ΠΎ ΠΊΡΠ°Π΅Π² ΠΈ ΠΎΡΠ²ΠΎΡΠ°ΡΠΈΠ²Π°ΡΡ Π΄ΠΎ ΠΊΠΎΠ½ΡΠ° ΡΡΡΡΠ΅Ρ;
- Π½Π°ΠΆΠΈΠΌΠ°ΡΡ 4-5 ΡΠ°Π· Π½Π° ΠΏΠ΅Π΄Π°Π»Ρ ΡΡΠ΅ΠΏΠ»Π΅Π½ΠΈΡ (ΡΡΠΎΠ±Ρ ΠΏΠΎ ΡΠΈΡΡΠ΅ΠΌΠ΅ ΡΡΡΠ±ΠΎΠΊ ΠΏΠΎΡΠ»Π° ΠΆΠΈΠ΄ΠΊΠΎΡΡΡ) ΠΈ ΡΠΈΠΊΡΠΈΡΡΡΡ Π΅Ρ;
- ΡΡΡΡΠ΅Ρ Π·Π°ΠΊΡΡΡΠΈΠ²Π°ΡΡ, Π²Π½ΠΎΠ²Ρ Π²ΡΠΆΠΈΠΌΠ°ΡΡ ΠΏΠ΅Π΄Π°Π»Ρ 4-5 ΡΠ°Π·, ΡΠΈΠΊΡΠΈΡΡΡΡ Π΅Ρ Π² Π²ΡΠΆΠ°ΡΠΎΠΌ ΠΏΠΎΠ»ΠΎΠΆΠ΅Π½ΠΈΠΈ;
- Π½Π° ΡΡΡΡΠ΅Ρ ΠΎΠ΄Π΅Π²Π°ΡΡ ΡΡΡΠ±ΠΊΡ ΠΈ ΠΎΠΏΡΡΠΊΠ°ΡΡ Π² Π±ΡΡΡΠ»ΠΊΡ, ΠΊΡΠ΄Π° Π½Π°Π»ΠΈΡΠ° ΡΠΎΡΠΌΠΎΠ·Π½Π°Ρ ΠΆΠΈΠ΄ΠΊΠΎΡΡΡ, ΠΎΡΠΊΡΡΡΠΈΠ²Π°ΡΡ ΡΡΡΡΠ΅Ρ Π΄Π»Ρ ΡΠΏΡΡΠΊΠ° Π²ΠΎΠ·Π΄ΡΡ Π°;
- ΠΏΠΎΠ²ΡΠΎΡΡΡ Π²ΡΠ΅ ΡΠ°Π³ΠΈ ΡΠ½ΠΎΠ²Π° ΠΈ ΡΠ½ΠΎΠ²Π°, ΠΏΠΎΠΊΠ° Π² ΡΠΈΡΡΠ΅ΠΌΠ΅ ΠΏΡΠ°ΠΊΡΠΈΡΠ΅ΡΠΊΠΈ Π½Π΅ ΠΎΡΡΠ°Π½Π΅ΡΡΡ Π²ΠΎΠ·Π΄ΡΡ Π°;
- ΠΏΡΠΈ Π½Π΅ΠΎΠ±Ρ ΠΎΠ΄ΠΈΠΌΠΎΡΡΠΈ ΠΏΠΎΠ΄Π»ΠΈΠ²Π°ΡΡ Π² Π±Π°ΡΠΎΠΊ ΡΠΎΡΠΌΠΎΠ·Π½ΡΡ ΠΆΠΈΠ΄ΠΊΠΎΡΡΡ.
Π‘ΡΠ΅ΠΏΠ»Π΅Π½ΠΈΠ΅ Π½Π° Π³Π°Π·Π΅Π»Ρ Π½ΡΠΆΠ΄Π°Π΅ΡΡΡ Π² Π·Π°ΠΌΠ΅Π½Π΅ Π³ΠΈΠ΄ΡΠ°Π²Π»ΠΈΡΠ΅ΡΠΊΠΎΠΉ ΠΆΠΈΠ΄ΠΊΠΎΡΡΠΈ ΠΊΠ°ΠΊ ΠΌΠΈΠ½ΠΈΠΌΡΠΌ 1 ΡΠ°Π· Π² 2 Π³ΠΎΠ΄Π°, Π²Π΅Π΄Ρ ΠΎΠ½Π° Π³ΠΈΠ΄ΡΠΎΡΠΊΠΎΠΏΠΈΡΠ½Π°, ΡΡΠΎ ΡΠ»ΡΠΆΠΈΡ ΠΎΠ±ΡΠ°Π·ΠΎΠ²Π°Π½ΠΈΡ ΡΠΆΠ°Π²ΡΠΈΠ½Ρ Π² ΡΠΈΡΡΠ΅ΠΌΠ΅.
ΠΠ°ΠΆΠ½ΠΎ! ΠΡΠ΅Π³Π΄Π° Π»ΡΡΡΠ΅ ΠΏΡΠ΅Π΄ΡΠΏΡΠ΅Π΄ΠΈΡΡ Π°Π²Π°ΡΠΈΡ ΠΈΠ·-Π·Π° Π½Π΅ΠΈΡΠΏΡΠ°Π²Π½ΡΡ Π΄Π΅ΡΠ°Π»Π΅ΠΉ, ΡΠ°ΠΊ ΡΡΠΎ Π»ΡΡΡΠ΅ ΡΠ°ΡΠ΅ ΠΎΡΠΌΠ°ΡΡΠΈΠ²Π°ΡΡ ΠΈ Π²ΠΎΠ²ΡΠ΅ΠΌΡ ΠΏΠΎΠΌΠ΅Π½ΡΡΡ, ΠΏΠΎ Π²Π°ΡΠ΅ΠΌΡ ΠΌΠ½Π΅Π½ΠΈΡ, Π½Π΅ ΡΠΎΠ²ΡΠ΅ΠΌ ΠΏΡΠ°Π²ΠΈΠ»ΡΠ½ΠΎ ΡΠ°Π±ΠΎΡΠ°ΡΡΠΈΠ΅ ΡΠ°Π±ΠΎΡΠΈΠΉ ΠΈ Π³Π»Π°Π²Π½ΡΠΉ ΡΠΈΠ»ΠΈΠ½Π΄ΡΡ, ΡΡΠΎΠ±Ρ Π½Π° ΡΡΠ°ΡΡΠ΅ ΠΌΠ°ΡΠΈΠ½Π° ΡΠ΅Π·ΠΊΠΎ Π½Π΅ Π²ΡΡΠ»Π° ΠΈΠ· ΡΡΡΠΎΡ. Π’Π΅ΠΌ Π±ΠΎΠ»Π΅Π΅ ΠΌΠ΅Π»ΠΊΠΈΠΉ ΡΠ΅ΠΌΠΎΠ½Ρ ΡΠΌΠΎΠΆΠ΅Ρ ΠΏΡΠΎΠ²Π΅ΡΡΠΈ ΠΊΠ°ΠΆΠ΄ΡΠΉ Π½ΠΎΠ²ΠΈΡΠΎΠΊ, ΠΏΠΎΡΡΠ°ΡΠΈΠ² Π½Π° ΡΠ°Π±ΠΎΡΡ ΠΎΡ ΡΠΈΠ»Ρ ΡΠ°ΡΠ° 2. ΠΠΎΡΠ»Π΅ ΡΠΎΠ³ΠΎ ΠΊΠ°ΠΊ ΠΏΡΠΎΠΈΠ·Π²Π΅Π΄Π΅Π½Π° Π·Π°ΠΌΠ΅Π½Π° ΠΈΠ»ΠΈ ΠΎΡΡΠ΅ΠΌΠΎΠ½ΡΠΈΡΠΎΠ²Π°Π»ΠΈ ΡΠ°Π±ΠΎΡΠΈΠΉ ΠΈ Π³Π»Π°Π²Π½ΡΠΉ ΡΠΈΠ»ΠΈΠ½Π΄ΡΡ ΡΡΠ΅ΠΏΠ»Π΅Π½ΠΈΡ, Π½Π΅ Π·Π°Π±ΡΠ²Π°Π΅ΠΌ ΠΎΡΡΠ΅Π³ΡΠ»ΠΈΡΠΎΠ²Π°ΡΡ ΠΏΠ΅Π΄Π°Π»Ρ ΡΡΠ΅ΠΏΠ»Π΅Π½ΠΈΡ.
ΠΠ°ΠΊ ΡΠ΅Π³ΡΠ»ΠΈΡΠΎΠ²Π°ΡΡ ΡΡΠ΅ΠΏΠ»Π΅Π½ΠΈΠ΅ Π½Π° Π³Π°Π·Π΅Π»Ρ
Π Π΅Π³ΡΠ»ΠΈΡΠΎΠ²ΠΊΠ° ΡΡΠ΅ΠΏΠ»Π΅Π½ΠΈΡ β Π΄Π΅Π»ΠΎ Π½Π΅ ΡΠ»ΠΎΠΆΠ½ΠΎΠ΅, Π΄Π»Ρ ΡΡΠΎΠ³ΠΎ Π½ΡΠΆΠ½Π° Π±ΡΠ΄Π΅Ρ ΡΠΎΠ»ΡΠΊΠΎ Π»ΠΈΠ½Π΅ΠΉΠΊΠ°, Π½ΠΎ Π² Π½Π°ΡΠ°Π»Π΅ ΠΏΡΠΎΠ²ΠΎΠ΄ΠΈΠΌ Π΄ΠΈΠ°Π³Π½ΠΎΡΡΠΈΠΊΡ. Π‘Π°ΠΌΠΎΠ΅ ΠΏΡΠΎΡΡΠΎΠ΅ β ΡΠ»Π΅Π΄ΠΈΡΡ Π·Π° ΡΡΠΎΠ²Π½Π΅ΠΌ ΠΆΠΈΠ΄ΠΊΠΎΡΡΠΈ Π² Π±Π°ΡΠΊΠ΅. ΠΠ½ΠΎΠ³Π΄Π° ΠΏΠΎΠ»ΠΎΠΌΠΊΠ° ΠΏΡΠΎΠΈΡΡ
ΠΎΠ΄ΠΈΡ ΠΈΠ·-Π·Π° ΡΡΠ΅ΡΠΊΠΈ ΠΆΠΈΠ΄ΠΊΠΎΡΡΠΈ Π² ΡΠ΅Π·ΡΠ»ΡΡΠ°ΡΠ΅ ΠΏΡΠΎΡΠ΅ΡΡΠΎΠΉ ΠΌΠ°Π½ΠΆΠ΅ΡΡ ΠΈΠ»ΠΈ ΠΏΡΠΎΠ±Π»Π΅ΠΌ Ρ ΠΏΠΎΡΡΠ½Π΅ΠΌ. ΠΠΎΠ½ΡΡΠΎΠ»ΠΈΡΡΠ΅ΠΌ, ΡΡΠΎΠ±Ρ Π² ΡΠΈΡΡΠ΅ΠΌΠ΅ Π½Π΅ Π±ΡΠ»ΠΎ ΠΏΠΎΡΠ΅ΠΊΠΎΠ², ΡΡΠΎ ΡΠ°ΡΠ΅ Π²ΡΠ΅Π³ΠΎ ΠΎΠ±Π½Π°ΡΡΠΆΠΈΠ²Π°Π΅ΡΡΡ Π½Π° ΠΊΠΎΡΠΏΡΡΠ΅ ΡΠ°Π±ΠΎΡΠ΅Π³ΠΎ ΠΈΠ»ΠΈ Π³Π»Π°Π²Π½ΠΎΠ³ΠΎ ΡΠΈΠ»ΠΈΠ½Π΄ΡΠΎΠ².
ΠΠΎΠ³ΡΡ ΠΏΠΎΡΠ²Π»ΡΡΡΡΡ ΠΏΡΠΎΡΠ΅ΡΠΊΠΈ ΠΈ Π½Π° ΡΡΡΠΊΠ°Ρ
ΡΠ»Π°Π½Π³ΠΎΠ², ΠΊΠΎΡΠΎΡΡΠ΅ ΡΠΎΠ΅Π΄ΠΈΠ½ΡΡΡ ΡΠΈΡΡΠ΅ΠΌΡ.
ΠΡΠ»ΠΈ Π²Ρ ΠΏΡΡΠ°Π΅ΡΠ΅ΡΡ Π½Π°ΡΠ°ΡΡ Π΄Π²ΠΈΠΆΠ΅Π½ΠΈΠ΅, Π° ΠΏΠ΅Π΄Π°Π»Ρ ΡΡΠ΅ΠΏΠ»Π΅Π½ΠΈΡ Π·Π°ΠΏΠ°Π΄Π°Π΅Ρ, ΠΏΡΠΈ ΠΏΠ΅ΡΠ΅ΠΊΠ»ΡΡΠ΅Π½ΠΈΠΈ ΠΏΠ΅ΡΠ΅Π΄Π°Ρ ΡΠ»ΡΡΠ°ΡΡΡ ΡΡΠΌΡ, ΠΏΠΎΡΠ²Π»ΡΡΡΡΡ ΡΡΠ²ΠΊΠΈ ΠΈ ΡΠ΄Π°ΡΡ ΡΠΎ ΡΠ»Π΅Π΄ΡΠ΅Ρ Π·Π°Π²Π΅ΡΡΠΈ Π΄Π²ΠΈΠ³Π°ΡΠ΅Π»Ρ, ΠΌΠ΅Π΄Π»Π΅Π½Π½ΠΎ ΠΎΡΠΏΡΡΡΠΈΡΡ ΡΡΠ΅ΠΏΠ»Π΅Π½ΠΈΠ΅ Π½Π° Π³Π°Π·Π΅Π»Ρ ΠΈ ΠΏΠ»Π°Π²Π½ΠΎ ΡΡΠΎΠ³Π°ΡΡΡΡ Ρ ΠΌΠ΅ΡΡΠ°. ΠΠ°ΡΠΈΠ½Π° Π½Π΅ ΡΡΠΎΠ³Π°Π΅ΡΡΡ? ΠΠ½Π°ΡΠΈΡ Π±ΠΎΠ»ΡΡΠ΅ Π½ΠΎΡΠΌΡ Ρ ΠΎΠ΄ ΠΏΠ΅Π΄Π°Π»ΠΈ. ΠΠΈΠ½Π΅ΠΉΠΊΠΎΠΉ ΠΈΠ·ΠΌΠ΅ΡΡΠ΅ΠΌ ΡΠ°ΡΡΡΠΎΡΠ½ΠΈΠ΅ ΠΎΡ ΠΏΠΎΠ»Π° Π΄ΠΎ ΡΠ΅Π·ΠΈΠ½ΠΎΠ²ΠΎΠΉ Π½Π°ΠΊΠ»Π°Π΄ΠΊΠΈ Π½Π° ΠΏΠ΅Π΄Π°Π»ΠΈ ΠΈ ΡΠΌΠΎΡΡΠΈΠΌ, Π½Π΅ Π²ΡΡΠ΅ Π»ΠΈ ΠΎΠ½ΠΎ Π½ΠΎΡΠΌΡ Π² 14-16 ΡΠΌ, Π° Π΅ΡΠ»ΠΈ Π²ΡΡΠ΅ β ΡΠ΅Π³ΡΠ»ΠΈΡΡΠ΅ΠΌ: ΡΡΠ΅ΠΏΠ»Π΅Π½ΠΈΠ΅ ΡΠ΅Π³ΡΠ»ΠΈΡΡΠ΅ΡΡΡ Π·Π°ΠΊΠΎΠ½ΡΡΠΎΠ³Π°Π΅Π½ΡΠΌ Π±ΠΎΠ»ΡΠΎΠΌ, ΡΡΠΎ Π½Π°Ρ ΠΎΠ΄ΠΈΡΡΡ ΠΏΠΎΠ΄ ΠΊΠ°ΠΏΠΎΡΠΎΠΌ Π³Π΄Π΅ ΠΎΠΊΠ°Π½ΡΠΈΠ²Π°Π΅ΡΡΡ ΡΡΠΎΡ. ΠΠ°ΠΉΠΊΡ Π½Π° Π±ΠΎΠ»ΡΠ΅ ΠΏΠΎΠ²ΠΎΡΠ°ΡΠΈΠ²Π°ΡΡ, Π΄ΠΎΡΡΠΈΠ³Π°Ρ Π½ΡΠΆΠ½ΠΎΠ³ΠΎ ΡΠ°Π·ΠΌΠ΅ΡΠ° Ρ ΠΎΠ΄Π° ΠΏΠ΅Π΄Π°Π»ΠΈ. ΠΡΠ»ΠΈ Π½ΡΠΆΠ½ΠΎ ΡΠ²Π΅Π»ΠΈΡΠΈΡΡ Ρ ΠΎΠ΄ β Π·Π°ΠΊΡΡΡΠΈΠ²Π°Π΅ΠΌ Π³Π°ΠΉΠΊΡ, Π΅ΡΠ»ΠΈ ΡΠΌΠ΅Π½ΡΡΠΈΡΡ β ΠΎΡΠ²ΠΈΠ½ΡΠΈΠ²Π°Π΅ΠΌ.
ΠΠ°ΠΊ ΠΎΡΡΠ΅Π³ΡΠ»ΠΈΡΠΎΠ²Π°Π»ΠΈ ΡΡΠ΅ΠΏΠ»Π΅Π½ΠΈΠ΅ Π½Π° Π³Π°Π·Π΅Π»Ρ β ΠΏΡΠΎΠ²Π΅ΡΡΠ΅ΠΌ, Π½Π°ΠΆΠ°Π² Π½Π° ΠΏΠ΅Π΄Π°Π»Ρ ΡΡΠ΅ΠΏΠ»Π΅Π½ΠΈΡ ΡΠ°Π·Π° 3, ΠΈ ΠΎΠΏΡΡΡ ΠΈΠ·ΠΌΠ΅ΡΡΠ΅ΠΌ ΡΠ°ΡΡΡΠΎΡΠ½ΠΈΠ΅ ΠΎΡ ΠΏΠ΅Π΄Π°Π»ΠΈ Π΄ΠΎ ΠΏΠΎΠ»Π°. Π’Π°ΠΊ ΠΏΠΎΠ²ΡΠΎΡΡΠ΅ΠΌ Π΄ΠΎ Π΄ΠΎΡΡΠΈΠΆΠ΅Π½ΠΈΡ Π½ΡΠΆΠ½ΠΎΠ³ΠΎ ΡΠ°ΡΡΡΠΎΡΠ½ΠΈΡ. ΠΠΎ Π²ΠΎΠΎΠ±ΡΠ΅, ΠΏΠ΅ΡΠ΅Π΄ ΡΠ΅Π³ΡΠ»ΠΈΡΠΎΠ²ΠΊΠΎΠΉ ΡΡΠΎΠΈΡ ΠΏΠΎΠ»ΠΈΡΡΠ°ΡΡ ΠΌΠ°Π½ΡΠ°Π», Π³Π΄Π΅ ΠΎΠΏΠΈΡΠ°Π½ΠΎ ΠΊΠ°ΠΊ ΠΏΡΠ°Π²ΠΈΠ»ΡΠ½ΠΎ ΠΎΠ±ΡΠ»ΡΠΆΠΈΠ²Π°ΡΡ ΠΈ ΡΠ΅ΠΌΠΎΠ½ΡΠΈΡΠΎΠ²Π°ΡΡ ΡΡΠ΅ΠΏΠ»Π΅Π½ΠΈΠ΅ Π½Π° Π³Π°Π·Π΅Π»Ρ.
ΠΠ°ΠΌ ΠΏΠΎΠ½ΡΠ°Π²ΠΈΠ»Π°ΡΡ ΡΡΠ°ΡΡΡ? ΠΠ½Π° Π±ΡΠ»Π° ΠΏΠΎΠ»Π΅Π·Π½ΠΎΠΉ?
ΠΠΎΡ ΠΎΠΆΠΈΠ΅ ΡΡΠ°ΡΡΠΈ:
autodont.ru
ΠΡΠΎΠ²Π΅ΡΠΊΠ° ΠΈ ΡΠ΅Π³ΡΠ»ΠΈΡΠΎΠ²ΠΊΠ° Π½Π°ΠΆΠΈΠΌΠ½ΠΎΠ³ΠΎ ΠΈ Π²Π΅Π΄ΠΎΠΌΠΎΠ³ΠΎ Π΄ΠΈΡΠΊΠΎΠ² ΡΡΠ΅ΠΏΠ»Π΅Π½ΠΈΡ ΠΠΠ-40524 Π½Π° Π°Π²ΡΠΎΠΌΠΎΠ±ΠΈΠ»ΡΡ ΠΠ°Π·Π΅Π»Ρ ΠΈ Π‘ΠΎΠ±ΠΎΠ»Ρ, ΠΎΡΠ΅Π½ΠΊΠ° ΡΠ΅Ρ Π½ΠΈΡΠ΅ΡΠΊΠΎΠ³ΠΎ ΡΠΎΡΡΠΎΡΠ½ΠΈΡ Π΄Π΅ΡΠ°Π»Π΅ΠΉ ΡΡΠ΅ΠΏΠ»Π΅Π½ΠΈΡ.
ΠΠ°ΠΆΠΈΠΌΠ½ΠΎΠΉ ΠΈ Π²Π΅Π΄ΠΎΠΌΡΠΉ Π΄ΠΈΡΠΊΠΈ ΡΡΠ΅ΠΏΠ»Π΅Π½ΠΈΡ ΠΠΠ-40524 Π½Π° Π°Π²ΡΠΎΠΌΠΎΠ±ΠΈΠ»ΡΡ ΠΠ°Π·Π΅Π»Ρ ΠΈ Π‘ΠΎΠ±ΠΎΠ»Ρ Π² ΠΏΡΠΎΡΠ΅ΡΡΠ΅ ΡΠΊΡΠΏΠ»ΡΠ°ΡΠ°ΡΠΈΠΈ Π½Π΅ ΡΠ΅ΠΌΠΎΠ½ΡΠΈΡΡΡΡΡΡ, Π° ΠΏΡΠΈ ΠΈΡ Π½Π΅ΠΏΡΠΈΠ³ΠΎΠ΄Π½ΠΎΡΡΠΈ Π·Π°ΠΌΠ΅Π½ΡΡΡΡΡ Π½ΠΎΠ²ΡΠΌΠΈ. ΠΠ΅ΡΠ΅Π΄ ΠΏΡΠΎΠ²Π΅Π΄Π΅Π½ΠΈΠ΅ΠΌ ΠΏΡΠΎΠ²Π΅ΡΠΊΠΈ Π΄Π΅ΡΠ°Π»Π΅ΠΉ ΡΡΠ΅ΠΏΠ»Π΅Π½ΠΈΡ Π½Π΅ΠΎΠ±Ρ ΠΎΠ΄ΠΈΠΌΠΎ ΠΏΡΠΎΠ²Π΅ΡΠΈΡΡ ΡΠ°Π±ΠΎΡΡ ΠΈ ΠΎΡΡΠ΅Π³ΡΠ»ΠΈΡΠΎΠ²Π°ΡΡ ΠΏΡΠΈΠ²ΠΎΠ΄ Π²ΡΠΊΠ»ΡΡΠ΅Π½ΠΈΡ ΡΡΠ΅ΠΏΠ»Π΅Π½ΠΈΡ. ΠΡΠΈ Π½Π΅ΠΎΠ±Ρ ΠΎΠ΄ΠΈΠΌΠΎΡΡΠΈ ΠΏΡΠΎΠΊΠ°ΡΠ°ΡΡ Π³ΠΈΠ΄ΡΠΎΠΏΡΠΈΠ²ΠΎΠ΄ ΡΡΠ΅ΠΏΠ»Π΅Π½ΠΈΡ, Π° ΠΎΡΠ»Π°Π±Π»Π΅Π½Π½ΡΠ΅ ΠΊΡΠ΅ΠΏΠ»Π΅Π½ΠΈΡ ΠΏΠΎΠ΄ΡΡΠ½ΡΡΡ.Β
ΠΡΠΈΡΠΈΠ½ΠΎΠΉ Π½Π΅ΡΠ΄ΠΎΠ²Π»Π΅ΡΠ²ΠΎΡΠΈΡΠ΅Π»ΡΠ½ΠΎΠΉ ΡΠ°Π±ΠΎΡΡ ΡΡΠ΅ΠΏΠ»Π΅Π½ΠΈΡ ΠΠΠ-40524 ΠΌΠΎΠΆΠ΅Ρ ΠΏΠΎΡΠ»ΡΠΆΠΈΡΡ Π½Π΅ΡΠΎΠΎΡΠ½ΠΎΡΡΡ ΡΡΡΠΏΠΈΡΡ Π²Π΅Π΄ΠΎΠΌΠΎΠ³ΠΎ Π΄ΠΈΡΠΊΠ° ΠΈ ΠΏΠ΅ΡΠ²ΠΈΡΠ½ΠΎΠ³ΠΎ Π²Π°Π»Π° ΠΊΠΎΡΠΎΠ±ΠΊΠΈ ΠΏΠ΅ΡΠ΅Π΄Π°Ρ, ΠΎΠ΄Π½ΠΎΠΉ ΠΈΠ· ΠΏΡΠΈΡΠΈΠ½ ΠΊΠΎΡΠΎΡΠΎΠΉ ΠΌΠΎΠΆΠ΅Ρ Π±ΡΡΡ ΠΎΡΠ»Π°Π±Π»Π΅Π½ΠΈΠ΅ ΠΊΡΠ΅ΠΏΠ»Π΅Π½ΠΈΠΉ ΠΊΠΎΡΠΎΠ±ΠΊΠΈ ΠΏΠ΅ΡΠ΅Π΄Π°Ρ ΠΊ Π±Π»ΠΎΠΊΡ ΡΠΈΠ»ΠΈΠ½Π΄ΡΠΎΠ² Π΄Π²ΠΈΠ³Π°ΡΠ΅Π»Ρ.
CΠΎΠΎΡΠ½ΠΎΡΡΡ ΡΡΡΠΏΠΈΡΡ Π²Π΅Π΄ΠΎΠΌΠΎΠ³ΠΎ Π΄ΠΈΡΠΊΠ° ΡΡΠ΅ΠΏΠ»Π΅Π½ΠΈΡ ΠΠΠ-40524 ΠΈ ΠΏΠ΅ΡΠ²ΠΈΡΠ½ΠΎΠ³ΠΎ Π²Π°Π»Π° ΠΊΠΎΡΠΎΠ±ΠΊΠΈ ΠΏΠ΅ΡΠ΅Π΄Π°Ρ Π½Π° Π°Π²ΡΠΎΠΌΠΎΠ±ΠΈΠ»ΡΡ ΠΠ°Π·Π΅Π»Ρ ΠΈ Π‘ΠΎΠ±ΠΎΠ»Ρ.
ΠΠΎΠ²Π΅ΡΡ Π½ΠΎΡΡΡ ΠΌΠ°Ρ ΠΎΠ²ΠΈΠΊΠ° ΠΏΡΠΈ Π½Π°Π»ΠΈΡΠΈΠΈ Π½Π° Π΅Π³ΠΎ ΠΏΠΎΠ²Π΅ΡΡ Π½ΠΎΡΡΠΈ, ΠΊΠΎΠ½ΡΠ°ΠΊΡΠΈΡΡΡΡΠ΅ΠΉ Ρ ΡΡΠΈΠΊΡΠΈΠΎΠ½Π½ΡΠΌΠΈ Π½Π°ΠΊΠ»Π°Π΄ΠΊΠ°ΠΌΠΈ, Π·Π°Π΄ΠΈΡΠΎΠ² ΠΈ ΠΊΠΎΠ»ΡΡΠ΅Π²ΡΡ ΡΠΈΡΠΎΠΊ ΠΌΠΎΠΆΠ½ΠΎ ΠΈΡΠΏΡΠ°Π²ΠΈΡΡ ΠΏΡΠΎΡΠΎΡΠΊΠΎΠΉ ΠΈ ΡΠ»ΠΈΡΠΎΠ²ΠΊΠΎΠΉ. ΠΠ΅Π»ΠΈΡΠΈΠ½Π° ΡΠ½ΡΡΠΎΠ³ΠΎ ΠΏΡΠΈ ΠΎΠ±ΡΠ°Π±ΠΎΡΠΊΠ΅ ΡΠ»ΠΎΡ ΠΌΠ΅ΡΠ°Π»Π»Π° Π΄ΠΎΠ»ΠΆΠ½Π° Π±ΡΡΡ ΡΠ°ΠΊΠΎΠΉ, ΡΡΠΎΠ±Ρ ΡΠΎΠ»ΡΠΈΠ½Π° ΠΌΠ°Ρ ΠΎΠ²ΠΈΠΊΠ° ΠΏΠΎΡΠ»Π΅ ΠΎΠ±ΡΠ°Π±ΠΎΡΠΊΠΈ Π±ΡΠ»Π° Π½Π΅ ΠΌΠ΅Π½Π΅Π΅ 48,5 ΠΌΠΌ.
ΠΡΠ΅Π΄Π΅Π»ΡΠ½ΡΠΉ ΡΠ°Π·ΠΌΠ΅Ρ ΡΠΎΠ»ΡΠΈΠ½Ρ ΠΌΠ°Ρ ΠΎΠ²ΠΈΠΊΠ° Π΄Π²ΠΈΠ³Π°ΡΠ΅Π»Ρ ΠΠΠ-40524 Π½Π° Π°Π²ΡΠΎΠΌΠΎΠ±ΠΈΠ»ΡΡ ΠΠ°Π·Π΅Π»Ρ ΠΈ Π‘ΠΎΠ±ΠΎΠ»Ρ.ΠΠ΅Π΄ΠΎΠΌΡΠΉ Π΄ΠΈΡΠΊ Π½Π΅ΠΎΠ±Ρ ΠΎΠ΄ΠΈΠΌΠΎ Π·Π°ΠΌΠ΅Π½ΠΈΡΡ, Π΅ΡΠ»ΠΈ Π½Π° ΠΏΠΎΠ²Π΅ΡΡ Π½ΠΎΡΡΠΈ ΡΡΠΈΠΊΡΠΈΠΎΠ½Π½ΡΡ Π½Π°ΠΊΠ»Π°Π΄ΠΎΠΊ ΠΈΠΌΠ΅ΡΡΡΡ ΡΠ»Π΅Π΄Ρ ΠΏΠ΅ΡΠ΅Π³ΡΠ΅Π²Π°, ΡΡΠ΅ΡΠΈΠ½Ρ ΠΈΠ»ΠΈ ΡΠΈΠ»ΡΠ½ΠΎΠ΅ Π·Π°ΠΌΠ°ΡΠ»ΠΈΠ²Π°Π½ΠΈΠ΅, Π° ΡΠ°ΠΊΠΆΠ΅ Π΅ΡΠ»ΠΈ ΡΠ°ΡΡΡΠΎΡΠ½ΠΈΠ΅ ΠΎΡ ΠΏΠΎΠ²Π΅ΡΡ Π½ΠΎΡΡΠΈ Π½Π°ΠΊΠ»Π°Π΄ΠΎΠΊ Π΄ΠΎ Π³ΠΎΠ»ΠΎΠ²ΠΎΠΊ Π·Π°ΠΊΠ»Π΅ΠΏΠΎΠΊ ΠΌΠ΅Π½Π΅Π΅ 0,2 ΠΌΠΌ.
ΠΡΠΈ Π½Π°Π»ΠΈΡΠΈΠΈ ΠΌΠ΅Π»ΠΊΠΈΡ Π·Π°Π±ΠΎΠΈΠ½, Π·Π°ΡΡΠ΅Π½ΡΠ΅Π² ΠΈ ΡΠΆΠ°Π²ΡΠΈΠ½Ρ Π½Π° ΡΠ»ΠΈΡΠ°Ρ ΡΡΡΠΏΠΈΡΡ Π²Π΅Π΄ΠΎΠΌΠΎΠ³ΠΎ Π΄ΠΈΡΠΊΠ° ΠΏΡΠΎΠΈΠ·Π²Π΅ΡΡΠΈ Π·Π°ΡΠΈΡΡΠΊΡ Π΄Π°Π½Π½ΡΡ ΠΏΠΎΠ²Π΅ΡΡ Π½ΠΎΡΡΠ΅ΠΉ. ΠΠ»Ρ ΠΊΠΎΠ½ΡΡΠΎΠ»Ρ ΡΠΎΡΡΠΎΠ²ΠΎΠ³ΠΎ Π±ΠΈΠ΅Π½ΠΈΡ ΠΏΠΎΠ²Π΅ΡΡ Π½ΠΎΡΡΠ΅ΠΉ ΡΡΠΈΠΊΡΠΈΠΎΠ½Π½ΡΡ Π½Π°ΠΊΠ»Π°Π΄ΠΎΠΊ, Π΄ΠΈΡΠΊ ΡΡΡΠ°Π½ΠΎΠ²ΠΈΡΡ Π½Π° ΡΠ»ΠΈΡΠ΅Π²ΠΎΠΉ Π²Π°Π» Π½Π° ΠΏΠ΅ΡΠ΅Ρ ΠΎΠ΄Π½ΠΎΠΉ ΠΏΠΎΡΠ°Π΄ΠΊΠ΅ Π΄Π»Ρ ΠΈΡΠΊΠ»ΡΡΠ΅Π½ΠΈΡ Π²Π»ΠΈΡΠ½ΠΈΡ Π·Π°Π·ΠΎΡΠΎΠ² Π² ΡΠ»ΠΈΡΠ°Ρ . ΠΠ°ΡΠ΅ΠΌ Π²Π°Π» ΡΡΡΠ°Π½ΠΎΠ²ΠΈΡΡ Π² ΡΠ΅Π½ΡΡΠ°Ρ ΠΏΡΠΈΡΠΏΠΎΡΠΎΠ±Π»Π΅Π½ΠΈΡ ΠΈ Π·Π°ΠΌΠ΅ΡΠΈΡΡ Π±ΠΈΠ΅Π½ΠΈΠ΅ Ρ ΠΊΡΠ°Ρ Π΄ΠΈΡΠΊΠ°. ΠΠ΅Π»ΠΈΡΠΈΠ½Π° ΡΠΎΡΡΠΎΠ²ΠΎΠ³ΠΎ Π±ΠΈΠ΅Π½ΠΈΡ Π½Π΅ Π΄ΠΎΠ»ΠΆΠ½Π° ΠΏΡΠ΅Π²ΡΡΠ°ΡΡ 1,2 ΠΌΠΌ.
ΠΡΠΎΠ²Π΅ΡΠΊΠ° Π±ΠΈΠ΅Π½ΠΈΡ ΡΠ°Π±ΠΎΡΠ΅ΠΉ ΠΏΠΎΠ²Π΅ΡΡ Π½ΠΎΡΡΠΈ Π²Π΅Π΄ΠΎΠΌΠΎΠ³ΠΎ Π΄ΠΈΡΠΊΠ° ΡΡΠ΅ΠΏΠ»Π΅Π½ΠΈΡ ΠΠΠ-40524 Π½Π° Π°Π²ΡΠΎΠΌΠΎΠ±ΠΈΠ»ΡΡ ΠΠ°Π·Π΅Π»Ρ ΠΈ Π‘ΠΎΠ±ΠΎΠ»Ρ.ΠΠ»Ρ ΠΊΠΎΠ½ΡΡΠΎΠ»Ρ Π½Π΅ΠΏΠ»ΠΎΡΠΊΠΎΡΡΠ½ΠΎΡΡΠΈ (ΡΠ°ΡΠ΅Π»ΡΡΠ°ΡΠΎΡΡΠΈ) Π΄ΠΈΡΠΊ ΠΏΠΎΠ»ΠΎΠΆΠΈΡΡ Π½Π° Π½ΠΎΠ²ΡΠΉ ΠΌΠ°Ρ ΠΎΠ²ΠΈΠΊ ΠΈ ΡΡΠΏΠΎΠΌ Π·Π°ΠΌΠ΅ΡΠΈΡΡ Π·Π°Π·ΠΎΡ ΠΌΠ΅ΠΆΠ΄Ρ Π½Π°ΠΊΠ»Π°Π΄ΠΊΠ°ΠΌΠΈ ΠΈ ΠΌΠ°Ρ ΠΎΠ²ΠΈΠΊΠΎΠΌ. ΠΠΎΠ½ΡΡΠΎΠ»Ρ Π½Π°Π΄ΠΎ ΠΏΡΠΎΠΈΠ·Π²ΠΎΠ΄ΠΈΡΡ Ρ ΠΎΠ±Π΅ΠΈΡ ΡΡΠΎΡΠΎΠ½ Π΄ΠΈΡΠΊΠ°. ΠΠ°ΠΈΠ±ΠΎΠ»Π΅Π΅ ΠΏΠΎΠ»Π½ΠΎ ΠΎΡΠ΅Π½ΠΈΡΡ Π½Π΅ΠΏΠ»ΠΎΡΠΊΠΎΡΡΠ½ΠΎΡΡΡ ΠΏΠΎΠ·Π²ΠΎΠ»ΡΠ΅Ρ Π·Π°ΠΌΠ΅Ρ Π³ΠΎΡΡΡΠ΅Π³ΠΎ Π΄ΠΈΡΠΊΠ°, Π½Π΅ΠΏΠΎΡΡΠ΅Π΄ΡΡΠ²Π΅Π½Π½ΠΎ ΠΏΠΎΡΠ»Π΅ ΡΠ½ΡΡΠΈΡ Ρ Π°Π²ΡΠΎΠΌΠΎΠ±ΠΈΠ»Ρ. ΠΡΠ»ΠΈ ΡΡΠΌΠΌΠ° ΠΎΡΠΊΠ»ΠΎΠ½Π΅Π½ΠΈΠΉ ΡΠΎΡΡΠΎΠ²ΠΎΠ³ΠΎ Π±ΠΈΠ΅Π½ΠΈΡ ΠΈ Π½Π΅ΠΏΠ»ΠΎΡΠΊΠΎΡΡΠ½ΠΎΡΡΠΈ ΠΏΡΠ΅Π²ΡΡΠ°Π΅Ρ Π²Π΅Π»ΠΈΡΠΈΠ½Ρ 1,25 ΠΌΠΌ, ΡΠΎ Π΄ΠΈΡΠΊ ΠΏΠΎΠ΄Π»Π΅ΠΆΠΈΡ Π·Π°ΠΌΠ΅Π½Π΅. ΠΠ΅Π»ΠΈΡΠΈΠ½Π° ΡΡΠ°ΡΠΈΡΠ΅ΡΠΊΠΎΠ³ΠΎ Π΄ΠΈΡΠ±Π°Π»Π°Π½ΡΠ° Π΄ΠΈΡΠΊΠΎΠ² Π½Π΅ Π΄ΠΎΠ»ΠΆΠ½Π° ΠΏΡΠ΅Π²ΡΡΠ°ΡΡ 30 Π³ΡΠΌ.
ΠΡΠΈ ΠΎΡΡΡΡΡΡΠ²ΠΈΠΈ Π½Π° Π½Π°ΠΆΠΈΠΌΠ½ΠΎΠΌ Π΄ΠΈΡΠΊΠ΅ Π²ΠΈΠ΄ΠΈΠΌΡΡ
ΠΏΠΎΠ²ΡΠ΅ΠΆΠ΄Π΅Π½ΠΈΠΉ: Π½Π°Π΄ΠΈΡΠΎΠ², ΠΊΠΎΠ»ΡΡΠ΅Π²ΡΡ
ΠΊΠ°Π½Π°Π²ΠΎΠΊ, ΠΏΡΠΈΠΆΠΎΠ³ΠΎΠ² ΠΈ Π²ΡΡΠ°Π±ΠΎΡΠΊΠΈ Π±ΠΎΠ»Π΅Π΅ 0,3 ΠΌΠΌ Π½Π° ΡΠ°Π±ΠΎΡΠ΅ΠΉ ΠΏΠΎΠ²Π΅ΡΡ
Π½ΠΎΡΡΠΈ Π½Π°ΠΆΠΈΠΌΠ½ΠΎΠ³ΠΎ Π΄ΠΈΡΠΊΠ°, ΠΈΠ·Π½ΠΎΡΠΎΠ² ΠΊΠΎΠ½ΡΠΎΠ² Π»Π΅ΠΏΠ΅ΡΡΠΊΠΎΠ² Π΄ΠΈΠ°ΡΡΠ°Π³ΠΌΠ΅Π½Π½ΠΎΠΉ ΠΏΡΡΠΆΠΈΠ½Ρ Π±ΠΎΠ»Π΅Π΅ 0,3 ΠΌΠΌ, Π½Π°Π»ΠΈΡΠΈΡ Π΄Π΅ΡΠΎΡΠΌΠ°ΡΠΈΠΈ ΡΠΎΠ΅Π΄ΠΈΠ½ΠΈΡΠ΅Π»ΡΠ½ΡΡ
ΠΏΠ»Π°ΡΡΠΈΠ½, Π·Π°Π·ΠΎΡΠΎΠ² ΠΌΠ΅ΠΆΠ΄Ρ Π½ΠΈΠΌΠΈ ΠΈ Ρ. Π΄. Π½Π΅ΠΎΠ±Ρ
ΠΎΠ΄ΠΈΠΌΠΎ ΠΏΡΠΎΠ²Π΅ΡΠΈΡΡ ΡΠ°ΡΠΏΠΎΠ»ΠΎΠΆΠ΅Π½ΠΈΠ΅ ΠΊΠΎΠ½ΡΠΎΠ² Π»Π΅ΠΏΠ΅ΡΡΠΊΠΎΠ² Π΄ΠΈΠ°ΡΡΠ°Π³ΠΌΠ΅Π½Π½ΠΎΠΉ ΠΏΡΡΠΆΠΈΠ½Ρ, ΡΠΈΡΡΠΎΡΡ Π²ΡΠΊΠ»ΡΡΠ΅Π½ΠΈΡ Π΄ΠΈΡΠΊΠ° ΠΈ ΡΡΠΈΠ»ΠΈΠ΅ Π²ΡΠΊΠ»ΡΡΠ΅Π½ΠΈΡ Π΄ΠΈΡΠΊΠ°.
ΠΠ»Ρ ΡΡΠΎΠ³ΠΎ Π·Π°ΠΊΡΠ΅ΠΏΠΈΡΡ Π½Π°ΠΆΠΈΠΌΠ½ΠΎΠΉ Π΄ΠΈΡΠΊ Π½Π° ΡΠ°Π±ΠΎΡΠ΅ΠΉ ΠΏΠΎΠ²Π΅ΡΡ Π½ΠΎΡΡΠΈ Π½ΠΎΠ²ΠΎΠ³ΠΎ ΠΌΠ°Ρ ΠΎΠ²ΠΈΠΊΠ° (ΠΏΠΎΠ²Π΅ΡΡ Π½ΠΎΡΡΡ Π΄ΠΎΠ»ΠΆΠ½Π° Π±ΡΡΡ ΡΠΎΠ²Π½ΠΎΠΉ ΠΈ Π½Π΅ΠΈΠ·Π½ΠΎΡΠ΅Π½Π½ΠΎΠΉ), ΠΏΠΎΠΌΠ΅ΡΡΠΈΠ² ΠΌΠ΅ΠΆΠ΄Ρ Π½ΠΈΠΌΠΈ ΡΡΠΈ ΡΠ°Π²Π½ΠΎΠΌΠ΅ΡΠ½ΠΎ ΡΠ°ΡΠΏΠΎΠ»ΠΎΠΆΠ΅Π½Π½ΡΠ΅ ΡΠ°ΠΉΠ±Ρ ΡΠΎΠ»ΡΠΈΠ½ΠΎΠΉ 8 ΠΌΠΌ. ΠΠΈΡΠΊ Π·Π°ΠΊΡΠ΅ΠΏΠΈΡΡ ΠΊ ΠΌΠ°Ρ ΠΎΠ²ΠΈΠΊΡ ΡΠ΅ΡΡΡΡ Π±ΠΎΠ»ΡΠ°ΠΌΠΈ. ΠΠ°ΡΡΠ³ΠΈΠ²Π°Ρ Π±ΠΎΠ»ΡΡ ΡΠ°Π²Π½ΠΎΠΌΠ΅ΡΠ½ΠΎ Π² Π½Π΅ΡΠΊΠΎΠ»ΡΠΊΠΎ ΡΡΠ°ΠΏΠΎΠ² Π΄ΠΎ ΠΌΠΎΠΌΠ΅Π½ΡΠ° Π·Π°ΡΡΠΆΠΊΠΈ 19,6-24,5 ΠΠΌ (2,0-2,5 ΠΊΠ³ΡΠΌ), ΡΡΠΎ Π½Π΅ΠΎΠ±Ρ ΠΎΠ΄ΠΈΠΌΠΎ Π΄Π»Ρ ΠΈΡΠΊΠ»ΡΡΠ΅Π½ΠΈΡ ΠΊΠΎΡΠΎΠ±Π»Π΅Π½ΠΈΡ ΠΊΠΎΠΆΡΡ Π° ΠΈ Π²ΡΠ»Π΅Π΄ΡΡΠ²ΠΈΠ΅ ΡΡΠΎΠ³ΠΎ, ΠΏΠΎΠ²ΡΡΠ΅Π½Π½ΠΎΠ³ΠΎ Π±ΠΈΠ΅Π½ΠΈΡ Π»Π΅ΠΏΠ΅ΡΡΠΊΠΎΠ² Π΄ΠΈΠ°ΡΡΠ°Π³ΠΌΠ΅Π½Π½ΠΎΠΉ ΠΏΡΡΠΆΠΈΠ½Ρ.
Π Π΅Π³ΡΠ»ΠΈΡΠΎΠ²ΠΊΠ° ΠΊΠΎΠ½ΡΠΎΠ² Π»Π΅ΠΏΠ΅ΡΡΠΊΠΎΠ² ΠΈ ΠΏΡΠΎΠ²Π΅ΡΠΊΠ° Π½Π°ΠΆΠΈΠΌΠ½ΠΎΠ³ΠΎ Π΄ΠΈΡΠΊΠ° ΡΡΠ΅ΠΏΠ»Π΅Π½ΠΈΡ ΠΠΠ-40524 Π½Π° Π°Π²ΡΠΎΠΌΠΎΠ±ΠΈΠ»ΡΡ ΠΠ°Π·Π΅Π»Ρ ΠΈ Π‘ΠΎΠ±ΠΎΠ»Ρ.Π Π°Π·ΠΌΠ΅Ρ Π ΠΎΡ ΡΠΎΡΡΠ° ΠΌΠ°Ρ ΠΎΠ²ΠΈΠΊΠ° Π΄ΠΎ ΠΊΠΎΠ½ΡΠΎΠ² Π»Π΅ΠΏΠ΅ΡΡΠΊΠΎΠ² Π΄ΠΎΠ»ΠΆΠ΅Π½ Π±ΡΡΡ 43,5-47,5 ΠΌΠΌ. ΠΠΈΠ΅Π½ΠΈΠ΅ ΠΊΠΎΠ½ΡΠΎΠ² Π»Π΅ΠΏΠ΅ΡΡΠΊΠΎΠ² (ΠΎΡΠΊΠ»ΠΎΠ½Π΅Π½ΠΈΠ΅ ΠΎΡ ΠΏΠΎΠ»ΠΎΠΆΠ΅Π½ΠΈΡ Π² ΠΎΠ΄Π½ΠΎΠΉ ΠΏΠ»ΠΎΡΠΊΠΎΡΡΠΈ) Π½Π° Π΄ΠΈΠ°ΠΌΠ΅ΡΡΠ΅ 60 ΠΌΠΌ Π½Π΅ Π΄ΠΎΠ»ΠΆΠ½ΠΎ ΠΏΡΠ΅Π²ΡΡΠ°ΡΡ 0,8 ΠΌΠΌ. ΠΡΠΈ Π½Π΅ΠΎΠ±Ρ ΠΎΠ΄ΠΈΠΌΠΎΡΡΠΈ ΠΏΠΎΠ΄ΠΎΠ³Π½ΡΡΡ Π»Π΅ΠΏΠ΅ΡΡΠΊΠΈ Π΄ΠΈΠ°ΡΡΠ°Π³ΠΌΠ΅Π½Π½ΠΎΠΉ ΠΏΡΡΠΆΠΈΠ½Ρ.
ΠΠ°ΠΆΠΈΠΌΠ°Ρ Π½Π° ΠΊΠΎΠ½ΡΡ Π»Π΅ΠΏΠ΅ΡΡΠΊΠΎΠ², ΠΏΠ΅ΡΠ΅ΠΌΠ΅ΡΡΠΈΡΡ ΠΈΡ Π½Π° Π²Π΅Π»ΠΈΡΠΈΠ½Ρ 8,4-8,6 ΠΌΠΌ. ΠΡΠΈ ΡΡΠΎΠΌ ΠΎΡΡ ΠΎΠ΄ Π½Π°ΠΆΠΈΠΌΠ½ΠΎΠ³ΠΎ Π΄ΠΈΡΠΊΠ° Π΄ΠΎΠ»ΠΆΠ΅Π½ Π±ΡΡΡ Π½Π΅ ΠΌΠ΅Π½Π΅Π΅ 1,4 ΠΌΠΌ. ΠΠ°ΠΊΡΠΈΠΌΠ°Π»ΡΠ½ΠΎΠ΅ ΡΡΠΈΠ»ΠΈΠ΅ Π½Π°ΠΆΠ°ΡΠΈΡ Π½Π° ΠΊΠΎΠ½ΡΡ ΡΡΡΠ°Π³ΠΎΠ² Π΄ΠΎΠ»ΠΆΠ½ΠΎ Π±ΡΡΡ Π½Π΅ Π±ΠΎΠ»Π΅Π΅ 2200 Π. ΠΠ΅Π»ΠΈΡΠΈΠ½Π° ΡΡΠ°ΡΠΈΡΠ΅ΡΠΊΠΎΠ³ΠΎ Π΄ΠΈΡΠ±Π°Π»Π°Π½ΡΠ° Π½Π°ΠΆΠΈΠΌΠ½ΡΡ Π΄ΠΈΡΠΊΠΎΠ² Π½Π΅ Π΄ΠΎΠ»ΠΆΠ½Π° ΠΏΡΠ΅Π²ΡΡΠ°ΡΡ 50 Π³ΡΠΌ.
auto.kombat.com.ua
ο»ΏΠΠ°ΠΊ ΠΎΡΡΠ΅Π³ΡΠ»ΠΈΡΠΎΠ²Π°ΡΡ ΠΏΡΠΈΠ²ΠΎΠ΄ Π²ΡΠΊΠ»ΡΡΠ΅Π½ΠΈΡ ΡΡΠ΅ΠΏΠ»Π΅Π½ΠΈΡ βΠΠΠΠΠ ΠΠΠ 21β
Π Π΅Π³ΡΠ»ΠΈΡΠΎΠ²ΠΊΠ° Π³ΠΈΠ΄ΡΠ°Π²Π»ΠΈΡΠ΅ΡΠΊΠΎΠ³ΠΎ ΠΏΡΠΈΠ²ΠΎΠ΄Π° ΡΡΡΠ΅ΡΡΠ²Π΅Π½Π½ΠΎ ΠΎΡΠ»ΠΈΡΠ°Π΅ΡΡΡ ΠΎΡ ΡΠ΅Π³ΡΠ»ΠΈΡΠΎΠ²ΠΊΠΈ ΠΌΠ΅Ρ Π°Π½ΠΈΡΠ΅ΡΠΊΠΎΠ³ΠΎ. ΠΠΎΠΌΠΈΠΌΠΎ ΡΠ²ΠΎΠ±ΠΎΠ΄Π½ΠΎΠ³ΠΎ Ρ ΠΎΠ΄Π° ΠΏΠ΅Π΄Π°Π»ΠΈ, ΠΊΠΎΡΠΎΡΡΠΉ Π² ΠΌΠ΅Ρ Π°Π½ΠΈΡΠ΅ΡΠΊΠΎΠΌ ΠΏΡΠΈΠ²ΠΎΠ΄Π΅ Π·Π°Π²ΠΈΡΠΈΡ ΠΎΡ Π·Π°Π·ΠΎΡΠ° ΠΌΠ΅ΠΆΠ΄Ρ Π²ΡΠΆΠΈΠΌΠ½ΡΠΌΠΈ ΡΡΡΠ°Π³Π°ΠΌΠΈ ΠΈ ΠΏΠΎΠ΄ΡΠΈΠΏΠ½ΠΈΠΊΠΎΠΌ Π²ΡΠΊΠ»ΡΡΠ΅Π½ΠΈΡ ΡΡΠ΅ΠΏΠ»Π΅Π½ΠΈΡ, Π° ΡΠ°ΠΊΠΆΠ΅ ΠΎΡ Π»ΡΡΡΠΎΠ² Π² ΡΠΎΠ΅Π΄ΠΈΠ½Π΅Π½ΠΈΡΡ , Π² Π³ΠΈΠ΄ΡΠ°Π²Π»ΠΈΡΠ΅ΡΠΊΠΎΠΌ ΠΏΡΠΈΠ²ΠΎΠ΄Π΅ ΠΈΠΌΠ΅Π΅ΡΡΡ Π΄ΠΎΠΏΠΎΠ»Π½ΠΈΡΠ΅Π»ΡΠ½ΡΠΉ ΡΠ²ΠΎΠ±ΠΎΠ΄Π½ΡΠΉ Ρ ΠΎΠ΄ ΠΏΠ΅Π΄Π°Π»ΠΈ, Π·Π°ΡΡΠ°ΡΠΈΠ²Π°Π΅ΠΌΡΠΉ Π½Π° Π²ΡΠ±ΠΎΡ Π·Π°Π·ΠΎΡΠ° ΠΌΠ΅ΠΆΠ΄Ρ ΡΠΎΠ»ΠΊΠ°ΡΠ΅Π»Π΅ΠΌ ΠΈ ΠΏΠΎΡΡΠ½Π΅ΠΌ Π³Π»Π°Π²Π½ΠΎΠ³ΠΎ ΡΠΈΠ»ΠΈΠ½Π΄ΡΠ° ΠΈ Π½Π° Ρ ΠΎΠ΄ ΠΏΠΎΡΡΠ½Ρ ΠΎΡ ΠΊΡΠ°ΠΉΠ½Π΅Π³ΠΎ ΠΏΠΎΠ»ΠΎΠΆΠ΅Π½ΠΈΡ Π΄ΠΎ ΠΌΠΎΠΌΠ΅Π½ΡΠ° ΠΏΠ΅ΡΠ΅ΠΊΡΡΡΠΈΡ ΠΏΠ΅ΡΠ΅ΠΏΡΡΠΊΠ½ΠΎΠ³ΠΎ ΠΎΡΠ²Π΅ΡΡΡΠΈΡ ΠΊΡΠΎΠΌΠΊΠΎΠΉ ΠΌΠ°Π½ΠΆΠ΅ΡΡ.Β
Π‘Π»Π΅Π΄ΡΠ΅Ρ ΠΈΠΌΠ΅ΡΡ Π² Π²ΠΈΠ΄Ρ, ΡΡΠΎ Ρ ΡΠ°Π·Π½ΡΡ Π°Π²ΡΠΎΠΌΠΎΠ±ΠΈΠ»Π΅ΠΉ Β«ΠΠΎΠ»Π³Π°Β» ΡΠ²ΠΎΠ±ΠΎΠ΄Π½ΡΠΉ Ρ ΠΎΠ΄ Π½Π΅ΠΎΠ΄ΠΈΠ½Π°ΠΊΠΎΠ². ΠΠ½ ΠΎΠΏΡΠ΅Π΄Π΅Π»ΡΠ΅ΡΡΡ ΠΊΠ°ΠΊ ΡΡΠ°ΡΠ΅Π»ΡΠ½ΠΎΡΡΡΡ ΠΏΡΠΎΠΊΠ°ΡΠΊΠΈ ΡΠΈΡΡΠ΅ΠΌΡ, Π΅Π΅ Π³Π΅ΡΠΌΠ΅ΡΠΈΡΠ½ΠΎΡΡΡΡ, ΡΠ°ΠΊ ΠΈ ΡΠ°Π·Π»ΠΈΡΠΈΠ΅ΠΌ ΡΠ°Π·ΠΌΠ΅ΡΠ° Π΄Π΅ΡΠ°Π»Π΅ΠΉ Π² ΠΏΡΠ΅Π΄Π΅Π»Π°Ρ Π΄ΠΎΠΏΡΡΠΊΠ°.Β
ΠΠ΅ΡΠ΅Π΄ ΡΠ΅Π³ΡΠ»ΠΈΡΠΎΠ²ΠΊΠΎΠΉ ΠΏΡΠΎΠ²Π΅ΡΡΡΠ΅ ΡΡΠΎΠ²Π΅Π½Ρ ΠΆΠΈΠ΄ΠΊΠΎΡΡΠΈ Π² Π³Π»Π°Π²Π½ΠΎΠΌ ΡΠΈΠ»ΠΈΠ½Π΄ΡΠ΅. ΠΡΠ»ΠΈ Π΅ΡΡΡ ΠΏΠΎΠ΄ΠΎΠ·ΡΠ΅Π½ΠΈΠ΅, ΡΡΠΎ Π² ΡΠΈΡΡΠ΅ΠΌΠ΅ ΠΈΠΌΠ΅Π΅ΡΡΡ Π²ΠΎΠ·Π΄ΡΡ
(ΠΏΠΎΠ΄ΡΠ΅ΠΊΠ°Π½ΠΈΠ΅ Π² ΡΠΎΠ΅Π΄ΠΈΠ½Π΅Π½ΠΈΡΡ
, ΡΠ²Π΅Π»ΠΈΡΠ΅Π½Π½ΡΠΉ ΡΠ²ΠΎΠ±ΠΎΠ΄Π½ΡΠΉ Ρ
ΠΎΠ΄ ΠΏΠ΅Π΄Π°Π»ΠΈ) — ΠΏΡΠΎΠΊΠ°ΡΠ°ΠΉΡΠ΅ ΠΏΡΠΈΠ²ΠΎΠ΄.
Β
ΠΡΠ΅ΠΆΠ΄Π΅ ΡΠ΅ΠΌ ΠΎΡΡΠ΅Π³ΡΠ»ΠΈΡΠΎΠ²Π°ΡΡ ΡΠ²ΠΎΠ±ΠΎΠ΄Π½ΡΠΉ Ρ ΠΎΠ΄ Π½Π°ΡΡΠΆΠ½ΠΎΠ³ΠΎ ΠΊΠΎΠ½ΡΠ° Π²ΠΈΠ»ΠΊΠΈ, ΠΎΡΡΠΎΠ΅Π΄ΠΈΠ½ΠΈΡΠ΅ ΠΎΡΡΡΠΆΠ½ΡΡ ΠΏΡΡΠΆΠΈΠ½Ρ, ΠΏΡΠΈΠ»ΠΎΠΆΠΈΡΠ΅ Π»ΠΈΠ½Π΅ΠΉΠΊΡ Π²Π΄ΠΎΠ»Ρ ΡΠΎΠ»ΠΊΠ°ΡΠ΅Π»Ρ ΠΈ, ΠΏΠΎΠΊΠ°ΡΠΈΠ²Π°Ρ ΡΡΠΊΠΎΠΉ Π²ΠΈΠ»ΠΊΡ, Π·Π°ΠΌΠ΅ΡΡΡΠ΅ ΡΠ²ΠΎΠ±ΠΎΠ΄Π½ΡΠΉ Ρ ΠΎΠ΄. ΠΡΠ»ΠΈ ΠΎΠ½ Π½Π΅ ΡΠΊΠ»Π°Π΄ΡΠ²Π°Π΅ΡΡΡ Π² ΠΏΡΠ΅Π΄Π΅Π»Ρ 3-4 ΠΌΠΌ, ΡΠΎ ΠΎΡΠ»Π°Π±ΡΡΠ΅ ΠΊΠΎΠ½ΡΡΠ³Π°ΠΉΠΊΡ ΠΈ, Π²ΡΠ°ΡΠ°Ρ ΡΠΎΠ»ΠΊΠ°ΡΠ΅Π»Ρ, ΠΈΠ·ΠΌΠ΅Π½ΠΈΡΠ΅ eΠ³o Π΄Π»ΠΈΠ½Ρ. ΠΡΠΈ ΡΡΠΎΠΌ Π·Π°Π΄Π΅ΡΠΆΠΈΠ²Π°ΠΉΡΠ΅ Π½Π°ΠΊΠΎΠ½Π΅ΡΠ½ΠΈΠΊ ΡΠΎΠ»ΠΊΠ°ΡΠ΅Π»Ρ ΠΎΡ ΠΏΡΠΎΠ²Π΅ΡΡΡΠ²Π°Π½ΠΈΡ Π²ΡΠΎΡΡΠΌ ΠΊΠ»ΡΡΠΎΠΌ. ΠΠ°ΡΡΠ½ΠΈΡΠ΅ ΠΊΠΎΠ½ΡΡΠ³Π°ΠΉΠΊΡ ΠΈ ΡΠ½ΠΎΠ²Π° ΠΏΡΠΎΠ²Π΅ΡΡΡΠ΅ Π²Π΅Π»ΠΈΡΠΈΠ½Ρ ΡΠ²ΠΎΠ±ΠΎΠ΄Π½ΠΎΠ³ΠΎ Ρ ΠΎΠ΄Π° Π½Π°ΡΡΠΆΠ½ΠΎΠ³ΠΎ ΠΊΠΎΠ½ΡΠ° Π²ΠΈΠ»ΠΊΠΈ. ΠΠ°Π΄Π΅Π½ΡΡΠ΅ ΠΎΡΡΡΠΆΠ½ΡΡ ΠΏΡΡΠΆΠΈΠ½Ρ Π²ΠΈΠ»ΠΊΠΈ.Β
ΠΠ»Ρ Π·Π°ΠΌΠ΅ΡΠ° ΡΠ²ΠΎΠ±ΠΎΠ΄Π½ΠΎΠ³ΠΎ Ρ ΠΎΠ΄Π° ΠΎΡΠ΅Π½Ρ ΡΠ΄ΠΎΠ±Π½ΠΎ ΠΏΠΎΠ»ΡΠ·ΠΎΠ²Π°ΡΡΡΡ Π»ΠΈΠ½Π΅ΠΉΠΊΠΎΠΉ Ρ ΠΆΠ΅ΡΡΡΠ½ΡΠΌ ΠΏΠΎΠ»Π·ΡΠ½ΠΊΠΎΠΌ. ΠΠ΅ΡΠ΅Π΄ ΡΠ΅Π³ΡΠ»ΠΈΡΠΎΠ²ΠΊΠΎΠΉ Π·Π°Π·ΠΎΡΠ° ΠΌΠ΅ΠΆΠ΄Ρ ΡΠΎΠ»ΠΊΠ°ΡΠ΅Π»Π΅ΠΌ ΠΈ ΠΏΠΎΡΡΠ½Π΅ΠΌ Π³Π»Π°Π²Π½ΠΎΠΌ ΡΠΈΠ»ΠΈΠ½Π΄ΡΠ΅ ΠΏΡΠΈΠ²ΠΎΠ΄Π° ΠΎΠΏΡΠ΅Π΄Π΅Π»ΠΈΡΠ΅ Π΅Π³ΠΎ Π²Π΅Π»ΠΈΡΠΈΠ½Ρ. ΠΠ»Ρ ΡΡΠΎΠ³ΠΎ ΡΠ»Π΅Π³ΠΊΠ° Π½Π°ΠΆΠΌΠΈΡΠ΅ Π½Π° ΠΏΠ»ΠΎΡΠ°Π΄ΠΊΡ ΠΏΠ΅Π΄Π°Π»ΠΈ ΡΡΠ΅ΠΏΠ»Π΅Π½ΠΈΡ (ΠΏΡΠ΅Π΄Π²Π°ΡΠΈΡΠ΅Π»ΡΠ½ΠΎ ΡΠ½ΡΠ² ΠΎΡΡΡΠΆΠ½ΡΡ ΠΏΡΡΠΆΠΈΠ½Ρ) Π²Π½ΠΈΠ·- Π²ΠΏΠ΅ΡΠ΅Π΄ Π΄ΠΎ ΡΠΏΠΎΡΠ° ΡΠΎΠ»ΠΊΠ°ΡΠ΅Π»Ρ Π² ΠΏΠΎΡΡΠ΅Π½Ρ ΠΈ ΠΎΡΠΏΡΡΡΠΈΡΠ΅. ΠΡΠ»ΠΈ Π·Π°Π·ΠΎΡ ΠΎΡΡΡΠ°Π΅ΡΡΡ, ΠΎΠΏΡΠ΅Π΄Π΅Π»ΠΈΡΠ΅ Π΅Π³ΠΎ Π²Π΅Π»ΠΈΡΠΈΠ½Ρ Π»ΠΈΠ½Π΅ΠΉΠΊΠΎΠΉ ΠΏΠΎ ΠΏΠ΅ΡΠ΅ΠΌΠ΅ΡΠ΅Π½ΠΈΡ ΡΠ΅Π½ΡΡΠ° ΠΏΠ»ΠΎΡΠ°Π΄ΠΊΠΈ ΠΏΠ΅Π΄Π°Π»ΠΈ, ΠΊΠΎΡΠΎΡΠΎΠ΅ Π΄ΠΎΠ»ΠΆΠ½ΠΎ Π±ΡΡΡ ΡΠ°Π²Π½ΠΎ 3-6 ΠΌΠΌ ΠΏΡΠΈ Π·Π°ΠΌΠ΅ΡΠ΅ ΠΏΠΎ ΡΠ΅Π½ΡΡΡ ΠΏΠ»ΠΎΡΠ°Π΄ΠΊΠΈ, ΡΡΠΎ ΡΠΎΠΎΡΠ²Π΅ΡΡΡΠ²ΡΠ΅Ρ Π·Π°Π·ΠΎΡΡ 0,5-1,0 ΠΌΠΌ ΠΌΠ΅ΠΆΠ΄Ρ ΡΠΎΠ»ΠΊΠ°ΡΠ΅Π»Π΅ΠΌ ΠΈ ΠΏΠΎΡΡΠ½Π΅ΠΌ Π² Π³Π»Π°Π²Π½ΠΎΠΌ ΡΠΈΠ»ΠΈΠ½Π΄ΡΠ΅. ΠΡΠ»ΠΈ Π²Π΅Π»ΠΈΡΠΈΠ½Π° Π·Π°Π·ΠΎΡΠ° Π½Π΅ ΡΠΊΠ»Π°Π΄ΡΠ²Π°Π΅ΡΡΡ Π² ΡΡΠΈ ΠΏΡΠ΅Π΄Π΅Π»Ρ ΠΈΠ»ΠΈ ΠΎΠ½ Π½Π΅ ΠΎΡΡΡΠ°Π΅ΡΡΡ, ΠΏΡΠΎΠ²Π΅ΡΡΡΠ΅ Π΄Π²ΠΈΠΆΠ΅Π½ΠΈΠ΅ ΠΏΠ΅Π΄Π°Π»ΠΈ ΠΈ ΡΠ΄Π΅Π»Π°ΠΉΡΠ΅ ΡΠ°ΠΊ, ΡΡΠΎΠ±Ρ ΠΎΠ½Π° Π»Π΅Π³ΠΊΠΎ Π²ΡΠ°ΡΠ°Π»Π°ΡΡ Π½Π° ΠΎΡΠΈ.Β
ΠΡΠΈ Π·Π°Π΅Π΄Π°Π½ΠΈΠΈ ΡΠΊΡΡΠ΅Π½ΡΡΠΈΠΊΠ° Π² ΠΎΡΠ²Π΅ΡΡΡΠΈΠΈ ΡΡΠΎΠΊΠ° Π·Π°ΡΠΈΡΡΠΈΡΠ΅ ΠΊΡΠΎΠΌΠΊΠΈ ΠΏΠ»Π°ΡΡΠΌΠ°ΡΡΠΎΠ²ΡΡ Π²ΡΡΠ»ΠΎΠΊ ΠΈ Π΄ΠΎΠ±Π΅ΠΉΡΠ΅ΡΡ ΡΠ²ΠΎΠ±ΠΎΠ΄Π½ΠΎΠ³ΠΎ Π²ΡΠ°ΡΠ΅Π½ΠΈΡ ΡΡΠΎΠΊΠ° ΠΏΠΎΡΠ»Π΅ Π·Π°ΡΡΠΆΠΊΠΈ ΡΠΊΡΡΠ΅Π½ΡΡΠΈΠΊΠΎΠ²ΠΎΠ³ΠΎ ΠΏΠ°Π»ΡΡΠ°. ΠΠΎ ΠΌΠΎΠΆΠ΅Ρ Π±ΡΡΡ ΠΈ ΡΠ°ΠΊ: ΠΏΠ΅Π΄Π°Π»Ρ Π²ΡΠ°ΡΠ°Π΅ΡΡΡ Π»Π΅Π³ΠΊΠΎ, Π° ΠΏΠ΅ΡΠ΅ΠΌΠ΅ΡΠ΅Π½ΠΈΠ΅ ΠΏΠ»ΠΎΡΠ°Π΄ΠΊΠΈ ΠΌΠ΅Π½ΡΡΠ΅ 3 ΠΌΠΌ ΠΈΠ»ΠΈ Π±ΠΎΠ»ΡΡΠ΅ 6 ΠΌΠΌ. Π’ΠΎΠ³Π΄Π° ΠΎΡΠ»Π°Π±ΡΡΠ΅ Π³Π°ΠΉΠΊΡ ΡΠΊΡΡΠ΅Π½ΡΡΠΈΠΊΠΎΠ²ΠΎΠ³ΠΎ ΠΏΠ°Π»ΡΡΠ° ΠΈ, Π²ΡΠ°ΡΠ°Ρ Π΅Π³ΠΎ, Π΄ΠΎΠ±Π΅ΠΉΡΠ΅ΡΡ ΡΡΡΠ°Π½ΠΎΠ²Π»Π΅Π½ΠΈΡ Π½ΠΎΡΠΌΠ°Π»ΡΠ½ΠΎΠ³ΠΎ Π·Π°Π·ΠΎΡΠ°.
Β Π‘ΡΠΎΡΠΎΠ½Π° Π³ΠΎΠ»ΠΎΠ²ΠΊΠΈ ΡΠΊΡΡΠ΅Π½ΡΡΠΈΠΊΠ° Ρ ΠΌΠ΅ΡΠΊΠΎΠΉ Β«ΠΒ» ΡΠΎΠΎΡΠ²Π΅ΡΡΡΠ²ΡΠ΅Ρ Π΅Π³ΠΎ Π½ΠΈΠ·ΠΊΠΎΠΉ ΡΡΠΎΡΠΎΠ½Π΅. ΠΡΠΈ Π²ΡΠ°ΡΠ΅Π½ΠΈΠΈ Π³ΠΎΠ»ΠΎΠ²ΠΊΠΈ ΠΏΠΎ ΡΠ°ΡΠΎΠ²ΠΎΠΉ ΡΡΡΠ΅Π»ΠΊΠ΅ Π·Π°Π·ΠΎΡ ΡΠΌΠ΅Π½ΡΡΠ°Π΅ΡΡΡ. ΠΡΠ»ΠΈ Π²ΡΠ°ΡΠ΅Π½ΠΈΠ΅ΠΌ ΡΠΊΡΡΠ΅Π½ΡΡΠΈΠΊΠ° Π½Π΅ ΡΠ΄Π°Π΅ΡΡΡ ΡΠ²Π΅Π»ΠΈΡΠΈΡΡ Ρ ΠΎΠ΄ ΠΏΠ΅Π΄Π°Π»ΠΈ, ΠΌΠΎΠΆΠ½ΠΎ ΠΏΠΎΠ΄ΡΠ΅Π·Π°ΡΡ ΡΠΏΠΎΡΠ½ΡΠΉ Π±ΡΡΠ΅Ρ ΠΈΠ»ΠΈ ΠΎΡΠΎΠ³Π½ΡΡΡ Π΅Π³ΠΎ ΠΊΡΠΎΠ½ΡΡΠ΅ΠΉΠ½.Β
ΠΠΎΡΠ»Π΅ ΠΎΠΏΠΈΡΠ°Π½Π½ΡΡ
Π²ΡΡΠ΅ ΠΎΠ±Π΅ΠΈΡ
ΡΠ΅Π³ΡΠ»ΠΈΡΠΎΠ²ΠΎΠΊ ΠΏΡΠΎΠ²Π΅ΡΡΡΠ΅ ΡΠ²ΠΎΠ±ΠΎΠ΄Π½ΡΠΉ Ρ
ΠΎΠ΄ ΠΏΠ΅Π΄Π°Π»ΠΈ ΡΡΠ΅ΠΏΠ»Π΅Π½ΠΈΡ. ΠΠ½ Π΄ΠΎΠ»ΠΆΠ΅Π½ Π±ΡΡΡ ΡΠ°Π²Π΅Π½ 32-40 ΠΌΠΌ. ΠΡΠ»ΠΈ Π²Π΅Π»ΠΈΡΠΈΠ½Π° Π΅Π³ΠΎ ΠΌΠ΅Π½ΡΡΠ΅, ΡΠΎ Π»ΠΈΠ±ΠΎ Π½Π΅Π²Π΅ΡΠ½ΠΎ Π±ΡΠ»ΠΈ Π²ΡΠΏΠΎΠ»Π½Π΅Π½Ρ ΡΠ΅Π³ΡΠ»ΠΈΡΠΎΠ²ΠΊΠΈ, Π»ΠΈΠ±ΠΎ Π² Π³Π»Π°Π²Π½ΠΎΠΌ ΡΠΈΠ»ΠΈΠ½Π΄ΡΠ΅ ΠΏΠ΅ΡΠ΅ΠΊΡΡΡΠΎ ΠΎΡΠ²Π΅ΡΡΡΠΈΠ΅.
Β
Π ΠΏΠΎΡΠ»Π΅Π΄Π½Π΅ΠΌ Π»Π΅Π³ΠΊΠΎ ΡΠ±Π΅Π΄ΠΈΡΡΡΡ, ΠΎΠΏΡΡΠΊΠ°Ρ ΠΌΠ΅Π΄Π½ΡΡ ΠΏΡΠΎΠ²ΠΎΠ»ΠΎΠΊΡ (Π΄ΠΈΠ°ΠΌΠ΅ΡΡΠΎΠΌ 0,6 ΠΌΠΌ) Ρ Π·Π°ΡΡΠΏΠ»Π΅Π½Π½ΡΠΌ ΠΊΠΎΠ½ΡΠΎΠΌ ΡΠ΅ΡΠ΅Π· Π½Π°Π»ΠΈΠ²Π½ΠΎΠ΅ ΠΎΡΠ²Π΅ΡΡΡΠΈΠ΅ ΡΠ΅Π·Π΅ΡΠ²ΡΠ°ΡΠ° Π³Π»Π°Π²Π½ΠΎΠ³ΠΎ ΡΠΈΠ»ΠΈΠ½Π΄ΡΠ°. ΠΠ΅ΡΠ΅ΠΊΡΡΡΠΈΠ΅ ΠΌΠΎΠΆΠ΅Ρ ΠΏΡΠΎΠΈΠ·ΠΎΠΉΡΠΈ ΠΈΠ·-Π·Π° Π½Π°Π±ΡΡ Π°Π½ΠΈΡ ΠΌΠ°Π½ΠΆΠ΅ΡΡ Π²ΡΠ»Π΅Π΄ΡΡΠ²ΠΈΠ΅ ΠΏΡΠΈΠΌΠ΅Π½Π΅Π½ΠΈΡ ΠΆΠΈΠ΄ΠΊΠΎΡΡΠΈ Π½ΠΈΠ·ΠΊΠΎΠ³ΠΎ ΠΊΠ°ΡΠ΅ΡΡΠ²Π°. ΠΡΠ²Π΅ΡΡΡΠΈΠ΅ ΠΌΠΎΠΆΠ΅Ρ Π±ΡΡΡ ΡΠ°ΠΊΠΆΠ΅ Π·Π°Π³ΡΡΠ·Π½Π΅Π½ΠΎ. Π£ΡΡΡΠ°Π½ΠΈΠ² ΡΡΠΈ ΠΏΡΠΈΡΠΈΠ½Ρ, Π΄ΠΎΠ±Π΅ΠΉΡΠ΅ΡΡ ΠΏΡΠ°Π²ΠΈΠ»ΡΠ½ΠΎΠΉ ΡΠ΅Π³ΡΠ»ΠΈΡΠΎΠ²ΠΊΠΈ. ΠΡΠ΅ΠΆΠ΄Π΅ ΡΠ΅ΠΌ ΡΠ΅Π³ΡΠ»ΠΈΡΠΎΠ²Π°ΡΡ ΠΏΠΎΠ»Π½ΡΠΉ Ρ ΠΎΠ΄ Π²ΠΈΠ»ΠΊΠΈ, Π·Π°ΠΌΠ΅ΡΡΡΠ΅ Π΅Π³ΠΎ Π»ΠΈΠ½Π΅ΠΉΠΊΠΎΠΉ Π²ΠΎ Π²ΡΠ΅ΠΌΡ Π²ΡΠΊΠ»ΡΡΠ΅Π½ΠΈΡ ΡΡΠ΅ΠΏΠ»Π΅Π½ΠΈΡ. ΠΠ½ Π΄ΠΎΠ»ΠΆΠ΅Π½ Π±ΡΡΡ Π½Π΅ ΠΌΠ΅Π½Π΅Π΅ 19 ΠΌΠΌ. ΠΡΠ»ΠΈ Π²Π΅Π»ΠΈΡΠΈΠ½Π° eΠ³o ΠΌΠ΅Π½ΡΡΠ΅, ΠΏΡΠΎΠ²Π΅ΡΡΡΠ΅ ΠΏΠΎΠ»Π½ΡΠΉ Ρ ΠΎΠ΄ ΠΏΠ»ΠΎΡΠ°Π΄ΠΊΠΈ ΠΏΠ΅Π΄Π°Π»ΠΈ. ΠΠ΅Π»Π°ΡΡ ΡΡΠΎ ΡΠ°ΠΊ. ΠΠ°ΠΆΠΌΠΈΡΠ΅ Π½Π° ΠΏΠ΅Π΄Π°Π»Ρ Π΄ΠΎ ΡΠΏΠΎΡΠ° Π² ΠΊΠΎΠ²ΡΠΈΠΊ ΠΈ ΠΏΡΠΈΠ»ΠΎΠΆΠΈΡΠ΅ ΠΊ Π½Π΅ΠΌΡ ΡΠΎΡΠ΅Ρ Π»ΠΈΠ½Π΅ΠΉΠΊΠΈ ΡΡΠ΄ΠΎΠΌ Ρ ΡΠ΅ΡΠ΅Π΄ΠΈΠ½ΠΎΠΉ ΠΏΠ»ΠΎΡΠ°Π΄ΠΊΠΈ ΠΏΠ΅Π΄Π°Π»ΠΈ. ΠΠ°ΠΌΠ΅ΡΡΡΠ΅ ΠΏΠΎΠΊΠ°Π·Π°Π½ΠΈΡ Π½Π° Π»ΠΈΠ½Π΅ΠΉΠΊΠ΅ Π½Π° ΡΡΠΎΠ²Π½Π΅ ΠΏΠ»ΠΎΡΠ°Π΄ΠΊΠΈ. ΠΠ΅ ΡΡΠΎΠ³Π°Ρ ΡΠΎΡΡΠ° Π»ΠΈΠ½Π΅ΠΉΠΊΠΈ, ΠΎΡΠΏΡΡΡΠΈΡΠ΅ ΠΏΠ΅Π΄Π°Π»Ρ. ΠΠ΅ΡΡ Π½ΠΈΠΉ ΠΊΠΎΠ½Π΅Ρ Π»ΠΈΠ½Π΅ΠΉΠΊΠΈ ΠΏΡΠΈΠ»ΠΎΠΆΠΈΡΠ΅ ΠΊ ΡΠΎΠΌΡ ΠΆΠ΅ ΠΌΠ΅ΡΡΡ Π½Π° ΡΠ΅ΡΠ΅Π΄ΠΈΠ½Π΅ ΠΏΠ»ΠΎΡΠ°Π΄ΠΊΠΈ ΠΈ ΡΠ½ΠΎΠ²Π° Π·Π°ΡΠΈΠΊΡΠΈΡΡΠΉΡΠ΅ ΠΏΠΎΠΊΠ°Π·Π°Π½ΠΈΡ. Π Π°Π·Π½ΠΎΡΡΡ ΠΈΡ Π±ΡΠ΄Π΅Ρ ΡΠ°Π²Π½Π° ΠΏΠΎΠ»Π½ΠΎΠΌΡ Ρ ΠΎΠ΄Ρ ΠΏΠ΅Π΄Π°Π»ΠΈ. Π£Π΄ΠΎΠ±Π½ΠΎ ΠΏΡΠΈΠΌΠ΅Π½ΡΡΡ Π΄Π»Ρ Π·Π°ΠΌΠ΅ΡΠΎΠ² Π»ΠΈΠ½Π΅ΠΉΠΊΡ Ρ ΠΏΠΎΠ»Π·ΡΠ½ΠΊΠΎΠΌ. ΠΡΠ»ΠΈ Ρ ΠΎΠ΄ ΠΌΠ°Π», ΠΌΠΎΠΆΠ½ΠΎ ΠΏΠΎΠ΄ΡΠ΅Π·Π°ΡΡ ΡΠ΅Π·ΠΈΠ½ΠΎΠ²ΡΠΉ Π±ΡΡΠ΅Ρ, ΠΊΠ°ΠΊ ΡΠΊΠ°Π·ΡΠ²Π°Π»ΠΎΡΡ Π²ΡΡΠ΅, Π΄ΠΎ ΠΏΠΎΠ»ΡΡΠ΅Π½ΠΈΡ ΡΡΠ΅Π±ΡΠ΅ΠΌΠΎΠΉ Π²Π΅Π»ΠΈΡΠΈΠ½Ρ 150 ΠΌΠΌ. Π£ΠΌΠ΅Π½ΡΡΠ΅Π½ΠΈΠ΅ Π²ΡΡΠΎΡΡ Π±ΡΡΠ΅ΡΠ° Π½Π° 1 ΠΌΠΌ ΡΠ²Π΅Π»ΠΈΡΠΈΠ²Π°Π΅Ρ Ρ ΠΎΠ΄ ΠΏΠ΅Π΄Π°Π»ΠΈ Π½Π° 3,5 ΠΌΠΌ.Β
ΠΠΌΠ΅ΡΡΠΎ ΠΏΠΎΠ΄ΡΠ΅Π·Π°Π½ΠΈΡ ΠΌΠΎΠΆΠ½ΠΎ ΠΏΠΎΠ΄Π½ΡΡΡ ΡΡΠΊΠ°ΠΌΠΈ ΠΏΠ΅Π΄Π°Π»Ρ ΡΡΠ΅ΠΏΠ»Π΅Π½ΠΈΡ ΡΠ°ΠΊ, ΡΡΠΎΠ±Ρ Π½Π΅ΠΌΠ½ΠΎΠ³ΠΎ ΠΏΡΠΎΠ³Π½ΡΠ»Π°ΡΡ Π²Π½ΠΈΠ· ΠΏΠ»ΠΎΡΠ°Π΄ΠΊΠ°, Π½Π° ΠΊΠΎΡΠΎΡΠΎΠΉ Π·Π°ΠΊΡΠ΅ΠΏΠ»Π΅Π½ Π±ΡΡΠ΅Ρ. ΠΠΎΡΠ»Π΅ ΡΡΠΎΠ³ΠΎ Π½Π΅ΠΎΠ±Ρ ΠΎΠ΄ΠΈΠΌΠΎ Π²Π½ΠΎΠ²Ρ ΠΎΡΡΠ΅Π³ΡΠ»ΠΈΡΠΎΠ²Π°ΡΡ Π·Π°Π·ΠΎΡ ΠΌΠ΅ΠΆΠ΄Ρ ΡΠΎΠ»ΠΊΠ°ΡΠ΅Π»Π΅ΠΌ ΠΈ ΠΏΠΎΡΡΠ½Π΅ΠΌ Π³Π»Π°Π²Π½ΠΎΠ³ΠΎ ΡΠΈΠ»ΠΈΠ½Π΄ΡΠ°. ΠΠΎΠ³Π΄Π° ΠΏΠΎΠ»Π½ΡΠΉ Ρ ΠΎΠ΄ ΠΏΠ΅Π΄Π°Π»ΠΈ Π½Π΅ ΠΌΠ΅Π½Π΅Π΅ 150 ΠΌΠΌ, Π° ΠΏΠΎΠ»Π½ΡΠΉ Ρ ΠΎΠ΄ Π½Π°ΡΡΠΆΠ½ΠΎΠ³ΠΎ ΠΊΠΎΠ½ΡΠ° Π²ΠΈΠ»ΠΊΠΈ Π²ΡΠ΅ ΠΆΠ΅ ΠΌΠ΅Π½ΡΡΠ΅ 19 ΠΌΠΌ, ΡΠΎ Π²ΠΏΠΎΠ»Π½Π΅ Π²Π΅ΡΠΎΡΡΠ½ΠΎ, ΡΡΠΎ ΡΠΈΡΡΠ΅ΠΌΠ° ΠΏΠ»ΠΎΡ ΠΎ ΠΏΡΠΎΠΊΠ°ΡΠ°Π½Π° β Π² Π½Π΅ΠΉ Π΅ΡΡΡ Π²ΠΎΠ·Π΄ΡΡ .Β
ΠΡΠΌΠΎΡΡΠΈΡΠ΅ Π²Π½ΠΈΠΌΠ°ΡΠ΅Π»ΡΠ½ΠΎ ΡΠ»Π°Π½Π³, ΠΌΠ΅ΡΡΠ° Π΅Π³ΠΎ ΡΠΎΠ΅Π΄ΠΈΠ½Π΅Π½ΠΈΡ, ΡΡΡΡΠ΅ΡΡ, ΠΌΠ΅ΡΡΠ° Π²ΡΡ ΠΎΠ΄Π° ΡΡΠΎΠΊΠΎΠ² ΡΠΈΠ»ΠΈΠ½Π΄ΡΠΎΠ². ΠΠ±Π½Π°ΡΡΠΆΠΈΠ² ΡΠ΅ΡΡ, ΡΡΡΡΠ°Π½ΠΈΡΠ΅ Π΅Π΅. ΠΡΠ»ΠΈ ΡΠ΅ΡΠΈ Π½Π΅Ρ, ΡΠ½ΠΎΠ²Π° ΡΡΠ°ΡΠ΅Π»ΡΠ½ΠΎ ΠΏΡΠΎΠΊΠ°ΡΠ°ΠΉΡΠ΅ ΡΠΈΡΡΠ΅ΠΌΡ, ΠΏΠΎΠΊΠ° Ρ ΠΎΠ΄ Π½Π΅ ΡΡΠ°Π½Π΅Ρ ΡΠ°Π²Π½ΡΠΌ 19 ΠΌΠΌ. ΠΠ΅ΡΠ΅ΠΊΡΡΡΠΈΠ΅ Π½Π°Π±ΡΡ ΡΠ΅ΠΉ ΠΌΠ°Π½ΠΆΠ΅ΡΠΎΠΉ ΠΈΠ»ΠΈ Π·Π°ΡΠΎΡΠ΅Π½ΠΈΠ΅ ΠΎΡΠ²Π΅ΡΡΡΠΈΡ Π² Π³Π»Π°Π²Π½ΠΎΠΌ ΡΠΈΠ»ΠΈΠ½Π΄ΡΠ΅ ΠΌΠΎΠΆΠ΅Ρ ΡΠ°ΠΊΠΆΠ΅ ΡΠΌΠ΅Π½ΡΡΠΈΡΡ Ρ ΠΎΠ΄ Π²ΠΈΠ»ΠΊΠΈ. ΠΠΎ Π±ΡΠ²Π°Π΅Ρ ΡΡΠΎ ΠΈ ΠΏΠΎΡΠ»Π΅ ΠΏΡΠΎΠΊΠ°ΡΠΈΠ²Π°Π½ΠΈΡ Π½Π΅ ΠΏΠΎΠ»ΡΡΠΈΠ»Π°ΡΡ ΡΡΠ΅Π±ΡΠ΅ΠΌΠ°Ρ Π²Π΅Π»ΠΈΡΠΈΠ½Π° Ρ ΠΎΠ΄Π° .Β
Π’ΠΎΠ³Π΄Π° ΠΏΡΠΈ Π·Π°ΠΊΡΡΡΠΎΠΌ ΠΏΠ΅ΡΠ΅ΠΏΡΡΠΊΠ½ΠΎΠΌ ΠΊΠ»Π°ΠΏΠ°Π½Π΅ ΡΠ°Π±ΠΎΡΠ΅Π³ΠΎ ΡΠΈΠ»ΠΈΠ½Π΄ΡΠ° Π½Π°Π΄ΠΎ ΡΠ΄Π΅Π»Π°ΡΡ Π½Π΅ΡΠΊΠΎΠ»ΡΠΊΠΎ ΠΊΠ°ΡΠΊΠΎΠ² ΡΠΈΠ½Π½ΡΠΌ Π½Π°ΡΠΎΡΠΎΠΌ, ΡΡΠΎΠ±Ρ ΡΠΎΠ·Π΄Π°ΡΡ Π΄Π°Π²Π»Π΅Π½ΠΈΠ΅ Π² Π³Π»Π°Π²Π½ΠΎΠΌ ΡΠΈΠ»ΠΈΠ½Π΄ΡΠ΅ ΠΈ ΡΠ½ΠΎΠ²Π° Π·Π°ΠΌΠ΅ΡΠΈΡΡ Ρ
ΠΎΠ΄ Π²ΠΈΠ»ΠΊΠΈ.
Π Π΅Π³ΡΠ»ΠΈΡΠΎΠ²ΠΊΠ° ΠΏΠ΅Π΄Π°Π»ΠΈ ΡΡΠ΅ΠΏΠ»Π΅Π½ΠΈΡ Π½Π° Renault Logan
ΠΠ²ΠΈΠ΄Ρ ΡΡΠΎΠ³ΠΎ ΡΡΠΎΠΈΡ ΡΠ°ΡΡΠΌΠΎΡΡΠ΅ΡΡ, ΠΊΠ°ΠΊΠΈΠ΅ ΡΠ°ΠΊΡΠΎΡΡ Π²Π»ΠΈΡΡΡ Π½Π° ΠΈΡΠΏΡΠ°Π²Π½ΠΎΡΡΡ ΡΠΈΡΡΠ΅ΠΌΡ, ΠΊΠ°ΠΊ ΠΎΡΡΠ΅Π³ΡΠ»ΠΈΡΠΎΠ²Π°ΡΡ ΡΡΠ΅ΠΏΠ»Π΅Π½ΠΈΠ΅ Π½Π° Β«Π Π΅Π½ΠΎ ΠΠΎΠ³Π°Π½Β», ΠΏΠΎ ΠΊΠ°ΠΊΠΈΠΌ ΠΏΡΠΈΠ·Π½Π°ΠΊΠ°ΠΌ ΠΌΠΎΠΆΠ½ΠΎ ΠΎΠΏΡΠ΅Π΄Π΅Π»ΠΈΡΡ Π½Π΅ΠΎΠ±Ρ ΠΎΠ΄ΠΈΠΌΠΎΡΡΡ ΠΏΡΠΎΡΠ΅Π΄ΡΡΡ, ΠΈ ΡΡΠΎ Π΄Π΅Π»Π°ΡΡ, Π΅ΡΠ»ΠΈ ΠΊΠΎΡΡΠ΅ΠΊΡΠΈΡΠΎΠ²ΠΊΠ° Π½Π΅ ΠΏΡΠΈΠ½Π΅ΡΠ»Π° Π½Π΅ΠΎΠ±Ρ ΠΎΠ΄ΠΈΠΌΠΎΠ³ΠΎ ΡΡΡΠ΅ΠΊΡΠ°.
Π ΠΊΠ°ΠΊΠΈΡ ΡΠ»ΡΡΠ°ΡΡ ΡΡΠ΅Π±ΡΠ΅ΡΡΡ ΡΠ΅Π³ΡΠ»ΠΈΡΠΎΠ²ΠΊΠ° ΡΡΠ΅ΠΏΠ»Π΅Π½ΠΈΡ
Π‘ΠΎΠ³Π»Π°ΡΠ½ΠΎ ΡΡΠ°ΡΠΈΡΡΠΈΠΊΠ΅, ΡΠ΅Π³ΡΠ»ΠΈΡΠΎΠ²ΠΊΠ° ΠΏΠ΅Π΄Π°Π»ΠΈ ΡΡΠ΅ΠΏΠ»Π΅Π½ΠΈΡ Β«Π Π΅Π½ΠΎ ΠΠΎΠ³Π°Π½Β» ΡΡΠ΅Π±ΡΠ΅ΡΡΡ ΠΊΠ°ΠΆΠ΄ΡΠ΅ 15β20 ΡΡΡΡΡ ΠΊΠΈΠ»ΠΎΠΌΠ΅ΡΡΠΎΠ². Π ΠΏΡΠΎΡΠ΅ΡΡΠ΅ ΠΏΠΎΠ»ΡΠ·ΠΎΠ²Π°Π½ΠΈΡ ΠΌΠ°ΡΠΈΠ½ΠΎΠΉ ΠΎΠΊΠ°Π·ΡΠ²Π°Π΅ΠΌΠ°Ρ Π½Π° ΡΠ»Π΅ΠΌΠ΅Π½ΡΡ ΡΡΠ΅ΠΏΠ»Π΅Π½ΠΈΡ Π½Π°Π³ΡΡΠ·ΠΊΠ° ΠΏΡΠΈΠ²ΠΎΠ΄ΠΈΡ ΠΊ ΠΎΡΠΊΠ»ΠΎΠ½Π΅Π½ΠΈΡΠΌ ΠΏΠΎΠΊΠ°Π·Π°ΡΠ΅Π»Ρ ΠΎΡ Π½ΠΎΡΠΌΠ°ΡΠΈΠ²Π°, ΠΊΠΎΡΠΎΡΡΠ΅ ΡΡΠ΅Π±ΡΠ΅ΡΡΡ ΠΈΡΠΏΡΠ°Π²Π»ΡΡΡ. ΠΡΠ° ΠΏΡΠΎΡΠ΅Π΄ΡΡΠ° Π²ΡΠΏΠΎΠ»Π½ΡΠ΅ΡΡΡ ΠΏΠΎΡΠ»Π΅ Π·Π°ΠΌΠ΅Π½Ρ ΡΡΠΎΡΠ°.
ΠΠΏΡΠ΅Π΄Π΅Π»ΠΈΡΡ ΠΏΠΎΡΡΠ΅Π±Π½ΠΎΡΡΡ Π² ΠΊΠΎΡΡΠ΅ΠΊΡΠΈΡΠΎΠ²ΠΊΠ΅ ΠΌΠΎΠΆΠ½ΠΎ ΠΏΡΠΈ ΠΏΠΎΠΌΠΎΡΠΈ ΡΠ»Π΅Π΄ΡΡΡΠ΅Π³ΠΎ ΡΠ΅ΡΡΠ°:
- Π·Π°ΠΏΡΡΠΊΠ°Π΅ΡΡΡ Π΄Π²ΠΈΠ³Π°ΡΠ΅Π»Ρ;
- ΠΏΠΎΡΡΠ΅ΠΏΠ΅Π½Π½ΠΎ Π²ΡΠΆΠΈΠΌΠ°Π΅ΡΡΡ ΠΏΠ΅Π΄Π°Π»Ρ;
- ΡΠ°ΡΡΡΠΈΡΡΠ²Π°Π΅ΡΡΡ Π²ΡΠ΅ΠΌΡ ΡΡΠ°ΡΡΠ° Π°Π²ΡΠΎΠΌΠΎΠ±ΠΈΠ»Ρ.
ΠΡΠ»ΠΈ Π΄Π²ΠΈΠΆΠ΅Π½ΠΈΠ΅ Π½Π°ΡΠ°Π»ΠΎΡΡ ΠΏΠΎΡΡΠΈ ΡΡΠ°Π·Ρ ΠΏΠΎΡΠ»Π΅ Π½Π°ΠΆΠ°ΡΠΈΡ, Π²ΡΡΠ²Π»ΡΠ΅ΡΡΡ ΠΌΠΈΠ½ΠΈΠΌΠ°Π»ΡΠ½ΡΠΉ ΠΏΠΎΠΊΠ°Π·Π°ΡΠ΅Π»Ρ ΡΠ²ΠΎΠ±ΠΎΠ΄Π½ΠΎΠ³ΠΎ Ρ ΠΎΠ΄Π° Π²ΠΏΠ»ΠΎΡΡ Π΄ΠΎ ΠΏΠΎΠ»Π½ΠΎΠ³ΠΎ ΠΎΡΡΡΡΡΡΠ²ΠΈΡ. ΠΡΠΈ ΠΏΠΎΠΊΠ°Π·Π°ΡΠ΅Π»Π΅ Π²ΡΡΠ΅ Π΄ΠΎΠΏΡΡΡΠΈΠΌΠΎΠ³ΠΎ ΡΡΠ°ΡΡ Π½Π°ΡΡΡΠΏΠΈΡ ΠΏΡΠΈ ΠΏΡΠ°ΠΊΡΠΈΡΠ΅ΡΠΊΠΈ Π²ΡΠΆΠ°ΡΠΎΠΉ ΠΏΠ΅Π΄Π°Π»ΠΈ ΡΡΠ΅ΠΏΠ»Π΅Π½ΠΈΡ. Π Ρ ΡΠ΄ΡΠ΅ΠΌ ΡΠ»ΡΡΠ°Π΅ ΠΌΠ°ΡΠΈΠ½Π° Π½Π΅ ΡΡΠΎΠ½Π΅ΡΡΡ Ρ ΠΌΠ΅ΡΡΠ°.
ΠΡΠΎΠΈΠ·Π²Π΅ΡΡΠΈ ΡΠ°ΡΡΠ΅Ρ Π²Π΅Π»ΠΈΡΠΈΠ½Ρ ΡΠ²ΠΎΠ±ΠΎΠ΄Π½ΠΎΠ³ΠΎ Ρ ΠΎΠ΄Π° Π΄ΠΎΠΏΡΡΡΠΈΠΌΠΎ ΠΏΡΠΈ ΠΏΠΎΠΌΠΎΡΠΈ ΠΏΠΎΠ΄Ρ ΠΎΠ΄ΡΡΠ΅ΠΉ ΠΏΠΎ ΡΠ°Π·ΠΌΠ΅ΡΡ Π»ΠΈΠ½Π΅ΠΉΠΊΠΈ ΠΈΠ»ΠΈ ΡΡΠ°Π½Π³Π΅Π½ΡΠΈΡΠΊΡΠ»Ρ. ΠΠ·ΠΌΠ΅ΡΠΈΡΠ΅Π»ΡΠ½ΡΠΉ ΠΏΡΠΈΠ±ΠΎΡ ΡΠΈΠΊΡΠΈΡΡΠ΅ΡΡΡ Π²Π΄ΠΎΠ»Ρ Π½Π°ΠΏΡΠ°Π²Π»Π΅Π½ΠΈΡ Π΄Π²ΠΈΠΆΠ΅Π½ΠΈΡ ΠΎΠΏΠΎΡΠ½ΠΎΠΉ ΠΏΠ»ΠΎΡΠ°Π΄ΠΊΠΈ ΠΏΠ΅Π΄Π°Π»ΠΈ. ΠΠ° ΡΠ΅ΡΠ΅Π΄ΠΈΠ½Ρ ΠΏΠΎΠ΄ΠΎΡΠ²Ρ ΡΡΠ°Π²ΠΈΡΡΡ ΡΡΠΎ-ΡΠΎ, ΠΈΠΌΠ΅ΡΡΠ΅Π΅ ΠΎΡΡΡΡΠΉ ΠΊΠΎΠ½ΡΠΈΠΊ, ΡΡΠΎΠ±Ρ ΠΎΠ±Π»Π΅Π³ΡΠΈΡΡ ΡΠΎΠΎΡΠ½ΠΎΡΠ΅Π½ΠΈΠ΅ ΠΏΠ΅Π΄Π°Π»ΠΈ Ρ Π΄Π΅Π»Π΅Π½ΠΈΡΠΌΠΈ Π½Π° ΠΈΠ·ΠΌΠ΅ΡΠΈΡΠ΅Π»ΡΠ½ΠΎΠΌ ΠΏΡΠΈΠ±ΠΎΡΠ΅.
ΠΠΎΡΠ»Π΅ ΡΡΠΎΠ³ΠΎ ΡΡΠ΅ΠΏΠ»Π΅Π½ΠΈΠ΅ Π²ΡΠΆΠΈΠΌΠ°Π΅ΡΡΡ ΡΡΠΊΠΎΠΉ. ΠΠ²ΠΈΠΆΠ΅Π½ΠΈΠ΅ Π²ΡΠΏΠΎΠ»Π½ΡΠ΅ΡΡΡ ΠΏΠ»Π°Π²Π½ΠΎ. ΠΡΠΏΡΡΠΊΠ°ΡΡ ΠΏΠ΅Π΄Π°Π»Ρ ΡΡΠ΅Π±ΡΠ΅ΡΡΡ, ΠΊΠ°ΠΊ ΡΠΎΠ»ΡΠΊΠΎ Π²ΠΎΠ·Π½ΠΈΠΊΠ°Π΅Ρ ΡΠ΅Π·ΠΊΠΈΠΉ ΡΠΊΠ°ΡΠΎΠΊ ΡΠΎΠΏΡΠΎΡΠΈΠ²Π»Π΅Π½ΠΈΡ ΡΡΠΈΠ»ΠΈΡ. Π§ΡΠΎΠ±Ρ ΠΎΠΏΡΠ΅Π΄Π΅Π»ΠΈΡΡ ΠΏΡΡΡ, ΠΏΡΠΎΠΉΠ΄Π΅Π½Π½ΡΠΉ ΠΏΠ΅Π΄Π°Π»ΡΡ Π΄ΠΎ ΡΡΠΎΠ³ΠΎ ΠΌΠΎΠΌΠ΅Π½ΡΠ°, Π΄Π΅ΠΉΡΡΠ²ΠΈΠ΅ ΠΏΡΠΎΠΈΠ·Π²ΠΎΠ΄ΠΈΡΡΡ Π½Π΅ΡΠΊΠΎΠ»ΡΠΊΠΎ ΡΠ°Π·. ΠΠΎΠ»ΡΡΠ΅Π½Π½ΠΎΠ΅ Π·Π½Π°ΡΠ΅Π½ΠΈΠ΅ ΠΈΠ·ΠΌΠ΅ΡΡΠ΅ΡΡΡ Π² ΠΌΠΈΠ»Π»ΠΈΠΌΠ΅ΡΡΠ°Ρ . Π ΡΠΎΠ²ΡΠ΅ΠΌΠ΅Π½Π½ΡΡ Π°Π²ΡΠΎΠΌΠΎΠ±ΠΈΠ»ΡΡ ΠΏΠΎΠΊΠ°Π·Π°ΡΠ΅Π»Ρ ΡΠΎΡΡΠ°Π²Π»ΡΠ΅Ρ 5β14 ΠΌΠΌ.
ΠΠΎΠΌΠΈΠΌΠΎ ΡΡΠΎΠ³ΠΎ, ΡΠ»Π΅Π΄ΡΠ΅Ρ ΠΈΠ·ΠΌΠ΅ΡΠΈΡΡ Π°ΠΌΠΏΠ»ΠΈΡΡΠ΄Ρ Ρ
ΠΎΠ΄Π° ΠΏΠ΅Π΄Π°Π»ΠΈ. ΠΠ»Ρ ΡΡΠΎΠ³ΠΎ Π½ΡΠΆΠ½ΠΎ Π²ΡΠΊΠ»ΡΡΠΈΡΡ Π΄Π²ΠΈΠ³Π°ΡΠ΅Π»Ρ. Π‘Π½Π°ΡΠ°Π»Π° ΠΏΡΠΎΠ²Π΅ΡΡΠ΅ΡΡΡ Π²ΡΡΠΎΡΠ° ΠΏΠΎΠ»ΠΎΠΆΠ΅Π½ΠΈΡ ΠΏΠ΅Π΄Π°Π»ΠΈ Π² ΡΠ²ΠΎΠ±ΠΎΠ΄Π½ΠΎΠΌ ΡΠΎΡΡΠΎΡΠ½ΠΈΠΈ, Π° Π·Π°ΡΠ΅ΠΌ Π² Π²ΡΠΆΠ°ΡΠΎΠΌ Π΄ΠΎ ΡΠΏΠΎΡΠ°.
Π ΠΈΠ΄Π΅Π°Π»Π΅ ΠΏΠΎΠΊΠ°Π·Π°ΡΠ΅Π»Ρ ΡΠΎΡΡΠ°Π²Π»ΡΠ΅Ρ 16 ΡΠΌ Π½Π° Β«Π Π΅Π½ΠΎΒ». ΠΠ³ΠΎ ΠΎΡΠΊΠ»ΠΎΠ½Π΅Π½ΠΈΡ ΠΏΡΠ΅Π΄ΠΏΠΎΠ»Π°Π³Π°ΡΡ ΠΊΠΎΡΡΠ΅ΠΊΡΠΈΡΠΎΠ²ΠΊΡ.
ΠΠ°ΠΊΠΈΠ΅ ΠΏΡΠΈΠ·Π½Π°ΠΊΠΈ ΡΠΊΠ°Π·ΡΠ²Π°ΡΡ Π½Π° Π½Π΅ΠΎΠ±Ρ ΠΎΠ΄ΠΈΠΌΠΎΡΡΡ ΡΠ΅Π³ΡΠ»ΠΈΡΠΎΠ²ΠΊΠΈ
ΠΡΠΊΠ»ΠΎΠ½Π΅Π½ΠΈΡ ΠΎΡ Π΄ΠΎΠΏΡΡΡΠΈΠΌΡΡ Π½ΠΎΡΠΌ Π² ΠΏΠΎΠ»ΠΎΠΆΠ΅Π½ΠΈΠΈ ΠΏΠ΅Π΄Π°Π»ΠΈ ΡΡΠ΅ΠΏΠ»Π΅Π½ΠΈΡ ΠΌΠΎΠΆΠ½ΠΎ ΡΠ²ΠΈΠ΄Π΅ΡΡ, Π½Π΅ ΠΏΡΠΎΠΈΠ·Π²ΠΎΠ΄Ρ ΠΈΠ·ΠΌΠ΅ΡΠ΅Π½ΠΈΠΉ. Π ΠΈΡΠΏΡΠ°Π²Π½ΠΎΠΌ ΡΠΎΡΡΠΎΡΠ½ΠΈΠΈ ΠΎΠ½Π° Π½Π°Ρ ΠΎΠ΄ΠΈΡΡΡ Π²ΡΠΎΠ²Π΅Π½Ρ Ρ ΠΏΠ΅Π΄Π°Π»ΡΡ ΡΠΎΡΠΌΠΎΠ·Π°. ΠΠΎ ΠΌΠ΅ΡΠ΅ ΠΈΠ·Π½ΠΎΡΠ° ΠΊΠΎΡΠ·ΠΈΠ½Ρ ΠΈ Π΄ΠΈΡΠΊΠ° ΠΎΠ½Π° Π½Π°ΡΠΈΠ½Π°Π΅Ρ ΠΏΠΎΠ΄Π½ΠΈΠΌΠ°ΡΡΡΡ. ΠΠ΅ΠΏΡΠ°Π²ΠΈΠ»ΡΠ½Π°Ρ ΠΏΠΎΡΡΠ°Π½ΠΎΠ²ΠΊΠ° ΠΏΠ΅Π΄Π°Π»ΠΈ ΡΠ°ΡΡΠΈΡΠ½ΠΎ ΠΏΡΠΎΠ²ΠΎΡΠΈΡΡΠ΅Ρ ΡΠ»Π΅Π΄ΡΡΡΠΈΠ΅ ΠΏΡΠΎΠ±Π»Π΅ΠΌΡ:
- ΠΡΠΎΠ±ΡΠΊΡΠΎΠ²ΠΊΡ, ΠΏΡΠΈ ΠΊΠΎΡΠΎΡΠΎΠΉ ΡΠ½Π°ΡΠ°Π»Π° ΠΏΠΎΠ²ΡΡΠ°ΡΡΡΡ ΠΎΠ±ΠΎΡΠΎΡΡ Π΄Π²ΠΈΠ³Π°ΡΠ΅Π»Ρ, Π° ΠΏΠΎΡΠ»Π΅ ΠΈΡ Π½Π΅Π±ΠΎΠ»ΡΡΠΎΠ³ΠΎ ΡΠ½ΠΈΠΆΠ΅Π½ΠΈΡ ΠΏΠΎΡΠ²Π»ΡΠ΅ΡΡΡ ΡΡΠΊΠΎΡΠ΅Π½ΠΈΠ΅. ΠΠΎΠ΄ΠΈΡΠ΅Π»Ρ ΠΌΠΎΠΆΠ΅Ρ ΡΠ»ΠΎΠ²ΠΈΡΡ Π·Π°ΠΏΠ°Ρ Π³Π°ΡΠΈ, ΠΊΠΎΡΠΎΡΡΠΉ ΠΏΠΎΡΠ²Π»ΡΠ΅ΡΡΡ ΠΈΠ·-Π·Π° Π³ΠΎΡΠ΅Π½ΠΈΡ Π½Π°ΠΊΠ»Π°Π΄ΠΎΠΊ, ΠΈΠ»ΠΈ ΠΏΡΠΈ ΠΏΠΎΠΏΠ°Π΄Π°Π½ΠΈΠΈ ΡΠΌΠ°Π·ΠΎΡΠ½ΠΎΠΉ ΠΆΠΈΠ΄ΠΊΠΎΡΡΠΈ Π² ΠΎΠ±Π»Π°ΡΡΡ ΡΡΠΈΠΊΡΠΈΠΎΠ½Π½ΠΎΠΉ Π½Π°ΠΊΠ»Π°Π΄ΠΊΠΈ. ΠΠΈΠ½Π°ΠΌΠΈΠΊΠ° Π°Π²ΡΠΎΠΌΠΎΠ±ΠΈΠ»Ρ ΡΠ½ΠΈΠΆΠ°Π΅ΡΡΡ, ΠΎΡΠΎΠ±Π΅Π½Π½ΠΎ ΠΏΡΠΈ Π΄Π²ΠΈΠΆΠ΅Π½ΠΈΠΈ Π½Π° ΠΏΠΎΠ΄ΡΠ΅ΠΌΠ΅. ΠΠΎΠ΄ΠΎΠ±Π½Π°Ρ ΠΏΡΠΎΠ±Π»Π΅ΠΌΠ° ΠΌΠΎΠΆΠ΅Ρ ΡΠ²Π΅Π»ΠΈΡΠΈΠ²Π°ΡΡ ΠΏΠ΅ΡΠ΅Π³ΡΠ΅Π² Π΄Π²ΠΈΠ³Π°ΡΠ΅Π»Ρ ΠΈ ΡΠ°ΡΡ ΠΎΠ΄ ΡΠΎΠΏΠ»ΠΈΠ²Π°. ΠΠΎΠΌΠΈΠΌΠΎ ΡΡΠ΅ΠΏΠ»Π΅Π½ΠΈΡ, ΠΏΡΠΎΠ±Π»Π΅ΠΌΠ° Π²ΡΠ·ΡΠ²Π°Π΅ΡΡΡ ΠΏΠΎΠ΄ΠΊΠ»ΠΈΠ½ΠΈΠ²Π°Π½ΠΈΠ΅ΠΌ Π²ΡΠΆΠΈΠΌΠ½ΠΎΠ³ΠΎ ΠΏΠΎΠ΄ΡΠΈΠΏΠ½ΠΈΠΊΠ°, ΠΈΠ·Π½ΠΎΡΠΎΠΌ Π½Π°ΠΊΠ»Π°Π΄ΠΎΠΊ Π²Π΅Π΄ΠΎΠΌΠΎΠ³ΠΎ Π΄ΠΈΡΠΊΠ° ΠΈΠ»ΠΈ ΠΏΠΎΠ²ΡΠ΅ΠΆΠ΄Π΅Π½ΠΈΠ΅ΠΌ Π΄ΠΈΠ°ΡΡΠ°Π³ΠΌΠ΅Π½Π½ΠΎΠΉ ΠΏΡΡΠΆΠΈΠ½Ρ.
- ΠΠΎΠ²ΡΡΠ΅Π½ΠΈΠ΅ ΡΡΠΌΠ°, Π²ΡΠ·Π²Π°Π½Π½ΠΎΠ΅ ΡΠ°Π·ΡΠ΅Π³ΡΠ»ΠΈΡΠΎΠ²ΠΊΠΎΠΉ ΡΡΠ΅ΠΏΠ»Π΅Π½ΠΈΡ ΠΈΠ»ΠΈ ΠΈΠ·Π½ΠΎΡΠΎΠΌ Π²ΡΠΆΠΈΠΌΠ½ΠΎΠ³ΠΎ ΠΏΠΎΠ΄ΡΠΈΠΏΠ½ΠΈΠΊΠ°. ΠΡΠΎΠ±ΠΎΠ΅ Π²Π½ΠΈΠΌΠ°Π½ΠΈΠ΅ ΡΠ»Π΅Π΄ΡΠ΅Ρ ΠΎΠ±ΡΠ°ΡΠΈΡΡ, Π΅ΡΠ»ΠΈ ΡΠΊΡΠΈΠΏ ΡΠ»Π΅Π΄ΡΠ΅Ρ ΠΏΡΠΈ Π²ΠΊΠ»ΡΡΠ΅Π½ΠΈΠΈ Π·Π°Π΄Π½Π΅ΠΉ ΠΏΠ΅ΡΠ΅Π΄Π°ΡΠΈ.
- ΠΠ°ΡΡΡΠ΄Π½Π΅Π½Π½ΠΎΠ΅ Π²ΠΊΠ»ΡΡΠ΅Π½ΠΈΠ΅ ΠΈ Π²ΡΠΊΠ»ΡΡΠ΅Π½ΠΈΠ΅ ΠΏΠ΅ΡΠ΅Π΄Π°Ρ. ΠΡΠΎΡΠ΅ΡΡ ΠΌΠΎΠΆΠ΅Ρ ΡΠΎΠΏΡΠΎΠ²ΠΎΠΆΠ΄Π°ΡΡΡΡ ΡΡΠΌΠΎΠΌ ΠΈΠ»ΠΈ ΡΡΠ΅ΡΠΊΠΎΠΌ. Π ΡΡΠΎΠΌ ΡΠ»ΡΡΠ°Π΅ Π³ΠΎΠ²ΠΎΡΡΡ, ΡΡΠΎ ΡΡΠ΅ΠΏΠ»Π΅Π½ΠΈΠ΅ Β«Π²Π΅Π΄Π΅ΡΒ». Π’Π°ΠΊΠΎΠ΅ ΡΠ°ΠΊΠΆΠ΅ Π²ΠΎΠ·ΠΌΠΎΠΆΠ½ΠΎ ΠΏΡΠΈ ΠΏΠΎΠ²ΡΠ΅ΠΆΠ΄Π΅Π½ΠΈΠΈ Π΄ΠΈΠ°ΡΡΠ°Π³ΠΌΠ΅Π½Π½ΠΎΠΉ ΠΏΡΡΠΆΠΈΠ½Ρ, Π΄ΠΈΡΠΊΠΎΠ² ΠΈΠ»ΠΈ ΠΏΠΎΠ²Π΅ΡΡ Π½ΠΎΡΡΠΈ ΠΌΠ°Ρ ΠΎΠ²ΠΈΠΊΠ°.
ΠΠ±ΡΠ°ΡΠΈΡΡ Π²Π½ΠΈΠΌΠ°Π½ΠΈΠ΅ Π½Π° ΠΏΠ΅Π΄Π°Π»Ρ ΡΠ»Π΅Π΄ΡΠ΅Ρ ΠΏΡΠΈ Π½Π°Π»ΠΈΡΠΈΠΈ ΡΡΠ²ΠΊΠΎΠΎΠ±ΡΠ°Π·Π½ΡΡ Π΄Π²ΠΈΠΆΠ΅Π½ΠΈΠΉ ΠΏΡΠΈ ΡΡΠ°ΡΡΠ΅ ΠΈΠ»ΠΈ Π²ΠΎ Π²ΡΠ΅ΠΌΡ Π΄Π²ΠΈΠΆΠ΅Π½ΠΈΡ, ΠΎΡΠΎΠ±Π΅Π½Π½ΠΎ Π΅ΡΠ»ΠΈ ΠΏΡΠΎΠ±Π»Π΅ΠΌΠ° ΠΏΡΠΎΡΠ²Π»ΡΠ΅Ρ ΡΠ΅Π±Ρ ΠΏΡΠΈ ΡΠΌΠ΅Π½Π΅ ΠΏΠ΅ΡΠ΅Π΄Π°ΡΠΈ.
ΠΡΡΠ²ΠΈΡΡ ΡΠ°ΠΊΡΡ ΠΏΡΠΎΠ±Π»Π΅ΠΌΡ Π»ΡΡΡΠ΅ Π·Π°Π±Π»Π°Π³ΠΎΠ²ΡΠ΅ΠΌΠ΅Π½Π½ΠΎ, ΡΡΠΎΠ±Ρ Π΄ΠΎΠ±ΡΠ°ΡΡΡΡ Π΄ΠΎ ΠΌΠ΅ΡΡΠ° ΡΠ΅ΠΌΠΎΠ½ΡΠ° ΡΠ²ΠΎΠΈΠΌ Ρ
ΠΎΠ΄ΠΎΠΌ. Π ΠΏΡΠΎΡΠ΅ΡΡΠ΅ Π΄Π²ΠΈΠΆΠ΅Π½ΠΈΡ ΡΠ»Π΅Π΄ΡΠ΅Ρ ΡΠΎΠ±Π»ΡΠ΄Π°ΡΡ ΠΎΡΡΠΎΡΠΎΠΆΠ½ΠΎΡΡΡ, ΠΎΡΠΎΠ±Π΅Π½Π½ΠΎ ΠΏΡΠΈ Π½Π°Π±ΠΎΡΠ΅ ΡΠΊΠΎΡΠΎΡΡΠΈ Ρ ΠΏΠ΅ΡΠ΅ΠΊΠ»ΡΡΠ΅Π½ΠΈΠ΅ΠΌ Π½Π° ΠΏΠΎΠ²ΡΡΠ΅Π½Π½ΡΡ ΠΏΠ΅ΡΠ΅Π΄Π°ΡΡ. ΠΠΎΠ·Π΄Π΅ΠΉΡΡΠ²ΠΈΠ΅ Π½Π° ΠΏΠ΅Π΄Π°Π»Ρ Π³Π°Π·Π° ΡΡΠΎΠΈΡ ΠΎΡΠ»Π°Π±ΠΈΡΡ. ΠΠ΅ΡΠ΅Π²ΠΎΠ΄ Π² Π½ΡΠΆΠ½ΡΡ ΠΏΠΎΠ·ΠΈΡΠΈΡ ΡΠ»Π΅Π΄ΡΠ΅Ρ ΠΎΡΡΡΠ΅ΡΡΠ²ΠΈΡΡ ΠΏΡΠΈ ΠΏΠΎΠ»Π½ΠΎΡΡΡΡ Π²ΡΠΆΠ°ΡΠΎΠΉ ΠΏΠ΅Π΄Π°Π»ΠΈ ΡΡΠ΅ΠΏΠ»Π΅Π½ΠΈΡ Ρ Π·Π°Π΄Π΅ΡΠΆΠΊΠΎΠΉ Π½Π° Π½Π΅ΠΉΡΡΠ°Π»ΠΊΠ΅.
ΠΡΠΈ ΠΏΠΎΠ²ΡΠΎΡΠ½ΠΎΠΌ Π½Π°ΠΆΠ°ΡΠΈΠΈ ΠΌΠΎΠΆΠ½ΠΎ ΠΏΠ΅ΡΠ΅Π²Π΅ΡΡΠΈ ΡΡΡΠ°Π³ Π² ΡΡΠ΅Π±ΡΠ΅ΠΌΠΎΠ΅ ΠΏΠΎΠ»ΠΎΠΆΠ΅Π½ΠΈΠ΅. ΠΡΠ»ΠΈ ΡΡΠ΅Π±ΡΠ΅ΡΡΡ Π±ΠΎΠ»Π΅Π΅ Π½ΠΈΠ·ΠΊΠ°Ρ ΠΏΠ΅ΡΠ΅Π΄Π°ΡΠ°, ΡΠΎ ΠΏΠ΅ΡΠ΅Π΄ ΠΏΠΎΠ²ΡΠΎΡΠ½ΡΠΌ Π²ΠΎΠ·Π΄Π΅ΠΉΡΡΠ²ΠΈΠ΅ΠΌ Π½Π° ΡΡΠ΅ΠΏΠ»Π΅Π½ΠΈΠ΅ ΡΠ»Π΅Π΄ΡΠ΅Ρ Π½Π΅ΠΌΠ½ΠΎΠ³ΠΎ Π½Π°ΠΆΠ°ΡΡ ΠΏΠ΅Π΄Π°Π»Ρ Π³Π°Π·Π°. Π’Π°ΠΊ ΡΠ΄Π°ΡΡΡΡ ΡΠ½ΠΈΠ·ΠΈΡΡ Π½Π°Π³ΡΡΠ·ΠΊΡ Π½Π° ΠΌΠ΅Ρ
Π°Π½ΠΈΠ·ΠΌΡ.
ΠΠ°ΠΊ ΠΎΡΡΠ΅Π³ΡΠ»ΠΈΡΠΎΠ²Π°ΡΡ ΡΡΠ΅ΠΏΠ»Π΅Π½ΠΈΠ΅ ΡΠ²ΠΎΠΈΠΌΠΈ ΡΡΠΊΠ°ΠΌΠΈ
ΠΡΠΈ ΠΎΡΠ½Π°ΡΠ΅Π½ΠΈΠΈ Π°Π²ΡΠΎΠΌΠΎΠ±ΠΈΠ»Ρ ΠΌΠ΅Ρ Π°Π½ΠΈΡΠ΅ΡΠΊΠΎΠΉ ΡΠΈΡΡΠ΅ΠΌΠΎΠΉ ΡΠ΅Π³ΡΠ»ΠΈΡΠΎΠ²ΠΊΠ° ΡΡΠ΅ΠΏΠ»Π΅Π½ΠΈΡ Β«Π Π΅Π½ΠΎ ΠΠΎΠ³Π°Π½Β» ΠΏΡΠΎΠΈΠ·Π²ΠΎΠ΄ΠΈΡΡΡ Ρ ΠΏΠΎΠΌΠΎΡΡΡ Π΄Π²ΡΡ ΡΠΎΠΆΠΊΠΎΠ²ΡΡ ΠΊΠ»ΡΡΠ΅ΠΉ Π½Π° 10, ΡΠΎΠΆΠΊΠΎΠ²ΠΎΠ³ΠΎ ΠΊΠ»ΡΡΠ° Π½Π° 7 ΠΈ ΠΈΠ·ΠΌΠ΅ΡΠΈΡΠ΅Π»ΡΠ½ΠΎΠ³ΠΎ ΠΈΠ½ΡΡΡΡΠΌΠ΅Π½ΡΠ°. ΠΠ±Π»Π°ΡΡΡ ΠΌΠ°Π½ΠΈΠΏΡΠ»ΡΡΠΈΠΉ ΠΏΡΠ΅Π΄Π²Π°ΡΠΈΡΠ΅Π»ΡΠ½ΠΎ ΠΎΡΠΈΡΠ°Π΅ΡΡΡ ΠΎΡ Π·Π°Π³ΡΡΠ·Π½Π΅Π½ΠΈΠΉ.
ΠΠ° Π°Π²ΡΠΎΠΌΠΎΠ±ΠΈΠ»Π΅, ΡΠΎΡΠ΅Π΄ΡΠ΅ΠΌ Ρ ΠΊΠΎΠ½Π²Π΅ΠΉΠ΅ΡΠ°, ΠΏΡΠΈΠ²ΠΎΠ΄ ΡΡΠ΅ΠΏΠ»Π΅Π½ΠΈΡ ΡΡΡΠ°Π½ΠΎΠ²Π»Π΅Π½ Π² ΡΠΎΠΎΡΠ²Π΅ΡΡΡΠ²ΠΈΠΈ Ρ Π΄Π²ΡΠΌΡ ΠΊΡΠΈΡΠ΅ΡΠΈΡΠΌΠΈ:
- 86 ΠΌΠΌ ΠΎΡ ΠΊΡΠΎΠ½ΡΡΠ΅ΠΉΠ½Π° ΠΊΠΎΡΠΎΠ±ΠΊΠΈ ΠΏΠ΅ΡΠ΅Π΄Π°Ρ Π΄ΠΎ Π²ΠΈΠ»ΠΊΠΈ ΡΡΠ΅ΠΏΠ»Π΅Π½ΠΈΡ;
- 60 ΠΌΠΌ ΠΎΡ ΠΊΡΠΎΠ½ΡΡΠ΅ΠΉΠ½Π° Π΄ΠΎ ΠΎΠ±ΠΆΠ°ΡΠΎΠΉ ΡΠ°ΡΡΠΈ Π½Π°ΠΊΠΎΠ½Π΅ΡΠ½ΠΈΠΊΠ° ΡΡΠΎΡΠ°.
ΠΠΎΠΏΡΡΡΠΈΠΌΠΎΠ΅ Π²Π°ΡΡΠΈΡΠΎΠ²Π°Π½ΠΈΠ΅ ΠΏΠΎΠΊΠ°Π·Π°ΡΠ΅Π»Π΅ΠΉ ΡΠΎΡΡΠ°Π²Π»ΡΠ΅Ρ 5 ΡΠΌ Π² Π±ΠΎΠ»ΡΡΡΡ ΠΈΠ»ΠΈ ΠΌΠ΅Π½ΡΡΡΡ ΡΡΠΎΡΠΎΠ½Ρ. ΠΠΎΡΠ»Π΅ Π²Π²Π΅Π΄Π΅Π½ΠΈΡ ΠΌΠ°ΡΠΈΠ½Ρ Π² ΡΠΊΡΠΏΠ»ΡΠ°ΡΠ°ΡΠΈΡ ΠΊΠΎΡΡΠ΅ΠΊΡΠΈΡΠΎΠ²ΠΊΠ΅ ΠΏΠΎΠ΄Π»Π΅ΠΆΠΈΡ ΡΠΎΠ»ΡΠΊΠΎ Π²ΡΠΎΡΠΎΠΉ ΠΏΠ°ΡΠ°ΠΌΠ΅ΡΡ. ΠΠ³ΠΎ ΠΈ ΡΡΠ΅Π±ΡΠ΅ΡΡΡ ΠΈΠ·ΠΌΠ΅ΡΠΈΡΡ ΠΏΠ΅ΡΠ΅Π΄ Π½Π°ΡΠ°Π»ΠΎΠΌ ΠΊΠΎΡΡΠ΅ΠΊΡΠΈΡΠΎΠ²ΠΊΠΈ.
ΠΠ°ΡΡΠ³ΠΈΠ²Π°Π½ΠΈΠ΅ ΠΈΠ»ΠΈ ΠΎΡΠ»Π°Π±Π»Π΅Π½ΠΈΠ΅ ΡΡΠΎΡΠ° ΡΡΠ΅Π±ΡΠ΅ΡΡΡ, Π΅ΡΠ»ΠΈ ΡΠ΅Π·ΡΠ»ΡΡΠ°Ρ ΠΈΠ·ΠΌΠ΅ΡΠ΅Π½ΠΈΡ Π²ΡΡ ΠΎΠ΄ΠΈΡ Π·Π° ΠΏΡΠ΅Π΄Π΅Π»Ρ 55β65 ΠΌΠΌ. Π ΠΏΠ΅ΡΠ²ΡΡ ΠΎΡΠ΅ΡΠ΅Π΄Ρ ΠΌΠ°Π½ΠΈΠΏΡΠ»ΡΡΠΈΠΈ Π·Π°ΡΡΠ°Π³ΠΈΠ²Π°ΡΡ ΠΊΠΎΠ½ΡΡΠ³Π°ΠΉΠΊΡ. ΠΠ΅ ΠΎΡΠ»Π°Π±Π»ΡΡΡ, ΡΡΠΎΠ±Ρ Π½Π°ΡΠ°ΡΡ ΡΠΌΠ΅Π½Ρ ΠΌΠ΅ΡΡΠΎΠΏΠΎΠ»ΠΎΠΆΠ΅Π½ΠΈΡ ΡΠ΅Π³ΡΠ»ΠΈΡΠΎΠ²ΠΎΡΠ½ΠΎΠΉ Π³Π°ΠΉΠΊΠΈ. ΠΡΠΎΡΠ΅ΡΡ Π²ΡΠΏΠΎΠ»Π½ΡΠ΅ΡΡΡ Π΄Π²ΡΠΌΡ ΠΊΠ»ΡΡΠ°ΠΌΠΈ Π½Π° 10.
ΠΠΎΡΠ»Π΅ ΡΡΠΎΠ³ΠΎ ΠΏΡΠΎΠΈΡΡ ΠΎΠ΄ΠΈΡ ΠΈΠ·ΠΌΠ΅Π½Π΅Π½ΠΈΠ΅ Π΄Π»ΠΈΠ½Ρ ΡΡΠΎΡΠ°. ΠΠ΄Π΅ΡΡ ΠΊΠ»ΡΡΠΎΠΌ Π½Π° 7 ΡΡΠ΅Π±ΡΠ΅ΡΡΡ Π·Π°ΡΠΈΠΊΡΠΈΡΠΎΠ²Π°ΡΡ ΡΠ΅ΡΡΠΈΠ³ΡΠ°Π½Π½ΠΈΠΊ, ΡΡΠΎΠ±Ρ ΡΠ΄Π΅ΡΠΆΠ°ΡΡ Π½Π°ΠΊΠΎΠ½Π΅ΡΠ½ΠΈΠΊ ΡΠ»Π΅ΠΌΠ΅Π½ΡΠ°. Π ΠΊΠ»ΡΡΠΎΠΌ Π½Π° 10 ΠΏΠΎΠ²ΠΎΡΠ°ΡΠΈΠ²Π°ΡΡ Π³Π°ΠΉΠΊΡ, ΠΎΠ±Π΅ΡΠΏΠ΅ΡΠΈΠ²Π°ΡΡΡΡ ΡΠ΅Π³ΡΠ»ΠΈΡΠΎΠ²ΠΊΡ. Π§ΡΠΎΠ±Ρ ΠΏΠΎΠ΄ΡΡΠ½ΡΡΡ ΡΡΠ΅ΠΏΠ»Π΅Π½ΠΈΠ΅ Π½Π° Β«Π Π΅Π½ΠΎ ΠΠΎΠ³Π°Π½Β», Π½ΡΠΆΠ½ΠΎ Π·Π°ΠΊΡΡΡΠΈΠ²Π°ΡΡ Π³Π°ΠΉΠΊΡ. Π ΡΡΠΎΠΌ ΡΠ»ΡΡΠ°Π΅ ΠΏΠΎΠ»ΠΎΠΆΠ΅Π½ΠΈΠ΅ ΠΏΠ΅Π΄Π°Π»ΠΈ Π±ΡΠ΄Π΅Ρ ΡΡΠ°Π½ΠΎΠ²ΠΈΡΡΡΡ Π²ΡΡΠ΅. ΠΠ»Ρ Π΄ΠΎΡΡΠΈΠΆΠ΅Π½ΠΈΡ ΠΏΡΠΎΡΠΈΠ²ΠΎΠΏΠΎΠ»ΠΎΠΆΠ½ΠΎΠ³ΠΎ ΡΠ΅Π·ΡΠ»ΡΡΠ°ΡΠ° ΡΠ»Π΅Π΄ΡΠ΅Ρ ΠΎΡΠΏΡΡΠΊΠ°ΡΡ Π³Π°ΠΉΠΊΡ. ΠΠ°ΠΊ ΡΠΎΠ»ΡΠΊΠΎ ΠΏΠΎΠΊΠ°Π·Π°ΡΠ΅Π»ΠΈ Π²ΠΎΡΠ»ΠΈ Π² Π΄ΠΎΠΏΡΡΡΠΈΠΌΡΠΉ ΠΏΡΠ΅Π΄Π΅Π», ΠΌΠ°Π½ΠΈΠΏΡΠ»ΡΡΠΈΠΈ ΠΏΡΠ΅ΠΊΡΠ°ΡΠ°ΡΡΡΡ.
ΠΡΡΠ°Π΅ΡΡΡ ΡΠΎΠ»ΡΠΊΠΎ Π·Π°ΡΠΈΠΊΡΠΈΡΠΎΠ²Π°ΡΡ Π½ΠΎΠ²ΠΎΠ΅ ΠΏΠΎΠ»ΠΎΠΆΠ΅Π½ΠΈΠ΅ Π³Π°ΠΉΠΊΠΈ Π΄Π»Ρ ΡΠ΅Π³ΡΠ»ΠΈΡΠΎΠ²ΠΊΠΈ ΠΊΠΎΠ½ΡΡΠ³Π°ΠΉΠΊΠΎΠΉ ΠΈ ΠΏΡΠΎΠ²Π΅ΡΠΈΡΡ Π΄ΠΎΡΡΠΈΠ³Π½ΡΡΡΠΉ ΡΠ΅Π·ΡΠ»ΡΡΠ°Ρ. ΠΡΠ΅Π½ΠΈΠ²Π°Π΅ΡΡΡ ΠΏΠΎΠ»ΠΎΠΆΠ΅Π½ΠΈΠ΅ ΠΏΠ΅Π΄Π°Π»ΠΈ ΡΡΠ΅ΠΏΠ»Π΅Π½ΠΈΡ. ΠΠ΅ ΡΡΠΎΠ²Π΅Π½Ρ Π΄ΠΎΠ»ΠΆΠ΅Π½ ΡΠΎΠ²ΠΏΠ°ΡΡΡ Ρ ΡΠΎΡΠΌΠΎΠ·Π½ΠΎΠΉ ΠΏΠ΅Π΄Π°Π»ΡΡ ΠΈΠ»ΠΈ ΠΎΠΊΠ°Π·Π°ΡΡΡΡ Π½Π΅ΠΌΠ½ΠΎΠ³ΠΎ Π²ΡΡΠ΅.
Π‘Ρ
Π²Π°ΡΡΠ²Π°Π½ΠΈΠ΅ ΠΎΠ±ΡΡΠ½ΠΎ ΠΏΡΠΎΠΈΡΡ
ΠΎΠ΄ΠΈΡ ΠΏΡΠΈΠΌΠ΅ΡΠ½ΠΎ Π½Π° ΡΠ΅ΡΠ΅Π΄ΠΈΠ½Π΅. Π Π²ΠΊΠ»ΡΡΠ΅Π½ΠΈΠ΅ Π·Π°Π΄Π½Π΅ΠΉ ΠΏΠ΅ΡΠ΅Π΄Π°ΡΠΈ Π΄ΠΎΠ»ΠΆΠ½ΠΎ ΠΏΡΠΎΡ
ΠΎΠ΄ΠΈΡΡ Π±Π΅Π· Π·Π°ΡΡΡΠ΄Π½Π΅Π½ΠΈΠΉ, ΠΈΡΠΊΠ»ΡΡΠ°ΡΡ Ρ
ΡΡΡΡ ΠΈ Π΄ΡΡΠ³ΠΈΠ΅ ΡΡΠΌΡ.
ΠΡΠ»ΠΈ Π²ΠΎΠ·Π½ΠΈΠΊΡΠΈΠ΅ ΡΠ»ΠΎΠΆΠ½ΠΎΡΡΠΈ Π½Π΅ ΡΠ΄Π°Π»ΠΎΡΡ ΠΈΡΠΏΡΠ°Π²ΠΈΡΡ ΡΠ΅Π³ΡΠ»ΠΈΡΠΎΠ²ΠΊΠΎΠΉ ΡΡΠ΅ΠΏΠ»Π΅Π½ΠΈΡ, ΠΏΡΠΎΠ±Π»Π΅ΠΌΠ° ΠΊΡΠΎΠ΅ΡΡΡ Π³Π»ΡΠ±ΠΆΠ΅. ΠΡΠ»ΠΈ ΠΎΠ½Π° ΡΠ²ΡΠ·Π°Π½Π° Ρ ΠΈΠ·Π½ΠΎΡΠΎΠΌ Π²Π΅Π΄ΠΎΠΌΠΎΠ³ΠΎ Π΄ΠΈΡΠΊΠ°, Π²ΡΠΆΠΈΠΌΠ½ΠΎΠ³ΠΎ ΠΏΠΎΠ΄ΡΠΈΠΏΠ½ΠΈΠΊΠ°, Π²ΡΡ ΡΠΈΡΡΠ΅ΠΌΡ ΡΡΠ΅Π±ΡΠ΅ΡΡΡ Π·Π°ΠΌΠ΅Π½ΠΈΡΡ. ΠΠ° Β«Π Π΅Π½ΠΎ ΠΠΎΠ³Π°Π½Β» ΡΠ°ΠΊΠΎΠΉ ΡΠ΅ΠΌΠΎΠ½Ρ Π²ΡΠΏΠΎΠ»Π½ΡΠ΅ΡΡΡ Π½Π° 200 000 ΠΊΠΈΠ»ΠΎΠΌΠ΅ΡΡΠ°Ρ ΠΏΡΠΎΠ±Π΅Π³Π°. ΠΠ΄Π½Π°ΠΊΠΎ ΠΎΡΠΎΠ±Π΅Π½Π½ΠΎΡΡΠΈ ΠΈΡΠΏΠΎΠ»ΡΠ·ΠΎΠ²Π°Π½ΠΈΡ ΠΌΠΎΠ³ΡΡ ΠΏΠΎΡΡΠ΅Π±ΠΎΠ²Π°ΡΡ Π²ΡΠΏΠΎΠ»Π½Π΅Π½ΠΈΠ΅ ΠΏΡΠΎΡΠ΅Π΄ΡΡΡ ΡΠ°Π½ΡΡΠ΅.
ΠΡΠ»ΠΈ Π² Π°Π²ΡΠΎ ΡΡΠΎΠΈΡ Π³ΠΈΠ΄ΡΠ°Π²Π»ΠΈΡΠ΅ΡΠΊΠΎΠ΅ ΡΡΠ΅ΠΏΠ»Π΅Π½ΠΈΠ΅, ΡΠΎ ΠΏΡΠΎΠ±Π»Π΅ΠΌΡ Ρ ΠΏΠ΅Π΄Π°Π»ΡΡ ΡΡΡΡΠ°Π½ΡΡΡΡΡ ΠΏΡΡΠ΅ΠΌ ΡΠ΄Π°Π»Π΅Π½ΠΈΡ Π²ΠΎΠ·Π΄ΡΡ Π° ΠΈΠ· ΡΠΈΡΡΠ΅ΠΌΡ. ΠΡΠΎΠΊΠ°ΡΠΊΠ° ΡΡΠ΅ΠΏΠ»Π΅Π½ΠΈΡ ΠΏΡΠΎΠΈΠ·Π²ΠΎΠ΄ΠΈΡΡΡ ΠΏΠΎ ΡΠ»Π΅Π΄ΡΡΡΠ΅ΠΉ ΡΡ Π΅ΠΌΠ΅:
- ΡΡΡΠ°Π½ΠΎΠ²ΠΈΡΡ Π’Π‘ Π½Π° ΡΠΌΡ ΠΈΠ»ΠΈ ΠΏΠΎΠ΄ΡΠ΅ΠΌΠ½ΠΈΠΊ;
- ΡΠ½ΡΡΡ Π·Π°ΡΠΈΡΡ ΠΏΠΎΠ΄Π΄ΠΎΠ½Π° ΠΊΠ°ΡΡΠ΅ΡΠ°;
- ΠΎΡΡΠΎΠ΅Π΄ΠΈΠ½ΠΈΡΡ Π΄Π°ΡΡΠΈΠΊ ΡΡΠΎΠ²Π½Ρ ΡΠΎΡΠΌΠΎΠ·Π½ΠΎΠΉ ΠΆΠΈΠ΄ΠΊΠΎΡΡΠΈ;
- ΡΠ±ΡΠ°ΡΡ ΠΏΡΠΎΠ±ΠΊΡ ΠΎΡ Π±Π°ΡΠΊΠ° Π³ΠΈΠ΄ΡΠΎΠΏΡΠΈΠ²ΠΎΠ΄Π°;
- Π΄Π»Ρ ΡΠ΄Π°Π»Π΅Π½ΠΈΡ Π²ΠΎΠ·Π΄ΡΡ Π° ΠΈΠ· ΠΏΡΠΎΡΡΡΠ°Π½ΡΡΠ²Π° ΠΌΠ΅ΠΆΠ΄Ρ Π±Π°ΡΠΊΠΎΠΌ ΠΈ ΡΡΡΡΠ΅ΡΠΎΠΌ Π½Π°Π΄ΠΎ Π·Π°ΡΠΈΠΊΡΠΈΡΠΎΠ²Π°ΡΡ ΠΏΠ΅Π΄Π°Π»Ρ Π² Π²ΡΡΠΎΠΊΠΎΠΌ ΠΏΠΎΠ»ΠΎΠΆΠ΅Π½ΠΈΠΈ;
- Π±Π°ΡΠΎΠΊ Π³ΠΈΠ΄ΡΠΎΠΏΡΠΈΠ²ΠΎΠ΄Π° Π·Π°ΠΏΠΎΠ»Π½ΡΠ΅ΡΡΡ ΠΆΠΈΠ΄ΠΊΠΎΡΡΡΡ;
- ΠΏΠΎΠ΄ΡΠΎΠ΅Π΄ΠΈΠ½ΠΈΡΡ ΠΏΡΠΈΡΠΏΠΎΡΠΎΠ±Π»Π΅Π½ΠΈΠ΅;
- ΡΠ½ΡΡΡ Π·Π°Π³Π»ΡΡΠΊΡ;
- ΡΡΡΠ°Π½ΠΎΠ²ΠΈΡΡ ΡΡΡΡΠ΅Ρ Π΄Π»Ρ ΠΏΡΠΎΠΊΠ°ΡΠΊΠΈ;
- Π½Π°ΠΆΠ°ΡΡ Π½Π° ΡΠΈΠΊΡΠ°ΡΠΎΡ, ΠΈΠ·Π±Π΅Π³Π°Ρ Π΅Π³ΠΎ Π½Π°ΡΡΠΆΠ΅Π½ΠΈΡ;
- Π²ΡΡΡΠ½ΡΡΡ ΡΡΡΠ±ΠΎΠΏΡΠΎΠ²ΠΎΠ΄ ΡΡΠ΅ΠΏΠ»Π΅Π½ΠΈΡ Π΄ΠΎ ΡΠ΅Π»ΡΠΊΠ°, ΡΡΠΎΠ±Ρ ΠΏΠΎΠ»ΡΡΠΈΡΡ ΠΎΡΠ²Π΅ΡΡΡΠΈΠ΅ Π΄Π»Ρ Π²ΡΡ ΠΎΠ΄Π° Π²ΠΎΠ·Π΄ΡΡ Π°;
- Π²ΠΊΠ»ΡΡΠΈΡΡ Π½Π°ΡΠΎΡ;
- Π΄ΠΎΠΆΠ΄Π°ΡΡΡΡ, ΠΏΠΎΠΊΠ° Π² ΡΠ»ΠΈΠ²Π°Π΅ΠΌΠΎΠΉ ΠΆΠΈΠ΄ΠΊΠΎΡΡΠΈ Π½Π΅ Π±ΡΠ΄Π΅Ρ ΠΏΡΠ·ΡΡΠ΅ΠΉ;
- Π·Π°ΠΊΡΡΡΡ ΠΎΡΠ²Π΅ΡΡΡΠΈΠ΅, Π·Π°Π²Π΅ΡΡΠΈΠ² Π΄Π΅ΠΉΡΡΠ²ΠΈΠ΅ 10-ΠΊΡΠ°ΡΠ½ΡΠΌ Π½Π°ΠΆΠ°ΡΠΈΠ΅ΠΌ ΠΏΠ΅Π΄Π°Π»ΠΈ ΡΡΠ΅ΠΏΠ»Π΅Π½ΠΈΡ;
- Π·Π°ΡΠΈΠΊΡΠΈΡΠΎΠ²Π°ΡΡ ΡΡΡΠ±ΠΎΠΏΡΠΎΠ²ΠΎΠ΄ Π³ΠΈΠ΄ΡΠΎΠΏΡΠΈΠ²ΠΎΠ΄Π°;
- Π΄Π»Ρ ΠΎΡΠΈΡΡΠΊΠΈ ΠΎΡ Π²ΠΎΠ·Π΄ΡΡ Π° Π΅ΠΌΠΊΠΎΡΡΠΈ ΠΌΠ΅ΠΆΠ΄Ρ ΡΡΡΡΠ΅ΡΠΎΠΌ ΠΈ ΡΠΈΠ»ΠΈΠ½Π΄ΡΠΎΠΌ Π½Π°Π΄ΠΎ ΠΏΠΎΠ΄ΡΠΎΠ΅Π΄ΠΈΠ½ΠΈΡΡ ΠΊ ΡΠΈΡΡΠ΅ΠΌΠ΅ ΠΏΡΡΡΠΎΠΉ ΡΠΏΡΠΈΡ;
- Π½Π°ΠΆΠ°ΡΡ Π½Π° ΡΠΈΠΊΡΠ°ΡΠΎΡ, Π½Π΅ Π²ΠΎΠ·Π΄Π΅ΠΉΡΡΠ²ΡΡ Π½Π° Π½Π΅Π³ΠΎ Π² ΡΡΠΎΡΠΎΠ½Ρ Π½Π°ΡΡΠΆΠ΅Π½ΠΈΡ;
- Π²ΡΡΡΠ½ΡΡΡ ΡΡΡΠ±ΠΎΠΏΡΠΎΠ²ΠΎΠ΄ Π³ΠΈΠ΄ΡΠΎΠΏΡΠΈΠ²ΠΎΠ΄Π°;
- Π²ΠΊΠ»ΡΡΠΈΠ² Π½Π°ΡΠΎΡ, Π½Π°ΠΏΠΎΠ»Π½ΠΈΡΡ ΡΠΏΡΠΈΡ ΠΆΠΈΠ΄ΠΊΠΎΡΡΡΡ, ΡΠΏΡΡΡΠΈΠ² Π΅Π³ΠΎ Π² ΡΠΈΡΡΠ΅ΠΌΡ;
- ΠΏΠΎΠ²ΡΠΎΡΠΈΠ² ΠΎΠΏΠ΅ΡΠ°ΡΠΈΡ ΡΡΠΈΠΆΠ΄Ρ, ΡΡΠ΅Π±ΡΠ΅ΡΡΡ Π·Π°ΠΊΡΡΡΡ ΠΎΡΠ²Π΅ΡΡΡΠΈΠ΅, Π²Π΅ΡΠ½ΡΠ² ΡΠ»Π΅ΠΌΠ΅Π½ΡΡ Π½Π° ΡΠ²ΠΎΠΈ ΠΌΠ΅ΡΡΠ°;
- ΠΏΡΠΈ Π½Π΅ΠΎΠ±Ρ
ΠΎΠ΄ΠΈΠΌΠΎΡΡΠΈ Π½ΡΠΆΠ½ΠΎ Π΄ΠΎΠ»ΠΈΡΡ ΡΠ°Π±ΠΎΡΡΡ ΠΆΠΈΠ΄ΠΊΠΎΡΡΡ Π² Π±Π°ΡΠΎΠΊ.

Π Π°ΡΡΠΌΠΎΡΡΠ΅Π² Π²ΠΎΠΏΡΠΎΡ, ΠΊΠ°ΠΊ ΡΠ΅Π³ΡΠ»ΠΈΡΠΎΠ²Π°ΡΡ ΡΡΠ΅ΠΏΠ»Π΅Π½ΠΈΠ΅ Π½Π° Β«ΠΠΎΠ³Π°Π½Π΅Β», ΠΏΠΎΠ΄Π²Π΅Π΄Π΅ΠΌ ΠΈΡΠΎΠ³ΠΈ: ΡΡΠ° ΠΏΡΠΎΡΠ΅Π΄ΡΡΠ° ΡΡΠ΅Π±ΡΠ΅ΡΡΡ Π² ΠΊΠ°ΡΠ΅ΡΡΠ²Π΅ ΠΏΡΠΎΡΠΈΠ»Π°ΠΊΡΠΈΡΠ΅ΡΠΊΠΎΠΉ ΠΌΠ΅ΡΡ ΠΏΠΎΡΠ»Π΅ Π΄ΠΎΡΡΠΈΠΆΠ΅Π½ΠΈΡ ΠΎΠΏΡΠ΅Π΄Π΅Π»Π΅Π½Π½ΠΎΠ³ΠΎ ΠΊΠΈΠ»ΠΎΠΌΠ΅ΡΡΠ°ΠΆΠ° ΠΈΠ»ΠΈ Π·Π°ΠΌΠ΅Π½Ρ ΡΠ»Π΅ΠΌΠ΅Π½ΡΠΎΠ² ΡΡΠ΅ΠΏΠ»Π΅Π½ΠΈΡ. ΠΠ½Π° ΠΏΠΎΠ·Π²ΠΎΠ»ΡΠ΅Ρ ΡΡΡΡΠ°Π½ΠΈΡΡ ΡΡΠ΄ Π½Π΅ΠΈΡΠΏΡΠ°Π²Π½ΠΎΡΡΠ΅ΠΉ.
Π§ΡΠΎΠ±Ρ Π²ΡΠΏΠΎΠ»Π½ΠΈΡΡ ΡΠ΅Π³ΡΠ»ΠΈΡΠΎΠ²ΠΊΡ, ΡΡΠ΅Π±ΡΠ΅ΡΡΡ Π½Π΅Π±ΠΎΠ»ΡΡΠΎΠΉ Π½Π°Π±ΠΎΡ ΠΈΠ½ΡΡΡΡΠΌΠ΅Π½ΡΠΎΠ². Π Π°Π±ΠΎΡΠ° Π½Π΅ ΠΏΡΠ΅Π΄ΠΏΠΎΠ»Π°Π³Π°Π΅Ρ Π±ΠΎΠ»ΡΡΠΈΡ ΠΏΠΎΠ·Π½Π°Π½ΠΈΠΉ. ΠΠ»Ρ Π½Π΅Π΅ ΡΡΠ΅Π±ΡΠ΅ΡΡΡ ΡΠΌΠ΅Π½ΠΈΠ΅ ΠΏΡΠ°Π²ΠΈΠ»ΡΠ½ΠΎ ΠΏΡΠΎΠΈΠ·Π²Π΅ΡΡΠΈ ΠΈΠ·ΠΌΠ΅ΡΠ΅Π½ΠΈΠ΅, Π° ΡΠ°ΠΊΠΆΠ΅ ΠΏΠΎΠ½ΠΈΠΌΠ°Π½ΠΈΠ΅, Π² ΠΊΠ°ΠΊΡΡ ΡΡΠΎΡΠΎΠ½Ρ ΠΊΡΡΡΠΈΡΡ Π³Π°ΠΉΠΊΡ Π΄Π»Ρ Π΄ΠΎΡΡΠΈΠΆΠ΅Π½ΠΈΡ Π½ΡΠΆΠ½ΠΎΠ³ΠΎ ΠΏΠΎΠΊΠ°Π·Π°ΡΠ΅Π»Ρ. ΠΡΠΏΡΠ°Π²Π»Π΅Π½ΠΈΠ΅ Ρ ΠΎΠ΄Π° ΠΏΠ΅Π΄Π°Π»ΠΈ Π½Π° Π³ΠΈΠ΄ΡΠ°Π²Π»ΠΈΡΠ΅ΡΠΊΠΎΠΌ ΡΡΠ΅ΠΏΠ»Π΅Π½ΠΈΠΈ Π·Π°ΠΊΠ»ΡΡΠ°Π΅ΡΡΡ Π² ΠΏΠΎΡΡΠ°ΠΏΠ½ΠΎΠΌ ΡΠ΄Π°Π»Π΅Π½ΠΈΠΈ Π²ΠΎΠ·Π΄ΡΡ Π° ΠΈΠ· ΡΠΈΡΡΠ΅ΠΌΡ.
Π‘ΡΠΎΠΈΡ ΠΏΠΎΠΌΠ½ΠΈΡΡ, ΡΡΠΎ Π½Π΅ Π²ΡΠ΅ ΠΏΡΠΎΠ±Π»Π΅ΠΌΡ ΡΠΎ ΡΡΠ΅ΠΏΠ»Π΅Π½ΠΈΠ΅ΠΌ ΡΠ΅ΡΠ°ΡΡΡΡ ΡΠ΅Π³ΡΠ»ΠΈΡΠΎΠ²ΠΊΠΎΠΉ ΠΏΠ΅Π΄Π°Π»ΠΈ. ΠΡΠ»ΠΈ ΠΏΠ΅ΡΠ΅Π½Π°ΡΡΡΠΎΠΉΠΊΠ° Π½Π΅ Π΄Π°Π»Π° ΡΡΡΠ΅ΠΊΡΠ°, ΡΠ»Π΅Π΄ΡΠ΅Ρ ΠΏΡΠΎΠ²Π΅ΡΠΈΡΡ, Π° ΠΏΠΎ Π½Π΅ΠΎΠ±Ρ ΠΎΠ΄ΠΈΠΌΠΎΡΡΠΈ Π·Π°ΠΌΠ΅Π½ΠΈΡΡ, Π΄ΡΡΠ³ΠΈΠ΅ ΡΠ»Π΅ΠΌΠ΅Π½ΡΡ ΡΡΠ΅ΠΏΠ»Π΅Π½ΠΈΡ.
Π§ΡΠΎΠ±Ρ ΡΠ²Π΅Π»ΠΈΡΠΈΡΡ ΡΠ΅ΡΡΡΡ ΡΡΠ΅ΠΏΠ»Π΅Π½ΠΈΡ, Π²Π°ΠΆΠ½ΠΎ ΠΈΡΠΏΠΎΠ»ΡΠ·ΠΎΠ²Π°ΡΡ ΡΡΠ΅ΠΏΠ»Π΅Π½ΠΈΠ΅ ΠΏΡΠ°Π²ΠΈΠ»ΡΠ½ΠΎ. ΠΠ³ΠΎ Π½ΡΠΆΠ½ΠΎ ΠΏΠΎΠ»Π½ΠΎΡΡΡΡ ΠΏΡΠΎΠΆΠΈΠΌΠ°ΡΡ, Π° Π½Π° ΠΏΠ΅ΡΠ²ΠΎΠΉ ΠΈ Π²ΡΠΎΡΠΎΠΉ ΠΏΠ΅ΡΠ΅Π΄Π°ΡΠ°Ρ ΠΏΠ»Π°Π²Π½ΠΎ ΠΎΡΠΏΡΡΠΊΠ°ΡΡ. ΠΠΎΠ΄ΠΈΡΠ΅Π»Ρ ΡΠ»Π΅Π΄ΡΠ΅Ρ ΠΈΠ·Π±Π΅Π³Π°ΡΡ ΠΏΡΠΎΠ±ΡΠΊΡΠΎΠ²ΠΊΠΈ, ΠΏΠ΅ΡΠ΅ΠΊΠ»ΡΡΠ΅Π½ΠΈΡ ΡΠΊΠΎΡΠΎΡΡΠ΅ΠΉ Π±Π΅Π· ΠΈΡΠΏΠΎΠ»ΡΠ·ΠΎΠ²Π°Π½ΠΈΡ ΡΡΠ΅ΠΏΠ»Π΅Π½ΠΈΡ. Π’Π°ΠΊΠΈΠΌ ΠΎΠ±ΡΠ°Π·ΠΎΠΌ, Π±ΡΠ΄Π΅Ρ ΡΠ½ΠΈΠΆΠ°ΡΡΡΡ ΠΈΠ·Π½ΠΎΡ ΡΠ»Π΅ΠΌΠ΅Π½ΡΠΎΠ² ΡΠΈΡΡΠ΅ΠΌΡ. Π ΠΏΠΎΡΡΠ΅Π±Π½ΠΎΡΡΡ ΡΠ΅Π³ΡΠ»ΠΈΡΠΎΠ²ΠΊΠΈ ΠΈ Π·Π°ΠΌΠ΅Π½Ρ Π½Π΅ Π²ΠΎΠ·Π½ΠΈΠΊΠ½Π΅Ρ ΡΠ°Π½ΡΡΠ΅ ΠΏΠΎΠ»ΠΎΠΆΠ΅Π½Π½ΠΎΠ³ΠΎ ΡΡΠΎΠΊΠ°.
ΠΊΠ°ΠΊ ΠΏΡΠ°Π²ΠΈΠ»ΡΠ½ΠΎ Π½Π°ΡΡΡΠΎΠΈΡΡ ΡΡΠΎΡ ΡΠ²ΠΎΠΈΠΌΠΈ ΡΡΠΊΠ°ΠΌΠΈ
Π‘ΠΎΠ²ΡΠ΅ΠΌΠ΅Π½Π½ΡΠ΅ Π°Π²ΡΠΎΠΌΠΎΠ±ΠΈΠ»ΠΈ ΠΎΡΠ΅ΡΠ΅ΡΡΠ²Π΅Π½Π½ΠΎΠ³ΠΎ ΠΏΡΠΎΠΈΠ·Π²ΠΎΠ΄ΡΡΠ²Π° ΡΡΠ»ΠΈ ΠΎΡ ΠΊΠ»Π°ΡΡΠΈΠΊΠΈ. Π‘ΡΠ°Π½Π΄Π°ΡΡΠ½Π°Ρ ΡΠ΅Π³ΡΠ»ΠΈΡΠΎΠ²ΠΊΠ° ΡΡΠ΅ΠΏΠ»Π΅Π½ΠΈΡ ΠΠΠ 2114 ΠΈ Π΄ΡΡΠ³ΠΈΡ
ΠΌΠ°ΡΠΈΠ½ ΡΠ΅ΠΌΠ΅ΠΉΡΡΠ²Π° Π²ΡΠΏΠΎΠ»Π½ΡΠ΅ΡΡΡ ΠΏΡΡΠ΅ΠΌ ΠΏΠΎΠ΄ΡΡΠΆΠΊΠΈ ΡΡΠΎΡΠ°, Π° Π½Π΅ Π½Π°ΡΡΡΠΎΠΉΠΊΠΎΠΉ Π³ΠΈΠ΄ΡΠ°Π²Π»ΠΈΡΠ΅ΡΠΊΠΎΠ³ΠΎ ΠΌΠ΅Ρ
Π°Π½ΠΈΠ·ΠΌΠ°, ΡΡΠΎ ΠΏΠΎΠ²ΡΡΠ°Π΅Ρ Π½Π°Π΄Π΅ΠΆΠ½ΠΎΡΡΡ ΡΠ·Π»Π°.
ΠΠ°Π½Π½ΡΠΉ ΠΌΠ΅Ρ Π°Π½ΠΈΠ·ΠΌ ΡΡΠ΅Π±ΡΠ΅Ρ ΠΏΠ΅ΡΠΈΠΎΠ΄ΠΈΡΠ΅ΡΠΊΠΎΠΉ ΡΠ΅Π³ΡΠ»ΠΈΡΠΎΠ²ΠΊΠΈ β ΡΡΠ°Π»ΡΠ½ΠΎΠΉ ΡΡΠΎΡΠΈΠΊ ΠΈΠΌΠ΅Π΅Ρ ΡΠ²ΠΎΠΉΡΡΠ²ΠΎ Π²ΡΡΡΠ³ΠΈΠ²Π°ΡΡΡΡ ΠΏΠΎΠ΄ Π½Π°Π³ΡΡΠ·ΠΊΠΎΠΉ, ΡΡΠΎ ΡΠ±ΠΈΠ²Π°Π΅Ρ ΠΈΠ·Π½Π°ΡΠ°Π»ΡΠ½ΡΠ΅ Ρ Π°ΡΠ°ΠΊΡΠ΅ΡΠΈΡΡΠΈΠΊΠΈ.
ΠΠΎΠ΄ΡΡΠΆΠΊΡ ΠΏΡΠΈΠ²ΠΎΠ΄Π° Π½ΡΠΆΠ½ΠΎ Π΄Π΅Π»Π°ΡΡ Π² ΡΠ°ΠΊΠΈΡ ΡΠ»ΡΡΠ°ΡΡ .
- ΠΠ°ΡΡΡΠ΅Π½ΠΈΠ΅ ΡΠΎΡΠ½ΠΎΡΡΠΈ Π²ΠΊΠ»ΡΡΠ΅Π½ΠΈΡ ΠΏΠ΅ΡΠ΅Π΄Π°Ρ β ΡΠΊΡΠΈΠΏΡ, ΡΡΠ΅ΡΠΊ ΠΈΠ»ΠΈ Π΄ΡΡΠ³ΠΈΠ΅ ΠΏΠΎΡΡΠΎΡΠΎΠ½Π½ΠΈΠ΅ Π·Π²ΡΠΊΠΈ, ΠΈΡΡ ΠΎΠ΄ΡΡΠΈΠ΅ Π²ΠΎ Π²ΡΠ΅ΠΌΡ ΠΌΠ°Π½ΠΈΠΏΡΠ»ΡΡΠΈΠΉ Ρ ΠΠΠ.
- ΠΠ°Π±Π»ΡΠ΄Π°Π΅ΡΡΡ Π΄ΠΈΡΡΠΎΠ½Π°Π½Ρ ΠΌΠ΅ΠΆΠ΄Ρ Π½Π°Π±ΠΎΡΠΎΠΌ ΠΎΠ±ΠΎΡΠΎΡΠΎΠ² Π΄Π²ΠΈΠ³Π°ΡΠ΅Π»Ρ ΠΈ ΡΠ°Π·Π³ΠΎΠ½ΠΎΠΌ ΠΌΠ°ΡΠΈΠ½Ρ. ΠΡΠΎ ΡΠ²Π½ΡΠΉ ΠΏΡΠΈΠ·Π½Π°ΠΊ ΡΠΎΠ³ΠΎ, ΡΡΠΎ Π΄ΠΈΡΠΊ ΡΡΠ΅ΠΏΠ»Π΅Π½ΠΈΡ Π±ΡΠΊΡΡΠ΅Ρ ΠΏΠΎΠ΄ Π½Π°Π³ΡΡΠ·ΠΊΠΎΠΉ.
ΠΡΠΎΡΠΈΡΠ½ΡΠΌ ΡΠΈΠΌΠΏΡΠΎΠΌΠΎΠΌ Π²ΡΡΡΡΠΏΠ°Π΅Ρ Π·Π°ΠΏΠ°Ρ
Π³ΠΎΡΠ΅Π»ΠΎΠ³ΠΎ ΠΏΠΎΡΠ»Π΅ ΡΠ΅Π·ΠΊΠΈΡ
ΡΠ°Π·Π³ΠΎΠ½ΠΎΠ² ΠΈΠ»ΠΈ Π΄ΠΈΠ½Π°ΠΌΠΈΡΠ΅ΡΠΊΠΈΡ
ΡΡΠΊΠΎΡΠ΅Π½ΠΈΠΉ. - ΠΠ΅Π΄Π°Π»Ρ ΠΏΡΠΎΠ²Π°Π»ΠΈΠ²Π°Π΅ΡΡΡ ΠΈΠ»ΠΈ ΡΠ°ΠΌΠΎΠΏΡΠΎΠΈΠ·Π²ΠΎΠ»ΡΠ½ΠΎ ΠΏΡΠΈΠΏΠΎΠ΄Π½ΡΠ»Π°ΡΡ, ΠΈΠ»ΠΈ ΠΎΠΏΡΡΡΠΈΠ»Π°ΡΡ ΠΎΡΠ½ΠΎΡΠΈΡΠ΅Π»ΡΠ½ΠΎ ΡΡΠ°Π»ΠΎΠ½Π½ΠΎΠ³ΠΎ Π·Π½Π°ΡΠ΅Π½ΠΈΡ.
- Π‘ΡΠ΅ΠΏΠ»Π΅Π½ΠΈΠ΅ Π²ΠΊΠ»ΡΡΠ°Π΅ΡΡΡ ΡΠ°Π½ΠΎ ΠΈΠ»ΠΈ Ρ Π·Π°ΠΏΠΎΠ·Π΄Π°Π½ΠΈΠ΅ΠΌ, ΡΡΠΎ ΠΏΡΠΈΠ²ΠΎΠ΄ΠΈΡ ΠΊ ΠΏΡΠΎΠ΄Π΅ΡΠ³ΠΈΠ²Π°Π½ΠΈΡ ΠΌΠ°ΡΠΈΠ½Ρ Π²ΠΎ Π²ΡΠ΅ΠΌΡ Π²ΠΊΠ»ΡΡΠ΅Π½ΠΈΡ ΠΏΠ΅ΡΠ΅Π΄Π°ΡΠΈ.
Π£ΡΡΡΠΎΠΉΡΡΠ²ΠΎ ΡΡΠ΅ΠΏΠ»Π΅Π½ΠΈΡ ΠΠΠ 2114
ΠΠ½Π°Π»ΠΎΠ³ΠΈΡΠ΅Π½ ΠΌΠ°ΡΠΈΠ½Π°ΠΌ Π΄Π΅ΡΡΡΠΎΠ³ΠΎ ΠΏΠΎΠΊΠΎΠ»Π΅Π½ΠΈΡ.
ΠΠ΄Π΅ΡΡ ΠΈΡΠΏΠΎΠ»ΡΠ·ΡΠ΅ΡΡΡ ΠΌΠ΅Ρ Π°Π½ΠΈΡΠ΅ΡΠΊΠ°Ρ ΡΡΠ³Π°, Π³Π΄Π΅ Π² ΠΊΠ°ΡΠ΅ΡΡΠ²Π΅ ΡΠ°Π±ΠΎΡΠ΅Π³ΠΎ ΡΠ»Π΅ΠΌΠ΅Π½ΡΠ° ΡΡΡΠ°Π½ΠΎΠ²Π»Π΅Π½ ΡΡΠ°Π»ΡΠ½ΠΎΠΉ ΡΡΠΎΡ.
Π‘Ρ Π΅ΠΌΠ° ΡΡΠ΅ΠΏΠ»Π΅Π½ΠΈΡ
ΠΠΎΡΠ»Π΅Π΄ΠΎΠ²Π°ΡΠ΅Π»ΡΠ½ΠΎΡΡΡ ΡΠ»Π΅ΠΌΠ΅Π½ΡΠΎΠ² Π² ΡΠ΅ΠΏΠΈ ΡΡΠ΅ΠΏΠ»Π΅Π½ΠΈΡ.
- ΠΠ΅Π΄Π°Π»Ρ.
- Π¨Π°ΡΠ½ΠΈΡ, ΡΠΎΠ΅Π΄ΠΈΠ½ΡΡΡΠΈΠΉ ΡΡΡΠ°Π³ ΠΈ ΡΡΠΎΡΠΎΠ²ΡΡ ΡΡΠ³Ρ.
- ΠΠ΅ΠΏΠΎΡΡΠ΅Π΄ΡΡΠ²Π΅Π½Π½ΠΎ ΠΌΠ°Π³ΠΈΡΡΡΠ°Π»Ρ.
- Π Π΅Π³ΡΠ»ΠΈΡΠΎΠ²ΠΎΡΠ½Π°Ρ ΠΌΡΡΡΠ°.
- Π‘ΡΠ΅ΠΏΠ½ΠΎΠΉ ΡΠ°ΡΠ½ΠΈΡ ΡΡΠΎΡΠ° ΠΈ Π²ΠΈΠ»ΠΊΠΈ Π²ΡΠΆΠΈΠΌΠ½ΠΎΠ³ΠΎ.
- Π€ΡΠΈΠΊΡΠΈΠΎΠ½Π½ΡΠΉ ΠΌΠ΅Ρ Π°Π½ΠΈΠ·ΠΌ.
ΠΠΎΡΠΎΡΠΊΠΎ ΠΎΠ± ΡΡΡΡΠΎΠΉΡΡΠ²Π΅ ΡΡΠΈΠΊΡΠΈΠΎΠ½Π½ΠΎΠΉ ΠΌΡΡΡΡ ΠΈ Π΅Π΅ Π½Π°Π·Π½Π°ΡΠ΅Π½ΠΈΠΈ
Π‘ΠΎΡΡΠΎΠΈΡ ΠΈΠ· ΠΊΠΎΡΠ·ΠΈΠ½Ρ, Π΄ΠΈΡΠΊΠ° ΡΡΠ΅ΠΏΠ»Π΅Π½ΠΈΡ, Π²ΡΠΆΠΈΠΌΠ½ΠΎΠ³ΠΎ ΠΏΠΎΠ΄ΡΠΈΠΏΠ½ΠΈΠΊΠ°, ΡΡΠΈΠΊΡΠΈΠΎΠ½Π½ΡΡ Π½Π°ΠΊΠ»Π°Π΄ΠΎΠΊ.
ΠΡΠΎΡΡΠΎΠΉ ΠΌΠ΅Ρ Π°Π½ΠΈΠ·ΠΌ ΠΏΡΠ΅Π΄Π½Π°Π·Π½Π°ΡΠ΅Π½ Π΄Π»Ρ ΠΎΡΠΊΠ»ΡΡΠ΅Π½ΠΈΡ ΠΠΠ ΠΎΡ Π΄Π²ΠΈΠ³Π°ΡΠ΅Π»Ρ Π΄Π»Ρ Π²ΠΎΠ·ΠΌΠΎΠΆΠ½ΠΎΡΡΠΈ ΠΏΠ΅ΡΠ΅ΠΊΠ»ΡΡΠ΅Π½ΠΈΡ ΠΏΠ΅ΡΠ΅Π΄Π°Ρ.
ΠΡΠΈΠ½ΡΠΈΠΏ ΡΠ°Π±ΠΎΡΡ ΡΡΠ΅ΠΏΠ»Π΅Π½ΠΈΡ
Π£ΡΠ»ΠΎΠ²Π½ΠΎ ΠΏΡΠΈΠ½ΡΠΈΠΏ Π΄Π΅ΠΉΡΡΠ²ΠΈΡ ΠΌΠΎΠΆΠ½ΠΎ ΠΎΠΏΠΈΡΠ°ΡΡ ΡΠ°ΠΊ.
- ΠΠ²ΡΠΎΠΌΠΎΠ±ΠΈΠ»ΠΈΡΡ Π½Π°ΠΆΠΈΠΌΠ°Π΅Ρ Π½Π° ΠΏΠ΅Π΄Π°Π»Ρ.
- Π’ΡΠΎΡ Π½Π°ΡΡΠ³ΠΈΠ²Π°Π΅ΡΡΡ ΠΈ ΠΏΡΠΈΠ²ΠΎΠ΄ΠΈΡ Π² Π΄Π²ΠΈΠΆΠ΅Π½ΠΈΠ΅ Π²ΡΠΆΠΈΠΌΠ½ΠΎΠ΅ ΡΡΡΡΠΎΠΉΡΡΠ²ΠΎ ΡΠ΅ΡΠ΅Π· Π²ΠΈΠ»ΠΊΡ.
- ΠΡΡΠΆΠΈΠ½Ρ Π² ΠΊΠΎΡΠ·ΠΈΠ½Π΅ ΡΠΆΠΈΠΌΠ°ΡΡΡΡ, ΠΈ Π²Π΅Π΄ΡΡΠ°Ρ ΡΠ°ΡΡΡ ΠΎΡΡΠΎΠ΅Π΄ΠΈΠ½ΡΠ΅ΡΡΡ ΠΎΡ Π²Π΅Π΄ΠΎΠΌΠΎΠΉ.
- ΠΠΎΡΠΎΡ ΠΎΡΠΊΠ»ΡΡΠ°Π΅ΡΡΡ ΠΎΡ ΠΊΠΎΡΠΎΠ±ΠΊΠΈ ΠΏΠ΅ΡΠ΅Π΄Π°Ρ.
ΠΡΠΈΠ·Π½Π°ΠΊΠΈ Π½Π΅ΠΈΡΠΏΡΠ°Π²Π½ΠΎΡΡΠΈ
ΠΡΠΈ ΠΎΠ±ΡΠ°ΡΠ΅Π½ΠΈΠΈ Π½Π° Π‘Π’Π, ΠΏΠΎΠ»ΡΠ·ΠΎΠ²Π°ΡΠ΅Π»ΠΈ Π½Π°ΠΈΠ±ΠΎΠ»Π΅Π΅ ΡΠ°ΡΡΠΎ ΠΎΠΏΠΈΡΡΠ²Π°ΡΡ ΡΠΈΠΌΠΏΡΠΎΠΌΡ:
- Π½Π°Π»ΠΈΡΠΈΠ΅ ΠΏΠΎΡΡΠΎΡΠΎΠ½Π½ΠΈΡ ΡΡΠΌΠΎΠ² ΠΏΡΠΈ ΠΏΠ΅ΡΠ΅ΠΊΠ»ΡΡΠ΅Π½ΠΈΠΈ ΠΏΠ΅ΡΠ΅Π΄Π°Ρ;
- ΡΡΡΠ°Π³ Π½Π΅ Π²ΡΡΠΊΠ°Π΅ΡΡΡ Π² ΠΏΠΎΠ·ΠΈΡΠΈΡ;
- Π½Π° ΡΡΠ°ΡΡΠ΅ ΠΈΠ»ΠΈ ΠΏΡΠΈ ΡΠ°Π·Π³ΠΎΠ½Π΅ ΠΈΠΌΠ΅ΡΡΡΡ ΡΡΠ²ΠΊΠΈ, ΠΏΠΎΠ΄Π΅ΡΠ³ΠΈΠ²Π°Π½ΠΈΡ;
- ΡΠ΅ΡΡΠ΅ΡΡΡ Π΄ΠΈΠ½Π°ΠΌΠΈΠΊΠ°;
- ΡΠ²Π΅Π»ΠΈΡΠΈΠ²Π°Π΅ΡΡΡ ΡΠ°ΡΡ ΠΎΠ΄ ΡΠΎΠΏΠ»ΠΈΠ²Π°.
ΠΡΠΈΠ½ΡΠΈΠΏ ΡΠ°Π±ΠΎΡ ΠΏΠΎ ΡΠ΅Π³ΡΠ»ΠΈΡΠΎΠ²ΠΊΠ΅ ΡΡΠ΅ΠΏΠ»Π΅Π½ΠΈΡ
Π‘ΡΡΡ ΠΏΡΠΎΡΠ΅ΡΡΠ° ΡΠΎΡΡΠΎΠΈΡ Π² Π½Π°ΡΡΠΆΠΊΠ΅ ΠΈΠ»ΠΈ ΠΎΡΠ»Π°Π±Π»Π΅Π½ΠΈΠΈ ΡΡΠΎΡΠ°, ΠΏΡΡΠ΅ΠΌ Π²ΡΠ°ΡΠ΅Π½ΠΈΡ ΡΠ΅Π³ΡΠ»ΠΈΡΠΎΠ²ΠΎΡΠ½ΠΎΠΉ Π³Π°ΠΉΠΊΠΈ. ΠΡΠ΅Π΄Π²Π°ΡΠΈΡΠ΅Π»ΡΠ½ΠΎ ΠΈΠ·ΠΌΠ΅ΡΡΠ΅ΡΡΡ Ρ
ΠΎΠ΄ ΠΏΠ΅Π΄Π°Π»ΠΈ ΠΈ Π² ΠΏΡΠΎΡΠ΅ΡΡΠ΅ Π½Π°ΡΡΡΠΎΠΉΠΊΠΈ ΠΎΠ½ ΠΏΠΎΠ΄Π³ΠΎΠ½ΡΠ΅ΡΡΡ ΠΏΠΎΠ΄ ΡΡΠ°Π»ΠΎΠ½Π½ΡΡ Π½ΠΎΡΠΌΡ.
ΠΠ°ΡΠ°ΠΌΠ΅ΡΡΡ ΡΠ΅Π³ΡΠ»ΠΈΡΠΎΠ²ΠΊΠΈ ΠΏΡΠΈΠ²ΠΎΠ΄Π° ΡΡΠ΅ΠΏΠ»Π΅Π½ΠΈΡ
Π ΠΏΡΠΎΡΠ΅ΡΡΠ΅ Π½Π°ΡΡΡΠΎΠΉΠΊΠΈ ΡΡΠΈΠΊΡΠΈΠΎΠ½Π° ΠΌΠ°ΡΡΠ΅Ρ Π΄ΠΎΠ»ΠΆΠ΅Π½ Π΄ΠΎΠ±ΠΈΡΡΡΡ ΡΡΡΠ°Π½ΠΎΠ²Π»Π΅Π½Π½ΡΡ Π·Π°Π²ΠΎΠ΄ΠΎΠΌ ΠΏΠ°ΡΠ°ΠΌΠ΅ΡΡΠΎΠ². ΠΠ·Π³ΠΎΡΠΎΠ²ΠΈΡΠ΅Π»Ρ ΠΏΡΠ΅Π΄ΡΡΠΌΠ°ΡΡΠΈΠ²Π°Π΅Ρ Ρ ΠΎΠ΄ ΠΏΠ΅Π΄Π°Π»ΠΈ Π² ΠΏΡΠ΅Π΄Π΅Π»Π°Ρ 125-135 ΠΌΠΈΠ»Π»ΠΈΠΌΠ΅ΡΡΠΎΠ², ΡΡΠΎ ΡΠΎΠΎΡΠ²Π΅ΡΡΡΠ²ΡΠ΅Ρ ΠΎΠΏΡΠΈΠΌΠ°Π»ΡΠ½ΠΎΠΌΡ ΠΏΠ΅ΡΠ΅Π΄Π²ΠΈΠΆΠ΅Π½ΠΈΡ Π²ΡΠΆΠΈΠΌΠ½ΠΎΠΉ ΠΌΡΡΡΡ. ΠΡΠ΅Π΄Π΅Π»ΠΎΠΌ ΡΡΠΈΡΠ°Π΅ΡΡΡ ΡΠ°Π±ΠΎΡΠΈΠΉ Ρ ΠΎΠ΄ Π΄ΠΎ 160ΠΌΠΌ, Π΅ΡΠ»ΠΈ ΡΠ°ΠΊΡΠΈΡΠ΅ΡΠΊΠ°Ρ ΡΠΈΡΡΠ° ΠΏΡΠ΅Π²ΡΡΠ°Π΅Ρ Π·Π½Π°ΡΠ΅Π½ΠΈΠ΅ β ΡΡΠ΅Π±ΡΠ΅ΡΡΡ ΡΡΠΎΡΠ½Π°Ρ ΡΠ΅Π³ΡΠ»ΠΈΡΠΎΠ²ΠΊΠ° ΡΡΡΡΠΎΠΉΡΡΠ²Π°.
ΠΠΎΠΏΠΎΠ»Π½ΠΈΡΠ΅Π»ΡΠ½ΠΎ ΡΠ»Π΅Π΄ΡΠ΅Ρ ΡΡΠ΅ΡΡΡ ΠΏΠ»Π°Π²Π½ΠΎΡΡΡ Ρ ΠΎΠ΄Π° ΡΡΡΠ°Π³Π°, Π»Π΅Π³ΠΊΠΎΡΡΡ Π²ΠΊΠ»ΡΡΠ΅Π½ΠΈΡ ΠΏΠ΅ΡΠ΅Π΄Π°Ρ.
Π ΠΊΠ°ΠΊΠΈΡ ΡΠ»ΡΡΠ°ΡΡ ΡΡΠ΅Π±ΡΠ΅ΡΡΡ ΡΠ΅Π³ΡΠ»ΠΈΡΠΎΠ²ΠΊΠ° ΡΡΠ΅ΠΏΠ»Π΅Π½ΠΈΡ
ΠΠΏΠ΅ΡΠ°ΡΠΈΡ Π°ΠΊΡΡΠ°Π»ΡΠ½Π° ΠΏΡΠΈ Π½Π°Π»ΠΈΡΠΈΠΈ ΠΏΡΠΎΠ±Π»Π΅ΠΌ:
- ΠΏΡΠΈ ΠΏΠ΅ΡΠ΅ΠΊΠ»ΡΡΠ΅Π½ΠΈΠΈ ΠΏΠ΅ΡΠ΅Π΄Π°Ρ Π²ΠΎΠ·Π½ΠΈΠΊΠ°Π΅Ρ ΠΏΠΎΡΡΠΎΡΠΎΠ½Π½ΠΈΠΉ ΡΡΠΌ;
- Π²ΠΈΠ±ΡΠ°ΡΠΈΡ ΠΈ ΡΡΠ²ΠΊΠΈ ΠΏΡΠΈ ΡΠ°Π·Π³ΠΎΠ½Π΅;
- ΡΡΡΠ°Π³ Π½Π΅ Π²ΡΡΠΊΠ°Π΅ΡΡΡ Π² Π½Π΅ΠΊΠΎΡΠΎΡΡΠ΅ ΠΏΠΎΠ·ΠΈΡΠΈΠΈ;
- ΠΏΡΠΈ Π½Π°ΠΆΠ°ΡΠΈΠΈ Π½Π° ΠΏΠ΅Π΄Π°Π»Ρ Π³Π°Π·Π° ΠΌΠ°ΡΠΈΠ½Π° Π½Π΅ ΡΠ°Π·Π³ΠΎΠ½ΡΠ΅ΡΡΡ;
- ΡΠ°ΡΡ ΠΎΠ΄ ΡΠΎΠΏΠ»ΠΈΠ²Π° ΡΠ²Π΅Π»ΠΈΡΠΈΠ²Π°Π΅ΡΡΡ.
ΠΠ½ΡΡΡΡΠΊΡΠΈΡ ΡΠ΅Π³ΡΠ»ΠΈΡΠΎΠ²ΠΊΠΈ ΡΡΠ΅ΠΏΠ»Π΅Π½ΠΈΡ ΡΠ²ΠΎΠΈΠΌΠΈ ΡΡΠΊΠ°ΠΌΠΈ Π½Π° ΠΠΠ 2114
ΠΡΠΎΡΠ΅Π΄ΡΡΠ° ΡΠ΅Π³ΡΠ»ΠΈΡΠΎΠ²ΠΊΠΈ ΡΡΠΎΡΠ° ΠΠΠ 2114 8 ΠΊΠ»Π°ΠΏΠ°Π½ΠΎΠ² Π½Π΅ ΠΎΡΠ»ΠΈΡΠ°Π΅ΡΡΡ ΡΠ»ΠΎΠΆΠ½ΠΎΡΡΡΡ. ΠΠ΅ΡΡ ΡΠ΅ΠΌΠΎΠ½Ρ ΠΌΠΎΠΆΠ½ΠΎ Π²ΡΠΏΠΎΠ»Π½ΠΈΡΡ ΡΠ°ΠΌΠΎΡΡΠΎΡΡΠ΅Π»ΡΠ½ΠΎ. ΠΠ»Ρ ΡΠΎΠ²Π΅ΡΡΠ΅Π½ΠΈΡ ΡΠ΅ΠΌΠΎΠ½ΡΠ°, ΡΠ½Π°ΡΠ°Π»Π° ΠΏΠΎΡΡΠ΅Π±ΡΠ΅ΡΡΡ ΠΏΠΎΠ΄Π³ΠΎΡΠΎΠ²ΠΈΡΡ ΡΠ°ΠΊΠΎΠΉ ΠΈΠ½ΡΡΡΡΠΌΠ΅Π½Ρ:
- ΠΊΡΠ΅ΡΡΠΎΠ²Π°Ρ ΠΎΡΠ²Π΅ΡΡΠΊΠ° ΠΈΠ»ΠΈ Π³ΠΎΠ»ΠΎΠ²ΠΊΠ° β8;
- ΠΊΠΎΠΌΠΏΠ»Π΅ΠΊΡ ΡΠΎΠΆΠΊΠΎΠ²ΡΡ ΠΊΠ»ΡΡΠ΅ΠΉ Π½Π° 13 ΠΈ 17;
- WD 40 ΠΈΠ»ΠΈ Π°Π½Π°Π»ΠΎΠ³ΠΈΡΠ½ΠΎΠ΅ ΡΡΠ΅Π΄ΡΡΠ²ΠΎ;
- Π»ΠΈΠ½Π΅ΠΉΠΊΠ°/ΡΡΡΠΎΠΈΡΠ΅Π»ΡΠ½Π°Ρ ΡΡΠ»Π΅ΡΠΊΠ°/Π΄ΡΡΠ³ΠΎΠΉ ΠΈΠ·ΠΌΠ΅ΡΠΈΡΠ΅Π»ΡΠ½ΡΠΉ ΠΏΡΠΈΠ±ΠΎΡ.
ΠΡΠΈΠ½ΡΠΈΠΏ ΡΠ΅Π³ΡΠ»ΠΈΡΠΎΠ²ΠΊΠΈ Π·Π°ΠΊΠ»ΡΡΠ°Π΅ΡΡΡ Π² ΠΏΠΎΠ΄ΡΡΠΆΠΊΠ΅ ΡΡΠΎΡΠΎΠ²ΠΎΠ³ΠΎ ΠΏΡΠΈΠ²ΠΎΠ΄Π°. ΠΠ΄Π΅ΡΡ Π½Π΅Ρ Π³ΠΈΠ΄ΡΠ°Π²Π»ΠΈΠΊΠΈ ΠΈΠ»ΠΈ ΡΠ»ΠΎΠΆΠ½ΠΎΠΉ ΠΌΠ΅Ρ
Π°Π½ΠΈΠΊΠΈ β Π²ΡΠ΅ ΠΌΠ΅Π½ΡΠ΅ΡΡΡ ΠΈ ΡΠ΅ΠΌΠΎΠ½ΡΠΈΡΡΠ΅ΡΡΡ Π±ΡΠΊΠ²Π°Π»ΡΠ½ΠΎ Β«Π½Π° ΠΊΠΎΠ»Π΅Π½ΠΊΠ΅Β».
ΠΠ°ΠΊ ΡΡΠΎ Π΄Π΅Π»Π°Π΅ΡΡΡ ΠΌΠΎΠΆΠ½ΠΎ ΠΏΠΎΡΠΌΠΎΡΡΠ΅ΡΡ Π½Π° Π²ΠΈΠ΄Π΅ΠΎ:
ΠΠ΅ΠΎΠ±Ρ ΠΎΠ΄ΠΈΠΌΡΠ΅ ΠΈΠ½ΡΡΡΡΠΌΠ΅Π½ΡΡ
Π§ΡΠΎΠ±Ρ ΠΎΡΡΠ΅Π³ΡΠ»ΠΈΡΠΎΠ²Π°ΡΡ ΡΡΠ΅ΠΏΠ»Π΅Π½ΠΈΠ΅ ΠΏΠΎΠ½Π°Π΄ΠΎΠ±ΠΈΡΡΡ:
- Π²Π΅ΡΠΎΡΡ;
- Π³Π°Π΅ΡΠ½ΡΠ΅ ΠΊΠ»ΡΡΠΈ Π½Π° 17, 19 ΠΈ 10;
- ΠΏΠ»ΠΎΡΠΊΠ°Ρ ΠΎΡΠ²Π΅ΡΡΠΊΠ°.
Π Π΅Π³ΡΠ»ΠΈΡΠΎΠ²ΠΊΠ° ΠΌΡΡΡΡ ΡΡΠ΅ΠΏΠ»Π΅Π½ΠΈΡ ΠΠΠ 2109
ΠΠ΅ΠΎΠ±Ρ ΠΎΠ΄ΠΈΠΌΠ° Π² ΡΠ»ΡΡΠ°Π΅, ΠΊΠΎΠ³Π΄Π° ΡΡΠ΅ΠΏΠ»Π΅Π½ΠΈΠ΅ Β«ΠΏΠ»ΡΠ²Π΅ΡΒ», Π²ΠΎΠ·Π½ΠΈΠΊΠ°Π΅Ρ ΠΏΡΠΎΠ±ΡΠΊΡΠΎΠ²ΠΊΠ° ΠΏΡΠΈ ΡΠ°Π·Π³ΠΎΠ½Π΅.
ΠΠΏΠ΅ΡΠ°ΡΠΈΡ ΠΌΠΎΠΆΠ½ΠΎ Π²ΡΠΏΠΎΠ»Π½ΠΈΡΡ ΡΠ»Π΅Π΄ΡΡΡΠΈΠΌ ΠΎΠ±ΡΠ°Π·ΠΎΠΌ.
- ΠΠ°Π³Π½Π°ΡΡ ΠΌΠ°ΡΠΈΠ½Ρ Π½Π° ΡΠΌΠΎΡΡΠΎΠ²ΡΡ ΡΠΌΡ.
- ΠΠ΅ΡΠ΅Π²Π΅ΡΡΠΈ ΡΡΡΠ°Π³ Π² ΠΏΠΎΠ»ΠΎΠΆΠ΅Π½ΠΈΠ΅ Π½Π΅ΠΉΡΡΠ°Π»Ρ.
- Π‘Π½ΡΡΡ ΠΊΠ°ΡΡΠ΅Ρ ΡΡΠ΅ΠΏΠ»Π΅Π½ΠΈΡ ΠΈ Π²ΡΡΡΠ½ΡΡΡ Π²ΡΠΆΠΈΠΌΠ½ΠΎΠΉ.
- ΠΡΠΎΠ²Π΅ΡΠ½ΡΡΡ ΡΠ΅Π³ΡΠ»ΠΈΡΠΎΠ²ΠΊΡ Π΄ΠΎ Π½ΡΠΆΠ½ΠΎΠ³ΠΎ ΠΏΠΎΠ»ΠΎΠΆΠ΅Π½ΠΈΡ.
- ΠΡΠΎΠ²Π΅ΡΠΈΡΡ ΠΊΠΎΡΠΏΡΡ ΠΌΡΡΡΡ Π½Π° Π½Π°Π»ΠΈΡΠΈΠ΅ ΡΠ΅ΡΠΈ ΡΠΌΠ°Π·ΠΊΠΈ.
ΠΠ°ΠΊ ΠΎΡΡΠ΅Π³ΡΠ»ΠΈΡΠΎΠ²Π°ΡΡ ΡΡΠΎΡ ΡΡΠ΅ΠΏΠ»Π΅Π½ΠΈΡ
Π§ΡΠΎΠ±Ρ ΠΏΡΠ°Π²ΠΈΠ»ΡΠ½ΠΎ ΠΏΠΎΠ΄ΡΡΠ½ΡΡΡ ΡΡΠΎΡΠΈΠΊ Π½Π΅ΠΎΠ±Ρ ΠΎΠ΄ΠΈΠΌΠΎ ΠΏΡΠΎΠ²Π΅ΡΡΠΈ ΡΠ°ΠΊΡΡ ΠΏΡΠΎΡΠ΅Π΄ΡΡΡ.
- ΠΠ°Π³Π½Π°ΡΡ ΠΌΠ°ΡΠΈΠ½Ρ Π½Π° ΡΠΎΠ²Π½ΡΡ ΠΏΠΎΠ²Π΅ΡΡ Π½ΠΎΡΡΡ ΠΈ ΠΏΠΎΡΡΠ°Π²ΠΈΡΡ Π΅Π΅ Π½Π° ΡΡΡΠ½ΠΎΠΉ ΡΠΎΡΠΌΠΎΠ·.
- Π Π°Π΄ΠΈ Π±Π΅Π·ΠΎΠΏΠ°ΡΠ½ΠΎΡΡΠΈ ΠΎΡΠΊΠ»ΡΡΠΈΡΡ ΠΊΠ»Π΅ΠΌΠΌΡ Ρ Π°ΠΊΠΊΡΠΌΡΠ»ΡΡΠΎΡΠ°.
- Π ΡΠ°Π»ΠΎΠ½Π΅, Π²ΠΎΠ·Π»Π΅ ΡΠΎΠΎΡΠ²Π΅ΡΡΡΠ²ΡΡΡΠ΅ΠΉ ΠΏΠ΅Π΄Π°Π»ΠΈ, ΠΏΠ°ΡΠ°Π»Π»Π΅Π»ΡΠ½ΠΎ Π΅Π΅ Π΄Π²ΠΈΠΆΠ΅Π½ΠΈΡ ΠΏΠΎΡΡΠ°Π²ΠΈΡΡ Π»ΠΈΠ½Π΅ΠΉΠΊΡ. Π ΠΈΠ΄Π΅Π°Π»ΡΠ½ΠΎΠΌ Π²Π°ΡΠΈΠ°Π½ΡΠ΅ Π½Π°ΠΊΠ»Π°Π΄ΠΊΠ° ΡΡΡΠ°Π³Π° Π΄ΠΎΠ»ΠΆΠ½Π° Π½Π°Ρ ΠΎΠ΄ΠΈΡΡΡ Π² ΠΏΡΠ΅Π΄Π΅Π»Π°Ρ 13 ΡΠΌ. Π΄ΠΎΠΏΡΡΠΊΠ°Π΅ΡΡΡ ΠΏΠΎΠ³ΡΠ΅ΡΠ½ΠΎΡΡΡ Π΄ΠΎ 5 ΠΌΠΌ. Π ΡΠ»ΡΡΠ°Π΅ Π±ΠΎΠ»ΡΡΠΎΠ³ΠΎ ΠΎΡΠΊΠ»ΠΎΠ½Π΅Π½ΠΈΡ ΡΡΠ΅Π±ΡΠ΅ΡΡΡ ΡΠ΅Π³ΡΠ»ΠΈΡΠΎΠ²ΠΊΠ°.
- ΠΡΠΊΡΡΠ²Π°Π΅ΡΡΡ ΠΊΠ°ΠΏΠΎΡ.
- ΠΠΎΠ·Π»Π΅ ΠΠΠ ΡΠ°ΡΠΏΠΎΠ»ΠΎΠΆΠ΅Π½ Π²ΠΎΠ·Π΄ΡΡΠ½ΡΠΉ ΡΠΈΠ»ΡΡΡ. Π‘Π½ΡΡΡ Π΅Π³ΠΎ ΠΌΠΎΠΆΠ½ΠΎ ΠΎΡΠΏΡΡΡΠΈΠ² Ρ ΠΎΠΌΡΡ Π²ΠΎΠ·Π΄ΡΡ ΠΎΠ²ΠΎΠ΄Π° (ΠΎΡΠ²Π΅ΡΡΠΊΠΎΠΉ ΠΈΠ»ΠΈ Π³ΠΎΠ»ΠΎΠ²ΠΊΠΎΠΉ β8).
- ΠΠΎΠ΄ Π΄Π΅ΠΌΠΎΠ½ΡΠΈΡΠΎΠ²Π°Π½Π½ΠΎΠΉ Π±Π°Π½ΠΊΠΎΠΉ Π½Π΅ΠΎΠ±Ρ ΠΎΠ΄ΠΈΠΌΠΎ Π½Π°ΠΉΡΠΈ ΡΠ°ΠΌ ΡΡΠΎΡ ΡΡΠ΅ΠΏΠ»Π΅Π½ΠΈΡ. ΠΠ΅ΡΠ°Π»Ρ ΡΠ°ΡΠΏΠΎΠ»ΠΎΠΆΠ΅Π½Π° Π²ΠΎΠ·Π»Π΅ ΠΊΠΎΡΠΏΡΡΠ° ΠΊΠΎΡΠΎΠ±ΠΊΠΈ ΠΏΠ΅ΡΠ΅Π΄Π°Ρ.
- ΠΠ° Π½Π΅ΠΌ Π½Π°Ρ ΠΎΠ΄ΠΈΡΡΡ ΡΠΈΠΊΡΠ°ΡΠΎΡ Π½Π°ΡΡΠΆΠΈΡΠ΅Π»Ρ (Π²ΡΠ³Π»ΡΠ΄ΠΈΡ ΠΊΠ°ΠΊ Π½Π΅ΡΠΊΠΎΠ»ΡΠΊΠΎ Π³Π°Π΅ΠΊ, ΠΏΡΠΎΠ΄Π΅ΡΡΡ Π½Π° ΠΊΠΎΠΆΡΡ ΠΈ ΠΏΡΠΈΠΆΠΈΠΌΠ°ΡΡΠΈΡ ΠΊΡΠ΅ΠΏΠ΅ΠΆΠ½ΡΡ ΠΏΠ»Π°ΡΡΠΈΠ½Ρ Ρ Π΄Π²ΡΡ ΡΡΠΎΡΠΎΠ½).
- ΠΠ»ΡΡΠΎΠΌ β17 ΡΡΠ΅Π±ΡΠ΅ΡΡΡ ΠΎΡΠΏΡΡΡΠΈΡΡ ΠΊΠΎΠ½ΡΡΠ³Π°ΠΉΠΊΠΈ. ΠΡΠΈ Π½Π΅ΠΎΠ±Ρ ΠΎΠ΄ΠΈΠΌΠΎΡΡΠΈ ΠΌΠΎΠΆΠ½ΠΎ ΠΎΠ±ΡΠ°Π±ΠΎΡΠ°ΡΡ ΠΊΡΠ΅ΠΏΠ»Π΅Π½ΠΈΠ΅ WD-40 ΠΈΠ»ΠΈ Π΅Π΅ Π°Π½Π°Π»ΠΎΠ³ΠΎΠΌ.
- ΠΠ°ΡΠ΅ΠΌ ΠΏΡΠΈ ΠΏΠΎΠΌΠΎΡΠΈ ΡΠΎΠΆΠΊΠ° Π½Π° 13 ΠΎΡΠ»Π°Π±ΠΈΡΡ ΡΠΏΠΎΡΠ½ΡΠ΅ Π³Π°ΠΉΠΊΠΈ (1 ΠΈ 2).
- ΠΠ°Π»Π΅Π΅ ΡΠ΅Π³ΡΠ»ΠΈΡΡΠ΅ΡΡΡ Π½Π°ΡΡΠΆΠ΅Π½ΠΈΠ΅ ΡΡΠ±Π°ΡΠΊΠΈ. ΠΠ°ΠΉΠΊΠΈ β1,2 Π²ΡΠ°ΡΠ°ΡΡΡΡ ΠΏΡΠΎΡΠΈΠ² ΡΠ°ΡΠΎΠ²ΠΎΠΉ ΡΡΡΠ΅Π»ΠΊΠΈ. Π’Π°ΠΊΠΈΠΌ ΠΎΠ±ΡΠ°Π·ΠΎΠΌ, ΠΏΠ΅Π΄Π°Π»Ρ ΠΎΡΠ°ΠΆΠΈΠ²Π°Π΅ΡΡΡ Π±Π»ΠΈΠΆΠ΅ ΠΊ ΠΏΠΎΠ»Ρ, Π΄Π»Ρ ΠΏΠΎΠ΄Π½ΡΡΠΈΡ ΡΡΡΠ°Π³Π°, Π½Π΅ΠΎΠ±Ρ ΠΎΠ΄ΠΈΠΌΠΎ Π²ΡΠΏΠΎΠ»Π½ΠΈΡΡ Π΄Π΅ΠΉΡΡΠ²ΠΈΡ Π½Π°ΠΎΠ±ΠΎΡΠΎΡ.
- ΠΠΎΡΠ»Π΅ ΠΊΠ°Π»ΠΈΠ±ΡΠΎΠ²ΠΎΠΊ, ΠΌΠ΅Ρ Π°Π½ΠΈΠ·ΠΌ ΡΠΎΠ±ΠΈΡΠ°Π΅ΡΡΡ Π² ΠΎΠ±ΡΠ°ΡΠ½ΠΎΠΌ ΠΏΠΎΡΡΠ΄ΠΊΠ΅.
- ΠΠ°Π»Π΅Π΅ Π½Π΅ΠΎΠ±Ρ ΠΎΠ΄ΠΈΠΌΠΎ Π½Π°ΠΆΠ°ΡΡ Π½Π° ΡΠΎΠΎΡΠ²Π΅ΡΡΡΠ²ΡΡΡΡΡ ΠΏΠ΅Π΄Π°Π»Ρ 5-6 ΡΠ°Π· Π΄ΠΎ ΡΠΏΠΎΡΠ° ΠΈ ΠΏΠΎΠ²ΡΠΎΡΠΈΡΡ ΠΏΡΠΎΡΠ΅Π΄ΡΡΡ Ρ Π»ΠΈΠ½Π΅ΠΉΠΊΠΎΠΉ. ΠΡΠ»ΠΈ ΡΠ±ΠΎΡ ΠΏΠΎΠ»ΠΎΠΆΠ΅Π½ΠΈΡ Π½Π΅Ρ β Π²ΡΠ΅ Π² ΠΏΠΎΡΡΠ΄ΠΊΠ΅.
ΠΠΎΡΠ΅ΠΌΡ Π½ΡΠΆΠ½Π° ΡΠ΅Π³ΡΠ»ΠΈΡΠΎΠ²ΠΊΠ° Ρ ΠΎΠ΄Π° ΡΡΠΎΡΠ°
ΠΠΈΠ±ΠΊΠΈΠΉ ΡΠ»Π΅ΠΌΠ΅Π½Ρ ΠΈΠΌΠ΅Π΅Ρ ΡΠ²ΠΎΠΉΡΡΠ²ΠΎ Π²ΡΡΡΠ³ΠΈΠ²Π°ΡΡΡΡ Π²ΠΎ Π²ΡΠ΅ΠΌΡ ΡΠΊΡΠΏΠ»ΡΠ°ΡΠ°ΡΠΈΠΈ, ΡΡΠΎ ΠΏΡΠΎΠ²ΠΎΡΠΈΡΡΠ΅Ρ Π½Π΅ΠΎΠ±Ρ
ΠΎΠ΄ΠΈΠΌΠΎΡΡΡ Π΅Π³ΠΎ ΠΏΠΎΠ΄ΡΡΠΆΠΊΠΈ.
ΠΠ°ΠΊ ΡΠ°ΠΌΠΎΡΡΠΎΡΡΠ΅Π»ΡΠ½ΠΎ ΠΏΠΎΠΌΠ΅Π½ΡΡΡ ΠΈ ΠΎΡΡΠ΅Π³ΡΠ»ΠΈΡΠΎΠ²Π°ΡΡ ΡΡΠΎΡ
Π‘Π»Π΅Π΄ΡΠ΅Ρ ΠΏΡΠΈΠ΄Π΅ΡΠΆΠΈΠ²Π°ΡΡΡΡ ΠΈΠ½ΡΡΡΡΠΊΡΠΈΠΈ.
- ΠΠΎΡΡΠ°Π²ΠΈΡΡ ΠΌΠ°ΡΠΈΠ½Ρ Π½Π° ΡΡΡΠ½ΠΈΠΊ ΠΈ ΡΠ½ΡΡΡ ΠΊΠ»Π΅ΠΌΠΌΡ Ρ Π°ΠΊΠΊΡΠΌΡΠ»ΡΡΠΎΡΠ°.
- ΠΠ°ΠΉΡΠΈ ΠΈ Π²ΡΡΠ΅ΡΠ΅ΡΡ ΠΎΡ Π³ΡΡΠ·ΠΈ ΠΌΠ°Π³ΠΈΡΡΡΠ°Π»Ρ ΠΏΠΎΠ΄ ΠΊΠ°ΠΏΠΎΡΠΎΠΌ. ΠΠ΅ ΠΌΠΎΠΆΠ½ΠΎ ΡΠ°ΡΠΏΠΎΠ·Π½Π°ΡΡ ΠΏΠΎ Ρ Π°ΡΠ°ΠΊΡΠ΅ΡΠ½ΠΎΠΌΡ ΡΠ°ΡΠΏΠΎΠ»ΠΎΠΆΠ΅Π½ΠΈΡ (Π½Π° ΡΠΎΡΠΎ ΡΠΊΠ°Π·ΡΠ²Π°Π΅ΡΡΡ ΡΠΈΡΡΠ°ΠΌΠΈ ΠΎΡ 1 Π΄ΠΎ 3).
- ΠΠ°Π»Π΅Π΅ Π½Π°ΠΉΡΠΈ ΡΠ·Π΅Π» ΡΠ΅Π³ΡΠ»ΠΈΡΠΎΠ²ΠΊΠΈ ΠΈ Π³Π°Π΅ΡΠ½ΡΠΌΠΈ ΠΊΠ»ΡΡΠ°ΠΌΠΈ ΠΎΡΠ»Π°Π±ΠΈΡΡ ΠΊΠΎΠ½ΡΡΠ³Π°ΠΉΠΊΡ.
- ΠΠ°ΡΠ΅ΠΌ ΡΠ»Π΅Π΄ΡΠ΅Ρ ΡΠ΅Π³ΡΠ»ΠΈΡΠΎΠ²ΠΎΡΠ½ΡΡ ΡΠ°ΡΡΡ Π²ΡΠ°ΡΠ°ΡΡ Π΄ΠΎ Π΄ΠΎΡΡΠΈΠΆΠ΅Π½ΠΈΡ Π½Π΅ΠΎΠ±Ρ ΠΎΠ΄ΠΈΠΌΠΎΠ³ΠΎ Ρ ΠΎΠ΄Π° ΠΏΠ΅Π΄Π°Π»ΠΈ.
ΠΡΠΎΠ²Π΅ΡΠΊΠ° ΡΠ°Π±ΠΎΡΡ
ΠΠΎΡΠ»Π΅ ΠΎΠΊΠΎΠ½ΡΠ°Π½ΠΈΡ ΡΠ°Π±ΠΎΡ ΡΡΠ΅Π±ΡΠ΅ΡΡΡ ΡΠ΅ΡΡΡ Π² ΠΌΠ°ΡΠΈΠ½Ρ ΠΈ Π½Π΅ΡΠΊΠΎΠ»ΡΠΊΠΎ ΡΠ°Π· Π΄ΠΎ ΡΠΏΠΎΡΠ° Π²Π΄Π°Π²ΠΈΡΡ ΠΏΠ΅Π΄Π°Π»Ρ ΡΡΠ΅ΠΏΠ»Π΅Π½ΠΈΡ. ΠΠΎΡΠ»Π΅ ΡΡΠΎΠ³ΠΎ ΠΏΡΠΎΠ²Π΅ΡΠΈΡΡ ΡΠ°Π±ΠΎΡΠΎΡΠΏΠΎΡΠΎΠ±Π½ΠΎΡΡΡ ΡΡΡΡΠΎΠΉΡΡΠ²Π° β ΡΡΠΎ Π΄Π΅Π»Π°Π΅ΡΡΡ ΡΠ°ΠΊ.
- ΠΠ°Π³Π»ΡΡΠΈΡΡ Π΄Π²ΠΈΠ³Π°ΡΠ΅Π»Ρ ΠΈ ΠΏΠΎΡΡΠ°Π²ΠΈΡΡ ΠΌΠ°ΡΠΈΠ½Ρ Π½Π° ΡΡΡΠ½ΠΈΠΊ, ΠΏΡΠ΅Π΄Π²Π°ΡΠΈΡΠ΅Π»ΡΠ½ΠΎ ΡΠ±Π΅Π΄ΠΈΠ²ΡΠΈΡΡ Π² Π΅Π³ΠΎ ΠΈΡΠΏΡΠ°Π²Π½ΠΎΡΡΠΈ.
- ΠΠ΅ΡΠ΅ΠΌΠ΅ΡΡΠΈΡΡ ΡΡΡΠ°Π³ Π² ΠΏΠΎΠ»ΠΎΠΆΠ΅Π½ΠΈΠ΅ Π½Π΅ΠΉΡΡΠ°Π»ΠΈ.
- ΠΠ°Π²Π΅ΡΡΠΈ ΠΌΠΎΡΠΎΡ ΠΈ Π²ΠΊΠ»ΡΡΠΈΡΡ Π»ΡΠ±ΡΡ ΠΏΠ΅ΡΠ΅Π΄Π°ΡΡ.
- ΠΠ»Π°Π²Π½ΠΎ Π±ΡΠΎΡΠΈΡΡ ΡΡΠ΅ΠΏΠ»Π΅Π½ΠΈΠ΅, ΠΏΡΠΈΠΌΠ΅ΡΠ½ΠΎ Π½Π° ΡΠ΅ΡΠ΅Π΄ΠΈΠ½Π΅ Π΅Π΅ Ρ ΠΎΠ΄Π° ΠΌΠ°ΡΠΈΠ½Π° Π½Π°ΡΠ½Π΅Ρ Π΄Π΅ΡΠ³Π°ΡΡΡΡ ΠΈ Π·Π°Π³Π»ΠΎΡ Π½Π΅Ρ.
Π Π΅Π³ΡΠ»ΠΈΡΠΎΠ²ΠΊΠ° ΡΠ²ΠΎΠ±ΠΎΠ΄Π½ΠΎΠ³ΠΎ Ρ ΠΎΠ΄Π° ΠΏΠ΅Π΄Π°Π»ΠΈ ΡΡΠ΅ΠΏΠ»Π΅Π½ΠΈΡ
ΠΡΡΠ΅Π³ΡΠ»ΠΈΡΠΎΠ²Π°ΡΡ ΡΠ²ΠΎΠ±ΠΎΠ΄Π½ΡΠΉ Ρ ΠΎΠ΄ ΠΏΠ΅Π΄Π°Π»ΠΈ ΡΡΠ΅ΠΏΠ»Π΅Π½ΠΈΡ ΠΏΡΠ°Π²ΠΈΠ»ΡΠ½ΠΎ β Π²Π°ΠΆΠ½Π°Ρ ΠΌΠ΅ΡΠ°, ΠΏΡΠ΅Π΄ΡΠΏΡΠ΅ΠΆΠ΄Π°ΡΡΠ°Ρ ΠΈΠ·Π½ΠΎΡ Π²ΡΠΆΠΈΠΌΠ½ΠΎΠ³ΠΎ ΠΏΠΎΠ΄ΡΠΈΠΏΠ½ΠΈΠΊΠ°, Π½Π΅ΠΏΡΠ΅Π΄Π²ΠΈΠ΄Π΅Π½Π½ΡΠ΅ ΡΠΈΡΡΠ°ΡΠΈΠΈ Π½Π° Π΄ΠΎΡΠΎΠ³Π΅.
ΠΠΎΠ»ΠΎΠΆΠ΅Π½ΠΈΠ΅ ΠΏΠ΅Π΄Π°Π»ΠΈ ΡΡΡΠ°Π½Π°Π²Π»ΠΈΠ²Π°Π΅ΡΡΡ ΠΏΡΠΈ ΠΏΠΎΠΌΠΎΡΠΈ ΡΠΎΠ³ΠΎ ΠΆΠ΅ ΡΡΠΎΡΠ° ΡΡΠ΅ΠΏΠ»Π΅Π½ΠΈΡ. ΠΠ΄Π΅Π°Π»ΡΠ½ΡΠΌ ΡΡΠΈΡΠ°Π΅ΡΡΡ, ΠΊΠΎΠ³Π΄Π° ΡΡΠ°Π±Π°ΡΡΠ²Π°Π½ΠΈΠ΅ ΠΌΠ΅Ρ Π°Π½ΠΈΠ·ΠΌΠ° ΠΏΡΠΎΠΈΡΡ ΠΎΠ΄ΠΈΡ Π² ΡΠ΅ΡΠ΅Π΄ΠΈΠ½Π΅ Ρ ΠΎΠ΄Π° ΡΡΡΠ°Π³Π°. ΠΡΠ»ΠΈ Π·Π°ΡΠ΅ΠΏΠ»Π΅Π½ΠΈΠ΅ Π½Π°Π±Π»ΡΠ΄Π°Π΅ΡΡΡ Π±Π»ΠΈΠΆΠ΅ ΠΊ ΠΏΠΎΠ»Ρ β Π½Π΅ΠΎΠ±Ρ ΠΎΠ΄ΠΈΠΌΠΎ Π½Π°ΡΡΠ½ΡΡΡ ΡΡΠΎΡΠΈΠΊ.
ΠΡΠΈΠΌΠ΅ΡΠ°Π½ΠΈΠ΅! ΠΠ°ΠΆΠ΄ΡΠΉ Π°Π²ΡΠΎΠ»ΡΠ±ΠΈΡΠ΅Π»Ρ Π²ΠΏΡΠ°Π²Π΅ ΡΡΡΠ°Π½Π°Π²Π»ΠΈΠ²Π°ΡΡ Π²ΡΡΠΎΡΡ ΠΏΠ΅Π΄Π°Π»ΠΈ ΠΈ Π³Π»ΡΠ±ΠΈΠ½Ρ Π΅Π΅ ΠΏΡΠΎΡΠ°Π΄Π° Π½Π΅ ΡΠ΄ΠΎΠ±Π½ΠΎΠΌ Π΅ΠΌΡ ΡΡΠΎΠ²Π½Π΅. ΠΠ΄Π½Π°ΠΊΠΎ Π·Π°Π²ΠΎΠ΄ ΠΈΠ·Π³ΠΎΡΠΎΠ²ΠΈΡΠ΅Π»Ρ ΡΠ΅ΠΊΠΎΠΌΠ΅Π½Π΄ΡΠ΅Ρ ΠΈΠΌΠ΅Π½Π½ΠΎ ΡΠ°ΠΊΠΎΠ΅ ΠΏΠΎΠ»ΠΎΠΆΠ΅Π½ΠΈΠ΅ ΠΊΠ°ΠΊ ΡΡΠ°Π»ΠΎΠ½.
ΠΡΠΎΠ²Π΅ΡΠΊΠ° ΡΠ°Π±ΠΎΡΠ΅Π³ΠΎ Ρ ΠΎΠ΄Π° ΠΏΠ΅Π΄Π°Π»ΠΈ ΡΡΠ΅ΠΏΠ»Π΅Π½ΠΈΡ ΠΠ°Π· 2114
ΠΡΠΎΠ²Π΅ΡΠΈΡΡ Π΄Π»ΠΈΠ½Ρ Ρ ΠΎΠ΄Π° ΡΡΠ΅ΠΏΠ»Π΅Π½ΠΈΡ ΠΌΠΎΠΆΠ½ΠΎ ΡΠ°ΠΊ.
- ΠΠ±ΡΡΠ½ΡΡ Π»ΠΈΠ½Π΅ΠΉΠΊΡ ΠΏΡΠΈΡΠ»ΠΎΠ½ΠΈΡΡ ΠΊ ΠΏΠ΅Π΄Π°Π»ΠΈ ΡΠ°ΠΊ, ΡΡΠΎΠ±Ρ ΠΌΠ΅ΠΆΠ΄Ρ ΠΏΠ»ΠΎΡΠΊΠΎΡΡΡΡ ΠΏΠΎΡΠ»Π΅Π΄Π½Π΅ΠΉ ΠΈ ΠΏΠΎΠ»ΠΎΠΌ ΠΏΠΎΠ»ΡΡΠΈΠ»ΡΡ ΠΏΡΡΠΌΠΎΠΉ ΡΠ³ΠΎΠ».

- ΠΠ°ΠΏΠΎΠΌΠ½ΠΈΡΡ ΠΏΠΎΠ·ΠΈΡΠΈΡ ΠΈ Π½Π°Π΄Π°Π²ΠΈΡΡ Π΄ΠΎ ΡΠΏΠΎΡΠ° Π½Π° ΡΡΡΠ°Π³.
- ΠΡΡΡΠΈΡΠ°ΡΡ ΡΠ°Π·Π½ΠΈΡΡ ΠΌΠ΅ΠΆΠ΄Ρ Π²Π΅ΡΡ Π½ΠΈΠΌ ΠΈ Π½ΠΈΠΆΠ½ΠΈΠΌ ΠΏΠΎΠ»ΠΎΠΆΠ΅Π½ΠΈΠ΅ΠΌ ΠΏΠΎΠ²Π΅ΡΡ Π½ΠΎΡΡΠΈ, ΠΎΠ½Π° Π΄ΠΎΠ»ΠΆΠ½Π° Π±ΡΡΡ Π² ΠΏΡΠ΅Π΄Π΅Π»Π°Ρ 120-130 ΠΌΠΈΠ»Π»ΠΈΠΌΠ΅ΡΡΠΎΠ².
ΠΡΠ°Π²ΠΈΠ»ΡΠ½Π°Ρ Π½Π°ΡΡΡΠΎΠΉΠΊΠ° ΡΡΠ΅ΠΏΠ»Π΅Π½ΠΈΡ
ΠΠ°ΠΆΠ½ΡΠΌ ΡΠ°ΠΊΡΠΎΡΠΎΠΌ ΠΏΡΠ°Π²ΠΈΠ»ΡΠ½ΠΎΠΉ Π½Π°ΡΡΡΠΎΠΉΠΊΠΈ ΡΠ²Π»ΡΠ΅ΡΡΡ Π±Π΅Π·ΠΎΠΏΠ°ΡΠ½Π°Ρ, ΠΊΠΎΡΡΠ΅ΠΊΡΠ½Π°Ρ ΡΠ°Π±ΠΎΡΠ° ΠΌΠ΅Ρ Π°Π½ΠΈΠ·ΠΌΠ°. ΠΡΠΎΠ²Π΅ΡΠΈΡΡ ΡΠΎΡΠ½ΠΎΡΡΡ ΠΊΠ°Π»ΠΈΠ±ΡΠΎΠ²ΠΎΠΊ ΠΌΠΎΠΆΠ½ΠΎ ΡΠ°ΠΊΠΈΠΌ ΠΎΠ±ΡΠ°Π·ΠΎΠΌ.
- ΠΠΎΡΡΠ°Π²ΠΈΡΡ ΠΌΠ°ΡΠΈΠ½Ρ Π½Π° ΡΡΡΠ½ΠΈΠΊ.
- ΠΠ°Π²Π΅ΡΡΠΈ ΠΌΠΎΡΠΎΡ Π½Π° Π½Π΅ΠΉΡΡΠ°Π»ΡΠ½ΠΎΠΉ ΠΏΠ΅ΡΠ΅Π΄Π°ΡΠ΅.
- ΠΠΊΠ»ΡΡΠΈΡΡ ΠΏΠ΅ΡΠ²ΡΡ ΠΈ Π½Π΅ ΡΠ½ΠΈΠΌΠ°Ρ Π°Π²ΡΠΎΠΌΠΎΠ±ΠΈΠ»Ρ Ρ ΡΡΡΠ½ΠΈΠΊΠ° ΠΏΠΎΡΡΠ°ΡΠ°ΡΡΡΡ ΡΡΠΎΠ½ΡΡΡΡΡ. ΠΡΠ»ΠΈ ΠΠΠ‘ Π΄Π΅ΡΠ³Π°Π΅ΡΡΡ ΠΈ Π³Π»ΠΎΡ Π½Π΅Ρ β Π²ΡΠ΅ ΡΠ΄Π΅Π»Π°Π½ΠΎ ΠΏΡΠ°Π²ΠΈΠ»ΡΠ½ΠΎ. Π ΡΠ»ΡΡΠ°Π΅, ΠΊΠΎΠ³Π΄Π° Π΄Π²ΠΈΠΆΠ΅Π½ΠΈΠ΅ Π½Π΅ Π½Π°ΡΠΈΠ½Π°Π΅ΡΡΡ, Π° Π΄Π²ΠΈΠ³Π°ΡΠ΅Π»Ρ ΡΠ°Π±ΠΎΡΠ°Π΅Ρ β Π΄ΠΈΡΠΊ ΡΡΠ΅ΠΏΠ»Π΅Π½ΠΈΡ Π±ΡΠΊΡΡΠ΅Ρ, Π½ΡΠΆΠ½ΠΎ ΠΎΡΠ»Π°Π±ΠΈΡΡ Π½Π°ΡΡΠΆΠ΅Π½ΠΈΠ΅ ΡΡΠΎΡΠ°.
Π’Π°ΠΊΠΆΠ΅ Π½Π΅ΠΎΠ±Ρ ΠΎΠ΄ΠΈΠΌΠΎ ΠΏΡΠΎΠ΅Ρ Π°ΡΡ Π½Π° ΠΌΠ°ΡΠΈΠ½Π΅, ΠΏΠΎΡΠ»Π΅Π΄ΠΎΠ²Π°ΡΠ΅Π»ΡΠ½ΠΎ Π²ΠΊΠ»ΡΡΠ°Ρ Π²ΡΠ΅ ΠΏΠ΅ΡΠ΅Π΄Π°ΡΠΈ. ΠΠΎ Π²ΡΠ΅ΠΌΡ ΠΌΠ°Π½ΠΈΠΏΡΠ»ΡΡΠΈΠΉ ΠΊΠ°ΡΠ΅Π³ΠΎΡΠΈΡΠ΅ΡΠΊΠΈ Π½Π΅Π΄ΠΎΠΏΡΡΡΠΈΠΌΠΎ Π½Π°Π»ΠΈΡΠΈΠ΅ ΠΏΠΎΡΡΠΎΡΠΎΠ½Π½ΠΈΡ Π·Π²ΡΠΊΠΎΠ², Π²ΠΈΠ±ΡΠ°ΡΠΈΠΉ ΠΈΠ»ΠΈ Π΄ΠΈΡΡΠΎΠ½Π°Π½ΡΠ° ΠΌΠ΅ΠΆΠ΄Ρ Π½Π°Π±ΠΎΡΠΎΠΌ ΠΎΠ±ΠΎΡΠΎΡΠΎΠ² Π΄Π²ΠΈΠ³Π°ΡΠ΅Π»Ρ ΠΈ ΡΠ°Π·Π³ΠΎΠ½ΠΎΠΌ ΠΌΠ°ΡΠΈΠ½Ρ.
ΠΠ°ΠΌΠ΅Π½Π° ΠΌΠ΅Ρ Π°Π½ΠΈΠ·ΠΌΠ° ΡΡΠ΅ΠΏΠ»Π΅Π½ΠΈΡ
ΠΠΎΠ»Π½Π°Ρ Π·Π°ΠΌΠ΅Π½Π° ΠΌΠ΅Ρ Π°Π½ΠΈΠ·ΠΌΠ° ΡΡΠ΅Π±ΡΠ΅ΡΡΡ ΡΠΎΠ»ΡΠΊΠΎ ΠΏΡΠΈ ΠΊΡΠΈΡΠΈΡΠ΅ΡΠΊΠΎΠΌ ΠΈΠ·Π½ΠΎΡΠ΅ ΡΡΠΈΠΊΡΠΈΠΎΠ½Π½ΠΎΠ³ΠΎ ΡΡΡΡΠΎΠΉΡΡΠ²Π°, Π»ΠΈΠ±ΠΎ Π΅Π³ΠΎ ΡΠ΅ΡΡΠ΅Π·Π½ΠΎΠΌ ΠΏΠΎΠ²ΡΠ΅ΠΆΠ΄Π΅Π½ΠΈΠΈ.
Π§ΡΠΎΠ±Ρ ΡΠ½ΡΡΡ ΡΡΠ΅ΠΏΠ»Π΅Π½ΠΈΠ΅ ΠΏΠΎΡΡΠ΅Π±ΡΠ΅ΡΡΡ:
- Π·Π°Π³Π½Π°ΡΡ ΠΌΠ°ΡΠΈΠ½Ρ Π½Π° ΠΏΠΎΠ΄ΡΠ΅ΠΌΠ½ΠΈΠΊ ΠΈΠ»ΠΈ ΡΠΌΠΎΡΡΠΎΠ²ΡΡ ΡΠΌΡ;
- ΡΠ½ΡΡΡ ΠΏΠ΅ΡΠ΅Π΄Π½Π΅Π΅ Π»Π΅Π²ΠΎΠ΅ ΠΊΠΎΠ»Π΅ΡΠΎ, Π²ΠΎΠ·Π΄ΡΡΠ½ΡΠΉ ΡΠΈΠ»ΡΡΡ ΠΈ Π°ΠΊΠΊΡΠΌΡΠ»ΡΡΠΎΡ;
- ΠΎΡΠΊΡΡΡΠΈΡΡ ΠΏΡΠΎΠ²ΠΎΠ΄Π° ΠΈ ΡΡΠΎΡΡ, ΠΈΠ΄ΡΡΠΈΠ΅ ΠΎΡ ΠΠΠ;
- ΡΠ½ΡΡΡ ΠΏΠΎΠ΄ΡΡΠΊΡ ΠΊΠΎΡΠΎΠ±ΠΊΠΈ ΠΏΠ΅ΡΠ΅Π΄Π°Ρ, ΠΌΠΎΡΠΎΡΠ°;
- Π΄Π°Π»Π΅Π΅ ΠΏΠΎΡΡΠ΅Π±ΡΠ΅ΡΡΡ ΠΎΡΠΊΡΡΡΠΈΡΡ Π²ΡΠ΅ Π²ΠΈΠ΄ΠΈΠΌΡΠ΅ Π±ΠΎΠ»ΡΡ, ΡΠ΄Π΅ΡΠΆΠΈΠ²Π°ΡΡΠΈΠ΅ ΠΊΠΎΡΠΎΠ±ΠΊΡ Π½Π° ΠΌΠ΅ΡΡΠ΅;
- Π°ΠΊΠΊΡΡΠ°ΡΠ½ΠΎ Π²ΡΡΡΠ³ΠΈΠ²Π°Ρ ΠΠΠ, ΡΠ½ΡΡΡ Π΅Π΅ ΠΈ ΠΏΠΎΠ»ΠΎΠΆΠΈΡΡ Π½Π° Π·Π°ΡΠ°Π½Π΅Π΅ ΠΏΠΎΠ΄Π³ΠΎΡΠΎΠ²Π»Π΅Π½Π½ΡΠ΅ Π΄ΠΎΡΠΊΠΈ;
- Π½Π° Π΄Π΅ΠΌΠΎΠ½ΡΠΈΡΠΎΠ²Π°Π½Π½ΠΎΠΌ ΡΠ·Π»Π΅ ΠΎΡΠΊΡΡΡΠΈΡΡ ΠΊΠΎΡΠ·ΠΈΠ½Ρ ΡΡΠ΅ΠΏΠ»Π΅Π½ΠΈΡ ΠΈ Π²ΡΠ΅ Π΄ΠΎΠΏΠΎΠ»Π½ΠΈΡΠ΅Π»ΡΠ½ΡΠ΅ ΡΠ°ΡΡΠΈ.
ΠΠΎΠ²Π°Ρ ΠΊΠΎΡΠ·ΠΈΠ½Π° Π΄ΠΎΠ»ΠΆΠ½Π° ΡΡΡΠ°Π½Π°Π²Π»ΠΈΠ²Π°ΡΡΡΡ ΡΠΎ ΡΠΏΠ΅ΡΠΈΠ°Π»ΡΠ½ΠΎΠΉ Π½Π°ΠΏΡΠ°Π²Π»ΡΡΡΠ΅ΠΉ, ΡΡΠΎ ΠΏΠΎΠ·Π²ΠΎΠ»ΠΈΡ Π·Π°ΠΊΡΠ΅ΠΏΠΈΡΡ Π΅Π΅ ΡΠΎΠ²Π½ΠΎ.
ΠΠ°ΠΊ ΠΎΡΡΠ΅Π³ΡΠ»ΠΈΡΠΎΠ²Π°ΡΡ ΡΡΠ΅ΠΏΠ»Π΅Π½ΠΈΠ΅ Π½Π° ΠΠΠ 2114 ΠΏΠΎΡΠ»Π΅ Π·Π°ΠΌΠ΅Π½Ρ
ΠΠΎΡΠ»Π΅ ΡΡΡΠ°Π½ΠΎΠ²ΠΊΠΈ Π½ΠΎΠ²ΠΎΠ³ΠΎ ΠΏΡΠΈΠ²ΠΎΠ΄Π°, Π΅Π³ΠΎ Π½Π΅ΠΎΠ±Ρ
ΠΎΠ΄ΠΈΠΌΠΎ Π΄ΠΎΠΏΠΎΠ»Π½ΠΈΡΠ΅Π»ΡΠ½ΠΎ ΠΊΠ°Π»ΠΈΠ±ΡΠΎΠ²Π°ΡΡ. ΠΠ΅Π»ΠΎ Π² ΡΠΎΠΌ, ΡΡΠΎ Π½ΠΎΠ²ΡΠΉ ΡΡΠΎΡ ΠΈΠΌΠ΅Π΅Ρ ΡΠ²ΠΎΠΉΡΡΠ²ΠΎ Π²ΡΡΡΠ³ΠΈΠ²Π°ΡΡΡΡ Π΄ΠΎ Π½ΠΎΡΠΌΠ°Π»ΡΠ½ΠΎΠΉ ΡΠ°Π±ΠΎΡΠ΅ΠΉ Π΄Π»ΠΈΠ½Ρ. ΠΠΎΡΡΠΎΠΌΡ ΠΎΠΏΡΡΠ½ΡΠ΅ ΠΌΠ΅Ρ
Π°Π½ΠΈΠΊΠΈ ΡΠ΅ΠΊΠΎΠΌΠ΅Π½Π΄ΡΡΡ ΠΏΡΠΎΠΊΠΎΠ½ΡΡΠΎΠ»ΠΈΡΠΎΠ²Π°ΡΡ ΡΠ°ΡΡΡΠΆΠ΅Π½ΠΈΠ΅ ΠΌΠ°Π³ΠΈΡΡΡΠ°Π»ΠΈ ΠΏΠΎΡΠ»Π΅ 400-500 ΠΊΠΌ ΠΏΡΠΎΠ±Π΅Π³Π° ΠΌΠ°ΡΠΈΠ½Ρ.
ΠΡΠΎ ΠΎΠ±ΠΎΡΠ½ΠΎΠ²Π°Π½ΠΎ ΡΠ΅ΠΌ, ΡΡΠΎ Π΄Π°ΠΆΠ΅ Π² ΡΠ»ΡΡΠ°Π΅ ΠΈΠ΄Π΅Π°Π»ΡΠ½ΠΎΠΉ ΠΏΠ΅ΡΠ²ΠΈΡΠ½ΠΎΠΉ ΠΊΠ°Π»ΠΈΠ±ΡΠΎΠ²ΠΊΠΈ Π² ΠΎΠ±ΡΠ·Π°ΡΠ΅Π»ΡΠ½ΠΎΠΌ ΠΏΠΎΡΡΠ΄ΠΊΠ΅ ΠΏΠΎΡΡΠ΅Π±ΡΠ΅ΡΡΡ ΡΠ±ΠΈΡΠ°ΡΡ ΡΡΠ°Π΄ΠΊΠΈ Π½ΠΎΠ²ΡΡ
Π·Π°ΠΏΡΠ°ΡΡΠ΅ΠΉ.
Kia Rio | Π Π΅Π³ΡΠ»ΠΈΡΠΎΠ²ΠΊΠ° ΠΏΠ΅Π΄Π°Π»ΠΈ ΡΡΠ΅ΠΏΠ»Π΅Π½ΠΈΡ
8.2. Π Π΅Π³ΡΠ»ΠΈΡΠΎΠ²ΠΊΠ° ΠΏΠ΅Π΄Π°Π»ΠΈ ΡΡΠ΅ΠΏΠ»Π΅Π½ΠΈΡ
| ΠΠΠ Π―ΠΠΠ ΠΠ«ΠΠΠΠΠΠΠΠ― | ||||||||||||||
|
||||||||||||||
ΠΠ ΠΠΠΠ§ΠΠ ΠΠΠΠ ΠΠΠΠΠ§ΠΠ‘ΠΠΠ Π‘ΠΠ‘Π’ΠΠΠ« ΠΠ ΠΠΠΠΠ Π‘Π¦ΠΠΠΠΠΠΠ―
ΠΡΠ±Π°Ρ Π³ΠΈΠ΄ΡΠ°Π²Π»ΠΈΡΠ΅ΡΠΊΠ°Ρ ΡΠΈΡΡΠ΅ΠΌΠ° ΡΠ°Π±ΠΎΡΠ°Π΅Ρ Π½ΠΎΡΠΌΠ°Π»ΡΠ½ΠΎ, Π΅ΡΠ»ΠΈ ΠΈΠ· Π½Π΅Π΅ ΡΠ΄Π°Π»Π΅Π½ Π²ΠΎΠ·Π΄ΡΡ .
ΠΡΠ΅Π΄ΡΠΏΡΠ΅ΠΆΠ΄Π΅Π½ΠΈΠ΅
ΠΠΎ Π²ΡΠ΅ΠΌΡ ΡΠ΄Π°Π»Π΅Π½ΠΈΡ Π²ΠΎΠ·Π΄ΡΡ
Π°
Π΄ΠΎΠ±Π°Π²Π»ΡΠΉΡΠ΅ ΡΠΎΠ»ΡΠΊΠΎ ΡΠΈΡΡΡΡ ΠΆΠΈΠ΄ΠΊΠΎΡΡΡ, ΡΠ΅ΠΊΠΎΠΌΠ΅Π½Π΄ΡΠ΅ΠΌΡΡ ΠΈΠ·Π³ΠΎΡΠΎΠ²ΠΈΡΠ΅Π»Π΅ΠΌ.
ΠΠΈΠ΄ΠΊΠΎΡΡΡ, ΠΈΡΠΏΠΎΠ»ΡΠ·ΡΠ΅ΠΌΠ°Ρ Π²
Π³ΠΈΠ΄ΡΠ°Π²Π»ΠΈΡΠ΅ΡΠΊΠΎΠΌ ΠΏΡΠΈΠ²ΠΎΠ΄Π΅, ΡΠ°ΡΡΠ²ΠΎΡΡΠ΅Ρ ΠΊΡΠ°ΡΠΊΡ ΠΈ ΠΏΠ»Π°ΡΡΠΌΠ°ΡΡΡ, ΠΏΠΎΡΡΠΎΠΌΡ ΠΏΡΠΈ ΠΏΠΎΠΏΠ°Π΄Π°Π½ΠΈΠΈ
ΠΆΠΈΠ΄ΠΊΠΎΡΡΠΈ Π½Π° Π»Π°ΠΊΠΎΠΊΡΠ°ΡΠΎΡΠ½ΠΎΠ΅ ΠΏΠΎΠΊΡΡΡΠΈΠ΅ Π°Π²ΡΠΎΠΌΠΎΠ±ΠΈΠ»Ρ ΠΏΡΠΎΠΌΠΎΠΉΡΠ΅ Π΅Π³ΠΎ Π±ΠΎΠ»ΡΡΠΈΠΌ ΠΊΠΎΠ»ΠΈΡΠ΅ΡΡΠ²ΠΎΠΌ
Π²ΠΎΠ΄Ρ.
| ΠΠΠ Π―ΠΠΠ ΠΠ«ΠΠΠΠΠΠΠΠ― | ||||||||||
|
||||||||||
ΠΠΠΠΠΠ«Π Π ΠΠΠΠΠΠΠΠ ΠΠΠ‘ΠΠ Π‘Π¦ΠΠΠΠΠΠΠ―
Π‘ΡΠ΅ΠΏΠ»Π΅Π½ΠΈΠ΅
|
|
| 1 β Π²ΠΈΠ»ΠΊΠ° Π²ΡΠΊΠ»ΡΡΠ΅Π½ΠΈΡ ΡΡΠ΅ΠΏΠ»Π΅Π½ΠΈΡ; 2 β ΠΏΠΎΠ΄ΡΠΈΠΏΠ½ΠΈΠΊ Π²ΡΠΊΠ»ΡΡΠ΅Π½ΠΈΡ ΡΡΠ΅ΠΏΠ»Π΅Π½ΠΈΡ; 3 β Π±ΠΎΠ»Ρ, 15β22 Πβ’ΠΌ; |
4 β Π½Π°ΠΆΠΈΠΌΠ½ΠΎΠΉ Π΄ΠΈΡΠΊ ΡΡΠ΅ΠΏΠ»Π΅Π½ΠΈΡ; 5 β Π²Π΅Π΄ΠΎΠΌΡΠΉ Π΄ΠΈΡΠΊ ΡΡΠ΅ΠΏΠ»Π΅Π½ΠΈΡ. |
| ΠΠΠ Π―ΠΠΠ ΠΠ«ΠΠΠΠΠΠΠΠ― | ||||||||||
|
||||||||||
ΠΡΠΎΠ²Π΅ΡΠΊΠ° ΠΊΠΎΠΆΡΡ Π° ΡΡΠ΅ΠΏΠ»Π΅Π½ΠΈΡ Ρ Π½Π°ΠΆΠΈΠΌΠ½ΡΠΌ Π΄ΠΈΡΠΊΠΎΠΌ
| ΠΠΠ Π―ΠΠΠ ΠΠ«ΠΠΠΠΠΠΠΠ― | |||
|
ΠΡΠΎΠ²Π΅ΡΠΊΠ° Π΄ΠΈΡΠΊΠ° ΡΡΠ΅ΠΏΠ»Π΅Π½ΠΈΡ
| ΠΠΠ Π―ΠΠΠ ΠΠ«ΠΠΠΠΠΠΠΠ― | ||||||||
|
||||||||
ΠΡΠΎΠ²Π΅ΡΠΊΠ° ΠΏΠΎΠ΄ΡΠΈΠΏΠ½ΠΈΠΊΠ° Π²ΡΠΊΠ»ΡΡΠ΅Π½ΠΈΡ ΡΡΠ΅ΠΏΠ»Π΅Π½ΠΈΡ
ΠΡΠ΅Π΄ΡΠΏΡΠ΅ΠΆΠ΄Π΅Π½ΠΈΠ΅
ΠΠΎΠ΄ΡΠΈΠΏΠ½ΠΈΠΊ Π²ΡΠΊΠ»ΡΡΠ΅Π½ΠΈΡ ΡΡΠ΅ΠΏΠ»Π΅Π½ΠΈΡ
Π³Π΅ΡΠΌΠ΅ΡΠΈΡΠ΅Π½, ΠΈ Π΅Π³ΠΎ Π½Π΅Π»ΡΠ·Ρ ΠΏΡΠΎΠΌΡΠ²Π°ΡΡ.
| ΠΠΠ Π―ΠΠΠ ΠΠ«ΠΠΠΠΠΠΠΠ― | ||
|
ΠΡΠΎΠ²Π΅ΡΠΊΠ° Π²ΠΈΠ»ΠΊΠΈ Π²ΡΠΊΠ»ΡΡΠ΅Π½ΠΈΡ ΡΡΠ΅ΠΏΠ»Π΅Π½ΠΈΡ
| ΠΠΠ Π―ΠΠΠ ΠΠ«ΠΠΠΠΠΠΠΠ― | |
|
Π£ΡΡΠ°Π½ΠΎΠ²ΠΊΠ°
| ΠΠΠ Π―ΠΠΠ ΠΠ«ΠΠΠΠΠΠΠΠ― | ||||||||||||||||||||||||
|
||||||||||||||||||||||||
: ΠΊΠ°ΠΊ ΠΈΠ·ΠΌΠ΅ΡΠΈΡΡ ΠΈ ΠΎΡΡΠ΅Π³ΡΠ»ΠΈΡΠΎΠ²Π°ΡΡ ΠΏΠ΅ΡΠ΅Π΄Π°ΡΠΎΡΠ½ΠΎΠ΅ ΡΠΈΡΠ»ΠΎ ΠΏΠ΅Π΄Π°Π»ΠΈ ΡΡΠ΅ΠΏΠ»Π΅Π½ΠΈΡ
ΠΡΠ°ΠΊ, Π²Ρ ΡΠΎΠ»ΡΠΊΠΎ ΡΡΠΎ ΠΏΠ΅ΡΠ΅Π΄Π΅Π»Π°Π»ΠΈ ΡΠ²ΠΎΠ΅ ΡΡΠ°ΡΠΎΠ΅ Π½Π΅ΡΠΊΠ»ΡΠΆΠ΅Π΅ ΡΡΡΠ½ΠΎΠ΅ ΡΡΠ΅ΠΏΠ»Π΅Π½ΠΈΠ΅ Π½Π° Π³ΠΈΠ΄ΡΠ°Π²Π»ΠΈΡΠ΅ΡΠΊΠΈΠΉ Π²ΡΠΆΠΈΠΌΠ½ΠΎΠΉ ΠΏΠΎΠ΄ΡΠΈΠΏΠ½ΠΈΠΊ ΠΈ ΠΏΠΎΠ΄ΡΠΌΠ°Π»ΠΈ, ΡΡΠΎ ΠΏΠ΅Π΄Π°Π»ΡΡ Π±ΡΠ΄Π΅Ρ Π»Π΅Π³ΡΠ΅ ΡΠΏΡΠ°Π²Π»ΡΡΡ, ΡΠ΅ΠΌ ΡΠ°Π½ΡΡΠ΅.
Π₯ΠΎΡΡ ΡΠ°ΠΊ Π΄ΠΎΠ»ΠΆΠ½ΠΎ Π±ΡΡΡ, Π½ΠΎ Π½Π΅ Π²ΡΠ΅Π³Π΄Π°, ΠΈ ΡΡΠΎ ΡΠ²ΡΠ·Π°Π½ΠΎ Ρ Π³Π΅ΠΎΠΌΠ΅ΡΡΠΈΠ΅ΠΉ. ΠΠ°ΠΊ ΠΈ Π² ΡΠ»ΡΡΠ°Π΅ Ρ ΠΏΠ΅Π΄Π°Π»ΡΡ ΡΠΎΡΠΌΠΎΠ·Π°, Π²Π°ΠΌ Π½Π΅ΠΎΠ±Ρ
ΠΎΠ΄ΠΈΠΌΠΎ Π΄ΠΎΡΡΠΈΡΡ ΠΎΠΏΡΠ΅Π΄Π΅Π»Π΅Π½Π½ΠΎΠ³ΠΎ ΠΏΠ΅ΡΠ΅Π΄Π°ΡΠΎΡΠ½ΠΎΠ³ΠΎ ΡΠΈΡΠ»Π°, ΡΡΠΎΠ±Ρ ΠΏΠ΅Π΄Π°Π»Ρ Π±ΡΠ»Π° ΡΠ΄ΠΎΠ±Π½Π° Π² ΠΈΡΠΏΠΎΠ»ΡΠ·ΠΎΠ²Π°Π½ΠΈΠΈ. ΠΠ»Ρ Π³ΠΈΠ΄ΡΠ°Π²Π»ΠΈΡΠ΅ΡΠΊΠΈΡ
ΡΠΈΡΡΠ΅ΠΌ ΡΡΠ΅ΠΏΠ»Π΅Π½ΠΈΡ ΡΡΠΎ ΡΠΎΠΎΡΠ½ΠΎΡΠ΅Π½ΠΈΠ΅ ΡΠΎΡΡΠ°Π²Π»ΡΠ΅Ρ 6: 1.
Π ΡΡΠ½ΡΠ΅ ΠΌΡΡΡΡ ΡΡΠ΅ΠΏΠ»Π΅Π½ΠΈΡ ΠΎΡΠ»ΠΈΡΠ°ΡΡΡΡ ΠΎΡ Π³ΠΈΠ΄ΡΠ°Π²Π»ΠΈΡΠ΅ΡΠΊΠΈΡ , ΠΎΠ½ΠΈ ΠΈΡΠΏΠΎΠ»ΡΠ·ΡΡΡ ΡΠΈΡΡΠ΅ΠΌΡ ΠΊΠΎΠ»Π΅Π½ΡΠ°ΡΠΎΠ³ΠΎ ΡΡΡΠ°Π³Π°, ΠΊΠΎΡΠΎΡΠ°Ρ ΡΠ²Π΅Π»ΠΈΡΠΈΠ²Π°Π΅Ρ ΡΡΡΠ΅ΠΊΡΠΈΠ²Π½ΠΎΡΡΡ Π²Π°ΡΠ΅ΠΉ ΠΏΠ΅Π΄Π°Π»ΠΈ ΡΡΠ΅ΠΏΠ»Π΅Π½ΠΈΡ.Π Π³ΠΈΠ΄ΡΠ°Π²Π»ΠΈΡΠ΅ΡΠΊΠΎΠΉ ΡΠΈΡΡΠ΅ΠΌΠ΅ Π²ΡΠ΅ Π΄Π΅Π»ΠΎ Π² ΡΠ°Π·ΠΌΠ΅ΡΠ΅Π½ΠΈΠΈ ΡΡΠ°Π½Π³ΠΈ Π³Π»Π°Π²Π½ΠΎΠ³ΠΎ ΡΠΈΠ»ΠΈΠ½Π΄ΡΠ° Π½Π° ΠΏΠ΅Π΄Π°Π»ΠΈ ΡΡΠ΅ΠΏΠ»Π΅Π½ΠΈΡ. Π§Π΅ΠΌ Π²ΡΡΠ΅ ΡΠΎΡΠΊΠ° Π·Π°Ρ Π²Π°ΡΠ° Π½Π°Ρ ΠΎΠ΄ΠΈΡΡΡ Π½Π° ΠΏΠ΅Π΄Π°Π»ΠΈ (Π±Π»ΠΈΠΆΠ΅ ΠΊ ΠΎΡΠΈ ΡΡΡΠ°Π³Π°), ΡΠ΅ΠΌ Π»Π΅Π³ΡΠ΅ Π½Π°ΠΆΠΈΠΌΠ°ΡΡ Π½Π° ΠΏΠ΅Π΄Π°Π»Ρ. Π ΡΡΠΎΠΌ ΡΡΠ°Π²Π½Π΅Π½ΠΈΠΈ Π΅ΡΡΡ ΡΡΠΈ ΠΊΠ»ΡΡΠ΅Π²ΡΡ ΡΠ°ΠΊΡΠΎΡΠ°: Π΄Π»ΠΈΠ½Π° ΠΏΠ΅Π΄Π°Π»ΠΈ, Π΄Π»ΠΈΠ½Π° ΠΎΡ ΡΠΎΡΠΊΠΈ Π·Π°Ρ Π²Π°ΡΠ° Π΄ΠΎ ΡΠΎΡΠΊΠΈ ΠΎΠΏΠΎΡΡ ΠΈ Π΄ΠΈΠ°ΠΌΠ΅ΡΡ Π³Π»Π°Π²Π½ΠΎΠ³ΠΎ ΡΠΈΠ»ΠΈΠ½Π΄ΡΠ°.
ΠΠΈΠ°ΠΌΠ΅ΡΡ Π³Π»Π°Π²Π½ΠΎΠ³ΠΎ ΡΠΈΠ»ΠΈΠ½Π΄ΡΠ° ΡΡΠ΅ΠΏΠ»Π΅Π½ΠΈΡ — ΡΡΠΎ Π½Π°ΠΈΠΌΠ΅Π½ΡΡΠ°Ρ ΡΠ°ΡΡΡ ΡΡΠ°Π²Π½Π΅Π½ΠΈΡ, ΠΏΠΎΡΠΎΠΌΡ ΡΡΠΎ Π±ΠΎΠ»ΡΡΠΈΠ½ΡΡΠ²ΠΎ Π³Π»Π°Π²Π½ΡΡ ΡΠΈΠ»ΠΈΠ½Π΄ΡΠΎΠ² ΡΡΠ΅ΠΏΠ»Π΅Π½ΠΈΡ Π½Π°Ρ ΠΎΠ΄ΡΡΡΡ Π² Π΄ΠΈΠ°ΠΏΠ°Π·ΠΎΠ½Π΅ 7/8 Π΄ΡΠΉΠΌΠΎΠ². Π§Π΅ΠΌ Π±ΠΎΠ»ΡΡΠ΅ Π²Ρ Π΅Π΄Π΅ΡΠ΅, ΡΠ΅ΠΌ Π±ΠΎΠ»ΡΡΠ΅ ΡΡΠΈΠ»ΠΈΠΉ ΡΡΠ΅Π±ΡΠ΅ΡΡΡ Π΄Π»Ρ ΡΠ°Π±ΠΎΡΡ Π³Π»Π°Π²Π½ΠΎΠ³ΠΎ ΡΠΈΠ»ΠΈΠ½Π΄ΡΠ°.ΠΡΠ»ΠΈ Ρ Π²Π°Ρ Π΄ΠΈΠ°ΠΌΠ΅ΡΡ ΠΎΡΠ²Π΅ΡΡΡΠΈΡ 7/8 Π΄ΡΠΉΠΌΠ° ΠΈΠ»ΠΈ ΠΌΠ΅Π½ΡΡΠ΅, ΠΈΡΠΏΠΎΠ»ΡΠ·ΡΠ΅ΡΡΡ ΡΡΠ°Π½Π΄Π°ΡΡ 6: 1.
Π§ΡΠΎΠ±Ρ ΠΎΠΏΡΠ΅Π΄Π΅Π»ΠΈΡΡ ΠΏΠ΅ΡΠ΅Π΄Π°ΡΠΎΡΠ½ΠΎΠ΅ ΠΎΡΠ½ΠΎΡΠ΅Π½ΠΈΠ΅ ΠΏΠ΅Π΄Π°Π»ΠΈ, Π½Π΅ΠΎΠ±Ρ ΠΎΠ΄ΠΈΠΌΠΎ ΠΏΡΠΎΠΈΠ·Π²Π΅ΡΡΠΈ Π½Π΅ΠΊΠΎΡΠΎΡΡΠ΅ ΠΈΠ·ΠΌΠ΅ΡΠ΅Π½ΠΈΡ. ΠΠ°ΠΌ Π½Π΅ΠΎΠ±Ρ ΠΎΠ΄ΠΈΠΌΠΎ Π²ΡΠΏΠΎΠ»Π½ΠΈΡΡ Π΄Π²Π° ΠΈΠ·ΠΌΠ΅ΡΠ΅Π½ΠΈΡ: Π΄Π»ΠΈΠ½Ρ ΠΎΡ ΠΎΡΠΈ Π²ΡΠ°ΡΠ΅Π½ΠΈΡ ΠΏΠ΅Π΄Π°Π»ΠΈ Π΄ΠΎ ΠΎΡΠ²Π΅ΡΡΡΠΈΡ Π΄Π»Ρ ΡΠΎΠ»ΠΊΠ°ΡΠ΅Π»Ρ (Y) ΠΈ ΠΎΡ ΠΎΡΠΈ Π΄ΠΎ ΡΠ΅Π½ΡΡΠ° ΠΏΠ΅Π΄Π°Π»ΠΈ ΡΠΎΡΠΌΠΎΠ·Π° (X). Π€ΠΎΡΠΌΡΠ»Π°: X / Y = Π‘ΠΎΠΎΡΠ½ΠΎΡΠ΅Π½ΠΈΠ΅. ΠΠ°ΠΏΡΠΈΠΌΠ΅Ρ, Π²Π°ΡΠ° ΡΡΠ°Π½Π΄Π°ΡΡΠ½Π°Ρ ΠΏΠ΅Π΄Π°Π»Ρ ΡΡΠ΅ΠΏΠ»Π΅Π½ΠΈΡ ΠΈΠΌΠ΅Π΅Ρ Π΄Π»ΠΈΠ½Ρ 14 Π΄ΡΠΉΠΌΠΎΠ² (X), Π° ΡΠΎΡΠΊΠ° Π·Π°Ρ Π²Π°ΡΠ° Π½Π°Ρ ΠΎΠ΄ΠΈΡΡΡ Π½Π° ΡΠ°ΡΡΡΠΎΡΠ½ΠΈΠΈ 4 Π΄ΡΠΉΠΌΠΎΠ² ΠΎΡ ΡΠ΅Π½ΡΡΠ° ΠΎΡΠΈ (Y). 14/4 = 3,5, ΡΡΠΎ ΡΠ°Π²Π½ΠΎ 3.5: 1. Π₯ΠΎΡΡ ΡΡΠΎ ΠΌΠΎΠ³Π»ΠΎ ΡΡΠ°Π±ΠΎΡΠ°ΡΡ Π΄Π»Ρ Π·Π°Π²ΠΎΠ΄ΡΠΊΠΎΠΉ ΡΡΡΠ½ΠΎΠΉ Π½Π°Π²Π΅ΡΠΊΠΈ, ΡΡΠΎ ΠΏΡΠΈΠΌΠ΅ΡΠ½ΠΎ ΠΏΠΎΠ»ΠΎΠ²ΠΈΠ½Π° ΡΠΎΠ³ΠΎ, ΡΡΠΎ Π½Π΅ΠΎΠ±Ρ ΠΎΠ΄ΠΈΠΌΠΎ Π΄Π»Ρ Π³ΠΈΠ΄ΡΠ°Π²Π»ΠΈΡΠ΅ΡΠΊΠΎΠΉ ΡΡΡΠ°Π½ΠΎΠ²ΠΊΠΈ. Π ΡΡΠΎΠΉ ΡΠΈΡΡΠ°ΡΠΈΠΈ Π΄Π°Π²Π»Π΅Π½ΠΈΠ΅ ΡΡΠΎΠΏΡ 100 ΡΡΠ½ΡΠΎΠ² Π΄Π°Π΅Ρ Π΄Π°Π²Π»Π΅Π½ΠΈΠ΅ Π² Π³Π»Π°Π²Π½ΠΎΠΌ ΡΠΈΠ»ΠΈΠ½Π΄ΡΠ΅ 350 ΡΡΠ½ΡΠΎΠ². ΠΠ΅ΡΠ΅ΠΌΠ΅ΡΡΠΈΡΠ΅ ΡΠΎΡΠΊΡ Π·Π°Ρ Π²Π°ΡΠ° Π²Π²Π΅ΡΡ Π½Π° 1,75 Π΄ΡΠΉΠΌΠ° (ΡΠ°Π·ΠΌΠ΅Ρ ΠΏΠΎ ΠΎΡΠΈ Y 2,25 Π΄ΡΠΉΠΌΠ°), ΠΈ ΡΠ΅ ΠΆΠ΅ 100 ΡΡΠ½ΡΠΎΠ² Π΄Π°Π²Π»Π΅Π½ΠΈΡ Π½ΠΎΠ³Π°ΠΌΠΈ ΠΏΡΠΈΠ²Π΅Π΄ΡΡ ΠΊ 600 ΡΡΠ½ΡΠ°ΠΌ Π½Π° Π³Π»Π°Π²Π½ΠΎΠΌ ΡΠΈΠ»ΠΈΠ½Π΄ΡΠ΅.
ΠΠ»Ρ Π±ΠΎΠ»ΡΡΠΈΠ½ΡΡΠ²Π° ΠΏΡΠΈΠΌΠ΅Π½Π΅Π½ΠΈΠΉ Π²Ρ ΠΌΠΎΠΆΠ΅ΡΠ΅ ΠΏΠΎΠ΄Π½ΡΡΡ ΡΠΎΡΠΊΡ Π·Π°Ρ
Π²Π°ΡΠ°, ΠΏΡΠΎΡΡΠΎ ΠΏΡΠΎΡΠ²Π΅ΡΠ»ΠΈΠ² Π½ΠΎΠ²ΠΎΠ΅ ΠΎΡΠ²Π΅ΡΡΡΠΈΠ΅ Π² ΡΡΡΠ°Π³Π΅ ΠΏΠ΅Π΄Π°Π»ΠΈ, Π½ΠΎ Π² Π½Π΅ΠΊΠΎΡΠΎΡΡΡ
Π°Π²ΡΠΎΠΌΠΎΠ±ΠΈΠ»ΡΡ
, Π½Π°ΠΏΡΠΈΠΌΠ΅Ρ, Ρ ΠΊΡΠ·ΠΎΠ²Π°ΠΌΠΈ GM A, ΠΈΡΠΏΠΎΠ»ΡΠ·ΡΠ΅ΡΡΡ ΠΊΠΎΠ½ΡΡΡΡΠΊΡΠΈΡ ΠΏΠ΅Π΄Π°Π»ΠΈ ΠΈΠ·Π²ΠΈΠ»ΠΈΡΡΠΎΠΉ ΡΠΎΡΠΌΡ, ΠΊΠΎΡΠΎΡΠ°Ρ ΡΡΠ΅Π±ΡΠ΅Ρ ΡΠ²Π°ΡΠΊΠΈ, Π΅ΡΠ»ΠΈ Π²Ρ Ρ
ΠΎΡΠΈΡΠ΅ ΠΏΠΎΠ΄Π½ΡΡΡ ΡΠΎΡΠΊΡ Π·Π°Ρ
Π²Π°ΡΠ°.
ΠΡΠΎ ΠΌΠΎΠΆΠ½ΠΎ ΡΠ΄Π΅Π»Π°ΡΡ Ρ ΠΏΠΎΠΌΠΎΡΡΡ ΡΡΠ°Π»ΡΠ½ΠΎΠ³ΠΎ ΡΠ·ΡΡΠΊΠ° ΡΠΎΠ»ΡΠΈΠ½ΠΎΠΉ ΒΌ Π΄ΡΠΉΠΌΠ°, ΠΏΡΠΈΠ²Π°ΡΠ΅Π½Π½ΠΎΠ³ΠΎ ΠΊ ΠΏΠ΅Π΄Π°Π»ΠΈ Π² Π½ΡΠΆΠ½ΠΎΠΌ Π²Π°ΠΌ ΠΌΠ΅ΡΡΠ΅. ΠΡΠΎΡ ΠΏΡΠΎΡΠ΅ΡΡ ΠΌΠΎΠΆΠ΅Ρ ΡΡΠ»ΠΎΠΆΠ½ΠΈΡΡΡΡ, Π΅ΡΠ»ΠΈ Π²Ρ ΠΏΠΎΠΏΡΡΠ°Π΅ΡΠ΅ΡΡ ΠΈΡΠΏΠΎΠ»ΡΠ·ΠΎΠ²Π°ΡΡ Π·Π°Π²ΠΎΠ΄ΡΠΊΠΎΠ΅ ΠΎΡΠ²Π΅ΡΡΡΠΈΠ΅ Π² Π±ΡΠ°Π½Π΄ΠΌΠ°ΡΡΡΠ΅ Π΄Π»Ρ Π³Π»Π°Π²Π½ΠΎΠ³ΠΎ ΡΠΈΠ»ΠΈΠ½Π΄ΡΠ°.
Π§Π΅ΠΌ Π±ΠΎΠ»ΡΡΠ΅ ΡΠ³ΠΎΠ» Π½Π°ΠΊΠ»ΠΎΠ½Π° Π³Π»Π°Π²Π½ΠΎΠ³ΠΎ ΡΠΈΠ»ΠΈΠ½Π΄ΡΠ°, Π²Ρ ΡΠΈΡΠΊΡΠ΅ΡΠ΅ ΡΠΎΠ·Π΄Π°ΡΡ Π·Π°Π΅Π΄Π°Π½ΠΈΠ΅, ΠΊΠΎΡΠΎΡΠΎΠ΅ Π½Π΅Π²ΠΎΠ·ΠΌΠΎΠΆΠ½ΠΎ ΠΏΡΠ΅ΠΎΠ΄ΠΎΠ»Π΅ΡΡ Π½ΠΈΠΊΠ°ΠΊΠΈΠΌ ΠΏΠ΅ΡΠ΅Π΄Π°ΡΠΎΡΠ½ΡΠΌ ΡΠΈΡΠ»ΠΎΠΌ ΠΏΠ΅Π΄Π°Π»ΠΈ. ΠΠ»Ρ ΡΡΠΎΠ³ΠΎ ΡΡΠ΅Π½Π°ΡΠΈΡ Π΅ΡΡΡ Π½Π΅ΡΠΊΠΎΠ»ΡΠΊΠΎ ΡΠ΅ΡΠ΅Π½ΠΈΠΉ. ΠΠ΅ΡΠ²ΡΠΉ — ΠΏΠ΅ΡΠ΅ΠΌΠ΅ΡΡΠΈΡΡ Π³Π»Π°Π²Π½ΡΠΉ ΡΠΈΠ»ΠΈΠ½Π΄Ρ Π²Π²Π΅ΡΡ Π½Π° Π±ΡΠ°Π½Π΄ΠΌΠ°ΡΡΡΠ΅, ΡΠΌΠ΅Π½ΡΡΠ°Ρ ΡΠ³ΠΎΠ». ΠΡΠΎ Π½Π΅ Π²ΡΠ΅Π³Π΄Π° Π²ΠΎΠ·ΠΌΠΎΠΆΠ½ΠΎ, ΡΠ°ΠΊ ΠΊΠ°ΠΊ ΡΡΠΈΠ»ΠΈΡΠ΅Π»Ρ ΡΠΎΡΠΌΠΎΠ·ΠΎΠ² ΠΈΠ»ΠΈ Π΄ΡΡΠ³ΠΈΠ΅ ΠΏΡΠ΅Π΄ΠΌΠ΅ΡΡ, ΠΊΠΎΡΠΎΡΡΠ΅ Π½Π΅Π»ΡΠ·Ρ Π»Π΅Π³ΠΊΠΎ ΠΏΠ΅ΡΠ΅ΠΌΠ΅ΡΡΠΈΡΡ, ΠΌΠ΅ΡΠ°ΡΡ.ΠΡΡΠ³ΠΎΠΉ Π²Π°ΡΠΈΠ°Π½Ρ — ΡΠ΅Π³ΡΠ»ΠΈΡΡΠ΅ΠΌΠΎΠ΅ ΠΊΡΠ΅ΠΏΠ»Π΅Π½ΠΈΠ΅ ΠΌΠ΅ΠΆΡΠ΅ΡΠ΅Π²ΠΎΠ³ΠΎ ΡΠΊΡΠ°Π½Π° American Powertrain.
ΠΠ°ΠΏΠ°ΡΠ΅Π½ΡΠΎΠ²Π°Π½Π½ΠΎΠ΅ ΠΊΡΠ΅ΠΏΠ»Π΅Π½ΠΈΠ΅ ΠΊ Π±ΡΠ°Π½Π΄ΠΌΠ°ΡΡΡΡ ΠΏΠΎΠ·Π²ΠΎΠ»ΡΠ΅Ρ Π³Π»Π°Π²Π½ΠΎΠΌΡ ΡΠΈΠ»ΠΈΠ½Π΄ΡΡ ΡΠ΅Π³ΡΠ»ΠΈΡΠΎΠ²Π°ΡΡ ΡΠ³ΠΎΠ» ΡΠΎΠ»ΠΊΠ°ΡΠ΅Π»Ρ ΡΡΠ΅ΠΏΠ»Π΅Π½ΠΈΡ ΠΏΡΠΈ ΡΡΡΠ°Π½ΠΎΠ²ΠΊΠ΅ Π½Π°Π΄ ΠΈΠ»ΠΈ ΠΏΠΎΠ΄ ΡΠΎΡΠΊΠΎΠΉ Π·Π°Ρ Π²Π°ΡΠ° Π½Π° ΡΠ°ΠΌΠΎΠΉ ΠΏΠ΅Π΄Π°Π»ΠΈ. ΠΠΎΡΠΊΠΎΠ»ΡΠΊΡ Π³Π»Π°Π²Π½ΡΠΉ ΡΠΈΠ»ΠΈΠ½Π΄Ρ ΠΏΡΠ΅Π΄ΡΡΠ°Π²Π»ΡΠ΅Ρ ΡΠΎΠ±ΠΎΠΉ Π³Π΅ΡΠΌΠ΅ΡΠΈΡΠ½ΡΡ ΡΠΈΡΡΠ΅ΠΌΡ, ΡΠ°ΠΌ ΡΠ³ΠΎΠ» Π½Π΅ Π²Π»ΠΈΡΠ΅Ρ Π½Π° ΡΠ°Π±ΠΎΡΡ Π³Π»Π°Π²Π½ΠΎΠ³ΠΎ ΡΠΈΠ»ΠΈΠ½Π΄ΡΠ°. ΠΡΠ»ΠΈ Ρ Π²Π°Ρ Π΅ΡΡΡ ΡΡΠΎ ΠΊΡΠ΅ΠΏΠ»Π΅Π½ΠΈΠ΅, Π° ΡΠ³ΠΎΠ» Π²ΡΠ΅ Π΅ΡΠ΅ ΡΠ»ΠΈΡΠΊΠΎΠΌ Π²Π΅Π»ΠΈΠΊ, Π²Π°ΠΌ Π½Π΅ΠΎΠ±Ρ ΠΎΠ΄ΠΈΠΌΠΎ ΠΏΠ΅ΡΠ΅ΠΌΠ΅ΡΡΠΈΡΡ Π³Π»Π°Π²Π½ΡΠΉ ΡΠΈΠ»ΠΈΠ½Π΄Ρ. ΠΠ΅ΡΠ΅Π΄Π°ΡΠΎΡΠ½ΠΎΠ΅ ΡΠΈΡΠ»ΠΎ 6: 1 ΡΠ΅ΠΊΠΎΠΌΠ΅Π½Π΄ΡΠ΅ΡΡΡ Π΄Π»Ρ Π³Π»Π°Π²Π½ΠΎΠ³ΠΎ ΡΠΈΠ»ΠΈΠ½Π΄ΡΠ° Ρ Π²Π½ΡΡΡΠ΅Π½Π½ΠΈΠΌ Π΄ΠΈΠ°ΠΌΠ΅ΡΡΠΎΠΌ 3/4 Π΄ΡΠΉΠΌΠ° ΠΈΠ»ΠΈ 13/16 Π΄ΡΠΉΠΌΠ°.ΠΡΠ»ΠΈ Π΄Π»ΠΈΠ½Π° Π²Π°ΡΠ΅ΠΉ ΠΏΠ΅Π΄Π°Π»ΠΈ ΡΠΎΡΡΠ°Π²Π»ΡΠ΅Ρ 12 Π΄ΡΠΉΠΌΠΎΠ² ΠΎΡ ΡΠΎΡΠΊΠΈ ΠΏΠΎΠ²ΠΎΡΠΎΡΠ° Π΄ΠΎ ΠΏΠΎΠ΄Π½ΠΎΠΆΠΊΠΈ ΠΏΠ΅Π΄Π°Π»ΠΈ, Π²Π°ΠΌ ΠΠ ΡΠ»Π΅Π΄ΡΠ΅Ρ ΠΏΠΎΠ΄ΡΠΎΠ΅Π΄ΠΈΠ½ΡΡΡ ΡΠΎΠ»ΠΊΠ°ΡΠ΅Π»Ρ ΠΊ ΠΏΠ΅Π΄Π°Π»ΠΈ Π΄Π°Π»ΡΡΠ΅, ΡΠ΅ΠΌ Π½Π° 2 Π΄ΡΠΉΠΌΠ° Π²Π½ΠΈΠ· ΠΎΡ ΡΠΎΡΠΊΠΈ ΠΏΠΎΠ²ΠΎΡΠΎΡΠ° ΠΏΠ΅Π΄Π°Π»ΠΈ.
ΠΠΎΡ ΡΡ Π΅ΠΌΠ° Π΄Π»Ρ ΠΈΠ·ΠΌΠ΅ΡΠ΅Π½ΠΈΡ ΠΏΠ΅ΡΠ΅Π΄Π°ΡΠΎΡΠ½ΠΎΠ³ΠΎ ΠΎΡΠ½ΠΎΡΠ΅Π½ΠΈΡ ΠΏΠ΅Π΄Π°Π»ΠΈ. ΠΡΠ΅Π³Π΄Π° ΠΈΠ·ΠΌΠ΅ΡΡΠΉΡΠ΅ ΠΏΠΎ ΡΠ΅Π½ΡΡΡ ΠΎΡΠΈ, ΡΠΎΡΠΊΠ΅ Π·Π°Ρ Π²Π°ΡΠ° ΠΈ ΡΠ΅Π½ΡΡΡ ΠΏΠ΅Π΄Π°Π»ΠΈ.
ΠΡΠΎ ΠΏΠ΅Π΄Π°Π»Ρ ΡΠΎΡΠΌΠΎΠ·Π°, Π½ΠΎ ΠΌΠ°ΡΠ΅ΠΌΠ°ΡΠΈΠΊΠ° ΡΠ° ΠΆΠ΅. ΠΠ° ΡΡΠΎΠΉ ΠΏΠ΅Π΄Π°Π»ΠΈ ΡΠΎΡΠΊΠ° Π·Π°Ρ Π²Π°ΡΠ° Π½Π°Ρ ΠΎΠ΄ΠΈΡΡΡ Π½Π° ΡΠ°ΡΡΡΠΎΡΠ½ΠΈΠΈ 5 5/8 Π΄ΡΠΉΠΌΠ° ΠΎΡ ΡΠΎΡΠΊΠΈ ΠΎΠΏΠΎΡΡ.
ΠΠ»ΠΈΠ½Π° ΠΏΠ΅Π΄Π°Π»ΠΈ 14 Π΄ΡΠΉΠΌΠΎΠ² ΠΎΡ ΡΠΎΡΠΊΠΈ ΠΎΠΏΠΎΡΡ Π΄ΠΎ ΡΠ΅Π½ΡΡΠ° ΠΏΠ΅Π΄Π°Π»ΠΈ.ΠΠ°ΡΠ΅ΠΌΠ°ΡΠΈΠΊΠ° ΠΏΠΎΠΊΠ°Π·ΡΠ²Π°Π΅Ρ, ΡΡΠΎ ΡΡΠΎ ΡΠΎΠΎΡΠ½ΠΎΡΠ΅Π½ΠΈΠ΅ ΡΠΎΡΡΠ°Π²Π»ΡΠ΅Ρ 2,48: 1, ΡΡΠΎ ΡΠΌΠ΅Ρ ΠΎΡΠ²ΠΎΡΠ½ΠΎ ΠΌΠ°Π»ΠΎ.
Π§ΡΠΎΠ±Ρ ΡΡΠ° ΠΏΠ΅Π΄Π°Π»Ρ ΡΠΎΠΎΡΠ²Π΅ΡΡΡΠ²ΠΎΠ²Π°Π»Π° ΡΠΎΠΎΡΠ½ΠΎΡΠ΅Π½ΠΈΡ 6: 1 (ΡΡΠΎ ΡΠ°ΠΊΠΆΠ΅ ΡΠ²Π»ΡΠ΅ΡΡΡ ΠΎΠΏΡΠΈΠΌΠ°Π»ΡΠ½ΡΠΌ ΡΠΎΠΎΡΠ½ΠΎΡΠ΅Π½ΠΈΠ΅ΠΌ Π΄Π»Ρ ΠΏΠ΅Π΄Π°Π»Π΅ΠΉ ΡΠΎΡΠΌΠΎΠ·Π°), ΠΌΡ ΠΏΡΠΎΡΠ²Π΅ΡΠ»ΠΈΠ»ΠΈ Π½ΠΎΠ²ΡΡ ΡΠΎΡΠΊΡ Π·Π°Ρ Π²Π°ΡΠ°. ΠΡΠ΅ Π»ΡΡΡΠ΅.
ΠΠ° ΡΡΠΎΠΌ ΠΡΡΡΠ°Π½Π³Π΅ 1965 Π³ΠΎΠ΄Π° Π·Π°Π²ΠΎΠ΄ΡΠΊΠ°Ρ ΠΏΠ΅Π΄Π°Π»Ρ ΡΡΠ΅ΠΏΠ»Π΅Π½ΠΈΡ Π½Π°Ρ
ΠΎΠ΄ΠΈΡΡΡ ΠΎΡΠ΅Π½Ρ Π±Π»ΠΈΠ·ΠΊΠΎ ΠΊ ΡΠΎΡΠΊΠ΅ ΠΎΠΏΠΎΡΡ, ΠΎΠ±Π΅ΡΠΏΠ΅ΡΠΈΠ²Π°Ρ ΠΏΠΎΠ΄Ρ
ΠΎΠ΄ΡΡΠ΅Π΅ ΠΏΠ΅ΡΠ΅Π΄Π°ΡΠΎΡΠ½ΠΎΠ΅ ΠΎΡΠ½ΠΎΡΠ΅Π½ΠΈΠ΅ Π΄Π»Ρ Π³Π»Π°Π²Π½ΠΎΠ³ΠΎ ΡΠΈΠ»ΠΈΠ½Π΄ΡΠ°.
ΠΡ Π΄Π°ΠΆΠ΅ ΡΠΌΠΎΠ³Π»ΠΈ ΠΈΡΠΏΠΎΠ»ΡΠ·ΠΎΠ²Π°ΡΡ ΠΈΡΡ
ΠΎΠ΄Π½ΡΡ Π΄ΡΡΡ Π² Π±ΡΠ°Π½Π΄ΠΌΠ°ΡΡΡΠ΅.
GM Ρ A-ΠΊΡΠ·ΠΎΠ²ΠΎΠΌ (Chevelle, Skylark / GS, 442 ΠΈ Ρ. Π.) ΠΠΌΠ΅ΡΡ ΠΏΠ΅Π΄Π°Π»Ρ ΡΡΠ΅ΠΏΠ»Π΅Π½ΠΈΡ Π² ΡΡΠΈΠ»Π΅ ΡΠ°Π½ΠΊ, ΠΊΠ°ΠΊ ΠΏΠΎΠΊΠ°Π·Π°Π½ΠΎ Π·Π΄Π΅ΡΡ.ΠΡΠ»ΠΈ Π²Π°ΠΌ Π½ΡΠΆΠ½ΠΎ ΠΈΠ·ΠΌΠ΅Π½ΠΈΡΡ ΡΠΎΠΎΡΠ½ΠΎΡΠ΅Π½ΠΈΠ΅, ΠΏΠΎΡΡΠ΅Π±ΡΠ΅ΡΡΡ ΠΈΠ·Π³ΠΎΡΠΎΠ²Π»Π΅Π½ΠΈΠ΅ ΠΈ ΡΠ²Π°ΡΠΊΠ°.
ΠΠ²ΡΠΎΡ: ΠΠΆΠ΅ΡΡΠ΅ΡΡΠΎΠ½ ΠΡΠ°ΠΉΠ°Π½Ρ
ΠΡΡΠΎΡΠ½ΠΈΠΊΠΈ:
Red Dirt Rodz
4518 Braxton Ln
Stillwater, OK 74074
405-880-5343
www.RedDirtRodz.com
American Powertrain
3075 Poplar Grove Rd
Cookeville, TN 38501
1-931-646-4836
www.americanpowertrain.com
Π― ΠΏΠΎΡΡΠ°Π²ΠΈΠ» Π½ΠΎΠ²ΡΠΉ ΠΊΠΎΠΌΠΏΠ»Π΅ΠΊΡ ΡΠ°Π±ΠΎΡΠ΅Π³ΠΎ ΡΠΈΠ»ΠΈΠ½Π΄ΡΠ° …
ΠΡΠΈΠ²Π΅Ρ, ΠΠΎΡΠΊΠΎΠ»ΡΠΊΡ ΡΡΠΎ Π³ΠΈΠ΄ΡΠ°Π²Π»ΠΈΡΠ΅ΡΠΊΠΎΠ΅ ΡΡΠ΅ΠΏΠ»Π΅Π½ΠΈΠ΅, ΡΠ΅Π³ΡΠ»ΠΈΡΠΎΠ²ΠΊΠΈ Π½Π΅Ρ. Π― Π·Π½Π°Ρ, ΡΡΠΎ ΡΠΈΡΡΠ΅ΠΌΠ° ΠΏΡΠΎΠ΄Π°Π΅ΡΡΡ ΠΊΠ°ΠΊ Π΅Π΄ΠΈΠ½ΠΎΠ΅ ΡΠ΅Π»ΠΎΠ΅, Π° Π½Π΅ ΠΊΠ°ΠΊ ΠΎΡΠ΄Π΅Π»ΡΠ½ΡΠ΅ ΠΊΠΎΠΌΠΏΠΎΠ½Π΅Π½ΡΡ, ΠΏΠΎΡΡΠΎΠΌΡ Ρ ΠΌΠ΅Π½Ρ ΡΠ°ΠΊΠΎΠ΅ ΡΡΠ²ΡΡΠ²ΠΎ, ΡΡΠΎ Π²Ρ Π²ΡΠ±ΡΠ°Π»ΠΈ Π½Π΅ ΡΡ ΡΠ°ΡΡΡ. ΠΡΠΎ ΠΏΠΎΡ
ΠΎΠΆΠ΅ Π½Π° ΡΠΎ, ΡΡΠΎ Ρ ΠΎΠ±Π²Π΅Π»Π° Π½Π° ΡΠΈΡ. 1?
__________________________________________
ΠΠΎΡ ΠΈΠ½ΡΡΡΡΠΊΡΠΈΠΈ ΠΏΡΠΎΠΈΠ·Π²ΠΎΠ΄ΠΈΡΠ΅Π»Ρ ΠΏΠΎ Π·Π°ΠΌΠ΅Π½Π΅. ΠΠΎΡΠΌΠΎΡΡΠΈΡΠ΅, ΠΌΠΎΠΆΠ΅Ρ Π±ΡΡΡ, ΡΡΠΎ-ΡΠΎ Π±ΡΠ»ΠΎ ΡΠΏΡΡΠ΅Π½ΠΎ.
1997 ΠΠΎΠ΄ΠΆ ΠΈΠ»ΠΈ ΡΠ΅Π»Π΅ΠΆΠΊΠ° RAM 1500 ΡΠ΅Π»Π΅ΠΆΠΊΠΈ 2WD V8-5.2L VIN Y
Ram
ΠΡΠΎΡΠ΅Π΄ΡΡΡ
Π’ΡΠ°Π½ΡΠΌΠΈΡΡΠΈΡ ΠΈ ΡΡΠ°Π½ΡΠΌΠΈΡΡΠΈΡ Π°Π²ΡΠΎΠΌΠΎΠ±ΠΈΠ»Ρ ΠΡΠΎΡΠ΅Π΄ΡΡΡ ΠΎΠ±ΡΠ»ΡΠΆΠΈΠ²Π°Π½ΠΈΡ ΠΈ ΡΠ΅ΠΌΠΎΠ½ΡΠ° ΡΠ°Π±ΠΎΡΠ΅Π³ΠΎ ΡΠΈΠ»ΠΈΠ½Π΄ΡΠ° ΡΡΠ΅ΠΏΠ»Π΅Π½ΠΈΡ ΠΠΈΠ΄ΡΠ°Π²Π»ΠΈΡΠ΅ΡΠΊΠ°Ρ ΡΠΈΡΡΠ΅ΠΌΠ° ΡΡΠ΅ΠΏΠ»Π΅Π½ΠΈΡ
ΠΠ ΠΠ¦ΠΠΠ£Π Π«
ΠΠ ΠΠΠΠ§ΠΠΠΠ. ΠΠ»Π°Π²Π½ΡΠΉ ΡΠΈΠ»ΠΈΠ½Π΄Ρ ΡΡΠ΅ΠΏΠ»Π΅Π½ΠΈΡ, Π²ΡΠ½ΠΎΡΠ½ΠΎΠΉ ΡΠ΅Π·Π΅ΡΠ²ΡΠ°Ρ, ΡΠ°Π±ΠΎΡΠΈΠΉ ΡΠΈΠ»ΠΈΠ½Π΄Ρ ΠΈ ΡΠΎΠ΅Π΄ΠΈΠ½ΠΈΡΠ΅Π»ΡΠ½ΡΠ΅ ΡΡΡΠ±ΠΎΠΏΡΠΎΠ²ΠΎΠ΄Ρ ΠΎΠ±ΡΠ»ΡΠΆΠΈΠ²Π°ΡΡΡΡ Π² ΡΠ±ΠΎΡΠ΅.ΠΡΠΈ ΠΊΠΎΠΌΠΏΠΎΠ½Π΅Π½ΡΡ Π½Π΅Π»ΡΠ·Ρ ΠΎΠ±ΡΠ»ΡΠΆΠΈΠ²Π°ΡΡ ΠΎΡΠ΄Π΅Π»ΡΠ½ΠΎ. Π¦ΠΈΠ»ΠΈΠ½Π΄ΡΡ Π½Π°Π²Π΅ΡΠΊΠΈ ΠΈ ΡΠΎΠ΅Π΄ΠΈΠ½ΠΈΡΠ΅Π»ΡΠ½ΡΠ΅ Π»ΠΈΠ½ΠΈΠΈ ΠΏΡΠ΅Π΄ΡΡΠ°Π²Π»ΡΡΡ ΡΠΎΠ±ΠΎΠΉ Π³Π΅ΡΠΌΠ΅ΡΠΈΡΠ½ΡΠ΅ ΡΠ·Π»Ρ. ΠΠΎ Π²ΡΠ΅ΠΌΡ ΠΏΡΠΎΠΈΠ·Π²ΠΎΠ΄ΡΡΠ²Π° ΠΎΠ½ΠΈ ΠΏΡΠ΅Π΄Π²Π°ΡΠΈΡΠ΅Π»ΡΠ½ΠΎ Π·Π°ΠΏΠΎΠ»Π½ΡΡΡΡΡ ΠΆΠΈΠ΄ΠΊΠΎΡΡΡΡ, ΠΈΡ
Π½Π΅Π»ΡΠ·Ρ ΡΠ°Π·Π±ΠΈΡΠ°ΡΡ ΠΈΠ»ΠΈ ΠΎΡΡΠΎΠ΅Π΄ΠΈΠ½ΡΡΡ.
Π‘ΠΠ―Π’ΠΠ
1. ΠΠΎΠ΄Π½ΠΈΠΌΠΈΡΠ΅ ΠΈ ΠΏΠΎΠ΄Π΄Π΅ΡΠΆΠΈΡΠ΅ Π°Π²ΡΠΎΠΌΠΎΠ±ΠΈΠ»Ρ.
2. ΠΠ° ΠΌΠΎΠ΄Π΅Π»ΡΡ
Ρ Π΄ΠΈΠ·Π΅Π»ΡΠ½ΡΠΌ Π΄Π²ΠΈΠ³Π°ΡΠ΅Π»Π΅ΠΌ ΡΠ½ΠΈΠΌΠΈΡΠ΅ ΡΠΈΡ ΡΠ°Π±ΠΎΡΠ΅Π³ΠΎ ΡΠΈΠ»ΠΈΠ½Π΄ΡΠ° Ρ ΠΊΠ°ΡΡΠ΅ΡΠ° ΡΡΠ΅ΠΏΠ»Π΅Π½ΠΈΡ, Π΅ΡΠ»ΠΈ ΠΎΠ½ Π΅ΡΡΡ.
3. ΠΡΠ²Π΅ΡΠ½ΠΈΡΠ΅ Π³Π°ΠΉΠΊΠΈ ΠΊΡΠ΅ΠΏΠ»Π΅Π½ΠΈΡ ΡΠ°Π±ΠΎΡΠ΅Π³ΠΎ ΡΠΈΠ»ΠΈΠ½Π΄ΡΠ° ΠΊ ΡΠΏΠΈΠ»ΡΠΊΠ°ΠΌ Π½Π° ΠΊΠ°ΡΡΠ΅ΡΠ΅ ΡΡΠ΅ΠΏΠ»Π΅Π½ΠΈΡ.
4. Π‘Π½ΠΈΠΌΠΈΡΠ΅ ΡΠ°Π±ΠΎΡΠΈΠΉ ΡΠΈΠ»ΠΈΠ½Π΄Ρ Ρ ΠΊΠ°ΡΡΠ΅ΡΠ° ΡΡΠ΅ΠΏΠ»Π΅Π½ΠΈΡ.
5. ΠΡΡΠΎΠ΅Π΄ΠΈΠ½ΠΈΡΠ΅ ΠΆΠΈΠ΄ΠΊΠΎΡΡΠ½ΡΡ ΠΌΠ°Π³ΠΈΡΡΡΠ°Π»Ρ ΡΠ°Π±ΠΎΡΠ΅Π³ΠΎ ΡΠΈΠ»ΠΈΠ½Π΄ΡΠ° ΠΎΡ ΡΠΈΠΊΡΠΈΡΡΡΡΠΈΡ
Π·Π°ΠΆΠΈΠΌΠΎΠ² ΠΊΠΎΡΠΏΡΡΠ°.
6. ΠΠΏΡΡΡΠΈΡΠ΅ Π°Π²ΡΠΎΠΌΠΎΠ±ΠΈΠ»Ρ.
7. ΠΡΡΠΎΠ΅Π΄ΠΈΠ½ΠΈΡΠ΅ ΠΏΡΠΎΠ²ΠΎΠ΄Π° Π²ΡΠΊΠ»ΡΡΠ°ΡΠ΅Π»Ρ Π±Π»ΠΎΠΊΠΈΡΠΎΠ²ΠΊΠΈ ΠΏΠ΅Π΄Π°Π»ΠΈ ΡΡΠ΅ΠΏΠ»Π΅Π½ΠΈΡ.
Π ΠΈΡ 2
8. Π‘Π½ΠΈΠΌΠΈΡΠ΅ ΡΠΈΠΊΡΠΈΡΡΡΡΠΈΠΉ Π·Π°ΠΆΠΈΠΌ Ρ ΠΌΠΎΠ½ΡΠ°ΠΆΠ½ΠΎΠ³ΠΎ ΠΊΡΠΎΠ½ΡΡΠ΅ΠΉΠ½Π° Π³Π»Π°Π²Π½ΠΎΠ³ΠΎ ΡΠΈΠ»ΠΈΠ½Π΄ΡΠ° ΡΡΠ΅ΠΏΠ»Π΅Π½ΠΈΡ.
Π ΠΈΡ. 3
9. Π‘Π½ΠΈΠΌΠΈΡΠ΅ ΡΡΠΎΠΏΠΎΡΠ½ΡΠΉ Π·Π°ΠΆΠΈΠΌ, ΠΏΠ»ΠΎΡΠΊΡΡ ΡΠ°ΠΉΠ±Ρ ΠΈ Π²ΠΎΠ»Π½ΠΈΡΡΡΡ ΡΠ°ΠΉΠ±Ρ, ΠΊΠΎΡΠΎΡΡΠ΅ ΠΏΡΠΈΠΊΡΠ΅ΠΏΠ»ΡΡΡ ΡΡΠΎΠΊ Π³Π»Π°Π²Π½ΠΎΠ³ΠΎ ΡΠΈΠ»ΠΈΠ½Π΄ΡΠ° ΡΡΠ΅ΠΏΠ»Π΅Π½ΠΈΡ ΠΊ ΠΏΠ΅Π΄Π°Π»ΠΈ ΡΡΠ΅ΠΏΠ»Π΅Π½ΠΈΡ.
10. Π‘Π½ΠΈΠΌΠΈΡΠ΅ ΡΡΠΎΠΊ Π³Π»Π°Π²Π½ΠΎΠ³ΠΎ ΡΠΈΠ»ΠΈΠ½Π΄ΡΠ° ΡΡΠ΅ΠΏΠ»Π΅Π½ΠΈΡ Ρ ΠΏΠ΅Π΄Π°Π»ΠΈ
.
11.ΠΡΠΎΠ²Π΅ΡΡΡΠ΅ ΡΠΎΡΡΠΎΡΠ½ΠΈΠ΅ Π²ΡΡΠ»ΠΊΠΈ ΠΏΠ°Π»ΡΡΠ° ΠΏΠ΅Π΄Π°Π»ΠΈ ΡΡΠ΅ΠΏΠ»Π΅Π½ΠΈΡ. Π‘Π½ΠΈΠΌΠΈΡΠ΅ ΠΈ Π·Π°ΠΌΠ΅Π½ΠΈΡΠ΅ Π²ΡΡΠ»ΠΊΡ, Π΅ΡΠ»ΠΈ ΠΎΠ½Π° ΠΈΠ·Π½ΠΎΡΠ΅Π½Π° ΠΈΠ»ΠΈ ΠΏΠΎΠ²ΡΠ΅ΠΆΠ΄Π΅Π½Π°.
12. Π£Π±Π΅Π΄ΠΈΡΠ΅ΡΡ, ΡΡΠΎ ΠΊΡΡΡΠΊΠ° Π±Π°ΡΠΊΠ° Π³Π»Π°Π²Π½ΠΎΠ³ΠΎ ΡΠΈΠ»ΠΈΠ½Π΄ΡΠ° ΡΡΠ΅ΠΏΠ»Π΅Π½ΠΈΡ ΠΏΠ»ΠΎΡΠ½ΠΎ Π·Π°ΠΊΡΡΡΠ°. ΠΡΠΎ ΠΏΠΎΠ·Π²ΠΎΠ»ΠΈΡ ΠΈΠ·Π±Π΅ΠΆΠ°ΡΡ ΡΡΠ΅ΡΠΊΠΈ Π²ΠΎ Π²ΡΠ΅ΠΌΡ ΡΠ΄Π°Π»Π΅Π½ΠΈΡ.
13. ΠΡΠ²Π΅ΡΠ½ΠΈΡΠ΅ Π²ΠΈΠ½ΡΡ, ΠΊΠΎΡΠΎΡΡΠΌΠΈ Π±Π°ΡΠΎΠΊ Ρ ΠΆΠΈΠ΄ΠΊΠΎΡΡΡΡ ΡΡΠ΅ΠΏΠ»Π΅Π½ΠΈΡ ΠΊΡΠ΅ΠΏΠΈΡΡΡ ΠΊ ΠΏΠ΅ΡΠ΅Π΄Π½Π΅ΠΉ ΠΏΠ°Π½Π΅Π»ΠΈ.
14. ΠΡΠ²Π΅ΡΠ½ΠΈΡΠ΅ Π²ΠΈΠ½ΡΡ ΠΌΠΎΠ½ΡΠ°ΠΆΠ½ΠΎΠ³ΠΎ ΠΊΡΠΎΠ½ΡΡΠ΅ΠΉΠ½Π° Π±Π°ΡΠΊΠ° ΠΈ ΡΠ½ΠΈΠΌΠΈΡΠ΅ Π±Π°ΡΠΎΠΊ Ρ ΠΏΠ΅ΡΠ΅Π΄Π½Π΅ΠΉ ΠΏΠ°Π½Π΅Π»ΠΈ.
15. ΠΠΎΠ²Π΅ΡΠ½ΠΈΡΠ΅ Π³Π»Π°Π²Π½ΡΠΉ ΡΠΈΠ»ΠΈΠ½Π΄Ρ ΡΡΠ΅ΠΏΠ»Π΅Π½ΠΈΡ Π½Π° 45 ΠΏΡΠΎΡΠΈΠ² ΡΠ°ΡΠΎΠ²ΠΎΠΉ ΡΡΡΠ΅Π»ΠΊΠΈ, ΡΡΠΎΠ±Ρ ΡΠ°Π·Π±Π»ΠΎΠΊΠΈΡΠΎΠ²Π°ΡΡ Π΅Π³ΠΎ. ΠΠ°ΡΠ΅ΠΌ ΡΠ½ΠΈΠΌΠΈΡΠ΅ ΡΠΈΠ»ΠΈΠ½Π΄Ρ Ρ ΠΏΠ΅ΡΠ΅Π΄Π½Π΅ΠΉ ΠΏΠ°Π½Π΅Π»ΠΈ.
16. Π‘Π½ΠΈΠΌΠΈΡΠ΅ ΡΠ΅Π·ΠΈΠ½ΠΎΠ²ΠΎΠ΅ ΡΠΏΠ»ΠΎΡΠ½Π΅Π½ΠΈΠ΅ Π³Π»Π°Π²Π½ΠΎΠ³ΠΎ ΡΠΈΠ»ΠΈΠ½Π΄ΡΠ° ΡΡΠ΅ΠΏΠ»Π΅Π½ΠΈΡ Ρ ΠΏΠ΅ΡΠ΅Π΄Π½Π΅ΠΉ ΠΏΠ°Π½Π΅Π»ΠΈ.
17. Π‘Π½ΠΈΠΌΠΈΡΠ΅ ΡΠΈΠ»ΠΈΠ½Π΄ΡΡ ΡΡΠ΅ΠΏΠ»Π΅Π½ΠΈΡ, Π±Π°ΡΠΎΠΊ ΠΈ ΡΠΎΠ΅Π΄ΠΈΠ½ΠΈΡΠ΅Π»ΡΠ½ΡΠ΅ ΡΡΡΠ±ΠΎΠΏΡΠΎΠ²ΠΎΠ΄Ρ Ρ Π°Π²ΡΠΎΠΌΠΎΠ±ΠΈΠ»Ρ.
Π£Π‘Π’ΠΠΠΠΠΠ
1. ΠΠ°ΡΡΠ½ΠΈΡΠ΅ ΠΊΡΡΡΠΊΡ Π±Π°ΡΠΊΠ° Ρ ΠΆΠΈΠ΄ΠΊΠΎΡΡΡΡ ΡΡΠ΅ΠΏΠ»Π΅Π½ΠΈΡ, ΡΡΠΎΠ±Ρ ΠΈΠ·Π±Π΅ΠΆΠ°ΡΡ ΡΡΠ΅ΡΠΊΠΈ Π²ΠΎ Π²ΡΠ΅ΠΌΡ ΡΡΡΠ°Π½ΠΎΠ²ΠΊΠΈ.
2. Π Π°Π·ΠΌΠ΅ΡΡΠΈΡΠ΅ ΡΠΈΠ»ΠΈΠ½Π΄ΡΡ, ΡΠΎΠ΅Π΄ΠΈΠ½ΠΈΡΠ΅Π»ΡΠ½ΡΠ΅ ΡΡΡΠ±ΠΎΠΏΡΠΎΠ²ΠΎΠ΄Ρ ΠΈ ΡΠ΅Π·Π΅ΡΠ²ΡΠ°Ρ Π² ΠΌΠΎΡΠΎΡΠ½ΠΎΠΌ ΠΎΡΡΠ΅ΠΊΠ΅ Π°Π²ΡΠΎΠΌΠΎΠ±ΠΈΠ»Ρ.
3. Π‘ΠΌΠ°ΠΆΡΡΠ΅ ΡΠΏΠ»ΠΎΡΠ½Π΅Π½ΠΈΠ΅ ΡΠΈΠ»ΠΈΠ½Π΄ΡΠ° ΠΆΠΈΠ΄ΠΊΠΈΠΌ ΠΌΡΠ»ΠΎΠΌ Π΄Π»Ρ ΠΏΠΎΡΡΠ΄Ρ, ΡΡΠΎΠ±Ρ ΠΎΠ±Π»Π΅Π³ΡΠΈΡΡ ΡΡΡΠ°Π½ΠΎΠ²ΠΊΡ. ΠΠ°ΡΠ΅ΠΌ ΡΡΡΠ°Π½ΠΎΠ²ΠΈΡΠ΅ ΡΠΏΠ»ΠΎΡΠ½Π΅Π½ΠΈΠ΅ Π² ΡΠΎΡΠΏΠ΅Π΄ΠΎ ΠΈ Π²ΠΎΠΊΡΡΠ³ ΡΠΈΠ»ΠΈΠ½Π΄ΡΠ°.
4. ΠΡΡΠ°Π²ΡΡΠ΅ Π³Π»Π°Π²Π½ΡΠΉ ΡΠΈΠ»ΠΈΠ½Π΄Ρ ΡΡΠ΅ΠΏΠ»Π΅Π½ΠΈΡ Π² ΠΏΠ΅ΡΠ΅Π΄Π½ΡΡ ΠΏΠ°Π½Π΅Π»Ρ. ΠΠΎΠ²Π΅ΡΠ½ΠΈΡΠ΅ ΡΠΈΠ»ΠΈΠ½Π΄Ρ 45 ΠΏΠΎ ΡΠ°ΡΠΎΠ²ΠΎΠΉ ΡΡΡΠ΅Π»ΠΊΠ΅, ΡΡΠΎΠ±Ρ Π·Π°ΡΠΈΠΊΡΠΈΡΠΎΠ²Π°ΡΡ Π΅Π³ΠΎ Π½Π° ΠΌΠ΅ΡΡΠ΅.
5. ΠΡΠ»ΠΈ ΡΠΏΠ»ΠΎΡΠ½Π΅Π½ΠΈΠ΅ ΡΠΈΠ»ΠΈΠ½Π΄ΡΠ° ΡΡΡΠ°Π½Π°Π²Π»ΠΈΠ²Π°Π΅ΡΡΡ Ρ ΡΡΡΠ΄ΠΎΠΌ, ΡΠ°Π·Π±Π»ΠΎΠΊΠΈΡΡΠΉΡΠ΅ ΡΠΈΠ»ΠΈΠ½Π΄Ρ ΠΈ ΠΏΡΠΈ Π½Π΅ΠΎΠ±Ρ
ΠΎΠ΄ΠΈΠΌΠΎΡΡΠΈ ΡΠ½ΠΎΠ²Π° ΡΡΡΠ°Π½ΠΎΠ²ΠΈΡΠ΅ ΡΠΏΠ»ΠΎΡΠ½Π΅Π½ΠΈΠ΅. ΠΠΎΡΠ»Π΅ ΡΡΠΎΠ³ΠΎ Π·Π°Π±Π»ΠΎΠΊΠΈΡΡΠΉΡΠ΅ ΡΠΈΠ»ΠΈΠ½Π΄Ρ.
6. Π£ΡΡΠ°Π½ΠΎΠ²ΠΈΡΠ΅ Π±Π°ΡΠΎΠΊ Ρ ΠΆΠΈΠ΄ΠΊΠΎΡΡΡΡ ΡΡΠ΅ΠΏΠ»Π΅Π½ΠΈΡ Π½Π° ΠΏΡΠΈΠ±ΠΎΡΠ½ΡΡ ΠΏΠ°Π½Π΅Π»Ρ ΠΈ ΡΡΡΠ°Π½ΠΎΠ²ΠΈΡΠ΅ Π²ΠΈΠ½ΡΡ Π±Π°ΡΠΊΠ°.
ΠΠ°ΡΡΠ½ΠΈΡΠ΅ Π²ΠΈΠ½ΡΡ Ρ ΠΌΠΎΠΌΠ΅Π½ΡΠΎΠΌ Π·Π°ΡΡΠΆΠΊΠΈ 5 ΠΠΌ (40 Π΄ΡΠΉΠΌΠΎΠ² Π½Π° ΡΡΠ½Ρ).
7. Π£ΡΡΠ°Π½ΠΎΠ²ΠΈΡΠ΅ ΠΌΠΎΠ½ΡΠ°ΠΆΠ½ΡΠΉ ΠΊΡΠΎΠ½ΡΡΠ΅ΠΉΠ½ Π±Π°ΡΠΊΠ° Π½Π° ΠΏΠ΅ΡΠ΅Π΄Π½Π΅ΠΉ ΠΏΠ°Π½Π΅Π»ΠΈ, Π΅ΡΠ»ΠΈ ΠΎΠ½ Π±ΡΠ» ΡΠ½ΡΡ.
8. ΠΡΠΈ Π½Π΅ΠΎΠ±Ρ
ΠΎΠ΄ΠΈΠΌΠΎΡΡΠΈ ΡΡΡΠ°Π½ΠΎΠ²ΠΈΡΠ΅ Π½ΠΎΠ²ΡΡ Π²ΡΡΠ»ΠΊΡ Π½Π° ΠΏΠ°Π»Π΅Ρ ΠΏΠ΅Π΄Π°Π»ΠΈ ΡΡΠ΅ΠΏΠ»Π΅Π½ΠΈΡ.
9. Π£ΡΡΠ°Π½ΠΎΠ²ΠΈΡΠ΅ ΡΡΠΎΠΊ Π³Π»Π°Π²Π½ΠΎΠ³ΠΎ ΡΠΈΠ»ΠΈΠ½Π΄ΡΠ° ΡΡΠ΅ΠΏΠ»Π΅Π½ΠΈΡ Π½Π° Π·Π°ΠΆΠΈΠΌ ΠΏΠ΅Π΄Π°Π»ΠΈ ΡΡΠ΅ΠΏΠ»Π΅Π½ΠΈΡ. ΠΠ°ΠΊΡΠ΅ΠΏΠΈΡΠ΅ ΡΡΠΎΠΊ Ρ Π²ΠΎΠ»Π½ΠΈΡΡΠΎΠΉ ΡΠ°ΠΉΠ±ΠΎΠΉ, ΠΏΠ»ΠΎΡΠΊΠΎΠΉ ΡΠ°ΠΉΠ±ΠΎΠΉ ΠΈ ΡΡΠΎΠΏΠΎΡΠ½ΡΠΌ ΠΊΠΎΠ»ΡΡΠΎΠΌ.
10. ΠΠΎΠ΄ΡΠΎΠ΅Π΄ΠΈΠ½ΠΈΡΠ΅ ΠΏΡΠΎΠ²ΠΎΠ΄Π° ΠΏΠ΅ΡΠ΅ΠΊΠ»ΡΡΠ°ΡΠ΅Π»Ρ ΠΏΠΎΠ»ΠΎΠΆΠ΅Π½ΠΈΡ (Π±Π»ΠΎΠΊΠΈΡΠΎΠ²ΠΊΠΈ) ΠΏΠ΅Π΄Π°Π»ΠΈ ΡΡΠ΅ΠΏΠ»Π΅Π½ΠΈΡ.
11. Π£ΡΡΠ°Π½ΠΎΠ²ΠΈΡΠ΅ ΡΠΈΠΊΡΠΈΡΡΡΡΠΈΠΉ Π·Π°ΠΆΠΈΠΌ Π² ΠΌΠΎΠ½ΡΠ°ΠΆΠ½ΡΠΉ ΠΊΡΠΎΠ½ΡΡΠ΅ΠΉΠ½ Π³Π»Π°Π²Π½ΠΎΠ³ΠΎ ΡΠΈΠ»ΠΈΠ½Π΄ΡΠ° ΡΡΠ΅ΠΏΠ»Π΅Π½ΠΈΡ.
12. ΠΠΎΠ΄Π½ΠΈΠΌΠΈΡΠ΅ Π°Π²ΡΠΎΠΌΠΎΠ±ΠΈΠ»Ρ.
13. Π£ΡΡΠ°Π½ΠΎΠ²ΠΈΡΠ΅ ΡΠ°Π±ΠΎΡΠΈΠΉ ΡΠΈΠ»ΠΈΠ½Π΄Ρ. Π£Π±Π΅Π΄ΠΈΡΠ΅ΡΡ, ΡΡΠΎ ΠΊΡΡΡΠΊΠ° Π½Π° ΠΊΠΎΠ½ΡΠ΅ ΡΡΠΎΠΊΠ° ΡΠΈΠ»ΠΈΠ½Π΄ΡΠ° Π½Π°Ρ
ΠΎΠ΄ΠΈΡΡΡ Π² ΡΡΡΠ°Π³Π΅ ΡΠ°Π·Π±Π»ΠΎΠΊΠΈΡΠΎΠ²ΠΊΠΈ. ΠΡΠΎΠ²Π΅ΡΡΡΠ΅ ΡΡΠΎ ΠΏΠ΅ΡΠ΅Π΄ ΡΡΡΠ°Π½ΠΎΠ²ΠΊΠΎΠΉ Π³Π°Π΅ΠΊ ΠΊΡΠ΅ΠΏΠ»Π΅Π½ΠΈΡ ΡΠΈΠ»ΠΈΠ½Π΄ΡΠ°.
14. Π£ΡΡΠ°Π½ΠΎΠ²ΠΈΡΠ΅ ΠΈ Π·Π°ΡΡΠ½ΠΈΡΠ΅ Π³Π°ΠΉΠΊΠΈ ΠΊΡΠ΅ΠΏΠ»Π΅Π½ΠΈΡ ΡΠ°Π±ΠΎΡΠ΅Π³ΠΎ ΡΠΈΠ»ΠΈΠ½Π΄ΡΠ° Ρ ΠΌΠΎΠΌΠ΅Π½ΡΠΎΠΌ 23 ΠΠΌ (200 Π΄ΡΠΉΠΌ-ΡΡΠ½Ρ.) ΠΡΡΡΡΡΠΈΠΉ ΠΌΠΎΠΌΠ΅Π½Ρ.
15. ΠΠΏΡΡΡΠΈΡΠ΅ Π°Π²ΡΠΎΠΌΠΎΠ±ΠΈΠ»Ρ.
16. ΠΡΠ»ΠΈ Π±ΡΠ»Π° ΡΡΡΠ°Π½ΠΎΠ²Π»Π΅Π½Π° ββΠ½ΠΎΠ²Π°Ρ ΡΡΠ³Π°, ΡΠ½ΠΈΠΌΠΈΡΠ΅ ΠΏΠ»Π°ΡΡΠΈΠΊΠΎΠ²ΡΠΉ ΡΡΠ°Π½ΡΠΏΠΎΡΡΠΈΡΠΎΠ²ΠΎΡΠ½ΡΠΉ ΡΡΠΎΠΏΠΎΡ ΡΠΎ ΡΡΠΎΠΊΠ° Π³Π»Π°Π²Π½ΠΎΠ³ΠΎ ΡΠΈΠ»ΠΈΠ½Π΄ΡΠ°. Π‘Π΄Π΅Π»Π°ΠΉΡΠ΅ ΡΡΠΎ ΠΏΠΎΡΠ»Π΅ ΡΡΡΠ°Π½ΠΎΠ²ΠΊΠΈ ΡΠ°Π±ΠΎΡΠ΅Π³ΠΎ ΡΠΈΠ»ΠΈΠ½Π΄ΡΠ° ΠΈ ΠΏΠ΅ΡΠ΅Π΄ ΡΠΊΡΠΏΠ»ΡΠ°ΡΠ°ΡΠΈΠ΅ΠΉ ΡΡΡΠ°ΠΆΠ½ΠΎΠ³ΠΎ ΠΌΠ΅Ρ
Π°Π½ΠΈΠ·ΠΌΠ°.
17. ΠΠΊΠ»ΡΡΠΈΡΠ΅ ΡΡΠ³Ρ Π½Π΅ΡΠΊΠΎΠ»ΡΠΊΠΎ ΡΠ°Π·, ΡΡΠΎΠ±Ρ ΡΠ±Π΅Π΄ΠΈΡΡΡΡ Π² Π΅Π΅ ΠΏΡΠ°Π²ΠΈΠ»ΡΠ½ΠΎΠΉ ΡΠ°Π±ΠΎΡΠ΅.
___________________________
Π‘ΠΎΠΎΠ±ΡΠΈΡΠ΅ ΠΌΠ½Π΅. ΠΡΠΎΠΌΠ΅ ΡΠΎΠ³ΠΎ, Π΄Π°ΠΉΡΠ΅ ΠΌΠ½Π΅ Π·Π½Π°ΡΡ, ΡΠΊΠΎΠ»ΡΠΊΠΎ ΡΡΠΎ Π΄Π»ΠΈΠ»ΠΎΡΡ.
ΠΠ΅ΡΠ΅Π³ΠΈ ΡΠ΅Π±Ρ,
ΠΠΆΠΎ
Π‘ΠΠΠΠ‘ΠΠ Π£ΠΠΠ«Π Π‘Π‘Π«ΠΠΠ
ΡΡΠ±Π±ΠΎΡΠ°, 22 ΡΠ΅Π²ΡΠ°Π»Ρ 2020 Π³., 16:56
Π Π΅Π³ΡΠ»ΠΈΡΠΎΠ²ΠΊΠ° Π³ΠΈΠ΄ΡΠ°Π²Π»ΠΈΡΠ΅ΡΠΊΠΎΠ³ΠΎ ΡΡΠ΅ΠΏΠ»Π΅Π½ΠΈΡ: ΡΠΎΠ²Π΅ΡΡ ΠΈ Ρ ΠΈΡΡΠΎΡΡΠΈ
ΠΠ°ΠΊ ΡΠ»Π΅Π΄ΡΠ΅Ρ ΠΈΠ· Π½Π°Π·Π²Π°Π½ΠΈΡ, Π³ΠΈΠ΄ΡΠ°Π²Π»ΠΈΡΠ΅ΡΠΊΠΎΠ΅ ΡΡΠ΅ΠΏΠ»Π΅Π½ΠΈΠ΅ ΠΈΡΠΏΠΎΠ»ΡΠ·ΡΠ΅Ρ ΠΆΠΈΠ΄ΠΊΠΎΡΡΡ Π²ΠΌΠ΅ΡΡΠΎ ΡΡΠΎΡΠ° Π΄Π»Ρ ΠΏΡΠΈΠ²Π΅Π΄Π΅Π½ΠΈΡ Π² Π΄Π΅ΠΉΡΡΠ²ΠΈΠ΅ ΡΠ²ΠΎΠ΅Π³ΠΎ Π΄ΠΈΡΠΊΠ°.Π£ΠΊΠ°Π·Π°Π½Π½Π°Ρ ΠΆΠΈΠ΄ΠΊΠΎΡΡΡ Ρ
ΡΠ°Π½ΠΈΡΡΡ Π² ΡΠΈΠ»ΠΈΠ½Π΄ΡΠ°Ρ
ΡΠ΅Π·Π΅ΡΠ²ΡΠ°ΡΠ° Π΄Π»Ρ ΡΠΈΡΡΠ΅ΠΌΡ ΡΠΏΡΠ°Π²Π»Π΅Π½ΠΈΡ Π΄Π°Π²Π»Π΅Π½ΠΈΠ΅ΠΌ. ΠΡΠ»ΠΈ Π½Π°ΠΆΠ°ΡΡ Π½Π° ΠΏΠ΅Π΄Π°Π»Ρ, ΡΠ΅Π·Π΅ΡΠ²ΡΠ°Ρ Π² ΡΠΈΡΡΠ΅ΠΌΠ΅ Π²ΡΡΠ°Π»ΠΊΠΈΠ²Π°Π΅Ρ ΡΠΊΠ°Π·Π°Π½Π½ΡΡ ΠΆΠΈΠ΄ΠΊΠΎΡΡΡ, ΠΊΠΎΡΠΎΡΠ°Ρ, Π² ΡΠ²ΠΎΡ ΠΎΡΠ΅ΡΠ΅Π΄Ρ, ΠΏΠΎΠ΄ΡΠ°Π»ΠΊΠΈΠ²Π°Π΅Ρ Π΄Π΅ΡΠ°Π»ΠΈ, Π½Π΅ΠΎΠ±Ρ
ΠΎΠ΄ΠΈΠΌΡΠ΅ Π΄Π»Ρ ΠΏΠ΅ΡΠ΅ΠΊΠ»ΡΡΠ΅Π½ΠΈΡ ΠΏΠ΅ΡΠ΅Π΄Π°Ρ.
ΠΠΈΠ΄ΡΠ°Π²Π»ΠΈΡΠ΅ΡΠΊΠΈΠ΅ ΠΌΡΡΡΡ Π·Π°ΡΠ°ΡΡΡΡ ΠΏΡΠΎΡΠ΅ Π² ΡΠΊΡΠΏΠ»ΡΠ°ΡΠ°ΡΠΈΠΈ, ΡΠ΅ΠΌ ΡΡΠΎΡΠΎΠ²ΡΠ΅.
ΠΠ°ΠΊ ΠΈ Π±ΠΎΠ»ΡΡΠΈΠ½ΡΡΠ²ΠΎ Π΄Π²ΠΈΠΆΡΡΠΈΡ ΡΡ ΡΠ°ΡΡΠ΅ΠΉ, Π΄ΠΈΡΠΊ ΡΡΠ΅ΠΏΠ»Π΅Π½ΠΈΡ Π½Π° Π³ΠΈΠ΄ΡΠ°Π²Π»ΠΈΡΠ΅ΡΠΊΠΎΠΉ ΠΌΡΡΡΠ΅ ΡΠΎ Π²ΡΠ΅ΠΌΠ΅Π½Π΅ΠΌ ΠΈΠ·Π½Π°ΡΠΈΠ²Π°Π΅ΡΡΡ. ΠΠΈΠ΄ΡΠ°Π²Π»ΠΈΡΠ΅ΡΠΊΠ°Ρ ΡΠΈΡΡΠ΅ΠΌΠ° ΠΎΡΡΠ΅Π³ΡΠ»ΠΈΡΡΠ΅ΡΡΡ ΡΠΎΠΎΡΠ²Π΅ΡΡΡΠ²ΡΡΡΠΈΠΌ ΠΎΠ±ΡΠ°Π·ΠΎΠΌ, Π½ΠΎ Π½Π°ΡΡΡΠΏΠΈΡ Π²ΡΠ΅ΠΌΡ, ΠΊΠΎΠ³Π΄Π° ΡΠ΅Π»ΠΎΠ²Π΅ΡΠ΅ΡΠΊΠΈΠΉ ΡΠ°ΠΊΡΠΎΡ, Π²ΠΎΠ΄ΠΈΡΠ΅Π»Ρ, ΡΠΎΡΡΡΡ ΠΈΡΠΏΠΎΠ»ΡΠ·ΠΎΠ²Π°Π½ΠΈΠ΅ ΡΡΠ΅ΠΏΠ»Π΅Π½ΠΈΡ Π½Π΅ΡΠ΄ΠΎΠ±Π½ΡΠΌ.Π’Π°ΠΊΠΈΠΌ ΠΎΠ±ΡΠ°Π·ΠΎΠΌ, ΡΡΠΎ ΡΡΠ΅Π±ΡΠ΅Ρ ΠΊΠΎΡΡΠ΅ΠΊΡΠΈΡΠΎΠ²ΠΊΠΈ. Π’Π°ΠΊ ΠΊΠ°ΠΊ ΠΆΠ΅ ΡΡΠΎ ΡΠ΄Π΅Π»Π°ΡΡ?
ΠΠ°ΠΊ ΠΎΡΡΠ΅Π³ΡΠ»ΠΈΡΠΎΠ²Π°ΡΡ Π³ΠΈΠ΄ΡΠ°Π²Π»ΠΈΡΠ΅ΡΠΊΠΎΠ΅ ΡΡΠ΅ΠΏΠ»Π΅Π½ΠΈΠ΅Π§ΡΠΎΠ±Ρ ΠΎΡΡΠ΅Π³ΡΠ»ΠΈΡΠΎΠ²Π°ΡΡ Π³ΠΈΠ΄ΡΠ°Π²Π»ΠΈΡΠ΅ΡΠΊΠΎΠ΅ ΡΡΠ΅ΠΏΠ»Π΅Π½ΠΈΠ΅, Π²ΡΠΏΠΎΠ»Π½ΠΈΡΠ΅ ΡΠ»Π΅Π΄ΡΡΡΠΈΠ΅ Π΄Π΅ΠΉΡΡΠ²ΠΈΡ;
1. Π‘Π½Π°ΡΠ°Π»Π° Π·Π°ΠΊΡΠ΅ΠΏΠΈΡΠ΅ Π°Π²ΡΠΎΠΌΠΎΠ±ΠΈΠ»Ρ. ΠΡΠΏΠΎΠ»ΡΠ·ΡΠΉΡΠ΅ ΠΏΡΠ°Π²ΠΈΠ»ΡΠ½ΠΎΠ΅ ΠΊΠΎΠ»ΠΈΡΠ΅ΡΡΠ²ΠΎ ΠΏΡΠΎΡΠΈΠ²ΠΎΠΎΡΠΊΠ°ΡΠ½ΡΡ ΡΠΏΠΎΡΠΎΠ² ΠΈ Π½Π΅ Π·Π°Π±ΡΠ΄ΡΡΠ΅ Π²ΠΊΠ»ΡΡΠΈΡΡ ΡΡΠΎΡΠ½ΠΎΡΠ½ΡΠΉ ΡΠΎΡΠΌΠΎΠ·.
2. ΠΠ°ΡΠ΅ΠΌ ΠΎΠΏΡΠ΅Π΄Π΅Π»ΠΈΡΠ΅, ΡΠ΅Π³ΡΠ»ΠΈΡΡΠ΅ΡΡΡ Π»ΠΈ ΡΠ°Π±ΠΎΡΠΈΠΉ ΡΠΈΠ»ΠΈΠ½Π΄Ρ ΡΡΠ΅ΠΏΠ»Π΅Π½ΠΈΡ. ΠΡΠΎ Π±ΡΠ΄Π΅Ρ Π²Π°ΡΡΠΈΡΠΎΠ²Π°ΡΡΡΡ ΠΎΡ ΠΌΠΎΠ΄Π΅Π»ΠΈ ΠΊ ΠΌΠΎΠ΄Π΅Π»ΠΈ.
3. ΠΠ°ΠΉΠ΄ΠΈΡΠ΅ Π³Π»Π°Π²Π½ΡΠΉ ΡΠΈΠ»ΠΈΠ½Π΄Ρ ΡΡΠ΅ΠΏΠ»Π΅Π½ΠΈΡ. Π ΠΠ½ΡΠ΅ΡΠ½Π΅ΡΠ΅ Π΅ΡΡΡ ΠΌΠ½ΠΎΠΆΠ΅ΡΡΠ²ΠΎ ΠΈΡΡΠΎΡΠ½ΠΈΠΊΠΎΠ² Π΄Π»Ρ ΡΠ°Π·Π»ΠΈΡΠ½ΡΡ ΠΌΠ°ΡΠΎΠΊ ΠΈ ΠΌΠΎΠ΄Π΅Π»Π΅ΠΉ, ΠΏΠΎΡΡΠΎΠΌΡ ΠΌΡ ΡΠΎΠ²Π΅ΡΡΠ΅ΠΌ Π²Π°ΠΌ ΠΏΡΠΎΠ²Π΅ΡΡΠΈ ΡΠΎΠ±ΡΡΠ²Π΅Π½Π½ΠΎΠ΅ ΠΈΡΡΠ»Π΅Π΄ΠΎΠ²Π°Π½ΠΈΠ΅.ΠΠ΄Π½Π°ΠΊΠΎ ΠΎΠ±ΡΡΠ½ΠΎ Π·Π°Π΄Π½ΡΡ ΡΠ°ΡΡΡ Π³Π»Π°Π²Π½ΠΎΠ³ΠΎ ΡΠΈΠ»ΠΈΠ½Π΄ΡΠ° ΡΡΠ΅ΠΏΠ»Π΅Π½ΠΈΡ ΡΠ²ΡΠ·Π°Π½Π° Ρ ΠΌΠ΅ΡΠ°Π»Π»ΠΈΡΠ΅ΡΠΊΠΎΠΉ ΡΡΡΠ±ΠΊΠΎΠΉ, ΠΊΠΎΡΠΎΡΠ°Ρ, Π² ΡΠ²ΠΎΡ ΠΎΡΠ΅ΡΠ΅Π΄Ρ, ΡΠΎΠ΅Π΄ΠΈΠ½ΡΠ΅Ρ ΠΏΠΎΡΠ»Π΅Π΄Π½ΡΡ Ρ ΡΠ°Π±ΠΎΡΠΈΠΌ ΡΠΈΠ»ΠΈΠ½Π΄ΡΠΎΠΌ. Π ΡΠ΄ΠΎΠΌ Ρ ΡΠ΅ΠΊΡΠΈΠ΅ΠΉ ΡΠ°Π±ΠΎΡΠ΅Π³ΠΎ ΡΠΈΠ»ΠΈΠ½Π΄ΡΠ° ΡΡΡΠ±ΠΊΠ° Π³ΠΈΠ±ΠΊΠ°Ρ. ΠΠ½ΡΡΡΠΈ Π²Ρ Π½Π°ΠΉΠ΄Π΅ΡΠ΅ ΠΏΠΎΡΡΠ΅Π½Ρ, ΡΠΎΠ»ΠΊΠ°ΡΠ΅Π»Ρ, Π½Π΅ΡΠΊΠΎΠ»ΡΠΊΠΎ Π³Π°Π΅ΠΊ ΠΈ ΡΠΏΠ»ΠΎΡΠ½Π΅Π½ΠΈΠ΅.
ΠΡΠΈΠ½ΡΠΈΠΏΠΈΠ°Π»ΡΠ½Π°Ρ ΡΡ Π΅ΠΌΠ° Π³ΠΈΠ΄ΡΠ°Π²Π»ΠΈΡΠ΅ΡΠΊΠΎΠΉ ΡΠΈΡΡΠ΅ΠΌΡ ΡΡΠ΅ΠΏΠ»Π΅Π½ΠΈΡ
4. ΠΠ»Ρ ΡΠ°ΠΊΡΠΈΡΠ΅ΡΠΊΠΎΠΉ ΡΠ΅Π³ΡΠ»ΠΈΡΠΎΠ²ΠΊΠΈ Π²Ρ ΠΌΠΎΠΆΠ΅ΡΠ΅ ΠΏΠΎΠ²Π΅ΡΠ½ΡΡΡ ΡΠ΅Π³ΡΠ»ΠΈΡΡΠ΅ΠΌΡΡ Π³Π°ΠΉΠΊΡ Ρ ΠΏΠΎΠΌΠΎΡΡΡ Π³Π°Π΅ΡΠ½ΠΎΠ³ΠΎ ΠΊΠ»ΡΡΠ°. ΠΡΠΎ ΠΈΠ·ΠΌΠ΅Π½ΠΈΡ Π΄Π»ΠΈΠ½Ρ ΡΠΎΠ»ΠΊΠ°ΡΠ΅Π»Ρ. ΠΡΠΎ, Π² ΡΠ²ΠΎΡ ΠΎΡΠ΅ΡΠ΅Π΄Ρ, ΠΈΠ·ΠΌΠ΅Π½ΠΈΡΡΡ ΠΏΡΠΈ Π²ΠΊΠ»ΡΡΠ΅Π½ΠΈΠΈ ΡΡΠ΅ΠΏΠ»Π΅Π½ΠΈΡ.ΠΡΠ»ΠΈ ΡΡΠΎΠΊ Π΄Π»ΠΈΠ½Π½Π΅Π΅, ΡΡΠ΅ΠΏΠ»Π΅Π½ΠΈΡ ΠΏΠΎΡΡΠ΅Π±ΡΠ΅ΡΡΡ Π±ΠΎΠ»ΡΡΠ΅ Π²ΡΠ΅ΠΌΠ΅Π½ΠΈ Π΄Π»Ρ Π²ΠΊΠ»ΡΡΠ΅Π½ΠΈΡ. ΠΠ±ΡΠ°ΡΠ½ΠΎΠ΅ Π²Π΅ΡΠ½ΠΎ, Π΅ΡΠ»ΠΈ ΡΡΠ΅ΡΠΆΠ΅Π½Ρ ΡΠΊΠΎΡΠΎΡΠ΅Π½.
ΠΠ±ΡΠ°ΡΠΈΡΠ΅ Π²Π½ΠΈΠΌΠ°Π½ΠΈΠ΅: Π΅ΡΠ»ΠΈ Π²Ρ ΠΎΠ±Π½Π°ΡΡΠΆΠΈΡΠ΅, ΡΡΠΎ ΡΡΠ΅ΠΏΠ»Π΅Π½ΠΈΠ΅ Π²ΠΎΠΎΠ±ΡΠ΅ Π½Π΅ ΡΠ΅Π³ΡΠ»ΠΈΡΡΠ΅ΡΡΡ, Π²ΠΎΠ·ΠΌΠΎΠΆΠ½ΠΎ, ΡΡΠΎ-ΡΠΎ Π½Π΅ ΡΠ°ΠΊ Ρ Π΄Π΅ΡΠ°Π»ΡΠΌΠΈ ΡΠ°Π±ΠΎΡΠ΅Π³ΠΎ ΡΠΈΠ»ΠΈΠ½Π΄ΡΠ°. ΠΡΠΎΠΌΠ΅ ΡΠΎΠ³ΠΎ, ΠΏΡΠΈ ΡΠ΅Π³ΡΠ»ΠΈΡΠΎΠ²ΠΊΠ΅ ΡΠΎΠ»ΠΊΠ°ΡΠ΅Π»Ρ ΠΎΠ±ΡΠ°ΡΠ°ΠΉΡΠ΅ Π²Π½ΠΈΠΌΠ°Π½ΠΈΠ΅ Π½Π° ΠΌΠΎΠΊΡΡΠ΅ ΠΏΡΡΠ½Π°. ΠΡΠΎ ΡΠΊΠ°Π·ΡΠ²Π°Π΅Ρ Π½Π° ΡΡΠ΅ΡΠΊΡ. ΠΡΠ»ΠΈ Π²Ρ Π·Π°ΠΌΠ΅ΡΠΈΠ»ΠΈ ΡΡΠ΅ΡΠΊΠΈ, Π²ΠΎΠ·ΠΌΠΎΠΆΠ½ΠΎ, ΡΠ΅ΠΉΡΠ°Ρ ΡΠ°ΠΌΠΎΠ΅ Π²ΡΠ΅ΠΌΡ ΠΈΡΠΏΡΠ°Π²ΠΈΡΡ ΡΡΠΎ.
ΠΠ°ΠΊ ΠΎΡΡΠ΅Π³ΡΠ»ΠΈΡΠΎΠ²Π°ΡΡ Π²ΡΡΠΎΡΡ ΠΏΠ΅Π΄Π°Π»ΠΈ ΡΡΠ΅ΠΏΠ»Π΅Π½ΠΈΡ ΠΡΠ»ΠΈ Π² Π²Π°ΡΠ΅ΠΌ ΡΡΠ΅ΠΏΠ»Π΅Π½ΠΈΠΈ ΠΈΡΠΏΠΎΠ»ΡΠ·ΡΠ΅ΡΡΡ ΡΡΠΎΡ Π²ΠΌΠ΅ΡΡΠΎ Π³ΠΈΠ΄ΡΠ°Π²Π»ΠΈΡΠ΅ΡΠΊΠΎΠΉ ΡΠΈΡΡΠ΅ΠΌΡ, ΠΎΡΡΠ΅Π³ΡΠ»ΠΈΡΠΎΠ²Π°ΡΡ Π²ΡΡΠΎΡΡ ΡΡΠ΅ΠΏΠ»Π΅Π½ΠΈΡ Π½Π΅ΡΠ»ΠΎΠΆΠ½ΠΎ.
ΠΡΠΆΠ½ΠΎ ΠΏΠΎΡΡΠ½ΡΡΡ Π·Π° ΡΡΠΎΡ ΡΡΠ΅ΠΏΠ»Π΅Π½ΠΈΡ ΠΈ ΠΎΡΠ»Π°Π±ΠΈΡΡ Π³Π°ΠΉΠΊΠΈ, ΡΠ΄Π΅ΡΠΆΠΈΠ²Π°ΡΡΠΈΠ΅ Π΅Π³ΠΎ Π½Π° ΠΌΠ΅ΡΡΠ΅. ΠΠ°ΡΠ΅ΠΌ ΠΏΠΎΡΡΠ½ΠΈΡΠ΅ Π·Π° Π½Π΅Π³ΠΎ Π΅ΡΠ΅ ΡΠ°Π·, ΠΈ Π²Ρ ΠΏΠΎΡΡΠ²ΡΡΠ²ΡΠ΅ΡΠ΅, ΠΊΠΎΠ³Π΄Π° Π²ΠΈΠ»ΠΊΠ° ΡΡΠ΅ΠΏΠ»Π΅Π½ΠΈΡ Π²Ρ
ΠΎΠ΄ΠΈΡ Π² Π·Π°ΡΠ΅ΠΏΠ»Π΅Π½ΠΈΠ΅. ΠΠ°ΠΊ ΡΠΎΠ»ΡΠΊΠΎ Π²Ρ Π½Π°ΠΉΠ΄Π΅ΡΠ΅ ΡΡΡ ΡΠΎΡΠΊΡ Π·Π°ΡΠ΅ΠΏΠ»Π΅Π½ΠΈΡ, ΡΠ½ΠΎΠ²Π° Π·Π°ΡΡΠ½ΠΈΡΠ΅ Π³Π°ΠΉΠΊΠΈ, ΡΠ΄Π΅ΡΠΆΠΈΠ²Π°ΡΡΠΈΠ΅ ΡΡΠΎΡ.
Π‘Ρ Π΅ΠΌΠ° ΡΡΠ΅ΠΏΠ»Π΅Π½ΠΈΡ Ρ ΡΡΠΎΡΠΎΠ²ΡΠΌ ΠΏΡΠΈΠ²ΠΎΠ΄ΠΎΠΌ
ΠΡΠ»ΠΈ Π² Π²Π°ΡΠ΅ΠΌ Π°Π²ΡΠΎΠΌΠΎΠ±ΠΈΠ»Π΅ ΠΈΡΠΏΠΎΠ»ΡΠ·ΡΠ΅ΡΡΡ Π³ΠΈΠ΄ΡΠ°Π²Π»ΠΈΡΠ΅ΡΠΊΠΎΠ΅ ΡΡΠ΅ΠΏΠ»Π΅Π½ΠΈΠ΅, ΡΠΎ ΠΎΠ½ΠΎ ΡΡΠΈΡΠ°Π΅ΡΡΡ ΡΠ°ΠΌΠΎΡΠ΅Π³ΡΠ»ΠΈΡΡΡΡΠΈΠΌΡΡ ΡΡΠ΅ΠΏΠ»Π΅Π½ΠΈΠ΅ΠΌ. ΠΠ½ Π½Π°ΡΡΡΠΎΠ΅Π½ ΡΠ°ΠΊ, ΡΡΠΎΠ±Ρ ΠΎΠ±Π΅ΡΠΏΠ΅ΡΠΈΡΡ ΠΏΡΠ°Π²ΠΈΠ»ΡΠ½ΡΡ ΡΠΎΡΠΊΡ ΠΏΡΠΈΠΊΡΡΠ° ΠΈ Π½ΡΠΆΠ½ΠΎΠ΅ ΠΊΠΎΠ»ΠΈΡΠ΅ΡΡΠ²ΠΎ ΡΠ²ΠΎΠ±ΠΎΠ΄Π½ΠΎΠ³ΠΎ Ρ ΠΎΠ΄Π°, ΡΠΎ Π΅ΡΡΡ ΠΊΠΎΠ³Π΄Π° ΠΎΠ½ ΡΠ°Π±ΠΎΡΠ°Π΅Ρ.ΠΠ΄Π½Π°ΠΊΠΎ ΠΈΠ½ΠΎΠ³Π΄Π° Π²Ρ ΠΎΠ±Π½Π°ΡΡΠΆΠΈΡΠ΅, ΡΡΠΎ Π²Π°ΠΌ Π½ΡΠΆΠ½ΠΎ ΠΏΠΎΠΌΠΎΡΡ Π΅ΠΌΡ ΠΏΡΠΈΡΠΏΠΎΡΠΎΠ±ΠΈΡΡΡΡ. ΠΠ»Ρ ΡΡΠΎΠ³ΠΎ ΠΎΡΡΠ°Π²ΡΡΠ΅ Π°Π²ΡΠΎΠΌΠΎΠ±ΠΈΠ»Ρ Π² Π΄Π²ΠΈΠΆΠ΅Π½ΠΈΠΈ, Π²ΠΊΠ»ΡΡΠΈΡΠ΅ ΡΡΠΎΡΠ½ΠΎΡΠ½ΡΠΉ ΡΠΎΡΠΌΠΎΠ· ΠΈ ΠΏΠΎΠ΄Π½ΠΈΠΌΠΈΡΠ΅ ΡΡΠ΅ΠΏΠ»Π΅Π½ΠΈΠ΅.
Π§ΡΠΎΠ±Ρ ΠΏΡΠΎΠ²Π΅ΡΠΈΡΡ, ΡΠ°Π±ΠΎΡΠ°Π΅Ρ Π»ΠΈ ΡΡΠΎΡ ΠΌΠ΅ΡΠΎΠ΄, Π½Π΅ΠΌΠ½ΠΎΠ³ΠΎ ΠΏΠΎΠΊΠ°ΡΠ°ΠΉΡΠ΅ΡΡ ΠΈ ΡΠΎΡΡΠ΅Π΄ΠΎΡΠΎΡΡΡΠ΅ΡΡ Π½Π° ΠΎΡΡΡΠ΅Π½ΠΈΠΈ ΡΡΠ΅ΠΏΠ»Π΅Π½ΠΈΡ. ΠΡΠ»ΠΈ ΡΡΠΎ Π½Π΅ ΠΏΠΎΠΌΠΎΠ³Π»ΠΎ, Π²ΠΎΠ·ΠΌΠΎΠΆΠ½ΠΎ, ΠΏΡΠΈΡΠ»ΠΎ Π²ΡΠ΅ΠΌΡ ΠΎΡΡΠ΅ΠΌΠΎΠ½ΡΠΈΡΠΎΠ²Π°ΡΡ Π²Π°ΡΡ ΠΌΠ°ΡΠΈΠ½Ρ.
Π§ΡΠΎΠ±Ρ ΠΏΠΎΠ»ΡΡΠΈΡΡ Π±ΠΎΠ»ΡΡΠ΅ ΠΏΠΎΠ»Π΅Π·Π½ΡΡ ΡΡΠΊΠΎΠ²ΠΎΠ΄ΡΡΠ² ΠΏΠΎ ΠΎΠ±ΡΠ»ΡΠΆΠΈΠ²Π°Π½ΠΈΡ Π°Π²ΡΠΎΠΌΠΎΠ±ΠΈΠ»Π΅ΠΉ ΠΈ ΡΠΎΠ²Π΅ΡΠΎΠ² ΠΏΠΎ ΡΠ΅ΠΌΠΎΠ½ΡΡ, Ρ ΡΠ°Π½ΠΈΡΠ΅ ΠΈΡ Π·Π΄Π΅ΡΡ, Π½Π° ΡΠ°ΠΉΡΠ΅ Philkotse.com.
ΠΠΈΠ΄ΡΠ°Π²Π»ΠΈΡΠ΅ΡΠΊΠΎΠ΅ ΡΡΠ΅ΠΏΠ»Π΅Π½ΠΈΠ΅: FAQ1. Π§ΡΠΎ Π»ΡΡΡΠ΅, ΡΡΠΎΡΠΎΠ²ΠΎΠ΅ ΡΡΠ΅ΠΏΠ»Π΅Π½ΠΈΠ΅ ΠΈΠ»ΠΈ Π³ΠΈΠ΄ΡΠ°Π²Π»ΠΈΡΠ΅ΡΠΊΠΎΠ΅ ΡΡΠ΅ΠΏΠ»Π΅Π½ΠΈΠ΅?
ΠΡΠ²Π΅Ρ: Π£ ΠΊΠ°ΠΆΠ΄ΠΎΠ³ΠΎ ΡΠΈΠΏΠ° ΡΡΠ΅ΠΏΠ»Π΅Π½ΠΈΡ Π΅ΡΡΡ ΡΠ²ΠΎΠΈ ΠΏΠ»ΡΡΡ ΠΈ ΠΌΠΈΠ½ΡΡΡ.ΠΠΈΠ΄ΡΠ°Π²Π»ΠΈΡΠ΅ΡΠΊΠΎΠ΅ ΡΡΠ΅ΠΏΠ»Π΅Π½ΠΈΠ΅ Π»Π΅Π³ΡΠ΅ ΠΈ ΠΏΡΠΎΡΠ΅ Π² ΠΈΡΠΏΠΎΠ»ΡΠ·ΠΎΠ²Π°Π½ΠΈΠΈ. Π’ΡΠΎΡΠΎΠ²Π°Ρ ΠΌΡΡΡΠ° ΠΌΠ΅Π½Π΅Π΅ ΡΠ»ΠΎΠΆΠ½Π° ΠΈ Π»Π΅Π³ΡΠ΅ ΡΠ΅ΠΌΠΎΠ½ΡΠΈΡΡΠ΅ΡΡΡ, Π½ΠΎ ΠΏΠΎ ΠΌΠ΅ΡΠ΅ ΡΠΎΠ³ΠΎ, ΠΊΠ°ΠΊ ΡΡΠΎΡ ΡΠΎ Π²ΡΠ΅ΠΌΠ΅Π½Π΅ΠΌ ΠΎΡΠ»Π°Π±Π»ΡΠ΅ΡΡΡ, ΠΈΡΠΏΠΎΠ»ΡΠ·ΠΎΠ²Π°Π½ΠΈΠ΅ ΠΌΡΡΡΡ ΠΌΠΎΠΆΠ΅Ρ ΠΏΠΎΠΊΠ°Π·Π°ΡΡΡΡ ΠΌΡΠ³ΠΊΠΈΠΌ. Π Π½ΠΈΡ Π΅ΡΡΡ Π½Π΅ΡΡΠΎ Π±ΠΎΠ»ΡΡΠ΅Π΅, Π½ΠΎ Π² ΡΡΠΎΠΌ ΡΡΡΡ.
2. Π§ΡΠΎ ΠΏΡΠΎΠΈΠ·ΠΎΠΉΠ΄Π΅Ρ, Π΅ΡΠ»ΠΈ Π² Π³ΠΈΠ΄ΡΠ°Π²Π»ΠΈΡΠ΅ΡΠΊΠΎΠΉ ΠΌΡΡΡΠ΅ ΠΎΠΊΠ°ΠΆΠ΅ΡΡΡ Π²ΠΎΠ·Π΄ΡΡ ?
ΠΡΠ²Π΅Ρ: ΠΡΠ»ΠΈ Π² Π³ΠΈΠ΄ΡΠ°Π²Π»ΠΈΡΠ΅ΡΠΊΠΎΠΉ ΠΌΡΡΡΠ΅ Π½Π°Ρ ΠΎΠ΄ΠΈΡΡΡ Π²ΠΎΠ·Π΄ΡΡ , ΠΎΠ½Π° ΠΌΠΎΠΆΠ΅Ρ ΡΠ°Π±ΠΎΡΠ°ΡΡ Π½Π΅ΡΡΡΠ΅ΠΊΡΠΈΠ²Π½ΠΎ. ΠΠ½ΠΎΠ³Π΄Π° ΡΡΠ΅ΠΏΠ»Π΅Π½ΠΈΠ΅ Π½Π΅ Π²ΡΠΊΠ»ΡΡΠ°Π΅ΡΡΡ ΠΈΠ»ΠΈ Π½Π΅ Π²ΠΊΠ»ΡΡΠ°Π΅ΡΡΡ, ΠΈΠ»ΠΈ Ρ Π½Π΅Π³ΠΎ ΠΌΠΎΠ³ΡΡ Π±ΡΡΡ Π½Π΅ΠΏΠΎΡΡΠΎΡΠ½Π½ΡΠ΅ ΡΠΎΡΠΊΠΈ Π·Π°ΡΠ΅ΠΏΠ»Π΅Π½ΠΈΡ.
3.Π§ΡΠΎ ΠΏΡΠΎΠΈΠ·ΠΎΠΉΠ΄Π΅Ρ, Π΅ΡΠ»ΠΈ ΡΡΠΎΡ ΡΡΠ΅ΠΏΠ»Π΅Π½ΠΈΡ ΠΎΠ±ΠΎΡΠ²Π΅ΡΡΡ?
ΠΡΠ²Π΅Ρ: ΠΡΠ»ΠΈ ΡΡΠΎΡ ΡΡΠ΅ΠΏΠ»Π΅Π½ΠΈΡ ΠΎΠ±ΠΎΡΠ²Π΅ΡΡΡ, Π²Ρ Π½Π΅ ΡΠΌΠΎΠΆΠ΅ΡΠ΅ Π²ΠΊΠ»ΡΡΠΈΡΡ ΡΡΠ΅ΠΏΠ»Π΅Π½ΠΈΠ΅ ΠΈΠ»ΠΈ ΠΏΠ΅ΡΠ΅ΠΊΠ»ΡΡΠΈΡΡ ΠΏΠ΅ΡΠ΅Π΄Π°ΡΠΈ.
4. ΠΠΎΡΠ΅ΠΌΡ ΡΡΠΎΡ ΡΡΠ΅ΠΏΠ»Π΅Π½ΠΈΡ Π²ΠΎΠΎΠ±ΡΠ΅ ΡΠ²Π΅ΡΡΡ?
ΠΡΠ²Π΅Ρ: Π’ΡΠΎΡ ΡΡΠ΅ΠΏΠ»Π΅Π½ΠΈΡ ΠΌΠΎΠΆΠ΅Ρ ΠΎΠ±ΠΎΡΠ²Π°ΡΡΡΡ ΠΏΠΎ ΠΌΠ½ΠΎΠ³ΠΈΠΌ ΠΏΡΠΈΡΠΈΠ½Π°ΠΌ.
ΠΡΠΎ ΠΌΠΎΠΆΠ΅Ρ Π±ΡΡΡ ΡΠ»ΠΈΡΠΊΠΎΠΌ ΡΠΈΠ»ΡΠ½ΠΎΠ΅ Π΄Π°Π²Π»Π΅Π½ΠΈΠ΅ ΠΈΠ»ΠΈ ΠΊΠΎΡΡΠΎΠ·ΠΈΡ, ΠΏΠΎΡΠΊΠΎΠ»ΡΠΊΡ Π±ΠΎΠ»ΡΡΠΈΠ½ΡΡΠ²ΠΎ ΡΠΎΠ²ΡΠ΅ΠΌΠ΅Π½Π½ΡΡ
ΡΡΠΎΡΠΎΠ² ΡΡΠ΅ΠΏΠ»Π΅Π½ΠΈΡ ΡΠ΄Π΅Π»Π°Π½Ρ ΠΈΠ· ΠΌΠ΅ΡΠ°Π»Π»Π°.
5. ΠΠ°ΠΊΠΎΠ²Ρ ΡΠΈΠΌΠΏΡΠΎΠΌΡ Π½Π΅ΠΈΡΠΏΡΠ°Π²Π½ΠΎΡΡΠΈ Π³Π»Π°Π²Π½ΠΎΠ³ΠΎ ΡΠΈΠ»ΠΈΠ½Π΄ΡΠ° ΡΡΠ΅ΠΏΠ»Π΅Π½ΠΈΡ?
ΠΡΠ²Π΅Ρ: ΠΠ±ΡΠΈΠ΅ ΡΠΈΠΌΠΏΡΠΎΠΌΡ Π½Π΅ΠΈΡΠΏΡΠ°Π²Π½ΠΎΡΡΠΈ Π³Π»Π°Π²Π½ΠΎΠ³ΠΎ ΡΠΈΠ»ΠΈΠ½Π΄ΡΠ° ΡΡΠ΅ΠΏΠ»Π΅Π½ΠΈΡ — ΡΡΡΠ΄Π½ΠΎΡΡΠΈ Ρ ΠΏΠ΅ΡΠ΅ΠΊΠ»ΡΡΠ΅Π½ΠΈΠ΅ΠΌ ΠΏΠ΅ΡΠ΅Π΄Π°Ρ, ΠΏΠΎΡΠ΅ΡΡ ΠΆΠΈΠ΄ΠΊΠΎΡΡΠΈ ΡΡΠ΅ΠΏΠ»Π΅Π½ΠΈΡ ΠΈ Π½Π΅ΠΎΠ±ΡΡΠ½ΠΎΠ΅ ΠΏΠΎΠ²Π΅Π΄Π΅Π½ΠΈΠ΅ ΡΡΠ΅ΠΏΠ»Π΅Π½ΠΈΡ, Π½Π°ΠΏΡΠΈΠΌΠ΅Ρ, ΠΊΠΎΠ³Π΄Π° ΠΏΠ΅Π΄Π°Π»Ρ ΠΎΡΡΠ°Π΅ΡΡΡ Π½Π°ΠΆΠ°ΡΠΎΠΉ ΠΏΡΠΈ ΠΊΠ°ΠΆΠ΄ΠΎΠΌ Π½Π°ΠΆΠ°ΡΠΈΠΈ.
ΠΠΎΡ ΠΊΠ°ΠΊβ¦ ΠΏΠΎΠ»ΡΡΠΈΡΡ Π»Π΅Π³ΠΊΡΡ ΠΏΠ΅Π΄Π°Π»Ρ ΡΡΠ΅ΠΏΠ»Π΅Π½ΠΈΡ Ρ Π³ΠΈΠ΄ΡΠ°Π²Π»ΠΈΡΠ΅ΡΠΊΠΎΠΉ ΡΠΈΡΡΠ΅ΠΌΠΎΠΉ ΡΡΠ΅ΠΏΠ»Π΅Π½ΠΈΡ ΡΠ΅ΡΠΈΠΈ LF ΠΎΡ MDL
ΠΠΎΡ ΠΊΠ°ΠΊβ¦ Π§ΡΠΎΠ±Ρ ΠΏΠΎΠ»ΡΡΠΈΡΡ Π»Π΅Π³ΠΊΡΡ ΠΏΠ΅Π΄Π°Π»Ρ ΡΡΠ΅ΠΏΠ»Π΅Π½ΠΈΡΡ Π³ΠΈΠ΄ΡΠ°Π²Π»ΠΈΡΠ΅ΡΠΊΠΎΠΉ ΡΠΈΡΡΠ΅ΠΌΠΎΠΉ ΡΡΠ΅ΠΏΠ»Π΅Π½ΠΈΡ ΡΠ΅ΡΠΈΠΈ LF ΡΠΎΠ²ΡΠ΅ΠΌΠ΅Π½Π½ΠΎΠΉ ΡΡΠ°Π½ΡΠΌΠΈΡΡΠΈΠΈ
ΠΠΎΠΌΠΏΠ»Π΅ΠΊΡΡ Π³ΠΈΠ΄ΡΠ°Π²Π»ΠΈΡΠ΅ΡΠΊΠΎΠ³ΠΎ ΡΡΠ΅ΠΏΠ»Π΅Π½ΠΈΡ
Modern Driveline ΡΠ΅ΡΠΈΠΈ LF Π΄Π»Ρ ΠΊΠ»Π°ΡΡΠΈΡΠ΅ΡΠΊΠΈΡ
Π°Π²ΡΠΎΠΌΠΎΠ±ΠΈΠ»Π΅ΠΉ ΠΎΠ±Π»Π΅Π³ΡΠ°ΡΡ ΡΠ°Π±ΠΎΡΡ Ρ ΡΡΠΆΠ΅Π»ΠΎΠΉ ΠΏΠ΅Π΄Π°Π»ΡΡ, ΠΏΠΎΠ·Π²ΠΎΠ»ΡΡ ΠΆΠΈΠ΄ΠΊΠΎΡΡΠΈ Π²ΡΠΏΠΎΠ»Π½ΡΡΡ ΡΡΠΆΠ΅Π»ΡΡ ΡΠ°Π±ΠΎΡΡ, ΠΊΠΎΡΠΎΡΡΡ ΠΌΠ΅Ρ
Π°Π½ΠΈΡΠ΅ΡΠΊΠΈΠ΅ ΡΠΈΡΡΠ΅ΠΌΡ ΡΡΠ΅ΠΏΠ»Π΅Π½ΠΈΡ Ρ Z-ΠΎΠ±ΡΠ°Π·Π½ΠΎΠΉ Π±Π°Π»ΠΊΠΎΠΉ Π²ΡΠΏΠΎΠ»Π½ΡΠ»ΠΈ Π½Π° ΠΏΡΠΎΡΡΠΆΠ΅Π½ΠΈΠΈ Π½Π΅ΡΠΊΠΎΠ»ΡΠΊΠΈΡ
ΠΏΠΎΠΊΠΎΠ»Π΅Π½ΠΈΠΉ.Modern Driveline Π²Π·ΡΠ»Π° ΠΊΠΎΠ½ΡΠ΅ΠΏΡΠΈΡ Π³ΠΈΠ΄ΡΠ°Π²Π»ΠΈΡΠ΅ΡΠΊΠΎΠ³ΠΎ ΡΡΠ΅ΠΏΠ»Π΅Π½ΠΈΡ ΠΈ ΡΠ΄Π΅Π»Π°Π»Π° Π΅Π΅ Π΅ΡΠ΅ Π»ΡΡΡΠ΅, ΡΠΏΡΠΎΡΡΠΈΠ² ΡΡΡΠ°Π½ΠΎΠ²ΠΊΡ ΠΈ ΠΎΠ±ΡΠ»ΡΠΆΠΈΠ²Π°Π½ΠΈΠ΅. ΠΡΠΎΡΠ΅ Π³ΠΎΠ²ΠΎΡΡ, Π½Π°ΡΠ° Π³ΠΈΠ΄ΡΠ°Π²Π»ΠΈΡΠ΅ΡΠΊΠ°Ρ ΡΠΈΡΡΠ΅ΠΌΠ° ΡΡΠ΅ΠΏΠ»Π΅Π½ΠΈΡ Π΄Π»Ρ ΠΊΠ»Π°ΡΡΠΈΡΠ΅ΡΠΊΠΈΡ
Z-ΠΎΠ±ΡΠ°Π·Π½ΡΡ
ΠΈ ΡΡΠΎΡΠΎΠ²ΡΡ
ΠΌΡΡΡ ΡΠ²Π»ΡΠ΅ΡΡΡ Π»ΡΡΡΠ΅ΠΉ Π² ΠΎΡΡΠ°ΡΠ»ΠΈ.
ΠΡ Π½Π΅ Π½Π°ΠΉΠ΄Π΅ΡΠ΅ Π»ΡΡΡΠ΅ ΡΠΏΡΠΎΠ΅ΠΊΡΠΈΡΠΎΠ²Π°Π½Π½ΠΎΠΉ ΡΠΈΡΡΠ΅ΠΌΡ, ΠΏΠΎΡΠΎΠΌΡ ΡΡΠΎ ΠΌΡ ΡΡΡΠ°Π½Π°Π²Π»ΠΈΠ²Π°Π΅ΠΌ, ΠΈΡΠΏΠΎΠ»ΡΠ·ΡΠ΅ΠΌ ΠΈ Π³ΠΎΠ½ΡΠ΅ΠΌ ΡΠΎ, ΡΡΠΎ ΠΏΡΠΎΠ΄Π°Π΅ΠΌ, Π½Π° Π½Π°ΡΠΈΡ
ΡΠΎΠ±ΡΡΠ²Π΅Π½Π½ΡΡ
Π°Π²ΡΠΎΠΌΠΎΠ±ΠΈΠ»ΡΡ
. ΠΠΎΠ»Π΅Π΅ ΡΠΎΠ³ΠΎ, ΠΌΡ Ρ
ΠΎΡΠΈΠΌ, ΡΡΠΎΠ±Ρ Π²Ρ ΡΠ·Π½Π°Π»ΠΈ ΠΎ ΠΏΡΠ΅ΠΈΠΌΡΡΠ΅ΡΡΠ²Π°Ρ
Π½Π°ΡΠΈΡ
Π³ΠΈΠ΄ΡΠ°Π²Π»ΠΈΡΠ΅ΡΠΊΠΈΡ
ΡΠΈΡΡΠ΅ΠΌ ΡΡΠ΅ΠΏΠ»Π΅Π½ΠΈΡ, ΡΡΡΠ°Π½ΠΎΠ²ΠΈΠ² ΠΎΠ΄Π½Ρ ΠΈΠ· Π½ΠΈΡ
Π½Π° ΡΠ²ΠΎΠΉ Π°Π²ΡΠΎΠΌΠΎΠ±ΠΈΠ»Ρ.
ΠΠΈΠ΄ΡΠ°Π²Π»ΠΈΡΠ΅ΡΠΊΠΈΠ΅ ΡΠΈΡΡΠ΅ΠΌΡ ΡΡΠ΅ΠΏΠ»Π΅Π½ΠΈΡ ΡΠ΅ΡΠΈΠΈ LF ΠΎΡ Modern Driveline — ΡΡΠΎ ΡΠ΅Π²ΠΎΠ»ΡΡΠΈΠΎΠ½Π½ΡΠΉ ΡΠΏΠΎΡΠΎΠ± ΡΡΡΠ°Π½ΠΎΠ²ΠΈΡΡ Π³ΠΈΠ΄ΡΠ°Π²Π»ΠΈΡΠ΅ΡΠΊΠΎΠ΅ ΡΡΠ΅ΠΏΠ»Π΅Π½ΠΈΠ΅ Π² ΠΊΠ»Π°ΡΡΠΈΡΠ΅ΡΠΊΠΈΠΉ ΠΌΠ°ΡΠ»ΠΊΠ°Ρ ΠΈΠ»ΠΈ Π΅Π·Π΄Ρ Π½Π° ΠΏΠΎΡΠ»Π΅Π΄Π½ΠΈΡ
ΠΌΠΎΠ΄Π΅Π»ΡΡ
.ΠΠ°ΡΠΈ ΡΠΈΡΡΠ΅ΠΌΡ LF — ΡΡΠΎ Π½Π΅ ΠΏΡΠΎΡΡΠΎ Π΅ΡΠ΅ ΠΎΠ΄ΠΈΠ½ ΡΠ½ΠΈΠ²Π΅ΡΡΠ°Π»ΡΠ½ΡΠΉ ΠΊΠΎΠΌΠΏΠ»Π΅ΠΊΡ Π΄Π»Ρ ΠΏΠ΅ΡΠ΅ΠΎΠ±ΠΎΡΡΠ΄ΠΎΠ²Π°Π½ΠΈΡ Π³ΠΈΠ΄ΡΠ°Π²Π»ΠΈΡΠ΅ΡΠΊΠΎΠ³ΠΎ ΡΡΠ΅ΠΏΠ»Π΅Π½ΠΈΡ Β«ΠΏΠΎΠ΄ ΠΎΠ΄ΠΈΠ½ ΡΠ°Π·ΠΌΠ΅ΡΒ», Π° Π½ΠΎΠ²ΡΠΉ ΠΏΠΎΠ΄Ρ
ΠΎΠ΄ ΠΊ Π³Π΅ΠΎΠΌΠ΅ΡΡΠΈΠΈ ΠΏΠ΅Π΄Π°Π»ΠΈ ΠΈ Π³Π»Π°Π²Π½ΠΎΠ³ΠΎ ΡΠΈΠ»ΠΈΠ½Π΄ΡΠ°, ΠΊΠΎΡΠΎΡΡΠΉ Π·Π½Π°ΡΠΈΡΠ΅Π»ΡΠ½ΠΎ ΡΠ½ΠΈΠΆΠ°Π΅Ρ ΡΡΠΈΠ»ΠΈΠ΅ Π½Π° ΠΏΠ΅Π΄Π°Π»ΠΈ.
ΠΠΎΠ»Π΅Π΅ ΡΠΎΠ³ΠΎ, ΠΈΡ
ΠΏΡΠΎΡΠ΅ Π²ΡΠ΅Π³ΠΎ ΡΡΡΠ°Π½ΠΎΠ²ΠΈΡΡ ΠΈ Π½Π°ΡΡΡΠΎΠΈΡΡ. Π Π°Π·ΠΌΠ΅Ρ Π³Π»Π°Π²Π½ΠΎΠ³ΠΎ ΡΠΈΠ»ΠΈΠ½Π΄ΡΠ° Π³ΠΈΠ΄ΡΠ°Π²Π»ΠΈΡΠ΅ΡΠΊΠΎΠ³ΠΎ ΡΡΠ΅ΠΏΠ»Π΅Π½ΠΈΡ ΠΈΠ·ΠΌΠ΅Π½Π΅Π½ ΠΈ ΠΎΠΏΡΠΈΠΌΠΈΠ·ΠΈΡΠΎΠ²Π°Π½ Π΄Π»Ρ Π²Π°ΡΠ΅Π³ΠΎ ΠΊΠΎΠ½ΠΊΡΠ΅ΡΠ½ΠΎΠ³ΠΎ ΠΏΡΠΈΠΌΠ΅Π½Π΅Π½ΠΈΡ.
Π Π³ΠΈΠ΄ΡΠ°Π²Π»ΠΈΡΠ΅ΡΠΊΠΎΠΉ ΡΠΈΡΡΠ΅ΠΌΠ΅ ΡΡΠ΅ΠΏΠ»Π΅Π½ΠΈΡ ΡΠ΅ΡΠΈΠΈ LF ΠΈΡΠΏΠΎΠ»ΡΠ·ΡΠ΅ΡΡΡ ΡΠ΅Π²ΠΎΠ»ΡΡΠΈΠΎΠ½Π½Π°Ρ ΠΊΠΎΠ½ΡΡΡΡΠΊΡΠΈΡ, ΡΠ»ΡΡΡΠ°ΡΡΠ°Ρ Π³Π΅ΠΎΠΌΠ΅ΡΡΠΈΡ ΠΏΠ΅Π΄Π°Π»ΠΈ ΡΡΠ΅ΠΏΠ»Π΅Π½ΠΈΡ ΠΏΠΎ ΠΎΡΠ½ΠΎΡΠ΅Π½ΠΈΡ ΠΊ Π³Π»Π°Π²Π½ΠΎΠΌΡ ΡΠΈΠ»ΠΈΠ½Π΄ΡΡ ΡΡΠ΅ΠΏΠ»Π΅Π½ΠΈΡ, Π° ΡΠ°ΠΊΠΆΠ΅ ΠΈΠ·ΠΌΠ΅Π½Π΅Π½Π½ΡΠΉ ΡΠ°Π·ΠΌΠ΅Ρ ΠΎΡΠ²Π΅ΡΡΡΠΈΡ.Π Π°Π·ΠΌΠ΅Ρ ΡΠ°ΠΌΠΎΠ³ΠΎ Π³Π»Π°Π²Π½ΠΎΠ³ΠΎ ΡΠΈΠ»ΠΈΠ½Π΄ΡΠ° ΠΈΠ·ΠΌΠ΅Π½Π΅Π½ ΠΈ ΠΎΠΏΡΠΈΠΌΠΈΠ·ΠΈΡΠΎΠ²Π°Π½ Π΄Π»Ρ ΡΠ΅Π³ΡΠ»ΠΈΡΠΎΠ²Π°Π½ΠΈΡ ΡΡΠ΅ΠΏΠ»Π΅Π½ΠΈΡ. ΠΠ΅Π±ΠΎΠ»ΡΡΠΎΠΉ ΡΠ°Π·ΠΌΠ΅Ρ Π³Π»Π°Π²Π½ΠΎΠ³ΠΎ ΡΠΈΠ»ΠΈΠ½Π΄ΡΠ° Π³Π°ΡΠ°Π½ΡΠΈΡΡΠ΅Ρ, ΡΡΠΎ ΠΎΠ½ ΠΏΠΎΠ΄Ρ ΠΎΠ΄ΠΈΡ Π΄Π»Ρ Π±ΠΎΠ»ΡΡΠΈΠ½ΡΡΠ²Π° ΠΏΡΠΈΠΌΠ΅Π½Π΅Π½ΠΈΠΉ. ΠΠ°ΡΠ΅ ΡΠΎΠ΅Π΄ΠΈΠ½Π΅Π½ΠΈΠ΅ ΠΏΠΎΠ·Π²ΠΎΠ»ΡΠ΅Ρ ΠΈΡΠΏΠΎΠ»ΡΠ·ΠΎΠ²Π°ΡΡ ΠΎΡΠ²Π΅ΡΡΡΠΈΠ΅ Π΄Π»Ρ ΡΡΠ³ΠΈ ΡΡΠ³ΠΈ ΠΌΠ΅Ρ Π°Π½ΠΈΡΠ΅ΡΠΊΠΎΠ³ΠΎ ΡΡΠ΅ΠΏΠ»Π΅Π½ΠΈΡ (Π³Π΄Π΅ ΡΡΠΎ Π²ΠΎΠ·ΠΌΠΎΠΆΠ½ΠΎ), ΠΏΠΎΠ·Π²ΠΎΠ»ΡΡΡΠ΅Π΅ ΡΠ°ΡΠΏΠΎΠ»ΠΎΠΆΠΈΡΡ Π΅Π³ΠΎ ΠΏΠ΅ΡΠΏΠ΅Π½Π΄ΠΈΠΊΡΠ»ΡΡΠ½ΠΎ Π±ΡΠ°Π½Π΄ΠΌΠ°ΡΡΡΡ, ΠΈ ΠΎΠ±Π΅ΡΠΏΠ΅ΡΠΈΠ²Π°Π΅Ρ ΠΌΠ΅Ρ Π°Π½ΠΈΡΠ΅ΡΠΊΠΎΠ΅ ΠΏΡΠ΅ΠΈΠΌΡΡΠ΅ΡΡΠ²ΠΎ, ΡΠ°ΠΊΠΈΠΌ ΠΎΠ±ΡΠ°Π·ΠΎΠΌ ΡΠ½ΠΈΠΆΠ°Ρ Π΄Π°Π²Π»Π΅Π½ΠΈΠ΅ Π½Π° ΠΏΠ΅Π΄Π°Π»Ρ, Π½Π΅ΠΎΠ±Ρ ΠΎΠ΄ΠΈΠΌΠΎΠ΅ Π΄Π»Ρ ΠΏΡΠΈΠ²Π΅Π΄Π΅Π½ΠΈΡ Π² Π΄Π΅ΠΉΡΡΠ²ΠΈΠ΅ ΡΡΠ΅ΠΏΠ»Π΅Π½ΠΈΡ. ΠΠΎΠ½ΡΡΡΡΠΊΡΠΈΡ ΠΌΠ΅Ρ Π°Π½ΠΈΡΠ΅ΡΠΊΠΎΠ³ΠΎ ΡΡΡΠ°Π³Π° ΡΠ°ΠΊΠΆΠ΅ ΠΎΠ±Π΅ΡΠΏΠ΅ΡΠΈΠ²Π°Π΅Ρ ΠΏΠΎΠ»Π½ΡΠΉ Ρ ΠΎΠ΄ ΠΏΠ΅Π΄Π°Π»ΠΈ Π΄Π»Ρ ΠΌΠ°ΠΊΡΠΈΠΌΠ°Π»ΡΠ½ΠΎΠΉ ΠΌΠΎΠ΄ΡΠ»ΡΡΠΈΠΈ ΡΡΠ΅ΠΏΠ»Π΅Π½ΠΈΡ.
ΠΠ½Π΅ΡΠ½ΠΈΠΉ ΡΠ°Π±ΠΎΡΠΈΠΉ ΡΠΈΠ»ΠΈΠ½Π΄Ρ ΡΡΠ΅ΠΏΠ»Π΅Π½ΠΈΡ Modern Driveline ΠΏΡΠ΅Π΄Π½Π°Π·Π½Π°ΡΠ΅Π½ Π΄Π»Ρ Π·Π°ΠΌΠ΅Π½Ρ ΡΡΠΎΡΠΎΠ²ΠΎΠΉ ΡΠΈΡΡΠ΅ΠΌΡ ΡΡΠ΅ΠΏΠ»Π΅Π½ΠΈΡ Ρ ΡΠΎΠΉ ΠΆΠ΅ Π²ΠΈΠ»ΠΊΠΎΠΉ ΠΈ Π²ΡΠΆΠΈΠΌΠ½ΡΠΌ ΠΏΠΎΠ΄ΡΠΈΠΏΠ½ΠΈΠΊΠΎΠΌ. ΠΠ½ ΠΈΠΌΠΈΡΠΈΡΡΠ΅Ρ ΡΠ°Π±ΠΎΡΡ ΠΊΠ°Π±Π΅Π»Ρ Π±Π΅Π· ΡΠ»ΠΎΠΆΠ½ΠΎΡΡΠ΅ΠΉ ΠΊΠ°Π±Π΅Π»ΡΠ½ΠΎΠΉ ΡΠΈΡΡΠ΅ΠΌΡ. ΠΠ΅Π³ΠΊΠΎΠ΅ ΠΎΡΡΡΠ΅Π½ΠΈΠ΅ ΠΏΠ΅Π΄Π°Π»ΠΈ ΡΡΠ΅ΠΏΠ»Π΅Π½ΠΈΡ ΠΈ ΡΠ»ΡΡΡΠ΅Π½Π½ΡΠΉ Ρ ΠΎΠ΄ — ΡΡΠΎ ΡΠ»ΡΡΡΠ΅Π½ΠΈΠ΅ ΠΏΠΎ ΡΡΠ°Π²Π½Π΅Π½ΠΈΡ ΡΠΎ Π²ΡΠ΅ΠΌΠΈ Π΄ΡΡΠ³ΠΈΠΌΠΈ ΠΊΠΎΠΌΠΏΠ»Π΅ΠΊΡΠ°ΠΌΠΈ Π³ΠΈΠ΄ΡΠ°Π²Π»ΠΈΡΠ΅ΡΠΊΠΎΠ³ΠΎ ΡΡΠ΅ΠΏΠ»Π΅Π½ΠΈΡ Π½Π° ΡΡΠ½ΠΊΠ΅. ΠΠΎΠ»Π½ΡΠΉ Ρ ΠΎΠ΄ Π² 1 1/4 Π΄ΡΠΉΠΌΠ° ΠΎΠ±Π΅ΡΠΏΠ΅ΡΠΈΠ²Π°Π΅Ρ ΠΏΠΎΠ»Π½ΠΎΠ΅ ΠΎΡΠΊΠ»ΡΡΠ΅Π½ΠΈΠ΅ ΡΡΠ΅ΠΏΠ»Π΅Π½ΠΈΡ.
ΠΠ½ΡΡΡΠ΅Π½Π½ΠΈΠΉ Π³ΠΈΠ΄ΡΠ°Π²Π»ΠΈΡΠ΅ΡΠΊΠΈΠΉ Π²ΡΠΆΠΈΠΌΠ½ΠΎΠΉ ΠΏΠΎΠ΄ΡΠΈΠΏΠ½ΠΈΠΊ Modern Driveline — ΡΡΠΎ Π²ΡΡΠΎΠΊΠΎΠΊΠ°ΡΠ΅ΡΡΠ²Π΅Π½Π½ΡΠΉ ΠΏΠΎΠ΄ΡΠΈΠΏΠ½ΠΈΠΊ Tilton Ρ ΠΏΠ»Π΅ΡΠ΅Π½ΡΠΌΠΈ ΡΠ»Π°Π½Π³Π°ΠΌΠΈ ΠΈ Π²ΡΡΡΠΎΠ΅Π½Π½ΡΠΌ Π²ΠΎΠ·Π΄ΡΡ
ΠΎΠΎΡΠ²ΠΎΠ΄ΡΠΈΠΊΠΎΠΌ.ΠΡΠΎ Π²ΡΠΆΠΈΠΌΠ½ΠΎΠΉ ΠΏΠΎΠ΄ΡΠΈΠΏΠ½ΠΈΠΊ Tilton ΡΠ΅ΡΠΈΠΈ 6000 Ρ Π³ΠΈΠ΄ΡΠ°Π²Π»ΠΈΡΠ΅ΡΠΊΠΈΠΌ ΡΠ°Π·ΡΠ΅Π΄ΠΈΠ½Π΅Π½ΠΈΠ΅ΠΌ, ΠΊΠΎΡΠΎΡΡΠΉ ΡΡΡΠ°Π½Π°Π²Π»ΠΈΠ²Π°Π΅ΡΡΡ Π½Π° ΠΏΠ΅ΡΠ΅Π΄Π½ΠΈΠΉ ΡΠΈΠΊΡΠ°ΡΠΎΡ ΠΏΠΎΠ΄ΡΠΈΠΏΠ½ΠΈΠΊΠ° ΡΡΠ°Π½ΡΠΌΠΈΡΡΠΈΠΈ. Π Π°Π·ΡΠ°Π±ΠΎΡΠ°Π½Π½ΡΠΉ Π΄Π»Ρ ΡΠ°Π±ΠΎΡΡ Ρ Π±ΠΎΠ»ΡΡΠΈΠ½ΡΡΠ²ΠΎΠΌ ΠΊΠΎΠ»ΠΎΠΊΠΎΠ»ΠΎΠ² ΠΈ ΡΡΠ°Π½ΡΠΌΠΈΡΡΠΈΠΉ (T5, TKO, T56), Tilton 6000 ΠΌΠΎΠΆΠ½ΠΎ ΡΡΡΠ°Π½ΠΎΠ²ΠΈΡΡ Π΄Π°ΠΆΠ΅ Π½Π° Π²Π°Ρ Π²ΠΈΠ½ΡΠ°ΠΆΠ½ΡΠΉ ΡΠ΅ΡΡΡΠ΅Ρ
ΡΡΡΠΏΠ΅Π½ΡΠ°ΡΡΠΉ ΠΏΠΎΠ³ΡΡΠ·ΡΠΈΠΊ Ford Top Loader.
ΠΠ½Π΅ΡΠ½ΠΈΠΉ ΡΠ°Π±ΠΎΡΠΈΠΉ Ρ ΠΎΠ΄ ΠΌΡΡΡΡ Modern Driveline ΠΏΡΠΈΠΊΡΡΡΠΈΠ²Π°Π΅ΡΡΡ Π±ΠΎΠ»ΡΠ°ΠΌΠΈ ΠΊ ΠΊΠΎΠ»ΠΎΠΊΠΎΠ»Ρ, ΠΏΡΠΎΡΠ²Π΅ΡΠ»ΠΈΠ² ΠΏΠ°ΡΡ ΠΎΡΠ²Π΅ΡΡΡΠΈΠΉ 3/8 Π΄ΡΠΉΠΌΠ° Π² ΠΊΠΎΠ»ΠΎΠΊΠΎΠ»Π΅ ΡΡΠΎΡΠΎΠ²ΠΎΠΉ ΠΌΡΡΡΡ, ΡΡΡΠ°Π½ΠΎΠ²ΠΈΠ² ΠΌΠΎΠ½ΡΠ°ΠΆΠ½ΡΠΉ ΠΊΡΠΎΠ½ΡΡΠ΅ΠΉΠ½ ΡΠ°Π±ΠΎΡΠ΅Π³ΠΎ ΡΠΈΠ»ΠΈΠ½Π΄ΡΠ° ΠΈ Π²Π΅Π΄ΠΎΠΌΡΠΉ.Π£ΡΡΠ°Π½ΠΎΠ²ΠΊΠ° ΠΏΡΠΎΡΡΠ° ΠΈ Π·Π°Π½ΠΈΠΌΠ°Π΅Ρ ΠΎΠΊΠΎΠ»ΠΎ ΡΠ°ΡΠ°.
Π¨ΡΠΎΠΊ ΠΏΡΠΈΠ²ΠΎΠ΄Π° ΡΠ°Π±ΠΎΡΠ΅Π³ΠΎ ΡΠΈΠ»ΠΈΠ½Π΄ΡΠ° ΠΏΡΠΈΠ²ΡΠ·ΡΠ²Π°Π΅ΡΡΡ ΠΊ Π²ΠΈΠ»ΠΊΠ΅ ΡΡΠ΅ΠΏΠ»Π΅Π½ΠΈΡ, ΠΊΠ°ΠΊ ΠΏΠΎΠΊΠ°Π·Π°Π½ΠΎ Π½Π° ΡΠΈΡΡΠ½ΠΊΠ΅, ΠΈ ΠΏΠΎΠ»Π½ΠΎΡΡΡΡ ΡΠ΅Π³ΡΠ»ΠΈΡΡΠ΅ΡΡΡ. ΠΠΎ Π·Π°Π²Π΅ΡΡΠ΅Π½ΠΈΠΈ ΠΏΡΠΎΠΊΠ°ΡΠΊΠΈ ΡΠΈΡΡΠ΅ΠΌΡ ΡΡΠ΅ΠΏΠ»Π΅Π½ΠΈΡ ΠΎΡΡΠ΅Π³ΡΠ»ΠΈΡΡΠΉΡΠ΅ Π²ΠΈΠ»ΠΊΡ ΡΡΠ΅ΠΏΠ»Π΅Π½ΠΈΡ.
Π Π±ΡΠ°Π½Π΄ΠΌΠ°ΡΡΡΠ΅ Π³Π»Π°Π²Π½ΠΎΠ³ΠΎ ΡΠΈΠ»ΠΈΠ½Π΄ΡΠ° Π³ΠΈΠ΄ΡΠ°Π²Π»ΠΈΡΠ΅ΡΠΊΠΎΠ³ΠΎ ΡΡΠ΅ΠΏΠ»Π΅Π½ΠΈΡ ΡΠ΄Π΅Π»Π°Π½ΠΎ ΠΎΡΠ²Π΅ΡΡΡΠΈΠ΅ Π΄ΠΈΠ°ΠΌΠ΅ΡΡΠΎΠΌ ΠΎΠ΄ΠΈΠ½ Π΄ΡΠΉΠΌ, ΠΊΠΎΡΠΎΡΠΎΠ΅ ΠΏΡΠΎΡΠ²Π΅ΡΠ»ΠΈΠ²Π°ΡΡ ΠΊΠΎΠ»ΡΡΠ΅Π²ΠΎΠΉ ΠΏΠΈΠ»ΠΎΠΉ, ΠΊΠ°ΠΊ ΠΏΠΎΠΊΠ°Π·Π°Π½ΠΎ. Π Π°ΡΠΏΠΎΠ»ΠΎΠΆΠ΅Π½ΠΈΠ΅ Π±ΡΠ΄Π΅Ρ Π·Π°Π²ΠΈΡΠ΅ΡΡ ΠΎΡ Π³ΠΎΠ΄Π° Π²ΡΠΏΡΡΠΊΠ° ΠΈ ΡΠΈΠΏΠ° Π°Π²ΡΠΎΠΌΠΎΠ±ΠΈΠ»Ρ.ΠΡΠΏΠΎΠ»ΡΠ·ΡΠΉΡΠ΅ ΠΊΡΠ΅ΠΏΠ»Π΅Π½ΠΈΠ΅ Π³Π»Π°Π²Π½ΠΎΠ³ΠΎ ΡΠΈΠ»ΠΈΠ½Π΄ΡΠ° ΡΡΠ΅ΠΏΠ»Π΅Π½ΠΈΡ Π² ΠΊΠ°ΡΠ΅ΡΡΠ²Π΅ ΡΠ°Π±Π»ΠΎΠ½Π°.
ΠΡΠ΅ΠΏΠ»Π΅Π½ΠΈΠ΅ ΠΈ ΡΡΡΠ°ΠΆΠ½ΡΠΉ ΠΌΠ΅Ρ Π°Π½ΠΈΠ·ΠΌ Π³Π»Π°Π²Π½ΠΎΠ³ΠΎ ΡΠΈΠ»ΠΈΠ½Π΄ΡΠ° Π³ΠΈΠ΄ΡΠ°Π²Π»ΠΈΡΠ΅ΡΠΊΠΎΠ³ΠΎ ΡΡΠ΅ΠΏΠ»Π΅Π½ΠΈΡ ΠΏΠΎΠ΄ ΠΏΡΠΈΠ±ΠΎΡΠ½ΠΎΠΉ ΠΏΠ°Π½Π΅Π»ΡΡ ΡΠ°ΡΠΏΠΎΠ»ΠΎΠΆΠ΅Π½Ρ Π·Π΄Π΅ΡΡ, ΡΡΡΡ Π½ΠΈΠΆΠ΅ ΠΏΠ΅ΡΠ΅Ρ ΠΎΠ΄Π½ΠΎΠΉ Π·Π°Π³Π»ΡΡΠΊΠΈ ΠΌΠ΅ΠΆΡΠ΅ΡΠ΅Π²ΠΎΠ³ΠΎ ΡΠΊΡΠ°Π½Π° Π½Π° ΠΊΠ»Π°ΡΡΠΈΡΠ΅ΡΠΊΠΈΡ Mustang, ΠΊΠ°ΠΊ ΠΎΠ΄ΠΈΠ½ ΠΈΠ· ΠΏΡΠΈΠΌΠ΅ΡΠΎΠ² ΡΠΎΠ³ΠΎ, ΡΡΠΎ ΠΌΡ ΠΏΡΠΎΠ΄Π°Π΅ΠΌ. ΠΠ°ΠΊ Π²ΠΈΠ΄ΠΈΡΠ΅, ΠΌΡ Π΅ΡΠ΅ Π½Π΅ ΠΏΡΠΎΡΠ²Π΅ΡΠ»ΠΈΠ»ΠΈ ΠΎΡΠ²Π΅ΡΡΡΠΈΠ΅ Π³Π»Π°Π²Π½ΠΎΠ³ΠΎ ΡΠΈΠ»ΠΈΠ½Π΄ΡΠ°. ΠΡΠΎ Π΄Π΅ΠΉΡΡΠ²ΠΈΡΠ΅Π»ΡΠ½ΠΎ ΠΏΡΠΎΡΡΠ°Ρ Π² ΡΡΡΠ°Π½ΠΎΠ²ΠΊΠ΅ ΠΈ Π½Π°ΡΡΡΠΎΠΉΠΊΠ΅ ΡΠΈΡΡΠ΅ΠΌΠ°. Π‘Π°ΠΌΠ°Ρ Π±ΠΎΠ»ΡΡΠ°Ρ ΠΏΡΠΎΠ±Π»Π΅ΠΌΠ° Π΄Π»Ρ Π²Π°Ρ — ΠΏΠΎΠ»ΡΡΠΈΡΡ ΠΏΡΠ°Π²ΠΈΠ»ΡΠ½ΡΠ΅ ΡΠ°Π·ΠΌΠ΅ΡΡ Π² ΡΠΎΠΎΡΠ²Π΅ΡΡΡΠ²ΠΈΠΈ Ρ ΠΈΠ½ΡΡΡΡΠΊΡΠΈΡΠΌΠΈ ΠΏΠΎ ΡΠΎΠ²ΡΠ΅ΠΌΠ΅Π½Π½ΠΎΠΉ ΡΡΠ°Π½ΡΠΌΠΈΡΡΠΈΠΈ.ΠΡΠ»ΠΈ Π²Ρ ΡΡΠΎΠ»ΠΊΠ½Π΅ΡΠ΅ΡΡ Ρ ΡΡΡΠ΄Π½ΠΎΡΡΡΠΌΠΈ, ΠΌΡ ΠΏΠΎΠΌΠΎΠΆΠ΅ΠΌ Π²Π°ΠΌ Ρ ΡΠ΅Ρ Π½ΠΈΡΠ΅ΡΠΊΠΎΠΉ ΠΏΠΎΠ΄Π΄Π΅ΡΠΆΠΊΠΎΠΉ Π² ββΡΠ΅ΡΠ΅Π½ΠΈΠ΅ Π½Π΅Π΄Π΅Π»ΠΈ.
ΠΠ»Π°Π²Π½ΡΠΉ ΡΠΈΠ»ΠΈΠ½Π΄Ρ Modern Driveline ΡΡΡΠ°Π½ΠΎΠ²Π»Π΅Π½, ΠΊΠ°ΠΊ ΠΏΠΎΠΊΠ°Π·Π°Π½ΠΎ Π·Π΄Π΅ΡΡ, Π½Π° Π±ΡΠ°Π½Π΄ΠΌΠ°ΡΡΡΠ΅. ΠΡΠΎ Mustang 1965-66 Π³ΠΎΠ΄ΠΎΠ², Π½ΠΎ ΠΎΠΆΠΈΠ΄Π°ΠΉΡΠ΅, ΡΡΠΎ Π±ΠΎΠ»ΡΡΠΈΠ½ΡΡΠ²ΠΎ ΠΏΡΠΈΠ»ΠΎΠΆΠ΅Π½ΠΈΠΉ Π±ΡΠ΄ΡΡ ΠΏΠΎΡ ΠΎΠΆΠΈ, ΠΎΡΠΎΠ±Π΅Π½Π½ΠΎ Falcon, Comet ΠΈ Cougar. Π Π΅Π·Π΅ΡΠ²ΡΠ°Ρ, ΠΊΠΎΡΠΎΡΡΠΉ ΡΡΡΠ°Π½ΠΎΠ²Π»Π΅Π½ Π½Π° Π±ΡΠ°Π½Π΄ΠΌΠ°ΡΡΡΠ΅, Π΅ΡΠ΅ Π½Π΅ΠΎΠ±Ρ ΠΎΠ΄ΠΈΠΌΠΎ ΠΏΠΎΠ΄ΠΊΠ»ΡΡΠΈΡΡ ΠΊ Π³Π»Π°Π²Π½ΠΎΠΌΡ ΡΠΈΠ»ΠΈΠ½Π΄ΡΡ ΡΡΠ΅ΠΏΠ»Π΅Π½ΠΈΡ.
ΠΠΎΡΠ»Π΅ ΡΠΎΠ³ΠΎ, ΠΊΠ°ΠΊ ΡΠ΅Π·Π΅ΡΠ²ΡΠ°Ρ Π±ΡΠ» Π·Π°Π»ΠΈΡ ΡΠΎΡΠΌΠΎΠ·Π½ΠΎΠΉ ΠΆΠΈΠ΄ΠΊΠΎΡΡΡΡ, ΠΈΠ· ΡΠ°Π±ΠΎΡΠ΅Π³ΠΎ ΡΠΈΠ»ΠΈΠ½Π΄ΡΠ° ΡΠ΄Π°Π»ΡΠ΅ΡΡΡ Π²ΠΎΠ·Π΄ΡΡ
, ΠΊΠ°ΠΊ ΠΏΠΎΠΊΠ°Π·Π°Π½ΠΎ Π½Π° ΡΠΈΡΡΠ½ΠΊΠ΅.
Π‘Π»Π΅Π΄ΠΈΡΠ΅ Π·Π° ΡΠ΅ΠΌ, ΡΡΠΎΠ±Ρ Π½Π΅ ΠΏΡΠΎΠ»ΠΈΡΡ ΡΠΎΡΠΌΠΎΠ·Π½ΡΡ ΠΆΠΈΠ΄ΠΊΠΎΡΡΡ Π½Π° ΠΊΡΠ°ΡΠΊΡ. ΠΡΠΎ ΠΌΠΎΠΆΠ΅Ρ ΠΏΡΠΈΠ²Π΅ΡΡΠΈ ΠΊ Π½Π΅ΠΎΠ±ΡΠ°ΡΠΈΠΌΠΎΠΌΡ ΠΏΠΎΠ²ΡΠ΅ΠΆΠ΄Π΅Π½ΠΈΡ. ΠΠ±Π° ΠΊΠΎΠ½ΡΠ° ΡΠ»ΠΈΠ²Π½ΠΎΠ³ΠΎ ΡΠ»Π°Π½Π³Π° Π΄ΠΎΠ»ΠΆΠ½Ρ Π±ΡΡΡ Π³Π΅ΡΠΌΠ΅ΡΠΈΡΠ½ΠΎ Π·Π°ΠΊΡΡΡΡ, ΡΡΠΎΠ±Ρ Π²ΠΎΠ·Π΄ΡΡ
Π½Π΅ Π·Π°Π³ΡΡΠ·Π½ΡΠ» ΠΆΠΈΠ΄ΠΊΠΎΡΡΡ. ΠΠΎΠ½Π΅Ρ ΡΠ»Π°Π½Π³Π° Π΄ΠΎΠ»ΠΆΠ΅Π½ Π±ΡΡΡ ΠΏΠΎΠ³ΡΡΠΆΠ΅Π½ Π² ΡΠΎΡΠΌΠΎΠ·Π½ΡΡ ΠΆΠΈΠ΄ΠΊΠΎΡΡΡ. ΠΠΎΠΏΡΠΎΡΠΈΡΠ΅ ΠΏΠΎΠΌΠΎΡΠ½ΠΈΠΊΠ° ΠΌΠ΅Π΄Π»Π΅Π½Π½ΠΎ ΠΏΠΎΠ»Π½ΠΎΡΡΡΡ Π²ΡΠΆΠ°ΡΡ ΠΏΠ΅Π΄Π°Π»Ρ ΡΡΠ΅ΠΏΠ»Π΅Π½ΠΈΡ, Π° Π·Π°ΡΠ΅ΠΌ Π·Π°ΠΊΡΠΎΠΉΡΠ΅ ΡΠΏΡΡΠΊΠ½ΠΎΠΉ ΠΏΠ°ΡΡΡΠ±ΠΎΠΊ. Π Π΅Π³ΡΠ»ΠΈΡΠΎΠ²ΠΊΠ° ΡΡΠ΅ΠΏΠ»Π΅Π½ΠΈΡ ΡΠ²ΠΎΠ΄ΠΈΡΡΡ ΠΊ ΡΠΎΠΌΡ, ΠΊΠ°ΠΊ Π²Ρ Ρ
ΠΎΡΠΈΡΠ΅ ΡΡΠ²ΡΡΠ²ΠΎΠ²Π°ΡΡ ΠΏΠ΅Π΄Π°Π»Ρ ΡΡΠ΅ΠΏΠ»Π΅Π½ΠΈΡ ΠΈ Π³Π΄Π΅ Π²Ρ Ρ
ΠΎΡΠΈΡΠ΅, ΡΡΠΎΠ±Ρ ΡΡΠ΅ΠΏΠ»Π΅Π½ΠΈΠ΅ ΡΠ΄Π΅ΡΠΆΠΈΠ²Π°Π»ΠΎΡΡ.
ΠΡΠ΅Π³Π΄Π° ΠΎΠ±ΡΠ°ΡΠ°ΠΉΡΠ΅ΡΡ ΠΊ ΡΠ²ΠΎΠ΅ΠΉ ΠΊΠΎΠΌΠ°Π½Π΄Π΅ ΡΠ΅Ρ Π½ΠΈΡΠ΅ΡΠΊΠΎΠΉ ΠΏΠΎΠ΄Π΄Π΅ΡΠΆΠΊΠΈ Modern Driveline.ΠΡ Π³ΠΎΡΠΎΠ²Ρ ΠΏΠΎΠΌΠΎΡΡ Π²Π°ΠΌ Ρ ΡΡΡΠ°Π½ΠΎΠ²ΠΊΠΎΠΉ Π³ΠΈΠ΄ΡΠ°Π²Π»ΠΈΡΠ΅ΡΠΊΠΎΠ³ΠΎ ΡΡΠ΅ΠΏΠ»Π΅Π½ΠΈΡ, Π΅ΡΠ»ΠΈ Ρ Π²Π°Ρ Π²ΠΎΠ·Π½ΠΈΠΊΠ½ΡΡ ΠΊΠ°ΠΊΠΈΠ΅-Π»ΠΈΠ±ΠΎ ΠΏΡΠΎΠ±Π»Π΅ΠΌΡ. ΠΠΎΡΠΊΠΎΠ»ΡΠΊΡ ΠΌΡ ΡΠ°ΠΌΠΈ ΡΡΡΠ°Π½Π°Π²Π»ΠΈΠ²Π°Π»ΠΈ ΡΡΠΈ ΡΠΈΡΡΠ΅ΠΌΡ Π²ΠΎ ΠΌΠ½ΠΎΠ³ΠΈΡ ΡΠ»ΡΡΠ°ΡΡ , ΠΌΡ ΠΏΠΎΠ½ΠΈΠΌΠ°Π΅ΠΌ Π²Π°ΡΠΈ ΠΏΡΠΎΠ±Π»Π΅ΠΌΡ Π»ΡΡΡΠ΅, ΡΠ΅ΠΌ ΠΊΡΠΎ-Π»ΠΈΠ±ΠΎ Π² ΠΎΡΡΠ°ΡΠ»ΠΈ. ΠΠΎΠ³Π΄Π° Π²Ρ ΠΎΠ±ΡΠ°ΡΠ°Π΅ΡΠ΅ΡΡ Π·Π° ΡΠ΅Ρ Π½ΠΈΡΠ΅ΡΠΊΠΎΠΉ ΠΏΠΎΠΌΠΎΡΡΡ, Π²Ρ Π½Π΅ ΠΏΠΎΠ»ΡΡΠ°Π΅ΡΠ΅ ΠΊΠΎΠ³ΠΎ-ΡΠΎ Ρ ΠΊΠ²ΠΎΡΠΎΠΉ ΠΏΡΠΎΠ΄Π°ΠΆ, Π²Ρ ΠΏΠΎΠ»ΡΡΠ°Π΅ΡΠ΅ ΡΠ΅Π»ΠΎΠ²Π΅ΠΊΠ°, ΠΊΠΎΡΠΎΡΡΠΉ ΠΏΠΎΠ½ΠΈΠΌΠ°Π΅Ρ Π²Π°ΡΡ ΠΏΡΠΎΠ±Π»Π΅ΠΌΡ, ΠΊΠΎΡΠΎΡΡΠΉ ΠΌΠΎΠΆΠ΅Ρ ΠΏΠΎΠΌΠΎΡΡ ΠΈ Π²Π΅ΡΠ½ΡΡΡ Π²Π°Ρ Π² ΠΏΡΡΡ.
Π’Π΅Ρ Π½ΠΈΡΠ΅ΡΠΊΠΎΠ΅ ΠΎΠ±ΡΠ»ΡΠΆΠΈΠ²Π°Π½ΠΈΠ΅ ΡΠ·Π»Π° Π³ΠΈΠ΄ΡΠ°Π²Π»ΠΈΡΠ΅ΡΠΊΠΎΠ³ΠΎ ΡΡΠ΅ΠΏΠ»Π΅Π½ΠΈΡ Toyota
4x4Wire — Π’Π΅Ρ Π½ΠΈΡΠ΅ΡΠΊΠΎΠ΅ ΠΎΠ±ΡΠ»ΡΠΆΠΈΠ²Π°Π½ΠΈΠ΅ ΡΠ·Π»Π° Π³ΠΈΠ΄ΡΠ°Π²Π»ΠΈΡΠ΅ΡΠΊΠΎΠ³ΠΎ ΡΡΠ΅ΠΏΠ»Π΅Π½ΠΈΡ ToyotaΠ’Π΅Ρ Π½ΠΈΡΠ΅ΡΠΊΠΎΠ΅ ΠΎΠ±ΡΠ»ΡΠΆΠΈΠ²Π°Π½ΠΈΠ΅ Π³ΠΈΠ΄ΡΠ°Π²Π»ΠΈΡΠ΅ΡΠΊΠΎΠ³ΠΎ ΡΡΠ΅ΠΏΠ»Π΅Π½ΠΈΡ Toyota
ΠΠ²ΡΠΎΡ: ΠΠ°ΠΉΠΊ ΠΠ΅Π²ΠΈΡΡ — Π°ΠΏΡΠ΅Π»Ρ 2004 Π³.
ΠΠ°ΡΠ΅ ΡΡΠ΅ΠΏΠ»Π΅Π½ΠΈΠ΅ ΡΡΠΎΠ½Π΅Ρ, ΡΠ΅Π»ΠΊΠ°Π΅Ρ ΠΈΠ»ΠΈ Π·Π²ΡΡΠΈΡ Π½Π΅Π·Π΄ΠΎΡΠΎΠ²ΠΎ, ΠΊΠΎΠ³Π΄Π° Π²Ρ Π½Π°ΠΆΠΈΠΌΠ°Π΅ΡΠ΅ ΠΏΠ΅Π΄Π°Π»Ρ? ΠΡΠ»ΠΈ Π²Ρ ΠΈΡΠΊΠ»ΡΡΠΈΠ»ΠΈ ΡΠ°ΠΌ ΡΠ·Π΅Π» ΡΡΠ΅ΠΏΠ»Π΅Π½ΠΈΡ, Π²Π°ΠΌ, Π²Π΅ΡΠΎΡΡΠ½ΠΎ, ΠΏΠΎΡΡΠ΅Π±ΡΠ΅ΡΡΡ Π·Π°ΠΌΠ΅Π½ΠΈΡΡ Π³Π»Π°Π²Π½ΡΠΉ ΡΠΈΠ»ΠΈΠ½Π΄Ρ ΡΡΠ΅ΠΏΠ»Π΅Π½ΠΈΡ ΠΈ / ΠΈΠ»ΠΈ ΡΠ°Π±ΠΎΡΠΈΠΉ ΡΠΈΠ»ΠΈΠ½Π΄Ρ ΡΡΠ΅ΠΏΠ»Π΅Π½ΠΈΡ.ΠΡΠΈ Π½Π΅Π±ΠΎΠ»ΡΡΠΈΡ
Π²Π»ΠΎΠΆΠ΅Π½ΠΈΡΡ
Π² ΠΌΠΎΠ΄Π΅ΡΠ½ΠΈΠ·ΠΈΡΠΎΠ²Π°Π½Π½ΡΠΉ Π±Π»ΠΎΠΊ, Π½ΠΎΠ²ΡΠΉ Π±Π»ΠΎΠΊ Π΄Π»Ρ Π·Π°ΠΌΠ΅Π½Ρ ΠΈΠ»ΠΈ ΡΠ΅ΠΌΠΎΠ½ΡΠ½ΡΠΉ ΠΊΠΎΠΌΠΏΠ»Π΅ΠΊΡ, ΠΌΡ ΠΏΠΎΠΊΠ°ΠΆΠ΅ΠΌ Π²Π°ΠΌ, Π½Π°ΡΠΊΠΎΠ»ΡΠΊΠΎ Π»Π΅Π³ΠΊΠΎ Π·Π°ΠΌΠ΅Π½ΠΈΡΡ Π½Π΅ΠΈΡΠΏΡΠ°Π²Π½ΡΠΉ Π³ΠΈΠ΄ΡΠ°Π²Π»ΠΈΡΠ΅ΡΠΊΠΈΠΉ ΡΠ·Π΅Π», ΡΡΠΎΠ±Ρ ΡΠ»ΡΡΡΠΈΡΡ ΡΡΠ°Π±Π°ΡΡΠ²Π°Π½ΠΈΠ΅ ΡΡΠ΅ΠΏΠ»Π΅Π½ΠΈΡ ΠΈ ΠΏΡΠΎΠ΄Π»ΠΈΡΡ ΡΡΠΎΠΊ ΡΠ»ΡΠΆΠ±Ρ Π΄ΠΈΡΠΊΠ° Π² ΡΠ±ΠΎΡΠ΅.
Π‘Π½Π°ΡΠ°Π»Π° Π½Π΅ΠΎΠ±Ρ ΠΎΠ΄ΠΈΠΌΡΠ΅ ΠΈΠ½ΡΡΡΡΠΌΠ΅Π½ΡΡ:
| ΠΠ΅ΠΎΠ±Ρ ΠΎΠ΄ΠΈΠΌΡΠ΅ ΠΈΠ½ΡΡΡΡΠΌΠ΅Π½ΡΡ |
- ΠΠ°Π΅ΡΠ½ΡΠ΅ ΠΊΠ»ΡΡΠΈ Ρ Π½Π°ΠΊΠΈΠ΄Π½ΠΎΠΉ Π³Π°ΠΉΠΊΠΎΠΉ 10 ΠΌΠΌ
- Π ΠΎΠ·Π΅ΡΠΊΠΈ 10 ΠΈ 12 ΠΌΠΌ, ΠΎΠ±ΡΡΠ½ΡΠ΅ ΠΈ Π³Π»ΡΠ±ΠΎΠΊΠΈΠ΅
- ΠΠΎΠΌΠ±ΠΈΠ½ΠΈΡΠΎΠ²Π°Π½Π½ΡΠΉ ΠΊΠ»ΡΡ Π½Π° 10 ΠΌΠΌ
- Π ΡΠΊΠΎΡΡΠΊΠΈ Ρ Ρ ΡΠ°ΠΏΠΎΠ²ΡΠΌ ΠΌΠ΅Ρ Π°Π½ΠΈΠ·ΠΌΠΎΠΌ 1/4 ΠΈ 3/8
- Π Π°Π·Π»ΠΈΡΠ½ΡΠ΅ ΡΠ°ΡΡΠΈΡΠ΅Π½ΠΈΡ
- ΠΠ»ΠΎΡΠΊΠΎΠ³ΡΠ±ΡΡ ΡΠ°Π·Π½ΡΠ΅ Needlenose, Side Cutters, Linesman, Water Pump
- ΠΠΎΠΌΠΏΠ»Π΅ΠΊΡ Π΄Π»Ρ ΠΏΡΠΎΠΊΠ°ΡΠΊΠΈ ΡΠΎΡΠΌΠΎΠ·ΠΎΠ² Π΄Π»Ρ ΠΎΠ΄Π½ΠΎΠ³ΠΎ ΡΠ΅Π»ΠΎΠ²Π΅ΠΊΠ°
- SAE J1703 ΠΈΠ»ΠΈ FMVSS No.116 DOT 3 Π’ΠΎΡΠΌΠΎΠ·Π½Π°Ρ ΠΆΠΈΠ΄ΠΊΠΎΡΡΡ — ΠΠ ΠΠΠ£ΠΠ ΠΠΠΠΠΠΠ: Π’ΠΎΡΠΌΠΎΠ·Π½Π°Ρ ΠΆΠΈΠ΄ΠΊΠΎΡΡΡ ΡΠ΄Π°Π»ΡΠ΅Ρ ΠΊΡΠ°ΡΠΊΡ Ρ Π»ΡΠ±ΠΎΠΉ ΠΏΠΎΠ²Π΅ΡΡ Π½ΠΎΡΡΠΈ, Ρ ΠΊΠΎΡΠΎΡΠΎΠΉ ΡΠΎΠΏΡΠΈΠΊΠ°ΡΠ°Π΅ΡΡΡ!
- Π€ΠΎΠ½Π°ΡΠΈΠΊ (ΠΈ)
- ΠΠΎΠ΄Π΄ΠΎΠ½ Π΄Π»Ρ ΡΠ»ΠΈΠ²Π° ΠΆΠΈΠ΄ΠΊΠΎΡΡΠΈ
ΠΡΠ° ΡΠ°Π±ΠΎΡΠ° Π΄ΠΎΠ»ΠΆΠ½Π° Π·Π°Π½ΡΡΡ ΠΎΡ ΠΎΠ΄Π½ΠΎΠ³ΠΎ Π΄ΠΎ ΠΏΠΎΠ»ΡΡΠΎΡΠ° ΡΠ°ΡΠΎΠ².
Π‘Π½ΠΈΠΌΠΈΡΠ΅ Π½ΠΈΠΆΠ½ΡΡ ΡΠ°ΡΡΡ ΠΏΡΠΈΠ±ΠΎΡΠ½ΠΎΠΉ ΠΏΠ°Π½Π΅Π»ΠΈ (ΡΠ΅ΡΡΡΠ΅ Π±ΠΎΠ»ΡΠ° 10 ΠΌΠΌ Π½Π° 4Runner ΡΡΠ΅ΡΡΠ΅Π³ΠΎ ΠΏΠΎΠΊΠΎΠ»Π΅Π½ΠΈΡ) ΠΈ ΡΠΎΠΎΡΠ²Π΅ΡΡΡΠ²ΡΡΡΠΈΠ΅ Π·Π°Π³Π»ΡΡΠΊΠΈ, ΠΊΠ°Π±Π΅Π»ΠΈ ΠΈ Ρ.Π΄. ΡΡΠΎ ΠΈΠ΄Π΅Ρ ΠΊΡΠ΄Π°.Π‘Π½ΡΡΠΈΠ΅ ΠΏΠ°Π½Π΅Π»ΠΈ Π½Π΅ΠΎΠ±Ρ ΠΎΠ΄ΠΈΠΌΠΎ, Π΅ΡΠ»ΠΈ Ρ Π²Π°Ρ Π½Π΅Ρ ΡΡΠΊ ΡΡΠ΅Ρ Π»Π΅ΡΠ½Π΅Π³ΠΎ ΡΠ΅Π±Π΅Π½ΠΊΠ° ΠΈ ΡΡΠΊ ΠΠ°Π½ΡΡΠ΅ ΠΠΎΠ»Π°.
Π‘Π½ΠΈΠΌΠΈΡΠ΅ ΡΠΏΠ»ΠΈΠ½Ρ, ΡΠ΄Π΅ΡΠΆΠΈΠ²Π°ΡΡΠΈΠΉ ΠΏΠΎΠΏΠ΅ΡΠ΅ΡΠ½ΡΠΉ ΡΡΠΈΡΡ ΡΠ΅ΡΠ΅Π· ΠΏΠ΅Π΄Π°Π»Ρ ΡΡΠ΅ΠΏΠ»Π΅Π½ΠΈΡ, ΠΈ ΠΏΡΠΎΡΠΎΠ»ΠΊΠ½ΠΈΡΠ΅ ΠΏΠΎΠΏΠ΅ΡΠ΅ΡΠ½ΡΠΉ ΡΡΠΈΡΡ ΡΠ΅ΡΠ΅Π· ΠΏΠ΅Π΄Π°Π»ΡΠ½ΡΠΉ ΡΠ·Π΅Π». ΠΠΎΠ·ΠΌΠΎΠΆΠ½ΠΎ, Π²Π°ΠΌ ΠΏΡΠΈΠ΄Π΅ΡΡΡ ΡΠ»Π΅Π³ΠΊΠ° Π½Π°ΠΆΠ°ΡΡ Π½Π° ΠΏΠ΅Π΄Π°Π»Ρ, ΡΡΠΎΠ±Ρ ΠΎΡΠ»Π°Π±ΠΈΡΡ Π½Π°ΡΡΠΆΠ΅Π½ΠΈΠ΅ ΠΏΠΎΠΏΠ΅ΡΠ΅ΡΠ½ΠΎΠ³ΠΎ ΡΡΠΈΡΡΠ°. Π‘ΠΎΡ ΡΠ°Π½ΠΈΡΠ΅ ΡΠΏΠ»ΠΈΠ½Ρ ΠΈ ΠΏΠΎΠΏΠ΅ΡΠ΅ΡΠ½ΡΠΉ ΡΡΠΈΡΡ, ΠΎΠ½ΠΈ Π±ΡΠ΄ΡΡ ΠΏΠΎΠ²ΡΠΎΡΠ½ΠΎ ΠΈΡΠΏΠΎΠ»ΡΠ·ΠΎΠ²Π°Π½Ρ Π² ΠΏΡΠΎΡΠ΅ΡΡΠ΅ Π·Π°ΠΌΠ΅Π½Ρ.
ΠΠΎΠ΄ ΠΊΠ°ΠΏΠΎΡΠΎΠΌ ΡΠ΄Π°Π»ΠΈΡΠ΅ Π²ΡΠ΅ Π½Π΅ΠΎΠ±Ρ
ΠΎΠ΄ΠΈΠΌΠΎΠ΅, ΡΡΠΎΠ±Ρ ΠΏΠΎΠ»ΡΡΠΈΡΡ Π΄ΠΎΡΡΡΠΏ ΠΊ Π³Π»Π°Π²Π½ΠΎΠΌΡ ΡΠΈΠ»ΠΈΠ½Π΄ΡΡ ΡΡΠ΅ΠΏΠ»Π΅Π½ΠΈΡ.ΠΡΠΈ ΡΠ½ΡΡΠΈΠΈ Π²Π°ΠΊΡΡΠΌΠ½ΡΡ
ΡΠ»Π°Π½Π³ΠΎΠ² ΡΠ½ΠΎΠ²Π° Π±ΡΠ΄ΡΡΠ΅ ΠΎΡΡΠΎΡΠΎΠΆΠ½Ρ, ΡΡΠΎΠ±Ρ ΠΏΠΎΠΌΠ΅ΡΠΈΡΡ ΠΈΠ»ΠΈ ΡΡΠΎΡΠΎΠ³ΡΠ°ΡΠΈΡΠΎΠ²Π°ΡΡ ΡΠ°ΡΠΏΠΎΠ»ΠΎΠΆΠ΅Π½ΠΈΠ΅ ΠΊΠ°ΠΆΠ΄ΠΎΠ³ΠΎ ΡΠ½ΡΡΠΎΠ³ΠΎ ΡΠ»Π°Π½Π³Π°, ΡΡΠΎΠ±Ρ ΠΈΠ·Π±Π΅ΠΆΠ°ΡΡ ΠΏΡΡΠ°Π½ΠΈΡΡ ΠΏΡΠΈ ΠΏΠΎΠ²ΡΠΎΡΠ½ΠΎΠΉ ΡΠ±ΠΎΡΠΊΠ΅. ΠΠΎΠ»ΡΡΠΈΠ² Π΄ΠΎΡΡΡΠΏ ΠΊ Π³Π»Π°Π²Π½ΠΎΠΌΡ ΡΠΈΠ»ΠΈΠ½Π΄ΡΡ, Π½Π°ΡΠ½ΠΈΡΠ΅ Ρ ΡΠ½ΡΡΠΈΡ ΡΠΈΡΠΈΠ½Π³Π° Π³ΠΈΠ΄ΡΠ°Π²Π»ΠΈΡΠ΅ΡΠΊΠΎΠΉ Π»ΠΈΠ½ΠΈΠΈ (Π½Π°ΠΊΠΈΠ΄Π½ΠΎΠΉ Π³Π°ΠΉΠΊΠΈ) Ρ ΠΏΠΎΠΌΠΎΡΡΡ Π³Π°Π΅ΡΠ½ΠΎΠ³ΠΎ ΠΊΠ»ΡΡΠ° Π½Π° 10 ΠΌΠΌ. Π‘ΡΠΊΠΎΠ½ΠΎΠΌΡΡΠ΅ Π²ΡΠ΅ΠΌΡ, ΡΠΈΠ»Ρ ΠΈ Π²ΠΎΠ·ΠΌΠΎΠΆΠ½ΡΠ΅ Π΄ΠΎΠΏΠΎΠ»Π½ΠΈΡΠ΅Π»ΡΠ½ΡΠ΅ ΡΠ°ΡΡ
ΠΎΠ΄Ρ, ΠΈΡΠΏΠΎΠ»ΡΠ·ΡΠΉΡΠ΅ Π³Π°Π΅ΡΠ½ΡΠΉ ΠΊΠ»ΡΡ Ρ ΡΠ°Π·Π²Π°Π»ΡΡΠΎΠ²ΠΊΠΎΠΉ Π’ΠΠΠ¬ΠΠ Π½Π° Π³ΠΈΠ΄ΡΠ°Π²Π»ΠΈΡΠ΅ΡΠΊΠΈΡ
ΡΠΈΡΠΈΠ½Π³Π°Ρ
.
Π£ΡΡΠ°Π½ΠΎΠ²ΠΈΠ² Π΄ΡΠ΅Π½Π°ΠΆΠ½ΡΠΉ ΠΏΠΎΠ΄Π΄ΠΎΠ½ ΠΏΠΎΠ΄ ΡΠ·Π΅Π», ΠΎΡΠ»Π°Π±ΡΡΠ΅ ΡΠΈΡΠΈΠ½Π³ Π΄ΠΎ ΡΠ΅Ρ
ΠΏΠΎΡ, ΠΏΠΎΠΊΠ° Π²Ρ Π½Π΅ ΡΠΌΠΎΠΆΠ΅ΡΠ΅ ΡΠ½ΡΡΡ Π½Π°ΠΊΠΈΠ΄Π½ΡΡ Π³Π°ΠΉΠΊΡ, ΠΈ ΠΎΡΡΠΎΡΠΎΠΆΠ½ΠΎ Π²ΡΡΡΠ½ΠΈΡΠ΅ ΡΡΡΠ±ΠΊΡ ΠΈΠ· Π³Π»Π°Π²Π½ΠΎΠ³ΠΎ ΡΠΈΠ»ΠΈΠ½Π΄ΡΠ°.Π’Π΅ΠΏΠ΅ΡΡ, ΠΈΡΠΏΠΎΠ»ΡΠ·ΡΡ ΡΠΎΠ·Π΅ΡΠΊΡ Π΄Π»Ρ Π³Π»ΡΠ±ΠΎΠΊΠΎΠΉ ΡΡΠ΅Π½Ρ 12 ΠΌΠΌ ΠΈ Π½Π΅ΠΎΠ±Ρ
ΠΎΠ΄ΠΈΠΌΡΠ΅ ΡΠ΄Π»ΠΈΠ½ΠΈΡΠ΅Π»ΠΈ, ΡΠ½ΠΈΠΌΠΈΡΠ΅ Π³Π°ΠΉΠΊΠΈ, ΠΊΡΠ΅ΠΏΡΡΠΈΠ΅ Π³Π»Π°Π²Π½ΡΠΉ ΡΠΈΠ»ΠΈΠ½Π΄Ρ ΠΊ Π±ΡΠ°Π½Π΄ΠΌΠ°ΡΡΡΡ. ΠΡΠ΄ΡΡΠ΅ ΠΎΡΡΠΎΡΠΎΠΆΠ½Ρ, ΡΠ½ΠΈΠΌΠ°Ρ Π³Π°ΠΉΠΊΠΈ Π½Π° ΠΊΠΎΠ½ΡΠ΅ ΠΌΠΎΠ½ΡΠ°ΠΆΠ½ΠΎΠΉ ΡΠΏΠΈΠ»ΡΠΊΠΈ, ΡΡΠΎΠ±Ρ Π½Π΅ ΡΡΠΎΠ½ΠΈΡΡ Π³Π°ΠΉΠΊΠΈ Π² Π²ΡΠ΅ΠΌΠΊΠΈ ΡΠ°ΠΌΡ / ΠΊΠΎΡΠΏΡΡΠ°.
ΠΡΠΈ Π·Π°ΠΌΠ΅Π½Π΅ Π³Π»Π°Π²Π½ΠΎΠ³ΠΎ ΡΠΈΠ»ΠΈΠ½Π΄ΡΠ° Π½Π° Π½ΠΎΠ²ΡΠΉ, ΡΠΎΠ²ΠΌΠ΅ΡΡΠΈΡΠ΅ Π΄Π²Π° Π½Π° Π²Π΅ΡΡΡΠ°ΠΊΠ΅ ΠΈ ΠΏΡΠΈΠΌΠ΅ΡΠ½ΠΎ ΠΎΡΡΠ΅Π³ΡΠ»ΠΈΡΡΠΉΡΠ΅ Π΄Π»ΠΈΠ½Ρ ΡΠ²ΠΎΠ±ΠΎΠ΄Π½ΠΎΠ³ΠΎ Ρ ΠΎΠ΄Π° Π΄ΠΎ ΠΏΡΠΈΠΌΠ΅ΡΠ½ΠΎ ΠΎΠ΄ΠΈΠ½Π°ΠΊΠΎΠ²ΠΎΠΉ Π΄Π»ΠΈΠ½Ρ. ΠΡΠΎ ΡΠΏΡΠΎΡΡΠΈΡ ΠΎΠΊΠΎΠ½ΡΠ°ΡΠ΅Π»ΡΠ½ΡΡ Π½Π°ΡΡΡΠΎΠΉΠΊΡ.
ΠΠ°ΠΌΠ΅Π½ΠΈΡΠ΅ ΡΡΠ°ΡΡΠΉ Π³Π»Π°Π²Π½ΡΠΉ ΡΠΈΠ»ΠΈΠ½Π΄Ρ Π½ΠΎΠ²ΡΠΌ ΠΈΠ»ΠΈ Π½Π΅Π΄Π°Π²Π½ΠΎ ΠΎΡΡΠ΅ΠΌΠΎΠ½ΡΠΈΡΠΎΠ²Π°Π½Π½ΡΠΌ Π³Π»Π°Π²Π½ΡΠΌ ΡΠΈΠ»ΠΈΠ½Π΄ΡΠΎΠΌ Π² ΠΏΠΎΡΡΠ΄ΠΊΠ΅, ΠΎΠ±ΡΠ°ΡΠ½ΠΎΠΌ ΡΠ°Π·Π±ΠΎΡΠΊΠ΅, Π·Π° ΠΈΡΠΊΠ»ΡΡΠ΅Π½ΠΈΠ΅ΠΌ ΡΠΏΠ»ΠΈΠ½ΡΠ°, ΠΊΠΎΡΠΎΡΡΠΉ ΡΠ΄Π΅ΡΠΆΠΈΠ²Π°Π΅Ρ ΠΏΠΎΠΏΠ΅ΡΠ΅ΡΠ½ΡΠΉ ΡΡΠΈΡΡ.ΠΠ½Π°ΡΠ΅Π½ΠΈΡ ΠΊΡΡΡΡΡΠ΅Π³ΠΎ ΠΌΠΎΠΌΠ΅Π½ΡΠ° Π½Π΅ ΡΡΠ΅Π±ΡΡΡΡΡ Π² ΡΡΠΎΠΉ ΡΠ±ΠΎΡΠΊΠ΅, ΠΎΠ±ΡΠ΅Π΅ ΠΏΡΠ°Π²ΠΈΠ»ΠΎ Π·Π°ΡΡΠ³ΠΈΠ²Π°Π½ΠΈΡ Π΄ΠΎ ΠΏΠ»ΠΎΡΠ½ΠΎΠ³ΠΎ ΠΏΡΠΈΠ»Π΅Π³Π°Π½ΠΈΡ ΠΈ ΠΎΠ΄Π½ΠΎΠ³ΠΎ ΡΠ΅ΡΡΠ½Π°Π΄ΡΠ°ΡΠΎΠ³ΠΎ / Π²ΠΎΡΡΠΌΠΎΠ³ΠΎ ΠΏΠΎΠ²ΠΎΡΠΎΡΠ° ΠΏΡΠΈΠΌΠ΅Π½ΠΈΠΌΠΎ Π·Π΄Π΅ΡΡ, ΠΎΠ΄Π½Π°ΠΊΠΎ ΠΏΡΠ°Π²ΠΈΠ»ΡΠ½ΡΠ΅ Π·Π½Π°ΡΠ΅Π½ΠΈΡ ΠΊΡΡΡΡΡΠ΅Π³ΠΎ ΠΌΠΎΠΌΠ΅Π½ΡΠ° ΡΠ»Π΅Π΄ΡΡΡΠΈΠ΅:
- 9 FT LBS Π΄Π»Ρ ΠΊΡΠ΅ΠΏΠ΅ΠΆΠ½ΡΡ Π³Π°Π΅ΠΊ
- 11 Π€Π£Π’ΠΠ Π€Π£ΠΠ’ΠΠ Π΄Π»Ρ Π³Π°ΠΉΠΊΠΈ ΡΠ°Π·Π²Π°Π»ΡΡΠΎΠ²ΠΊΠΈ Π³Π»Π°Π²Π½ΠΎΠ³ΠΎ ΡΠΈΠ»ΠΈΠ½Π΄ΡΠ°
- ΠΠΠΠΠΠΠΠ: ΠΠ΅ Π½Π°ΠΆΠΈΠΌΠ°ΠΉΡΠ΅ ΠΏΠ΅Π΄Π°Π»Ρ ΡΡΠ΅ΠΏΠ»Π΅Π½ΠΈΡ Π² ΡΡΠΎ Π²ΡΠ΅ΠΌΡ!
| Π£Π·Π΅Π» Π½ΠΈΠΆΠ½Π΅ΠΉ ΠΏΠ°Π½Π΅Π»ΠΈ ΡΠ½ΡΡ Π΄Π»Ρ Π΄ΠΎΡΡΡΠΏΠ° | ΠΠΈΠ΄ Π½Π° ΠΌΠΎΡΠΎΡΠ½ΡΠΉ ΠΎΡΡΠ΅ΠΊ Π’ΡΠ΅Π±ΡΠ΅ΡΡΡ Π΄ΠΎΡΡΡΠΏ | Π¨ΡΠΈΡΡ ΠΈ ΠΏΠΎΠΏΠ΅ΡΠ΅ΡΠ½ΡΠΉ ΡΡΠΈΡΡ ΠΈΠ· ΡΠ·Π»Π° ΠΏΠ΅Π΄Π°Π»ΠΈ ΡΡΠ΅ΠΏΠ»Π΅Π½ΠΈΡ |
ΠΠΎΠ½Π°, Π² ΠΊΠΎΡΠΎΡΠΎΠΉ Π½Π°Ρ ΠΎΠ΄ΠΈΡΡΡ ΡΠ°Π±ΠΎΡΠΈΠΉ ΡΠΈΠ»ΠΈΠ½Π΄Ρ, ΠΎΡΠ΅Π½Ρ Π±Π»ΠΈΠ·ΠΊΠΎ ΠΏΠΎΠ΄Ρ ΠΎΠ΄ΠΈΡ, Π½ΠΎ ΠΎΠ±ΡΡΠ½ΡΠ΅ ΡΡΡΠ½ΡΠ΅ ΠΈΠ½ΡΡΡΡΠΌΠ΅Π½ΡΡ ΠΏΠΎΠ΄ΠΎΠΉΠ΄ΡΡ.Π ΡΡΠΊΠΎΠ²ΠΎΠ΄ΡΡΠ²Π΅ ΠΏΠΎ ΠΎΠ±ΡΠ»ΡΠΆΠΈΠ²Π°Π½ΠΈΡ ΡΠ΅ΠΊΠΎΠΌΠ΅Π½Π΄ΡΠ΅ΡΡΡ ΡΠΏΠ΅ΡΠΈΠ°Π»ΡΠ½ΡΠΉ ΠΈΠ½ΡΡΡΡΠΌΠ΅Π½Ρ (ΠΏΠ΅ΡΠ΅Ρ ΠΎΠ΄Π½ΠΈΠΊ Π΄Π»Ρ ΡΠ°Π·Π²Π°Π»ΡΡΠΎΠ²ΠΊΠΈ Π³Π°ΠΉΠΊΠΈ), Π½ΠΎ Ρ ΠΎΠ±Π½Π°ΡΡΠΆΠΈΠ», ΡΡΠΎ Π² ΠΏΠΎΡΠ°ΠΆΠ΅Π½Π½ΠΎΠΉ ΠΎΠ±Π»Π°ΡΡΠΈ ΠΏΠΎΠ΄ΠΎΠΉΠ΄Π΅Ρ ΠΎΠ±ΡΡΠ½ΡΠΉ ΠΊΠΎΠΌΠ±ΠΈΠ½ΠΈΡΠΎΠ²Π°Π½Π½ΡΠΉ Π³Π°Π΅ΡΠ½ΡΠΉ ΠΊΠ»ΡΡ.
ΠΠΎΠΌΠ΅ΡΡΠΈΠ² Π΄ΡΠ΅Π½Π°ΠΆΠ½ΡΠΉ ΠΏΠΎΠ΄Π΄ΠΎΠ½ ΠΏΠΎΠ΄ ΡΠ·Π΅Π», ΡΠ½ΠΈΠΌΠΈΡΠ΅ ΡΠΈΡΠΈΠ½Π³ Π½Π°ΠΊΠΈΠ΄Π½ΠΎΠΉ Π³Π°ΠΉΠΊΠΈ Ρ ΠΏΠΎΠΌΠΎΡΡΡ Π³Π°Π΅ΡΠ½ΠΎΠ³ΠΎ ΠΊΠ»ΡΡΠ°. ΠΠ΄Π΅ΡΡ ΡΡΠ΅Π±ΡΡΡΡΡ Π½Π΅ΠΊΠΎΡΠΎΡΡΠ΅ Π΄Π²ΠΈΠΆΠ΅Π½ΠΈΡ Π°ΠΊΡΠΎΠ±Π°ΡΠ°, Π½ΠΎ 40-Π»Π΅ΡΠ½ΠΈΠ΅ ΡΠΎΠ»ΡΡΡΠ΅ ΡΡΠΊΠΈ ΠΌΠΎΠ³ΡΡ ΡΠΏΡΠ°Π²ΠΈΡΡΡΡ Ρ ΡΡΠΈΠΌ.
ΠΠ°ΠΉΡΠ΅ ΠΆΠΈΠ΄ΠΊΠΎΡΡΠΈ ΡΡΠ΅ΡΡ Π² ΠΏΠΎΠ΄Π΄ΠΎΠ½. ΠΡΠΏΠΎΠ»ΡΠ·ΡΡ ΡΠΎΡΡΠ΅Π²ΠΎΠΉ ΠΊΠ»ΡΡ Π½Π° 12 ΠΌΠΌ ΠΈ Π΄ΡΡΠ³ΠΈΠ΅ ΡΠ΄Π»ΠΈΠ½ΠΈΡΠ΅Π»ΠΈ, ΡΠ½ΠΈΠΌΠΈΡΠ΅ Π΄Π²Π° ΡΡΠΎΠΏΠΎΡΠ½ΡΡ
Π±ΠΎΠ»ΡΠ° Ρ ΠΊΠ°ΡΡΠ΅ΡΠ° ΠΊΠΎΡΠΎΠ±ΠΊΠΈ ΠΏΠ΅ΡΠ΅Π΄Π°Ρ.Π Π°Π±ΠΎΡΠΈΠΉ ΡΠΈΠ»ΠΈΠ½Π΄Ρ ΠΏΡΠΎΡΡΠΎ ΠΎΡΡΡΠ²Π°Π΅ΡΡΡ ΠΎΡ ΠΊΠΎΡΠΏΡΡΠ°.
ΠΠ°ΠΌΠ΅Π½ΠΈΡΠ΅ ΡΡΠ°ΡΡΠΉ ΡΠ°Π±ΠΎΡΠΈΠΉ ΡΠΈΠ»ΠΈΠ½Π΄Ρ Π½ΠΎΠ²ΡΠΌ ΠΈΠ»ΠΈ Π½Π΅Π΄Π°Π²Π½ΠΎ ΠΎΡΡΠ΅ΠΌΠΎΠ½ΡΠΈΡΠΎΠ²Π°Π½Π½ΡΠΌ ΡΠ°Π±ΠΎΡΠΈΠΌ ΡΠΈΠ»ΠΈΠ½Π΄ΡΠΎΠΌ Π² ΠΏΠΎΡΡΠ΄ΠΊΠ΅, ΠΎΠ±ΡΠ°ΡΠ½ΠΎΠΌ ΡΠ°Π·Π±ΠΎΡΠΊΠ΅.
| ΠΠΈΠ΄ Π²Π΅Π΄ΠΎΠΌΠΎΠ³ΠΎ ΡΠΈΠ»ΠΈΠ½Π΄ΡΠ° — ΡΡΠ³ΠΎ, ΡΡΠ³ΠΎ, ΡΡΠ³ΠΎ! |
- ΠΠΠΠΠΠΠΠ: ΠΠ»Ρ ΡΡΡΠ°Π½ΠΎΠ²ΠΊΠΈ Π½Π΅ΠΎΠ±Ρ ΠΎΠ΄ΠΈΠΌΠΎ Π»ΠΈΡΡ Π½Π΅Π±ΠΎΠ»ΡΡΠΎΠ΅ Π½Π°ΠΆΠ°ΡΠΈΠ΅ Π½Π° ΡΠ°Π±ΠΎΡΠΈΠΉ ΡΠΈΠ»ΠΈΠ½Π΄Ρ, ΡΡΠ°ΡΠ°ΠΉΡΠ΅ΡΡ Π½Π΅ ΠΎΠΏΡΡΠΊΠ°ΡΡ ΡΠ·Π΅Π» Π΄ΠΎ Π½ΠΈΠ·Π°; ΠΎΠ½ Π²ΡΠ΅ Π΅ΡΠ΅ Π·Π°Π³ΡΡΠ·Π½Π΅Π½ Π²ΠΎΠ·Π΄ΡΡ ΠΎΠΌ.
- ΠΠΠΠΠΠΠΠ: ΠΠ΅Π³ΠΊΠΈΠΌΠΈ ΠΏΡΠΈΠΊΠΎΡΠ½ΠΎΠ²Π΅Π½ΠΈΡΠΌΠΈ Π·Π°ΡΡΠ³ΠΈΠ²Π°ΠΉΡΠ΅ Π±ΠΎΠ»ΡΡ Π² ΠΊΠ°ΡΡΠ΅ΡΠ΅ ΠΊΠΎΡΠΎΠ±ΠΊΠΈ ΠΏΠ΅ΡΠ΅Π΄Π°Ρ.ΠΠΎΡΠΏΡΡ Π²ΡΠΏΠΎΠ»Π½Π΅Π½ ΠΈΠ· Π°Π»ΡΠΌΠΈΠ½ΠΈΡ, Π° ΡΠ΅Π·ΡΠ±Π° Π½Π°ΡΠ΅Π·Π°Π½Π° Π½Π΅ΠΏΠΎΡΡΠ΅Π΄ΡΡΠ²Π΅Π½Π½ΠΎ Π½Π° ΠΊΠΎΡΠΏΡΡ.
ΠΠ°ΠΊ ΠΈ Π² ΡΠ»ΡΡΠ°Π΅ Ρ Π³Π»Π°Π²Π½ΡΠΌ ΡΠΈΠ»ΠΈΠ½Π΄ΡΠΎΠΌ, Π·Π½Π°ΡΠ΅Π½ΠΈΡ ΠΊΡΡΡΡΡΠ΅Π³ΠΎ ΠΌΠΎΠΌΠ΅Π½ΡΠ° Π½Π΅ ΡΡΠ΅Π±ΡΡΡΡΡ, Π½ΠΎ ΡΠΏΠ΅ΡΠΈΡΠΈΠΊΠ°ΡΠΈΡ ΡΠ»Π΅Π΄ΡΡΡΠ°Ρ:
- 9 FT LBS Π΄Π»Ρ ΠΊΡΠ΅ΠΏΠ΅ΠΆΠ½ΡΡ Π³Π°Π΅ΠΊ
- 11 Π€Π£Π’ΠΠ Π€Π£ΠΠ’ΠΠ Π΄Π»Ρ Π³Π°ΠΉΠΊΠΈ ΠΊΠΎΠ½ΡΡΠ½ΠΎΠ³ΠΎ ΡΠΈΡΠΈΠ½Π³Π° ΡΠ°Π±ΠΎΡΠ΅Π³ΠΎ ΡΠΈΠ»ΠΈΠ½Π΄ΡΠ°
- 8 Π€Π£Π’ΠΠ Π€Π£ΠΠ’ΠΠ Π΄Π»Ρ ΡΠΏΡΡΠΊΠ½ΠΎΠ³ΠΎ Π²ΠΈΠ½ΡΠ° ΡΠ°Π±ΠΎΡΠ΅Π³ΠΎ ΡΠΈΠ»ΠΈΠ½Π΄ΡΠ°
ΠΠ°ΠΏΠΎΠ»Π½ΠΈΡΠ΅ ΡΠ΅Π·Π΅ΡΠ²ΡΠ°Ρ Π³Π»Π°Π²Π½ΠΎΠ³ΠΎ ΡΠΈΠ»ΠΈΠ½Π΄ΡΠ° Π΄ΠΎ ΠΈΠ½Π΄ΠΈΠΊΠ°ΡΠΎΡΠ° ΠΏΡΠ΅Π΄Π΅Π»Π° ΠΆΠΈΠ΄ΠΊΠΎΡΡΡΡ SAE J1703 ΠΈΠ»ΠΈ FMVSS β 116 DOT 3.ΠΠΎΠ΄ΡΠΎΠ΅Π΄ΠΈΠ½ΠΈΡΠ΅ ΠΏΡΠΎΠΌΡΠ²ΠΎΡΠ½ΡΡ (ΡΠ»Π°Π½Π³ΠΎΠ²ΡΡ) Π»ΠΈΠ½ΠΈΡ ΡΠΈΡΡΠ΅ΠΌΡ ΡΠ΄Π°Π»Π΅Π½ΠΈΡ Π²ΠΎΠ·Π΄ΡΡ Π° ΠΎΠ΄Π½ΠΈΠΌ ΡΠ΅Π»ΠΎΠ²Π΅ΠΊΠΎΠΌ ΠΊ ΡΡΡΡΠ΅ΡΡ Π΄Π»Ρ ΡΠ΄Π°Π»Π΅Π½ΠΈΡ Π²ΠΎΠ·Π΄ΡΡ Π° Π½Π° ΡΠ°Π±ΠΎΡΠ΅ΠΌ ΡΠΈΠ»ΠΈΠ½Π΄ΡΠ΅. ΠΡΠ»Π°Π±ΡΡΠ΅ ΡΠΏΡΡΠΊΠ½ΠΎΠΉ Π²ΠΈΠ½Ρ Π΄ΠΎ ΡΠ»Π΅Π³ΠΊΠ° ΠΏΡΠΈΠΎΡΠΊΡΡΡΠΎΠ³ΠΎ ΠΏΠΎΠ»ΠΎΠΆΠ΅Π½ΠΈΡ.
ΠΡΠΆΠΌΠΈΡΠ΅ ΠΏΠ΅Π΄Π°Π»Ρ ΡΡΠ΅ΠΏΠ»Π΅Π½ΠΈΡ. ΠΠ΅Π΄Π°Π»ΡΠ½ΡΠΉ ΡΠ·Π΅Π», ΡΠΊΠΎΡΠ΅Π΅ Π²ΡΠ΅Π³ΠΎ, ΡΠΏΠ°Π΄Π΅Ρ Π½Π° ΠΏΠΎΠ»; ΡΡΠΎ Π½Π°ΡΠ°Π»ΠΎ ΠΊΡΠΎΠ²ΠΎΡΠ΅ΡΠ΅Π½ΠΈΡ. ΠΡΠΎΠ΄ΠΎΠ»ΠΆΠ°ΠΉΡΠ΅ Π²ΡΠ°ΡΠ°ΡΡ ΠΏΠ΅Π΄Π°Π»Ρ (ΠΏΡΠΈΠΌΠ΅ΡΠ½ΠΎ 10 Ρ
ΠΎΠ΄ΠΎΠ²) ΠΈ ΠΏΡΠΎΠ²Π΅ΡΡΡΠ΅ ΡΠΎΠΏΡΠΎΡΠΈΠ²Π»Π΅Π½ΠΈΠ΅ ΠΏΠ΅Π΄Π°Π»ΠΈ ΠΈ ΡΡΠΎΠ²Π΅Π½Ρ ΠΆΠΈΠ΄ΠΊΠΎΡΡΠΈ Π² Π³Π»Π°Π²Π½ΠΎΠΌ ΡΠΈΠ»ΠΈΠ½Π΄ΡΠ΅. ΠΠ΅ ΠΏΠΎΠ·Π²ΠΎΠ»ΡΠΉΡΠ΅ Π³Π»Π°Π²Π½ΠΎΠΌΡ ΡΠΈΠ»ΠΈΠ½Π΄ΡΡ ΡΠ°Π±ΠΎΡΠ°ΡΡ Π±Π΅Π· ΠΆΠΈΠ΄ΠΊΠΎΡΡΠΈ. ΠΠΎΠ³Π΄Π° ΠΏΠ΅Π΄Π°Π»Ρ Π²Π΅ΡΠ½Π΅ΡΡΡ Π² ΡΠ²ΠΎΠ΅ Π½ΠΎΡΠΌΠ°Π»ΡΠ½ΠΎΠ΅ ΠΏΠΎΠ»ΠΎΠΆΠ΅Π½ΠΈΠ΅ ΠΈ ΡΡΠΎΠ²Π΅Π½Ρ ΠΆΠΈΠ΄ΠΊΠΎΡΡΠΈ Π² Π³Π»Π°Π²Π½ΠΎΠΌ ΡΠΈΠ»ΠΈΠ½Π΄ΡΠ΅ ΡΡΠ°Π½Π΅Ρ Π½ΠΎΡΠΌΠ°Π»ΡΠ½ΡΠΌ, ΠΏΠΎΠ²Π΅ΡΠ½ΠΈΡΠ΅ ΡΠΏΡΡΠΊΠ½ΠΎΠΉ Π²ΠΈΠ½Ρ Π½Π° ΡΠ°Π±ΠΎΡΠ΅ΠΌ ΡΠΈΠ»ΠΈΠ½Π΄ΡΠ΅ Π² ΠΏΠΎΠ»Π½ΠΎΡΡΡΡ ΠΎΡΠΊΡΡΡΠΎΠ΅ ΠΏΠΎΠ»ΠΎΠΆΠ΅Π½ΠΈΠ΅ ΠΈ Π΄Π°ΠΉΡΠ΅ ΡΠΈΡΡΠ΅ΠΌΠ΅ ΡΡΠ΅ΡΡ ΡΠ°ΠΌΠΎΡΠ΅ΠΊΠΎΠΌ (ΡΠ±Π΅Π΄ΠΈΠ²ΡΠΈΡΡ, ΡΡΠΎ Π² ΠΆΠΈΠ΄ΠΊΠΎΡΡΠΈ Π½Π΅Ρ ΠΏΡΠ·ΡΡΡΠΊΠΎΠ² Π²ΠΎΠ·Π΄ΡΡ
Π°.
) ΠΠ°ΡΡΠ½ΠΈΡΠ΅ ΠΏΡΠΎΠΊΠ°ΡΠ½ΠΎΠΉ Π²ΠΈΠ½Ρ, ΠΊΠΎΠ³Π΄Π° Π² ΠΆΠΈΠ΄ΠΊΠΎΡΡΠΈ Π½Π΅Ρ Π²ΠΎΠ·Π΄ΡΡ
Π°, Π·Π°ΠΏΠΎΠ»Π½ΠΈΡΠ΅ Π³Π»Π°Π²Π½ΡΠΉ ΡΠΈΠ»ΠΈΠ½Π΄Ρ Π΄ΠΎ ΡΡΠ΅Π΄Π½Π΅Π³ΠΎ (Π½ΠΎΠΌΠΈΠ½Π°Π»ΡΠ½ΠΎΠ³ΠΎ) ΡΡΠΎΠ²Π½Ρ, ΠΊΠ°ΠΊ ΡΠΊΠ°Π·Π°Π½ΠΎ ΠΌΠΈΠ½. / ΠΠ°ΠΊΡ. Π»ΠΈΠ½ΠΈΠΈ Π½Π° ΡΠ΅Π·Π΅ΡΠ²ΡΠ°ΡΠ΅, Π·Π°ΡΠ΅ΠΌ Π·Π°ΠΌΠ΅Π½ΠΈΡΠ΅ ΠΏΠΎΠΏΠ»Π°Π²ΠΎΠΊ ΠΈ ΠΊΡΡΡΠΊΡ.
| Π Π΅Π³ΡΠ»ΠΈΡΠΎΠ²ΠΊΠ° Π»ΡΡΡΠ° ΠΏΠ΅Π΄Π°Π»ΠΈ |
ΠΠ°Π΄Π°Π²ΠΈΠ² ΡΡΠΊΠΎΠΉ, Π½Π°ΠΆΠΌΠΈΡΠ΅ Π½Π° ΠΏΠ΅Π΄Π°Π»Ρ ΡΡΠ΅ΠΏΠ»Π΅Π½ΠΈΡ Π² ΡΠ±ΠΎΡΠ΅ (ΡΡΠ°Π±Π°ΡΡΠ²Π°Π½ΠΈΠ΅) ΠΈ ΠΎΡΠΌΠ΅ΡΡΡΠ΅ Π²Π΅Π»ΠΈΡΠΈΠ½Ρ Π΄Π²ΠΈΠΆΠ΅Π½ΠΈΡ, ΠΏΠΎΠΊΠ° Π½Π΅ ΠΏΠΎΡΡΠ²ΡΡΠ²ΡΠ΅ΡΠ΅ ΡΠΎΠΏΡΠΎΡΠΈΠ²Π»Π΅Π½ΠΈΠ΅. ΠΡΠΎ ΠΏΠ΅Π΄Π°Π»Ρ Free Play.
Π‘ ΠΏΠΎΠΌΠΎΡΡΡ ΡΡΠ»Π΅ΡΠΊΠΈ ΠΈΠ»ΠΈ ΠΊΠΎΠΌΠ±ΠΈΠ½ΠΈΡΠΎΠ²Π°Π½Π½ΠΎΠ³ΠΎ ΠΊΠ²Π°Π΄ΡΠ°ΡΠ° Π½Π°ΠΉΠ΄ΠΈΡΠ΅ Π½Π° ΠΏΠΎΠ»Ρ ΠΈΠ»ΠΈ Π±ΡΠ°Π½Π΄ΠΌΠ°ΡΡΡΠ΅ ΠΌΠ΅ΡΡΠΎ, ΠΊΠΎΡΠΎΡΠΎΠ΅ Π²Ρ ΠΌΠΎΠΆΠ΅ΡΠ΅ Π½Π°ΠΉΡΠΈ ΡΠ½ΠΎΠ²Π° ΠΈ ΡΠ½ΠΎΠ²Π° Ρ ΠΏΠΎΠΌΠΎΡΡΡ ΠΊΠΎΠ½ΡΠ° Π»ΠΈΠ½Π΅ΠΉΠΊΠΈ.ΠΠ·ΠΌΠ΅ΡΡΡΠ΅ ΡΠ²ΠΎΠ±ΠΎΠ΄Π½ΡΠΉ Ρ ΠΎΠ΄ ΠΎΡ ΠΏΠΎΠ»Π° Π΄ΠΎ Π²Π΅ΡΡ Π½Π΅ΠΉ ΡΠ°ΡΡΠΈ ΠΏΠ΅Π΄Π°Π»ΠΈ ΡΡΠ΅ΠΏΠ»Π΅Π½ΠΈΡ. Π‘ΠΏΠ΅ΡΠΈΡΠΈΠΊΠ°ΡΠΈΡ ΡΠΎΡΡΠ°Π²Π»ΡΠ΅Ρ ΠΎΡ 0,197 Π΄ΠΎ 0,591 Π΄ΡΠΉΠΌΠ° (ΠΏΡΠΈΠΌΠ΅ΡΠ½ΠΎ ΠΎΡ 1/4 Π΄ΠΎ 1/2 Π΄ΡΠΉΠΌΠ°). ΠΡΠ»ΠΈ ΡΠ±ΠΎΡΠΊΠ° Π½Π°Ρ ΠΎΠ΄ΠΈΡΡΡ Π² ΠΏΡΠ΅Π΄Π΅Π»Π°Ρ Π΄ΠΎΠΏΡΡΡΠΈΠΌΠΎΠ³ΠΎ Π΄ΠΈΠ°ΠΏΠ°Π·ΠΎΠ½Π°, Π·Π°ΠΌΠ΅Π½ΠΈΡΠ΅ ΡΠΏΠ»ΠΈΠ½Ρ ΡΠ΅ΡΠ΅Π· ΠΏΠΎΠΏΠ΅ΡΠ΅ΡΠ½ΡΠΉ ΡΡΠΈΡΡ ΠΈ ΠΏΠ΅ΡΠ΅ΠΉΠ΄ΠΈΡΠ΅ ΠΊ ΠΎΠΊΠΎΠ½ΡΠ°ΡΠ΅Π»ΡΠ½ΠΎΠΉ ΡΠ±ΠΎΡΠΊΠ΅ / ΠΈΡΠΏΡΡΠ°Π½ΠΈΡ.
ΠΡΠ»ΠΈ ΡΠ²ΠΎΠ±ΠΎΠ΄Π½ΡΠΉ Ρ ΠΎΠ΄ Π½Π΅ ΡΠΎΠΎΡΠ²Π΅ΡΡΡΠ²ΡΠ΅Ρ ΡΠΏΠ΅ΡΠΈΡΠΈΠΊΠ°ΡΠΈΠΈ, Π²Π°ΠΌ Π½Π΅ΠΎΠ±Ρ ΠΎΠ΄ΠΈΠΌΠΎ ΠΎΡΡΠ΅Π³ΡΠ»ΠΈΡΠΎΠ²Π°ΡΡ ΡΠΎΠ»ΠΊΠ°ΡΠ΅Π»Ρ Π½Π° Π³Π»Π°Π²Π½ΠΎΠΌ ΡΠΈΠ»ΠΈΠ½Π΄ΡΠ΅. Π‘Π»Π΅Π³ΠΊΠ° ΠΎΡΠ»Π°Π±ΡΡΠ΅ Π³Π°ΠΉΠΊΡ Π½Π° ΡΠ΅Π³ΡΠ»ΠΈΡΠΎΠ²ΠΎΡΠ½ΠΎΠΌ Π²ΠΈΠ½ΡΠ΅ (ΡΠ°ΡΠΏΠΎΠ»ΠΎΠΆΠ΅Π½Π½ΠΎΠΌ Π½Π° ΡΡΠΎΠΊΠ΅ Π³Π»Π°Π²Π½ΠΎΠ³ΠΎ ΡΠΈΠ»ΠΈΠ½Π΄ΡΠ°). Π‘Π½ΠΈΠΌΠΈΡΠ΅ ΠΏΠΎΠΏΠ΅ΡΠ΅ΡΠ½ΡΠΉ ΡΡΠΈΡΡ Ρ ΠΏΠ΅Π΄Π°Π»ΠΈ ΡΡΠ΅ΠΏΠ»Π΅Π½ΠΈΡ ΠΈ ΠΏΠΎΠ²Π΅ΡΠ½ΠΈΡΠ΅ ΡΠΎΠ»ΠΊΠ°ΡΠ΅Π»Ρ Π΄ΠΎ ΠΏΡΠΈΠ±Π»ΠΈΠ·ΠΈΡΠ΅Π»ΡΠ½ΠΎΠΉ Π΄Π»ΠΈΠ½Ρ, Π½Π΅ΠΎΠ±Ρ ΠΎΠ΄ΠΈΠΌΠΎΠΉ Π΄Π»Ρ ΡΠΎΠ±Π»ΡΠ΄Π΅Π½ΠΈΡ ΠΈΠ·ΠΌΠ΅ΡΠ΅Π½ΠΈΡ ΡΠ²ΠΎΠ±ΠΎΠ΄Π½ΠΎΠ³ΠΎ Ρ ΠΎΠ΄Π°.Π£ΡΡΠ°Π½ΠΎΠ²ΠΈΡΠ΅ ΠΏΠΎΠΏΠ΅ΡΠ΅ΡΠ½ΡΠΉ ΡΡΠΈΡΡ ΠΈ ΠΈΠ·ΠΌΠ΅ΡΡΡΠ΅ ΡΠ²ΠΎΠ±ΠΎΠ΄Π½ΡΠΉ Ρ ΠΎΠ΄. ΠΡΡΠ΅Π³ΡΠ»ΠΈΡΡΠΉΡΠ΅ Π΄ΠΎ Π΄ΠΎΡΡΠΈΠΆΠ΅Π½ΠΈΡ ΡΠΊΠ°Π·Π°Π½Π½ΠΎΠ³ΠΎ ΡΠ°Π·ΠΌΠ΅ΡΠ°, Π·Π°ΡΠ΅ΠΌ ΡΡΡΠ°Π½ΠΎΠ²ΠΈΡΠ΅ ΡΠΏΠ»ΠΈΠ½Ρ Π½Π° ΠΏΠΎΠΏΠ΅ΡΠ΅ΡΠ½ΡΠΉ ΡΡΠΈΡΡ ΠΈ Π·Π°ΡΡΠ½ΠΈΡΠ΅ ΡΡΠΎΠΏΠΎΡΠ½ΡΡ Π³Π°ΠΉΠΊΡ Π½Π° ΡΠΎΠ»ΠΊΠ°ΡΠ΅Π»Π΅.
ΠΠ΅ΡΠΊΠΎΠ»ΡΠΊΠΎ ΡΠ°Π· ΠΏΠ΅ΡΠ΅ΠΌΠ΅ΡΡΠΈΡΠ΅ ΠΏΠ΅Π΄Π°Π»Ρ ΡΡΠ΅ΠΏΠ»Π΅Π½ΠΈΡ ΠΏΠΎ Π²ΡΠ΅ΠΌΡ Π΄ΠΈΠ°ΠΏΠ°Π·ΠΎΠ½Ρ, ΠΏΡΠΎΠ²Π΅ΡΡΡ ΡΠΈΡΠΈΠ½Π³ΠΈ Π³ΠΈΠ΄ΡΠ°Π²Π»ΠΈΡΠ΅ΡΠΊΠΎΠΉ Π»ΠΈΠ½ΠΈΠΈ Π½Π° ΠΏΡΠ΅Π΄ΠΌΠ΅Ρ ΡΡΠ΅ΡΠ΅ΠΊ, ΠΏΡΠΈ Π½Π΅ΠΎΠ±Ρ ΠΎΠ΄ΠΈΠΌΠΎΡΡΠΈ ΠΏΠΎΠ΄ΡΡΠ½ΠΈΡΠ΅, ΡΡΠΎΠ±Ρ ΡΡΡΡΠ°Π½ΠΈΡΡ Π»ΡΠ±ΡΠ΅ ΡΡΠ΅ΡΠΊΠΈ.
Π‘ΠΎΠ±Π΅ΡΠΈΡΠ΅ Π½ΠΈΠΆΠ½ΡΡ ΠΏΠ°Π½Π΅Π»Ρ ΠΏΡΠΈΠ±ΠΎΡΠΎΠ², ΠΏΡΠΎΠ²Π΅ΡΡΡΠ΅ Π²ΡΠ΅ ΡΠ»Π΅ΠΊΡΡΠΈΡΠ΅ΡΠΊΠΈΠ΅ / ΠΌΠ΅Ρ Π°Π½ΠΈΡΠ΅ΡΠΊΠΈΠ΅ ΡΠΎΠ΅Π΄ΠΈΠ½Π΅Π½ΠΈΡ ΠΏΠ΅ΡΠ΅Π΄ ΡΠ΅ΠΌ, ΠΊΠ°ΠΊ Π·Π°ΠΊΡΠ΅ΠΏΠΈΡΡ ΠΏΡΠΈΠ±ΠΎΡΠ½ΡΡ ΠΏΠ°Π½Π΅Π»Ρ Π½Π° ΠΌΠ΅ΡΡΠ΅.
Π£Π±Π΅Π΄ΠΈΡΡΡΡ, ΡΡΠΎ Π³ΡΡΠ·ΠΎΠ²ΠΈΠΊ Π½Π°Ρ
ΠΎΠ΄ΠΈΡΡΡ Π² Π·ΠΎΠ½Π΅, ΡΠ²ΠΎΠ±ΠΎΠ΄Π½ΠΎΠΉ ΠΎΡ ΠΏΠΎΡΡΡΠΎΠ΅ΠΊ, ΠΎΠΏΠ°ΡΠ½ΠΎΡΡΠΈ ΡΡΠΎΠ»ΠΊΠ½ΠΎΠ²Π΅Π½ΠΈΡ ΠΈ Ρ. Π.Π²ΡΠΊΠ»ΡΡΠΈΡΠ΅ ΠΏΠ΅ΡΠ΅Π΄Π°ΡΡ, Π²ΡΠΆΠΌΠΈΡΠ΅ ΡΡΠ΅ΠΏΠ»Π΅Π½ΠΈΠ΅ ΠΈ Π·Π°ΠΏΡΡΡΠΈΡΠ΅ Π΄Π²ΠΈΠ³Π°ΡΠ΅Π»Ρ.
ΠΡΠΏΡΡΡΠΈΡΠ΅ ΡΡΠ΅ΠΏΠ»Π΅Π½ΠΈΠ΅, ΠΊΠΎΠ³Π΄Π° ΠΊΠΎΡΠΎΠ±ΠΊΠ° ΠΏΠ΅ΡΠ΅Π΄Π°Ρ Π²ΡΠΊΠ»ΡΡΠ΅Π½Π°, ΡΡΠΎΠ±Ρ ΠΎΠ±Π΅ΡΠΏΠ΅ΡΠΈΡΡ ΠΏΡΠ°Π²ΠΈΠ»ΡΠ½ΠΎΠ΅ Π²ΠΊΠ»ΡΡΠ΅Π½ΠΈΠ΅ / Π²ΡΠΊΠ»ΡΡΠ΅Π½ΠΈΠ΅. Π‘Π½ΠΎΠ²Π° Π½Π°ΠΆΠΌΠΈΡΠ΅ ΡΡΠ΅ΠΏΠ»Π΅Π½ΠΈΠ΅, Π²ΠΊΠ»ΡΡΠΈΡΠ΅ ΠΏΠ΅ΡΠ΅Π΄Π°ΡΡ ΠΈ ΠΎΡΠΏΡΡΡΠΈΡΠ΅ ΡΡΠ΅ΠΏΠ»Π΅Π½ΠΈΠ΅. ΠΠ²ΠΈΠ³Π°ΠΉΡΠ΅ΡΡ Π½Π° Ρ
ΠΎΠ»ΠΎΡΡΠΎΠΌ Ρ
ΠΎΠ΄Ρ, ΡΡΠΎΠ±Ρ ΡΠ±Π΅Π΄ΠΈΡΡΡΡ, ΡΡΠΎ ΡΡΠ΅ΠΏΠ»Π΅Π½ΠΈΠ΅ ΠΏΠΎΠ»Π½ΠΎΡΡΡΡ Π²ΠΊΠ»ΡΡΠ΅Π½ΠΎ. ΠΠ±ΡΠ΅Π·ΠΆΠ°ΠΉΡΠ΅ Π±Π»ΠΎΠΊ, ΠΈΡΠΏΠΎΠ»ΡΠ·ΡΡ Π²ΡΠ΅ ΠΏΠ΅ΡΠ΅Π΄Π½ΠΈΠ΅ ΠΏΠ΅ΡΠ΅Π΄Π°ΡΠΈ, ΠΎΡΠΌΠ΅ΡΠ°Ρ Π²ΠΊΠ»ΡΡΠ΅Π½ΠΈΠ΅ ΠΏΠ΅ΡΠ΅ΠΊΠ»ΡΡΠ΅Π½ΠΈΡ. ΠΡΡΠ°Π½ΠΎΠ²ΠΈΡΠ΅ΡΡ ΠΈ Π²ΠΊΠ»ΡΡΠΈΡΠ΅ Π·Π°Π΄Π½ΠΈΠΉ Ρ
ΠΎΠ΄. Π£Π±Π΅Π΄ΠΈΠ²ΡΠΈΡΡ, ΡΡΠΎ Π²ΡΠ΅ Π² ΠΏΠΎΡΡΠ΄ΠΊΠ΅, ΠΏΡΠΈΠΏΠ°ΡΠΊΡΠΉΡΠ΅ ΠΈ Π΅ΡΠ΅ ΡΠ°Π· ΠΎΡΠΌΠΎΡΡΠΈΡΠ΅ ΡΠΈΡΡΠ΅ΠΌΡ Π½Π° ΠΏΡΠ΅Π΄ΠΌΠ΅Ρ ΡΡΠ΅ΡΠ΅ΠΊ ΠΈ Π½Π°Π΄Π»Π΅ΠΆΠ°ΡΠ΅Π³ΠΎ ΡΡΠΎΠ²Π½Ρ ΠΆΠΈΠ΄ΠΊΠΎΡΡΠΈ.
ΠΡΠ»ΠΈ ΡΡΠ΅ΠΏΠ»Π΅Π½ΠΈΠ΅ Π½Π΅ Π²ΠΊΠ»ΡΡΠ°Π΅ΡΡΡ Π½ΠΎΡΠΌΠ°Π»ΡΠ½ΠΎ Π²ΠΎ Π²ΡΠ΅ΠΌΡ ΡΠ²ΠΎΠ΅ΠΉ ΡΠ°Π±ΠΎΡΡ, ΡΠ²ΠΎΠ±ΠΎΠ΄Π½Π°Ρ ΡΠ΅Π³ΡΠ»ΠΈΡΠΎΠ²ΠΊΠ° ΠΏΠ΅Π΄Π°Π»ΠΈ Π½Π΅ΠΏΡΠ°Π²ΠΈΠ»ΡΠ½Π°Ρ, ΡΠΈΡΡΠ΅ΠΌΠ° Π½Π΅ Π±ΡΠ»Π° ΡΠ΄Π°Π»Π΅Π½Π° Π΄ΠΎΠ»ΠΆΠ½ΡΠΌ ΠΎΠ±ΡΠ°Π·ΠΎΠΌ (Ρ.Π΅.Π² Π³ΠΈΠ΄ΡΠ°Π²Π»ΠΈΡΠ΅ΡΠΊΠΎΠΉ ΡΠΈΡΡΠ΅ΠΌΠ΅ ΠΎΡΡΠ°Π΅ΡΡΡ Π²ΠΎΠ·Π΄ΡΡ ), ΠΊΠΎΠΌΠΏΠΎΠ½Π΅Π½ΡΡ Π½Π΅ Π±ΡΠ»ΠΈ ΡΡΡΠ°Π½ΠΎΠ²Π»Π΅Π½Ρ Π΄ΠΎΠ»ΠΆΠ½ΡΠΌ ΠΎΠ±ΡΠ°Π·ΠΎΠΌ ΠΈΠ»ΠΈ Π±ΡΠ»ΠΈ ΡΡΡΠ°Π½ΠΎΠ²Π»Π΅Π½Ρ Π½Π΅ΠΏΡΠ°Π²ΠΈΠ»ΡΠ½ΡΠ΅ ΠΊΠΎΠΌΠΏΠΎΠ½Π΅Π½ΡΡ. ΠΡΠΏΠΎΠ»Π½ΡΠΉΡΠ΅ ΠΊΠ°ΠΆΠ΄ΡΠΉ ΡΡΠ°ΠΏ ΡΡΡΠ°Π½ΠΎΠ²ΠΊΠΈ, ΠΏΡΠΎΠ²Π΅ΡΡΡ ΠΈ ΠΏΡΠΈ Π½Π΅ΠΎΠ±Ρ ΠΎΠ΄ΠΈΠΌΠΎΡΡΠΈ ΡΠ΅Π³ΡΠ»ΠΈΡΡΡ, ΠΏΠΎΠΊΠ° ΡΡΠ΅ΠΏΠ»Π΅Π½ΠΈΠ΅ Π½Π΅ Π²ΠΊΠ»ΡΡΠΈΡΡΡ ΠΏΠ»Π°Π²Π½ΠΎ.
ΠΠ°ΠΊ ΡΠΎΠ»ΡΠΊΠΎ Π²ΡΠ΅ Π±ΡΠ΄Π΅Ρ Π²ΡΠΏΠΎΠ»Π½Π΅Π½ΠΎ ΡΠ΄ΠΎΠ²Π»Π΅ΡΠ²ΠΎΡΠΈΡΠ΅Π»ΡΠ½ΠΎ, ΠΏΡΠΈΠΏΠ°ΡΠΊΡΠΉΡΠ΅ ΡΠ²ΠΎΠΉ Π³ΡΡΠ·ΠΎΠ²ΠΈΠΊ Π½Π° ΡΠ²ΠΎΠ΅ΠΌ ΠΌΠ΅ΡΡΠ΅ ΠΈ ΠΎΡΠΊΡΠΎΠΉΡΠ΅ Π±Π°Π½ΠΊΡ Π»ΡΠ±ΠΈΠΌΠΎΠ³ΠΎ Π½Π°ΠΏΠΈΡΠΊΠ°, Π²Ρ Π·Π°ΠΊΠΎΠ½ΡΠΈΠ»ΠΈ ΠΈ ΡΡΠΏΠ΅ΡΠ½ΠΎ ΠΎΡΡΠ΅ΠΌΠΎΠ½ΡΠΈΡΠΎΠ²Π°Π»ΠΈ Π³ΠΈΠ΄ΡΠ°Π²Π»ΠΈΡΠ΅ΡΠΊΡΡ ΡΠΈΡΡΠ΅ΠΌΡ ΡΡΠ΅ΠΏΠ»Π΅Π½ΠΈΡ Π½Π° Π²Π°ΡΠ΅ΠΉ Toyota!
Π’Π΅Π½Π΄Π΅Π½ΡΠΈΠΈ Π½Π° ΡΠΎΡΡΠΌΠ°Ρ 4x4Wire TrailTalk
OutdoorWire, 4x4Wire, JeepWire, TrailTalk, MUIRNet-News ΠΈ 4x4Voice ΡΠ²Π»ΡΡΡΡΡ ΡΠΎΠ²Π°ΡΠ½ΡΠΌΠΈ Π·Π½Π°ΠΊΠ°ΠΌΠΈ ΠΈ ΠΏΡΠ±Π»ΠΈΠΊΠ°ΡΠΈΡΠΌΠΈ OutdoorWire, Inc.ΠΈ MUIRNet Consulting.
Copyright (c) 1999-2019 OutdoorWire, Inc ΠΈ MUIRNet Consulting — ΠΡΠ΅ ΠΏΡΠ°Π²Π° Π·Π°ΡΠΈΡΠ΅Π½Ρ, Π½ΠΈΠΊΠ°ΠΊΠ°Ρ ΡΠ°ΡΡΡ Π΄Π°Π½Π½ΠΎΠΉ ΠΏΡΠ±Π»ΠΈΠΊΠ°ΡΠΈΠΈ Π½Π΅ ΠΌΠΎΠΆΠ΅Ρ Π±ΡΡΡ Π²ΠΎΡΠΏΡΠΎΠΈΠ·Π²Π΅Π΄Π΅Π½Π° Π² Π»ΡΠ±ΠΎΠΉ ΡΠΎΡΠΌΠ΅ Π±Π΅Π· ΡΠ²Π½ΠΎΠ³ΠΎ ΠΏΠΈΡΡΠΌΠ΅Π½Π½ΠΎΠ³ΠΎ ΡΠ°Π·ΡΠ΅ΡΠ΅Π½ΠΈΡ.
ΠΡ ΠΌΠΎΠΆΠ΅ΡΠ΅ ΡΠ²ΠΎΠ±ΠΎΠ΄Π½ΠΎ ΡΡΡΠ»Π°ΡΡΡΡ Π½Π° ΡΡΠΎΡ ΡΠ°ΠΉΡ, Π½ΠΎ Π΄Π°Π»ΡΠ½Π΅ΠΉΡΠ΅Π΅ ΠΈΡΠΏΠΎΠ»ΡΠ·ΠΎΠ²Π°Π½ΠΈΠ΅ Π½Π΅ Π΄ΠΎΠΏΡΡΠΊΠ°Π΅ΡΡΡ Π±Π΅Π· ΠΏΠΈΡΡΠΌΠ΅Π½Π½ΠΎΠ³ΠΎ ΡΠ°Π·ΡΠ΅ΡΠ΅Π½ΠΈΡ Π²Π»Π°Π΄Π΅Π»ΡΡΠ° ΡΡΠΎΠ³ΠΎ ΠΌΠ°ΡΠ΅ΡΠΈΠ°Π»Π°.
ΠΡΠ΅ ΠΊΠΎΡΠΏΠΎΡΠ°ΡΠΈΠ²Π½ΡΠ΅ ΡΠΎΠ²Π°ΡΠ½ΡΠ΅ Π·Π½Π°ΠΊΠΈ ΡΠ²Π»ΡΡΡΡΡ ΡΠΎΠ±ΡΡΠ²Π΅Π½Π½ΠΎΡΡΡΡ ΡΠΎΠΎΡΠ²Π΅ΡΡΡΠ²ΡΡΡΠΈΡ
Π²Π»Π°Π΄Π΅Π»ΡΡΠ΅Π².
Π Π΅Π³ΡΠ»ΠΈΡΠΎΠ²ΠΊΠ° ΠΈ ΠΏΡΠΎΠ²Π΅ΡΠΊΠ° ΡΡΠ΅ΠΏΠ»Π΅Π½ΠΈΡ Ft.
Π£ΡΠΉΠ½, INΠΡΠΈΠ±Π». ΠΡΠ΅ΠΌΡ: 60 ΠΌΠΈΠ½ΡΡ | ΠΠΈΠ°ΠΏΠ°Π·ΠΎΠ½ ΡΠ΅Π½: Π£Π·Π½Π°ΡΡ ΡΠ΅Π½Ρ
ΠΡΠ½ΠΎΠ²Ρ ΡΠ΅Π³ΡΠ»ΠΈΡΠΎΠ²ΠΊΠΈ ΠΈ ΠΏΡΠΎΠ²Π΅ΡΠΊΠΈ ΡΡΠ΅ΠΏΠ»Π΅Π½ΠΈΡ Π£ΡΠ»ΡΠ³ΠΈ ΠΊΠΎΠΌΠΏΠ°Π½ΠΈΠΈ Patriot Tire & Auto Care
Π ΠΌΠ΅Ρ Π°Π½ΠΈΡΠ΅ΡΠΊΠΎΠΉ ΠΊΠΎΡΠΎΠ±ΠΊΠ΅ ΠΏΠ΅ΡΠ΅Π΄Π°Ρ ΡΡΠ΅ΠΏΠ»Π΅Π½ΠΈΠ΅ ΠΎΡΠ²Π΅ΡΠ°Π΅Ρ Π·Π° Π²ΠΊΠ»ΡΡΠ΅Π½ΠΈΠ΅ ΠΈ ΠΎΡΠΊΠ»ΡΡΠ΅Π½ΠΈΠ΅ ΡΡΠ°Π½ΡΠΌΠΈΡΡΠΈΠΈ ΠΎΡ Π΄Π²ΠΈΠ³Π°ΡΠ΅Π»Ρ. Π‘ΡΠ΅ΠΏΠ»Π΅Π½ΠΈΠ΅ Π² ΠΌΠ΅Ρ Π°Π½ΠΈΡΠ΅ΡΠΊΠΎΠΉ ΠΊΠΎΡΠΎΠ±ΠΊΠ΅ ΠΏΠ΅ΡΠ΅Π΄Π°Ρ ΠΏΠΎΠ·Π²ΠΎΠ»ΡΠ΅Ρ Π΄Π²ΠΈΠ³Π°ΡΠ΅Π»Ρ ΠΏΡΠΎΠ΄ΠΎΠ»ΠΆΠ°ΡΡ Π²ΡΠ°ΡΠ°ΡΡΡΡ, Π΄Π°ΠΆΠ΅ ΠΊΠΎΠ³Π΄Π° Π°Π²ΡΠΎΠΌΠΎΠ±ΠΈΠ»Ρ ΠΎΡΡΠ°Π½ΠΎΠ²Π»Π΅Π½. Π Π°Π²ΡΠΎΠΌΠ°ΡΠΈΡΠ΅ΡΠΊΠΎΠΉ ΠΊΠΎΡΠΎΠ±ΠΊΠ΅ ΠΏΠ΅ΡΠ΅Π΄Π°Ρ ΡΡΠΎΡ ΠΏΡΠΎΡΠ΅ΡΡ ΡΠ΅Π³ΡΠ»ΠΈΡΡΠ΅ΡΡΡ Π³ΠΈΠ΄ΡΠΎΡΡΠ°Π½ΡΡΠΎΡΠΌΠ°ΡΠΎΡΠΎΠΌ ΠΈ ΡΡΠ°Π½ΡΠΌΠΈΡΡΠΈΠΎΠ½Π½ΠΎΠΉ ΠΆΠΈΠ΄ΠΊΠΎΡΡΡΡ.ΠΡΡΡΠ° ΡΠΏΡΠ°Π²Π»ΡΠ΅Ρ Π΄Π²ΡΠΌΡ Π²Π°Π»Π°ΠΌΠΈ, ΠΎΠ΄ΠΈΠ½ Π² ΡΡΠ°Π½ΡΠΌΠΈΡΡΠΈΠΈ, Π° Π΄ΡΡΠ³ΠΎΠΉ Π² Π΄Π²ΠΈΠ³Π°ΡΠ΅Π»Π΅, ΠΈ ΠΈΡΠΏΠΎΠ»ΡΠ·ΡΠ΅Ρ ΡΡΠ΅Π½ΠΈΠ΅, ΡΡΠΎΠ±Ρ ΡΠΎΡ ΡΠ°Π½ΠΈΡΡ ΡΠΎΠ΅Π΄ΠΈΠ½Π΅Π½ΠΈΠ΅ ΡΡΠ°Π½ΡΠΌΠΈΡΡΠΈΠΈ Ρ Π΄Π²ΠΈΠ³Π°ΡΠ΅Π»Π΅ΠΌ. ΠΡΠ»ΠΈ ΡΡΠ΅ΠΏΠ»Π΅Π½ΠΈΠ΅ Π²ΠΊΠ»ΡΡΠ΅Π½ΠΎ, Π½Π°ΠΆΠΈΠΌΠ½ΠΎΠΉ Π΄ΠΈΡΠΊ ΡΠΏΠΈΡΠ°Π΅ΡΡΡ Π² ΠΌΠ°Ρ ΠΎΠ²ΠΈΠΊ ΠΈ ΡΠΎΠ΅Π΄ΠΈΠ½ΡΠ΅Ρ ΡΡΠ°Π½ΡΠΌΠΈΡΡΠΈΡ Ρ Π΄Π²ΠΈΠ³Π°ΡΠ΅Π»Π΅ΠΌ. ΠΡΠ»ΠΈ ΡΡΠ΅ΠΏΠ»Π΅Π½ΠΈΠ΅ Π²ΡΠΊΠ»ΡΡΠ΅Π½ΠΎ, Π½Π°ΠΆΠΈΠΌΠ½ΠΎΠΉ Π΄ΠΈΡΠΊ ΠΎΡΡΡΠ²Π°Π΅ΡΡΡ ΠΎΡ ΠΌΠ°Ρ ΠΎΠ²ΠΈΠΊΠ°, ΠΎΡΠ΄Π΅Π»ΡΡ ΡΡΠ°Π½ΡΠΌΠΈΡΡΠΈΡ ΠΎΡ Π΄Π²ΠΈΠ³Π°ΡΠ΅Π»Ρ. ΠΡΡΡΠ° ΠΏΠΎΠ·Π²ΠΎΠ»ΡΠ΅Ρ ΠΏΠ΅ΡΠ΅ΠΊΠ»ΡΡΠ°ΡΡ ΠΏΠ΅ΡΠ΅Π΄Π°ΡΠΈ. Π ΠΎΠ΄Π½ΠΈΡ ΡΡΠ°Π½ΡΠΌΠΈΡΡΠΈΡΡ ΠΈΡΠΏΠΎΠ»ΡΠ·ΡΡΡΡΡ Π³ΠΈΠ΄ΡΠ°Π²Π»ΠΈΡΠ΅ΡΠΊΠΈΠ΅ ΠΌΡΡΡΡ, Π² Π΄ΡΡΠ³ΠΈΡ — ΡΡΠΎΡΠΎΠ²ΡΠ΅.Π ΠΎΠ±ΠΎΠΈΡ ΡΠ»ΡΡΠ°ΡΡ ΡΡΠ΅Π±ΡΠ΅ΡΡΡ ΠΏΠ»Π°Π½ΠΎΠ²ΠΎΠ΅ ΡΠ΅Ρ Π½ΠΈΡΠ΅ΡΠΊΠΎΠ΅ ΠΎΠ±ΡΠ»ΡΠΆΠΈΠ²Π°Π½ΠΈΠ΅ ΡΡΠ΅ΠΏΠ»Π΅Π½ΠΈΡ Π΄Π»Ρ ΠΎΠ±Π΅ΡΠΏΠ΅ΡΠ΅Π½ΠΈΡ ΡΡΡΠ΅ΠΊΡΠΈΠ²Π½ΠΎΠΉ ΡΠ°Π±ΠΎΡΡ Π²ΡΠ΅Ρ Π΄Π²ΠΈΠΆΡΡΠΈΡ ΡΡ ΠΊΠΎΠΌΠΏΠΎΠ½Π΅Π½ΡΠΎΠ². ΠΡΠ»ΠΈ Π²Π°Ρ Π±Π΅ΡΠΏΠΎΠΊΠΎΠΈΡ ΡΠ°Π±ΠΎΡΠΎΡΠΏΠΎΡΠΎΠ±Π½ΠΎΡΡΡ Π²Π°ΡΠ΅Π³ΠΎ ΡΡΠ΅ΠΏΠ»Π΅Π½ΠΈΡ, ΠΎΠ±ΡΠ·Π°ΡΠ΅Π»ΡΠ½ΠΎ ΡΠ²ΡΠΆΠΈΡΠ΅ΡΡ Ρ Π½Π°ΠΌΠΈ ΠΏΠΎ ΠΏΠΎΠ²ΠΎΠ΄Ρ ΠΎΠ±ΡΠ»ΡΠΆΠΈΠ²Π°Π½ΠΈΡ.
ΠΠ°ΡΠ΅ΠΌ Π²Π°ΠΌ Π½ΡΠΆΠ½Ρ ΡΡΠ»ΡΠ³ΠΈ ΠΏΠΎ ΡΠ΅Π³ΡΠ»ΠΈΡΠΎΠ²ΠΊΠ΅ ΠΈ ΠΏΡΠΎΠ²Π΅ΡΠΊΠ΅ ΡΡΠ΅ΠΏΠ»Π΅Π½ΠΈΡ Π² ΠΊΠΎΠΌΠΏΠ°Π½ΠΈΠΈ Patriot Tire & Auto Care?
ΠΡΠΎΠ±ΡΠΊΡΠΎΠ²ΠΊΠ° ΠΈΠ»ΠΈ Π·Π°Π΅Π΄Π°Π½ΠΈΠ΅ ΡΡΠ΅ΠΏΠ»Π΅Π½ΠΈΡ — ΠΎΠ±Π° ΠΏΡΠΈΠ·Π½Π°ΠΊΠ° ΡΠΎΠ³ΠΎ, ΡΡΠΎ Π²Π°ΠΌ ΡΠ»Π΅Π΄ΡΠ΅Ρ ΠΏΡΠΎΠ²Π΅ΡΠΈΡΡ ΡΡΠ΅ΠΏΠ»Π΅Π½ΠΈΠ΅. ΠΡΠ»ΠΈ Π²Π°ΡΠ΅ ΡΡΠ΅ΠΏΠ»Π΅Π½ΠΈΠ΅ ΠΏΡΠΎΡΠΊΠ°Π»ΡΠ·ΡΠ²Π°Π΅Ρ, Π²ΠΎΠ·ΠΌΠΎΠΆΠ½ΠΎ, ΠΈΠ·Π½ΠΎΡΠΈΠ»ΡΡ ΡΡΠΈΠΊΡΠΈΠΎΠ½Π½ΡΠΉ ΠΌΠ°ΡΠ΅ΡΠΈΠ°Π» Π½Π° Π΄ΠΈΡΠΊΠ΅ ΡΡΠ΅ΠΏΠ»Π΅Π½ΠΈΡ, ΡΡΠΎ ΠΎΡΠ»Π°Π±ΠΈΡ ΠΊΠΎΠ½ΡΠ°ΠΊΡ ΠΌΠ΅ΠΆΠ΄Ρ Π΄ΠΈΡΠΊΠΎΠΌ ΠΈ ΠΌΠ°Ρ
ΠΎΠ²ΠΈΠΊΠΎΠΌ.ΠΠΎΠ³Π΄Π° ΡΡΠ΅ΠΏΠ»Π΅Π½ΠΈΠ΅ Π·Π°Π΅Π΄Π°Π΅Ρ, ΡΡΠ΅ΠΏΠ»Π΅Π½ΠΈΠ΅ Π½Π΅ Π²ΡΠΊΠ»ΡΡΠ°Π΅ΡΡΡ ΠΏΠΎΠ»Π½ΠΎΡΡΡΡ ΠΈ ΠΎΡΡΠ°Π²Π»ΡΠ΅Ρ Π΄Π²ΠΈΠ³Π°ΡΠ΅Π»Ρ Π² ΠΎΠ³ΡΠ°Π½ΠΈΡΠ΅Π½Π½ΠΎΠΌ ΠΊΠΎΠ½ΡΠ°ΠΊΡΠ΅ Ρ ΡΡΠ°Π½ΡΠΌΠΈΡΡΠΈΠ΅ΠΉ. ΠΡΠΎ ΠΌΠΎΠΆΠ΅Ρ Π²ΡΠ·Π²Π°ΡΡ ΡΠΊΡΠ΅ΠΆΠ΅Ρ ΠΈ Π½Π΅Π²ΠΎΠ·ΠΌΠΎΠΆΠ½ΠΎΡΡΡ ΠΏΠ΅ΡΠ΅ΠΊΠ»ΡΡΠ΅Π½ΠΈΡ ΠΏΠ΅ΡΠ΅Π΄Π°Ρ. Π‘Π»ΠΈΡΠΊΠΎΠΌ Π±ΠΎΠ»ΡΡΠΎΠΉ Π»ΡΡΡ ΠΈ ΡΡΠ΅Π·ΠΌΠ΅ΡΠ½ΠΎ ΠΆΠ΅ΡΡΠΊΠΎΠ΅ ΡΡΠ΅ΠΏΠ»Π΅Π½ΠΈΠ΅ — ΠΏΡΠΈΠ·Π½Π°ΠΊΠΈ ΠΏΡΠ΅Π΄ΡΡΠΎΡΡΠ΅Π³ΠΎ ΠΎΡΠΌΠΎΡΡΠ° ΠΈΠ»ΠΈ ΡΠ΅Π³ΡΠ»ΠΈΡΠΎΠ²ΠΊΠΈ ΡΡΠ΅ΠΏΠ»Π΅Π½ΠΈΡ. ΠΠΎΠ»ΡΡΠΈΠ½ΡΡΠ²ΠΎ ΡΠ΅Π³ΡΠ»ΠΈΡΠΎΠ²ΠΎΠΊ ΠΌΡΡΡΡ Π³ΠΈΠ΄ΡΠ°Π²Π»ΠΈΡΠ΅ΡΠΊΠΎΠΉ ΠΌΡΡΡΡ Π²ΠΊΠ»ΡΡΠ°ΡΡ ΠΎΡΠΌΠΎΡΡ, ΡΠ»ΠΈΠ² ΠΈ Π½Π°ΠΏΠΎΠ»Π½Π΅Π½ΠΈΠ΅ ΡΠ΅Π·Π΅ΡΠ²ΡΠ°ΡΠΎΠ² Π΄Π»Ρ ΠΆΠΈΠ΄ΠΊΠΎΡΡΠΈ.
ΠΡΠΈ ΠΏΡΠΎΠ²Π΅ΡΠΊΠ΅ ΠΈ ΡΠ΅Π³ΡΠ»ΠΈΡΠΎΠ²ΠΊΠ΅ ΡΡΠ΅ΠΏΠ»Π΅Π½ΠΈΡ Ρ ΠΈΡΠΏΠΎΠ»ΡΠ·ΠΎΠ²Π°Π½ΠΈΠ΅ΠΌ ΡΡΠ΅ΠΏΠ»Π΅Π½ΠΈΡ Ρ ΡΡΠΎΡΠΎΠ²ΡΠΌ ΠΏΡΠΈΠ²ΠΎΠ΄ΠΎΠΌ Π½Π°Ρ ΠΎΠ±ΡΠ»ΡΠΆΠΈΠ²Π°ΡΡΠΈΠΉ ΠΏΠ΅ΡΡΠΎΠ½Π°Π» ΠΏΡΠΎΠ²Π΅ΡΠΈΡ ΡΡΠΎΡ Π½Π° Π²ΡΠΆΠΈΠΌΠ½ΠΎΠΌ ΡΡΡΠ°Π³Π΅ ΠΈ ΠΏΡΠΎΠΈΠ·Π²Π΅Π΄Π΅Ρ Π½Π΅ΠΎΠ±Ρ
ΠΎΠ΄ΠΈΠΌΡΠ΅ ΡΠ΅Π³ΡΠ»ΠΈΡΠΎΠ²ΠΊΠΈ ΡΡΠΎΡΠΎΠ² ΠΈ ΠΎΠ±ΠΎΡΡΠ΄ΠΎΠ²Π°Π½ΠΈΡ Π² ΠΌΠ΅Ρ
Π°Π½ΠΈΠ·ΠΌΠ΅ ΡΡΠ΅ΠΏΠ»Π΅Π½ΠΈΡ Π²Π°ΡΠ΅Π³ΠΎ Π°Π²ΡΠΎΠΌΠΎΠ±ΠΈΠ»Ρ.ΠΡΠ΅Π½Π΅Π±ΡΠ΅ΠΆΠ΅Π½ΠΈΠ΅ ΡΠ΅Π³ΡΠ»ΠΈΡΠΎΠ²ΠΊΠΎΠΉ ΡΡΠ΅ΠΏΠ»Π΅Π½ΠΈΡ ΠΈΠ»ΠΈ ΠΎΡΠΌΠΎΡΡΠΎΠΌ ΠΏΡΠΈ ΠΏΠΎΡΠ²Π»Π΅Π½ΠΈΠΈ ΠΏΡΠ΅Π΄ΡΠΏΡΠ΅ΠΆΠ΄Π°ΡΡΠΈΡ
Π·Π½Π°ΠΊΠΎΠ² ΠΌΠΎΠΆΠ΅Ρ ΠΏΡΠΈΠ²Π΅ΡΡΠΈ ΠΊ ΡΠ΅ΡΡΠ΅Π·Π½ΡΠΌ ΠΏΠΎΠ²ΡΠ΅ΠΆΠ΄Π΅Π½ΠΈΡΠΌ Π΄Π²ΠΈΠ³Π°ΡΠ΅Π»Ρ ΠΈ ΡΡΠ°Π½ΡΠΌΠΈΡΡΠΈΠΈ.
ΠΡ Ρ Π³ΠΎΡΠ΄ΠΎΡΡΡΡ ΠΎΠ±ΡΠ»ΡΠΆΠΈΠ²Π°Π΅ΠΌ ΠΏΠΎΡΡΠ΅Π±Π½ΠΎΡΡΠΈ ΠΊΠ»ΠΈΠ΅Π½ΡΠΎΠ² Π² ΡΠ΅Π³ΡΠ»ΠΈΡΠΎΠ²ΠΊΠ΅ ΠΈ ΠΏΡΠΎΠ²Π΅ΡΠΊΠ΅ ΡΡΠ΅ΠΏΠ»Π΅Π½ΠΈΡ Π² Ft. Π£ΡΠΉΠ½, ΠΠ½Π΄ΠΈΠ°Π½Π°, ΠΡΡ-Π₯Π΅ΠΉΠ²Π΅Π½, ΠΠ½Π΄ΠΈΠ°Π½Π°, ΠΠΎΠ»ΡΠΌΠ±ΠΈΡ-Π‘ΠΈΡΠΈ, ΠΠ½Π΄ΠΈΠ°Π½Π°, ΠΈ ΠΏΡΠΈΠ»Π΅Π³Π°ΡΡΠΈΠ΅ ΡΠ°ΠΉΠΎΠ½Ρ.
ΠΠ±ΡΠ»ΡΠΆΠΈΠ²Π°Π΅ΠΌΡΡ ΠΏΠ»ΠΎΡΠ°Π΄Π΅ΠΉ: Ft. Π£ΡΠΉΠ½, ΠΠ½Π΄ΠΈΠ°Π½Π° | ΠΡΡ-Π₯Π΅ΠΉΠ²Π΅Π½, ΠΠ½Π΄ΠΈΠ°Π½Π° | ΠΠΎΠ»ΡΠΌΠ±ΠΈΡ-Π‘ΠΈΡΠΈ, IN | ΠΈ ΠΏΡΠΈΠ»Π΅Π³Π°ΡΡΠΈΠ΅ ΡΠ°ΠΉΠΎΠ½Ρ
ΠΠΎΠ½ΠΈΠΌΠ°Π½ΠΈΠ΅ ΡΠΎΠ³ΠΎ, ΠΊΠ°ΠΊ ΡΠ°Π±ΠΎΡΠ°Π΅Ρ ΡΠ΅Π³ΡΠ»ΠΈΡΠΎΠ²ΠΊΠ° ΡΡΠ΅ΠΏΠ»Π΅Π½ΠΈΡ — MotorBeast
ΠΡ ΡΠ²Π»ΡΠ΅ΠΌΡΡ Π°ΡΡΠΈΠ»ΠΈΡΠΎΠ²Π°Π½Π½ΡΠΌ Π»ΠΈΡΠΎΠΌ
ΠΠ°Π΄Π΅Π΅ΠΌΡΡ, Π²Π°ΠΌ ΠΏΠΎΠ½ΡΠ°Π²ΡΡΡΡ Π½Π°ΡΠΈ ΡΠ΅ΠΊΠΎΠΌΠ΅Π½Π΄Π°ΡΠΈΠΈ! ΠΡΠΎΡΡΠΎ ΡΡΠΎΠ±Ρ Π²Ρ Π·Π½Π°Π»ΠΈ, ΠΌΡ ΠΌΠΎΠΆΠ΅ΠΌ ΠΏΠΎΠ»ΡΡΠΈΡΡ Π΄ΠΎΠ»Ρ ΠΎΡ ΠΏΡΠΎΠ΄Π°ΠΆ ΠΈΠ»ΠΈ Π΄ΡΡΠ³ΡΡ ΠΊΠΎΠΌΠΏΠ΅Π½ΡΠ°ΡΠΈΡ ΠΏΠΎ ΡΡΡΠ»ΠΊΠ°ΠΌ Π½Π° ΡΡΠΎΠΉ ΡΡΡΠ°Π½ΠΈΡΠ΅.Π‘ΠΏΠ°ΡΠΈΠ±ΠΎ Π·Π° ΠΈΡΠΏΠΎΠ»ΡΠ·ΠΎΠ²Π°Π½ΠΈΠ΅ Π½Π°ΡΠΈΡ ΡΡΡΠ»ΠΎΠΊ, ΠΌΡ ΠΎΡΠ΅Π½Ρ ΡΠ΅Π½ΠΈΠΌ ΡΡΠΎ.
ΠΠΎΠΏΡΠΎΡ ΠΎ ΠΌΡΡΡΠ΅ Π²ΡΡΡΠ΅ΠΉ ΠΏΠ΅ΡΠ΅Π΄Π°ΡΠΈ ΠΏΠΎ ΡΡΠ°Π²Π½Π΅Π½ΠΈΡ Ρ ΠΌΡΡΡΠΎΠΉ Π½ΠΈΠ·ΡΠ΅ΠΉ ΠΏΠ΅ΡΠ΅Π΄Π°ΡΠΈ ΠΎΠ±ΡΡΠ½ΠΎ ΡΠ²ΡΠ·Π°Π½ Ρ ΠΊΡΠΈΡΠΈΡΠ΅ΡΠΊΠΎΠΉ ΡΠΎΡΠΊΠΎΠΉ ΡΡΠ΅ΠΏΠ»Π΅Π½ΠΈΡ, Π³Π΄Π΅ Π²ΠΎΠ·Π½ΠΈΠΊΠ°ΡΡ Π΄Π²Π΅ ΠΎΡΠ½ΠΎΠ²Π½ΡΠ΅ ΠΏΡΠΎΠ±Π»Π΅ΠΌΡ; ΡΠΎΡΠΊΠ° Π·Π°Ρ Π²Π°ΡΠ° Π²ΡΡΠΎΠΊΠΎΠ³ΠΎ ΠΈ Π½ΠΈΠ·ΠΊΠΎΠ³ΠΎ ΡΡΠ΅ΠΏΠ»Π΅Π½ΠΈΡ. ΠΠ΅ΡΠΌΠΎΡΡΡ Π½Π° ΡΠΎ, ΡΡΠΎ ΠΊΠ°ΠΆΠ΄ΠΎΠ΅ ΡΡΠ΅ΠΏΠ»Π΅Π½ΠΈΠ΅ ΡΠ°Π±ΠΎΡΠ°Π΅Ρ ΠΏΠΎ-ΡΠ²ΠΎΠ΅ΠΌΡ, Π²ΡΠ΅ Π±ΡΠ΄Π΅Ρ Π² ΠΏΠΎΡΡΠ΄ΠΊΠ΅, Π΅ΡΠ»ΠΈ Π²Ρ ΠΏΠΎΠ½ΠΈΠΌΠ°Π΅ΡΠ΅, ΡΡΠΎ ΡΠ°ΠΊΠΎΠ΅ «ΡΠΊΡΡ» Π²Π°ΡΠ΅Π³ΠΎ Π°Π²ΡΠΎΠΌΠΎΠ±ΠΈΠ»Ρ.
ΠΠΏΡΡΠ½ΡΠ΅ Π²ΠΎΠ΄ΠΈΡΠ΅Π»ΠΈ, ΠΊΠ°ΠΊ ΠΏΡΠ°Π²ΠΈΠ»ΠΎ, Π½Π΅ ΠΎΠ±ΡΠ°ΡΠ°ΡΡΡΡ ΠΊ Π°Π²ΡΠΎΠΌΠΎΠ±ΠΈΠ»Ρ Ρ ΠΏΠΎΠΌΠΎΡΡΡ ΡΠΎΡΠΊΠΈ ΡΠΊΡΡΠ°, ΠΏΠΎΡΠΎΠΌΡ ΡΡΠΎ ΠΈΠ·-Π·Π° ΡΡΠΎΠ³ΠΎ ΠΈΠ·Π½Π°ΡΠΈΠ²Π°Π΅ΡΡΡ ΡΡΠ΅ΠΏΠ»Π΅Π½ΠΈΠ΅. Π’Π΅ΠΌ Π½Π΅ ΠΌΠ΅Π½Π΅Π΅, ΠΎΠ½ΠΈ ΠΈΡΠΏΠΎΠ»ΡΠ·ΡΡΡ ΡΠΎΡΠΊΡ ΡΠΊΡΡΠ° Π² ΠΎΠ±ΡΡΠ½ΡΡ ΠΏΠΎΠ²ΡΠ΅Π΄Π½Π΅Π²Π½ΡΡ Π°Π²ΡΠΎΠΌΠΎΠ±ΠΈΠ»ΡΠ½ΡΡ ΡΠΈΡΡΠ°ΡΠΈΡΡ , ΡΠ°ΠΊΠΈΡ ΠΊΠ°ΠΊ ΠΏΠ°ΡΠ°Π»Π»Π΅Π»ΡΠ½Π°Ρ ΠΏΠ°ΡΠΊΠΎΠ²ΠΊΠ°, ΡΡΠΎΠ³Π°Π½ΠΈΠ΅ Ρ Ρ ΠΎΠ»ΠΌΠ° ΠΈ ΠΌΠ΅Π΄Π»Π΅Π½Π½ΠΎ Π΄Π²ΠΈΠΆΡΡΠ΅Π΅ΡΡ Π΄Π²ΠΈΠΆΠ΅Π½ΠΈΠ΅.
ΠΠ΅ ΡΠΎΡΠΎΠΏΠΈΡΠ΅ΡΡ, ΠΏΠΎΠΊΠ° ΠΌΡ ΡΠΈΠΊΡΠΈΡΡΠ΅ΠΌ ΡΡΠΈ Π΄Π²Π΅ ΠΏΡΠΎΡΠΈΠ²ΠΎΠΏΠΎΠ»ΠΎΠΆΠ½ΡΠ΅ ΡΠΎΡΠΊΠΈ ΡΠΊΡΡΠ° Π² Π½Π°ΡΠ΅ΠΌ ΠΏΡΠΎΡΠΈΠ²ΠΎΡΡΠΎΡΠ½ΠΈΠΈ Π²ΡΡΠΎΠΊΠΎΠ³ΠΎ ΠΈ Π½ΠΈΠ·ΠΊΠΎΠ³ΠΎ ΡΡΠ΅ΠΏΠ»Π΅Π½ΠΈΡ. ΠΠ΄Π½Π°ΠΊΠΎ, ΠΏΡΠ΅ΠΆΠ΄Π΅ ΡΠ΅ΠΌ ΠΌΡ Π½Π°ΡΠ½Π΅ΠΌ, Π²ΠΎΡ ΠΊΡΠ°ΡΠΊΠΈΠΉ ΠΊΡΡΡ ΠΏΠΎ ΠΎΡΠ½ΠΎΠ²Π°ΠΌ Π³ΠΈΠ΄ΡΠ°Π²Π»ΠΈΡΠ΅ΡΠΊΠΎΠ³ΠΎ ΡΡΠ΅ΠΏΠ»Π΅Π½ΠΈΡ ΠΈ ΡΠ·Π»ΠΎΠ²ΡΡ ΡΠΎΡΠ΅ΠΊ.
ΠΡΠ½ΠΎΠ²Ρ Π³ΠΈΠ΄ΡΠ°Π²Π»ΠΈΡΠ΅ΡΠΊΠΎΠ³ΠΎ ΡΡΠ΅ΠΏΠ»Π΅Π½ΠΈΡ
ΠΠ΅ Π²Π΄Π°Π²Π°ΡΡΡ Π² ΡΠ΅Ρ
Π½ΠΈΡΠ΅ΡΠΊΠΈΠ΅ ΠΏΠΎΠ΄ΡΠΎΠ±Π½ΠΎΡΡΠΈ, Π³ΠΈΠ΄ΡΠ°Π²Π»ΠΈΡΠ΅ΡΠΊΠΎΠ΅ ΡΡΠ΅ΠΏΠ»Π΅Π½ΠΈΠ΅ ΡΠΎΡΡΠΎΠΈΡ ΠΈΠ· Π³Π»Π°Π²Π½ΠΎΠ³ΠΎ ΡΠΈΠ»ΠΈΠ½Π΄ΡΠ°, ΡΠ°Π±ΠΎΡΠ΅Π³ΠΎ ΡΠΈΠ»ΠΈΠ½Π΄ΡΠ° ΠΈ ΠΌΠ΅Ρ
Π°Π½ΠΈΠ·ΠΌΠ° ΡΡΠ΅ΠΏΠ»Π΅Π½ΠΈΡ.
ΠΠ°ΠΆΠ΄ΡΠΉ ΡΠ°Π·, ΠΊΠΎΠ³Π΄Π° Π²Ρ Π½Π°ΠΆΠΈΠΌΠ°Π΅ΡΠ΅ ΡΡΠ΅ΠΏΠ»Π΅Π½ΠΈΠ΅, ΠΆΠΈΠ΄ΠΊΠΎΡΡΡ ΡΡΠ΅ΠΏΠ»Π΅Π½ΠΈΡ Π² Π³Π»Π°Π²Π½ΠΎΠΌ ΡΠΈΠ»ΠΈΠ½Π΄ΡΠ΅ Π²ΡΡΠ΅ΡΠ½ΡΠ΅ΡΡΡ Π΅Π³ΠΎ ΡΠΎΠ»ΠΊΠ°ΡΠ΅Π»Π΅ΠΌ ΠΈ ΠΏΠ΅ΡΠ΅ΠΌΠ΅ΡΠ°Π΅ΡΡΡ ΠΏΠΎ ΡΡΡΠ±ΠΊΠ΅ ΠΊ ΡΠ°Π±ΠΎΡΠ΅ΠΌΡ ΡΠΈΠ»ΠΈΠ½Π΄ΡΡ.
Π ΡΠ°Π±ΠΎΡΠ΅ΠΌ ΡΠΈΠ»ΠΈΠ½Π΄ΡΠ΅ Π²ΠΈΠ»ΠΊΠ° Π²Π·Π°ΠΈΠΌΠΎΠ΄Π΅ΠΉΡΡΠ²ΡΠ΅Ρ Ρ Π΄ΠΈΠ°ΡΡΠ°Π³ΠΌΠ΅Π½Π½ΠΎΠΉ ΠΏΡΡΠΆΠΈΠ½ΠΎΠΉ, ΡΡΠΎΠ±Ρ ΠΎΡΡΠΎΠ΅Π΄ΠΈΠ½ΠΈΡΡ Π΄ΠΈΡΠΊ ΡΡΠ΅ΠΏΠ»Π΅Π½ΠΈΡ ΠΎΡ ΠΌΠ°Ρ ΠΎΠ²ΠΈΠΊΠ° Π΄Π²ΠΈΠ³Π°ΡΠ΅Π»Ρ. ΠΡΠΎ Π½Π° ΠΌΠ³Π½ΠΎΠ²Π΅Π½ΠΈΠ΅ ΠΏΡΠ΅ΠΊΡΠ°ΡΠ°Π΅Ρ ΠΏΠ΅ΡΠ΅Π΄Π°ΡΡ ΠΊΡΡΡΡΡΠ΅Π³ΠΎ ΠΌΠΎΠΌΠ΅Π½ΡΠ° Π΄Π²ΠΈΠ³Π°ΡΠ΅Π»Ρ Π½Π° ΡΡΠ°Π½ΡΠΌΠΈΡΡΠΈΡ, ΠΏΠΎΠ·Π²ΠΎΠ»ΡΡ Π²Π°ΠΌ ΠΏΠ΅ΡΠ΅ΠΊΠ»ΡΡΠ°ΡΡ ΠΏΠ΅ΡΠ΅Π΄Π°ΡΠΈ ΠΈΠ»ΠΈ ΠΎΡΡΠ°Π½Π°Π²Π»ΠΈΠ²Π°ΡΡΡΡ.
ΠΠ°ΠΆΠ΄ΡΠΉ ΡΠ°Π·, ΠΊΠΎΠ³Π΄Π° Π²Ρ ΠΎΡΠΏΡΡΠΊΠ°Π΅ΡΠ΅ ΠΏΠ΅Π΄Π°Π»Ρ ΡΡΠ΅ΠΏΠ»Π΅Π½ΠΈΡ, Π΄ΠΈΡΠΊ ΡΡΠ΅ΠΏΠ»Π΅Π½ΠΈΡ ΠΏΠΎΡΡΠ΅ΠΏΠ΅Π½Π½ΠΎ ΡΠΎΠ΅Π΄ΠΈΠ½ΡΠ΅ΡΡΡ Ρ ΠΌΠ°Ρ ΠΎΠ²ΠΈΠΊΠΎΠΌ Π²Π°ΡΠ΅Π³ΠΎ Π΄Π²ΠΈΠ³Π°ΡΠ΅Π»Ρ, ΠΏΠΎΠ·Π²ΠΎΠ»ΡΡ ΠΏΠ΅ΡΠ΅Π΄Π°Π²Π°ΡΡ ΠΌΠΎΡΠ½ΠΎΡΡΡ ΡΠ΅ΡΠ΅Π· Π²Π΅Π΄ΡΡΠΈΠ΅ ΠΊΠΎΠ»Π΅ΡΠ°. ΠΡΠΎ ΠΏΠΎΠ΄Π²ΠΎΠ΄ΠΈΡ Π½Π°Ρ ΠΊ ΡΠΎΡΠΊΠ΅ ΡΠΊΡΡΠ°, ΠΊΠΎΡΠΎΡΠ°Ρ ΡΠ²Π»ΡΠ΅ΡΡΡ ΠΊΡΠ°Π΅ΡΠ³ΠΎΠ»ΡΠ½ΡΠΌ ΠΊΠ°ΠΌΠ½Π΅ΠΌ Π½Π°ΡΠ΅Π³ΠΎ Π²ΡΡΠΎΠΊΠΎΠ³ΠΎ ΠΏΡΠΎΡΠΈΠ²ΠΎΡΡΠΎΡΠ½ΠΈΡ.ΡΠ°Π·Π±ΠΎΡΠΊΠΈ Ρ Π½ΠΈΠ·ΠΊΠΈΠΌ ΡΡΠ΅ΠΏΠ»Π΅Π½ΠΈΠ΅ΠΌ?
Π£ΠΊΡΡ
Π’Π΅ΠΏΠ΅ΡΡ, ΠΊΠΎΠ³Π΄Π° Π²Ρ ΠΏΠΎΠ½ΠΈΠΌΠ°Π΅ΡΠ΅, ΠΊΠ°ΠΊ ΡΠ°Π±ΠΎΡΠ°Π΅Ρ Π²Π°ΡΠ° ΠΎΡΠ½ΠΎΠ²Π½Π°Ρ Π³ΠΈΠ΄ΡΠ°Π²Π»ΠΈΡΠ΅ΡΠΊΠ°Ρ ΠΌΡΡΡΠ° ; ΡΠΎΡΠΊΠ° Π·Π°ΠΆΠΈΠΌΠ° ΠΎΡΠ½ΠΎΡΠΈΡΡΡ ΠΊ ΡΠΎΠΌΡ ΠΌΠΎΠΌΠ΅Π½ΡΡ, ΠΊΠΎΠ³Π΄Π° Π΄ΠΈΡΠΊ ΡΡΠ΅ΠΏΠ»Π΅Π½ΠΈΡ Π²Ρ ΠΎΠ΄ΠΈΡ Π² Π·Π°ΡΠ΅ΠΏΠ»Π΅Π½ΠΈΠ΅ Ρ ΠΌΠ°Ρ ΠΎΠ²ΠΈΠΊΠΎΠΌ Π΄Π²ΠΈΠ³Π°ΡΠ΅Π»Ρ.
ΠΡΠ»ΠΈ Π²Ρ Π΅ΡΠ΅ Π½Π΅ Π·Π½Π°Π΅ΡΠ΅, ΠΎΠ±ΡΡΠ½ΠΎ ΠΎΠ½ Π½Π°Ρ ΠΎΠ΄ΠΈΡΡΡ Π½Π° ΠΏΠΎΠ»ΠΏΡΡΠΈ Ρ ΠΎΠ΄Π° ΠΏΠ΅Π΄Π°Π»ΠΈ ΡΡΠ΅ΠΏΠ»Π΅Π½ΠΈΡ. ΠΠ΄Π½Π°ΠΊΠΎ ΠΊΠ°ΠΆΠ΄ΠΎΠ΅ ΡΡΠ΅ΠΏΠ»Π΅Π½ΠΈΠ΅ Π½Π΅ΠΌΠ½ΠΎΠ³ΠΎ ΠΎΡΠ»ΠΈΡΠ°Π΅ΡΡΡ. ΠΠ΅ΠΊΠΎΡΠΎΡΡΠ΅ Π°Π²ΡΠΎΠΌΠΎΠ±ΠΈΠ»ΠΈ ΠΈΠ΄ΡΡ Ρ ΠΎΡΠΎΠ±Π΅Π½Π½ΠΎ Π²ΡΡΠΎΠΊΠΎΠΉ ΡΠΎΡΠΊΠΎΠΉ ΠΊΠΎΠ½ΡΠ°ΠΊΡΠ° ΡΡΠ΅ΠΏΠ»Π΅Π½ΠΈΡ, Π½Π°ΠΏΡΠΈΠΌΠ΅Ρ Hondas ΠΈ Volvos, Π² ΡΠΎ Π²ΡΠ΅ΠΌΡ ΠΊΠ°ΠΊ Π΄ΡΡΠ³ΠΈΠ΅ ΠΈΠΌΠ΅ΡΡ Π½ΠΈΠ·ΠΊΡΡ ΡΠΎΡΠΊΡ ΠΊΠΎΠ½ΡΠ°ΠΊΡΠ° ΡΡΠ΅ΠΏΠ»Π΅Π½ΠΈΡ, ΠΊΠ°ΠΊ Corsa.
ΠΠ΅Ρ Π°Π½ΠΈΠΊΠΈ ΠΎΠ±ΡΡΠ½ΠΎ ΠΈΠΌΠ΅ΡΡ ΡΠ°Π·Π½ΡΠ΅ ΠΌΠ½Π΅Π½ΠΈΡ ΠΎΡΠ½ΠΎΡΠΈΡΠ΅Π»ΡΠ½ΠΎ ΠΎΠΏΡΠΈΠΌΠ°Π»ΡΠ½ΠΎΠΉ ΡΠΎΡΠΊΠΈ Π·Π°Ρ Π²Π°ΡΠ° ΡΡΠ΅ΠΏΠ»Π΅Π½ΠΈΡ, ΠΈ Π½Π΅ΠΊΠΎΡΠΎΡΡΠ΅ Π΄Π°ΠΆΠ΅ Π΄ΠΎΡ ΠΎΠ΄ΡΡ Π΄ΠΎ ΡΠΎΠ³ΠΎ, ΡΡΠΎ ΠΏΠΎΠ΄ΡΡΡΠ°ΠΈΠ²Π°ΡΡ Π΅Π΅ ΠΏΠΎΠ΄ Π²Π°Ρ. ΠΠΎΠΊΠ° ΠΎΠ½ ΡΠ°Π±ΠΎΡΠ°Π΅Ρ Π½Π° Π²Π°Ρ, Π½Π΅Ρ Π½Π΅ΠΎΠ±Ρ ΠΎΠ΄ΠΈΠΌΠΎΡΡΠΈ Π΅Π³ΠΎ ΠΌΠ΅Π½ΡΡΡ; ΡΡΠΎ ΠΏΠΎΠ΄Π²ΠΎΠ΄ΠΈΡ Π½Π°Ρ ΠΊ ΡΡΡΠΈ Π½Π°ΡΠΈΡ Π΄Π΅Π±Π°ΡΠΎΠ².
ΠΡΠΎΠ±Π»Π΅ΠΌΡ Π² ΡΠΎΡΠΊΠ΅ Π·Π°Ρ Π²Π°ΡΠ°: ΡΡΠ΅ΠΏΠ»Π΅Π½ΠΈΠ΅ Π²ΡΡΠΎΠΊΠΎΠΉ ΠΈ Π½ΠΈΠ·ΠΊΠΎΠΉ ΠΏΠ΅ΡΠ΅Π΄Π°ΡΠΈ
Π ΠΎΡΠ½ΠΎΠ²Π΅ ΡΡΠΈΡ Π΄Π΅Π±Π°ΡΠΎΠ² Π»Π΅ΠΆΠ°Ρ Π΄Π²Π΅ ΠΎΡΠ½ΠΎΠ²Π½ΡΠ΅ ΠΏΡΠΎΠ±Π»Π΅ΠΌΡ — ΡΠΎΡΠΊΠ° Π·Π°Ρ Π²Π°ΡΠ° ΠΌΡΡΡΡ Π²ΡΡΠΎΠΊΠΎΠΉ ΠΈ Π½ΠΈΠ·ΠΊΠΎΠΉ ΠΏΠ΅ΡΠ΅Π΄Π°ΡΠΈ. ΠΠ°Π»ΠΈΡΠΈΠ΅ Π²ΡΡΠΎΠΊΠΎΠ³ΠΎ ΡΡΠ΅ΠΏΠ»Π΅Π½ΠΈΡ ΠΎΠ·Π½Π°ΡΠ°Π΅Ρ, ΡΡΠΎ ΡΠΎΡΠΊΠ° Π·Π°Ρ Π²Π°ΡΠ° Π½Π°Ρ ΠΎΠ΄ΠΈΡΡΡ Π²ΡΡΠ΅ Π² Ρ ΠΎΠ΄Π΅ ΠΏΠ΅Π΄Π°Π»ΠΈ ΡΡΠ΅ΠΏΠ»Π΅Π½ΠΈΡ ΠΏΡΠΈ ΠΏΠΎΠ»Π½ΠΎΠΌ ΠΎΡΠΏΡΡΠΊΠ°Π½ΠΈΠΈ.
Π‘ Π΄ΡΡΠ³ΠΎΠΉ ΡΡΠΎΡΠΎΠ½Ρ, Π½Π°Π»ΠΈΡΠΈΠ΅ ΠΌΡΡΡΡ Π½ΠΈΠ·ΡΠ΅ΠΉ ΠΏΠ΅ΡΠ΅Π΄Π°ΡΠΈ ΠΎΠ·Π½Π°ΡΠ°Π΅Ρ, ΡΡΠΎ ΡΠΎΡΠΊΠ° Π·Π°ΠΆΠΈΠΌΠ° ΡΠ°ΡΠΏΠΎΠ»ΠΎΠΆΠ΅Π½Π° Π½ΠΈΠΆΠ΅ ΠΏΠΎΠ»Π½ΠΎΡΡΡΡ Π½Π°ΠΆΠ°ΡΠΎΠΉ ΠΏΠ΅Π΄Π°Π»ΠΈ ΡΡΠ΅ΠΏΠ»Π΅Π½ΠΈΡ.
ΠΡΡΠΎΠΊΠ°Ρ ΡΠΎΡΠΊΠ° Π·Π°ΡΠ΅ΠΏΠ° ΠΌΡΡΡΡ
ΠΠ±ΡΡΠ½ΠΎ Π½Π°Π»ΠΈΡΠΈΠ΅ Π²ΡΡΠΎΠΊΠΎΠΉ ΠΌΡΡΡΡ ΡΠ²Π»ΡΠ΅ΡΡΡ Π½Π°Π΄Π΅ΠΆΠ½ΡΠΌ ΠΈΠ½Π΄ΠΈΠΊΠ°ΡΠΎΡΠΎΠΌ ΠΈΠ·Π½ΠΎΡΠ° ΠΈΠ»ΠΈ ΠΈΠ·Π½ΠΎΡΠ° ΠΌΡΡΡΡ, ΠΊΠΎΡΠΎΡΠ°Ρ ΠΌΠΎΠΆΠ΅Ρ Π½ΡΠΆΠ΄Π°ΡΡΡΡ Π² Π·Π°ΠΌΠ΅Π½Π΅.
ΠΠ°Π»ΠΈΡΠΈΠ΅ Π²ΡΡΠΎΠΊΠΎΠ³ΠΎ ΡΡΠ΅ΠΏΠ»Π΅Π½ΠΈΡ ΠΏΠΎΡΠ»Π΅ Π½Π΅ΡΠΊΠΎΠ»ΡΠΊΠΈΡ
Π»Π΅Ρ ΡΠ΅Π³ΡΠ»ΡΡΠ½ΠΎΠ³ΠΎ ΠΈΡΠΏΠΎΠ»ΡΠ·ΠΎΠ²Π°Π½ΠΈΡ — ΡΡΠΎ Π½ΠΎΡΠΌΠ°Π»ΡΠ½ΠΎ, Π½ΠΎ ΡΡΠΎ Π΅ΡΠ»ΠΈ ΠΎΠ½ΠΎ Π²ΡΡΠ΅, ΡΠ΅ΠΌ ΠΊΠΎΠ³Π΄Π° Π²Ρ Π²ΠΏΠ΅ΡΠ²ΡΠ΅ ΠΊΡΠΏΠΈΠ»ΠΈ ΠΌΠ°ΡΠΈΠ½Ρ.
ΠΠ΅ΠΊΠΎΡΠΎΡΡΠ΅ ΠΈΠ· Π΄ΡΡΠ³ΠΈΡ ΡΠΈΠΌΠΏΡΠΎΠΌΠΎΠ² ΠΈΠ·Π½ΠΎΡΠ΅Π½Π½ΠΎΠ³ΠΎ ΡΡΠ΅ΠΏΠ»Π΅Π½ΠΈΡ Π²ΠΊΠ»ΡΡΠ°ΡΡ Π·Π°Π»ΠΈΠΏΠ°Π½ΠΈΠ΅ ΡΡΠ΅ΠΏΠ»Π΅Π½ΠΈΡ ΠΏΡΠΈ ΠΈΡΠΏΠΎΠ»ΡΠ·ΠΎΠ²Π°Π½ΠΈΠΈ ΡΠΏΡΠ°Π²Π»Π΅Π½ΠΈΡ ΡΡΠ΅ΠΏΠ»Π΅Π½ΠΈΠ΅ΠΌ Π² ΠΌΠ΅Π΄Π»Π΅Π½Π½ΠΎ Π΄Π²ΠΈΠΆΡΡΠ΅ΠΌΡΡ ΠΏΠΎΡΠΎΠΊΠ΅, Π° ΡΠ°ΠΊΠΆΠ΅ ΠΏΡΠΎΠ±Π»Π΅ΠΌΡ Ρ ΠΏΠ΅ΡΠ΅ΠΊΠ»ΡΡΠ΅Π½ΠΈΠ΅ΠΌ Π½Π° ΠΏΠ΅ΡΠ΅Π΄Π°ΡΡ Π·Π°Π΄Π½Π΅Π³ΠΎ Ρ ΠΎΠ΄Π°.ΠΠ°Π»ΠΈΡΠΈΠ΅ Π²ΡΡΠΎΠΊΠΎΠ³ΠΎ ΡΡΠ΅ΠΏΠ»Π΅Π½ΠΈΡ Π½Π΅ Π΄Π°Π΅Ρ ΠΌΠ½ΠΎΠ³ΠΎ ΠΌΠ΅ΡΡΠ° Π΄Π»Ρ ΠΎΡΠΈΠ±ΠΎΠΊ ΠΈ ΠΌΠΎΠΆΠ΅Ρ Π΄ΠΎΡΡΠ°Π²Π»ΡΡΡ Π½Π΅ΡΠ΄ΠΎΠ±ΡΡΠ²Π° Π² Π³ΠΎΡΠΎΠ΄ΡΠΊΠΈΡ ΡΡΠ»ΠΎΠ²ΠΈΡΡ .
Π‘ΡΠ΅ΠΏΠ»Π΅Π½ΠΈΠ΅ Π½Π°ΡΠΈΠ½Π°Π΅Ρ ΠΏΡΠΎΡΠΊΠ°Π»ΡΠ·ΡΠ²Π°ΡΡ
ΠΡΡΠΎΠΊΠΈΠΉ ΡΠ³ΠΎΠ» Π½Π°ΠΊΠ»ΠΎΠ½Π° ΠΏΠΎΡΠ»Π΅ Π½Π΅ΡΠΊΠΎΠ»ΡΠΊΠΈΡ Π»Π΅Ρ ΠΈΡΠΏΠΎΠ»ΡΠ·ΠΎΠ²Π°Π½ΠΈΡ ΠΎΠ·Π½Π°ΡΠ°Π΅Ρ, ΡΡΠΎ Π²Π°ΡΠ΅ ΡΡΠ΅ΠΏΠ»Π΅Π½ΠΈΠ΅, Π²Π΅ΡΠΎΡΡΠ½ΠΎ, ΡΠ³ΠΎΡΠ΅Π»ΠΎ, ΡΠΎ Π΅ΡΡΡ ΠΌΠ°ΡΠ΅ΡΠΈΠ°Π» Ρ Π²ΡΡΠΎΠΊΠΈΠΌ ΠΊΠΎΡΡΡΠΈΡΠΈΠ΅Π½ΡΠΎΠΌ ΡΡΠ΅Π½ΠΈΡ Π½Π° Π΄ΠΈΡΠΊΠ΅ ΡΡΠ΅ΠΏΠ»Π΅Π½ΠΈΡ ΠΈΠ·ΡΠ°ΡΡ ΠΎΠ΄ΠΎΠ²Π°Π½. ΠΠΎ ΠΌΠ΅ΡΠ΅ ΡΠΎΠ³ΠΎ, ΠΊΠ°ΠΊ ΡΡΠΈΠΊΡΠΈΠΎΠ½Π½ΠΎΠ΅ ΠΏΠΎΠΊΡΡΡΠΈΠ΅ ΡΡΠ°Π½ΠΎΠ²ΠΈΡΡΡ ΡΠΎΠ½ΡΡΠ΅, ΠΏΡΠΈΠΆΠΈΠΌΠ½Π°Ρ ΠΏΠ»Π°ΡΡΠΈΠ½Π° ΠΏΠΎΡΡΠ΅ΠΏΠ΅Π½Π½ΠΎ ΡΠ΅ΡΡΠ΅Ρ ΡΡΠ΅ΠΏΠ»Π΅Π½ΠΈΠ΅, ΠΈ ΠΈΠΌΠ΅Π½Π½ΠΎ ΡΠΎΠ³Π΄Π° Π²Π°ΡΠ° ΠΌΠ°ΡΠΈΠ½Π° Π½Π°ΡΠΈΠ½Π°Π΅Ρ Π±ΡΠΊΡΠΎΠ²Π°ΡΡ.
Π₯ΠΎΡΡ ΠΏΡΠΈΠΆΠΈΠΌΠ½ΠΎΠΉ Π΄ΠΈΡΠΊ ΠΈ ΠΌΠ°Ρ ΠΎΠ²ΠΈΠΊ ΠΌΠΎΠ³ΡΡ Π½Π°ΡΠ°ΡΡ ΠΈΠ·Π½Π°ΡΠΈΠ²Π°ΡΡΡΡ, ΠΎΠ±ΡΡΠ½ΠΎ ΡΡΠΎ ΠΏΡΠΎΠΈΡΡ ΠΎΠ΄ΠΈΡ Π½Π°ΠΌΠ½ΠΎΠ³ΠΎ ΠΌΠ΅Π΄Π»Π΅Π½Π½Π΅Π΅ ΠΏΠΎ ΡΡΠ°Π²Π½Π΅Π½ΠΈΡ Ρ ΠΏΠΎΠΊΡΡΡΠΈΠ΅ΠΌ Ρ Π²ΡΡΠΎΠΊΠΈΠΌ ΠΊΠΎΡΡΡΠΈΡΠΈΠ΅Π½ΡΠΎΠΌ ΡΡΠ΅Π½ΠΈΡ Π½Π° Π΄ΠΈΡΠΊΠ΅ ΡΡΠ΅ΠΏΠ»Π΅Π½ΠΈΡ — ΠΏΡΠΎΠΊΠ»Π°Π΄ΠΊΠ° Ρ Π²ΡΡΠΎΠΊΠΈΠΌ ΠΊΠΎΡΡΡΠΈΡΠΈΠ΅Π½ΡΠΎΠΌ ΡΡΠ΅Π½ΠΈΡ Π½Π° Π΄ΠΈΡΠΊΠ°Ρ ΡΡΠ΅ΠΏΠ»Π΅Π½ΠΈΡ Π΄Π΅ΠΉΡΡΠ²ΡΠ΅Ρ Π°Π½Π°Π»ΠΎΠ³ΠΈΡΠ½ΠΎ ΡΡΠΈΠΊΡΠΈΠΎΠ½Π½ΠΎΠΌΡ ΠΌΠ°ΡΠ΅ΡΠΈΠ°Π»Ρ Π² ΡΠΎΡΠΌΠΎΠ·Π°Ρ .
ΠΡΠΈ ΡΡΠΎΠΌ ΠΏΠ΅ΡΠ΅Π³ΠΎΡΠ΅Π²ΡΡΡ ΠΌΡΡΡΡ ΠΌΠΎΠΆΠ½ΠΎ ΡΠ°ΡΡΠΌΠ°ΡΡΠΈΠ²Π°ΡΡ ΠΊΠ°ΠΊ ΡΠ°ΠΌΠΎΠΏΠΎΠ΄Π΄Π΅ΡΠΆΠΈΠ²Π°ΡΡΡΡΡΡ ΡΡΡΠΊΠΎΠ²ΠΈΠ½Ρ, ΠΊΠΎΡΠΎΡΠ°Ρ ΠΈΠ·Π½Π°ΡΠΈΠ²Π°Π΅ΡΡΡ ΡΠΎΠ»ΡΠΊΠΎ ΠΏΡΠΈ Π²ΠΊΠ»ΡΡΠ΅Π½ΠΈΠΈ ΠΈΠ»ΠΈ ΠΎΡΠΊΠ»ΡΡΠ΅Π½ΠΈΠΈ. ΠΠ°ΡΠ΅ΠΏΠ»ΡΡΡΡ Ρ Π½Π°ΠΆΠΈΠΌΠ½ΡΠΌ Π΄ΠΈΡΠΊΠΎΠΌ ΠΈ ΠΌΠ°Ρ ΠΎΠ²ΠΈΠΊΠΎΠΌ, ΠΏΠΎΠΊΡΡΡΠΈΠ΅ Ρ Π²ΡΡΠΎΠΊΠΈΠΌ ΠΊΠΎΡΡΡΠΈΡΠΈΠ΅Π½ΡΠΎΠΌ ΡΡΠ΅Π½ΠΈΡ ΡΠΊΠΎΠ»ΡΠ·ΠΈΡ ΠΏΠΎ ΠΌΠ΅ΡΠ°Π»Π»ΠΈΡΠ΅ΡΠΊΠΈΠΌ ΠΏΠΎΠ²Π΅ΡΡ Π½ΠΎΡΡΡΠΌ ΠΌΡΡΡΡ, Π² ΡΠ΅Π·ΡΠ»ΡΡΠ°ΡΠ΅ ΡΠ΅Π³ΠΎ Π²ΡΠ΄Π΅Π»ΡΠ΅ΡΡΡ ΡΠ΅ΠΏΠ»ΠΎ.
ΠΠ±ΡΡΠ½ΠΎ ΠΏΡΠΈ Π²ΠΊΠ»ΡΡΠ΅Π½ΠΈΠΈ ΡΡΠ΅ΠΏΠ»Π΅Π½ΠΈΡ Π½Π΅ Π΄ΠΎΠ»ΠΆΠ½ΠΎ Π±ΡΡΡ ΠΏΡΠΎΡΠΊΠ°Π»ΡΠ·ΡΠ²Π°Π½ΠΈΡ, ΠΏΠΎΡΡΠΎΠΌΡ ΠΎΠ½ΠΎ Π½Π΅ ΠΈΠ·Π½Π°ΡΠΈΠ²Π°Π΅ΡΡΡ Π±ΠΎΠ»ΡΡΠ΅, ΡΠ΅ΠΌ ΠΎΠ±ΡΡΠ½ΠΎ. ΠΠ΄Π½Π°ΠΊΠΎ, ΠΊΠΎΠ³Π΄Π° Π²Π°ΡΠ΅ ΡΡΠ΅ΠΏΠ»Π΅Π½ΠΈΠ΅ Π½Π°ΡΠΈΠ½Π°Π΅Ρ ΠΏΡΠΎΡΠΊΠ°Π»ΡΠ·ΡΠ²Π°ΡΡ, ΠΊΠΎΠ³Π΄Π° ΠΎΠ½ΠΎ Π²ΠΊΠ»ΡΡΠ΅Π½ΠΎ, ΠΎΠ½ΠΎ ΠΈΠ·Π½Π°ΡΠΈΠ²Π°Π΅ΡΡΡ Π½Π°ΠΌΠ½ΠΎΠ³ΠΎ Π±ΡΡΡΡΠ΅Π΅.
ΠΠ½ ΠΏΡΠΎΡΠΊΠ°Π»ΡΠ·ΡΠ²Π°Π΅Ρ Π²ΡΠ΅ Π±ΠΎΠ»ΡΡΠ΅ ΠΈ Π±ΠΎΠ»ΡΡΠ΅, ΠΏΠΎΠΊΠ° Π½Π΅ Π΄ΠΎΠΉΠ΄Π΅Ρ Π΄ΠΎ ΡΠΎΡΠΊΠΈ, Π³Π΄Π΅ Ρ Π²Π°Ρ Π±ΡΠ΄Π΅Ρ Π½Π΅ΡΡΠ½ΠΊΡΠΈΠΎΠ½Π°Π»ΡΠ½ΠΎΠ΅ ΡΡΠ΅ΠΏΠ»Π΅Π½ΠΈΠ΅, ΠΊΠΎΡΠΎΡΠΎΠ΅ Π½ΡΠΆΠ½ΠΎ Π±ΡΠ΄Π΅Ρ Π·Π°ΠΌΠ΅Π½ΠΈΡΡ. Π‘ΡΠΎΠΈΡ ΠΎΡΠΌΠ΅ΡΠΈΡΡ, ΡΡΠΎ Π² Π½Π°ΡΡΠΎΡΡΠ΅Π΅ Π²ΡΠ΅ΠΌΡ ΡΠΈΡΡΠ΅ΠΌΡ ΡΡΠ΅ΠΏΠ»Π΅Π½ΠΈΡ Ρ Π³ΠΈΠ΄ΡΠ°Π²Π»ΠΈΡΠ΅ΡΠΊΠΈΠΌ ΠΏΡΠΈΠ²ΠΎΠ΄ΠΎΠΌ ΡΠΏΡΠΎΠ΅ΠΊΡΠΈΡΠΎΠ²Π°Π½Ρ ΡΠ°ΠΊ, ΡΡΠΎΠ±Ρ Π±ΡΡΡ ΡΠ°ΠΌΠΎΡΠ΅Π³ΡΠ»ΠΈΡΡΡΡΠΈΠΌΠΈΡΡ, ΠΏΠΎΡΡΠΎΠΌΡ ΠΈΡ
ΡΠΎΡΠΊΠ° Π·Π°ΠΆΠΈΠΌΠ° ΡΡΠ΅ΠΏΠ»Π΅Π½ΠΈΡ ΠΎΠ±ΡΡΠ½ΠΎ Π½Π΅ ΠΈΠ·ΠΌΠ΅Π½ΡΠ΅ΡΡΡ, ΠΊΠ°ΠΊ ΡΡΠ΅ΠΏΠ»Π΅Π½ΠΈΠ΅ ΠΌΠ΅Ρ
Π°Π½ΠΈΡΠ΅ΡΠΊΠΎΠΉ Π½Π°Π²Π΅ΡΠΊΠΈ.
ΠΠ΄Π½Π°ΠΊΠΎ ΠΎΡΠ½ΠΎΠ²Π½Π°Ρ ΠΏΡΠΎΠ±Π»Π΅ΠΌΠ° Π·Π°ΠΊΠ»ΡΡΠ°Π΅ΡΡΡ Π² ΡΠΎΠΌ, ΡΡΠΎ ΠΊΠΎΠ³Π΄Π° ΠΎΠ½ΠΈ ΠΏΠ΅ΡΠ΅Π³ΠΎΡΠ°ΡΡ, ΠΎΠ½ΠΈ ΠΈΡΡΠ΅Π·Π°ΡΡ, ΠΈ ΡΡΠΎ ΠΏΡΠΎΠΈΡΡ ΠΎΠ΄ΠΈΡ ΠΎΡΠ΅Π½Ρ Π±ΡΡΡΡΠΎ ΠΏΠΎΡΠ»Π΅ ΡΠΎΠ³ΠΎ, ΠΊΠ°ΠΊ Π²Ρ Π²ΠΊΠ»ΡΡΠ°Π΅ΡΠ΅ Π²ΡΡΠΎΠΊΠΎΠ΅ ΡΡΠ΅ΠΏΠ»Π΅Π½ΠΈΠ΅. Π ΠΊΠ°ΠΊ ΡΠΎΠ»ΡΠΊΠΎ Π²Π°ΡΠ΅ ΡΡΠ΅ΠΏΠ»Π΅Π½ΠΈΠ΅ Π½Π°ΡΠΈΠ½Π°Π΅Ρ ΠΏΡΠΎΡΠΊΠ°Π»ΡΠ·ΡΠ²Π°ΡΡ, ΡΠΆΠ΅ Π½Π΅Π²ΠΎΠ·ΠΌΠΎΠΆΠ½ΠΎ ΡΠΊΠ°Π·Π°ΡΡ, ΠΊΠ°ΠΊ Π΄ΠΎΠ»Π³ΠΎ ΠΎΠ½ΠΎ ΠΏΡΠΎΡΠ»ΡΠΆΠΈΡ.
ΠΠ°ΠΊ Π΄ΠΎΠ»Π³ΠΎ ΠΏΡΠΎΡΠ»ΡΠΆΠΈΡ ΠΈΠ·Π½ΠΎΡΠ΅Π½Π½ΠΎΠ΅ ΡΡΠ΅ΠΏΠ»Π΅Π½ΠΈΠ΅
ΠΡΠΈ ΡΡΠΎΠΌ ΡΠ°ΠΌΡΠΉ Π±ΠΎΠ»ΡΡΠΎΠΉ ΡΠ°ΠΊΡΠΎΡ, ΠΎΠΏΡΠ΅Π΄Π΅Π»ΡΡΡΠΈΠΉ, ΠΊΠ°ΠΊ Π΄ΠΎΠ»Π³ΠΎ Π±ΡΠ΄Π΅Ρ Π΄Π»ΠΈΡΡΡΡ ΠΈΠ·Π½ΠΎΡΠ΅Π½Π½ΠΎΠ΅ ΡΡΠ΅ΠΏΠ»Π΅Π½ΠΈΠ΅, Π·Π°Π²ΠΈΡΠΈΡ ΠΎΡ ΡΠΎΠ³ΠΎ, ΠΊΠ°ΠΊ ΡΠ°ΡΡΠΎ Π²Ρ Π΅Π·Π΄ΠΈΡΠ΅ Π½Π° ΡΡΠ΅ΠΏΠ»Π΅Π½ΠΈΠΈ ΠΈ ΠΊΠ°ΠΊ ΡΠ°ΡΡΠΎ Π²Ρ Π½Π°ΡΠΈΠ½Π°Π΅ΡΠ΅ Π³ΠΎΠ½ΠΊΡ. ΠΡΠ»ΠΈ Π²Ρ Π·Π°ΠΌΠ΅ΡΠΈΠ»ΠΈ, ΡΡΠΎ Π²Π°ΡΠ΅ ΡΡΠ΅ΠΏΠ»Π΅Π½ΠΈΠ΅ Π½Π°ΡΠ°Π»ΠΎ ΠΏΡΠΎΡΠΊΠ°Π»ΡΠ·ΡΠ²Π°ΡΡ ΠΈΠ»ΠΈ ΠΎΠ½ΠΎ ΠΈΠ·ΠΌΠ΅Π½ΠΈΠ»ΠΎΡΡ Π½Π° ΠΎΡΡΠΏΡ, ΡΠΎ, Π²Π΅ΡΠΎΡΡΠ½ΠΎ, ΡΡΠΎ ΠΏΡΠΈΠ·Π½Π°ΠΊ ΡΠΎΠ³ΠΎ, ΡΡΠΎ ΠΎΠ½ΠΎ ΠΈΠ·Π½ΠΎΡΠ΅Π½ΠΎ.
ΠΡΠ»ΠΈ Π²Ρ ΠΆΠΈΠ²Π΅ΡΠ΅ Π½Π° ΡΠΎΠ²Π½ΠΎΠΉ ΠΌΠ΅ΡΡΠ½ΠΎΡΡΠΈ, Π²Π°ΠΌ ΠΌΠΎΠΆΠ΅Ρ Π±ΡΡΡ ΡΡΡΠ΄Π½ΠΎ Π·Π°ΠΌΠ΅ΡΠΈΡΡ ΠΏΡΠΎΠ±ΡΠΊΡΠΎΠ²ΠΊΡ ΡΡΠ΅ΠΏΠ»Π΅Π½ΠΈΡ. ΠΡΠ»ΠΈ Π²Ρ Π·Π°ΠΌΠ΅ΡΠΈΠ»ΠΈ ΠΊΠ°ΠΊΠΈΠ΅-Π»ΠΈΠ±ΠΎ ΠΏΡΠΈΠ·Π½Π°ΠΊΠΈ ΡΠΊΠΎΠ»ΡΠΆΠ΅Π½ΠΈΡ, Π²Π°ΠΆΠ½ΠΎ ΠΏΡΠΎΡΠ΅ΡΡΠΈΡΠΎΠ²Π°ΡΡ Π°Π²ΡΠΎΠΌΠΎΠ±ΠΈΠ»Ρ Π½Π° ΠΏΠΎΠ΄ΡΠ΅ΠΌΠ΅.
ΠΡΠ»ΠΈ Π²Π°Ρ Π°Π²ΡΠΎΠΌΠΎΠ±ΠΈΠ»Ρ Π΅Π»Π΅ Π΄Π²ΠΈΠΆΠ΅ΡΡΡ ΠΏΡΠΈ ΡΡΠΊΠΎΡΠ΅Π½ΠΈΠΈ ΠΈΠ»ΠΈ Π²Ρ ΠΎΠ±Π½Π°ΡΡΠΆΠΈΡΠ΅, ΡΡΠΎ ΠΎΠ±ΠΎΡΠΎΡΡ ΠΏΠΎΠ²ΡΡΠ°ΡΡΡΡ, Π° Π²Π°ΡΠ° ΠΌΠ°ΡΠΈΠ½Π° Π½Π΅ ΡΠΎΠΎΡΠ²Π΅ΡΡΡΠ²ΡΠ΅Ρ ΠΈΠΌ, ΡΠΎ, ΡΠΊΠΎΡΠ΅Π΅ Π²ΡΠ΅Π³ΠΎ, ΠΎΠ½ Π±ΡΠΊΡΡΠ΅Ρ.
ΠΠΈΠ·ΠΊΠ°Ρ ΡΠΎΡΠΊΠ° Π·Π°Π΅Π΄Π°Π½ΠΈΡ ΡΡΠ΅ΠΏΠ»Π΅Π½ΠΈΡ
Π ΡΠ»ΡΡΠ°Π΅ Π½ΠΈΠ·ΠΊΠΎΠΉ ΡΠΎΡΠΊΠΈ Π·Π°Π΅Π΄Π°Π½ΠΈΡ ΠΌΡΡΡΡ, ΠΊΠ°ΠΊ ΠΌΡ ΡΠΆΠ΅ ΡΠΏΠΎΠΌΠΈΠ½Π°Π»ΠΈ, ΠΎΠ±ΡΡΠ½ΠΎ Π²ΠΎΠ·Π½ΠΈΠΊΠ°Π΅Ρ ΠΏΡΠΎΠ±Π»Π΅ΠΌΠ° ΡΠ΅Π³ΡΠ»ΠΈΡΠΎΠ²ΠΊΠΈ ΡΡΠ΅ΠΏΠ»Π΅Π½ΠΈΡ, ΠΈ ΡΠ΅ΡΠ΅Π½ΠΈΠ΅ΠΌ ΠΌΠΎΠΆΠ΅Ρ Π±ΡΡΡ ΠΏΡΠΎΡΡΠ°Ρ ΠΏΠΎΠ²ΡΠΎΡΠ½Π°Ρ ΡΠ΅Π³ΡΠ»ΠΈΡΠΎΠ²ΠΊΠ°. ΠΠ±ΡΡΠ½ΠΎ ΡΡΠΈΡΠ°Π΅ΡΡΡ, ΡΡΠΎ ΡΠΈΡΡΠ΅ΠΌΡ ΡΡΠ΅ΠΏΠ»Π΅Π½ΠΈΡ Ρ Π³ΠΈΠ΄ΡΠ°Π²Π»ΠΈΡΠ΅ΡΠΊΠΈΠΌ ΠΏΡΠΈΠ²ΠΎΠ΄ΠΎΠΌ Π½Π΅ ΡΠ΅Π³ΡΠ»ΠΈΡΡΡΡΡΡ, Π·Π° Π½Π΅ΠΊΠΎΡΠΎΡΡΠΌΠΈ ΠΈΡΠΊΠ»ΡΡΠ΅Π½ΠΈΡΠΌΠΈ, ΠΊΠΎΡΠΎΡΡΠ΅ ΠΏΠΎΠ·Π²ΠΎΠ»ΡΡΡ Π²ΡΠΏΠΎΠ»Π½ΡΡΡ Π½Π΅ΠΊΠΎΡΠΎΡΡΠ΅ ΡΠ΅Π³ΡΠ»ΠΈΡΠΎΠ²ΠΊΠΈ.
ΠΠΎΠ³Ρ Π»ΠΈ Ρ ΠΎΡΡΠ΅Π³ΡΠ»ΠΈΡΠΎΠ²Π°ΡΡ Π³ΠΈΠ΄ΡΠ°Π²Π»ΠΈΡΠ΅ΡΠΊΠΎΠ΅ ΡΡΠ΅ΠΏΠ»Π΅Π½ΠΈΠ΅?
ΠΠΈΠ΄ΡΠ°Π²Π»ΠΈΡΠ΅ΡΠΊΠΈΠ΅ ΡΠΈΡΡΠ΅ΠΌΡ ΡΡΠ΅ΠΏΠ»Π΅Π½ΠΈΡ Π½Π΅ ΠΏΡΠ΅Π΄Π½Π°Π·Π½Π°ΡΠ΅Π½Ρ Π΄Π»Ρ ΡΠ΅Π³ΡΠ»ΠΈΡΠΎΠ²ΠΊΠΈ ΡΠ°ΠΊ ΠΆΠ΅, ΠΊΠ°ΠΊ ΠΌΠ΅Ρ Π°Π½ΠΈΡΠ΅ΡΠΊΡΡ ΡΡΠΎΡΠΎΠ²ΡΡ ΠΌΡΡΡΡ.
Π₯ΠΎΡΡ ΡΠΈΡΠΎΠΊΠΎ ΡΠ°ΡΠΏΡΠΎΡΡΡΠ°Π½Π΅Π½ΠΎ ΠΌΠ½Π΅Π½ΠΈΠ΅, ΡΡΠΎ Π²ΡΠ΅ ΡΠΈΡΡΠ΅ΠΌΡ ΡΡΠ΅ΠΏΠ»Π΅Π½ΠΈΡ Ρ Π³ΠΈΠ΄ΡΠ°Π²Π»ΠΈΡΠ΅ΡΠΊΠΈΠΌ ΠΏΡΠΈΠ²ΠΎΠ΄ΠΎΠΌ Π½Π΅ ΡΠ΅Π³ΡΠ»ΠΈΡΡΡΡΡΡ ΠΈΠ»ΠΈ ΡΠ²Π»ΡΡΡΡΡ ΡΠ°ΠΌΠΎΡΠ΅Π³ΡΠ»ΠΈΡΡΡΡΠΈΠΌΠΈΡΡ, ΡΡΡΠ΅ΡΡΠ²ΡΡΡ Π½Π΅ΠΊΠΎΡΠΎΡΡΠ΅ ΠΊΠΎΠ½ΡΡΡΡΠΊΡΠΈΠΈ, ΠΊΠΎΡΠΎΡΡΠ΅ ΠΏΠΎΠ·Π²ΠΎΠ»ΡΡΡ Π²Π½ΠΎΡΠΈΡΡ ΠΊΠΎΡΡΠ΅ΠΊΡΠΈΡΠΎΠ²ΠΊΠΈ, ΡΡΠΎΠ±Ρ ΠΊΠΎΠΌΠΏΠ΅Π½ΡΠΈΡΠΎΠ²Π°ΡΡ ΡΠΈΠΏΠΈΡΠ½ΡΠΉ ΠΈΠ·Π½ΠΎΡ ΡΡΠΈΠΊΡΠΈΠΎΠ½Π½ΠΎΠ³ΠΎ ΠΌΠ°ΡΠ΅ΡΠΈΠ°Π»Π° Π΄ΠΈΡΠΊΠ° ΡΡΠ΅ΠΏΠ»Π΅Π½ΠΈΡ.
Π§ΡΠΎ ΠΎΠ·Π½Π°ΡΠ°Π΅Ρ ΡΠ°ΠΌΠΎΡΠ΅Π³ΡΠ»ΠΈΡΡΡΡΠ΅Π΅ΡΡ ΡΡΠ΅ΠΏΠ»Π΅Π½ΠΈΠ΅
ΠΠΎ ΡΠ½Π°ΡΠ°Π»Π°, ΠΏΡΠ΅ΠΆΠ΄Π΅ ΡΠ΅ΠΌ ΠΌΡ ΠΏΡΠΎΠ΄ΠΎΠ»ΠΆΠΈΠΌ, ΠΌΡ Π΄ΠΎΠ»ΠΆΠ½Ρ ΡΡΡΠ½ΠΈΡΡ, ΡΡΠΎ ΠΎΠ·Π½Π°ΡΠ°Π΅Ρ ΡΠ°ΠΌΠΎΡΠ΅Π³ΡΠ»ΠΈΡΡΡΡΠ΅Π΅ΡΡ ΡΡΠ΅ΠΏΠ»Π΅Π½ΠΈΠ΅.
ΠΠ±ΡΡΠ½ΠΎ Π²Π°ΠΌ ΡΡΠ΅Π±ΡΠ΅ΡΡΡ ΠΎΠΊΠΎΠ»ΠΎ Π΄ΡΠΉΠΌΠ° ΡΠ²ΠΎΠ±ΠΎΠ΄Π½ΠΎΠ³ΠΎ Ρ
ΠΎΠ΄Π° ΠΏΠ΅Π΄Π°Π»ΠΈ ΡΡΠ΅ΠΏΠ»Π΅Π½ΠΈΡ, ΡΠΎ Π΅ΡΡΡ ΡΠ°ΡΡΡΠΎΡΠ½ΠΈΠ΅, ΠΊΠΎΡΠΎΡΠΎΠ΅ Π²Π°ΡΠ° ΠΏΠ΅Π΄Π°Π»Ρ ΠΏΡΠ΅ΠΎΠ΄ΠΎΠ»Π΅Π²Π°Π΅Ρ, ΠΊΠΎΠ³Π΄Π° Π²Ρ Π½Π΅ ΡΡΠ²ΡΡΠ²ΡΠ΅ΡΠ΅ Π½ΠΈΠΊΠ°ΠΊΠΎΠ³ΠΎ ΡΠΎΠΏΡΠΎΡΠΈΠ²Π»Π΅Π½ΠΈΡ, ΠΈΠ»ΠΈ, ΡΠΊΠΎΡΠ΅Π΅, ΡΠ°ΡΡΡΠΎΡΠ½ΠΈΠ΅, Π½Π° ΠΊΠΎΡΠΎΡΠΎΠ΅ ΠΏΠ΅Π΄Π°Π»Ρ ΡΡΠ΅ΠΏΠ»Π΅Π½ΠΈΡ ΠΏΠ΅ΡΠ΅ΠΌΠ΅ΡΠ°Π΅ΡΡΡ Π΄ΠΎ ΡΠΎΠ³ΠΎ, ΠΊΠ°ΠΊ ΡΡΠΎ-Π»ΠΈΠ±ΠΎ ΠΏΡΠΎΠΈΠ·ΠΎΠΉΠ΄Π΅Ρ.
ΠΡΠ»ΠΈ Π²Ρ ΡΡΠΎ ΡΡΠ²ΡΡΠ²ΡΠ΅ΡΠ΅, Π·Π½Π°ΡΠΈΡ, Ρ Π²Π°Ρ Π΅ΡΡΡ ΠΏΡΠ°Π²ΠΈΠ»ΡΠ½ΠΎ ΠΎΡΡΠ΅Π³ΡΠ»ΠΈΡΠΎΠ²Π°Π½Π½Π°Ρ ΠΏΠ΅Π΄Π°Π»Ρ ΡΡΠ΅ΠΏΠ»Π΅Π½ΠΈΡ, ΠΈ ΠΎΠ½Π° Π½Π΅ Π±ΡΠ΄Π΅Ρ ΡΠ°Π±ΠΎΡΠ°ΡΡ ΡΠ°ΠΌΠ° ΠΏΠΎ ΡΠ΅Π±Π΅. ΠΠ΄Π½Π°ΠΊΠΎ ΡΠΎ Π²ΡΠ΅ΠΌΠ΅Π½Π΅ΠΌ, ΠΊΠΎΠ³Π΄Π° ΠΏΠ΅Π΄Π°Π»Ρ ΡΡΠ΅ΠΏΠ»Π΅Π½ΠΈΡ ΠΌΠ΅Π΄Π»Π΅Π½Π½ΠΎ ΡΠ΅ΡΡΠ΅Ρ ΡΠ΅Π³ΡΠ»ΠΈΡΠΎΠ²ΠΊΡ, ΡΠΎΡΠΊΠ° Π·Π°ΡΠ΅ΠΏΠ»Π΅Π½ΠΈΡ ΡΠ°ΠΊΠΆΠ΅ ΠΏΠΎΠ΄Π½ΠΈΠΌΠ°Π΅ΡΡΡ Π²ΡΠ΅ Π²ΡΡΠ΅ ΠΈ Π²ΡΡΠ΅ ΠΈΠ·-Π·Π° ΠΈΠ·Π½ΠΎΡΠ° ΡΡΠΈΠΊΡΠΈΠΎΠ½Π½ΠΎΠΉ Π½Π°ΠΊΠ»Π°Π΄ΠΊΠΈ Π½Π° Π΄ΠΈΡΠΊΠ΅ ΡΡΠ΅ΠΏΠ»Π΅Π½ΠΈΡ.
Π Π°Π½ΠΎ ΠΈΠ»ΠΈ ΠΏΠΎΠ·Π΄Π½ΠΎ ΡΠ²ΠΎΠ±ΠΎΠ΄Π½ΡΠΉ Ρ ΠΎΠ΄ ΠΏΠ΅Π΄Π°Π»ΠΈ ΡΡΠ΅ΠΏΠ»Π΅Π½ΠΈΡ ΡΠ΅ΡΡΠ΅ΡΡΡ, ΠΈ Π²Π°ΡΠ΅ ΡΡΠ΅ΠΏΠ»Π΅Π½ΠΈΠ΅ Π½Π°ΡΠΈΠ½Π°Π΅Ρ ΡΠ°Π±ΠΎΡΠ°ΡΡ ΡΠ°ΠΌΠΎ, ΠΈ Ρ ΡΠΆΠ΅ Π²ΡΠ΅Π³ΠΎ ΡΠΎ, ΡΡΠΎ Π²Ρ ΠΌΠΎΠΆΠ΅ΡΠ΅ Π½Π΅ ΠΎΡΠΎΠ·Π½Π°Π²Π°ΡΡ ΡΡΠΎΠ³ΠΎ, Π΅ΡΠ»ΠΈ Π½Π΅ ΡΠ»ΠΈΡΠΊΠΎΠΌ ΡΠ²Π»Π΅ΡΠ΅Π½Ρ. Π‘ΠΈΡΡΠ΅ΠΌΠ° ΡΡΠ΅ΠΏΠ»Π΅Π½ΠΈΡ Ρ Π³ΠΈΠ΄ΡΠ°Π²Π»ΠΈΡΠ΅ΡΠΊΠΈΠΌ ΠΏΡΠΈΠ²ΠΎΠ΄ΠΎΠΌ ΠΏΡΠ΅Π΄Π½Π°Π·Π½Π°ΡΠ΅Π½Π° Π΄Π»Ρ Π°Π²ΡΠΎΠΌΠ°ΡΠΈΡΠ΅ΡΠΊΠΎΠ³ΠΎ ΡΠ΅Π³ΡΠ»ΠΈΡΠΎΠ²Π°Π½ΠΈΡ ΠΈ ΠΊΠΎΠΌΠΏΠ΅Π½ΡΠ°ΡΠΈΠΈ Π½ΠΎΡΠΌΠ°Π»ΡΠ½ΠΎΠ³ΠΎ ΠΈΠ·Π½ΠΎΡΠ°.
Π Π½Π΅ΠΊΠΎΡΠΎΡΡΡ ΡΡΠ°ΡΡΡ Π°Π²ΡΠΎΠΌΠΎΠ±ΠΈΠ»ΡΡ Π²Π°ΠΌ ΠΏΡΠΈΡ ΠΎΠ΄ΠΈΠ»ΠΎΡΡ ΡΠ΅Π³ΡΠ»ΡΡΠ½ΠΎ ΡΠ΅Π³ΡΠ»ΠΈΡΠΎΠ²Π°ΡΡ ΡΡΠ΅ΠΏΠ»Π΅Π½ΠΈΠ΅, Π½ΠΎ Π² ΠΊΠΎΠ½ΡΠ΅ ΠΊΠΎΠ½ΡΠΎΠ² ΠΊΠ»ΠΈΠ΅Π½ΡΡ ΡΡΡΠ°Π»ΠΈ ΠΎΡ ΡΠ΅Π³ΡΠ»ΡΡΠ½ΡΡ ΡΠ΅Π³ΡΠ»ΠΈΡΠΎΠ²ΠΎΠΊ ΠΈ Π·Π°ΠΌΠ΅Π½Ρ ΠΈΠ·Π½ΠΎΡΠ΅Π½Π½ΡΡ ΡΡΠ΅ΠΏΠ»Π΅Π½ΠΈΠΉ. Π Π½Π΅ΠΊΠΎΡΠΎΡΡΡ ΠΈΠ· ΡΡΠΈΡ Π°Π²ΡΠΎΠΌΠΎΠ±ΠΈΠ»Π΅ΠΉ Ρ Π²Π°Ρ Π±ΡΠ»ΠΎ ΠΌΠ΅ΡΡΠΎ ΡΠΎΠ»ΡΠΊΠΎ Π΄Π»Ρ Π½Π΅Π±ΠΎΠ»ΡΡΠΎΠ³ΠΎ ΠΈΠ·ΠΌΠ΅Π½Π΅Π½ΠΈΡ Π΄Π»ΠΈΠ½Ρ ΡΠΎΠ»ΠΊΠ°ΡΠ΅Π»Ρ ΡΠ°Π±ΠΎΡΠ΅Π³ΠΎ ΡΠΈΠ»ΠΈΠ½Π΄ΡΠ°.
ΠΠ΄Π½Π°ΠΊΠΎ ΡΡΠΈ ΠΈΠ·ΠΌΠ΅Π½Π΅Π½ΠΈΡ Π±ΡΠ»ΠΈ ΠΎΠ³ΡΠ°Π½ΠΈΡΠ΅Π½Π½ΡΠΌΠΈ ΠΈ Π½Π΅ ΠΏΡΠ΅Π΄Π½Π°Π·Π½Π°ΡΠ°Π»ΠΈΡΡ Π΄Π»Ρ ΠΊΠΎΠΌΠΏΠ΅Π½ΡΠ°ΡΠΈΠΈ Π½ΠΎΡΠΌΠ°Π»ΡΠ½ΠΎΠ³ΠΎ ΠΈΠ·Π½ΠΎΡΠ° Π²Π°ΡΠ΅Π³ΠΎ Π³ΠΈΠ΄ΡΠ°Π²Π»ΠΈΡΠ΅ΡΠΊΠΎΠ³ΠΎ ΡΡΠ΅ΠΏΠ»Π΅Π½ΠΈΡ ΠΈΠ·-Π·Π° ΡΡΠ°ΡΠ΅Π½ΠΈΡ. Π§ΡΠΎΠ±Ρ ΡΠ΄ΠΎΠ²Π»Π΅ΡΠ²ΠΎΡΠΈΡΡ ΡΠ²ΠΎΠΈΡ ΠΊΠ»ΠΈΠ΅Π½ΡΠΎΠ², ΠΏΡΠΎΠΈΠ·Π²ΠΎΠ΄ΠΈΡΠ΅Π»ΠΈ Π½Π°ΡΠ°Π»ΠΈ Π²Π½Π΅Π΄ΡΡΡΡ ΡΠ°ΠΌΠΎΡΠ΅Π³ΡΠ»ΠΈΡΡΡΡΠΈΠ΅ΡΡ ΡΠΈΡΡΠ΅ΠΌΡ ΡΡΠΎΡΠ° ΠΈ Π³ΠΈΠ΄ΡΠ°Π²Π»ΠΈΡΠ΅ΡΠΊΠΎΠ³ΠΎ ΡΡΠ΅ΠΏΠ»Π΅Π½ΠΈΡ, ΠΊΠΎΡΠΎΡΡΠ΅ Π°Π²ΡΠΎΠΌΠ°ΡΠΈΡΠ΅ΡΠΊΠΈ ΡΠ΅Π³ΡΠ»ΠΈΡΡΡΡ ΡΠ²ΠΎΠ±ΠΎΠ΄Π½ΡΠΉ Ρ ΠΎΠ΄ Π²Π°ΡΠ΅ΠΉ ΠΏΠ΅Π΄Π°Π»ΠΈ Ρ ΡΠ΅ΡΠ΅Π½ΠΈΠ΅ΠΌ Π²ΡΠ΅ΠΌΠ΅Π½ΠΈ.
ΠΠΏΡΠΈΠΌΠ°Π»ΡΠ½ΡΠΉ ΡΠ²ΠΎΠ±ΠΎΠ΄Π½ΡΠΉ Ρ ΠΎΠ΄
ΠΠ»Ρ ΠΏΡΠ°Π²ΠΈΠ»ΡΠ½ΠΎΠΉ ΡΠ°Π±ΠΎΡΡ ΡΡΠ΅ΠΏΠ»Π΅Π½ΠΈΡ Π½Π΅ΠΎΠ±Ρ ΠΎΠ΄ΠΈΠΌΠΎ ΠΎΠ±Π΅ΡΠΏΠ΅ΡΠΈΡΡ ΠΎΠΏΡΠΈΠΌΠ°Π»ΡΠ½ΡΠΉ ΡΠ²ΠΎΠ±ΠΎΠ΄Π½ΡΠΉ Ρ ΠΎΠ΄ Π² ΡΡΡΠ°Π³Π΅ ΠΌΠ΅ΠΆΠ΄Ρ ΡΡΡΠ°Π³ΠΎΠΌ ΡΡΠ΅ΠΏΠ»Π΅Π½ΠΈΡ ΠΈ ΠΏΠ΅Π΄Π°Π»ΡΡ. Π‘ ΠΎΠ΄Π½ΠΎΠΉ ΡΡΠΎΡΠΎΠ½Ρ, ΠΏΡΠΈ ΡΠ»ΠΈΡΠΊΠΎΠΌ Π±ΠΎΠ»ΡΡΠΎΠΌ Π»ΡΡΡΠ΅ ΡΡΠ΅ΠΏΠ»Π΅Π½ΠΈΠ΅ ΠΌΠΎΠΆΠ΅Ρ Π½Π°ΡΠ°ΡΡ ΡΡΠ½ΡΡΡ, ΡΡΠΎ Π΄ΠΎΠ²ΠΎΠ»ΡΠ½ΠΎ ΠΏΡΠΎΠ±Π»Π΅ΠΌΠ°ΡΠΈΡΠ½ΠΎ, ΠΎΡΠΎΠ±Π΅Π½Π½ΠΎ Π² ΡΡΠ»ΠΎΠ²ΠΈΡΡ ΠΈΠ½ΡΠ΅Π½ΡΠΈΠ²Π½ΠΎΠ³ΠΎ Π΄Π²ΠΈΠΆΠ΅Π½ΠΈΡ.
ΠΠΎΠ΄ ΡΠΎΠΏΡΠΎΡΠΈΠ²Π»Π΅Π½ΠΈΠ΅ΠΌ ΡΡΠ΅ΠΏΠ»Π΅Π½ΠΈΡ ΠΏΠΎΠ½ΠΈΠΌΠ°Π΅ΡΡΡ ΡΠΊΠ»ΠΎΠ½Π½ΠΎΡΡΡ Π²Π°ΡΠ΅Π³ΠΎ Π°Π²ΡΠΎΠΌΠΎΠ±ΠΈΠ»Ρ ΠΊ ΠΌΠ΅Π΄Π»Π΅Π½Π½ΠΎΠΌΡ Π΄Π²ΠΈΠΆΠ΅Π½ΠΈΡ Π²ΠΏΠ΅ΡΠ΅Π΄ ΠΏΡΠΈ Π²ΠΊΠ»ΡΡΠ΅Π½Π½ΠΎΠΉ ΠΏΠ΅ΡΠ΅Π΄Π°ΡΠ΅, ΠΊΠΎΠ³Π΄Π° ΡΡΠ΅ΠΏΠ»Π΅Π½ΠΈΠ΅ ΠΏΠΎΠ»Π½ΠΎΡΡΡΡ Π²ΡΠΆΠ°ΡΠΎ ΠΈΠ·-Π·Π° ΡΠ»ΠΈΡΠΊΠΎΠΌ Π±ΠΎΠ»ΡΡΠΎΠ³ΠΎ Π·Π°Π·ΠΎΡΠ° ΡΡΠ΅ΠΏΠ»Π΅Π½ΠΈΡ.
Π Π½Π°ΠΎΠ±ΠΎΡΠΎΡ, Π΅ΡΠ»ΠΈ ΡΠ²ΠΎΠ±ΠΎΠ΄Π½ΠΎΠ³ΠΎ Ρ ΠΎΠ΄Π° Π½Π΅Π΄ΠΎΡΡΠ°ΡΠΎΡΠ½ΠΎ, Ρ Π²Π°Ρ ΠΌΠΎΠΆΠ΅Ρ Π²ΠΎΠ·Π½ΠΈΠΊΠ½ΡΡΡ ΠΏΡΠΎΠ±ΡΠΊΡΠΎΠ²ΠΊΠ° ΡΡΠ΅ΠΏΠ»Π΅Π½ΠΈΡ. ΠΠ°ΠΊ ΠΌΡ ΡΠΆΠ΅ Π·Π°ΡΠ²Π»ΡΠ»ΠΈ, ΠΏΠΎΡΠΊΠΎΠ»ΡΠΊΡ ΡΡΠΈΠΊΡΠΈΠΎΠ½Π½ΡΠΉ ΠΌΠ°ΡΠ΅ΡΠΈΠ°Π» Π½Π° Π΄ΠΈΡΠΊΠ΅ ΡΡΠ΅ΠΏΠ»Π΅Π½ΠΈΡ ΡΠΎ Π²ΡΠ΅ΠΌΠ΅Π½Π΅ΠΌ ΠΈΠ·Π½Π°ΡΠΈΠ²Π°Π΅ΡΡΡ, Π΅Π³ΠΎ Π½Π΅ΠΎΠ±Ρ ΠΎΠ΄ΠΈΠΌΠΎ ΠΎΡΡΠ΅Π³ΡΠ»ΠΈΡΠΎΠ²Π°ΡΡ.
Π Π΅ΠΊΠΎΠΌΠ΅Π½Π΄ΡΠ΅ΡΡΡ ΡΠ΅Π³ΡΠ»ΡΡΠ½ΠΎ ΠΏΡΠΎΠ²Π΅ΡΡΡΡ ΠΈ ΡΠ΅Π³ΡΠ»ΠΈΡΠΎΠ²Π°ΡΡ ΡΠ²ΠΎΠ±ΠΎΠ΄Π½ΡΠΉ Ρ ΠΎΠ΄ ΠΏΠ΅Π΄Π°Π»ΠΈ ΡΡΠ΅ΠΏΠ»Π΅Π½ΠΈΡ ΡΠ΅ΡΠ΅Π· ΠΊΠ°ΠΆΠ΄ΡΠ΅ 6000 ΠΌΠΈΠ»Ρ ΠΈΠ»ΠΈ Π² ΡΠΎΠΎΡΠ²Π΅ΡΡΡΠ²ΠΈΠΈ Ρ ΠΈΠ½ΡΡΡΡΠΊΡΠΈΡΠΌΠΈ ΠΏΡΠΎΠΈΠ·Π²ΠΎΠ΄ΠΈΡΠ΅Π»Ρ. Π ΡΠΎ Π²ΡΠ΅ΠΌΡ ΠΊΠ°ΠΊ ΡΡΠ°ΡΡΠ΅ Π°Π²ΡΠΎΠΌΠΎΠ±ΠΈΠ»ΠΈ ΡΡΠ΅Π±ΡΡΡ Π²Π½Π΅ΡΠ΅Π½ΠΈΡ ΠΊΠΎΡΡΠ΅ΠΊΡΠΈΡΠΎΠ²ΠΎΠΊ ΡΠ΅ΡΠ΅Π· ΠΎΠΏΡΠ΅Π΄Π΅Π»Π΅Π½Π½ΡΠΉ ΠΏΡΠΎΠΌΠ΅ΠΆΡΡΠΎΠΊ Π²ΡΠ΅ΠΌΠ΅Π½ΠΈ, Π½ΠΎΠ²ΡΠ΅ ΠΎΠ±ΡΡΠ½ΠΎ ΠΏΠΎΡΡΠ°Π²Π»ΡΡΡΡΡ Ρ ΡΠ°ΠΌΠΎΡΠ΅Π³ΡΠ»ΠΈΡΡΡΡΠ΅ΠΉΡΡ Π³ΠΈΠ΄ΡΠ°Π²Π»ΠΈΡΠ΅ΡΠΊΠΎΠΉ ΡΠΈΡΡΠ΅ΠΌΠΎΠΉ ΡΡΠ΅ΠΏΠ»Π΅Π½ΠΈΡ.
ΠΠΎΠ³Π΄Π° Π±ΠΎΠ»ΡΡΠ΅ Π½Π΅Ρ ΠΌΠ΅ΡΡΠ° Π΄Π»Ρ ΠΊΠΎΡΡΠ΅ΠΊΡΠΈΡΠΎΠ²ΠΎΠΊ
Π’Π΅ΠΏΠ΅ΡΡ, Π² ΠΊΠ°ΠΊΠΎΠΉ-ΡΠΎ ΠΌΠΎΠΌΠ΅Π½Ρ, Π±ΠΎΠ»ΡΡΠ΅ Π½Π΅Ρ ΠΌΠ΅ΡΡΠ° Π΄Π»Ρ Π²Π½Π΅ΡΠ΅Π½ΠΈΡ ΠΈΠ·ΠΌΠ΅Π½Π΅Π½ΠΈΠΉ, ΠΈ Π² ΡΡΠΎΠΌ ΡΠ»ΡΡΠ°Π΅ ΠΏΡΠΈΡΠ»ΠΎ Π²ΡΠ΅ΠΌΡ ΠΏΠΎΠ»ΡΡΠΈΡΡ Π·Π°ΠΌΠ΅Π½Ρ.Π ΠΈΠ·-Π·Π° Π½ΠΎΡΠΌΠ°Π»ΡΠ½ΠΎΠ³ΠΎ ΠΈΠ·Π½ΠΎΡΠ° ΡΡΠ΅ΠΏΠ»Π΅Π½ΠΈΡ ΡΠΎ Π²ΡΠ΅ΠΌΠ΅Π½Π΅ΠΌ ΠΎΠ½ ΠΏΠΎΡΠ΅ΡΡΠ΅Ρ ΡΠ²ΠΎΠ±ΠΎΠ΄Π½ΡΠΉ Ρ ΠΎΠ΄.
Π ΡΠΎΠΆΠ°Π»Π΅Π½ΠΈΡ, Π² ΠΎΡΠ»ΠΈΡΠΈΠ΅ ΠΎΡ ΡΠΈΡΡΠ΅ΠΌΡ ΡΡΠ΅ΠΏΠ»Π΅Π½ΠΈΡ Ρ ΠΌΠ΅Ρ Π°Π½ΠΈΡΠ΅ΡΠΊΠΎΠΉ Π½Π°Π²Π΅ΡΠΊΠΎΠΉ, Π³Π΄Π΅ Π²ΠΎΠ΄ΠΈΡΠ΅Π»Ρ ΠΌΠΎΠΆΠ΅Ρ Π»Π΅Π³ΠΊΠΎ ΠΏΠΎΡΡΠ²ΡΡΠ²ΠΎΠ²Π°ΡΡ ΠΏΠΎΡΠ΅ΡΡ ΡΠ²ΠΎΠ±ΠΎΠ΄Π½ΠΎΠ³ΠΎ Ρ ΠΎΠ΄Π°, ΠΊΠΎΡΠΎΡΠ°Ρ ΠΏΠΎΠ΄ΡΠΊΠ°ΠΆΠ΅Ρ Π΅ΠΌΡ, ΡΡΠΎ ΠΏΠΎΡΠ° Π²ΡΠ΅Π·Π°ΡΡΡΡ Π² Π³Π°ΡΠ°ΠΆ, Π²Ρ Π½Π΅ ΡΠΌΠΎΠΆΠ΅ΡΠ΅ ΠΎΠ±Π½Π°ΡΡΠΆΠΈΡΡ ΡΡΠΎ Π² ΡΠ²ΠΎΠ΅ΠΉ ΡΠΈΡΡΠ΅ΠΌΠ΅ ΡΡΠ΅ΠΏΠ»Π΅Π½ΠΈΡ Ρ Π³ΠΈΠ΄ΡΠ°Π²Π»ΠΈΡΠ΅ΡΠΊΠΈΠΌ ΠΏΡΠΈΠ²ΠΎΠ΄ΠΎΠΌ.
ΠΡΠ»ΠΈ Π½Π΅ ΠΎΠΏΡΠ΅Π΄Π΅Π»ΠΈΡΡ ΠΏΠΎΡΠ΅ΡΡ ΡΠ²ΠΎΠ±ΠΎΠ΄Π½ΠΎΠ³ΠΎ Ρ ΠΎΠ΄Π° ΠΏΠ΅Π΄Π°Π»ΠΈ Π΄ΠΎΡΡΠ°ΡΠΎΡΠ½ΠΎ ΡΠ°Π½ΠΎ, ΡΡΠΎ ΠΌΠΎΠΆΠ΅Ρ ΠΏΡΠΈΠ²Π΅ΡΡΠΈ ΠΊ ΠΏΡΠ΅ΠΆΠ΄Π΅Π²ΡΠ΅ΠΌΠ΅Π½Π½ΠΎΠΌΡ ΠΈΠ·Π½ΠΎΡΡ ΡΡΠ΅ΠΏΠ»Π΅Π½ΠΈΡ ΠΈΠ»ΠΈ Π΄Π°ΠΆΠ΅ ΠΊ Π΅Π³ΠΎ Π²ΡΡ ΠΎΠ΄Ρ ΠΈΠ· ΡΡΡΠΎΡ. . ΠΠΎΡΡΠΎΠΌΡ Π²Π°ΠΆΠ½ΠΎ, ΡΡΠΎΠ±Ρ Π²Ρ Π±ΡΠ»ΠΈ Π² ΠΊΡΡΡΠ΅ ΡΠ²ΠΎΠΈΡ ΠΏΠ΅ΡΠΈΠΎΠ΄ΠΈΡΠ΅ΡΠΊΠΈΡ ΡΠ΅ΡΠ²ΠΈΡΠ½ΡΡ ΠΏΡΠΎΠ²Π΅ΡΠΎΠΊ ΠΈ Π²ΡΠ΅Π³Π΄Π° Π½Π΅ Π·Π°Π±ΡΠ²Π°Π»ΠΈ ΡΠ΅Π³ΡΠ»ΡΡΠ½ΠΎ ΠΏΡΠΎΠ²Π΅ΡΡΡΡ ΡΡΠ΅ΠΏΠ»Π΅Π½ΠΈΠ΅ Π½Π° ΠΏΡΠ΅Π΄ΠΌΠ΅Ρ ΠΈΠ·Π½ΠΎΡΠ°, ΡΡΠΎ Π±ΠΎΠ»ΡΡΠΈΠ½ΡΡΠ²ΠΎ Π»ΡΠ΄Π΅ΠΉ Π·Π°Π±ΡΠ²Π°ΡΡ Π΄Π΅Π»Π°ΡΡ.
ΠΡΠΎΠ±Π»Π΅ΠΌΠ°
Π§ΡΠΎ ΠΎΠ±ΡΡΠ½ΠΎ ΠΏΡΠΎΠΈΡΡ ΠΎΠ΄ΠΈΡ, ΡΠ°ΠΊ ΡΡΠΎ ΡΠ»ΠΈΡΠΊΠΎΠΌ Π±ΠΎΠ»ΡΡΠΎΠΉ ΡΠ²ΠΎΠ±ΠΎΠ΄Π½ΡΠΉ Ρ ΠΎΠ΄ ΠΏΠ΅Π΄Π°Π»ΠΈ ΡΡΠ΅ΠΏΠ»Π΅Π½ΠΈΡ, ΠΊΠΎΡΠΎΡΡΠΉ ΠΎΠ±ΡΡΠ½ΠΎ Π²ΡΠ·ΡΠ²Π°Π΅ΡΡΡ ΠΏΡΠΎΠ³ΠΎΡΠ°Π½ΠΈΠ΅ΠΌ ΠΈΠ»ΠΈ ΠΎΡΠ»Π°Π±Π»Π΅Π½ΠΈΠ΅ΠΌ ΡΠΎΠ΅Π΄ΠΈΠ½Π΅Π½ΠΈΠΉ, ΠΊΠΎΡΠΎΡΡΠ΅ ΠΌΠΎΠΆΠ½ΠΎ Π»Π΅Π³ΠΊΠΎ ΠΈΡΠΏΡΠ°Π²ΠΈΡΡ, Π·Π°ΠΌΠ΅Π½ΠΈΠ² ΠΈΠ»ΠΈ Π·Π°ΡΡΠ½ΡΠ² ΡΠΈΡΠΈΠ½Π³.
ΠΠ±ΡΡΠ½ΠΎ Π²Ρ ΠΏΠΎΠ»ΡΡΠ°Π΅ΡΠ΅ Π·Π°ΠΌΠ΅Π½Ρ, ΠΊΠΎΠ³Π΄Π° ΠΎΠ½ ΠΏΠΎΠ»Π½ΠΎΡΡΡΡ Π²ΡΠ³ΠΎΡΠ΅Π», ΡΠΎ Π΅ΡΡΡ Ρ Π½Π΅Π³ΠΎ Π±ΠΎΠ»ΡΡΠ΅ Π½Π΅Ρ ΠΌΠ΅ΡΡΠ° Π΄Π»Ρ Π½Π°ΡΡΡΠΎΠΉΠΊΠΈ, ΠΈ ΡΠΎΡΠΊΠ° Π²Π·Π°ΠΈΠΌΠΎΠ΄Π΅ΠΉΡΡΠ²ΠΈΡ ΡΡΠ°Π»Π° ΡΠ»ΠΈΡΠΊΠΎΠΌ Π²ΡΡΠΎΠΊΠΎΠΉ. Π‘ Π΄ΡΡΠ³ΠΎΠΉ ΡΡΠΎΡΠΎΠ½Ρ, Π΅ΡΠ»ΠΈ ΡΠΎΡΠΊΠ° Π²Π·Π°ΠΈΠΌΠΎΠ΄Π΅ΠΉΡΡΠ²ΠΈΡ ΡΠ»ΠΈΡΠΊΠΎΠΌ Π½ΠΈΠ·ΠΊΠ°Ρ, ΡΠΎ Π΄Π»Ρ ΡΡΠΎΠ³ΠΎ Π΅ΡΡΡ Π΄Π²Π΅ Π²ΠΎΠ·ΠΌΠΎΠΆΠ½ΡΠ΅ ΠΏΡΠΈΡΠΈΠ½Ρ.
ΠΠΎΠ·ΠΌΠΎΠΆΠ½ΠΎ, Π² Π²Π°ΡΠ΅ΠΌ Π³Π»Π°Π²Π½ΠΎΠΌ ΠΈΠ»ΠΈ ΠΏΠΎΠ΄ΡΠΈΠ½Π΅Π½Π½ΠΎΠΌ ΡΠΈΠ»ΠΈΠ½Π΄ΡΠ΅ Π΅ΡΡΡ ΡΡΠ΅ΡΠΊΠ°, ΠΈΠ·-Π·Π° ΠΊΠΎΡΠΎΡΠΎΠΉ Π²ΠΎΠ·Π΄ΡΡ ΠΈ Π΄ΡΡΠ³ΠΈΠ΅ Π·Π°Π³ΡΡΠ·Π½Π΅Π½ΠΈΡ ΠΏΡΠΎΡΠ°ΡΠΈΠ²Π°ΡΡΡΡ Π² Π³ΠΈΠ΄ΡΠ°Π²Π»ΠΈΡΠ΅ΡΠΊΡΡ ΡΠΈΡΡΠ΅ΠΌΡ; ΠΊΠ»Π°ΡΡΠΈΡΠ΅ΡΠΊΠΈΠΉ ΡΠΈΠΌΠΏΡΠΎΠΌ ΠΊΡΠΎΠ²ΠΎΡΠ΅ΡΠ΅Π½ΠΈΡ ΠΊΠ»Π°ΡΡΠ°. ΠΡΠ»ΠΈ ΠΏΠΎΡΠ»Π΅ ΠΏΡΠΎΠΊΠ°ΡΠΊΠΈ ΡΡΠ΅ΠΏΠ»Π΅Π½ΠΈΡ Π»ΡΡΡ ΠΏΠ΅Π΄Π°Π»ΠΈ ΡΠ»ΡΡΡΠΈΠ»ΡΡ, Π·Π½Π°ΡΠΈΡ, Π½Π΅ΠΎΠ±Ρ ΠΎΠ΄ΠΈΠΌΠΎ Π½Π°ΠΉΡΠΈ ΠΈ ΡΡΡΡΠ°Π½ΠΈΡΡ ΡΡΠ΅ΡΠΊΡ.
ΠΡΡΠ³Π°Ρ ΠΏΡΠΈΡΠΈΠ½Π° Π² ΡΠΎΠΌ, ΡΡΠΎ Ρ Π²Π°Ρ ΠΎΡΠ΅Π½Ρ ΡΠΎΠ»ΡΡΡΠ΅ ΠΊΠΎΠ²ΡΠΈΠΊΠΈ, ΠΏΠΎΡΡΠΎΠΌΡ Π²Ρ Π½Π΅ ΠΌΠΎΠΆΠ΅ΡΠ΅ ΠΏΠΎΠ»Π½ΠΎΡΡΡΡ Π²ΡΠΆΠ°ΡΡ ΠΏΠ΅Π΄Π°Π»Ρ ΡΡΠ΅ΠΏΠ»Π΅Π½ΠΈΡ. ΠΡ Π±ΡΠ΄Π΅ΡΠ΅ ΡΠ΄ΠΈΠ²Π»Π΅Π½Ρ, ΡΠΊΠΎΠ»ΡΠΊΠΎ Π²ΡΠ΅ΠΌΠ΅Π½ΠΈ Π½Π° ΠΏΠΎΠ΅Π·Π΄ΠΊΡ Π²Ρ ΠΌΠΎΠΆΠ΅ΡΠ΅ ΠΏΠΎΡΠ΅ΡΡΡΡ Ρ Π½Π΅ΠΊΠΎΡΠΎΡΡΠΌΠΈ ΠΈΠ· ΡΡΠΈΡ ΡΠΎΠ»ΡΡΡΡ ΠΊΠΎΠ²ΡΠΈΠΊΠΎΠ².
ΠΠΎΠ³Ρ Π»ΠΈ Ρ ΠΎΡΡΠ΅Π³ΡΠ»ΠΈΡΠΎΠ²Π°ΡΡ Π³ΠΈΠ΄ΡΠ°Π²Π»ΠΈΡΠ΅ΡΠΊΠΎΠ΅ ΡΡΠ΅ΠΏΠ»Π΅Π½ΠΈΠ΅?
ΠΠΎΠ»ΡΡΠΈΠ½ΡΡΠ²ΠΎ Π²Π»Π°Π΄Π΅Π»ΡΡΠ΅Π² Π°Π²ΡΠΎΠΌΠΎΠ±ΠΈΠ»Π΅ΠΉ ΠΈ Π³Π°ΡΠ°ΠΆΠ΅ΠΉ ΠΏΠΎΠ»Π°Π³Π°ΡΡ, ΡΡΠΎ ΡΠΈΡΡΠ΅ΠΌΡ ΡΡΠ΅ΠΏΠ»Π΅Π½ΠΈΡ Ρ Π³ΠΈΠ΄ΡΠ°Π²Π»ΠΈΡΠ΅ΡΠΊΠΈΠΌ ΠΏΡΠΈΠ²ΠΎΠ΄ΠΎΠΌ, ΠΊΠ°ΠΊ ΠΏΡΠ°Π²ΠΈΠ»ΠΎ, Π½Π΅ ΡΠ΅Π³ΡΠ»ΠΈΡΡΡΡΡΡ, ΠΈ Π½Π΅ ΠΎΠ±ΡΠ°ΡΠ°ΡΡΡΡ ΠΊ ΡΡΠΊΠΎΠ²ΠΎΠ΄ΡΡΠ²Ρ ΠΏΡΠΎΠΈΠ·Π²ΠΎΠ΄ΠΈΡΠ΅Π»Ρ. Π ΡΡΠ°ΡΡΡΡ, Π½Π΅ΠΊΠΎΡΠΎΡΡΠ΅ ΡΠΈΡΡΠ΅ΠΌΡ ΡΡΠ΅ΠΏΠ»Π΅Π½ΠΈΡ Ρ Π³ΠΈΠ΄ΡΠ°Π²Π»ΠΈΡΠ΅ΡΠΊΠΈΠΌ ΠΏΡΠΈΠ²ΠΎΠ΄ΠΎΠΌ ΠΏΠΎΠ·Π²ΠΎΠ»ΡΡΡ ΡΠ΅Π³ΡΠ»ΠΈΡΠΎΠ²Π°ΡΡ ΡΠ²ΠΎΠ±ΠΎΠ΄Π½ΡΠΉ Ρ ΠΎΠ΄ ΠΈ Π²ΡΡΠΎΡΡ ΠΏΠ΅Π΄Π°Π»ΠΈ.
ΠΡΠΈ ΡΡΠΎΠΌ Π»ΡΠ±ΡΠ΅ ΠΊΠΎΡΡΠ΅ΠΊΡΠΈΡΠΎΠ²ΠΊΠΈ Π΄ΠΎΠ»ΠΆΠ½Ρ ΠΏΡΠΎΠΈΠ·Π²ΠΎΠ΄ΠΈΡΡΡΡ Π² ΡΠΎΠΎΡΠ²Π΅ΡΡΡΠ²ΠΈΠΈ Ρ ΠΈΠ½ΡΡΡΡΠΊΡΠΈΡΠΌΠΈ ΠΏΡΠΎΠΈΠ·Π²ΠΎΠ΄ΠΈΡΠ΅Π»Ρ ΡΡΠ°Π½ΡΠΏΠΎΡΡΠ½ΡΡ ΡΡΠ΅Π΄ΡΡΠ² Π΄Π»Ρ ΠΏΡΠ°Π²ΠΈΠ»ΡΠ½ΠΎ ΠΎΡΡΠ΅Π³ΡΠ»ΠΈΡΠΎΠ²Π°Π½Π½ΠΎΠ³ΠΎ ΠΈ ΡΠ°Π±ΠΎΡΠ°ΡΡΠ΅Π³ΠΎ ΡΡΠ΅ΠΏΠ»Π΅Π½ΠΈΡ.ΠΡ Π½Π΅ ΠΌΠΎΠΆΠ΅ΠΌ ΠΏΠ΅ΡΠ΅ΠΎΡΠ΅Π½ΠΈΡΡ ΡΡΠΎ ΠΈΠ·-Π·Π° ΠΌΠ½ΠΎΠΆΠ΅ΡΡΠ²Π° ΠΏΡΠΎΠ±Π»Π΅ΠΌ, ΠΊΠΎΡΠΎΡΡΠ΅ Π²ΠΎΠ·Π½ΠΈΠΊΠ°ΡΡ Ρ Π½Π΅ΠΏΡΠ°Π²ΠΈΠ»ΡΠ½ΠΎ ΠΎΡΡΠ΅Π³ΡΠ»ΠΈΡΠΎΠ²Π°Π½Π½ΡΠΌ ΡΡΠ΅ΠΏΠ»Π΅Π½ΠΈΠ΅ΠΌ.
ΠΡΠ΅, ΡΡΠΎ ΠΌΠ΅Π½ΡΡΠ΅ ΠΈΠ»ΠΈ Π±ΠΎΠ»ΡΡΠ΅ ΠΎΠΏΡΠΈΠΌΠ°Π»ΡΠ½ΠΎΠ³ΠΎ ΡΠ²ΠΎΠ±ΠΎΠ΄Π½ΠΎΠ³ΠΎ Ρ ΠΎΠ΄Π°, Π²ΡΠ·ΠΎΠ²Π΅Ρ ΠΏΡΠΎΡΠΊΠ°Π»ΡΠ·ΡΠ²Π°Π½ΠΈΠ΅ ΡΡΠ΅ΠΏΠ»Π΅Π½ΠΈΡ, ΠΏΠΎΡΠΊΠΎΠ»ΡΠΊΡ Π½Π°ΠΆΠΈΠΌΠ½ΠΎΠΉ Π΄ΠΈΡΠΊ Π½Π΅ ΡΠΌΠΎΠΆΠ΅Ρ ΠΎΠΊΠ°Π·Π°ΡΡ Π½Π΅ΠΎΠ±Ρ ΠΎΠ΄ΠΈΠΌΠΎΠ΅ Π΄Π°Π²Π»Π΅Π½ΠΈΠ΅ Π½Π° Π΄ΠΈΡΠΊ ΡΡΠ΅ΠΏΠ»Π΅Π½ΠΈΡ ΠΈΠ»ΠΈ ΠΏΡΠΈΠ²Π΅ΡΡΠΈ Π²ΠΈΠ»ΠΊΡ Π² ΠΊΠΎΠ½ΡΠ°ΠΊΡ ΡΠΎ ΡΡΠ΅ΠΏΠ»Π΅Π½ΠΈΠ΅ΠΌ, ΡΡΠΎ ΠΌΠΎΠΆΠ΅Ρ ΠΏΡΠΈΠ²Π΅ΡΡΠΈ ΠΊ ΡΠ΅ΡΡΠ΅Π·Π½ΡΠΌ ΠΏΠΎΠ²ΡΠ΅ΠΆΠ΄Π΅Π½ΠΈΡΠΌ.
ΠΡΠΎΠΌΠ΅ ΡΠΎΠ³ΠΎ, ΡΠ΅ΠΏΠ»ΠΎ, Π²ΡΠ΄Π΅Π»ΡΠ΅ΠΌΠΎΠ΅ ΠΏΡΠΈ ΠΏΡΠΎΠ±ΡΠΊΡΠΎΠ²ΠΊΠ΅ ΡΡΠ΅ΠΏΠ»Π΅Π½ΠΈΡ, ΠΌΠΎΠΆΠ΅Ρ ΠΏΠΎΠ²ΡΠ΅Π΄ΠΈΡΡ ΡΡΠ΅ΠΏΠ»Π΅Π½ΠΈΠ΅, Π΅Π³ΠΎ ΠΌΠ΅Ρ Π°Π½ΠΈΠ·ΠΌ Π²ΡΠΊΠ»ΡΡΠ΅Π½ΠΈΡ, Π° ΡΠ°ΠΊΠΆΠ΅ ΠΌΠ°Ρ ΠΎΠ²ΠΈΠΊ, Π΅ΡΠ»ΠΈ ΠΎΠ½ ΡΡΠ°Π½Π΅Ρ Π΄ΠΎΡΡΠ°ΡΠΎΡΠ½ΠΎ Π³ΠΎΡΡΡΠΈΠΌ, ΠΈ ΠΈΡ ΠΌΠΎΠΆΠ΅Ρ ΠΏΠΎΡΡΠ΅Π±ΠΎΠ²Π°ΡΡ Π·Π°ΠΌΠ΅Π½Π°.
ΠΡΠ»ΠΈ Ρ Π²Π°Ρ Π΅ΡΡΡ ΡΠ΅Π³ΡΠ»ΠΈΡΡΠ΅ΠΌΠΎΠ΅ Π³ΠΈΠ΄ΡΠ°Π²Π»ΠΈΡΠ΅ΡΠΊΠΎΠ΅ ΡΡΠ΅ΠΏΠ»Π΅Π½ΠΈΠ΅, ΡΠΎΠ»ΠΊΠ°ΡΠ΅Π»Ρ ΡΠ°Π±ΠΎΡΠ΅Π³ΠΎ ΡΠΈΠ»ΠΈΠ½Π΄ΡΠ° Π΄ΠΎΠ»ΠΆΠ΅Π½ Π±ΡΡΡ ΡΠ½Π°Π±ΠΆΠ΅Π½ ΠΊΠΎΠ½ΡΡΠ³Π°ΠΉΠΊΠΎΠΉ ΠΈ ΠΈΠΌΠ΅ΡΡ ΡΠ΅Π·ΡΠ±Ρ. ΠΠ»Ρ ΡΠ΅Ρ ΠΈΠ· Π²Π°Ρ, ΠΊΠΎΠΌΡ Π½Π΅ Π½ΡΠ°Π²ΠΈΡΡΡ ΡΠΎΡΠΊΠ° Π²ΠΊΠ»ΡΡΠ΅Π½ΠΈΡ ΡΡΠ΅ΠΏΠ»Π΅Π½ΠΈΡ, ΡΡΡΠ΅ΡΡΠ²ΡΠ΅Ρ ΠΌΠ½ΠΎΠΆΠ΅ΡΡΠ²ΠΎ ΡΡΠΊΠΎΠ²ΠΎΠ΄ΡΡΠ² ΠΏΠΎ ΡΠ΅Π³ΡΠ»ΠΈΡΠΎΠ²ΠΊΠ΅ Π³ΠΈΠ΄ΡΠ°Π²Π»ΠΈΡΠ΅ΡΠΊΠΎΠ³ΠΎ ΡΡΠ΅ΠΏΠ»Π΅Π½ΠΈΡ.
ΠΡΠΈΠ·Π½Π°ΠΊΠΈ Π½Π°Π»ΠΈΡΠΈΡ Π²ΠΎΠ·Π΄ΡΡ Π° Π² ΡΡΡΠ±ΠΎΠΏΡΠΎΠ²ΠΎΠ΄Π΅ ΡΡΠ΅ΠΏΠ»Π΅Π½ΠΈΡ
ΠΠ»ΠΎΡ ΠΎΠ΅ ΠΈΠ»ΠΈ Π½Π΅ΠΈΡΠΏΡΠ°Π²Π½ΠΎΠ΅ Π³ΠΈΠ΄ΡΠ°Π²Π»ΠΈΡΠ΅ΡΠΊΠΎΠ΅ ΡΡΠ΅ΠΏΠ»Π΅Π½ΠΈΠ΅ ΠΎΠ±ΡΡΠ½ΠΎ Π²ΡΠ·ΡΠ²Π°Π΅Ρ Π½Π΅ΡΠΊΠΎΠ»ΡΠΊΠΎ ΡΠΈΠΌΠΏΡΠΎΠΌΠΎΠ², ΠΊΠΎΡΠΎΡΡΠ΅ ΠΏΡΠ΅Π΄ΡΠΏΡΠ΅ΠΆΠ΄Π°ΡΡ Π·Π°ΠΈΠ½ΡΠ΅ΡΠ΅ΡΠΎΠ²Π°Π½Π½ΠΎΠ³ΠΎ Π²ΠΎΠ΄ΠΈΡΠ΅Π»Ρ ΠΎ ΠΏΠΎΡΠ΅Π½ΡΠΈΠ°Π»ΡΠ½ΠΎΠΉ ΠΏΡΠΎΠ±Π»Π΅ΠΌΠ΅ ΠΈ ΠΎ ΡΠΎΠΌ, ΡΡΠΎ Π²Π°ΠΌ ΠΏΠΎΡΠ° Π΅Ρ Π°ΡΡ Π² Π³Π°ΡΠ°ΠΆ .ΠΠΈΠ΄ΡΠ°Π²Π»ΠΈΡΠ΅ΡΠΊΠΈΠ΅ ΠΌΡΡΡΡ ΠΎΠ±ΡΡΠ½ΠΎ ΠΎΡΠ»ΠΈΡΠ°ΡΡΡΡ ΠΌΠ°Π»ΡΠΌ ΡΠΎΡΠΌ-ΡΠ°ΠΊΡΠΎΡΠΎΠΌ ΠΈ ΠΈΡ Π½Π°ΠΌΠ½ΠΎΠ³ΠΎ ΠΏΡΠΎΡΠ΅ ΡΡΡΠ°Π½ΠΎΠ²ΠΈΡΡ ΠΏΠΎ ΡΡΠ°Π²Π½Π΅Π½ΠΈΡ Ρ ΠΌΡΡΡΠ°ΠΌΠΈ ΠΌΠ΅Ρ Π°Π½ΠΈΡΠ΅ΡΠΊΠΎΠΉ ΡΠ²ΡΠ·ΠΈ.
ΠΠ΄Π½Π°ΠΊΠΎ, ΠΊΠ°ΠΊ Π±Ρ ΠΎΠ½ΠΈ Π½ΠΈ Π±ΡΠ»ΠΈ Ρ ΠΎΡΠΎΡΠΈ, ΠΎΠ½ΠΈ Π½Π΅ ΠΈΠ΄Π΅Π°Π»ΡΠ½Ρ. ΠΡΡΡΡ Π³ΠΈΠ΄ΡΠ°Π²Π»ΠΈΡΠ΅ΡΠΊΠΎΠ³ΠΎ ΡΡΡΠ°Π³Π° ΠΎΡΠΎΠ±Π΅Π½Π½ΠΎ ΡΡΠ²ΡΡΠ²ΠΈΡΠ΅Π»ΡΠ½Ρ ΠΊ ΡΠ°Π·Π²ΠΈΡΠΈΡ ΡΡΠ΅ΡΠ΅ΠΊ, ΠΈΠ·Π½ΠΎΡ ΠΈ ΠΈΠ·Π½ΠΎΡΠ΅Π½Π½ΡΠ΅ ΡΠΏΠ»ΠΎΡΠ½Π΅Π½ΠΈΡ ΠΏΡΠΎΠΏΡΡΠΊΠ°ΡΡ Π²ΠΎΠ·Π΄ΡΡ , ΠΊΠΎΡΠΎΡΡΠΉ Π²ΠΏΠΎΡΠ»Π΅Π΄ΡΡΠ²ΠΈΠΈ Π²Π»ΠΈΡΠ΅Ρ Π½Π° ΠΈΡ ΡΠΏΠΎΡΠΎΠ±Π½ΠΎΡΡΡ ΠΏΠΎΠ΄Π΄Π΅ΡΠΆΠΈΠ²Π°ΡΡ Π½Π΅ΠΎΠ±Ρ ΠΎΠ΄ΠΈΠΌΠΎΠ΅ Π΄Π°Π²Π»Π΅Π½ΠΈΠ΅ ΠΈ Π²ΡΡΠ΅ΡΠ½ΡΡΡ Π³ΠΈΠ΄ΡΠ°Π²Π»ΠΈΡΠ΅ΡΠΊΡΡ ΠΆΠΈΠ΄ΠΊΠΎΡΡΡ.
ΠΡΠΈ ΠΏΡΠΎΠ±Π»Π΅ΠΌΡ ΡΠ°ΡΡΠΎ ΠΏΡΠΈΠ²ΠΎΠ΄ΡΡ ΠΊ ΠΏΡΠΎΠ±Π»Π΅ΠΌΠ°ΠΌ Ρ ΠΏΠ΅ΡΠ΅ΠΊΠ»ΡΡΠ΅Π½ΠΈΠ΅ΠΌ ΠΏΠ΅ΡΠ΅Π΄Π°Ρ ΠΈ ΠΏΡΠΈΠ΄Π°ΡΡ ΠΏΠ΅Π΄Π°Π»ΠΈ ΡΡΠ΅ΠΏΠ»Π΅Π½ΠΈΡ Π½Π΅Π½ΠΎΡΠΌΠ°Π»ΡΠ½ΠΎΠ΅ ΠΎΡΡΡΠ΅Π½ΠΈΠ΅.Π’Π°ΠΊΠΆΠ΅ Π²Π½ΠΈΠΌΠ°ΡΠ΅Π»ΡΠ½ΠΎ ΠΏΠΎΡΠΌΠΎΡΡΠΈΡΠ΅ Π½Π° ΡΡΠΈ ΠΈ Π΄ΡΡΠ³ΠΈΠ΅ ΡΠΈΠΌΠΏΡΠΎΠΌΡ, ΡΠ²ΡΠ·Π°Π½Π½ΡΠ΅ Ρ Π²ΠΎΠ·Π΄ΡΡ ΠΎΠΌ Π² Π»ΠΈΠ½ΠΈΠΈ ΡΡΠ΅ΠΏΠ»Π΅Π½ΠΈΡ, Π½ΠΎ ΡΠ½Π°ΡΠ°Π»Π° Π±ΡΡΡΡΠΎ ΠΎΡΠ²Π΅ΠΆΠΈΡΠ΅ Π² ΠΏΠ°ΠΌΡΡΠΈ ΠΎΡΠ½ΠΎΠ²Ρ ΡΡΠ΅ΠΏΠ»Π΅Π½ΠΈΡ.
ΠΡΠ°ΠΊ, ΡΡΠΎ ΠΏΡΠΎΠΈΡΡ ΠΎΠ΄ΠΈΡ, ΠΊΠΎΠ³Π΄Π° Ρ Π²Π°Ρ Π΅ΡΡΡ Π²ΠΎΠ·Π΄ΡΡ Π² ΠΌΠ°Π³ΠΈΡΡΡΠ°Π»ΠΈ ΡΡΠ΅ΠΏΠ»Π΅Π½ΠΈΡ
ΠΡΠ»ΠΈ Π²Ρ Π½Π΅Π΄Π°Π²Π½ΠΎ Π·Π°ΠΌΠ΅Π½ΠΈΠ»ΠΈ Π³Π»Π°Π²Π½ΡΠΉ ΠΈΠ»ΠΈ ΡΠ°Π±ΠΎΡΠΈΠΉ ΡΠΈΠ»ΠΈΠ½Π΄ΡΡ ΡΡΠ΅ΠΏΠ»Π΅Π½ΠΈΡ, Π³ΠΈΠ±ΠΊΠΈΠΉ ΡΠ»Π°Π½Π³ ΠΈΠ»ΠΈ ΡΠ΄Π°Π»ΠΈΠ»ΠΈ ΠΈΠ· Π½Π΅Π³ΠΎ Π²ΠΎΠ·Π΄ΡΡ , ΡΡΠΎΠ±Ρ ΠΏΠΎΠΏΠΎΠ»Π½ΠΈΡΡ ΠΆΠΈΠ΄ΠΊΠΎΡΡΡ, Π²Π°ΠΌ Π½ΡΠΆΠ½ΠΎ Π±ΡΡΡ ΠΎΡΡΠΎΡΠΎΠΆΠ½ΡΠΌ, ΡΡΠΎΠ±Ρ Π½Π΅ Π΄ΠΎΠΏΡΡΡΠΈΡΡ ΠΏΠΎΠΏΠ°Π΄Π°Π½ΠΈΡ Π²ΠΎΠ·Π΄ΡΡ Π° Π²ΡΠ°ΡΡΠ²Π°Π΅ΡΡΡ, ΠΈΠ½Π°ΡΠ΅ ΠΎΠ½ ΠΌΠΎΠΆΠ΅Ρ Π½Π΅ ΡΠ°Π±ΠΎΡΠ°ΡΡ Π΄ΠΎΠ»ΠΆΠ½ΡΠΌ ΠΎΠ±ΡΠ°Π·ΠΎΠΌ.
ΠΠ°ΠΊ ΠΌΡ ΠΎΠ±ΡΡΡΠ½ΡΠ»ΠΈ Π²ΡΡΠ΅, Π²ΡΡΠΊΠΈΠΉ ΡΠ°Π·, ΠΊΠΎΠ³Π΄Π° Π²Ρ Π½Π°ΠΆΠΈΠΌΠ°Π΅ΡΠ΅ ΠΏΠ΅Π΄Π°Π»Ρ ΡΡΠ΅ΠΏΠ»Π΅Π½ΠΈΡ, ΡΠΎΠ»ΠΊΠ°ΡΠ΅Π»Ρ Π³Π»Π°Π²Π½ΠΎΠ³ΠΎ ΡΠΈΠ»ΠΈΠ½Π΄ΡΠ° ΠΏΠ΅ΡΠ΅ΠΌΠ΅ΡΠ°Π΅Ρ ΡΠΎΡΠΌΠΎΠ·Π½ΡΡ ΠΆΠΈΠ΄ΠΊΠΎΡΡΡ ΠΏΠΎ Π³ΠΈΠ±ΠΊΠΎΠΌΡ ΡΠ»Π°Π½Π³Ρ ΠΊ ΡΠ°Π±ΠΎΡΠ΅ΠΌΡ ΡΠΈΠ»ΠΈΠ½Π΄ΡΡ, ΠΊΠΎΡΠΎΡΡΠΉ, ΡΠ»Π΅Π΄ΠΎΠ²Π°ΡΠ΅Π»ΡΠ½ΠΎ, ΠΎΡΠΊΠ»ΡΡΠ°Π΅Ρ ΡΡΠ΅ΠΏΠ»Π΅Π½ΠΈΠ΅.
Π‘ΠΆΠΈΠΌΠ°Π΅ΠΌΡΠ΅ ΠΏΡΠ·ΡΡΡΠΊΠΈ Π²ΠΎΠ·Π΄ΡΡ Π°
ΠΠ΅ΡΡ ΠΌΠ΅Ρ Π°Π½ΠΈΠ·ΠΌ Π·Π°Π²ΠΈΡΠΈΡ ΠΎΡ ΡΠΏΠΎΡΠΎΠ±Π½ΠΎΡΡΠΈ Π²Π°ΡΠ΅Π³ΠΎ ΡΡΠ΅ΠΏΠ»Π΅Π½ΠΈΡ ΠΏΠΎΠ΄Π΄Π΅ΡΠΆΠΈΠ²Π°ΡΡ Π³ΠΈΠ΄ΡΠ°Π²Π»ΠΈΡΠ΅ΡΠΊΠΎΠ΅ Π΄Π°Π²Π»Π΅Π½ΠΈΠ΅ Π΄ΠΎ ΡΠ΅Ρ ΠΏΠΎΡ, ΠΏΠΎΠΊΠ° ΠΎΠ½ΠΎ Π½Π΅ Π²ΡΠΉΠ΄Π΅Ρ ΠΈΠ· Π·Π°ΡΠ΅ΠΏΠ»Π΅Π½ΠΈΡ. ΠΠΎΠ·Π΄ΡΡ Π² ΠΌΠ°Π³ΠΈΡΡΡΠ°Π»ΠΈ ΡΡΠ΅ΠΏΠ»Π΅Π½ΠΈΡ Π·Π°Π³ΡΡΠ·Π½ΡΠ΅Ρ Π²Π°ΡΡ ΡΠΈΡΡΠ΅ΠΌΡ ΡΡΠ΅ΠΏΠ»Π΅Π½ΠΈΡ, ΠΎΠ±ΡΠ°Π·ΡΡ ΡΠΆΠΈΠΌΠ°ΡΡΠΈΠ΅ΡΡ ΠΏΡΠ·ΡΡΡΠΊΠΈ Π²ΠΎΠ·Π΄ΡΡ Π°.
ΠΡΠ·ΡΡΡΠΊΠΈ Π²ΠΎΠ·Π΄ΡΡ Π° ΠΎΡΠ»Π°Π±Π»ΡΡΡ Π³ΠΈΠ΄ΡΠ°Π²Π»ΠΈΡΠ΅ΡΠΊΠΎΠ΅ Π΄Π°Π²Π»Π΅Π½ΠΈΠ΅, ΠΏΠ΅ΡΠ΅Π΄Π°Π²Π°Π΅ΠΌΠΎΠ΅ ΠΎΡ Π³Π»Π°Π²Π½ΠΎΠ³ΠΎ ΡΠΈΠ»ΠΈΠ½Π΄ΡΠ° ΠΊ ΡΠ°Π±ΠΎΡΠ΅ΠΌΡ ΡΠΈΠ»ΠΈΠ½Π΄ΡΡ, ΠΏΠΎΠ³Π»ΠΎΡΠ°Ρ ΡΠ°ΡΡΡ ΡΠΎΠ·Π΄Π°Π²Π°Π΅ΠΌΠΎΠ³ΠΎ Π³ΠΈΠ΄ΡΠ°Π²Π»ΠΈΡΠ΅ΡΠΊΠΎΠ³ΠΎ Π΄Π°Π²Π»Π΅Π½ΠΈΡ. Π‘Π»Π΅Π΄ΠΎΠ²Π°ΡΠ΅Π»ΡΠ½ΠΎ, ΡΡΠΎ Π²Π»ΠΈΡΠ΅Ρ Π½Π° ΡΠΏΠΎΡΠΎΠ±Π½ΠΎΡΡΡ Π²Π°ΡΠ΅ΠΉ ΠΌΡΡΡΡ Π³ΠΈΠ΄ΡΠ°Π²Π»ΠΈΡΠ΅ΡΠΊΠΎΠΉ Π½Π°Π²Π΅ΡΠΊΠΈ ΠΎΡΠΊΠ»ΡΡΠ°ΡΡ ΡΡΠ΅ΠΏΠ»Π΅Π½ΠΈΠ΅, Π΅ΡΠ»ΠΈ ΡΡΠΎ Π²ΠΎΠΎΠ±ΡΠ΅ ΠΏΡΠΎΠΈΡΡ ΠΎΠ΄ΠΈΡ.
ΠΠΎΠ³Π»ΠΎΡΠ°Ρ ΡΠ°ΡΡΡ Π³ΠΈΠ΄ΡΠ°Π²Π»ΠΈΡΠ΅ΡΠΊΠΎΠ³ΠΎ Π΄Π°Π²Π»Π΅Π½ΠΈΡ, ΠΏΡΠ·ΡΡΡΠΊΠΈ Π²ΠΎΠ·Π΄ΡΡ Π° ΠΎΠ³ΡΠ°Π½ΠΈΡΠΈΠ²Π°ΡΡ Π΄ΠΎΡΡΠ³Π°Π΅ΠΌΠΎΡΡΡ ΡΠΎΠ»ΠΊΠ°ΡΠ΅Π»Ρ ΡΠ°Π±ΠΎΡΠ΅Π³ΠΎ ΡΠΈΠ»ΠΈΠ½Π΄ΡΠ°, ΠΊΠΎΡΠΎΡΡΠΉ ΠΎΡΠ²Π΅ΡΠ°Π΅Ρ Π·Π° ΠΏΠ΅ΡΠ΅ΠΌΠ΅ΡΠ΅Π½ΠΈΠ΅ Π²ΠΈΠ»ΠΊΠΈ ΡΡΠ΅ΠΏΠ»Π΅Π½ΠΈΡ, ΠΊΠΎΡΠΎΡΠ°Ρ Π·Π°ΡΠ΅ΠΏΠ»ΡΠ΅Ρ Π΄ΠΈΠ°ΡΡΠ°Π³ΠΌΠ΅Π½Π½ΡΡ ΠΏΡΡΠΆΠΈΠ½Ρ, ΡΡΠΎΠ±Ρ ΠΎΡΡΠΎΠ΅Π΄ΠΈΠ½ΠΈΡΡ Π΄ΠΈΡΠΊ ΡΡΠ΅ΠΏΠ»Π΅Π½ΠΈΡ ΠΎΡ ΠΌΠ°Ρ ΠΎΠ²ΠΈΠΊΠ° Π΄Π²ΠΈΠ³Π°ΡΠ΅Π»Ρ.
Π§ΡΠΎ Π²ΡΠ·ΡΠ²Π°Π΅Ρ ΠΏΠΎΠΏΠ°Π΄Π°Π½ΠΈΠ΅ Π²ΠΎΠ·Π΄ΡΡ Π° Π² ΠΌΠ°Π³ΠΈΡΡΡΠ°Π»Ρ ΡΡΠ΅ΠΏΠ»Π΅Π½ΠΈΡ?
ΠΠΎΠ·Π΄ΡΡ ΠΎΠ±ΡΡΠ½ΠΎ ΠΏΡΠΎΠ½ΠΈΠΊΠ°Π΅Ρ Π² Π²Π°ΡΡ ΡΠΈΡΡΠ΅ΠΌΡ ΡΡΠ΅ΠΏΠ»Π΅Π½ΠΈΡ Ρ Π³ΠΈΠ΄ΡΠ°Π²Π»ΠΈΡΠ΅ΡΠΊΠΈΠΌ ΠΏΡΠΈΠ²ΠΎΠ΄ΠΎΠΌ ΡΠ΅ΡΠ΅Π· ΠΈΠ·Π½ΠΎΡΠ΅Π½Π½ΡΠ΅ ΡΠΏΠ»ΠΎΡΠ½Π΅Π½ΠΈΡ Π² Π³Π»Π°Π²Π½ΠΎΠΌ ΠΈΠ»ΠΈ ΡΠ°Π±ΠΎΡΠ΅ΠΌ ΡΠΈΠ»ΠΈΠ½Π΄ΡΠ°Ρ ΡΡΠ΅ΠΏΠ»Π΅Π½ΠΈΡ.
ΠΡΡΠ³ΠΎΠΉ ΡΠΏΠΎΡΠΎΠ± ΠΏΠΎΠΏΠ°Π΄Π°Π½ΠΈΡ Π²ΠΎΠ·Π΄ΡΡ Π° Π² Π³ΠΈΠ΄ΡΠ°Π²Π»ΠΈΡΠ΅ΡΠΊΡΡ ΡΠΈΡΡΠ΅ΠΌΡ — ΡΡΠΎ Π΅ΡΠ»ΠΈ Π²Ρ Π½Π΅Π΄Π°Π²Π½ΠΎ Π·Π°ΠΌΠ΅Π½ΠΈΠ»ΠΈ Π³Π»Π°Π²Π½ΡΠΉ ΠΈΠ»ΠΈ ΡΠ°Π±ΠΎΡΠΈΠΉ ΡΠΈΠ»ΠΈΠ½Π΄ΡΡ ΡΡΠ΅ΠΏΠ»Π΅Π½ΠΈΡ, ΠΏΡΠΎΠΊΠ°ΡΠ°Π»ΠΈ Π΅Π³ΠΎ ΠΈΠ»ΠΈ Π·Π°ΠΌΠ΅Π½ΠΈΠ»ΠΈ Π³ΠΈΠ±ΠΊΠΈΠΉ ΡΠ»Π°Π½Π³ ΡΡΠ΅ΠΏΠ»Π΅Π½ΠΈΡ .Π ΡΡΠΎΠΌ ΡΠ»ΡΡΠ°Π΅ ΠΏΡΠΈΡΠΈΠ½ΠΎΠΉ Π·Π°ΡΠ°ΡΡΠ²Π°Π½ΠΈΡ Π²ΠΎΠ·Π΄ΡΡ Π° Π² Π³ΠΈΠ΄ΡΠ°Π²Π»ΠΈΡΠ΅ΡΠΊΡΡ ΡΠΈΡΡΠ΅ΠΌΡ ΡΡΠ΅ΠΏΠ»Π΅Π½ΠΈΡ, Π²Π΅ΡΠΎΡΡΠ½ΠΎ, ΡΠ²Π»ΡΠ΅ΡΡΡ ΡΠ΅Π»ΠΎΠ²Π΅ΡΠ΅ΡΠΊΠ°Ρ ΠΎΡΠΈΠ±ΠΊΠ°.
Π’Π΅ΠΏΠ΅ΡΡ, ΠΊΠΎΠ³Π΄Π° Π²Ρ ΠΏΠΎΠ»ΡΡΠΈΠ»ΠΈ ΠΏΡΠ΅Π΄ΡΡΠ°Π²Π»Π΅Π½ΠΈΠ΅ ΠΎ ΠΏΡΠΈΡΠΈΠ½Π°Ρ ΠΏΠΎΠΏΠ°Π΄Π°Π½ΠΈΡ Π²ΠΎΠ·Π΄ΡΡ Π° Π² ΠΌΠ°Π³ΠΈΡΡΡΠ°Π»Ρ ΡΡΠ΅ΠΏΠ»Π΅Π½ΠΈΡ, Π²ΠΎΡ Π½Π΅ΡΠΊΠΎΠ»ΡΠΊΠΎ ΡΠΈΠΌΠΏΡΠΎΠΌΠΎΠ², ΠΊΠΎΡΠΎΡΡΠ΅ ΠΏΠΎΠΌΠΎΠ³ΡΡ Π²Π°ΠΌ ΡΡΠΎ Π²ΡΡΡΠ½ΠΈΡΡ.
ΠΡΠΈΠ·Π½Π°ΠΊΠΈ Π½Π°Π»ΠΈΡΠΈΡ Π²ΠΎΠ·Π΄ΡΡ Π° Π² ΠΌΠ°Π³ΠΈΡΡΡΠ°Π»ΠΈ ΡΡΠ΅ΠΏΠ»Π΅Π½ΠΈΡ
ΠΡΠ½ΠΎΠ²Π½ΡΠΌΠΈ ΠΊΠΎΠΌΠΏΠΎΠ½Π΅Π½ΡΠ°ΠΌΠΈ ΡΡΠ΅ΠΏΠ»Π΅Π½ΠΈΡ, Π½Π° ΠΊΠΎΡΠΎΡΡΠ΅ Π²ΠΎΠ·Π΄Π΅ΠΉΡΡΠ²ΡΠ΅Ρ Π²ΠΎΠ·Π΄ΡΡ , ΡΠ²Π»ΡΡΡΡΡ ΠΏΠ΅Π΄Π°Π»Ρ ΠΈ ΠΏΠ΅ΡΠ΅ΠΊΠ»ΡΡΠ°ΡΠ΅Π»ΠΈ ΠΏΠ΅ΡΠ΅Π΄Π°Ρ. ΠΡ ΠΌΠΎΠΆΠ΅ΡΠ΅ ΠΎΠ±Π½Π°ΡΡΠΆΠΈΡΡ, ΡΡΠΎ Π²Π°ΠΌ Π½ΡΠΆΠ½ΠΎ Π²ΡΠΊΠ»ΡΡΠΈΡΡ Π°Π²ΡΠΎΠΌΠΎΠ±ΠΈΠ»Ρ, ΡΡΠΎΠ±Ρ ΠΏΠ΅ΡΠ΅ΠΊΠ»ΡΡΠΈΡΡΡΡ Π½Π° ΠΏΠ΅ΡΠ΅Π΄Π°ΡΡ.
- ΠΠ΅Π΄Π°Π»Ρ ΡΡΠ΅ΠΏΠ»Π΅Π½ΠΈΡ ΠΏΡΠΈΠ»ΠΈΠΏΠ°Π΅Ρ ΠΊ ΠΏΠΎΠ»Ρ
ΠΡΠ»ΠΈ Ρ Π²Π°Ρ Π΅ΡΡΡ Π²ΠΎΠ·Π΄ΡΡ Π² Π»ΠΈΠ½ΠΈΠΈ ΡΡΠ΅ΠΏΠ»Π΅Π½ΠΈΡ, ΠΏΠ΅Π΄Π°Π»Ρ ΡΡΠ΅ΠΏΠ»Π΅Π½ΠΈΡ ΠΎΠ±ΡΡΠ½ΠΎ ΠΈΠΌΠ΅Π΅Ρ ΡΠ΅Π½Π΄Π΅Π½ΡΠΈΡ ΠΏΡΠΈΠ»ΠΈΠΏΠ°ΡΡ ΠΊ ΠΏΠΎΠ»Ρ Π²Π°ΡΠ΅Π³ΠΎ Π°Π²ΡΠΎΠΌΠΎΠ±ΠΈΠ»Ρ.ΠΠ±ΡΡΠ½ΠΎ Ρ Π²Π°Ρ Π²ΠΎΠ·Π½ΠΈΠΊΠ°ΡΡ ΠΏΡΠΎΠ±Π»Π΅ΠΌΡ Ρ ΠΎΡΠΊΠ»ΡΡΠ΅Π½ΠΈΠ΅ΠΌ ΡΡΠ΅ΠΏΠ»Π΅Π½ΠΈΡ, ΠΈ, Π²ΠΎΠ·ΠΌΠΎΠΆΠ½ΠΎ, Π²Π°ΠΌ ΠΏΡΠΈΠ΄Π΅ΡΡΡ ΠΏΠΎΡΡΠΎΡΠ½Π½ΠΎ Π΅Π³ΠΎ ΠΊΠ°ΡΠ°ΡΡ, ΡΡΠΎΠ±Ρ ΠΎΠ½ΠΎ ΡΠ°Π±ΠΎΡΠ°Π»ΠΎ.
Π ΡΠ°ΠΊΠΎΠΌ ΡΡΠ΅Π½Π°ΡΠΈΠΈ Π²Ρ ΠΎΠ±Π½Π°ΡΡΠΆΠΈΡΠ΅, ΡΡΠΎ ΠΏΡΠΎΠ±Π»Π΅ΠΌΠ° ΠΎΠ±ΡΡΠ½ΠΎ ΡΠ²ΡΠ·Π°Π½Π° Ρ Π³ΠΈΠ΄ΡΠ°Π²Π»ΠΈΡΠ΅ΡΠΊΠΎΠΉ ΠΆΠΈΠ΄ΠΊΠΎΡΡΡΡ, Π° Π½Π΅ Ρ ΠΌΠ΅Ρ Π°Π½ΠΈΡΠ΅ΡΠΊΠΎΠΉ ΠΏΡΠΎΠ±Π»Π΅ΠΌΠΎΠΉ, ΡΠΎ Π΅ΡΡΡ ΠΏΡΠΎΠ±Π»Π΅ΠΌΠΎΠΉ Ρ Π΄ΠΈΡΠΊΠΎΠΌ ΡΡΠ΅ΠΏΠ»Π΅Π½ΠΈΡ, Π³Π»Π°Π²Π½ΡΠΌ ΠΈΠ»ΠΈ ΠΏΠΎΠ΄ΡΠΈΠ½Π΅Π½Π½ΡΠΌ ΡΠΈΠ»ΠΈΠ½Π΄ΡΠ°ΠΌΠΈ ΠΈ Ρ. Π. ΠΠ±ΡΡΠ½ΠΎ ΡΡΠΎ ΡΠΎΠΏΡΠΎΠ²ΠΎΠΆΠ΄Π°Π΅ΡΡΡ ΠΌΡΠ³ΠΊΠΈΠΌ ΠΈΠ»ΠΈ ΠΌΡΠ³ΠΊΠΈΠΌ ΠΎΡΡΡΠ΅Π½ΠΈΠ΅ΠΌ ΡΡΠ΅ΠΏΠ»Π΅Π½ΠΈΡ. ΠΏΠ΅Π΄Π°Π»Ρ, ΠΎΡΠΎΠ±Π΅Π½Π½ΠΎ ΠΌΠ΅ΠΆΠ΄Ρ ΡΠΈΠΊΠ»Π°ΠΌΠΈ ΡΡΠ°Π±Π°ΡΡΠ²Π°Π½ΠΈΡ.
- ΠΡΠ΅ΡΡΠ²ΠΈΡΡΠΎΠ΅ Π΄Π΅ΠΉΡΡΠ²ΠΈΠ΅ ΡΡΠ΅ΠΏΠ»Π΅Π½ΠΈΡ
Π’Π°ΠΊΠΆΠ΅ ΠΌΠΎΠΆΠ΅Ρ Π½Π°Π±Π»ΡΠ΄Π°ΡΡΡΡ ΠΏΡΠ΅ΡΡΠ²ΠΈΡΡΠΎΠ΅ Π΄Π΅ΠΉΡΡΠ²ΠΈΠ΅ ΡΡΠ΅ΠΏΠ»Π΅Π½ΠΈΡ; Π³Π΄Π΅ ΠΈΠ½ΠΎΠ³Π΄Π° ΠΎΠ½ ΠΏΠ΅ΡΠ΅ΠΌΠ΅ΡΠ°Π΅ΡΡΡ, ΠΊΠ°ΠΊ ΠΎΠ±ΡΡΠ½ΠΎ, Π° ΠΈΠ½ΠΎΠ³Π΄Π° ΠΎΠ½ Ρ ΠΎΡΠ΅Ρ ΠΏΠΎΠ»Π·ΡΠΈ Π²ΠΏΠ΅ΡΠ΅Π΄.Π ΡΠ°ΠΊΠΎΠΌ ΡΠ»ΡΡΠ°Π΅ Π³ΠΈΠ΄ΡΠ°Π²Π»ΠΈΡΠ΅ΡΠΊΠΎΠ΅ ΡΡΠ΅ΠΏΠ»Π΅Π½ΠΈΠ΅ Π½Π΅ ΠΌΠΎΠΆΠ΅Ρ ΠΏΠΎΠ»Π½ΠΎΡΡΡΡ ΠΎΡΠΊΠ»ΡΡΠΈΡΡΡΡ ΠΈΠ»ΠΈ ΡΡΠ΅ΠΏΠΈΡΡ Π΄ΠΈΡΠΊ ΡΡΠ΅ΠΏΠ»Π΅Π½ΠΈΡ Ρ ΠΌΠ°Ρ ΠΎΠ²ΠΈΠΊΠΎΠΌ Π΄Π²ΠΈΠ³Π°ΡΠ΅Π»Ρ.
ΠΡΠ΅ΡΡΠ²ΠΈΡΡΠΎΠ΅ Π²ΡΠΊΠ»ΡΡΠ΅Π½ΠΈΠ΅ ΡΡΠ΅ΠΏΠ»Π΅Π½ΠΈΡ ΡΠ²Π»ΡΠ΅ΡΡΡ ΠΏΡΠΈΠ·Π½Π°ΠΊΠΎΠΌ ΡΠΎΠ³ΠΎ, ΡΡΠΎ ΠΏΡΠΎΠ±Π»Π΅ΠΌΠ° Π½Π΅ Π² ΠΌΠ΅Ρ Π°Π½ΠΈΡΠ΅ΡΠΊΠΈΡ ΠΊΠΎΠΌΠΏΠΎΠ½Π΅Π½ΡΠ°Ρ ΡΡΠ΅ΠΏΠ»Π΅Π½ΠΈΡ Ρ Π³ΠΈΠ΄ΡΠ°Π²Π»ΠΈΡΠ΅ΡΠΊΠΈΠΌ ΠΏΡΠΈΠ²ΠΎΠ΄ΠΎΠΌ, Π° Π² Π³ΠΈΠ΄ΡΠ°Π²Π»ΠΈΡΠ΅ΡΠΊΠΎΠΉ ΡΠΈΡΡΠ΅ΠΌΠ΅. ΠΠ±ΡΡΠ½ΠΎ ΠΏΠΎΠ΄ΠΎΠ·ΡΠ΅Π²Π°ΡΡ Π²ΠΎΠ·Π΄ΡΡ ΠΈ ΡΠΎΠ·Π΄Π°Π²Π°Π΅ΠΌΡΠ΅ ΠΈΠΌΠΈ ΠΏΡΠ·ΡΡΡΠΊΠΈ Π²ΠΎΠ·Π΄ΡΡ Π°, ΠΊΠΎΡΠΎΡΡΠ΅ ΡΠ½ΠΈΠΆΠ°ΡΡ Π³ΠΈΠ΄ΡΠ°Π²Π»ΠΈΡΠ΅ΡΠΊΠΎΠ΅ Π΄Π°Π²Π»Π΅Π½ΠΈΠ΅, ΠΏΠ΅ΡΠ΅Π΄Π°Π²Π°Π΅ΠΌΠΎΠ΅ Π² ΡΠΈΡΡΠ΅ΠΌΠ΅.
ΠΠ°ΠΊ ΠΌΡ ΡΠΆΠ΅ Π·Π°ΡΠ²Π»ΡΠ»ΠΈ, Π²ΠΎΠ·Π΄ΡΡ ΠΌΠΎΠΆΠ΅Ρ ΠΏΡΠΎΠ½ΠΈΠΊΠ½ΡΡΡ Π² Π³ΠΈΠ΄ΡΠ°Π²Π»ΠΈΡΠ΅ΡΠΊΡΡ ΡΠΈΡΡΠ΅ΠΌΡ ΠΈΠ·-Π·Π° Π²ΡΠ³ΠΎΡΠ°Π½ΠΈΡ ΡΠΏΠ»ΠΎΡΠ½Π΅Π½ΠΈΠΉ Π² ΡΠ°Π±ΠΎΡΠ΅ΠΌ ΠΈΠ»ΠΈ Π³Π»Π°Π²Π½ΠΎΠΌ ΡΠΈΠ»ΠΈΠ½Π΄ΡΠ°Ρ ΡΡΠ΅ΠΏΠ»Π΅Π½ΠΈΡ.ΠΠ»Π°Π²Π½ΡΠΉ ΡΠΈΠ»ΠΈΠ½Π΄Ρ ΡΡΠ΅ΠΏΠ»Π΅Π½ΠΈΡ Ρ Π³ΠΈΠ΄ΡΠ°Π²Π»ΠΈΡΠ΅ΡΠΊΠΈΠΌ ΠΏΡΠΈΠ²ΠΎΠ΄ΠΎΠΌ ΠΎΡΠ½Π°ΡΠ΅Π½ ΠΊΠ°ΠΊ Π²Π½Π΅ΡΠ½ΠΈΠΌ, ΡΠ°ΠΊ ΠΈ Π²Π½ΡΡΡΠ΅Π½Π½ΠΈΠΌ ΡΠΏΠ»ΠΎΡΠ½Π΅Π½ΠΈΡΠΌΠΈ, ΠΊΠΎΡΠΎΡΡΠ΅ Π΄Π΅ΠΉΡΡΠ²ΡΡΡ ΠΊΠ°ΠΊ ΠΎΠ΄Π½ΠΎΡΡΠΎΡΠΎΠ½Π½ΠΈΠ΅ ΡΠΏΠ»ΠΎΡΠ½Π΅Π½ΠΈΡ Π΄Π»Ρ ΡΠΏΠ»ΠΎΡΠ½Π΅Π½ΠΈΡ ΡΠΎΡΠΌΠΎΠ·Π½ΠΎΠΉ ΠΆΠΈΠ΄ΠΊΠΎΡΡΠΈ. ΠΠ°ΠΊ ΠΈ Π»ΡΠ±Π°Ρ Π΄ΡΡΠ³Π°Ρ ΡΠ°ΡΡΡ Π²Π°ΡΠ΅Π³ΠΎ Π°Π²ΡΠΎΠΌΠΎΠ±ΠΈΠ»Ρ, ΡΡΠΈ ΡΠΏΠ»ΠΎΡΠ½Π΅Π½ΠΈΡ ΡΠΎ Π²ΡΠ΅ΠΌΠ΅Π½Π΅ΠΌ ΠΈΠ·Π½Π°ΡΠΈΠ²Π°ΡΡΡΡ ΠΈ ΠΌΠΎΠ³ΡΡ Π²ΡΠ·Π²Π°ΡΡ ΡΡΠ΅ΡΠΊΡ ΠΆΠΈΠ΄ΠΊΠΎΡΡΠΈ ΠΈΠ· ΡΡΠ΅ΠΏΠ»Π΅Π½ΠΈΡ, Π° ΡΠ°ΠΊΠΆΠ΅ ΠΏΡΠΎΡΠΊΠΎΡΠΈΡΡ Π²ΠΎΠ·Π΄ΡΡ Π² ΠΌΠ°Π³ΠΈΡΡΡΠ°Π»ΠΈ ΡΡΠ΅ΠΏΠ»Π΅Π½ΠΈΡ.
ΠΡΠΈ ΡΡΠΎΠΌ ΡΠΈΡΡΠ΅ΠΌΡ ΡΡΠ΅ΠΏΠ»Π΅Π½ΠΈΡ Ρ Π³ΠΈΠ΄ΡΠ°Π²Π»ΠΈΡΠ΅ΡΠΊΠΈΠΌ ΠΏΡΠΈΠ²ΠΎΠ΄ΠΎΠΌ, ΡΠ°ΠΊΠΈΠ΅ ΠΊΠ°ΠΊ ΡΠΎΡΠΌΠΎΠ·Π½ΡΠ΅ ΡΠΈΡΡΠ΅ΠΌΡ, Π½Π΅ Π½Π°ΡΠΈΠ½Π°ΡΡ Π²Π½Π΅Π·Π°ΠΏΠ½ΠΎ ΠΈΠ»ΠΈ ΡΠ°ΡΡΠΈΡΠ½ΠΎ ΠΏΡΠΎΠΏΡΡΠΊΠ°ΡΡ Π²ΠΎΠ·Π΄ΡΡ . ΠΡΠ»ΠΈ Π²Ρ ΠΏΡΡΠ°Π»ΠΈΡΡ ΡΠ΄Π°Π»ΠΈΡΡ Π²ΠΎΠ·Π΄ΡΡ ΠΈΠ· Π³Π»Π°Π²Π½ΠΎΠ³ΠΎ ΡΠΈΠ»ΠΈΠ½Π΄ΡΠ° ΠΈΠ»ΠΈ ΠΎΡΡΠ°Π»ΡΠ½ΠΎΠΉ ΡΠΈΡΡΠ΅ΠΌΡ, Π½ΠΎ Π²ΡΠ΅ Π΅ΡΠ΅ Π½Π΅ ΠΌΠΎΠΆΠ΅ΡΠ΅ Π·Π°ΡΡΠ°Π²ΠΈΡΡ ΠΈΡ ΡΠ°Π±ΠΎΡΠ°ΡΡ Π΄ΠΎΠ»ΠΆΠ½ΡΠΌ ΠΎΠ±ΡΠ°Π·ΠΎΠΌ , ΡΡΠΎ ΠΌΠΎΠΆΠ΅Ρ ΡΠΊΠ°Π·ΡΠ²Π°ΡΡ Π½Π° Π΄ΡΡΠ³ΡΡ ΠΎΡΠ½ΠΎΠ²Π½ΡΡ ΠΏΡΠΎΠ±Π»Π΅ΠΌΡ.
ΠΠ΅ Π·Π°Π±ΡΠ΄ΡΡΠ΅ ΡΠ°ΠΊΠΆΠ΅ ΠΏΡΠΎΠ²Π΅ΡΠΈΡΡ Π½Π° ΡΡΠ΅ΡΠΊΠΈ, ΡΠ°ΠΊ ΠΊΠ°ΠΊ ΠΎΠ½ΠΈ ΡΠ°ΠΊΠΆΠ΅ Π²ΡΠ·ΡΠ²Π°ΡΡ ΠΎΠΏΡΡΠΊΠ°Π½ΠΈΠ΅ ΡΡΠ΅ΠΏΠ»Π΅Π½ΠΈΡ Π½Π° ΠΏΠΎΠ». Π’Π΅ΠΌ Π½Π΅ ΠΌΠ΅Π½Π΅Π΅, ΡΠ»Π΅Π΄ΠΈΡΠ΅ Π·Π° Π΄ΡΡΠ³ΠΈΠΌΠΈ ΡΠΈΠΌΠΏΡΠΎΠΌΠ°ΠΌΠΈ Π²ΠΎΠ·Π΄ΡΡ Π° Π² Π»ΠΈΠ½ΠΈΠΈ ΡΡΠ΅ΠΏΠ»Π΅Π½ΠΈΡ, ΡΠ°ΠΊΠΈΠΌΠΈ ΠΊΠ°ΠΊ ΡΠ»ΠΈΡΠΊΠΎΠΌ ΡΠΈΠ»ΡΠ½ΠΎΠ΅ ΠΏΠ΅ΡΠ΅ΠΊΠ»ΡΡΠ΅Π½ΠΈΠ΅ ΠΏΠ΅ΡΠ΅Π΄Π°Ρ, ΠΎΡΠ»Π°Π±Π»Π΅Π½Π½Π°Ρ ΠΏΠ΅Π΄Π°Π»Ρ ΡΡΠ΅ΠΏΠ»Π΅Π½ΠΈΡ, ΡΠΊΡΠ΅ΠΆΠ΅Ρ ΡΠ΅ΡΡΠ΅ΡΠ΅Π½ ΠΈ Π΄Π°ΠΆΠ΅ Π·Π°ΠΏΠ°Ρ ΠΈΠ·-Π·Π° Π½Π΅ΠΏΠΎΠ»Π½ΠΎΠ³ΠΎ Π²ΡΠΊΠ»ΡΡΠ΅Π½ΠΈΡ.
ΠΡΠΈΠ·Π½Π°ΠΊΠΈ Π½Π΅ΠΈΡΠΏΡΠ°Π²Π½ΠΎΡΡΠΈ ΡΠ°Π±ΠΎΡΠ΅Π³ΠΎ ΡΠΈΠ»ΠΈΠ½Π΄ΡΠ° ΡΡΠ΅ΠΏΠ»Π΅Π½ΠΈΡ
ΠΠΎΡΠΊΠΎΠ»ΡΠΊΡ Π² Π²Π°ΡΠ΅ΠΌ Π°Π²ΡΠΎΠΌΠΎΠ±ΠΈΠ»Π΅ Ρ ΠΌΠ΅Ρ Π°Π½ΠΈΡΠ΅ΡΠΊΠΎΠΉ ΠΊΠΎΡΠΎΠ±ΠΊΠΎΠΉ ΠΏΠ΅ΡΠ΅Π΄Π°Ρ ΠΈΡΠΏΠΎΠ»ΡΠ·ΡΠ΅ΡΡΡ Π³ΠΈΠ΄ΡΠ°Π²Π»ΠΈΡΠ΅ΡΠΊΠ°Ρ ΡΠΈΡΡΠ΅ΠΌΠ° ΡΡΠ΅ΠΏΠ»Π΅Π½ΠΈΡ, ΠΎΠ½Π° ΠΏΠΎΠ΄Π²Π΅ΡΠΆΠ΅Π½Π° ΠΌΠ½ΠΎΠΆΠ΅ΡΡΠ²Ρ ΠΏΡΠΎΠ±Π»Π΅ΠΌ, Π³Π»Π°Π²Π½Π°Ρ ΠΈΠ· ΠΊΠΎΡΠΎΡΡΡ — ΠΏΡΠΎΡΠ΅ΡΠΊΠΈ.ΠΠΎΠ»Π΅Π΅ ΡΠΎΠ³ΠΎ, ΠΏΠΎ ΠΌΠ΅ΡΠ΅ ΡΠΎΠ³ΠΎ, ΠΊΠ°ΠΊ Π²Π°Ρ Π°Π²ΡΠΎΠΌΠΎΠ±ΠΈΠ»Ρ Π½Π°ΠΊΠ°ΠΏΠ»ΠΈΠ²Π°Π΅Ρ ΠΏΡΠΎΠ±Π΅Π³, Π΅Π³ΠΎ ΠΎΠΆΠΈΠ΄Π°Π΅ΠΌΡΠΉ ΡΡΠΎΠΊ ΡΠ»ΡΠΆΠ±Ρ ΠΏΡΠΈΠ±Π»ΠΈΠΆΠ°Π΅ΡΡΡ ΠΊ ΠΊΠΎΠ½ΡΡ.
ΠΠ·Π½ΠΎΡ Π²ΡΠ·ΡΠ²Π°Π΅Ρ ΡΡΠ΅ΡΠΊΡ ΠΆΠΈΠ΄ΠΊΠΎΡΡΠΈ ΡΡΠ΅ΠΏΠ»Π΅Π½ΠΈΡ ΠΈ, ΠΊΠ°ΠΊ ΡΠ»Π΅Π΄ΡΡΠ²ΠΈΠ΅, Π²Π»ΠΈΡΠ΅Ρ Π½Π° ΡΠΏΠΎΡΠΎΠ±Π½ΠΎΡΡΡ ΡΠ°Π±ΠΎΡΠ΅Π³ΠΎ ΡΠΈΠ»ΠΈΠ½Π΄ΡΠ° ΡΡΠ΅ΠΏΠ»Π΅Π½ΠΈΡ ΠΏΠΎΠ΄Π΄Π΅ΡΠΆΠΈΠ²Π°ΡΡ Π½Π΅ΠΎΠ±Ρ ΠΎΠ΄ΠΈΠΌΠΎΠ΅ Π΄Π°Π²Π»Π΅Π½ΠΈΠ΅ Π΄Π»Ρ Π²ΡΠΊΠ»ΡΡΠ΅Π½ΠΈΡ ΡΡΠ΅ΠΏΠ»Π΅Π½ΠΈΡ. ΠΠ³Π½ΠΎΡΠΈΡΡΠΉΡΠ΅ ΡΡΠΎ, ΠΈ Π²Π°ΠΌ Π±ΡΠ΄Π΅Ρ ΡΠ»ΠΎΠΆΠ½ΠΎ ΠΏΠ΅ΡΠ΅ΠΊΠ»ΡΡΠ°ΡΡ ΠΏΠ΅ΡΠ΅Π΄Π°ΡΠΈ, ΠΈ Π²Ρ Π±ΡΠ΄Π΅ΡΠ΅ ΠΈΠΌΠ΅ΡΡ Π΄Π΅Π»ΠΎ Ρ ΠΌΠ΅Π½Π΅Π΅ ΠΎΡΠ·ΡΠ²ΡΠΈΠ²ΠΎΠΉ ΠΏΠ΅Π΄Π°Π»ΡΡ ΡΡΠ΅ΠΏΠ»Π΅Π½ΠΈΡ.
ΠΠ»ΠΎΡ ΠΎΠ΅ ΠΈΠ»ΠΈ Π½Π΅ΠΈΡΠΏΡΠ°Π²Π½ΠΎΠ΅ ΡΡΠ΅ΠΏΠ»Π΅Π½ΠΈΠ΅ ΠΌΠΎΠΆΠ΅Ρ Π½Π΅ ΡΠΎΠ»ΡΠΊΠΎ ΡΠ΄Π΅Π»Π°ΡΡ ΠΎΠ±ΡΡΡ ΡΠΏΡΠ°Π²Π»ΡΠ΅ΠΌΠΎΡΡΡ Π²Π°ΡΠ΅Π³ΠΎ Π°Π²ΡΠΎΠΌΠΎΠ±ΠΈΠ»Ρ Π½Π΅Π±Π΅Π·ΠΎΠΏΠ°ΡΠ½ΠΎΠΉ, Π½ΠΎ ΡΠ°ΠΊΠΆΠ΅ ΡΡΠ»ΠΎΠΆΠ½ΠΈΡΡ Π΅Π΅ ΠΈ Π² ΠΏΡΠΎΡΠ΅ΡΡΠ΅ ΠΏΠΎΠ²ΡΠ΅Π΄ΠΈΡΡ Π΄ΡΡΠ³ΠΈΠ΅ ΡΠ°ΡΡΠΈ Π²Π°ΡΠ΅ΠΉ ΡΡΠ°Π½ΡΠΌΠΈΡΡΠΈΠΈ.ΠΠ΅Π· Π»ΠΈΡΠ½ΠΈΡ ΡΠ»ΠΎΠ², Π²ΠΎΡ ΡΠΈΠΌΠΏΡΠΎΠΌΡ Π½Π΅ΠΈΡΠΏΡΠ°Π²Π½ΠΎΠ³ΠΎ ΠΈΠ»ΠΈ Π½Π΅ΠΈΡΠΏΡΠ°Π²Π½ΠΎΠ³ΠΎ ΡΠ°Π±ΠΎΡΠ΅Π³ΠΎ ΡΠΈΠ»ΠΈΠ½Π΄ΡΠ° ΡΡΠ΅ΠΏΠ»Π΅Π½ΠΈΡ.
- ΠΡΠ³ΠΊΠΎΠ΅ ΠΎΡΡΡΠ΅Π½ΠΈΠ΅ ΠΏΠ΅Π΄Π°Π»ΠΈ ΡΡΠ΅ΠΏΠ»Π΅Π½ΠΈΡ
Π’ΠΈΠΏΠΈΡΠ½ΡΠΌ ΠΏΡΠΈΠ·Π½Π°ΠΊΠΎΠΌ ΠΏΡΠΎΠ±Π»Π΅ΠΌΠ½ΠΎΠ³ΠΎ ΡΠ°Π±ΠΎΡΠ΅Π³ΠΎ ΡΠΈΠ»ΠΈΠ½Π΄ΡΠ° ΡΡΠ΅ΠΏΠ»Π΅Π½ΠΈΡ ΡΠ²Π»ΡΠ΅ΡΡΡ ΠΎΡΡΡΠ΅Π½ΠΈΠ΅ ΠΌΡΠ³ΠΊΠΎΡΡΠΈ ΡΡΠ΅ΠΏΠ»Π΅Π½ΠΈΡ, ΠΊΠΎΡΠΎΡΠΎΠ΅ ΡΠ°ΠΊΠΆΠ΅ Π»Π΅Π³ΡΠ΅ Π²ΡΠ΅Π³ΠΎ ΠΎΠΏΡΠ΅Π΄Π΅Π»ΠΈΡΡ, ΠΎΡΠΎΠ±Π΅Π½Π½ΠΎ Π²ΠΎ Π²ΡΠ΅ΠΌΡ Π²ΠΎΠΆΠ΄Π΅Π½ΠΈΡ. ΠΡ Π·Π°ΠΌΠ΅ΡΠΈΡΠ΅, ΡΡΠΎ Π½Π΅ ΠΏΠΎΠ»ΡΡΠ°Π΅ΡΠ΅ ΡΠ°ΠΊΠΎΠ³ΠΎ Π±ΠΎΠ»ΡΡΠΎΠ³ΠΎ ΡΠΎΠΏΡΠΎΡΠΈΠ²Π»Π΅Π½ΠΈΡ ΠΏΠ΅Π΄Π°Π»ΠΈ ΡΡΠ΅ΠΏΠ»Π΅Π½ΠΈΡ, ΠΊΠ°ΠΊ ΠΎΠ±ΡΡΠ½ΠΎ, ΠΈ ΡΡΠΎ ΠΌΠΎΠΆΠ΅Ρ Π±ΡΡΡ Π²ΡΠ·Π²Π°Π½ΠΎ ΡΡΠ΅ΡΠΊΠΎΠΉ Π² ββΡΠ°Π±ΠΎΡΠ΅ΠΌ ΡΠΈΠ»ΠΈΠ½Π΄ΡΠ΅ ΡΡΠ΅ΠΏΠ»Π΅Π½ΠΈΡ.
- Π‘ΡΡΠ°Π½Π½ΡΠ΅ ΡΡΠΌΡ Π΄Π²ΠΈΠ³Π°ΡΠ΅Π»Ρ
ΠΡΠ»ΠΈ Π²Ρ ΡΠ»ΡΡΠΈΡΠ΅ ΡΡΡΠ°Π½Π½ΡΠ΅ Π°Π²ΡΠΎΠΌΠΎΠ±ΠΈΠ»ΡΠ½ΡΠ΅ ΡΡΠΌΡ, ΠΎΡΠΎΠ±Π΅Π½Π½ΠΎ ΠΊΠΎΠ³Π΄Π° Π²Ρ Π²ΠΊΠ»ΡΡΠ°Π΅ΡΠ΅ ΠΏΠ΅ΡΠ΅Π΄Π°ΡΡ ΠΈ ΡΠΎΠ±ΠΈΡΠ°Π΅ΡΠ΅ΡΡ ΠΎΡΠΏΡΡΡΠΈΡΡ ΠΏΠ΅Π΄Π°Π»Ρ, ΡΠΎ ΡΡΠΎ ΠΌΠΎΠΆΠ΅Ρ Π±ΡΡΡ ΠΏΡΠΈΠ·Π½Π°ΠΊΠΎΠΌ Π½Π΅ΠΈΡΠΏΡΠ°Π²Π½ΠΎΠ³ΠΎ ΡΠ°Π±ΠΎΡΠ΅Π³ΠΎ ΡΠΈΠ»ΠΈΠ½Π΄ΡΠ°.ΠΠ±ΡΡΠ½ΠΎ ΡΡΠΎ ΠΏΡΠΎΠΈΡΡ ΠΎΠ΄ΠΈΡ ΠΈΠ·-Π·Π° ΡΡΠ΅ΡΠΊΠΈ ΠΆΠΈΠ΄ΠΊΠΎΡΡΠΈ ΡΡΠ΅ΠΏΠ»Π΅Π½ΠΈΡ, ΠΊΠΎΡΠΎΡΠ°Ρ Π·Π°ΡΡΡΠ΄Π½ΡΠ΅Ρ ΠΏΠΎΠ΄Π΄Π΅ΡΠΆΠ°Π½ΠΈΠ΅ ΠΊΠΎΠ½ΡΠ°ΠΊΡΠ° ΠΈ ΡΡΡΠ΅ΠΊΡΠΈΠ²Π½ΠΎΠ΅ ΠΎΡΠΊΠ»ΡΡΠ΅Π½ΠΈΠ΅ ΡΡΠ΅ΠΏΠ»Π΅Π½ΠΈΡ.
- Π£ΡΠ΅ΡΠΊΠΈ Π² ΠΌΠΎΡΠΎΡΠ½ΠΎΠΌ ΠΎΡΡΠ΅ΠΊΠ΅ ΠΈΠ»ΠΈ Π² ΠΏΠΎΠ»Ρ
ΠΡΠ΅ ΠΎΠ΄Π½ΠΈΠΌ ΠΏΡΠΈΠ·Π½Π°ΠΊΠΎΠΌ Π½Π΅ΠΈΡΠΏΡΠ°Π²Π½ΠΎΠ³ΠΎ ΠΈΠ»ΠΈ Π½Π΅ΠΈΡΠΏΡΠ°Π²Π½ΠΎΠ³ΠΎ ΡΠ°Π±ΠΎΡΠ΅Π³ΠΎ ΡΠΈΠ»ΠΈΠ½Π΄ΡΠ° ΡΡΠ΅ΠΏΠ»Π΅Π½ΠΈΡ ΡΠ²Π»ΡΠ΅ΡΡΡ ΠΎΠ±Π½Π°ΡΡΠΆΠ΅Π½ΠΈΠ΅ ΡΡΠ΅ΡΠ΅ΠΊ Π² ΠΌΠΎΡΠΎΡΠ½ΠΎΠΌ ΠΎΡΡΠ΅ΠΊΠ΅ ΠΈΠ»ΠΈ Π² ΠΏΠΎΠ»Ρ. ΠΡΠ»ΠΈ Π²Π°Ρ ΡΠ°Π±ΠΎΡΠΈΠΉ ΡΠΈΠ»ΠΈΠ½Π΄Ρ ΡΡΠ΅ΠΏΠ»Π΅Π½ΠΈΡ ΠΏΡΠΎΡΠ΅ΠΊΠ°Π΅Ρ, ΠΈΠ· Π½Π΅Π³ΠΎ Π±ΡΠ΄Π΅Ρ ΠΊΠ°ΠΏΠ°ΡΡ ΠΆΠΈΠ΄ΠΊΠΎΡΡΡ ΡΡΠ΅ΠΏΠ»Π΅Π½ΠΈΡ ΠΈ ΠΎΡΡΠ°Π²Π»ΡΡΡ Π²ΠΈΠ΄ΠΈΠΌΡΠ΅ ΡΠ»Π΅Π΄Ρ Π² ΠΌΠΎΡΠΎΡΠ½ΠΎΠΌ ΠΎΡΡΠ΅ΠΊΠ΅ ΠΈΠ»ΠΈ Π½Π° ΠΏΠΎΠ»Ρ.
Π Π·Π°Π²ΠΈΡΠΈΠΌΠΎΡΡΠΈ ΠΎΡ ΡΡΠ΅ΠΏΠ΅Π½ΠΈ ΠΏΠΎΠ²ΡΠ΅ΠΆΠ΄Π΅Π½ΠΈΡ, ΡΡΠ΅ΡΠΊΠ° Π½Π° ΡΠ°Π±ΠΎΡΠ΅ΠΌ ΡΠΈΠ»ΠΈΠ½Π΄ΡΠ΅ ΡΡΠ΅ΠΏΠ»Π΅Π½ΠΈΡ ΠΌΠΎΠΆΠ΅Ρ ΠΏΠΎΠ²Π»ΠΈΡΡΡ Π½Π° ΠΎΠ±ΡΠ΅Π΅ ΠΎΡΡΡΠ΅Π½ΠΈΠ΅ ΠΈ ΡΠΎΠΏΡΠΎΡΠΈΠ²Π»Π΅Π½ΠΈΠ΅ Π²Π°ΡΠ΅Π³ΠΎ Π°Π²ΡΠΎΠΌΠΎΠ±ΠΈΠ»Ρ. ΠΏΠ΅Π΄Π°Π»Ρ ΡΡΠ΅ΠΏΠ»Π΅Π½ΠΈΡ.
- ΠΠ΅Π΄Π°Π»Ρ ΡΠ°ΡΡΠ°ΡΠ°Π½Π°
ΠΡΠ΅ ΠΎΠ΄Π½ΠΈΠΌ Π»Π΅Π³ΠΊΠΎ ΡΠ°Π·Π»ΠΈΡΠΈΠΌΡΠΌ ΠΏΡΠΈΠ·Π½Π°ΠΊΠΎΠΌ Π½Π΅ΠΈΡΠΏΡΠ°Π²Π½ΠΎΡΡΠΈ ΠΈΠ»ΠΈ Π½Π΅ΠΈΡΠΏΡΠ°Π²Π½ΠΎΡΡΠΈ ΡΠ°Π±ΠΎΡΠ΅Π³ΠΎ ΡΠΈΠ»ΠΈΠ½Π΄ΡΠ° ΡΡΠ΅ΠΏΠ»Π΅Π½ΠΈΡ ΡΠ²Π»ΡΠ΅ΡΡΡ ΡΠΎ, ΡΡΠΎ ΠΏΠ΅Π΄Π°Π»Ρ ΡΡΠ΅ΠΏΠ»Π΅Π½ΠΈΡ Π΄ΠΎΡ ΠΎΠ΄ΠΈΡ Π΄ΠΎ ΠΏΠΎΠ»Π° ΠΏΡΠΈ Π½Π°ΠΆΠ°ΡΠΈΠΈ. ΠΡΠΎ ΡΠ°ΡΡΠΎ ΡΠ»ΡΡΠ°Π΅ΡΡΡ, ΠΊΠΎΠ³Π΄Π° ΠΎΠ΄Π½ΠΎ ΠΈΠ· ΡΠΏΠ»ΠΎΡΠ½Π΅Π½ΠΈΠΉ ΠΊΠ»Π°ΠΏΠ°Π½Π° Π² ΡΠ°Π±ΠΎΡΠ΅ΠΌ ΡΠΈΠ»ΠΈΠ½Π΄ΡΠ΅ ΡΡΠ΅ΠΏΠ»Π΅Π½ΠΈΡ ΠΏΠΎΠ²ΡΠ΅ΠΆΠ΄Π΅Π½ΠΎ ΠΈΠ»ΠΈ ΠΏΠΎΡΠ΅ΡΡΠ½ΠΎ, ΡΡΠΎ ΠΏΠΎΠ·Π²ΠΎΠ»ΡΠ΅Ρ Π²ΠΎΠ·Π΄ΡΡ Ρ ΠΏΡΠΎΡΠ°ΡΠΈΠ²Π°ΡΡΡΡ Π² Π³ΠΈΠ΄ΡΠ°Π²Π»ΠΈΡΠ΅ΡΠΊΡΡ ΠΆΠΈΠ΄ΠΊΠΎΡΡΡ ΠΈ Π²ΠΏΠΎΡΠ»Π΅Π΄ΡΡΠ²ΠΈΠΈ Π·Π°Π³ΡΡΠ·Π½ΡΡΡ Π΅Π΅.
- ΠΠΈΠ΄ΠΊΠΎΡΡΡ ΡΡΠ΅ΠΏΠ»Π΅Π½ΠΈΡ Π½ΠΈΠ·ΠΊΠΎΠ³ΠΎ ΡΡΠΎΠ²Π½Ρ
ΠΠ°ΠΊΠΎΠ½Π΅Ρ, ΡΡΠΎΠ²Π΅Π½Ρ ΠΆΠΈΠ΄ΠΊΠΎΡΡΠΈ Π² ΡΡΠ΅ΠΏΠ»Π΅Π½ΠΈΠΈ ΡΠ°ΠΊΠΆΠ΅ ΠΌΠΎΠΆΠ΅Ρ Π±ΡΡΡ Ρ ΠΎΡΠΎΡΠΈΠΌ ΠΈΠ½Π΄ΠΈΠΊΠ°ΡΠΎΡΠΎΠΌ Π½Π΅ΠΈΡΠΏΡΠ°Π²Π½ΠΎΡΡΠΈ ΡΠ°Π±ΠΎΡΠ΅Π³ΠΎ ΡΠΈΠ»ΠΈΠ½Π΄ΡΠ° ΡΡΠ΅ΠΏΠ»Π΅Π½ΠΈΡ.ΠΡΠΈ Π½Π΅Π³Π΅ΡΠΌΠ΅ΡΠΈΡΠ½ΠΎΠΌ ΡΠ°Π±ΠΎΡΠ΅ΠΌ ΡΠΈΠ»ΠΈΠ½Π΄ΡΠ΅ Π²Π°ΠΌ ΠΏΠΎΡΡΠ΅Π±ΡΠ΅ΡΡΡ Π±ΠΎΠ»Π΅Π΅ ΡΠ°ΡΡΠ°Ρ Π·Π°ΠΏΡΠ°Π²ΠΊΠ° ΡΠΎΡΠΌΠΎΠ·Π½ΠΎΠΉ ΠΆΠΈΠ΄ΠΊΠΎΡΡΠΈ, ΠΏΠΎΡΠΊΠΎΠ»ΡΠΊΡ ΠΎΠ½Π° Π±ΡΡΡΡΠΎ ΠΈΡΡΠΎΡΠ°Π΅ΡΡΡ.
ΠΡΠ»ΠΈ ΡΡΠΎ Π·Π²ΡΡΠΈΡ Π·Π½Π°ΠΊΠΎΠΌΠΎ, Π½Π΅ Π·Π°Π±ΡΠ΄ΡΡΠ΅ ΡΡΠ°ΡΠ΅Π»ΡΠ½ΠΎ ΠΏΡΠΎΠ²Π΅ΡΠΈΡΡ ΡΠ°Π±ΠΎΡΠΈΠΉ ΡΠΈΠ»ΠΈΠ½Π΄Ρ ΡΡΠ΅ΠΏΠ»Π΅Π½ΠΈΡ Π½Π° Π½Π°Π»ΠΈΡΠΈΠ΅ ΠΎΡΠ²Π΅ΡΡΡΠΈΠΉ ΠΈΠ»ΠΈ ΡΡΠ΅ΡΠΈΠ½, ΠΊΠΎΡΠΎΡΡΠ΅ ΠΌΠΎΠ³ΡΡ Π²ΡΠ·ΡΠ²Π°ΡΡ ΡΡΠ΅ΡΠΊΡ.
ΠΡΠ»ΠΈ Π²Ρ Π·Π°ΠΌΠ΅ΡΠΈΠ»ΠΈ ΠΊΠ°ΠΊΠΎΠΉ-Π»ΠΈΠ±ΠΎ ΠΈΠ· ΡΡΠΈΡ ΡΠΈΠΌΠΏΡΠΎΠΌΠΎΠ², Π²Π°ΠΆΠ½ΠΎ Π½Π΅ΠΌΠ΅Π΄Π»Π΅Π½Π½ΠΎ ΠΏΡΠΈΠ½ΡΡΡ ΠΌΠ΅ΡΡ. ΠΡΠΈΠ·Π½Π°ΠΊΠΈ Π²ΡΡ ΠΎΠ΄Π° ΠΈΠ· ΡΡΡΠΎΡ ΠΈΠ»ΠΈ Π½Π΅ΠΈΡΠΏΡΠ°Π²Π½ΠΎΠ³ΠΎ ΡΠ°Π±ΠΎΡΠ΅Π³ΠΎ ΡΠΈΠ»ΠΈΠ½Π΄ΡΠ° Π½Π΅Π»ΡΠ·Ρ ΠΈΠ³Π½ΠΎΡΠΈΡΠΎΠ²Π°ΡΡ, ΠΏΠΎΡΠΊΠΎΠ»ΡΠΊΡ ΠΎΠ½ΠΈ Π½Π΅ ΡΠΎΠ»ΡΠΊΠΎ ΡΡΠ°Π²ΡΡ ΠΏΠΎΠ΄ ΡΠ³ΡΠΎΠ·Ρ Π²Π°ΡΡ Π±Π΅Π·ΠΎΠΏΠ°ΡΠ½ΠΎΡΡΡ Π²ΠΎΠΆΠ΄Π΅Π½ΠΈΡ, Π½ΠΎ ΡΠ°ΠΊΠΆΠ΅ ΠΌΠΎΠ³ΡΡ ΠΏΠΎΡΡΠ°Π²ΠΈΡΡ ΠΏΠΎΠ΄ ΡΠ³ΡΠΎΠ·Ρ Π²Π°ΡΡ ΡΠΈΡΡΠ΅ΠΌΡ ΡΡΠ΅ΠΏΠ»Π΅Π½ΠΈΡ.
Π§ΡΠΎ ΠΎΠ·Π½Π°ΡΠ°Π΅Ρ ΡΠΎΡΠΊΠ° Π·Π°ΡΠ΅ΠΌΠ»Π΅Π½ΠΈΡ ΡΡΠ΅ΠΏΠ»Π΅Π½ΠΈΡ Ρ Π½ΠΈΠ·ΠΊΠΈΠΌ ΡΡΠ΅ΠΏΠ»Π΅Π½ΠΈΠ΅ΠΌ?
ΠΠ΅ΡΠ°Π»ΡΠ½ΠΎ ΠΈΠ·Π²Π΅ΡΡΠ½Π°Ρ ΡΠΎΡΠΊΠ° ΡΠΊΡΡΠ°, ΡΠ°ΠΊΠΆΠ΅ ΠΈΠ·Π²Π΅ΡΡΠ½Π°Ρ ΠΊΠ°ΠΊ ΡΠΎΡΠΊΠ° ΡΡΠ΅Π½ΠΈΡ, — ΡΡΠΎ ΠΌΠ΅ΡΠΎΠ΄ ΡΠΏΡΠ°Π²Π»Π΅Π½ΠΈΡ ΡΡΠ΅ΠΏΠ»Π΅Π½ΠΈΠ΅ΠΌ, ΡΠ°Π·ΡΠ°Π±ΠΎΡΠ°Π½Π½ΡΠΉ, ΡΡΠΎΠ±Ρ Π΄Π°ΡΡ Π²Π°ΠΌ Π±ΠΎΠ»ΡΡΠΈΠΉ ΠΊΠΎΠ½ΡΡΠΎΠ»Ρ Π½Π°Π΄ Π²Π°ΡΠΈΠΌ ΡΡΠ°Π½ΡΠΏΠΎΡΡΠ½ΡΠΌ ΡΡΠ΅Π΄ΡΡΠ²ΠΎΠΌ, ΠΈ ΠΎΠ±ΡΡΠ½ΠΎ ΠΈΡΠΏΠΎΠ»ΡΠ·ΡΠ΅ΡΡΡ ΠΏΡΠΈ ΡΡΠ°ΡΡΠ΅ Ρ Ρ ΠΎΠ»ΠΌΠ° ΡΡΠ΅Π΄ΠΈ Π΄ΡΡΠ³ΠΈΡ ΡΡΠ΅Π½Π°ΡΠΈΠ΅Π². ΠΠ΅ΡΠΎΡΡΠ½ΠΎ, ΡΡΠΎ ΠΏΠ΅ΡΠ²ΠΎΠ΅, ΡΠ΅ΠΌΡ Π²Π°Ρ Π½Π°ΡΡΠΈΠ» ΠΈΠ½ΡΡΡΡΠΊΡΠΎΡ ΠΏΠΎ Π²ΠΎΠΆΠ΄Π΅Π½ΠΈΡ, ΠΈ ΠΊΠ°ΠΊ ΡΡΠΎ Β«Π½Π°ΠΉΡΠΈΒ».
Π’ΠΎΡΠΊΠ° Π·Π°Ρ Π²Π°ΡΠ° ΡΡΠ΅ΠΏΠ»Π΅Π½ΠΈΡ — ΡΡΠΎ ΡΠΎΡΠΊΠ°, Π² ΠΊΠΎΡΠΎΡΠΎΠΉ Π΄ΠΈΡΠΊ ΡΡΠ΅ΠΏΠ»Π΅Π½ΠΈΡ Π²Ρ ΠΎΠ΄ΠΈΡ Π² Π·Π°ΡΠ΅ΠΏΠ»Π΅Π½ΠΈΠ΅ Ρ ΠΌΠ°Ρ ΠΎΠ²ΠΈΠΊΠΎΠΌ Π΄Π²ΠΈΠ³Π°ΡΠ΅Π»Ρ. ΠΠ±ΡΡΠ½ΠΎ ΡΡΠΎ ΠΏΠΎΠ»ΠΎΠ²ΠΈΠ½Π° Ρ ΠΎΠ΄Π° ΠΏΠ΅Π΄Π°Π»ΠΈ ΡΡΠ΅ΠΏΠ»Π΅Π½ΠΈΡ; Π·ΠΎΠ»ΠΎΡΠ°Ρ ΡΠ΅ΡΠ΅Π΄ΠΈΠ½Π° ΠΌΠ΅ΠΆΠ΄Ρ ΠΏΠΎΠ»Π½ΠΎΡΡΡΡ Π½Π°ΠΆΠ°ΡΠΎΠΉ ΠΈ ΠΎΡΠΏΡΡΠ΅Π½Π½ΠΎΠΉ ΠΏΠ΅Π΄Π°Π»ΡΡ ΡΡΠ΅ΠΏΠ»Π΅Π½ΠΈΡ.
Π’Π΅ΠΌ Π½Π΅ ΠΌΠ΅Π½Π΅Π΅, ΡΡΠΎ Π½Π΅ Π΄Π°Π½ΠΎ Π΄Π»Ρ ΠΊΠ°ΠΆΠ΄ΠΎΠ³ΠΎ Π°Π²ΡΠΎΠΌΠΎΠ±ΠΈΠ»Ρ ΠΈ Π²Π°ΡΡΠΈΡΡΠ΅ΡΡΡ ΠΎΡ ΠΏΡΠΎΠΈΠ·Π²ΠΎΠ΄ΠΈΡΠ΅Π»Ρ ΠΊ ΠΏΡΠΎΠΈΠ·Π²ΠΎΠ΄ΠΈΡΠ΅Π»Ρ. Π₯ΠΎΡΡ ΠΎΠΏΡΡΠ½ΡΠΉ Π²ΠΎΠ΄ΠΈΡΠ΅Π»Ρ ΠΌΠΎΠΆΠ΅Ρ ΠΈΠ½ΠΎΠ³Π΄Π° ΠΈΡΠΏΠΎΠ»ΡΠ·ΠΎΠ²Π°ΡΡ ΡΠΎΡΠΊΡ ΡΠΊΡΡΠ° ΠΏΡΠΈ ΡΡΠΎΠ³Π°Π½ΠΈΠΈ Ρ Ρ ΠΎΠ»ΠΌΠ° ΠΈΠ»ΠΈ ΠΏΡΠΈ ΠΌΠ΅Π΄Π»Π΅Π½Π½ΠΎΠΌ Π΄Π²ΠΈΠΆΠ΅Π½ΠΈΠΈ, ΡΡΠ΅Π½ΠΈΠΊ ΠΌΠΎΠΆΠ΅Ρ ΡΡΠ΅ΡΡΡ ΡΡΠΎ ΠΏΠΎΠ»Π΅Π·Π½ΡΠΌ, ΠΏΠΎΡΠΊΠΎΠ»ΡΠΊΡ ΡΡΠΎ ΠΎΡΠ»ΠΈΡΠ½ΡΠΉ ΡΠΏΠΎΡΠΎΠ± ΡΠΌΠ΅Π½ΡΡΠΈΡΡ ΡΠ²Π°Π»ΠΈΠ²Π°Π½ΠΈΠ΅.
ΠΡΡΡ Π΄Π²Π΅ ΠΎΡΠ½ΠΎΠ²Π½ΡΠ΅ ΠΏΡΠΎΠ±Π»Π΅ΠΌΡ, ΡΠ²ΡΠ·Π°Π½Π½ΡΠ΅ Ρ ΡΠΎΡΠΊΠΎΠΉ Π·Π°ΠΆΠΈΠΌΠ° ΡΡΠ΅ΠΏΠ»Π΅Π½ΠΈΡ; Π²ΡΡΠΎΠΊΠ°Ρ ΠΈ Π½ΠΈΠ·ΠΊΠ°Ρ ΡΠΎΡΠΊΠ° ΡΠΊΡΡΠ°. Π‘ Π²ΡΡΠΎΠΊΠΎΠΉ ΡΠΎΡΠΊΠΎΠΉ ΡΠΊΡΡΠ°; ΡΠΎΡΠΊΠ° ΡΠΊΡΡΠ° Π³ΠΎΡΠ°Π·Π΄ΠΎ Π±Π»ΠΈΠΆΠ΅ ΠΊ ΠΊΠΎΠ½Π΅ΡΠ½ΠΎΠΉ ΡΠΎΡΠΊΠ΅ ΠΏΠΎΠ»Π½ΠΎΡΡΡΡ ΠΎΡΠΏΡΡΠ΅Π½Π½ΠΎΠΉ ΠΏΠ΅Π΄Π°Π»ΠΈ ΡΡΠ΅ΠΏΠ»Π΅Π½ΠΈΡ ΠΈ ΡΠ²Π»ΡΠ΅ΡΡΡ Ρ ΠΎΡΠΎΡΠΈΠΌ ΠΈΠ½Π΄ΠΈΠΊΠ°ΡΠΎΡΠΎΠΌ ΠΈΠ·Π½ΠΎΡΠ° ΡΡΠ΅ΠΏΠ»Π΅Π½ΠΈΡ, ΠΊΠΎΡΠΎΡΠΎΠ΅ Π½Π΅ΠΎΠ±Ρ ΠΎΠ΄ΠΈΠΌΠΎ Π·Π°ΠΌΠ΅Π½ΠΈΡΡ.
Π Π½Π°ΠΎΠ±ΠΎΡΠΎΡ, Π½ΠΈΠ·ΠΊΠ°Ρ ΡΠΎΡΠΊΠ° ΡΠΊΡΡΠ° ΠΎΠ·Π½Π°ΡΠ°Π΅Ρ, ΡΡΠΎ ΡΠΎΡΠΊΠ° ΡΠΊΡΡΠ° Π½Π°ΠΌΠ½ΠΎΠ³ΠΎ Π±Π»ΠΈΠΆΠ΅ ΠΊ ΠΊΠΎΠ½ΡΡ ΠΏΠΎΠ»Π½ΠΎΡΡΡΡ Π½Π°ΠΆΠ°ΡΠΎΠΉ ΠΏΠ΅Π΄Π°Π»ΠΈ ΡΡΠ΅ΠΏΠ»Π΅Π½ΠΈΡ, ΠΈ ΡΠ²Π»ΡΠ΅ΡΡΡ ΠΎΡΠ»ΠΈΡΠ½ΡΠΌ ΠΈΠ½Π΄ΠΈΠΊΠ°ΡΠΎΡΠΎΠΌ ΠΏΡΠΎΠ±Π»Π΅ΠΌΡ ΡΠ΅Π³ΡΠ»ΠΈΡΠΎΠ²ΠΊΠΈ.
Π Π΅Π³ΡΠ»ΡΡΠ½ΠΎΠ΅ ΠΈΡΠΏΠΎΠ»ΡΠ·ΠΎΠ²Π°Π½ΠΈΠ΅ ΡΠΎΡΠΊΠΈ ΡΠΈΠΊΡΠ°ΡΠΈΠΈ ΡΡΠ΅ΠΏΠ»Π΅Π½ΠΈΡ Π±Π΅Π· Π½Π΅ΠΎΠ±Ρ ΠΎΠ΄ΠΈΠΌΠΎΡΡΠΈ ΡΠ²Π΅Π»ΠΈΡΠΈΠ²Π°Π΅Ρ Π΅Π³ΠΎ ΠΈΠ·Π½ΠΎΡ ΠΈ ΡΠΎΠΊΡΠ°ΡΠ°Π΅Ρ ΠΎΠΆΠΈΠ΄Π°Π΅ΠΌΡΠΉ ΡΡΠΎΠΊ ΡΠ»ΡΠΆΠ±Ρ ΡΡΠ΅ΠΏΠ»Π΅Π½ΠΈΡ.

ΠΡΠΎΡΠΈΠ»Π°ΠΊΡΠΈΠΊΡ ΠΈ ΡΠ΅Π³ΡΠ»ΠΈΡΠΎΠ²ΠΊΡ ΡΠ΅ΠΊΠΎΠΌΠ΅Π½Π΄ΠΎΠ²Π°Π½ΠΎ ΠΏΡΠΎΠ²ΠΎΠ΄ΠΈΡΡ ΠΊΠ°ΠΆΠ΄ΡΠ΅ 20 ΡΡΡΡΡ ΠΊΠΌ ΠΏΡΠΎΠ±Π΅Π³Π°.



ΠΡΠ»ΠΈ Π΄Π²ΠΈΠ³Π°ΡΠ΅Π»Ρ ΠΏΠΎΡΡΠΈ Π½Π΅ ΡΠ±Π°Π²Π»ΡΠ΅Ρ ΠΎΠ±ΠΎΡΠΎΡΡ, Π½Π°ΠΊΠ»Π°Π΄Π΅ΠΈ Π΄ΠΈΡΠΊΠ° ΠΈΠ·Π½ΠΎΡΠ΅Π½Ρ. ΠΡΠ»ΠΈ ΠΠΠ‘ Π³Π»ΠΎΡ
Π½Π΅Ρ, ΡΡΠ΅ΠΏΠ»Π΅Π½ΠΈΠ΅ Π² ΠΏΠΎΡΡΠ΄ΠΊΠ΅.
ΠΡΠΎΠ²Π΅ΡΡΡΠ΅ ΡΠΎΡΡΠΎΡΠ½ΠΈΠ΅ ΡΡΠΈΠΊΡΠΈΠΎΠ½Π½ΡΡ
Π½Π°ΠΊΠ»Π°Π΄ΠΎΠΊ Π΄ΠΈΡΠΊΠ° ΡΡΠ΅ΠΏΠ»Π΅Π½ΠΈΡ ΠΈ ΠΏΡΠΈ Π½Π°Π»ΠΈΡΠΈΠΈ Π½Π° Π½ΠΈΡ
ΡΠ»Π΅Π΄ΠΎΠ² ΠΌΠ°ΡΠ»Π° ΠΈΠ»ΠΈ ΠΌΠ΅Ρ
Π°Π½ΠΈΡΠ΅ΡΠΊΠΈΡ
ΠΏΠΎΠ²ΡΠ΅ΠΆΠ΄Π΅Π½ΠΈΠΉ Π·Π°ΠΌΠ΅Π½ΠΈΡΠ΅ Π΄ΠΈΡΠΊ ΡΡΠ΅ΠΏΠ»Π΅Π½ΠΈΡ.

ΠΡΠΎΡΠΈΡΠ½ΡΠΌ ΡΠΈΠΌΠΏΡΠΎΠΌΠΎΠΌ Π²ΡΡΡΡΠΏΠ°Π΅Ρ Π·Π°ΠΏΠ°Ρ
Π³ΠΎΡΠ΅Π»ΠΎΠ³ΠΎ ΠΏΠΎΡΠ»Π΅ ΡΠ΅Π·ΠΊΠΈΡ
ΡΠ°Π·Π³ΠΎΠ½ΠΎΠ² ΠΈΠ»ΠΈ Π΄ΠΈΠ½Π°ΠΌΠΈΡΠ΅ΡΠΊΠΈΡ
ΡΡΠΊΠΎΡΠ΅Π½ΠΈΠΉ.
ΠΡΠ»ΠΈ Π½Π΅Π²ΠΎΠ·ΠΌΠΎΠΆΠ½ΠΎ ΠΎΡΡΠ΅Π³ΡΠ»ΠΈΡΠΎΠ²Π°ΡΡ
Π²ΡΡΠΎΡΡ ΡΡΡΠ°Π½ΠΎΠ²ΠΊΠΈ ΠΈ ΡΠ²ΠΎΠ±ΠΎΠ΄Π½ΡΠΉ Ρ
ΠΎΠ΄ ΠΏΠ΅Π΄Π°Π»ΠΈ ΡΡΠ΅ΠΏΠ»Π΅Π½ΠΈΡ, Π²ΠΎΠ·ΠΌΠΎΠΆΠ½ΠΎ Π² Π³ΠΈΠ΄ΡΠ°Π²Π»ΠΈΡΠ΅ΡΠΊΠΎΠΉ
ΡΠΈΡΡΠ΅ΠΌΠ΅ ΠΏΡΠΈΠ²ΠΎΠ΄Π° ΡΡΠ΅ΠΏΠ»Π΅Π½ΠΈΡ ΠΈΠΌΠ΅Π΅ΡΡΡ Π²ΠΎΠ·Π΄ΡΡ
ΠΈΠ»ΠΈ Π½Π΅ΠΈΡΠΏΡΠ°Π²Π΅Π½ Π³Π»Π°Π²Π½ΡΠΉ ΡΠΈΠ»ΠΈΠ½Π΄Ρ
ΡΡΠ΅ΠΏΠ»Π΅Π½ΠΈΡ. Π ΡΡΠΎΠΌ ΡΠ»ΡΡΠ°Π΅ ΡΠ΄Π°Π»ΠΈΡΠ΅ Π²ΠΎΠ·Π΄ΡΡ
ΠΈΠ»ΠΈ ΡΠ°Π·Π±Π΅ΡΠΈΡΠ΅ ΠΈ ΠΏΡΠΎΠ²Π΅ΡΡΡΠ΅
Π³Π»Π°Π²Π½ΡΠΉ ΡΠΈΠ»ΠΈΠ½Π΄Ρ ΡΡΠ΅ΠΏΠ»Π΅Π½ΠΈΡ.
ΠΡΠΎΠ²Π΅ΡΡΡΠ΅ Π΄ΠΈΠ°ΡΡΠ°Π³ΠΌΠ΅Π½Π½ΡΡ ΠΏΡΡΠΆΠΈΠ½Ρ Π² ΠΌΠ΅ΡΡΠ°Ρ
ΠΊΠΎΠ½ΡΠ°ΠΊΡΠ° Ρ ΠΏΠΎΠ΄ΡΠΈΠΏΠ½ΠΈΠΊΠΎΠΌ Π²ΡΠΊΠ»ΡΡΠ΅Π½ΠΈΡ ΡΡΠ΅ΠΏΠ»Π΅Π½ΠΈΡ Π½Π° ΠΎΡΡΡΡΡΡΠ²ΠΈΠ΅ ΠΈΠ·Π½ΠΎΡΠ°,
ΡΡΠ΅ΡΠΈΠ½ ΠΈ ΠΎΠΏΡΠ΅Π΄Π΅Π»ΠΈΡΠ΅ ΡΠ°Π·Π»ΠΈΡΠΈΠ΅ Π²ΡΡΠΎΡΡ ΠΊΠΎΠ½ΡΠΎΠ² Π΄ΠΈΠ°ΡΡΠ°Π³ΠΌΠ΅Π½Π½ΠΎΠΉ ΠΏΡΡΠΆΠΈΠ½Ρ.
ΠΡΠΈ Π½Π°Π»ΠΈΡΠΈΠΈ Π΄Π΅ΡΠ΅ΠΊΡΠΎΠ² Π·Π°ΠΌΠ΅Π½ΠΈΡΠ΅ ΠΊΠΎΠΆΡΡ
ΡΡΠ΅ΠΏΠ»Π΅Π½ΠΈΡ Ρ Π½Π°ΠΆΠΈΠΌΠ½ΡΠΌ Π΄ΠΈΡΠΊΠΎΠΌ.