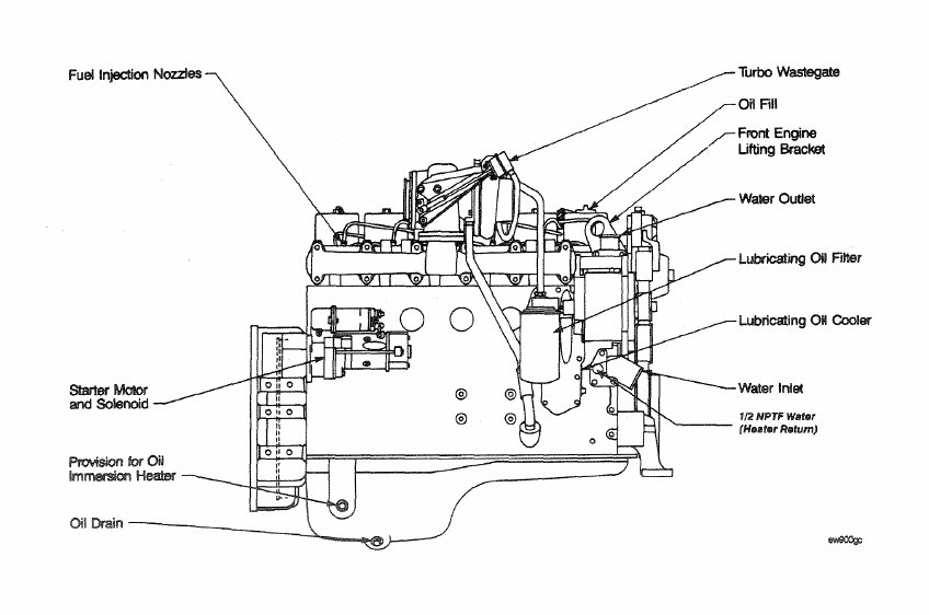
Π‘ΠΈΡΡΠ΅ΠΌΠ° ΠΎΡ Π»Π°ΠΆΠ΄Π΅Π½ΠΈΡ Π΄Π²ΠΈΠ³Π°ΡΠ΅Π»Ρ Cummins ISF2.8 Π² ΠΠ°Π·Π΅Π»Ρ NEXT, ΡΡ Π΅ΠΌΠ°
Π‘ΠΈΡΡΠ΅ΠΌΠ° ΠΎΡ Π»Π°ΠΆΠ΄Π΅Π½ΠΈΡ Π΄Π²ΠΈΠ³Π°ΡΠ΅Π»Ρ Cummins ISF2.8 Π½Π° Π°Π²ΡΠΎΠΌΠΎΠ±ΠΈΠ»Π΅ ΠΠ°Π·Π΅Π»Ρ NEXT ΠΆΠΈΠ΄ΠΊΠΎΡΡΠ½Π°Ρ, Π³Π΅ΡΠΌΠ΅ΡΠΈΡΠ½Π°Ρ, Ρ ΡΠ°ΡΡΠΈΡΠΈΡΠ΅Π»ΡΠ½ΡΠΌ Π±Π°ΡΠΊΠΎΠΌ. Π‘ΠΈΡΡΠ΅ΠΌΡ Π·Π°ΠΏΠΎΠ»Π½ΡΡΡ ΠΆΠΈΠ΄ΠΊΠΎΡΡΡΡ Π½Π° ΠΎΡΠ½ΠΎΠ²Π΅ ΡΡΠΈΠ»Π΅Π½Π³Π»ΠΈΠΊΠΎΠ»Ρ (Π°Π½ΡΠΈΡΡΠΈΠ·ΠΎΠΌ), Π½Π΅ Π·Π°ΠΌΠ΅ΡΠ·Π°ΡΡΠ΅ΠΉ ΠΏΡΠΈ ΡΠ΅ΠΌΠΏΠ΅ΡΠ°ΡΡΡΠ΅ ΠΎΠΊΡΡΠΆΠ°ΡΡΠ΅ΠΉ ΡΡΠ΅Π΄Ρ Π΄ΠΎ ΠΌΠΈΠ½ΡΡ 40 Π³ΡΠ°Π΄ΡΡΠΎΠ².
Π‘ΠΈΡΡΠ΅ΠΌΠ° ΠΎΡ Π»Π°ΠΆΠ΄Π΅Π½ΠΈΡ Π΄Π²ΠΈΠ³Π°ΡΠ΅Π»Ρ Cummins ISF2.8 Π½Π° Π°Π²ΡΠΎΠΌΠΎΠ±ΠΈΠ»Π΅ ΠΠ°Π·Π΅Π»Ρ NEXT, ΡΡΡΡΠΎΠΉΡΡΠ²ΠΎ, ΠΏΡΠΈΠ½ΡΠΈΠΏ ΡΠ°Π±ΠΎΡΡ, ΡΡ Π΅ΠΌΠ°, ΠΎΡΠΎΠ±Π΅Π½Π½ΠΎΡΡΠΈ ΠΊΠΎΠ½ΡΡΡΡΠΊΡΠΈΠΈ.
ΠΠ΅ ΡΠ΅ΠΊΠΎΠΌΠ΅Π½Π΄ΡΠ΅ΡΡΡ Π·Π°ΠΏΠΎΠ»Π½ΡΡΡ ΡΠΈΡΡΠ΅ΠΌΡ ΠΎΡ Π»Π°ΠΆΠ΄Π΅Π½ΠΈΡ Π΄Π²ΠΈΠ³Π°ΡΠ΅Π»Ρ Cummins ISF2.8 Π²ΠΎΠ΄ΠΎΠΉ, ΡΠ°ΠΊ ΠΊΠ°ΠΊ Π² ΡΠΎΡΡΠ°Π² Π°Π½ΡΠΈΡΡΠΈΠ·Π° Π²Ρ ΠΎΠ΄ΡΡ Π°Π½ΡΠΈΠΊΠΎΡΡΠΎΠ·ΠΈΠΎΠ½Π½ΡΠ΅ ΠΏΡΠΈΡΠ°Π΄ΠΊΠΈ, Π° ΡΠ°ΠΊΠΆΠ΅ ΠΏΡΠΈΡΠ°Π΄ΠΊΠΈ, ΠΏΡΠ΅ΠΏΡΡΡΡΠ²ΡΡΡΠΈΠ΅ ΠΎΡΠ»ΠΎΠΆΠ΅Π½ΠΈΡ Π½Π°ΠΊΠΈΠΏΠΈ.
Π‘ΠΈΡΡΠ΅ΠΌΠ° ΠΎΡ Π»Π°ΠΆΠ΄Π΅Π½ΠΈΡ Π΄Π²ΠΈΠ³Π°ΡΠ΅Π»Ρ Cummins ISF2.8 Π½Π° Π°Π²ΡΠΎΠΌΠΎΠ±ΠΈΠ»Π΅ ΠΠ°Π·Π΅Π»Ρ NEXT ΠΎΠ±Π΅ΡΠΏΠ΅ΡΠΈΠ²Π°Π΅Ρ Π½ΠΎΡΠΌΠ°Π»ΡΠ½ΡΠΉ ΡΠ΅ΠΏΠ»ΠΎΠ²ΠΎΠΉ ΡΠ΅ΠΆΠΈΠΌ Π΄Π²ΠΈΠ³Π°ΡΠ΅Π»Ρ. Π¦ΠΈΡΠΊΡΠ»ΡΡΠΈΡ ΠΆΠΈΠ΄ΠΊΠΎΡΡΠΈ Π² ΡΠΈΡΡΠ΅ΠΌΠ΅ ΡΠΎΠ·Π΄Π°Π΅Ρ Π²ΠΎΠ΄ΡΠ½ΠΎΠΉ Π½Π°ΡΠΎΡ. ΠΠ· Π½Π°ΡΠΎΡΠ° ΠΆΠΈΠ΄ΠΊΠΎΡΡΡ ΠΏΠΎΠ΄Π°Π΅ΡΡΡ Π² ΡΡΠ±Π°ΡΠΊΡ ΠΎΡ Π»Π°ΠΆΠ΄Π΅Π½ΠΈΡ Π΄Π²ΠΈΠ³Π°ΡΠ΅Π»Ρ, ΠΎΠΌΡΠ²Π°Π΅Ρ ΡΠΈΠ»ΠΈΠ½Π΄ΡΡ ΠΈ ΠΊΠ°ΠΌΠ΅ΡΡ ΡΠ³ΠΎΡΠ°Π½ΠΈΡ. Π Π·Π°ΡΠ΅ΠΌ ΠΏΠΎΡΡΡΠΏΠ°Π΅Ρ ΠΊ ΡΠ΅ΡΠΌΠΎΡΡΠ°ΡΡ.
Π Π·Π°Π²ΠΈΡΠΈΠΌΠΎΡΡΠΈ ΠΎΡ ΠΏΠΎΠ»ΠΎΠΆΠ΅Π½ΠΈΡ ΠΊΠ»Π°ΠΏΠ°Π½Π° ΡΠ΅ΡΠΌΠΎΡΡΠ°ΡΠ° ΠΆΠΈΠ΄ΠΊΠΎΡΡΡ Π½Π°ΠΏΡΠ°Π²Π»ΡΠ΅ΡΡΡ ΠΈΠ· ΠΊΠΎΡΠΏΡΡΠ° ΡΠ΅ΡΠΌΠΎΡΡΠ°ΡΠ° Π² ΡΠ°Π΄ΠΈΠ°ΡΠΎΡ (ΠΏΡΠΈ Π²ΡΡΠΎΠΊΠΎΠΉ ΡΠ΅ΠΌΠΏΠ΅ΡΠ°ΡΡΡΠ΅) ΠΈΠ»ΠΈ ΠΎΠ±ΡΠ°ΡΠ½ΠΎ Π² ΡΡΠ±Π°ΡΠΊΡ ΠΎΡ
Π»Π°ΠΆΠ΄Π΅Π½ΠΈΡ Π΄Π²ΠΈΠ³Π°ΡΠ΅Π»Ρ (ΠΏΡΠΈ Π½ΠΈΠ·ΠΊΠΎΠΉ ΡΠ΅ΠΌΠΏΠ΅ΡΠ°ΡΡΡΠ΅).
ΠΡΠΎΠΌΠ΅ ΡΠΎΠ³ΠΎ, Π² ΡΠΈΡΡΠ΅ΠΌΡ ΠΎΡ
Π»Π°ΠΆΠ΄Π΅Π½ΠΈΡ Π΄Π²ΠΈΠ³Π°ΡΠ΅Π»Ρ Π²ΠΊΠ»ΡΡΠ΅Π½ ΡΠ°Π΄ΠΈΠ°ΡΠΎΡ ΠΎΡΠΎΠΏΠΈΡΠ΅Π»Ρ. ΠΠΎΡΠΌΠ°Π»ΡΠ½ΡΠΉ ΡΠ΅ΠΏΠ»ΠΎΠ²ΠΎΠΉ ΡΠ΅ΠΆΠΈΠΌ Π΄Π²ΠΈΠ³Π°ΡΠ΅Π»Ρ ΠΎΠΏΡΠ΅Π΄Π΅Π»ΡΠ΅ΡΡΡ ΡΠ΅ΠΌΠΏΠ΅ΡΠ°ΡΡΡΠΎΠΉ ΠΎΡ
Π»Π°ΠΆΠ΄Π°ΡΡΠ΅ΠΉ ΠΆΠΈΠ΄ΠΊΠΎΡΡΠΈ, ΠΊΠΎΡΠΎΡΠ°Ρ ΠΏΠΎΠ΄Π΄Π΅ΡΠΆΠΈΠ²Π°Π΅ΡΡΡ Π°Π²ΡΠΎΠΌΠ°ΡΠΈΡΠ΅ΡΠΊΠΈ ΡΠ΅ΡΠΌΠΎΡΡΠ°ΡΠΎΠΌ Π² Π΄ΠΈΠ°ΠΏΠ°Π·ΠΎΠ½Π΅ 82-95 Π³ΡΠ°Π΄ΡΡΠΎΠ².
Π‘Ρ Π΅ΠΌΠ° ΡΠΈΡΡΠ΅ΠΌΡ ΠΎΡ Π»Π°ΠΆΠ΄Π΅Π½ΠΈΡ Π΄Π²ΠΈΠ³Π°ΡΠ΅Π»Ρ Cummins ISF2.8 Π½Π° Π°Π²ΡΠΎΠΌΠΎΠ±ΠΈΠ»Π΅ ΠΠ°Π·Π΅Π»Ρ NEXT.
Π Π°Π΄ΠΈΠ°ΡΠΎΡ ΡΠΈΡΡΠ΅ΠΌΡ ΠΎΡ Π»Π°ΠΆΠ΄Π΅Π½ΠΈΡ Π΄Π²ΠΈΠ³Π°ΡΠ΅Π»Ρ Cummins ISF2.8 Π½Π° Π°Π²ΡΠΎΠΌΠΎΠ±ΠΈΠ»Π΅ ΠΠ°Π·Π΅Π»Ρ NEXT.
Π Π°Π΄ΠΈΠ°ΡΠΎΡ Ρ Π³ΠΎΡΠΈΠ·ΠΎΠ½ΡΠ°Π»ΡΠ½ΡΠΌ ΠΏΠΎΡΠΎΠΊΠΎΠΌ ΠΆΠΈΠ΄ΠΊΠΎΡΡΠΈ, Ρ ΡΡΡΠ±ΡΠ°ΡΠΎ-Π»Π΅Π½ΡΠΎΡΠ½ΠΎΠΉ Π°Π»ΡΠΌΠΈΠ½ΠΈΠ΅Π²ΠΎΠΉ ΡΠ΅ΡΠ΄ΡΠ΅Π²ΠΈΠ½ΠΎΠΉ ΠΈ Π±Π°ΡΠΊΠ°ΠΌΠΈ ΠΈΠ· ΠΏΠΎΠ»ΠΈΠΌΠ΅ΡΠ½ΠΎΠ³ΠΎ ΠΌΠ°ΡΠ΅ΡΠΈΠ°Π»Π°, Π Π±Π°ΡΠΊΠ°Ρ ΡΠ°Π΄ΠΈΠ°ΡΠΎΡΠ° Π²ΡΠΏΠΎΠ»Π½Π΅Π½Ρ ΠΏΠΎΠ΄Π²ΠΎΠ΄ΡΡΠΈΠΉ ΠΈ ΠΎΡΠ²ΠΎΠ΄ΡΡΠΈΠΉ ΠΏΠ°ΡΡΡΠ±ΠΊΠΈ ΡΠ»Π°Π½Π³ΠΎΠ² ΠΊ Π²ΠΎΠ΄ΡΠ½ΠΎΠΉ ΡΡΠ±Π°ΡΠΊΠ΅ Π΄Π²ΠΈΠ³Π°ΡΠ΅Π»Ρ.
Π ΠΏΡΠ°Π²ΠΎΠΌ Π±Π°ΡΠΊΠ΅ Π½Π°Ρ ΠΎΠ΄ΠΈΡΡΡ Π·Π°ΠΊΡΡΡΠΎΠ΅ ΡΠ΅Π·ΡΠ±ΠΎΠ²ΠΎΠΉ ΠΏΡΠΎΠ±ΠΊΠΎΠΉ ΠΎΡΠ²Π΅ΡΡΡΠΈΠ΅ Π΄Π»Ρ ΡΠ»ΠΈΠ²Π° ΠΎΡ Π»Π°ΠΆΠ΄Π°ΡΡΠ΅ΠΉ ΠΆΠΈΠ΄ΠΊΠΎΡΡΠΈ ΠΈΠ· ΡΠΈΡΡΠ΅ΠΌΡ ΠΎΡ Π»Π°ΠΆΠ΄Π΅Π½ΠΈΡ. Π Π°Π΄ΠΈΠ°ΡΠΎΡ ΠΎΠ±Π΄ΡΠ²Π°Π΅ΡΡΡ Π²ΡΡΡΠ΅ΡΠ½ΡΠΌ ΠΏΠΎΡΠΎΠΊΠΎΠΌ Π²ΠΎΠ·Π΄ΡΡ Π° ΠΈ Π²Π΅Π½ΡΠΈΠ»ΡΡΠΎΡΠΎΠΌ.
Π Π°ΡΡΠΈΡΠΈΡΠ΅Π»ΡΠ½ΡΠΉ Π±Π°ΡΠΎΠΊ ΡΠΈΡΡΠ΅ΠΌΡ ΠΎΡ Π»Π°ΠΆΠ΄Π΅Π½ΠΈΡ Π΄Π²ΠΈΠ³Π°ΡΠ΅Π»Ρ Cummins ISF2.8 Π½Π° Π°Π²ΡΠΎΠΌΠΎΠ±ΠΈΠ»Π΅ ΠΠ°Π·Π΅Π»Ρ NEXT.
Π Π°ΡΡΠΈΡΠΈΡΠ΅Π»ΡΠ½ΡΠΉ Π±Π°ΡΠΎΠΊ ΡΠ»ΡΠΆΠΈΡ Π΄Π»Ρ ΠΊΠΎΠΌΠΏΠ΅Π½ΡΠ°ΡΠΈΠΈ ΠΈΠ·ΠΌΠ΅Π½ΡΡΡΠ΅Π³ΠΎΡΡ ΠΎΠ±ΡΠ΅ΠΌΠ° ΠΎΡ
Π»Π°ΠΆΠ΄Π°ΡΡΠ΅ΠΉ ΠΆΠΈΠ΄ΠΊΠΎΡΡΠΈ Π² Π·Π°Π²ΠΈΡΠΈΠΌΠΎΡΡΠΈ ΠΎΡ Π΅Π΅ ΡΠ΅ΠΌΠΏΠ΅ΡΠ°ΡΡΡΡ.
ΠΠ½ ΠΈΠ·Π³ΠΎΡΠΎΠ²Π»Π΅Π½ ΠΈΠ· ΠΏΠΎΠ»ΡΠΏΡΠΎΠ·ΡΠ°ΡΠ½ΠΎΠΉ ΠΏΠ»Π°ΡΡΠΌΠ°ΡΡΡ. ΠΠ° ΠΏΠΎΠ»ΡΠΏΡΠΎΠ·ΡΠ°ΡΠ½ΡΠΉ ΠΊΠΎΡΠΏΡΡ Π±Π°ΡΠΊΠ° Π½Π°Π½Π΅ΡΠ΅Π½Ρ ΠΌΠ΅ΡΠΊΠΈ Π΄Π»Ρ ΠΊΠΎΠ½ΡΡΠΎΠ»Ρ ΡΡΠΎΠ²Π½Ρ ΠΎΡ
Π»Π°ΠΆΠ΄Π°ΡΡΠ΅ΠΉ ΠΆΠΈΠ΄ΠΊΠΎΡΡΠΈ. ΠΠ°ΡΠΎΠΊ ΡΠΎΠ΅Π΄ΠΈΠ½Π΅Π½ ΡΡΡΠ±ΠΎΠΏΡΠΎΠ²ΠΎΠ΄Π°ΠΌΠΈ Ρ ΡΠ°Π΄ΠΈΠ°ΡΠΎΡΠΎΠΌ ΠΎΡ
Π»Π°ΠΆΠ΄Π΅Π½ΠΈΡ ΠΈ ΠΊΠ°Π½Π°Π»Π°ΠΌΠΈ Π² Π±Π»ΠΎΠΊΠ΅ ΡΠΈΠ»ΠΈΠ½Π΄ΡΠΎΠ².
Π ΠΏΡΠΎΠ±ΠΊΠ΅ ΡΠ°ΡΡΠΈΡΠΈΡΠ΅Π»ΡΠ½ΠΎΠ³ΠΎ Π±Π°ΡΠΊΠ° ΡΡΡΠ°Π½ΠΎΠ²Π»Π΅Π½ Π²ΡΠΏΡΡΠΊΠ½ΠΎΠΉ ΠΊΠ»Π°ΠΏΠ°Π½. ΠΠ»Π°ΠΏΠ°Π½ ΠΈΠ³ΡΠ°Π΅Ρ Π²Π°ΠΆΠ½ΡΡ ΡΠΎΠ»Ρ Π² ΠΎΠ±Π΅ΡΠΏΠ΅ΡΠ΅Π½ΠΈΠΈ ΠΎΠΏΡΠΈΠΌΠ°Π»ΡΠ½ΠΎΠ³ΠΎ ΡΠ΅ΠΌΠΏΠ΅ΡΠ°ΡΡΡΠ½ΠΎΠ³ΠΎ ΡΠ΅ΠΆΠΈΠΌΠ° Π΄Π²ΠΈΠ³Π°ΡΠ΅Π»Ρ. ΠΠ½ ΠΏΠΎΠ΄Π΄Π΅ΡΠΆΠΈΠ²Π°Π΅Ρ Π² ΡΠΈΡΡΠ΅ΠΌΠ΅ ΠΈΠ·Π±ΡΡΠΎΡΠ½ΠΎΠ΅ Π΄Π°Π²Π»Π΅Π½ΠΈΠ΅ Π½Π΅ ΠΌΠ΅Π½Π΅Π΅ 1,1 ΠΊΠ³Ρ/ΡΠΌ2, ΠΎΠ±Π΅ΡΠΏΠ΅ΡΠΈΠ²Π°Ρ ΠΏΠΎΠ²ΡΡΠ΅Π½ΠΈΠ΅ ΡΠ΅ΠΌΠΏΠ΅ΡΠ°ΡΡΡΡ Π½Π°ΡΠ°Π»Π° ΠΊΠΈΠΏΠ΅Π½ΠΈΡ ΠΎΡ Π»Π°ΠΆΠ΄Π°ΡΡΠ΅ΠΉ ΠΆΠΈΠ΄ΠΊΠΎΡΡΠΈ Π΄ΠΎ 120 Π³ΡΠ°Π΄ΡΡΠΎΠ² ΠΈ ΠΏΡΠ΅Π΄ΡΠΏΡΠ΅ΠΆΠ΄Π°Ρ ΠΈΠ½ΡΠ΅Π½ΡΠΈΠ²Π½ΠΎΠ΅ ΠΏΠ°ΡΠΎΠΎΠ±ΡΠ°Π·ΠΎΠ²Π°Π½ΠΈΠ΅.
ΠΡΠΈ Π·Π°ΠΊΠ»ΠΈΠ½ΠΈΠ²Π°Π½ΠΈΠΈ ΠΊΠ»Π°ΠΏΠ°Π½Π° Π² Π·Π°ΠΊΡΡΡΠΎΠΌ ΠΏΠΎΠ»ΠΎΠΆΠ΅Π½ΠΈΠΈ ΠΏΡΠΈ ΠΏΠ΅ΡΠ΅Π³ΡΠ΅Π²Π΅ Π²ΠΎΠ·Π½ΠΈΠΊΠ°Π΅Ρ Π·Π½Π°ΡΠΈΡΠ΅Π»ΡΠ½ΠΎΠ΅ ΠΏΡΠ΅Π²ΡΡΠ΅Π½ΠΈΠ΅ ΠΈΠ·Π±ΡΡΠΎΡΠ½ΠΎΠ³ΠΎ Π΄Π°Π²Π»Π΅Π½ΠΈΡ. ΠΡΠΎ ΠΌΠΎΠΆΠ΅Ρ ΠΏΡΠΈΠ²Π΅ΡΡΠΈ ΠΊ ΡΠ°Π·ΡΡΠ²Ρ ΡΠ°ΡΡΠΈΡΠΈΡΠ΅Π»ΡΠ½ΠΎΠ³ΠΎ Π±Π°ΡΠΊΠ° ΠΈΠ»ΠΈ ΡΡΡΠ²Ρ ΠΎΠ΄Π½ΠΎΠ³ΠΎ ΠΈΠ· ΡΠ»Π°Π½Π³ΠΎΠ². Π ΡΠ²ΠΎΡ ΠΎΡΠ΅ΡΠ΅Π΄Ρ, Π·Π°ΠΊΠ»ΠΈΠ½ΠΈΠ²Π°Π½ΠΈΠ΅ ΠΊΠ»Π°ΠΏΠ°Π½Π° Π² ΠΎΡΠΊΡΡΡΠΎΠΌ ΠΏΠΎΠ»ΠΎΠΆΠ΅Π½ΠΈΠΈ ΠΏΡΠΈΠ²ΠΎΠ΄ΠΈΡ ΠΊ ΠΏΡΠ΅ΠΆΠ΄Π΅Π²ΡΠ΅ΠΌΠ΅Π½Π½ΠΎΠΌΡ Π·Π°ΠΊΠΈΠΏΠ°Π½ΠΈΡ ΠΎΡ Π»Π°ΠΆΠ΄Π°ΡΡΠ΅ΠΉ ΠΆΠΈΠ΄ΠΊΠΎΡΡΠΈ.
ΠΠΎΡΡΠΎΠΌΡ ΡΠ°Π· Π² Π³ΠΎΠ΄ ΠΏΡΠΎΠΌΡΠ²Π°ΠΉΡΠ΅ ΠΏΡΠΎΠ±ΠΊΡ ΡΠ°ΡΡΠΈΡΠΈΡΠ΅Π»ΡΠ½ΠΎΠ³ΠΎ Π±Π°ΡΠΊΠ° ΠΏΡΠΎΡΠΎΡΠ½ΠΎΠΉ Π²ΠΎΠ΄ΠΎΠΉ, Π° ΠΊΠ»Π°ΠΏΠ°Π½ ΠΏΡΠΎΠ²Π΅ΡΡΠΉΡΠ΅ Π½Π° ΠΎΡΡΡΡΡΡΠ²ΠΈΠ΅ Π·Π°ΠΊΠ»ΠΈΠ½ΠΈΠ²Π°Π½ΠΈΡ Π½Π°ΠΆΠ°ΡΠΈΠ΅ΠΌ ΡΠΎΠ½ΠΊΠΎΠΉ ΠΎΡΠ²Π΅ΡΡΠΊΠΎΠΉ.
ΠΡΠ»ΠΈ ΠΏΠΎΡΠ²ΠΈΠ»ΠΈΡΡ ΡΠΎΠΌΠ½Π΅Π½ΠΈΡ Π² Π΅Π³ΠΎ ΠΈΡΠΏΡΠ°Π²Π½ΠΎΡΡΠΈ, Π·Π°ΠΌΠ΅Π½ΠΈΡΠ΅ ΠΏΡΠΎΠ±ΠΊΡ.
ΠΠΎΠ΄ΡΠ½ΠΎΠΉ Π½Π°ΡΠΎΡ ΡΠΈΡΡΠ΅ΠΌΡ ΠΎΡ Π»Π°ΠΆΠ΄Π΅Π½ΠΈΡ Π΄Π²ΠΈΠ³Π°ΡΠ΅Π»Ρ Cummins ISF2.8 Π½Π° Π°Π²ΡΠΎΠΌΠΎΠ±ΠΈΠ»Π΅ ΠΠ°Π·Π΅Π»Ρ NEXT.
ΠΠΎΠ΄ΡΠ½ΠΎΠΉ Π½Π°ΡΠΎΡ ΡΠ΅Π½ΡΡΠΎΠ±Π΅ΠΆΠ½ΠΎΠ³ΠΎ ΡΠΈΠΏΠ° ΠΎΠ±Π΅ΡΠΏΠ΅ΡΠΈΠ²Π°Π΅Ρ ΠΏΡΠΈΠ½ΡΠ΄ΠΈΡΠ΅Π»ΡΠ½ΡΡ ΡΠΈΡΠΊΡΠ»ΡΡΠΈΡ ΠΆΠΈΠ΄ΠΊΠΎΡΡΠΈ Π² ΡΠΈΡΡΠ΅ΠΌΠ΅ ΠΎΡ Π»Π°ΠΆΠ΄Π΅Π½ΠΈΡ. ΠΠ½ ΡΡΡΠ°Π½ΠΎΠ²Π»Π΅Π½ Π½Π° ΠΏΠ΅ΡΠ΅Π΄Π½Π΅ΠΉ ΠΊΡΡΡΠΊΠ΅ Π±Π»ΠΎΠΊΠ° ΡΠΈΠ»ΠΈΠ½Π΄ΡΠΎΠ² ΠΈ ΠΏΡΠΈΠ²ΠΎΠ΄ΠΈΡΡΡ Π²ΠΎ Π²ΡΠ°ΡΠ΅Π½ΠΈΠ΅ ΠΏΠΎΠ»ΠΈΠΊΠ»ΠΈΠ½ΠΎΠ²ΡΠΌ ΡΠ΅ΠΌΠ½Π΅ΠΌ ΠΏΡΠΈΠ²ΠΎΠ΄Π° Π²ΡΠΏΠΎΠΌΠΎΠ³Π°ΡΠ΅Π»ΡΠ½ΡΡ Π°Π³ΡΠ΅Π³Π°ΡΠΎΠ². ΠΠ°Π» ΠΊΡΡΠ»ΡΡΠ°ΡΠΊΠΈ Π½Π°ΡΠΎΡΠ° ΡΡΡΠ°Π½ΠΎΠ²Π»Π΅Π½ Π² Π·Π°ΠΊΡΡΡΠΎΠΌ ΠΏΠΎΠ΄ΡΠΈΠΏΠ½ΠΈΠΊΠ΅, Π½Π΅ Π½ΡΠΆΠ΄Π°ΡΡΠ΅ΠΌΡΡ Π² ΠΏΠΎΠΏΠΎΠ»Π½Π΅Π½ΠΈΠΈ ΡΠΌΠ°Π·ΠΊΠΈ Π² ΡΠ΅ΡΠ΅Π½ΠΈΠ΅ Π²ΡΠ΅Π³ΠΎ ΡΡΠΎΠΊΠ° ΡΠ»ΡΠΆΠ±Ρ. ΠΠ°ΡΠΎΡ ΡΠ΅ΠΌΠΎΠ½ΡΡ Π½Π΅ ΠΏΠΎΠ΄Π»Π΅ΠΆΠΈΡ. ΠΡΠΈ ΠΎΡΠΊΠ°Π·Π΅ (ΡΠ΅ΡΡ ΠΆΠΈΠ΄ΠΊΠΎΡΡΠΈ ΠΈΠ»ΠΈ ΠΏΠΎΠ²ΡΠ΅ΠΆΠ΄Π΅Π½ΠΈΠ΅ ΠΏΠΎΠ΄ΡΠΈΠΏΠ½ΠΈΠΊΠ°) Π΅Π³ΠΎ Π·Π°ΠΌΠ΅Π½ΡΡΡ Π² ΡΠ±ΠΎΡΠ΅.
Π’Π΅ΡΠΌΠΎΡΡΠ°Ρ ΡΠΈΡΡΠ΅ΠΌΡ ΠΎΡ Π»Π°ΠΆΠ΄Π΅Π½ΠΈΡ Π΄Π²ΠΈΠ³Π°ΡΠ΅Π»Ρ Cummins ISF2.8 Π½Π° Π°Π²ΡΠΎΠΌΠΎΠ±ΠΈΠ»Π΅ ΠΠ°Π·Π΅Π»Ρ NEXT.
Π’Π΅ΡΠΌΠΎΡΡΠ°Ρ Ρ ΡΠ²Π΅ΡΠ΄ΡΠΌ ΡΠ΅ΡΠΌΠΎΡΡΠ²ΡΡΠ²ΠΈΡΠ΅Π»ΡΠ½ΡΠΌ Π½Π°ΠΏΠΎΠ»Π½ΠΈΡΠ΅Π»Π΅ΠΌ ΠΏΠΎΠ΄Π΄Π΅ΡΠΆΠΈΠ²Π°Π΅Ρ Π½ΠΎΡΠΌΠ°Π»ΡΠ½ΡΡ ΡΠ°Π±ΠΎΡΡΡ ΡΠ΅ΠΌΠΏΠ΅ΡΠ°ΡΡΡΡ ΠΎΡ
Π»Π°ΠΆΠ΄Π°ΡΡΠ΅ΠΉ ΠΆΠΈΠ΄ΠΊΠΎΡΡΠΈ ΠΈ ΡΠΎΠΊΡΠ°ΡΠ°Π΅Ρ Π²ΡΠ΅ΠΌΡ ΠΏΡΠΎΠ³ΡΠ΅Π²Π° Π΄Π²ΠΈΠ³Π°ΡΠ΅Π»Ρ. Π‘Π°ΠΌ ΡΠ΅ΡΠΌΠΎΡΡΠ°Ρ ΡΡΡΠ°Π½ΠΎΠ²Π»Π΅Π½ Π² ΠΊΠΎΡΠΏΡΡΠ΅, Π·Π°ΠΊΡΠ΅ΠΏΠ»Π΅Π½Π½ΠΎΠΌ Π½Π° Π±Π»ΠΎΠΊΠ΅ ΡΠΈΠ»ΠΈΠ½Π΄ΡΠΎΠ². ΠΡΠΈ ΡΠ΅ΠΌΠΏΠ΅ΡΠ°ΡΡΡΠ΅ ΠΎΡ
Π»Π°ΠΆΠ΄Π°ΡΡΠ΅ΠΉ ΠΆΠΈΠ΄ΠΊΠΎΡΡΠΈ Π΄ΠΎ 82 Π³ΡΠ°Π΄ΡΡΠΎΠ², ΡΠ΅ΡΠΌΠΎΡΡΠ°Ρ ΠΏΠΎΠ»Π½ΠΎΡΡΡΡ Π·Π°ΠΊΡΡΡ ΠΈ ΠΆΠΈΠ΄ΠΊΠΎΡΡΡ ΡΠΈΡΠΊΡΠ»ΠΈΡΡΠ΅Ρ ΠΏΠΎ ΠΌΠ°Π»ΠΎΠΌΡ ΠΊΠΎΠ½ΡΡΡΡ, ΠΌΠΈΠ½ΡΡ ΡΠ°Π΄ΠΈΠ°ΡΠΎΡ.
ΠΡΠΎ ΡΡΠΊΠΎΡΡΠ΅Ρ ΠΏΡΠΎΠ³ΡΠ΅Π² Π΄Π²ΠΈΠ³Π°ΡΠ΅Π»Ρ.
ΠΡΠΈ ΡΠ΅ΠΌΠΏΠ΅ΡΠ°ΡΡΡΠ΅ ΠΎΡ Π»Π°ΠΆΠ΄Π°ΡΡΠ΅ΠΉ ΠΆΠΈΠ΄ΠΊΠΎΡΡΠΈ Π²ΡΡΠ΅ 82 Π³ΡΠ°Π΄ΡΡΠΎΠ², ΡΠ΅ΡΠΌΠΎΡΡΠ°Ρ Π½Π°ΡΠΈΠ½Π°Π΅Ρ ΠΎΡΠΊΡΡΠ²Π°ΡΡΡΡ. ΠΡΠΈ ΡΠ΅ΠΌΠΏΠ΅ΡΠ°ΡΡΡΠ΅ 95 Π³ΡΠ°Π΄ΡΡΠΎΠ² ΠΎΠ½ ΠΎΡΠΊΡΡΠ²Π°Π΅ΡΡΡ ΠΏΠΎΠ»Π½ΠΎΡΡΡΡ, ΠΎΠ±Π΅ΡΠΏΠ΅ΡΠΈΠ²Π°Ρ ΡΠΈΡΠΊΡΠ»ΡΡΠΈΡ ΠΆΠΈΠ΄ΠΊΠΎΡΡΠΈ ΡΠ΅ΡΠ΅Π· ΡΠ°Π΄ΠΈΠ°ΡΠΎΡ.
ΠΠ΅Π½ΡΠΈΠ»ΡΡΠΎΡ ΡΠΈΡΡΠ΅ΠΌΡ ΠΎΡ Π»Π°ΠΆΠ΄Π΅Π½ΠΈΡ Π΄Π²ΠΈΠ³Π°ΡΠ΅Π»Ρ Cummins ISF2.8 Π½Π° Π°Π²ΡΠΎΠΌΠΎΠ±ΠΈΠ»Π΅ ΠΠ°Π·Π΅Π»Ρ NEXT.
ΠΠ΅Π½ΡΠΈΠ»ΡΡΠΎΡ Ρ ΠΏΠ»Π°ΡΡΠΈΠΊΠΎΠ²ΠΎΠΉ ΠΊΡΡΠ»ΡΡΠ°ΡΠΊΠΎΠΉ ΠΎΠ±Π΅ΡΠΏΠ΅ΡΠΈΠ²Π°Π΅Ρ ΠΏΡΠΎΠ΄ΡΠ²ΠΊΡ ΡΠ°Π΄ΠΈΠ°ΡΠΎΡΠ° Π²ΠΎΠ·Π΄ΡΡ ΠΎΠΌ ΠΏΡΠΈ Π½Π΅Π±ΠΎΠ»ΡΡΠΈΡ ΡΠΊΠΎΡΠΎΡΡΡΡ Π΄Π²ΠΈΠΆΠ΅Π½ΠΈΡ Π°Π²ΡΠΎΠΌΠΎΠ±ΠΈΠ»Ρ ΠΏΡΠ΅ΠΈΠΌΡΡΠ΅ΡΡΠ²Π΅Π½Π½ΠΎ Π² Π³ΠΎΡΠΎΠ΄ΡΠΊΠΈΡ ΡΡΠ»ΠΎΠ²ΠΈΡΡ . ΠΠ»ΠΈ Π½Π° Π³ΠΎΡΠ½ΡΡ Π΄ΠΎΡΠΎΠ³Π°Ρ , ΠΊΠΎΠ³Π΄Π° Π²ΡΡΡΠ΅ΡΠ½ΡΠΉ ΠΏΠΎΡΠΎΠΊ Π²ΠΎΠ·Π΄ΡΡ Π° Π½Π΅Π΄ΠΎΡΡΠ°ΡΠΎΡΠ΅Π½ Π΄Π»Ρ ΠΎΡ Π»Π°ΠΆΠ΄Π΅Π½ΠΈΡ ΡΠ°Π΄ΠΈΠ°ΡΠΎΡΠ°. ΠΠ΅Π½ΡΠΈΠ»ΡΡΠΎΡ ΡΡΡΠ°Π½ΠΎΠ²Π»Π΅Π½ Π½Π° ΠΏΠ΅ΡΠ΅Π΄Π½Π΅ΠΉ ΠΊΡΡΡΠΊΠ΅ ΠΆΠΈΠ΄ΠΊΠΎΡΡΠ½ΠΎ-ΡΡΠΈΠΊΡΠΈΠΎΠ½Π½ΠΎΠΉ ΠΌΡΡΡΡ ΠΈ ΠΊΡΠ΅ΠΏΠΈΡΡΡ ΠΊ Π½Π΅ΠΉ ΡΠ΅ΡΡΡΡΠΌΡ Π±ΠΎΠ»ΡΠ°ΠΌΠΈ.
Π§Π°ΡΡΠΎΡΠ° Π²ΡΠ°ΡΠ΅Π½ΠΈΡ Π²Π΅Π½ΡΠΈΠ»ΡΡΠΎΡΠ° ΠΎΠΏΡΠ΅Π΄Π΅Π»ΡΠ΅ΡΡΡ ΡΠ°Π±ΠΎΡΠΎΠΉ ΠΌΡΡΡΡ ΠΈ Π·Π°Π²ΠΈΡΠΈΡ ΠΎΡ ΡΠ΅ΠΌΠΏΠ΅ΡΠ°ΡΡΡΡ ΠΏΠΎΡΠΎΠΊΠ° Π²ΠΎΠ·Π΄ΡΡ
Π°, ΠΏΡΠΎΡ
ΠΎΠ΄ΡΡΠ΅Π³ΠΎ ΡΠ΅ΡΠ΅Π· ΡΠ°Π΄ΠΈΠ°ΡΠΎΡ ΡΠΈΡΡΠ΅ΠΌΡ ΠΎΡ
Π»Π°ΠΆΠ΄Π΅Π½ΠΈΡ Π΄Π²ΠΈΠ³Π°ΡΠ΅Π»Ρ. ΠΠ»Ρ ΠΏΠΎΠ²ΡΡΠ΅Π½ΠΈΡ ΡΡΡΠ΅ΠΊΡΠΈΠ²Π½ΠΎΡΡΠΈ ΡΠ°Π±ΠΎΡΡ ΠΊΡΡΠ»ΡΡΠ°ΡΠΊΠ° ΡΠ°ΡΠΏΠΎΠ»ΠΎΠΆΠ΅Π½Π° Π² Π΄ΠΈΡΡΡΠ·ΠΎΡΠ΅. ΠΠ΅ΡΡ
Π½ΡΡ ΠΏΠΎΠ»ΠΎΠ²ΠΈΠ½Π° Π΄ΠΈΡΡΡΠ·ΠΎΡΠ° Π·Π°ΠΊΡΠ΅ΠΏΠ»Π΅Π½Π° Π½Π° ΡΠ°Π΄ΠΈΠ°ΡΠΎΡΠ΅ ΠΎΡ
Π»Π°ΠΆΠ΄Π΅Π½ΠΈΡ, Π° Π½ΠΈΠΆΠ½ΡΡ Π½Π° ΠΎΡ
Π»Π°Π΄ΠΈΡΠ΅Π»Π΅ Π½Π°Π΄Π΄ΡΠ²ΠΎΡΠ½ΠΎΠ³ΠΎ Π²ΠΎΠ·Π΄ΡΡ
Π°.
ΠΠΈΠ΄ΠΊΠΎΡΡΠ½ΠΎ-ΡΡΠΈΠΊΡΠΈΠΎΠ½Π½Π°Ρ ΠΌΡΡΡΠ° Π²Π΅Π½ΡΠΈΠ»ΡΡΠΎΡΠ° (Π²ΠΈΡΠΊΠΎΠΌΡΡΡΠ°) ΡΠΈΡΡΠ΅ΠΌΡ ΠΎΡ Π»Π°ΠΆΠ΄Π΅Π½ΠΈΡ Π΄Π²ΠΈΠ³Π°ΡΠ΅Π»Ρ Cummins ISF2.8 Π½Π° Π°Π²ΡΠΎΠΌΠΎΠ±ΠΈΠ»Π΅ ΠΠ°Π·Π΅Π»Ρ NEXT.
ΠΠΈΠ΄ΠΊΠΎΡΡΠ½ΠΎ-ΡΡΠΈΠΊΡΠΈΠΎΠ½Π½Π°Ρ ΠΌΡΡΡΠ° Π²Π΅Π½ΡΠΈΠ»ΡΡΠΎΡΠ° (Π²ΠΈΡΠΊΠΎΠΌΡΡΡΠ°) ΡΡΡΠ°Π½ΠΎΠ²Π»Π΅Π½Π° Π½Π° ΠΎΠΏΠΎΡΠ΅ ΠΈ ΠΏΡΠΈΠΊΡΠ΅ΠΏΠ»Π΅Π½Π° ΠΊ Π½Π΅ΠΉ ΡΠ΅Π·ΡΠ±ΠΎΠ²ΠΎΠΉ Π²ΡΡΠ»ΠΊΠΎΠΉ, ΠΠΈΠ΄ΠΊΠΎΡΡΠ½ΠΎ-ΡΡΠΈΠΊΡΠΈΠΎΠ½Π½Π°Ρ ΠΌΡΡΡΠ° ΠΏΠΎΠ·Π²ΠΎΠ»ΡΠ΅Ρ ΠΈΠ·ΠΌΠ΅Π½ΡΡΡ ΡΠ°ΡΡΠΎΡΡ Π²ΡΠ°ΡΠ΅Π½ΠΈΡ Π²Π΅Π½ΡΠΈΠ»ΡΡΠΎΡΠ° Π² Π·Π°Π²ΠΈΡΠΈΠΌΠΎΡΡΠΈ ΠΎΡ ΡΠ΅ΠΌΠΏΠ΅ΡΠ°ΡΡΡΡ ΠΏΠΎΡΠΎΠΊΠ° Π²ΠΎΠ·Π΄ΡΡ Π°, ΠΏΡΠΎΡ ΠΎΠ΄ΡΡΠ΅Π³ΠΎ ΡΠ΅ΡΠ΅Π· ΡΠ°Π΄ΠΈΠ°ΡΠΎΡ ΡΠΈΡΡΠ΅ΠΌΡ ΠΎΡ Π»Π°ΠΆΠ΄Π΅Π½ΠΈΡ. Π’Π°ΠΊ, ΠΏΡΠΈ Π½ΠΈΠ·ΠΊΠΎΠΉ ΡΠ΅ΠΌΠΏΠ΅ΡΠ°ΡΡΡΠ΅ ΡΠ°ΡΡΠΎΡΠ° Π²ΡΠ°ΡΠ΅Π½ΠΈΡ Π²Π΅Π½ΡΠΈΠ»ΡΡΠΎΡΠ° ΠΌΠΈΠ½ΠΈΠΌΠ°Π»ΡΠ½Π°, ΠΏΠΎ ΠΌΠ΅ΡΠ΅ ΠΏΠΎΠ²ΡΡΠ΅Π½ΠΈΡ ΡΠ΅ΠΌΠΏΠ΅ΡΠ°ΡΡΡΡ Π΅Π³ΠΎ ΡΠ°ΡΡΠΎΡΠ° ΠΏΠΎΠ²ΡΡΠ°Π΅ΡΡΡ.
Π ΠΎΡΠΎΡ Π²ΠΈΡΠΊΠΎΠΌΡΡΡΡ Π½Π΅ ΡΠ²ΡΠ·Π°Π½ ΠΆΠ΅ΡΡΠΊΠΎ Ρ ΠΊΠΎΡΠΏΡΡΠΎΠΌ, Π½Π° ΠΊΠΎΡΠΎΡΠΎΠΌ ΡΡΡΠ°Π½ΠΎΠ²Π»Π΅Π½ Π²Π΅Π½ΡΠΈΠ»ΡΡΠΎΡ, Π° ΠΌΠΎΠΌΠ΅Π½Ρ ΠΏΠ΅ΡΠ΅Π΄Π°Π΅ΡΡΡ Π·Π° ΡΡΠ΅Ρ Π²Π½ΡΡΡΠ΅Π½Π½Π΅Π³ΠΎ ΡΡΠ΅Π½ΠΈΡ ΡΠ°Π±ΠΎΡΠ΅ΠΉ ΠΆΠΈΠ΄ΠΊΠΎΡΡΠΈ. Π§Π°ΡΡΠΎΡΠ° Π²ΡΠ°ΡΠ΅Π½ΠΈΡ Π²Π΅Π½ΡΠΈΠ»ΡΡΠΎΡΠ° ΠΈΠ·ΠΌΠ΅Π½ΡΠ΅ΡΡΡ Π·Π° ΡΡΠ΅Ρ ΠΏΠ΅ΡΠ΅ΡΠ΅ΠΊΠ°Π½ΠΈΡ ΠΎΠ±ΡΠ΅ΠΌΠΎΠ² ΠΆΠΈΠ΄ΠΊΠΎΡΡΠΈ ΠΏΠΎ Π²Π½ΡΡΡΠ΅Π½Π½ΠΈΠΌ ΠΏΠΎΠ»ΠΎΡΡΡΠΌ ΠΌΡΡΡΡ. ΠΠ΅ΡΠ΅ΡΠ΅ΠΊΠ°Π½ΠΈΠ΅ ΠΆΠΈΠ΄ΠΊΠΎΡΡΠΈ ΠΏΡΠΎΠΈΡΡ ΠΎΠ΄ΠΈΡ Π² Π·Π°Π²ΠΈΡΠΈΠΌΠΎΡΡΠΈ ΠΎΡ ΠΎΡΠΊΡΡΡΠΈΡ ΠΈΠ»ΠΈ Π·Π°ΠΊΡΡΡΠΈΡ Π²Π½ΡΡΡΠ΅Π½Π½ΠΈΡ ΠΊΠ°Π½Π°Π»ΠΎΠ² ΠΌΡΡΡΡ ΠΈ ΡΠ΅Π³ΡΠ»ΠΈΡΡΠ΅ΡΡΡ ΠΏΠ΅ΡΠ΅ΠΌΠ΅ΡΠ΅Π½ΠΈΠ΅ΠΌ ΠΏΠ»Π°ΡΡΠΈΠ½ΡΠ°ΡΠΎΠ³ΠΎ ΠΊΠ»Π°ΠΏΠ°Π½Π°.
Π Π·Π°Π²ΠΈΡΠΈΠΌΠΎΡΡΠΈ ΠΎΡ ΡΠ΅ΠΌΠΏΠ΅ΡΠ°ΡΡΡΡ ΠΏΠΎΠ΄ Π²ΠΎΠ·Π΄Π΅ΠΉΡΡΠ²ΠΈΠ΅ΠΌ Π±ΠΈΠΌΠ΅ΡΠ°Π»Π»ΠΈΡΠ΅ΡΠΊΠΎΠΉ ΠΏΡΡΠΆΠΈΠ½Ρ ΠΏΠΎΠ»ΠΎΠΆΠ΅Π½ΠΈΠ΅ ΠΊΠ»Π°ΠΏΠ°Π½Π° ΠΈΠ·ΠΌΠ΅Π½ΡΠ΅ΡΡΡ.
ΠΠΈΠΌΠ΅ΡΠ°Π»Π»ΠΈΡΠ΅ΡΠΊΠ°Ρ ΠΏΡΡΠΆΠΈΠ½Π° ΡΡΡΠ°Π½ΠΎΠ²Π»Π΅Π½Π° ΡΠ½Π°ΡΡΠΆΠΈ ΠΌΡΡΡΡ Π² Π΅Π΅ ΠΏΠ΅ΡΠ΅Π΄Π½Π΅ΠΉ ΡΠ°ΡΡΠΈ. Π§Π°ΡΡΠΎΡΠ° Π²ΡΠ°ΡΠ΅Π½ΠΈΡ Π²Π΅Π½ΡΠΈΠ»ΡΡΠΎΡΠ°, ΡΡΡΠ°Π½ΠΎΠ²Π»Π΅Π½Π½ΠΎΠ³ΠΎ Π½Π° ΠΊΠΎΡΠΏΡΡΠ΅ Π²ΠΈΡΠΊΠΎΠΌΡΡΡΡ, ΡΠ°ΡΡΠ΅Ρ ΠΏΠΎ ΠΌΠ΅ΡΠ΅ ΠΏΠΎΠ²ΡΡΠ΅Π½ΠΈΡ ΡΠ΅ΠΌΠΏΠ΅ΡΠ°ΡΡΡΡ Π²ΠΎΠ·Π΄ΡΡ
Π° ΠΈ ΡΡΠ°Π½ΠΎΠ²ΠΈΡΡΡ ΡΠ°Π²Π½ΠΎΠΉ ΡΠ°ΡΡΠΎΡΠ΅ Π²ΡΠ°ΡΠ΅Π½ΠΈΡ ΠΊΠΎΠ»Π΅Π½ΡΠ°ΡΠΎΠ³ΠΎ Π²Π°Π»Π° Π΄Π²ΠΈΠ³Π°ΡΠ΅Π»Ρ. ΠΡΠΈ ΡΠ½ΠΈΠΆΠ΅Π½ΠΈΠΈ ΡΠ΅ΠΌΠΏΠ΅ΡΠ°ΡΡΡΡ ΡΠ°ΡΡΠΎΡΠ° Π²ΡΠ°ΡΠ΅Π½ΠΈΡ Π²Π΅Π½ΡΠΈΠ»ΡΡΠΎΡΠ° ΡΠΌΠ΅Π½ΡΡΠ°Π΅ΡΡΡ.
ΠΡΠ½ΠΎΠ²Π½ΡΠ΅ ΡΠ΅Ρ Π½ΠΈΡΠ΅ΡΠΊΠΈΠ΅ Ρ Π°ΡΠ°ΠΊΡΠ΅ΡΠΈΡΡΠΈΠΊΠΈ ΠΆΠΈΠ΄ΠΊΠΎΡΡΠ½ΠΎ-ΡΡΠΈΠΊΡΠΈΠΎΠ½Π½ΠΎΠΉ ΠΌΡΡΡΡ (Π²ΠΈΡΠΊΠΎΠΌΡΡΡΡ) ΡΠΈΡΡΠ΅ΠΌΡ ΠΎΡ Π»Π°ΠΆΠ΄Π΅Π½ΠΈΡ Π΄Π²ΠΈΠ³Π°ΡΠ΅Π»Ρ Cummins ISF2.8 Π½Π° Π°Π²ΡΠΎΠΌΠΎΠ±ΠΈΠ»Π΅ ΠΠ°Π·Π΅Π»Ρ NEXT.
β ΠΠ°ΠΏΡΠ°Π²Π»Π΅Π½ΠΈΠ΅ Π²ΡΠ°ΡΠ΅Π½ΠΈΡ: ΠΠ΅Π²ΠΎΠ΅
β Π’Π΅ΠΌΠΏΠ΅ΡΠ°ΡΡΡΠ° Π²ΠΊΠ»ΡΡΠ΅Π½ΠΈΡ, Π³ΡΠ°Π΄ΡΡΠΎΠ²: 77-83
β Π’Π΅ΠΌΠΏΠ΅ΡΠ°ΡΡΡΠ° Π²ΡΠΊΠ»ΡΡΠ΅Π½ΠΈΡ, Π³ΡΠ°Π΄ΡΡΠΎΠ²: 65
β Π§Π°ΡΡΠΎΡΠ° Π²ΡΠ°ΡΠ΅Π½ΠΈΡ Π²Π΅Π½ΡΠΈΠ»ΡΡΠΎΡΠ° Ρ Π²ΠΊΠ»ΡΡΠ΅Π½Π½ΠΎΠΉ ΠΌΡΡΡΠΎΠΉ, ΠΎΠ±/ΠΌΠΈΠ½, Π½Π΅ ΠΌΠ΅Π½Π΅Π΅: 3900
β Π§Π°ΡΡΠΎΡΠ° Π²ΡΠ°ΡΠ΅Π½ΠΈΡ Π²Π΅Π½ΡΠΈΠ»ΡΡΠΎΡΠ° Ρ Π²ΡΠΊΠ»ΡΡΠ΅Π½Π½ΠΎΠΉ ΠΌΡΡΡΠΎΠΉ, ΠΎΠ±/ΠΌΠΈΠ½, Π½Π΅ Π±ΠΎΠ»Π΅Π΅: 1200
β ΠΠΎΠΏΡΡΡΠΈΠΌΡΠΉ ΡΡΠ°ΡΠΈΡΠ΅ΡΠΊΠΈΠΉ Π΄ΠΈΡΠ±Π°Π»Π°Π½Ρ, Π³ΡΠΌ: 45
ΠΡΠΎΠ²Π΅ΡΠΊΠ° ΠΆΠΈΠ΄ΠΊΠΎΡΡΠ½ΠΎ-ΡΡΠΈΠΊΡΠΈΠΎΠ½Π½ΠΎΠΉ ΠΌΡΡΡΡ (Π²ΠΈΡΠΊΠΎΠΌΡΡΡΡ) ΡΠΈΡΡΠ΅ΠΌΡ ΠΎΡ Π»Π°ΠΆΠ΄Π΅Π½ΠΈΡ Π΄Π²ΠΈΠ³Π°ΡΠ΅Π»Ρ Cummins ISF2.8 Π½Π° Π°Π²ΡΠΎΠΌΠΎΠ±ΠΈΠ»Π΅ ΠΠ°Π·Π΅Π»Ρ NEXT.
ΠΠ΄Π½ΠΎΠΉ ΠΈΠ· ΠΏΡΠΈΡΠΈΠ½ ΠΏΠ΅ΡΠ΅Π³ΡΠ΅Π²Π° Π΄Π²ΠΈΠ³Π°ΡΠ΅Π»Ρ Cummins ISF2.8 Π½Π° Π°Π²ΡΠΎΠΌΠΎΠ±ΠΈΠ»Π΅ ΠΠ°Π·Π΅Π»Ρ NEXT, ΠΎΡΠΎΠ±Π΅Π½Π½ΠΎ ΠΏΡΠΈ Π΄Π²ΠΈΠΆΠ΅Π½ΠΈΠΈ Π² ΡΡΠΆΠ΅Π»ΡΡ
Π΄ΠΎΡΠΎΠΆΠ½ΡΡ
ΡΡΠ»ΠΎΠ²ΠΈΡΡ
ΠΈΠ»ΠΈ ΠΏΡΠΎΠ±ΠΊΠ΅, ΠΌΠΎΠΆΠ΅Ρ Π±ΡΡΡ Π²ΡΡ
ΠΎΠ΄ ΠΈΠ· ΡΡΡΠΎΡ ΠΆΠΈΠ΄ΠΊΠΎΡΡΠ½ΠΎ-ΡΡΠΈΠΊΡΠΈΠΎΠ½Π½ΠΎΠΉ ΠΌΡΡΡΡ Π²Π΅Π½ΡΠΈΠ»ΡΡΠΎΡΠ° ΡΠ°Π΄ΠΈΠ°ΡΠΎΡΠ°.
ΠΠ»Ρ ΠΏΡΠΎΠ²Π΅ΡΠΊΠΈ Π²ΠΈΡΠΊΠΎΠΌΡΡΡΡ ΡΠΈΡΡΠ΅ΠΌΡ ΠΎΡ Π»Π°ΠΆΠ΄Π΅Π½ΠΈΡ Π΄Π²ΠΈΠ³Π°ΡΠ΅Π»Ρ Cummins ISF2.8 ΠΏΡΠΈ Π½Π΅ΡΠ°Π±ΠΎΡΠ°ΡΡΠ΅ΠΌ Π΄Π²ΠΈΠ³Π°ΡΠ΅Π»Π΅:
β ΠΡΠΎΠ²Π΅ΡΡΡΠ΅ Π»Π΅Π³ΠΊΠΎΡΡΡ Ρ
ΠΎΠ΄Π° Π²Π΅Π½ΡΠΈΠ»ΡΡΠΎΡΠ°.
β ΠΡΠΎΠ²Π΅ΡΡΡΠ΅, ΡΡΠΎΠ±Ρ Ρ Π²Π΅Π½ΡΠΈΠ»ΡΡΠΎΡΠ° Π½Π΅ Π±ΡΠ»ΠΎ ΡΠΈΠ»ΡΠ½ΡΡ
ΠΎΡΠ΅Π²ΡΡ
ΠΈ ΡΠ°Π΄ΠΈΠ°Π»ΡΠ½ΡΡ
Π»ΡΡΡΠΎΠ².
β Π£Π±Π΅Π΄ΠΈΡΠ΅ΡΡ Π² ΠΎΡΡΡΡΡΡΠ²ΠΈΠΈ Π½Π° ΠΌΡΡΡΠ΅ ΡΠ»Π΅Π΄ΠΎΠ² ΠΌΠ°ΡΠ»Π°. ΠΡΠ»ΠΈ ΡΠ»Π΅Π΄Ρ ΠΌΠ°ΡΠ»Π° Π΅ΡΡΡ, Π²ΠΈΡΠΊΠΎΠΌΡΡΡΠ° ΠΏΠΎΠ΄Π»Π΅ΠΆΠΈΡ Π·Π°ΠΌΠ΅Π½Π΅.
ΠΠ° ΠΏΡΠΎΠ³ΡΠ΅ΡΠΎΠΌ Π΄Π²ΠΈΠ³Π°ΡΠ΅Π»Π΅ (ΠΊΠ°ΠΏΠΎΡ Π·Π°ΠΊΡΡΡ) ΡΡΡΠ°Π½ΠΎΠ²ΠΈΡΠ΅ ΡΠ°ΡΡΠΎΡΡ Π²ΡΠ°ΡΠ΅Π½ΠΈΡ ΠΊΠΎΠ»Π΅Π½ΡΠ°ΡΠΎΠ³ΠΎ Π²Π°Π»Π° Π΄Π²ΠΈΠ³Π°ΡΠ΅Π»Ρ ΠΏΡΠΈΠΌΠ΅ΡΠ½ΠΎ 3000 ΠΎΠ±/ΠΌΠΈΠ½. ΠΡΡΠ»ΡΡΠ°ΡΠΊΠ° Π²Π΅Π½ΡΠΈΠ»ΡΡΠΎΡΠ° ΠΏΡΠΈ ΡΡΠΎΠΌ Π±ΡΠ΄Π΅Ρ Π²ΡΠ°ΡΠ°ΡΡΡΡ Ρ Π½Π΅Π±ΠΎΠ»ΡΡΠΎΠΉ ΡΠΊΠΎΡΠΎΡΡΡΡ Π·Π° ΡΡΠ΅Ρ Π½Π΅Π±ΠΎΠ»ΡΡΠΎΠ³ΠΎ ΠΎΡΡΠ°ΡΠΎΡΠ½ΠΎΠ³ΠΎ Π²ΡΠ°ΡΠ°ΡΡΠ΅Π³ΠΎ ΠΌΠΎΠΌΠ΅Π½ΡΠ°. ΠΡΠΈ ΡΠ΅ΠΌΠΏΠ΅ΡΠ°ΡΡΡΠ΅ ΠΎΡ Π»Π°ΠΆΠ΄Π°ΡΡΠ΅ΠΉ ΠΆΠΈΠ΄ΠΊΠΎΡΡΠΈ 80-85 Π³ΡΠ°Π΄ΡΡΠΎΠ² Π²ΠΈΡΠΊΠΎΠΌΡΡΡΠ° Π΄ΠΎΠ»ΠΆΠ½Π° Π½Π°ΡΠ°ΡΡ ΡΠ°Π±ΠΎΡΡ. Π‘ΠΊΠΎΡΠΎΡΡΡ Π²ΡΠ°ΡΠ΅Π½ΠΈΡ Π²Π΅Π½ΡΠΈΠ»ΡΡΠΎΡΠ° ΡΠΈΠ»ΡΠ½ΠΎ ΡΠ²Π΅Π»ΠΈΡΠΈΡΡΡ. ΠΠ±ΡΡΠ½ΠΎ ΡΡΠΎ ΠΎΠΏΡΠ΅Π΄Π΅Π»ΡΠ΅ΡΡΡ ΠΏΠΎ ΡΡΠΈΠ»ΠΈΠ²ΡΠ΅ΠΌΡΡΡ ΡΡΠΌΡ.
ΠΡΠ΅Π΄ΠΏΡΡΠΊΠΎΠ²ΠΎΠΉ ΠΏΠΎΠ΄ΠΎΠ³ΡΠ΅Π²Π°ΡΠ΅Π»Ρ-Π΄ΠΎΠ³ΡΠ΅Π²Π°ΡΠ΅Π»Ρ ΡΠΈΡΡΠ΅ΠΌΡ ΠΎΡ Π»Π°ΠΆΠ΄Π΅Π½ΠΈΡ Π΄Π²ΠΈΠ³Π°ΡΠ΅Π»Ρ Cummins ISF2.8 Π½Π° Π°Π²ΡΠΎΠΌΠΎΠ±ΠΈΠ»Π΅ ΠΠ°Π·Π΅Π»Ρ NEXT.
ΠΡΠ΅Π΄ΠΏΡΡΠΊΠΎΠ²ΠΎΠΉ ΠΏΠΎΠ΄ΠΎΠ³ΡΠ΅Π²Π°ΡΠ΅Π»Ρ-Π΄ΠΎΠ³ΡΠ΅Π²Π°ΡΠ΅Π»Ρ ΡΡΡΠ°Π½Π°Π²Π»ΠΈΠ²Π°ΡΡ Π² ΠΏΡΠ°Π²ΠΎΠΉ ΠΏΠΎΠ»ΠΎΡΡΠΈ ΠΏΠ΅ΡΠ΅Π΄Π½Π΅Π³ΠΎ Π±Π°ΠΌΠΏΠ΅ΡΠ° Π½Π° Π°Π²ΡΠΎΠΌΠΎΠ±ΠΈΠ»ΠΈ ΠΠ°Π·Π΅Π»Ρ NEXT Π² ΠΊΠΎΠΌΠΏΠ»Π΅ΠΊΡΠ°ΡΠΈΠΈ Β«ΠΠΎΠΌΡΠΎΡΡ-2Β».
Π ΡΠ²ΡΠ·ΠΈ Ρ ΠΊΠΎΠ½ΡΡΡΡΠΊΡΠΈΠ²Π½ΡΠΌΠΈ ΠΎΡΠΎΠ±Π΅Π½Π½ΠΎΡΡΡΠΌΠΈ Π΄ΠΈΠ·Π΅Π»ΡΠ½ΠΎΠ³ΠΎ Π΄Π²ΠΈΠ³Π°ΡΠ΅Π»Ρ Cummins ISF2.8 ΠΏΡΠΈ Π΅Π³ΠΎ Π΄Π»ΠΈΡΠ΅Π»ΡΠ½ΠΎΠΉ ΡΠ°Π±ΠΎΡΠ΅ Π² ΡΠ΅ΠΆΠΈΠΌΠ΅ Ρ
ΠΎΠ»ΠΎΡΡΠΎΠ³ΠΎ Ρ
ΠΎΠ΄Π° (ΠΎΡΠΎΠ±Π΅Π½Π½ΠΎ Π² Ρ
ΠΎΠ»ΠΎΠ΄Π½ΠΎΠ΅ Π²ΡΠ΅ΠΌΡ Π³ΠΎΠ΄Π°) ΡΠ΅ΠΌΠΏΠ΅ΡΠ°ΡΡΡΠ° ΠΎΡ
Π»Π°ΠΆΠ΄Π°ΡΡΠ΅ΠΉ ΠΆΠΈΠ΄ΠΊΠΎΡΡΠΈ ΠΏΠΎΡΡΠ΅ΠΏΠ΅Π½Π½ΠΎ ΡΠ½ΠΈΠΆΠ°Π΅ΡΡΡ Π½ΠΈΠΆΠ΅ Π½ΠΎΡΠΌΡ.
ΠΡΠΎ ΠΏΠΎΠΌΠΈΠΌΠΎ ΠΏΡΠΎΡΠ΅Π³ΠΎ ΠΏΠΎΠ½ΠΈΠΆΠ°Π΅Ρ ΡΡΡΠ΅ΠΊΡΠΈΠ²Π½ΠΎΡΡΡ ΡΠ°Π±ΠΎΡΡ ΠΎΡΠΎΠΏΠΈΡΠ΅Π»Ρ. ΠΠΎΠ³ΡΠ΅Π²Π°ΡΠ΅Π»Ρ ΡΡΡΡΠ°Π½ΡΠ΅Ρ ΡΡΠΎΡ Π½Π΅Π΄ΠΎΡΡΠ°ΡΠΎΠΊ ΠΈ ΠΎΠ΄Π½ΠΎΠ²ΡΠ΅ΠΌΠ΅Π½Π½ΠΎ Π²ΡΠΏΠΎΠ»Π½ΡΠ΅Ρ ΡΡΠ½ΠΊΡΠΈΡ ΠΏΡΠ΅Π΄ΠΏΡΡΠΊΠΎΠ²ΠΎΠ³ΠΎ ΠΏΠΎΠ΄ΠΎΠ³ΡΠ΅Π²Π°ΡΠ΅Π»Ρ. ΠΠ³ΡΠ΅Π³Π°Ρ ΡΠ°Π±ΠΎΡΠ°Π΅Ρ Π½Π° Π΄ΠΈΠ·Π΅Π»ΡΠ½ΠΎΠΌ ΡΠΎΠΏΠ»ΠΈΠ²Π΅, ΠΊΠΎΡΠΎΡΠΎΠ΅ ΠΏΠΎΠ΄Π°Π΅ΡΡΡ Π² Π½Π΅Π³ΠΎ ΠΈΠ· ΡΠΎΠΏΠ»ΠΈΠ²Π½ΠΎΠ³ΠΎ Π±Π°ΠΊΠ° ΡΠΏΠ΅ΡΠΈΠ°Π»ΡΠ½ΡΠΌ Π½Π°ΡΠΎΡΠΎΠΌ-Π΄ΠΎΠ·Π°ΡΠΎΡΠΎΠΌ.
ΠΠ°ΡΠΎΡ-Π΄ΠΎΠ·Π°ΡΠΎΡ ΡΡΡΠ°Π½ΠΎΠ²Π»Π΅Π½ Π½Π° Π²Π½ΡΡΡΠ΅Π½Π½Π΅ΠΉ ΡΡΠΎΡΠΎΠ½Π΅ ΡΠ°ΠΌΡ Π°Π²ΡΠΎΠΌΠΎΠ±ΠΈΠ»Ρ ΠΠ°Π·Π΅Π»Ρ NEXT ΠΈ ΡΠΎΠ΅Π΄ΠΈΠ½Π΅Π½ Ρ ΡΠΎΠΏΠ»ΠΈΠ²Π½ΡΠΌ Π±Π°ΠΊΠΎΠΌ ΠΈ ΠΊΠ°ΠΌΠ΅ΡΠΎΠΉ ΡΠ³ΠΎΡΠ°Π½ΠΈΡ Π΄ΠΎΠ³ΡΠ΅Π²Π°ΡΠ΅Π»Ρ ΡΠΏΠ΅ΡΠΈΠ°Π»ΡΠ½ΡΠΌΠΈ ΠΏΠ»Π°ΡΡΠΈΠΊΠΎΠ²ΡΠΌΠΈ ΡΠΎΠΏΠ»ΠΈΠ²ΠΎΠΏΡΠΎΠ²ΠΎΠ΄Π°ΠΌΠΈ.
Π‘ΠΈΡΡΠ΅ΠΌΠ° ΠΎΡ Π»Π°ΠΆΠ΄Π΅Π½ΠΈΡ Π΄Π²ΠΈΠ³Π°ΡΠ΅Π»Ρ Cummins ISL β ΠΠ»ΠΎΠ³ ΠΎ Π΄Π²ΠΈΠ³Π°ΡΠ΅Π»Π΅ Cummins
Π‘ΠΈΡΡΠ΅ΠΌΠ° ΠΎΡ
Π»Π°ΠΆΠ΄Π΅Π½ΠΈΡ Π½Π΅ΠΎΠ±Ρ
ΠΎΠ΄ΠΈΠΌΠ° Π΄Π»Ρ ΠΏΠΎΠ΄Π΄Π΅ΡΠΆΠ°Π½ΠΈΡ ΡΠ°Π±ΠΎΡΠ΅ΠΉ ΡΠ΅ΠΌΠΏΠ΅ΡΠ°ΡΡΡΡ Π΄Π²ΠΈΠ³Π°ΡΠ΅Π»Ρ Π½Π° Π½ΡΠΆΠ½ΠΎΠΌ Β ΡΡΠΎΠ²Π½Π΅. Π§Π°ΡΡΡ ΡΠ΅ΠΏΠ»Π°, ΠΎΠ±ΡΠ°Π·ΡΡΡΠ΅Π³ΠΎΡΡ Π² Π΄Π²ΠΈΠ³Π°ΡΠ΅Π»Π΅, ΠΏΠΎΠ³Π»ΠΎΡΠ°Π΅Ρ ΠΎΡ
Π»Π°ΠΆΠ΄Π°ΡΡΠ°Ρ ΠΆΠΈΠ΄ΠΊΠΎΡΡΡ, ΠΊΠΎΡΠΎΡΠ°Ρ ΠΏΡΠΎΡ
ΠΎΠ΄ΠΈΡ ΡΠ΅ΡΠ΅Π· ΠΊΠ°Π½Π°Π»Ρ Π² Π±Π»ΠΎΠΊΠ΅ ΠΈ Π³ΠΎΠ»ΠΎΠ²ΠΊΠ΅ Π±Π»ΠΎΠΊΠ° ΡΠΈΠ»ΠΈΠ½Π΄ΡΠΎΠ².
ΠΡΠΎ ΡΠ΅ΠΏΠ»ΠΎ Π·Π°Π±ΠΈΡΠ°Π΅Ρ Π²ΠΎΠ·Π΄ΡΡ
, ΠΊΠΎΠ³Π΄Π° ΠΎΡ
Π»Π°ΠΆΠ΄Π°ΡΡΠ°ΡΒ ΠΆΠΈΠ΄ΠΊΠΎΡΡΡ ΠΏΡΠΎΡ
ΠΎΠ΄ΠΈΡ ΡΠ΅ΡΠ΅Π· ΡΠ°Π΄ΠΈΠ°ΡΠΎΡ.
ΠΠ° Π΄Π²ΠΈΠ³Π°ΡΠ΅Π»ΡΡ Ρ ΡΡΠ°Π΄ΠΈΡΠΈΠΎΠ½Π½ΡΠΌ ΠΎΡ Π»Π°ΠΆΠ΄Π΅Π½ΠΈΠ΅ΠΌ, ΠΎΠ±ΠΎΡΡΠ΄ΠΎΠ²Π°Π½Π½ΡΡ Π°Π²ΡΠΎΠΌΠ°ΡΠΈΡΠ΅ΡΠΊΠΎΠΉ ΡΡΠ°Π½ΡΠΌΠΈΡΡΠΈΠ΅ΠΉ, ΠΎΠ±ΡΡΠ½ΠΎ ΠΈΡΠΏΠΎΠ»ΡΠ·ΡΡΡΡΡ ΠΎΡ Π»Π°Π΄ΠΈΡΠ΅Π»ΠΈ Π³ΠΈΠ΄ΡΠΎΡΡΠ°Π½ΡΡΠΎΡΠΌΠ°ΡΠΎΡΠ° ΡΡΠ°Π½ΡΠΌΠΈΡΡΠΈΠΈ Ρ ΠΎΡ Π»Π°ΠΆΠ΄Π΅Π½ΠΈΠ΅ΠΌ ΠΌΠ°ΡΠ»Π° Π²ΠΎΠ΄ΠΎΠΉ, ΠΊΠΎΡΠΎΡΡΠ΅ ΠΏΠΎΠ΄ΡΠΎΠ΅Π΄ΠΈΠ½Π΅Π½Ρ ΠΌΠ΅ΠΆΠ΄Ρ ΡΠ°Π΄ΠΈΠ°ΡΠΎΡΠΎΠΌ ΠΈ Π²ΠΎΠ΄ΡΠ½ΡΠΌ Π½Π°ΡΠΎΡΠΎΠΌ Π΄Π²ΠΈΠ³Π°ΡΠ΅Π»Ρ.
Π‘ΠΈΡΡΠ΅ΠΌΠ° ΠΎΡ Π»Π°ΠΆΠ΄Π΅Π½ΠΈΡ Π³ΠΈΠ΄ΡΠΎΡΡΠ°Π½ΡΡΠΎΡΠΌΠ°ΡΠΎΡΠ° Ρ ΡΠ΄Π°Π»Π΅Π½Π½ΡΠΌ ΠΏΠ΅ΡΠ΅ΠΏΡΡΠΊΠΎΠΌ Π΄Π°Π΅Ρ Π²ΠΎΠ·ΠΌΠΎΠΆΠ½ΠΎΡΡΡ ΠΎΡ Π»Π°ΠΆΠ΄Π°ΡΡΠ΅ΠΉ ΠΆΠΈΠ΄ΠΊΠΎΡΡΠΈ ΠΏΠΎΡΡΡΠΏΠ°ΡΡ Π½Π° Π³ΠΈΠ΄ΡΠΎΡΡΠ°Π½ΡΡΠΎΡΠΌΠ°ΡΠΎΡ ΠΏΡΠΈ Π·Π°ΠΊΡΡΡΠΎΠΌ ΡΠ΅ΡΠΌΠΎΡΡΠ°ΡΠ΅ (Π½Π° Ρ ΠΎΠ»ΠΎΠ΄Π½ΠΎΠΌ Π΄Π²ΠΈΠ³Π°ΡΠ΅Π»Π΅).
Β
Π Π΄Π°Π½Π½ΡΡ ΠΏΡΠ±Π»ΠΈΠΊΠ°ΡΠΈΡΡ ΠΏΡΠΈΠ²Π΅Π΄Π΅Π½Ρ ΡΠ΅Ρ Π½ΠΈΡΠ΅ΡΠΊΠΈΠ΅ Ρ Π°ΡΠ°ΠΊΡΠ΅ΡΠΈΡΡΠΈΠΊΠΈ ΠΈ ΡΠ΅ΠΊΠΎΠΌΠ΅Π½Π΄Π°ΡΠΈΠΈ ΠΏΠΎ ΡΡΡΠ°Π½ΠΎΠ²ΠΊΠ΅ ΡΠΈΡΡΠ΅ΠΌ ΠΎΡ Π»Π°ΠΆΠ΄Π΅Π½ΠΈΡ, ΠΎΠ΄ΠΎΠ±ΡΠ΅Π½Π½ΡΠ΅ ΡΠΈΡΠΌΠΎΠΉ ΠΠ°ΠΌΠΌΠΈΠ½Π·:
- Π Π΅ΠΊΠΎΠΌΠ΅Π½Π΄Π°ΡΠΈΠΈ ΠΏΠΎ ΡΡΡΠ°Π½ΠΎΠ²ΠΊΠ΅ Π½Π° Π°Π²ΡΠΎΠΌΠΎΠ±ΠΈΠ»ΠΈ (ΡΠΈΡΡΠ΅ΠΌΠ° ΠΎΡ Π»Π°ΠΆΠ΄Π΅Π½ΠΈΡ), ΠΡΠ»Π»Π΅ΡΠ΅Π½Ρ 3382413
- Π Π΅ΠΊΠΎΠΌΠ΅Π½Π΄Π°ΡΠΈΠΈ ΠΏΠΎ ΡΡΡΠ°Π½ΠΎΠ²ΠΊΠ΅ Π½Π° ΡΡΡΠΎΠΈΡΠ΅Π»ΡΠ½ΡΠ΅, Π³ΠΎΡΠ½ΡΠ΅, Π»Π΅ΡΠΎΠ·Π°Π³ΠΎΡΠΎΠ²ΠΈΡΠ΅Π»ΡΠ½ΡΠ΅ ΠΈ ΡΠ΅Π»ΡΡΠΊΠΎΡ ΠΎΠ·ΡΠΉΡΡΠ²Π΅Π½Π½ΡΠ΅ ΠΌΠ°ΡΠΈΠ½Ρ (ΡΠΈΡΡΠ΅ΠΌΠ° ΠΎΡ Π»Π°ΠΆΠ΄Π΅Π½ΠΈΡ), ΠΡΠ»Π»Π΅ΡΠ΅Π½Ρ 3382171
- Π’Π΅Ρ Π½ΠΈΡΠ΅ΡΠΊΠΈΠ΅ Ρ Π°ΡΠ°ΠΊΡΠ΅ΡΠΈΡΡΠΈΠΊΠΈ ΠΊΠΎΠ½ΠΊΡΠ΅ΡΠ½ΡΡ ΠΌΠΎΠ΄Π΅Π»Π΅ΠΉ Π΄Π²ΠΈΠ³Π°ΡΠ΅Π»Π΅ΠΉ
- ΠΠΊΡΠΏΠ»ΡΠ°ΡΠ°ΡΠΈΡ Π΄ΠΈΠ·Π΅Π»ΡΠ½ΡΡ Π΄Π²ΠΈΠ³Π°ΡΠ΅Π»Π΅ΠΉ Π² Ρ ΠΎΠ»ΠΎΠ΄Π½ΡΡ ΠΊΠ»ΠΈΠΌΠ°ΡΠΈΡΠ΅ΡΠΊΠΈΡ ΡΡΠ»ΠΎΠ²ΠΈΡΡ , ΠΡΠ»Π»Π΅ΡΠ΅Π½Ρ3379009
- Π’Π΅Ρ
Π½ΠΈΡΠ΅ΡΠΊΠΈΠ΅ ΡΡΠ΅Π±ΠΎΠ²Π°Π½ΠΈΡ ΠΊ ΠΎΡ
Π»Π°ΠΆΠ΄Π°ΡΡΠ΅ΠΉ ΠΆΠΈΠ΄ΠΊΠΎΡΡΠΈ/Ρ
Π»Π°Π΄Π°Π³Π΅Π½ΡΠ°ΠΌ ΠΈ ΠΎΠ±ΡΠ»ΡΠΆΠΈΠ²Π°Π½ΠΈΡ ΡΠΈΡΡΠ΅ΠΌΡ ΠΎΡ
Π»Π°ΠΆΠ΄Π΅Π½ΠΈΡ Π΄Π²ΠΈΠ³Π°ΡΠ΅Π»Π΅ΠΉ, ΡΠ°Π±ΠΎΡΠ°ΡΡΠΈΡ
Π² ΡΠ»ΠΎΠΆΠ½ΡΡ
ΡΡΠ»ΠΎΠ²ΠΈΡΡ
, ΠΡΠ»Π»Π΅ΡΠ΅Π½Ρ 3387910.

Β
ΠΡΠΊΡΠΎΠΉΡΠ΅ ΡΠ»ΠΈΠ²Π½ΡΠ΅ ΠΊΡΠ°Π½Ρ Π² Π½ΠΈΠΆΠ½Π΅ΠΉ ΡΠ°ΡΡΠΈ ΡΠ°Π΄ΠΈΠ°ΡΠΎΡΠ° ΠΈ Π² Π½ΠΈΠΆΠ½Π΅ΠΉ ΡΠ°ΡΡΠΈ ΠΊΠΎΡΠΏΡΡΠ° ΠΌΠ°ΡΠ»ΠΎΠΎΡ Π»Π°Π΄ΠΈΡΠ΅Π»Ρ. Π‘Π½ΠΈΠΌΠΈΡΠ΅ Π½ΠΈΠΆΠ½ΠΈΠΉ ΡΠ»Π°Π½Π³ ΡΠ°Π΄ΠΈΠ°ΡΠΎΡΠ°.ΠΠ±ΡΡΠ½ΠΎ ΠΎΡ Π»Π°ΠΆΠ΄Π°ΡΡΠ°Ρ ΠΆΠΈΠ΄ΠΊΠΎΡΡΡ ΠΏΠΎΠΌΠ΅ΡΠ°Π΅ΡΡΡ Β Π² Π΅ΠΌΠΊΠΎΡΡΡ Π΄Π»Ρ ΡΠ»ΠΈΠ²Π° ΠΎΠ±ΡΠ΅ΠΌΠΎΠΌ 20 Π»ΠΈΡΡΠΎΠ² [4 Π³Π°Π»Π»ΠΎΠ½Π°].
Β
ΠΡΠΈ Π²ΠΎΠ·Π½ΠΈΠΊΠ½ΠΎΠ²Π΅Π½ΠΈΠΈ Π½Π΅ΠΈΡΠΏΡΠ°Π²Π½ΠΎΡΡΠ΅ΠΉ, ΡΠ²ΡΠ·Π°Π½Π½ΡΡ Ρ ΠΏΠ΅ΡΠ΅Π³ΡΠ΅Π²ΠΎΠΌ, Π½ΡΠΆΠ½ΠΎ ΠΏΠΎΠΌΠ½ΠΈΡΡ, ΡΡΠΎ ΠΈΠ·Π±ΡΡΠΎΠΊ ΠΌΠ°ΡΠ»Π° Π² ΠΏΠΎΠ΄Π΄ΠΎΠ½Π΅ ΠΊΠ°ΡΡΠ΅ΡΠ° ΡΠ²Π»ΡΠ΅ΡΡΡ ΠΏΡΠΈΡΠΈΠ½ΠΎΠΉ Π΄ΠΎΠΏΠΎΠ»Π½ΠΈΡΠ΅Π»ΡΠ½ΠΎΠ³ΠΎ ΡΠ΅ΠΏΠ»ΠΎΠ²ΡΠ΄Π΅Π»Π΅Π½ΠΈΡ ΠΈΠ·-Π·Π° ΡΡΠ΅Π½ΠΈΡ, ΠΊΠΎΠ³Π΄Π° ΡΠ΅ΠΉΠΊΠΈ ΠΊΠΎΠ»Π΅Π½ΡΠ°ΡΠΎΠ³ΠΎ Π²Π°Π»Π° ΠΏΠΎΠ³ΡΡΠΆΠ°ΡΡΡΡ Π² ΠΌΠ°ΡΠ»ΠΎ. ?Π·Π±ΡΡΠΎΠΊ ΠΌΠ°ΡΠ»Π° Π² ΡΠΈΡΡΠ΅ΠΌΠ΅ ΡΠΌΠ°Π·ΠΊΠΈ ΡΠ²Π΅Π»ΠΈΡΠΈΠ²Π°Π΅Ρ ΡΠ΅ΠΌΠΏΠ΅ΡΠ°ΡΡΡΡ ΠΌΠ°ΡΠ»Π°, ΠΏΠ΅ΡΠ΅Π΄Π°ΡΡΠ΅Π³ΠΎΡΡ Π² ΡΠΈΡΡΠ΅ΠΌΡ ΠΎΡ Π»Π°ΠΆΠ΄Π΅Π½ΠΈΡ ΡΠ΅ΡΠ΅Π· ΠΌΠ°ΡΠ»ΠΎΠΎΡ Π»Π°Π΄ΠΈΡΠ΅Π»Ρ.
Β
Π‘ΠΈΡΡΠ΅ΠΌΠ° ΡΠ°ΡΡΡΠΈΡΠ°Π½Π° Π½Π° ΠΈΡΠΏΠΎΠ»ΡΠ·ΠΎΠ²Π°Π½ΠΈΠ΅ ΠΎΠΏΡΠ΅Π΄Π΅Π»Π΅Π½Π½ΠΎΠ³ΠΎ ΠΊΠΎΠ»ΠΈΡΠ΅ΡΡΠ²Π° ΠΎΡ Π»Π°ΠΆΠ΄Π°ΡΡΠ΅ΠΉ ΠΆΠΈΠ΄ΠΊΠΎΡΡΠΈ. ΠΡΠ»ΠΈ ΡΡΠΎΠ²Π΅Π½Ρ ΠΎΡ Π»Π°ΠΆΠ΄Π°ΡΡΠ΅ΠΉ ΠΆΠΈΠ΄ΠΊΠΎΡΡΠΈ Π½ΠΈΠ·ΠΊΠΈΠΉ, Π΄Π²ΠΈΠ³Π°ΡΠ΅Π»Ρ Π±ΡΠ΄Π΅Ρ ΠΏΠ΅ΡΠ΅Π³ΡΠ΅Π²Π°ΡΡΡΡ. ΠΡΠ»ΠΈ ΠΏΡΠΈΡ ΠΎΠ΄ΠΈΡΡΡ ΡΠ°ΡΡΠΎ Π΄ΠΎΠ±Π°Π²Π»ΡΡΡ ΠΎΡ Π»Π°ΠΆΠ΄Π°ΡΡΡΡ ΠΆΠΈΠ΄ΠΊΠΎΡΡΡ, Π·Π½Π°ΡΠΈΡ, Π² Π΄Π²ΠΈΠ³Π°ΡΠ΅Π»Π΅ ΠΈΠ»ΠΈ ΡΠΈΡΡΠ΅ΠΌΠ΅ ΠΎΡ Π»Π°ΠΆΠ΄Π΅Π½ΠΈΡ Π΅ΡΡΡ ΡΡΠ΅ΡΠΊΠ°. ΠΠ΅ΠΎΠ±Ρ ΠΎΠ΄ΠΈΠΌΠΎ Π΅Π΅ Π½Π°ΠΉΡΠΈ ΠΈ ΡΡΡΡΠ°Π½ΠΈΡΡ.
ΠΠΎΠ·Π΄ΡΡ
, Π·Π°Ρ
Π²Π°ΡΠ΅Π½Π½ΡΠΉ ΠΎΡ
Π»Π°ΠΆΠ΄Π°ΡΡΠ΅ΠΉ ΠΆΠΈΠ΄ΠΊΠΎΡΡΡΡ, ΠΌΠΎΠΆΠ΅Ρ ΠΏΡΠΈΠ²Π΅ΡΡΠΈ ΠΊ ΠΊΠ°Π²ΠΈΡΠ°ΡΠΈΠΎΠ½Π½ΠΎΠΉ ΠΊΠΎΡΡΠΎΠ·ΠΈΠΈ ΠΈ Π½Π°ΡΡΡΠ΅Π½ΠΈΡ ΡΠ΅ΠΏΠ»ΠΎΠΎΠ±ΠΌΠ΅Π½Π°.
ΠΠ°ΡΡΡΠ΅Π½ΠΈΠ΅ ΠΎΡ
Π»Π°ΠΆΠ΄Π°ΡΡΠ΅ΠΉ ΠΆΠΈΠ΄ΠΊΠΎΡΡΠΈ Π²ΠΎΠ·Π΄ΡΡ
ΠΎΠΌ ΠΌΠΎΠΆΠ΅Ρ ΡΡΠ°ΡΡ ΠΏΡΠΈΡΠΈΠ½ΠΎΠΉ Π»ΠΎΠΊΠ°Π»ΡΠ½ΠΎΠ³ΠΎ ΠΏΠ΅ΡΠ΅Π³ΡΠ΅Π²Π° Π³ΠΎΠ»ΠΎΠ²ΠΊΠΈ ΠΈ Π±Π»ΠΎΠΊΠ° ΡΠΈΠ»ΠΈΠ½Π΄ΡΠΎΠ², ΡΡΠΎ ΠΏΡΠΈΠ²Π΅Π΄Π΅Ρ ΠΊ ΠΏΠΎΡΠ²Π»Π΅Π½ΠΈΡ ΡΡΠ΅ΡΠΈΠ½ Π² Π³ΠΎΠ»ΠΎΠ²ΠΊΠ΅ Π±Π»ΠΎΠΊΠ° ΡΠΈΠ»ΠΈΠ½Π΄ΡΠΎΠ², Π·Π°Π΄ΠΈΡΠΎΠ² Π½Π° Π³ΠΈΠ»ΡΠ·Π°Ρ
ΠΈΠ»ΠΈ ΠΊ ΠΏΡΠΎΠ³ΠΎΡΠ°Π½ΠΈΡ ΠΏΡΠΎΠΊΠ»Π°Π΄ΠΊΠΈ Π³ΠΎΠ»ΠΎΠ²ΠΊΠΈ Π±Π»ΠΎΠΊΠ° ΡΠΈΠ»ΠΈΠ½Π΄ΡΠΎΠ².
ΠΡΠ΅ΠΏΡΡΡΡΠ²ΠΈΡ Π² ΠΊΠ°Π½Π°Π»Π°Ρ ΡΠΈΡΡΠ΅ΠΌΡ ΠΎΡ Π»Π°ΠΆΠ΄Π΅Π½ΠΈΡ ΡΠΌΠ΅Π½ΡΡΠ°ΡΡ ΡΠ°ΡΡ ΠΎΠ΄ ΠΎΡ Π»Π°ΠΆΠ΄Π°ΡΡΠ΅ΠΉ ΠΆΠΈΠ΄ΠΊΠΎΡΡΠΈ. ΠΡΠΎ ΡΠ°ΠΊΠΆΠ΅ Β ΠΌΠΎΠΆΠ΅Ρ ΠΏΡΠΈΠ²Π΅ΡΡΠΈ ΠΊ ΠΏΠ΅ΡΠ΅Π³ΡΠ΅Π²Ρ. ΠΠ΅Π±ΠΎΠ»ΡΡΠΈΠ΅ ΠΎΡΠ²Π΅ΡΡΡΠΈΡ Π² ΠΏΡΠΎΠΊΠ»Π°Π΄ΠΊΠ΅ Π±Π»ΠΎΠΊΠ° ΡΠΈΠ»ΠΈΠ½Π΄ΡΠΎΠ² ΠΎΡΠΎΠ±Π΅Π½Π½ΠΎ ΡΠ°ΡΡΠΎ Π·Π°ΡΠΎΡΡΡΡΡΡ. ΠΠΎ ΡΠ²Π΅Π»ΠΈΡΠΈΠ²Π°ΡΡ ΠΈΡ ΡΠ°Π·ΠΌΠ΅Ρ Π½Π΅Π»ΡΠ·Ρ, ΡΡΠΎ ΠΌΠΎΠΆΠ΅Ρ Π²ΡΠ·Π²Π°ΡΡ Π½Π°ΡΡΡΠ΅Π½ΠΈΠ΅ ΠΏΠΎΡΠΎΠΊΠΎΠ² ΠΎΡ Π»Π°ΠΆΠ΄Π°ΡΡΠ΅ΠΉ ΠΆΠΈΠ΄ΠΊΠΎΡΡΠΈ, Π½Π΅ ΡΠ΅ΡΠΈΠ² ΠΏΡΠΎΠ±Π»Π΅ΠΌΡ ΠΏΠ΅ΡΠ΅Π³ΡΠ΅Π²Π°.
ΠΠΎΠ΄Π° Π²ΡΠ·ΡΠ²Π°Π΅Ρ ΠΎΠ±ΡΠ°Π·ΠΎΠ²Π°Π½ΠΈΠ΅ ΡΠΆΠ°Π²ΡΠΈΠ½Ρ, Π° ΡΡΠΎ ΡΠ½ΠΈΠΆΠ°Π΅Ρ ΡΠ°ΡΡ ΠΎΠ΄ ΡΠ΅ΡΠ΅Π· Π½Π΅Π±ΠΎΠ»ΡΡΠΈΠ΅ ΠΊΠ°Π½Π°Π»Ρ ΡΠΈΡΡΠ΅ΠΌΡ ΠΎΡ Π»Π°ΠΆΠ΄Π΅Π½ΠΈΡ. ?ΡΠΏΠΎΠ»ΡΠ·ΠΎΠ²Π°Π½ΠΈΠ΅ Π²ΠΎΠ΄Ρ Π² ΠΊΠ°ΡΠ΅ΡΡΠ²Π΅ ΠΎΡ Π»Π°ΠΆΠ΄Π°ΡΡΠ΅ΠΉ ΠΆΠΈΠ΄ΠΊΠΎΡΡΠΈ Π΄Π°ΠΆΠ΅ Π² ΡΠ΅ΡΠ΅Π½ΠΈΠ΅ ΠΊΠΎΡΠΎΡΠΊΠΎΠ³ΠΎ Π²ΡΠ΅ΠΌΠ΅Π½ΠΈ ΠΌΠΎΠΆΠ΅Ρ ΡΡΠ°ΡΡ ΠΏΡΠΈΡΠΈΠ½ΠΎΠΉ ΡΠΊΠ²ΠΎΠ·Π½ΠΎΠΉ ΠΊΠΎΡΡΠΎΠ·ΠΈΠΈ ΡΠ°ΡΡΠΈΡΠΈΡΠ΅Π»ΡΠ½ΡΡ Π·Π°Π³Π»ΡΡΠ΅ΠΊ, ΠΈ ΠΊΠ°ΠΊ ΡΠ»Π΅Π΄ΡΡΠ²ΠΈΠ΅, ΡΡΠ΅ΡΠΊΠΈ ΠΎΡ Π»Π°ΠΆΠ΄Π°ΡΡΠ΅ΠΉ ΠΆΠΈΠ΄ΠΊΠΎΡΡΠΈ.
ΠΠ½Π΅Π·Π°ΠΏΠ½Π°Ρ ΠΏΠΎΡΠ΅ΡΡ ΠΎΡ
Π»Π°ΠΆΠ΄Π°ΡΡΠ΅ΠΉ ΠΆΠΈΠ΄ΠΊΠΎΡΡΠΈ Π½Π° Π΄Π²ΠΈΠ³Π°ΡΠ΅Π»Π΅, ΡΠ°Π±ΠΎΡΠ°ΡΡΠ΅ΠΌ ΠΏΠΎΠ΄ Π±ΠΎΠ»ΡΡΠΎΠΉ Π½Π°Π³ΡΡΠ·ΠΊΠΎΠΉ, ΠΏΡΠΈΠ²ΠΎΠ΄ΠΈΡ ΠΊ ΡΠ΅ΡΡΠ΅Π·Π½ΡΠΌ ΠΏΠΎΠ²ΡΠ΅ΠΆΠ΄Π΅Π½ΠΈΡΠΌ ΠΏΠΎΡΡΠ½Π΅ΠΉ ΠΈ ΠΎΡΠ²Π΅ΡΡΡΠΈΠΉ ΡΠΈΠ»ΠΈΠ½Π΄ΡΠΎΠ².
Β
ΠΠ΅ΡΠ΅ΠΎΠ±ΠΎΠ³Π°ΡΠ΅Π½ΠΈΠ΅ ΠΈ Π½Π°Π³ΡΡΠ·ΠΊΠ°
ΠΠ΅ΡΠ΅ΠΎΠ±ΠΎΠ³Π°ΡΠ΅Π½ΠΈΠ΅ ΠΌΠΎΠΆΠ΅Ρ ΠΏΡΠΈΠ²Π΅ΡΡΠΈ ΠΊ ΠΏΠ΅ΡΠ΅Π³ΡΠ΅Π²Ρ Π΄Π²ΠΈΠ³Π°ΡΠ΅Π»Ρ. ΠΠ΅ΠΎΠ±Ρ ΠΎΠ΄ΠΈΠΌΠΎ ΡΠ±Π΅Π΄ΠΈΡΡΡΡ Π² ΠΏΡΠ°Π²ΠΈΠ»ΡΠ½ΠΎΡΡΠΈ ΠΊΠ°Π»ΠΈΠ±ΡΠΎΠ²ΠΊΠΈ ΡΠ»Π΅ΠΊΡΡΠΎΠ½Π½ΠΎΠ³ΠΎ ΠΌΠΎΠ΄ΡΠ»Ρ ΡΠΏΡΠ°Π²Π»Π΅Π½ΠΈΡ (ECM).
ΠΠΎΡΡΠΎΡΠ½Π½Π°Ρ ΠΏΠ΅ΡΠ΅Π³ΡΡΠ·ΠΊΠ° Π΄Π²ΠΈΠ³Π°ΡΠ΅Π»Ρ (ΡΠ°Π±ΠΎΡΠ° Π½Π° Π½ΠΈΠ·ΠΊΠΈΡ ΠΎΠ±ΠΎΡΠΎΡΠ°Ρ ΠΏΠΎΠ΄ Π½Π°Π³ΡΡΠ·ΠΊΠΎΠΉ) ΠΌΠΎΠΆΠ΅Ρ Π²ΡΠ·Π²Π°ΡΡ Β Π΅Π³ΠΎ ΠΏΠ΅ΡΠ΅Π³ΡΠ΅Π².
Β
Β
Π‘Ρ Π΅ΠΌΠ° ΡΠΈΡΡΠ΅ΠΌΡ ΠΎΡ Π»Π°ΠΆΠ΄Π΅Π½ΠΈΡ
Β
- ΠΡ ΠΎΠ΄ ΠΎΡ Π»Π°ΠΆΠ΄Π°ΡΡΠ΅ΠΉ ΠΆΠΈΠ΄ΠΊΠΎΡΡΠΈ ΠΈΠ· ΡΠ°Π΄ΠΈΠ°ΡΠΎΡΠ°
- ΠΡ ΠΎΠ΄ Π² Π²ΠΎΠ΄ΡΠ½ΠΎΠΉ Π½Π°ΡΠΎΡ
- ΠΡΠΎΡ ΠΎΠ΄ ΠΎΡ Π»Π°ΠΆΠ΄Π°ΡΡΠ΅ΠΉ ΠΆΠΈΠ΄ΠΊΠΎΡΡΠΈ ΡΠ΅ΡΠ΅Π· ΠΌΠ°ΡΠ»ΠΎΠΎΡ Π»Π°Π΄ΠΈΡΠ΅Π»Ρ
- ΠΠΈΠΆΠ½ΠΈΠΉ ΠΊΠΎΠ»Π»Π΅ΠΊΡΠΎΡ ΡΠΈΡΡΠ΅ΠΌΡ ΠΎΡ Π»Π°ΠΆΠ΄Π΅Π½ΠΈΡ Π² Π±Π»ΠΎΠΊΠ΅ (ΠΊ ΡΠΈΠ»ΠΈΠ½Π΄ΡΠ°ΠΌ)
- ΠΡ ΠΎΠ΄ ΡΠΈΠ»ΡΡΡΠ° ΠΎΡ Π»Π°ΠΆΠ΄Π°ΡΡΠ΅ΠΉ ΠΆΠΈΠ΄ΠΊΠΎΡΡΠΈ (Π½Π΅ΠΎΠ±ΡΠ·Π°ΡΠ΅Π»ΡΠ½ΠΎ)
- ΠΡΡ ΠΎΠ΄ ΡΠΈΠ»ΡΡΡΠ° ΠΎΡ Π»Π°ΠΆΠ΄Π°ΡΡΠ΅ΠΉ ΠΆΠΈΠ΄ΠΊΠΎΡΡΠΈ (Π½Π΅ΠΎΠ±ΡΠ·Π°ΡΠ΅Π»ΡΠ½ΠΎ)
- Π Π³ΠΎΠ»ΠΎΠ²ΠΊΠ΅ Π±Π»ΠΎΠΊΠ° ΡΠΈΠ»ΠΈΠ½Π΄ΡΠΎΠ²
- ΠΠΎΠ·Π²ΡΠ°Ρ ΠΎΡ Π»Π°ΠΆΠ΄Π°ΡΡΠ΅ΠΉ ΠΆΠΈΠ΄ΠΊΠΎΡΡΠΈ ΠΈΠ· Π³ΠΎΠ»ΠΎΠ²ΠΊΠΈ Π±Π»ΠΎΠΊΠ° ΡΠΈΠ»ΠΈΠ½Π΄ΡΠΎΠ²
- ΠΠ΅ΡΡ Π½ΠΈΠΉ ΠΊΠΎΠ»Π»Π΅ΠΊΡΠΎΡ ΡΠΈΡΡΠ΅ΠΌΡ ΠΎΡ Π»Π°ΠΆΠ΄Π΅Π½ΠΈΡ Π² Π±Π»ΠΎΠΊΠ΅ ΡΠΈΠ»ΠΈΠ½Π΄ΡΠΎΠ²
- ΠΠ΅ΡΠ΅ΠΏΡΡΠΊΠ½ΠΎΠΉ ΠΊΠ°Π½Π°Π» ΡΠ΅ΡΠΌΠΎΡΡΠ°ΡΠ°
- ΠΡΠ²ΠΎΠ΄ ΠΎΡ Π»Π°ΠΆΠ΄Π°ΡΡΠ΅ΠΉ ΠΆΠΈΠ΄ΠΊΠΎΡΡΠΈ Π² ΡΠ°Π΄ΠΈΠ°ΡΠΎΡ.
ΠΠ²ΠΈΠΆΠ΅Π½ΠΈΠ΅ ΠΎΡ Π»Π°ΠΆΠ΄Π°ΡΡΠ΅ΠΉ ΠΆΠΈΠ΄ΠΊΠΎΡΡΠΈ ΡΠ΅ΡΠ΅Π· ΡΡΡΠ±ΠΎΠ½Π°Π³Π½Π΅ΡΠ°ΡΠ΅Π»Ρ Ρ ΠΈΠ·ΠΌΠ΅Π½ΡΠ΅ΠΌΠΎΠΉ Π³Π΅ΠΎΠΌΠ΅ΡΡΠΈΠ΅ΠΉ
- ΠΠΎΠ΄Π°ΡΠ° ΠΎΡ Π»Π°ΠΆΠ΄Π°ΡΡΠ΅ΠΉ ΠΆΠΈΠ΄ΠΊΠΎΡΡΠΈ Π² ΡΡΡΠ±ΠΎΠ½Π°Π³Π½Π΅ΡΠ°ΡΠ΅Π»Ρ ΠΈ ΠΏΡΠΈΠ²ΠΎΠ΄ ΡΠΏΡΠ°Π²Π»Π΅Π½ΠΈΡ ΡΡΡΠ±ΠΎΠ½Π°Π³Π½Π΅ΡΠ°ΡΠ΅Π»Π΅ΠΌ
- Π‘Π»ΠΈΠ² ΠΎΡ Π»Π°ΠΆΠ΄Π°ΡΡΠ΅ΠΉ ΠΆΠΈΠ΄ΠΊΠΎΡΡΠΈ ΠΈΠ· ΡΡΡΠ±ΠΎΠ½Π°Π³Π½Π΅ΡΠ°ΡΠ΅Π»Ρ ΠΈ ΠΏΡΠΈΠ²ΠΎΠ΄Π° ΡΠΏΡΠ°Π²Π»Π΅Π½ΠΈΡ ΡΡΡΠ±ΠΎΠ½Π°Π³Π½Π΅ΡΠ°ΡΠ΅Π»Π΅ΠΌ
- ΠΠ΅Π½ΡΠΈΠ»ΡΡΠΈΠΎΠ½Π½Π°Ρ ΠΌΠ°Π³ΠΈΡΡΡΠ°Π»Ρ ΠΎΡ
Π»Π°ΠΆΠ΄Π°ΡΡΠ΅ΠΉ ΠΆΠΈΠ΄ΠΊΠΎΡΡΠΈ Π² Π²Π΅ΡΡ
Π½ΠΈΠΉ ΡΠ°ΡΡΠΈΡΠΈΡΠ΅Π»ΡΠ½ΡΠΉ Π±Π°ΡΠΎΠΊ.

ΠΡΠΎΠΈΠ·Π²Π΅ΡΡΠΈ ΡΡΡΠΎΡ Ρ Π²ΠΎΠ΄ΠΎΡΠΎΠ΄Π½ΡΠΌΠΈ Π΄Π²ΠΈΠ³Π°ΡΠ΅Π»ΡΠΌΠΈ Π²Π½ΡΡΡΠ΅Π½Π½Π΅Π³ΠΎ ΡΠ³ΠΎΡΠ°Π½ΠΈΡ
ΠΡΠ΄Π΅Π» Π½ΠΎΠ²ΠΎΡΡΠ΅ΠΉ Cummins: ΠΠ°ΡΠΈ ΠΈΠ½Π½ΠΎΠ²Π°ΡΠΈΠΈ, ΡΠ΅Ρ Π½ΠΎΠ»ΠΎΠ³ΠΈΠΈ ΠΈ ΡΡΠ»ΡΠ³ΠΈ
, Π¨ΡΠΈΠΊΠ°Π½Ρ ΠΠ°Π΄ΠΌΠ°Π½Π°Π±Ρ Π°Π½, Π²ΠΈΡΠ΅-ΠΏΡΠ΅Π·ΠΈΠ΄Π΅Π½Ρ ΠΈ ΠΏΡΠ΅Π·ΠΈΠ΄Π΅Π½Ρ ΠΏΠΎΠ΄ΡΠ°Π·Π΄Π΅Π»Π΅Π½ΠΈΡ Π΄Π²ΠΈΠ³Π°ΡΠ΅Π»Π΅ΠΉ
ΠΡΠΎΡΠ»ΡΠΌ Π»Π΅ΡΠΎΠΌ ΠΊΠΎΠΌΠΏΠ°Π½ΠΈΡ Cummins ΠΎΠ±ΡΡΠ²ΠΈΠ»Π° ΠΎ ΡΠΎΠΌ, ΡΡΠΎ ΠΏΠΎΠΈΡΠΊ ΡΠ΅ΡΠ΅Π½ΠΈΠΉ Π² ΠΎΠ±Π»Π°ΡΡΠΈ ΡΠ½Π΅ΡΠ³ΠΎΡΠ½Π°Π±ΠΆΠ΅Π½ΠΈΡ Π΄Π»Ρ ΠΎΠ±Π΅Π·ΡΠ³Π»Π΅ΡΠΎΠΆΠΈΠ²Π°Π½ΠΈΡ ΠΊΠΎΠΌΠΌΠ΅ΡΡΠ΅ΡΠΊΠΈΡ Π°Π²ΡΠΎΠΌΠΎΠ±ΠΈΠ»Π΅ΠΉ ΠΈ Π²Π½Π΅Π΄ΠΎΡΠΎΠΆΠ½ΠΎΠΉ ΡΠ΅Ρ Π½ΠΈΠΊΠΈ ΠΏΡΠΈΠ½ΡΠ» Π·Π°Ρ Π²Π°ΡΡΠ²Π°ΡΡΠΈΠΉ ΠΎΠ±ΠΎΡΠΎΡ.
Cummins ΠΈ ΡΠ°Π·ΡΠ°Π±ΠΎΡΠΊΠ° Π²ΠΎΠ΄ΠΎΡΠΎΠ΄Π½ΡΡ Π΄Π²ΠΈΠ³Π°ΡΠ΅Π»Π΅ΠΉ Π²Π½ΡΡΡΠ΅Π½Π½Π΅Π³ΠΎ ΡΠ³ΠΎΡΠ°Π½ΠΈΡ (ΠΠΠ‘)
ΠΠ°ΡΠ° ΠΏΡΠΎΠ³ΡΠ°ΠΌΠΌΠ° ΡΠ°Π·ΡΠ°Π±ΠΎΡΠΊΠΈ Π΄Π²ΠΈΠ³Π°ΡΠ΅Π»Π΅ΠΉ, ΡΠ°Π±ΠΎΡΠ°ΡΡΠΈΡ Π½Π° Π²ΠΎΠ΄ΠΎΡΠΎΠ΄Π΅, ΡΠ²Π»ΡΠ΅ΡΡΡ ΠΎΠ΄Π½ΠΈΠΌ ΠΈΠ· Π½Π°ΡΠΈΡ ΠΏΠΎΡΠ»Π΅Π΄Π½ΠΈΡ ΡΠ°Π³ΠΎΠ² Π² ΡΠ°Π·Π²ΠΈΡΠΈΠΈ ΡΠ΅Ρ Π½ΠΎΠ»ΠΎΠ³ΠΈΠΈ Π½ΡΠ»Π΅Π²ΠΎΠ³ΠΎ Π²ΡΠ±ΡΠΎΡΠ° ΡΠ³Π»Π΅ΡΠΎΠ΄Π°. ΠΠ»ΠΈΠ΅Π½ΡΡ ΠΎΠ±ΡΠ°ΡΠ°ΡΡ Π½Π° ΡΡΠΎ Π²Π½ΠΈΠΌΠ°Π½ΠΈΠ΅, ΠΊΠ°ΠΊ ΠΈ ΠΏΡΠ°Π²ΠΈΡΠ΅Π»ΡΡΡΠ²Π°.
ΠΠ΅ΠΉΡΡΠ²ΠΈΡΠ΅Π»ΡΠ½ΠΎ, ΡΡΠ΄Ρ ΠΏΠΎ Π½Π΅ΠΊΠΎΡΠΎΡΡΠΌ ΠΎΡΠ·ΡΠ²Π°ΠΌ, Cummins ΠΊΠ°ΠΊ Π±ΡΠ΄ΡΠΎ Π·Π°Π½ΠΎΠ²ΠΎ ΠΈΠ·ΠΎΠ±ΡΠ΅Π» Π΄Π²ΠΈΠ³Π°ΡΠ΅Π»Ρ Π²Π½ΡΡΡΠ΅Π½Π½Π΅Π³ΠΎ ΡΠ³ΠΎΡΠ°Π½ΠΈΡ (ΠΠΠ‘).
ΠΡΠΏΡΡΠ°ΡΠ΅Π»ΡΠ½Π°Ρ ΠΊΠ°ΠΌΠ΅ΡΠ° β Π²ΠΎΠ΄ΠΎΡΠΎΠ΄Π½ΡΠΉ Π΄Π²ΠΈΠ³Π°ΡΠ΅Π»Ρ Π²Π½ΡΡΡΠ΅Π½Π½Π΅Π³ΠΎ ΡΠ³ΠΎΡΠ°Π½ΠΈΡ (ΠΠΠ‘) Cummins ΠΠΎΠ½Π΅ΡΠ½ΠΎ, ΡΠ°Π·ΡΠ°Π±ΠΎΡΠΊΠ° ΠΏΡΠΎΠ΄ΡΠΊΡΠ° Π½Π°Ρ
ΠΎΠ΄ΠΈΡΡΡ Π² ΡΠ°ΠΌΠΎΠΌ Π½Π°ΡΠ°Π»Π΅ ΠΏΡΡΠΈ, Π½ΠΎ ΠΏΡΠ°Π²Π΄Π° Π² ΡΠΎΠΌ, ΡΡΠΎ ΠΎΠ½ Π²ΡΠ³Π»ΡΠ΄ΠΈΡ ΠΎΡΠ΅Π½Ρ ΠΌΠ½ΠΎΠ³ΠΎΠΎΠ±Π΅ΡΠ°ΡΡΠ΅, ΠΈ Ρ Π² Π²ΠΎΡΡΠΎΡΠ³Π΅ ΠΎΡ ΡΠΏΠΎΡΠΎΠ±Π½ΠΎΡΡΠΈ Π²ΠΎΠ΄ΠΎΡΠΎΠ΄Π½ΠΎΠ³ΠΎ Π΄Π²ΠΈΠ³Π°ΡΠ΅Π»Ρ ΠΏΡΠ°ΠΊΡΠΈΡΠ΅ΡΠΊΠΈ ΠΈΡΠΊΠ»ΡΡΠ°ΡΡ Π²ΡΠ±ΡΠΎΡΡ CO2 Π²ΡΠ±ΡΠΎΡΡ.
Π ΡΠΎΠΎΡΠ²Π΅ΡΡΡΠ²ΠΈΠΈ Ρ ΠΠΎΠ΄Π΅Π»ΡΡ Π²ΡΠ±ΡΠΎΡΠΎΠ² ΠΏΠ°ΡΠ½ΠΈΠΊΠΎΠ²ΡΡ
Π³Π°Π·ΠΎΠ² (GEM) ΠΠ³Π΅Π½ΡΡΡΠ²Π° ΠΏΠΎ ΠΎΡ
ΡΠ°Π½Π΅ ΠΎΠΊΡΡΠΆΠ°ΡΡΠ΅ΠΉ ΡΡΠ΅Π΄Ρ Π΄Π»Ρ ΡΠΎΠΎΡΠ²Π΅ΡΡΡΠ²ΠΈΡ ΡΡΠ΅Π±ΠΎΠ²Π°Π½ΠΈΡΠΌ ΡΡΠ°Π½ΡΠΏΠΎΡΡΠ½ΡΡ
ΡΡΠ΅Π΄ΡΡΠ² ΡΡΠ΅Π΄Π½Π΅ΠΉ ΠΈ Π±ΠΎΠ»ΡΡΠΎΠΉ Π³ΡΡΠ·ΠΎΠΏΠΎΠ΄ΡΠ΅ΠΌΠ½ΠΎΡΡΠΈ, ΠΏΠΎΠ»ΡΠΏΡΠΈΡΠ΅ΠΏ ΡΠΎ ΡΠΏΠ°Π»ΡΠ½ΠΎΠΉ ΠΊΠ°Π±ΠΈΠ½ΠΎΠΉ ΠΊΠ»Π°ΡΡΠ° 8 2027 ΠΌΠΎΠ΄Π΅Π»ΡΠ½ΠΎΠ³ΠΎ Π³ΠΎΠ΄Π°, ΠΎΡΠ½Π°ΡΠ΅Π½Π½ΡΠΉ Π²ΠΎΠ΄ΠΎΡΠΎΠ΄Π½ΡΠΌ Π΄Π²ΠΈΠ³Π°ΡΠ΅Π»Π΅ΠΌ Π²Π½ΡΡΡΠ΅Π½Π½Π΅Π³ΠΎ ΡΠ³ΠΎΡΠ°Π½ΠΈΡ, Π±ΡΠ΄Π΅Ρ Π³Π΅Π½Π΅ΡΠΈΡΠΎΠ²Π°ΡΡ Π½Π° 144 ΠΌΠ΅ΡΡΠΈΡΠ΅ΡΠΊΠΈΡ
ΡΠΎΠ½Π½Ρ CO2 ΠΌΠ΅Π½ΡΡΠ΅ Π² Π³ΠΎΠ΄ ΠΏΠΎ ΡΡΠ°Π²Π½Π΅Π½ΠΈΡ Ρ Π΅Π³ΠΎ Π΄ΠΈΠ·Π΅Π»ΡΠ½ΡΠΉ Π°Π½Π°Π»ΠΎΠ³.
Β
Π ΡΡΠΌΠΌΠ΅ ΡΡΠΎ ΠΏΠΎΠ·Π²ΠΎΠ»ΡΠ΅Ρ ΡΡΠΊΠΎΠ½ΠΎΠΌΠΈΡΡ 1437 ΠΌΠ΅ΡΡΠΈΡΠ΅ΡΠΊΠΈΡ
ΡΠΎΠ½Π½ CO2 Π·Π° Π²Π΅ΡΡ ΡΡΠΎΠΊ ΡΠ»ΡΠΆΠ±Ρ ΠΎΠ΄Π½ΠΎΠ³ΠΎ ΡΡΠ°Π½ΡΠΏΠΎΡΡΠ½ΠΎΠ³ΠΎ ΡΡΠ΅Π΄ΡΡΠ²Π°, ΡΡΠΎ ΡΠΊΠ²ΠΈΠ²Π°Π»Π΅Π½ΡΠ½ΠΎ ΠΏΠΎΡΡΠΈ 575 ΠΏΠΎΠ»Π½ΠΎΡΠ°Π·ΠΌΠ΅ΡΠ½ΡΠΌ ΠΌΠΎΠ½Π³ΠΎΠ»ΡΡΡΠ΅ΡΠ°ΠΌ, Π½Π°ΠΏΠΎΠ»Π½Π΅Π½Π½ΡΠΌ CO2 Π² Π½Π΅Π±Π΅. ΠΠΎΠΆΠ΅ΡΠ΅ Π»ΠΈ Π²Ρ ΠΏΡΠ΅Π΄ΡΡΠ°Π²ΠΈΡΡ, Π½Π° ΡΡΠΎ ΡΠΏΠΎΡΠΎΠ±Π΅Π½ ΠΏΠ°ΡΠΊ ΡΡΠ°Π½ΡΠΏΠΎΡΡΠ½ΡΡ
ΡΡΠ΅Π΄ΡΡΠ² Ρ Π²ΠΎΠ΄ΠΎΡΠΎΠ΄Π½ΡΠΌ Π΄Π²ΠΈΠ³Π°ΡΠ΅Π»Π΅ΠΌ, Π΅ΡΠ»ΠΈ ΡΡΠΎ Π²ΡΠ΅Π³ΠΎ Π»ΠΈΡΡ ΠΎΠ΄Π½ΠΎ ΡΡΠ°Π½ΡΠΏΠΎΡΡΠ½ΠΎΠ΅ ΡΡΠ΅Π΄ΡΡΠ²ΠΎ?
ΠΠΎΡΠ΅ΠΌΡ Π²ΠΎΠ΄ΠΎΡΠΎΠ΄Π½ΡΠ΅ ΠΠΠ‘?
ΠΠΎΠ΄ΠΎΡΠΎΠ΄Π½ΡΠ΅ ΠΠΠ‘ ΠΎΠ±Π΅ΡΠΏΠ΅ΡΠ°Ρ Π½Π΅Π΄ΠΎΡΠΎΠ³ΠΎΠ΅ ΡΠ΅ΡΠ΅Π½ΠΈΠ΅ Ρ Π½ΡΠ»Π΅Π²ΡΠΌ Π²ΡΠ±ΡΠΎΡΠΎΠΌ ΡΠ³Π»Π΅ΡΠΎΠ΄Π° Π΄Π»Ρ ΠΏΡΠΈΠ»ΠΎΠΆΠ΅Π½ΠΈΠΉ Ρ Π²ΡΡΠΎΠΊΠΈΠΌ ΠΊΠΎΡΡΡΠΈΡΠΈΠ΅Π½ΡΠΎΠΌ Π½Π°Π³ΡΡΠ·ΠΊΠΈ ΠΈ Π²ΡΡΠΎΠΊΠΈΠΌ ΠΊΠΎΡΡΡΠΈΡΠΈΠ΅Π½ΡΠΎΠΌ ΠΈΡΠΏΠΎΠ»ΡΠ·ΠΎΠ²Π°Π½ΠΈΡ, Π³Π΄Π΅ ΡΠ΅ΡΠ΅Π½ΠΈΡ Ρ Π°ΠΊΠΊΡΠΌΡΠ»ΡΡΠΎΡΠ½ΠΎΠΉ Π±Π°ΡΠ°ΡΠ΅Π΅ΠΉ Π½Π΅ ΠΌΠΎΠ³ΡΡ ΡΠΎΠΎΡΠ²Π΅ΡΡΡΠ²ΠΎΠ²Π°ΡΡ ΡΠΊΡΠΏΠ»ΡΠ°ΡΠ°ΡΠΈΠΎΠ½Π½ΡΠΌ ΡΡΠ΅Π±ΠΎΠ²Π°Π½ΠΈΡΠΌ, Π° ΡΠΎΠΏΠ»ΠΈΠ²Π½ΡΠ΅ ΡΠ»Π΅ΠΌΠ΅Π½ΡΡ Π΅ΡΠ΅ Π½Π΅ ΡΠ²Π»ΡΡΡΡΡ ΡΠΊΠΎΠ½ΠΎΠΌΠΈΡΠ΅ΡΠΊΠΈ ΠΆΠΈΠ·Π½Π΅ΡΠΏΠΎΡΠΎΠ±Π½ΡΠΌΠΈ.
Β
ΠΠΎΠ΄ΠΎΡΠΎΠ΄Π½ΡΠΉ ΠΠΠ‘ ΠΏΠΎΠ΄Ρ
ΠΎΠ΄ΠΈΡ Π΄Π»Ρ ΡΠΎΠ²ΡΠ΅ΠΌΠ΅Π½Π½ΡΡ
Π³ΡΡΠ·ΠΎΠ²ΠΈΠΊΠΎΠ², ΡΠ°Π±ΠΎΡΠ°Π΅Ρ Ρ ΡΠΎΠ²ΡΠ΅ΠΌΠ΅Π½Π½ΡΠΌΠΈ ΡΡΠ°Π½ΡΠΌΠΈΡΡΠΈΡΠΌΠΈ ΠΈ Π»Π΅Π³ΠΊΠΎ ΠΈΠ½ΡΠ΅Π³ΡΠΈΡΡΠ΅ΡΡΡ Π² ΡΡΡΠ΅ΡΡΠ²ΡΡΡΠΈΠ΅ Π² ΠΎΡΡΠ°ΡΠ»ΠΈ ΡΠ΅ΡΠ²ΠΈΡΠ½ΡΠ΅ ΡΠ΅ΡΠΈ ΠΈ ΠΏΡΠ°ΠΊΡΠΈΠΊΠΈ. ΠΠΎΠ½Π΅ΡΠ½ΡΠ΅ ΠΏΠΎΠ»ΡΠ·ΠΎΠ²Π°ΡΠ΅Π»ΠΈ ΠΏΠΎΠ»ΠΎΠΆΠΈΡΠ΅Π»ΡΠ½ΠΎ ΡΠ΅Π°Π³ΠΈΡΡΡΡ Π½Π° ΠΏΠΎΡΠ΅Π½ΡΠΈΠ°Π» Π²ΠΎΠ΄ΠΎΡΠΎΠ΄Π½ΠΎΠ³ΠΎ Π΄Π²ΠΈΠ³Π°ΡΠ΅Π»Ρ ΠΈΠ·-Π·Π° Π±Π΅Π·ΡΠ³Π»Π΅ΡΠΎΠ΄Π½ΠΎΠ³ΠΎ ΡΠΎΠΏΠ»ΠΈΠ²Π° ΠΈ Π·Π½Π°ΠΊΠΎΠΌΠΎΠΉ ΡΠ΅Ρ
Π½ΠΎΠ»ΠΎΠ³ΠΈΠΈ.
ΠΠ½Π°Π»ΠΎΠ³ΠΈΡΠ½ΡΠΌ ΠΎΠ±ΡΠ°Π·ΠΎΠΌ, Π·Π°ΠΏΡΡΠΊ Π²ΠΎΠ΄ΠΎΡΠΎΠ΄Π½ΠΎΠ³ΠΎ Π΄Π²ΠΈΠ³Π°ΡΠ΅Π»Ρ ΡΠ°ΠΊΠΆΠ΅ ΠΏΡΠΈΠ½ΠΎΡΠΈΡ ΠΏΠΎΠ»ΡΠ·Ρ Π΄ΡΡΠ³ΠΈΠΌ ΠΏΡΡΡΠΌ Π΄ΠΎΡΡΠΈΠΆΠ΅Π½ΠΈΡ Π±ΡΠ΄ΡΡΠ΅Π³ΠΎ Ρ Π½ΡΠ»Π΅Π²ΡΠΌ Π²ΡΠ±ΡΠΎΡΠΎΠΌ ΡΠ³Π»Π΅ΡΠΎΠ΄Π°, ΡΠ°ΠΊΠΈΠΌ ΠΊΠ°ΠΊ Π²ΠΎΠ΄ΠΎΡΠΎΠ΄Π½ΡΠ΅ ΡΠΎΠΏΠ»ΠΈΠ²Π½ΡΠ΅ ΡΠ»Π΅ΠΌΠ΅Π½ΡΡ. Π‘ΠΎΠ·Π΄Π°Π² ΠΆΠΈΠ·Π½Π΅ΡΠΏΠΎΡΠΎΠ±Π½ΡΠΉ Π²Π°ΡΠΈΠ°Π½Ρ ΠΈΡΠΏΠΎΠ»ΡΠ·ΠΎΠ²Π°Π½ΠΈΡ ΠΈ ΡΠΏΡΠΎΡ Π½Π° Π²ΠΎΠ΄ΠΎΡΠΎΠ΄ Π² Π±Π»ΠΈΠΆΠ°ΠΉΡΠ΅ΠΌ Π±ΡΠ΄ΡΡΠ΅ΠΌ, ΠΌΡ ΠΌΠΎΠΆΠ΅ΠΌ ΡΡΠΊΠΎΡΠΈΡΡ ΡΠΎΠ·Π΄Π°Π½ΠΈΠ΅ Π²ΠΎΠ΄ΠΎΡΠΎΠ΄Π½ΠΎΠΉ ΠΈΠ½ΡΡΠ°ΡΡΡΡΠΊΡΡΡΡ ΠΈ ΡΠ²Π΅Π»ΠΈΡΠΈΡΡ ΠΌΠ°ΡΡΡΠ°Π±Π½ΠΎΠ΅ ΠΏΡΠΎΠΈΠ·Π²ΠΎΠ΄ΡΡΠ²ΠΎ ΡΠ΅Π·Π΅ΡΠ²ΡΠ°ΡΠΎΠ² Π΄Π»Ρ Ρ ΡΠ°Π½Π΅Π½ΠΈΡ ΡΡΠ°Π½ΡΠΏΠΎΡΡΠ½ΡΡ ΡΡΠ΅Π΄ΡΡΠ². ΠΠ±Π° Π΄ΠΎΡΡΠΈΠΆΠ΅Π½ΠΈΡ Π½Π΅ΠΎΠ±Ρ ΠΎΠ΄ΠΈΠΌΡ Π΄Π»Ρ ΡΠΈΡΠΎΠΊΠΎΠ³ΠΎ Π²Π½Π΅Π΄ΡΠ΅Π½ΠΈΡ ΡΠΈΠ»ΠΎΠ²ΡΡ Π°Π³ΡΠ΅Π³Π°ΡΠΎΠ² Π½Π° ΡΠΎΠΏΠ»ΠΈΠ²Π½ΡΡ ΡΠ»Π΅ΠΌΠ΅Π½ΡΠ°Ρ .
ΠΠ°ΠΊ Π²ΠΎΠ΄ΠΎΡΠΎΠ΄Π½ΡΠΉ ΠΠΠ‘ Π²ΡΠΉΠ΄Π΅Ρ Π½Π° ΡΡΠ½ΠΎΠΊ?
ΠΡΠ½ΠΎΠ²ΡΠ²Π°ΡΡΡ Π½Π° ΠΌΠ½ΠΎΠ³ΠΎΠ»Π΅ΡΠ½Π΅ΠΌ ΠΎΠΏΡΡΠ΅ ΠΈ ΡΠ²Π»ΡΡΡΡ ΠΊΡΡΠΏΠ½ΡΠΌ ΠΈΠ³ΡΠΎΠΊΠΎΠΌ Π² ΠΎΠ±Π»Π°ΡΡΠΈ Π΄Π²ΠΈΠ³Π°ΡΠ΅Π»Π΅ΠΉ, ΡΠ°Π±ΠΎΡΠ°ΡΡΠΈΡ
Π½Π° ΠΏΡΠΈΡΠΎΠ΄Π½ΠΎΠΌ Π³Π°Π·Π΅, Π²Ρ ΠΌΠΎΠΆΠ΅ΡΠ΅ ΡΠΊΠ°Π·Π°ΡΡ, ΡΡΠΎ ΠΌΡ Π² Cummins ΠΎΠ±Π»Π°Π΄Π°Π΅ΠΌ Π½Π΅ΠΎΡΡΠ΅ΠΌΠ»Π΅ΠΌΡΠΌ ΠΏΡΠ΅ΠΈΠΌΡΡΠ΅ΡΡΠ²ΠΎΠΌ Π² ΡΠ΅Π°Π»ΠΈΠ·Π°ΡΠΈΠΈ ΡΡΠΎΠΉ ΠΏΡΠΎΠ³ΡΠ°ΠΌΠΌΡ.
Π Π·Π½Π°ΡΠΈΡΠ΅Π»ΡΠ½ΠΎΠΉ ΡΡΠ΅ΠΏΠ΅Π½ΠΈ ΠΏΠΎΠ²ΡΠΎΡΠ½ΠΎ ΠΈΡΠΏΠΎΠ»ΡΠ·ΡΡΡΡΡ ΡΠΎΠΎΡΠ²Π΅ΡΡΡΠ²ΡΡΡΠΈΠ΅ ΠΊΠΎΠΌΠΏΠΎΠ½Π΅Π½ΡΡ Π΄Π²ΠΈΠ³Π°ΡΠ΅Π»Ρ, ΡΡΠΎ ΠΎΠ±Π΅ΡΠΏΠ΅ΡΠΈΠ²Π°Π΅Ρ ΡΠΊΠΎΠ½ΠΎΠΌΠΈΡ Π·Π° ΡΡΠ΅Ρ ΠΌΠ°ΡΡΡΠ°Π±Π°, Π° ΡΠ°ΠΊΠΆΠ΅ ΠΎΠ±Π΅ΡΠΏΠ΅ΡΠΈΠ²Π°Π΅Ρ Π½Π°Π΄Π΅ΠΆΠ½ΠΎΡΡΡ ΠΈ Π΄ΠΎΠ»Π³ΠΎΠ²Π΅ΡΠ½ΠΎΡΡΡ, ΡΡΠ°Π²Π½ΠΈΠΌΡΡ Ρ Π΄ΠΈΠ·Π΅Π»ΡΠ½ΡΠΌ Π΄Π²ΠΈΠ³Π°ΡΠ΅Π»Π΅ΠΌ.
ΠΠΎ ΡΠ°ΠΊΠΆΠ΅ Π²Π°ΠΆΠ½ΠΎ ΠΎΡΠΌΠ΅ΡΠΈΡΡ, ΡΡΠΎ Π±Π»Π°Π³ΠΎΠ΄Π°ΡΡ ΠΌΠ½ΠΎΠ³ΠΎΠ»Π΅ΡΠ½Π΅ΠΌΡ ΠΎΠΏΡΡΡ ΡΠ°Π±ΠΎΡΡ Ρ Π΄Π²ΠΈΠ³Π°ΡΠ΅Π»ΡΠΌΠΈ Ρ ΠΈΡΠΊΡΠΎΠ²ΡΠΌ Π·Π°ΠΆΠΈΠ³Π°Π½ΠΈΠ΅ΠΌ ΠΌΡ ΠΏΠΎΠ»ΡΡΠ°Π΅ΠΌ Π·Π½Π°Π½ΠΈΡ, ΠΊΠΎΡΠΎΡΡΠ΅ ΠΌΡ Π±ΡΠ΄Π΅ΠΌ ΠΈΡΠΏΠΎΠ»ΡΠ·ΠΎΠ²Π°ΡΡ, ΡΡΠΎΠ±Ρ Π²ΡΠ²Π΅ΡΡΠΈ ΠΏΠ΅ΡΠ΅Π΄ΠΎΠ²ΡΠ΅ ΡΠ΅Ρ Π½ΠΎΠ»ΠΎΠ³ΠΈΠΈ.
ΠΠ°ΠΏΡΠΈΠΌΠ΅Ρ, Π½Π°ΡΠ° ΠΏΡΠΎΠ³ΡΠ°ΠΌΠΌΠ° ΡΠ°Π·ΡΠ°Π±ΠΎΡΠΊΠΈ Π΄Π²ΠΈΠ³Π°ΡΠ΅Π»Π΅ΠΉ, ΡΠ°Π±ΠΎΡΠ°ΡΡΠΈΡ Π½Π° Π²ΠΎΠ΄ΠΎΡΠΎΠ΄Π΅, ΠΏΠ»Π°Π½ΠΈΡΡΠ΅Ρ ΠΈΡΠΏΠΎΠ»ΡΠ·ΠΎΠ²Π°ΡΡ ΡΠΎΠ²Π΅ΡΡΠ΅Π½Π½ΠΎ Π½ΠΎΠ²ΡΠ΅ ΠΏΠ»Π°ΡΡΠΎΡΠΌΡ Π΄Π²ΠΈΠ³Π°ΡΠ΅Π»Π΅ΠΉ, ΠΊΠΎΡΠΎΡΡΠ΅ ΠΏΡΠ΅Π΄Π»Π°Π³Π°ΡΡ Π³ΠΈΠ±ΠΊΠΈΠ΅ ΡΠΈΡΡΠ΅ΠΌΡ Π²Π΅ΡΡ Π½ΠΈΡ ΠΊΡΠ»Π°ΡΠΊΠΎΠ², ΡΠ»ΡΡΡΠ΅Π½Π½ΠΎΠ΅ ΠΎΡ Π»Π°ΠΆΠ΄Π΅Π½ΠΈΠ΅ ΠΈ ΡΠΌΠ΅Π½ΡΡΠ΅Π½Π½ΠΎΠ΅ ΡΡΠ΅Π½ΠΈΠ΅, ΡΡΠΎ Π½Π°ΠΏΡΠ°Π²Π»Π΅Π½ΠΎ Π½Π° Π΄ΠΎΡΡΠΈΠΆΠ΅Π½ΠΈΠ΅ Π±ΠΎΠ»Π΅Π΅ ΡΡΡΠ΅ΠΊΡΠΈΠ²Π½ΠΎΠ³ΠΎ ΠΏΡΠΎΠ΄ΡΠΊΡΠ° Ρ Π±ΠΎΠ»Π΅Π΅ Π²ΡΡΠΎΠΊΠΎΠΉ ΡΠ΄Π΅Π»ΡΠ½ΠΎΠΉ ΠΌΠΎΡΠ½ΠΎΡΡΡΡ.
ΠΡΠΈ ΠΏΠ»Π°ΡΡΠΎΡΠΌΡ ΡΠ°Π·ΡΠ°Π±Π°ΡΡΠ²Π°ΡΡΡΡ, ΡΡΠΎΠ±Ρ ΠΈΠ·Π±Π΅ΠΆΠ°ΡΡ ΠΎΠ³ΡΠ°Π½ΠΈΡΠ΅Π½ΠΈΠΉ ΠΏΡΠΎΠΈΠ·Π²ΠΎΠ΄ΠΈΡΠ΅Π»ΡΠ½ΠΎΡΡΠΈ ΠΈ Π΄ΡΡΠ³ΠΈΡ ΠΊΠΎΠΌΠΏΡΠΎΠΌΠΈΡΡΠΎΠ², ΡΠ²ΡΠ·Π°Π½Π½ΡΡ Ρ ΠΏΠ΅ΡΠ΅Π²ΠΎΠ΄ΠΎΠΌ ΡΠΎΠ²ΡΠ΅ΠΌΠ΅Π½Π½ΡΡ Π΄ΠΈΠ·Π΅Π»ΡΠ½ΡΡ ΠΈΠ»ΠΈ Π³Π°Π·ΠΎΠ²ΡΡ Π΄Π²ΠΈΠ³Π°ΡΠ΅Π»Π΅ΠΉ Π½Π° Π²ΠΎΠ΄ΠΎΡΠΎΠ΄Π½ΠΎΠ΅ ΡΠΎΠΏΠ»ΠΈΠ²ΠΎ.
ΠΡΠΎΠΌΠ΅ ΡΠΎΠ³ΠΎ, ΠΌΡ ΡΠ°Π·ΡΠ°Π±ΠΎΡΠ°Π»ΠΈ ΡΡΠΎΠ²Π΅ΡΡΠ΅Π½ΡΡΠ²ΠΎΠ²Π°Π½Π½ΡΡ ΠΎΠΏΡΠΈΠΌΠΈΠ·ΠΈΡΠΎΠ²Π°Π½Π½ΡΡ ΠΊΠ°ΠΌΠ΅ΡΡ ΡΠ³ΠΎΡΠ°Π½ΠΈΡ Π΄Π»Ρ ΡΠΌΠ΅ΡΠΈΠ²Π°Π½ΠΈΡ ΡΠΎΠΏΠ»ΠΈΠ²Π°, Π΄Π²ΠΈΠΆΠ΅Π½ΠΈΡ Π·Π°ΡΡΠ΄Π° ΠΈ ΡΠΎΠ·Π΄Π°Π½ΠΈΡ ΡΡΡΠ±ΡΠ»Π΅Π½ΡΠ½ΠΎΡΡΠΈ, ΡΡΠΎ, ΠΏΠΎ Π½Π°ΡΠ΅ΠΌΡ ΠΌΠ½Π΅Π½ΠΈΡ, ΠΈΠΌΠ΅Π΅Ρ ΡΠ΅ΡΠ°ΡΡΠ΅Π΅ Π·Π½Π°ΡΠ΅Π½ΠΈΠ΅ Π΄Π»Ρ Π±ΡΡΡΡΠΎΠ³ΠΎ ΡΠ³ΠΎΡΠ°Π½ΠΈΡ Π²ΠΎΠ΄ΠΎΡΠΎΠ΄Π°, ΡΡΠΎΠ±Ρ ΠΌΠ°ΠΊΡΠΈΠΌΠΈΠ·ΠΈΡΠΎΠ²Π°ΡΡ ΡΠ΄Π΅Π»ΡΠ½ΡΡ ΠΌΠΎΡΠ½ΠΎΡΡΡ ΠΈ ΡΡΡΠ΅ΠΊΡΠΈΠ²Π½ΠΎΡΡΡ.
Π’Π°ΠΊΠΆΠ΅ Π²Π°ΠΆΠ½ΠΎ ΠΎΡΠΌΠ΅ΡΠΈΡΡ, ΡΡΠΎ ΡΡΠ° ΡΠΈΡΡΠ΅ΠΌΠ° ΡΠ³ΠΎΡΠ°Π½ΠΈΡ Π±ΡΠ΄Π΅Ρ ΡΠ°Π±ΠΎΡΠ°ΡΡ ΡΠΎΠ²ΠΌΠ΅ΡΡΠ½ΠΎ Ρ Π½Π°ΡΠΈΠΌΠΈ Π²ΡΡΠΎΠΊΠΎΡΡΡΠ΅ΠΊΡΠΈΠ²Π½ΡΠΌΠΈ Π΄Π²ΠΈΠ³Π°ΡΠ΅Π»ΡΠΌΠΈ Π½ΠΎΠ²ΠΎΠ³ΠΎ ΠΏΠΎΠΊΠΎΠ»Π΅Π½ΠΈΡ, ΡΠ°Π±ΠΎΡΠ°ΡΡΠΈΠΌΠΈ Π½Π° ΠΏΡΠΈΡΠΎΠ΄Π½ΠΎΠΌ Π³Π°Π·Π΅, Ρ Π²ΡΡΠΎΠΊΠΎΠΉ ΡΠ΄Π΅Π»ΡΠ½ΠΎΠΉ ΠΌΠΎΡΠ½ΠΎΡΡΡΡ.
Π Π°Π½Π½Π΅Π΅ ΡΠ΅ΡΡΠΈΡΠΎΠ²Π°Π½ΠΈΠ΅ ΡΡΠΈΡ ΠΈ Π΄ΡΡΠ³ΠΈΡ ΠΏΠ΅ΡΠ΅Π΄ΠΎΠ²ΡΡ ΡΠ΅ΡΠ΅Π½ΠΈΠΉ Π±ΡΡΡΡΠΎ ΠΏΠΎΠ΄ΡΠ²Π΅ΡΠ΄ΠΈΠ»ΠΎ Π½Π°ΡΠΈ ΠΎΠΆΠΈΠ΄Π°Π½ΠΈΡ.
Π§ΡΠΎ Π΄Π°Π»ΡΡΠ΅ Π΄Π»Ρ ΡΠ°Π·ΡΠ°Π±ΠΎΡΠΊΠΈ Hydrogen ICE?
Π‘Π»Π΅Π΄ΡΡΡΠΈΠΌ ΡΠ°Π³ΠΎΠΌ Π² Π½Π°ΡΠ΅ΠΉ ΠΈΠ½Π½ΠΎΠ²Π°ΡΠΈΠΎΠ½Π½ΠΎΠΉ ΡΠ°Π·ΡΠ°Π±ΠΎΡΠΊΠ΅ Π²ΠΎΠ΄ΠΎΡΠΎΠ΄Π½ΡΡ Π΄Π²ΠΈΠ³Π°ΡΠ΅Π»Π΅ΠΉ ΡΠ²Π»ΡΠ΅ΡΡΡ ΠΏΡΠΈΠ²Π΅Π΄Π΅Π½ΠΈΠ΅ ΠΏΡΠΎΠΈΠ·Π²ΠΎΠ΄ΠΈΡΠ΅Π»ΡΠ½ΠΎΡΡΠΈ ΡΠΈΠ»ΠΎΠ²ΠΎΠ³ΠΎ Π°Π³ΡΠ΅Π³Π°ΡΠ° Π² ΡΠΎΠΎΡΠ²Π΅ΡΡΡΠ²ΠΈΠ΅ Ρ ΠΏΡΠΈΠ»ΠΎΠΆΠ΅Π½ΠΈΡΠΌΠΈ, ΠΊΠΎΡΠΎΡΡΠ΅ Π² Π½Π°ΠΈΠ±ΠΎΠ»ΡΡΠ΅ΠΉ ΡΡΠ΅ΠΏΠ΅Π½ΠΈ ΠΏΡΡΠ°ΡΡΡΡ Π½Π°ΠΉΡΠΈ ΠΆΠΈΠ·Π½Π΅ΡΠΏΠΎΡΠΎΠ±Π½ΡΠ΅ ΡΠ΅ΡΠ΅Π½ΠΈΡ Ρ Π½ΡΠ»Π΅Π²ΡΠΌ Π²ΡΠ±ΡΠΎΡΠΎΠΌ ΡΠ³Π»Π΅ΡΠΎΠ΄Π° Π² Π±Π»ΠΈΠΆΠ°ΠΉΡΠ΅ΠΌ Π±ΡΠ΄ΡΡΠ΅ΠΌ.
ΠΠΎΠ΄ΠΎΡΠΎΠ΄Π½ΡΠ΅ ΠΠΠ‘ ΡΠΎΠ·Π΄Π°Π΄ΡΡ Π½ΠΎΠ²ΠΎΠ΅ ΠΈ ΠΏΡΠΈΠ²Π»Π΅ΠΊΠ°ΡΠ΅Π»ΡΠ½ΠΎΠ΅ ΡΠ΅ΡΠ΅Π½ΠΈΠ΅, Π³Π΄Π΅ Π²ΡΡΠΎΠΊΠΈΠ΅ ΠΊΠΎΡΡΡΠΈΡΠΈΠ΅Π½ΡΡ Π½Π°Π³ΡΡΠ·ΠΊΠΈ ΠΈ Π²ΡΡΠΎΠΊΠ°Ρ Π·Π°Π³ΡΡΠ·ΠΊΠ° ΠΎΠ±ΠΎΡΡΠ΄ΠΎΠ²Π°Π½ΠΈΡ ΠΈΠΌΠ΅ΡΡ ΡΠ΅ΡΠ°ΡΡΠ΅Π΅ Π·Π½Π°ΡΠ΅Π½ΠΈΠ΅ Π΄Π»Ρ ΠΊΠ»ΠΈΠ΅Π½ΡΠΎΠ². Π‘ Π²ΠΎΠ»Π½ΠΎΠΉ Π²ΠΎΠ»Π½Π΅Π½ΠΈΡ ΠΈ Π²ΠΎΠ·ΠΌΠΎΠΆΠ½ΠΎΡΡΠ΅ΠΉ Π½Π° Π³ΠΎΡΠΈΠ·ΠΎΠ½ΡΠ΅ ΠΏΡΠΎΠ³ΡΠ°ΠΌΠΌΠ° ΡΠ°Π·ΡΠ°Π±ΠΎΡΠΊΠΈ Π΄Π²ΠΈΠ³Π°ΡΠ΅Π»Π΅ΠΉ Π½Π° Π²ΠΎΠ΄ΠΎΡΠΎΠ΄Π½ΠΎΠΌ ΡΠΎΠΏΠ»ΠΈΠ²Π΅ ΠΌΠΎΠΆΠ΅Ρ ΡΠ°ΡΡΠΈΡΠΈΡΡ Π²ΡΠ±ΠΎΡ ΡΠΈΠ»ΠΎΠ²ΡΡ Π°Π³ΡΠ΅Π³Π°ΡΠΎΠ² ΠΊΠ»ΠΈΠ΅Π½ΡΠΎΠ².
Π Π΅ΡΠ΅Π½ΠΈΠ΅ ΡΠ»ΠΎΠΆΠ½ΡΡ
Π·Π°Π΄Π°Ρ Π½Π΅ ΡΠ²Π»ΡΠ΅ΡΡΡ ΡΠ΅ΠΌ-ΡΠΎ Π½ΠΎΠ²ΡΠΌ Π΄Π»Ρ Cummins.
ΠΡ Π·Π°Π½ΠΈΠΌΠ°Π΅ΠΌΡΡ ΠΈΠΌΠ΅Π½Π½ΠΎ ΡΡΠΈΠΌ ΡΠΆΠ΅ Π±ΠΎΠ»Π΅Π΅ Π²Π΅ΠΊΠ°, ΠΈ ΠΈΠ½Π½ΠΎΠ²Π°ΡΠΈΠΈ Π·Π°Π»ΠΎΠΆΠ΅Π½Ρ Π² Π½Π°ΡΠ΅ΠΉ ΠΠΠ.
Π’ΠΎΠ»ΡΠΊΠΎ Π·Π° ΠΏΠΎΡΠ»Π΅Π΄Π½ΠΈΠ΅ 25 Π»Π΅Ρ ΠΌΡ Π΄ΠΎΠ±ΠΈΠ»ΠΈΡΡ Π·Π½Π°ΡΠΈΡΠ΅Π»ΡΠ½ΠΎΠ³ΠΎ ΡΠΎΠΊΡΠ°ΡΠ΅Π½ΠΈΡ Π²ΡΠ±ΡΠΎΡΠΎΠ² NOx ΠΈ ΡΠ²Π΅ΡΠ΄ΡΡ ΡΠ°ΡΡΠΈΡ (Π’Π§) ΠΏΠΎ ΠΊΡΠΈΡΠ΅ΡΠΈΡ Π΄Π²ΠΈΠ³Π°ΡΠ΅Π»Π΅ΠΉ. ΠΠΏΠ΅ΡΠ°ΡΠ»ΡΠ΅Ρ ΡΠ°ΠΊΠΆΠ΅ ΠΏΠΎΠ²ΡΡΠ΅Π½ΠΈΠ΅ ΡΡΡΠ΅ΠΊΡΠΈΠ²Π½ΠΎΡΡΠΈ ΠΈΡΠΏΠΎΠ»ΡΠ·ΠΎΠ²Π°Π½ΠΈΡ ΡΠΎΠΏΠ»ΠΈΠ²Π° ΠΈ ΡΠΎΠΎΡΠ²Π΅ΡΡΡΠ²ΡΡΡΠ΅Π΅ ΡΠ½ΠΈΠΆΠ΅Π½ΠΈΠ΅ Π²ΡΠ±ΡΠΎΡΠΎΠ² CO2.
Π’Π΅ΠΏΠ΅ΡΡ, Π² ΡΠ΅ΡΠ΅Π½ΠΈΠ΅ ΡΠ»Π΅Π΄ΡΡΡΠΈΡ Π½Π΅ΡΠΊΠΎΠ»ΡΠΊΠΈΡ Π»Π΅Ρ, Π½Π°ΡΠ° ΠΏΡΠΎΠ³ΡΠ°ΠΌΠΌΠ° ΡΠ°Π·ΡΠ°Π±ΠΎΡΠΊΠΈ Π΄Π²ΠΈΠ³Π°ΡΠ΅Π»Π΅ΠΉ, ΡΠ°Π±ΠΎΡΠ°ΡΡΠΈΡ Π½Π° Π²ΠΎΠ΄ΠΎΡΠΎΠ΄Π΅, Π±ΡΠ΄Π΅Ρ ΡΠ΅ΡΠ°ΡΡ Π·Π°Π΄Π°ΡΡ ΠΎΠ±Π΅ΡΠΏΠ΅ΡΠ΅Π½ΠΈΡ ΡΠΎΠΏΠ»ΠΈΠ²Π° Ρ Π½ΡΠ»Π΅Π²ΡΠΌ ΡΠΎΠ΄Π΅ΡΠΆΠ°Π½ΠΈΠ΅ΠΌ ΡΠ³Π»Π΅ΡΠΎΠ΄Π° ΠΏΡΠΈ ΡΠΎΡ ΡΠ°Π½Π΅Π½ΠΈΠΈ Π²ΡΠ΅Ρ Ρ Π°ΡΠ°ΠΊΡΠ΅ΡΠΈΡΡΠΈΠΊ ΠΏΡΠΎΠΈΠ·Π²ΠΎΠ΄ΠΈΡΠ΅Π»ΡΠ½ΠΎΡΡΠΈ, ΠΊΠΎΡΠΎΡΡΠ΅ Π½Π°ΡΠΈ ΠΊΠ»ΠΈΠ΅Π½ΡΡ ΠΎΠΆΠΈΠ΄Π°ΡΡ ΠΎΡ Cummins.
ΠΠΎΠ±Π°Π²ΡΡΠ΅ ΡΡΠΎ ΠΊ Π½Π°ΡΠ΅ΠΌΡ ΡΠΆΠ΅ ΡΠ°Π·Π½ΠΎΠΎΠ±ΡΠ°Π·Π½ΠΎΠΌΡ Π½Π°Π±ΠΎΡΡ Π΄ΠΎΡΡΡΠΏΠ½ΡΡ ΡΠ΅Ρ Π½ΠΎΠ»ΠΎΠ³ΠΈΠΉ, ΠΏΡΡΡ ΠΊ ΠΌΠ°ΡΡΠΎΠ²ΠΎΠΌΡ Π²Π½Π΅Π΄ΡΠ΅Π½ΠΈΡ Π±ΠΎΠ»Π΅Π΅ ΡΠΊΠΎΠ»ΠΎΠ³ΠΈΡΠ΅ΡΠΊΠΈ ΡΡΡΠΎΠΉΡΠΈΠ²ΡΡ ΡΠ΅ΡΠ΅Π½ΠΈΠΉ ΡΠΆΠ΅ Π² ΠΏΡΠ΅Π΄Π΅Π»Π°Ρ Π΄ΠΎΡΡΠ³Π°Π΅ΠΌΠΎΡΡΠΈ.
Π’Π΅Π³ΠΈ
ΠΠΎΠ΄ΠΎΡΠΎΠ΄
ΠΠΈΠΊΠΎΠ³Π΄Π° Π½Π΅ ΠΏΡΠΎΠΏΡΡΡΠΈΡΠ΅ ΠΏΠΎΡΠ»Π΅Π΄Π½ΠΈΠ΅ Π½ΠΎΠ²ΠΎΡΡΠΈ
ΠΡΠ΄ΡΡΠ΅ Π² ΠΊΡΡΡΠ΅ ΠΏΠΎΡΠ»Π΅Π΄Π½ΠΈΡ Π½ΠΎΠ²ΠΎΡΡΠ΅ΠΉ ΠΎ Π½ΠΎΠ²ΡΡ ΡΠ΅Ρ Π½ΠΎΠ»ΠΎΠ³ΠΈΡΡ , ΠΏΡΠΎΠ΄ΡΠΊΡΠ°Ρ , ΠΎΡΡΠ°ΡΠ»Π΅Π²ΡΡ ΡΠ΅Π½Π΄Π΅Π½ΡΠΈΡΡ ΠΈ Π½ΠΎΠ²ΠΎΡΡΡΡ .
ΠΠ΄ΡΠ΅Ρ ΡΠ»Π΅ΠΊΡΡΠΎΠ½Π½ΠΎΠΉ ΠΏΠΎΡΡΡ
ΠΠΎΠΌΠΏΠ°Π½ΠΈΡ
ΠΡΠΈΡΡΠ»Π°ΠΉΡΠ΅ ΠΌΠ½Π΅ ΠΏΠΎΡΠ»Π΅Π΄Π½ΠΈΠ΅ Π½ΠΎΠ²ΠΎΡΡΠΈ (ΠΎΡΠΌΠ΅ΡΡΡΠ΅ Π²ΡΠ΅ ΠΏΠΎΠ΄Ρ ΠΎΠ΄ΡΡΠΈΠ΅ Π²Π°ΡΠΈΠ°Π½ΡΡ):
ΠΠ²ΡΠΎΠΏΠ΅ΡΠ΅Π²ΠΎΠ·ΠΊΠΈ
ΠΠ²ΡΠΎΠ±ΡΡ
ΠΠΈΠΊΠ°ΠΏ
Π‘ΡΡΠΎΠΈΡΠ΅Π»ΡΡΡΠ²ΠΎ
Π‘Π΅Π»ΡΡΠΊΠΎΠ΅ Ρ ΠΎΠ·ΡΠΉΡΡΠ²ΠΎ
ΠΡΠ΄Π΅Π» Π½ΠΎΠ²ΠΎΡΡΠ΅ΠΉ Cummins: ΠΠ°ΡΠΈ ΠΈΠ½Π½ΠΎΠ²Π°ΡΠΈΠΈ, ΡΠ΅Ρ Π½ΠΎΠ»ΠΎΠ³ΠΈΠΈ ΠΈ ΡΡΠ»ΡΠ³ΠΈ
ΠΎΡ Cummins Inc., ΠΌΠΈΡΠΎΠ²ΠΎΠ³ΠΎ Π»ΠΈΠ΄Π΅ΡΠ° Π² ΠΎΠ±Π»Π°ΡΡΠΈ ΡΠ½Π΅ΡΠ³Π΅ΡΠΈΡΠ΅ΡΠΊΠΈΡ ΡΠ΅Ρ Π½ΠΎΠ»ΠΎΠ³ΠΈΠΉ
ΠΠΎΠ»ΡΡΠΈΠ½ΡΡΠ²ΠΎ Π»ΡΠ΄Π΅ΠΉ Π·Π½Π°ΡΡ ΠΡΡ-ΠΠ΅ΠΊΡΠΈΠΊΠΎ ΡΠΎΠ»ΡΠΊΠΎ ΠΈΠ·-Π·Π° Π΅Π³ΠΎ ΠΆΠ°ΡΡ ΠΈ Π²ΡΡΠΎΠΊΠΎΠ³ΠΎΡΠ½ΡΡ ΠΏΡΡΡΡΠ½Ρ. Π’Π΅ΠΌ Π½Π΅ ΠΌΠ΅Π½Π΅Π΅, ΠΡΡ-ΠΠ΅ΠΊΡΠΈΠΊΠΎ ΡΠ²Π»ΡΠ΅ΡΡΡ Π΄ΠΎΠΌΠΎΠΌ Π΄Π»Ρ Π²Π»Π°Π΄Π΅Π»ΡΡΠ΅Π² NM Solar Professionals, LLC, Π²Π»Π°Π΄Π΅Π»ΡΡΠ°ΠΌΠΈ ΠΊΠΎΡΠΎΡΡΡ ΡΠ²Π»ΡΡΡΡΡ ΡΠΈΠ½Π°Π½ΡΠΎΠ²ΡΠΉ Π΄ΠΈΡΠ΅ΠΊΡΠΎΡ-ΠΎΡΠ½ΠΎΠ²Π°ΡΠ΅Π»Ρ ΠΠ»Π΅ΠΉΠ½ Π‘ΠΈΠ»ΡΠ²Π° ΠΈ ΡΠΎΡΡΡΠ΅Π΄ΠΈΡΠ΅Π»Ρ ΠΈ Π³Π΅Π½Π΅ΡΠ°Π»ΡΠ½ΡΠΉ Π΄ΠΈΡΠ΅ΠΊΡΠΎΡ ΠΠ»ΡΠ±Π΅ΡΡ Π‘ΠΈΠ»ΡΠ²Π°. Π£ΡΠΎΠΆΠ΅Π½Π΅Ρ ΠΡΡ-ΠΠ΅ΠΊΡΠΈΠΊΠΎ, ΡΠ΅ΠΌΡΡ Π‘ΠΈΠ»ΡΠ²Π° ΠΏΡΠ΅Π΄ΠΎΡΡΠ°Π²Π»ΡΠ΅Ρ Π² ΡΠ²ΠΎΠ΅ΠΌ ΡΠΎΠΎΠ±ΡΠ΅ΡΡΠ²Π΅ ΡΠΈΡΡΠ΅ΠΌΡ ΡΠ΅Π·Π΅ΡΠ²Π½ΠΎΠ³ΠΎ ΠΏΠΈΡΠ°Π½ΠΈΡ Π΄Π»Ρ Π΄ΠΎΠΌΠ° ΠΈ Π±ΠΈΠ·Π½Π΅ΡΠ°, ΠΊΠΎΡΠΎΡΡΠ΅ ΠΌΠΎΠ³ΡΡ Π²ΡΠ΄Π΅ΡΠΆΠΈΠ²Π°ΡΡ ΠΆΠ°ΡΡ ΠΈ Π±ΠΎΠ»ΡΡΡΡ Π²ΡΡΠΎΡΡ ΠΡΡ-ΠΠ΅ΠΊΡΠΈΠΊΠΎ. Silvas ΠΈΠ½ΡΠ΅Π³ΡΠΈΡΠΎΠ²Π°Π»ΠΈ Π΄ΠΎΠΌΠ°ΡΠ½ΠΈΠ΅ ΡΠ΅Π·Π΅ΡΠ²Π½ΡΠ΅ Π³Π΅Π½Π΅ΡΠ°ΡΠΎΡΡ Ρ ΡΠΎΠ»Π½Π΅ΡΠ½ΡΠΌΠΈ Π±Π°ΡΠ°ΡΠ΅ΡΠΌΠΈ Π΄Π»Ρ Π±Π΅Π·ΠΎΠΏΠ°ΡΠ½ΠΎΠ³ΠΎ ΠΈ Π΄ΠΎΡΡΡΠΏΠ½ΠΎΠ³ΠΎ Π°Π²Π°ΡΠΈΠΉΠ½ΠΎΠ³ΠΎ ΠΏΠΈΡΠ°Π½ΠΈΡ.
New Mexico Solar Professionals, LLC (NM Solar Pro) Π±ΡΠ»Π° ΠΎΡΠ½ΠΎΠ²Π°Π½Π° Π² ΠΡΡ-ΠΠ΅ΠΊΡΠΈΠΊΠΎ Π² 2016 Π³ΠΎΠ΄Ρ. ΠΡΠ° ΠΊΠΎΠΌΠΏΠ°Π½ΠΈΡ Π·Π°Π½ΠΈΠΌΠ°Π΅Ρ ΡΠ½ΠΈΠΊΠ°Π»ΡΠ½ΠΎΠ΅ ΠΏΠΎΠ»ΠΎΠΆΠ΅Π½ΠΈΠ΅ Π½Π° ΡΡΠ½ΠΊΠ΅ ΠΏΡΠΎΠΈΠ·Π²ΠΎΠ΄ΡΡΠ²Π° ΡΠ½Π΅ΡΠ³ΠΈΠΈ (ΠΏΡΠΎΠ΅ΠΊΡΠΈΡΠΎΠ²Π°Π½ΠΈΠ΅, ΡΡΡΠ°Π½ΠΎΠ²ΠΊΠ° ΠΈ ΠΈΠ½ΡΠ΅Π³ΡΠ°ΡΠΈΡ Π²ΡΡΠ°Π±ΠΎΡΠΊΠΈ ΡΠ»Π΅ΠΊΡΡΠΎΡΠ½Π΅ΡΠ³ΠΈΠΈ Ρ ΠΏΠΎΠΌΠΎΡΡΡ NG, LP ΠΈ Π΄ΡΡΠ³ΠΈΡ
ΡΠ»Π΅ΠΊΡΡΠΈΡΠ΅ΡΠΊΠΈΡ
ΡΠΈΡΡΠ΅ΠΌ). ΠΏΠΎΠΊΠΎΠ»Π΅Π½ΠΈΠ΅). ΠΡΠΎΡ ΠΌΠ΅ΡΡΠ½ΡΠΉ ΡΠ΅ΠΌΠ΅ΠΉΠ½ΡΠΉ Π±ΠΈΠ·Π½Π΅Ρ ΠΎΠ±ΡΠ΅Π΄ΠΈΠ½ΠΈΠ» ΠΈΡ
Π³Π΅Π½Π΅ΡΠΈΡΡΡΡΠΈΠ΅ ΠΏΡΠΎΠ΅ΠΊΡΡ ΠΈ ΠΏΡΠΈΡΠΎΠ΅Π΄ΠΈΠ½ΠΈΠ»ΡΡ ΠΊ Cummins Π² ΠΊΠ°ΡΠ΅ΡΡΠ²Π΅ Π΄ΠΈΠ»Π΅ΡΡΠΊΠΎΠΉ ΡΠ΅ΡΠΈ ΠΏΠΎ ΠΏΡΠΎΠΈΠ·Π²ΠΎΠ΄ΡΡΠ²Ρ ΡΠ»Π΅ΠΊΡΡΠΎΡΠ½Π΅ΡΠ³ΠΈΠΈ Π΄Π»Ρ Π΄ΠΎΠΌΠ° ΠΈ ΠΌΠ°Π»ΠΎΠ³ΠΎ Π±ΠΈΠ·Π½Π΅ΡΠ°.
ΠΠ±Π»Π°Π΄Π°Ρ ΡΡΡΠΎΠΈΡΠ΅Π»ΡΠ½ΡΠΌ ΠΎΠΏΡΡΠΎΠΌ, ΠΎΠ±Π»Π°Π΄Π°Ρ Π³Π΅Π½Π΅ΡΠ°Π»ΡΠ½ΡΠΌ ΠΏΠΎΠ΄ΡΡΠ΄ΡΠΈΠΊΠΎΠΌ ΠΈ Π»ΠΈΡΠ΅Π½Π·ΠΈΠ΅ΠΉ Π½Π° ΡΠ»Π΅ΠΊΡΡΠΎΡΠ½Π°Π±ΠΆΠ΅Π½ΠΈΠ΅, Π²Ρ ΠΏΠΎΠ»ΡΡΠ°Π΅ΡΠ΅ ΠΎΠ³ΡΠΎΠΌΠ½ΡΡ Π²ΡΠ³ΠΎΠ΄Ρ, ΠΏΡΠ΅Π΄ΠΎΡΡΠ°Π²Π»ΡΡ ΠΊΠ»ΠΈΠ΅Π½ΡΠ°ΠΌ Π½Π°ΠΈΠ»ΡΡΡΠΈΠ΅ Π²ΠΎΠ·ΠΌΠΎΠΆΠ½ΡΠ΅ ΡΡΡΠ°Π½ΠΎΠ²ΠΊΠΈ.
ΠΠΎΠ½Π΅ΡΠ½ΠΎ, ΠΈΠ· Π½Π°Π·Π²Π°Π½ΠΈΡ ΠΊΠΎΠΌΠΏΠ°Π½ΠΈΠΈ ΠΌΠΎΠΆΠ½ΠΎ Π½Π΅ ΠΏΡΠ΅Π΄ΠΏΠΎΠ»ΠΎΠΆΠΈΡΡ, ΡΡΠΎ ΠΎΠ½ΠΈ ΠΏΡΠΎΠ΄Π°ΡΡ ΡΠ»Π΅ΠΊΡΡΠΎΠ³Π΅Π½Π΅ΡΠ°ΡΠΎΡΡ Cummins Π΄Π»Ρ Π΄ΠΎΠΌΠ° ΠΈ ΠΌΠ°Π»ΠΎΠ³ΠΎ Π±ΠΈΠ·Π½Π΅ΡΠ°. ΠΠ΄Π½Π°ΠΊΠΎ Ρ ΡΡΠ΅ΡΠΎΠΌ ΡΠΎΠ³ΠΎ, ΡΡΠΎ ΡΠΎΠ»Π½Π΅ΡΠ½Π°Ρ ΡΠ½Π΅ΡΠ³Π΅ΡΠΈΠΊΠ° ΡΠΎΡΠ»Π° ΡΠ΅ΠΊΠΎΡΠ΄Π½ΡΠΌΠΈ ΡΠ΅ΠΌΠΏΠ°ΠΌΠΈ, ΡΡΠΎ Π±ΡΠ» Π΅ΡΡΠ΅ΡΡΠ²Π΅Π½Π½ΡΠΉ ΠΏΠ΅ΡΠ΅Ρ ΠΎΠ΄ ΠΊ ΡΠ°ΡΡΠΌΠΎΡΡΠ΅Π½ΠΈΡ Π°Π½Π°Π»ΠΎΠ³ΠΈΡΠ½ΡΡ Π½Π΅Π΄ΠΎΡΠΎΠ³ΠΈΡ ΡΠ½Π΅ΡΠ³ΠΎΡΠΈΡΡΠ΅ΠΌ NG/LP, ΠΊΠΎΡΠΎΡΡΠ΅ ΠΌΠΎΠ³Π»ΠΈ Π±Ρ ΠΏΠΎΠΌΠΎΡΡ ΠΊΠ»ΠΈΠ΅Π½ΡΠ°ΠΌ Ρ ΠΏΠΎΠ²ΡΠ΅Π΄Π½Π΅Π²Π½ΡΠΌΠΈ ΠΏΠΎΡΡΠ΅Π±Π½ΠΎΡΡΡΠΌΠΈ. ΠΠ΅Π»ΠΎΠ²ΠΎΠΉ Ρ ΠΎΠ΄, ΠΊΠΎΡΠΎΡΡΠΉ ΠΎΠΊΠ°Π·Π°Π»ΡΡ ΡΡΠΏΠ΅ΡΠ½ΡΠΌ Π΄Π»Ρ ΡΠ΅ΠΌΡΠΈ Π‘ΠΈΠ»ΡΠ²Π°Ρ. ΠΠ½ΠΈ ΠΎΠ±Π½Π°ΡΡΠΆΠΈΠ»ΠΈ, ΡΡΠΎ Π±ΠΎΠ»ΡΡΠΈΠ½ΡΡΠ²ΠΎ Π΄ΠΎΠΌΠΎΠ²Π»Π°Π΄Π΅Π»ΡΡΠ΅Π² Π½Π΅ Π·Π½Π°ΡΡ, ΡΡΠΎ Π΄Π»Ρ ΠΎΠ±ΡΠ΅Π΄ΠΈΠ½Π΅Π½ΠΈΡ ΠΈΡ ΡΡΡΠ΅ΡΡΠ²ΡΡΡΠ΅ΠΉ ΡΠΎΠ»Π½Π΅ΡΠ½ΠΎΠΉ ΡΠΈΡΡΠ΅ΠΌΡ Ρ Π΄ΠΎΠΏΠΎΠ»Π½ΠΈΡΠ΅Π»ΡΠ½ΠΎΠΉ ΡΠΈΡΡΠ΅ΠΌΠΎΠΉ Π³Π΅Π½Π΅ΡΠ°ΡΠΎΡΠ° ΡΠ½Π΅ΡΠ³ΠΈΠΈ Π½Π΅ΠΎΠ±Ρ ΠΎΠ΄ΠΈΠΌ ΡΠΊΡΠΏΠ΅ΡΡ ΠΏΠΎ ΡΠΎΠ»Π½Π΅ΡΠ½ΠΎΠΉ ΡΠ½Π΅ΡΠ³ΠΈΠΈ; ΡΠ΅ΡΠ°ΡΡΠ΅Π΅ ΠΏΡΠ΅ΠΈΠΌΡΡΠ΅ΡΡΠ²ΠΎ, ΠΊΠΎΡΠΎΡΠΎΠ΅ ΠΌΠΎΠΆΠ΅Ρ ΠΎΠ±Π΅ΡΠΏΠ΅ΡΠΈΡΡ NM Solar Pros.
ΠΠΎΡΠΊΠΎΠ»ΡΠΊΡ Π½Π΅ ΡΠ°ΠΊ ΠΌΠ½ΠΎΠ³ΠΎ ΠΠΈΠ»Π΅ΡΠΎΠ² ΠΈΠΌΠ΅ΡΡ ΠΎΠ±ΡΡΠ΅Π½ΠΈΠ΅, Π»ΠΈΡΠ΅Π½Π·ΠΈΡ ΠΈ ΠΎΠΏΡΡ, ΠΏΠΎΠ΄ΠΎΠ±Π½ΡΠ΅ Π‘ΠΈΠ»ΡΠ²Π° Π² ΡΠ°ΠΉΠΎΠ½Π΅ ΠΡΡ-ΠΠ΅ΠΊΡΠΈΠΊΠΎ, Π΅ΠΆΠ΅Π΄Π½Π΅Π²Π½ΡΠ΅ ΠΏΠΎΡΡΠ΅Π±Π½ΠΎΡΡΠΈ Π² ΡΠ΅Π·Π΅ΡΠ²Π½ΠΎΠΌ ΠΏΠΈΡΠ°Π½ΠΈΠΈ Π±ΠΎΠ»Π΅Π΅ ΡΠ°ΡΡΡ.
ΠΠ΄Π½ΠΎΠΉ ΠΈΠ· ΠΎΡΠ½ΠΎΠ²Π½ΡΡ
ΠΏΡΠΈΡΠΈΠ½ ΡΠ²Π»ΡΠ΅ΡΡΡ Π½Π΅Π΄Π°Π²Π½Π΅Π΅ Π·Π°ΠΊΡΡΡΠΈΠ΅ Π³Π΅Π½Π΅ΡΠΈΡΡΡΡΠ΅ΠΉ ΡΡΠ°Π½ΡΠΈΠΈ Π‘Π°Π½-Π₯ΡΠ°Π½, ΠΌΠ΅ΡΡΠ½ΠΎΠΉ ΡΠ³ΠΎΠ»ΡΠ½ΠΎΠΉ ΡΠ»Π΅ΠΊΡΡΠΎΡΡΠ°Π½ΡΠΈΠΈ, ΠΊΠΎΡΠΎΡΠ°Ρ, ΠΏΠΎ ΠΏΡΠΎΠ³Π½ΠΎΠ·Π°ΠΌ Π‘ΠΈΠ»ΡΠ²Ρ, ΠΏΠΎΠ²Π»ΠΈΡΠ΅Ρ ΠΏΡΠΈΠΌΠ΅ΡΠ½ΠΎ Π½Π° 20% ΠΌΠ΅ΡΡΠ½ΠΎΠ³ΠΎ ΡΡΠ½ΠΊΠ° ΡΠ»Π΅ΠΊΡΡΠΎΡΠ½Π΅ΡΠ³ΠΈΠΈ ΠΈ ΠΎΡΠΊΠ»ΡΡΠΈΡΡΡ. Π ΡΠΎΠΆΠ°Π»Π΅Π½ΠΈΡ, ΠΌΠ΅ΡΡΠ½ΠΎΠ΅ ΠΏΡΠ°Π²ΠΈΡΠ΅Π»ΡΡΡΠ²ΠΎ Π½Π΅ Π΄Π°Π΅Ρ ΡΠΊΠ°Π·Π°Π½ΠΈΠΉ Π½Π° ΠΌΠΎΠ΄Π΅ΡΠ½ΠΈΠ·Π°ΡΠΈΡ ΠΈΠ»ΠΈ ΡΡΡΠΎΠΈΡΠ΅Π»ΡΡΡΠ²ΠΎ ΠΊΠ°ΠΊΠΈΡ
-Π»ΠΈΠ±ΠΎ Π½ΠΎΠ²ΡΡ
ΠΎΠ±ΡΠ΅ΠΊΡΠΎΠ² Π΄Π»Ρ ΠΏΠΎΠ΄Π΄Π΅ΡΠΆΠΊΠΈ, ΡΡΠΎ ΠΎΡΡΠ°Π²Π»ΡΠ΅Ρ ΠΎΡΡΡΡΡ ΠΏΠΎΡΡΠ΅Π±Π½ΠΎΡΡΡ Π² ΡΠ΅ΡΠ΅Π½ΠΈΠΈ. NM Solar Pros Ρ
ΠΎΡΠ΅Ρ ΠΈ Π΄Π°Π»ΡΡΠ΅ ΠΎΡΡΠ°Π²Π°ΡΡΡΡ ΠΆΠΈΠ·Π½Π΅Π½Π½ΠΎ Π²Π°ΠΆΠ½ΡΠΌ ΠΈΡΡΠΎΡΠ½ΠΈΠΊΠΎΠΌ Π½Π°Π΄Π΅ΠΆΠ΄Ρ Π΄Π»Ρ ΡΠΎΠΎΠ±ΡΠ΅ΡΡΠ²Π°.
ΠΠ»Ρ Π‘ΠΈΠ»ΡΠ²Ρ ΡΡΠΎ ΠΊΠ»ΡΡΠ΅Π²ΠΎΠΉ ΠΌΠΎΠΌΠ΅Π½Ρ Π΄Π»Ρ ΡΡΡΠ°Π½ΠΎΠ²ΠΊΠΈ Π³Π΅Π½Π΅ΡΠ°ΡΠΎΡΠΎΠ² Cummins. Π ΠΎΠΆΠΈΠ΄Π°Π½ΠΈΠΈ ΡΠΎΠ³ΠΎ, ΡΡΠΎ Π² Π»ΡΠ±ΠΎΠΉ Π΄Π΅Π½Ρ ΠΌΠΎΠΆΠ΅Ρ ΠΏΡΠΎΠΈΠ·ΠΎΠΉΡΠΈ 10-ΡΠ°ΡΠΎΠ²ΠΎΠ΅ Π½Π΅ΠΏΡΠ΅ΡΡΠ²Π½ΠΎΠ΅ ΠΎΡΠΊΠ»ΡΡΠ΅Π½ΠΈΠ΅ ΡΠ»Π΅ΠΊΡΡΠΎΡΠ½Π΅ΡΠ³ΠΈΠΈ, ΡΠ΅ΠΌΡΡ Π‘ΠΈΠ»ΡΠ²Π° Π½Π°ΡΠ°Π»Π° ΡΠ°Π±ΠΎΡΠ°ΡΡ Ρ ΡΠΎΠΎΠ±ΡΠ΅ΡΡΠ²ΠΎΠΌ Π½Π°Π΄ ΡΠΊΠΎΠ½ΠΎΠΌΠΈΡΠ΅ΡΠΊΠΈ ΡΡΡΠ΅ΠΊΡΠΈΠ²Π½ΡΠΌΠΈ ΠΈΠ½Π²Π΅ΡΡΠΈΡΠΈΡΠΌΠΈ Π² Π³Π΅Π½Π΅ΡΠ°ΡΠΎΡΡ Cummins ΡΠ΅ΡΠΈΠΈ Quiet Π΄Π»Ρ ΠΆΠΈΠ»ΡΡ ΠΏΠΎΠΌΠ΅ΡΠ΅Π½ΠΈΠΉ ΠΌΠΎΡΠ½ΠΎΡΡΡΡ 20 ΠΊΠΡ. ΠΠΎ ΠΈΡ ΠΎΡΠ΅Π½ΠΊΠ°ΠΌ, ΠΊΠ»ΠΈΠ΅Π½ΡΡ ΡΡΠ°ΡΡΡ ΠΏΡΠΈΠΌΠ΅ΡΠ½ΠΎ Π½Π° 50 % ΠΌΠ΅Π½ΡΡΠ΅ ΠΈ ΠΏΠΎΠ»ΡΡΠ°ΡΡ Π½Π° 50 % Π±ΠΎΠ»ΡΡΠ΅ ΡΠ½Π΅ΡΠ³ΠΈΠΈ Ρ ΠΏΠΎΠΌΠΎΡΡΡ Cummins Home-Standby-Generator co ΠΏΠΎ ΡΡΠ°Π²Π½Π΅Π½ΠΈΡ Ρ Π²Π°ΡΠΈΠ°Π½ΡΠΎΠΌ ΡΠ΅Π·Π΅ΡΠ²Π½ΠΎΠ³ΠΎ Π°ΠΊΠΊΡΠΌΡΠ»ΡΡΠΎΡΠ°.
ΠΡΠ΄ΡΡΠΈ Π΄ΠΈΠ»Π΅ΡΠΎΠΌ Cummins, ΠΎΠ½ΠΈ ΠΌΠΎΠ³ΡΡ ΠΏΠΎΠ΄Π΄Π΅ΡΠΆΠΈΠ²Π°ΡΡ ΡΠ²ΠΎΠ΅ ΡΠΎΠΎΠ±ΡΠ΅ΡΡΠ²ΠΎ ΡΠ°Π·Π½ΡΠΌΠΈ ΡΠΏΠΎΡΠΎΠ±Π°ΠΌΠΈ.

Π‘ΠΈΠ»ΡΠ²Π° Π³ΠΎΠ²ΠΎΡΠΈΡ, ΡΡΠΎ Π±ΠΎΠ»ΡΡΠ΅ Π²ΡΠ΅Π³ΠΎ ΡΠ°Π΄ΠΎΡΡΠΈ ΠΏΡΠΈΠ½ΠΎΡΠΈΡ ΠΎΠ±ΡΡΠ΅Π½ΠΈΠ΅ ΠΊΠ»ΠΈΠ΅Π½ΡΠΎΠ² ΠΈΡΠΏΠΎΠ»ΡΠ·ΠΎΠ²Π°Π½ΠΈΡ ΡΠΈΡΡΠ΅ΠΌ ΠΈ Π·Π½Π°Π½ΠΈΠ΅ ΡΠΎΠ³ΠΎ, ΡΡΠΎ Ρ Π½ΠΈΡ Π΅ΡΡΡ ΡΠ²ΠΎΠ±ΠΎΠ΄Π° ΡΠ½Π΅ΡΠ³ΠΈΠΈ, ΠΊΠΎΡΠΎΡΠ°Ρ ΠΌΠΎΠΆΠ΅Ρ Π²ΡΠ΄Π΅ΡΠΆΠΈΠ²Π°ΡΡ Π΄Π»ΠΈΡΠ΅Π»ΡΠ½ΡΠ΅ ΠΈ ΠΊΡΠ°ΡΠΊΠΎΡΡΠΎΡΠ½ΡΠ΅ ΠΎΡΠΊΠ»ΡΡΠ΅Π½ΠΈΡ Π² Π»ΡΠ±ΠΎΠ΅ Π²ΡΠ΅ΠΌΡ Π³ΠΎΠ΄Π°. ΠΠ°ΡΠ°Π½ΡΠΈΡ ΡΠΎΠ³ΠΎ, ΡΡΠΎ ΠΊΠ»ΠΈΠ΅Π½ΡΡ Π·Π½Π°ΡΡ, ΡΡΠΎ Ρ Π½ΠΈΡ Π΅ΡΡΡ Π±Π΅Π·ΠΎΠΏΠ°ΡΠ½Π°Ρ ΠΈ Π΄ΠΎΡΡΡΠΏΠ½Π°Ρ ΡΠΈΡΡΠ΅ΠΌΠ° ΡΠ΅Π·Π΅ΡΠ²Π½ΠΎΠ³ΠΎ ΠΊΠΎΠΏΠΈΡΠΎΠ²Π°Π½ΠΈΡ Π΄Π»Ρ ΠΈΡ Π΄ΠΎΠΌΠ°, Π΄Π°ΠΆΠ΅ Π΅ΡΠ»ΠΈ ΠΈΡ ΠΌΠ΅ΡΡΠ½Π°Ρ ΠΊΠΎΠΌΠΌΡΠ½Π°Π»ΡΠ½Π°Ρ ΡΠ»ΡΠΆΠ±Π° Π½Π΅ Π΄Π°Π΅Ρ Π³Π°ΡΠ°Π½ΡΠΈΠΈ, Π²ΡΠ·ΡΠ²Π°Π΅Ρ Ρ Π½ΠΈΡ Π±ΠΎΠ»ΡΡΡΡ Π³ΠΎΡΠ΄ΠΎΡΡΡ.
NM Solar Pros ΠΆΠ΄Π΅Ρ ΡΠ²Π΅ΡΠ»ΠΎΠ΅ Π±ΡΠ΄ΡΡΠ΅Π΅, ΠΊΠΎΠΌΠΏΠ°Π½ΠΈΡ ΡΠ°ΡΡΠ΅Ρ ΠΈΠ· ΠΌΠ΅ΡΡΡΠ° Π² ΠΌΠ΅ΡΡΡ ΠΏΡΠΈ ΠΏΠΎΠ΄Π΄Π΅ΡΠΆΠΊΠ΅ ΡΠΎΠΎΠ±ΡΠ΅ΡΡΠ²Π°. Π 2023 Π³ΠΎΠ΄Ρ ΠΊΠΎΠΌΠΏΠ°Π½ΠΈΡ NM Solar Pros ΡΠΎΠ²ΠΌΠ΅ΡΡΠ½ΠΎ Ρ Cummins ΡΡΡΠ΅ΠΌΠΈΡΡΡ ΠΏΠΎΠΌΠΎΡΡ ΡΠ΅ΠΌΡΡΠΌ ΠΎΠ±Π΅ΡΠΏΠ΅ΡΠΈΡΡ ΡΠ»Π΅ΠΊΡΡΠΎΡΠ½Π΅ΡΠ³ΠΈΠ΅ΠΉ ΡΠ²ΠΎΠΈ Π΄ΠΎΠΌΠ° ΠΈ ΠΏΡΠ΅Π΄ΠΏΡΠΈΡΡΠΈΡ.
Π’Π΅Π³ΠΈ
ΠΠΎΠΌΠ°ΡΠ½ΠΈΠΉ ΠΈ ΠΌΠ°Π»ΡΠΉ Π±ΠΈΠ·Π½Π΅Ρ ΠΠΈΠ»Π΅ΡΡ
ΠΠΈΠ·Π½Π΅Ρ-ΡΠ΅Π³ΠΌΠ΅Π½Ρ Power Systems
ΠΠ΅Π½Π΅ΡΠ°ΡΠΎΡΡ
ΠΡΡΠΎΠ²ΡΠ΅ Π³Π΅Π½Π΅ΡΠ°ΡΠΎΡΡ
ΠΡΠ΄Π΅Π» Π½ΠΎΠ²ΠΎΡΡΠ΅ΠΉ Cummins: ΠΠ°ΡΠΈ ΠΈΠ½Π½ΠΎΠ²Π°ΡΠΈΠΈ, ΡΠ΅Ρ Π½ΠΎΠ»ΠΎΠ³ΠΈΠΈ ΠΈ ΡΡΠ»ΡΠ³ΠΈ
ΠΎΡ Cummins Inc.
, ΠΌΠΈΡΠΎΠ²ΠΎΠ³ΠΎ Π»ΠΈΠ΄Π΅ΡΠ° Π² ΠΎΠ±Π»Π°ΡΡΠΈ ΡΠ½Π΅ΡΠ³Π΅ΡΠΈΡΠ΅ΡΠΊΠΈΡ
ΡΠ΅Ρ
Π½ΠΎΠ»ΠΎΠ³ΠΈΠΉ
Cummins Inc. (NYSE: CMI) ΠΎΠ±ΡΡΠ²ΠΈΠ»Π° ΠΎ Π²ΡΠΏΡΡΠΊΠ΅ Π΄Π²ΡΡ Π½ΠΎΠ²ΡΡ Π½Π°ΡΠΎΡΠΎΠ² Π΄Π»Ρ ΠΎΠ±Π΅Π·Π²ΠΎΠΆΠΈΠ²Π°Π½ΠΈΡ Π΄Π»Ρ ΠΈΡΠΏΠΎΠ»ΡΠ·ΠΎΠ²Π°Π½ΠΈΡ Π² ΡΡΡΠΎΠΈΡΠ΅Π»ΡΡΡΠ²Π΅, Π½Π΅ΡΡΠ΅Π³Π°Π·ΠΎΠ²ΠΎΠΉ, ΡΠ΅Π»ΡΡΠΊΠΎΡ ΠΎΠ·ΡΠΉΡΡΠ²Π΅Π½Π½ΠΎΠΉ, Π³ΠΎΡΠ½ΠΎΠ΄ΠΎΠ±ΡΠ²Π°ΡΡΠ΅ΠΉ ΠΏΡΠΎΠΌΡΡΠ»Π΅Π½Π½ΠΎΡΡΠΈ, Π²ΠΎΠ΄ΠΎΡΠ½Π°Π±ΠΆΠ΅Π½ΠΈΠΈ ΠΈ ΡΡΠΎΡΠ½ΡΡ Π²ΠΎΠ΄Π°Ρ . QSF4X4 ΠΈ QSF6X6 ΠΏΡΠ΅Π΄Π»Π°Π³Π°ΡΡ ΠΊΠ»ΠΈΠ΅Π½ΡΠ°ΠΌ ΠΏΠΎΠ»Π½ΠΎΡΡΡΡ Π³ΠΎΡΠΎΠ²ΡΠΉ Π½Π°ΡΠΎΡ Π΄Π»Ρ ΠΈΡΠΏΠΎΠ»ΡΠ·ΠΎΠ²Π°Π½ΠΈΡ Π² ΡΠ²ΠΎΠΈΡ ΠΎΠΏΠ΅ΡΠ°ΡΠΈΡΡ Ρ Π΄Π²ΠΈΠ³Π°ΡΠ΅Π»Π΅ΠΌ Cummins QSF2.8.
Β«ΠΠΎΠ²ΡΠ΅ Π½Π°ΡΠΎΡΡ β ΡΠ΅Π·ΡΠ»ΡΡΠ°Ρ ΠΌΠ½ΠΎΠ³ΠΎΡΠ°ΡΠΎΠ²ΡΡ ΠΈΡΡΠ»Π΅Π΄ΠΎΠ²Π°Π½ΠΈΠΉ ΠΊΠ»ΠΈΠ΅Π½ΡΠΎΠ². ΠΠ°Π΄Π΅ΠΆΠ½ΠΎΡΡΡ ΠΏΡΠΎΠ΄ΡΠΊΡΠ° ΠΈ Π²ΡΠ΅ΠΌΡ Π±Π΅Π·ΠΎΡΠΊΠ°Π·Π½ΠΎΠΉ ΡΠ°Π±ΠΎΡΡ ΠΎΡΠ΅Π½Ρ Π²Π°ΠΆΠ½Ρ Π΄Π»Ρ Π½ΠΈΡ , ΠΏΠΎΡΡΠΎΠΌΡ ΠΌΡ ΡΠ°Π·ΡΠ°Π±ΠΎΡΠ°Π»ΠΈ Π½Π°Π΄Π΅ΠΆΠ½ΡΠΉ ΠΏΠ°ΠΊΠ΅Ρ, ΠΏΠΎΠ΄Π΄Π΅ΡΠΆΠΈΠ²Π°Π΅ΠΌΡΠΉ ΠΌΠΎΡΠ½ΠΎΠΉ ΡΠ΅ΡΡΡ ΠΏΠΎΠ΄Π΄Π΅ΡΠΆΠΊΠΈ CumminsΒ», β ΡΠΊΠ°Π·Π°Π» ΠΡΠ΅Π³ Π’ΠΎΡΠΈΠ½, Π΄ΠΈΡΠ΅ΠΊΡΠΎΡ ΠΏΠΎ ΠΏΡΠΎΠΌΡΡΠ»Π΅Π½Π½ΡΠΌ ΠΏΡΠΎΠ΄Π°ΠΆΠ°ΠΌ Cummins.
ΠΡΠΈ Π½Π°ΡΠΎΡΡ ΠΈΠΌΠ΅ΡΡ ΠΏΡΠΎΡΠ½ΡΡ ΡΡΠ³ΡΠ½Π½ΡΡ ΠΊΠΎΠ½ΡΡΡΡΠΊΡΠΈΡ ΠΈ ΡΡΡΠ°Π½Π°Π²Π»ΠΈΠ²Π°ΡΡΡΡ Π½Π° ΠΏΠΎΠ»Π½ΠΎΡΡΡΡ Π±ΡΠΊΡΠΈΡΡΠ΅ΠΌΡΠΉ ΠΏΡΠΈΡΠ΅ΠΏ Π΄Π»Ρ ΠΎΠ±Π»Π΅Π³ΡΠ΅Π½ΠΈΡ ΡΡΠ°Π½ΡΠΏΠΎΡΡΠΈΡΠΎΠ²ΠΊΠΈ. ΠΠ½ΠΈ ΠΌΠΎΠ³ΡΡ ΡΠ°ΠΌΠΎΠ·Π°ΠΏΠΎΠ»Π½ΡΡΡΡΡ ΠΏΡΠΈ Π·Π°ΠΏΠΎΠ»Π½Π΅Π½ΠΈΠΈ Π²ΠΎΠ΄ΠΎΠΉ ΠΈ Π°Π²ΡΠΎΠΌΠ°ΡΠΈΡΠ΅ΡΠΊΠΈ ΠΏΠΎΠ²ΡΠΎΡΠ½ΠΎ Π·Π°Π»ΠΈΠ²Π°ΡΡΡΡ. Cummins QSF6X6 ΡΠ°ΡΡΡΠΈΡΠ°Π½ Π½Π° ΡΡΠ΅Π΄Π½ΠΈΠΉ ΡΠ°ΡΡ
ΠΎΠ΄ Π΄ΠΎ 1430 Π³Π°Π»Π»ΠΎΠ½ΠΎΠ² Π² ΠΌΠΈΠ½ΡΡΡ ΠΈ ββΠΌΠΎΠΆΠ΅Ρ ΡΠ°Π±ΠΎΡΠ°ΡΡ Ρ Π½Π°ΠΏΠΎΡΠ°ΠΌΠΈ Π΄ΠΎ 104 ΡΡΡΠΎΠ².
Cummins QSF4X4 ΠΏΠΎΠ΄Π΄Π΅ΡΠΆΠΈΠ²Π°Π΅Ρ ΡΠΊΠΎΡΠΎΡΡΡ ΠΏΠΎΡΠΎΠΊΠ° Π΄ΠΎ 1350 Π³Π°Π»Π»ΠΎΠ½ΠΎΠ² Π² ΠΌΠΈΠ½ΡΡΡ ΠΈ ββΠΌΠΎΠΆΠ΅Ρ ΡΠ°Π±ΠΎΡΠ°ΡΡ Ρ Π³ΠΎΠ»ΠΎΠ²ΠΊΠ°ΠΌΠΈ Π΄ΠΎ 135 ΡΡΡΠΎΠ².
ΠΠ²ΠΈΠ³Π°ΡΠ΅Π»Ρ Cummins QSF2.8, ΠΏΡΠΈΠ²ΠΎΠ΄ΡΡΠΈΠΉ Π² Π΄Π΅ΠΉΡΡΠ²ΠΈΠ΅ Π½Π°ΡΠΎΡΡ, Π΄ΠΎΡΡΡΠΏΠ΅Π½ Π΄Π»Ρ ΠΏΡΠΎΠΌΡΡΠ»Π΅Π½Π½ΠΎΠ³ΠΎ ΠΏΡΠΈΠΌΠ΅Π½Π΅Π½ΠΈΡ ΠΌΠΎΡΠ½ΠΎΡΡΡΡ 74 Π».Ρ. Π² ΠΊΠΎΠΌΠΏΠ°ΠΊΡΠ½ΠΎΠΌ ΠΊΠΎΡΠΏΡΡΠ΅. Π Π½Π΅ΠΌ ΠΈΡΠΏΠΎΠ»ΡΠ·ΡΡΡΡΡ ΠΏΡΠΎΠ²Π΅ΡΠ΅Π½Π½ΡΠ΅ ΡΠ΅Ρ Π½ΠΎΠ»ΠΎΠ³ΠΈΠΈ Π²ΠΏΡΡΡΠΊΠ° ΡΠΎΠΏΠ»ΠΈΠ²Π°, ΡΡΡΠ±ΠΎΠ½Π°Π΄Π΄ΡΠ²Π° ΠΈ ΡΠ»Π΅ΠΊΡΡΠΎΠ½Π½ΠΎΠ³ΠΎ ΡΠΏΡΠ°Π²Π»Π΅Π½ΠΈΡ Cummins, ΠΎΠ±Π΅ΡΠΏΠ΅ΡΠΈΠ²Π°ΡΡΠΈΠ΅ ΠΌΠ°ΠΊΡΠΈΠΌΠ°Π»ΡΠ½ΡΠΉ ΠΊΡΡΡΡΡΠΈΠΉ ΠΌΠΎΠΌΠ΅Π½Ρ 221 ΡΡΠ½Ρ-ΡΡΡ ΠΏΡΠΈ ΠΏΠΎΡΡΠΈ Π½ΡΠ»Π΅Π²ΠΎΠΌ ΡΡΠΎΠ²Π½Π΅ Π²ΡΠ±ΡΠΎΡΠΎΠ² Tier 4 Final. Π Π΅Π»ΡΠ΅ΡΠ½ΡΠΉ ΡΡΠ³ΡΠ½Π½ΡΠΉ Π±Π»ΠΎΠΊ ΠΏΡΠΈΠ΄Π°Π΅Ρ 2,8-Π»ΠΈΡΡΠΎΠ²ΠΎΠΌΡ Π΄Π²ΠΈΠ³Π°ΡΠ΅Π»Ρ Π΄ΠΎΠ»Π³ΠΎΠ²Π΅ΡΠ½ΠΎΡΡΡ ΠΏΡΠΈ Π½Π΅Π±ΠΎΠ»ΡΡΠΎΠΌ Π²Π΅ΡΠ΅ 507 ΡΡΠ½ΡΠΎΠ².0003
QSF6X6 ΠΈ QSF4X4 Π΄ΠΎΡΡΡΠΏΠ½Ρ ΠΏΠΎ Π²ΡΠ΅ΠΉ Π‘Π΅Π²Π΅ΡΠ½ΠΎΠΉ ΠΠΌΠ΅ΡΠΈΠΊΠ΅ ΠΈ Π±ΡΠ΄ΡΡ ΠΏΡΠ΅Π΄ΡΡΠ°Π²Π»Π΅Π½Ρ Π½Π° Π²ΡΡΡΠ°Π²ΠΊΠ΅ ARA Π² ΡΠ΅Π²ΡΠ°Π»Π΅ Π½Π° ΡΡΠ΅Π½Π΄Π΅ Cummins β 5056 ΠΈ Π² ΠΌΠ°ΡΡΠ΅ Π½Π° Π²ΡΡΡΠ°Π²ΠΊΠ΅ ConExpo Π½Π° ΡΡΠ΅Π½Π΄Π΅ S84615. ΠΠ°ΠΈΠ½ΡΠ΅ΡΠ΅ΡΠΎΠ²Π°Π½Π½ΡΠ΅ ΠΊΠ»ΠΈΠ΅Π½ΡΡ Π΄ΠΎΠ»ΠΆΠ½Ρ ΡΠ²ΡΠ·Π°ΡΡΡΡ ΡΠΎ ΡΠ²ΠΎΠΈΠΌ ΠΌΠ΅ΡΡΠ½ΡΠΌ Π΄ΠΈΠ»Π΅ΡΠΎΠΌ Π΄Π»Ρ ΠΏΠΎΠ»ΡΡΠ΅Π½ΠΈΡ Π΄ΠΎΠΏΠΎΠ»Π½ΠΈΡΠ΅Π»ΡΠ½ΠΎΠΉ ΠΈΠ½ΡΠΎΡΠΌΠ°ΡΠΈΠΈ.
Π ΠΊΠΎΠΌΠΏΠ°Π½ΠΈΠΈ CumminsΒ
Cummins Inc., ΠΌΠΈΡΠΎΠ²ΠΎΠΉ Π»ΠΈΠ΄Π΅Ρ Π² ΠΎΠ±Π»Π°ΡΡΠΈ ΡΠ½Π΅ΡΠ³Π΅ΡΠΈΡΠ΅ΡΠΊΠΈΡ
ΡΠ΅Ρ
Π½ΠΎΠ»ΠΎΠ³ΠΈΠΉ, ΠΏΡΠ΅Π΄ΡΡΠ°Π²Π»ΡΠ΅Ρ ΡΠΎΠ±ΠΎΠΉ ΠΊΠΎΡΠΏΠΎΡΠ°ΡΠΈΡ, ΠΎΠ±ΡΠ΅Π΄ΠΈΠ½ΡΡΡΡΡ Π΄ΠΎΠΏΠΎΠ»Π½ΡΡΡΠΈΠ΅ Π΄ΡΡΠ³ Π΄ΡΡΠ³Π° Π±ΠΈΠ·Π½Π΅Ρ-ΡΠ΅Π³ΠΌΠ΅Π½ΡΡ, ΠΊΠΎΡΠΎΡΡΠ΅ ΡΠ°Π·ΡΠ°Π±Π°ΡΡΠ²Π°ΡΡ, ΠΏΡΠΎΠΈΠ·Π²ΠΎΠ΄ΡΡ, ΡΠ°ΡΠΏΡΠΎΡΡΡΠ°Π½ΡΡΡ ΠΈ ΠΎΠ±ΡΠ»ΡΠΆΠΈΠ²Π°ΡΡ ΡΠΈΡΠΎΠΊΠΈΠΉ Π°ΡΡΠΎΡΡΠΈΠΌΠ΅Π½Ρ ΡΠ΅ΡΠ΅Π½ΠΈΠΉ Π² ΠΎΠ±Π»Π°ΡΡΠΈ ΡΠ½Π΅ΡΠ³Π΅ΡΠΈΠΊΠΈ.
ΠΡΡΠΎΡΡΠΈΠΌΠ΅Π½Ρ ΠΏΡΠΎΠ΄ΡΠΊΡΠΈΠΈ ΠΊΠΎΠΌΠΏΠ°Π½ΠΈΠΈ Π²ΠΊΠ»ΡΡΠ°Π΅Ρ ΡΠ΅ΡΠ΅Π½ΠΈΡ ΠΈ ΠΊΠΎΠΌΠΏΠΎΠ½Π΅Π½ΡΡ Π΄Π»Ρ Π²Π½ΡΡΡΠ΅Π½Π½Π΅Π³ΠΎ ΡΠ³ΠΎΡΠ°Π½ΠΈΡ, ΡΠ»Π΅ΠΊΡΡΠΈΡΠ΅ΡΠΊΠΈΡ
ΠΈ Π³ΠΈΠ±ΡΠΈΠ΄Π½ΡΡ
ΠΊΠΎΠΌΠΏΠ»Π΅ΠΊΡΠ½ΡΡ
ΡΠ½Π΅ΡΠ³Π΅ΡΠΈΡΠ΅ΡΠΊΠΈΡ
ΡΠ΅ΡΠ΅Π½ΠΈΠΉ, Π²ΠΊΠ»ΡΡΠ°Ρ ΡΠΈΠ»ΡΡΡΠ°ΡΠΈΡ, Π΄ΠΎΠΎΡΠΈΡΡΠΊΡ, ΡΡΡΠ±ΠΎΠΊΠΎΠΌΠΏΡΠ΅ΡΡΠΎΡΡ, ΡΠΎΠΏΠ»ΠΈΠ²Π½ΡΠ΅ ΡΠΈΡΡΠ΅ΠΌΡ, ΡΠΈΡΡΠ΅ΠΌΡ ΡΠΏΡΠ°Π²Π»Π΅Π½ΠΈΡ, ΡΠΈΡΡΠ΅ΠΌΡ ΠΎΠ±ΡΠ°Π±ΠΎΡΠΊΠΈ Π²ΠΎΠ·Π΄ΡΡ
Π°, Π°Π²ΡΠΎΠΌΠ°ΡΠΈΠ·ΠΈΡΠΎΠ²Π°Π½Π½ΡΠ΅ ΡΡΠ°Π½ΡΠΌΠΈΡΡΠΈΠΈ, ΡΠΈΡΡΠ΅ΠΌΡ Π²ΡΡΠ°Π±ΠΎΡΠΊΠΈ ΡΠ»Π΅ΠΊΡΡΠΎΡΠ½Π΅ΡΠ³ΠΈΠΈ, ΡΡΠ΅Π΄ΡΡΠ²Π° ΡΠΏΡΠ°Π²Π»Π΅Π½ΠΈΡ ΠΌΠΈΠΊΡΠΎΡΠ΅ΡΡΠΌΠΈ, Π°ΠΊΠΊΡΠΌΡΠ»ΡΡΠΎΡΡ, ΡΠ»Π΅ΠΊΡΡΠΎΠ»ΠΈΠ·Π΅ΡΡ ΠΈ ΡΠΎΠΏΠ»ΠΈΠ²Π½ΡΠ΅ ΡΠ»Π΅ΠΌΠ΅Π½ΡΡ. ΠΏΡΠΎΠ΄ΡΠΊΡΡ. Π¨ΡΠ°Π±-ΠΊΠ²Π°ΡΡΠΈΡΠ° Π½Π°Ρ
ΠΎΠ΄ΠΈΡΡΡ Π² ΠΠΎΠ»ΡΠΌΠ±ΡΡΠ΅, ΡΡΠ°Ρ ΠΠ½Π΄ΠΈΠ°Π½Π° (Π‘Π¨Π), Ρ ΠΌΠΎΠΌΠ΅Π½ΡΠ° ΠΎΡΠ½ΠΎΠ²Π°Π½ΠΈΡ Π² 1919 ΠΎΠΊΡΡΠ±ΡΡ Π² Cummins ΡΠ°Π±ΠΎΡΠ°Π΅Ρ ΠΎΠΊΠΎΠ»ΠΎ 59 900 ΡΠ΅Π»ΠΎΠ²Π΅ΠΊ, ΠΊΠΎΡΠΎΡΡΠ΅ ΡΡΡΠ΅ΠΌΡΡΡΡ ΡΠ΄Π΅Π»Π°ΡΡ ΠΌΠΈΡ Π±ΠΎΠ»Π΅Π΅ ΠΏΡΠΎΡΠ²Π΅ΡΠ°ΡΡΠΈΠΌ Π±Π»Π°Π³ΠΎΠ΄Π°ΡΡ ΡΡΠ΅ΠΌ Π³Π»ΠΎΠ±Π°Π»ΡΠ½ΡΠΌ ΠΏΡΠΈΠΎΡΠΈΡΠ΅ΡΠ°ΠΌ ΠΊΠΎΡΠΏΠΎΡΠ°ΡΠΈΠ²Π½ΠΎΠΉ ΠΎΡΠ²Π΅ΡΡΡΠ²Π΅Π½Π½ΠΎΡΡΠΈ, ΠΈΠΌΠ΅ΡΡΠΈΠΌ ΡΠ΅ΡΠ°ΡΡΠ΅Π΅ Π·Π½Π°ΡΠ΅Π½ΠΈΠ΅ Π΄Π»Ρ Π·Π΄ΠΎΡΠΎΠ²ΡΡ
ΡΠΎΠΎΠ±ΡΠ΅ΡΡΠ²: ΠΎΠ±ΡΠ°Π·ΠΎΠ²Π°Π½ΠΈΠ΅, ΠΎΠΊΡΡΠΆΠ°ΡΡΠ°Ρ ΡΡΠ΅Π΄Π° ΠΈ ΡΠ°Π²Π΅Π½ΡΡΠ²ΠΎ Π²ΠΎΠ·ΠΌΠΎΠΆΠ½ΠΎΡΡΠ΅ΠΉ. ΠΠΎΠΌΠΏΠ°Π½ΠΈΡ Cummins ΠΎΠ±ΡΠ»ΡΠΆΠΈΠ²Π°Π΅Ρ ΡΠ²ΠΎΠΈΡ
ΠΊΠ»ΠΈΠ΅Π½ΡΠΎΠ² Π² ΡΠ΅ΠΆΠΈΠΌΠ΅ ΠΎΠ½Π»Π°ΠΉΠ½ ΡΠ΅ΡΠ΅Π· ΡΠ΅ΡΡ ΠΏΡΠΈΠ½Π°Π΄Π»Π΅ΠΆΠ°ΡΠΈΡ
ΠΊΠΎΠΌΠΏΠ°Π½ΠΈΠΈ ΠΈ Π½Π΅Π·Π°Π²ΠΈΡΠΈΠΌΡΡ
Π΄ΠΈΡΡΡΠΈΠ±ΡΡΡΠΎΡΠΎΠ², Π° ΡΠ°ΠΊΠΆΠ΅ ΡΠ΅ΡΠ΅Π· ΡΡΡΡΡΠΈ Π΄ΠΈΠ»Π΅ΡΡΠΊΠΈΡ
ΡΠ΅Π½ΡΡΠΎΠ² ΠΏΠΎ Π²ΡΠ΅ΠΌΡ ΠΌΠΈΡΡ ΠΈ Π·Π°ΡΠ°Π±ΠΎΡΠ°Π»Π° ΠΎΠΊΠΎΠ»ΠΎ 2,1 ΠΌΠ»ΡΠ΄ Π΄ΠΎΠ»Π»Π°ΡΠΎΠ² Π‘Π¨Π ΠΏΡΠΈ ΠΎΠ±ΡΠ΅ΠΌΠ΅ ΠΏΡΠΎΠ΄Π°ΠΆ 24 ΠΌΠ»ΡΠ΄ Π΄ΠΎΠ»Π»Π°ΡΠΎΠ² Π‘Π¨Π Π² 2021 Π³ΠΎΠ΄Ρ.
Β
Π’Π΅Π³ΠΈ
Π‘Π΅Π²Π΅ΡΠ½Π°Ρ ΠΠΌΠ΅ΡΠΈΠΊΠ°
ΠΠ½Π΅Π΄ΠΎΡΠΎΠΆΠ½ΠΈΠΊ
ΠΠ²ΠΈΠ³Π°ΡΠ΅Π»ΠΈ Cummins
ΠΡΠ΄Π΅Π» Π½ΠΎΠ²ΠΎΡΡΠ΅ΠΉ Cummins: ΠΠ°ΡΠΈ ΠΈΠ½Π½ΠΎΠ²Π°ΡΠΈΠΈ, ΡΠ΅Ρ Π½ΠΎΠ»ΠΎΠ³ΠΈΠΈ ΠΈ ΡΡΠ»ΡΠ³ΠΈ
ΠΎΡ Cummins Inc., ΠΌΠΈΡΠΎΠ²ΠΎΠ³ΠΎ Π»ΠΈΠ΄Π΅ΡΠ° Π² ΠΎΠ±Π»Π°ΡΡΠΈ ΡΠ½Π΅ΡΠ³Π΅ΡΠΈΡΠ΅ΡΠΊΠΈΡ ΡΠ΅Ρ Π½ΠΎΠ»ΠΎΠ³ΠΈΠΉ
ΠΠ²ΠΈΠ³Π°ΡΠ΅Π»ΠΈ Cummins, ΡΠ°Π±ΠΎΡΠ°ΡΡΠΈΠ΅ Π½Π° ΠΏΡΠΈΡΠΎΠ΄Π½ΠΎΠΌ Π³Π°Π·Π΅, ΠΌΠΎΠ³ΡΡ ΠΎΠ±Π΅ΡΠΏΠ΅ΡΠΈΡΡ Π·Π½Π°ΡΠΈΡΠ΅Π»ΡΠ½ΡΠΉ ΡΡΠΎΠΊ ΡΠ»ΡΠΆΠ±Ρ ΠΈ Π½Π°Π΄Π΅ΠΆΠ½ΠΎΡΡΡ ΠΏΡΠΈ ΠΏΡΠ°Π²ΠΈΠ»ΡΠ½ΠΎΠΌ ΠΎΠ±ΡΠ»ΡΠΆΠΈΠ²Π°Π½ΠΈΠΈ β Π½Π°ΡΡΠΎΠ»ΡΠΊΠΎ, ΡΡΠΎ ΠΎΠ½ΠΈ ΠΏΡΠΎΡΠ»ΡΠΆΠ°Ρ Π΄Π΅ΡΡΡΠΈΠ»Π΅ΡΠΈΡΠΌΠΈ, ΠΈ ΠΈΡ ΡΠΈΡΠ»ΠΎ ΠΏΡΠΎΠ΄ΠΎΠ»ΠΆΠ°Π΅Ρ ΡΠ°ΡΡΠΈ.
Π ΠΏΠ΅ΡΠΈΠΎΠ΄ Ρ 2008 ΠΏΠΎ 2009 Π³ΠΎΠ΄ Π±ΠΎΠ»Π΅Π΅ 3730 Π΄Π²ΠΈΠ³Π°ΡΠ΅Π»Π΅ΠΉ Cummins B Gas Plus, ΡΠ°Π±ΠΎΡΠ°ΡΡΠΈΡ
Π½Π° ΠΏΡΠΈΡΠΎΠ΄Π½ΠΎΠΌ Π³Π°Π·Π΅, Π±ΡΠ»ΠΈ Π·Π°ΠΊΡΠΏΠ»Π΅Π½Ρ ΡΠ΅ΡΠ΅Π· OEM-ΠΏΠ°ΡΡΠ½Π΅ΡΠΎΠ² Tata Motors ΠΈ Ashok Leyland ΠΈ Π΄ΠΎΡΡΠ°Π²Π»Π΅Π½Ρ Π² Π½Π°ΡΠΈΠΎΠ½Π°Π»ΡΠ½ΡΠΉ ΡΡΠΎΠ»ΠΈΡΠ½ΡΠΉ ΡΠ΅Π³ΠΈΠΎΠ½ ΠΠ½Π΄ΠΈΠΈ. ΠΠΎΡΡΠΈ 15 Π»Π΅Ρ ΡΠΏΡΡΡΡ ΡΡΠΈ Π΄Π²ΠΈΠ³Π°ΡΠ΅Π»ΠΈ Π±ΡΠ»ΠΈ ΡΠ°Π·Π²Π΅ΡΠ½ΡΡΡ Π² ΡΡΠ°Π½Π·ΠΈΡΠ½ΠΎΠΌ Π°Π²ΡΠΎΠ±ΡΡΠ½ΠΎΠΌ ΠΏΠ°ΡΠΊΠ΅ ΠΠ΅Π»ΠΈΠΉΡΠΊΠΎΠΉ ΡΡΠ°Π½ΡΠΏΠΎΡΡΠ½ΠΎΠΉ ΠΊΠΎΡΠΏΠΎΡΠ°ΡΠΈΠΈ (DTC) ΠΈ ΠΏΡΠΎΠ΄ΠΎΠ»ΠΆΠ°ΡΡ ΡΠΊΡΠΏΠ»ΡΠ°ΡΠΈΡΠΎΠ²Π°ΡΡΡΡ. ΠΠ° ΡΠ΅Π³ΠΎΠ΄Π½ΡΡΠ½ΠΈΠΉ Π΄Π΅Π½Ρ Π°Π²ΡΠΎΠ±ΡΡΡ ΠΏΡΠΎΠ΅Ρ
Π°Π»ΠΈ ΠΏΡΠΈΠΌΠ΅ΡΠ½ΠΎ 5,4 ΠΌΠΈΠ»Π»ΠΈΠ°ΡΠ΄Π° ΠΊΠΈΠ»ΠΎΠΌΠ΅ΡΡΠΎΠ² β Π΄Π°, ΠΌΠ»ΡΠ΄ β Π·Π° ΠΏΠΎΡΠ»Π΅Π΄Π½ΠΈΠ΅ 15 Π»Π΅Ρ.
ΠΡΠΈ Π΄Π²ΠΈΠ³Π°ΡΠ΅Π»ΠΈ Π΄ΠΎΠΊΠ°Π·ΡΠ²Π°ΡΡ ΡΠΎ, ΡΡΠΎ ΠΠ°Π³Π΅Π΄ Π’Π°Π΄ΡΠΎΡ, Π³Π΅Π½Π΅ΡΠ°Π»ΡΠ½ΡΠΉ ΠΌΠ΅Π½Π΅Π΄ΠΆΠ΅Ρ Cummins Global Bus Business, Π»ΡΠ±ΠΈΡ Π³ΠΎΠ²ΠΎΡΠΈΡΡ ΡΠ²ΠΎΠΈΠΌ ΠΊΠ»ΠΈΠ΅Π½ΡΠ°ΠΌ: Β«ΠΠ½Π΅Π΄ΡΠ΅Π½ΠΈΠ΅ Π΄Π²ΠΈΠ³Π°ΡΠ΅Π»Π΅ΠΉ Cummins, ΡΠ°Π±ΠΎΡΠ°ΡΡΠΈΡ Π½Π° ΠΏΡΠΈΡΠΎΠ΄Π½ΠΎΠΌ Π³Π°Π·Π΅, Π² Π²Π°ΡΠ΅ΠΌ Π°Π²ΡΠΎΠΏΠ°ΡΠΊΠ΅ ΠΌΠΎΠΆΠ΅Ρ ΠΏΠΎΠΌΠΎΡΡ ΠΏΠΎΠ»ΡΡΠΈΡΡ ΡΡΠ΄ ΡΠΊΡΠΏΠ»ΡΠ°ΡΠ°ΡΠΈΠΎΠ½Π½ΡΡ ΠΈ ΡΠΊΠΎΠ½ΠΎΠΌΠΈΡΠ΅ΡΠΊΠΈΡ ΠΏΡΠ΅ΠΈΠΌΡΡΠ΅ΡΡΠ²Β».
Π―Π²Π»ΡΡΡΡ Π΄Π²ΠΈΠ³Π°ΡΠ΅Π»Π΅ΠΌ Cummins, ΡΠ°Π±ΠΎΡΠ°ΡΡΠΈΠΌ Π½Π° ΠΏΡΠΈΡΠΎΠ΄Π½ΠΎΠΌ Π³Π°Π·Π΅, Ρ ΡΠ°ΠΌΡΠΌ Π½ΠΈΠ·ΠΊΠΈΠΌ ΡΡΠΎΠ²Π½Π΅ΠΌ Π²ΡΠ±ΡΠΎΡΠΎΠ² Π½Π° ΡΡΠ½ΠΊΠ΅ Π΄Π»Ρ Π³ΡΡΠ·ΠΎΠ²ΡΡ Π°Π²ΡΠΎΠΌΠΎΠ±ΠΈΠ»Π΅ΠΉ ΠΈ Π°Π²ΡΠΎΠ±ΡΡΠΎΠ², ΠΎΠ½ ΡΠ°Π±ΠΎΡΠ°Π΅Ρ Π½Π° ΠΎΠ±ΠΈΠ»ΡΠ½ΠΎΠΌ Π½Π΅Π΄ΠΎΡΠΎΠ³ΠΎΠΌ ΡΠΎΠΏΠ»ΠΈΠ²Π΅ ΠΈ ΠΎΡΠ½Π°ΡΠ΅Π½ Π½Π΅ΠΎΠ±ΡΠ»ΡΠΆΠΈΠ²Π°Π΅ΠΌΠΎΠΉ ΡΠΈΡΡΠ΅ΠΌΠΎΠΉ ΠΎΡΠΈΡΡΠΊΠΈ Π²ΡΡ Π»ΠΎΠΏΠ½ΡΡ Π³Π°Π·ΠΎΠ² Ρ ΡΡΠ΅Ρ ΠΊΠΎΠΌΠΏΠΎΠ½Π΅Π½ΡΠ½ΡΠΌ ΠΊΠ°ΡΠ°Π»ΠΈΡΠΈΡΠ΅ΡΠΊΠΈΠΌ Π½Π΅ΠΉΡΡΠ°Π»ΠΈΠ·Π°ΡΠΎΡΠΎΠΌ.
ΠΠ΅ΠΎΠ±Ρ ΠΎΠ΄ΠΈΠΌ Π½Π°Π΄Π΅ΠΆΠ½ΡΠΉ ΡΡΠ°Π½ΡΠΏΠΎΡΡ. ΠΠ° ΠΏΠΎΡΠ»Π΅Π΄Π½ΠΈΠ΅ 15 Π»Π΅Ρ Π΄Π²ΠΈΠ³Π°ΡΠ΅Π»ΠΈ Cummins B Gas Plus, ΡΠ°Π±ΠΎΡΠ°ΡΡΠΈΠ΅ Π½Π° ΠΏΡΠΈΡΠΎΠ΄Π½ΠΎΠΌ Π³Π°Π·Π΅, ΠΏΠΎΠΌΠΎΠ³Π»ΠΈ Π±ΠΎΠ»Π΅Π΅ ΡΠ΅ΠΌ 150 ΠΌΠΈΠ»Π»ΠΈΠΎΠ½Π°ΠΌ ΠΆΠΈΡΠ΅Π»Π΅ΠΉ ΠΠ½Π΄ΠΈΠΈ Π΄ΠΎΠ±ΡΠ°ΡΡΡΡ ΡΡΠ΄Π°, ΠΊΡΠ΄Π° ΠΈΠΌ Π½ΡΠΆΠ½ΠΎ, ΠΈ Π±ΡΠ΄ΡΡ ΠΏΡΠΎΠ΄ΠΎΠ»ΠΆΠ°ΡΡ Π΄Π΅Π»Π°ΡΡ ΡΡΠΎ Π΅ΡΠ΅ Π΄ΠΎΠ»Π³ΠΈΠ΅ Π³ΠΎΠ΄Ρ.
Π©Π΅Π»ΠΊΠ½ΠΈΡΠ΅, ΡΡΠΎΠ±Ρ ΠΏΡΠΎΡΠΌΠΎΡΡΠ΅ΡΡ ΠΈΠ½ΡΠΎΠ³ΡΠ°ΡΠΈΠΊΡ Β«ΠΠ²ΠΈΠ³Π°ΡΠ΅Π»ΠΈ Cummins ΠΏΠΎΠ»ΡΠ·ΡΡΡΡΡ ΡΠΏΡΠΎΡΠΎΠΌ Π²ΠΎ Π²ΡΠ΅ΠΌ ΠΌΠΈΡΠ΅ Π±Π»Π°Π³ΠΎΠ΄Π°ΡΡ ΠΈΡ
Π½Π°Π΄Π΅ΠΆΠ½ΠΎΡΡΠΈ ΠΈ Π΄ΠΎΠ»Π³ΠΎΠ²Π΅ΡΠ½ΠΎΡΡΠΈ ΠΌΠΈΡΠΎΠ²ΠΎΠ³ΠΎ ΡΡΠΎΠ²Π½Ρ, β ΠΏΠΎΡΡΠ½ΠΈΠ» ΠΡΠ½ΠΈΡ ΠΠΆΠ°Π²Π°Ρ, Π³Π΅Π½Π΅ΡΠ°Π»ΡΠ½ΡΠΉ Π΄ΠΈΡΠ΅ΠΊΡΠΎΡ ΠΏΠΎ ΠΏΡΠΈΡΠΎΠ΄Π½ΠΎΠΌΡ Π³Π°Π·Ρ.
Β«ΠΡ ΠΌΠ½ΠΎΠ³ΠΎΠΌΡ Π½Π°ΡΡΠΈΠ»ΠΈΡΡ ΠΈΠ· Π½Π°ΡΠ΅Π³ΠΎ ΠΎΠΏΡΡΠ° Π² ΠΠ½Π΄ΠΈΠΈ, ΡΡΠ΅Π΄ΠΈ Π΄ΡΡΠ³ΠΈΡ
ΡΡΡΠ°Π½, Π²Π½Π΅Π΄ΡΡΡΡΠΈΡ
Π΄Π²ΠΈΠ³Π°ΡΠ΅Π»ΠΈ, ΡΠ°Π±ΠΎΡΠ°ΡΡΠΈΠ΅ Π½Π° ΠΏΡΠΈΡΠΎΠ΄Π½ΠΎΠΌ Π³Π°Π·Π΅, ΠΈ Π·Π½Π°Π½ΠΈΡ, ΠΊΠΎΡΠΎΡΡΠ΅ ΠΏΠΎΠ²Π»ΠΈΡΠ»ΠΈ Π½Π° Π½Π°ΡΠ΅ ΡΠ»Π΅Π΄ΡΡΡΠ΅Π΅ ΠΏΠΎΠΊΠΎΠ»Π΅Π½ΠΈΠ΅ Π΄Π²ΠΈΠ³Π°ΡΠ΅Π»Π΅ΠΉΒ».
Π ΠΏΡΠΎΡΠ»ΠΎΠΌ Π³ΠΎΠ΄Ρ ΠΊΠΎΠΌΠΏΠ°Π½ΠΈΡ Cummins ΠΎΠ±ΡΡΠ²ΠΈΠ»Π°, ΡΡΠΎ Π΄Π²ΠΈΠ³Π°ΡΠ΅Π»Ρ B6.7, ΡΠ°Π±ΠΎΡΠ°ΡΡΠΈΠΉ Π½Π° ΠΏΡΠΈΡΠΎΠ΄Π½ΠΎΠΌ Π³Π°Π·Π΅, Π±ΡΠ΄Π΅Ρ Π΄ΠΎΡΡΡΠΏΠ΅Π½ Π² ΠΠ½Π΄ΠΈΠΈ. Π‘ΠΎΠ·Π΄Π°Π½Π½ΡΠΉ Π΄Π»Ρ ΡΠΊΠΎΠ»ΡΠ½ΡΡ Π°Π²ΡΠΎΠ±ΡΡΠΎΠ², ΠΌΠ°ΡΡΡΡΡΠ½ΡΡ ΡΠ°ΠΊΡΠΈ ΠΈ Π³ΡΡΠ·ΠΎΠ²ΠΈΠΊΠΎΠ² ΡΡΠ΅Π΄Π½Π΅ΠΉ Π³ΡΡΠ·ΠΎΠΏΠΎΠ΄ΡΠ΅ΠΌΠ½ΠΎΡΡΠΈ, B6.7N ΠΌΠΎΠΆΠ΅Ρ ΠΏΠΎΡ Π²Π°ΡΡΠ°ΡΡΡΡ ΠΊΡΡΡΡΡΠΈΠΌ ΠΌΠΎΠΌΠ΅Π½ΡΠΎΠΌ Π΄ΠΎ 240 Π».Ρ./560 ΡΡΠ½Ρ-ΡΡΡΠΎΠ².
ΠΠ²ΠΈΠ³Π°ΡΠ΅Π»ΠΈ, ΡΠ°Π±ΠΎΡΠ°ΡΡΠΈΠ΅ Π½Π° ΠΏΡΠΈΡΠΎΠ΄Π½ΠΎΠΌ Π³Π°Π·Π΅, ΡΠ²Π»ΡΡΡΡΡ Π½Π°ΠΈΠ±ΠΎΠ»Π΅Π΅ Π·ΡΠ΅Π»ΠΎΠΉ, ΠΏΡΠΎΠ²Π΅ΡΠ΅Π½Π½ΠΎΠΉ ΠΈ Π½Π°ΠΈΠΌΠ΅Π½Π΅Π΅ ΡΠ°Π·ΡΡΡΠΈΡΠ΅Π»ΡΠ½ΠΎΠΉ ΠΈΠ· Π΄ΠΎΡΡΡΠΏΠ½ΡΡ
Π½Π° ΡΠ΅Π³ΠΎΠ΄Π½ΡΡΠ½ΠΈΠΉ Π΄Π΅Π½Ρ Π°Π»ΡΡΠ΅ΡΠ½Π°ΡΠΈΠ²Π½ΡΡ
ΡΠ΅Ρ
Π½ΠΎΠ»ΠΎΠ³ΠΈΠΉ Π² ΠΎΠ±Π»Π°ΡΡΠΈ ΡΠ½Π΅ΡΠ³Π΅ΡΠΈΠΊΠΈ. ΠΠ½ΠΈ ΠΎΠ±Π΅ΡΠΏΠ΅ΡΠΈΠ²Π°ΡΡ Π³ΠΈΠ±ΠΊΠΎΡΡΡ Π΄ΠΈΠ°ΠΏΠ°Π·ΠΎΠ½Π° ΠΈ ΠΎΠ±Π΅ΡΠΏΠ΅ΡΠΈΠ²Π°ΡΡ ΡΠ°ΠΊΡΡ ββΠΆΠ΅ ΠΌΠΎΡΠ½ΠΎΡΡΡ, ΠΏΡΠΎΠΈΠ·Π²ΠΎΠ΄ΠΈΡΠ΅Π»ΡΠ½ΠΎΡΡΡ ΠΈ ΡΠ΄ΠΎΠ±ΡΡΠ²ΠΎ Π²ΠΎΠΆΠ΄Π΅Π½ΠΈΡ, ΡΡΠΎ ΠΈ Π΄ΠΈΠ·Π΅Π»ΡΠ½ΡΠ΅ Π΄Π²ΠΈΠ³Π°ΡΠ΅Π»ΠΈ. ΠΠ²ΠΈΠ³Π°ΡΠ΅Π»ΠΈ Cummins, ΡΠ°Π±ΠΎΡΠ°ΡΡΠΈΠ΅ Π½Π° ΠΏΡΠΈΡΠΎΠ΄Π½ΠΎΠΌ Π³Π°Π·Π΅, ΠΏΠΎΠΌΠΎΠ³Π°ΡΡ Π°Π²ΡΠΎΠΏΠ°ΡΠΊΠ°ΠΌ ΡΠ½ΠΈΠ·ΠΈΡΡ ΠΎΠ±ΡΠ΅Π΅ Π²ΠΎΠ·Π΄Π΅ΠΉΡΡΠ²ΠΈΠ΅ Π½Π° ΠΎΠΊΡΡΠΆΠ°ΡΡΡΡ ΡΡΠ΅Π΄Ρ Π±Π΅Π· Π·Π½Π°ΡΠΈΡΠ΅Π»ΡΠ½ΠΎΠ³ΠΎ ΡΠ²Π΅Π»ΠΈΡΠ΅Π½ΠΈΡ ΡΠΊΡΠΏΠ»ΡΠ°ΡΠ°ΡΠΈΠΎΠ½Π½ΡΡ
ΡΠ°ΡΡ
ΠΎΠ΄ΠΎΠ² ΠΈΠ»ΠΈ ΡΠ½ΠΈΠΆΠ΅Π½ΠΈΡ ΠΏΡΠΎΠΈΠ·Π²ΠΎΠ΄ΠΈΡΠ΅Π»ΡΠ½ΠΎΡΡΠΈ ΠΈΠ»ΠΈ Π²ΡΠ΅ΠΌΠ΅Π½ΠΈ Π±Π΅Π·ΠΎΡΠΊΠ°Π·Π½ΠΎΠΉ ΡΠ°Π±ΠΎΡΡ.
ΠΠΎΡΠ½ΠΎΡΡΡ Π΄Π²ΠΈΠ³Π°ΡΠ΅Π»Π΅ΠΉ Cummins, ΡΠ°Π±ΠΎΡΠ°ΡΡΠΈΡ Π½Π° ΠΏΡΠΈΡΠΎΠ΄Π½ΠΎΠΌ Π³Π°Π·Π΅, Π±ΡΠ»Π° ΠΏΡΠΎΠ΄Π΅ΠΌΠΎΠ½ΡΡΡΠΈΡΠΎΠ²Π°Π½Π° Π² ΡΡΠΎΠΌ ΠΌΠ΅ΡΡΡΠ΅ Π½Π° Π²ΡΡΡΠ°Π²ΠΊΠ΅ India Auto Expo Π² ΠΠΎΠ»ΡΡΠΎΠΉ ΠΠΎΠΉΠ΄Π΅, ΡΡΠ°Ρ Π£ΡΡΠ°Ρ-ΠΡΠ°Π΄Π΅Ρ, ΠΠ½Π΄ΠΈΡ.
Π’Π΅Π³ΠΈ
ΠΡΠΈΡΠΎΠ΄Π½ΡΠΉ Π³Π°Π·
Cummins Engines
ΠΠ½Π΄ΠΈΡ
ΠΠΈΠ·Π½Π΅Ρ-ΡΠ΅Π³ΠΌΠ΅Π½Ρ Power Systems
ΠΡΠ΄Π΅Π» Π½ΠΎΠ²ΠΎΡΡΠ΅ΠΉ Cummins: ΠΠ°ΡΠΈ ΠΈΠ½Π½ΠΎΠ²Π°ΡΠΈΠΈ, ΡΠ΅Ρ Π½ΠΎΠ»ΠΎΠ³ΠΈΠΈ ΠΈ ΡΡΠ»ΡΠ³ΠΈ
ΠΎΡ Cummins Inc., ΠΌΠΈΡΠΎΠ²ΠΎΠ³ΠΎ Π»ΠΈΠ΄Π΅ΡΠ° Π² ΠΎΠ±Π»Π°ΡΡΠΈ ΡΠ½Π΅ΡΠ³Π΅ΡΠΈΡΠ΅ΡΠΊΠΈΡ ΡΠ΅Ρ Π½ΠΎΠ»ΠΎΠ³ΠΈΠΉ
ΠΡΠΈΠ±Π»ΠΈΠΆΠ°ΡΡΡ ΠΊ ΠΊΠΎΠ½ΡΡ 2022 Π³ΠΎΠ΄Π°, ΠΌΡ ΠΎΡΠΌΠ΅ΡΠ°Π΅ΠΌ Π½Π΅ΠΊΠΎΡΠΎΡΡΠ΅ Π΄ΠΎΡΡΠΈΠΆΠ΅Π½ΠΈΡ, ΠΊΠΎΡΠΎΡΡΠ΅ ΡΠ΄Π΅Π»Π°Π»ΠΈ ΡΡΠΎΡ Π³ΠΎΠ΄ Π·Π°Ρ Π²Π°ΡΡΠ²Π°ΡΡΠΈΠΌ ΠΈ ΠΈΠ½Π½ΠΎΠ²Π°ΡΠΈΠΎΠ½Π½ΡΠΌ Π΄Π»Ρ New Power. ΠΠ° ΠΏΠΎΡΠ»Π΅Π΄Π½ΠΈΠ΅ 12 ΠΌΠ΅ΡΡΡΠ΅Π² ΠΌΡ ΡΠ°ΡΡΠΈΡΠΈΠ»ΠΈ Π½Π°ΡΠΈ ΡΠ΅Ρ Π½ΠΎΠ»ΠΎΠ³ΠΈΠΈ,Β Π²ΡΡΠΎΡΠ»ΠΈ ΠΊΠ°ΠΊ Π±ΠΈΠ·Π½Π΅Ρ ΠΈ ΠΏΡΠΎΠ΄ΠΎΠ»ΠΆΠ°Π»ΠΈ ΠΏΡΠΎΠΊΠ»Π°Π΄ΡΠ²Π°ΡΡ ΠΏΡΡΡ ΠΊ Π±ΡΠ΄ΡΡΠ΅ΠΌΡ Ρ Π½ΡΠ»Π΅Π²ΡΠΌ ΡΡΠΎΠ²Π½Π΅ΠΌ Π²ΡΠ±ΡΠΎΡΠΎΠ². ΠΡΠΈΡΠΎΠ΅Π΄ΠΈΠ½ΡΠΉΡΠ΅ΡΡ ΠΊ Π½Π°ΠΌ, ΡΡΠΎΠ±Ρ ΠΎΠ±ΡΡΠ΄ΠΈΡΡ ΠΏΡΡΡ ΠΏΠΎΠ±Π΅Π΄ Π½Π°ΡΠ΅Π³ΠΎ Π±ΠΈΠ·Π½Π΅Ρ-ΠΏΠΎΠ΄ΡΠ°Π·Π΄Π΅Π»Π΅Π½ΠΈΡ New Power, ΠΊΠΎΡΠΎΡΡΠ΅ ΠΏΠΎΠΌΠΎΠ³Π»ΠΈ ΡΠ΄Π΅Π»Π°ΡΡ ΡΡΠΎΡ Π³ΠΎΠ΄ ΠΏΠΎ-Π½Π°ΡΡΠΎΡΡΠ΅ΠΌΡ Π²ΠΏΠ΅ΡΠ°ΡΠ»ΡΡΡΠΈΠΌ.
ΠΠ°ΠΆΠΌΠΈΡΠ΅, ΡΡΠΎΠ±Ρ ΠΏΡΠΎΡΠΌΠΎΡΡΠ΅ΡΡ ΠΈΠ½ΡΠΎΠ³ΡΠ°ΡΠΈΠΊΡΠΠΎΠ±ΡΠΎ ΠΏΠΎΠΆΠ°Π»ΠΎΠ²Π°ΡΡ Π² Π½Π°ΡΠ΅ ΡΠ΅ΠΌΠ΅ΠΉΡΡΠ²ΠΎ Π°ΠΊΠΊΡΠΌΡΠ»ΡΡΠΎΡΠΎΠ² LFP
ΠΠΎΠ²Π΅ΠΉΡΠΈΠΌ ΡΠ»Π΅Π½ΠΎΠΌ Π½Π°ΡΠ΅Π³ΠΎ ΡΠ΅ΠΌΠ΅ΠΉΡΡΠ²Π° Π°ΠΊΠΊΡΠΌΡΠ»ΡΡΠΎΡΠΎΠ² ΡΠ²Π»ΡΠ΅ΡΡΡ Π»ΠΈΡΠΈΠΉ-ΠΆΠ΅Π»Π΅Π·ΠΎ-ΡΠΎΡΡΠ°ΡΠ½ΡΠΉ Π°ΠΊΠΊΡΠΌΡΠ»ΡΡΠΎΡ (LFP), ΠΊΠΎΡΠΎΡΡΠΉ ΡΠ°ΡΡΠΈΡΡΠ΅Ρ Π½Π°ΡΡ ΠΏΠΎΠ΄Π΄Π΅ΡΠΆΠΊΡ ΡΠ»Π΅ΠΊΡΡΠΈΡΠΈΡΠΈΡΠΎΠ²Π°Π½Π½ΡΡ
ΠΊΠΎΠΌΠΌΠ΅ΡΡΠ΅ΡΠΊΠΈΡ
ΡΡΠ°Π½ΡΠΏΠΎΡΡΠ½ΡΡ
ΡΡΠ΅Π΄ΡΡΠ².
LFP β ΡΡΠΎ Π°ΠΊΠΊΡΠΌΡΠ»ΡΡΠΎΡΡ Ρ Π±ΠΎΠ»Π΅Π΅ Π±ΡΡΡΡΠΎΠΉ Π·Π°ΡΡΠ΄ΠΊΠΎΠΉ ΠΈ Π΄Π»ΠΈΡΠ΅Π»ΡΠ½ΡΠΌ ΡΡΠΎΠΊΠΎΠΌ ΡΠ»ΡΠΆΠ±Ρ, ΠΊΠΎΡΠΎΡΡΠ΅ ΠΈΡΠΏΠΎΠ»ΡΠ·ΡΡΡΡΡ Π½Π° ΡΡΠ½ΠΊΠ°Ρ
Π³ΡΡΠ·ΠΎΠ²ΠΈΠΊΠΎΠ² ΡΡΠ΅Π΄Π½Π΅ΠΉ Π³ΡΡΠ·ΠΎΠΏΠΎΠ΄ΡΠ΅ΠΌΠ½ΠΎΡΡΠΈ ΠΈ ΡΠΊΠΎΠ»ΡΠ½ΡΡ
Π°Π²ΡΠΎΠ±ΡΡΠΎΠ². ΠΠ»Ρ LFP Π½Π΅ ΡΡΠ΅Π±ΡΠ΅ΡΡΡ Π½ΠΈΠΊΠ΅Π»Ρ ΠΈΠ»ΠΈ ΠΊΠΎΠ±Π°Π»ΡΡ, ΡΡΠΎ Π΄Π΅Π»Π°Π΅Ρ ΠΈΡ
Π±ΠΎΠ»Π΅Π΅ Π΄ΠΎΡΡΡΠΏΠ½ΡΠΌΠΈ ΠΈ ΡΠΊΠΎΠ»ΠΎΠ³ΠΈΡΠ½ΡΠΌΠΈ. ΠΠΊΠΊΡΠΌΡΠ»ΡΡΠΎΡΡ Cummins LFP Ρ Π±ΠΎΠ»Π΅Π΅ Π±ΡΡΡΡΠΎΠΉ Π·Π°ΡΡΠ΄ΠΊΠΎΠΉ, Π±ΠΎΠ»Π΅Π΅ Π²ΡΡΠΎΠΊΠΎΠΉ ΠΌΠΎΡΠ½ΠΎΡΡΡΡ ΠΈ ΡΠ²Π΅Π»ΠΈΡΠ΅Π½Π½ΡΠΌ Π½Π° 10 % ΡΡΠΎΠΊΠΎΠΌ ΡΠ»ΡΠΆΠ±Ρ ΡΠ°Π·ΡΠ°Π±ΠΎΡΠ°Π½Ρ Ρ ΡΡΠ΅ΡΠΎΠΌ ΡΡΠ΅Π±ΠΎΠ²Π°Π½ΠΈΠΉ Π½Π΅ΠΏΡΠ΅ΡΡΠ²Π½ΠΎΠΉ ΡΠ°Π±ΠΎΡΡ ΠΈ ΠΈΠΌΠ΅ΡΡ Π±ΠΎΠ»Π΅Π΅ Π½ΠΈΠ·ΠΊΡΡ ΡΠΎΠ²ΠΎΠΊΡΠΏΠ½ΡΡ ΡΡΠΎΠΈΠΌΠΎΡΡΡ Π²Π»Π°Π΄Π΅Π½ΠΈΡ.
Β«ΠΠ΅Π»Π΅Π½ΠΎΠ΅Β» ΠΏΡΡΠ΅ΡΠ΅ΡΡΠ²ΠΈΠ΅ ΠΈΠ΄Π΅Ρ ΠΏΠΎ ΠΏΠ»Π°Π½Ρ: Π½Π°ΡΠΈ ΡΠΈΡΡΠ΅ΠΌΡ ΡΠΎΠΏΠ»ΠΈΠ²Π½ΡΡ ΡΠ»Π΅ΠΌΠ΅Π½ΡΠΎΠ² ΠΏΠΈΡΠ°ΡΡ ΠΏΠ΅ΡΠ²ΡΠΉ Π² ΠΌΠΈΡΠ΅ ΠΏΠ°ΡΠΊ ΠΏΠ°ΡΡΠ°ΠΆΠΈΡΡΠΊΠΈΡ ΠΏΠΎΠ΅Π·Π΄ΠΎΠ², ΠΏΠΎΠ»Π½ΠΎΡΡΡΡ ΡΠ°Π±ΠΎΡΠ°ΡΡΠΈΡ Π½Π° Π²ΠΎΠ΄ΠΎΡΠΎΠ΄Π΅
ΠΠ»Π°Π½Ρ Π½Π° ΠΎΡΠΏΡΡΠΊ? ΠΠΎΡΠ΅ΡΠΈΡΠ΅ Π½Π°Ρ Π² ΠΠ²ΡΠΎΠΏΠ΅, Π³Π΄Π΅ ΠΌΡ Π·Π°ΠΏΡΡΠΊΠ°Π΅ΠΌ ΠΏΠ΅ΡΠ²ΡΠΉ Π² ΠΌΠΈΡΠ΅ ΠΏΠ°ΡΠΊ Π²ΠΎΠ΄ΠΎΡΠΎΠ΄Π½ΡΡ
ΠΏΠΎΠ΅Π·Π΄ΠΎΠ². ΠΠΎΠ΅Π·Π΄Π° Alstom Coradia iLint ΠΎΡΠ½Π°ΡΠ΅Π½Ρ ΡΠΈΡΡΠ΅ΠΌΠ°ΠΌΠΈ ΡΠΎΠΏΠ»ΠΈΠ²Π½ΡΡ
ΡΠ»Π΅ΠΌΠ΅Π½ΡΠΎΠ² Cummins ΠΈ ΠΊΡΡΡΠΈΡΡΡΡ ΠΏΠΎ ΠΏΠ΅ΡΠ²ΠΎΠΌΡ Π² ΠΌΠΈΡΠ΅ ΠΌΠ°ΡΡΡΡΡΡ ΠΏΠ°ΡΡΠ°ΠΆΠΈΡΡΠΊΠΈΡ
ΠΏΠΎΠ΅Π·Π΄ΠΎΠ², ΠΏΠΎΠ»Π½ΠΎΡΡΡΡ ΡΠ°Π±ΠΎΡΠ°ΡΡΠΈΡ
Π½Π° Π²ΠΎΠ΄ΠΎΡΠΎΠ΄Π΅. ΠΠΎΠ΅Π·Π΄Π° ΠΏΡΠ΅ΠΎΠ±ΡΠ°Π·ΡΡΡ Π²ΠΎΠ΄ΠΎΡΠΎΠ΄Π½ΠΎΠ΅ ΡΠΎΠΏΠ»ΠΈΠ²ΠΎ Π² ΡΠ½Π΅ΡΠ³ΠΈΡ ΠΈ ΠΏΡΠ΅Π²ΡΠ°ΡΠ°ΡΡ ΡΡΡΠ΅ΡΡΠ²ΡΡΡΡΡ Π½Π΅ΡΠ»Π΅ΠΊΡΡΠΈΡΠΈΡΠΈΡΠΎΠ²Π°Π½Π½ΡΡ ΠΈΠ½ΡΡΠ°ΡΡΡΡΠΊΡΡΡΡ Π² ΠΆΠ΅Π»Π΅Π·Π½ΠΎΠ΄ΠΎΡΠΎΠΆΠ½ΡΠ΅ Π»ΠΈΠ½ΠΈΠΈ Ρ Π½ΡΠ»Π΅Π²ΡΠΌ ΡΡΠΎΠ²Π½Π΅ΠΌ Π²ΡΠ±ΡΠΎΡΠΎΠ².
ΠΡΠΈ ΠΏΠΎΠ΅Π·Π΄Π° Π²ΡΠ΄Π΅Π»ΡΡΡ ΡΠΎΠ»ΡΠΊΠΎ ΠΏΠ°Ρ ΠΈ Π²ΠΎΠ΄ΡΠ½ΠΎΠΉ ΠΊΠΎΠ½Π΄Π΅Π½ΡΠ°Ρ Π²ΠΎ Π²ΡΠ΅ΠΌΡ ΡΠΊΡΠΏΠ»ΡΠ°ΡΠ°ΡΠΈΠΈ ΠΈ ΡΠ°Π±ΠΎΡΠ°ΡΡ Ρ Π½ΠΈΠ·ΠΊΠΈΠΌ ΡΡΠΎΠ²Π½Π΅ΠΌ ΡΡΠΌΠ°, ΡΡΠΎ ΠΏΠΎΠ²ΡΡΠ°Π΅Ρ ΠΊΠΎΠΌΡΠΎΡΡ ΠΊΠ°ΠΊ ΠΎΠΏΠ΅ΡΠ°ΡΠΎΡΠ°, ΡΠ°ΠΊ ΠΈ ΠΏΠ°ΡΡΠ°ΠΆΠΈΡΠΎΠ².
Π‘ΠΈΡΡΠ΅ΠΌΡ Π²ΠΎΠ΄ΠΎΡΠΎΠ΄Π½ΡΡ ΡΠΎΠΏΠ»ΠΈΠ²Π½ΡΡ ΡΠ»Π΅ΠΌΠ΅Π½ΡΠΎΠ², ΠΈΡΠΏΠΎΠ»ΡΠ·ΡΠ΅ΠΌΡΠ΅ Π² ΠΏΠΎΠ΅Π·Π΄Π°Ρ , ΡΠΎΠ±ΠΈΡΠ°ΡΡΡΡ Π² ΠΏΡΠΎΠΈΠ·Π²ΠΎΠ΄ΡΡΠ²Π΅Π½Π½ΠΎΠΌ ΡΠ΅Π½ΡΡΠ΅ Π²ΠΎΠ΄ΠΎΡΠΎΠ΄Π½ΡΡ ΡΠΎΠΏΠ»ΠΈΠ²Π½ΡΡ ΡΠ»Π΅ΠΌΠ΅Π½ΡΠΎΠ² Cummins Π² Π₯Π΅ΡΡΠ΅Π½Π΅, ΠΠ΅ΡΠΌΠ°Π½ΠΈΡ. ΠΠ±ΡΠ΅ΠΊΡ Π±ΡΠ» ΠΏΠΎΠ»Π½ΠΎΡΡΡΡ Π²Π²Π΅Π΄Π΅Π½ Π² ΡΠΊΡΠΏΠ»ΡΠ°ΡΠ°ΡΠΈΡ Π² 2022 Π³ΠΎΠ΄Ρ, ΡΡΠΎ ΠΏΠΎΠ·Π²ΠΎΠ»ΠΈΠ»ΠΎ ΡΡΠΊΠΎΡΠΈΡΡ Π²Π½Π΅Π΄ΡΠ΅Π½ΠΈΠ΅ Π²ΠΎΠ΄ΠΎΡΠΎΠ΄Π½ΡΡ ΡΠ΅Ρ Π½ΠΎΠ»ΠΎΠ³ΠΈΠΉ Π² ΠΠ²ΡΠΎΠΏΠ΅ ΠΈ ΠΌΠΈΡΠ΅.
Π‘Π΅Π²Π΅ΡΠ½Π°Ρ ΠΠΌΠ΅ΡΠΈΠΊΠ°? ΠΡΠΎΠ²Π΅ΡΡΡΡ. ΠΠ²ΡΠΎΠΏΠ°? ΠΡΠΎΠ²Π΅ΡΡΡΡ. ΠΡ ΡΠ°ΡΡΠΈΡΠΈΠ»ΠΈ Π½Π°ΡΠ΅ ΠΏΡΠΈΡΡΡΡΡΠ²ΠΈΠ΅ New Power ΠΏΠΎ Π²ΡΠ΅ΠΌΡ ΠΌΠΈΡΡ
Π ΡΡΠΎΠΌ Π³ΠΎΠ΄Ρ ΠΌΡ ΠΏΡΠΎΠ΄Π²ΠΈΠ³Π°Π»ΠΈ Π·Π΅Π»Π΅Π½ΡΡ Π²ΠΎΠ΄ΠΎΡΠΎΠ΄Π½ΡΡ ΡΠΊΠΎΠ½ΠΎΠΌΠΈΠΊΡ ΠΏΠΎ Π²ΡΠ΅ΠΌΡ ΠΌΠΈΡΡ, ΠΏΠΎΠ΄Π΄Π΅ΡΠΆΠΈΠ²Π°Ρ Π½ΠΎΠ²ΡΠ΅ ΠΈΠ½ΡΡΠ°ΡΡΡΡΠΊΡΡΡΠ½ΡΠ΅ ΠΏΡΠΎΠ΅ΠΊΡΡ ΠΈ ΠΏΡΠΎΠ΄Π²ΠΈΠ³Π°Ρ Π³ΠΎΡΡΠ΄Π°ΡΡΡΠ²Π΅Π½Π½ΡΠ΅ ΡΠ΅Π»ΠΈ ΠΏΠΎ Π΄Π΅ΠΊΠ°ΡΠ±ΠΎΠ½ΠΈΠ·Π°ΡΠΈΠΈ.
ΠΡ Π·Π°Π»ΠΎΠΆΠΈΠ»ΠΈ ΡΡΠ½Π΄Π°ΠΌΠ΅Π½Ρ Π½Π°ΡΠ΅Π³ΠΎ Π½ΠΎΠ²ΠΎΠ³ΠΎ Π·Π°Π²ΠΎΠ΄Π° ΠΏΠΎ ΠΏΡΠΎΠΈΠ·Π²ΠΎΠ΄ΡΡΠ²Ρ Π³ΠΈΠ³Π°Π²Π°ΡΡΠ½ΡΡ
ΡΠ»Π΅ΠΊΡΡΠΎΠ»ΠΈΠ·Π΅ΡΠΎΠ² PEM Π² ΠΠ²Π°Π΄Π°Π»Π°Ρ
Π°ΡΠ΅, ΠΠ°ΡΡΠΈΠ»ΠΈΡ-ΠΠ°-ΠΠ°Π½ΡΠ°, ΠΡΠΏΠ°Π½ΠΈΡ. Π‘ΡΡΠΎΠΈΡΠ΅Π»ΡΡΡΠ²ΠΎ ΠΏΠ»Π°Π½ΠΈΡΡΠ΅ΡΡΡ Π·Π°Π²Π΅ΡΡΠΈΡΡ ΠΊ ΠΊΠΎΠ½ΡΡ 2023 Π³ΠΎΠ΄Π°. ΠΠ±ΡΠ΅ΠΊΡ ΠΏΠ»ΠΎΡΠ°Π΄ΡΡ 200 000 ΠΊΠ². ΡΡΡΠΎΠ² Π±ΡΠ΄Π΅Ρ ΠΈΠΌΠ΅ΡΡ ΠΌΠΎΡΠ½ΠΎΡΡΡ 500 ΠΠΡ Π² Π³ΠΎΠ΄ Ρ Π²ΠΎΠ·ΠΌΠΎΠΆΠ½ΠΎΡΡΡΡ ΡΠ²Π΅Π»ΠΈΡΠ΅Π½ΠΈΡ Π΄ΠΎ Π±ΠΎΠ»Π΅Π΅ ΡΠ΅ΠΌ 1 ΠΠΡ Π² Π³ΠΎΠ΄.
ΠΠ°ΡΠ΅ ΠΏΡΠ΅Π΄ΠΏΡΠΈΡΡΠΈΠ΅ ΠΏΠΎ ΠΏΡΠΎΠΈΠ·Π²ΠΎΠ΄ΡΡΠ²Ρ ΡΠ»Π΅ΠΊΡΡΠΎΠ»ΠΈΠ·Π΅ΡΠΎΠ² Π² ΠΠ²Π΅Π»Π΅, ΠΠ΅Π»ΡΠ³ΠΈΡ, ΡΠ²Π΅Π»ΠΈΡΠΈΠ»ΠΎ ΡΠ²ΠΎΡ ΠΌΠΎΡΠ½ΠΎΡΡΡ Π΄ΠΎ 1 ΠΠΡ Π±Π»Π°Π³ΠΎΠ΄Π°ΡΡ ΠΏΡΠΎΠ³ΡΠ°ΠΌΠΌΠ΅ Hy2Tech Β«ΠΠ°ΠΆΠ½ΡΠΉ ΠΏΡΠΎΠ΅ΠΊΡ ΠΎΠ±ΡΠ΅Π΅Π²ΡΠΎΠΏΠ΅ΠΉΡΠΊΠΎΠ³ΠΎ ΠΈΠ½ΡΠ΅ΡΠ΅ΡΠ°Β» (IPCEI). IPCEI ΠΏΠΎΠΌΠΎΠΆΠ΅Ρ Cummins ΡΠ°Π·ΡΠ°Π±ΠΎΡΠ°ΡΡ Π½ΠΎΠ²ΠΎΠ΅ ΠΏΠΎΠΊΠΎΠ»Π΅Π½ΠΈΠ΅ Π±Π»ΠΎΠΊΠΎΠ² ΡΠ»Π΅ΠΊΡΡΠΎΠ»ΠΈΠ·Π΅ΡΠΎΠ² PEM Π΄Π»Ρ ΠΏΠΈΡΠ°Π½ΠΈΡ ΠΊΡΡΠΏΠ½ΠΎΠΌΠ°ΡΡΡΠ°Π±Π½ΡΡ ΡΠΈΡΡΠ΅ΠΌ ΠΏΡΠΎΠΈΠ·Π²ΠΎΠ΄ΡΡΠ²Π° Π²ΠΎΠ΄ΠΎΡΠΎΠ΄Π°. Π ΡΡΠΎΠΌ Π³ΠΎΠ΄Ρ Π² Π½Π°ΡΠ΅ΠΌ Π½ΠΎΠ²ΠΎΠΌ ΠΏΡΠΎΠΈΠ·Π²ΠΎΠ΄ΡΡΠ²Π΅Π½Π½ΠΎΠΌ ΡΠ΅Π½ΡΡΠ΅ ΡΠΈΡΡΠ΅ΠΌ Π²ΠΎΠ΄ΠΎΡΠΎΠ΄Π½ΡΡ ΡΠΎΠΏΠ»ΠΈΠ²Π½ΡΡ ΡΠ»Π΅ΠΌΠ΅Π½ΡΠΎΠ² Π² Π₯Π΅ΡΡΠ΅Π½Π΅, ΠΠ΅ΡΠΌΠ°Π½ΠΈΡ, Π½Π°ΡΠ°Π»Π°ΡΡ ΡΠ°Π±ΠΎΡΠ°, ΡΡΠΎ ΡΠΏΠΎΡΠΎΠ±ΡΡΠ²ΡΠ΅Ρ Π΄Π°Π»ΡΠ½Π΅ΠΉΡΠ΅ΠΌΡ Π²Π½Π΅Π΄ΡΠ΅Π½ΠΈΡ Π²ΠΎΠ΄ΠΎΡΠΎΠ΄Π½ΡΡ ΡΠ΅Ρ Π½ΠΎΠ»ΠΎΠ³ΠΈΠΉ ΠΏΠΎ Π²ΡΠ΅ΠΉ ΠΠ²ΡΠΎΠΏΠ΅.
ΠΡ ΡΠ°ΡΡΠΈΡΠΈΠ»ΠΈ Π½Π°Ρ ΠΊΠ°ΠΌΠΏΡΡ Π² ΠΠΈΡΡΠΈΡΡΠΎΠ³Π΅, ΠΠ½ΡΠ°ΡΠΈΠΎ, ΠΠ°Π½Π°Π΄Π°, Π΄ΠΎΠ±Π°Π²ΠΈΠ² ΡΡΠ΅ΡΠΈΠΉ ΠΎΠ±ΡΠ΅ΠΊΡ, ΠΏΠΎΡΠ²ΡΡΠ΅Π½Π½ΡΠΉ Π²ΠΎΠ΄ΠΎΡΠΎΠ΄Π½ΡΠΌ ΡΠ΅Ρ Π½ΠΎΠ»ΠΎΠ³ΠΈΡΠΌ. ΠΠΎΠ²ΠΎΠ΅ ΠΏΡΠ΅Π΄ΠΏΡΠΈΡΡΠΈΠ΅ Π²ΠΌΠ΅ΡΠ°Π΅Ρ ΡΠ°ΡΡΡΡΠΈΠΉ ΠΏΠ΅ΡΡΠΎΠ½Π°Π» ΠΊΠΎΠΌΠΏΠ°Π½ΠΈΠΈ, ΠΌΠΎΡΠ½ΠΎΡΡΠΈ ΠΏΠΎ ΠΏΡΠΎΠΈΠ·Π²ΠΎΠ΄ΡΡΠ²Ρ Π²ΠΎΠ΄ΠΎΡΠΎΠ΄Π° ΠΈ ΡΠ°Π·ΡΠ°Π±ΠΎΡΠΊΡ Π½ΠΎΠ²ΡΡ ΠΏΡΠΎΠ΄ΡΠΊΡΠΎΠ², ΡΡΠΎ ΠΏΠΎΠ·Π²ΠΎΠ»ΡΠ΅Ρ Cummins Π»ΡΡΡΠ΅ ΠΏΠΎΠ΄Π΄Π΅ΡΠΆΠΈΠ²Π°ΡΡ ΡΠ°Π·Π²ΠΈΠ²Π°ΡΡΠΈΠΉΡΡ ΡΡΠ½ΠΎΠΊ Π²ΠΎΠ΄ΠΎΡΠΎΠ΄Π° Π² Π‘Π΅Π²Π΅ΡΠ½ΠΎΠΉ ΠΠΌΠ΅ΡΠΈΠΊΠ΅.
ΠΠΆΠΈΠ΄Π°Π½ΠΈΠ΅ ΠΏΠΎΠ΄ΠΎΡΠ»ΠΎ ΠΊ ΠΊΠΎΠ½ΡΡ β Π½Π°ΡΠΈ ΡΠ»Π΅ΠΊΡΡΠΈΡΠΈΡΠΈΡΠΎΠ²Π°Π½Π½ΡΠ΅ ΡΠΈΠ»ΠΎΠ²ΡΠ΅ Π°Π³ΡΠ΅Π³Π°ΡΡ ΠΎΡΠΈΡΠΈΠ°Π»ΡΠ½ΠΎ Π΄Π΅Π±ΡΡΠΈΡΠΎΠ²Π°Π»ΠΈ
ΠΡ ΠΏΡΠ΅Π΄ΡΡΠ°Π²ΠΈΠ»ΠΈ Meritor 17Xe ePowertrain, ΠΈΠ½ΡΠ΅Π³ΡΠΈΡΠΎΠ²Π°Π½Π½ΡΠΉ Ρ Π°ΠΊΠΊΡΠΌΡΠ»ΡΡΠΎΡΠ½ΠΎΠΉ ΡΠΈΡΡΠ΅ΠΌΠΎΠΉ Cummins.
ΠΠΎΠ΄Π΅Π»Ρ 17Xe ΠΏΡΠ΅Π΄Π½Π°Π·Π½Π°ΡΠ΅Π½Π° Π΄Π»Ρ Π±ΠΎΠ»ΡΡΠ΅Π³ΡΡΠ·Π½ΡΡ
Π°Π²ΡΠΎΠΌΠΎΠ±ΠΈΠ»Π΅ΠΉ ΠΎΠ±ΡΠ΅ΠΉ ΠΌΠ°ΡΡΠΎΠΉ 44 ΡΠΎΠ½Π½Ρ. Π ΡΠ±ΠΎΡΠΊΠ΅ ΡΠ°ΠΊΠΆΠ΅ ΠΈΡΠΏΠΎΠ»ΡΠ·ΡΠ΅ΡΡΡ Π½ΠΎΠ²ΡΠΉ Π»ΠΈΡΠΈΠΉ-ΠΆΠ΅Π»Π΅Π·ΠΎ-ΡΠΎΡΡΠ°ΡΠ½ΡΠΉ Π°ΠΊΠΊΡΠΌΡΠ»ΡΡΠΎΡ Cummins (LFP).
ΠΠ°ΡΠΈ Π²Π°ΡΠΈΠ°Π½ΡΡ ΡΠΈΡΡΠΎΠΉ ΡΡΠ°Π½ΡΠΌΠΈΡΡΠΈΠΈ ΠΏΡΠ΅Π΄Π»Π°Π³Π°ΡΡ ΠΏΡΠ΅ΠΈΠΌΡΡΠ΅ΡΡΠ²Π° ΠΏΡΠΎΠΈΠ·Π²ΠΎΠ΄ΠΈΡΠ΅Π»ΡΠ½ΠΎΡΡΠΈ ΠΈ ΠΊΠΎΠΌΠΏΠΎΠ½ΠΎΠ²ΠΊΠΈ Π΄Π»Ρ ΡΠ°Π·Π»ΠΈΡΠ½ΡΡ ΠΏΡΠΈΠΌΠ΅Π½Π΅Π½ΠΈΠΉ ΠΏΠΎ Π²ΡΠ΅ΠΌΡ ΠΌΠΈΡΡ.
ΠΠ»Π΅ΠΊΡΡΠΎΠ»ΠΈΠ·Π΅ΡΡ Π½Π°Ρ ΠΎΠ΄ΡΡΡΡ Π² Π‘Π¨Π: ΠΌΡ Π½Π°ΡΠΈΠ½Π°Π΅ΠΌ ΠΏΡΠΎΠΈΠ·Π²ΠΎΠ΄ΡΡΠ²ΠΎ Π² Π‘Π¨Π
ΠΡ ΠΎΠ±ΡΡΠ²ΠΈΠ»ΠΈ, ΡΡΠΎ Π²ΠΏΠ΅ΡΠ²ΡΠ΅ Π½Π°ΡΠ½Π΅ΠΌ ΠΏΡΠΎΠΈΠ·Π²ΠΎΠ΄ΡΡΠ²ΠΎ ΡΠ»Π΅ΠΊΡΡΠΎΠ»ΠΈΠ·Π΅ΡΠΎΠ² Π² Π‘Π¨Π Π½Π° Π½Π°ΡΠ΅ΠΌ ΠΏΡΠ΅Π΄ΠΏΡΠΈΡΡΠΈΠΈ Π²ΠΎ Π€ΡΠΈΠ΄Π»ΠΈ, ΡΡΠ°Ρ ΠΠΈΠ½Π½Π΅ΡΠΎΡΠ°. Π§ΡΠΎΠ±Ρ ΠΏΡΠΎΠ΄Π²ΠΈΠ³Π°ΡΡ ΠΎΡΠ΅ΡΠ΅ΡΡΠ²Π΅Π½Π½ΡΡ Π·Π΅Π»Π΅Π½ΡΡ Π²ΠΎΠ΄ΠΎΡΠΎΠ΄Π½ΡΡ ΡΠΊΠΎΠ½ΠΎΠΌΠΈΠΊΡ Π²ΠΏΠ΅ΡΠ΅Π΄, ΠΌΡ Π½Π°ΡΠ½Π΅ΠΌ Ρ ΠΏΡΠΎΠΈΠ·Π²ΠΎΠ΄ΡΡΠ²Π΅Π½Π½ΡΡ ΠΌΠΎΡΠ½ΠΎΡΡΠ΅ΠΉ Π² 500 ΠΌΠ΅Π³Π°Π²Π°ΡΡ (ΠΠΡ) Π² Π³ΠΎΠ΄ Ρ Π²ΠΎΠ·ΠΌΠΎΠΆΠ½ΠΎΡΡΡΡ ΠΌΠ°ΡΡΡΠ°Π±ΠΈΡΠΎΠ²Π°Π½ΠΈΡ Π΄ΠΎ 1 Π³ΠΈΠ³Π°Π²Π°ΡΡ (ΠΠΡ) Π² Π±ΡΠ΄ΡΡΠ΅ΠΌ.
ΠΠ΅ΡΠΊΠΈ
ΠΠΎΠ²Π°Ρ ΡΠΈΠ»Π°
ΠΠ»Π΅ΠΊΡΡΠΈΡΠΈΠΊΠ°ΡΠΈΡ
ΠΠΎΠ΄ΠΎΡΠΎΠ΄
Π£ΡΡΠΎΠΉΡΠΈΠ²ΠΎΠ΅ ΡΠ°Π·Π²ΠΈΡΠΈΠ΅
ΠΡΠ»Π΅Π²ΠΎΠΉ ΠΏΡΠ½ΠΊΡ Π½Π°Π·Π½Π°ΡΠ΅Π½ΠΈΡ
Cummins ΠΏΡΠ΅Π΄ΡΡΠ°Π²ΠΈΡ Π½Π° Π²ΡΡΡΠ°Π²ΠΊΠ΅ IAA Expo ΠΊΠΎΠ½ΡΠ΅ΠΏΡΡΠ°Π»ΡΠ½ΡΠΉ Π³ΡΡΠ·ΠΎΠ²ΠΈΠΊ Ρ Π½ΡΠ»Π΅Π²ΡΠΌ Π²ΡΠ±ΡΠΎΡΠΎΠΌ ΡΠ³Π»Π΅ΡΠΎΠ΄Π° h3-ICE, ΠΎΡΠ½Π°ΡΠ΅Π½Π½ΡΠΉ Π²ΠΎΠ΄ΠΎΡΠΎΠ΄Π½ΡΠΌ Π΄Π²ΠΈΠ³Π°ΡΠ΅Π»Π΅ΠΌ B6.
7HΠΡΠ΄Π΅Π» Π½ΠΎΠ²ΠΎΡΡΠ΅ΠΉ Cummins: ΠΠ°ΡΠΈ ΠΈΠ½Π½ΠΎΠ²Π°ΡΠΈΠΈ, ΡΠ΅Ρ Π½ΠΎΠ»ΠΎΠ³ΠΈΠΈ ΠΈ ΡΡΠ»ΡΠ³ΠΈ
ΠΡΠΎΡΡ-ΠΠ΅ΡΠ°Ρ, ΠΠ΅ΡΠΌΠ°Π½ΠΈΡ
Π‘ΠΎΡ ΡΠ°Π½ΡΠ΅Ρ ΠΏΡΠΎΠΈΠ·Π²ΠΎΠ΄ΠΈΡΠ΅Π»ΡΠ½ΠΎΡΡΡ, ΠΏΠΎΠ»Π΅Π·Π½ΡΡ Π½Π°Π³ΡΡΠ·ΠΊΡ ΠΈ ΠΈΡΠΏΠΎΠ»ΡΠ·ΡΠ΅Ρ ΠΎΠ±ΡΡΠ½ΡΡ ΡΡΠ°Π½ΡΠΌΠΈΡΡΠΈΡ, ΠΏΡΠ΅Π΄Π»Π°Π³Π°Ρ Π±ΠΎΠ»Π΅Π΅ Π΄Π΅ΡΠ΅Π²ΡΠΉ ΡΠ΅Ρ Π½ΠΎΠ»ΠΎΠ³ΠΈΡΠ΅ΡΠΊΠΈΠΉ ΠΏΡΡΡ, ΠΏΠΎΠΌΠΎΠ³Π°ΡΡΠΈΠΉ ΡΡΠΊΠΎΡΠΈΡΡ ΠΎΠ±Π΅Π·ΡΠ³Π»Π΅ΡΠΎΠΆΠΈΠ²Π°Π½ΠΈΠ΅ Π°Π²ΡΠΎΠΏΠ°ΡΠΊΠ°
Cummins Inc. (NYSE: CMI) ΠΏΡΠ΅Π΄ΡΡΠ°Π²ΠΈΡ ΠΊΠΎΠ½ΡΠ΅ΠΏΡΡΠ°Π»ΡΠ½ΡΠΉ Π³ΡΡΠ·ΠΎΠ²ΠΈΠΊ ΡΡΠ΅Π΄Π½Π΅ΠΉ Π³ΡΡΠ·ΠΎΠΏΠΎΠ΄ΡΠ΅ΠΌΠ½ΠΎΡΡΠΈ Ρ Π²ΠΎΠ΄ΠΎΡΠΎΠ΄Π½ΡΠΌ Π΄Π²ΠΈΠ³Π°ΡΠ΅Π»Π΅ΠΌ Π²Π½ΡΡΡΠ΅Π½Π½Π΅Π³ΠΎ ΡΠ³ΠΎΡΠ°Π½ΠΈΡ B6.7H (h3-ICE) Π½Π° Π²ΡΡΡΠ°Π²ΠΊΠ΅ IAA Transportation (Ρ 20 ΠΏΠΎ 25 ΡΠ΅Π½ΡΡΠ±ΡΡ, ΠΠ°Π½Π½ΠΎΠ²Π΅Ρ, ΠΠ΅ΡΠΌΠ°Π½ΠΈΡ). ΠΡΠ΅ΠΎΠ±ΡΠ°Π·ΠΎΠ²Π°Π½ΠΈΠ΅ h3-ICE ΠΏΠΎΠ΄ΡΠ΅ΡΠΊΠΈΠ²Π°Π΅Ρ Π²ΠΎΠ·ΠΌΠΎΠΆΠ½ΠΎΡΡΡ ΠΈΡΠΏΠΎΠ»ΡΠ·ΠΎΠ²Π°Π½ΠΈΡ Π³ΡΡΠ·ΠΎΠ²ΡΡ Π°Π²ΡΠΎΠΌΠΎΠ±ΠΈΠ»Π΅ΠΉ Ρ ΠΏΠΎΠ»Π½ΠΎΠΉ ΠΌΠ°ΡΡΠΎΠΉ ΠΎΡ 10 Π΄ΠΎ 26 ΡΠΎΠ½Π½ Π΄Π»Ρ ΡΠ°Π±ΠΎΡΡ Π½Π° Π²ΠΎΠ΄ΠΎΡΠΎΠ΄Π½ΠΎΠΌ ΡΠΎΠΏΠ»ΠΈΠ²Π΅ Ρ Π½ΡΠ»Π΅Π²ΡΠΌ ΡΠΎΠ΄Π΅ΡΠΆΠ°Π½ΠΈΠ΅ΠΌ ΡΠ³Π»Π΅ΡΠΎΠ΄Π° Ρ ΠΏΠΎΡΠ΅Π½ΡΠΈΠ°Π»ΡΠ½ΡΠΌ Π·Π°ΠΏΠ°ΡΠΎΠΌ Ρ ΠΎΠ΄Π° Π΄ΠΎ 500 ΠΊΠΈΠ»ΠΎΠΌΠ΅ΡΡΠΎΠ².
Β«ΠΠΎΠ½ΡΠ΅ΠΏΡΡΠ°Π»ΡΠ½ΡΠΉ Π³ΡΡΠ·ΠΎΠ²ΠΈΠΊ h3-ICE, ΠΏΡΠ΅Π΄ΡΡΠ°Π²Π»Π΅Π½Π½ΡΠΉ Π½Π° Π²ΡΡΡΠ°Π²ΠΊΠ΅ IAA, ΡΡΠ°Π²ΠΈΡ Cummins Π² Π°Π²Π°Π½Π³Π°ΡΠ΄Π΅ ΡΡΠΎΠΉ Π±ΡΡΡΡΠΎ ΡΠ°Π·Π²ΠΈΠ²Π°ΡΡΠ΅ΠΉΡΡ ΡΠ΅Ρ
Π½ΠΎΠ»ΠΎΠ³ΠΈΠΈ Π΄Π²ΠΈΠ³Π°ΡΠ΅Π»Π΅ΠΉ Π²Π½ΡΡΡΠ΅Π½Π½Π΅Π³ΠΎ ΡΠ³ΠΎΡΠ°Π½ΠΈΡ, ΠΈΡΠΏΠΎΠ»ΡΠ·ΡΡΡΠΈΡ
Π²ΠΎΠ΄ΠΎΡΠΎΠ΄Π½ΠΎΠ΅ ΡΠΎΠΏΠ»ΠΈΠ²ΠΎ Ρ Π½ΡΠ»Π΅Π²ΡΠΌ ΡΠΎΠ΄Π΅ΡΠΆΠ°Π½ΠΈΠ΅ΠΌ ΡΠ³Π»Π΅ΡΠΎΠ΄Π°Β», β ΡΠΊΠ°Π·Π°Π»Π° ΠΠ»ΠΈΡΠΎΠ½ Π’ΡΡΠ±Π»Π°Π΄, ΠΈΡΠΏΠΎΠ»Π½ΠΈΡΠ΅Π»ΡΠ½ΡΠΉ Π΄ΠΈΡΠ΅ΠΊΡΠΎΡ Cummins ΠΏΠΎ Π΄ΠΎΡΠΎΠΆΠ½ΠΎΠΌΡ Π±ΠΈΠ·Π½Π΅ΡΡ Π² ΠΠ²ΡΠΎΠΏΠ΅.
Β«ΠΠ΅ΡΠΌΠΎΡΡΡ Π½Π° ΡΠΎ, ΡΡΠΎ Π²ΠΎΠ΄ΠΎΡΠΎΠ΄Π½ΡΠ΅ ΡΠΎΠΏΠ»ΠΈΠ²Π½ΡΠ΅ ΡΠ»Π΅ΠΌΠ΅Π½ΡΡ Cummins ΠΏΡΠ΅Π΄Π»Π°Π³Π°ΡΡ Π²ΡΡΠΎΠΊΠΎΡΡΡΠ΅ΠΊΡΠΈΠ²Π½ΠΎΠ΅ ΡΠ΅ΡΠ΅Π½ΠΈΠ΅ Π΄Π»Ρ ΠΊΠΎΠ½ΠΊΡΠ΅ΡΠ½ΡΡ ΠΏΡΠΈΠΌΠ΅Π½Π΅Π½ΠΈΠΉ Π² ΠΎΡΡΠ°ΡΠ»ΠΈ Π³ΡΡΠ·ΠΎΠ²ΡΡ Π°Π²ΡΠΎΠΌΠΎΠ±ΠΈΠ»Π΅ΠΉ, Π½Π°ΡΠΈ Π²ΠΎΠ΄ΠΎΡΠΎΠ΄Π½ΡΠ΅ Π΄Π²ΠΈΠ³Π°ΡΠ΅Π»ΠΈ ΡΠ°ΠΊΠΆΠ΅ ΠΌΠΎΠ³ΡΡ ΠΏΠΎΠΌΠΎΡΡ ΡΡΠΊΠΎΡΠΈΡΡ ΠΎΠ±Π΅Π·ΡΠ³Π»Π΅ΡΠΎΠΆΠΈΠ²Π°Π½ΠΈΠ΅ Π°Π²ΡΠΎΠΏΠ°ΡΠΊΠ°, ΠΏΡΠ΅Π΄Π»Π°Π³Π°Ρ Π±ΠΎΠ»Π΅Π΅ Π½ΠΈΠ·ΠΊΡΡ ΡΡΠΎΠΈΠΌΠΎΡΡΡ Ρ ΠΈΡΠΏΠΎΠ»ΡΠ·ΠΎΠ²Π°Π½ΠΈΠ΅ΠΌ Π±ΠΎΠ»Π΅Π΅ Π·Π½Π°ΠΊΠΎΠΌΠΎΠΉ ΡΠ΅Ρ Π½ΠΎΠ»ΠΎΠ³ΠΈΠΈ Π΄Π²ΠΈΠ³Π°ΡΠ΅Π»Π΅ΠΉΒ», β ΠΏΡΠΎΠ΄ΠΎΠ»ΠΆΠΈΠ» Π’ΡΡΠ±Π»Π°Π΄.
Π ΠΏΡΠΎΠ΅ΠΊΡΠ΅ Cummins h3-ICE ΠΈΡΠΏΠΎΠ»ΡΠ·ΠΎΠ²Π°Π»ΡΡ Π³ΡΡΠ·ΠΎΠ²ΠΈΠΊ Mercedes-Benz Atego 4×2, ΠΏΡΠ΅Π΄ΡΡΠ°Π²Π»ΡΡΡΠΈΠΉ ΡΠΎΠ±ΠΎΠΉ ΡΠ½ΠΈΠ²Π΅ΡΡΠ°Π»ΡΠ½ΠΎΠ΅ ΠΈ ΡΠΈΡΠΎΠΊΠΎ ΠΈΡΠΏΠΎΠ»ΡΠ·ΡΠ΅ΠΌΠΎΠ΅ ΡΡΠ°Π½ΡΠΏΠΎΡΡΠ½ΠΎΠ΅ ΡΡΠ΅Π΄ΡΡΠ²ΠΎ Π΄Π»Ρ ΠΌΠ½ΠΎΠ³ΠΎΡΠΎΡΠ΅ΡΠ½ΡΡ ΡΠ°Π·Π²ΠΎΠ·Π½ΡΡ ΠΏΠ΅ΡΠ΅Π²ΠΎΠ·ΠΎΠΊ. Π Π°Π±ΠΎΡΠ° ΠΏΠΎ ΠΊΠΎΠ½Π²Π΅ΡΡΠΈΠΈ Π²ΠΎΠ΄ΠΎΡΠΎΠ΄Π° Π½Π΅ Π²Π»ΠΈΡΠ΅Ρ Π½Π° ΠΏΡΠΎΠΈΠ·Π²ΠΎΠ΄ΠΈΡΠ΅Π»ΡΠ½ΠΎΡΡΡ Π³ΡΡΠ·ΠΎΠ²ΠΈΠΊΠ°, Π³ΡΡΠ·ΠΎΠΏΠΎΠ΄ΡΠ΅ΠΌΠ½ΠΎΡΡΡ ΠΈΠ»ΠΈ ΠΏΠΎΠ»Π΅Π·Π½ΡΡ Π½Π°Π³ΡΡΠ·ΠΊΡ.
ΠΠΎΠ΄ΠΎΡΠΎΠ΄Π½ΡΠΉ Π΄Π²ΠΈΠ³Π°ΡΠ΅Π»Ρ Cummins B6.7HΠΡΠΏΡΡΠ°ΡΠ΅Π»ΡΠ½Π°Ρ ΡΡΡΠ°Π½ΠΎΠ²ΠΊΠ° ΠΈΠΌΠ΅Π΅Ρ Π½ΠΎΠΌΠΈΠ½Π°Π»ΡΠ½ΡΡ ΠΌΠΎΡΠ½ΠΎΡΡΡ 290 Π».Ρ. (216 ΠΊΠΡ) ΠΈ ΠΎΡΠ½Π°ΡΠ΅Π½Π° ΡΠΈΡΡΠ΅ΠΌΠΎΠΉ Ρ ΡΠ°Π½Π΅Π½ΠΈΡ Π²ΠΎΠ΄ΠΎΡΠΎΠ΄Π° Π±ΠΎΠ»ΡΡΠΎΠΉ Π΅ΠΌΠΊΠΎΡΡΠΈ ΠΏΠΎΠ΄ Π΄Π°Π²Π»Π΅Π½ΠΈΠ΅ΠΌ 700 Π±Π°Ρ.
ΠΠ»Π°Π²Π½Π°Ρ Π·Π°ΠΌΠ΅Π½Π° Π΄ΠΈΠ·Π΅Π»ΡΠ½ΠΎΠ³ΠΎ Π΄Π²ΠΈΠ³Π°ΡΠ΅Π»Ρ 6,7-Π»ΠΈΡΡΠΎΠ²ΡΠΌ Π²ΠΎΠ΄ΠΎΡΠΎΠ΄Π½ΡΠΌ Π΄Π²ΠΈΠ³Π°ΡΠ΅Π»Π΅ΠΌ ΠΈ ΠΈΠ½ΡΠ΅Π³ΡΠ°ΡΠΈΡ Ρ ΡΡΡΠ΅ΡΡΠ²ΡΡΡΠ΅ΠΉ ΡΠΈΠ»ΠΎΠ²ΠΎΠΉ ΠΏΠ΅ΡΠ΅Π΄Π°ΡΠ΅ΠΉ ΠΏΠΎΠ΄ΡΠ΅ΡΠΊΠΈΠ²Π°ΡΡ ΡΠΏΠΎΡΠΎΠ±Π½ΠΎΡΡΡ h3-ICE ΠΏΡΠ΅Π΄Π»Π°Π³Π°ΡΡ ΡΠ΅ΡΠ΅Π½ΠΈΠ΅ Ρ Π½ΡΠ»Π΅Π²ΡΠΌ Π²ΡΠ±ΡΠΎΡΠΎΠΌ ΡΠ³Π»Π΅ΡΠΎΠ΄Π° Π΄Π»Ρ Π°Π²ΡΠΎΠΏΠ°ΡΠΊΠΎΠ², ΠΎΡΠ½ΠΎΠ²Π°Π½Π½ΠΎΠ΅ Π½Π° Π±ΠΎΠ»Π΅Π΅ Π½ΠΈΠ·ΠΊΠΎΠΉ ΡΡΠΎΠΈΠΌΠΎΡΡΠΈ ΠΈ Π±ΠΎΠ»Π΅Π΅ Π»Π΅Π³ΠΊΠΎΠΌ ΡΠ°Π·Π²Π΅ΡΡΡΠ²Π°Π½ΠΈΠΈ ΡΠ΅Ρ
Π½ΠΎΠ»ΠΎΠ³ΠΈΠΈ.
.
Π’Π΅Ρ Π½ΠΈΡΠ΅ΡΠΊΠ°Ρ ΡΠ°Π·ΡΠ°Π±ΠΎΡΠΊΠ° ΠΊΠΎΠ½ΡΠ΅ΠΏΡΡΠ°Π»ΡΠ½ΠΎΠ³ΠΎ Π³ΡΡΠ·ΠΎΠ²ΠΈΠΊΠ° h3-ICE Π±ΡΠ»Π° ΠΏΡΠΎΠ²Π΅Π΄Π΅Π½Π° ΠΊΠΎΠΌΠ°Π½Π΄ΠΎΠΉ Cummins Π½Π° Π·Π°Π²ΠΎΠ΄Π΅ Gross-Gerau Π² ΠΠ΅ΡΠΌΠ°Π½ΠΈΠΈ Π² ΡΠΎΡΡΡΠ΄Π½ΠΈΡΠ΅ΡΡΠ²Π΅ ΡΠΎ ΡΠΏΠ΅ΡΠΈΠ°Π»ΠΈΡΡΠ°ΠΌΠΈ ΠΏΠΎ ΡΠ°Π·ΡΠ°Π±ΠΎΡΠΊΠ΅ ΡΡΠ°Π½ΡΠΏΠΎΡΡΠ½ΡΡ ΡΡΠ΅Π΄ΡΡΠ² Π³ΡΡΠΏΠΏΡ EDAG.
Β«ΠΠ½Π΅Π΄ΡΠ΅Π½ΠΈΠ΅ Π³ΡΡΠ·ΠΎΠ²ΠΈΠΊΠΎΠ² Ρ Π΄Π²ΠΈΠ³Π°ΡΠ΅Π»ΡΠΌΠΈ h3-ICE Π² ΠΊΡΠ°ΡΠΊΠΎΡΡΠΎΡΠ½ΠΎΠΉ ΠΏΠ΅ΡΡΠΏΠ΅ΠΊΡΠΈΠ²Π΅ ΠΌΠΎΠΆΠ΅Ρ ΠΏΠΎΠΌΠΎΡΡ Π² ΡΠ°Π·Π²ΠΈΡΠΈΠΈ ΠΈΠ½ΡΡΠ°ΡΡΡΡΠΊΡΡΡΡ Π²ΠΎΠ΄ΠΎΡΠΎΠ΄Π½ΠΎΠ³ΠΎ ΡΠΎΠΏΠ»ΠΈΠ²Π°, ΡΡΠΎΠ±Ρ ΠΏΡΠΎΠ»ΠΎΠΆΠΈΡΡ ΠΏΡΡΡ ΠΊ Π±ΠΎΠ»Π΅Π΅ ΡΠΈΡΠΎΠΊΠΎΠΌΡ Π²Π½Π΅Π΄ΡΠ΅Π½ΠΈΡ ΡΠ»Π΅ΠΊΡΡΠΎΠΌΠΎΠ±ΠΈΠ»Π΅ΠΉ Π½Π° ΡΠΎΠΏΠ»ΠΈΠ²Π½ΡΡ ΡΠ»Π΅ΠΌΠ΅Π½ΡΠ°Ρ . Π’Π°ΠΊΠΈΠΌ ΠΎΠ±ΡΠ°Π·ΠΎΠΌ, Π²ΠΎΠ΄ΠΎΡΠΎΠ΄Π½ΡΠ΅ Π΄Π²ΠΈΠ³Π°ΡΠ΅Π»ΠΈ ΠΈ ΡΠΎΠΏΠ»ΠΈΠ²Π½ΡΠ΅ ΡΠ»Π΅ΠΌΠ΅Π½ΡΡ ΡΠ²Π»ΡΡΡΡΡ Π²Π·Π°ΠΈΠΌΠΎΠ΄ΠΎΠΏΠΎΠ»Π½ΡΡΡΠΈΠΌΠΈ ΡΠ΅Ρ Π½ΠΎΠ»ΠΎΠ³ΠΈΡΠΌΠΈ, ΡΠ°Π±ΠΎΡΠ°ΡΡΠΈΠΌΠΈ Π²ΠΌΠ΅ΡΡΠ΅ Π΄Π»Ρ ΡΠ°Π·Π²ΠΈΡΠΈΡ Π²ΠΎΠ΄ΠΎΡΠΎΠ΄Π½ΠΎΠΉ ΡΠΊΠΎΠ½ΠΎΠΌΠΈΠΊΠΈΒ», β Π΄ΠΎΠ±Π°Π²ΠΈΠ» Π’ΡΡΠ±Π»Π°Π΄.
ΠΠΎΠ΄ΠΎΡΠΎΠ΄Π½ΡΠΉ Π΄Π²ΠΈΠ³Π°ΡΠ΅Π»Ρ B6.7H ΠΌΠΎΡΠ½ΠΎΡΡΡΡ Π΄ΠΎ 290 Π».Ρ. (216 ΠΊΠΡ) ΠΈ ΠΌΠ°ΠΊΡΠΈΠΌΠ°Π»ΡΠ½ΡΠΌ ΠΊΡΡΡΡΡΠΈΠΌ ΠΌΠΎΠΌΠ΅Π½ΡΠΎΠΌ 1200 ΠΠΌ ΠΏΡΠ΅Π΄ΡΡΠ°Π²Π»ΡΠ΅Ρ ΡΠΎΠ±ΠΎΠΉ ΡΠΎΠ²Π΅ΡΡΠ΅Π½Π½ΠΎ Π½ΠΎΠ²ΡΡ ΠΏΠ»Π°ΡΡΠΎΡΠΌΡ Π΄Π²ΠΈΠ³Π°ΡΠ΅Π»Ρ Ρ ΠΏΠ΅ΡΠ΅Π΄ΠΎΠ²ΡΠΌΠΈ ΡΠ΅Ρ
Π½ΠΎΠ»ΠΎΠ³ΠΈΡΠΌΠΈ Π΄Π»Ρ ΠΏΠΎΠ²ΡΡΠ΅Π½ΠΈΡ ΡΠ΄Π΅Π»ΡΠ½ΠΎΠΉ ΠΌΠΎΡΠ½ΠΎΡΡΠΈ, ΡΠ½ΠΈΠΆΠ΅Π½ΠΈΡ ΠΏΠΎΡΠ΅ΡΡ Π½Π° ΡΡΠ΅Π½ΠΈΠ΅ ΠΈ ΡΠ»ΡΡΡΠ΅Π½ΠΈΡ ΡΠ΅ΠΏΠ»ΠΎΠ²ΠΎΠ³ΠΎ ΠΠΠ. Π ΡΠ΅Π·ΡΠ»ΡΡΠ°ΡΠ΅ ΠΏΡΠΎΠΈΠ·Π²ΠΎΠ΄ΠΈΡΠ΅Π»ΡΠ½ΠΎΡΡΡ ΡΠΊΠ²ΠΈΠ²Π°Π»Π΅Π½ΡΠ½Π° ΠΏΡΠΎΠΈΠ·Π²ΠΎΠ΄ΠΈΡΠ΅Π»ΡΠ½ΠΎΡΡΠΈ Π΄ΠΈΠ·Π΅Π»ΡΠ½ΠΎΠ³ΠΎ Π΄Π²ΠΈΠ³Π°ΡΠ΅Π»Ρ Π°Π½Π°Π»ΠΎΠ³ΠΈΡΠ½ΠΎΠ³ΠΎ ΠΎΠ±ΡΠ΅ΠΌΠ° ΠΈ ΡΠΎΠ²ΠΌΠ΅ΡΡΠΈΠΌΠ° Ρ ΡΠ΅ΠΌΠΈ ΠΆΠ΅ ΡΡΠ°Π½ΡΠΌΠΈΡΡΠΈΡΠΌΠΈ, ΡΡΠ°Π½ΡΠΌΠΈΡΡΠΈΡΠΌΠΈ ΠΈ ΡΠΈΡΡΠ΅ΠΌΠ°ΠΌΠΈ ΠΎΡ
Π»Π°ΠΆΠ΄Π΅Π½ΠΈΡ.
ΠΡΠ΅ ΠΎΠ΄Π½ΠΈΠΌ ΠΏΡΠ΅ΠΈΠΌΡΡΠ΅ΡΡΠ²ΠΎΠΌ B6.7H ΡΠ²Π»ΡΠ΅ΡΡΡ Π·Π½Π°ΡΠΈΡΠ΅Π»ΡΠ½ΠΎ Π±ΠΎΠ»Π΅Π΅ ΡΠΈΡ
Π°Ρ ΡΠ°Π±ΠΎΡΠ° ΠΏΠΎ ΡΡΠ°Π²Π½Π΅Π½ΠΈΡ Ρ Π΄ΠΈΠ·Π΅Π»ΡΠ½ΡΠΌ Π΄Π²ΠΈΠ³Π°ΡΠ΅Π»Π΅ΠΌ.
ΠΠΆΠΈΠΌ ΠΠ΅Π±Π΅ΡΠ³Π°Π»Π», Π³Π΅Π½Π΅ΡΠ°Π»ΡΠ½ΡΠΉ ΠΌΠ΅Π½Π΅Π΄ΠΆΠ΅Ρ Cummins ΠΏΠΎ Π²ΠΎΠ΄ΠΎΡΠΎΠ΄Π½ΡΠΌ Π΄Π²ΠΈΠ³Π°ΡΠ΅Π»ΡΠΌ, ΠΏΡΠΎΠΊΠΎΠΌΠΌΠ΅Π½ΡΠΈΡΠΎΠ²Π°Π»: Β«Cummins ΠΏΠΎ-ΠΏΡΠ΅ΠΆΠ½Π΅ΠΌΡ ΠΏΡΠΎΡΠ²Π»ΡΠ΅Ρ Π±ΠΎΠ»ΡΡΠΎΠΉ ΠΈΠ½ΡΠ΅ΡΠ΅Ρ ΠΊ h3-ICE Π½Π° ΠΌΠΈΡΠΎΠ²ΠΎΠΌ ΡΡΠ½ΠΊΠ΅. ΠΠΎΠ»Π½Π΅Π½ΠΈΠ΅ ΠΏΡΠΎΡΠ²Π»ΡΠ΅ΡΡΡ Π² Π½Π΅Π΄Π°Π²Π½Π΅ΠΌ Π½Π°ΠΌΠ΅ΡΠ΅Π½ΠΈΠΈ Π·Π°ΠΊΠ°Π·Π°ΡΡ ΠΎΠ±ΡΡΠ²Π»Π΅Π½ΠΈΡ Ρ ΠΊΡΡΠΏΠ½ΡΡ Π°ΠΌΠ΅ΡΠΈΠΊΠ°Π½ΡΠΊΠΈΡ ΠΎΠΏΠ΅ΡΠ°ΡΠΎΡΠΎΠ² Π°Π²ΡΠΎΠΌΠΎΠ±ΠΈΠ»ΡΠ½ΡΡ Π΄ΠΎΡΠΎΠ³ Werner Enterprises ΠΈ Transport Enterprise Leasing (TEL), Π° ΡΠ°ΠΊΠΆΠ΅ Ρ ΠΏΡΠΎΠΈΠ·Π²ΠΎΠ΄ΠΈΡΠ΅Π»Ρ ΡΠ΅Π»ΡΡΠΊΠΎΡ ΠΎΠ·ΡΠΉΡΡΠ²Π΅Π½Π½ΡΡ ΡΡΠ°ΠΊΡΠΎΡΠΎΠ² Versatile. ΠΡΠ° ΠΏΡΠ°ΠΊΡΠΈΡΠ΅ΡΠΊΠ°Ρ ΡΠ΅Ρ Π½ΠΎΠ»ΠΎΠ³ΠΈΡ ΠΎΠ±Π΅Π·ΡΠ³Π»Π΅ΡΠΎΠΆΠΈΠ²Π°Π½ΠΈΡ Π½Π°Π±ΠΈΡΠ°Π΅Ρ ΠΎΠ±ΠΎΡΠΎΡΡ, ΠΈ Ρ ΡΠ²Π΅ΡΠ΅Π½, ΡΡΠΎ ΠΎΠ½Π° Π±ΡΠ΄Π΅Ρ Π΅ΡΠ΅ Π±ΠΎΠ»ΡΡΠ΅ ΡΡΠΈΠ»Π΅Π½Π° Π½Π° Π²ΡΡΡΠ°Π²ΠΊΠ΅ IAA, ΠΊΠΎΠ³Π΄Π° Π½Π°ΡΠ΅ ΠΏΠ΅ΡΠ΅ΠΎΠ±ΠΎΡΡΠ΄ΠΎΠ²Π°Π½ΠΈΠ΅ Π³ΡΡΠ·ΠΎΠ²ΠΈΠΊΠΎΠ² h3-ICE ΠΏΡΠΈΠ²Π»Π΅ΡΠ΅Ρ Π²ΡΠ΅ΠΎΠ±ΡΠ΅Π΅ Π²Π½ΠΈΠΌΠ°Π½ΠΈΠ΅Β».
ΠΡΡΠΎΠΊΠΎΠΏΡΠΎΠΈΠ·Π²ΠΎΠ΄ΠΈΡΠ΅Π»ΡΠ½ΠΎΠ΅ Ρ ΡΠ°Π½ΠΈΠ»ΠΈΡΠ΅ Π²ΠΎΠ΄ΠΎΡΠΎΠ΄Π°
ΠΠ°ΡΡΠ½Π΅ΡΡΡΠ²ΠΎ Cummins ΡΠΎ ΡΠΏΠ΅ΡΠΈΠ°Π»ΠΈΡΡΠΎΠΌ ΠΏΠΎ Ρ
ΡΠ°Π½Π΅Π½ΠΈΡ Π²ΠΎΠ΄ΠΎΡΠΎΠ΄Π° NPROXX ΠΏΡΠ΅Π΄ΠΎΡΡΠ°Π²ΠΈΠ»ΠΎ Π²Π°ΠΆΠ½ΡΠΉ ΡΠ΅ΡΡΡΡ Ρ ΡΠΎΡΠΊΠΈ Π·ΡΠ΅Π½ΠΈΡ ΠΈΠ½ΡΠ΅Π³ΡΠ°ΡΠΈΠΈ Π²ΠΎΠ΄ΠΎΡΠΎΠ΄Π½ΡΡ
ΡΠ΅Π·Π΅ΡΠ²ΡΠ°ΡΠΎΠ², ΡΠ°Π±ΠΎΡΠ°ΡΡΠΈΡ
ΠΏΡΠΈ Π±ΠΎΠ»Π΅Π΅ Π²ΡΡΠΎΠΊΠΎΠΌ ΡΠ°Π±ΠΎΡΠ΅ΠΌ Π΄Π°Π²Π»Π΅Π½ΠΈΠΈ 700 Π±Π°Ρ, Π΄Π»Ρ ΡΠ²Π΅Π»ΠΈΡΠ΅Π½ΠΈΡ Π΅ΠΌΠΊΠΎΡΡΠΈ Ρ
ΡΠ°Π½Π΅Π½ΠΈΡ ΡΠΎΠΏΠ»ΠΈΠ²Π°.
Π¨Π°ΡΡΠΈ Π²ΠΌΠ΅ΡΠ°Π΅Ρ ΡΠ΄Π²ΠΎΠ΅Π½Π½ΡΠ΅ ΡΠΎΠΏΠ»ΠΈΠ²Π½ΡΠ΅ Π±Π°ΠΊΠΈ ΠΎΠ±ΡΠ΅ΠΉ Π΅ΠΌΠΊΠΎΡΡΡΡ ΠΎΠΊΠΎΠ»ΠΎ 40 ΠΊΠ³ Π²ΠΎΠ΄ΠΎΡΠΎΠ΄Π°, Π° ΡΠ°ΠΊΠΆΠ΅ ΠΎΡΡΠ°Π΅ΡΡΡ ΠΌΠ΅ΡΡΠΎ Π΄Π»Ρ ΡΡΡΠ°Π½ΠΎΠ²ΠΊΠΈ Π²ΡΠΏΠΎΠΌΠΎΠ³Π°ΡΠ΅Π»ΡΠ½ΠΎΠ³ΠΎ Π±Π°ΠΊΠ° ΠΎΠΊΠΎΠ»ΠΎ 10 ΠΊΠ³.
ΠΠ°ΠΊΠΈ Ρ Π²ΠΎΠ΄ΠΎΡΠΎΠ΄ΠΎΠΌ ΡΡΡΡΠΊΡΡΡΠ½ΠΎ ΡΡΠΈΠ»Π΅Π½Ρ ΡΠ³Π»Π΅ΡΠΎΠ΄Π½ΡΠΌ Π²ΠΎΠ»ΠΎΠΊΠ½ΠΎΠΌ, ΡΡΠΎΠ±Ρ ΠΎΠ±Π΅ΡΠΏΠ΅ΡΠΈΡΡ ΠΏΡΠ΅Π²ΠΎΡΡ ΠΎΠ΄Π½ΠΎΠ΅ ΡΠΎΠΎΡΠ½ΠΎΡΠ΅Π½ΠΈΠ΅ ΠΏΡΠΎΡΠ½ΠΎΡΡΠΈ ΠΈ Π²Π΅ΡΠ°. ΠΠΌΠ΅ΡΡΠΈΡΠ΅Π»ΡΠ½ΡΠΉ ΡΠΎΠΏΠ»ΠΈΠ²Π½ΡΠΉ Π±Π°ΠΊ Π² ΡΠΎΡΠ΅ΡΠ°Π½ΠΈΠΈ Ρ ΡΠ½Π΅ΡΠ³ΠΎΡΡΡΠ΅ΠΊΡΠΈΠ²Π½ΠΎΡΡΡΡ ΡΠΈΡΡΠ΅ΠΌΡ ΡΠ³ΠΎΡΠ°Π½ΠΈΡ Ρ Π½Π΅ΠΏΠΎΡΡΠ΅Π΄ΡΡΠ²Π΅Π½Π½ΡΠΌ Π²ΠΏΡΡΡΠΊΠΎΠΌ ΠΏΠΎΠ·Π²ΠΎΠ»ΡΠ΅Ρ Π³ΡΡΠ·ΠΎΠ²ΠΈΠΊΡ Ρ Π΄Π²ΠΈΠ³Π°ΡΠ΅Π»Π΅ΠΌ B6.7H ΠΏΡΠΎΠ΅Ρ Π°ΡΡ Π΄ΠΎ 500 ΠΊΠΈΠ»ΠΎΠΌΠ΅ΡΡΠΎΠ², ΡΡΠΎ Π΄ΠΎΡΡΠ°ΡΠΎΡΠ½ΠΎ Π΄Π»Ρ Π±ΠΎΠ»ΡΡΠΈΠ½ΡΡΠ²Π° Π³ΡΡΠ·ΠΎΠ²ΠΈΠΊΠΎΠ² ΡΡΠ΅Π΄Π½Π΅ΠΉ Π³ΡΡΠ·ΠΎΠΏΠΎΠ΄ΡΠ΅ΠΌΠ½ΠΎΡΡΠΈ ΠΈ Π·Π½Π°ΡΠΈΡΠ΅Π»ΡΠ½ΠΎ Π±ΠΎΠ»ΡΡΠ΅, ΡΠ΅ΠΌ ΡΠ»Π΅ΠΊΡΡΠΈΡΠ΅ΡΠΊΠΈΠΉ Π³ΡΡΠ·ΠΎΠ²ΠΈΠΊ ΡΠΎΠΏΠΎΡΡΠ°Π²ΠΈΠΌΠΎΠ³ΠΎ ΡΠ°Π·ΠΌΠ΅ΡΠ° Ρ ΠΏΠΈΡΠ°Π½ΠΈΠ΅ΠΌ ΠΎΡ Π°ΠΊΠΊΡΠΌΡΠ»ΡΡΠΎΡΠ½ΠΎΠΉ Π±Π°ΡΠ°ΡΠ΅ΠΈ.
ΠΠΎΠ΄ΡΠ»Ρ ΡΠΏΡΠ°Π²Π»Π΅Π½ΠΈΡ ΠΏΠΎΠ΄Π°ΡΠ΅ΠΉ ΡΠΎΠΏΠ»ΠΈΠ²Π°, ΡΠ°Π·ΡΠ°Π±ΠΎΡΠ°Π½Π½ΡΠΉ Cummins, ΠΎΠ±ΡΠ΅Π΄ΠΈΠ½ΡΠ΅Ρ ΡΠΎΡΠΊΡ Π·Π°ΠΏΡΠ°Π²ΠΊΠΈ Π²ΠΎΠ΄ΠΎΡΠΎΠ΄Π½ΡΠΌ ΡΠΎΠΏΠ»ΠΈΠ²ΠΎΠΌ, ΡΠΈΡΡΠ΅ΠΌΡ ΡΠΈΠ»ΡΡΡΠ°ΡΠΈΠΈ ΠΈ ΡΠ°ΡΠΏΡΠ΅Π΄Π΅Π»Π΅Π½ΠΈΡ ΡΠΎΠΏΠ»ΠΈΠ²Π° Π² ΠΎΠ΄Π½ΠΎΠΌ Π±Π»ΠΎΠΊΠ΅ Ρ Π»Π΅Π³ΠΊΠΈΠΌ Π΄ΠΎΡΡΡΠΏΠΎΠΌ. ΠΠΎ ΠΎΡΠ΅Π½ΠΊΠ°ΠΌ, Π·Π°ΠΏΡΠ°Π²ΠΊΠ° Π³ΡΡΠ·ΠΎΠ²ΠΈΠΊΠ° Π²ΠΎΠ΄ΠΎΡΠΎΠ΄Π½ΡΠΌ Π³Π°Π·ΠΎΠΎΠ±ΡΠ°Π·Π½ΡΠΌ ΡΠΎΠΏΠ»ΠΈΠ²ΠΎΠΌ Π·Π°Π½ΠΈΠΌΠ°Π΅Ρ Π²ΡΠ΅Π³ΠΎ 10 ΠΌΠΈΠ½ΡΡ. Π Π°Π·ΡΠ°Π±ΠΎΡΠΊΠ° ΡΠ΅Ρ
Π½ΠΎΠ»ΠΎΠ³ΠΈΠΈ h3-ICE ΡΠ°ΡΡΠΈΡΡΠ΅Ρ ΠΏΠΎΡΡΡΠ΅Π»Ρ Π±Π΅Π·ΡΠ³Π»Π΅ΡΠΎΠ΄Π½ΡΡ
ΡΠ΅Ρ
Π½ΠΎΠ»ΠΎΠ³ΠΈΠΉ Cummins, ΡΠ²Π΅Π»ΠΈΡΠΈΠ²Π°Ρ Π²ΠΎΠ·ΠΌΠΎΠΆΠ½ΠΎΡΡΠΈ ΠΊΠΎΠΌΠΏΠ°Π½ΠΈΠΈ Π² ΠΎΠ±Π»Π°ΡΡΠΈ Π²ΠΎΠ΄ΠΎΡΠΎΠ΄Π½ΡΡ
ΡΠΎΠΏΠ»ΠΈΠ²Π½ΡΡ
ΡΠ»Π΅ΠΌΠ΅Π½ΡΠΎΠ², Π°ΠΊΠΊΡΠΌΡΠ»ΡΡΠΎΡΠ½ΡΡ
ΡΠ»Π΅ΠΊΡΡΠΈΡΠ΅ΡΠΊΠΈΡ
ΡΠΈΡΡΠ΅ΠΌ, ΡΠΈΠ»ΠΎΠ²ΡΡ
Π°Π³ΡΠ΅Π³Π°ΡΠΎΠ², ΡΠ°Π±ΠΎΡΠ°ΡΡΠΈΡ
Π½Π° Π²ΠΎΠ·ΠΎΠ±Π½ΠΎΠ²Π»ΡΠ΅ΠΌΠΎΠΌ ΠΏΡΠΈΡΠΎΠ΄Π½ΠΎΠΌ Π³Π°Π·Π΅, ΡΠ»Π΅ΠΊΡΡΠΎΠ½Π½ΡΡ
ΡΠΈΠ»ΠΎΠ²ΡΡ
Π°Π³ΡΠ΅Π³Π°ΡΠΎΠ² ΠΈ ΠΏΡΠΎΠΈΠ·Π²ΠΎΠ΄ΡΡΠ²Π° ΡΠΊΠΎΠ»ΠΎΠ³ΠΈΡΠ΅ΡΠΊΠΈ ΡΠΈΡΡΠΎΠ³ΠΎ Π²ΠΎΠ΄ΠΎΡΠΎΠ΄Π° ΠΈΠ· ΡΠ»Π΅ΠΊΡΡΠΎΠ»ΠΈΠ·Π΅ΡΠΎΠ² PEM.
ΠΠ»Π°ΡΡΠΎΡΠΌΡ, Π½Π΅ Π·Π°Π²ΠΈΡΡΡΠΈΠ΅ ΠΎΡ ΡΠΎΠΏΠ»ΠΈΠ²Π°
ΠΠΎΠ΄ΠΎΡΠΎΠ΄Π½ΡΠΉ Π΄Π²ΠΈΠ³Π°ΡΠ΅Π»Ρ B6.7H Π±ΡΠ΄Π΅Ρ ΠΏΡΠ΅Π΄ΡΡΠ°Π²Π»Π΅Π½ Π½Π° Π²ΡΡΡΠ°Π²ΠΊΠ΅ Cummins Π½Π° Π²ΡΡΡΠ°Π²ΠΊΠ΅ IAA Π²ΠΌΠ΅ΡΡΠ΅ Ρ Π²ΠΎΠ΄ΠΎΡΠΎΠ΄Π½ΡΠΌ Π΄Π²ΠΈΠ³Π°ΡΠ΅Π»Π΅ΠΌ X15H, ΡΡΠΎ ΠΏΠΎΠ·Π²ΠΎΠ»ΠΈΡ ΠΎΠ±Π΅ΡΠΏΠ΅ΡΠΈΡΡ Π±Π΅Π·ΡΠ³Π»Π΅ΡΠΎΠ΄Π½ΡΡ Π²ΠΎΠ΄ΠΎΡΠΎΠ΄Π½ΡΡ ΡΠ½Π΅ΡΠ³ΠΈΡ Π΄Π»Ρ Π³ΡΡΠ·ΠΎΠ²ΠΈΠΊΠΎΠ² Π΄Π°Π»ΡΠ½Π΅Π³ΠΎ ΡΠ»Π΅Π΄ΠΎΠ²Π°Π½ΠΈΡ ΠΏΠΎΠ»Π½ΠΎΠΉ ΠΌΠ°ΡΡΠΎΠΉ Π΄ΠΎ 44 ΡΠΎΠ½Π½. , Ρ ΠΌΠ°ΠΊΡΠΈΠΌΠ°Π»ΡΠ½ΠΎΠΉ ΠΌΠΎΡΠ½ΠΎΡΡΡΡ 530 Π»Ρ 395 ΠΊΠΡ) ΠΈ Π²ΠΏΠ΅ΡΠ°ΡΠ»ΡΡΡΠΈΠΌ ΠΏΠΈΠΊΠΎΠ²ΡΠΌ ΠΊΡΡΡΡΡΠΈΠΌ ΠΌΠΎΠΌΠ΅Π½ΡΠΎΠΌ 2600 ΠΠΌ. ΠΠΎ ΠΎΡΠ΅Π½ΠΊΠ°ΠΌ, Π±ΠΎΠ»ΡΡΠ΅Π³ΡΡΠ·Π½ΡΠΉ Π³ΡΡΠ·ΠΎΠ²ΠΈΠΊ Ρ ΡΠΈΡΡΠ΅ΠΌΠΎΠΉ Ρ ΡΠ°Π½Π΅Π½ΠΈΡ Π²ΠΎΠ΄ΠΎΡΠΎΠ΄Π½ΠΎΠ³ΠΎ ΡΠΎΠΏΠ»ΠΈΠ²Π° Π±ΠΎΠ»ΡΡΠΎΠΉ Π΅ΠΌΠΊΠΎΡΡΠΈ ΠΈ Π΄Π²ΠΈΠ³Π°ΡΠ΅Π»Π΅ΠΌ X15H ΡΠΌΠΎΠΆΠ΅Ρ ΠΏΡΠΎΠ΅Ρ Π°ΡΡ Π±ΠΎΠ»Π΅Π΅ 1000 ΠΊΠΈΠ»ΠΎΠΌΠ΅ΡΡΠΎΠ².
Π‘Π»Π΅Π΄ΡΡΡΠ΅Π΅ ΠΏΠΎΠΊΠΎΠ»Π΅Π½ΠΈΠ΅ 15-Π»ΠΈΡΡΠΎΠ²ΠΎΠ³ΠΎ Π΄Π²ΠΈΠ³Π°ΡΠ΅Π»Ρ ΡΠ»Π΅Π΄ΡΠ΅Ρ Π·Π° 6,7-Π»ΠΈΡΡΠΎΠ²ΡΠΌ Π΄Π²ΠΈΠ³Π°ΡΠ΅Π»Π΅ΠΌ, ΡΠΎΠ·Π΄Π°Π½Π½ΡΠΌ Π½Π° ΠΏΠ»Π°ΡΡΠΎΡΠΌΠ΅ Cummins, Π½Π΅ Π·Π°Π²ΠΈΡΡΡΠ΅ΠΉ ΠΎΡ ΡΠΎΠΏΠ»ΠΈΠ²Π°, ΠΏΡΠ΅Π΄Π»Π°Π³Π°ΡΡΠ΅ΠΉ ΠΏΡΠ΅ΠΈΠΌΡΡΠ΅ΡΡΠ²Π° ΠΎΠ±ΡΠ΅ΠΉ Π±Π°Π·ΠΎΠ²ΠΎΠΉ Π°ΡΡ ΠΈΡΠ΅ΠΊΡΡΡΡ ΠΈ Π²ΠΎΠ·ΠΌΠΎΠΆΠ½ΠΎΡΡΠΈ ΠΈΡΠΏΠΎΠ»ΡΠ·ΠΎΠ²Π°Π½ΠΈΡ ΡΠΎΠΏΠ»ΠΈΠ²Π° Ρ Π½ΠΈΠ·ΠΊΠΈΠΌ ΠΈΠ»ΠΈ Π½ΡΠ»Π΅Π²ΡΠΌ ΡΠΎΠ΄Π΅ΡΠΆΠ°Π½ΠΈΠ΅ΠΌ ΡΠ³Π»Π΅ΡΠΎΠ΄Π°, Ρ ΡΡΠΎΠ²Π΅ΡΡΠ΅Π½ΡΡΠ²ΠΎΠ²Π°Π½Π½ΡΠΌ Π΄ΠΈΠ·Π΅Π»ΡΠ½ΡΠΌ Π΄Π²ΠΈΠ³Π°ΡΠ΅Π»Π΅ΠΌ, ΠΏΡΠΈΡΠΎΠ΄Π½ΡΠΌ Π³Π°Π·ΠΎΠΌ ΠΈ Π²ΠΎΠ΄ΠΎΡΠΎΠ΄ΠΎΠΌ. Π²Π°ΡΠΈΠ°Π½ΡΡ.
Π ΠΊΠΎΠΌΠΏΠ°Π½ΠΈΠΈ Cummins Inc.
Cummins Inc., ΠΌΠΈΡΠΎΠ²ΠΎΠΉ Π»ΠΈΠ΄Π΅Ρ Π² ΠΎΠ±Π»Π°ΡΡΠΈ ΡΠ½Π΅ΡΠ³Π΅ΡΠΈΡΠ΅ΡΠΊΠΈΡ
ΡΠ΅Ρ
Π½ΠΎΠ»ΠΎΠ³ΠΈΠΉ, ΠΏΡΠ΅Π΄ΡΡΠ°Π²Π»ΡΠ΅Ρ ΡΠΎΠ±ΠΎΠΉ ΠΊΠΎΡΠΏΠΎΡΠ°ΡΠΈΡ, ΠΎΠ±ΡΠ΅Π΄ΠΈΠ½ΡΡΡΡΡ Π΄ΠΎΠΏΠΎΠ»Π½ΡΡΡΠΈΠ΅ Π΄ΡΡΠ³ Π΄ΡΡΠ³Π° Π±ΠΈΠ·Π½Π΅Ρ-ΡΠ΅Π³ΠΌΠ΅Π½ΡΡ, ΠΊΠΎΡΠΎΡΡΠ΅ ΡΠ°Π·ΡΠ°Π±Π°ΡΡΠ²Π°ΡΡ, ΠΏΡΠΎΠΈΠ·Π²ΠΎΠ΄ΡΡ, ΡΠ°ΡΠΏΡΠΎΡΡΡΠ°Π½ΡΡΡ ΠΈ ΠΎΠ±ΡΠ»ΡΠΆΠΈΠ²Π°ΡΡ ΡΠΈΡΠΎΠΊΠΈΠΉ Π°ΡΡΠΎΡΡΠΈΠΌΠ΅Π½Ρ ΡΠ΅ΡΠ΅Π½ΠΈΠΉ Π² ΠΎΠ±Π»Π°ΡΡΠΈ ΡΠ½Π΅ΡΠ³Π΅ΡΠΈΠΊΠΈ.
ΠΡΡΠΎΡΡΠΈΠΌΠ΅Π½Ρ ΠΏΡΠΎΠ΄ΡΠΊΡΠΈΠΈ ΠΊΠΎΠΌΠΏΠ°Π½ΠΈΠΈ Π²Π°ΡΡΠΈΡΡΠ΅ΡΡΡ ΠΎΡ Π΄Π²ΠΈΠ³Π°ΡΠ΅Π»Π΅ΠΉ Π²Π½ΡΡΡΠ΅Π½Π½Π΅Π³ΠΎ ΡΠ³ΠΎΡΠ°Π½ΠΈΡ, ΡΠ»Π΅ΠΊΡΡΠΈΡΠ΅ΡΠΊΠΈΡ
ΠΈ Π³ΠΈΠ±ΡΠΈΠ΄Π½ΡΡ
ΠΈΠ½ΡΠ΅Π³ΡΠΈΡΠΎΠ²Π°Π½Π½ΡΡ
ΡΠ½Π΅ΡΠ³Π΅ΡΠΈΡΠ΅ΡΠΊΠΈΡ
ΡΠ΅ΡΠ΅Π½ΠΈΠΉ Π΄ΠΎ ΠΊΠΎΠΌΠΏΠΎΠ½Π΅Π½ΡΠΎΠ², Π²ΠΊΠ»ΡΡΠ°Ρ ΡΠΈΠ»ΡΡΡΠ°ΡΠΈΡ, Π΄ΠΎΠΎΡΠΈΡΡΠΊΡ, ΡΡΡΠ±ΠΎΠΊΠΎΠΌΠΏΡΠ΅ΡΡΠΎΡΡ, ΡΠΎΠΏΠ»ΠΈΠ²Π½ΡΠ΅ ΡΠΈΡΡΠ΅ΠΌΡ, ΡΠΈΡΡΠ΅ΠΌΡ ΡΠΏΡΠ°Π²Π»Π΅Π½ΠΈΡ, ΡΠΈΡΡΠ΅ΠΌΡ ΠΎΠ±ΡΠ°Π±ΠΎΡΠΊΠΈ Π²ΠΎΠ·Π΄ΡΡ
Π°, Π°Π²ΡΠΎΠΌΠ°ΡΠΈΡΠ΅ΡΠΊΠΈΠ΅ ΡΡΠ°Π½ΡΠΌΠΈΡΡΠΈΠΈ, ΡΠΈΡΡΠ΅ΠΌΡ Π²ΡΡΠ°Π±ΠΎΡΠΊΠΈ ΡΠ»Π΅ΠΊΡΡΠΎΡΠ½Π΅ΡΠ³ΠΈΠΈ, ΡΠ»Π΅ΠΌΠ΅Π½ΡΡ ΡΠΏΡΠ°Π²Π»Π΅Π½ΠΈΡ ΠΌΠΈΠΊΡΠΎΡΠ΅ΡΡΠΌΠΈ, Π°ΠΊΠΊΡΠΌΡΠ»ΡΡΠΎΡΡ, ΡΠ»Π΅ΠΊΡΡΠΎΠ»ΠΈΠ·Π΅ΡΡ ΠΈ ΡΠΎΠΏΠ»ΠΈΠ²Π½ΡΠ΅ ΡΠ»Π΅ΠΌΠ΅Π½ΡΡ. ΠΏΡΠΎΠ΄ΡΠΊΡΡ.
Π‘ΠΎ ΡΡΠ°Π±-ΠΊΠ²Π°ΡΡΠΈΡΠΎΠΉ Π² ΠΠΎΠ»ΡΠΌΠ±ΡΡΠ΅, ΡΡΠ°Ρ ΠΠ½Π΄ΠΈΠ°Π½Π° (Π‘Π¨Π), Ρ ΠΌΠΎΠΌΠ΅Π½ΡΠ° ΠΎΡΠ½ΠΎΠ²Π°Π½ΠΈΡ Π² 1919 Π³ΠΎΠ΄Ρ Π² ΠΊΠΎΠΌΠΏΠ°Π½ΠΈΠΈ Cummins ΡΠ°Π±ΠΎΡΠ°Π΅Ρ ΠΎΠΊΠΎΠ»ΠΎ 59 900 ΡΠ΅Π»ΠΎΠ²Π΅ΠΊ, ΠΊΠΎΡΠΎΡΡΠ΅ ΡΡΡΠ΅ΠΌΡΡΡΡ ΡΠ΄Π΅Π»Π°ΡΡ ΠΌΠΈΡ Π±ΠΎΠ»Π΅Π΅ ΠΏΡΠΎΡΠ²Π΅ΡΠ°ΡΡΠΈΠΌ Π±Π»Π°Π³ΠΎΠ΄Π°ΡΡ ΡΡΠ΅ΠΌ Π³Π»ΠΎΠ±Π°Π»ΡΠ½ΡΠΌ ΠΏΡΠΈΠΎΡΠΈΡΠ΅ΡΠ°ΠΌ ΠΊΠΎΡΠΏΠΎΡΠ°ΡΠΈΠ²Π½ΠΎΠΉ ΠΎΡΠ²Π΅ΡΡΡΠ²Π΅Π½Π½ΠΎΡΡΠΈ, ΠΈΠΌΠ΅ΡΡΠΈΠΌ ΡΠ΅ΡΠ°ΡΡΠ΅Π΅ Π·Π½Π°ΡΠ΅Π½ΠΈΠ΅ Π΄Π»Ρ Π·Π΄ΠΎΡΠΎΠ²ΠΎΠ³ΠΎ ΠΎΠ±ΡΠ΅ΡΡΠ²Π°: ΠΎΠ±ΡΠ°Π·ΠΎΠ²Π°Π½ΠΈΠ΅, ΠΎΠΊΡΡΠΆΠ°ΡΡΠ°Ρ ΡΡΠ΅Π΄Π° ΠΈ ΡΠ°Π²Π΅Π½ΡΡΠ²ΠΎ Π²ΠΎΠ·ΠΌΠΎΠΆΠ½ΠΎΡΡΠ΅ΠΉ. Cummins ΠΎΠ±ΡΠ»ΡΠΆΠΈΠ²Π°Π΅Ρ ΡΠ²ΠΎΠΈΡ
ΠΊΠ»ΠΈΠ΅Π½ΡΠΎΠ² Π² ΡΠ΅ΠΆΠΈΠΌΠ΅ ΠΎΠ½Π»Π°ΠΉΠ½, ΡΠ΅ΡΠ΅Π· ΡΠ΅ΡΡ ΠΏΡΠΈΠ½Π°Π΄Π»Π΅ΠΆΠ°ΡΠΈΡ
ΠΊΠΎΠΌΠΏΠ°Π½ΠΈΠΈ ΠΈ Π½Π΅Π·Π°Π²ΠΈΡΠΈΠΌΡΡ
Π΄ΠΈΡΡΡΠΈΠ±ΡΡΡΠΎΡΡΠΊΠΈΡ
ΡΠ΅Π½ΡΡΠΎΠ², Π° ΡΠ°ΠΊΠΆΠ΅ ΡΠ΅ΡΠ΅Π· ΡΡΡΡΡΠΈ Π΄ΠΈΠ»Π΅ΡΡΠΊΠΈΡ
ΡΠ΅Π½ΡΡΠΎΠ² ΠΏΠΎ Π²ΡΠ΅ΠΌΡ ΠΌΠΈΡΡ ΠΈ Π·Π°ΡΠ°Π±ΠΎΡΠ°Π»Π° ΠΎΠΊΠΎΠ»ΠΎ 2,1 ΠΌΠ»ΡΠ΄ Π΄ΠΎΠ»Π»Π°ΡΠΎΠ² Π‘Π¨Π ΠΏΡΠΈ ΠΏΡΠΎΠ΄Π°ΠΆΠ°Ρ
Π² ΡΠ°Π·ΠΌΠ΅ΡΠ΅ 24 ΠΌΠ»ΡΠ΄ Π΄ΠΎΠ»Π»Π°ΡΠΎΠ² Π‘Π¨Π Π² 2021 Π³ΠΎΠ΄Ρ9.


