устройство, принцип подачи топлива, классификация
Системы впрыска топлива бензиновых двигателей – это системы для дозированной подачи бензина в ДВС. Тип устройства, характеристика системы влияет на ряд важных показателей. Это экологический класс двигателя, его мощность, топливная эффективность.
Устройство системы впрыска бензинового двигателя может иметь различные конструктивные решения и модификации. О них мы расскажем, останавливаясь на конкретных видах систем впрыска.
Варианты топливных систем бензиновых двигателей
Впрыск топлива в воздушный поток может происходить как за счёт разрежения, так и за счёт избыточного давления. Например, в карбюраторе впрыскивание происходит за счёт разрежения, а в большинстве современных систем — за счёт избыточного давления.- центральным (например, наддроссельный впрыск),
- распределённый или коллекторный (осуществляется отдельной форсункой в предкамеру, расположенную перед впускным клапаном каждого цилиндра двигателя),
- непосредственный (осуществляется напрямую в камеры сгорания, отдельными форсунками), встречается в разных вариациях, характерен для современных автомобилей.

.
Варианты топливных систем бензиновых двигателей (R R. Bosch)
Конструктивное решение с карбюраторами
Дольше всего человечество знакомо с подачей топлива посредством карбюратора. И не потому, что такие решения лучшие, а потому что они – первые. И через множество лет это были единственно доступные системы. Карбюратор был неотъемлемой частью топливной системы на протяжении сотни лет. Нельзя сказать, что сейчас карбюраторы полностью исчезли из жизни, но на легковой и коммерческий транспорт карбюраторы ставить перестали. Их можно увидеть только на средствах малой механизации, которые применяются для садовых, строительных работ.
Автопром же перестал выпускать машины с карбюраторной системой еще в 90-е годы прошлого века.
Принцип их действия основан на всасывании топлива в поток воздуха, проходящего через сужение карбюратора. увеличение скорости движения воздуха в месте сужения воздушного канала формирует разрежение воздуха.
Объём воздуха, который проходит через сужение воздушного канала, пропорционален объёму топлива, поступающего через распылитель карбюратора. Благодаря этому несложно в автоматическом режиме поддерживать требуемое отношение топлива к воздуху.
.
Как работает устройство?
- Топливо из бака выбирает насос (управляемый механически или электрически – в зависимости от модели).
- ДВС запускается, и поток воздуха, проходящий через сужение воздушного канала карбюратора, создает разрежение.
- В смесительную камеру карбюратора поступает топливо.
- Жиклер (калиброванное отверстие) дозирует топливо.
Здесь достаточно много причин:
- Низкая экономичность, а соответственно, и низкий уровень топливной эффективности.
- Проблемы при переменных режимах работы, снижающие динамические качества- автомобиля.
- Прямая зависимость от расположения двигателя в автомобиле.

- Выброс в окружающую среду большого количества вредных веществ (несоответствие нормативам эмиссии газообразных вредных выбросов в атмосферу).
Моновпрыск
На смену карбюратору пришла система так называемого «над дроссельного впрыска» топлива. Она также известна как моновпрыск или система центрального впрыска.
Принцип базируется на впрыске топлива одной форсункой, установленной на впускном коллекторе двигателя.
Самыми популярными конструкциями системы центрального впрыска являются решения Mono-Jetronic от R. R. Bosch и Opel-Multec (как нетрудно догадаться из названия, это решение корпорации Opel).
Появление моновпрыска приходится на середину 70-х годов 20-го века. В то время системой Mono-Jetronic стали оснащать автомобили Volkswagen и Audi.
Главной задачей при разработке моновпрыска стало нахождение альтернативы карбюраторной системе впрыска. Важно было найти более эффективную систему топливоподачи, которая смогла бы удовлетворить возросшим экологическим требованиям.
Mono-Jetronic: конструктивные элементы
- Регулятор давления. Способен поддержать на стабильном уровне рабочее давление в системе впрыска, а после выключения ДВС сохранить остаточное давление в системе . Это важно для облегчения пуска, создание барьеров против образования паровых пробок.
- Электромагнитный клапан (форсунка). Обеспечивает импульсный впрыск топлива. Управление клапаном осуществляется посредством электросигнала. Он идёт от блока управления.
- Дроссельная заслонка. Регулятор объема поступающего воздуха.
- Привод. Он ответственный за работу дроссельной заслонки.
- Электронный блок управления. «Мозг», синхронизатор.
Распределённый впрыск
В 70-е годы появились и системы распределительного впрыска, основанные на подаче топлива отдельной форсункой в предкамеру, расположенную перед впускным клапаном каждого цилиндра двигателя.
Впрыск может быть при этом может быть как импульсным, так и непрерывным.
Мы остановимся на решении K-Jetronic производителя Robert R. Bosch с непрерывным впрыском. K-Jetroniс активно присутствовала на рынке с 1973-го по 1995 годы. Сначала K-Jetroniс выпускалась с механической системой дозирования. С 1982 года — с электронной начинкой и электронным управлением дозирования. Начиная с версий (модификаций) с электронным управлением система стала называться KE-Jetroniс.
Экономические характеристики автомобилей, их уровень топливной эффективности был существенно улучшен, уровень выбросов вредных веществ в выхлопе также снизился.
В системах K/KE-Jetronic впрыск топлива осуществлялся непрерывно в смесительную камеру перед впускным клапаном. При этом количественное дозирование топлива, поступающего в поток воздуха, производилось за счет взаимосвязанных узлов «расходомер – дозатор».
Помимо дозатора-распределителя обязательный элемент решения – дроссельная заслонка, расположенная за дозатором, у первых версий были вакуумно-механические клапаны коррекции топлива(запуск клапанов в работу возможен как от терморегуляторов, так от разряжения воздуха во впускном коллекторе), в поздних модификациях появились электрические клапаны коррекции топлива.
Кроме того, системы стали оснащать кислородным датчиком (лямбда-зондом). Огромным плюсом схемотехнического решения стало то, что система впрыска могла быть оснащена катализаторам-, но к уровню надёжности были существенные вопросы.
Дискретный впрыск топлива
Новой эрой стал дискретный впрыск топлива. Первой здесь стала электронная система распределенного впрыска топлива L-Jetronic – опять-таки от R. R. Bosch. С появлением этого решения стало возможным говорить о качественной управляемости, безотказности, надёжности. Да, сразу же стало ясно, что это средний и высокий ценовой сегмент. Поэтому долгое время системы дискретного впрыска топлива сосуществовали с системами непрерывного распределительного впрыска типа K/KE-Jetronic.Но постепенно L-Jetronic обрела массовость. Её стал активно использовать практически весь европейский автопром. Явные плюсы оценили и водители, и персонал автосервиса: повысилась топливная экономичность авто. Для обслуживания перестали быть нужны сложные навыки (в первую очередь, это стало возможным за счёт того, что отпала надобность выполнять механические настройки).
L-Jetronic несколько раз модернизировалась и уверенно держалась на рынке до появления стандарта Евро-3. После чего более актуальными стали решения на основе термоанемометрических датчиков массметра (массового расхода воздуха). В частности, популярность приобрела модификация LH-Jetronic .
У новой разработки стала доступна индивидуальная регулировка подачи топлива в каждый из цилиндров
Объединяющая черта систем Mono-Jetronic, L-Jetronic, LH-Jetronic состоит в том, это все эти решения управляют только впрыском топлива, при этом для воспламенения топлива задействована система зажигания с модулем электронного управления.
Устройства, в которых система и зажигания и впрыск были синхронизированы и объединены, корпорация R.R. Bosch начала выпускать с 1979 года.
Ярким примером решения с объединёнными системами впрыска и зажигания – стала система Motronic от R.R. Bosch.
В эти годы в их конструкции входили механические расходомеры воздуха. Но вскоре вместо них стали использоваться термоанемометрические датчики-расходомеры, расширились возможности для самодиагностики.Правда, полностью удовлетворить запросам диагноста системы не могли, поскольку протокол выявления неисправностей не обладал высокой результативностью. В последующих модификациях эта проблема была успешно решена.
Но самым революционным решением Motronic стало появление датчика абсолютного давления во впускном коллекторе (MAP-sensor).
Использование MAP-сенсора в системе управления двигателем позволило готовить качественную топливовоздушную смесь, состав которой близок к желаемому, и, главное, не сложно соблюсти европейские требования к выхлопам автомобилей.
Но для выхода на американский рынок даже этого было недостаточно. По стандартам США в топливной системе должна быть обязательная система контроля утечек паров топлива из бака. Так появилось инновационное решение Motronic M5.
С ним появились все условия для того, чтобы исключить эксплуатацию автомобиля с потерявшей герметичность пробкой заливной горловины или неисправной системой вентиляции топливного бака.
Кроме того, эта система соответствует требованиям самого строгого протокола самодиагностики OBD-II/CARB.
А благодаря электроуправлению дроссельной заслонкой отлажено взаимодействие между системой управления двигателем и системой торможения.
Системы непосредственного впрыска
Особое место среди систем впрыска бензиновых двигателей получили системы непосредственного впрыска.
Их принцип действия основан на том, что топливо посредством инжектора распыляется прямо в цилиндр двигателя.
- Это важно для достижения топливной экономичности.
- Плунжерный насос. Подаёт топливо в рампу, соединённую с форсунками.
- Регулятор давления топлива. Поддерживает стабильное рабочее давление в топливной рампе. Топливная рампа. Здесь непосредственно происходит процесс распределения топлива по форсункам.

- Предохранительный клапан на рампе. Защищает рампу от предельных давлений.
- Датчик высокого давления. Замеряет давление в рампе, подаёт сигнал блоку управлением двигателя на коррекцию давления.
Согласование взаимодействия узлов осуществляется посредством электронной системы управления двигателем. От блока электронного управления поступают команды на исполнительные механизмы.
Интересная деталь! Если среди дизельных систем впрыска такие топливные системы были популярны давно, то среди бензиновых распространение получили не сразу. Причина элементарно проста: бензин в отличие от дизельного топлива является плохой смазкой, что вызывало быстрый износ» топливного насоса.
Но с развитием технологий уплотнений разработчики снова смогли заняться бензиновыми системами с прямым впрыском топлива. Система непосредственного впрыска может обеспечивать несколько видов смесеобразования: послойное, однородное (гомогенное), и стехиометрическое. Послойное смесеообразование актуально при малых и средних оборотах, стехиометрическое и гомогенное – при сверхвысоких оборотах, а также при средних и высоких нагрузках.
Самые популярные решения – с послойным смесеобразованием. Их хорошо знают по названию FSI и TFSI (у Volkswagen и у Ауди). Буква “T” в названии свидетельствуют о наличии турбокомпрессора, то есть двигатель, как именуется в просторечии — “турбирован”.
В цилиндр таких бензиновых систем впрыска поступает небольшое количество топлива. Тщательная организация потока воздуха в цилиндре (его траектория движения, подобная «кувырку) и удачно подобранное время впрыска топлива в цилиндр создают все условия, чтобы это небольшое количество топлива было подано к электродам свечи зажигания, и произошло воспламенение этой порции горючей смеси.
Почему на эту бензиновую систему впрыска не переходят повсеместно. К сожалению, актуальна такая проблема, как «турбоямы» при резком нажатии на педаль газа.
Этот недостаток полностью устранен при наличии наддувочного агрегата с электроприводом. Такие системы недёшевы. Но оперативно выйти на режим максимальной мощности, избежать «турбоям» при резком нажатии педали на газ с ними – не проблема.
Прямой впрыск SC-E актуален, например, для ряда спортивных автомобилей.
Очень высокий интерес – и к битопливным (бинарным) система с газотурбинным наддувом. При работе на бензине можно достичь очень хорошего крутящего момента.
Параметры применяемого топлива прописываются в постоянной памяти. Если нужно заменить бензин на альтернативное топливо, изменяется программа смесеобразования. Это очень удобно.
Какой впрыск лучше?
Очень часто спорят: какой впрыск лучше. Дешевле всего обойдутся решения, ориентированные на распределённый впрыск. Подкупает и то, что они не требовательны к качеству топлива.
Если вам важно, чтобы была высокая топливная эффективность при минимальных значениях вредных выбросов, однозначно стоит выбирать непосредственный впрыск. Да, эти решения дороже. Но лучше заплатить больше единожды, чем постоянно “съедать” лишнее топливо.
Кстати, дороговизна решения связана, главным образом, с тем, что производителям пришлось внести кардинальные изменения в конструкцию головок цилиндров, однако в ремонте эти двигатели значительно дороже простых и надёжных двигателей с распределённым предкамерным впрыском топлива.
Не просто изучить топливные системы, а попрактиковаться работать в поиске различных неисправностей в них вам поможет специализированный тренажёр на платформе ELECTUDE. Отличное подспорье для автомобильных механиков и диагностов.
Система впрыска
При производстве современных автомобилей используются разные системы впрыска топлива. Система впрыска (также известна, как инжекторная система), отвечает за впрыск топлива.
Необходимо отметить, что система впрыска используется и на бензиновых, и на дизельных моторах. Однако особенности их конструкции и работа имеют значительные различия.
С помощью системы впрыска в бензиновом двигателе создается однородная топливно-воздушная смесь, воспламенение которой происходит в принудительном порядке за счет искры. Если говорить о дизельных силовых агрегатах, то в этом случае подача топлива выполняется под высоким давлением, порция топлива перемешивается со сжатым нагретым воздухом и практически мгновенно воспламеняется.
Величина порции определяется давлением впрыска. Отсюда следует, что чем больше давление, тем выше мощность силового агрегата.
Система впрыска является неотъемлемой частью топливной системы машины. А форсунка (инжектор) является основным рабочим устройством любой системы впрыска.
Системы впрыска бензиновых двигателей
В зависимости от метода создания топливно-воздушной смеси, различают несколько видов систем впрыска: центральный, распределенный, непосредственный. Системы распределенного и центрального впрыска относятся к системам предварительного впрыска. Другими словами, впрыск в них выполняется во впускном коллекторе, не достигая до камеры сгорания.
Центральный впрыск (или моновпрыск) осуществляется одной форсункой, которая устанавливается во впускном коллекторе. По сути это карбюратор с форсункой. На сегодняшний день такие системы перестали производить, но и сейчас они встречаются на легковых авто.
Данная система имеет определенные преимущества: надежность и простота конструкции. Из недостатков можно назвать низкие экологические показатели и большой расход топлива.
Система распределенного впрыска (т.н. многоточечная система) – наиболее распространенная системой впрыска в бензиновых силовых установках. Подразумевает подачу топлива на каждый цилиндр посредством отдельной форсунки. Топливно-воздушная смесь создается во впускном коллекторе. Из преимуществ системы выделяют: незначительный уровень вредных выбросов, умеренное потребление топлива, не слишком требовательна к качеству топлива.
Непосредственный впрыск – данная система считается наиболее перспективной. Топливо подается в камеру сгорания каждого цилиндра. Такая система способствует созданию наиболее сбалансированного состава топливно-воздушной смеси на всех режимах работы мотора, повышает степень сжатия, обеспечивая таким образом полное сгорание смеси, повышение мощности двигателя, экономию топлива, снижение вредных выбросов.
Наряду с этим, непосредственный впрыск имеет определенные недостатки – система отличается довольно сложной конструкцией и жесткими эксплуатационными требованиями, в частности очень чувствительна к качеству топлива, особенно содержанию в нем серы.
Комбинированная система впрыска объединяет систему распределенного и непосредственного впрыска на одном ДВС. Применяется для снижения вредных выбросов в атмосферу.
На бензиновых силовых агрегатах системы впрыска могут иметь электронное и механическое управление. Наиболее совершенным считается электронное управление, поскольку обеспечивает ощутимую экономию топлива и минимизирует выброс вредных веществ.
Впрыск топлива может производиться импульсивно (дискретно) или непрерывно. Если говорить об экономичности, то перспективным является импульсивный впрыск, и именно поэтому его используют все современные системы.
В силовых агрегатах система впрыска, как правило, связана с системой зажигания, образуя при этом объединенную систему впрыска и зажигания (к примеру, системы Fenix, Motronic).
А система управления двигателем обеспечивает согласованную работу этих систем.
Системы впрыска дизельных двигателей
В дизельных силовых установках впрыск топлива осуществляется двумя способами: непосредственно в камеру сгорания либо в предварительную камеру.
ДВС с впрыском топлива в предварительную камеру отличаются плавностью работы и низким уровнем шума. Однако на сегодняшний день автопроизводители отдают предпочтение именно системам непосредственного впрыска – хотя они и отличаются повышенным уровнем шума, системы обеспечивают высокую экономичность. Главным элементом конструкции системы впрыска дизельного мотора является ТНВД (топливный насос высокого давления).
Легковые машины с дизельными двигателями могут оснащаться различными конструкциями системами впрыска: с распределительным ТНВД, рядным ТНВД, Сommon Rail, насос-форсунками. Более совершенными считаются две последние системы.
В системе впрыска насос-форсунками за создание высокого давления и впрыск топлива отвечает одна деталь – насос-форсунка.
Это устройство имеет неотключаемый привод от распределительного вала силового агрегата, чем и обусловлен быстрый износ. Из-за этого недостатка автопроизводители отдают предпочтение системе Сommon Rail.
Система впрыска Сommon Rail работает по принципу подачи топлива к форсункам от общего аккумулятора высокого давления – топливной рампы (от англ. common rail – общая магистраль). Данную систему также называют аккумуляторной системой впрыска. Чтобы улучшить самовоспламенение топлива, снизить уровень шума и вредные выбросы, в системе предусмотрен поэтапный впрыск топлива:
- Предварительный;
- Основной;
- Дополнительный.
В дизельных силовых установках системы впрыска могут иметь электронное и механическое управление. С помощью электроники создана система управлением дизелем. А в механических системах регулирование объема, давления и момента подачи топлива осуществляется механическим способом.
с центральным впрыском, распределенным впрыском, непосредственным впрыском.
Система впрыска топлива
Современные автомобили оснащают разными системами с впрыском топлива. В двигателях, работающих на бензине, смесь топлива и воздуха принудительно возгорается с помощью искры.
Система с впрыском топлива является неотъемлемым элементом топливной системы автомобиля. Форсунка является главным рабочим элементом любой системы впрыска.
Бензиновые двигатели оснащаются системами с впрыском, которые различаются между собой способом образования смеси топлива с воздухом:
- системы с центральным впрыском;
- системы с распределенным впрыском;
- системы с непосредственным впрыском.
Центральный впрыск, или иначе его называют моновпрыск (Monojetronic), осуществляется одной центральной электромагнитной форсункой, которая впрыскивает топливо во впускной коллектор. Это чем-то напоминает карбюратор. Сейчас автомобили с такой системой впрыска не производятся, так как у автомобиля с такой системой наблюдается высокий расход топлива и невысокие экологические свойства автомобиля.
Система распределенного впрыска постоянно с годами совершенствовалась. Начало положила система K-jetronic. Впрыск был механическим, что давало ему хорошую надежность, но расход топлива был весьма высоким. Топливо подавалось не импульсно, а постоянно. На смену данной системы пришла система KE-jetronic.
Она ничем принципиально не отличалась от K-jetronic, но появился электронный блок управления (ЭБУ), который позволил незначительно сократить расход топлива. Но и эта система не принесла ожидаемых результатов. Появилась система L-jetronic.
В которой ЭБУ воспринимал сигналы от датчиков и направлял электромагнитный импульс на каждую форсунку. Система обладала хорошими экономическими и экологическими показателями, но конструктора не стали на этом останавливаться, и разработали совершенно новую систему Motronic.
Блок управления стал управлять и впрыском топлива, и системой зажигания. Топливо стало лучше сгорать в цилиндре, увеличилась мощность двигателя, уменьшился расход и вредные выбросы автомобиля.
Во всех этих системах представленных выше впрыск осуществляется отдельной форсункой на каждый цилиндр во впускной коллектор, где и происходит образование смеси топлива с воздухом, которая попадает в цилиндр.
Наиболее перспективной системой на сегодняшний день является система с непосредственным впрыском.
Суть данной системы заключается в том, что топливо впрыскивается сразу в камеру сгорания каждого цилиндра, и уже там смешивается с воздухом. Система определяет и подает оптимальный состав смеси в цилиндр, что обеспечивает хорошую мощность на различных режимах работы двигателя, хорошую экономичность и высокие экологические свойства двигателя.
Но с другой стороны, двигателя с данной системой впрыска обладают более высокой ценой по сравнению со своими предшественниками, из-за сложности своей конструкции. Также данная система очень требовательна к качеству топлива.
Спрашивайте в комментариях. Ответим обязательно!
Система впрыска топлива бензиновых (инжекторных) и дизельных двигателей
Содержание статьи
В современных автомобилях в бензиновых силовых установках принцип работы системы питания схож с тем, который применяется на дизелях.
В этих моторах она разделена на две – впуска и впрыска. Первая обеспечивает подачу воздуха, а вторая – топлива. Но из-за конструктивных и эксплуатационных особенностей функционирование впрыска существенно отличается от применяемого на дизелях.
Отметим, что разница в системах впрыска дизельных и бензиновых моторов все больше стирается. Для получения лучших качеств конструкторы заимствуют конструктивные решения и применяют их на разных видах систем питания.
Устройство и принцип работы инжекторной системы впрыска
Второе название систем впрыска бензиновых моторов – инжекторная. Основная ее особенность заключается в точной дозировке топлива. Достигается это путем использования в конструкции форсунок. Устройство инжекторного впрыска двигателя включает в себя две составляющие – исполнительную и управляющую.
В задачу исполнительной части входит подача бензина и его распыление. Она включает в себя не так уж и много составных элементов:
- Бак.
- Насос (электрический).

- Фильтрующий элемент (тонкой очистки).
- Топливопроводы.
- Рампа.
- Форсунки.
Но это только основные компоненты. Исполнительная составляющая может в себя включать еще ряд дополнительных узлов и деталей – регулятор давления, систему слива излишков бензина, адсорбер.
В задачу указанных элементов входит подготовка топлива и обеспечение его поступления к форсункам, которыми и осуществляется их впрыскивание.
Принцип работы исполнительной составляющей прост. При повороте ключа зажигания (на некоторых моделях – при открытии водительской двери) включается электрический насос, который качает бензин и заполняет им остальные элементы. Топливо проходит очистку и по топливопроводам поступает в рампу, которая соединяет собой форсунки. За счет насоса топливо во всей системе находится под давлением. Но его значение ниже, чем на дизелях.
Открытие форсунок осуществляется за счет электрических импульсов, подаваемых с управляющей части.
Эта составляющая системы впрыска топлива состоит из блока управления и целого комплекта следящих устройств – датчиков.
Эти датчики отслеживают показатели и параметры работы – скорость вращения коленчатого вала, количества подаваемого воздуха, температуры ОЖ, положения дросселя. Показания поступают на блок управления (ЭБУ). Он эту информацию сравнивает с данными, занесенными в память, на основе чего определяется длина электрических импульсов, подаваемых на форсунки.
Электроника, используемая в управляющей части системы впрыска топлива, нужна, чтобы высчитать время, на которое должна открыться форсунка при том или ином режиме работы силового агрегата.
Виды инжекторов
Но отметим, что это общая конструкция системы подачи бензинового мотора. Но инжекторов разработано несколько, и каждая из них обладает своими конструктивными и рабочими особенностями.
На автомобилях применяются системы впрыска двигателя:
- центрального;
- распределенного;
- непосредственного.

Центральный впрыск считается первым инжектором. Его особенность заключается в использовании только одной форсунки, которая впрыскивала бензин во впускной коллектор одновременно для всех цилиндров. Изначально он был механическим и никакой электроники в конструкции не использовалось. Если рассмотреть устройство механического инжектора, то она схожа с карбюраторной системой, с единственной разницей, что вместо карбюратора использовалась форсунка с механическим приводом. Со временем центральную подачу сделали электронной.
Сейчас этот тип не используется из-за ряда недостатков, основной из которых — неравномерность распределения топлива по цилиндрам.
Распределенный впрыск на данный момент является самой распространенной системой. Конструкция этого типа инжектора расписана выше. Ее особенность заключается в том, что топливо для каждого цилиндра подает своя форсунка.
В конструкции этого вида форсунки устанавливаются во впускном коллекторе и располагаются рядом с ГБЦ.
Распределение топлива по цилиндрам дает возможность обеспечить точную дозировку бензина.
Непосредственный впрыск сейчас является самым совершенным типом подачи бензина. В предыдущих двух типах бензин подавался в проходящий поток воздуха, и смесеобразование начинало осуществляться еще во впускном коллекторе. Этот же инжектора по конструкции копирует дизельную систему впрыска.
В инжекторе с непосредственной подачей распылители форсунок располагаются в камере сгорания. В результате компоненты топливовоздушной смеси здесь запускаются в цилиндры по отдельности, и уже в самой камере они смешиваются.
Особенность работы этого инжектора заключается в том, что для впрыскивания бензина требуется высокие показатели давления топлива. И его создание обеспечивает еще один узел, добавленный в устройство исполнительной части – насос высокого давления.
Системы питания дизельных двигателей
И дизельные системы модернизируются. Если раннее она была механической, то сейчас и дизеля оснащаются электронным управлением.
В ней используются те же датчики и блок управления, что и в бензиновом моторе.
Сейчас на автомобилях применяется три типа дизельных впрысков:
- С распределительным ТНВД.
- Common Rail.
- Насос-форсунки.
Как и в бензиновых моторах, конструкция дизельного впрыска состоит из исполнительной и управляющей частей.
Многие элементы исполнительной части те же, что и у инжекторов – бак, топливопроводы, фильтрующие элементы. Но есть и узлы, которые не встречаются на бензиновых моторах – топливоподкачивающий насос, ТНВД, магистрали для транспортировки топлива под высоким давлением.
В механических системах дизелей применялись рядные ТНВД, у которых давление топлива для каждой форсунки создавала своя отдельная плунжерная пара. Такие насосы отличались высокой надежностью, но были громоздкими. Момент впрыска и количество впрыскиваемого дизтоплива регулировалось насосом.
В двигателях, оснащаемых распределительным ТНВД, в конструкции насоса используется только одна плунжерная пара, которая качает топливо для форсунок.
Этот узел отличается компактными размерами, но ресурс его ниже, чем рядных. Применяется такая система только на легковом автотранспорте.
Common Rail считается одной из самых эффективных дизельных систем впрыска двигателя. Общая концепция ее во многом позаимствована у инжектора с раздельной подачей.
В таком дизеле моментом начала подачи и количеством топлива «заведует» электронная составляющая. Задача насоса высокого давления — только нагнетание дизтоплива и создание высокого давления. Причем дизтопливо подается не сразу на форсунки, а в рампу, соединяющую форсунки.
Насос-форсунки – еще один тип дизельного впрыска. В этой конструкции ТНВД отсутствует, а плунжерные пары, создающие давление дизтоплива, входят в устройство форсунок. Такое конструктивное решение позволяет создавать самые высокие значения давления топлива среди существующих разновидностей впрыска на дизельных агрегатах.
Напоследок отметим, что здесь приводится информация по видам впрыска двигателей обобщенно.
Чтобы разобраться с конструкцией и особенностями указанных типов, их рассматривают по отдельности.
Видео: Управление системой впрыска топлива
Системы впрыска топлива
Одноточечный впрыск топлива. Одноточечный или центральный впрыск топлива – это электроуправляемая система впрыска топлива, принцип действия которой основан на периодическом впрыскивании топлива форсункой во впускной трубопровод (Mono-Jetronic).
Многоточечный или распределенный впрыск топлива. Этот впрыск обеспечивает более оптимальную работу системы в сравнении с одноточечным. Для каждого цилиндра предусмотрена топливная форсунка, которая впрыскивает топливо непосредственно перед впускным клапаном (KE-Jetronic).
Механическая система. В такой системе количество топлива регулируется специальным устройством «дозатором», через которое топливо подается дальше к форсунке.
Форсунка же открывается автоматически при определенном давлении (K-Jetronic).
Комбинированная электронно-механическая система — базируется на механике, но оснащена электронным блоком управляющим режимами работы насоса и форсунок (KE-Jetronic).
Электронные системы впрыска – работа такой системы заключается в прерывистом впрыске топлива форсунками с электро-магнитным управлением. Количество поступившего топлива определяется временем открытия форсунки (L-Jetronic).
Чтобы обеспечить современные требования по выбросу отработавших газов в окружающую среду в современных системах многоточечного впрыска на каждый цилиндр двигателя приходится по электромагнитной форсунке, и управления каждой форсунки осуществляется индивидуально. Количество и момент впрыска топлива рассчитывается блоком управления (ECU).
Системы впрыска с непосредственным впрыском. В таких системах форсунки имеют электромагнитный привод и размещаются в каждом цилиндре.
Впрыск топлива производится в камеру сгорания. Смесеобразование происходит внутри цилиндра. Чтобы топлива качественно сгорало особое внимание уделяется процессу распыления топлива из форсунки. В впускной трубопровод подается воздух и исключается попадание топлива на стенки впускного трубопровода. Двигатель имеет возможность работать как с однородной так и с неоднородной смесью.
{jcomments on}
Впрыск – Автомобили – Коммерсантъ
Впрыск
Журнал «Коммерсантъ Автопилот» №1 от , стр. 71
 Впрыск
Продолжим рассказ о системах питания двигателя. В предыдущем номере журнала мы воздали последние почести старичку карбюратору по случаю его 100-летнего юбилея. Сейчас речь пойдет о гораздо более современных системах впрыска топлива, хотя лет им на самом деле не меньше, чем карбюратору.
Для распыления топлива и приготовления топливо-воздушной смеси в любой системе питания используется перепад давления: в карбюраторе он образуется за счет создаваемого двигателем разрежения воздуха, в системах впрыска — за счет давления топлива, создаваемого высокопроизводительным бензонасосом. Разница, казалось бы, непринципиальная. Но перепад давления в системах впрыска почти на порядок выше. Это не только обеспечивает лучшую гомогенизацию и испарение топлива, но, самое главное, позволяет гораздо более точно, гибко и эффективно управлять процессом подачи топлива в двигатель.
Идея подачи топлива в двигатель под давлением стара так же, как и сам двигатель внутреннего сгорания. Первые опыты в этой области провели еще в конце прошлого века. Интересно, что прежде чем эти системы научились как следует «стоять на ногах», они уже начали осваивать воздушное пространство, ведь именно авиации они многим обязаны в своем становлении и развитии. Достаточно сказать, что аэроплан братьев Райт, первый полет которого состоялся в 1903 году, имел бензиновый двигатель, оснащенный механической системой впрыска.
Конструкторы автомобильных двигателей тоже не чурались этой идеи. Первое экспериментальное механическое устройство впрыска топлива под давлением появилось на 4-тактном двигателе еще в 1894 году, т. е. годом раньше карбюратора Даймлера и Майбаха. Фирма Bosch начала эксперименты с механическими системами впрыска в 1912 году. Подобными разработками занимались и другие компании. Однако системы механического впрыска монтировались лишь на уникальных гоночных машинах, до серийного производства дело не доходило. Таким образом, на автомобилях того времени безраздельно господствовал карбюратор: он был несравненно проще в производстве, надежнее в эксплуатации и, самое главное, на порядок, а то и на два дешевле.
Систему впрыска топлива для дизельных автомобильных двигателей фирма Bosch создала в 1927 году. Использовались топливные насосы высокого давления с механическим приводом от двигателя. В 1937 году эта идея была реализована в авиационных моторах, как дизельных, так и бензиновых.
Позднее были созданы аналогичные устройства для гоночных автомобилей, а в 1954 году в Германии был представлен публике легковой автомобиль с бензиновым двигателем, оснащенным механической системой впрыска. Это был знаменитый Mercedes-Benz 300SL. Позже подобные системы появились на автомобилях BMW, Jaguar и других фирм.
В самой автомобильной стране мира — США — первая система впрыска появилась в 1957 году на автомобилях Chevrolet. Это тоже была механическая система, созданная Рочестерским (Rochester) отделением корпорации General Motors. В этом же году фирма Bendix разработала первую систему впрыска с электронным управлением — Electrojector, а фирма Chrysler даже взялась было устанавливать ее на свои автомобили, но высокая стоимость ($400—500 по тем временам было дорого) быстро отпугнула потенциальных покупателей.
Позже фирма Bosch приобрела лицензию на производство этой конструкции и все свои усилия направила на создание массовой, недорогой и надежной системы впрыска.
Однако потребовалось еще 10 лет, чтобы такая система появилась. Это произошло в 1967 году, когда продаваемые в США автомобили Volkswagen стали оснащаться электронной системой впрыска ECGI, позднее получившей название D-Jetronic. Система прожила почти 10 лет, последними автомобилями, на которых она устанавливалась, были Volvo 164E и Mercedes 450 1975 года.
Систем впрыска на сегодняшний день создано довольно много. Не будем городить сложную классификацию, для наших целей достаточно упомянуть, что впрыск топлива может осуществляться в различные точки двигателя — во впускной коллектор (центральный впрыск — Central-point Injection, иногда Throttle Body Injection), в предклапанное пространство каждого цилиндра (многоточечный впрыск — Multi-point Injection) или же непосредственно в камеру сгорания каждого цилиндра двигателя (непосредственный, или прямой впрыск — Direct Injection).
Впрыскивать топливо можно как непрерывно (Continuous Injection), так и импульсно, отдельными порциями (Pulsed Injection).
Управление впрыском может осуществляться электронным, механическим или комбинированным способами.
Широко распространенный термин Electronic Fuel Injection (EFI) — электронный впрыск, строго говоря, сегодня ничего особенного не значит, поскольку большинство современных систем впрыска в той или иной степени использует электронные схемы управления. По традиции, этот термин обычно относят к системам импульсного впрыска.
Перед тем как переходить к рассмотрению различных типов и конструкций систем впрыска следует сказать несколько слов, относящихся ко всем системам питания двигателей. Известно, что в зависимости от режима работы двигателя в каждый конкретный момент времени количество подаваемого в него топлива должно строго дозироваться. Для изменения режима работы меняется и количество подаваемого топлива. Кроме того, соответственно изменяются и такие параметры, как момент подачи топлива, время открытия и закрытия клапанов, угол опережения зажигания.
При создании двигателя инженеры обкатывают его на стенде и на полигоне, подбирая сочетание оптимальных параметров для каждого режима работы. Работа длительная, кропотливая и дорогая. Полученные экспериментальные данные сводятся в электронную карту управления двигателем, которая заносится в память электронного блока (компьютера) и является индивидуальной для каждой модели двигателя. В простых системах компьютер управляет только впрыском топлива, в более сложных компьютеру поручено и управление всеми дополнительными параметрами. Такие электронные блоки называются системами комплексного управления двигателем. Кроме управления впрыском компьютер выбирает оптимальный момент зажигания, регулирует работу двигателя на холостом ходу, управляет давлением наддува и рециркуляцией отработавших газов, включает и отключает компрессор кондиционера и электрический вентилятор системы охлаждения, производит непрерывную самодиагностику и запись всех сбоев в работе системы в специальную область памяти и многое другое.
Обязанности современных электронных систем настолько обширны, что впору писать об этом отдельную статью. Здесь же мы попытаемся рассмотреть только те части системы управления двигателем, которые относятся к впрыску.
ЦЕНТРАЛЬНЫЙ ВПРЫСК
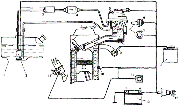
Основные отличия системы впрыска от карбюратора достаточно наглядны, если рассмотреть систему центрального впрыска, например, Bosch Mono-Jetronic, схема которой представлена на рис. 1.
На впускном коллекторе на месте привычного карбюратора прямо над дроссельной заслонкой (отсюда Throttle Body Injection) расположена электромагнитная форсунка, или инжектор (5). На первый взгляд очень похоже на карбюратор. Да и функции те же, только выполняются по-другому. Форсунка представляет собой быстродействующий электромагнитный клапан с соплом, обеспечивающим высокоэффективное распыливание топлива, когда клапан находится в открытом состоянии. Для открытия клапана на него подается управляющее напряжение.
Топливо к форсунке подводится под давлением около 1 кг/см кв. через фильтр (3) электрическим насосом (2), расположенным в бензобаке 1. Распыленное топливо с потоком воздуха всасывается двигателем.
Количество подаваемого топлива зависит от времени открытия клапана форсунки, дозирование осуществляется дискретно-временным (импульсным) способом. Время открытия клапана (приблизительно от 1 до 20 миллисекунд) определяется электронным блоком — компьютером (7), который сравнивает занесенные в его память экспериментальные данные об оптимальном режиме работы двигателя с информацией о его нагрузочном режиме в данный момент времени, поступающей от установленных на двигателе датчиков (6, 8, 9, 10, 11, 12).
Частота срабатывания клапана форсунки кратна частоте вращения коленчатого вала двигателя. В более совершенных вариантах такой системы момент впрыска связан также и с фазами газораспределения, т. е. с моментами открытия впускных клапанов.
Системы центрального впрыска, безусловно, являлись шагом вперед по сравнению с карбюраторными системами питания, но из-за своей простоты не лишены недостатков и уже не удовлетворяют современным требованиям.
Основной изъян, как и у карбюратора, — неоднородное распределение смеси по цилиндрам и ее конденсация во впускном коллекторе.
В Европе и Японии системы центрального впрыска получили распространение в основном на небольших автомобилях, что связано прежде всего с относительной дешевизной этих систем. Немаловажно и то, что под них легко адаптируются карбюраторные двигатели почти без конструктивных переделок или технологических изменений в производстве. А вот в США, где пик популярности систем центрального впрыска пришелся на конец 80-х — начало 90-х годов, их ставили на двигатели любого объема — вплоть до самых больших — 7,5 литровых.
МНОГОТОЧЕЧНЫЙ ВПРЫСК
Более совершенными являются системы многоточечного впрыска, в которых подача топлива к каждому цилиндру осуществляется индивидуально. Устройство такой системы на примере L-Jetronic показано на рис. 2.
Топливо из бензобака (1) насосом (2) через топливный фильтр 3 подается к общей распределительной магистрали, запитывающей электромагнитные форсунки (5).
Давление топлива поддерживается постоянным, благодаря регулятору (4), который направляет излишки топлива обратно в бак. В каждый цилиндр двигателя топливо впрыскивается отдельной форсункой. Принцип дозирования количества топлива, как и во всех системах с электронным управлением, — временной. Клапаны форсунок (рис. 3) управляются электрически и открываются синхронно с работой коленчатого вала двигателя поодиночке или группами по 2 или 3 (т. н. последовательный впрыск — sequental fuel injection). Микропроцессор (компьютер), входящий в состав блока управления (7), обрабатывает поступающие от соответствующих датчиков данные о нагрузочном режиме двигателя, частоте вращения и положении коленчатого вала, положении дроссельной заслонки, температуре охлаждающей жидкости, количестве и температуре поступающего в двигатель воздуха… Эти данные в сопоставлении с заложенными в память блока управления экспериментальными регулировочными характеристиками используются процессором блока для определения длительности импульсов напряжения, подаваемых на клапаны форсунок.
В наиболее совершенных моделях систем этого типа определяется также и оптимальный момент впрыска.
Основной датчик во всех системах впрыска — это устройство, измеряющее количество поступающего в двигатель воздуха, что позволяет судить о нагрузочном режиме двигателя. Измерять количество воздуха можно по-разному. В первой и самой простой системе Bosch D-Jetronic измерялось давление во впускном коллекторе, отсюда обозначение D (Druck по-немецки — давление). Это был косвенный метод, такой же, как в карбюраторе. В 1974 году появилась система L-Jetronic, в которой количество поступающего в двигатель воздуха определялось более точно — по углу отклонения шторки, или лопасти датчика воздушного потока (Luft — воздух). Самый точный метод измерений использован в системах LH-Jetronic (1984 год) и LH-Motronic (1987 год, Motronic по классификации Bosch обозначает систему управления впрыском, объединенную с системой управления зажиганием). Буква H в обозначении — от немецкого Heiss — горячий.
Действительно, в термоанемометрах системы LH используется тонкий (70 мкм) платиновый проводник, нагретый до 1000C. Поток проходящего воздуха охлаждает проводник, по изменению его электрического сопротивления определяется количество проходящего воздуха. Преимущество: прямое измерение массы, а не объема воздуха, что позволяет отказаться от поправок на температуру и плотность воздуха, или высоту над уровнем моря.
НЕПРЕРЫВНЫЙ ВПРЫСК
Описанные выше системы являются импульсными, впрыск топлива форсунками осуществляется дискретно, по командам блока управления. Можно сделать проще — подавать топливо из форсунок непрерывно, изменяя лишь его количество в зависимости от нагрузки на двигатель.
В качестве примера современного устройства непрерывного впрыска можно привести систему К-Jetronic, созданную Bosch в 1973 году и годом позже примененную на Porsche 911T. Буква K в обозначении — от немецкого Kontinuerlich — непрерывный. Система с механическим (иногда его называют гидравлическим) управлением не лишена недостатков.
Пожалуй, единственная причина появления механической системы в то время, когда на рынке давно и широко были представлены электронные, заключалась в ее низкой цене, сопоставимой со стоимостью карбюраторных систем питания.
Работу К-Jetronic (рис. 4) можно описать следующим образом: поток воздуха, засасываемый двигателем, отклоняет напорный диск (6), который через рычаг воздействует на дозирующий плунжер (7), а тот, перемещаясь внутри цилиндра (8), изменяет площадь радиально расположенных дозирующих отверстий (9). Количество отверстий равно количеству цилиндров двигателя. В цилиндр (8) под давлением порядка 5—6 кг/см кв. подается топливо, нагнетаемое электрическим бензонасосом (2). Пройдя дозирующие отверстия (9), топливо по трубопроводам поступает к впрыскивающим форсункам (инжекторам), которые расположены прямо над впускными клапанами. Форсунки в этой системе (рис. 5) — это просто пружинные клапаны с распылителем на конце, которые открываются при определенном давлении.
Топливо из форсунок поступает непрерывно, меняется лишь его количество, определяемое положением дозирующего плунжера (на самом деле все несколько сложнее, мы намеренно не описали еще несколько подсистем, но сути это не меняет). Чем выше нагрузка на двигатель, тем сильнее отклоняется напорный диск и тем выше поднимается дозирующий плунжер, увеличивая тем самым площадь отверстий (9), а значит, и подачу топлива к форсункам.
В момент открытия впускного клапана поступившее топливо смешивается с воздухом и всасывается в цилиндр. Все остальное время, пока впускной клапан закрыт, в зоне над ним происходит накопление и испарение топлива. С технической точки зрения не очень изящно, но тем не менее К-Jetronic неплохо работает, доказательством чему являются миллионы изготовленных экземпляров данной системы и ее многочисленные модификации, выпущенные после 1973 года. Особой любовью такие системы пользовались у инженеров из Штутгарта — вплоть до недавнего времени впрыск топлива на автомобилях Mercedes был представлен почти исключительно системами K- и KE-Jetronic.
KE-Jetronic является развитием системы К-Jetronic, но в отличие от последней, она снабжена электронным блоком и некоторыми другими дополнениями, сделавшими работу системы более точной и гибкой. Есть вариант KE-Jetronic с лямбда-сенсором. Есть и другие усовершенствования базовой системы: KE3-Jetronic и KE-Motronic, дополненные схемами управления зажиганием. Применяются они в основном на автомобилях Audi под названиями соответственно CIS-E III и CIS-Motronic.
Стоит сказать, что созданные Bosch системы непрерывного впрыска используются исключительно на автомобилях европейских производителей — c 1989 года ни на одной машине японского или американского происхождения К-Jetronic или ее аналоги не устанавливались. Среди европейских пользователей — все ведущие фирмы: Audi, BMW, Ferrari, Lotus, Mercedes, Peugeot, Porsche, Renault, Rolls-Royce, Saab, Volvo и, конечно, Volkswagen. На 12-цилиндровых двигателях Ferrari (Testarossa) и Mercedes по две системы KE-Jetronic устанавливались параллельно, каждая обслуживала свою группу цилиндров.
Отличительным внешним признаком системы непрерывного впрыска является отдельный блок, объединяющий в себе измеритель воздушного потока и дозирующее устройство. Этот блок, как правило, крепится между воздушным фильтром и впускным коллектором, с которым соединяется гибким рукавом. От дозирующего устройства к каждому (если впрыск многоточечный) инжектору подведен отдельный тонкий бензопровод. Встречаются, правда, и исключения: на многих двигателях Mercedes, а также на V-образных шестерках Peugeot, Renault и Volvo этот блок крепится прямо на впускном коллекторе и закрыт сверху воздушным фильтром — внешне похоже на обычный карбюратор. В любом случае электрические провода к инжекторам и единый массивный распределительный бензопровод, являющиеся отличительными признаками системы импульсного впрыска, естественно, отсутствуют.
Для обогащения смеси в момент пуска холодного двигателя в системах многоточечного впрыска во впускной трубопровод раньше устанавливали еще одну, дополнительную форсунку, т.
н. инжектор холодного пуска, управляемый термочувствительным переключателем. В последние годы от этого решения отказались, изменив при пуске режим работы стандартных инжекторов.
НЕПОСРЕДСТВЕННЫЙ ВПРЫСК
Перспективной разновидностью многоточечного впрыска являются системы непосредственного, или прямого впрыска топлива. От обычных конструкций они отличаются тем, что впрыск бензина происходит не во впускной коллектор, а непосредственно в камеру сгорания. Интересно, что первая в мире система впрыска для серийного бензинового двигателя (Mercedes-Benz 300SL, 1954 год) относилась именно к этой категории. Но там использовались топливные насосы высокого давления с механическим приводом от двигателя, что требовало высокой точности изготовления и тщательной регулировки. Стоимость таких систем и их обслуживания была весьма высока, да и Mercedes-Benz 300SL назвать серийным автомобилем можно лишь с большой натяжкой. Широкого применения они не нашли.
Реализация на современном техническом уровне идеи прямого впрыска для бензиновых двигателей требует решения ряда конструктивных и технологических проблем, и осуществить ее в массовом производстве пока не удается, тем не менее идея считается весьма перспективной, разработки в этом направлении ведутся многими фирмами.
На Tokyo Motor Show в конце 1993 года Toyota показала свой новый двигатель D-4 («Автопилот #1). Это 4-цилиндровый бензиновый двигатель с непосредственным впрыском топлива, работающий на переобедненной смеси. Степень сжатия 12,5. Топливо подается под давлением более 100 кг/см кв. Применены быстродействующие пьезоэлектрические инжекторы повышенной точности, которые фирма называет электронными. Момент впрыска регулируется в зависимости от нагрузки на двигатель: при малых и средних нагрузках впрыск происходит позднее, при больших — раньше. Для управления турбуленцией потока в цилиндре применен специальный клапан (swirl control valve) в воздушном впускном патрубке, открывающийся при больших нагрузках.
Работа над двигателем продолжается, по окончании его доводки конструкторы надеются добиться 20% экономии топлива. Массовое внедрение двигателей с непосредственным впрыском фирмы Toyota ожидают не ранее 2005—2010 годов.
ЗАЧЕМ ОНИ ПОНАДОБИЛИСЬ
А теперь наконец попробуем разобраться, почему собственно системы впрыска получили такое распространение и в чем их преимущество перед теми же карбюраторами?
Может показаться, что ответ лежит на поверхности — системы впрыска позволяют увеличить мощность, улучшить динамику, двигатель становится более экономичным.
Действительно, вначале целью внедрения таких систем на серийных автомобилях было прежде всего улучшение ездовых качеств. Однако обвальное распространение впрыска топлива на современных автомобилях обусловлено прежде всего не техническими, а экологическими соображениями.
Как известно, при сгорании бензина в двигателе в атмосферу выбрасывается множество вредных для человека и окружающей среды веществ и соединений. Регламентируется пока (к счастью для автопроизводителей и к несчастью для всех остальных) выброс только трех компонентов выхлопа: окиси углерода (CO), углеводородов (НС) и окислов азота (NOx). Снизить их содержание можно совершенствованием двигателя, оптимизацией процесса сгорания топлива, а также установкой в системе выпуска специальных трехкомпонентных (по числу регламентируемых компонентов выхлопа) каталитических нейтрализаторов отработавших газов. Без них выполнить современные, а тем более планируемые в недалеком будущем нормы по токсичности выхлопа невозможно.
А применение катализатора обязательно влечет за собой комплектацию автомобиля системой впрыска топлива.
Массовое внедрение каталитических устройств в системе выпуска отработавших газов и, соответственно, систем впрыска топлива началось в США, где нормы на чистоту выхлопа становились более жесткими, чем в Европе. Уже с 1980 года европейские производители автомобилей были вынуждены поставлять свою продукцию в США с системами впрыска, в то время как на местные рынки по-прежнему шли автомобили с карбюраторными системами питания.
Разработанные к середине 80-х годов трехкомпонентные катализаторы предназначались для нейтрализации продуктов, образующихся при сжигании в двигателе т. н. нормальной топливо-воздушной смеси (весовое соотношение бензин/воздух 1/14,7). Любое отклонение состава смеси от указанного приводило к падению эффективности работы катализатора и увеличению токсичности выхлопа.
Поддержание нужного состава смеси на различных режимах работы двигателя при наличии массы возмущающих факторов возлагалось на систему впрыска.
Для карбюраторов, даже оснащенных электронным управлением, это была совершенно непосильная задача. Да и упрощенные системы впрыска, например, К-Jetronic или KE-модификация тоже не могли решить ее полностью.
Выход был найден следующий. В систему впрыска ввели обратную связь — в выпускную систему, непосредственно перед катализатором, поставили датчик содержания кислорода в выхлопных газах, т. н. лямбда-сенсор. По сигналам этого датчика компьютер системы управления регулировал подачу топлива в двигатель, точно выдерживая нужный состав смеси.
Трехкомпонентный катализатор в сочетании со снабженной лямбда-сенсором системой впрыска работал весьма эффективно — с точки зрения экологов. Но для конструкторов автомобильных двигателей такая схема обернулась серьезной проблемой — дело в том, что максимальная экономичность двигателя достигается при работе на обедненной или даже переобедненной смеси (отношение бензин/воздух 1/25), и конструкторами уже была проделана немалая работа по созданию именно таких двигателей.
Однако на обедненных смесях катализатор работает плохо.
За чистоту выхлопа, достигнутую в результате внедрения катализаторов, пока приходится расплачиваться некоторым увеличением расхода топлива по сравнению с результатами, которых удалось добиться к середине 80-х годов на двигателях без катализаторов. Но увеличение расхода топлива приводит к увеличению общего количества выбросов в атмосферу, пусть даже и более чистых. Круг замыкается. Решение — за экологами, экономистами и политиками.
Тенденция работать на переобедненных смесях, по-видимому, сохранится. Потребуются, конечно, новые катализаторы, способные работать с такими смесями, а сокращение расхода топлива будет достигаться за счет дальнейшего совершенствования и усложнения систем управления двигателем: в конце концов принцип «Максимально достижимой технологии» — это получение наилучших результатов вне зависимости от сложности и стоимости технических решений.
Приверженность переобедненным смесям демонстрируют японские конструкторы.
Первый двигатель такого типа Toyota выпустила на рынок в 1984 году. Соотношение бензин/воздух 1/25, многоточечный впрыск, мощная система зажигания, 2 впускных клапана/цилиндр, в системе управления двигателем — дополнительный датчик состава смеси или давления в камере сгорания. Экономия топлива 8—10%.
Похожие двигатели в 1991 году выпустили Mitsubishi и Honda, в 1994 году о завершении аналогичной разработки объявил Nissan. Одна из проблем в таких конструкциях — необходимость повышения турбуленции, или завихрения топливо-воздушной смеси в камере сгорания. Завихрение может происходить по-разному — swirl или tumble — как в стиральных машинах с вертикально или горизонтально расположенной осью барабана. В двигателях Toyota и Nissan для завихрения смеси в одном из двух воздушных впускных патрубков каждого цилиндра применен специальный клапан — swirl control valve. Honda для этих целей использует различающееся на 1 мм по высоте приоткрытие впускных клапанов каждого цилиндра, Mitsubishi — особую конфигурацию впускных патрубков в сочетании с формой днища поршня.
Пока все созданные двигатели имеют относительно небольшой (до 2,0 литра) объем, который можно будет увеличить лишь после создания катализаторов, хорошо работающих с переобедненными смесями. Определенный прогресс в этом направлении уже достигнут. Toyota, кроме того, небезуспешно экспериментирует с системой из двух датчиков кислорода в выпускной системе, один из которых установлен до катализатора, а второй после. Исследуется метод электроподогрева катализатора для улучшения его работы при пуске холодного двигателя. FIAT предлагает использование двух каталитических нейтрализаторов, один из которых установлен близко к выпускному коллектору и способен работать при более высокой температуре.
ВМЕСТО ЗАКЛЮЧЕНИЯ
Многие до сих пор настороженно относятся к автомобилям, оснащенным системами впрыска топлива. Напрасно. Во-первых, карбюраторные двигатели все равно постепенно отходят в прошлое и волей-неволей к впрыску придется привыкать.
Во-вторых, с точки зрения эксплуатации системы впрыска гораздо надежнее карбюраторов, требующих постоянной чистки и регулировки. О выигрыше с точки зрения ходовых качеств автомобиля можно не говорить. И о зимнем запуске двигателя тоже. И о многом другом. Но, конечно, неприятности тоже случаются.
В первую очередь, заправка этилированным бензином. Его продажа в Москве запрещена, но кто не попадал в ситуацию, когда заправляться приходится за городом? А в других городах? Одной заправки этилированным бензином с гарантией хватает на то, чтобы вывести из строя катализатор. Можно, конечно, не думать об окружающей среде, но от содержащегося в этилированном бензине тетраэтилсвинца страдает не только катализатор — из строя выходит и датчик кислорода, лямбда-сенсор. Это уже хуже, поскольку нарушается управление двигателем. А это потеря мощности и другие прелести.
Бывают и курьезные случаи. Один из наших коллег за городом оборвал глушитель. Где-то в самой передней части.
Грохочет машина, естественно, жутко. И не едет совсем. Сначала думал, что дело в психологии — не хотелось сильно шуметь. Превозмог себя, нажал на газ как следует — все равно не едет, вернее едет, но плохо. Потом только в гараже разобрался — глушитель оборван перед самым цилиндром с катализатором, датчик кислорода торчит наружу. Естественно, сигнализирует, что кислорода много. Умный компьютер понял — подаваемая в двигатель смесь слишком бедная. И обогатил ее до отказа. С соответствующей потерей мощности двигателя.
Другой пример — добыл себе человек Land Rover. Летом все было нормально, но как только чуть похолодало, начались проблемы. Когда разобрались, выяснилось, что человек из экономических соображений немного схитрил — купил машину по случаю, в исполнении для жарких стран. Естественно, компьютер был запрограммирован на совершенно другой температурный диапазон. Пришлось ставить новый. Этим и закончилась экономия.
Достаточно распространенное явление в отечественных условиях — загрязнение форсунок инжекторов. От плохого бензина. Проявляется это в повышенной шумности холостого хода, провале или неуверенном наборе скорости при резком нажатии на педаль газа, увеличении расхода топлива, грязном выхлопе. Чаще происходит в небольших автомобилях с тесным подкапотным пространством при коротких поездках по городу с длительными остановками между ними: в неработающем горячем двигателе оставшиеся в соплах форсунок капли топлива испаряются, оставляя осадок, постепенно забивающий тонкий (около 0,05 мм) кольцевой канал (рис. 6). Профилактика — использование высокосортного топлива с хорошими моющими характеристиками. Проверка — только на стенде. Лечение — моющие добавки к бензину, причем использовать рекомендуется только те из них, которые специально предназначены для чистки инжекторов — добавки для карбюраторных двигателей не годятся.
И здесь мы переходим к важному вопросу. В целом системы впрыска устроены логичнее и даже проще карбюраторов. Но уровень их технического исполнения таков, что найти неисправность без специального диагностического оборудования сложно, а уж отремонтировать — тем более. И вряд ли здесь поможет умелец в робе с продранными локтями, который регулирует карбюраторы на улице. И хотя ломаются системы впрыска крайне редко, ищите хорошую станцию заранее.
Сергей Газетин, Михаил Васильев
Все об очистке систем впрыска: для чего, как, когда?
Внутри форсунки неизбежно образуются вредные отложения. Качество топлива, экстремальные температурные режимы, долгие простои в городских пробках – все это факторы риска, которые ускоряют процесс образования загрязнений. Сначала к металлу прилипают смолы и примеси, содержащиеся в топливе. Окислившись, они превращаются в устойчивую лаковую пленку.
Исследования наших специалистов показывают, что слой отложений толщиной всего 5 мкм снижает производительность форсунки более чем на 20%, так как ухудшается дисперсность, изменяется размер и форма факела распыла. Происходит потеря герметичности форсунки, сбои при работе системы управления впрыском.
Если загрязнения не удалить на этом этапе, проблемы могут усугубиться: начнется износ деталей, повышенное нагарообразование, закосовывание, возможен выход из строя катализатора, проблемы с запуском и т.д.
Очистка системы впрыска – когда необходима?
- вы заправляетесь топливом, качество которого вызывает сомнения,
- возникают проблемы с запуском двигателя,
- динамика движения автомобиля ухудшилась,
- есть шум или вибрация при работе двигателя,
- увеличился расход бензина или дизельного топлива,
- вы эксплуатируете автомобиль в городских условиях (пробки, частые остановки и т.д.),
- для профилактики закоксовывания двигателя,
- если пробег автомобиля составляет более 20-30 тыс. км.
Решить уже существующую проблему, а также предотвратить загрязнение способна очистка бензиновых и дизельных систем впрыска. Это одна из самых востребованных операций современных автосервисов. Очистка позволяет удалить до 100% загрязнений на форсунках, а также сохранить высокую работоспособность всей топливной системы автомобиля. LAVR предлагает линейку препаратов и оборудования для проведения процедуры очистки системы впрыска.
Очистка системы впрыска – два способа
- Безразборный метод.
- Очистка в ультразвуковой ванне с тестированием на стенде.
При безразборном методе очистки системы впрыска на двигателе автомобиля отключается система подачи топлива. К мотору подсоединяется специальная промывочная станция, через которую подается моющее топливо, на котором работает двигатель. Благодаря этому удаляются вредные отложения на форсунках..
ДДля этого метода LAVR создал препараты ML101, ML101 EURO для бензиновых и ML102 для дизельных агрегатов. Качество, а также эффективность препаратов уже оценили официальные дилерские центры AUDI, BMW, KIA, Mitsubishi, Nissan, Ford, Renault, Skoda, LADA и др. Уникальные запатентованные моющие комплексы LAVR PFS/DET (для бензиновых двигателей) и DFS/DET (для дизелей) быстро, а главное безопасно удаляют до 100% отложений.
Препараты LAVR ML101 и ML102 обладают раскоксовывающим действием, что отличает их от большинства аналогов на рынке. Это способствует дополнительной очистке поршневых колец от нагара и кокса. LAVR ML101 EURO – действует так же эффективно, как LAVR ML101, но более мягко из-за отсутствия раскокосовывающего эффекта. Благодаря чему состав снискал популярность на фирменных СТО и в автоцентрах, обслуживающих иномарки премиум-класса.
Эффект от промывки наблюдается практически сразу после окончания процедуры:
- снижается расход топлива,
- повышается динамика автомобиля,
- устраняются провалы оборотов на холостом ходу.
О независимых испытаниях препаратов LAVR ML101 читайте здесь.
При очистке системы впрыска в ультразвуковой ванне, форсунки демонтируются, а затем тестируются на стенде, после чего погружаются в емкость, заполненную жидкостью для очистки. Удаление вредных отложений происходит благодаря активным компонентам препарата и микропузырькам, которые образуются под воздействием ультразвука. После повторного тестирования форсунок на стенде детали устанавливаются на место.
Для безразборного способа промывки LAVR предлагает специальное безопасное оборудование – это пневматические станции, которые являются универсальным выгодным инструментом в арсенале любого автосервиса.
Современные пневматические станции ничем не уступают электрическим, а порой даже превосходят их своей надежностью при работе, потому что конструкция не имеет электрических узлов, клапанов или блоков управления. Применение пневматических станций более оправданно с технической точки зрения при обслуживании современных двигателей, в которых отсутствует обратный контур.
Архив топливных систем — FiTech Fuel Injection
ВНИМАТЕЛЬНО ПРОЧИТАЙТЕ СЛЕДУЮЩИЕ УСЛОВИЯ ИСПОЛЬЗОВАНИЯ ПЕРЕД ИСПОЛЬЗОВАНИЕМ ДАННОГО ВЕБ-САЙТА. Все пользователи этого сайта соглашаются с тем, что доступ к нему и его использование регулируются следующими положениями и условиями, а также другим применимым законодательством. Если вы не согласны с этими условиями, пожалуйста, не используйте этот сайт.
Авторские права
Все содержимое этого сайта, включая, помимо прочего, текст, графику или код, защищено авторским правом как коллективная работа в соответствии с законами США и другими законами об авторских правах и является собственностью FiTech Fuel Injection.Коллективная работа включает в себя работы, которые лицензированы FiTech Fuel Injection. Авторское право 2019, FiTech Fuel Injection, ВСЕ ПРАВА ЗАЩИЩЕНЫ. Разрешается копировать в электронном виде и распечатывать бумажные копии частей этого сайта с единственной целью размещения заказа в FiTech Fuel Injection или покупки продуктов FiTech Fuel Injection. Вы можете отображать и, с учетом любых явно заявленных ограничений или ограничений, касающихся конкретного материала, загружать или распечатывать части материала из различных областей сайта исключительно для вашего собственного некоммерческого использования или для размещения заказа в FiTech Fuel Injection или приобрести продукцию FiTech Fuel Injection.Любое другое использование, включая, помимо прочего, воспроизведение, распространение, отображение или передачу содержимого этого сайта, строго запрещено, если только это не разрешено FiTech Fuel Injection. Вы также соглашаетесь не изменять и не удалять какие-либо уведомления о правах собственности из материалов, загруженных с сайта.
Товарные знаки
Все товарные знаки, знаки обслуживания и торговые наименования FiTech Fuel Injection, используемые на сайте, являются товарными знаками или зарегистрированными товарными знаками FiTech Fuel Injection
Заявление об отказе от гарантий
Этот сайт, а также материалы и продукты на нем предоставляются «как есть »и без каких-либо явных или подразумеваемых гарантий.В максимальной степени, допустимой в соответствии с действующим законодательством, FiTech Fuel Injection отказывается от всех гарантий, явных или подразумеваемых, включая, помимо прочего, подразумеваемые гарантии товарной пригодности и пригодности для конкретной цели и ненарушения прав. FiTech Fuel Injection не заявляет и не гарантирует, что функции, содержащиеся на сайте, будут бесперебойными или безошибочными, что дефекты будут исправлены или что этот сайт или сервер, который делает сайт доступным, не содержат вирусов или других вредоносных компонентов. .FiTech Fuel Injection не дает никаких гарантий или заверений в отношении использования материалов на этом сайте с точки зрения их правильности, точности, адекватности, полезности, своевременности, надежности и т. Д. В некоторых штатах не допускаются ограничения или исключения из гарантий, поэтому указанные выше ограничения могут не относиться к вам.
Ограничение ответственности
FiTech Fuel Injection не несет ответственности за какие-либо особые или косвенные убытки, возникшие в результате использования или невозможности использования материалов на этом сайте или производительности продуктов, даже если FiTech Fuel Injection был уведомлен о возможности таких повреждений.Применимое законодательство может не допускать ограничения исключения ответственности или случайных или косвенных убытков, поэтому вышеуказанное ограничение или исключение может не относиться к вам.
Типографические ошибки
В случае, если продукт FiTech Fuel Injection ошибочно указан с неправильной ценой, FiTech Fuel Injection оставляет за собой право отклонить или отменить любые заказы, размещенные на продукт, указанный по неправильной цене. FiTech Fuel Injection оставляет за собой право отклонить или отменить любые такие заказы независимо от того, был ли заказ подтвержден и с вашей кредитной карты снята оплата.Если с вашей кредитной карты уже была снята оплата за покупку и ваш заказ отменен, FiTech Fuel Injection предоставит кредит на ваш счет кредитной карты в размере неверной цены.
Срок; Прекращение действия
Эти условия применяются к вам после вашего доступа к сайту и / или завершения процесса регистрации или совершения покупок. Эти условия или любая их часть могут быть прекращены FiTech Fuel Injection без предварительного уведомления в любое время и по любой причине.Положения, касающиеся авторских прав, товарных знаков, отказа от ответственности, ограничения ответственности, компенсации и прочего, остаются в силе после прекращения действия.
Уведомление
FiTech Fuel Injection может доставить вам уведомление по электронной почте, посредством общего уведомления на сайте или другим надежным способом на адрес, который вы предоставили FiTech Fuel Injection.
Разное
Использование вами этого сайта регулируется во всех отношениях законами штата Калифорния, США.S.A., без учета положений о выборе права, а не в соответствии с Конвенцией ООН 1980 г. о договорах международной купли-продажи товаров. Вы соглашаетесь с тем, что юрисдикция и место проведения любого судебного разбирательства, прямо или косвенно вытекающего из этого сайта или связанного с ним (включая, помимо прочего, покупку продуктов FiTech Fuel Injection), будут находиться в судах штата или федеральных судах, расположенных в округе Лос-Анджелес, Калифорния. Любые основания для иска или претензии, которые могут возникнуть в отношении сайта (включая, помимо прочего, покупку продуктов FiTech Fuel Injection), должны быть предъявлены в течение одного (1) года после возникновения претензии или основания для иска.Неспособность FiTech Fuel Injection настаивать на строгом выполнении какого-либо положения настоящих положений и условий не должна толковаться как отказ от какого-либо положения или права. Ни поведение сторон, ни торговая практика не должны приводить к изменению каких-либо из этих условий. FiTech Fuel Injection может передать свои права и обязанности по настоящему Соглашению любой стороне в любое время без предварительного уведомления.
Использование сайта
Преследование в любой форме или в любой форме на сайте, в том числе по электронной почте, в чате, а также с использованием нецензурной лексики или ненормативной лексики, строго запрещено.Выдача себя за других, включая FiTech Fuel Injection или другого лицензированного сотрудника, хозяина или представителя, а также других участников или посетителей сайта запрещена. Вы не можете загружать, распространять или иным образом публиковать через сайт любой контент, который является клеветническим, дискредитирующим, непристойным, угрожающим, нарушающим права на неприкосновенность частной жизни или гласности, оскорбительным, незаконным или иным образом нежелательным, который может представлять собой или поощрять уголовное преступление, нарушать права любой стороны или которые могут иным образом повлечь за собой ответственность или нарушить какой-либо закон.Вы не можете загружать коммерческий контент на сайт или использовать сайт, чтобы побуждать других присоединиться или стать членами любой другой коммерческой онлайн-службы или другой организации.
Заявление об ограничении ответственности
FiTech Fuel Injection не просматривает и не может просматривать все сообщения и материалы, размещенные или созданные пользователями, обращающимися к сайту, и не несет никакой ответственности за содержание этих сообщений и материалов. Вы признаете, что, предоставляя вам возможность просматривать и распространять пользовательский контент на сайте, FiTech Fuel Injection просто действует как пассивный канал для такого распространения и не берет на себя никаких обязательств или ответственности в отношении любого контента или действий на сайте сайт.Однако FiTech Fuel Injection оставляет за собой право блокировать или удалять сообщения или материалы, которые она считает (а) оскорбительными, дискредитирующими или непристойными, (б) мошенническими, вводящими в заблуждение или вводящими в заблуждение, (в) нарушающими авторские права, товарный знак. или же; другое право интеллектуальной собственности другого лица или (d) оскорбительное или иным образом неприемлемое для FiTech Fuel Injection по ее собственному усмотрению.
Компенсация
Вы соглашаетесь возместить, защитить и обезопасить FiTech Fuel Injection, ее должностных лиц, директоров, сотрудников, агентов, лицензиаров и поставщиков (совместно именуемые «Поставщики услуг») от всех убытков, расходов, убытков и затрат , включая разумные гонорары адвокатов в результате любого нарушения этих условий или любой деятельности, связанной с вашей учетной записью (включая небрежное или противоправное поведение) вами или любым другим лицом, осуществляющим доступ к сайту с помощью вашей учетной записи в Интернете.
Сторонние ссылки
В попытке повысить ценность для наших посетителей, FiTech Fuel Injection может ссылаться на сайты третьих сторон. Однако, даже если третья сторона связана с FiTech Fuel Injection, FiTech Fuel Injection не контролирует эти связанные сайты, все из которых имеют отдельные методы конфиденциальности и сбора данных, независимо от FiTech Fuel Injection. Эти связанные сайты предназначены только для вашего удобства, и поэтому вы получаете к ним доступ на свой страх и риск.Тем не менее, FiTech Fuel Injection стремится защитить целостность своего веб-сайта и размещенных на нем ссылок, и поэтому запрашивает любые отзывы не только о своем собственном сайте, но и о сайтах, на которые он ссылается (в том числе, если конкретная ссылка не работает). .
КОНТАКТ — FiTech Fuel Injection
ВНИМАТЕЛЬНО ПРОЧИТАЙТЕ СЛЕДУЮЩИЕ УСЛОВИЯ ИСПОЛЬЗОВАНИЯ ПЕРЕД ИСПОЛЬЗОВАНИЕМ ДАННОГО ВЕБ-САЙТА. Все пользователи этого сайта соглашаются с тем, что доступ к нему и его использование регулируются следующими положениями и условиями, а также другим применимым законодательством.Если вы не согласны с этими условиями, пожалуйста, не используйте этот сайт.
Авторские права
Все содержимое этого сайта, включая, помимо прочего, текст, графику или код, защищено авторским правом как коллективная работа в соответствии с законами США и другими законами об авторских правах и является собственностью FiTech Fuel Injection. Коллективная работа включает в себя работы, которые лицензированы FiTech Fuel Injection. Авторское право 2019, FiTech Fuel Injection, ВСЕ ПРАВА ЗАЩИЩЕНЫ. Разрешается копировать в электронном виде и распечатывать бумажные копии частей этого сайта с единственной целью размещения заказа в FiTech Fuel Injection или покупки продуктов FiTech Fuel Injection.Вы можете отображать и, с учетом любых явно заявленных ограничений или ограничений, касающихся конкретного материала, загружать или распечатывать части материала из различных областей сайта исключительно для вашего собственного некоммерческого использования или для размещения заказа в FiTech Fuel Injection или приобрести продукцию FiTech Fuel Injection. Любое другое использование, включая, помимо прочего, воспроизведение, распространение, отображение или передачу содержимого этого сайта, строго запрещено, если только это не разрешено FiTech Fuel Injection.Вы также соглашаетесь не изменять и не удалять какие-либо уведомления о правах собственности из материалов, загруженных с сайта.
Товарные знаки
Все товарные знаки, знаки обслуживания и торговые наименования FiTech Fuel Injection, используемые на сайте, являются товарными знаками или зарегистрированными товарными знаками FiTech Fuel Injection
Заявление об отказе от гарантий
Этот сайт, а также материалы и продукты на нем предоставляются «как есть »и без каких-либо явных или подразумеваемых гарантий. В максимальной степени, допустимой в соответствии с действующим законодательством, FiTech Fuel Injection отказывается от всех гарантий, явных или подразумеваемых, включая, помимо прочего, подразумеваемые гарантии товарной пригодности и пригодности для конкретной цели и ненарушения прав.FiTech Fuel Injection не заявляет и не гарантирует, что функции, содержащиеся на сайте, будут бесперебойными или безошибочными, что дефекты будут исправлены или что этот сайт или сервер, который делает сайт доступным, не содержат вирусов или других вредоносных компонентов. . FiTech Fuel Injection не дает никаких гарантий или заверений в отношении использования материалов на этом сайте с точки зрения их правильности, точности, адекватности, полезности, своевременности, надежности и т. Д. В некоторых штатах не допускаются ограничения или исключения из гарантий, поэтому указанные выше ограничения могут не относиться к вам.
Ограничение ответственности
FiTech Fuel Injection не несет ответственности за какие-либо особые или косвенные убытки, возникшие в результате использования или невозможности использования материалов на этом сайте или производительности продуктов, даже если FiTech Fuel Injection был уведомлен о возможности таких повреждений. Применимое законодательство может не допускать ограничения исключения ответственности или случайных или косвенных убытков, поэтому вышеуказанное ограничение или исключение может не относиться к вам.
Типографические ошибки
В случае, если продукт FiTech Fuel Injection ошибочно указан с неправильной ценой, FiTech Fuel Injection оставляет за собой право отклонить или отменить любые заказы, размещенные на продукт, указанный по неправильной цене. FiTech Fuel Injection оставляет за собой право отклонить или отменить любые такие заказы независимо от того, был ли заказ подтвержден и с вашей кредитной карты снята оплата. Если с вашей кредитной карты уже была снята оплата за покупку и ваш заказ отменен, FiTech Fuel Injection предоставит кредит на ваш счет кредитной карты в размере неверной цены.
Срок; Прекращение действия
Эти условия применяются к вам после вашего доступа к сайту и / или завершения процесса регистрации или совершения покупок. Эти условия или любая их часть могут быть прекращены FiTech Fuel Injection без предварительного уведомления в любое время и по любой причине. Положения, касающиеся авторских прав, товарных знаков, отказа от ответственности, ограничения ответственности, компенсации и прочего, остаются в силе после прекращения действия.
Уведомление
FiTech Fuel Injection может доставить вам уведомление по электронной почте, посредством общего уведомления на сайте или другим надежным способом на адрес, который вы предоставили FiTech Fuel Injection.
Разное
Использование вами этого сайта регулируется во всех отношениях законами штата Калифорния, США, без учета положений о выборе закона, а не Конвенцией ООН 1980 года о договорах международной купли-продажи товаров. . Вы соглашаетесь с тем, что юрисдикция и место проведения любого судебного разбирательства, прямо или косвенно вытекающего из этого сайта или связанного с ним (включая, помимо прочего, покупку продуктов FiTech Fuel Injection), будут находиться в судах штата или федеральных судах, расположенных в округе Лос-Анджелес, Калифорния.Любые основания для иска или претензии, которые могут возникнуть в отношении сайта (включая, помимо прочего, покупку продуктов FiTech Fuel Injection), должны быть предъявлены в течение одного (1) года после возникновения претензии или основания для иска. Неспособность FiTech Fuel Injection настаивать на строгом выполнении какого-либо положения настоящих положений и условий не должна толковаться как отказ от какого-либо положения или права. Ни поведение сторон, ни торговая практика не должны приводить к изменению каких-либо из этих условий.FiTech Fuel Injection может передать свои права и обязанности по настоящему Соглашению любой стороне в любое время без предварительного уведомления.
Использование сайта
Преследование в любой форме или в любой форме на сайте, в том числе по электронной почте, в чате, а также с использованием нецензурной лексики или ненормативной лексики, строго запрещено. Выдача себя за других, включая FiTech Fuel Injection или другого лицензированного сотрудника, хозяина или представителя, а также других участников или посетителей сайта запрещена. Вы не можете загружать, распространять или иным образом публиковать через сайт любой контент, который является клеветническим, дискредитирующим, непристойным, угрожающим, нарушающим права на неприкосновенность частной жизни или гласности, оскорбительным, незаконным или иным образом нежелательным, который может представлять собой или поощрять уголовное преступление, нарушать права любой стороны или которые могут иным образом повлечь за собой ответственность или нарушить какой-либо закон.Вы не можете загружать коммерческий контент на сайт или использовать сайт, чтобы побуждать других присоединиться или стать членами любой другой коммерческой онлайн-службы или другой организации.
Заявление об ограничении ответственности
FiTech Fuel Injection не просматривает и не может просматривать все сообщения и материалы, размещенные или созданные пользователями, обращающимися к сайту, и не несет никакой ответственности за содержание этих сообщений и материалов. Вы признаете, что, предоставляя вам возможность просматривать и распространять пользовательский контент на сайте, FiTech Fuel Injection просто действует как пассивный канал для такого распространения и не берет на себя никаких обязательств или ответственности в отношении любого контента или действий на сайте сайт.Однако FiTech Fuel Injection оставляет за собой право блокировать или удалять сообщения или материалы, которые она считает (а) оскорбительными, дискредитирующими или непристойными, (б) мошенническими, вводящими в заблуждение или вводящими в заблуждение, (в) нарушающими авторские права, товарный знак. или же; другое право интеллектуальной собственности другого лица или (d) оскорбительное или иным образом неприемлемое для FiTech Fuel Injection по ее собственному усмотрению.
Компенсация
Вы соглашаетесь возместить, защитить и обезопасить FiTech Fuel Injection, ее должностных лиц, директоров, сотрудников, агентов, лицензиаров и поставщиков (совместно именуемые «Поставщики услуг») от всех убытков, расходов, убытков и затрат , включая разумные гонорары адвокатов в результате любого нарушения этих условий или любой деятельности, связанной с вашей учетной записью (включая небрежное или противоправное поведение) вами или любым другим лицом, осуществляющим доступ к сайту с помощью вашей учетной записи в Интернете.
Сторонние ссылки
В попытке повысить ценность для наших посетителей, FiTech Fuel Injection может ссылаться на сайты третьих сторон. Однако, даже если третья сторона связана с FiTech Fuel Injection, FiTech Fuel Injection не контролирует эти связанные сайты, все из которых имеют отдельные методы конфиденциальности и сбора данных, независимо от FiTech Fuel Injection. Эти связанные сайты предназначены только для вашего удобства, и поэтому вы получаете к ним доступ на свой страх и риск.Тем не менее, FiTech Fuel Injection стремится защитить целостность своего веб-сайта и размещенных на нем ссылок, и поэтому запрашивает любые отзывы не только о своем собственном сайте, но и о сайтах, на которые он ссылается (в том числе, если конкретная ссылка не работает). .
Лучшие системы EFI послепродажного обслуживания (обзор и руководство по покупке) в 2021 году
Думаете о модернизации карбюраторного двигателя до системы EFI на вторичном рынке? Системы электронного впрыска топлива (EFI) становятся все более популярными среди автолюбителей, которые хотят повысить эффективность и мощность.Добавление системы EFI в ваш автомобиль может поднять ваш двигатель на совершенно новый уровень благодаря цифровой технологии, которая контролирует поток воздуха и топлива через дроссельную заслонку, порт или процесс прямого впрыска. Благодаря усовершенствованной и умной технологии эти инновационные системы обеспечивают больше, чем просто повышение эффективности — они также обеспечивают лучшую экономию топлива, помогая вам реже заправлять бензин.
Обеспокоены тем, что преобразование вашего карбюраторного двигателя в систему EFI будет слишком сложной задачей? С одной из лучших послепродажных систем EFI это может быть интересный проект.Вам просто нужно убедиться, что вы провели исследование и выбрали систему EFI, которая подходит вашему автомобилю, вашему двигателю и вашим потребностям. Если вы ищете послепродажную систему EFI для легкового автомобиля, легкого грузовика или гоночного двигателя, ознакомьтесь с нашими подборками лучших вариантов прямо здесь.
Преимущества систем EFI на вторичном рынке
- Устранение необходимости в карбюраторе. Карбюраторы необходимо регулировать механически, чтобы контролировать расход воздуха и топлива. Однако со временем они могут расстроиться и рискнуть потерпеть неудачу, если их не корректировать постоянно.Системы EFI устраняют необходимость в карбюраторе и продолжают регулировать поток воздуха и топлива независимо с расчетами, выполняемыми электронным блоком управления (ЭБУ). Это требует минимальных усилий с вашей стороны при настройке системы.
- Меньший расход топлива . Системы EFI более экономичны, чем карбюраторные двигатели. Это связано с тем, что электронная система постоянно регулирует соотношение воздух-топливо для обеспечения оптимального уровня. С другой стороны, карбюраторные двигатели могут обеспечивать избыточное соотношение топлива к воздуху, что может привести к большему расходу топлива.
- Соответствует условиям эксплуатации двигателя. Ваш двигатель может иметь разные потребности в топливе или воздухе в зависимости от условий эксплуатации. Системы EFI могут непрерывно контролировать рабочие условия и регулировать соотношение воздуха и топлива в зависимости от температуры окружающей среды, высоты, условий движения и других требований двигателя, таких как холодный запуск или режим выбега.
- Поддерживайте оптимальную производительность двигателя. Двигатели, использующие системы EFI, часто обеспечивают более высокий крутящий момент, чем карбюраторные двигатели.Системы EFI могут оптимизировать мощность, угол опережения зажигания и соотношение воздуха и топлива при различных оборотах двигателя, чтобы обеспечить стабильную производительность.
Типы систем EFI
Одноточечный
Одноточечный инжектор или инжектор корпуса дроссельной заслонки имеет один инжектор, установленный на корпусе дроссельной заслонки. Топливо впрыскивается в двигатель быстрыми короткими очередями, что создает гудение при запуске двигателя. По сравнению с карбюратором, эта система имеет лучшие характеристики холодного пуска и лучше регулирует подачу воздуха к топливной смеси.
Multipoint
В современных системах EFI обычно используется многоточечный топливный инжектор (MPFI). Он имеет отдельную топливную форсунку для каждого цилиндра, которая впрыскивает топливо непосредственно во впускной канал каждого цилиндра. Форсунки могут быть синхронизированы для одновременного распыления на все цилиндры или для совпадения с ходом впуска соответствующего цилиндра.
Прямой
Прямой топливный инжектор распыляет топливо непосредственно в камеру сгорания, вместо того, чтобы направлять его во впускной клапан в случае газового двигателя или в камеру предварительного сгорания в случае дизельного двигателя.Этот тип инжектора имеет игольчатый клапан на сопле, который приводится в действие соленоидом для регулирования давления жидкости, подаваемой в цилиндр двигателя. Поскольку они устанавливаются так близко к цилиндрам, они подвергаются большему нагреву и требуют материалов более высокого качества, которые могут выдерживать высокие температуры. Поэтому они дороже.
Ведущие бренды
Holley
Holley — автомобильный бренд, производящий автомобильные топливные системы более 100 лет.Он был рожден Брэдфордом, Пенн, братьями Джорджем и Эрлом Холли в конце 1800-х годов. Сегодня компания разрабатывает топливные насосы, впускные коллекторы, системы EFI и миллионы карбюраторов. Серия слияний на протяжении многих лет привела к поглощению под ее эгидой других брендов, включая MSD Ignition, Accel, Powerteq и Racepak. Если вы хотите опробовать один из его продуктов, обратите внимание на комплект New Holley Sniper EFI.
FiTech
FiTech со штаб-квартирой в Риверсайде, Калифорния., и производит одни из лучших топливных систем. Помимо систем EFI, она также производит топливные насосы, топливные фильтры, манометры и регуляторы давления топлива. Система FiTech 30021 EFI и FiTech 30005 Easy Street EFI — одни из лучших систем EFI с инновационным дизайном.
Aftermarket EFI Systems Pricing
- Менее 1000 долларов : Системы EFI в этом ценовом диапазоне могут управлять синхронизацией впрыска в зависимости от скорости, нагрузки и типа вождения автомобиля.Их можно запрограммировать для оптимизации расхода топлива, особенно в тяжелых дизельных двигателях.
- 1000 долларов и выше: Большинство систем EFI немного дороговаты, но это часто означает, что вы получаете надежную систему, которая может создать программу, подходящую для вашего конкретного приложения. Следовательно, в этом ценовом диапазоне вы можете рассчитывать найти систему EFI с программируемой системой управления, которую вы можете контролировать и контролировать с отдельного портативного монитора.
Основные характеристики
Тип системы
Как мы упоминали выше, существует несколько различных типов систем EFI — одноточечные, многоточечные и прямые.Выбирая послепродажное обслуживание, важно определить, какой тип лучше всего подходит для вашего автомобиля и двигателя. У каждого есть свои плюсы и минусы, и дизайн у трех типов различается. Тип, который вы выберете, повлияет на все, от метода установки до стоимости системы EFI, поэтому обязательно учтите эту ключевую деталь, прежде чем тратить цент.
Размер или выходная мощность
После того, как вы выбрали тип вторичной системы EFI, важно обратить внимание на размер или выходную мощность тех, которые вы рассматриваете.Это очень важно, так как размер должен соответствовать требованиям вашего двигателя к воздушному потоку и топливу, чтобы обеспечить мощность, которую вы хотите (или к которой вы привыкли). Наличие системы, соответствующей размеру вашего двигателя, выходной мощности и мощности, обеспечит вам максимальную производительность после ее установки. Посмотрите на выходную мощность инжектора системы EFI и подумайте о размере вашего двигателя. Часто он указывается в диапазоне — например, вы увидите максимальную мощность от 275 до 400 для стандартного двигателя объемом от 250 до 400 c.я бы. или от 600 до 750 лошадиных сил для двигателя от 350 до 500 куб. размер двигателя.
Технологии
Технологии — одна из главных причин для установки вторичной системы EFI на вашем автомобиле. Эти системы становятся все более умными в последние годы, и они не похожи на старые системы EFI, которым требовались ноутбуки и специальные компьютерные знания, чтобы обеспечить максимальную эффективность вашего автомобиля. Современные системы просты в установке и эксплуатации с использованием впечатляюще простых технологий. Чтобы найти лучшие и самые современные варианты, ищите системы EFI, которые включают возможность самонастройки.Вы также можете поискать системы, которые включают портативные тюнеры для упрощения управления и настройки.
Прочие соображения
- Совместимость: Любые запасные части, которые вы покупаете, должны быть совместимы с вашим автомобилем, чтобы избежать проблем с установкой. Лучший способ получить подходящую систему EFI — это найти ее, указав год, марку и модель вашего автомобиля. Если по какой-либо причине это не помогает, попробуйте найти номер детали OEM вашего автомобиля, который часто указывается в системе EFI.
- Топливо: Учитывайте также тип топлива, которое использует ваш автомобиль. Некоторые системы EFI поставляются с полной топливной системой, состоящей из топливного насоса и фильтров, которые могут не работать как с газом, так и с дизельным топливом.
- Гарантия: Гарантия служит доказательством того, что система EFI была разработана с использованием высококачественных материалов. Это поможет вам получить новую систему EFI или бесплатные услуги от поставщика в случае, если купленная вами перестает работать из-за дефектов изготовления.
Обзоры и рекомендации лучших систем EFI для вторичного рынка 2021
Советы
- Если вы планируете использовать сумматор мощности (например, нагнетатель) с вашей системой EFI, вам следует подумать о системе, совместимой с вашим сумматором мощности.
- Если у вас новый двигатель, перед установкой системы EFI проконсультируйтесь со специалистом по двигателестроению.
- Системы EFI требуют более высокого давления топлива для эффективной работы. Следовательно, вам следует подумать о модернизации топливной магистрали для соответствия системным требованиям EFI.
- Обычно системы EFI не включают резервуар для топлива по сравнению с карбюратором, который имеет резервуары для хранения топлива. Поэтому вам также следует подумать об установке топливного бака, предназначенного для систем EFI.
- Расположение топливного насоса очень важно, поскольку он не может выдерживать более высокие температуры в течение длительного времени. Обязательно устанавливайте его в таком месте, где он может легко остыть.
Часто задаваемые вопросы
В: Как работает система EFI послепродажного обслуживания?
В системе EFI на вторичном рынке используется подача топлива под высоким давлением к форсунке. Он также использует компьютерное управление и в целом увеличивает мощность и топливную экономичность транспортного средства. Вся система управляется электроникой.
Q: Что мне нужно для установки вторичной системы EFI?
Вам потребуются дроссельные заслонки, подходящий коллектор, топливный насос с высоким давлением, форсунки и фильтр. Помимо этого, вам также понадобятся регулятор, комплект топливной рампы, ЭБУ и возвратный трубопровод к топливному элементу.
Q: Нужно ли использовать воздухоочистители в системе EFI?
Да, мы рекомендуем использовать чистящие средства. Можно использовать любой стандартный послепродажный очиститель.
Q: Система EFI лучше карбюратора?
Это зависит от вашего автомобиля, двигателя и производительности, которую вы сейчас получаете.Для тех, кто хочет увеличить мощность и производительность, послепродажная система EFI может стать отличным обновлением по сравнению с текущим карбюраторным двигателем. Однако, если вас не беспокоит производительность или мощность, вы можете не увидеть огромной выгоды от стоимости покупки и установки системы EFI.
Q: Сколько лошадиных сил добавляет система EFI?
Мощность в лошадиных силах зависит от размера вашего двигателя и выходной мощности системы EFI, которую вы покупаете. Как правило, система EFI улучшит ваш двигатель, но не может напрямую увеличить вашу мощность.Большинство вторичных систем EFI могут работать с двигателями мощностью от 450 до 600 лошадиных сил, но некоторые из них подходят и для мощности до 1200 лошадиных сил.
Заключительные мысли
Наш выбор в качестве лучшей системы EFI для вторичного рынка — это комплект EFI New Holley Sniper 550511, поскольку он обеспечивает большую функциональность.
В качестве недорогого варианта вам следует рассмотреть систему FiTech 30021 Go EFI.
Системы впрыска топлива — тогда и сейчас
Двигатель внутреннего сгорания существует уже более 150 лет, и за это время основные принципы остались прежними, но исполнение превратилось в прекрасно элегантную систему.
Для того, чтобы двигатель внутреннего сгорания мог выполнять свою работу, ему нужен способ подвода топлива для… сгорания. Однако, как мы уверены, многие из вас знают; это не так просто, как кажется.
Для правильной работы требуется только правильная смесь топлива и воздуха. Раньше двигатели были невероятно неэффективными и неэффективными. Они создали власть. Вот и все.
Автомобили стали настолько неотъемлемой частью нашего образа жизни, что мы полностью на них полагаемся. Настолько, что существуют строгие правила, обеспечивающие максимальную чистоту и эффективность их работы
Знакомьтесь, система впрыска топлива.
Что случилось с карбюратором?
Система впрыска топлива — одно из тех изобретений, которые вызывают вопрос — почему ее не изобрели раньше?
Современная система впрыска топлива работает путем распыления топлива под высоким давлением, смешивая его с чистым воздухом, когда он проходит через впускной коллектор, прежде чем попасть в камеру сгорания каждого цилиндра.
Ключевым элементом современной электронной системы впрыска топлива является слово «электронный».”
В этих современных системах используются компьютер, датчик кислорода, форсунки, топливный насос и регуляторы давления для обеспечения точного смешивания и подачи топлива в камеру сгорания.
Слишком много топлива? Компьютер корректирует время, в течение которого форсунка остается открытой.
Карбюраторы старой закалки не могли этого сделать. Если не было микса — его не было. Это часто приводило к высоким выбросам, плохой экономии топлива, пропускам зажигания в двигателях, сгоревшим клапанам и сокращению срока службы двигателя. Теперь вы знаете, почему каждую весну ломается ваша газонокосилка.
Если соотношение топлива и воздуха в системе впрыска неправильное, компьютер исправляет это. Что делать, если это нельзя исправить? Загорится индикатор проверки двигателя.
Системы впрыска топлива обеспечивают более низкий расход топлива, большую мощность, повышенную надежность и большие возможности в будущем по сравнению с карбюратором.
Итак, системы впрыска топлива идеальны?
Почти.
Степень контроля, которую системы впрыска топлива обеспечивают по сравнению с традиционным карбюратором, неоспорима.У большинства механиков мурашки по коже пробегают мысли о поломке системы впрыска топлива.
Карбюратор — прекрасное произведение инженерной мысли. Вы можете сравнить его с часовым механизмом или крупнокалиберной винтовкой. Система механических компонентов, работающих в гармонии.
Если он перестает работать, его нужно разобрать, очистить от грязи и починить. Идея этого, вероятно, вызывает мурашки по спине у многих из вас, но, по крайней мере, вы можете физически увидеть проблему.Даже если вы не можете исправить это, вы можете определить, что есть проблема, а затем найти того, кто сможет.
Представьте, что ваш ноутбук полностью собран из механических частей — что-то вроде разностной машины. Если он разбился — вы могли бы открыть его и увидеть застрявшую деталь. Если бы вы сейчас открыли свой собственный ноутбук, он, вероятно, выглядел бы одинаково внутри, независимо от того, работает он или нет.
Если перестала работать система впрыска топлива — вам повезет, если вы заметите какие-либо физические признаки поломки.Самым простым решением было бы заменить блок и надеяться, что это решит проблему.
Часто бывает дорого. Опять же, сколько денег вы сэкономили на топливе за эти годы?
Технологии будут только улучшаться. Наши требования становятся все более конкретными, а наши ожидания — выше.
Прекрасным примером является 4-летнее освобождение от обслуживания новых автомобилей.
Мы просто не ожидаем, что новые автомобили больше выходят из строя. Сегодня общая тенденция технологий заключается в том, что они все больше и больше выбрасываются.’
Когда-то все знали, как что-то исправить. Дети воспитывались на умении менять свечу зажигания.
Это уже не так.
По мере того, как технологии становятся все более и более сложными, растут и наши ожидания. Цены могут быть высокими, но надежность — тоже. Технология становится более модульной. Если что-то сломается — просто замените.
Возможно, дни «возиться» закончились.
MAT FOUNDRY GROUP ЯВЛЯЕТСЯ ВЕДУЩИМ ПРОИЗВОДИТЕЛЕМ СЕРЫХ И ЧУГУННЫХ КОМПОНЕНТОВ ДЛЯ АВТОМОБИЛЕЙ.ЧТОБЫ УЗНАТЬ БОЛЬШЕ О НАС ПРОСМОТРЕТЬ НАШИ ПРОДУКТЫ ИЛИ СВЯЗАТЬСЯ С НАМИ СЕГОДНЯ
Системы впрыска топлива — Honest-1 Auto Care Provo
Системы впрыска топлива
Как работают системы впрыска топлива
В прошлом для подачи топлива в двигатель использовались карбюраторы. Сегодня в большинстве автомобилей используется система впрыска топлива. В системе подачи топлива этого типа используется топливная форсунка, которая представляет собой управляемый компьютером клапан, который принимает топливо под давлением, подаваемое электронным топливным насосом, и распыляет его, превращая его в мелкую спрей, которая легко сгорает.Распыленное топливо распыляется через корпус дроссельной заслонки, который подает распыленное топливо в каждый цилиндр через впускной коллектор. Несколько датчиков сообщают компьютеру информацию о скорости впрыска и сжигания топлива.
Обслуживание топливной форсунки и корпуса дроссельной заслонки
Все двигатели с впрыском топлива требуют определенного обслуживания топливной системы. В условиях стремительного роста цен на топливо большинство потребителей выбирают более дешевое топливо. Высокие температуры под капотом, низкое качество топлива вызывают накопление олефинового воска, грязи, воды и других примесей, которые сужают форсунки форсунок и нарушают форму распыления форсунок.Каждая система впрыска топлива имеет уникальную конструкцию управления подачей воздуха, которая также создает различные уровни углеродных отложений, которые со временем накапливаются, влияя на поток воздуха и распыление топлива. Засоренные форсунки и скопление нагара во впускной системе ухудшают производительность и экономию топлива. Технические специалисты Honest-1® являются экспертами в обслуживании систем впрыска топлива.
Услуга включает:
- Проверить рабочее давление и объем топливного насоса
- Проверить регулятор давления на работу и утечки
- Промыть всю топливную рампу и верхние сетки топливных форсунок, чтобы включить регулятор давления
- Очистить топливные форсунки
- Удаление углерода двигатель в сборе
- Очистите дроссельную заслонку и каналы регулятора холостого хода
- Проверьте минимальный расход воздуха и при необходимости отрегулируйте
- При необходимости заново обучите бортовой компьютер
Преимущества:
- Повышенная экономия топлива
- Увеличенный срок службы форсунок
- Снижение токсичных выбросов
- Снижение внутренней температуры
- Лучшая реакция и производительность вашего автомобиля
Прямой впрыск топлива: краткая история
Концепция прямого впрыска топлива существует с 1925 года, когда ее изобрел шведский инженер Йонас Хессельман.Во время Второй мировой войны некоторые истребители оснащались системой непосредственного впрыска топлива для предотвращения сваливания во время высокоскоростных маневров. После Второй мировой войны автомобильные компании обнаружили, что механический впрыск топлива в цилиндр в то время был практически невозможен. Несмотря на эти неудачи, кажется, что ошибки были устранены, и концепция предложила множество улучшений для современных операций.
Историческая перспектива
Система впрыска через корпус дроссельной заслонки была одной из первых отечественных систем впрыска топлива, которые вышли на рынок и легко заменили карбюратор в двигателях существующих конструкций.TBI требовался простой компьютер, способный управлять несколькими форсунками, распыляющими воздух, поступающий во впускной коллектор. Датчик положения дроссельной заслонки (TPS), датчик температуры охлаждающей жидкости (CTS), датчик абсолютного давления в коллекторе (MAP) и датчик кислорода (O2) были основными датчиками, необходимыми для точного контроля топлива в двигателе. Топливо подавалось с помощью топливного насоса в баке. Хотя TBI был чрезвычайно простым, капли фурела накапливались во впускном канале, что приводило к «мокрому потоку», который создавал неравномерное распределение по цилиндрам.Чтобы уменьшить влажный поток, автопроизводители ввели многопортовый впрыск. Многопортовые системы впрыска смогли синхронизировать впрыск топлива при открытии впускного клапана. Распределение топлива между цилиндрами оставалось неравномерным.
Прямой впрыск топлива
Поскольку стандарты выбросов продолжали ужесточаться, системы прямого впрыска бензина (GDFI) стали более доступными. Системы GDFI имеют ту же базовую настройку, что и обычные системы MPI. В большинстве GDFI для подачи топлива в насос высокого давления используется насос в баке.PCM контролирует насос высокого давления и может изменять количество топлива, поступающего в насос. Большинство насосов создают давление топлива около 2000 фунтов на квадратный дюйм, чтобы преодолеть давления, возникающие при сгорании и сжатии, и впрыснуть относительно большой объем топлива за короткий промежуток времени. Для систем GDFI требуются пьезоэлектрические топливные форсунки, которые могут открывать клапаны игл форсунок при давлении более 2000 фунтов на квадратный дюйм.
Преимущества прямого впрыска бензина
Самыми непосредственными преимуществами впрыска бензина непосредственно в цилиндр двигателя являются повышенная экономия топлива и мощность.Есть много вещей, которые могут повлиять на использование системы прямого впрыска бензина, поэтому в этой статье основное внимание будет уделено основам. Двигатель GDFI может работать в стехиометрическом режиме (соотношение воздух / топливо 14,7: 1 по массе теоретически производит только углекислый газ (CO2) и воду (h3O)) на полной мощности (соотношение воздух / топливо от 13: 1 до 14: 1 до достичь максимальной мощности.) и ультра-обедненный (соотношение воздух / топливо варьируется в зависимости от транспортного средства и может превышать 50: 1) режимах. Стратегия работы с распределенным впрыском топлива (FSI) также может повысить экономию топлива.Стратифицированное соотношение воздух / топливо может быть создано путем впрыска обедненной смеси воздух / топливо в цикл рабочего такта сразу после того, как происходит начальное «богатое» сгорание. Многослойная система имеет ограниченное применение из-за множества проблем, таких как повреждение выпускного клапана. Прямой впрыск бензина также позволяет инженерам фактически запустить двигатель, впрыскивая топливо в цилиндр в состоянии покоя на рабочем такте и зажигая его свечой зажигания. Это повторяется во всех цилиндрах в последовательности зажигания, пока не будет достигнута частота вращения холостого хода.Это позволяет выключать двигатель на светофоре для экономии топлива и быстро запускать его снова. Наконец, скрытая теплота испаряет топливо и фактически охлаждает внутреннюю часть цилиндра, что увеличивает степень сжатия.
Текущие проблемы прямого впрыска бензина
Большинство систем прямого впрыска бензина можно диагностировать с помощью диагностического прибора. Самая последняя проблема — скопление нагара на уплотнениях впускных клапанов, вызывающее пропуски зажигания в цилиндрах. Большая часть накопления углерода может быть связана с масляным туманом из системы ПВХ и EGR.Наконец, механические топливные насосы высокого давления, по-видимому, являются ранней точкой отказа современных серийных автомобилей. Помните, что насос низкого давления должен работать правильно, чтобы насос высокого давления работал. Все специалисты по запчастям также должны знать, что многие производители могут потребовать полной замены топливной рампы при замене одной топливной форсунки из соображений безопасности. Как и в случае с любой новой технологией, информационная система профессионального уровня жизненно важна для успешной диагностики исходной проблемы и завершения успешного ремонта.
Система впрыска топлива 101
Вы когда-нибудь интересовались системой впрыска топлива вашего автомобиля? Это то, что мы принимаем как должное каждый раз, когда поворачиваем ключ в замке зажигания. Несмотря на то, что система впрыска топлива изменилась за последнее десятилетие или около того, по мере того, как промышленность движется к конструкциям с прямым впрыском, основы остаются прежними.
Вот некоторые из наиболее важных компонентов системы впрыска топлива вашего автомобиля и их роль в поддержании оборотов двигателя.
Топливные форсункиНазвание настолько простое и информативное, но не объясняет, куда и почему впрыскивается топливо. Системы впрыска топлива основаны на проецировании тщательно отмеренных порций топлива в цилиндры двигателя, и именно топливная форсунка отвечает за эту задачу. Эти компоненты в основном представляют собой клапаны, которые по команде открываются для распыления мелкодисперсного топлива, а затем закрываются до тех пор, пока они снова не понадобятся. Чем дольше они остаются открытыми, тем больше топлива они дают.
Топливный насос
Для поддержания потока топлива из бака к форсункам система впрыска топлива использует один или несколько топливных насосов. Насосы не только перекачивают топливо из бака в переднюю часть автомобиля, но и поддерживают давление в топливной системе, так что при открытии форсунок бензин разбрызгивается, а не вытекает.
ДатчикиКоличество топлива, необходимое вашему двигателю, зависит от количества воздуха, поступающего в двигатель через дроссель.Чтобы знать, что дроссельная заслонка открыта, системе впрыска топлива необходим датчик, который сообщает ей, что клапан сработал педалью газа. Количество воздуха, поступающего в двигатель, измеряется другим датчиком (массовый расход воздуха), так что воздушно-топливное соотношение двигателя поддерживается в пределах оптимальных параметров. Еще одна партия датчиков (кислородные датчики) следят за выбросами в выхлопе, чтобы дать системе еще один взгляд на фактическое соотношение воздух-топливо, которое горит в двигателе.
К числу других датчиков, играющих ключевую роль, относятся датчик абсолютного давления в коллекторе, который измеряет давление воздуха во впускном коллекторе (и, как следствие, количество вырабатываемой мощности), а также датчик частоты вращения двигателя, который измеряет количество оборотов двигателя в минуту.





